Intégrer la présentation
Téléchargé 2 801 fois
















































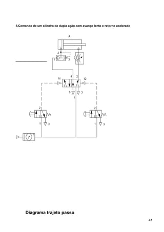
Le document semble aborder le sujet de l'indication algébrique. Il utilise une notation symbolique qui nécessite une interprétation mathématique spécifique. Les détails concrets sont absents en raison de la nature concise et codée du texte.














































