Aspects d’assainissement d’amiante
vrijdag 19 juli 13
vrijdag 19 juli 13
Création 1986
Modernisé 2006
vrijdag 19 juli 13
But
Il faut installer les conditions de travail lors du
traitement d’amiante de telle façon qu’ils ne se
libèrent pas de fibres d’amiante et ce pour
autant que ceci est réalisable avec les
techniques actuelles.
S’ils se libèrent des fibres d’amiante il faut les
capter à l’entrée et à la sortie de la zone de
travail et les évacuer sans danger pour
l’homme et l’environnement.
Aspects d’assainissement d’amiante
vrijdag 19 juli 13
Analyse
Aspects d’assainissement d’amiante : agenda
analyse de la poussière
analyse du matériel
analyse de l’air
Mesures
Situation
protection personnelle
séparation
écluses
dépression
contrôle de la dépression
aspirateurs
emballage et signalisation
accessoires
vrijdag 19 juli 13
Analyse
Aspects d’assainissement d’amiante : agenda
analyse de la poussière
analyse du matériel
analyse de l’air
Mesures
Situation
protection personnelle
séparation
écluses
dépression
contrôle de la dépression
aspirateurs
emballage et signalisation
accessoires
vrijdag 19 juli 13
Analyse de la poussière
tube d’échantillon enlever la
feuille de protection
appuyer dans
la poussière
la poussière colle
sur la surface
tube
d’échantillon
fermé et
étiqueté
Aspects d’assainissement d’amiante : analyse
vrijdag 19 juli 13
Analyse
Aspects d’assainissement d’amiante : agenda
analyse de la poussière
analyse du matériel
analyse de l’air
Mesures
Situation
protection personnelle
séparation
écluses
dépression
contrôle de la dépression
aspirateurs
emballage et signalisation
accessoires
vrijdag 19 juli 13
Analyse du matériel
préparation prise d’échantillon envoyer l’échantillon
Safestrip System
Aspects d’assainissement d’amiante : analyse
vrijdag 19 juli 13
Analyse
Aspects d’assainissement d’amiante : agenda
analyse de la poussière
analyse du matériel
analyse de l’air
Mesures
Situation
protection personnelle
séparation
écluses
dépression
contrôle de la dépression
aspirateurs
emballage et signalisation
accessoires
vrijdag 19 juli 13
Analyse de l’air
Basé sur le VDI 3492
Il s’agit ici de la seule publication qui détermine
auxquelles critères un appareil de mesure doit se
confirmer.
Airsampler S15
Aspects d’assainissement d’amiante : analyse
vrijdag 19 juli 13
Analyse de l’air
Aspects d’assainissement d’amiante : analyse
vrijdag 19 juli 13
Basé sur VDI 3492
Déterminer la concentration de fibres dans l’air
à l’intérieur
afin de déterminer les mesures nécessaires à prendre
afin de déterminer les effets après l’assainissement
Détermination via MEB (microscope électronique à
balayage)
VDI est repris par la WHO (World Health Organisation)
afin de le documenter dans un dossier
Aspects d’assainissement d’amiante : analyse
Analyse de l’air
vrijdag 19 juli 13
Procédure: Un échantillon d’air est pris sur un filtre évaporé or via une
tête d'échantillonnage.
Aspects d’assainissement d’amiante : analyse
Analyse de l’air
Basé sur VDI 3492
Déterminer la concentration de fibres dans l’air
à l’intérieur
afin de le documenter dans un dossier
afin de déterminer les mesures nécessaires à prendre
afin de déterminer les effets après l’assainissement
Détermination via MEB (microscope électronique à
balayage)
VDI est repris par la WHO (World Health Organisation)
vrijdag 19 juli 13
1 tuyau d’aspiration
2 porte-filtre
3 grille de support VA
4 support filtre
5 filtre noyau
6 rouleau de tension
7 anneau de tension
8 tube d’aspiration
9 scellages PTFE
vrijdag 19 juli 13
Analyse de l’air Basé sur le VDI 3492
Déterminer la concentration de fibres dans l’air
à l’intérieur
afin de le documenter dans un dossier
afin de déterminer les mesures nécessaires à prendre
afin de déterminer les effets après l’assainissement
Détermination via MEB (microscope électronique à
balayage)
VDI est repris par la WHO (World Health Organisation)
Procédure: Un échantillon d’air est pris sur un filtre évaporé or via une
tête d'échantillonnage.
Caractéristiques importantes pour l’appareil
d’échantillonnage :
réglage automatique du volume (± 10% de la valeur
installée)
l’appareil d’aspiration doit fonctionner sans vibrations
contrôle de la différence de pression
Aspects d’assainissement d’amiante : analyse
vrijdag 19 juli 13
Programmation :
Airsampler S15
le volume de l'échantillonnage
la durée de l’échantillonnage
Écran :
le volume (débit)
la température
l’humidité relative
la pression absolue
} est important
pour lӎvaluation
de la mesure
Particularité
Option
le temps perdu par une perte de courant est prise en
considération
possibilité de reliage avec donneurs d’alerte extérieures
ou gsm
Aspects d’assainissement d’amiante : analyse
Analyse de l’air
vrijdag 19 juli 13
vrijdag 19 juli 13
Analyse
Aspects d’assainissement d’amiante : agenda
analyse de la poussière
analyse du matériel
analyse de l’air
Mesures
Situation
protection personnelle
séparation
écluses
dépression
contrôle de la dépression
aspirateurs
emballage et signalisation
accessoires
vrijdag 19 juli 13
Aspects d’assainissement d’amiante : mesures
vrijdag 19 juli 13
Protection personnelle
1 description de l’article
2 fabriquant
3 le marquage CE documente la conformité de
la protection personnelle catégorie III de
l’ANCCP, Agenzia Nationale Certificatione
Compenti, Via Ronbon 11, I-20134 Milano
4 Type 5 : vêtements étanche
Type 6 : protection limitée envers des brumes
de matières chimiques
5 symbole de taille
6 nécessité de lire les informations
7 symbole anti-statique
8 symboles internationales d’entretien
Aspects d’assainissement d’amiante : mesures
vrijdag 19 juli 13
Voor éénmalig gebruik Herbruikbaar
Overall Overall
Overschoenen
Hemd
Ondergoedset
Slip
Sokken
Utilisation par froideur et humidité
www.asbestos.com
„Clothing of workers who handled asbestos products
provided a significant risk ... .“„Because of the jagged
structure of asbestos fibers, the microscopic particles could
easily attach to clothing.“„Some mesothelioma cases have
developed from children sitting on their father’s or
grandfather’s lap after the worker came home from work.“
http://www.asbestos.com/exposure/secondary.php
Protection personnelle
Aspects d’assainissement d’amiante : mesures
vrijdag 19 juli 13
amiante liée
Protection respiratoire
plaques et buses d’amiante, d'éternite etc.
pour usage
unique
semi-masques à
cartouches
Aspects d’assainissement d’amiante : mesures
vrijdag 19 juli 13
Protection respiratoire
amiante peu liée
flocage, tissu d’amiante etc.
masque intégral
Aspects d’assainissement d’amiante : mesures
vrijdag 19 juli 13
Asbeste peu liée
masque intégral à ventilation assistée avec un champ de
vision presque naturel
ventilateur et filtre au masque
ou : ventilateur et filtre à la ceinture ou : adduction d’air externe
Visière conforme au
BS2092, poly-
carbonate, rassure un
champ de vision
virtuellement libre
Scellage silicones
développée pour
qu’une taille convient
pour pratiquement
tout le monde
Aspects d’assainissement d’amiante : mesures
flocage, tissu d’amiante etc.
Protection respiratoire
vrijdag 19 juli 13
Analyse
Aspects d’assainissement d’amiante : agenda
analyse de la poussière
analyse du matériel
analyse de l’air
Mesures
Situation
protection personnelle
séparation
écluses
dépression
contrôle de la dépression
aspirateurs
emballage et signalisation
accessoires
vrijdag 19 juli 13
Aspects d’assainissement d’amiante : mesures
vrijdag 19 juli 13
Séparation : dans le lieu avec des feuilles PE
Assainissement dépôt
Gauchy, France, septembre 1997
Aspects d’assainissement d’amiante : mesures
vrijdag 19 juli 13
Séparation : paroi anti-poussières
Aspects d’assainissement d’amiante : mesures
vrijdag 19 juli 13
Aspects d’assainissement d’amiante : mesures
Séparation : paroi anti-poussières
vrijdag 19 juli 13
Aspects d’assainissement d’amiante : mesures
Séparation : Assembly System
vrijdag 19 juli 13
Aspects d’assainissement d’amiante : mesures
Séparation : Assembly System
vrijdag 19 juli 13
Aspects d’assainissement d’amiante : mesures
Séparation : Assembly System
vrijdag 19 juli 13
Analyse
Aspects d’assainissement d’amiante : agenda
analyse de la poussière
analyse du matériel
analyse de l’air
Mesures
Situation
protection personnelle
séparation
écluses
dépression
contrôle de la dépression
aspirateurs
emballage et signalisation
accessoires
vrijdag 19 juli 13
vrijdag 19 juli 13
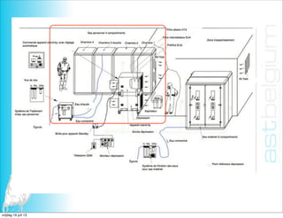
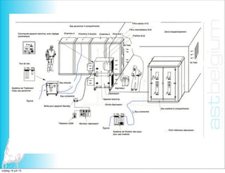
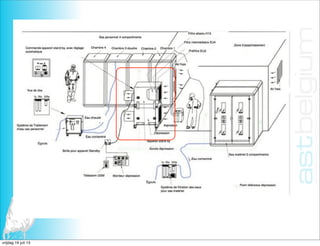
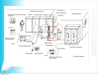
Sas personnel
Système stable intégré
Système de transport et d’emmagasinage propre
Flexible, variable, à combiner (grandeur,
positionnement)
Canalisation de l’air via flaps auto-fermantes
Porte de sortie marquée (attention, asbeste) et
verrouiable
Les collaborateurs ne se trouvent pas dans l’eau
(impuretés, moule)
Les portes se ferment automatiquement et sont
réellement fermées
Parois lavables / facile à nettoyer
Bassins dimensionnés de taille suffisante (pas de
risque d'inondations)
Aspects d’assainissement d’amiante : mesures
vrijdag 19 juli 13
Sas personnel : exemple
Assainissement “Fibronit”
Bari, Italie, février 2004
Aspects d’assainissement d’amiante : mesures
vrijdag 19 juli 13
Aspects d’assainissement d’amiante : mesures
Sas personnel : exemple
Assainissement “Fibronit”
Bari, Italie, février 2004
vrijdag 19 juli 13
Sas personnel : alternative pour le vestiaire
par des voiles solides avec nettement plus de place
Aspects d’assainissement d’amiante : mesures
vrijdag 19 juli 13
alternative sas mobile sur roues pour utilisation dans le terrain
3 à 5 m montage
3 à 5 compartiments
divers options telles que chauffage électrique,
climatisation, toilette chimique et autres
Aspects d’assainissement d’amiante : mesures
Sas personnel :
vrijdag 19 juli 13
Personensas:
douche chauffage dépression avec filtre P3 toilette
Aspects d’assainissement d’amiante : mesures
Sas personnel : alternative sas mobile sur roues pour utilisation dans le terrain
3 à 5 m montage
3 à 5 compartiments
divers options telles que chauffage électrique,
climatisation, toilette chimique et autres
vrijdag 19 juli 13
particularité : possibilité d’un système autarque
chauffage eau et local avec système gasoil WEBASTO
réservoir d’eau 220 litres
batterie de bord pour éclairage et pompes
Aspects d’assainissement d’amiante : mesures
Sas personnel : alternative sas mobile sur roues pour utilisation dans le terrain
3 à 5 m montage
3 à 5 compartiments
divers options telles que chauffage électrique,
climatisation, toilette chimique et autres
vrijdag 19 juli 13
Assainissement après incendie
Plate GmbH, Sportstätte Hildesheim,
mai 2000
Aspects d’assainissement d’amiante : mesures
vrijdag 19 juli 13
alternative conteneur
Aspects d’assainissement d’amiante : mesures
Sas personnel :
vrijdag 19 juli 13
vrijdag 19 juli 13
Systèmes de traitement d’eau
Fournir de l’eau chaude
Filtrer les eaux contaminées
D25L D30L D110L D500
D130L 400V instantané
Aspects d’assainissement d’amiante : mesures
vrijdag 19 juli 13
vrijdag 19 juli 13
Sas matériel
But
Emballage de matériel
Montage et manipulation comme le sas personnel
Nettoyage de matériel
Aspects d’assainissement d’amiante : mesures
vrijdag 19 juli 13
Sas matériel
Optimalisation de transport et de manipulation
Convoyeur à rouleaux
Palette synthétique
Aspects d’assainissement d’amiante : mesures
vrijdag 19 juli 13
Trajet grue
Aspects d’assainissement d’amiante : mesures
Sas matériel
Optimalisation de transport et de manipulation
vrijdag 19 juli 13
Palais de la république, Berlin
Aspects d’assainissement d’amiante : mesures
vrijdag 19 juli 13
vrijdag 19 juli 13
Système filtrant à 4 étapes (220 µ, 50 µ, 1 µ)
Filtre gros avec filtre poche 220 µ
AS 300
Aspects d’assainissement d’amiante : mesures
Systèmes de traitement d’eau
vrijdag 19 juli 13
Sas spéciaux
Système de traitement d’eau
Nettoyage de petits éléments contaminés
Raffinerie ESSO
Rotterdam, Pays-Bas, septembre 1999
Dépression
Aspects d’assainissement d’amiante : mesures
vrijdag 19 juli 13
Analyse
Aspects d’assainissement d’amiante : agenda
analyse de la poussière
analyse du matériel
analyse de l’air
Mesures
Situation
protection personnelle
séparation
écluses
dépression
contrôle de la dépression
aspirateurs
emballage et signalisation
accessoires
vrijdag 19 juli 13
vrijdag 19 juli 13
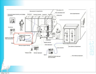
Dépression
Renouvellement d’air = 8 - 10 fois / heure
Dépression = 15 - 20 Pa
Canalisation d’air guidée afin de
parcourir toute la zone d’assainissement
Générateur de fumée afin de
vérifier les renouvellements d’air
ainsi que le scellage de la
séparation
Aspects d’assainissement d’amiante : mesures
vrijdag 19 juli 13
Filtre absolu
scellage étanche identification
grille de protection
Information : des recherches
confirment que jusqu’à 80% des
filtres absolus sans grille de
protection sont irréparablement
endommagés lors de l’emballage et le
déballage à ne plus être utilisés !
Aspects d’assainissement d’amiante : mesures
vrijdag 19 juli 13
Contrôle
Contrôle
Marche / Arrêt
Aspects d’assainissement d’amiante : mesures
vrijdag 19 juli 13
Contrôle manuelle
Aspects d’assainissement d’amiante : mesures
Contrôle
Marche / Arrêt
Contrôle
vrijdag 19 juli 13
Contrôle
automatique
Aspects d’assainissement d’amiante : mesures
Contrôle
Contrôle
Marche / Arrêt
Contrôle manuelle
vrijdag 19 juli 13
Check: rendement
unité de mise en
dépression
renouvellements
d’air
anémomètre à
moulinet rotatif
contrôle du débit résultat
Aspects d’assainissement d’amiante : mesures
vrijdag 19 juli 13
Check: dépression
Aspects d’assainissement d’amiante : mesures
vrijdag 19 juli 13
Check: qualité du filtre
appareil de mise
en dépression
Compte-particules
à laser
résultat
contrôle
coffret
Aspects d’assainissement d’amiante : mesures
Compte-particules à laser avec accessoires
vrijdag 19 juli 13
Aspects d’assainissement d’amiante : mesures
vrijdag 19 juli 13
Dépression: Série D: de 600 à 100 000 m3 / hr
Petites interventions, petits appareils
Grandes interventions, grands appareils
Aspects d’assainissement d’amiante : mesures
vrijdag 19 juli 13
Dépression conteneur
50 000 m3 / hr ou 100 000 m3 / hr
Aspects d’assainissement d’amiante : mesures
vrijdag 19 juli 13
Assainissement d’amiante Tour des
Finances Brussel, janvier 2005
Aspects d’assainissement d’amiante : mesures
vrijdag 19 juli 13
Aspects d’assainissement d’amiante : mesures
Assainissement d’amiante Tour des
Finances Brussel, janvier 2005
vrijdag 19 juli 13
Aspects d’assainissement d’amiante : mesures
Assainissement dépôt
Gauchy, France, septembre 1997
vrijdag 19 juli 13
Assainissement ancienne fonderie
France, juillet 2004
Aspects d’assainissement d’amiante : mesures
vrijdag 19 juli 13
Assainissement d’amiante ancienne chancellerie
Bonn, Allemagne, février 2002
Aspects d’assainissement d’amiante : mesures
vrijdag 19 juli 13
Analyse
Aspects d’assainissement d’amiante : agenda
analyse de la poussière
analyse du matériel
analyse de l’air
Mesures
Situation
protection personnelle
séparation
écluses
dépression
contrôle de la dépression
aspirateurs
emballage et signalisation
accessoires
vrijdag 19 juli 13
vrijdag 19 juli 13
Contrôle de la dépression
mesure en permanence
EXIGENCES :
documentation complète
signal en cas d’alerte
OPTIONS IMPORTANTES :
module de communication
(connexion au PC via raccord- USB)
batterie de secours
canaux de mesure supplémentaires
Tele-Alarm
appareil de mise en dépression
stand-by
S1 mini S2 maxi
S3 combi
Aspects d’assainissement d’amiante : mesures
vrijdag 19 juli 13
Option : maintenir la dépression à l’aide d’un appareil
stand-by
Est standard en France et en Suisse
filtres colmatés
panne de l’appareil
Lors de manque de dépression à cause de
l’appareil de mise en dépression enclenche via le
switchbox l’appareil standby.
Important :
la dépression maximale n’est pas dépassée à l’aide du
contrôle automatique sur l’appareil de mise en dépression
(contrôle SRE)
Aspects d’assainissement d’amiante : mesures
vrijdag 19 juli 13
Assainissement d’amiante VIC
Wien, Autriche, novembre 2004
Solution spéciale : transmission de données via internet
Aspects d’assainissement d’amiante : mesures
vrijdag 19 juli 13
Analyse
Aspects d’assainissement d’amiante : agenda
analyse de la poussière
analyse du matériel
analyse de l’air
Mesures
Situation
protection personnelle
séparation
écluses
dépression
contrôle de la dépression
aspirateurs
emballage et signalisation
accessoires
vrijdag 19 juli 13
vrijdag 19 juli 13
Aspirateurs : classe poussière H
Important : permis classe ‘H’
9 L - 2,6 m3 / hr 20 L - 4,9 m3 / hr
40 L - 9 m3 / hr - en option avec cyclone
Aspects d’assainissement d’amiante : mesures
vrijdag 19 juli 13
Aspects d’assainissement d’amiante : mesures
Aspirateurs : classe poussière H
vrijdag 19 juli 13
Assainissement d’amiante université
Jussieu, Paris, France, avril 2004
Aspects d’assainissement d’amiante : mesures
vrijdag 19 juli 13
Analyse
Aspects d’assainissement d’amiante : agenda
analyse de la poussière
analyse du matériel
analyse de l’air
Mesures
Situation
protection personnelle
séparation
écluses
dépression
contrôle de la dépression
aspirateurs
emballage et signalisation
accessoires
vrijdag 19 juli 13
Emballage : sacs
Sac PE
pour matériel
léger tel que
feuilles, poussière
Étape
1
Étape
2
Étape
3
Sac PP
pour matériel
lourd ou aigu tels
que pierres
Sac déchet PE
avec impression
Bigbag avec impression
Sac conteneur avec impression
Aspects d’assainissement d’amiante : mesures
vrijdag 19 juli 13
Emballage : bande adhésives
Aspects d’assainissement d’amiante : mesures
vrijdag 19 juli 13
Matériaux divers
Aspects d’assainissement d’amiante : mesures
vrijdag 19 juli 13
Scie amiante Couteau d’isolation
Torchon métallique Tapis en laine d’acier tressé
Aspects d’assainissement d’amiante : mesures
Matériaux divers
vrijdag 19 juli 13
Signalisation : ruban de balisage, autocollants, panneaux
Aspects d’assainissement d’amiante : mesures
vrijdag 19 juli 13
Analyse
Aspects d’assainissement d’amiante : agenda
analyse de la poussière
analyse du matériel
analyse de l’air
Mesures
Situation
protection personnelle
séparation
écluses
dépression
contrôle de la dépression
aspirateurs
emballage et signalisation
accessoires
vrijdag 19 juli 13
Accessoires : arroseur / appareil airless
Arroseur Airless électrique Airless électrique
Aspects d’assainissement d’amiante : mesures
vrijdag 19 juli 13
Analyse
Aspects d’assainissement d’amiante : agenda
analyse de la poussière
analyse du matériel
analyse de l’air
Mesures
Situation
protection personnelle
séparation
écluses
dépression
contrôle de la dépression
aspirateurs
emballage et signalisation
accessoires
vrijdag 19 juli 13
Amiante liée Amiante peu liée
⎟
plaques et buses d’amiante, d'éternité etc. flocage, tissu d’amiante etc.
⎟
⎟
⎟
⎟
⎟
⎟
⎟
⎟
⎟
⎟
⎟
Semi-masque ou masque à usage unique
Sans confinement
Sans mise en dépression
Possibilité de vestiaire et de nettoyage
Éviter de casser
Aspirer la poussière à la source
Masque intégral
Avec confinement
Avec mise en dépression
Sas personnel et matériel
Réduction de poussière par
humidification/manipulation
(plus de renouvellements d’air,
aspiration supplémentaire
directe à la source
Aspects d’assainissement d’amiante : situation
vrijdag 19 juli 13
Création 1986
Modernisé 2006
MERCI POUR VOTRE ATTENTION
vrijdag 19 juli 13

AST Belgium - aspects d'assainissement d'amiante

  • 1.
  • 2.
  • 3.
  • 4.
    But Il faut installerles conditions de travail lors du traitement d’amiante de telle façon qu’ils ne se libèrent pas de fibres d’amiante et ce pour autant que ceci est réalisable avec les techniques actuelles. S’ils se libèrent des fibres d’amiante il faut les capter à l’entrée et à la sortie de la zone de travail et les évacuer sans danger pour l’homme et l’environnement. Aspects d’assainissement d’amiante vrijdag 19 juli 13
  • 5.
    Analyse Aspects d’assainissement d’amiante: agenda analyse de la poussière analyse du matériel analyse de l’air Mesures Situation protection personnelle séparation écluses dépression contrôle de la dépression aspirateurs emballage et signalisation accessoires vrijdag 19 juli 13
  • 6.
    Analyse Aspects d’assainissement d’amiante: agenda analyse de la poussière analyse du matériel analyse de l’air Mesures Situation protection personnelle séparation écluses dépression contrôle de la dépression aspirateurs emballage et signalisation accessoires vrijdag 19 juli 13
  • 7.
    Analyse de lapoussière tube d’échantillon enlever la feuille de protection appuyer dans la poussière la poussière colle sur la surface tube d’échantillon fermé et étiqueté Aspects d’assainissement d’amiante : analyse vrijdag 19 juli 13
  • 8.
    Analyse Aspects d’assainissement d’amiante: agenda analyse de la poussière analyse du matériel analyse de l’air Mesures Situation protection personnelle séparation écluses dépression contrôle de la dépression aspirateurs emballage et signalisation accessoires vrijdag 19 juli 13
  • 9.
    Analyse du matériel préparationprise d’échantillon envoyer l’échantillon Safestrip System Aspects d’assainissement d’amiante : analyse vrijdag 19 juli 13
  • 10.
    Analyse Aspects d’assainissement d’amiante: agenda analyse de la poussière analyse du matériel analyse de l’air Mesures Situation protection personnelle séparation écluses dépression contrôle de la dépression aspirateurs emballage et signalisation accessoires vrijdag 19 juli 13
  • 11.
    Analyse de l’air Basésur le VDI 3492 Il s’agit ici de la seule publication qui détermine auxquelles critères un appareil de mesure doit se confirmer. Airsampler S15 Aspects d’assainissement d’amiante : analyse vrijdag 19 juli 13
  • 12.
    Analyse de l’air Aspectsd’assainissement d’amiante : analyse vrijdag 19 juli 13
  • 13.
    Basé sur VDI3492 Déterminer la concentration de fibres dans l’air à l’intérieur afin de déterminer les mesures nécessaires à prendre afin de déterminer les effets après l’assainissement Détermination via MEB (microscope électronique à balayage) VDI est repris par la WHO (World Health Organisation) afin de le documenter dans un dossier Aspects d’assainissement d’amiante : analyse Analyse de l’air vrijdag 19 juli 13
  • 14.
    Procédure: Un échantillond’air est pris sur un filtre évaporé or via une tête d'échantillonnage. Aspects d’assainissement d’amiante : analyse Analyse de l’air Basé sur VDI 3492 Déterminer la concentration de fibres dans l’air à l’intérieur afin de le documenter dans un dossier afin de déterminer les mesures nécessaires à prendre afin de déterminer les effets après l’assainissement Détermination via MEB (microscope électronique à balayage) VDI est repris par la WHO (World Health Organisation) vrijdag 19 juli 13
  • 15.
    1 tuyau d’aspiration 2porte-filtre 3 grille de support VA 4 support filtre 5 filtre noyau 6 rouleau de tension 7 anneau de tension 8 tube d’aspiration 9 scellages PTFE vrijdag 19 juli 13
  • 16.
    Analyse de l’airBasé sur le VDI 3492 Déterminer la concentration de fibres dans l’air à l’intérieur afin de le documenter dans un dossier afin de déterminer les mesures nécessaires à prendre afin de déterminer les effets après l’assainissement Détermination via MEB (microscope électronique à balayage) VDI est repris par la WHO (World Health Organisation) Procédure: Un échantillon d’air est pris sur un filtre évaporé or via une tête d'échantillonnage. Caractéristiques importantes pour l’appareil d’échantillonnage : réglage automatique du volume (± 10% de la valeur installée) l’appareil d’aspiration doit fonctionner sans vibrations contrôle de la différence de pression Aspects d’assainissement d’amiante : analyse vrijdag 19 juli 13
  • 17.
    Programmation : Airsampler S15 levolume de l'échantillonnage la durée de l’échantillonnage Écran : le volume (débit) la température l’humidité relative la pression absolue } est important pour l”évaluation de la mesure Particularité Option le temps perdu par une perte de courant est prise en considération possibilité de reliage avec donneurs d’alerte extérieures ou gsm Aspects d’assainissement d’amiante : analyse Analyse de l’air vrijdag 19 juli 13
  • 18.
  • 19.
    Analyse Aspects d’assainissement d’amiante: agenda analyse de la poussière analyse du matériel analyse de l’air Mesures Situation protection personnelle séparation écluses dépression contrôle de la dépression aspirateurs emballage et signalisation accessoires vrijdag 19 juli 13
  • 20.
    Aspects d’assainissement d’amiante: mesures vrijdag 19 juli 13
  • 21.
    Protection personnelle 1 descriptionde l’article 2 fabriquant 3 le marquage CE documente la conformité de la protection personnelle catégorie III de l’ANCCP, Agenzia Nationale Certificatione Compenti, Via Ronbon 11, I-20134 Milano 4 Type 5 : vêtements étanche Type 6 : protection limitée envers des brumes de matières chimiques 5 symbole de taille 6 nécessité de lire les informations 7 symbole anti-statique 8 symboles internationales d’entretien Aspects d’assainissement d’amiante : mesures vrijdag 19 juli 13
  • 22.
    Voor éénmalig gebruikHerbruikbaar Overall Overall Overschoenen Hemd Ondergoedset Slip Sokken Utilisation par froideur et humidité www.asbestos.com „Clothing of workers who handled asbestos products provided a significant risk ... .“„Because of the jagged structure of asbestos fibers, the microscopic particles could easily attach to clothing.“„Some mesothelioma cases have developed from children sitting on their father’s or grandfather’s lap after the worker came home from work.“ http://www.asbestos.com/exposure/secondary.php Protection personnelle Aspects d’assainissement d’amiante : mesures vrijdag 19 juli 13
  • 23.
    amiante liée Protection respiratoire plaqueset buses d’amiante, d'éternite etc. pour usage unique semi-masques à cartouches Aspects d’assainissement d’amiante : mesures vrijdag 19 juli 13
  • 24.
    Protection respiratoire amiante peuliée flocage, tissu d’amiante etc. masque intégral Aspects d’assainissement d’amiante : mesures vrijdag 19 juli 13
  • 25.
    Asbeste peu liée masqueintégral à ventilation assistée avec un champ de vision presque naturel ventilateur et filtre au masque ou : ventilateur et filtre à la ceinture ou : adduction d’air externe Visière conforme au BS2092, poly- carbonate, rassure un champ de vision virtuellement libre Scellage silicones développée pour qu’une taille convient pour pratiquement tout le monde Aspects d’assainissement d’amiante : mesures flocage, tissu d’amiante etc. Protection respiratoire vrijdag 19 juli 13
  • 26.
    Analyse Aspects d’assainissement d’amiante: agenda analyse de la poussière analyse du matériel analyse de l’air Mesures Situation protection personnelle séparation écluses dépression contrôle de la dépression aspirateurs emballage et signalisation accessoires vrijdag 19 juli 13
  • 27.
    Aspects d’assainissement d’amiante: mesures vrijdag 19 juli 13
  • 28.
    Séparation : dansle lieu avec des feuilles PE Assainissement dépôt Gauchy, France, septembre 1997 Aspects d’assainissement d’amiante : mesures vrijdag 19 juli 13
  • 29.
    Séparation : paroianti-poussières Aspects d’assainissement d’amiante : mesures vrijdag 19 juli 13
  • 30.
    Aspects d’assainissement d’amiante: mesures Séparation : paroi anti-poussières vrijdag 19 juli 13
  • 31.
    Aspects d’assainissement d’amiante: mesures Séparation : Assembly System vrijdag 19 juli 13
  • 32.
    Aspects d’assainissement d’amiante: mesures Séparation : Assembly System vrijdag 19 juli 13
  • 33.
    Aspects d’assainissement d’amiante: mesures Séparation : Assembly System vrijdag 19 juli 13
  • 34.
    Analyse Aspects d’assainissement d’amiante: agenda analyse de la poussière analyse du matériel analyse de l’air Mesures Situation protection personnelle séparation écluses dépression contrôle de la dépression aspirateurs emballage et signalisation accessoires vrijdag 19 juli 13
  • 35.
  • 36.
    Sas personnel Système stableintégré Système de transport et d’emmagasinage propre Flexible, variable, à combiner (grandeur, positionnement) Canalisation de l’air via flaps auto-fermantes Porte de sortie marquée (attention, asbeste) et verrouiable Les collaborateurs ne se trouvent pas dans l’eau (impuretés, moule) Les portes se ferment automatiquement et sont réellement fermées Parois lavables / facile à nettoyer Bassins dimensionnés de taille suffisante (pas de risque d'inondations) Aspects d’assainissement d’amiante : mesures vrijdag 19 juli 13
  • 37.
    Sas personnel :exemple Assainissement “Fibronit” Bari, Italie, février 2004 Aspects d’assainissement d’amiante : mesures vrijdag 19 juli 13
  • 38.
    Aspects d’assainissement d’amiante: mesures Sas personnel : exemple Assainissement “Fibronit” Bari, Italie, février 2004 vrijdag 19 juli 13
  • 39.
    Sas personnel :alternative pour le vestiaire par des voiles solides avec nettement plus de place Aspects d’assainissement d’amiante : mesures vrijdag 19 juli 13
  • 40.
    alternative sas mobilesur roues pour utilisation dans le terrain 3 à 5 m montage 3 à 5 compartiments divers options telles que chauffage électrique, climatisation, toilette chimique et autres Aspects d’assainissement d’amiante : mesures Sas personnel : vrijdag 19 juli 13
  • 41.
    Personensas: douche chauffage dépressionavec filtre P3 toilette Aspects d’assainissement d’amiante : mesures Sas personnel : alternative sas mobile sur roues pour utilisation dans le terrain 3 à 5 m montage 3 à 5 compartiments divers options telles que chauffage électrique, climatisation, toilette chimique et autres vrijdag 19 juli 13
  • 42.
    particularité : possibilitéd’un système autarque chauffage eau et local avec système gasoil WEBASTO réservoir d’eau 220 litres batterie de bord pour éclairage et pompes Aspects d’assainissement d’amiante : mesures Sas personnel : alternative sas mobile sur roues pour utilisation dans le terrain 3 à 5 m montage 3 à 5 compartiments divers options telles que chauffage électrique, climatisation, toilette chimique et autres vrijdag 19 juli 13
  • 43.
    Assainissement après incendie PlateGmbH, Sportstätte Hildesheim, mai 2000 Aspects d’assainissement d’amiante : mesures vrijdag 19 juli 13
  • 44.
    alternative conteneur Aspects d’assainissementd’amiante : mesures Sas personnel : vrijdag 19 juli 13
  • 45.
  • 46.
    Systèmes de traitementd’eau Fournir de l’eau chaude Filtrer les eaux contaminées D25L D30L D110L D500 D130L 400V instantané Aspects d’assainissement d’amiante : mesures vrijdag 19 juli 13
  • 47.
  • 48.
    Sas matériel But Emballage dematériel Montage et manipulation comme le sas personnel Nettoyage de matériel Aspects d’assainissement d’amiante : mesures vrijdag 19 juli 13
  • 49.
    Sas matériel Optimalisation detransport et de manipulation Convoyeur à rouleaux Palette synthétique Aspects d’assainissement d’amiante : mesures vrijdag 19 juli 13
  • 50.
    Trajet grue Aspects d’assainissementd’amiante : mesures Sas matériel Optimalisation de transport et de manipulation vrijdag 19 juli 13
  • 51.
    Palais de larépublique, Berlin Aspects d’assainissement d’amiante : mesures vrijdag 19 juli 13
  • 52.
  • 53.
    Système filtrant à4 étapes (220 µ, 50 µ, 1 µ) Filtre gros avec filtre poche 220 µ AS 300 Aspects d’assainissement d’amiante : mesures Systèmes de traitement d’eau vrijdag 19 juli 13
  • 54.
    Sas spéciaux Système detraitement d’eau Nettoyage de petits éléments contaminés Raffinerie ESSO Rotterdam, Pays-Bas, septembre 1999 Dépression Aspects d’assainissement d’amiante : mesures vrijdag 19 juli 13
  • 55.
    Analyse Aspects d’assainissement d’amiante: agenda analyse de la poussière analyse du matériel analyse de l’air Mesures Situation protection personnelle séparation écluses dépression contrôle de la dépression aspirateurs emballage et signalisation accessoires vrijdag 19 juli 13
  • 56.
  • 57.
    Dépression Renouvellement d’air =8 - 10 fois / heure Dépression = 15 - 20 Pa Canalisation d’air guidée afin de parcourir toute la zone d’assainissement Générateur de fumée afin de vérifier les renouvellements d’air ainsi que le scellage de la séparation Aspects d’assainissement d’amiante : mesures vrijdag 19 juli 13
  • 58.
    Filtre absolu scellage étancheidentification grille de protection Information : des recherches confirment que jusqu’à 80% des filtres absolus sans grille de protection sont irréparablement endommagés lors de l’emballage et le déballage à ne plus être utilisés ! Aspects d’assainissement d’amiante : mesures vrijdag 19 juli 13
  • 59.
    Contrôle Contrôle Marche / Arrêt Aspectsd’assainissement d’amiante : mesures vrijdag 19 juli 13
  • 60.
    Contrôle manuelle Aspects d’assainissementd’amiante : mesures Contrôle Marche / Arrêt Contrôle vrijdag 19 juli 13
  • 61.
    Contrôle automatique Aspects d’assainissement d’amiante: mesures Contrôle Contrôle Marche / Arrêt Contrôle manuelle vrijdag 19 juli 13
  • 62.
    Check: rendement unité demise en dépression renouvellements d’air anémomètre à moulinet rotatif contrôle du débit résultat Aspects d’assainissement d’amiante : mesures vrijdag 19 juli 13
  • 63.
    Check: dépression Aspects d’assainissementd’amiante : mesures vrijdag 19 juli 13
  • 64.
    Check: qualité dufiltre appareil de mise en dépression Compte-particules à laser résultat contrôle coffret Aspects d’assainissement d’amiante : mesures Compte-particules à laser avec accessoires vrijdag 19 juli 13
  • 65.
    Aspects d’assainissement d’amiante: mesures vrijdag 19 juli 13
  • 66.
    Dépression: Série D:de 600 à 100 000 m3 / hr Petites interventions, petits appareils Grandes interventions, grands appareils Aspects d’assainissement d’amiante : mesures vrijdag 19 juli 13
  • 67.
    Dépression conteneur 50 000m3 / hr ou 100 000 m3 / hr Aspects d’assainissement d’amiante : mesures vrijdag 19 juli 13
  • 68.
    Assainissement d’amiante Tourdes Finances Brussel, janvier 2005 Aspects d’assainissement d’amiante : mesures vrijdag 19 juli 13
  • 69.
    Aspects d’assainissement d’amiante: mesures Assainissement d’amiante Tour des Finances Brussel, janvier 2005 vrijdag 19 juli 13
  • 70.
    Aspects d’assainissement d’amiante: mesures Assainissement dépôt Gauchy, France, septembre 1997 vrijdag 19 juli 13
  • 71.
    Assainissement ancienne fonderie France,juillet 2004 Aspects d’assainissement d’amiante : mesures vrijdag 19 juli 13
  • 72.
    Assainissement d’amiante anciennechancellerie Bonn, Allemagne, février 2002 Aspects d’assainissement d’amiante : mesures vrijdag 19 juli 13
  • 73.
    Analyse Aspects d’assainissement d’amiante: agenda analyse de la poussière analyse du matériel analyse de l’air Mesures Situation protection personnelle séparation écluses dépression contrôle de la dépression aspirateurs emballage et signalisation accessoires vrijdag 19 juli 13
  • 74.
  • 75.
    Contrôle de ladépression mesure en permanence EXIGENCES : documentation complète signal en cas d’alerte OPTIONS IMPORTANTES : module de communication (connexion au PC via raccord- USB) batterie de secours canaux de mesure supplémentaires Tele-Alarm appareil de mise en dépression stand-by S1 mini S2 maxi S3 combi Aspects d’assainissement d’amiante : mesures vrijdag 19 juli 13
  • 76.
    Option : maintenirla dépression à l’aide d’un appareil stand-by Est standard en France et en Suisse filtres colmatés panne de l’appareil Lors de manque de dépression à cause de l’appareil de mise en dépression enclenche via le switchbox l’appareil standby. Important : la dépression maximale n’est pas dépassée à l’aide du contrôle automatique sur l’appareil de mise en dépression (contrôle SRE) Aspects d’assainissement d’amiante : mesures vrijdag 19 juli 13
  • 77.
    Assainissement d’amiante VIC Wien,Autriche, novembre 2004 Solution spéciale : transmission de données via internet Aspects d’assainissement d’amiante : mesures vrijdag 19 juli 13
  • 78.
    Analyse Aspects d’assainissement d’amiante: agenda analyse de la poussière analyse du matériel analyse de l’air Mesures Situation protection personnelle séparation écluses dépression contrôle de la dépression aspirateurs emballage et signalisation accessoires vrijdag 19 juli 13
  • 79.
  • 80.
    Aspirateurs : classepoussière H Important : permis classe ‘H’ 9 L - 2,6 m3 / hr 20 L - 4,9 m3 / hr 40 L - 9 m3 / hr - en option avec cyclone Aspects d’assainissement d’amiante : mesures vrijdag 19 juli 13
  • 81.
    Aspects d’assainissement d’amiante: mesures Aspirateurs : classe poussière H vrijdag 19 juli 13
  • 82.
    Assainissement d’amiante université Jussieu,Paris, France, avril 2004 Aspects d’assainissement d’amiante : mesures vrijdag 19 juli 13
  • 83.
    Analyse Aspects d’assainissement d’amiante: agenda analyse de la poussière analyse du matériel analyse de l’air Mesures Situation protection personnelle séparation écluses dépression contrôle de la dépression aspirateurs emballage et signalisation accessoires vrijdag 19 juli 13
  • 84.
    Emballage : sacs SacPE pour matériel léger tel que feuilles, poussière Étape 1 Étape 2 Étape 3 Sac PP pour matériel lourd ou aigu tels que pierres Sac déchet PE avec impression Bigbag avec impression Sac conteneur avec impression Aspects d’assainissement d’amiante : mesures vrijdag 19 juli 13
  • 85.
    Emballage : bandeadhésives Aspects d’assainissement d’amiante : mesures vrijdag 19 juli 13
  • 86.
    Matériaux divers Aspects d’assainissementd’amiante : mesures vrijdag 19 juli 13
  • 87.
    Scie amiante Couteaud’isolation Torchon métallique Tapis en laine d’acier tressé Aspects d’assainissement d’amiante : mesures Matériaux divers vrijdag 19 juli 13
  • 88.
    Signalisation : rubande balisage, autocollants, panneaux Aspects d’assainissement d’amiante : mesures vrijdag 19 juli 13
  • 89.
    Analyse Aspects d’assainissement d’amiante: agenda analyse de la poussière analyse du matériel analyse de l’air Mesures Situation protection personnelle séparation écluses dépression contrôle de la dépression aspirateurs emballage et signalisation accessoires vrijdag 19 juli 13
  • 90.
    Accessoires : arroseur/ appareil airless Arroseur Airless électrique Airless électrique Aspects d’assainissement d’amiante : mesures vrijdag 19 juli 13
  • 91.
    Analyse Aspects d’assainissement d’amiante: agenda analyse de la poussière analyse du matériel analyse de l’air Mesures Situation protection personnelle séparation écluses dépression contrôle de la dépression aspirateurs emballage et signalisation accessoires vrijdag 19 juli 13
  • 92.
    Amiante liée Amiantepeu liée ⎟ plaques et buses d’amiante, d'éternité etc. flocage, tissu d’amiante etc. ⎟ ⎟ ⎟ ⎟ ⎟ ⎟ ⎟ ⎟ ⎟ ⎟ ⎟ Semi-masque ou masque à usage unique Sans confinement Sans mise en dépression Possibilité de vestiaire et de nettoyage Éviter de casser Aspirer la poussière à la source Masque intégral Avec confinement Avec mise en dépression Sas personnel et matériel Réduction de poussière par humidification/manipulation (plus de renouvellements d’air, aspiration supplémentaire directe à la source Aspects d’assainissement d’amiante : situation vrijdag 19 juli 13
  • 93.
    Création 1986 Modernisé 2006 MERCIPOUR VOTRE ATTENTION vrijdag 19 juli 13