Nov98PLANTADEIRAS SLC-JOHN DEERE 710RF, 712 E 716 CQ30174 A
INDICE GERAL
Nov98PLANTADEIRAS SLC-JOHN DEERE 710RF, 712 E 716 CQ30174 A
INDICE GERAL
Nov98PLANTADEIRAS SLC-JOHN DEERE 710RF, 712 E 716 CQ30174 A
INDICE GERAL
Nov98PLANTADEIRAS SLC-JOHN DEERE 710RF, 712 E 716 CQ30174 A
INDICE GERAL
Nov98PLANTADEIRAS SLC-JOHN DEERE 710RF, 712 E 716 CQ30174 A
INDICE GERAL
Nov98PLANTADEIRAS SLC-JOHN DEERE 710RF, 712 E 716 CQ30174 A
INDICE GERAL
Nov98PLANTADEIRAS SLC-JOHN DEERE 710RF, 712 E 716 CQ30174 A
INDICE GERAL
Nov98PLANTADEIRAS SLC-JOHN DEERE 710RF, 712 E 716 CQ30174
INDICE DE GRUPO - CHASSI E MARCADORES
PLANTADEIRAS SLC-JOHN DEERE 710RF, 712 E 716 CQ30174 Nov98
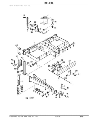
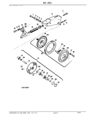
CHASSI E LANÇA 710RF, 712 E 716
20.001
PLANTADEIRAS SLC-JOHN DEERE 710RF, 712 E 716 CQ30174 Nov98
1
2
3
4
5
6
7
8
9
10
11
12
13
14
15
16
17
18
19
20
21
22
23
24
25
26
27
28
29
30
31
32
33
34
35
36
37
38
39
40
41
42
43
44
DQ25735
DQ28116
DQ23748
DQ23749
DQ23948
DQ28115
DQ31210
DQ31209
DQ31211
DQ31212
DQ31213
DQ31214
14M7170
CQ16408
CQ14721
19M7135
14M7230
CQ02151
CQ07569
DQ23741
DQ31208
19M7621
CQ15351
58M5573
CQ15352
DQ16050
L18955
CQ15350
11M7027
A28255
A25994
AA22595
AA22596
11M7027
A25966
CQ06958
14M7166
24M7099
CQ20382
DQ20616
DQ28110
DQ28108
DQ20379
DQ20617
19M7342
CQ16408
PS560601
PS560602
N161501
19M7744
CQ06670
12M7067
14M7031
19M7609
CQ06679
14M7170
DQ30246
CQ30247
DQ30241
L18955
CQ05786
CHASSI 710
CHASSI 716
CHASSI 712
CHASSI 716
CHASSI 716
CHASSI 712
CHASSI
CHASSI
CHASSI
CHASSI
CHASSI
CHASSI
PORCA AUTOFREN
ARRUELA LISA
BUCHA
PARAF SEXT
PORCA SEXT
ARRUELA LISA
PARAF SEXT
LANCA
LANÇA
PARAF SEXT
SUPORTE
GRAXEIRA
ENGATE
PINO
CONTRAPINO
PINO
CONTRAPINO
PINO
ESPACADOR
SUPORTE ESQ
SUPORTE DIR
CONTRAPINO
PIVO
PARAF SEXT
PORCA SEXT
ARRUELA LISA
SUPORTE
TUBO
TUBO
TUBO
TUBO
ESPACADOR
PARAF SEXT
ARRUELA LISA
EXTENSAO
EXTENSAO
SUPORTE
PARAFUSO SEXT
ARRUELA LISA
ARRUELA PRESSAO
PORCA SEXT
PARAFUSO
ARRUELA LISA
PORCA AUTOFREN
ABRAÇADEIRA
SUPORTE
ESCORA
CONTRAPINO
PINO
AR
8
4
AR
AR
6
AR
AR
AR
AR
2
2
2
AR
AR
AR
2
AR
AR
AR
AR
AR
AR
AR
AR
AR
AR
2
2
2
8
4
5594
5594
5594
5594
5594
5594
5548
5548
5548
5548
5548
5548
5548
5548
5593
5593
5593
5593
5593
5593
5593
7
1
0
R
F
7
1
2
7
1
6
X
X
X
X
X
X
X
X
X
X
X
X
X X X
X X X
X X X
X X X
X X X
X X X
X X X
X X X
X X X
X X X
X X X
X X X
X X X
X X X
X X X
X X X
X X X
X X X
X X X
X X X
X X X
X X X
X X X
X X X
X X X
X X X
X X X
X
X
X
X
X X X
X X X
X X X
X X X
X X X
X X X
X X X
X X X
X X X
X X X
X X X
X X X
X X X
X X X
X X X
X X X
X X X
X X X
4500MM
8100MM
5580 MM
7300 MM
(D)
6100MM
5580
4500
7300
(E) 7300
6100
8100
M16
16,5X40MM
M16X70
M20
20,5X45MM
M20X65
M20X150
M6
5X28MM
5X28MM
M8X60
M8
21X33MM
(A)
3350MM (A)
2810MM (C)
3750MM (B)
4500MM (C)
(A)
M16X55
16,5X40MM 712, 716
(A) 712
(A) 716
M12X35
13X38MM
12MM
M12
M16X90
17X27X2,65MM
M16
20.002
(A)
(B)
(C)
(D)
(E)
PLANTIO DIRETO
PLANTIO DIRETO - CHASSI 8100MM
PLANTIO DIRETO - CHASSI 6100MM
ESPECIAL P/ ALGODÃO
SOMENTE PARA ALGODÃO
-
-
-
-
-
-
-
-
-
-
-
-
-
-
-
-
-
-
-
-
-
-
-
-
-
-
-
-
-
-
-
-
-
-
-
-
-
-
-
-
-
-
-
-
-
-
-
-
-
-
-
-
-
-
-
-
-
-
-
-
-
ITEM NÚMERO DESCRIÇÃO QTDE OBSERVAÇÕESNO. SÉRIE
PLANTADEIRAS SLC-JOHN DEERE 710RF, 712 E 716 CQ30174 Nov98
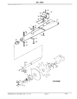
ACIONAMENTO DO MARCADOR HIDRÁULICO
20.003
PLANTADEIRAS SLC-JOHN DEERE 710RF, 712 E 716 CQ30174 Nov98
1
2
3
4
5
6
7
8
9
10
11
12
13
14
15
16
17
18
19
20
21
22
23
24
11M7017
A26927
DQ14327
DQ28102
DQ28103
DQ13687
DQ16085
14M7142
CQ07101
DQ07054
24M7049
S137M
CQ07211
CQ07116
DQ07053
11M7040
A22432
19M7167
12M7066
DQ07313
AA24717
H2094B
A33921
A24116
A23739
11M7024
L18947L
A36972
CONTRAPINO
PINO
CABO
CABO
CABO
CABO
CABO
PORCA SEXT
PORCA OLHAL
ENGATE
ARRUELA LISA
MOLA
ARRUELA LISA
PARAF OLHAL
CABO
CONTRAPINO
PINO
PARAFUSO SEXT
ARRUELA PRESSAO
ATUADOR
TRINCO
MOLA
BUCHA
GUIA
GANCHO
CONTRAPINO
ARRUELA LISA
PINO
2
AR
2
AR
2
AR
AR
AR
7
1
0
R
F
7
1
2
7
1
6
X X X
X X X
X
X
X
X
X
X X X
X X X
X X X
X X X
X X X
X X X
X X X
X X X
X X X
X X X
X X X
X X X
X X X
X X X
X X X
X X X
X X X
X X X
X X X
X X X
X X X
3,2X32MM
(A)
(B)
M16
18X30MM
6,3X50MM
M10X25
10MM
4X36MM
20,5X32MM
20.004
(A)
(B)
CHASSI 6100MM
CHASSI 8100MM
-
-
-
-
-
-
-
-
-
-
-
-
-
-
-
-
-
-
-
-
-
-
-
-
-
-
-
-
ITEM NÚMERO DESCRIÇÃO QTDE OBSERVAÇÕESNO. SÉRIE
PLANTADEIRAS SLC-JOHN DEERE 710RF, 712 E 716 CQ30174 Nov98
MARCADOR HIDRÁULICO (4007-)
20.005
PLANTADEIRAS SLC-JOHN DEERE 710RF, 712 E 716 CQ30174 Nov98
1
2
3
4
5
6
7
8
9
10
11
12
13
14
15
16
17
18
19
20
21
22
23
24
25
26
27
28
29
30
31
32
33
34
35
36
37
CQ06994
CQ22147
CQ22151
CQ22152
12M7067
14M7031
24M7038
19M7214
19M7331
14M7029
12M7065
58M5573
DQ21768
14M7179
CQ06679
DQ16261
CQ22761
CQ22184
CQ22143
03M7093
DQ22107
CQ21620
34M7115
DQ31117
11M7017
A26927
AA23526
AA23525
19M7169
12M7066
14M7140
DQ06894
A29188
A26127
CQ06991
DQ07304
DQ07191
DQ07303
DQ07192
CQ07175
24M7040
19M7327
03M7151
DQ06899
ESPACADOR
BRACO
BRAZO
BRACO
ARRUELA PRESSAO
PORCA SEXT
ARRUELA LISA
PARAF SEXT
PARAF SEXT
PORCA SEXT
ARRUELA PRESSAO
GRAXEIRA
TAMPA
PORCA SEXT
ARRUELA LISA
ROLAMENTO
FLANGE
DISCO 13"
DISCO 16"
PARAF FRANCES
RETENTOR
PROTECAO
PINO ELASTICO
SUPORTE
CONTRAPINO
PINO
TERMINAL DIR
TERMINAL ESQ
PARAFUSO SEXT
ARRUELA PRESSAO
PORCA SEXT
PINO
PORCA
CHAPA
REFORCO
BRACO DIR
BRACO ESQ
BRACO ESQ
BRACO DIR
TERMINAL
ARRUELA LISA
PARAF SEXT
PARAF FRANCES
PARAFUSO
4
2
2
2
AR
AR
AR
AR
AR
AR
AR
AR
AR
AR
AR
2
2
2
2
AR
2
2
AR
2
AR
2
1
1
AR
AR
AR
2
2
2
4
1
1
1
2
AR
AR
AR
AR
7
1
0
R
F
7
1
2
7
1
6
X X X
X X
X X
X
X X X
X X X
X X X
X X X
X X X
X X X
X X X
X X X
X X X
X X X
X X X
X X X
X X X
X X
X X X
X X X
X X X
X X X
X X X
X X X
X X X
X X X
X X X
X X X
X X X
X X X
X X X
X X X
X X X
X X X
X X X
X
X X
X
X X
X X X
X X X
X X X
X X X
X X X
774MM 712(12AS/ 10AS) 710 (10AS
712(12AS/6AM)716(16AS)(C)
1550MM 712 (16AS) (D)
12MM
M12
14X24MM
M12X70
M12X65
M8
5MM
M6
M16
17X27X2,65MM
(A)
(B)
M8X25
3,5X20MM
3,2X32MM
M10X35
10MM
M10
(C)
(D)
(C)
(D)
11X21X2MM
M10X65
M10X80
20.006
(A)
(B)
(C)
(D)
PLANTIO CONVENCIONAL
PLANTIO DIRETO
CHASSI 8100MM
CHASSI 6100MM
-
-
-
-
-
-
-
-
-
-
-
-
-
-
-
-
-
-
-
-
-
-
-
-
-
-
-
-
-
-
-
-
-
-
-
-
-
-
-
-
-
-
-
-
ITEM NÚMERO DESCRIÇÃO QTDE OBSERVAÇÕESNO. SÉRIE
PLANTADEIRAS SLC-JOHN DEERE 710RF, 712 E 716 CQ30174 Nov98
PLATAFORMA PARA ABASTECIMENTO DE ADUBO
1
2
3
4
5
6
7
8
9
CQ14249
DQ22510
03M7054
DQ14549
DQ10019
14M7031
12M7067
19M7728
12M7065
14M7029
CHAPA
SUPORTE
PARAF FRANCES
PLATAFORMA
PLATAFORMA
PORCA SEXT
ARRUELA PRESSAO
PARAF SEXT
ARRUELA PRESSAO
PORCA SEXT
6
6
AR
2
6
7
1
0
R
F
7
1
2
7
1
6
X X X
X X X
X X X
X
X X
X X X
X X X
X X X
X X X
X X X
M8X20
(A)
(B)
M12
12MM
M12X120
5MM
M8
20.007
(A)
(B)
CHASSI 6100
CHASSI 8100
-
-
-
-
-
-
-
-
-
-
ITEM NÚMERO DESCRIÇÃO QTDE OBSERVAÇÕESNO. SÉRIE
Nov98PLANTADEIRAS SLC-JOHN DEERE 710RF, 712 E 716 CQ30174
INDICE DE GRUPO - TRANSMISSÕES
PLANTADEIRAS SLC-JOHN DEERE 710RF, 712 E 716 CQ30174 Nov98
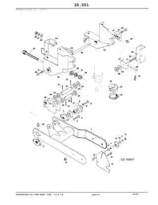
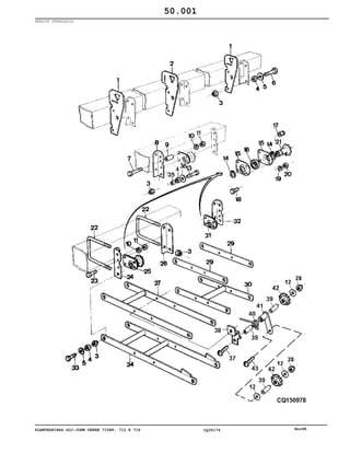
SUPORTE DA RODA 710 - (3977-)
30.001
PLANTADEIRAS SLC-JOHN DEERE 710RF, 712 E 716 CQ30174 Nov98
1
2
3
4
5
6
7
8
9
10
11
12
13
14
15
16
17
18
19
20
21
22
23
24
25
26
27
28
29
30
31
32
33
34
35
36
37
38
39
40
41
42
43
44
DQ30214
DQ30215
DQ21649
DQ21650
CQ20864
CQ20865
19M7169
12M7066
DQ15125
DQ06891
19M7162
12M7065
CQ07317
N120831
CQ17742
03M7079
CQ06671
14M7140
03M7098
14M7167
DQ15295
CQ15294
CQ15291
11M7040
CQ15045
DQ08534
Z39386
CQ15330
Z34089
CQ16312
CQ16360
CQ16313
19M7744
12M7067
DQ25745
DQ25746
DQ25747
19M7620
14M7144
12M7070
CQ02151
CQ17058
19M7285
DQ22455
58M5574
L18955
CQ07301
SUPORTE ESQ
SUPORTE DIR
SUPORTE DIR
SUPORTE ESQ
MANCAL
MANCAL
PARAFUSO SEXT
ARRUELA PRESSAO
FLANGE
ROLAMENTO
PARAF SEXT
ARRUELA PRESSAO
BRACO
ESPACADOR
ENGRENAGEM
PARAF FRANCES
ARRUELA LISA
PORCA SEXT
PARAF FRANCES
PORCA AUTOFREN
MANCAL
EIXO
EIXO
CONTRAPINO
CALCO DIR
ABRACADEIRA
ARRUELA LISA
ARRUELA
ARRUELA LISA
SUPORTE
PINO
CALCO DIR
PARAFUSO SEXT
ARRUELA PRESSAO
SUPORTE DIR
SUPORTE ESQ
SUPORTE
PARAF SEXT
PORCA SEXT
ARRUELA PRESSAO
ARRUELA LISA
SUPORTE.
PARAFUSO
MANCAL
GRAXEIRA
CONTRAPINO
PARAF SEXT
2
2
8
8
2
2
AR
2
2
AR
AR
AR
AR
AR
2
2
2
AR
4
2
AR
AR
AR
2
2
2
AR
AR
2
2
4
AR
AR
AR
AR
2
AR
4
4
4
5423
5423
5422
5422
7
1
0
R
F
7
1
2
7
1
6
X
X
X
X
X
X
X
X
X
X
X
X
X
X
X
X
X
X
X
X
X
X
X
X
X
X
X
X
X
X
X
X
X
X
X
X
X
X
X
X
X
X
X
X
X
X
X
M10X35
10MM
205 KRRB HH 02
M8X16
5MM
Z6
M10X55
10,5X24X2MM
M10
M10X35
M10
6,3X50MM
45X55
M12X35
12MM
M20X130
M20
20MM
20,5X45MM
M12X30
M8
M20X245
30.002
-
-
-
-
-
-
-
-
-
-
-
-
-
-
-
-
-
-
-
-
-
-
-
-
-
-
-
-
-
-
-
-
-
-
-
-
-
-
-
-
-
-
-
-
-
-
-
ITEM NÚMERO DESCRIÇÃO QTDE OBSERVAÇÕESNO. SÉRIE
PLANTADEIRAS SLC-JOHN DEERE 710RF, 712 E 716 CQ30174 Nov98
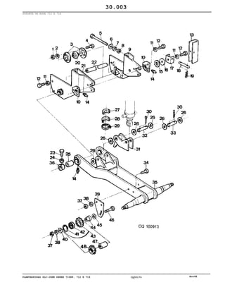
SUPORTE DA RODA 712 E 716
30.003
PLANTADEIRAS SLC-JOHN DEERE 710RF, 712 E 716 CQ30174 Nov98
1
2
3
4
5
6
7
8
9
10
11
12
13
14
15
16
17
18
19
20
21
22
23
24
25
26
27
28
29
30
31
32
33
34
35
36
37
38
39
40
41
42
43
44
45
46
47
48
14M7029
12M7065
DQ15125
03M7054
CQ07301
CQ02151
12M7070
14M7144
DQ15339
DQ25317
DQ32663
DQ22455
19M7744
12M7067
CQ16314
CQ16313
CQ31296
CQ31861
58M5574
Z34089
CQ15330
CQ16312
CQ16360
L18955
DQ06891
DQ15338
DQ25316
DQ32662
CQ13370
CQ06936
14M7151
CQ16057
Z39386
CQ15045
CQ15044
DQ08534
11M7040
DQ15295
CQ15291
CQ15294
19M7169
DQ15266
A37078
14M7140
12M7066
CQ13490
CQ06671
CQ00076
DQ04311
DQ10759
CQ11806
24M7038
CQ06671
03M7079
N120831
CQ17742
PORCA SEXT
ARRUELA PRESSAO
FLANGE
PARAF FRANCES
PARAF SEXT
ARRUELA LISA
ARRUELA PRESSAO
PORCA SEXT
SUPORTE DIR
SUPORTE DER
SUPORTE DIR
MANCAL
PARAFUSO SEXT
ARRUELA PRESSAO
CALCO ESQ
CALCO DIR
CALÇO DIR
CALÇO ESQ
GRAXEIRA
ARRUELA LISA
ARRUELA
SUPORTE
PINO
CONTRAPINO
ROLAMENTO
SUPORTE ESQ
SUPORTE ESQ
SUPORTE ESQ
ESPACADOR
PARAF SEXT
PORCA SEXT
ESPACADOR
ARRUELA LISA
CALCO DIR
CALCO ESQ
ABRACADEIRA
CONTRAPINO
MANCAL
EIXO
EIXO
PARAFUSO SEXT
BRACO
BUCHA
PORCA SEXT
ARRUELA PRESSAO
SUPORTE
ARRUELA LISA
ANEL ELASTICO
ROLAMENTO
ENGREN CORRENTE
ESPACADOR
ARRUELA LISA
ARRUELA LISA
PARAF FRANCES
ESPACADOR
ENGRENAGEM
AR
AR
2
AR
8
8
AR
AR
2
4
AR
AR
AR
4
4
2
2
4
4
2
2
2
AR
2
AR
2
2
2
AR
2
2
2
AR
2
2
AR
AR
2
4
4
4
4
4
AR
AR
AR
4888
5891
4888
2321
2321
2321
4887
5890
4887
5890
2320
2320
2320
2320
2320
7
1
0
R
F
7
1
2
7
1
6
X X
X X
X X
X X
X X
X X
X X
X X
X X
X X
X X
X X
X X
X X
X X
X X
X X
X X
X X
X X
X X
X X
X X
X X
X X
X X
X X
X X
X X
X X
X X
X X
X X
X X
X X
X X
X X
X X
X X
X X
X X
X X
X X
X X
X X
X X
X X
X X
X X
X X
X X
X X
X X
X X
X X
X X
M8
5MM
M8X20
M20X245
20,5X45MM
20MM
M20
M12X35
12MM
709, 711, 713
709, 711, 713
M8
M8X16
M8
45X55
6,3X50MM
M10X35
M10
10MM
10,5X24X2MM
47X1,75MM
Z 17 INCL KEYS 41, 42
14X24MM
10,5X24X2MM
M10X55
Z6
30.004
-
-
-
-
-
-
-
-
-
-
-
-
-
-
-
-
-
-
-
-
-
-
-
-
-
-
-
-
-
-
-
-
-
-
-
-
-
-
-
-
-
-
-
-
-
-
-
-
-
-
-
-
-
-
-
-
ITEM NÚMERO DESCRIÇÃO QTDE OBSERVAÇÕESNO. SÉRIE
PLANTADEIRAS SLC-JOHN DEERE 710RF, 712 E 716 CQ30174 Nov98
RODA 712 E 716
30.005
PLANTADEIRAS SLC-JOHN DEERE 710RF, 712 E 716 CQ30174 Nov98
1
2
3
4
5
6
7
8
9
10
11
12
13
14
15
16
17
18
DQ13704
AL15981
CQ15356
CQ07320
CQ07334
DQ04345
CQ09003
CQ15302
13P1017
SK021.01
CQ00663
CQ10772
58M5575
11M7017
DQ10802
AZ22356
DQ20973
CQ10824
CORRENTE
ELO EMENDA
ARRUELA
ENGREN CORRENTE
RETENTOR
ROLAMENTO
PARAFUSO
CUBO
ROLAMENTO
ARRUELA LISA
PORCA SEXT
TAMPA
GRAXEIRA
CONTRAPINO
RODA
PNEU
PORCA
CAMARA DE AR
4
4
8
4
4
4
24
4
4
4
4
4
AR
4
4
24
4
7
1
0
R
F
7
1
2
7
1
6
X X
X X
X X
X X
X X
X X
X X
X X
X X
X X
X X
X X
X X
X X
X X
X X
X X
X X
L 58 INCL KEYS 2
Z 16
24,3X39MM
M22
M10
3,2X32MM
W9X18
10.5/80-18
M18
10.5/80-18
30.006
-
-
-
-
-
-
-
-
-
-
-
-
-
-
-
-
-
-
ITEM NÚMERO DESCRIÇÃO QTDE OBSERVAÇÕESNO. SÉRIE
PLANTADEIRAS SLC-JOHN DEERE 710RF, 712 E 716 CQ30174 Nov98
RODA 710RF
30.007
PLANTADEIRAS SLC-JOHN DEERE 710RF, 712 E 716 CQ30174 Nov98
1
2
3
4
5
6
7
8
9
10
11
12
13
14
15
16
17
18
19
20
21
AL15981
DQ16134
CQ07569
CQ30196
12M7070
L18947L
CQ30206
CQ07242
CQ07320
CQ20571
CQ07334
CQ07314
DQ07333
CQ09714
58M5578
19M7744
DQ10802
DQ02942
CQ10824
CQ02940
CQ09003
AZ22356
CQ07335
DQ20973
CQ20557
CQ30223
CQ20555
19M6811
ELO EMENDA
CORRENTE
PARAF SEXT
PARAFUSO
ARRUELA PRESSAO
ARRUELA LISA
PLACA DESGASTE
PLACA DESGASTE
ENGREN CORRENTE
PORCA SEXT
RETENTOR
BUCHA
ROLAMENTO
CUBO
GRAXEIRA
PARAFUSO SEXT
RODA
RODA
CAMARA DE AR
CAMARA DE AR
PARAFUSO
PNEU
PNEU
PORCA
EIXO
EIXO
EIXO
PARAF SEXT
2
2
4
AR
AR
AR
2
2
4
4
4
2
AR
2
2
2
2
10
2
2
10
2
2
AR
5423
5423
2946
5423
2946
5422
5422
5422
7
1
0
R
F
7
1
2
7
1
6
X
X
X
X
X
X
X
X
X
X
X
X
X
X
X
X
X
X
X
X
X
X
X
X
X
X
X
X
L 64 INCL KEYS 1
M20X65
M20X65X1,5 5AM, 6AM
20MM
20,5X32MM
Z 16
M39
M10
M12X35
W9X18
5.5FX16
10.5/80-18
9.00X16
10.5/80-18
9.00-16
M18
5AM, 6AM
M6X25
30.008
-
-
-
-
-
-
-
-
-
-
-
-
-
-
-
-
-
-
-
-
-
-
-
-
-
-
-
-
ITEM NÚMERO DESCRIÇÃO QTDE OBSERVAÇÕESNO. SÉRIE
PLANTADEIRAS SLC-JOHN DEERE 710RF, 712 E 716 CQ30174 Nov98
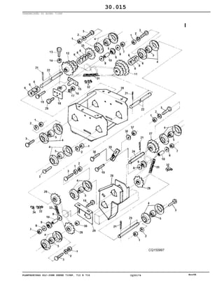
ACIONAMENTO DO EIXO INTERMEDIÁRIO
30.009
PLANTADEIRAS SLC-JOHN DEERE 710RF, 712 E 716 CQ30174 Nov98
1
2
3
4
5
6
7
8
9
10
11
12
13
14
15
16
17
18
19
20
21
22
23
24
25
26
27
28
29
30
31
32
33
34
35
36
37
38
39
40
41
42
19M7189
14M7168
19M7168
DQ20522
24M7040
12M7066
14M7140
14M7260
DQ07546
DQ20529
CQ07524
DQ14297
DQ15125
DQ06891
03M7053
24M7026
14M7029
CQ06662
40M1858
CQ06720
CQ08738
CQ06702
19169
A25886
CQ07388
58M5573
CQ06703
CQ06662
CQ06795
A37078
14M7151
CQ06936
CQ14470
CQ14471
CQ26153
CQ26152
CQ16133
CQ06713
B32701
CQ06935
CQ06712
CQ07222
B12516
11M7069
40M1833
11M7069
24M7026
PARAF SEXT
PORCA AUTOFREN
PARAFUSO SEXT
SUPORTE
ARRUELA LISA
ARRUELA PRESSAO
PORCA SEXT
PORCA SEXT DIR
TERMINAL
TERMINAL
PINO
SUPORTE
FLANGE
ROLAMENTO
PARAFUSO FRANCÊS
ARRUELA LISA
PORCA SEXT
ARRUELA LISA
ANEL ELASTICO
LUVA
GRAXEIRA
ENGREN CORRENTE
ARRUELA LISA
CAME
ALAVANCA
GRAXEIRA
ACOPLAMENTO DIR
ARRUELA LISA
MOLA
BUCHA
PORCA SEXT
PARAF SEXT
EIXO
EIXO
EIXO
EIXO
EIXO INF
ENGREN CORRENTE
PINO
PARAF SEXT
CUBO
ARRUELA LISA
MOLA
CONTRAPINO
ANEL ELASTICO
CONTRAPINO
ARRUELA LISA
AR
AR
AR
AR
AR
AR
AR
4
3
3
AR
AR
AR
AR
AR
3
3
3
6
3
3
AR
3
6
3
3
AR
3
4
8
4
4
8
8
AR
AR
AR
AR
4727
1346
1345
4726
7
1
0
R
F
7
1
2
7
1
6
X X X
X X X
X X X
X X X
X X X
X X X
X X X
X X X
X X X
X X X
X X X
X X
X X X
X X X
X X X
X X X
X X X
X X X
X X X
X X X
X X X
X X X
X X X
X X X
X X X
X X X
X X X
X X X
X X X
X X X
X X X
X X X
X
X
X
X
X
X X X
X X X
X X X
X X X
X X X
X X X
X X X
X X X
X X X
X X X
M12X80
M12
M10X30
11X21X2MM
10MM
M10
M16
M8X25
9X17X1,6
M8
25,8X30MM
35X1,5MM
Z 20
M6
25,8X30MM
M8
M8X16
4350 MM 716
3500MM 712
3500MM
4350MM
5900 MM
Z 10
M8X25
12X24MM
5X18MM
35X1,5MM
5X18MM
9X17X1,6
30.010
-
-
-
-
-
-
-
-
-
-
-
-
-
-
-
-
-
-
-
-
-
-
-
-
-
-
-
-
-
-
-
-
-
-
-
-
-
-
-
-
-
-
-
-
-
-
-
ITEM NÚMERO DESCRIÇÃO QTDE OBSERVAÇÕESNO. SÉRIE
PLANTADEIRAS SLC-JOHN DEERE 710RF, 712 E 716 CQ30174 Nov98
TRANSMISSÃO DO ADUBO 712 E 716
30.011
PLANTADEIRAS SLC-JOHN DEERE 710RF, 712 E 716 CQ30174 Nov98
1
2
3
4
5
6
7
8
9
10
11
12
13
14
15
16
17
18
19
20
21
22
23
24
25
26
27
28
29
30
31
32
33
34
35
36
37
38
39
40
41
42
43
44
45
46
47
48
49
50
51
52
19M7169
24M7040
CQ14340
12M7066
14M7140
CQ13848
DQ15125
CQ14341
CQ16305
DQ15609
11M7030
CQ06671
DQ06891
14M7029
12M7065
03M7054
03M7085
CQ14294
CQ14308
19M7183
03M7079
19M7181
CQ13699
DQ13694
JD29980
40M1860
14M7167
DQ14397
AZ12881
AL14207
19M7168
DQ15473
CQ06936
14M7151
A37078
A20337
CQ14293
CQ14290
19M7167
CQ14313
DQ14298
DQ15469
14M7168
24M7038
03M7079
AA22604
N120831
CQ17741
03M7110
CQ16301
DQ15449
DQ00386
DQ14310
PARAFUSO SEXT
ARRUELA LISA
SUPORTE
ARRUELA PRESSAO
PORCA SEXT
EIXO
FLANGE
SUPORTE
ESPACADOR
ENGRENAGEM
CONTRAPINO
ARRUELA LISA
ROLAMENTO
PORCA SEXT
ARRUELA PRESSAO
PARAF FRANCES
PARAF FRANCES
SUPORTE DIR
SUPORTE ESQ
PARAF SEXT
PARAF FRANCES
PARAF SEXT
ESPACADOR
ENGREN CORRENTE
ROLAMENTO
ANEL ELASTICO
PORCA AUTOFREN
CORRENTE
ELO DE REDUCAO
ELO EMENDA
PARAFUSO SEXT
ENGRENAGEM
PARAF SEXT
PORCA SEXT
BUCHA
ESPACADOR
SUPORTE
EIXO
PARAFUSO SEXT
EIXO
ESTRUTURA
ENGRENAGEM
PORCA AUTOFREN
ARRUELA LISA
PARAF FRANCES
BRACO
ESPACADOR
ENGRENAGEM
PARAF FRANCES
ESPACADOR
ENGRENAGEM
CORRENTE
CORRENTE
AR
AR
AR
AR
2
12
4
4
4
AR
AR
5
AR
AR
AR
AR
AR
AR
AR
4
4
4
AR
AR
2
2
2
AR
2
2
AR
2
12
2
2
AR
2
2
2
AR
AR
AR
2
4
4
AR
2
2
2
2
7
1
0
R
F
7
1
2
7
1
6
X X
X X
X X
X X
X X
X X
X X
X X
X X
X X
X X
X X
X X
X X
X X
X X
X X
X X
X X
X X
X X
X X
X X
X X
X X
X X
X X
X X
X X
X X
X X
X X
X X
X X
X X
X X
X X
X X
X X
X X
X X
X X
X X
X X
X X
X X
X X
X X
X X
X X
X X
X X
X X
M10X35
11X21X2MM
10MM
M10
Z 19
5X40MM
10,5X24X2MM
M8
5MM
M8X20
M10X30
M10X40
M10X55
M10X55
Z 19
40X1,75MM
M10
L 161 INCL KEYS 28, 29
M10X30
Z16, 18, 30, 36 Z 16, 18, 30 E 3
M8X16
M8
M10X25
Z 18,24 E 36
M12
14X24MM
M10X55
Z 10
M12X75
Z 18
L 91 INCL KEYS 28, 29
L 69 INCL KEYS 28, 29
30.012
-
-
-
-
-
-
-
-
-
-
-
-
-
-
-
-
-
-
-
-
-
-
-
-
-
-
-
-
-
-
-
-
-
-
-
-
-
-
-
-
-
-
-
-
-
-
-
-
-
-
-
-
-
ITEM NÚMERO DESCRIÇÃO QTDE OBSERVAÇÕESNO. SÉRIE
PLANTADEIRAS SLC-JOHN DEERE 710RF, 712 E 716 CQ30174 Nov98
TRANSMISSÃO DA SEMENTE
30.013
PLANTADEIRAS SLC-JOHN DEERE 710RF, 712 E 716 CQ30174 Nov98
1
2
3
4
5
6
7
8
9
10
11
12
13
14
15
16
17
18
19
20
21
22
23
24
25
26
27
28
29
30
31
32
33
34
35
36
37
38
39
40
41
42
43
44
45
46
47
CQ06936
14M7151
A37078
03M7054
12M7065
14M7029
DQ06891
DQ15125
DQ15609
CQ14411
CQ14290
CQ16305
03M7079
CQ06671
Z120831
CQ17741
14M7167
24M7040
CQ14154
CQ07005
CQ07023
CQ07369
CQ30664
CQ31040
CQ30664
DQ30028
AL14207
DQ13703
DQ30073
DQ00386
DQ07041
AZ12881
11M7032
CQ14145
CQ14147
CQ14171
DQ15479
A20337
DQ15588
DQ23866
19M7167
12M7066
14M7140
CQ06934
AA27594
AA22584
DQ16444
DQ24855
DQ07039
19M7168
DQ15477
DQ23869
DQ16530
DQ13390
24M7038
CQ23837
03M7104
DQ23867
DQ15609
11M7032
CQ30665
CQ30665
CQ30665
PARAF SEXT
PORCA SEXT
BUCHA
PARAF FRANCES
ARRUELA PRESSAO
PORCA SEXT
ROLAMENTO
FLANGE
ENGRENAGEM
EIXO
EIXO
ESPACADOR
PARAF FRANCES
ARRUELA LISA
ESPACADOR
ENGRENAGEM
PORCA AUTOFREN
ARRUELA LISA
BUCHA
EIXO
EIXO
EIXO
EIXO
EIXO
EIXO
ENGRENAGEM
ELO EMENDA
CORRENTE
CORRENTE
CORRENTE
CORRENTE
ELO DE REDUCAO
CONTRAPINO
EIXO
EIXO
ESPACADOR
ENGRENAGEM
ESPACADOR
ENGRENAGEM
ENGRENAGEM
PARAFUSO SEXT
ARRUELA PRESSAO
PORCA SEXT
PARAFUSO
SUPORTE
BRACO
ESTRUTURA
ESTRUTURA
CORRENTE
PARAFUSO SEXT
ENGRENAGEM
ENGRENAGEM
CORRENTE
CORRENTE
ARRUELA LISA
ESPACADOR
PARAF FRANCES
ENGRENAGEM
ENGRENAGEM
CONTRAPINO
ACOPLAMENTO
ACOPLAMENTO
ACOPLAMENTO
4
AR
4
AR
AR
AR
7
7
4
AR
2
2
2
2
2
2
4
2
2
AR
2
2
10
AR
AR
AR
1
AR
3
4
5
5829
5829
5829
5829
5829
5829
5829
5828
7
1
0
R
F
7
1
2
7
1
6
X X X
X X X
X X X
X X X
X X X
X X X
X X X
X X X
X X
X X
X
X X X
X X X
X X X
X X X
X X X
X X X
X X X
X X X
X
X
X
X X
X X X
X
X
X X X
X X
X
X X
X
X X
X X X
X X
X
X X
X X X
X X X
X X
X
X X X
X X X
X X X
X X X
X X X
X X X
X X
X
X X X
X X X
X X X
X
X X X
X X X
X X X
X
X
X X X
X X X
X X X
X
X
X
M8X16
M8
M8X20
5MM
M8
Z 19
1850MM
M10X55
10,5X24X2MM
Z 10
M10
11X21X2MM
3450 MM 716
2750 MM 712
4600MM
1200MM
1000MM
1200MM
Z 19-22
L 60 INCL KEYS 21
L 62 INCL KEYS 21
L 91 INCL KEYS 21, 24
L 92 INCL KEYS 21
5X50MM
Z14,18,22,26,28 Z 14, 18, 22, 26
Z 27 E 40
Z 24-27
M10X25
10MM
M10
M12
L 76 INCL KEYS 21
M10X30
Z14,16,22,26,30 Z 14, 16, 22, 26
Z 16
L 8 INCL KEYS 21 C/ Z 40
L 71 INCL KEYS 21, 24
14X24MM
M10X70
Z 16-24
Z 19
5X50MM
40MM
40MM
40MM
*
30.014
-
-
-
-
-
-
-
-
-
-
-
-
-
-
-
-
-
-
-
-
-
-
-
-
-
-
-
-
-
-
-
-
-
-
-
-
-
-
-
-
-
-
-
-
-
-
-
-
-
-
-
-
-
-
-
-
-
-
-
-
-
-
-
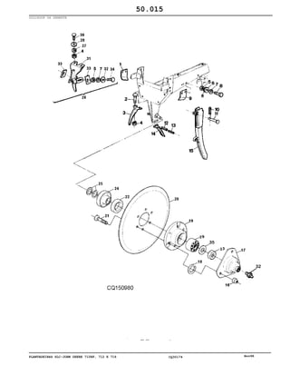
ITEM NÚMERO DESCRIÇÃO QTDE OBSERVAÇÕESNO. SÉRIE
PLANTADEIRAS SLC-JOHN DEERE 710RF, 712 E 716 CQ30174 Nov98
TRANSMISSÃO DO ADUBO 710RF
30.015
PLANTADEIRAS SLC-JOHN DEERE 710RF, 712 E 716 CQ30174 Nov98
1
2
3
4
5
6
7
8
9
10
11
12
13
14
15
16
17
18
19
20
21
22
23
24
25
26
27
28
29
30
31
32
33
34
35
36
37
38
39
14M7029
12M7065
03M7054
DQ15125
DQ06891
A20337
14M7167
CQ06671
CQ17741
N120831
DQ15473
DQ15469
CQ06934
14M7031
AA22584
14M7140
12M7066
AA27594
03M7079
DQ24855
11M7030
DQ14147
CQ14145
CQ23858
DQ23859
DQ24288
DQ23868
DQ17857
19M7167
CQ16301
DQ07039
AL14207
DQ18524
AZ12881
DQ02168
24M7038
14M7168
03M7083
DQ24125
PORCA SEXT
ARRUELA PRESSAO
PARAF FRANCES
FLANGE
ROLAMENTO
ESPACADOR
PORCA AUTOFREN
ARRUELA LISA
ENGRENAGEM
ESPACADOR
ENGRENAGEM
ENGRENAGEM
PARAFUSO
PORCA SEXT
BRACO
PORCA SEXT
ARRUELA PRESSAO
SUPORTE
PARAF FRANCES
ESTRUTURA
CONTRAPINO
EIXO
EIXO
EIXO
EIXO
ESTRUTURA
ENGRENAGEM
ENGRENAGEM
PARAFUSO SEXT
ESPACADOR
CORRENTE
ELO EMENDA
CORRENTE
ELO DE REDUCAO
CORRENTE
ARRUELA LISA
PORCA AUTOFREN
PARAF FRANCES
BRAÇO
AR
AR
AR
AR
AR
AR
AR
AR
AR
AR
AR
7
1
0
R
F
7
1
2
7
1
6
X
X
X
X
X
X
X
X
X
X
X
X
X
X
X
X
X
X
X
X
X
X
X
X
X
X
X
X
X
X
X
X
X
X
X
X
X
X
X
M8
5MM
M8X20
M10
10,5X24X2MM
Z 10
Z16, 18, 30, 36
Z 18,24 E 36
M12
M12
M10
10MM
M10X55
5X40MM
Z 14, 28
Z 14
M10X25
L 76
L 73
L 64
14X24MM
M12
M12X35
30.016
-
-
-
-
-
-
-
-
-
-
-
-
-
-
-
-
-
-
-
-
-
-
-
-
-
-
-
-
-
-
-
-
-
-
-
-
-
-
-
ITEM NÚMERO DESCRIÇÃO QTDE OBSERVAÇÕESNO. SÉRIE
PLANTADEIRAS SLC-JOHN DEERE 710RF, 712 E 716 CQ30174 Nov98
30.017
Nov98PLANTADEIRAS SLC-JOHN DEERE 710RF, 712 E 716 CQ30174
INDICE DE GRUPO - UNIDADE DE ADUBO
PLANTADEIRAS SLC-JOHN DEERE 710RF, 712 E 716 CQ30174 Nov98
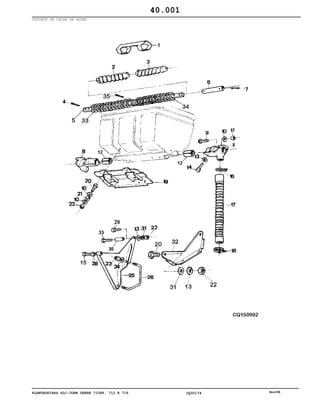
SUPORTE DA CAIXA DE ADUBO
40.001
PLANTADEIRAS SLC-JOHN DEERE 710RF, 712 E 716 CQ30174 Nov98
1
2
3
4
5
6
7
8
9
10
11
12
13
14
15
16
17
18
19
20
21
22
23
24
25
26
27
28
29
30
31
32
33
34
35
CQ21804
CQ07086
CQ07088
CQ07084
CQ07084
CQ07087
CQ07089
CQ07085
CQ07085
11M7030
CQ34269
CQ14189
CQ13802
CQ14172
11M7032
11M7040
DQ19837
DQ19836
03M7017
24M7178
14M7152
CQ19702
24M7040
19M7167
19M7180
CQ29751
CQ14006
CQ16128
CQ31348
DQ15378
DQ17984
19M7168
A23441
14M7140
14M7168
24M7038
DQ18045
DQ18044
CQ14626
19M7327
14M7167
19M7166
CQ14698
12M7066
CQ23849
CQ23850
CQ31848
CQ31849
11M7032
PROTECAO
S FIM TXA ALTA
S FIM TXA MEDIA
S FIM TXA BAIXA
S FIM TXA BAIXA
S FIM TXA ALTA
S FIM TXA MEDIA
S FIM TXA BAIXA
S FIM TXA BAIXA
CONTRAPINO
EIXO
ACOPLAMENTO
ACOPLAMENTO
ACOPLAMENTO
CONTRAPINO
CONTRAPINO
TERMINAL ESQ
TERMINAL DIR
PARAF FRANCES
ARRUELA LISA
PORCA SEXT
PROTECAO
ARRUELA LISA
PARAFUSO SEXT
PARAF SEXT
FIXADOR
MANGUEIRA
MANGUEIRA
MANGUEIRA
ABRACADEIRA
ASSENTO
PARAFUSO SEXT
ARR DE BORRACHA
PORCA SEXT
PORCA AUTOFREN
ARRUELA LISA
SUPORTE ESQ
SUPORTE DIR
PARAFUSO
PARAF SEXT
PORCA AUTOFREN
PARAFUSO SEXT
ESPACADOR
ARRUELA PRESSAO
SUPORTE DIR
SUPORTE ESQ
SEM-FIM DIR
SEM FIM ESQ
CONTRAPINO
AR
AR
AR
AR
AR
AR
AR
AR
AR
AR
AR
2
AR
8
AR
AR
AR
2
AR
AR
AR
AR
AR
AR
7
1
0
R
F
7
1
2
7
1
6
X X X
X X X
X X X
X X X
X X X
X X X
X X X
X X X
X X X
X X X
X X X
X X X
X X X
X X X
X X X
X X X
X X X
X X X
X X X
X X X
X X X
X X X
X X X
X X X
X X X
X X X
X X X
X X X
X X X
X X X
X X X
X X X
X X X
X X X
X X X
X X X
X X X
X X X
X X X
X X X
X X X
X X X
X X X
X X X
X
X
X X X
X X X
X X X
RH
RH
RH
ACESSORIO/ACESORIO/ACCES
LH
LH
LH
ACESSORIO/ACESORIO/ACCES
5X40MM
179MM
89MM
59MM
5X50MM
6,3X50MM
INCL KEYS 36
INCL KEYS 36
M10X25
10,5X30X2,5MM
M10
11X21X2MM
M10X25
M10X45
(A)
(B)
M10X30
M10
M12
14X24MM 712 E 716
712 E 716
712 E 716
712 E 716
M10X65
M10
M10X20
10MM
5X50MM
40.002
(A)
(B)
COM CHASSI 6100, 8100MM
SULCADOR DE ADUBO COM DISCOS DESENCONTRADOS
-
-
-
-
-
-
-
-
-
-
-
-
-
-
-
-
-
-
-
-
-
-
-
-
-
-
-
-
-
-
-
-
-
-
-
-
-
-
-
-
-
-
-
-
-
-
-
-
-
ITEM NÚMERO DESCRIÇÃO QTDE OBSERVAÇÕESNO. SÉRIE
PLANTADEIRAS SLC-JOHN DEERE 710RF, 712 E 716 CQ30174 Nov98
CAIXA DO ADUBO (1908-)
1
2
3
4
5
6
7
8
9
10
11
12
DQ16622
CQ18038
DQ20669
CQ16621
14M7029
12M7065
CQ01249
CQ18007
24M7026
19M7163
DQ19095
19M7139
TAMPA
TIRANTE
DECALCO
CAIXA DE ADUBO
PORCA SEXT
ARRUELA PRESSAO
ARRUELA LISA
ESPACADOR
ARRUELA LISA
PARAFUSO SEXT
MOLDURA
PARAFUSO
1
2
1
1
AR
AR
AR
4
AR
AR
2
AR
7
1
0
R
F
7
1
2
7
1
6
X X X
X X X
X X X
X X X
X X X
X X X
X X X
X X X
X X X
X X X
X X X
X X X
M8
5MM
9X28MM
9X17X1,6
M8X25
M8X20
40.003
-
-
-
-
-
-
-
-
-
-
-
-
ITEM NÚMERO DESCRIÇÃO QTDE OBSERVAÇÕESNO. SÉRIE
PLANTADEIRAS SLC-JOHN DEERE 710RF, 712 E 716 CQ30174 Nov98
40.004
PLANTADEIRAS SLC-JOHN DEERE 710RF, 712 E 716 CQ30174 Nov98
SULCADOR DO ADUBO - DISCO DUPLO
40.005
PLANTADEIRAS SLC-JOHN DEERE 710RF, 712 E 716 CQ30174 Nov98
1
2
3
4
5
6
7
8
9
10
11
12
13
14
15
16
17
18
19
20
21
22
23
24
25
26
27
28
29
30
31
32
33
34
35
36
37
38
39
40
41
42
43
44
45
46
47
48
49
50
51
52
53
54
55
56
11M7027
A24173
CQ06679
CQ06673
14M7260
19M7560
A49190
A49192
12M7069
14M7142
AA35446
A23662
14M7168
19M7414
03M7088
24M7040
12M7066
14M7140
A24085
A26264
19M7167
DQ22203
DQ07141
A27696
A27707
CQ07169
14M7158
CQ07077
A26714
19M7163
B35912
B35913
DQ15304
DQ12714
CQ08594
CQ07075
CQ12694
DQ09885
CQ13157
DQ12711
CQ12679
12M7006
14M7027
CQ12684
58M5573
CQ21541
CQ12693
CQ21757
CQ22761
DQ16261
CQ23207
DQ21768
14M7166
DQ18645
CQ22383
CQ21620
DQ22107
CQ23098
CONTRAPINO
PINO
ARRUELA LISA
PORCA SEXT ESQ
PORCA SEXT DIR
PARAF SEXT
PARAFUSO "U"
CALCO
ARRUELA PRESSAO
PORCA SEXT
SUPORTE
BUCHA
PORCA AUTOFREN
PARAF SEXT
PARAF FRANCES
ARRUELA LISA
ARRUELA PRESSAO
PORCA SEXT
RASPADOR
SUPORTE
PARAFUSO SEXT
CAVALETE
CONJ DA MOLA
OBTURADOR
MOLA
OBTURADOR
PORCA SEXT
PARAF SEXT
PINO
PARAFUSO SEXT
CALCO
RASPADOR
TUBO DESCARGA
CONJ DISCO
PARAF FENDA
DISCO
ESPACADOR
RETENTOR
ARRUELA LISA
ROLAMENTO
FLANGE
ARRUELA PRESSAO
PORCA SEXT
TAMPA
GRAXEIRA
ARRUELA LISA
ESPACADOR
DISCO 13,5
FLANGE
ROLAMENTO
ANEL PENETRACAO
TAMPA
PORCA SEXT
SUPORTE ESQ
ARRUELA
PROTECAO
RETENTOR
PARAFUSO
AR
2
AR
AR
2
AR
AR
AR
AR
AR
AR
AR
AR
2
AR
AR
AR
AR
AR
2
2
2
2
2
AR
AR
2
AR
AR
AR
AR
AR
AR
AR
2
2
12
7
1
0
R
F
7
1
2
7
1
6
X X X
X X X
X X X
X X X
X X X
X X X
X X X
X X X
X X X
X X X
X X X
X X X
X X X
X X X
X X X
X X X
X X X
X X X
X X X
X X X
X X X
X X X
X X X
X X X
X X X
X X X
X X X
X X X
X X X
X X X
X X X
X X X
X X X
X X X
X X X
X X X
X X X
X X X
X X X
X X X
X X X
X X X
X X X
X X X
X X X
X X X
X X X
X X X
X X X
X X X
X X X
X X X
X X X
X X X
X X X
X X X
X X X
X X X
5X28MM
17X27X2,65MM
M16
M16
M6X16
16MM
M16
M12
M12X90
M10X20
11X21X2MM
10MM
M10
M10X25
INCL KEYS 23-25
M16
M16X36,5
M8X25
INCL KEYS 34-42
M6X35
35X45MM
6MM
M6
M6
20,5X32MM
M8
M8X25
40.006
-
-
-
-
-
-
-
-
-
-
-
-
-
-
-
-
-
-
-
-
-
-
-
-
-
-
-
-
-
-
-
-
-
-
-
-
-
-
-
-
-
-
-
-
-
-
-
-
-
-
-
-
-
-
-
-
-
-
ITEM NÚMERO DESCRIÇÃO QTDE OBSERVAÇÕESNO. SÉRIE
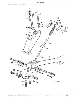
PLANTADEIRAS SLC-JOHN DEERE 710RF, 712 E 716 CQ30174 Nov98
SULCADOR DO ADUBO - DISCO SIMPLES
40.007
PLANTADEIRAS SLC-JOHN DEERE 710RF, 712 E 716 CQ30174 Nov98
1
2
3
4
5
6
7
8
9
10
11
12
13
14
15
16
17
18
19
20
21
22
23
24
25
26
27
28
29
30
31
32
33
34
35
36
37
38
14M7031
12M7067
24M7038
CQ07212
A48737
CQ23642
A48736
CQ15710
CQ16408
12M7069
14M7142
19M7167
34M7040
A48974
11M7028
KK4446
14M7027
DQ17738
A48738
24M7040
CQ34274
DQ30615
DQ30614
19M7415
CQ06670
A48732
E20664
U41936
CQ15702
58M5575
CQ09052
12M7066
CQ17270
CQ16042
CQ30113
CQ30049
DQ19648
DQ19647
CQ19644
03M7068
CQ01248
12M7006
PORCA SEXT
ARRUELA PRESSAO
ARRUELA LISA
PARAF FRANCES
CUNHA
SUPORTE
SUPORTE
PARAFUSO "U"
ARRUELA LISA
ARRUELA PRESSAO
PORCA SEXT
PARAFUSO SEXT
PINO ELASTICO
ENGATE
CONTRAPINO
PINO
PORCA SEXT
ESPACADOR
PINO
ARRUELA LISA
PARAFUSO
BRAÇO DIR
BRAÇO ESQ
PARAF SEXT
ARRUELA LISA
LUVA
ARRUELA LISA
BUCHA
BUCHA
GRAXEIRA
PINO
ARRUELA PRESSAO
MOLA
MOLA
SUPORTE DIR
SUPORTE ESQ
SUPORTE DIR
SUPORTE ESQ
RASPADOR
PARAF FRANCES
ARRUELA LISA
ARRUELA PRESSAO
AR
AR
AR
AR
AR
AR
AR
AR
2
AR
AR
AR
2
AR
2
AR
7
1
0
R
F
7
1
2
7
1
6
X X X
X X X
X X X
X X X
X X X
X X X
X X X
X X X
X X X
X X X
X X X
X X X
X X X
X X X
X X X
X X X
X X X
X X X
X X X
X X X
X X X
X X X
X X X
X X X
X X X
X X X
X X X
X X X
X X X
X X X
X X X
X X X
X X X
X X X
X X X
X X X
X X X
X X X
X X X
X X X
X X X
X X X
M12
12MM
14X24MM
M12X65
16,5X40MM
16MM
M16
M10X25
6X30MM
5X32MM
M6
11X21X2MM
M16X300
M12X130
13X38MM
M10
10MM
M6X20
6,4X18MM
6MM
40.008
-
-
-
-
-
-
-
-
-
-
-
-
-
-
-
-
-
-
-
-
-
-
-
-
-
-
-
-
-
-
-
-
-
-
-
-
-
-
-
-
-
-
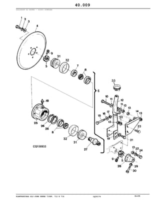
ITEM NÚMERO DESCRIÇÃO QTDE OBSERVAÇÕESNO. SÉRIE
PLANTADEIRAS SLC-JOHN DEERE 710RF, 712 E 716 CQ30174 Nov98
SULCADOR DO ADUBO - DISCO SIMPLES
40.009
PLANTADEIRAS SLC-JOHN DEERE 710RF, 712 E 716 CQ30174 Nov98
1
2
3
4
5
6
7
8
9
10
11
12
13
14
15
16
17
18
19
20
21
22
23
24
25
26
27
28
29
30
31
32
19M7163
12M7065
CQ01249
A48720
CQ20072
DQ24512
A51614
DQ06749
19M6811
19M8049
24M7178
H139125
H139126
14M7140
DQ34144
DQ34145
19M7728
CQ06670
14M7168
58M5573
CQ16256
CQ01248
19M6614
12M7066
03M7098
19M7179
CQ19688
40M1867
CQ21922
A48726
14M7166
19M8397
AA26234
B32687
PARAFUSO SEXT
ARRUELA PRESSAO
ARRUELA LISA
DISCO
PORCA SEXT
CUBO
ESPACADOR
ROLAMENTO
PARAF SEXT
PARAFUSO
ARRUELA LISA
TUBO ESQ
TUBO DIR
PORCA SEXT
SUPORTE DIR
SUPORTE ESQ
PARAF SEXT
ARRUELA LISA
PORCA AUTOFREN
GRAXEIRA
RASPADOR
ARRUELA LISA
PARAFUSO
ARRUELA PRESSAO
PARAF FRANCES
PARAF SEXT
CUBO
ANEL ELASTICO
EIXO
SUPORTE
PORCA SEXT
PARAFUSO SEXT
RETENTOR
ANEL
AR
AR
AR
2
2
AR
AR
AR
AR
AR
AR
2
AR
AR
2
AR
AR
2
AR
AR
2
2
7
1
0
R
F
7
1
2
7
1
6
X X X
X X X
X X X
X X X
X X X
X X X
X X X
X X X
X X X
X X X
X X X
X X X
X X X
X X X
X X X
X X X
X X X
X X X
X X X
X X X
X X X
X X X
X X X
X X X
X X X
X X X
X X X
X X X
X X X
X X X
X X X
X X X
X X X
X X X
M8X25
5MM
9X28MM
M30
INCL KEYS 5,7,8,25-27,31
M6X25
M10X80
10,5X30X2,5MM
M10
M12X120
13X38MM
M12
M6
6,4X18MM
M6X12
10MM
M10X35
M10X50
60X2MM
M8
M8X50
40.010
-
-
-
-
-
-
-
-
-
-
-
-
-
-
-
-
-
-
-
-
-
-
-
-
-
-
-
-
-
-
-
-
-
-
ITEM NÚMERO DESCRIÇÃO QTDE OBSERVAÇÕESNO. SÉRIE
PLANTADEIRAS SLC-JOHN DEERE 710RF, 712 E 716 CQ30174 Nov98
SULCADOR DO ADUBO - DISCO SIMPLES
40.011
PLANTADEIRAS SLC-JOHN DEERE 710RF, 712 E 716 CQ30174 Nov98
1
2
3
4
5
6
7
8
9
10
11
12
13
14
15
16
17
18
11M7027
14M7165
24M7099
DQ16261
CQ22761
DQ22107
03M7093
CQ21620
DQ30512
DQ30516
DQ30961
DQ30960
58M5573
CQ22383
CQ06673
14M7260
CQ06679
14M7166
CQ22280
CQ09017
19M6614
A49918
DQ21768
CONTRAPINO
PORCA SEXT
ARRUELA LISA
ROLAMENTO
FLANGE
RETENTOR
PARAF FRANCES
PROTECAO
BRAÇO DIR
BRAÇO ESQ
BRAÇO DIR
BRAÇO ESQ
GRAXEIRA
ARRUELA
PORCA SEXT ESQ
PORCA SEXT DIR
ARRUELA LISA
PORCA SEXT
ARO
ARO
PARAFUSO
PNEU
TAMPA
AR
AR
2
2
AR
AR
AR
AR
AR
AR
1
1
AR
4266
4266
4266
4007
4007
4266
4007
4006
4006
4265
7
1
0
R
F
7
1
2
7
1
6
X X X
X X X
X X X
X X X
X X X
X X X
X X X
X X X
X X X
X X X
X X X
X X X
X X X
X X X
X X X
X X X
X X X
X X X
X X X
X X X
X X X
X X X
X X X
5X28MM
M6
21X33MM
M8X25
M6
M16
M16
17X27X2,65MM
M8
M6X12
40.012
-
-
-
-
-
-
-
-
-
-
-
-
-
-
-
-
-
-
-
-
-
-
-
ITEM NÚMERO DESCRIÇÃO QTDE OBSERVAÇÕESNO. SÉRIE
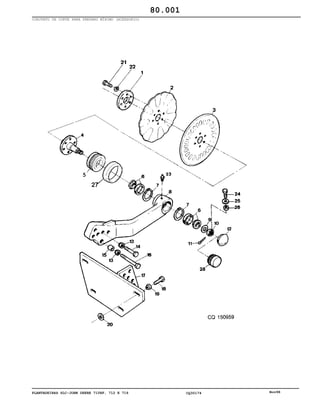
PLANTADEIRAS SLC-JOHN DEERE 710RF, 712 E 716 CQ30174 Nov98
SULCADOR DO ADUBO DISCO DESENCONTRADO
40.013
PLANTADEIRAS SLC-JOHN DEERE 710RF, 712 E 716 CQ30174 Nov98
1
2
3
4
5
6
7
8
9
10
11
12
13
14
15
16
17
18
19
20
21
22
23
24
25
26
27
28
29
30
31
32
33
34
35
36
37
38
39
40
41
42
43
44
45
46
47
19M7342
CQ06679
14M7170
CQ25117
CQ23787
CQ23789
CQ23752
CQ23744
N134513
11M7027
CQ20824
CQ34021
CQ23788
CQ23486
19M7408
14M7167
14M7230
58M5573
DQ21768
CQ29743
DQ34023
58M5579
CQ34024
U41936
CQ09052
E20664
CQ06670
19M7415
12M7067
14M7031
CQ21747
CQ21748
14M7166
CQ23098
19M7139
CQ33918
CQ33919
CQ22383
CQ21620
DQ22107
CQ21758
CQ22761
DQ16261
CQ06679
14M7260
CQ06673
24M7026
12M7065
CQ02151
CQ15702
58M5574
PARAF SEXT
ARRUELA LISA
PORCA AUTOFREN
SUPORTE
SUPORTE
ARRUELA
MOLA
MOLA
MOLA
CONTRAPINO
PINO
SUPORTE
PINO
PINO ELÁSTICO
PARAF SEXT
PORCA AUTOFREN
PORCA SEXT
GRAXEIRA
TAMPA
TUBO DESCARGA
SUPORTE
GRAXEIRA
PARAF.C/OLHAL
BUCHA
PINO
ARRUELA LISA
ARRUELA LISA
PARAF SEXT
ARRUELA PRESSAO
PORCA SEXT
CALÇO
RASPADOR
PORCA SEXT
PARAFUSO
PARAFUSO
EIXO DIR
EIXO ESQ
ARRUELA
PROTECAO
RETENTOR
DISCO
FLANGE
ROLAMENTO
ARRUELA LISA
PORCA SEXT DIR
PORCA SEXT ESQ
ARRUELA LISA
ARRUELA PRESSAO
ARRUELA LISA
BUCHA
GRAXEIRA
AR
AR
AR
AR
2
2
2
2
2
2
2
AR
AR
AR
AR
AR
7
1
0
R
F
7
1
2
7
1
6
X X X
X X X
X X X
X X X
X X X
X X X
X X X
X X X
X X X
X X X
X X X
X X X
X X X
X X X
X X X
X X X
X X X
X X X
X X X
X X X
X X X
X X X
X X X
X X X
X X X
X X X
X X X
X X X
X X X
X X X
X X X
X X X
X X X
X X X
X X X
X X X
X X X
X X X
X X X
X X X
X X X
X X X
X X X
X X X
X X X
X X X
X X X
X X X
X X X
X X X
X X X
M16X55
17X27X2,65MM
M16
(A)
(C)
(B)
5X28MM
M10X90
M10
M20
M6
M8
13X38MM
M12X130
12MM
M12
M8
M8X25
M8X20
17X27X2,65MM
M16
M16
9X17X1,6
5MM
20,5X45MM
M8
40.014
(A)
(B)
(C)
PLANTIO DIRETO LEVE
PLANTIO DIRETO PESADO
PLANTIO CONVENCIONAL
-
-
-
-
-
-
-
-
-
-
-
-
-
-
-
-
-
-
-
-
-
-
-
-
-
-
-
-
-
-
-
-
-
-
-
-
-
-
-
-
-
-
-
-
-
-
-
-
-
-
-
ITEM NÚMERO DESCRIÇÃO QTDE OBSERVAÇÕESNO. SÉRIE
PLANTADEIRAS SLC-JOHN DEERE 710RF, 712 E 716 CQ30174 Nov98
40.015
Nov98PLANTADEIRAS SLC-JOHN DEERE 710RF, 712 E 716 CQ30174
INDICE DE GRUPO - UNIDADE DE PLANTIO
Nov98PLANTADEIRAS SLC-JOHN DEERE 710RF, 712 E 716 CQ30174
INDICE DE GRUPO - UNIDADE DE PLANTIO
PLANTADEIRAS SLC-JOHN DEERE 710RF, 712 E 716 CQ30174 Nov98
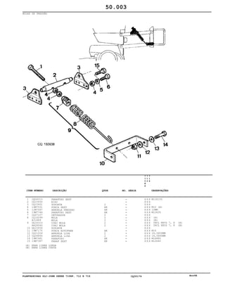
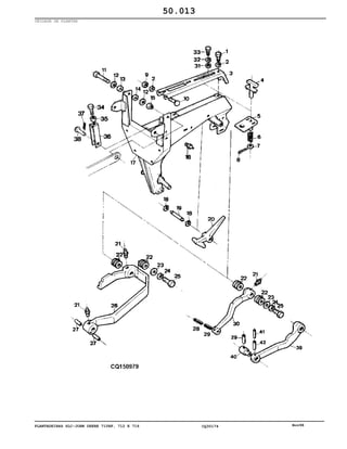
BRACOS PARALELOS
50.001
PLANTADEIRAS SLC-JOHN DEERE 710RF, 712 E 716 CQ30174 Nov98
1
2
3
4
5
6
7
8
9
10
11
12
13
14
15
16
17
18
19
20
21
22
23
24
25
26
27
28
29
30
31
32
33
34
35
36
37
38
39
40
41
42
43
CQ13630
CQ13630
CQ13629
14M7170
CQ16817
CQ04844
19M7342
19M7179
CQ14621
CQ13593
12M7066
14M7140
CQ06671
19M7343
19M7481
CQ06693
CQ06627
DQ06666
CQ16931
19M6614
12M7006
14M7027
DQ06626
A22561
19M7167
A40635
DQ06680
A23372
DQ16813
14M7167
CQ16812
DQ16811
DQ15323
CQ14621
19M7342
DQ16814
A23789
CQ06776
CQ16408
CQ06667
CQ29499
N120831
CQ30637
DQ34337
CQ17741
03M7079
SUPORTE
SUPORTE
SUPORTE
PORCA AUTOFREN
BUCHA
ARRUELA LISA
PARAF SEXT
PARAF SEXT
CANTONEIRA
ESPACADOR
ARRUELA PRESSAO
PORCA SEXT
ARRUELA LISA
PARAF SEXT
PARAFUSO
ANEL ELASTICO
FLANGE
ROLAMENTO
BUCHA
PARAFUSO
ARRUELA PRESSAO
PORCA SEXT
ENGRENAGEM
PARAFUSO "U"
PARAFUSO SEXT
CANTONEIRA
ENGREN CORRENTE
CANTONEIRA
BRACO SUPERIOR
PORCA AUTOFREN
BRACO SUPERIOR
BRACO INFERIOR
SUPORTE
CANTONEIRA
PARAF SEXT
BRACO INFERIOR
BUCHA
ARRUELA LISA
ARRUELA LISA
PARAF FRANCES
SUPORTE
ESPACADOR
MOLA
BRAÇO
ENGRENAGEM
PARAF FRANCES
2
1
AR
AR
AR
AR
2
4
AR
AR
AR
AR
2
AR
AR
AR
2
AR
2
2
AR
AR
AR
AR
2
2
AR
7
1
0
R
F
7
1
2
7
1
6
X X
X X X
X X X
X X X
X X X
X X X
X X X
X X X
X X X
X X X
X X X
X X X
X X X
X X X
X X X
X X X
X X X
X X X
X X X
X X X
X X X
X X X
X X X
X X X
X X X
X X X
X X X
X X X
X X X
X X X
X X X
X X X
X X X
X X X
X X X
X X X
X X X
X X X
X X X
X X X
X X X
X X X
X X X
X X X
X X X
X X X
M16
16,5X40MM
M16X55
M10X50
LH
10MM
M10
10,5X24X2MM (A)
M16X60 (D)
M16X80 (E)
25X1,2MM
RH
M6X12
6MM
M6
LH
213MM 712, 716
M10X25
LH
Z 19 INCL KEYS 14-16, 18-21 LH
RH
(B)
M10 (A)
(C)
(C)
710(5/6AM) 712(6AM) RH
712(6AM)RH
M16X55
(B)
18X34MM (D)
16,5X40MM (E)
M10X90
Z 10
M10X55
50.002
(A)
(B)
(C)
(D)
(E)
COM LINHA LONGA
LONGO
CURTO
SEM ACESSÓRIO DE PRESSÃO
COM ACESSORIO DE PRESSÃO
-
-
-
-
-
-
-
-
-
-
-
-
-
-
-
-
-
-
-
-
-
-
-
-
-
-
-
-
-
-
-
-
-
-
-
-
-
-
-
-
-
-
-
-
-
-
ITEM NÚMERO DESCRIÇÃO QTDE OBSERVAÇÕESNO. SÉRIE
PLANTADEIRAS SLC-JOHN DEERE 710RF, 712 E 716 CQ30174 Nov98
MOLAS DE PRESSÃO
1
2
3
4
5
6
7
8
9
10
11
12
13
14
15
CQ04315
CQ15930
CQ15931
14M7031
12M7067
19M7744
CQ07107
CQ16299
A31889
DQ16310
AA28046
DQ15934
14M7170
CQ21004
CQ04844
19M7481
19M7387
PARAFUSO SEXT
EIXO
SUPORTE
PORCA SEXT
ARRUELA PRESSAO
PARAFUSO SEXT
OBTURADOR
MOLA
MOLA
CONJ MOLA
CONJ MOLA
SUPORTE
PORCA AUTOFREN
ARRUELA LISA
ARRUELA LISA
PARAFUSO
PARAF SEXT
2
AR
AR
AR
2
2
2
2
2
AR
2
2
AR
AR
7
1
0
R
F
7
1
2
7
1
6
X X X
X X X
X X X
X X X
X X X
X X X
X X X
X X X
X X X
X X X
X X X
X X X
X X X
X X X
X X X
X X X
X X X
M12X150
M12 (A)
12MM
M12X35
(A)
(B)
INCL KEYS 7, 8 (A)
INCL KEYS 7, 8 (B)
M16
16,5X50MM
16,5X40MM
M16X80
M12X40
50.003
(A)
(B)
PARA LINHA LONGA
PARA LINHA CURTA
-
-
-
-
-
-
-
-
-
-
-
-
-
-
-
-
-
ITEM NÚMERO DESCRIÇÃO QTDE OBSERVAÇÕESNO. SÉRIE
PLANTADEIRAS SLC-JOHN DEERE 710RF, 712 E 716 CQ30174 Nov98
IMPULSOR DA TRANSMISSÃO DA SEMENTE
1
2
3
4
5
6
7
8
9
10
11
12
13
14
15
16
17
18
19
20
21
22
23
24
25
B27397
14M7029
12M7065
CQ01249
24M7026
19M7288
40M1828
34M7040
DQ06793
DQ07034
AL14207
DQ18563
CQ18317
DQ18013
DQ18648
CQ18647
J16931N
58M5573
40M1862
CQ13157
CQ22443
DQ27475
CQ27485
CQ27474
34M7033
34M7023
MOLA
PORCA SEXT
ARRUELA PRESSAO
ARRUELA LISA
ARRUELA LISA
PARAFUSO
ANEL ELASTICO
PINO ELASTICO
CORRENTE
CORRENTE
ELO EMENDA
ENGRENAGEM
CAIXA
RETENTOR
ROLAMENTO
ESPACADOR
CONTRAPINO
GRAXEIRA
ANEL ELASTICO
ARRUELA LISA
MANIPULO
CONJ ACIONAMENTO
EIXO
TERMINAL
PINO ELASTICO
PINO ELASTICO
AR
AR
AR
AR
AR
AR
AR
AR
AR
2
2
2467
2467
2467
2467
2467
2467
2467
2467
2467
7
1
0
R
F
7
1
2
7
1
6
X X X
X X X
X X X
X X X
X X X
X X X
X X X
X X X
X X X
X X X
X X X
X X X
X X X
X X X
X X X
X X X
X X X
X X X
X X X
X X X
X X X
X X X
X X X
X X X
X X X
X X X
M8
5MM
9X28MM
9X17X1,6
M8X30
25X1,2MM
6X30MM
L 172 INCL KEYS 17
L 98 INCL KEYS 17
Z 19
M6
45X1,75MM
35X45MM
INCL KEYS 22,23,24,25
M5X30
M3X28
50.004
-
-
-
-
-
-
-
-
-
-
-
-
-
-
-
-
-
-
-
-
-
-
-
-
-
-
ITEM NÚMERO DESCRIÇÃO QTDE OBSERVAÇÕESNO. SÉRIE
PLANTADEIRAS SLC-JOHN DEERE 710RF, 712 E 716 CQ30174 Nov98
SUPORTE DA CAIXA DE SEMENTES
1
2
3
4
5
6
7
8
9
10
11
12
13
14
15
16
17
18
19
20
19M7168
12M7066
CQ06671
CQ06659
A24092
14M7140
24M7040
A25659
DQ15268
CQ06663
03M7092
DQ34025
03M7017
03M7079
CQ17741
DQ34337
14M7167
N120831
CQ30637
CQ06667
PARAFUSO SEXT
ARRUELA PRESSAO
ARRUELA LISA
ARR DE BORRACHA
BUCHA
PORCA SEXT
ARRUELA LISA
SUPORTE
SUPORTE
PORCA SEXT
PARAF FRANCES
PRESILHA
PARAF FRANCES
PARAF FRANCES
ENGRENAGEM
BRAÇO
PORCA AUTOFREN
ESPACADOR
MOLA
PARAF FRANCES
AR
AR
AR
2
AR
AR
2
AR
AR
AR
2
AR
2
AR
7
1
0
R
F
7
1
2
7
1
6
X X X
X X X
X X X
X X X
X X X
X X X
X X X
X X X
X X X
X X X
X X X
X X X
X X X
X X X
X X X
X X X
X X X
X X X
X X X
X X X
M10X30
10MM
10,5X24X2MM
M10
11X21X2MM
M6
M6X16
M10X25
M10X55
Z 10
M10
M10X90
50.005
-
-
-
-
-
-
-
-
-
-
-
-
-
-
-
-
-
-
-
-
ITEM NÚMERO DESCRIÇÃO QTDE OBSERVAÇÕESNO. SÉRIE
PLANTADEIRAS SLC-JOHN DEERE 710RF, 712 E 716 CQ30174 Nov98
CAIXA DE SEMENTES (1908-)
1
2
3
4
5
6
7
8
9
10
11
12
13
14
15
16
17
18
19
CQ16620
CQ16619
CQ30940
CQ19814
CQ19813
12M7006
CQ01248
03M7068
A21710
14M7027
CQ06910
CQ06671
DQ07027
03M7092
24M7026
19M7139
14M7140
A25655
CQ19826
CQ19823
TAMPA
CAIXA SEMENTE
TIRANTE
SUPORTE DIR
SUPORTE ESQ
ARRUELA PRESSAO
ARRUELA LISA
PARAF FRANCES
ARR DE BORRACHA
PORCA SEXT
PORCA SEXT
ARRUELA LISA
RETENTOR
PARAF FRANCES
ARRUELA LISA
PARAFUSO
PORCA SEXT
TIRA
ESPACADOR
ARRUELA LISA
2
AR
AR
AR
AR
AR
AR
AR
AR
AR
AR
AR
AR
7
1
0
R
F
7
1
2
7
1
6
X X X
X X X
X X X
X X X
X X X
X X X
X X X
X X X
X X X
X X X
X X X
X X X
X X X
X X X
X X X
X X X
X X X
X X X
X X X
X X X
6MM
6,4X18MM
M6X20
6,8X22,22MM
M6
M8
10,5X24X2MM
M6X16
9X17X1,6
M8X20
M10
50.006
-
-
-
-
-
-
-
-
-
-
-
-
-
-
-
-
-
-
-
-
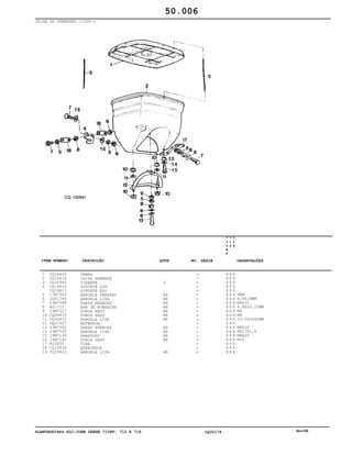
ITEM NÚMERO DESCRIÇÃO QTDE OBSERVAÇÕESNO. SÉRIE
PLANTADEIRAS SLC-JOHN DEERE 710RF, 712 E 716 CQ30174 Nov98
50.007
PLANTADEIRAS SLC-JOHN DEERE 710RF, 712 E 716 CQ30174 Nov98
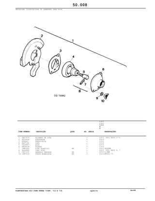
MECANISMO DISTRIBUIDOR DE SEMENTES PARA SOJA
1
2
3
4
5
6
7
8
9
10
DQ07479
DQ30630
A24641
DQ07181
CQ06907
AA28036
34M7042
DQ06889
CQ07231
14M7019
ALIMENT DE COPO
ADAPTADOR
PRATO-SOJA
COPO
EIXO
FLANGE
PINO ELASTICO
CONJ EIXO
ARRUELA DENTADA
PORCA BORBOLETA
AR
AR
AR
7
1
0
R
F
7
1
2
7
1
6
X X X
X X X
X X X
X X X
X X X
X X X
X X X
X X X
X X X
X X X
INCL KEYS 2-10
6X40MM
INCL KEYS 6, 7
6,4MM
M8X34.75
50.008
-
-
-
-
-
-
-
-
-
-
ITEM NÚMERO DESCRIÇÃO QTDE OBSERVAÇÕESNO. SÉRIE
PLANTADEIRAS SLC-JOHN DEERE 710RF, 712 E 716 CQ30174 Nov98
MECANISMO DISTRIBUIDOR DE SEMENTES PARA MILHO
50.009
PLANTADEIRAS SLC-JOHN DEERE 710RF, 712 E 716 CQ30174 Nov98
1
2
3
4
5
6
7
8
9
10
11
12
13
14
15
16
17
18
19
21
22
23
24
25
26
27
28
29
DQ29276
CQ06663
A22796
A22451
A22795
AA22780
19M6614
19M7320
A22305
A21578
34H316
34H286
34H314
AA38077
A49604
A33969
B31551
B30275
A22307
B31364
11M7023
CQ28224
DQ24723
A25542
21H1295
A22771
19M7560
DQ14536
CONJ DEDOS
PORCA SEXT
TAMPA
CORREIA
ACIONADOR
ALOJAMENTO
PARAFUSO
PARAF SEXT
ROLO
BUCHA
PINO ELASTICO
PINO ELASTICO
PINO ELASTICO
ESCOVA
PRATO
PARAF FENDA
MOLA
DEDO
RECIP DOS DEDOS
TAMPA
CONTRAPINO
GUIA
CONJ ROLAMENTO
FLANGE
PARAF FENDA
CAME
PARAF SEXT
GRAFITE EM PO
AR
AR
AR
AR
AR
AR
AR
12
12
AR
7
1
0
R
F
7
1
2
7
1
6
X X X
X X X
X X X
X X X
X X X
X X X
X X X
X X X
X X X
X X X
X X X
X X X
X X X
X X X
X X X
X X X
X X X
X X X
X X X
X X X
X X X
X X X
X X X
X X X
X X X
X X X
X X X
X X X
M6
M6X12
M6X40
1/4"X 1 1/2"
3/16"X1.1/2"
1/4"X1 1/4"
4X32MM
INCL KEYS 2-28
INCL KEYS 11-13
M6X16
2,2 KG
50.010
-
-
-
-
-
-
-
-
-
-
-
-
-
-
-
-
-
-
-
-
-
-
-
-
-
-
-
-
ITEM NÚMERO DESCRIÇÃO QTDE OBSERVAÇÕESNO. SÉRIE
PLANTADEIRAS SLC-JOHN DEERE 710RF, 712 E 716 CQ30174 Nov98
MECANISMO DISTRIBUIDOR DE SEMENTES RADIALMETER
50.011
PLANTADEIRAS SLC-JOHN DEERE 710RF, 712 E 716 CQ30174 Nov98
1
2
3
4
5
6
7
8
9
10
11
12
13
14
15
16
17
18
19
20
21
22
AA46258
AA45060
A59019
A55929
AA40971
A59475
A56381
21M7252
AA43950
14M7019
AA41053
A55413
34M7132
A63398
NSEP071
NSEP072
NSEP050
AA43951
A59015
A55630
34H314
AA45061
ROLAMENTO
CARCAÇA
MOLA
PARAFUSO FRANCÊS
CUBO
ANEL
ESCOVA
PARAFUSO
ESCOVA
PORCA BORBOLETA
LIMITADOR
TAMPA
PINO ELÁSTICO
PARAFUSO
SUPLEMENTO
ROLO
BRACO
EJETOR
MOLA
BLINDAGEM
PINO ELASTICO
MEDIDOR
1
1
1
3
1
1
1
1
1
3
1
1
1
1
1
1
1
1
1
1
1
1
7
1
0
R
F
7
1
2
7
1
6
X X X
X X X
X X X
X X X
X X X
X X X
X X X
X X X
X X X
X X X
X X X
X X X
X X X
X X X
X X X
X X X
X X X
X X X
X X X
X X X
X X X
X X X
M4X16
M8X34.75
M8X34.75
1/4"X1 1/4"
50.012
-
-
-
-
-
-
-
-
-
-
-
-
-
-
-
-
-
-
-
-
-
-
ITEM NÚMERO DESCRIÇÃO QTDE OBSERVAÇÕESNO. SÉRIE
PLANTADEIRAS SLC-JOHN DEERE 710RF, 712 E 716 CQ30174 Nov98
UNIDADE DE PLANTAR
50.013
PLANTADEIRAS SLC-JOHN DEERE 710RF, 712 E 716 CQ30174 Nov98
1
2
3
4
5
6
7
8
9
10
11
12
13
14
15
16
17
18
19
20
21
22
23
24
25
26
27
28
29
30
31
32
33
34
35
36
37
38
39
40
41
42
19M7166
12M7066
CQ30660
A42740
A42337
B16318
24M7178
11M7015
14M7140
03M7105
19M7343
CQ04844
CQ16817
A23785
14M7170
58M5574
DQ22201
CQ00642
A36370
A42737
58M5573
CQ06662
CQ06670
12M7067
19M7268
CQ08605
CQ08604
CQ22880
CQ22879
34M7010
CQ06628
34M7042
A42830
A42831
14M7029
12M7065
19M7297
19M7073
14M7031
DQ17762
J16931N
Z24489
CQ15286
CQ15287
CQ18969
34M7035
34M7047
PARAFUSO SEXT
ARRUELA PRESSAO
CHAPA
PUNHO
PRATO
MOLA
ARRUELA LISA
CONTRAPINO
PORCA SEXT
PARAF FRANCES
PARAF SEXT
ARRUELA LISA
BUCHA
BUCHA
PORCA AUTOFREN
GRAXEIRA
CAVALETE
ANEL ELASTICO
PINO
LIMITADOR
GRAXEIRA
ARRUELA LISA
ARRUELA LISA
ARRUELA PRESSAO
PARAF SEXT
BRACO DIR
BRACO ESQ
BRACO DIR
BRACO ESQ
PINO ELASTICO
PINO ELASTICO
PINO ELASTICO
BRACO DIR
BRACO ESQ
PORCA SEXT
ARRUELA PRESSAO
PARAF SEXT
PARAF SEXT
PORCA SEXT
LIMITADOR
CONTRAPINO
PINO
BRACO DIR
BRACO ESQ
ESPACADOR
PINO ELASTICO
PINO ELASTICO
AR
AR
AR
AR
AR
AR
AR
AR
4
2
AR
AR
2
AR
AR
AR
AR
AR
AR
AR
AR
AR
AR
AR
AR
AR
2
2
2
2
AR
AR
1896
4266
7
1
0
R
F
7
1
2
7
1
6
X X X
X X X
X X X
X X X
X X X
X X X
X X X
X X X
X X X
X X X
X X X
X X X
X X X
X X X
X X X
X X X
X X X
X X X
X X X
X X X
X X X
X X X
X X X
X X X
X X X
X X X
X X X
X X X
X X X
X X X
X X X
X X X
X X X
X X X
X X X
X X X
X X X
X X X
X X X
X X X
X X X
X X X
X X X
X X X
X X X
X X X
X X X
M10X20
10MM
10,5X30X2,5MM
3,2X25MM
M10
M10X75
M16X60
16,5X40MM
M16
M8
13X1,0MM
M6
25,8X30MM
13X38MM
12MM
M12X25
(B)
(B)
3X20MM
3,5X40MM
6X40MM
M8
5MM
M8X12
M12X50 710 (9AS) (C)
M12 710 (9AS) (C)
710 (9AS) (C)
710 (9AS) (C)
710 (9AS) (C)
(A) FIXA/FIJA/FIX
(A) FIXA/FIJA/FIX
(A)
5X40MM (A)
8X40MM (A)
50.014
(A)
(B)
(C)
PARA PLANTIO CONVENCIONAL COM ESPACAMENTO DE 390MM ENTRE LINHAS
PARA ESPAÇAMENTO 400MM
PARA LINHA LONGA
-
-
-
-
-
-
-
-
-
-
-
-
-
-
-
-
-
-
-
-
-
-
-
-
-
-
-
-
-
-
-
-
-
-
-
-
-
-
-
-
-
-
-
-
-
-
-
ITEM NÚMERO DESCRIÇÃO QTDE OBSERVAÇÕESNO. SÉRIE
PLANTADEIRAS SLC-JOHN DEERE 710RF, 712 E 716 CQ30174 Nov98
SULCADOR DA SEMENTE
50.015
PLANTADEIRAS SLC-JOHN DEERE 710RF, 712 E 716 CQ30174 Nov98
1
2
3
4
5
6
7
8
9
10
11
12
13
14
15
16
17
18
19
20
21
22
23
24
25
26
27
28
29
30
31
32
33
34
35
36
CQ09252
03M7054
A22778
14M7029
14M7140
CQ06671
12M7066
19M7167
CQ09253
J16931N
CQ06653
34M7038
34M7115
A41692
A25925
14M7166
CQ21428
CQ23207
CQ22761
CQ21766
CQ23098
CQ22107
CQ06673
14M7260
CQ21620
CQ22383
PS560316
12M7065
24M7026
DQ16261
03M7093
DQ19624
24M7040
CQ19625
03M7017
CQ06679
58M5573
RASPADOR DIR
PARAF FRANCES
PROTECAO
PORCA SEXT
PORCA SEXT
ARRUELA LISA
ARRUELA PRESSAO
PARAFUSO SEXT
RASPADOR ESQ
CONTRAPINO
PINO
PINO ELASTICO
PINO ELASTICO
PROTECAO
TUBO
PORCA SEXT
TAMPA
ANEL PENETRACAO
FLANGE
DISCO 15''
PARAFUSO
RETENTOR
PORCA SEXT ESQ
PORCA SEXT DIR
PROTECAO
ARRUELA
KIT RASPADOR
ARRUELA PRESSAO
ARRUELA LISA
ROLAMENTO
PARAF FRANCES
PROTECAO
ARRUELA LISA
RASPADOR
PARAF FRANCES
ARRUELA LISA
GRAXEIRA
AR
AR
AR
AR
AR
AR
AR
AR
6
2
6
2
2
12
2
2
2
AR
AR
AR
7
1
0
R
F
7
1
2
7
1
6
X X X
X X X
X X X
X X X
X X X
X X X
X X X
X X X
X X X
X X X
X X X
X X X
X X X
X X X
X X X
X X X
X X X
X X X
X X X
X X X
X X X
X X X
X X X
X X X
X X X
X X X
X X X
X X X
X X X
X X X
X X X
X X X
X X X
X X X
X X X
X X X
X X X
M8X20
M8
M10
10,5X24X2MM
10MM
M10X25
6X20MM
3,5X20MM
M8
M8X25
M16
M16
(A)
5MM
9X17X1,6
M8X25
11X21X2MM
M10X25
17X27X2,65MM
M6
50.016
(A) INDICADO PARA SERVICOS PESADOS
-
-
-
-
-
-
-
-
-
-
-
-
-
-
-
-
-
-
-
-
-
-
-
-
-
-
-
-
-
-
-
-
-
-
-
-
-
ITEM NÚMERO DESCRIÇÃO QTDE OBSERVAÇÕESNO. SÉRIE
PLANTADEIRAS SLC-JOHN DEERE 710RF, 712 E 716 CQ30174 Nov98
RODA CALIBRADORA DE PROFUNDIDADE
1
2
3
4
5
6
7
8
9
10
11
CQ12781
A22884
40M1828
CQ24208
CQ22884
DQ13943
14M7166
19M7162
L18955
34M3865
58M5632
DQ12782
ARO
PNEU
ANEL ELASTICO
EIXO
EIXO
ROLAMENTO
PORCA SEXT
PARAF SEXT
CONTRAPINO
PINO ELASTICO
GRAXEIRA
ROLAMENTO
4
2
AR
2
AR
AR
2
AR
AR
4266
7
1
0
R
F
7
1
2
7
1
6
X X X
X X X
X X X
X X X
X X X
X X X
X X X
X X X
X X X
X X X
X X X
X X X
25X1,2MM
(A)
INCL KEYS 10
M8
M8X16
6X24MM
M6
INCL KEYS 10
50.017
(A) PARA ESPAÇAMENTO 400MM
-
-
-
-
-
-
-
-
-
-
-
-
ITEM NÚMERO DESCRIÇÃO QTDE OBSERVAÇÕESNO. SÉRIE
Nov98PLANTADEIRAS SLC-JOHN DEERE 710RF, 712 E 716 CQ30174
INDICE DE GRUPO - UN. PLANTIO-RODAS COBRIDORAS, MONITOR DE PLANTIO
PLANTADEIRAS SLC-JOHN DEERE 710RF, 712 E 716 CQ30174 Nov98
RODA COBRIDORA (-4006)
60.001
PLANTADEIRAS SLC-JOHN DEERE 710RF, 712 E 716 CQ30174 Nov98
1
2
3
4
5
6
7
8
9
10
11
12
13
14
15
16
17
18
19
20
21
22
23
24
25
26
27
28
29
30
31
32
33
34
35
36
37
38
39
19M7158
CQ06670
A34723
14M7168
DQ19723
14M7031
CQ06678
34M7042
CQ06628
19M7169
12M7066
24M7178
A33879
A26166
CQ06681
58M5632
14M7166
19M7162
CQ09832
CQ12775
A22325
DQ12782
DQ12783
DQ22866
DQ22867
DQ22865
CQ21743
58M5574
CQ16266
CQ21749
CQ21750
CQ21744
DQ12711
CQ15282
CQ16260
CQ08586
CQ06673
14M7260
CQ14953
CQ00076
24M7040
12M7006
PARAF SEXT
ARRUELA LISA
BUCHA
PORCA AUTOFREN
BRACO
PORCA SEXT
PARAF SEXT
PINO ELASTICO
PINO ELASTICO
PARAFUSO SEXT
ARRUELA PRESSAO
ARRUELA LISA
LIMITADOR
MOLA
OBTURADOR
GRAXEIRA
PORCA SEXT
PARAF SEXT
RETENTOR
RODA COBRIDORA
PNEU
ROLAMENTO
CONJ RODA COBR
CONJ RODA ESQ
CONJ RODA DIR
RODA COBRIDORA
ANEL
GRAXEIRA
RODA COBRIDORA
EIXO ESQ
EIXO DIR
CHAPA
ROLAMENTO
CALCO
ESPACADOR
ARRUELA LISA
PORCA SEXT ESQ
PORCA SEXT DIR
TAMPA
ANEL ELASTICO
ARRUELA LISA
ARRUELA PRESSAO
AR
AR
2
AR
AR
AR
AR
AR
AR
AR
AR
AR
AR
2
2
2
2
2
2
2
AR
2
4
2
2
2
2
AR
AR
7
1
0
R
F
7
1
2
7
1
6
X X
X X
X X
X X
X X
X X
X X
X X
X X
X X
X X
X X
X X
X X
X X
X X
X X
X X
X X
X X
X X
X X
X X
X X
X X X
X X
X X
X X
X X
X X
X X
X X
X X
X X
X X
X X
X X
X X
X X
X X
X X
X X
M12X45
13X38MM
M12
M12
M12X130
6X40MM
3,5X40MM
M10X35
10MM
10,5X30X2,5MM
M6
M8
M8X16
INCL KEYS 16
INCL KEYS 16-22
INCL KEYS 19, 25-37
INCL KEYS 19, 25-37
M8
17X25MM
M16
M16
47X1,75MM
11X21X2MM
6MM
60.002
-
-
-
-
-
-
-
-
-
-
-
-
-
-
-
-
-
-
-
-
-
-
-
-
-
-
-
-
-
-
-
-
-
-
-
-
-
-
-
-
-
-
ITEM NÚMERO DESCRIÇÃO QTDE OBSERVAÇÕESNO. SÉRIE
PLANTADEIRAS SLC-JOHN DEERE 710RF, 712 E 716 CQ30174 Nov98
RODA COBRIDORA (4007-)
60.003
PLANTADEIRAS SLC-JOHN DEERE 710RF, 712 E 716 CQ30174 Nov98
1
2
3
4
5
6
7
8
9
10
11
12
13
14
15
16
17
18
19
20
21
22
23
24
25
26
27
28
29
30
31
32
33
34
35
36
19M7158
CQ06670
A34723
14M7168
DQ19723
14M7031
CQ06678
34M7042
CQ06628
19M7169
12M7066
24M7178
A33879
A26166
CQ06681
58M5632
14M7166
19M7162
CQ09832
CQ12775
A22325
DQ12782
DQ12783
DQ23388
24M7040
12M7006
DQ22107
CQ22688
DQ16261
CQ08586
14M7260
CQ06673
DQ21768
58M5573
12M7065
CQ21854
DQ24846
PARAF SEXT
ARRUELA LISA
BUCHA
PORCA AUTOFREN
BRACO
PORCA SEXT
PARAF SEXT
PINO ELASTICO
PINO ELASTICO
PARAFUSO SEXT
ARRUELA PRESSAO
ARRUELA LISA
LIMITADOR
MOLA
OBTURADOR
GRAXEIRA
PORCA SEXT
PARAF SEXT
RETENTOR
RODA COBRIDORA
PNEU
ROLAMENTO
CONJ RODA COBR
BRACO
ARRUELA LISA
ARRUELA PRESSAO
RETENTOR
RODA COBRIDORA
ROLAMENTO
ARRUELA LISA
PORCA SEXT DIR
PORCA SEXT ESQ
TAMPA
GRAXEIRA
ARRUELA PRESSAO
PROTECAO
CONJ DA RODA
AR
AR
2
AR
1
AR
AR
2
2
AR
AR
AR
1
1
1
2
AR
AR
2
4
2
2
2
1
AR
AR
2
2
2
2
1
1
2
2
AR
2
7
1
0
R
F
7
1
2
7
1
6
X X X
X X X
X X X
X X X
X X X
X X X
X X X
X X X
X X X
X X X
X X X
X X X
X X X
X X X
X X X
X X X
X X X
X X X
X X X
X X X
X X X
X X X
X X X
X X X
X X X
X X X
X X X
X X X
X X X
X X X
X X X
X X X
X X X
X X X
X X X
X X X
X X X
M12X45
13X38MM
M12
M12
M12X130
6X40MM
3,5X40MM
M10X35
10MM
10,5X30X2,5MM
M6
M8
M8X16
11X21X2MM
6MM
17X25MM
M16
M16
M6
5MM
60.004
-
-
-
-
-
-
-
-
-
-
-
-
-
-
-
-
-
-
-
-
-
-
-
-
-
-
-
-
-
-
-
-
-
-
-
-
-
ITEM NÚMERO DESCRIÇÃO QTDE OBSERVAÇÕESNO. SÉRIE
PLANTADEIRAS SLC-JOHN DEERE 710RF, 712 E 716 CQ30174 Nov98
MONITOR
60.005
PLANTADEIRAS SLC-JOHN DEERE 710RF, 712 E 716 CQ30174 Nov98
1
2
3
4
5
6
7
DQ23662
DQ23663
DQ23664
DQ23665
DQ23666
DQ23667
DQ23668
DQ23669
DQ23670
DQ23671
DQ23672
DQ24925
DQ24926
DQ24927
DQ24928
DQ23674
DQ23676
DQ23675
DQ23677
CQ23655
DQ23673
CONSOLE
CONSOLE
CONSOLE
CABO
CABO
CABO
CABO
CABO
CABO
CABO
CABO
CABO
CABO
CABO
CABO
TUBO C/SENSOR
TUBO S/SENSOR
SENSOR
RADAR
SUPORTE
CABO
7
1
0
R
F
7
1
2
7
1
6
X X X
X X X
X X X
X X X
X X X
X X X
X X X
X X X
X X X
X X X
X X X
X X X
X X X
X X X
X X X
X X X
X X X
X X X
X X X
X X X
X X X
(A)
(B)
(C)
(D)
(E)
(F)
(G)
(H)
(I)
(J)
(K)
(L)
(M)
(N)
(O)
60.006
(A)
(B)
(C)
(D)
(E)
(F)
(G)
(H)
(I)
(J)
(L)
(M)
(N)
(O)
1 - 8 LINHAS
1 - 16 LINHAS
1 - 32 LINHAS
4 LINHAS
6 LINHAS
8 LINHAS
8 LINHAS (2 CABOS DE 4)
12 LINHAS
12 LINHAS (2 CABOS DE 6)
16 LINHAS
16 LINHAS (2 CABOS DE 8)
5 LINHAS
7 LINHAS
24 LINHAS (2 CABOS DE 12)
-
-
-
-
-
-
-
-
-
-
-
-
-
-
-
-
-
-
-
-
-
ITEM NÚMERO DESCRIÇÃO QTDE OBSERVAÇÕESNO. SÉRIE
PLANTADEIRAS SLC-JOHN DEERE 710RF, 712 E 716 CQ30174 Nov98
FERRAMENTAS
1
2
CQ80817
DQ33723
CHAVE
SACADOR DO DISCO
7
1
0
R
F
7
1
2
7
1
6
X X X
X X X
60.007
-
-
ITEM NÚMERO DESCRIÇÃO QTDE OBSERVAÇÕESNO. SÉRIE
Nov98PLANTADEIRAS SLC-JOHN DEERE 710RF, 712 E 716 CQ30174
INDICE DE GRUPO - SISTEMA HIDRÁULICO
PLANTADEIRAS SLC-JOHN DEERE 710RF, 712 E 716 CQ30174 Nov98
CIRCUITO HIDRÁULICO
70.001
PLANTADEIRAS SLC-JOHN DEERE 710RF, 712 E 716 CQ30174 Nov98
1
2
3
4
5
6
7
8
9
10
11
12
13
14
15
16
17
18
19
20
21
22
23
24
25
26
27
28
29
30
31
32
33
34
35
36
37
38
39
40
41
42
43
44
45
DQ07967
CQ04868
CQ04867
DQ06903
CQ04031
AS01119
S01391
S01146
S06100
DQ26151
DQ26148
DQ26148
DQ08565
DQ08565
CQ03769
DQ26150
DQ26149
DQ26149
DQ25092
DQ25092
DQ06902
DQ03790
DQ28490
DQ06905
DQ14304
DQ07654
DQ14284
DQ14303
DQ05483
DQ14302
DQ14255
DQ14162
DQ14347
DQ14283
DQ28104
DQ28105
DQ24107
DQ07655
19M7529
DQ03962
CQ03799
12M7006
14M7027
14M7140
12M7066
24M7040
AH77869
DQ03950
DQ14301
DQ04226
DQ04227
DQ04228
DQ00451
19M7167
DQ23877
CQ01248
CQ32188
MANGUEIRA
ANEL PENETRACAO
PORCA APERTO
CONEXAO
JUNTA
CONEXAO
ANEL PENETRACAO
PORCA APERTO
JUNTA
MANGUEIRA
MANGUEIRA
MANGUEIRA
MANGUEIRA
MANGUEIRA
ABRACADEIRA
MANGUEIRA
MANGUEIRA
MANGUEIRA
MANGUEIRA
MANGUEIRA
CONEXAO
CONEXAO
JOELHO
VALVULA
TUBO
CONEXAO
TUBO
TUBO
OBTURADOR
TUBO
MANGUEIRA
MANGUEIRA
TUBO
TUBO
TUBO
TUBO
TUBO
CONEXAO
PARAF SEXT
FIXADOR
REFORCO
ARRUELA PRESSAO
PORCA SEXT
PORCA SEXT
ARRUELA PRESSAO
ARRUELA LISA
FIXADOR
CONEXAO
TUBO
ENGATE
TAMPAO MACHO
TAMPAO FEMEA
CONEXAO
PARAFUSO SEXT
MANGUEIRA
ARRUELA LISA
ABRAÇADEIRA
AR
AR
4
AR
AR
7
4
2
3
3
2
AR
2
2
AR
AR
AR
AR
AR
2
2
2
2
2
2
AR
2
AR
4
7
1
0
R
F
7
1
2
7
1
6
X X X
X X X
X X X
X X X
X X X
X X X
X X X
X X X
X X X
X
X
X
X
X
X X X
X
X
X
X
X
X X X
X X X
X X X
X X X
X X X
X X X
X X X
X X X
X X X
X X X
X X X
X X X
X
X
X
X
X
X X X
X X X
X X X
X X X
X X X
X X X
X X X
X X X
X X X
X X X
X X X
X X X
X X X
X X X
X X X
X X X
X X X
X
X X X
X X X
INCL KEYS 2, 3
INCL KEYS 2, 3
(A)
(B)
(A)
(B)
INCL KEYS 2, 3
INCL KEYS 2, 3
INCL KEYS 3, 2
0 8MM INCL KEYS 2, 3
INCL KEYS 2, 3, 7, 8
0 12MM INCL KEYS 7, 8
0 12MM INCL KEYS 7, 8
S/ MARCADORES
0 12MM INCL KEYS 7, 8
INCL KEYS 2, 3
INCL KEYS 2, 3
0 8MM INCL KEYS 2, 3
0 8MM INCL KEYS 2, 3
0 8MM INCL KEYS 2, 3 (A)
0 8MM INCL KEYS 2, 3 (B)
INCL KEYS 7, 8
M6X55
6MM
M6
M10
10MM
11X21X2MM
INCL KEYS 7, 8
0 12MM INCL KEYS 7, 8
INCL KEYS 39, 40
INCL KEYS 7, 8
M10X25
INCL KEYS 7, 8
6,4X18MM
709, 711, 713, 716
70.002
(A)
(B)
CHASSI 6100MM
CHASSI 8100MM
-
-
-
-
-
-
-
-
-
-
-
-
-
-
-
-
-
-
-
-
-
-
-
-
-
-
-
-
-
-
-
-
-
-
-
-
-
-
-
-
-
-
-
-
-
-
-
-
-
-
-
-
-
-
-
-
-
ITEM NÚMERO DESCRIÇÃO QTDE OBSERVAÇÕESNO. SÉRIE
PLANTADEIRAS SLC-JOHN DEERE 710RF, 712 E 716 CQ30174 Nov98
CILINDRO HIDRÁULICO DOS MARCADORES
1
2
3
4
DQ08176
DQ06094
DQ06106
DQ14279
CILINDRO HIDR
REPARO HIDROVER
REPARO DHB
REPARO TRANSHID
7
1
0
R
F
7
1
2
7
1
6
X X X
X X X
X X X
X X X
70.003
-
-
-
-
ITEM NÚMERO DESCRIÇÃO QTDE OBSERVAÇÕESNO. SÉRIE
PLANTADEIRAS SLC-JOHN DEERE 710RF, 712 E 716 CQ30174 Nov98
CILINDRO HIDRÁULICO DA RODA DIREITA
1
2
3
4
5
6
7
DQ15454
DQ15458
DQ15464
DQ16000
58M5573
DQ30719
DQ30717
CILINDRO HIDR
REPARO HIDROVER
REPARO DHB
REPARO ALBARUS
GRAXEIRA
HASTE
HASTE
AR
7
1
0
R
F
7
1
2
7
1
6
X X X
X X X
X X X
X X X
X X X
X X X
X X X
INCL KEYS 5
M6
HIDROVER
ALBARUS
70.004
-
-
-
-
-
-
-
ITEM NÚMERO DESCRIÇÃO QTDE OBSERVAÇÕESNO. SÉRIE
PLANTADEIRAS SLC-JOHN DEERE 710RF, 712 E 716 CQ30174 Nov98
CILINDRO HIDRÁULICO DA RODA ESQUERDA
1
2
3
4
5
6
7
DQ15451
DQ15452
DQ15455
DQ15456
DQ15461
DQ15462
DQ15999
DQ16254
58M5573
DQ30719
DQ30718
DQ30714
DQ30715
CILINDRO HIDR
CILINDRO HIDR
REPARO HIDROVER
REPARO HIDROVER
REPARO DHB
REPARO DHB
REPARO ALBARUS
REPARO ALBARUS
GRAXEIRA
HASTE
HASTE
HASTE
HASTE
AR
7
1
0
R
F
7
1
2
7
1
6
X X
X
X X
X
X X
X
X X
X
X X
X
X X
X X
X
INCL KEYS 5
INCL KEYS 5
M6
HIDROVER
HIDROVER
ALBARUS
ALBARUS
70.005
-
-
-
-
-
-
-
-
-
-
-
-
-
ITEM NÚMERO DESCRIÇÃO QTDE OBSERVAÇÕESNO. SÉRIE
PLANTADEIRAS SLC-JOHN DEERE 710RF, 712 E 716 CQ30174 Nov98
CILINDRO HIDRÁULICO DE ACIONAMENTO DA TRANSMISSÃO
1
2
3
4
DQ08177
DQ06095
DQ06107
DQ14273
CILINDRO HIDR
REPARO HIDROVER
REPARO DHB
REPARO ALBARUS
7
1
0
R
F
7
1
2
7
1
6
X X X
X X X
X X X
X X X
70.006
-
-
-
-
ITEM NÚMERO DESCRIÇÃO QTDE OBSERVAÇÕESNO. SÉRIE
PLANTADEIRAS SLC-JOHN DEERE 710RF, 712 E 716 CQ30174 Nov98
70.007
Nov98PLANTADEIRAS SLC-JOHN DEERE 710RF, 712 E 716 CQ30174
INDICE DE GRUPO - ACESSÓRIOS - DIVERSOS
PLANTADEIRAS SLC-JOHN DEERE 710RF, 712 E 716 CQ30174 Nov98
CONJUNTO DE CORTE PARA PREPARO MÍNIMO (ACESSORIO)
80.001
PLANTADEIRAS SLC-JOHN DEERE 710RF, 712 E 716 CQ30174 Nov98
1
2
3
4
5
6
7
8
9
10
11
12
13
14
15
16
17
18
19
20
21
22
23
24
25
26
27
28
CQ16135
A24996
A24997
DQ16315
DQ22325
AA26324
DQ06749
40M1867
CQ07201
CQ22433
CQ07215
CQ19768
CQ07219
11M7029
D10025DW
14M7170
19M7609
N111742
19M7501
AA32693
19M7744
14M7168
24M7038
19M7167
12M7066
58M5574
19M7299
CQ01248
14M7165
B32687
CQ22322
FLANGE
DISCO ONDULADO
DISCO CORRUGADO
EIXO
EIXO
RETENTOR
ROLAMENTO
ANEL ELASTICO
BRACO
BRACO
ARRUELA LISA
ARRUELA LISA
PORCA CASTELO
CONTRAPINO
TAMPA
PORCA AUTOFREN
PARAFUSO
BUCHA
PARAFUSO
SUPORTE
PARAFUSO SEXT
PORCA AUTOFREN
ARRUELA LISA
PARAFUSO SEXT
ARRUELA PRESSAO
GRAXEIRA
PARAF SEXT
ARRUELA LISA
PORCA SEXT
ANEL
TAMPA
2
AR
AR
AR
AR
AR
AR
AR
AR
AR
AR
AR
AR
AR
AR
AR
7
1
0
R
F
7
1
2
7
1
6
X X X
X X X
X X X
X X X
X X X
X X X
X X X
X X X
X X X
X X X
X X X
X X X
X X X
X X X
X X X
X X X
X X X
X X X
X X X
X X X
X X X
X X X
X X X
X X X
X X X
X X X
X X X
X X X
X X X
X X X
X X X
(B)
(A)
60X2MM B
B
A
26X44MM B
A
M24
5X36MM B
B
M16
M16X90
M16X110
M12X35
M12
14X24MM
M10X25
10MM
M8
M6X45 A
6,4X18MM A
M6 A
A
80.002
(A)
(B)
PARA USAR COM TRAVA COM PARAFUSO
PARA USAR COM TRAVA COM CONTRAPINO
-
-
-
-
-
-
-
-
-
-
-
-
-
-
-
-
-
-
-
-
-
-
-
-
-
-
-
-
-
-
-
ITEM NÚMERO DESCRIÇÃO QTDE OBSERVAÇÕESNO. SÉRIE
PLANTADEIRAS SLC-JOHN DEERE 710RF, 712 E 716 CQ30174 Nov98
DECALCOS
80.003
PLANTADEIRAS SLC-JOHN DEERE 710RF, 712 E 716 CQ30174 Nov98
1
2
3
4
5
6
7
8
9
10
11
12
13
14
15
16
CQ16451
CQ16452
CQ16453
CQ16170
CQ16169
CQ24958
CQ24959
CQ24963
CQ24964
CQ24965
CQ24966
CQ23855
CQ14032
CQ16448
CQ08159
CQ27790
DECALCO
DECALCO
DECALCO
DECALCO
DECALCO
DECALCO
DECALCO
DECALCO
DECALCO
DECALCO
DECALCO
DECALCO
DECALCO
DECALCO
DECALCO
DECALCO
2
2
2
2
2
2
2
2
2
2
2
7
1
0
R
F
7
1
2
7
1
6
X
X
X
X X X
X X X
X
X X X
X X
X
X
X
X X X
X X X
X X X
X X X
X X X
80.004
-
-
-
-
-
-
-
-
-
-
-
-
-
-
-
-
ITEM NÚMERO DESCRIÇÃO QTDE OBSERVAÇÕESNO. SÉRIE
PLANTADEIRAS SLC-JOHN DEERE 710RF, 712 E 716 CQ30174 Nov98
DECALCO
80.005
PLANTADEIRAS SLC-JOHN DEERE 710RF, 712 E 716 CQ30174 Nov98
1
2
3
4
5
6
7
JD5597
CQ04780
J56834
L63269
L63270
J56845
JD5581
DECALCO
DECALCO
DECALCO
DECALCO
DECALCO
DECALCO
DECALCO
7
1
0
R
F
7
1
2
7
1
6
X X X
X X X
X X X
X X X
X X X
X X X
X X X
230MM
80.006
-
-
-
-
-
-
-
ITEM NÚMERO DESCRIÇÃO QTDE OBSERVAÇÕESNO. SÉRIE
PLANTADEIRAS SLC-JOHN DEERE 710RF, 712 E 716 CQ30174 Nov98
KIT P/PLANTIO (ACESSÓRIO)
80.007
PLANTADEIRAS SLC-JOHN DEERE 710RF, 712 E 716 CQ30174 Nov98
1
2
3
4
5
6
7
8
9
10
11
DQ16031
A37177
DQ16033
A24682
AA29648
AA23366
DQ16032
DQ16032
AA26714
AA23366
DQ16034
A48005
KIT GIRASSOL
DEDO RECOLHEDOR
KIT SORGO
PRATO
COPO
ENGATE
KIT
KIT
COPO
ENGATE
KIT ALGODAO
PRATO
12
7
1
0
R
F
7
1
2
7
1
6
X X X
X X X
X X X
X X X
X X X
X X X
X X X
X X X
X X X
X X X
X X X
X X X
INCL KEYS 4-6
(A)
INCL KEYS 8, 9
80.008
(A) FEIJÃO, AMENDOIM, SOJA
-
-
-
-
-
-
-
-
-
-
-
-
ITEM NÚMERO DESCRIÇÃO QTDE OBSERVAÇÕESNO. SÉRIE
PLANTADEIRAS SLC-JOHN DEERE 710RF, 712 E 716 CQ30174 Nov98
80.009
PLANTADEIRAS SLC-JOHN DEERE 710RF, 712 E 716 CQ30174 Nov98
INDICE ALFANUMERICO
AA22584
AA22584
AA22595
AA22596
AA22604
AA22780
AA23366
AA23366
AA23525
AA23526
AA24717
AA26234
AA26324
AA26714
AA27594
AA27594
AA28036
AA28046
AA29648
AA32693
AA35446
AA38077
AA40971
AA41053
AA43950
AA43951
AA45060
AA45061
AA46258
AH77869
AL14207
AL14207
AL14207
AL14207
AL15981
AL15981
AS01119
AZ12881
AZ12881
AZ12881
AZ22356
AZ22356
A20337
A20337
A20337
A21578
A21710
A22305
A22307
A22325
A22325
A22432
A22451
A22561
A22771
A22778
A22795
A22796
A22884
A23372
A23441
A23662
A23739
A23785
A23789
A24085
A24092
A24116
A24173
A24641
A24682
A24996
A24997
A25542
A25655
A25659
A25886
A25925
A25966
A25994
A26127
A26166
A26166
A26264
A26714
A26927
A26927
A27696
A27707
A28255
A29188
A31889
A33879
A33879
A33921
A33969
A34723
A34723
A36370
A36972
A37078
A37078
A37078
A37078
A37177
A40635
A41692
A42337
A42737
A42740
A42830
A42831
A48005
A48720
A48726
A48732
A48736
A48737
A48738
A48974
A49190
A49192
A49604
A49918
A51614
A55413
A55630
A55929
A56381
A59015
A59019
A59475
A63398
B12516
B16318
B27397
B30275
B31364
B31551
B32687
B32687
B32701
B35912
B35913
CQ00076
CQ00076
CQ00642
CQ00663
CQ01248
CQ01248
CQ01248
CQ01248
CQ01248
CQ01249
CQ01249
CQ01249
CQ02151
CQ02151
CQ02151
CQ02151
CQ02940
CQ03769
CQ03799
CQ04031
CQ04315
CQ04780
CQ04844
CQ04844
CQ04844
CQ04867
CQ04868
CQ05786
CQ06627
CQ06628
CQ06628
CQ06628
CQ06653
CQ06659
CQ06662
CQ06662
CQ06662
CQ06663
CQ06663
CQ06667
CQ06667
CQ06670
CQ06670
CQ06670
CQ06670
CQ06670
CQ06670
CQ06670
CQ06671
CQ06671
CQ06671
CQ06671
CQ06671
CQ06671
CQ06671
CQ06671
CQ06671
CQ06671
CQ06673
CQ06673
CQ06673
CQ06673
CQ06673
CQ06673
CQ06678
CQ06678
CQ06679
CQ06679
CQ06679
CQ06679
CQ06679
CQ06679
CQ06679
CQ06681
CQ06681
CQ06693
CQ06702
CQ06703
CQ06712
CQ06713
CQ06720
CQ06776
CQ06795
CQ06907
CQ06910
CQ06934
CQ06934
CQ06935
CQ06936
CQ06936
CQ06936
CQ06936
CQ06958
CQ06991
CQ06994
CQ07005
CQ07023
CQ07075
CQ07077
CQ07084
CQ07084
CQ07085
CQ07085
CQ07086
CQ07087
CQ07088
CQ07089
CQ07101
CQ07107
CQ07116
CQ07169
CQ07175
CQ07201
CQ07211
CQ07212
CQ07215
CQ07219
CQ07222
CQ07231
CQ07242
CQ07301
CQ07301
CQ07314
CQ07317
CQ07320
CQ07320
CQ07334
CQ07334
CQ07335
CQ07369
CQ07388
CQ07524
CQ07569
CQ07569
CQ08159
CQ08586
CQ08586
CQ08594
CQ08604
CQ08605
CQ08738
CQ09003
CQ09003
CQ09017
030.014
030.016
020.002
020.002
030.012
050.010
080.008
080.008
020.006
020.006
020.004
040.010
080.002
080.008
030.014
030.016
050.008
050.003
080.008
080.002
040.006
050.010
050.012
050.012
050.012
050.012
050.012
050.012
050.012
070.002
030.012
030.014
030.016
050.004
030.006
030.008
070.002
030.012
030.014
030.016
030.006
030.008
030.012
030.014
030.016
050.010
050.006
050.010
050.010
060.002
060.004
020.004
050.010
050.002
050.010
050.016
050.010
050.010
050.017
050.002
040.002
040.006
020.004
050.014
050.002
040.006
050.005
020.004
040.006
050.008
080.008
080.002
080.002
050.010
050.006
050.005
030.010
050.016
020.002
020.002
020.006
060.002
060.004
040.006
040.006
020.004
020.006
040.006
040.006
020.002
020.006
050.003
060.002
060.004
020.004
050.010
060.002
060.004
050.014
020.004
030.004
030.010
030.012
030.014
080.008
050.002
050.016
050.014
050.014
050.014
050.014
050.014
080.008
040.010
040.010
040.008
040.008
040.008
040.008
040.008
040.006
040.006
050.010
040.012
040.010
050.012
050.012
050.012
050.012
050.012
050.012
050.012
050.012
030.010
050.014
050.004
050.010
050.010
050.010
040.010
080.002
030.010
040.006
040.006
030.004
060.002
050.014
030.006
040.008
040.010
050.006
070.002
080.002
040.003
040.010
050.004
020.002
030.002
030.004
040.014
030.008
070.002
070.002
070.002
050.003
080.006
050.002
050.003
050.014
070.002
070.002
020.002
050.002
050.014
060.002
060.004
050.016
050.005
030.010
030.010
050.014
050.005
050.010
050.002
050.005
020.002
040.008
040.010
040.014
050.014
060.002
060.004
030.002
030.004
030.004
030.012
030.014
030.016
050.002
050.005
050.006
050.016
040.006
040.012
040.014
050.016
060.002
060.004
060.002
060.004
020.002
020.006
040.006
040.012
040.014
040.014
050.016
060.002
060.004
050.002
030.010
030.010
030.010
030.010
030.010
050.002
030.010
050.008
050.006
030.014
030.016
030.010
030.004
030.010
030.012
030.014
020.002
020.006
020.006
030.014
030.014
040.006
040.006
040.002
040.002
040.002
040.002
040.002
040.002
040.002
040.002
020.004
050.003
020.004
040.006
020.006
080.002
020.004
040.008
080.002
080.002
030.010
050.008
030.008
030.002
030.004
030.008
030.002
030.006
030.008
030.006
030.008
030.008
030.014
030.010
030.010
020.002
030.008
080.004
060.002
060.004
040.006
050.014
050.014
030.010
030.006
030.008
040.012
36
15
20
20
45
06
06
09
24
24
17
31
05
08
35
18
06
09
05
17
10
14
05
11
09
18
02
22
01
35
29
21
32
10
02
01
06
28
24
34
16
18
35
29
06
10
08
09
19
21
21
13
04
22
27
03
05
03
02
26
21
11
21
14
35
18
05
20
02
03
04
02
03
25
17
08
23
15
22
19
30
14
14
19
28
02
23
23
24
18
29
08
13
13
19
16
03
03
19
24
36
29
34
03
02
24
14
05
20
04
30
30
11
04
28
24
06
05
18
13
06
07
15
17
07
12
20
04
07
19
03
06
14
38
06
01
18
21
17
32
27
34
30
31
41
37
18
11
37
20
06
44
25
07
03
04
07
38
06
45
16
11
29
05
01
02
05
13
12
03
02
44
15
28
09
09
11
04
17
27
22
10
02
37
20
34
23
16
25
23
02
02
14
40
45
12
13
08
12
03
11
06
04
12
42
23
35
31
07
07
38
12
03
13
02
41
35
15
15
14
21
26
36
33
19
36
28
05
10
34
13
35
23
31
32
01
23
31
01
19
19
35
27
02
02
03
03
02
03
02
03
05
07
10
25
33
08
09
04
09
10
37
09
06
44
05
10
10
04
07
05
09
18
19
24
10
08
03
15
34
30
34
26
26
20
07
17
15
NÚMERO PÁGINA ITEM NÚMERO PÁGINA ITEM NÚMERO PÁGINA ITEM NÚMERO PÁGINA ITEM
PLANTADEIRAS SLC-JOHN DEERE 710RF, 712 E 716 CQ30174 Nov98
INDICE ALFANUMERICO
CQ09052
CQ09052
CQ09252
CQ09253
CQ09714
CQ09832
CQ09832
CQ10772
CQ10824
CQ10824
CQ11806
CQ12679
CQ12684
CQ12693
CQ12694
CQ12775
CQ12775
CQ12781
CQ13157
CQ13157
CQ13370
CQ13490
CQ13593
CQ13629
CQ13630
CQ13630
CQ13699
CQ13802
CQ13848
CQ14006
CQ14032
CQ14145
CQ14145
CQ14147
CQ14154
CQ14171
CQ14172
CQ14189
CQ14249
CQ14290
CQ14290
CQ14293
CQ14294
CQ14308
CQ14313
CQ14340
CQ14341
CQ14411
CQ14470
CQ14471
CQ14621
CQ14621
CQ14626
CQ14698
CQ14721
CQ14953
CQ15044
CQ15045
CQ15045
CQ15282
CQ15286
CQ15287
CQ15291
CQ15291
CQ15294
CQ15294
CQ15302
CQ15330
CQ15330
CQ15350
CQ15351
CQ15352
CQ15356
CQ15702
CQ15702
CQ15710
CQ15930
CQ15931
CQ16042
CQ16057
CQ16128
CQ16133
CQ16135
CQ16169
CQ16170
CQ16256
CQ16260
CQ16266
CQ16299
CQ16301
CQ16301
CQ16305
CQ16305
CQ16312
CQ16312
CQ16313
CQ16313
CQ16314
CQ16360
CQ16360
CQ16408
CQ16408
CQ16408
CQ16408
CQ16448
CQ16451
CQ16452
CQ16453
CQ16619
CQ16620
CQ16621
CQ16812
CQ16817
CQ16817
CQ16931
CQ17058
CQ17270
CQ17741
CQ17741
CQ17741
CQ17741
CQ17741
CQ17742
CQ17742
CQ18007
CQ18038
CQ18317
CQ18647
CQ18969
CQ19625
CQ19644
CQ19688
CQ19702
CQ19768
CQ19813
CQ19814
CQ19823
CQ19826
CQ20072
CQ20382
CQ20555
CQ20557
CQ20571
CQ20824
CQ20864
CQ20865
CQ21004
CQ21428
CQ21541
CQ21620
CQ21620
CQ21620
CQ21620
CQ21620
CQ21743
CQ21744
CQ21747
CQ21748
CQ21749
CQ21750
CQ21757
CQ21758
CQ21766
CQ21804
CQ21854
CQ21922
CQ22107
CQ22143
CQ22147
CQ22151
CQ22152
CQ22184
CQ22280
CQ22322
CQ22383
CQ22383
CQ22383
CQ22383
CQ22433
CQ22443
CQ22688
CQ22761
CQ22761
CQ22761
CQ22761
CQ22761
CQ22879
CQ22880
CQ22884
CQ23098
CQ23098
CQ23098
CQ23207
CQ23207
CQ23486
CQ23642
CQ23655
CQ23744
CQ23752
CQ23787
CQ23788
CQ23789
CQ23837
CQ23849
CQ23850
CQ23855
CQ23858
CQ24208
CQ24958
CQ24959
CQ24963
CQ24964
CQ24965
CQ24966
CQ25117
CQ26152
CQ26153
CQ27474
CQ27485
CQ27790
CQ28224
CQ29499
CQ29743
CQ29751
CQ30049
CQ30113
CQ30196
CQ30206
CQ30223
CQ30247
CQ30637
CQ30637
CQ30660
CQ30664
CQ30664
CQ30665
CQ30665
CQ30665
CQ30940
CQ31040
CQ31296
CQ31348
CQ31848
CQ31849
CQ31861
CQ32188
CQ33918
CQ33919
CQ34021
CQ34024
CQ34269
CQ34274
CQ80817
DQ00386
DQ00386
DQ00451
DQ02168
DQ02942
DQ03790
DQ03950
DQ03962
DQ04226
DQ04227
DQ04228
DQ04311
DQ04345
DQ05483
DQ06094
DQ06095
DQ06106
DQ06107
DQ06626
DQ06666
DQ06680
DQ06749
DQ06749
DQ06793
DQ06889
DQ06891
DQ06891
DQ06891
DQ06891
DQ06891
DQ06891
DQ06894
DQ06899
DQ06902
DQ06903
040.008
040.014
050.016
050.016
030.008
060.002
060.004
030.006
030.006
030.008
030.004
040.006
040.006
040.006
040.006
060.002
060.004
050.017
040.006
050.004
030.004
030.004
050.002
050.002
050.002
050.002
030.012
040.002
030.012
040.002
080.004
030.014
030.016
030.014
030.014
030.014
040.002
040.002
020.007
030.012
030.014
030.012
030.012
030.012
030.012
030.012
030.012
030.014
030.010
030.010
050.002
050.002
040.002
040.002
020.002
060.002
030.004
030.002
030.004
060.002
050.014
050.014
030.002
030.004
030.002
030.004
030.006
030.002
030.004
020.002
020.002
020.002
030.006
040.008
040.014
040.008
050.003
050.003
040.008
030.004
040.002
030.010
080.002
080.004
080.004
040.010
060.002
060.002
050.003
030.012
030.016
030.012
030.014
030.002
030.004
030.002
030.004
030.004
030.002
030.004
020.002
020.002
040.008
050.002
080.004
080.004
080.004
080.004
050.006
050.006
040.003
050.002
050.002
050.014
050.002
030.002
040.008
030.012
030.014
030.016
050.002
050.005
030.002
030.004
040.003
040.003
050.004
050.004
050.014
050.016
040.008
040.010
040.002
080.002
050.006
050.006
050.006
050.006
040.010
020.002
030.008
030.008
030.008
040.014
030.002
030.002
050.003
050.016
040.006
020.006
040.006
040.012
040.014
050.016
060.002
060.002
040.014
040.014
060.002
060.002
040.006
040.014
050.016
040.002
060.004
040.010
050.016
020.006
020.006
020.006
020.006
020.006
040.012
080.002
040.006
040.012
040.014
050.016
080.002
050.004
060.004
020.006
040.006
040.012
040.014
050.016
050.014
050.014
050.017
040.006
040.014
050.016
040.006
050.016
040.014
040.008
060.006
040.014
040.014
040.014
040.014
040.014
030.014
040.002
040.002
080.004
030.016
050.017
080.004
080.004
080.004
080.004
080.004
080.004
040.014
030.010
030.010
050.004
050.004
080.004
050.010
050.002
040.014
040.002
040.008
040.008
030.008
030.008
030.008
020.002
050.002
050.005
050.014
030.014
030.014
030.014
030.014
030.014
050.006
030.014
030.004
040.002
040.002
040.002
030.004
070.002
040.014
040.014
040.014
040.014
040.002
040.008
060.007
030.012
030.014
070.002
030.016
030.008
070.002
070.002
070.002
070.002
070.002
070.002
030.004
030.006
070.002
070.003
070.006
070.003
070.006
050.002
050.002
050.002
040.010
080.002
050.004
050.008
030.002
030.004
030.010
030.012
030.014
030.016
020.006
020.006
070.002
070.002
29
23
01
09
12
19
19
12
18
16
44
40
43
46
36
20
20
01
38
19
22
39
09
02
01
01
22
06
06
17
13
26
23
26
18
27
06
06
01
37
10
36
18
18
39
03
08
10
32
32
08
32
26
30
04
36
28
22
27
32
39
39
20
32
19
33
08
25
16
16
11
13
03
27
46
07
02
03
31
25
17
32
01
05
04
19
33
28
08
49
30
09
11
27
17
29
13
13
28
18
03
30
08
36
14
01
02
03
02
01
04
29
04
13
17
39
31
47
15
09
42
15
12
48
08
02
12
15
40
33
35
25
12
09
04
04
19
18
05
26
20
20
08
09
02
03
12
17
45
19
54
08
36
24
26
30
29
30
29
29
47
38
20
01
35
27
22
16
02
02
02
15
15
28
53
11
35
25
08
20
28
14
48
05
39
19
26
26
04
56
32
21
50
18
12
06
06
07
07
05
11
06
43
32
32
12
24
04
06
07
08
09
10
11
04
32
32
23
22
16
23
38
18
16
33
32
03
06
20
41
40
19
03
19
19
47
47
47
03
19
13
17
33
34
13
45
34
34
10
21
05
20
01
51
23
41
35
15
14
36
28
38
39
40
42
06
21
02
02
03
03
21
16
25
08
06
09
08
07
20
13
13
07
05
28
37
13
04
NÚMERO PÁGINA ITEM NÚMERO PÁGINA ITEM NÚMERO PÁGINA ITEM NÚMERO PÁGINA ITEM
PLANTADEIRAS SLC-JOHN DEERE 710RF, 712 E 716 CQ30174 Nov98
INDICE ALFANUMERICO
DQ06905
DQ07027
DQ07034
DQ07039
DQ07039
DQ07041
DQ07053
DQ07054
DQ07141
DQ07181
DQ07191
DQ07192
DQ07303
DQ07304
DQ07313
DQ07333
DQ07479
DQ07546
DQ07654
DQ07655
DQ07967
DQ08176
DQ08177
DQ08534
DQ08534
DQ08565
DQ08565
DQ09885
DQ10019
DQ10759
DQ10802
DQ10802
DQ12711
DQ12711
DQ12714
DQ12782
DQ12782
DQ12782
DQ12783
DQ12783
DQ13390
DQ13687
DQ13694
DQ13703
DQ13704
DQ13943
DQ14147
DQ14162
DQ14255
DQ14273
DQ14279
DQ14283
DQ14284
DQ14297
DQ14298
DQ14301
DQ14302
DQ14303
DQ14304
DQ14310
DQ14327
DQ14347
DQ14397
DQ14536
DQ14549
DQ15125
DQ15125
DQ15125
DQ15125
DQ15125
DQ15125
DQ15266
DQ15268
DQ15295
DQ15295
DQ15304
DQ15323
DQ15338
DQ15339
DQ15378
DQ15449
DQ15451
DQ15452
DQ15454
DQ15455
DQ15456
DQ15458
DQ15461
DQ15462
DQ15464
DQ15469
DQ15469
DQ15473
DQ15473
DQ15477
DQ15479
DQ15588
DQ15609
DQ15609
DQ15609
DQ15934
DQ15999
DQ16000
DQ16031
DQ16032
DQ16032
DQ16033
DQ16034
DQ16050
DQ16085
DQ16134
DQ16254
DQ16261
DQ16261
DQ16261
DQ16261
DQ16261
DQ16261
DQ16310
DQ16315
DQ16444
DQ16530
DQ16622
DQ16811
DQ16813
DQ16814
DQ17738
DQ17762
DQ17857
DQ17984
DQ18013
DQ18044
DQ18045
DQ18524
DQ18563
DQ18645
DQ18648
DQ19095
DQ19624
DQ19647
DQ19648
DQ19723
DQ19723
DQ19836
DQ19837
DQ20379
DQ20522
DQ20529
DQ20616
DQ20617
DQ20669
DQ20973
DQ20973
DQ21649
DQ21650
DQ21768
DQ21768
DQ21768
DQ21768
DQ21768
DQ22107
DQ22107
DQ22107
DQ22107
DQ22107
DQ22201
DQ22203
DQ22325
DQ22455
DQ22455
DQ22510
DQ22865
DQ22866
DQ22867
DQ23388
DQ23662
DQ23663
DQ23664
DQ23665
DQ23666
DQ23667
DQ23668
DQ23669
DQ23670
DQ23671
DQ23672
DQ23673
DQ23674
DQ23675
DQ23676
DQ23677
DQ23741
DQ23748
DQ23749
DQ23859
DQ23866
DQ23867
DQ23868
DQ23869
DQ23877
DQ23948
DQ24107
DQ24125
DQ24288
DQ24512
DQ24723
DQ24846
DQ24855
DQ24855
DQ24925
DQ24926
DQ24927
DQ24928
DQ25092
DQ25092
DQ25316
DQ25317
DQ25735
DQ25745
DQ25746
DQ25747
DQ26148
DQ26148
DQ26149
DQ26149
DQ26150
DQ26151
DQ27475
DQ28102
DQ28103
DQ28104
DQ28105
DQ28108
DQ28110
DQ28115
DQ28116
DQ28490
DQ29276
DQ30028
DQ30073
DQ30214
DQ30215
DQ30241
DQ30246
DQ30512
DQ30516
DQ30614
DQ30615
DQ30630
DQ30714
DQ30715
DQ30717
DQ30718
DQ30719
DQ30719
DQ30960
DQ30961
DQ31117
DQ31208
DQ31209
DQ31210
DQ31211
DQ31212
DQ31213
DQ31214
DQ32662
DQ32663
DQ33723
DQ34023
DQ34025
DQ34144
DQ34145
DQ34337
DQ34337
D10025DW
E20664
E20664
H139125
H139126
H2094B
JD29980
JD5581
JD5597
J16931N
J16931N
J16931N
J56834
J56845
070.002
050.006
050.004
030.014
030.016
030.014
020.004
020.004
040.006
050.008
020.006
020.006
020.006
020.006
020.004
030.008
050.008
030.010
070.002
070.002
070.002
070.003
070.006
030.002
030.004
070.002
070.002
040.006
020.007
030.004
030.006
030.008
040.006
060.002
040.006
050.017
060.002
060.004
060.002
060.004
030.014
020.004
030.012
030.014
030.006
050.017
030.016
070.002
070.002
070.006
070.003
070.002
070.002
030.010
030.012
070.002
070.002
070.002
070.002
030.012
020.004
070.002
030.012
050.010
020.007
030.002
030.004
030.010
030.012
030.014
030.016
030.004
050.005
030.002
030.004
040.006
050.002
030.004
030.004
040.002
030.012
070.005
070.005
070.004
070.005
070.005
070.004
070.005
070.005
070.004
030.012
030.016
030.012
030.016
030.014
030.014
030.014
030.012
030.014
030.014
050.003
070.005
070.004
080.008
080.008
080.008
080.008
080.008
020.002
020.004
030.008
070.005
020.006
040.006
040.012
040.014
050.016
060.004
050.003
080.002
030.014
030.014
040.003
050.002
050.002
050.002
040.008
050.014
030.016
040.002
050.004
040.002
040.002
030.016
050.004
040.006
050.004
040.003
050.016
040.008
040.008
060.002
060.004
040.002
040.002
020.002
030.010
030.010
020.002
020.002
040.003
030.006
030.008
030.002
030.002
020.006
040.006
040.012
040.014
060.004
020.006
040.006
040.012
040.014
060.004
050.014
040.006
080.002
030.002
030.004
020.007
060.002
060.002
060.002
060.004
060.006
060.006
060.006
060.006
060.006
060.006
060.006
060.006
060.006
060.006
060.006
060.006
060.006
060.006
060.006
060.006
020.002
020.002
020.002
030.016
030.014
030.014
030.016
030.014
070.002
020.002
070.002
030.016
030.016
040.010
050.010
060.004
030.014
030.016
060.006
060.006
060.006
060.006
070.002
070.002
030.004
030.004
020.002
030.002
030.002
030.002
070.002
070.002
070.002
070.002
070.002
070.002
050.004
020.004
020.004
070.002
070.002
020.002
020.002
020.002
020.002
070.002
050.010
030.014
030.014
030.002
030.002
020.002
020.002
040.012
040.012
040.008
040.008
050.008
070.005
070.005
070.004
070.005
070.004
070.005
040.012
040.012
020.006
020.002
020.002
020.002
020.002
020.002
020.002
020.002
030.004
030.004
060.007
040.014
050.005
040.010
040.010
050.002
050.005
080.002
040.008
040.014
040.010
040.010
020.004
030.012
080.006
080.006
050.004
050.014
050.016
080.006
080.006
16
12
09
38
31
23
11
06
22
04
32
32
32
32
16
11
01
09
18
26
01
01
01
23
29
10
10
37
04
43
15
15
39
31
33
11
22
22
23
23
41
03
23
22
01
05
22
24
23
04
04
25
19
11
40
37
22
20
17
52
03
25
27
29
04
06
03
12
07
08
04
35
09
18
31
32
31
21
09
18
50
01
01
01
02
02
02
03
03
03
41
12
31
11
40
28
30
10
09
45
10
04
04
01
07
07
03
10
14
03
02
04
13
49
04
40
29
29
09
04
37
41
01
30
27
34
17
36
28
19
13
25
25
33
11
52
14
11
31
34
34
05
05
08
08
27
04
09
27
28
03
17
19
01
01
10
51
18
17
32
18
55
06
37
27
17
21
04
41
10
02
25
24
24
24
01
01
01
02
02
02
02
02
02
02
02
07
03
04
03
05
09
01
01
25
30
44
27
40
43
01
25
39
26
06
24
36
37
20
02
02
02
02
12
12
21
09
01
32
33
34
10
10
12
12
12
10
21
03
03
25
25
27
27
01
01
15
01
20
22
01
01
42
40
09
09
21
21
02
07
07
07
06
06
06
09
09
21
09
01
01
01
01
01
01
21
09
02
19
12
14
14
41
16
12
25
24
12
12
18
24
07
01
16
37
10
03
06
NÚMERO PÁGINA ITEM NÚMERO PÁGINA ITEM NÚMERO PÁGINA ITEM NÚMERO PÁGINA ITEM
PLANTADEIRAS SLC-JOHN DEERE 710RF, 712 E 716 CQ30174 Nov98
INDICE ALFANUMERICO
KK4446
L18947L
L18947L
L18955
L18955
L18955
L18955
L18955
L63269
L63270
NSEP050
NSEP071
NSEP072
N111742
N120831
N120831
N120831
N120831
N120831
N120831
N134513
N161501
PS560316
PS560601
PS560602
SK021.01
S01146
S01391
S06100
S137M
U41936
U41936
Z120831
Z24489
Z34089
Z34089
Z39386
Z39386
03M7017
03M7017
03M7017
03M7053
03M7054
03M7054
03M7054
03M7054
03M7054
03M7054
03M7068
03M7068
03M7079
03M7079
03M7079
03M7079
03M7079
03M7079
03M7079
03M7079
03M7083
03M7085
03M7088
03M7092
03M7092
03M7093
03M7093
03M7093
03M7098
03M7098
03M7104
03M7105
03M7110
03M7151
11M7015
11M7017
11M7017
11M7017
11M7023
11M7024
11M7027
11M7027
11M7027
11M7027
11M7027
11M7028
11M7029
11M7030
11M7030
11M7030
11M7032
11M7032
11M7032
11M7032
11M7040
11M7040
11M7040
11M7040
11M7069
11M7069
12M7006
12M7006
12M7006
12M7006
12M7006
12M7006
12M7006
12M7065
12M7065
12M7065
12M7065
12M7065
12M7065
12M7065
12M7065
12M7065
12M7065
12M7065
12M7065
12M7065
12M7065
12M7066
12M7066
12M7066
12M7066
12M7066
12M7066
12M7066
12M7066
12M7066
12M7066
12M7066
12M7066
12M7066
12M7066
12M7066
12M7066
12M7066
12M7066
12M7066
12M7066
12M7067
12M7067
12M7067
12M7067
12M7067
12M7067
12M7067
12M7067
12M7067
12M7069
12M7069
12M7070
12M7070
12M7070
13P1017
14M1041
14M7019
14M7019
14M7027
14M7027
14M7027
14M7027
14M7027
14M7029
14M7029
14M7029
14M7029
14M7029
14M7029
14M7029
14M7029
14M7029
14M7029
14M7029
14M7031
14M7031
14M7031
14M7031
14M7031
14M7031
14M7031
14M7031
14M7031
14M7031
14M7140
14M7140
14M7140
14M7140
14M7140
14M7140
14M7140
14M7140
14M7140
14M7140
14M7140
14M7140
14M7140
14M7140
14M7140
14M7140
14M7142
14M7142
14M7142
14M7144
14M7144
14M7151
14M7151
14M7151
14M7151
14M7152
14M7158
14M7165
14M7165
14M7166
14M7166
14M7166
14M7166
14M7166
14M7166
14M7166
14M7166
14M7166
14M7167
14M7167
14M7167
14M7167
14M7167
14M7167
14M7167
14M7167
14M7168
14M7168
14M7168
14M7168
14M7168
14M7168
14M7168
14M7168
14M7168
14M7170
14M7170
14M7170
14M7170
14M7170
14M7170
14M7170
14M7179
14M7230
14M7230
14M7260
14M7260
14M7260
14M7260
14M7260
14M7260
14M7260
19M6614
19M6614
19M6614
19M6614
19M6811
19M6811
19M7073
19M7135
19M7139
19M7139
19M7139
19M7158
19M7158
19M7162
19M7162
19M7162
19M7162
19M7163
19M7163
19M7163
19M7166
19M7166
19M7167
19M7167
19M7167
19M7167
19M7167
19M7167
19M7167
19M7167
19M7167
19M7167
19M7167
040.008
020.004
030.008
020.002
020.002
030.002
030.004
050.017
080.006
080.006
050.012
050.012
050.012
080.002
030.002
030.004
030.012
030.016
050.002
050.005
040.014
020.002
050.016
020.002
020.002
030.006
070.002
070.002
070.002
020.004
040.008
040.014
030.014
050.014
030.002
030.004
030.002
030.004
040.002
050.005
050.016
030.010
020.007
030.004
030.012
030.014
030.016
050.016
040.008
050.006
030.002
030.004
030.012
030.012
030.014
030.016
050.002
050.005
030.016
030.012
040.006
050.005
050.006
020.006
040.012
050.016
030.002
040.010
030.014
050.014
030.012
020.006
050.014
020.004
020.006
030.006
050.010
020.004
020.002
020.002
040.006
040.012
040.014
040.008
080.002
030.012
030.016
040.002
030.014
030.014
040.002
040.002
020.004
030.002
030.004
040.002
030.010
030.010
040.006
040.008
050.002
050.006
060.002
060.004
070.002
020.006
020.007
030.002
030.004
030.012
030.014
030.016
040.003
040.010
040.014
050.004
050.014
050.016
060.004
020.004
020.006
030.002
030.004
030.010
030.012
030.014
030.016
040.002
040.006
040.008
040.010
050.002
050.005
050.014
050.016
060.002
060.004
070.002
080.002
020.002
020.006
020.007
030.002
030.004
040.008
040.014
050.003
050.014
040.006
040.008
030.002
030.004
030.008
030.006
050.010
050.008
050.012
040.006
040.008
050.002
050.006
070.002
020.006
020.007
030.004
030.010
030.012
030.014
030.016
040.003
050.004
050.014
050.016
020.002
020.006
020.007
030.016
040.008
040.014
050.003
050.014
060.002
060.004
020.006
030.002
030.004
030.010
030.012
030.014
030.016
040.002
040.006
040.010
050.002
050.005
050.006
050.014
050.016
070.002
020.004
040.006
040.008
030.002
030.004
030.004
030.010
030.012
030.014
040.002
040.006
040.012
080.002
020.002
040.006
040.010
040.012
040.014
050.016
050.017
060.002
060.004
030.002
030.012
030.014
030.016
040.002
040.014
050.002
050.005
030.010
030.012
030.016
040.002
040.006
040.010
060.002
060.004
080.002
020.002
020.002
040.014
050.002
050.003
050.014
080.002
020.006
020.002
040.014
030.010
040.006
040.012
040.014
050.016
060.002
060.004
040.010
040.012
050.002
050.010
030.008
040.010
050.014
020.002
040.003
040.014
050.006
060.002
060.004
030.002
050.017
060.002
060.004
040.003
040.006
040.010
040.002
050.014
020.004
030.012
030.014
030.016
040.002
040.006
040.008
050.002
050.016
070.002
080.002
15
23
05
15
43
43
19
08
04
05
17
15
16
15
11
47
46
10
39
18
07
32
26
31
31
10
08
07
09
08
26
22
14
38
26
15
24
26
09
13
34
14
03
04
16
04
03
02
36
07
13
46
20
44
12
19
43
14
38
17
14
11
13
17
07
30
16
23
44
10
48
36
08
01
22
14
22
22
17
21
01
01
08
14
11
11
21
04
25
46
07
35
12
21
30
07
39
41
41
38
19
05
39
26
30
08
08
09
02
15
05
02
06
02
44
03
32
27
34
15
26
05
38
06
04
32
17
31
16
30
22
10
02
02
07
11
11
33
22
35
03
06
31
12
02
27
05
24
08
09
37
07
04
09
20
10
10
42
16
20
09
31
07
09
01
16
14
06
01
05
02
31
04
36
04
05
14
01
28
04
35
06
06
27
15
37
07
05
33
16
22
17
13
11
06
16
09
05
32
04
09
10
36
08
24
30
33
02
11
26
02
26
24
52
29
14
31
16
06
17
17
17
26
16
07
28
14
28
17
02
42
37
23
12
17
04
04
19
02
39
03
03
11
15
13
11
06
15
08
04
12
42
23
35
31
21
16
18
07
21
09
34
05
12
33
15
01
01
08
07
18
18
10
29
01
29
01
14
38
31
29
14
20
11
23
08
42
21
NÚMERO PÁGINA ITEM NÚMERO PÁGINA ITEM NÚMERO PÁGINA ITEM NÚMERO PÁGINA ITEM
PLANTADEIRAS SLC-JOHN DEERE 710RF, 712 E 716 CQ30174 Nov98
INDICE ALFANUMERICO
19M7168
19M7168
19M7168
19M7168
19M7168
19M7169
19M7169
19M7169
19M7169
19M7169
19M7169
19M7179
19M7179
19M7180
19M7181
19M7183
19M7189
19M7214
19M7268
19M7285
19M7288
19M7297
19M7299
19M7320
19M7327
19M7327
19M7331
19M7342
19M7342
19M7342
19M7342
19M7343
19M7343
19M7387
19M7408
19M7414
19M7415
19M7415
19M7481
19M7481
19M7501
19M7529
19M7560
19M7560
19M7609
19M7609
19M7620
19M7621
19M7728
19M7728
19M7744
19M7744
19M7744
19M7744
19M7744
19M7744
19M8049
19M8397
19169
21H1295
21M7252
24M7026
24M7026
24M7026
24M7026
24M7026
24M7026
24M7026
24M7038
24M7038
24M7038
24M7038
24M7038
24M7038
24M7038
24M7038
24M7040
24M7040
24M7040
24M7040
24M7040
24M7040
24M7040
24M7040
24M7040
24M7040
24M7040
24M7040
24M7049
24M7099
24M7099
24M7178
24M7178
24M7178
24M7178
24M7178
34H286
34H314
34H314
34H316
34M3865
34M7010
34M7023
34M7033
34M7035
34M7038
34M7040
34M7040
34M7042
34M7042
34M7042
34M7042
34M7047
34M7115
34M7115
34M7132
40M1828
40M1828
40M1833
40M1858
40M1860
40M1862
40M1867
40M1867
58M5573
58M5573
58M5573
58M5573
58M5573
58M5573
58M5573
58M5573
58M5573
58M5573
58M5573
58M5573
58M5573
58M5574
58M5574
58M5574
58M5574
58M5574
58M5574
58M5575
58M5575
58M5578
58M5579
58M5632
58M5632
58M5632
030.010
030.012
030.014
040.002
050.005
020.006
030.002
030.004
030.012
060.002
060.004
040.010
050.002
040.002
030.012
030.012
030.010
020.006
050.014
030.002
050.004
050.014
080.002
050.010
020.006
040.002
020.006
020.002
040.014
050.002
050.002
050.002
050.014
050.003
040.014
040.006
040.008
040.014
050.002
050.003
080.002
070.002
040.006
050.010
020.002
080.002
030.002
020.002
020.007
040.010
020.002
030.002
030.004
030.008
050.003
080.002
040.010
040.010
030.010
050.010
050.012
030.010
030.010
040.003
040.014
050.004
050.006
050.016
020.006
030.004
030.012
030.014
030.016
040.002
040.008
080.002
020.006
030.010
030.012
030.014
040.002
040.006
040.008
050.005
050.016
060.002
060.004
070.002
020.004
020.002
040.012
040.002
040.010
050.014
060.002
060.004
050.010
050.010
050.012
050.010
050.017
050.014
050.004
050.004
050.014
050.016
040.008
050.004
050.008
050.014
060.002
060.004
050.014
020.006
050.016
050.012
050.004
050.017
030.010
030.010
030.012
050.004
040.010
080.002
020.002
020.006
030.010
040.006
040.010
040.012
040.014
050.004
050.014
050.016
060.004
070.004
070.005
030.002
030.004
040.014
050.014
060.002
080.002
030.006
040.008
030.008
040.014
050.017
060.002
060.004
03
30
39
20
01
25
04
34
01
10
10
24
07
15
21
19
01
06
25
40
06
33
24
08
35
27
06
29
01
06
33
13
11
15
13
13
22
26
13
14
16
27
05
28
37
14
35
10
07
15
33
30
11
14
06
18
10
30
22
26
08
15
42
09
43
05
14
28
05
45
43
42
36
24
03
20
34
05
02
17
13
15
19
07
32
38
25
34
07
25
03
10
11
07
12
12
12
13
21
11
09
27
25
24
41
12
12
08
07
29
08
08
42
20
13
13
07
03
40
18
25
18
26
07
12
09
25
44
18
10
16
17
21
36
33
05
05
42
14
47
16
27
23
13
28
13
20
10
16
16
NÚMERO PÁGINA ITEM NÚMERO PÁGINA ITEM NÚMERO PÁGINA ITEM NÚMERO PÁGINA ITEM

Catalogo Plantadeira Pl 710 rf 712 e 716

  • 2.
    Nov98PLANTADEIRAS SLC-JOHN DEERE710RF, 712 E 716 CQ30174 A INDICE GERAL
  • 3.
    Nov98PLANTADEIRAS SLC-JOHN DEERE710RF, 712 E 716 CQ30174 A INDICE GERAL
  • 4.
    Nov98PLANTADEIRAS SLC-JOHN DEERE710RF, 712 E 716 CQ30174 A INDICE GERAL
  • 5.
    Nov98PLANTADEIRAS SLC-JOHN DEERE710RF, 712 E 716 CQ30174 A INDICE GERAL
  • 6.
    Nov98PLANTADEIRAS SLC-JOHN DEERE710RF, 712 E 716 CQ30174 A INDICE GERAL
  • 7.
    Nov98PLANTADEIRAS SLC-JOHN DEERE710RF, 712 E 716 CQ30174 A INDICE GERAL
  • 8.
    Nov98PLANTADEIRAS SLC-JOHN DEERE710RF, 712 E 716 CQ30174 A INDICE GERAL
  • 9.
    Nov98PLANTADEIRAS SLC-JOHN DEERE710RF, 712 E 716 CQ30174 INDICE DE GRUPO - CHASSI E MARCADORES
  • 10.
    PLANTADEIRAS SLC-JOHN DEERE710RF, 712 E 716 CQ30174 Nov98 CHASSI E LANÇA 710RF, 712 E 716 20.001
  • 11.
    PLANTADEIRAS SLC-JOHN DEERE710RF, 712 E 716 CQ30174 Nov98 1 2 3 4 5 6 7 8 9 10 11 12 13 14 15 16 17 18 19 20 21 22 23 24 25 26 27 28 29 30 31 32 33 34 35 36 37 38 39 40 41 42 43 44 DQ25735 DQ28116 DQ23748 DQ23749 DQ23948 DQ28115 DQ31210 DQ31209 DQ31211 DQ31212 DQ31213 DQ31214 14M7170 CQ16408 CQ14721 19M7135 14M7230 CQ02151 CQ07569 DQ23741 DQ31208 19M7621 CQ15351 58M5573 CQ15352 DQ16050 L18955 CQ15350 11M7027 A28255 A25994 AA22595 AA22596 11M7027 A25966 CQ06958 14M7166 24M7099 CQ20382 DQ20616 DQ28110 DQ28108 DQ20379 DQ20617 19M7342 CQ16408 PS560601 PS560602 N161501 19M7744 CQ06670 12M7067 14M7031 19M7609 CQ06679 14M7170 DQ30246 CQ30247 DQ30241 L18955 CQ05786 CHASSI 710 CHASSI 716 CHASSI 712 CHASSI 716 CHASSI 716 CHASSI 712 CHASSI CHASSI CHASSI CHASSI CHASSI CHASSI PORCA AUTOFREN ARRUELA LISA BUCHA PARAF SEXT PORCA SEXT ARRUELA LISA PARAF SEXT LANCA LANÇA PARAF SEXT SUPORTE GRAXEIRA ENGATE PINO CONTRAPINO PINO CONTRAPINO PINO ESPACADOR SUPORTE ESQ SUPORTE DIR CONTRAPINO PIVO PARAF SEXT PORCA SEXT ARRUELA LISA SUPORTE TUBO TUBO TUBO TUBO ESPACADOR PARAF SEXT ARRUELA LISA EXTENSAO EXTENSAO SUPORTE PARAFUSO SEXT ARRUELA LISA ARRUELA PRESSAO PORCA SEXT PARAFUSO ARRUELA LISA PORCA AUTOFREN ABRAÇADEIRA SUPORTE ESCORA CONTRAPINO PINO AR 8 4 AR AR 6 AR AR AR AR 2 2 2 AR AR AR 2 AR AR AR AR AR AR AR AR AR AR 2 2 2 8 4 5594 5594 5594 5594 5594 5594 5548 5548 5548 5548 5548 5548 5548 5548 5593 5593 5593 5593 5593 5593 5593 7 1 0 R F 7 1 2 7 1 6 X X X X X X X X X X X X X X X X X X X X X X X X X X X X X X X X X X X X X X X X X X X X X X X X X X X X X X X X X X X X X X X X X X X X X X X X X X X X X X X X X X X X X X X X X X X X X X X X X X X X X X X X X X X X X X X X X X X X X X X X X X X X X X X X X X X X X X X X X X X X X X X X X X X X X X X 4500MM 8100MM 5580 MM 7300 MM (D) 6100MM 5580 4500 7300 (E) 7300 6100 8100 M16 16,5X40MM M16X70 M20 20,5X45MM M20X65 M20X150 M6 5X28MM 5X28MM M8X60 M8 21X33MM (A) 3350MM (A) 2810MM (C) 3750MM (B) 4500MM (C) (A) M16X55 16,5X40MM 712, 716 (A) 712 (A) 716 M12X35 13X38MM 12MM M12 M16X90 17X27X2,65MM M16 20.002 (A) (B) (C) (D) (E) PLANTIO DIRETO PLANTIO DIRETO - CHASSI 8100MM PLANTIO DIRETO - CHASSI 6100MM ESPECIAL P/ ALGODÃO SOMENTE PARA ALGODÃO - - - - - - - - - - - - - - - - - - - - - - - - - - - - - - - - - - - - - - - - - - - - - - - - - - - - - - - - - - - - - ITEM NÚMERO DESCRIÇÃO QTDE OBSERVAÇÕESNO. SÉRIE
  • 12.
    PLANTADEIRAS SLC-JOHN DEERE710RF, 712 E 716 CQ30174 Nov98 ACIONAMENTO DO MARCADOR HIDRÁULICO 20.003
  • 13.
    PLANTADEIRAS SLC-JOHN DEERE710RF, 712 E 716 CQ30174 Nov98 1 2 3 4 5 6 7 8 9 10 11 12 13 14 15 16 17 18 19 20 21 22 23 24 11M7017 A26927 DQ14327 DQ28102 DQ28103 DQ13687 DQ16085 14M7142 CQ07101 DQ07054 24M7049 S137M CQ07211 CQ07116 DQ07053 11M7040 A22432 19M7167 12M7066 DQ07313 AA24717 H2094B A33921 A24116 A23739 11M7024 L18947L A36972 CONTRAPINO PINO CABO CABO CABO CABO CABO PORCA SEXT PORCA OLHAL ENGATE ARRUELA LISA MOLA ARRUELA LISA PARAF OLHAL CABO CONTRAPINO PINO PARAFUSO SEXT ARRUELA PRESSAO ATUADOR TRINCO MOLA BUCHA GUIA GANCHO CONTRAPINO ARRUELA LISA PINO 2 AR 2 AR 2 AR AR AR 7 1 0 R F 7 1 2 7 1 6 X X X X X X X X X X X X X X X X X X X X X X X X X X X X X X X X X X X X X X X X X X X X X X X X X X X X X X X X X X X X X X X X X X X X X X X X X X 3,2X32MM (A) (B) M16 18X30MM 6,3X50MM M10X25 10MM 4X36MM 20,5X32MM 20.004 (A) (B) CHASSI 6100MM CHASSI 8100MM - - - - - - - - - - - - - - - - - - - - - - - - - - - - ITEM NÚMERO DESCRIÇÃO QTDE OBSERVAÇÕESNO. SÉRIE
  • 14.
    PLANTADEIRAS SLC-JOHN DEERE710RF, 712 E 716 CQ30174 Nov98 MARCADOR HIDRÁULICO (4007-) 20.005
  • 15.
    PLANTADEIRAS SLC-JOHN DEERE710RF, 712 E 716 CQ30174 Nov98 1 2 3 4 5 6 7 8 9 10 11 12 13 14 15 16 17 18 19 20 21 22 23 24 25 26 27 28 29 30 31 32 33 34 35 36 37 CQ06994 CQ22147 CQ22151 CQ22152 12M7067 14M7031 24M7038 19M7214 19M7331 14M7029 12M7065 58M5573 DQ21768 14M7179 CQ06679 DQ16261 CQ22761 CQ22184 CQ22143 03M7093 DQ22107 CQ21620 34M7115 DQ31117 11M7017 A26927 AA23526 AA23525 19M7169 12M7066 14M7140 DQ06894 A29188 A26127 CQ06991 DQ07304 DQ07191 DQ07303 DQ07192 CQ07175 24M7040 19M7327 03M7151 DQ06899 ESPACADOR BRACO BRAZO BRACO ARRUELA PRESSAO PORCA SEXT ARRUELA LISA PARAF SEXT PARAF SEXT PORCA SEXT ARRUELA PRESSAO GRAXEIRA TAMPA PORCA SEXT ARRUELA LISA ROLAMENTO FLANGE DISCO 13" DISCO 16" PARAF FRANCES RETENTOR PROTECAO PINO ELASTICO SUPORTE CONTRAPINO PINO TERMINAL DIR TERMINAL ESQ PARAFUSO SEXT ARRUELA PRESSAO PORCA SEXT PINO PORCA CHAPA REFORCO BRACO DIR BRACO ESQ BRACO ESQ BRACO DIR TERMINAL ARRUELA LISA PARAF SEXT PARAF FRANCES PARAFUSO 4 2 2 2 AR AR AR AR AR AR AR AR AR AR AR 2 2 2 2 AR 2 2 AR 2 AR 2 1 1 AR AR AR 2 2 2 4 1 1 1 2 AR AR AR AR 7 1 0 R F 7 1 2 7 1 6 X X X X X X X X X X X X X X X X X X X X X X X X X X X X X X X X X X X X X X X X X X X X X X X X X X X X X X X X X X X X X X X X X X X X X X X X X X X X X X X X X X X X X X X X X X X X X X X X X X X X X X X X X X X X X X X X X X X X X X X X X 774MM 712(12AS/ 10AS) 710 (10AS 712(12AS/6AM)716(16AS)(C) 1550MM 712 (16AS) (D) 12MM M12 14X24MM M12X70 M12X65 M8 5MM M6 M16 17X27X2,65MM (A) (B) M8X25 3,5X20MM 3,2X32MM M10X35 10MM M10 (C) (D) (C) (D) 11X21X2MM M10X65 M10X80 20.006 (A) (B) (C) (D) PLANTIO CONVENCIONAL PLANTIO DIRETO CHASSI 8100MM CHASSI 6100MM - - - - - - - - - - - - - - - - - - - - - - - - - - - - - - - - - - - - - - - - - - - - ITEM NÚMERO DESCRIÇÃO QTDE OBSERVAÇÕESNO. SÉRIE
  • 16.
    PLANTADEIRAS SLC-JOHN DEERE710RF, 712 E 716 CQ30174 Nov98 PLATAFORMA PARA ABASTECIMENTO DE ADUBO 1 2 3 4 5 6 7 8 9 CQ14249 DQ22510 03M7054 DQ14549 DQ10019 14M7031 12M7067 19M7728 12M7065 14M7029 CHAPA SUPORTE PARAF FRANCES PLATAFORMA PLATAFORMA PORCA SEXT ARRUELA PRESSAO PARAF SEXT ARRUELA PRESSAO PORCA SEXT 6 6 AR 2 6 7 1 0 R F 7 1 2 7 1 6 X X X X X X X X X X X X X X X X X X X X X X X X X X X M8X20 (A) (B) M12 12MM M12X120 5MM M8 20.007 (A) (B) CHASSI 6100 CHASSI 8100 - - - - - - - - - - ITEM NÚMERO DESCRIÇÃO QTDE OBSERVAÇÕESNO. SÉRIE
  • 17.
    Nov98PLANTADEIRAS SLC-JOHN DEERE710RF, 712 E 716 CQ30174 INDICE DE GRUPO - TRANSMISSÕES
  • 18.
    PLANTADEIRAS SLC-JOHN DEERE710RF, 712 E 716 CQ30174 Nov98 SUPORTE DA RODA 710 - (3977-) 30.001
  • 19.
    PLANTADEIRAS SLC-JOHN DEERE710RF, 712 E 716 CQ30174 Nov98 1 2 3 4 5 6 7 8 9 10 11 12 13 14 15 16 17 18 19 20 21 22 23 24 25 26 27 28 29 30 31 32 33 34 35 36 37 38 39 40 41 42 43 44 DQ30214 DQ30215 DQ21649 DQ21650 CQ20864 CQ20865 19M7169 12M7066 DQ15125 DQ06891 19M7162 12M7065 CQ07317 N120831 CQ17742 03M7079 CQ06671 14M7140 03M7098 14M7167 DQ15295 CQ15294 CQ15291 11M7040 CQ15045 DQ08534 Z39386 CQ15330 Z34089 CQ16312 CQ16360 CQ16313 19M7744 12M7067 DQ25745 DQ25746 DQ25747 19M7620 14M7144 12M7070 CQ02151 CQ17058 19M7285 DQ22455 58M5574 L18955 CQ07301 SUPORTE ESQ SUPORTE DIR SUPORTE DIR SUPORTE ESQ MANCAL MANCAL PARAFUSO SEXT ARRUELA PRESSAO FLANGE ROLAMENTO PARAF SEXT ARRUELA PRESSAO BRACO ESPACADOR ENGRENAGEM PARAF FRANCES ARRUELA LISA PORCA SEXT PARAF FRANCES PORCA AUTOFREN MANCAL EIXO EIXO CONTRAPINO CALCO DIR ABRACADEIRA ARRUELA LISA ARRUELA ARRUELA LISA SUPORTE PINO CALCO DIR PARAFUSO SEXT ARRUELA PRESSAO SUPORTE DIR SUPORTE ESQ SUPORTE PARAF SEXT PORCA SEXT ARRUELA PRESSAO ARRUELA LISA SUPORTE. PARAFUSO MANCAL GRAXEIRA CONTRAPINO PARAF SEXT 2 2 8 8 2 2 AR 2 2 AR AR AR AR AR 2 2 2 AR 4 2 AR AR AR 2 2 2 AR AR 2 2 4 AR AR AR AR 2 AR 4 4 4 5423 5423 5422 5422 7 1 0 R F 7 1 2 7 1 6 X X X X X X X X X X X X X X X X X X X X X X X X X X X X X X X X X X X X X X X X X X X X X X X M10X35 10MM 205 KRRB HH 02 M8X16 5MM Z6 M10X55 10,5X24X2MM M10 M10X35 M10 6,3X50MM 45X55 M12X35 12MM M20X130 M20 20MM 20,5X45MM M12X30 M8 M20X245 30.002 - - - - - - - - - - - - - - - - - - - - - - - - - - - - - - - - - - - - - - - - - - - - - - - ITEM NÚMERO DESCRIÇÃO QTDE OBSERVAÇÕESNO. SÉRIE
  • 20.
    PLANTADEIRAS SLC-JOHN DEERE710RF, 712 E 716 CQ30174 Nov98 SUPORTE DA RODA 712 E 716 30.003
  • 21.
    PLANTADEIRAS SLC-JOHN DEERE710RF, 712 E 716 CQ30174 Nov98 1 2 3 4 5 6 7 8 9 10 11 12 13 14 15 16 17 18 19 20 21 22 23 24 25 26 27 28 29 30 31 32 33 34 35 36 37 38 39 40 41 42 43 44 45 46 47 48 14M7029 12M7065 DQ15125 03M7054 CQ07301 CQ02151 12M7070 14M7144 DQ15339 DQ25317 DQ32663 DQ22455 19M7744 12M7067 CQ16314 CQ16313 CQ31296 CQ31861 58M5574 Z34089 CQ15330 CQ16312 CQ16360 L18955 DQ06891 DQ15338 DQ25316 DQ32662 CQ13370 CQ06936 14M7151 CQ16057 Z39386 CQ15045 CQ15044 DQ08534 11M7040 DQ15295 CQ15291 CQ15294 19M7169 DQ15266 A37078 14M7140 12M7066 CQ13490 CQ06671 CQ00076 DQ04311 DQ10759 CQ11806 24M7038 CQ06671 03M7079 N120831 CQ17742 PORCA SEXT ARRUELA PRESSAO FLANGE PARAF FRANCES PARAF SEXT ARRUELA LISA ARRUELA PRESSAO PORCA SEXT SUPORTE DIR SUPORTE DER SUPORTE DIR MANCAL PARAFUSO SEXT ARRUELA PRESSAO CALCO ESQ CALCO DIR CALÇO DIR CALÇO ESQ GRAXEIRA ARRUELA LISA ARRUELA SUPORTE PINO CONTRAPINO ROLAMENTO SUPORTE ESQ SUPORTE ESQ SUPORTE ESQ ESPACADOR PARAF SEXT PORCA SEXT ESPACADOR ARRUELA LISA CALCO DIR CALCO ESQ ABRACADEIRA CONTRAPINO MANCAL EIXO EIXO PARAFUSO SEXT BRACO BUCHA PORCA SEXT ARRUELA PRESSAO SUPORTE ARRUELA LISA ANEL ELASTICO ROLAMENTO ENGREN CORRENTE ESPACADOR ARRUELA LISA ARRUELA LISA PARAF FRANCES ESPACADOR ENGRENAGEM AR AR 2 AR 8 8 AR AR 2 4 AR AR AR 4 4 2 2 4 4 2 2 2 AR 2 AR 2 2 2 AR 2 2 2 AR 2 2 AR AR 2 4 4 4 4 4 AR AR AR 4888 5891 4888 2321 2321 2321 4887 5890 4887 5890 2320 2320 2320 2320 2320 7 1 0 R F 7 1 2 7 1 6 X X X X X X X X X X X X X X X X X X X X X X X X X X X X X X X X X X X X X X X X X X X X X X X X X X X X X X X X X X X X X X X X X X X X X X X X X X X X X X X X X X X X X X X X X X X X X X X X X X X X X X X X X X X X X X X X M8 5MM M8X20 M20X245 20,5X45MM 20MM M20 M12X35 12MM 709, 711, 713 709, 711, 713 M8 M8X16 M8 45X55 6,3X50MM M10X35 M10 10MM 10,5X24X2MM 47X1,75MM Z 17 INCL KEYS 41, 42 14X24MM 10,5X24X2MM M10X55 Z6 30.004 - - - - - - - - - - - - - - - - - - - - - - - - - - - - - - - - - - - - - - - - - - - - - - - - - - - - - - - - ITEM NÚMERO DESCRIÇÃO QTDE OBSERVAÇÕESNO. SÉRIE
  • 22.
    PLANTADEIRAS SLC-JOHN DEERE710RF, 712 E 716 CQ30174 Nov98 RODA 712 E 716 30.005
  • 23.
    PLANTADEIRAS SLC-JOHN DEERE710RF, 712 E 716 CQ30174 Nov98 1 2 3 4 5 6 7 8 9 10 11 12 13 14 15 16 17 18 DQ13704 AL15981 CQ15356 CQ07320 CQ07334 DQ04345 CQ09003 CQ15302 13P1017 SK021.01 CQ00663 CQ10772 58M5575 11M7017 DQ10802 AZ22356 DQ20973 CQ10824 CORRENTE ELO EMENDA ARRUELA ENGREN CORRENTE RETENTOR ROLAMENTO PARAFUSO CUBO ROLAMENTO ARRUELA LISA PORCA SEXT TAMPA GRAXEIRA CONTRAPINO RODA PNEU PORCA CAMARA DE AR 4 4 8 4 4 4 24 4 4 4 4 4 AR 4 4 24 4 7 1 0 R F 7 1 2 7 1 6 X X X X X X X X X X X X X X X X X X X X X X X X X X X X X X X X X X X X L 58 INCL KEYS 2 Z 16 24,3X39MM M22 M10 3,2X32MM W9X18 10.5/80-18 M18 10.5/80-18 30.006 - - - - - - - - - - - - - - - - - - ITEM NÚMERO DESCRIÇÃO QTDE OBSERVAÇÕESNO. SÉRIE
  • 24.
    PLANTADEIRAS SLC-JOHN DEERE710RF, 712 E 716 CQ30174 Nov98 RODA 710RF 30.007
  • 25.
    PLANTADEIRAS SLC-JOHN DEERE710RF, 712 E 716 CQ30174 Nov98 1 2 3 4 5 6 7 8 9 10 11 12 13 14 15 16 17 18 19 20 21 AL15981 DQ16134 CQ07569 CQ30196 12M7070 L18947L CQ30206 CQ07242 CQ07320 CQ20571 CQ07334 CQ07314 DQ07333 CQ09714 58M5578 19M7744 DQ10802 DQ02942 CQ10824 CQ02940 CQ09003 AZ22356 CQ07335 DQ20973 CQ20557 CQ30223 CQ20555 19M6811 ELO EMENDA CORRENTE PARAF SEXT PARAFUSO ARRUELA PRESSAO ARRUELA LISA PLACA DESGASTE PLACA DESGASTE ENGREN CORRENTE PORCA SEXT RETENTOR BUCHA ROLAMENTO CUBO GRAXEIRA PARAFUSO SEXT RODA RODA CAMARA DE AR CAMARA DE AR PARAFUSO PNEU PNEU PORCA EIXO EIXO EIXO PARAF SEXT 2 2 4 AR AR AR 2 2 4 4 4 2 AR 2 2 2 2 10 2 2 10 2 2 AR 5423 5423 2946 5423 2946 5422 5422 5422 7 1 0 R F 7 1 2 7 1 6 X X X X X X X X X X X X X X X X X X X X X X X X X X X X L 64 INCL KEYS 1 M20X65 M20X65X1,5 5AM, 6AM 20MM 20,5X32MM Z 16 M39 M10 M12X35 W9X18 5.5FX16 10.5/80-18 9.00X16 10.5/80-18 9.00-16 M18 5AM, 6AM M6X25 30.008 - - - - - - - - - - - - - - - - - - - - - - - - - - - - ITEM NÚMERO DESCRIÇÃO QTDE OBSERVAÇÕESNO. SÉRIE
  • 26.
    PLANTADEIRAS SLC-JOHN DEERE710RF, 712 E 716 CQ30174 Nov98 ACIONAMENTO DO EIXO INTERMEDIÁRIO 30.009
  • 27.
    PLANTADEIRAS SLC-JOHN DEERE710RF, 712 E 716 CQ30174 Nov98 1 2 3 4 5 6 7 8 9 10 11 12 13 14 15 16 17 18 19 20 21 22 23 24 25 26 27 28 29 30 31 32 33 34 35 36 37 38 39 40 41 42 19M7189 14M7168 19M7168 DQ20522 24M7040 12M7066 14M7140 14M7260 DQ07546 DQ20529 CQ07524 DQ14297 DQ15125 DQ06891 03M7053 24M7026 14M7029 CQ06662 40M1858 CQ06720 CQ08738 CQ06702 19169 A25886 CQ07388 58M5573 CQ06703 CQ06662 CQ06795 A37078 14M7151 CQ06936 CQ14470 CQ14471 CQ26153 CQ26152 CQ16133 CQ06713 B32701 CQ06935 CQ06712 CQ07222 B12516 11M7069 40M1833 11M7069 24M7026 PARAF SEXT PORCA AUTOFREN PARAFUSO SEXT SUPORTE ARRUELA LISA ARRUELA PRESSAO PORCA SEXT PORCA SEXT DIR TERMINAL TERMINAL PINO SUPORTE FLANGE ROLAMENTO PARAFUSO FRANCÊS ARRUELA LISA PORCA SEXT ARRUELA LISA ANEL ELASTICO LUVA GRAXEIRA ENGREN CORRENTE ARRUELA LISA CAME ALAVANCA GRAXEIRA ACOPLAMENTO DIR ARRUELA LISA MOLA BUCHA PORCA SEXT PARAF SEXT EIXO EIXO EIXO EIXO EIXO INF ENGREN CORRENTE PINO PARAF SEXT CUBO ARRUELA LISA MOLA CONTRAPINO ANEL ELASTICO CONTRAPINO ARRUELA LISA AR AR AR AR AR AR AR 4 3 3 AR AR AR AR AR 3 3 3 6 3 3 AR 3 6 3 3 AR 3 4 8 4 4 8 8 AR AR AR AR 4727 1346 1345 4726 7 1 0 R F 7 1 2 7 1 6 X X X X X X X X X X X X X X X X X X X X X X X X X X X X X X X X X X X X X X X X X X X X X X X X X X X X X X X X X X X X X X X X X X X X X X X X X X X X X X X X X X X X X X X X X X X X X X X X X X X X X X X X X X X X X X X X X X X X X X X X X X X X X X X X X X M12X80 M12 M10X30 11X21X2MM 10MM M10 M16 M8X25 9X17X1,6 M8 25,8X30MM 35X1,5MM Z 20 M6 25,8X30MM M8 M8X16 4350 MM 716 3500MM 712 3500MM 4350MM 5900 MM Z 10 M8X25 12X24MM 5X18MM 35X1,5MM 5X18MM 9X17X1,6 30.010 - - - - - - - - - - - - - - - - - - - - - - - - - - - - - - - - - - - - - - - - - - - - - - - ITEM NÚMERO DESCRIÇÃO QTDE OBSERVAÇÕESNO. SÉRIE
  • 28.
    PLANTADEIRAS SLC-JOHN DEERE710RF, 712 E 716 CQ30174 Nov98 TRANSMISSÃO DO ADUBO 712 E 716 30.011
  • 29.
    PLANTADEIRAS SLC-JOHN DEERE710RF, 712 E 716 CQ30174 Nov98 1 2 3 4 5 6 7 8 9 10 11 12 13 14 15 16 17 18 19 20 21 22 23 24 25 26 27 28 29 30 31 32 33 34 35 36 37 38 39 40 41 42 43 44 45 46 47 48 49 50 51 52 19M7169 24M7040 CQ14340 12M7066 14M7140 CQ13848 DQ15125 CQ14341 CQ16305 DQ15609 11M7030 CQ06671 DQ06891 14M7029 12M7065 03M7054 03M7085 CQ14294 CQ14308 19M7183 03M7079 19M7181 CQ13699 DQ13694 JD29980 40M1860 14M7167 DQ14397 AZ12881 AL14207 19M7168 DQ15473 CQ06936 14M7151 A37078 A20337 CQ14293 CQ14290 19M7167 CQ14313 DQ14298 DQ15469 14M7168 24M7038 03M7079 AA22604 N120831 CQ17741 03M7110 CQ16301 DQ15449 DQ00386 DQ14310 PARAFUSO SEXT ARRUELA LISA SUPORTE ARRUELA PRESSAO PORCA SEXT EIXO FLANGE SUPORTE ESPACADOR ENGRENAGEM CONTRAPINO ARRUELA LISA ROLAMENTO PORCA SEXT ARRUELA PRESSAO PARAF FRANCES PARAF FRANCES SUPORTE DIR SUPORTE ESQ PARAF SEXT PARAF FRANCES PARAF SEXT ESPACADOR ENGREN CORRENTE ROLAMENTO ANEL ELASTICO PORCA AUTOFREN CORRENTE ELO DE REDUCAO ELO EMENDA PARAFUSO SEXT ENGRENAGEM PARAF SEXT PORCA SEXT BUCHA ESPACADOR SUPORTE EIXO PARAFUSO SEXT EIXO ESTRUTURA ENGRENAGEM PORCA AUTOFREN ARRUELA LISA PARAF FRANCES BRACO ESPACADOR ENGRENAGEM PARAF FRANCES ESPACADOR ENGRENAGEM CORRENTE CORRENTE AR AR AR AR 2 12 4 4 4 AR AR 5 AR AR AR AR AR AR AR 4 4 4 AR AR 2 2 2 AR 2 2 AR 2 12 2 2 AR 2 2 2 AR AR AR 2 4 4 AR 2 2 2 2 7 1 0 R F 7 1 2 7 1 6 X X X X X X X X X X X X X X X X X X X X X X X X X X X X X X X X X X X X X X X X X X X X X X X X X X X X X X X X X X X X X X X X X X X X X X X X X X X X X X X X X X X X X X X X X X X X X X X X X X X X X X X X X X M10X35 11X21X2MM 10MM M10 Z 19 5X40MM 10,5X24X2MM M8 5MM M8X20 M10X30 M10X40 M10X55 M10X55 Z 19 40X1,75MM M10 L 161 INCL KEYS 28, 29 M10X30 Z16, 18, 30, 36 Z 16, 18, 30 E 3 M8X16 M8 M10X25 Z 18,24 E 36 M12 14X24MM M10X55 Z 10 M12X75 Z 18 L 91 INCL KEYS 28, 29 L 69 INCL KEYS 28, 29 30.012 - - - - - - - - - - - - - - - - - - - - - - - - - - - - - - - - - - - - - - - - - - - - - - - - - - - - - ITEM NÚMERO DESCRIÇÃO QTDE OBSERVAÇÕESNO. SÉRIE
  • 30.
    PLANTADEIRAS SLC-JOHN DEERE710RF, 712 E 716 CQ30174 Nov98 TRANSMISSÃO DA SEMENTE 30.013
  • 31.
    PLANTADEIRAS SLC-JOHN DEERE710RF, 712 E 716 CQ30174 Nov98 1 2 3 4 5 6 7 8 9 10 11 12 13 14 15 16 17 18 19 20 21 22 23 24 25 26 27 28 29 30 31 32 33 34 35 36 37 38 39 40 41 42 43 44 45 46 47 CQ06936 14M7151 A37078 03M7054 12M7065 14M7029 DQ06891 DQ15125 DQ15609 CQ14411 CQ14290 CQ16305 03M7079 CQ06671 Z120831 CQ17741 14M7167 24M7040 CQ14154 CQ07005 CQ07023 CQ07369 CQ30664 CQ31040 CQ30664 DQ30028 AL14207 DQ13703 DQ30073 DQ00386 DQ07041 AZ12881 11M7032 CQ14145 CQ14147 CQ14171 DQ15479 A20337 DQ15588 DQ23866 19M7167 12M7066 14M7140 CQ06934 AA27594 AA22584 DQ16444 DQ24855 DQ07039 19M7168 DQ15477 DQ23869 DQ16530 DQ13390 24M7038 CQ23837 03M7104 DQ23867 DQ15609 11M7032 CQ30665 CQ30665 CQ30665 PARAF SEXT PORCA SEXT BUCHA PARAF FRANCES ARRUELA PRESSAO PORCA SEXT ROLAMENTO FLANGE ENGRENAGEM EIXO EIXO ESPACADOR PARAF FRANCES ARRUELA LISA ESPACADOR ENGRENAGEM PORCA AUTOFREN ARRUELA LISA BUCHA EIXO EIXO EIXO EIXO EIXO EIXO ENGRENAGEM ELO EMENDA CORRENTE CORRENTE CORRENTE CORRENTE ELO DE REDUCAO CONTRAPINO EIXO EIXO ESPACADOR ENGRENAGEM ESPACADOR ENGRENAGEM ENGRENAGEM PARAFUSO SEXT ARRUELA PRESSAO PORCA SEXT PARAFUSO SUPORTE BRACO ESTRUTURA ESTRUTURA CORRENTE PARAFUSO SEXT ENGRENAGEM ENGRENAGEM CORRENTE CORRENTE ARRUELA LISA ESPACADOR PARAF FRANCES ENGRENAGEM ENGRENAGEM CONTRAPINO ACOPLAMENTO ACOPLAMENTO ACOPLAMENTO 4 AR 4 AR AR AR 7 7 4 AR 2 2 2 2 2 2 4 2 2 AR 2 2 10 AR AR AR 1 AR 3 4 5 5829 5829 5829 5829 5829 5829 5829 5828 7 1 0 R F 7 1 2 7 1 6 X X X X X X X X X X X X X X X X X X X X X X X X X X X X X X X X X X X X X X X X X X X X X X X X X X X X X X X X X X X X X X X X X X X X X X X X X X X X X X X X X X X X X X X X X X X X X X X X X X X X X X X X X X X X X X X X X X X X X X X X X X X X X X X X X X X X X X X X X X X X X X X X X M8X16 M8 M8X20 5MM M8 Z 19 1850MM M10X55 10,5X24X2MM Z 10 M10 11X21X2MM 3450 MM 716 2750 MM 712 4600MM 1200MM 1000MM 1200MM Z 19-22 L 60 INCL KEYS 21 L 62 INCL KEYS 21 L 91 INCL KEYS 21, 24 L 92 INCL KEYS 21 5X50MM Z14,18,22,26,28 Z 14, 18, 22, 26 Z 27 E 40 Z 24-27 M10X25 10MM M10 M12 L 76 INCL KEYS 21 M10X30 Z14,16,22,26,30 Z 14, 16, 22, 26 Z 16 L 8 INCL KEYS 21 C/ Z 40 L 71 INCL KEYS 21, 24 14X24MM M10X70 Z 16-24 Z 19 5X50MM 40MM 40MM 40MM * 30.014 - - - - - - - - - - - - - - - - - - - - - - - - - - - - - - - - - - - - - - - - - - - - - - - - - - - - - - - - - - - - - - - ITEM NÚMERO DESCRIÇÃO QTDE OBSERVAÇÕESNO. SÉRIE
  • 32.
    PLANTADEIRAS SLC-JOHN DEERE710RF, 712 E 716 CQ30174 Nov98 TRANSMISSÃO DO ADUBO 710RF 30.015
  • 33.
    PLANTADEIRAS SLC-JOHN DEERE710RF, 712 E 716 CQ30174 Nov98 1 2 3 4 5 6 7 8 9 10 11 12 13 14 15 16 17 18 19 20 21 22 23 24 25 26 27 28 29 30 31 32 33 34 35 36 37 38 39 14M7029 12M7065 03M7054 DQ15125 DQ06891 A20337 14M7167 CQ06671 CQ17741 N120831 DQ15473 DQ15469 CQ06934 14M7031 AA22584 14M7140 12M7066 AA27594 03M7079 DQ24855 11M7030 DQ14147 CQ14145 CQ23858 DQ23859 DQ24288 DQ23868 DQ17857 19M7167 CQ16301 DQ07039 AL14207 DQ18524 AZ12881 DQ02168 24M7038 14M7168 03M7083 DQ24125 PORCA SEXT ARRUELA PRESSAO PARAF FRANCES FLANGE ROLAMENTO ESPACADOR PORCA AUTOFREN ARRUELA LISA ENGRENAGEM ESPACADOR ENGRENAGEM ENGRENAGEM PARAFUSO PORCA SEXT BRACO PORCA SEXT ARRUELA PRESSAO SUPORTE PARAF FRANCES ESTRUTURA CONTRAPINO EIXO EIXO EIXO EIXO ESTRUTURA ENGRENAGEM ENGRENAGEM PARAFUSO SEXT ESPACADOR CORRENTE ELO EMENDA CORRENTE ELO DE REDUCAO CORRENTE ARRUELA LISA PORCA AUTOFREN PARAF FRANCES BRAÇO AR AR AR AR AR AR AR AR AR AR AR 7 1 0 R F 7 1 2 7 1 6 X X X X X X X X X X X X X X X X X X X X X X X X X X X X X X X X X X X X X X X M8 5MM M8X20 M10 10,5X24X2MM Z 10 Z16, 18, 30, 36 Z 18,24 E 36 M12 M12 M10 10MM M10X55 5X40MM Z 14, 28 Z 14 M10X25 L 76 L 73 L 64 14X24MM M12 M12X35 30.016 - - - - - - - - - - - - - - - - - - - - - - - - - - - - - - - - - - - - - - - ITEM NÚMERO DESCRIÇÃO QTDE OBSERVAÇÕESNO. SÉRIE
  • 34.
    PLANTADEIRAS SLC-JOHN DEERE710RF, 712 E 716 CQ30174 Nov98 30.017
  • 35.
    Nov98PLANTADEIRAS SLC-JOHN DEERE710RF, 712 E 716 CQ30174 INDICE DE GRUPO - UNIDADE DE ADUBO
  • 36.
    PLANTADEIRAS SLC-JOHN DEERE710RF, 712 E 716 CQ30174 Nov98 SUPORTE DA CAIXA DE ADUBO 40.001
  • 37.
    PLANTADEIRAS SLC-JOHN DEERE710RF, 712 E 716 CQ30174 Nov98 1 2 3 4 5 6 7 8 9 10 11 12 13 14 15 16 17 18 19 20 21 22 23 24 25 26 27 28 29 30 31 32 33 34 35 CQ21804 CQ07086 CQ07088 CQ07084 CQ07084 CQ07087 CQ07089 CQ07085 CQ07085 11M7030 CQ34269 CQ14189 CQ13802 CQ14172 11M7032 11M7040 DQ19837 DQ19836 03M7017 24M7178 14M7152 CQ19702 24M7040 19M7167 19M7180 CQ29751 CQ14006 CQ16128 CQ31348 DQ15378 DQ17984 19M7168 A23441 14M7140 14M7168 24M7038 DQ18045 DQ18044 CQ14626 19M7327 14M7167 19M7166 CQ14698 12M7066 CQ23849 CQ23850 CQ31848 CQ31849 11M7032 PROTECAO S FIM TXA ALTA S FIM TXA MEDIA S FIM TXA BAIXA S FIM TXA BAIXA S FIM TXA ALTA S FIM TXA MEDIA S FIM TXA BAIXA S FIM TXA BAIXA CONTRAPINO EIXO ACOPLAMENTO ACOPLAMENTO ACOPLAMENTO CONTRAPINO CONTRAPINO TERMINAL ESQ TERMINAL DIR PARAF FRANCES ARRUELA LISA PORCA SEXT PROTECAO ARRUELA LISA PARAFUSO SEXT PARAF SEXT FIXADOR MANGUEIRA MANGUEIRA MANGUEIRA ABRACADEIRA ASSENTO PARAFUSO SEXT ARR DE BORRACHA PORCA SEXT PORCA AUTOFREN ARRUELA LISA SUPORTE ESQ SUPORTE DIR PARAFUSO PARAF SEXT PORCA AUTOFREN PARAFUSO SEXT ESPACADOR ARRUELA PRESSAO SUPORTE DIR SUPORTE ESQ SEM-FIM DIR SEM FIM ESQ CONTRAPINO AR AR AR AR AR AR AR AR AR AR AR 2 AR 8 AR AR AR 2 AR AR AR AR AR AR 7 1 0 R F 7 1 2 7 1 6 X X X X X X X X X X X X X X X X X X X X X X X X X X X X X X X X X X X X X X X X X X X X X X X X X X X X X X X X X X X X X X X X X X X X X X X X X X X X X X X X X X X X X X X X X X X X X X X X X X X X X X X X X X X X X X X X X X X X X X X X X X X X X X X X X X X X X X X X X X X X X X X RH RH RH ACESSORIO/ACESORIO/ACCES LH LH LH ACESSORIO/ACESORIO/ACCES 5X40MM 179MM 89MM 59MM 5X50MM 6,3X50MM INCL KEYS 36 INCL KEYS 36 M10X25 10,5X30X2,5MM M10 11X21X2MM M10X25 M10X45 (A) (B) M10X30 M10 M12 14X24MM 712 E 716 712 E 716 712 E 716 712 E 716 M10X65 M10 M10X20 10MM 5X50MM 40.002 (A) (B) COM CHASSI 6100, 8100MM SULCADOR DE ADUBO COM DISCOS DESENCONTRADOS - - - - - - - - - - - - - - - - - - - - - - - - - - - - - - - - - - - - - - - - - - - - - - - - - ITEM NÚMERO DESCRIÇÃO QTDE OBSERVAÇÕESNO. SÉRIE
  • 38.
    PLANTADEIRAS SLC-JOHN DEERE710RF, 712 E 716 CQ30174 Nov98 CAIXA DO ADUBO (1908-) 1 2 3 4 5 6 7 8 9 10 11 12 DQ16622 CQ18038 DQ20669 CQ16621 14M7029 12M7065 CQ01249 CQ18007 24M7026 19M7163 DQ19095 19M7139 TAMPA TIRANTE DECALCO CAIXA DE ADUBO PORCA SEXT ARRUELA PRESSAO ARRUELA LISA ESPACADOR ARRUELA LISA PARAFUSO SEXT MOLDURA PARAFUSO 1 2 1 1 AR AR AR 4 AR AR 2 AR 7 1 0 R F 7 1 2 7 1 6 X X X X X X X X X X X X X X X X X X X X X X X X X X X X X X X X X X X X M8 5MM 9X28MM 9X17X1,6 M8X25 M8X20 40.003 - - - - - - - - - - - - ITEM NÚMERO DESCRIÇÃO QTDE OBSERVAÇÕESNO. SÉRIE
  • 39.
    PLANTADEIRAS SLC-JOHN DEERE710RF, 712 E 716 CQ30174 Nov98 40.004
  • 40.
    PLANTADEIRAS SLC-JOHN DEERE710RF, 712 E 716 CQ30174 Nov98 SULCADOR DO ADUBO - DISCO DUPLO 40.005
  • 41.
    PLANTADEIRAS SLC-JOHN DEERE710RF, 712 E 716 CQ30174 Nov98 1 2 3 4 5 6 7 8 9 10 11 12 13 14 15 16 17 18 19 20 21 22 23 24 25 26 27 28 29 30 31 32 33 34 35 36 37 38 39 40 41 42 43 44 45 46 47 48 49 50 51 52 53 54 55 56 11M7027 A24173 CQ06679 CQ06673 14M7260 19M7560 A49190 A49192 12M7069 14M7142 AA35446 A23662 14M7168 19M7414 03M7088 24M7040 12M7066 14M7140 A24085 A26264 19M7167 DQ22203 DQ07141 A27696 A27707 CQ07169 14M7158 CQ07077 A26714 19M7163 B35912 B35913 DQ15304 DQ12714 CQ08594 CQ07075 CQ12694 DQ09885 CQ13157 DQ12711 CQ12679 12M7006 14M7027 CQ12684 58M5573 CQ21541 CQ12693 CQ21757 CQ22761 DQ16261 CQ23207 DQ21768 14M7166 DQ18645 CQ22383 CQ21620 DQ22107 CQ23098 CONTRAPINO PINO ARRUELA LISA PORCA SEXT ESQ PORCA SEXT DIR PARAF SEXT PARAFUSO "U" CALCO ARRUELA PRESSAO PORCA SEXT SUPORTE BUCHA PORCA AUTOFREN PARAF SEXT PARAF FRANCES ARRUELA LISA ARRUELA PRESSAO PORCA SEXT RASPADOR SUPORTE PARAFUSO SEXT CAVALETE CONJ DA MOLA OBTURADOR MOLA OBTURADOR PORCA SEXT PARAF SEXT PINO PARAFUSO SEXT CALCO RASPADOR TUBO DESCARGA CONJ DISCO PARAF FENDA DISCO ESPACADOR RETENTOR ARRUELA LISA ROLAMENTO FLANGE ARRUELA PRESSAO PORCA SEXT TAMPA GRAXEIRA ARRUELA LISA ESPACADOR DISCO 13,5 FLANGE ROLAMENTO ANEL PENETRACAO TAMPA PORCA SEXT SUPORTE ESQ ARRUELA PROTECAO RETENTOR PARAFUSO AR 2 AR AR 2 AR AR AR AR AR AR AR AR 2 AR AR AR AR AR 2 2 2 2 2 AR AR 2 AR AR AR AR AR AR AR 2 2 12 7 1 0 R F 7 1 2 7 1 6 X X X X X X X X X X X X X X X X X X X X X X X X X X X X X X X X X X X X X X X X X X X X X X X X X X X X X X X X X X X X X X X X X X X X X X X X X X X X X X X X X X X X X X X X X X X X X X X X X X X X X X X X X X X X X X X X X X X X X X X X X X X X X X X X X X X X X X X X X X X X X X X X X X X X X X X X X X X X X X X X X X X X X X X X X X X X X X 5X28MM 17X27X2,65MM M16 M16 M6X16 16MM M16 M12 M12X90 M10X20 11X21X2MM 10MM M10 M10X25 INCL KEYS 23-25 M16 M16X36,5 M8X25 INCL KEYS 34-42 M6X35 35X45MM 6MM M6 M6 20,5X32MM M8 M8X25 40.006 - - - - - - - - - - - - - - - - - - - - - - - - - - - - - - - - - - - - - - - - - - - - - - - - - - - - - - - - - - ITEM NÚMERO DESCRIÇÃO QTDE OBSERVAÇÕESNO. SÉRIE
  • 42.
    PLANTADEIRAS SLC-JOHN DEERE710RF, 712 E 716 CQ30174 Nov98 SULCADOR DO ADUBO - DISCO SIMPLES 40.007
  • 43.
    PLANTADEIRAS SLC-JOHN DEERE710RF, 712 E 716 CQ30174 Nov98 1 2 3 4 5 6 7 8 9 10 11 12 13 14 15 16 17 18 19 20 21 22 23 24 25 26 27 28 29 30 31 32 33 34 35 36 37 38 14M7031 12M7067 24M7038 CQ07212 A48737 CQ23642 A48736 CQ15710 CQ16408 12M7069 14M7142 19M7167 34M7040 A48974 11M7028 KK4446 14M7027 DQ17738 A48738 24M7040 CQ34274 DQ30615 DQ30614 19M7415 CQ06670 A48732 E20664 U41936 CQ15702 58M5575 CQ09052 12M7066 CQ17270 CQ16042 CQ30113 CQ30049 DQ19648 DQ19647 CQ19644 03M7068 CQ01248 12M7006 PORCA SEXT ARRUELA PRESSAO ARRUELA LISA PARAF FRANCES CUNHA SUPORTE SUPORTE PARAFUSO "U" ARRUELA LISA ARRUELA PRESSAO PORCA SEXT PARAFUSO SEXT PINO ELASTICO ENGATE CONTRAPINO PINO PORCA SEXT ESPACADOR PINO ARRUELA LISA PARAFUSO BRAÇO DIR BRAÇO ESQ PARAF SEXT ARRUELA LISA LUVA ARRUELA LISA BUCHA BUCHA GRAXEIRA PINO ARRUELA PRESSAO MOLA MOLA SUPORTE DIR SUPORTE ESQ SUPORTE DIR SUPORTE ESQ RASPADOR PARAF FRANCES ARRUELA LISA ARRUELA PRESSAO AR AR AR AR AR AR AR AR 2 AR AR AR 2 AR 2 AR 7 1 0 R F 7 1 2 7 1 6 X X X X X X X X X X X X X X X X X X X X X X X X X X X X X X X X X X X X X X X X X X X X X X X X X X X X X X X X X X X X X X X X X X X X X X X X X X X X X X X X X X X X X X X X X X X X X X X X X X X X X X X X X X X X X X X X X X X X X X X X X X X X X X M12 12MM 14X24MM M12X65 16,5X40MM 16MM M16 M10X25 6X30MM 5X32MM M6 11X21X2MM M16X300 M12X130 13X38MM M10 10MM M6X20 6,4X18MM 6MM 40.008 - - - - - - - - - - - - - - - - - - - - - - - - - - - - - - - - - - - - - - - - - - ITEM NÚMERO DESCRIÇÃO QTDE OBSERVAÇÕESNO. SÉRIE
  • 44.
    PLANTADEIRAS SLC-JOHN DEERE710RF, 712 E 716 CQ30174 Nov98 SULCADOR DO ADUBO - DISCO SIMPLES 40.009
  • 45.
    PLANTADEIRAS SLC-JOHN DEERE710RF, 712 E 716 CQ30174 Nov98 1 2 3 4 5 6 7 8 9 10 11 12 13 14 15 16 17 18 19 20 21 22 23 24 25 26 27 28 29 30 31 32 19M7163 12M7065 CQ01249 A48720 CQ20072 DQ24512 A51614 DQ06749 19M6811 19M8049 24M7178 H139125 H139126 14M7140 DQ34144 DQ34145 19M7728 CQ06670 14M7168 58M5573 CQ16256 CQ01248 19M6614 12M7066 03M7098 19M7179 CQ19688 40M1867 CQ21922 A48726 14M7166 19M8397 AA26234 B32687 PARAFUSO SEXT ARRUELA PRESSAO ARRUELA LISA DISCO PORCA SEXT CUBO ESPACADOR ROLAMENTO PARAF SEXT PARAFUSO ARRUELA LISA TUBO ESQ TUBO DIR PORCA SEXT SUPORTE DIR SUPORTE ESQ PARAF SEXT ARRUELA LISA PORCA AUTOFREN GRAXEIRA RASPADOR ARRUELA LISA PARAFUSO ARRUELA PRESSAO PARAF FRANCES PARAF SEXT CUBO ANEL ELASTICO EIXO SUPORTE PORCA SEXT PARAFUSO SEXT RETENTOR ANEL AR AR AR 2 2 AR AR AR AR AR AR 2 AR AR 2 AR AR 2 AR AR 2 2 7 1 0 R F 7 1 2 7 1 6 X X X X X X X X X X X X X X X X X X X X X X X X X X X X X X X X X X X X X X X X X X X X X X X X X X X X X X X X X X X X X X X X X X X X X X X X X X X X X X X X X X X X X X X X X X X X X X X X X X X X X X M8X25 5MM 9X28MM M30 INCL KEYS 5,7,8,25-27,31 M6X25 M10X80 10,5X30X2,5MM M10 M12X120 13X38MM M12 M6 6,4X18MM M6X12 10MM M10X35 M10X50 60X2MM M8 M8X50 40.010 - - - - - - - - - - - - - - - - - - - - - - - - - - - - - - - - - - ITEM NÚMERO DESCRIÇÃO QTDE OBSERVAÇÕESNO. SÉRIE
  • 46.
    PLANTADEIRAS SLC-JOHN DEERE710RF, 712 E 716 CQ30174 Nov98 SULCADOR DO ADUBO - DISCO SIMPLES 40.011
  • 47.
    PLANTADEIRAS SLC-JOHN DEERE710RF, 712 E 716 CQ30174 Nov98 1 2 3 4 5 6 7 8 9 10 11 12 13 14 15 16 17 18 11M7027 14M7165 24M7099 DQ16261 CQ22761 DQ22107 03M7093 CQ21620 DQ30512 DQ30516 DQ30961 DQ30960 58M5573 CQ22383 CQ06673 14M7260 CQ06679 14M7166 CQ22280 CQ09017 19M6614 A49918 DQ21768 CONTRAPINO PORCA SEXT ARRUELA LISA ROLAMENTO FLANGE RETENTOR PARAF FRANCES PROTECAO BRAÇO DIR BRAÇO ESQ BRAÇO DIR BRAÇO ESQ GRAXEIRA ARRUELA PORCA SEXT ESQ PORCA SEXT DIR ARRUELA LISA PORCA SEXT ARO ARO PARAFUSO PNEU TAMPA AR AR 2 2 AR AR AR AR AR AR 1 1 AR 4266 4266 4266 4007 4007 4266 4007 4006 4006 4265 7 1 0 R F 7 1 2 7 1 6 X X X X X X X X X X X X X X X X X X X X X X X X X X X X X X X X X X X X X X X X X X X X X X X X X X X X X X X X X X X X X X X X X X X X X 5X28MM M6 21X33MM M8X25 M6 M16 M16 17X27X2,65MM M8 M6X12 40.012 - - - - - - - - - - - - - - - - - - - - - - - ITEM NÚMERO DESCRIÇÃO QTDE OBSERVAÇÕESNO. SÉRIE
  • 48.
    PLANTADEIRAS SLC-JOHN DEERE710RF, 712 E 716 CQ30174 Nov98 SULCADOR DO ADUBO DISCO DESENCONTRADO 40.013
  • 49.
    PLANTADEIRAS SLC-JOHN DEERE710RF, 712 E 716 CQ30174 Nov98 1 2 3 4 5 6 7 8 9 10 11 12 13 14 15 16 17 18 19 20 21 22 23 24 25 26 27 28 29 30 31 32 33 34 35 36 37 38 39 40 41 42 43 44 45 46 47 19M7342 CQ06679 14M7170 CQ25117 CQ23787 CQ23789 CQ23752 CQ23744 N134513 11M7027 CQ20824 CQ34021 CQ23788 CQ23486 19M7408 14M7167 14M7230 58M5573 DQ21768 CQ29743 DQ34023 58M5579 CQ34024 U41936 CQ09052 E20664 CQ06670 19M7415 12M7067 14M7031 CQ21747 CQ21748 14M7166 CQ23098 19M7139 CQ33918 CQ33919 CQ22383 CQ21620 DQ22107 CQ21758 CQ22761 DQ16261 CQ06679 14M7260 CQ06673 24M7026 12M7065 CQ02151 CQ15702 58M5574 PARAF SEXT ARRUELA LISA PORCA AUTOFREN SUPORTE SUPORTE ARRUELA MOLA MOLA MOLA CONTRAPINO PINO SUPORTE PINO PINO ELÁSTICO PARAF SEXT PORCA AUTOFREN PORCA SEXT GRAXEIRA TAMPA TUBO DESCARGA SUPORTE GRAXEIRA PARAF.C/OLHAL BUCHA PINO ARRUELA LISA ARRUELA LISA PARAF SEXT ARRUELA PRESSAO PORCA SEXT CALÇO RASPADOR PORCA SEXT PARAFUSO PARAFUSO EIXO DIR EIXO ESQ ARRUELA PROTECAO RETENTOR DISCO FLANGE ROLAMENTO ARRUELA LISA PORCA SEXT DIR PORCA SEXT ESQ ARRUELA LISA ARRUELA PRESSAO ARRUELA LISA BUCHA GRAXEIRA AR AR AR AR 2 2 2 2 2 2 2 AR AR AR AR AR 7 1 0 R F 7 1 2 7 1 6 X X X X X X X X X X X X X X X X X X X X X X X X X X X X X X X X X X X X X X X X X X X X X X X X X X X X X X X X X X X X X X X X X X X X X X X X X X X X X X X X X X X X X X X X X X X X X X X X X X X X X X X X X X X X X X X X X X X X X X X X X X X X X X X X X X X X X X X X X X X X X X X X X X X X X X X X X M16X55 17X27X2,65MM M16 (A) (C) (B) 5X28MM M10X90 M10 M20 M6 M8 13X38MM M12X130 12MM M12 M8 M8X25 M8X20 17X27X2,65MM M16 M16 9X17X1,6 5MM 20,5X45MM M8 40.014 (A) (B) (C) PLANTIO DIRETO LEVE PLANTIO DIRETO PESADO PLANTIO CONVENCIONAL - - - - - - - - - - - - - - - - - - - - - - - - - - - - - - - - - - - - - - - - - - - - - - - - - - - ITEM NÚMERO DESCRIÇÃO QTDE OBSERVAÇÕESNO. SÉRIE
  • 50.
    PLANTADEIRAS SLC-JOHN DEERE710RF, 712 E 716 CQ30174 Nov98 40.015
  • 51.
    Nov98PLANTADEIRAS SLC-JOHN DEERE710RF, 712 E 716 CQ30174 INDICE DE GRUPO - UNIDADE DE PLANTIO
  • 52.
    Nov98PLANTADEIRAS SLC-JOHN DEERE710RF, 712 E 716 CQ30174 INDICE DE GRUPO - UNIDADE DE PLANTIO
  • 53.
    PLANTADEIRAS SLC-JOHN DEERE710RF, 712 E 716 CQ30174 Nov98 BRACOS PARALELOS 50.001
  • 54.
    PLANTADEIRAS SLC-JOHN DEERE710RF, 712 E 716 CQ30174 Nov98 1 2 3 4 5 6 7 8 9 10 11 12 13 14 15 16 17 18 19 20 21 22 23 24 25 26 27 28 29 30 31 32 33 34 35 36 37 38 39 40 41 42 43 CQ13630 CQ13630 CQ13629 14M7170 CQ16817 CQ04844 19M7342 19M7179 CQ14621 CQ13593 12M7066 14M7140 CQ06671 19M7343 19M7481 CQ06693 CQ06627 DQ06666 CQ16931 19M6614 12M7006 14M7027 DQ06626 A22561 19M7167 A40635 DQ06680 A23372 DQ16813 14M7167 CQ16812 DQ16811 DQ15323 CQ14621 19M7342 DQ16814 A23789 CQ06776 CQ16408 CQ06667 CQ29499 N120831 CQ30637 DQ34337 CQ17741 03M7079 SUPORTE SUPORTE SUPORTE PORCA AUTOFREN BUCHA ARRUELA LISA PARAF SEXT PARAF SEXT CANTONEIRA ESPACADOR ARRUELA PRESSAO PORCA SEXT ARRUELA LISA PARAF SEXT PARAFUSO ANEL ELASTICO FLANGE ROLAMENTO BUCHA PARAFUSO ARRUELA PRESSAO PORCA SEXT ENGRENAGEM PARAFUSO "U" PARAFUSO SEXT CANTONEIRA ENGREN CORRENTE CANTONEIRA BRACO SUPERIOR PORCA AUTOFREN BRACO SUPERIOR BRACO INFERIOR SUPORTE CANTONEIRA PARAF SEXT BRACO INFERIOR BUCHA ARRUELA LISA ARRUELA LISA PARAF FRANCES SUPORTE ESPACADOR MOLA BRAÇO ENGRENAGEM PARAF FRANCES 2 1 AR AR AR AR 2 4 AR AR AR AR 2 AR AR AR 2 AR 2 2 AR AR AR AR 2 2 AR 7 1 0 R F 7 1 2 7 1 6 X X X X X X X X X X X X X X X X X X X X X X X X X X X X X X X X X X X X X X X X X X X X X X X X X X X X X X X X X X X X X X X X X X X X X X X X X X X X X X X X X X X X X X X X X X X X X X X X X X X X X X X X X X X X X X X X X X X X X X X X X X X X X X X X X X X X X X X X X M16 16,5X40MM M16X55 M10X50 LH 10MM M10 10,5X24X2MM (A) M16X60 (D) M16X80 (E) 25X1,2MM RH M6X12 6MM M6 LH 213MM 712, 716 M10X25 LH Z 19 INCL KEYS 14-16, 18-21 LH RH (B) M10 (A) (C) (C) 710(5/6AM) 712(6AM) RH 712(6AM)RH M16X55 (B) 18X34MM (D) 16,5X40MM (E) M10X90 Z 10 M10X55 50.002 (A) (B) (C) (D) (E) COM LINHA LONGA LONGO CURTO SEM ACESSÓRIO DE PRESSÃO COM ACESSORIO DE PRESSÃO - - - - - - - - - - - - - - - - - - - - - - - - - - - - - - - - - - - - - - - - - - - - - - ITEM NÚMERO DESCRIÇÃO QTDE OBSERVAÇÕESNO. SÉRIE
  • 55.
    PLANTADEIRAS SLC-JOHN DEERE710RF, 712 E 716 CQ30174 Nov98 MOLAS DE PRESSÃO 1 2 3 4 5 6 7 8 9 10 11 12 13 14 15 CQ04315 CQ15930 CQ15931 14M7031 12M7067 19M7744 CQ07107 CQ16299 A31889 DQ16310 AA28046 DQ15934 14M7170 CQ21004 CQ04844 19M7481 19M7387 PARAFUSO SEXT EIXO SUPORTE PORCA SEXT ARRUELA PRESSAO PARAFUSO SEXT OBTURADOR MOLA MOLA CONJ MOLA CONJ MOLA SUPORTE PORCA AUTOFREN ARRUELA LISA ARRUELA LISA PARAFUSO PARAF SEXT 2 AR AR AR 2 2 2 2 2 AR 2 2 AR AR 7 1 0 R F 7 1 2 7 1 6 X X X X X X X X X X X X X X X X X X X X X X X X X X X X X X X X X X X X X X X X X X X X X X X X X X X M12X150 M12 (A) 12MM M12X35 (A) (B) INCL KEYS 7, 8 (A) INCL KEYS 7, 8 (B) M16 16,5X50MM 16,5X40MM M16X80 M12X40 50.003 (A) (B) PARA LINHA LONGA PARA LINHA CURTA - - - - - - - - - - - - - - - - - ITEM NÚMERO DESCRIÇÃO QTDE OBSERVAÇÕESNO. SÉRIE
  • 56.
    PLANTADEIRAS SLC-JOHN DEERE710RF, 712 E 716 CQ30174 Nov98 IMPULSOR DA TRANSMISSÃO DA SEMENTE 1 2 3 4 5 6 7 8 9 10 11 12 13 14 15 16 17 18 19 20 21 22 23 24 25 B27397 14M7029 12M7065 CQ01249 24M7026 19M7288 40M1828 34M7040 DQ06793 DQ07034 AL14207 DQ18563 CQ18317 DQ18013 DQ18648 CQ18647 J16931N 58M5573 40M1862 CQ13157 CQ22443 DQ27475 CQ27485 CQ27474 34M7033 34M7023 MOLA PORCA SEXT ARRUELA PRESSAO ARRUELA LISA ARRUELA LISA PARAFUSO ANEL ELASTICO PINO ELASTICO CORRENTE CORRENTE ELO EMENDA ENGRENAGEM CAIXA RETENTOR ROLAMENTO ESPACADOR CONTRAPINO GRAXEIRA ANEL ELASTICO ARRUELA LISA MANIPULO CONJ ACIONAMENTO EIXO TERMINAL PINO ELASTICO PINO ELASTICO AR AR AR AR AR AR AR AR AR 2 2 2467 2467 2467 2467 2467 2467 2467 2467 2467 7 1 0 R F 7 1 2 7 1 6 X X X X X X X X X X X X X X X X X X X X X X X X X X X X X X X X X X X X X X X X X X X X X X X X X X X X X X X X X X X X X X X X X X X X X X X X X X X X X X M8 5MM 9X28MM 9X17X1,6 M8X30 25X1,2MM 6X30MM L 172 INCL KEYS 17 L 98 INCL KEYS 17 Z 19 M6 45X1,75MM 35X45MM INCL KEYS 22,23,24,25 M5X30 M3X28 50.004 - - - - - - - - - - - - - - - - - - - - - - - - - - ITEM NÚMERO DESCRIÇÃO QTDE OBSERVAÇÕESNO. SÉRIE
  • 57.
    PLANTADEIRAS SLC-JOHN DEERE710RF, 712 E 716 CQ30174 Nov98 SUPORTE DA CAIXA DE SEMENTES 1 2 3 4 5 6 7 8 9 10 11 12 13 14 15 16 17 18 19 20 19M7168 12M7066 CQ06671 CQ06659 A24092 14M7140 24M7040 A25659 DQ15268 CQ06663 03M7092 DQ34025 03M7017 03M7079 CQ17741 DQ34337 14M7167 N120831 CQ30637 CQ06667 PARAFUSO SEXT ARRUELA PRESSAO ARRUELA LISA ARR DE BORRACHA BUCHA PORCA SEXT ARRUELA LISA SUPORTE SUPORTE PORCA SEXT PARAF FRANCES PRESILHA PARAF FRANCES PARAF FRANCES ENGRENAGEM BRAÇO PORCA AUTOFREN ESPACADOR MOLA PARAF FRANCES AR AR AR 2 AR AR 2 AR AR AR 2 AR 2 AR 7 1 0 R F 7 1 2 7 1 6 X X X X X X X X X X X X X X X X X X X X X X X X X X X X X X X X X X X X X X X X X X X X X X X X X X X X X X X X X X X X M10X30 10MM 10,5X24X2MM M10 11X21X2MM M6 M6X16 M10X25 M10X55 Z 10 M10 M10X90 50.005 - - - - - - - - - - - - - - - - - - - - ITEM NÚMERO DESCRIÇÃO QTDE OBSERVAÇÕESNO. SÉRIE
  • 58.
    PLANTADEIRAS SLC-JOHN DEERE710RF, 712 E 716 CQ30174 Nov98 CAIXA DE SEMENTES (1908-) 1 2 3 4 5 6 7 8 9 10 11 12 13 14 15 16 17 18 19 CQ16620 CQ16619 CQ30940 CQ19814 CQ19813 12M7006 CQ01248 03M7068 A21710 14M7027 CQ06910 CQ06671 DQ07027 03M7092 24M7026 19M7139 14M7140 A25655 CQ19826 CQ19823 TAMPA CAIXA SEMENTE TIRANTE SUPORTE DIR SUPORTE ESQ ARRUELA PRESSAO ARRUELA LISA PARAF FRANCES ARR DE BORRACHA PORCA SEXT PORCA SEXT ARRUELA LISA RETENTOR PARAF FRANCES ARRUELA LISA PARAFUSO PORCA SEXT TIRA ESPACADOR ARRUELA LISA 2 AR AR AR AR AR AR AR AR AR AR AR AR 7 1 0 R F 7 1 2 7 1 6 X X X X X X X X X X X X X X X X X X X X X X X X X X X X X X X X X X X X X X X X X X X X X X X X X X X X X X X X X X X X 6MM 6,4X18MM M6X20 6,8X22,22MM M6 M8 10,5X24X2MM M6X16 9X17X1,6 M8X20 M10 50.006 - - - - - - - - - - - - - - - - - - - - ITEM NÚMERO DESCRIÇÃO QTDE OBSERVAÇÕESNO. SÉRIE
  • 59.
    PLANTADEIRAS SLC-JOHN DEERE710RF, 712 E 716 CQ30174 Nov98 50.007
  • 60.
    PLANTADEIRAS SLC-JOHN DEERE710RF, 712 E 716 CQ30174 Nov98 MECANISMO DISTRIBUIDOR DE SEMENTES PARA SOJA 1 2 3 4 5 6 7 8 9 10 DQ07479 DQ30630 A24641 DQ07181 CQ06907 AA28036 34M7042 DQ06889 CQ07231 14M7019 ALIMENT DE COPO ADAPTADOR PRATO-SOJA COPO EIXO FLANGE PINO ELASTICO CONJ EIXO ARRUELA DENTADA PORCA BORBOLETA AR AR AR 7 1 0 R F 7 1 2 7 1 6 X X X X X X X X X X X X X X X X X X X X X X X X X X X X X X INCL KEYS 2-10 6X40MM INCL KEYS 6, 7 6,4MM M8X34.75 50.008 - - - - - - - - - - ITEM NÚMERO DESCRIÇÃO QTDE OBSERVAÇÕESNO. SÉRIE
  • 61.
    PLANTADEIRAS SLC-JOHN DEERE710RF, 712 E 716 CQ30174 Nov98 MECANISMO DISTRIBUIDOR DE SEMENTES PARA MILHO 50.009
  • 62.
    PLANTADEIRAS SLC-JOHN DEERE710RF, 712 E 716 CQ30174 Nov98 1 2 3 4 5 6 7 8 9 10 11 12 13 14 15 16 17 18 19 21 22 23 24 25 26 27 28 29 DQ29276 CQ06663 A22796 A22451 A22795 AA22780 19M6614 19M7320 A22305 A21578 34H316 34H286 34H314 AA38077 A49604 A33969 B31551 B30275 A22307 B31364 11M7023 CQ28224 DQ24723 A25542 21H1295 A22771 19M7560 DQ14536 CONJ DEDOS PORCA SEXT TAMPA CORREIA ACIONADOR ALOJAMENTO PARAFUSO PARAF SEXT ROLO BUCHA PINO ELASTICO PINO ELASTICO PINO ELASTICO ESCOVA PRATO PARAF FENDA MOLA DEDO RECIP DOS DEDOS TAMPA CONTRAPINO GUIA CONJ ROLAMENTO FLANGE PARAF FENDA CAME PARAF SEXT GRAFITE EM PO AR AR AR AR AR AR AR 12 12 AR 7 1 0 R F 7 1 2 7 1 6 X X X X X X X X X X X X X X X X X X X X X X X X X X X X X X X X X X X X X X X X X X X X X X X X X X X X X X X X X X X X X X X X X X X X X X X X X X X X X X X X X X X X M6 M6X12 M6X40 1/4"X 1 1/2" 3/16"X1.1/2" 1/4"X1 1/4" 4X32MM INCL KEYS 2-28 INCL KEYS 11-13 M6X16 2,2 KG 50.010 - - - - - - - - - - - - - - - - - - - - - - - - - - - - ITEM NÚMERO DESCRIÇÃO QTDE OBSERVAÇÕESNO. SÉRIE
  • 63.
    PLANTADEIRAS SLC-JOHN DEERE710RF, 712 E 716 CQ30174 Nov98 MECANISMO DISTRIBUIDOR DE SEMENTES RADIALMETER 50.011
  • 64.
    PLANTADEIRAS SLC-JOHN DEERE710RF, 712 E 716 CQ30174 Nov98 1 2 3 4 5 6 7 8 9 10 11 12 13 14 15 16 17 18 19 20 21 22 AA46258 AA45060 A59019 A55929 AA40971 A59475 A56381 21M7252 AA43950 14M7019 AA41053 A55413 34M7132 A63398 NSEP071 NSEP072 NSEP050 AA43951 A59015 A55630 34H314 AA45061 ROLAMENTO CARCAÇA MOLA PARAFUSO FRANCÊS CUBO ANEL ESCOVA PARAFUSO ESCOVA PORCA BORBOLETA LIMITADOR TAMPA PINO ELÁSTICO PARAFUSO SUPLEMENTO ROLO BRACO EJETOR MOLA BLINDAGEM PINO ELASTICO MEDIDOR 1 1 1 3 1 1 1 1 1 3 1 1 1 1 1 1 1 1 1 1 1 1 7 1 0 R F 7 1 2 7 1 6 X X X X X X X X X X X X X X X X X X X X X X X X X X X X X X X X X X X X X X X X X X X X X X X X X X X X X X X X X X X X X X X X X X M4X16 M8X34.75 M8X34.75 1/4"X1 1/4" 50.012 - - - - - - - - - - - - - - - - - - - - - - ITEM NÚMERO DESCRIÇÃO QTDE OBSERVAÇÕESNO. SÉRIE
  • 65.
    PLANTADEIRAS SLC-JOHN DEERE710RF, 712 E 716 CQ30174 Nov98 UNIDADE DE PLANTAR 50.013
  • 66.
    PLANTADEIRAS SLC-JOHN DEERE710RF, 712 E 716 CQ30174 Nov98 1 2 3 4 5 6 7 8 9 10 11 12 13 14 15 16 17 18 19 20 21 22 23 24 25 26 27 28 29 30 31 32 33 34 35 36 37 38 39 40 41 42 19M7166 12M7066 CQ30660 A42740 A42337 B16318 24M7178 11M7015 14M7140 03M7105 19M7343 CQ04844 CQ16817 A23785 14M7170 58M5574 DQ22201 CQ00642 A36370 A42737 58M5573 CQ06662 CQ06670 12M7067 19M7268 CQ08605 CQ08604 CQ22880 CQ22879 34M7010 CQ06628 34M7042 A42830 A42831 14M7029 12M7065 19M7297 19M7073 14M7031 DQ17762 J16931N Z24489 CQ15286 CQ15287 CQ18969 34M7035 34M7047 PARAFUSO SEXT ARRUELA PRESSAO CHAPA PUNHO PRATO MOLA ARRUELA LISA CONTRAPINO PORCA SEXT PARAF FRANCES PARAF SEXT ARRUELA LISA BUCHA BUCHA PORCA AUTOFREN GRAXEIRA CAVALETE ANEL ELASTICO PINO LIMITADOR GRAXEIRA ARRUELA LISA ARRUELA LISA ARRUELA PRESSAO PARAF SEXT BRACO DIR BRACO ESQ BRACO DIR BRACO ESQ PINO ELASTICO PINO ELASTICO PINO ELASTICO BRACO DIR BRACO ESQ PORCA SEXT ARRUELA PRESSAO PARAF SEXT PARAF SEXT PORCA SEXT LIMITADOR CONTRAPINO PINO BRACO DIR BRACO ESQ ESPACADOR PINO ELASTICO PINO ELASTICO AR AR AR AR AR AR AR AR 4 2 AR AR 2 AR AR AR AR AR AR AR AR AR AR AR AR AR 2 2 2 2 AR AR 1896 4266 7 1 0 R F 7 1 2 7 1 6 X X X X X X X X X X X X X X X X X X X X X X X X X X X X X X X X X X X X X X X X X X X X X X X X X X X X X X X X X X X X X X X X X X X X X X X X X X X X X X X X X X X X X X X X X X X X X X X X X X X X X X X X X X X X X X X X X X X X X X X X X X X X X X X X X X X X X X X X X X X X X M10X20 10MM 10,5X30X2,5MM 3,2X25MM M10 M10X75 M16X60 16,5X40MM M16 M8 13X1,0MM M6 25,8X30MM 13X38MM 12MM M12X25 (B) (B) 3X20MM 3,5X40MM 6X40MM M8 5MM M8X12 M12X50 710 (9AS) (C) M12 710 (9AS) (C) 710 (9AS) (C) 710 (9AS) (C) 710 (9AS) (C) (A) FIXA/FIJA/FIX (A) FIXA/FIJA/FIX (A) 5X40MM (A) 8X40MM (A) 50.014 (A) (B) (C) PARA PLANTIO CONVENCIONAL COM ESPACAMENTO DE 390MM ENTRE LINHAS PARA ESPAÇAMENTO 400MM PARA LINHA LONGA - - - - - - - - - - - - - - - - - - - - - - - - - - - - - - - - - - - - - - - - - - - - - - - ITEM NÚMERO DESCRIÇÃO QTDE OBSERVAÇÕESNO. SÉRIE
  • 67.
    PLANTADEIRAS SLC-JOHN DEERE710RF, 712 E 716 CQ30174 Nov98 SULCADOR DA SEMENTE 50.015
  • 68.
    PLANTADEIRAS SLC-JOHN DEERE710RF, 712 E 716 CQ30174 Nov98 1 2 3 4 5 6 7 8 9 10 11 12 13 14 15 16 17 18 19 20 21 22 23 24 25 26 27 28 29 30 31 32 33 34 35 36 CQ09252 03M7054 A22778 14M7029 14M7140 CQ06671 12M7066 19M7167 CQ09253 J16931N CQ06653 34M7038 34M7115 A41692 A25925 14M7166 CQ21428 CQ23207 CQ22761 CQ21766 CQ23098 CQ22107 CQ06673 14M7260 CQ21620 CQ22383 PS560316 12M7065 24M7026 DQ16261 03M7093 DQ19624 24M7040 CQ19625 03M7017 CQ06679 58M5573 RASPADOR DIR PARAF FRANCES PROTECAO PORCA SEXT PORCA SEXT ARRUELA LISA ARRUELA PRESSAO PARAFUSO SEXT RASPADOR ESQ CONTRAPINO PINO PINO ELASTICO PINO ELASTICO PROTECAO TUBO PORCA SEXT TAMPA ANEL PENETRACAO FLANGE DISCO 15'' PARAFUSO RETENTOR PORCA SEXT ESQ PORCA SEXT DIR PROTECAO ARRUELA KIT RASPADOR ARRUELA PRESSAO ARRUELA LISA ROLAMENTO PARAF FRANCES PROTECAO ARRUELA LISA RASPADOR PARAF FRANCES ARRUELA LISA GRAXEIRA AR AR AR AR AR AR AR AR 6 2 6 2 2 12 2 2 2 AR AR AR 7 1 0 R F 7 1 2 7 1 6 X X X X X X X X X X X X X X X X X X X X X X X X X X X X X X X X X X X X X X X X X X X X X X X X X X X X X X X X X X X X X X X X X X X X X X X X X X X X X X X X X X X X X X X X X X X X X X X X X X X X X X X X X X X X X X X M8X20 M8 M10 10,5X24X2MM 10MM M10X25 6X20MM 3,5X20MM M8 M8X25 M16 M16 (A) 5MM 9X17X1,6 M8X25 11X21X2MM M10X25 17X27X2,65MM M6 50.016 (A) INDICADO PARA SERVICOS PESADOS - - - - - - - - - - - - - - - - - - - - - - - - - - - - - - - - - - - - - ITEM NÚMERO DESCRIÇÃO QTDE OBSERVAÇÕESNO. SÉRIE
  • 69.
    PLANTADEIRAS SLC-JOHN DEERE710RF, 712 E 716 CQ30174 Nov98 RODA CALIBRADORA DE PROFUNDIDADE 1 2 3 4 5 6 7 8 9 10 11 CQ12781 A22884 40M1828 CQ24208 CQ22884 DQ13943 14M7166 19M7162 L18955 34M3865 58M5632 DQ12782 ARO PNEU ANEL ELASTICO EIXO EIXO ROLAMENTO PORCA SEXT PARAF SEXT CONTRAPINO PINO ELASTICO GRAXEIRA ROLAMENTO 4 2 AR 2 AR AR 2 AR AR 4266 7 1 0 R F 7 1 2 7 1 6 X X X X X X X X X X X X X X X X X X X X X X X X X X X X X X X X X X X X 25X1,2MM (A) INCL KEYS 10 M8 M8X16 6X24MM M6 INCL KEYS 10 50.017 (A) PARA ESPAÇAMENTO 400MM - - - - - - - - - - - - ITEM NÚMERO DESCRIÇÃO QTDE OBSERVAÇÕESNO. SÉRIE
  • 70.
    Nov98PLANTADEIRAS SLC-JOHN DEERE710RF, 712 E 716 CQ30174 INDICE DE GRUPO - UN. PLANTIO-RODAS COBRIDORAS, MONITOR DE PLANTIO
  • 71.
    PLANTADEIRAS SLC-JOHN DEERE710RF, 712 E 716 CQ30174 Nov98 RODA COBRIDORA (-4006) 60.001
  • 72.
    PLANTADEIRAS SLC-JOHN DEERE710RF, 712 E 716 CQ30174 Nov98 1 2 3 4 5 6 7 8 9 10 11 12 13 14 15 16 17 18 19 20 21 22 23 24 25 26 27 28 29 30 31 32 33 34 35 36 37 38 39 19M7158 CQ06670 A34723 14M7168 DQ19723 14M7031 CQ06678 34M7042 CQ06628 19M7169 12M7066 24M7178 A33879 A26166 CQ06681 58M5632 14M7166 19M7162 CQ09832 CQ12775 A22325 DQ12782 DQ12783 DQ22866 DQ22867 DQ22865 CQ21743 58M5574 CQ16266 CQ21749 CQ21750 CQ21744 DQ12711 CQ15282 CQ16260 CQ08586 CQ06673 14M7260 CQ14953 CQ00076 24M7040 12M7006 PARAF SEXT ARRUELA LISA BUCHA PORCA AUTOFREN BRACO PORCA SEXT PARAF SEXT PINO ELASTICO PINO ELASTICO PARAFUSO SEXT ARRUELA PRESSAO ARRUELA LISA LIMITADOR MOLA OBTURADOR GRAXEIRA PORCA SEXT PARAF SEXT RETENTOR RODA COBRIDORA PNEU ROLAMENTO CONJ RODA COBR CONJ RODA ESQ CONJ RODA DIR RODA COBRIDORA ANEL GRAXEIRA RODA COBRIDORA EIXO ESQ EIXO DIR CHAPA ROLAMENTO CALCO ESPACADOR ARRUELA LISA PORCA SEXT ESQ PORCA SEXT DIR TAMPA ANEL ELASTICO ARRUELA LISA ARRUELA PRESSAO AR AR 2 AR AR AR AR AR AR AR AR AR AR 2 2 2 2 2 2 2 AR 2 4 2 2 2 2 AR AR 7 1 0 R F 7 1 2 7 1 6 X X X X X X X X X X X X X X X X X X X X X X X X X X X X X X X X X X X X X X X X X X X X X X X X X X X X X X X X X X X X X X X X X X X X X X X X X X X X X X X X X X X X X M12X45 13X38MM M12 M12 M12X130 6X40MM 3,5X40MM M10X35 10MM 10,5X30X2,5MM M6 M8 M8X16 INCL KEYS 16 INCL KEYS 16-22 INCL KEYS 19, 25-37 INCL KEYS 19, 25-37 M8 17X25MM M16 M16 47X1,75MM 11X21X2MM 6MM 60.002 - - - - - - - - - - - - - - - - - - - - - - - - - - - - - - - - - - - - - - - - - - ITEM NÚMERO DESCRIÇÃO QTDE OBSERVAÇÕESNO. SÉRIE
  • 73.
    PLANTADEIRAS SLC-JOHN DEERE710RF, 712 E 716 CQ30174 Nov98 RODA COBRIDORA (4007-) 60.003
  • 74.
    PLANTADEIRAS SLC-JOHN DEERE710RF, 712 E 716 CQ30174 Nov98 1 2 3 4 5 6 7 8 9 10 11 12 13 14 15 16 17 18 19 20 21 22 23 24 25 26 27 28 29 30 31 32 33 34 35 36 19M7158 CQ06670 A34723 14M7168 DQ19723 14M7031 CQ06678 34M7042 CQ06628 19M7169 12M7066 24M7178 A33879 A26166 CQ06681 58M5632 14M7166 19M7162 CQ09832 CQ12775 A22325 DQ12782 DQ12783 DQ23388 24M7040 12M7006 DQ22107 CQ22688 DQ16261 CQ08586 14M7260 CQ06673 DQ21768 58M5573 12M7065 CQ21854 DQ24846 PARAF SEXT ARRUELA LISA BUCHA PORCA AUTOFREN BRACO PORCA SEXT PARAF SEXT PINO ELASTICO PINO ELASTICO PARAFUSO SEXT ARRUELA PRESSAO ARRUELA LISA LIMITADOR MOLA OBTURADOR GRAXEIRA PORCA SEXT PARAF SEXT RETENTOR RODA COBRIDORA PNEU ROLAMENTO CONJ RODA COBR BRACO ARRUELA LISA ARRUELA PRESSAO RETENTOR RODA COBRIDORA ROLAMENTO ARRUELA LISA PORCA SEXT DIR PORCA SEXT ESQ TAMPA GRAXEIRA ARRUELA PRESSAO PROTECAO CONJ DA RODA AR AR 2 AR 1 AR AR 2 2 AR AR AR 1 1 1 2 AR AR 2 4 2 2 2 1 AR AR 2 2 2 2 1 1 2 2 AR 2 7 1 0 R F 7 1 2 7 1 6 X X X X X X X X X X X X X X X X X X X X X X X X X X X X X X X X X X X X X X X X X X X X X X X X X X X X X X X X X X X X X X X X X X X X X X X X X X X X X X X X X X X X X X X X X X X X X X X X X X X X X X X X X X X X X X X M12X45 13X38MM M12 M12 M12X130 6X40MM 3,5X40MM M10X35 10MM 10,5X30X2,5MM M6 M8 M8X16 11X21X2MM 6MM 17X25MM M16 M16 M6 5MM 60.004 - - - - - - - - - - - - - - - - - - - - - - - - - - - - - - - - - - - - - ITEM NÚMERO DESCRIÇÃO QTDE OBSERVAÇÕESNO. SÉRIE
  • 75.
    PLANTADEIRAS SLC-JOHN DEERE710RF, 712 E 716 CQ30174 Nov98 MONITOR 60.005
  • 76.
    PLANTADEIRAS SLC-JOHN DEERE710RF, 712 E 716 CQ30174 Nov98 1 2 3 4 5 6 7 DQ23662 DQ23663 DQ23664 DQ23665 DQ23666 DQ23667 DQ23668 DQ23669 DQ23670 DQ23671 DQ23672 DQ24925 DQ24926 DQ24927 DQ24928 DQ23674 DQ23676 DQ23675 DQ23677 CQ23655 DQ23673 CONSOLE CONSOLE CONSOLE CABO CABO CABO CABO CABO CABO CABO CABO CABO CABO CABO CABO TUBO C/SENSOR TUBO S/SENSOR SENSOR RADAR SUPORTE CABO 7 1 0 R F 7 1 2 7 1 6 X X X X X X X X X X X X X X X X X X X X X X X X X X X X X X X X X X X X X X X X X X X X X X X X X X X X X X X X X X X X X X X (A) (B) (C) (D) (E) (F) (G) (H) (I) (J) (K) (L) (M) (N) (O) 60.006 (A) (B) (C) (D) (E) (F) (G) (H) (I) (J) (L) (M) (N) (O) 1 - 8 LINHAS 1 - 16 LINHAS 1 - 32 LINHAS 4 LINHAS 6 LINHAS 8 LINHAS 8 LINHAS (2 CABOS DE 4) 12 LINHAS 12 LINHAS (2 CABOS DE 6) 16 LINHAS 16 LINHAS (2 CABOS DE 8) 5 LINHAS 7 LINHAS 24 LINHAS (2 CABOS DE 12) - - - - - - - - - - - - - - - - - - - - - ITEM NÚMERO DESCRIÇÃO QTDE OBSERVAÇÕESNO. SÉRIE
  • 77.
    PLANTADEIRAS SLC-JOHN DEERE710RF, 712 E 716 CQ30174 Nov98 FERRAMENTAS 1 2 CQ80817 DQ33723 CHAVE SACADOR DO DISCO 7 1 0 R F 7 1 2 7 1 6 X X X X X X 60.007 - - ITEM NÚMERO DESCRIÇÃO QTDE OBSERVAÇÕESNO. SÉRIE
  • 78.
    Nov98PLANTADEIRAS SLC-JOHN DEERE710RF, 712 E 716 CQ30174 INDICE DE GRUPO - SISTEMA HIDRÁULICO
  • 79.
    PLANTADEIRAS SLC-JOHN DEERE710RF, 712 E 716 CQ30174 Nov98 CIRCUITO HIDRÁULICO 70.001
  • 80.
    PLANTADEIRAS SLC-JOHN DEERE710RF, 712 E 716 CQ30174 Nov98 1 2 3 4 5 6 7 8 9 10 11 12 13 14 15 16 17 18 19 20 21 22 23 24 25 26 27 28 29 30 31 32 33 34 35 36 37 38 39 40 41 42 43 44 45 DQ07967 CQ04868 CQ04867 DQ06903 CQ04031 AS01119 S01391 S01146 S06100 DQ26151 DQ26148 DQ26148 DQ08565 DQ08565 CQ03769 DQ26150 DQ26149 DQ26149 DQ25092 DQ25092 DQ06902 DQ03790 DQ28490 DQ06905 DQ14304 DQ07654 DQ14284 DQ14303 DQ05483 DQ14302 DQ14255 DQ14162 DQ14347 DQ14283 DQ28104 DQ28105 DQ24107 DQ07655 19M7529 DQ03962 CQ03799 12M7006 14M7027 14M7140 12M7066 24M7040 AH77869 DQ03950 DQ14301 DQ04226 DQ04227 DQ04228 DQ00451 19M7167 DQ23877 CQ01248 CQ32188 MANGUEIRA ANEL PENETRACAO PORCA APERTO CONEXAO JUNTA CONEXAO ANEL PENETRACAO PORCA APERTO JUNTA MANGUEIRA MANGUEIRA MANGUEIRA MANGUEIRA MANGUEIRA ABRACADEIRA MANGUEIRA MANGUEIRA MANGUEIRA MANGUEIRA MANGUEIRA CONEXAO CONEXAO JOELHO VALVULA TUBO CONEXAO TUBO TUBO OBTURADOR TUBO MANGUEIRA MANGUEIRA TUBO TUBO TUBO TUBO TUBO CONEXAO PARAF SEXT FIXADOR REFORCO ARRUELA PRESSAO PORCA SEXT PORCA SEXT ARRUELA PRESSAO ARRUELA LISA FIXADOR CONEXAO TUBO ENGATE TAMPAO MACHO TAMPAO FEMEA CONEXAO PARAFUSO SEXT MANGUEIRA ARRUELA LISA ABRAÇADEIRA AR AR 4 AR AR 7 4 2 3 3 2 AR 2 2 AR AR AR AR AR 2 2 2 2 2 2 AR 2 AR 4 7 1 0 R F 7 1 2 7 1 6 X X X X X X X X X X X X X X X X X X X X X X X X X X X X X X X X X X X X X X X X X X X X X X X X X X X X X X X X X X X X X X X X X X X X X X X X X X X X X X X X X X X X X X X X X X X X X X X X X X X X X X X X X X X X X X X X X X X X X X X X X X X X X X X X X X X X X X X X X X X INCL KEYS 2, 3 INCL KEYS 2, 3 (A) (B) (A) (B) INCL KEYS 2, 3 INCL KEYS 2, 3 INCL KEYS 3, 2 0 8MM INCL KEYS 2, 3 INCL KEYS 2, 3, 7, 8 0 12MM INCL KEYS 7, 8 0 12MM INCL KEYS 7, 8 S/ MARCADORES 0 12MM INCL KEYS 7, 8 INCL KEYS 2, 3 INCL KEYS 2, 3 0 8MM INCL KEYS 2, 3 0 8MM INCL KEYS 2, 3 0 8MM INCL KEYS 2, 3 (A) 0 8MM INCL KEYS 2, 3 (B) INCL KEYS 7, 8 M6X55 6MM M6 M10 10MM 11X21X2MM INCL KEYS 7, 8 0 12MM INCL KEYS 7, 8 INCL KEYS 39, 40 INCL KEYS 7, 8 M10X25 INCL KEYS 7, 8 6,4X18MM 709, 711, 713, 716 70.002 (A) (B) CHASSI 6100MM CHASSI 8100MM - - - - - - - - - - - - - - - - - - - - - - - - - - - - - - - - - - - - - - - - - - - - - - - - - - - - - - - - - ITEM NÚMERO DESCRIÇÃO QTDE OBSERVAÇÕESNO. SÉRIE
  • 81.
    PLANTADEIRAS SLC-JOHN DEERE710RF, 712 E 716 CQ30174 Nov98 CILINDRO HIDRÁULICO DOS MARCADORES 1 2 3 4 DQ08176 DQ06094 DQ06106 DQ14279 CILINDRO HIDR REPARO HIDROVER REPARO DHB REPARO TRANSHID 7 1 0 R F 7 1 2 7 1 6 X X X X X X X X X X X X 70.003 - - - - ITEM NÚMERO DESCRIÇÃO QTDE OBSERVAÇÕESNO. SÉRIE
  • 82.
    PLANTADEIRAS SLC-JOHN DEERE710RF, 712 E 716 CQ30174 Nov98 CILINDRO HIDRÁULICO DA RODA DIREITA 1 2 3 4 5 6 7 DQ15454 DQ15458 DQ15464 DQ16000 58M5573 DQ30719 DQ30717 CILINDRO HIDR REPARO HIDROVER REPARO DHB REPARO ALBARUS GRAXEIRA HASTE HASTE AR 7 1 0 R F 7 1 2 7 1 6 X X X X X X X X X X X X X X X X X X X X X INCL KEYS 5 M6 HIDROVER ALBARUS 70.004 - - - - - - - ITEM NÚMERO DESCRIÇÃO QTDE OBSERVAÇÕESNO. SÉRIE
  • 83.
    PLANTADEIRAS SLC-JOHN DEERE710RF, 712 E 716 CQ30174 Nov98 CILINDRO HIDRÁULICO DA RODA ESQUERDA 1 2 3 4 5 6 7 DQ15451 DQ15452 DQ15455 DQ15456 DQ15461 DQ15462 DQ15999 DQ16254 58M5573 DQ30719 DQ30718 DQ30714 DQ30715 CILINDRO HIDR CILINDRO HIDR REPARO HIDROVER REPARO HIDROVER REPARO DHB REPARO DHB REPARO ALBARUS REPARO ALBARUS GRAXEIRA HASTE HASTE HASTE HASTE AR 7 1 0 R F 7 1 2 7 1 6 X X X X X X X X X X X X X X X X X X X X INCL KEYS 5 INCL KEYS 5 M6 HIDROVER HIDROVER ALBARUS ALBARUS 70.005 - - - - - - - - - - - - - ITEM NÚMERO DESCRIÇÃO QTDE OBSERVAÇÕESNO. SÉRIE
  • 84.
    PLANTADEIRAS SLC-JOHN DEERE710RF, 712 E 716 CQ30174 Nov98 CILINDRO HIDRÁULICO DE ACIONAMENTO DA TRANSMISSÃO 1 2 3 4 DQ08177 DQ06095 DQ06107 DQ14273 CILINDRO HIDR REPARO HIDROVER REPARO DHB REPARO ALBARUS 7 1 0 R F 7 1 2 7 1 6 X X X X X X X X X X X X 70.006 - - - - ITEM NÚMERO DESCRIÇÃO QTDE OBSERVAÇÕESNO. SÉRIE
  • 85.
    PLANTADEIRAS SLC-JOHN DEERE710RF, 712 E 716 CQ30174 Nov98 70.007
  • 86.
    Nov98PLANTADEIRAS SLC-JOHN DEERE710RF, 712 E 716 CQ30174 INDICE DE GRUPO - ACESSÓRIOS - DIVERSOS
  • 87.
    PLANTADEIRAS SLC-JOHN DEERE710RF, 712 E 716 CQ30174 Nov98 CONJUNTO DE CORTE PARA PREPARO MÍNIMO (ACESSORIO) 80.001
  • 88.
    PLANTADEIRAS SLC-JOHN DEERE710RF, 712 E 716 CQ30174 Nov98 1 2 3 4 5 6 7 8 9 10 11 12 13 14 15 16 17 18 19 20 21 22 23 24 25 26 27 28 CQ16135 A24996 A24997 DQ16315 DQ22325 AA26324 DQ06749 40M1867 CQ07201 CQ22433 CQ07215 CQ19768 CQ07219 11M7029 D10025DW 14M7170 19M7609 N111742 19M7501 AA32693 19M7744 14M7168 24M7038 19M7167 12M7066 58M5574 19M7299 CQ01248 14M7165 B32687 CQ22322 FLANGE DISCO ONDULADO DISCO CORRUGADO EIXO EIXO RETENTOR ROLAMENTO ANEL ELASTICO BRACO BRACO ARRUELA LISA ARRUELA LISA PORCA CASTELO CONTRAPINO TAMPA PORCA AUTOFREN PARAFUSO BUCHA PARAFUSO SUPORTE PARAFUSO SEXT PORCA AUTOFREN ARRUELA LISA PARAFUSO SEXT ARRUELA PRESSAO GRAXEIRA PARAF SEXT ARRUELA LISA PORCA SEXT ANEL TAMPA 2 AR AR AR AR AR AR AR AR AR AR AR AR AR AR AR 7 1 0 R F 7 1 2 7 1 6 X X X X X X X X X X X X X X X X X X X X X X X X X X X X X X X X X X X X X X X X X X X X X X X X X X X X X X X X X X X X X X X X X X X X X X X X X X X X X X X X X X X X X X X X X X X X X (B) (A) 60X2MM B B A 26X44MM B A M24 5X36MM B B M16 M16X90 M16X110 M12X35 M12 14X24MM M10X25 10MM M8 M6X45 A 6,4X18MM A M6 A A 80.002 (A) (B) PARA USAR COM TRAVA COM PARAFUSO PARA USAR COM TRAVA COM CONTRAPINO - - - - - - - - - - - - - - - - - - - - - - - - - - - - - - - ITEM NÚMERO DESCRIÇÃO QTDE OBSERVAÇÕESNO. SÉRIE
  • 89.
    PLANTADEIRAS SLC-JOHN DEERE710RF, 712 E 716 CQ30174 Nov98 DECALCOS 80.003
  • 90.
    PLANTADEIRAS SLC-JOHN DEERE710RF, 712 E 716 CQ30174 Nov98 1 2 3 4 5 6 7 8 9 10 11 12 13 14 15 16 CQ16451 CQ16452 CQ16453 CQ16170 CQ16169 CQ24958 CQ24959 CQ24963 CQ24964 CQ24965 CQ24966 CQ23855 CQ14032 CQ16448 CQ08159 CQ27790 DECALCO DECALCO DECALCO DECALCO DECALCO DECALCO DECALCO DECALCO DECALCO DECALCO DECALCO DECALCO DECALCO DECALCO DECALCO DECALCO 2 2 2 2 2 2 2 2 2 2 2 7 1 0 R F 7 1 2 7 1 6 X X X X X X X X X X X X X X X X X X X X X X X X X X X X X X X X X 80.004 - - - - - - - - - - - - - - - - ITEM NÚMERO DESCRIÇÃO QTDE OBSERVAÇÕESNO. SÉRIE
  • 91.
    PLANTADEIRAS SLC-JOHN DEERE710RF, 712 E 716 CQ30174 Nov98 DECALCO 80.005
  • 92.
    PLANTADEIRAS SLC-JOHN DEERE710RF, 712 E 716 CQ30174 Nov98 1 2 3 4 5 6 7 JD5597 CQ04780 J56834 L63269 L63270 J56845 JD5581 DECALCO DECALCO DECALCO DECALCO DECALCO DECALCO DECALCO 7 1 0 R F 7 1 2 7 1 6 X X X X X X X X X X X X X X X X X X X X X 230MM 80.006 - - - - - - - ITEM NÚMERO DESCRIÇÃO QTDE OBSERVAÇÕESNO. SÉRIE
  • 93.
    PLANTADEIRAS SLC-JOHN DEERE710RF, 712 E 716 CQ30174 Nov98 KIT P/PLANTIO (ACESSÓRIO) 80.007
  • 94.
    PLANTADEIRAS SLC-JOHN DEERE710RF, 712 E 716 CQ30174 Nov98 1 2 3 4 5 6 7 8 9 10 11 DQ16031 A37177 DQ16033 A24682 AA29648 AA23366 DQ16032 DQ16032 AA26714 AA23366 DQ16034 A48005 KIT GIRASSOL DEDO RECOLHEDOR KIT SORGO PRATO COPO ENGATE KIT KIT COPO ENGATE KIT ALGODAO PRATO 12 7 1 0 R F 7 1 2 7 1 6 X X X X X X X X X X X X X X X X X X X X X X X X X X X X X X X X X X X X INCL KEYS 4-6 (A) INCL KEYS 8, 9 80.008 (A) FEIJÃO, AMENDOIM, SOJA - - - - - - - - - - - - ITEM NÚMERO DESCRIÇÃO QTDE OBSERVAÇÕESNO. SÉRIE
  • 95.
    PLANTADEIRAS SLC-JOHN DEERE710RF, 712 E 716 CQ30174 Nov98 80.009
  • 96.
    PLANTADEIRAS SLC-JOHN DEERE710RF, 712 E 716 CQ30174 Nov98 INDICE ALFANUMERICO AA22584 AA22584 AA22595 AA22596 AA22604 AA22780 AA23366 AA23366 AA23525 AA23526 AA24717 AA26234 AA26324 AA26714 AA27594 AA27594 AA28036 AA28046 AA29648 AA32693 AA35446 AA38077 AA40971 AA41053 AA43950 AA43951 AA45060 AA45061 AA46258 AH77869 AL14207 AL14207 AL14207 AL14207 AL15981 AL15981 AS01119 AZ12881 AZ12881 AZ12881 AZ22356 AZ22356 A20337 A20337 A20337 A21578 A21710 A22305 A22307 A22325 A22325 A22432 A22451 A22561 A22771 A22778 A22795 A22796 A22884 A23372 A23441 A23662 A23739 A23785 A23789 A24085 A24092 A24116 A24173 A24641 A24682 A24996 A24997 A25542 A25655 A25659 A25886 A25925 A25966 A25994 A26127 A26166 A26166 A26264 A26714 A26927 A26927 A27696 A27707 A28255 A29188 A31889 A33879 A33879 A33921 A33969 A34723 A34723 A36370 A36972 A37078 A37078 A37078 A37078 A37177 A40635 A41692 A42337 A42737 A42740 A42830 A42831 A48005 A48720 A48726 A48732 A48736 A48737 A48738 A48974 A49190 A49192 A49604 A49918 A51614 A55413 A55630 A55929 A56381 A59015 A59019 A59475 A63398 B12516 B16318 B27397 B30275 B31364 B31551 B32687 B32687 B32701 B35912 B35913 CQ00076 CQ00076 CQ00642 CQ00663 CQ01248 CQ01248 CQ01248 CQ01248 CQ01248 CQ01249 CQ01249 CQ01249 CQ02151 CQ02151 CQ02151 CQ02151 CQ02940 CQ03769 CQ03799 CQ04031 CQ04315 CQ04780 CQ04844 CQ04844 CQ04844 CQ04867 CQ04868 CQ05786 CQ06627 CQ06628 CQ06628 CQ06628 CQ06653 CQ06659 CQ06662 CQ06662 CQ06662 CQ06663 CQ06663 CQ06667 CQ06667 CQ06670 CQ06670 CQ06670 CQ06670 CQ06670 CQ06670 CQ06670 CQ06671 CQ06671 CQ06671 CQ06671 CQ06671 CQ06671 CQ06671 CQ06671 CQ06671 CQ06671 CQ06673 CQ06673 CQ06673 CQ06673 CQ06673 CQ06673 CQ06678 CQ06678 CQ06679 CQ06679 CQ06679 CQ06679 CQ06679 CQ06679 CQ06679 CQ06681 CQ06681 CQ06693 CQ06702 CQ06703 CQ06712 CQ06713 CQ06720 CQ06776 CQ06795 CQ06907 CQ06910 CQ06934 CQ06934 CQ06935 CQ06936 CQ06936 CQ06936 CQ06936 CQ06958 CQ06991 CQ06994 CQ07005 CQ07023 CQ07075 CQ07077 CQ07084 CQ07084 CQ07085 CQ07085 CQ07086 CQ07087 CQ07088 CQ07089 CQ07101 CQ07107 CQ07116 CQ07169 CQ07175 CQ07201 CQ07211 CQ07212 CQ07215 CQ07219 CQ07222 CQ07231 CQ07242 CQ07301 CQ07301 CQ07314 CQ07317 CQ07320 CQ07320 CQ07334 CQ07334 CQ07335 CQ07369 CQ07388 CQ07524 CQ07569 CQ07569 CQ08159 CQ08586 CQ08586 CQ08594 CQ08604 CQ08605 CQ08738 CQ09003 CQ09003 CQ09017 030.014 030.016 020.002 020.002 030.012 050.010 080.008 080.008 020.006 020.006 020.004 040.010 080.002 080.008 030.014 030.016 050.008 050.003 080.008 080.002 040.006 050.010 050.012 050.012 050.012 050.012 050.012 050.012 050.012 070.002 030.012 030.014 030.016 050.004 030.006 030.008 070.002 030.012 030.014 030.016 030.006 030.008 030.012 030.014 030.016 050.010 050.006 050.010 050.010 060.002 060.004 020.004 050.010 050.002 050.010 050.016 050.010 050.010 050.017 050.002 040.002 040.006 020.004 050.014 050.002 040.006 050.005 020.004 040.006 050.008 080.008 080.002 080.002 050.010 050.006 050.005 030.010 050.016 020.002 020.002 020.006 060.002 060.004 040.006 040.006 020.004 020.006 040.006 040.006 020.002 020.006 050.003 060.002 060.004 020.004 050.010 060.002 060.004 050.014 020.004 030.004 030.010 030.012 030.014 080.008 050.002 050.016 050.014 050.014 050.014 050.014 050.014 080.008 040.010 040.010 040.008 040.008 040.008 040.008 040.008 040.006 040.006 050.010 040.012 040.010 050.012 050.012 050.012 050.012 050.012 050.012 050.012 050.012 030.010 050.014 050.004 050.010 050.010 050.010 040.010 080.002 030.010 040.006 040.006 030.004 060.002 050.014 030.006 040.008 040.010 050.006 070.002 080.002 040.003 040.010 050.004 020.002 030.002 030.004 040.014 030.008 070.002 070.002 070.002 050.003 080.006 050.002 050.003 050.014 070.002 070.002 020.002 050.002 050.014 060.002 060.004 050.016 050.005 030.010 030.010 050.014 050.005 050.010 050.002 050.005 020.002 040.008 040.010 040.014 050.014 060.002 060.004 030.002 030.004 030.004 030.012 030.014 030.016 050.002 050.005 050.006 050.016 040.006 040.012 040.014 050.016 060.002 060.004 060.002 060.004 020.002 020.006 040.006 040.012 040.014 040.014 050.016 060.002 060.004 050.002 030.010 030.010 030.010 030.010 030.010 050.002 030.010 050.008 050.006 030.014 030.016 030.010 030.004 030.010 030.012 030.014 020.002 020.006 020.006 030.014 030.014 040.006 040.006 040.002 040.002 040.002 040.002 040.002 040.002 040.002 040.002 020.004 050.003 020.004 040.006 020.006 080.002 020.004 040.008 080.002 080.002 030.010 050.008 030.008 030.002 030.004 030.008 030.002 030.006 030.008 030.006 030.008 030.008 030.014 030.010 030.010 020.002 030.008 080.004 060.002 060.004 040.006 050.014 050.014 030.010 030.006 030.008 040.012 36 15 20 20 45 06 06 09 24 24 17 31 05 08 35 18 06 09 05 17 10 14 05 11 09 18 02 22 01 35 29 21 32 10 02 01 06 28 24 34 16 18 35 29 06 10 08 09 19 21 21 13 04 22 27 03 05 03 02 26 21 11 21 14 35 18 05 20 02 03 04 02 03 25 17 08 23 15 22 19 30 14 14 19 28 02 23 23 24 18 29 08 13 13 19 16 03 03 19 24 36 29 34 03 02 24 14 05 20 04 30 30 11 04 28 24 06 05 18 13 06 07 15 17 07 12 20 04 07 19 03 06 14 38 06 01 18 21 17 32 27 34 30 31 41 37 18 11 37 20 06 44 25 07 03 04 07 38 06 45 16 11 29 05 01 02 05 13 12 03 02 44 15 28 09 09 11 04 17 27 22 10 02 37 20 34 23 16 25 23 02 02 14 40 45 12 13 08 12 03 11 06 04 12 42 23 35 31 07 07 38 12 03 13 02 41 35 15 15 14 21 26 36 33 19 36 28 05 10 34 13 35 23 31 32 01 23 31 01 19 19 35 27 02 02 03 03 02 03 02 03 05 07 10 25 33 08 09 04 09 10 37 09 06 44 05 10 10 04 07 05 09 18 19 24 10 08 03 15 34 30 34 26 26 20 07 17 15 NÚMERO PÁGINA ITEM NÚMERO PÁGINA ITEM NÚMERO PÁGINA ITEM NÚMERO PÁGINA ITEM
  • 97.
    PLANTADEIRAS SLC-JOHN DEERE710RF, 712 E 716 CQ30174 Nov98 INDICE ALFANUMERICO CQ09052 CQ09052 CQ09252 CQ09253 CQ09714 CQ09832 CQ09832 CQ10772 CQ10824 CQ10824 CQ11806 CQ12679 CQ12684 CQ12693 CQ12694 CQ12775 CQ12775 CQ12781 CQ13157 CQ13157 CQ13370 CQ13490 CQ13593 CQ13629 CQ13630 CQ13630 CQ13699 CQ13802 CQ13848 CQ14006 CQ14032 CQ14145 CQ14145 CQ14147 CQ14154 CQ14171 CQ14172 CQ14189 CQ14249 CQ14290 CQ14290 CQ14293 CQ14294 CQ14308 CQ14313 CQ14340 CQ14341 CQ14411 CQ14470 CQ14471 CQ14621 CQ14621 CQ14626 CQ14698 CQ14721 CQ14953 CQ15044 CQ15045 CQ15045 CQ15282 CQ15286 CQ15287 CQ15291 CQ15291 CQ15294 CQ15294 CQ15302 CQ15330 CQ15330 CQ15350 CQ15351 CQ15352 CQ15356 CQ15702 CQ15702 CQ15710 CQ15930 CQ15931 CQ16042 CQ16057 CQ16128 CQ16133 CQ16135 CQ16169 CQ16170 CQ16256 CQ16260 CQ16266 CQ16299 CQ16301 CQ16301 CQ16305 CQ16305 CQ16312 CQ16312 CQ16313 CQ16313 CQ16314 CQ16360 CQ16360 CQ16408 CQ16408 CQ16408 CQ16408 CQ16448 CQ16451 CQ16452 CQ16453 CQ16619 CQ16620 CQ16621 CQ16812 CQ16817 CQ16817 CQ16931 CQ17058 CQ17270 CQ17741 CQ17741 CQ17741 CQ17741 CQ17741 CQ17742 CQ17742 CQ18007 CQ18038 CQ18317 CQ18647 CQ18969 CQ19625 CQ19644 CQ19688 CQ19702 CQ19768 CQ19813 CQ19814 CQ19823 CQ19826 CQ20072 CQ20382 CQ20555 CQ20557 CQ20571 CQ20824 CQ20864 CQ20865 CQ21004 CQ21428 CQ21541 CQ21620 CQ21620 CQ21620 CQ21620 CQ21620 CQ21743 CQ21744 CQ21747 CQ21748 CQ21749 CQ21750 CQ21757 CQ21758 CQ21766 CQ21804 CQ21854 CQ21922 CQ22107 CQ22143 CQ22147 CQ22151 CQ22152 CQ22184 CQ22280 CQ22322 CQ22383 CQ22383 CQ22383 CQ22383 CQ22433 CQ22443 CQ22688 CQ22761 CQ22761 CQ22761 CQ22761 CQ22761 CQ22879 CQ22880 CQ22884 CQ23098 CQ23098 CQ23098 CQ23207 CQ23207 CQ23486 CQ23642 CQ23655 CQ23744 CQ23752 CQ23787 CQ23788 CQ23789 CQ23837 CQ23849 CQ23850 CQ23855 CQ23858 CQ24208 CQ24958 CQ24959 CQ24963 CQ24964 CQ24965 CQ24966 CQ25117 CQ26152 CQ26153 CQ27474 CQ27485 CQ27790 CQ28224 CQ29499 CQ29743 CQ29751 CQ30049 CQ30113 CQ30196 CQ30206 CQ30223 CQ30247 CQ30637 CQ30637 CQ30660 CQ30664 CQ30664 CQ30665 CQ30665 CQ30665 CQ30940 CQ31040 CQ31296 CQ31348 CQ31848 CQ31849 CQ31861 CQ32188 CQ33918 CQ33919 CQ34021 CQ34024 CQ34269 CQ34274 CQ80817 DQ00386 DQ00386 DQ00451 DQ02168 DQ02942 DQ03790 DQ03950 DQ03962 DQ04226 DQ04227 DQ04228 DQ04311 DQ04345 DQ05483 DQ06094 DQ06095 DQ06106 DQ06107 DQ06626 DQ06666 DQ06680 DQ06749 DQ06749 DQ06793 DQ06889 DQ06891 DQ06891 DQ06891 DQ06891 DQ06891 DQ06891 DQ06894 DQ06899 DQ06902 DQ06903 040.008 040.014 050.016 050.016 030.008 060.002 060.004 030.006 030.006 030.008 030.004 040.006 040.006 040.006 040.006 060.002 060.004 050.017 040.006 050.004 030.004 030.004 050.002 050.002 050.002 050.002 030.012 040.002 030.012 040.002 080.004 030.014 030.016 030.014 030.014 030.014 040.002 040.002 020.007 030.012 030.014 030.012 030.012 030.012 030.012 030.012 030.012 030.014 030.010 030.010 050.002 050.002 040.002 040.002 020.002 060.002 030.004 030.002 030.004 060.002 050.014 050.014 030.002 030.004 030.002 030.004 030.006 030.002 030.004 020.002 020.002 020.002 030.006 040.008 040.014 040.008 050.003 050.003 040.008 030.004 040.002 030.010 080.002 080.004 080.004 040.010 060.002 060.002 050.003 030.012 030.016 030.012 030.014 030.002 030.004 030.002 030.004 030.004 030.002 030.004 020.002 020.002 040.008 050.002 080.004 080.004 080.004 080.004 050.006 050.006 040.003 050.002 050.002 050.014 050.002 030.002 040.008 030.012 030.014 030.016 050.002 050.005 030.002 030.004 040.003 040.003 050.004 050.004 050.014 050.016 040.008 040.010 040.002 080.002 050.006 050.006 050.006 050.006 040.010 020.002 030.008 030.008 030.008 040.014 030.002 030.002 050.003 050.016 040.006 020.006 040.006 040.012 040.014 050.016 060.002 060.002 040.014 040.014 060.002 060.002 040.006 040.014 050.016 040.002 060.004 040.010 050.016 020.006 020.006 020.006 020.006 020.006 040.012 080.002 040.006 040.012 040.014 050.016 080.002 050.004 060.004 020.006 040.006 040.012 040.014 050.016 050.014 050.014 050.017 040.006 040.014 050.016 040.006 050.016 040.014 040.008 060.006 040.014 040.014 040.014 040.014 040.014 030.014 040.002 040.002 080.004 030.016 050.017 080.004 080.004 080.004 080.004 080.004 080.004 040.014 030.010 030.010 050.004 050.004 080.004 050.010 050.002 040.014 040.002 040.008 040.008 030.008 030.008 030.008 020.002 050.002 050.005 050.014 030.014 030.014 030.014 030.014 030.014 050.006 030.014 030.004 040.002 040.002 040.002 030.004 070.002 040.014 040.014 040.014 040.014 040.002 040.008 060.007 030.012 030.014 070.002 030.016 030.008 070.002 070.002 070.002 070.002 070.002 070.002 030.004 030.006 070.002 070.003 070.006 070.003 070.006 050.002 050.002 050.002 040.010 080.002 050.004 050.008 030.002 030.004 030.010 030.012 030.014 030.016 020.006 020.006 070.002 070.002 29 23 01 09 12 19 19 12 18 16 44 40 43 46 36 20 20 01 38 19 22 39 09 02 01 01 22 06 06 17 13 26 23 26 18 27 06 06 01 37 10 36 18 18 39 03 08 10 32 32 08 32 26 30 04 36 28 22 27 32 39 39 20 32 19 33 08 25 16 16 11 13 03 27 46 07 02 03 31 25 17 32 01 05 04 19 33 28 08 49 30 09 11 27 17 29 13 13 28 18 03 30 08 36 14 01 02 03 02 01 04 29 04 13 17 39 31 47 15 09 42 15 12 48 08 02 12 15 40 33 35 25 12 09 04 04 19 18 05 26 20 20 08 09 02 03 12 17 45 19 54 08 36 24 26 30 29 30 29 29 47 38 20 01 35 27 22 16 02 02 02 15 15 28 53 11 35 25 08 20 28 14 48 05 39 19 26 26 04 56 32 21 50 18 12 06 06 07 07 05 11 06 43 32 32 12 24 04 06 07 08 09 10 11 04 32 32 23 22 16 23 38 18 16 33 32 03 06 20 41 40 19 03 19 19 47 47 47 03 19 13 17 33 34 13 45 34 34 10 21 05 20 01 51 23 41 35 15 14 36 28 38 39 40 42 06 21 02 02 03 03 21 16 25 08 06 09 08 07 20 13 13 07 05 28 37 13 04 NÚMERO PÁGINA ITEM NÚMERO PÁGINA ITEM NÚMERO PÁGINA ITEM NÚMERO PÁGINA ITEM
  • 98.
    PLANTADEIRAS SLC-JOHN DEERE710RF, 712 E 716 CQ30174 Nov98 INDICE ALFANUMERICO DQ06905 DQ07027 DQ07034 DQ07039 DQ07039 DQ07041 DQ07053 DQ07054 DQ07141 DQ07181 DQ07191 DQ07192 DQ07303 DQ07304 DQ07313 DQ07333 DQ07479 DQ07546 DQ07654 DQ07655 DQ07967 DQ08176 DQ08177 DQ08534 DQ08534 DQ08565 DQ08565 DQ09885 DQ10019 DQ10759 DQ10802 DQ10802 DQ12711 DQ12711 DQ12714 DQ12782 DQ12782 DQ12782 DQ12783 DQ12783 DQ13390 DQ13687 DQ13694 DQ13703 DQ13704 DQ13943 DQ14147 DQ14162 DQ14255 DQ14273 DQ14279 DQ14283 DQ14284 DQ14297 DQ14298 DQ14301 DQ14302 DQ14303 DQ14304 DQ14310 DQ14327 DQ14347 DQ14397 DQ14536 DQ14549 DQ15125 DQ15125 DQ15125 DQ15125 DQ15125 DQ15125 DQ15266 DQ15268 DQ15295 DQ15295 DQ15304 DQ15323 DQ15338 DQ15339 DQ15378 DQ15449 DQ15451 DQ15452 DQ15454 DQ15455 DQ15456 DQ15458 DQ15461 DQ15462 DQ15464 DQ15469 DQ15469 DQ15473 DQ15473 DQ15477 DQ15479 DQ15588 DQ15609 DQ15609 DQ15609 DQ15934 DQ15999 DQ16000 DQ16031 DQ16032 DQ16032 DQ16033 DQ16034 DQ16050 DQ16085 DQ16134 DQ16254 DQ16261 DQ16261 DQ16261 DQ16261 DQ16261 DQ16261 DQ16310 DQ16315 DQ16444 DQ16530 DQ16622 DQ16811 DQ16813 DQ16814 DQ17738 DQ17762 DQ17857 DQ17984 DQ18013 DQ18044 DQ18045 DQ18524 DQ18563 DQ18645 DQ18648 DQ19095 DQ19624 DQ19647 DQ19648 DQ19723 DQ19723 DQ19836 DQ19837 DQ20379 DQ20522 DQ20529 DQ20616 DQ20617 DQ20669 DQ20973 DQ20973 DQ21649 DQ21650 DQ21768 DQ21768 DQ21768 DQ21768 DQ21768 DQ22107 DQ22107 DQ22107 DQ22107 DQ22107 DQ22201 DQ22203 DQ22325 DQ22455 DQ22455 DQ22510 DQ22865 DQ22866 DQ22867 DQ23388 DQ23662 DQ23663 DQ23664 DQ23665 DQ23666 DQ23667 DQ23668 DQ23669 DQ23670 DQ23671 DQ23672 DQ23673 DQ23674 DQ23675 DQ23676 DQ23677 DQ23741 DQ23748 DQ23749 DQ23859 DQ23866 DQ23867 DQ23868 DQ23869 DQ23877 DQ23948 DQ24107 DQ24125 DQ24288 DQ24512 DQ24723 DQ24846 DQ24855 DQ24855 DQ24925 DQ24926 DQ24927 DQ24928 DQ25092 DQ25092 DQ25316 DQ25317 DQ25735 DQ25745 DQ25746 DQ25747 DQ26148 DQ26148 DQ26149 DQ26149 DQ26150 DQ26151 DQ27475 DQ28102 DQ28103 DQ28104 DQ28105 DQ28108 DQ28110 DQ28115 DQ28116 DQ28490 DQ29276 DQ30028 DQ30073 DQ30214 DQ30215 DQ30241 DQ30246 DQ30512 DQ30516 DQ30614 DQ30615 DQ30630 DQ30714 DQ30715 DQ30717 DQ30718 DQ30719 DQ30719 DQ30960 DQ30961 DQ31117 DQ31208 DQ31209 DQ31210 DQ31211 DQ31212 DQ31213 DQ31214 DQ32662 DQ32663 DQ33723 DQ34023 DQ34025 DQ34144 DQ34145 DQ34337 DQ34337 D10025DW E20664 E20664 H139125 H139126 H2094B JD29980 JD5581 JD5597 J16931N J16931N J16931N J56834 J56845 070.002 050.006 050.004 030.014 030.016 030.014 020.004 020.004 040.006 050.008 020.006 020.006 020.006 020.006 020.004 030.008 050.008 030.010 070.002 070.002 070.002 070.003 070.006 030.002 030.004 070.002 070.002 040.006 020.007 030.004 030.006 030.008 040.006 060.002 040.006 050.017 060.002 060.004 060.002 060.004 030.014 020.004 030.012 030.014 030.006 050.017 030.016 070.002 070.002 070.006 070.003 070.002 070.002 030.010 030.012 070.002 070.002 070.002 070.002 030.012 020.004 070.002 030.012 050.010 020.007 030.002 030.004 030.010 030.012 030.014 030.016 030.004 050.005 030.002 030.004 040.006 050.002 030.004 030.004 040.002 030.012 070.005 070.005 070.004 070.005 070.005 070.004 070.005 070.005 070.004 030.012 030.016 030.012 030.016 030.014 030.014 030.014 030.012 030.014 030.014 050.003 070.005 070.004 080.008 080.008 080.008 080.008 080.008 020.002 020.004 030.008 070.005 020.006 040.006 040.012 040.014 050.016 060.004 050.003 080.002 030.014 030.014 040.003 050.002 050.002 050.002 040.008 050.014 030.016 040.002 050.004 040.002 040.002 030.016 050.004 040.006 050.004 040.003 050.016 040.008 040.008 060.002 060.004 040.002 040.002 020.002 030.010 030.010 020.002 020.002 040.003 030.006 030.008 030.002 030.002 020.006 040.006 040.012 040.014 060.004 020.006 040.006 040.012 040.014 060.004 050.014 040.006 080.002 030.002 030.004 020.007 060.002 060.002 060.002 060.004 060.006 060.006 060.006 060.006 060.006 060.006 060.006 060.006 060.006 060.006 060.006 060.006 060.006 060.006 060.006 060.006 020.002 020.002 020.002 030.016 030.014 030.014 030.016 030.014 070.002 020.002 070.002 030.016 030.016 040.010 050.010 060.004 030.014 030.016 060.006 060.006 060.006 060.006 070.002 070.002 030.004 030.004 020.002 030.002 030.002 030.002 070.002 070.002 070.002 070.002 070.002 070.002 050.004 020.004 020.004 070.002 070.002 020.002 020.002 020.002 020.002 070.002 050.010 030.014 030.014 030.002 030.002 020.002 020.002 040.012 040.012 040.008 040.008 050.008 070.005 070.005 070.004 070.005 070.004 070.005 040.012 040.012 020.006 020.002 020.002 020.002 020.002 020.002 020.002 020.002 030.004 030.004 060.007 040.014 050.005 040.010 040.010 050.002 050.005 080.002 040.008 040.014 040.010 040.010 020.004 030.012 080.006 080.006 050.004 050.014 050.016 080.006 080.006 16 12 09 38 31 23 11 06 22 04 32 32 32 32 16 11 01 09 18 26 01 01 01 23 29 10 10 37 04 43 15 15 39 31 33 11 22 22 23 23 41 03 23 22 01 05 22 24 23 04 04 25 19 11 40 37 22 20 17 52 03 25 27 29 04 06 03 12 07 08 04 35 09 18 31 32 31 21 09 18 50 01 01 01 02 02 02 03 03 03 41 12 31 11 40 28 30 10 09 45 10 04 04 01 07 07 03 10 14 03 02 04 13 49 04 40 29 29 09 04 37 41 01 30 27 34 17 36 28 19 13 25 25 33 11 52 14 11 31 34 34 05 05 08 08 27 04 09 27 28 03 17 19 01 01 10 51 18 17 32 18 55 06 37 27 17 21 04 41 10 02 25 24 24 24 01 01 01 02 02 02 02 02 02 02 02 07 03 04 03 05 09 01 01 25 30 44 27 40 43 01 25 39 26 06 24 36 37 20 02 02 02 02 12 12 21 09 01 32 33 34 10 10 12 12 12 10 21 03 03 25 25 27 27 01 01 15 01 20 22 01 01 42 40 09 09 21 21 02 07 07 07 06 06 06 09 09 21 09 01 01 01 01 01 01 21 09 02 19 12 14 14 41 16 12 25 24 12 12 18 24 07 01 16 37 10 03 06 NÚMERO PÁGINA ITEM NÚMERO PÁGINA ITEM NÚMERO PÁGINA ITEM NÚMERO PÁGINA ITEM
  • 99.
    PLANTADEIRAS SLC-JOHN DEERE710RF, 712 E 716 CQ30174 Nov98 INDICE ALFANUMERICO KK4446 L18947L L18947L L18955 L18955 L18955 L18955 L18955 L63269 L63270 NSEP050 NSEP071 NSEP072 N111742 N120831 N120831 N120831 N120831 N120831 N120831 N134513 N161501 PS560316 PS560601 PS560602 SK021.01 S01146 S01391 S06100 S137M U41936 U41936 Z120831 Z24489 Z34089 Z34089 Z39386 Z39386 03M7017 03M7017 03M7017 03M7053 03M7054 03M7054 03M7054 03M7054 03M7054 03M7054 03M7068 03M7068 03M7079 03M7079 03M7079 03M7079 03M7079 03M7079 03M7079 03M7079 03M7083 03M7085 03M7088 03M7092 03M7092 03M7093 03M7093 03M7093 03M7098 03M7098 03M7104 03M7105 03M7110 03M7151 11M7015 11M7017 11M7017 11M7017 11M7023 11M7024 11M7027 11M7027 11M7027 11M7027 11M7027 11M7028 11M7029 11M7030 11M7030 11M7030 11M7032 11M7032 11M7032 11M7032 11M7040 11M7040 11M7040 11M7040 11M7069 11M7069 12M7006 12M7006 12M7006 12M7006 12M7006 12M7006 12M7006 12M7065 12M7065 12M7065 12M7065 12M7065 12M7065 12M7065 12M7065 12M7065 12M7065 12M7065 12M7065 12M7065 12M7065 12M7066 12M7066 12M7066 12M7066 12M7066 12M7066 12M7066 12M7066 12M7066 12M7066 12M7066 12M7066 12M7066 12M7066 12M7066 12M7066 12M7066 12M7066 12M7066 12M7066 12M7067 12M7067 12M7067 12M7067 12M7067 12M7067 12M7067 12M7067 12M7067 12M7069 12M7069 12M7070 12M7070 12M7070 13P1017 14M1041 14M7019 14M7019 14M7027 14M7027 14M7027 14M7027 14M7027 14M7029 14M7029 14M7029 14M7029 14M7029 14M7029 14M7029 14M7029 14M7029 14M7029 14M7029 14M7031 14M7031 14M7031 14M7031 14M7031 14M7031 14M7031 14M7031 14M7031 14M7031 14M7140 14M7140 14M7140 14M7140 14M7140 14M7140 14M7140 14M7140 14M7140 14M7140 14M7140 14M7140 14M7140 14M7140 14M7140 14M7140 14M7142 14M7142 14M7142 14M7144 14M7144 14M7151 14M7151 14M7151 14M7151 14M7152 14M7158 14M7165 14M7165 14M7166 14M7166 14M7166 14M7166 14M7166 14M7166 14M7166 14M7166 14M7166 14M7167 14M7167 14M7167 14M7167 14M7167 14M7167 14M7167 14M7167 14M7168 14M7168 14M7168 14M7168 14M7168 14M7168 14M7168 14M7168 14M7168 14M7170 14M7170 14M7170 14M7170 14M7170 14M7170 14M7170 14M7179 14M7230 14M7230 14M7260 14M7260 14M7260 14M7260 14M7260 14M7260 14M7260 19M6614 19M6614 19M6614 19M6614 19M6811 19M6811 19M7073 19M7135 19M7139 19M7139 19M7139 19M7158 19M7158 19M7162 19M7162 19M7162 19M7162 19M7163 19M7163 19M7163 19M7166 19M7166 19M7167 19M7167 19M7167 19M7167 19M7167 19M7167 19M7167 19M7167 19M7167 19M7167 19M7167 040.008 020.004 030.008 020.002 020.002 030.002 030.004 050.017 080.006 080.006 050.012 050.012 050.012 080.002 030.002 030.004 030.012 030.016 050.002 050.005 040.014 020.002 050.016 020.002 020.002 030.006 070.002 070.002 070.002 020.004 040.008 040.014 030.014 050.014 030.002 030.004 030.002 030.004 040.002 050.005 050.016 030.010 020.007 030.004 030.012 030.014 030.016 050.016 040.008 050.006 030.002 030.004 030.012 030.012 030.014 030.016 050.002 050.005 030.016 030.012 040.006 050.005 050.006 020.006 040.012 050.016 030.002 040.010 030.014 050.014 030.012 020.006 050.014 020.004 020.006 030.006 050.010 020.004 020.002 020.002 040.006 040.012 040.014 040.008 080.002 030.012 030.016 040.002 030.014 030.014 040.002 040.002 020.004 030.002 030.004 040.002 030.010 030.010 040.006 040.008 050.002 050.006 060.002 060.004 070.002 020.006 020.007 030.002 030.004 030.012 030.014 030.016 040.003 040.010 040.014 050.004 050.014 050.016 060.004 020.004 020.006 030.002 030.004 030.010 030.012 030.014 030.016 040.002 040.006 040.008 040.010 050.002 050.005 050.014 050.016 060.002 060.004 070.002 080.002 020.002 020.006 020.007 030.002 030.004 040.008 040.014 050.003 050.014 040.006 040.008 030.002 030.004 030.008 030.006 050.010 050.008 050.012 040.006 040.008 050.002 050.006 070.002 020.006 020.007 030.004 030.010 030.012 030.014 030.016 040.003 050.004 050.014 050.016 020.002 020.006 020.007 030.016 040.008 040.014 050.003 050.014 060.002 060.004 020.006 030.002 030.004 030.010 030.012 030.014 030.016 040.002 040.006 040.010 050.002 050.005 050.006 050.014 050.016 070.002 020.004 040.006 040.008 030.002 030.004 030.004 030.010 030.012 030.014 040.002 040.006 040.012 080.002 020.002 040.006 040.010 040.012 040.014 050.016 050.017 060.002 060.004 030.002 030.012 030.014 030.016 040.002 040.014 050.002 050.005 030.010 030.012 030.016 040.002 040.006 040.010 060.002 060.004 080.002 020.002 020.002 040.014 050.002 050.003 050.014 080.002 020.006 020.002 040.014 030.010 040.006 040.012 040.014 050.016 060.002 060.004 040.010 040.012 050.002 050.010 030.008 040.010 050.014 020.002 040.003 040.014 050.006 060.002 060.004 030.002 050.017 060.002 060.004 040.003 040.006 040.010 040.002 050.014 020.004 030.012 030.014 030.016 040.002 040.006 040.008 050.002 050.016 070.002 080.002 15 23 05 15 43 43 19 08 04 05 17 15 16 15 11 47 46 10 39 18 07 32 26 31 31 10 08 07 09 08 26 22 14 38 26 15 24 26 09 13 34 14 03 04 16 04 03 02 36 07 13 46 20 44 12 19 43 14 38 17 14 11 13 17 07 30 16 23 44 10 48 36 08 01 22 14 22 22 17 21 01 01 08 14 11 11 21 04 25 46 07 35 12 21 30 07 39 41 41 38 19 05 39 26 30 08 08 09 02 15 05 02 06 02 44 03 32 27 34 15 26 05 38 06 04 32 17 31 16 30 22 10 02 02 07 11 11 33 22 35 03 06 31 12 02 27 05 24 08 09 37 07 04 09 20 10 10 42 16 20 09 31 07 09 01 16 14 06 01 05 02 31 04 36 04 05 14 01 28 04 35 06 06 27 15 37 07 05 33 16 22 17 13 11 06 16 09 05 32 04 09 10 36 08 24 30 33 02 11 26 02 26 24 52 29 14 31 16 06 17 17 17 26 16 07 28 14 28 17 02 42 37 23 12 17 04 04 19 02 39 03 03 11 15 13 11 06 15 08 04 12 42 23 35 31 21 16 18 07 21 09 34 05 12 33 15 01 01 08 07 18 18 10 29 01 29 01 14 38 31 29 14 20 11 23 08 42 21 NÚMERO PÁGINA ITEM NÚMERO PÁGINA ITEM NÚMERO PÁGINA ITEM NÚMERO PÁGINA ITEM
  • 100.
    PLANTADEIRAS SLC-JOHN DEERE710RF, 712 E 716 CQ30174 Nov98 INDICE ALFANUMERICO 19M7168 19M7168 19M7168 19M7168 19M7168 19M7169 19M7169 19M7169 19M7169 19M7169 19M7169 19M7179 19M7179 19M7180 19M7181 19M7183 19M7189 19M7214 19M7268 19M7285 19M7288 19M7297 19M7299 19M7320 19M7327 19M7327 19M7331 19M7342 19M7342 19M7342 19M7342 19M7343 19M7343 19M7387 19M7408 19M7414 19M7415 19M7415 19M7481 19M7481 19M7501 19M7529 19M7560 19M7560 19M7609 19M7609 19M7620 19M7621 19M7728 19M7728 19M7744 19M7744 19M7744 19M7744 19M7744 19M7744 19M8049 19M8397 19169 21H1295 21M7252 24M7026 24M7026 24M7026 24M7026 24M7026 24M7026 24M7026 24M7038 24M7038 24M7038 24M7038 24M7038 24M7038 24M7038 24M7038 24M7040 24M7040 24M7040 24M7040 24M7040 24M7040 24M7040 24M7040 24M7040 24M7040 24M7040 24M7040 24M7049 24M7099 24M7099 24M7178 24M7178 24M7178 24M7178 24M7178 34H286 34H314 34H314 34H316 34M3865 34M7010 34M7023 34M7033 34M7035 34M7038 34M7040 34M7040 34M7042 34M7042 34M7042 34M7042 34M7047 34M7115 34M7115 34M7132 40M1828 40M1828 40M1833 40M1858 40M1860 40M1862 40M1867 40M1867 58M5573 58M5573 58M5573 58M5573 58M5573 58M5573 58M5573 58M5573 58M5573 58M5573 58M5573 58M5573 58M5573 58M5574 58M5574 58M5574 58M5574 58M5574 58M5574 58M5575 58M5575 58M5578 58M5579 58M5632 58M5632 58M5632 030.010 030.012 030.014 040.002 050.005 020.006 030.002 030.004 030.012 060.002 060.004 040.010 050.002 040.002 030.012 030.012 030.010 020.006 050.014 030.002 050.004 050.014 080.002 050.010 020.006 040.002 020.006 020.002 040.014 050.002 050.002 050.002 050.014 050.003 040.014 040.006 040.008 040.014 050.002 050.003 080.002 070.002 040.006 050.010 020.002 080.002 030.002 020.002 020.007 040.010 020.002 030.002 030.004 030.008 050.003 080.002 040.010 040.010 030.010 050.010 050.012 030.010 030.010 040.003 040.014 050.004 050.006 050.016 020.006 030.004 030.012 030.014 030.016 040.002 040.008 080.002 020.006 030.010 030.012 030.014 040.002 040.006 040.008 050.005 050.016 060.002 060.004 070.002 020.004 020.002 040.012 040.002 040.010 050.014 060.002 060.004 050.010 050.010 050.012 050.010 050.017 050.014 050.004 050.004 050.014 050.016 040.008 050.004 050.008 050.014 060.002 060.004 050.014 020.006 050.016 050.012 050.004 050.017 030.010 030.010 030.012 050.004 040.010 080.002 020.002 020.006 030.010 040.006 040.010 040.012 040.014 050.004 050.014 050.016 060.004 070.004 070.005 030.002 030.004 040.014 050.014 060.002 080.002 030.006 040.008 030.008 040.014 050.017 060.002 060.004 03 30 39 20 01 25 04 34 01 10 10 24 07 15 21 19 01 06 25 40 06 33 24 08 35 27 06 29 01 06 33 13 11 15 13 13 22 26 13 14 16 27 05 28 37 14 35 10 07 15 33 30 11 14 06 18 10 30 22 26 08 15 42 09 43 05 14 28 05 45 43 42 36 24 03 20 34 05 02 17 13 15 19 07 32 38 25 34 07 25 03 10 11 07 12 12 12 13 21 11 09 27 25 24 41 12 12 08 07 29 08 08 42 20 13 13 07 03 40 18 25 18 26 07 12 09 25 44 18 10 16 17 21 36 33 05 05 42 14 47 16 27 23 13 28 13 20 10 16 16 NÚMERO PÁGINA ITEM NÚMERO PÁGINA ITEM NÚMERO PÁGINA ITEM NÚMERO PÁGINA ITEM