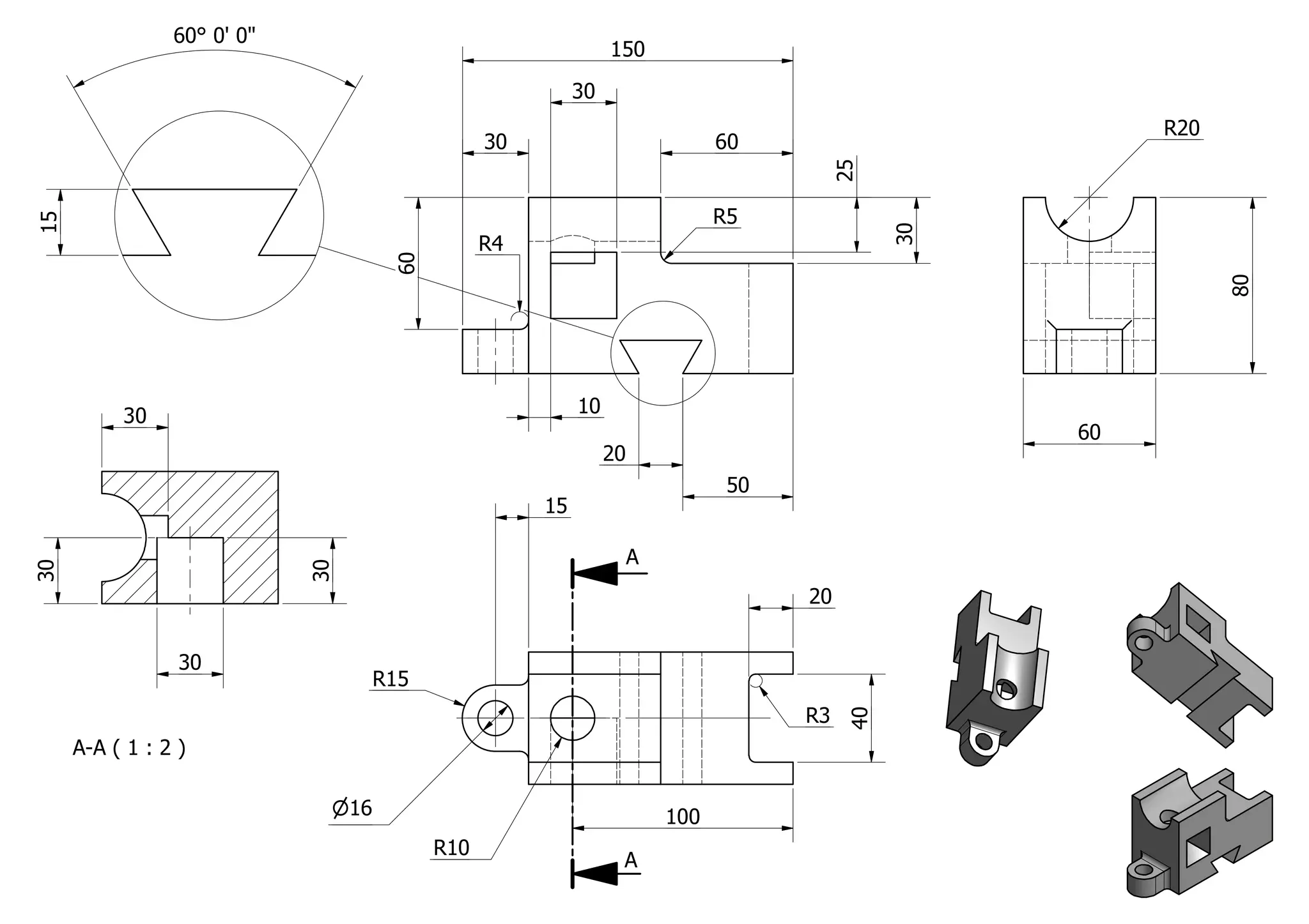
60 0' 0"
                                                                 150
                                                            30
                                                                                                           R20
                                                  30                            60




                                                                                           25
                                                                                R5
15




                                                                                                 30
                                                  R4




                                       60




                                                                                                                 80
          30                                                10
                                                                                                      60
                                                                 20
                                                                                 50
                                                       15

                                                                      A
30




                           30




                                                                                      20


                 30
                                     R15




                                                                                            40
                                                                                      R3
     A-A ( 1 : 2 )

                                16                                        100
                                            R10
                                                                  A

Exemplo+1

  • 1.
    60 0' 0" 150 30 R20 30 60 25 R5 15 30 R4 60 80 30 10 60 20 50 15 A 30 30 20 30 R15 40 R3 A-A ( 1 : 2 ) 16 100 R10 A