MANUAL TÉCNICO

HORNOS   A GAS HGC, HGV Y HGP

             10/21




                          Marzo 2005


               -1-
INDICE                                       PAG


1.- MODELOS Y DIMENSIONES                     3

2.- CARACTERÍSTICAS TÉCNICAS                  5

3.- PANEL PORTAMANDOS                         6

4.- ESQUEMAS FUNCIONALES                      9

5.- COMPONENTES                               12

6.- ESQUEMA ELECTRICO Y DE MONTAJE            23

7.- INFORMACIÓN GENERAL DE USO Y FUNCIONES
    AUXILIARES.                               28

8.- SECUENCIAS DE EVENTOS                     43

9.- IRREGULARIDADES                           46

10.- PARÁMETROS Y REGULACIONES                53

11.- TRANSFORMACIÓN A DIFERENTES GASES        56
12.- TRANSFORMACIÓN DE TENSIÓN                58




                        -2-
1.- MODELOS Y DIMENSIONES HORNO HGC

                                                                                 120




                                                           1479
                                                                  1173


                                          1260
                                          1330
                                                                                 992




                               605
                   440
                                           130




                   395
                                     73




                           2                                             1=Entrada de agua blanda RG¾”.
                                                 5
        476




                                                                         2=Desagüe general RG1”
  576
 706




                                            3
775




                                                                         3=Salida de humos Ø120.
                   1
                                                                         4=Racor entrada de alimentación
                                                                           eléctrica.
                       6
                       4                                                 5=Tapón limpieza desagüe.
                                                                  1755




                                                                         6=Entrada de gas RG¾”.
              50
              60
          120




                                                     -3-
HORNO HGV Y HGP

                                                                              150




                                                              1573
                                                                     1173
                                    1330                                             992




                          605
                        395
              185
                                           130
                                      73




                                                                        1 = Entrada de agua blanda RG ¾”.
        193




                            2
                                             5                          2 = Desagüe general RG1”
  576




                                3
 706




                                                                        3 = Salida de humos Ø 120.
775




                                                                        4 = Racor entrada de alimentación
                    1                                                       eléctrica.
                    6
                                                                        5 = Tapón limpieza desagüe.
                                                       1755




                        4
                                                                        6 = Entrada de gas RG ¾”.
         50
         60
        120




                                                 -4-
2.- CARACTERISTICAS TÉCNICAS




                 MODELO                            HGC-10/21   HGV-10/21        HGP-10/21

                        Anchura X                    1330         1330           1330
DIMENSIONES             Profundidad Y                 992          992            992
                   mm
 EXTERIORES             Altura s/chimenea W          1173         1173           1173
                        Altura c/chimenea Z          1479         1573           1573
Peso neto (Kg)                                      250 Kg       278 Kg         283 Kg
Potencia eléctrica Kw                               1,2Kw        1,2Kw          1,3Kw
                                    Sección
                                                                 3x 1,5 + T
                                   Manguera
   Tensión      230V      50-     Fusible Int.
                                                                   10 A
alimentación     3~      60Hz       General
                                  Dispositivo
                                                                   30mA
                                   Diferencial
                                    Sección
                                                               3x 1,5 + N + T
                                   Manguera
                 380
   Tensión                50-     Fusible Int.
                415V                                               10 A
alimentación             60Hz       General
                 3~
                                  Dispositivo
                                                                   30mA
                                   Diferencial
                         Kcal/h (Hs)                 24100       42.160          42.160
   Potencia
                          BTU (Hs)                   95600      167.300         167.300
    en gas
                          Kw. (Hi)                     28           49              49
                 Kg/h (29mb)Butano (G-30)            2,331        4,079           4,079
                Kg./h (37 mb) Propano (G-31)         2,296        4,017           4,017
 Consumos       m3./h (20 mb) Gas natural (G-
                                                     2,963        5,185          5,185
  nominales                  20)
                  3
                m ./h (25 mb)Gas natural (G-
                                                     3,078        5,540          5,540
                             25)
Nº bandejas                GN 2-1                      10          10              10
          Peso máximo de carga kgs                    100         100             100
Consumo aproximado de agua (litros / hora)              -          75             75
       Presión entrada de agua Kg/cm                              0,5 ÷ 8




                                             -5-
3.- PANEL PORTAMANDOS   HORNO HGC


                              1    Selector de modo

                              2    Posición horno desconectado

                              7    Indicador modo aire caliente




                              8    Selector temperatura de cámara

                              9    Display selección temperatura cámara

                              10   Display temperatura real cámara

                              11   Selector tiempo

                              12   Display selección tiempo

                              13   Indicador tiempo que falta




                              18   Selector potencia velocidad

                              19   Posición máx potencia máx. velocidad

                              20   Posición media potencia media velocidad

                              21   Posición media potencia máx velocidad




                              25   Indicador enfriamiento

                              26   Pulsador enfriamiento



                              28   Indicador quemador cámara bloqueado

                              29   Pulsador desbloqueo quemadores

                              30   Pulsador humidificador



                        -6-
HORNO HGV


           1    Selector de modo

           2    Posición horno desconectado

           3    Indicador modo vapor

           4    Indicador modo vapor regulable

           5    Indicador modo regeneración

           6    Indicador modo mixto

           7    Indicador modo aire caliente

           8    Selector temperatura de cámara

           9    Display selección temperatura cámara

           10   Display temperatura real cámara

           11   Selector tiempo/temperatura de núcleo

           12   Display selección tiempo/temperatura núcleo

           13   Indicador tiempo que falta/temperatura real de nucleo

           14   Selector función: tiempo/temperatura núcleo/delta

           15   Indicador función: tiempo

           16   Indicador función: temperatura núcleo

           17   Indicador función: delta

           18   Selector potencia velocidad

           19   Posición máx potencia máx. velocidad

           20   Posición media potencia media velocidad

           21   Posición media potencia máx velocidad

           22   Indicador de cal

           23   Indicador desincrustación

           24   Pulsador desincrustación

           25   Indicador enfriamiento

           26   Pulsador enfriamiento

           27   Indicador quemador vapor bloqueado

           28   Indicador quemador cámara bloqueado

           29   Pulsador desbloqueo quemadores

           30   Pulsador humidificador



     -7-
HORNO HGP




     0        Interruptor ON/OFF


         1    Selector de modo


     31       Display control de humedad



     32       Aumento de humedad


     33       Disminución de humedad




         18   Selector potencia velocidad

         34   Display modo programación

         35   Pulsador Encender /Validación


         36   Pulsador paso atrás

         37   Pulsador movimiento en menú

         38   Pulsador movimiento en menú

         39   Pulsador mostrar

         40   Pulsador programar / Modificar

   -8-
4.- ESQUEMAS FUNCIONALES


                             HORNOS HGC


                  Tc   TSC




                                          C.E.C= CONTROL COMBUSTION CAMARA
                                          GV1, GV2= ELECTROVALVULA GAS CAMARA
                                          M= MOTOR TURBINA
                                          Tc= SONDA CAMARA
                  M                       TSC= TERMOSTATO SEGURIDAD CAMARA
GV1, GV2
                                          VC= VENTILADOR SOPLANTE
 C.E.C       VC                           VHM= ELECTROVALVULA HUMIDIFICADOR




   VHM




                                 -9-
HORNOS HGV
                                        Tc    TSC      Tn
                             M1



                                                            C.E.C= CONTROL COMBUSTION CAMARA
                                                            C.E.V= CONTROL COMBUSTION CALDERA
                                                            DN= DETECTOR NIVEL CALDERA
                                                            GV1, GV2= ELECTROVALVULA GAS CAMARA
                                                            GV3, GV4= ELECTROVALVULA GAS CALDERA
                                                            M= MOTOR TURBINA
                                                            M1= MOTOR CHIMENEA
                                                            Tc= SONDA CAMARA

      DN                            M                       Tg= SONDA CALDERA
                       TSV                                  Tn= SONDA NUCLEO
           Tg                                               TSC= TERMOSTATO SEGURIDAD CAMARA
                                   VC                       TSV= TERMOSTATO SEGURIDAD CALDERA
                                                            VAC= BOMBA VACIADO
                                                            VC= VENTILADOR SOPLANTE
VCN                                                         VCN= ELECTROVALVULA CONDENSACION
                                                            VDV= ELECTROVALVULA LLENADO CALDERA
VHM                                                         VHM= ELECTROVALVULA HUMIDIFICADOR




                 VDV
       C.E.V                 VAC
                                        GV1, GV2
      GV3, GV4                           C.E.C




                                              - 10 -
HORNO HGP




                                                    Tc       TSC   Tn
                                         M1

                                                                        C.E.C= CONTROL COMBUSTION CAMARA
                                                                        C.E.V= CONTROL COMBUSTION CALDERA
                                                                        DN= DETECTOR NIVEL CALDERA
                                                                        GV1, GV2= ELECTROVALVULA GAS CAMARA
                                                                        GV3, GV4= ELECTROVALVULA GAS CALDERA
                                                                        M=   MOTOR TURBINA
                                                                        M1= MOTOR CHIMENEA
                                                                        Tc= SONDA CAMARA
                                                                        Tg= SONDA CALDERA
                                                                        Tn= SONDA NUCLEO
                  DN                            M                       TSC= TERMOSTATO SEGURIDAD CAMARA
                                   TSV
                                                                        TSV= TERMOSTATO SEGURIDAD CALDERA
                       Tg                                               VAC= BOMBA VACIADO
                                               VC
                                                                        VC= VENTILADOR SOPLANTE
                                                                        VCN= ELECTROVALVULA CONDENSACION
                                                                        VDV= ELECTROVALVULA LLENADO CALDERA
            VCN
                                                                        VHM= ELECTROVALVULA HUMIDIFICADOR
                                                                        B.L= BOMBA DE LAVADO
            VHM                                                         V.L=VALVULA LAVADO




                   C.E.V                 VAC
                             VDV
                  GV3, GV4
B.L                                                 GV1, GV2
                                                     C.E.C
      V.L




                                                    - 11 -
5.- COMPONENTES                                          Quemador
                                                                       convección
                                       3 m
                                        -4m




                                                              5-6 mm



                                 BE


                                                               BD




                       La junta quemador no debe coincidir con la
                       posición de BE y BD




 Válvula de gas
                                                                                    Soplante




Control de encendido




                                      Soplante completo HGV

                                                     - 12 -

                                              -12-
Soplante completo HGV
                                                Bujía de encendido


  Detector de llama




                        Soplante completo HGV
                                - 13 -
Detector de                 Bujía de
                                                                  llama                    encendido




                                                                               Detalle quemador
                           Quemador                                           generador de vapor
                       generador de vapor




  Dispositivo lento
encendido ( lacrado)



  Presion salida




  Presion entrada




                           Válvula de gas + Control de encendido del generador de
                                                    vapor




                                                 - 14 -
Motor chimenea




Micros




                                                   Parte superior
                                                     chimenea
          Mecanismo chimenea




         Limitador temperatura              Limitador de temperatura del
               cámara                           generador de vapor
              Tº 360º C          - 15 -             Tº 150º C
                TSC                                    TSV
Generador + Bote de niveles




                     Vaciado            Llenado        Condensación      Ducha   Humidificador
                                       generador         + lavado




Aspiracion




             Bomba de desague                                 Electrovalvulas
                generador
                                              - 16 -
HORNOS HGC - HEI




 I1 I2 I3




                          Controlador
                           T353003




I1=0        Electrico
I1=1        Gas
I2=0        ºC
I2=1        ºF
                                          INTERRUPTORES TARJETA
I3=0        No calibra                         DE CONTROL

I3=1        Calibra




                                 - 17 -
HORNOS HGV - HGP - HEM - HEP




                     Controlador
                      T303005                     I1 I2 I3 I4




I1=0   Electrico
I1=1   Gas
I2=0   Sin control de humedad
I2=1   Con control de humedad
                                       INTERRUPTORES TARJETA
I3=0   ºC                                   DE CONTROL

I3=1   ºF
I4=0   No calibra
I4=1   Calibra

                            - 18 -
Variador velocidad soplante
                    T303048




       Vmanten. Vencend. Vmedia pot. Vmax pot.


0000           800 r.p.m              1000         2500 r.p.m
0001          1000 r.p.m              1001         3000 r.p.m
0010          1200 r.p.m              1010         3500 r.p.m
0011          1400 r.p.m              1011         4000 r.p.m
0100          1600 r.p.m              1100         4500 r.p.m
0101          1800 r.p.m              1101         5000 r.p.m
0110          2000 r.p.m              1110         5500 r.p.m
0111          2200 r.p.m              1111         6000 r.p.m

        Velocidades según posición de los selectores del
                    variador de velocidad.
                             - 19 -
Válvula         Micros              Motor
                                                                          valvula

              Entrada agua

                                      Salida a
                                      desague


 Salida a
bomba de
  lavado



                                           Soporte
                                           micros
              Válvula lavado
                                                                                         Condensador
                                                                    Válvula + motor         motor



                               Impulsión




 Aspiración




                                      Bomba lavado
                                                                         Condensador 2,5 µF

                                                 - 20 -
DESPIECE QUEMADOR COMPLETO HORNO HGC


                                    4
                                                                                  6


                  3
                                                            5

                  2




     1                                                                             7


16
                               1
                               0        8



         1
         5
                                                                 9
                                                            16    ELECTROD DETEC 6/101/102 GAS     1              T115712000
                                                            15    QUEMADOR FURIGAS 10-11/10-21     1              T115710000
                                                            14    TAPA PRINCIPAL                   1              T115782000
                               11                           13    VISOR DE ENCENDIDO               1              R725015000
             14           1
                          2                                 12    BOQUILLA TOMA PRESION            1              R725017000
                      1
                      3                                     11    JUNTA TAPA PRINCIPAL             1   HB-71961   T305041000
                                                            10*   VENTURI 45.900.446.052           1              T303040000
                                                             9    MANGUITO DOBLE 1/2               1              S205023000
                                                             8    TOBERA VK41 D4.8                 1   HB-73113   T305068000
                                                            7*    VALVULA VK 4115 V 1121           1              T303017000
                                                             6    CONTROL DE ENCENDIDO HONEYWELL   1   HC-76510   T303013000
                                                             5    JUNTA VENTURI 24x15.5            1              T303046000
                                                             4    VENTILADOR RG-130                1   HB-73153   T303016000
                                                             3    JUNTA VENTILADOR                 1   HB-71962   T305042000
                                                             2    CONDUC. TAPA PRINCIPAL COMP.     1   HB-72985   T345000000
                                                             1    ELECTRODO IGNICION 10/11-10/     1              T115781000



                                                   - 21 -
                                            -21-
DESPIECE QUEMADOR COMPLETO HORNO HGV Y HGP




                                   4                                                5




                  3


         2

     1

                                                                                               6



                                                                                           7
                                                8




                                                             10                      9
16



                                                                  16    ELECTRODO IGNICION 10/11-10/     1              T115781000
                                                                  15    JUNTA TAPA PRINCIPAL             1   HB-71961   T305041000
                                                                  14    CONDUC. TAPA PRINCIPAL COMPL     1   HC-75810   T305035000
                                                                  13    JUNTA VENTILADOR                 1   HB-71962   T305042000
                                                                  12    BOQUILLA TOMA PRESION            1              R725017000
                                                        11        11    VISOR DE ENCENDIDO               1              R725015000
                                                                  10*   VALVULA VK 4115 V 1121           1              T303017000

             15                                 12                 9    MANGUITO DOBLE 1/2               1              S205023000
                                                                  8*    VENTURI 45.900.446.052           1              T303040000
                                                                   7    JUNTA VENTURI 24x15.5            1              T303046000
                                          13                       6    TOBERA VK41 D4.8                 1   HB-73113   T305068000
                                                                   5    CONTROL DE ENCENDIDO HONEYWELL   1   HC-76510   T303013000
                  14                                               4    VENTILADOR RG-130                1   HB-73153   T303016000
                                                                   3    TAPA PRINCIPAL                   1              T115782000
                                                                   2    QUEMADOR FURIGAS 10-11/10-21     1              T115710000
                                       -22-    - 22 -              1    ELECTROD DETEC 6/101/102 GAS     1              T115712000
6.- ESQUEMA TEORICO ELECTRICO HORNOS HGC



                                       HGC 10 / 11 HGC 10 / 21
                                       QEASP/ECG-20/11
                                                                                                                                                                                   R S4   RS 3 C EV   C EC RS2   RS1   R   IH
                                                                                                                                                                                           vi am                       g   m

                                                                                                                                                                                                                                                                                     n           GND

3                400V                                                                             12                                                                                                                                    C.T.
                                                                                                                                                                                                                                                                                   am
                                                                                                                                                                                                                                                                                    b
                                                                                                                                                                                                                                                                                                 Lcold
                                                                                                                                                                                                                                                                                                 Icold
                                                                                                                                                                                                                                                                                                 Ldes
                                                                                                  11 Vv2                                                                                                                                                                                          Ides
                                                                                    rs
                                   M
                                                                                                                                                                                                                                                                                                  Ldc
                                                                         C                        10 Vv1                                                                                                                                                                            g            +12
                                                                                   am              9
                                                                                                   8     +V   m1                  5m               a
                                                                              m                                                   4a      1
                                                                                                   7    GND   n2                                   r
    3            3a           4                          m                    vi                                                  3       2
                                                                              Ag                   6    PWM am 3
    vi           ve           a       am                             B                             5     HALL a 4                 2 am    3             am/ve
                                                  9a                          rs                                                                                                                                                                                                           C N5
    2 b          8 na                                                                                                             1n                                                                                                                                                                       le ds
                              5       6                          C                                 4
       1            7                                                     am/ve                    3
                                                  Ic                          a
        2a           8a                  Ic                                                        2    Vv                                                                                                                                                                               CN 4             HAC CP

        n            m                                 9 r                    r                                                     VC
                                  6a                                                               1
                                  g                                                                                                                              r                                                                                                                       CN 10            PR G

                                                                                                                                                                     a
             CM D                 CM I                                                                                                                                                                                                                                                   CN7             Temp er


                                                                                                                                                                                                                                                                                          CN 2              min


                  n                                                                                                                                                                                                                                                                                                      Tc
             m                                                                                                                                                                                                                                                                                      +
                                                                                                                                                                                                                   C.E.G
                              R                                                                                                                                                                                                                                                                              K
                                                             0                                                                                                                                                                                                                                      -
         g
                                  N                                                                Modo                 IG        1
                                                                                                                                  1a
                                                                                                                                              2
                                                                                                                                              2a
                                                                                                                                                                                                                                                                       CN12
                                                                                                                                                                                                                                                                                                    +
                                                                                                                                                                                                                                                                                                     -

                          a                                                              I                   0
                                                                                                                                                                                                                                                                                                                     2k2
                                                                                                                                                                                                                                                                       CN13                                              10k
    F                                                                                                        I
        R S      T    N                                                                                                                                                                                                                                                                  rs            Ip
                                                                                                                                                                                                                                                                                         rs                              Ip
                                                                                                                                                                                                                                                                                                      Ip
                                                                                                                                                                                                                                                                                         g         +12
                                                                                         3          4                    7   8   9                                                                                                                                                       am        Lcold
                                                             Ic       1            2                    5            6                                                                                                                                                     CN1
                                                                                                                                                                                                                                                                                          b        Icold
                                                                     1a            2 a 3a           4a 5a            6a 7a   8a 9a                                                                                                                                                        n         gnd
                                                                                                                                                                                                                                                                                          na        12             12V
                                                                                                                                                                                  CN8                                                           CN11
                                                                                                                                                                                                                                                                                          m          0              0V
                                                                                                                                                                                             b vi                                   a       g n rs          vi b                         vi         12             12V

                                                                                                                                                                                     C                                                                   C
                                                                                                                                                                                 M M R R R                                                      C C C C
                                                                                                                                                                 r                                                                  N       R            M
                                                                                                                                                                                 s b 2 1 1                                                      M C V
                                                                                                                                                                                                                                                      MI D
                                                                         IG                                                                                          a                                                          a
3            220V                             R
                                                             g                               m      FI           r           rs                    g                         g                                                          g
                                                                     2        2a                                        FM          TSC                                                                                                                            b
                                                                                                                                                                                                                                                      rs
                                                                                                                                    r TRF                                                                                                                    vi
             M                                                                                                                                 b                                                                                                 C
                                                                                                                                                                                                                                                      10
                                                                                                                                                            Lz
                                                                                                                                              am                                                                                                      Vv1
                  n                                                                                                                                                                                                                                                                                                       vi      b
             m                                                                                                                                            12 V                                                                                        9
                                                                                                                                               na                                                                                                      am
    g                                                                                                                                                                                                                                                             C.E.C.           vi                                     CMD     CMI
                                                                                                                                                   m                                                                                                                                                                                          m
                                                                                                                                                          0V                                                                                         12 11 10 9 8 7        6 5 4 3 2 1                                    vi      b
F
                                                                                                                                                                                                                                                                                                                    CMI         CMD       VHM
        R S T         N                                                                                      VE        VE                          vi                                                                                                                                                      BEC
                                                                         IG                                                                               12 V                                                                                             GV1             g       vi
                                                             a                                     FI                                                                                                                                                      GV2         B       A                           DEC
                                              N                                              ve          a                                                               a                                                                                                                                                            a
                                                                     1        1a                                                                              - 23 -                                                                                                                                                             T343003000

                                                                                                                                                                -23-
                                                                                                                                                       -23-
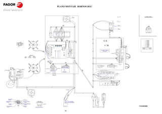
PLANO MONTAJE HORNOS HGC



                                                                                                                                                                                                                                                                                                                               VE                                                                                                                                                                                             T SC                                                           3~ 50H z 220V
                                                                                                                                                                                                                                                                                                                            Z-1030 66



                                                                                                                                                                                                                                                                                                               n
                                                                                                                                                                                                                                                                                                                    a                                                                                                                                                                                                          TC

                                                                                                                                                                                                                                                                                                                                                                                                                                                                      g                 a

                                                                                                                                                                                                                                                                                                                                                                    1




                                                                                                                                                                                                                                                                                                                                                                                                                                                                      2a

                                                                                                                                                                                                                                                                                                                                                                                                                                                                                   1a
                                                                                                                                                                                                                                                                                                                                                                                                                                                                                                                           IG
                                                                                                                                                                                                                                                                   1 80
                                                                                                                                                                                                                                                                                                                                                                                                                                                                                                                       T -343 008
                                                                                                                                                                                             1                                 1                              1                                                                         1
                                                                                                                                                                                                                                                                                                                                                                                                                                                                      m            ve
                                                                                                                                                                                                                                                                                                                                                                                                                                                                                                                           C .L
                                                                                                                                                                                                                                                                                                                                                                                                                                                                                                                       T -3 03018                                                               am      n m g




                                                                                                                                                                                                                                                                                                                                                                                                                                                                      2


                                                                                                                                                                                                                                                                                                                                                                                                                                                                                       1
                                                                                                                                                                                                                                                                                                                                                                                                                                                                                            n                                                                                                   /v e    a
                                                                                                                                                                                                                                                                                                                                                                                                                                                                      na


                                                                                                                                                                                                                   n m g vi             b     n m g                b    vi
                                                                                                                                                                                                                                                                                                                                                                                                                                                                      8                                                                                                                                 R S     T
                                                                                                                                                                                                                   1    3      5 N C A1        1       3 5 N C A1 1                       3    5         A1
                                                                                                                                                                                       na        rs
                                                                                                                                                                                                                       Z-7430 09                     Z -74 3009
                                                                                                                                                                                                                                                                                                                                                                                                                                                                      8
                                                                                                                                                                                                                            C MD                            C MI
                                                                                                                                                                                                                   2    4      6 N C A2        2        4     6 N C A2            2       4    6         A2
                                                                                                                                                                                         TS C                      n m g           vi a       n m g                b    a                                                                                                                                                                                             8                                  8                   8
                                                                                                                                                                                      T -30 3009

                                                                                                                                                                                                                                                                                                                                                                    1
                                                                                                                                                                                                                                                                                                                                                                                                                                                                                                                                        n

                                                                                                                                                                                                                                                                                                                                                                                                                               C.E .
                                                                                                                                                                                                                                                                                              180                                                                                                                                                                                                                                      na                                                     1 T -3 4300 2
                                                                                                                                                                                                                                                                                                                                                                                                                                                                                                                             CN 5
                                                                                                                                                                           1                                                   1                              1                                          1                              1
                                                                                                                                                                                                                                                                                                                                                                                                                                                                                                                                               l ed s                                         2 T -3 0303 3




                                                                                                                                                                                                                                                                                                                                            510
                                                                   gris                                                                                                                                                                                                               2                                             2                                                                                                                                                                                                                                                         3 T -3 0303 4
                                                                                                                                                                                                                                                                       2
                                               negro
                                                                                                                                                                                                                                                                                                                                                                                                                                                                                                                                                                                              4 T -3 0303 5
                                                                             blanco
                                                                                                                          M
                                                                                                                                                                                                                                                                                                                                                                                                                                                                                                                                   CN 4      H A CC P
                                                                                                                                                                                                                                                                                                                                                                    1                                                                                                                                                                                                                         5 T -3 0303 6
                                              mar ron                        amarillo
                                                                                                                                                                                                                                                                                                                                                                                                                                                      SW 3
                                                                                                                                                                                                                                                                                                                                                                                                                                                                                                                                                                                              7 T -3 0302 2
                                                  az ul                      rojo                                                                                                                                                                                                                                                                                                                                                  I ca l
                                                                                                                                                                                                                                                                                                                                                                                                                                                  I   3 2 1
                                                                                                                                                                                                                                                                                                                                                                                                                                                                                                                                   C N 10
                                                                                                                                                                                                                                                                                                                                                                                                                                                                                                                                             P RG                                             8 T -3 4300 6
                                                                                                                                                                                 Vv          T-303048                                                                                                                                                                                                                                                                                                                                                                                         9 T -3 0302 9
                                                                                                                                                                                                                                                                                                                                                                                                                                                       ON                                                                               r
                                                          gris                                                                                                                          J1                   D21                                                       J2                                                                                                                                                                                                                                                   C N7       m     T em p e r       7                             1 0 T -3 0303 1
                                                                                                                                                                                                                                                                                                                                                                                                                                                                                                                                       n
                                                                                                                                                                                                                            S1     S2         S3        S4
                                                                                                                                                                                                                                                                                                         a              r                                                                                                                                                                                                               r                                                   1 1 T -3 0303 7
                                                                                                                                                                               VF2                na                                                                                                                                                                                                                                                                                                                        C N2       m        m in      7                          E sque ma teo rico T -3430 03
                                                                                                                                                                               VF 2               na
                                                                                                                                                                                                             D20                                              m                                                                                                                                                                                                                                                                        n

                                                                                                                                                                                                                                                              n                                                                                                                                                                                                                                                                                                                      L eyend a           T -3 0304 2
                                                                                                                                                                               VF 1               rs                                                                                                                                                                1
                                                                                                                                                                                                  am                                                         am                                                                                                                                                                                                                                                T -323024
                                                                                                                                                                                                                                                                                                                                                                                                                                                                                                                                            + Tc                                     I ndicado r c omp . T -30 3043




                                                                                                                                                                                                                                                                                                                        T -113023
                                                                                                                                                                               VF 1
                                                                                                                                                                                                                                                                                                                                    2                                                                                                                                                                                                       -




                                                                                                                                                                                                                                                                                                             LOAD
                                                                                                                                                                                                                                                              a
                                                                                                                                                                                -
                                                                                                                                                                                                                       S1/S2        r.p .m.    Hz.                                                                                                                                                          Controlador HMI-2003                                                                                C N1 2
                                                                                                                                                                               MP                 m
                                                                                                                                                                               GV                 vi
                                                                                                                                                                                                                        0000
                                                                                                                                                                                                                        0001
                                                                                                                                                                                                                                     800
                                                                                                                                                                                                                                     1000       33
                                                                                                                                                                                                                                                   27
                                                                                                                                                                                                                                                                                                                                                                    1                                            T353003000
                                                                                                                                                                               GV                 g                     0010         1200       40                                                                                                                                                                                                                                                                  2k 2
                                                                                                                                                                                                                                                                        D19




                                                                                                                                                                                                                                                                                                             LINE
                                                                                                                                                                                                                        0011         1400       47

                                                                                                                                                                                CC                rs                    0100         1600       53
                                                                                                                                                                                                                                                                                                                                        1                                                                                                                                                                                                   CN13




                                                                                                                                                                                                                                                                                                                        FI
                                                                                                                                                                                                                        0101
                                                                                                                                                                                                                        0110
                                                                                                                                                                                                                                     1800
                                                                                                                                                                                                                                     2000
                                                                                                                                                                                                                                                60
                                                                                                                                                                                                                                                67
                                                                                                                                                                                                                                                                                                                                                                                                                                                                                   T-3 43 007                                                                 7
                                                                                                                                                                                                                                                                            J3
                                                                                                                                                                                N                 a                     0111         2200       73

                                                                                                                                                                                R                 n
                                                                                                                                                                                                                        1000         2500       83
                                                                                                                                                                                                                                                                                                                                                                                                                                                                                                                    10k
                                                                                                                                                                                                                        1001         3000       100
                                                                                                                                                                                                                                                                                                                    m
                                                                                                                         M OTO R                                                                                        1010         3500
                                                                                                                                                                                                                                                117
                                                                                                                                                                                                                                                                                                         ve                                                                                                                                                                                                          C N1      rs     Ip
                                                                                                                      400 V      2 30 V                                                                                 1011         4000       133
                                                                                                                                                                                                                                                                                                                                    2
                                                                                                                                                                                                                        1100         4500       150
                                                                                                                                                                                                                                                                                                                                                                                                                                                                                                                               rs     Ip
                                                                                            XX /21                T -32 3022    T -32 3023                                                                              1101         5000       167

                                                                                                                                                                                                                                                                                               am/ ve                                                                                                                                                                                                                          g   +12




                                                                                                                                                                                                                                                                                                                                                                                                                                                                                                                                                                          n m r
                                                                                                                                                                                                                        1110         5500       183
                                                                                            XX /11                T -67 3065    T -67 3066
                                                                                                                                                                                                                                                                                                                                        1
                                                                                                                                                                                                                        1111                    200
                                                                                                                                                                                                                                                                                                                                                                                                                                                                                                                               a m Lc old
                                                                                                                                                                                                                                     6000
                                                                                                                                                                                                                                                                                                                                                                       1                                                                                                                                       1
                                                                                                                                                                                                                                                                                                                                                                                                                                                                                                                               b   Ico ld
                                                                                                                                                                                                                                                                                                                                                                                                                                                                                                                               n    g nd
                                                                                                                                                                                                                                                                                                                                        1
                                                                                                                                                                                                                                                                                                                                                                                                                                                                                                                               na   12
                                                                                                                                                                           6 M               M           9                                                                                                                                                                                                                                                                                                                     m    0
                                                                                                                                                                                                                                                                                  180
                                                                                                                                                                                                                                                                                                                                                                                                                                                                                                                               vi   12
                                                                                                                                                                                            2                2                                                                                                                                1                     1                                                                                                                   1                                                                 7
                                                                                                                                                                                                                                                                                          1

                                                                                                                                                                                                                                                                                                                                                                                                            b vi CN 8                                  a              g n rs                        vi b CN1 1
                                                                                                                         M
                                                                                                                                                                                         am a n m g                                                           na m m vi b am r a




                                                                                                                                                                                                                                                                                                                                                                                                                                                                                                                                                                  n m r
                                                                                                                                                                                                                                                                                                                                                                                           M        M C     R       R                                                          C       C        C   C C
                                                                                                                                                                                                                                                                                                                                                                                                                                                        N             R
                       3                                                                                                                                                                 /v e                                                                                                                                                                                              s        b R     1       1                                                          M       C        V   M M
                                  4                                                                                                                                                                                                Z-2633 03                  12 0 0 12 12 0 230 0                                                                                                                                                                                                                  I D
                                                                                                                                                                                                                                                                                                                                                                                                      2
                                                                                                                                                                   P-4530 26                                                                                                                                                                                        1
                                      43                         VC        T-3030 16                                                                                                                                                                                                                                                               1
T -303 04 1 G V1                                                                                                                                                                                     N       R S        T
                                                                                                                                                                                                                                                                        TRF




                                                                                                                                                                                                                                                                                                                                                       20
            G V2                                                            n




                                                                                                                                                                                                                                                                                                                                                         0
                                                                            am
                             am                     2                       a                                                                                                                                                                                      R-503005                                                                                                                                     m                                                                               n
                                                                                                                                                                                                                                                                                                                                                                                                                               m                  g                   ve
                           am                                               m                                                                                          Z -26 3302
                           g              3                                                                                                                                                                                                                                                                                                                                                                                                                                                                        IC
                                      4                                                                                                                                                                   R -073 005
                                                                                                                                                                                                                                                                                                                                                                                               A                                                                                                               R -663 026




                                                                                                                                                                                                                                                                                                                                                                                                                                                      5a

                                                                                                                                                                                                                                                                                                                                                                                                                                                                 4a




                                                                                                                                                                                                                                                                                                                                                                                                                                                                                                    1a
                                                                                                                                                                                                                                                                                                                                                                                                                                                                           3a

                                                                                                                                                                                                                                                                                                                                                                                                                                                                                        2a
                                                                                                                                                                                                                                                                                                                                                                                                                9a

                                                                                                                                                                                                                                                                                                                                                                                                                          8a

                                                                                                                                                                                                                                                                                                                                                                                                                                   7a

                                                                                                                                                                                                                                                                                                                                                                                                                                             6a
                            g




                                                                                                                                                                                                                                                                                                                                                                                                      10a
                           vi
                           a                                              am / v e                                                                                                                       Fus ib le 10 A                                                                                                             2 1                             1
                                              1                            r
                                                                           a                                                                                                                              R -723 015
                          C .E .C .       3




                                                                                                                                                                                                                                                                                                                                                                                                      10
                                                                                                                                                                                                                                                                                                                                                                                          A




                                                                                                                                                                                                                                                                                                                                                                                                                9



                                                                                                                                                                                                                                                                                                                                                                                                                                   7

                                                                                                                                                                                                                                                                                                                                                                                                                                             6



                                                                                                                                                                                                                                                                                                                                                                                                                                                                 4

                                                                                                                                                                                                                                                                                                                                                                                                                                                                           3

                                                                                                                                                                                                                                                                                                                                                                                                                                                                                        2

                                                                                                                                                                                                                                                                                                                                                                                                                                                                                                    1
                                                                                                                                                                                                                                                                                                                                                                                                                          8




                                                                                                                                                                                                                                                                                                                                                                                                                                                      5
                     T -30 3013
                                                                                                                                                                                                                                                                                                                                                                                                                                                             a                     vi
                                              1                  am /v e                                                                                                                                                                                                                                                                                                                                        r        ve        na          am                                                   b
                                       4
                                              1 2
                                                                                                                                                                                                                                                                                                                                                                       1                                                                                                           1                                          1
                                          3                                                                                                                                                                                                                                                                                                                    1
                                                                                                                                                                                                                                                                                                                                                                                                                                                                                                                n
                                                                                                                                                                                                                                                                                                                                                                                                                                     L co ld            LS T C                                                 am
                                                                                                                                                                                                                                                                                                                                                                                                                                                                                       vi am             g m    b
                                              1
                                                                                                                                                                                                                                                                                                                                                                                                                                                                                           C .T
                                                                                                                                                                                                                                                                                                                                                                                                                                    Ico ld            RS T                IH           T -30301 9               g




                                                    2                                                                                        2                                                        2                                                                                                                             2
                                                                                                                                                                                                                                                                                                                                                                   1
                                              1                                                           1                            1                                                         1                                                                                                                                      1

                                                                                                              r
                                                                                                      a                                                                                                                                                                                   Z-233 012



                                                                                                                                                                                                                                                                                                                                        1                                                                                   Lz
                                                                                                                                                                                                                                                                                                                                                           1            1
                                                                                                                                                                                                                                                                                                                                                                                                                        T -30 3023

                                                                                                                                                                                                                                                                                                    RC                                                                                                               R -66301 3

                                                                                                                           VE                                                                                                                                                                                                                                                  rs
                                                                                                                                                                                                                                                                                                                                                                   am
                                                                                                                       Z-1 03 066
                                                                                                                                                                                                                                                                            a                                                                                              b
                                                                                                                                                                                                                                                                                                m                                                                                                                           10
            Tornillo M4x20                                                                                                                                                                                                                                                                                                                                                                                                  W
                                                                                                                                                                                                                                                                                                                                                                                               Ip
              Q-081365                                                                Cabl es masa
                                                                                                                                                                                                                                                                             VHM
     Ara ndel a mue lle A4                                                                                                                                                                                                                                                       P-305013          1 l/min Amarillo 20/ 21
                                                                                                                                                                                                                                                                                                                                                                    10
                                                                                     Lengueta macho doble
                                                                                                                                                                                                                                                                                                                                                                                    Z-100522




                                                                                                                                                                                                                                                                                 R-715011          0,5 l/min Rojo 10/21, 20/11                                                                                                 b
       Q-261020                                                                           Q-563004                                                                                                                                                                               R-665041          0,25 l/min Verde 10/11 6/11
                                                                                                                                                                                                                                                                                                                                                                                                                           am
              T uerca M4                                                            Plac a asiento c onexion mas a
                                                                                                                                                            R-073004
              Q -16302 0                                                                  Q-563004
                                                                                                                                                                                                                                                                                                                                                                                                                           10
      Tuerca c uadrada M4
        Q -22190 1
                                                                                        Tue rc a M4
                                                                                        Q-163020
                                                                                                                                                                                                                                                                        Z-701135
                                                                                                                                                                                                                                                                                                                                                                    10                  10                                 10
                                                                                                                                                                                                                                                                                                                                                                                                                                                                                                                                                                                  T343004000
                                                                                                                                           PRE NSAESTOPAS
                                                                                                                                                                                                                                                                                                                                                  - 24 -
                                                                                                                                                                                                                                                                                -24-
ESQUEMA TEORICO ELECTRICO HORNOS HGV Y HGP


HG V 10/2 1                                                                           HG P                           10 / 21                                                                                                                                                           R S4 RS3 C EV CEC R S2 R S1   R   IH
                                                                                                                                                                                                                                                                                               v i am na v e         m   n

                                                                                                                                                                                                                                                                                                                                                                          n               G ND
                                                                                                                           na                12                                                                                                                                                                                                                         am                L cold


                                                                                                                         C
                                                                                                                           na
                                                                                                                             rs
                                                                                                                            am
                                                                                                                                             11 Vv2
                                                                                                                                             10
                                                                                                                                                Vv1
                                                                                                                                                                                                                                                                                                                                C .T .                                    m
                                                                                                                                                                                                                                                                                                                                                                          b
                                                                                                                                                                                                                                                                                                                                                                         ve
                                                                                                                                                                                                                                                                                                                                                                                           Icold
                                                                                                                                                                                                                                                                                                                                                                                           L des
                                                                                                                                                                                                                                                                                                                                                                                            Id es
                                                                                                                                              9                                                                                                                                                                                                                           r                  Ld c
                                                                                                                                                  +V   m1                          5m                                                                                                                                                                                     vi                + 12
                                                                                                                                              8                                                              a
    3                  400V                                                                             m
                                                                                                                                   m
                                                                                                                                   vi         7   GND  n2                          4a       1
                                                                                                                                                                                                             n
                                                                                                   9a
                                                                                                        Ic
                                                                                                                     B
                                                                                                                              A

                                                                                                                                  rs
                                                                                                                                    g         6
                                                                                                                                              5
                                                                                                                                                  PWM am 3
                                                                                                                                                  HALL a 4
                                                                                                                                                                                   3
                                                                                                                                                                                   2 am
                                                                                                                                                                                            2
                                                                                                                                                                                            3
                                                                                                                                                                                                      am/ve
                                                                                                                                                                                                                                                                                                                                               C.H                              S.H
                                                                                                                 C                            4                                    1n
                                                                                                                             am/ve
                                                                                                                                              3
                                                                                                                                                       Vv
                                                                                                    9 n                            a                                                                                                                                                                                                                                              E NC O DE R
                                        M                                                                                          n
                                                                                                                                              2
                                                                                                                                              1
                                                                                                                                                                                       VC                                                                                                                                PR G                                     LE DS
                                                                                                                                                                                                                                                                                                                                                        H AC CP
3                 3a          4
vi                ve          a       am
2         b       8 na        5       6
                                                                                                                                                                                                                                                                                                                                      CN 1 4   C N1 3     C N4         CN 5       C N 2 C N1 0
         1            7
        2a           8a                 Ic                                                                                                                                                                                                                                                              CM D             b
                                                                                                                                                                                                                                                                                                                                      P RG     %H R      HAC CP        l ed s     mi n    T e mpe r


        n            m            6a                                                                                                                                                                                                                                                                    CM I             vi                                        rs                         Ip
                                                                                                                                        b        vi                                                                                                                                     Vv 2                                                                                                                Ip
                                  g                                                                                                                                                                                                                                             11                 12
                                                                                                                                                                                                                                                                                                        CV               na                                        rs                         Ip
                                                                                                                                                           na                              ve                                                                                  9              10
                                                                                                                                                                                                                                                                                                        CC               rs                                       na
              CMD                 CMI                                                                                                   CMI     CMD                  C.E.V .                                         am                                                                Vv 1         C                                                             na
                                                                                                                                                                                                                                  C.E.C.             vi                                                 CM                n
                                                      O            Modo      IG       1
                                                                                     1a
                                                                                            2
                                                                                            2a                           m              b       vi     12 11 10 9     8        7   6   5    4    3     2    1      12 1 1 10 9      8        7   6        5   4       3    2       1                     R               g                                         vi                 Cold
                                                                                                                                                                                                                                                                                                                                                                  am                  Lcold
                   n
              m                   R          C             V         OFF                                         VH M                 C MD    CMI                                                                                                                                                                         a                                        m                  Icold
                                                                                                                                                                                                                                                                                                          N
         g                                                          VAPOR                                                                                      GV3        n                                B EV          GV1             g                                     B EC                                                                                 g                  De s
                                                                                                                                                                                                                                                     vi                                                              CN7
                                                                   REG. VAPOR                                                                                  GV4                                         D EV          GV2        B            A                             DE C                                                                                b                  Ldes
                                  N                                                                                      a                                                              a
                                             M             RV      REGENERAC.                                                                                                                                                                                                                                                                                     ve                   Ides
                          a
                                                                                                                                                                                                                                                                                                                                   C .E.G .
                                                      RG            MIXTO                               n                                                                                                                                                                                                                                                           r                  Ld c
F                                                                  CONVE CCION                                                                                                                                                                                                                                                                                      r                   Ldc
                                                                                                                                  r                                        rs                                            vi                                       g
                                                                                                                                                                                                                                                                                                                                                                   CN3
        R S T          N                                                                                                                                         FM                             T SC                                                      T SV

                                                                                                                                                                                                                                                                                                        Mc                    ve                                   m
                                                                                                                                               ve                                                                                                                                                        Ma                   b                                    n                                         PF
                                                                                                                                                           b                                                                                                                                            M BA                  vi                                  na
                                                                    4            7             9
                                                 Ic    1   2   3         5   6             8                                                                              vi                                                                                                                            V Cnd                 rs                                  C N 17
                                                      1a   2a 3a    4a 5 a   6a 7a         8a 9a                                                                                                                                                                                                                              na
                                                                                                                                                                                                                                                                                                        V V ac
                                                                                                                                                                                                                     na                                                                                                                                                                            +
                                                                                                                                                                                                                                                                                                          K                   am
                                                                                                                                                                                                                                                                                                                                                                                  Tc               -
                                                                                                                                                                                                                                                                                                        V DV                  n
                                                                                                                                                                       C                         rs                                                                            n                                                                                                                   +
                                                                                                                                                           Ma                                                                                                                                           R 32                  m
                                                                                                                                               Mc                                                                                                                                                       R 32                   g                                                  Tv               -
                                                                                                                                                                     MBA                    VCN                   VA C                                                    VDV
                                                                                                                                                                                                                                                                                                                                                                                                   +
                                                                                                                                                      Md                                                                                                                                                                 CN 9                                                     Tn               -
                                                                                     R32                                                                                                                                                                                                                                                                                                           +
                                                                                                                         a                                                                                                                                                                                                                                                        Tg               -
                                                                                     IG
3             220V                                          R         g                             m FI r                         r                                                                                                                                                                                                                              C N1 5

                                                                                 2         2a                                                                                                                r                                                                                          R 31                   a
                                                                                                                                                                                                                                                                                                        R31                    ve
                                                                                                                                                                                                                                      b              Lz                                                                                                            n            GN D(12V )
              M                                                                                                                                                                                                                      am
                                                                                                                                                                                                                                                                                                         R1                     b
                                                                                                                                                                                                                                                                                                                               vi                                                    0
                                                                                                                                                                                                                                                                                                         R1                                                                          x
                                                                                                                                                                                                                                                 12                                                     CR 2
                  n                                                                                                                                                                                                                 na                                                                  Mb                     m                                                     12
              m                                                                                                                                                                                                                                                                                                                                                   am                Com
                                                                                                                                                                                                                                        m                                                                Ms                    r
    g                                                                                                                                                                                                                                            0                                                                                                                ve                 m in
                                                                                                                                                                                                                                                                                                                              C N8                                 g                M ax
                                                                                                                                                                                                                                                                                                                                                                  na                  12               12
F                                                                                                                                                                                                                                       vi       12                            Mb Ms
                                                                                     R31                                                                                                                                                                                                                                                                           m                   0               0
        R S T                                                                                                                                                                                                                                                                                                                                                      vi                 12               12
                                                                                                                                                                                    VE          VE                                                                                      M ch
                                                                                     IG                                                                                                                                                                                                                                                                           CN1

                                                                      a                            ve
                                                                                                        FI
                                                                                                             a                                                                                                                a                                                                                                                                                          J1                 DN
                                                            N
                                                                                 1        1a




                                                                                                                                                                                       - 25 -                                                                                                                                                                     T303038000
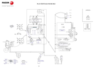
PLANO MONTAJE HORNOS HGV Y HGP


                                                                                                                                                                                                                                                                      VE
                                                                                                                                                                                                                                                                                                                                                                                                                                                                                                                                                                             % HR
                                                                                                                                                                   T SC                                                                                            Z-103 066                                                               IL                                                                                                                                                                                                                                                                           T SC                       3 ~50 Hz 22 0V
                                                                                                                                                                T -303 009                                                                                                                                                                                                                                                                                                  m n n a am
                                                                                                                                                                                                                                                                                                                                                                                                                                                                                                               C .H
                                                                                                                                                                                                                                                                                                                                                                                                                                                                                                                                                        m n n a am

                                                                                                                                                                                  1         2                                                                                                                                                                                                                                                                                                              T -3 2301 3
                                                                                                                                                                                  rs            vi                                                                                                                                                                                                                                                                                                                                                                                                                      TN
                                                                                                                                                                                                                                                          n                                                                                                                                                                                             9
                                                                                                                                                                                                                                                                                                                                                                                                                                            9
                                                                                                                                                                                                                                                               a                               200
                                                                                                                                                                                            1                                   1                                   1         1                                                                1                                                                                                                                                                                                                                                                        TC
                                                                                                                                                                                                                                                                                                                                                                                                                                            9
                                                                                                                                                                                                                                                                                                                                                                                                                                                                                                                                               g                                 a

                                                                                                                                                                                                                                                                                                                                                                                                                                                                                                                                      m
                                                                                                                                                                                                                                                                                                                                                                                                                                                1




                                                                                                                                                                                                                                                                                                                                                                                                                                                                                                                                           4a

                                                                                                                                                                                                                                                                                                                                                                                                                                                                                                                                                        3a

                                                                                                                                                                                                                                                                                                                                                                                                                                                                                                                                                                  2a

                                                                                                                                                                                                                                                                                                                                                                                                                                                                                                                                                                            1a
                                                                                                                                                                                                                                                                                                                                                                                                                                                                                                                                      n                                                                         IG
                                                                                                                                                                                                                                                                                                                                                                                                                                        6                                                      6                                       -                                                                     T-303 004
                                                                                                                                                                                                                g      m n           vi     b         n m g              b    vi                                                                                                                                                                                                                                                      na
                                                                                                                                                                                                                                                                                                                                                                                                                                                                                   PF                                                                                       ve
                                                                                                                                                                       g                                         1      3 5 N C A1 1 3 5 N C A1 1                                              3   5         A1
                                                                                                                                                                                                                                                                                                                                                                                                                                                                                T-303 020
                                                                                                                                                                             11                                        Z -7 4300 9  Z -74 30 09                                                                                                                                                                                                                                                                                                                                                             C .L
                                                                                                                                                                                                                                                                                                                                                                                                                                                                                                                                       m                                                                                                                       n m g
                                                      n                                                                                                                                                                   CMD                                                                                                                                                                                                                                                                                                                                                                            T-3 0301 8                                   am
                                   Ms                                                 a                                                                                                                                                CMI




                                                                                                                                                                                                                                                                                                                                                                                                                                                                                                                                           4

                                                                                                                                                                                                                                                                                                                                                                                                                                                                                                                                                        3

                                                                                                                                                                                                                                                                                                                                                                                                                                                                                                                                                                  2

                                                                                                                                                                                                                                                                                                                                                                                                                                                                                                                                                                            1
                                                                                                                                                                         12                                                                                                                                                                                                                                                                                                                                                                                                                                                                           /ve      a
                               R -010 534                                                                                                                                                                                                                                                                                                                                                                                                                                                                                                                          n ve a m m r n a
                                                                                                                                                                      v i 14                                     2     4        6 N C A2              2        4    6 N C A2           2       4   6         A2
                                                      r
                            M1                                                                                                                                                                                  n      m g           vi a             n m g              b    a                                                                                                                                                             9
                                                                                          n                                                                             T SV                                                                                                                                                                                                                                                                                         9                                                        9                                   8                             7                                                              R S   T
                         T-113010                                                                                                                                    Z -95 3035                                                                                                                                                                                                                                                                                  9                                         9                                                                         7
                                                                                  n
                                                                                                                                                                                                                                                                                                                                                                                                                                            9
                                   Mb
                               R -0105 34                         m                                                                                                                                                                                                                                200                                                                                                                                                                                                am n a n m         a m na n m                      n a r m am ve n          r m n
                                                                                                                                                                                                                                                                                                                                                                                                                                                                                                                                                                           E m in E ºC
                                                                                                                                                                                                                                                                                                                                                                                                                                                                                                                                                                                            r m n

                                                                                          am /v e                                                                                                                                                                                                                                                                                                                                                                                                     P RG               % H R H AC C P                       leds
                                                                                                                                                                       1                                                        1                                   1                                    1                                     1                                                                                                                                         8                                                                              12
                                                                                                                                                                                                                                                                                                                                                                                                                                        6




                                                                                                                                                                                                                                                                                                                                                    270
                                                                                                                                                                                                                                                                                           2                            2                  2                                                                                                                                              b             CMD                                                            rs         Ip
                                                                                                                                                                                                                                                                                                                                                                                                                                                                                          vi                                                                           rs         Ip
                                                                                                                                                                                                                                                                                                                                                                                                                                                                                                        CMI
                                                                                                                                                                                                                                                                                                                                                                                                                                                                                          na            CV                                                             na        IL                      7
                                                                                                    1                            1                                                                                                                                                                                                             1
                                                                                                                                                                                                                                                                                                                                                                                                                                                                                          rs            CC                                                             na        IL                                               1 T-3 0303 2
                                                                                                                                                                                                          Vv            T -083 002                                                                                                                                                                                                              1                                                                                                                       vi
                                                                                                                                                                                                                                                                                                                                                                                                                                                                                           n            CM                                                                     C o ld                                             2 T-3 0303 3
                                                                                                                                                                                                              D21                                                                                                                                                                                                                                                                         g              R                                                             am     L cold                                              3 T-3 0303 4
                                                                                                                                                                                       J1
                                                                                                                                                                                                                                                                             J2                                                                                                                                                                                                                                                                                        m       Icold                                              4 T-3 0303 5
                                                      gr is                                                                                                                                      na                             S1               S2                                                          a              r                                                                                                               9                                                                                                                           g                                                         5 T-3 0303 6
                                                                                                                                                                           VF 2                                                                                                                                                                                                                                                                                                           a                N                                                                    D es
                                                                                                                                                                                                 na           D20                                                    m                                                                                                                                                                                                                                                                                                                                                            6 T-3 0303 0
                                    negro                     blanc o                                                                                                      VF2                                                                                                                                                                                                                                                                                                                                                                                          b     L des
                                    marron
                                                                                                        M                                                                  VF1                   rs                                                                  n
                                                                                                                                                                                                                                                                    am
                                                                                                                                                                                                                                                                                                                                                                                                                                                1                                                                                          1                           ve      Ide s
                                                                                                                                                                                                                                                                                                                                                                                                                                                                                                                                                                                                                                  7 T-3 0302 2




                                                                                                                                                                                                                                                                                                                                                                                                                                                                                                                                                                                                                        n m r
                                                              amarillo                                                                                                                           am                                                                                                                                                                                                                                                                                                                                                                                                                               8 T-3 0302 8




                                                                                                                                                                                                                                                                                                                                T-113023
                                                                                                                                                                           VF1




                                                                                                                                                                                                                                                                                                                 LOAD
                                                                                                                                                                                                                                                                     a                                                                     2                                                                                                                                                             C .E .                                                          r      Ldc
                                       azul                   rojo                                                                                                           -                                                                                                                                                                                                                                                                                                                                                                                                                                                    9 T-3 0302 9
                                                                                                                                                                           MP                     m                    S1/S2            r .p.m.       Hz.                                                                                                                                                                                                                                             T 3 03 005                                                        r       L dc
                                                                                                                                                                                                                        0000              800             27                                                                                                                                                                                                                                                                                                                                                                    10 T-3 0303 1
                                              gris                                                                                                                         GV                    vi                     0001              1000        33
                                                                                                                                                                                                                                                                                                                                                                                                                                                                                                                                                                                                                                11 T-3 0303 7
                                                                                                                                                                           GV                     g                     0010              1200        40
                                                                                                                                                                                                                                                                              D1 9                                                                                                                                                      6                                        6                                                        6                            m                                                        Esq u em a te oric o T -3 0303 8




                                                                                                                                                                                                                                                                                                                 LINE
                                                                                                                                                                                                                        0011              1400        47

                                                                                                                                                                            CC                   rs                     0100              1600        53
                                                                                                                                                                                                                                                                                                                                               1                                                                                                                                         9                                                                              n                PF                                     Leye nda             T -303 042




                                                                                                                                                                                                                                                                                                                                FI
                                                                                                                                                                                                                        0101              1800        60
                                                                                                                                                                                                                        0110              2000        67
                                                                                                                                                                                                                                                                                  J3                                                                                                                                                                                                     ve             Vac l                                                          na                                                       Indic ad or co m p. T -30 30 43
                                                                                                                                                                            N                    a                      0111              2200
                                                                                                                                                                                                                                                      73
                                                                                                                                                                                                                                                                                                                                                                                                                                                1                                        b
                                                                                                                                                                            R                    n
                                                                                                                                                                                                                        1000              2500        83
                                                                                                                                                                                                                                                                                                                                                                                                                                                                                                        V Lav
                                                                                                                                                                                                                        1001              3000        100
                                                                                                                                                                                                                                                                                                                            m                                                                                                                                                            vi             V D es                                                                       +
                                                                                                                                                                                                                        1010              3500        117                                                    ve                                                                                                                                                                                                                            T -323 024                                  Tc
                                                                                                                                                                                                                                                                                                                                           2                                                                                                                                             rs                                                                                          -




                                                                                                                                                                                                                                                                                                                                                        60
                                                                                                                                                                                                                                                                                                                                                                                                                                                                                                        VC nd
                                                                                                                                                                                                                        1011              4000        133
                                                                                                                                                                                                                                                      150
                                                                                                                                                                                                                                                                                                                                                                                                                                                1
                                                                                                                                                                                                                        1100              4500
                                                                                                                                                                                                                                                      167
                                                                                                                                                                                                                                                                                                                                                                                                                                                                                         na             VVa c                                                                        +
                                                                                                                                                                                                                                                                                                                                                                                                                                                                                                                                                                                       Tv
                                                                                                                                                                                                                        1101              5000
                                                                                                                                                                                                                        1110              5500
                                                                                                                                                                                                                                                      183
                                                                                                                                                                                                                                                      200
                                                                                                                                                                                                                                                                                                   am /v e                                              60                                                                                                                               am               K                                                                          -
                                                                                                                                                                                                                                                                                                                                               1                                                                                                                                                                                                                       8
                                                                                                                                                                                                                        1111              6000

                                                                                                                                                                                                                                                                                                                                                                                                                                                                                         n              VD V                                                                         +
                                                     am                                                                                                                                                                                                                                                                                                                                                                                                                                                                                    T -3 0300 7                                 Tn            7
                                       g      ve                                                                                                                       6 M                  M         9                                                                                                                                                                                                                                                                                  m              R 32                                                                         -
                                                                                                                   M OT OR                                                                                                                                                                                                                                                                                                                                                                g             R 32                                                                         +
                                                                             1                                                                                                                                                                                                               200                                                                                                                                            9                                                                                             T -323 01 1                                  Tg
                    R-345060                                                                                    400 V       230 V                                                                                                                                                                                                                                                                                                                                                                                                                                                    -
                                                                                              XX /21        T -32 3022    T -3230 23                                                    1                 1                                                                                  1                                                                   1
                    R-345063                                                                                                                                                                                                                                                                                                                                                     20                                                                                                             T -3 0 3045
                                                                                              XX /11        T -67 3065    T -6730 66                                                                                                                                                                                                                                                  0
                    R-345064                                                                                                                                                                                                                                                                                                                                                                                                                                                                                                                                           n             GN D
                                                                                                                                                                                                                                                                                                                                                                                                                                                1                                                                             1                                                       0
                                                                                                                                                                                                                                                                                                                                           2                                                                                                                                             7                                                                            10              x
                                                                                                                                                                                        am a              n     m g




                                                                                                                                                                                                                                                                                                                                                                                                                                                                                                                                                                                                                n m r
                                                                                                                                                                                                                                                                     na m m vi b am r a                                                        1                                                                                                                                           a R3 1
                                                                                                                                                                                        /v e                                                                                                                                                                                                                                                                                                                                                                                         12
                                                                                                                                                                                                                                                                     12 0 0 12 12 0 230 0                                                                                                                                                                                                 v e R 31                                                                    am             C om
                                                                                                                                                                P-453 026                                                             Z-26 33 03
                                                                                                                                                                                                                                                                                                                                                                                                                                                                                           b   R1                                                                     ve             m in
                                                                                                                                                                                                                                                                              TRF                                                                                                                                                               1                                          vi  R1                                                                      g             M ax
                                                                             1                                                                                                                       N R        S       T                                                                                                                                                                                                                                                                     CR2                                                                     na              12
                                                                                                                                                                                                                                                                                                                                                                                                                                                                                          m Mb                                                                         m                0
                                                                                                                                                                                                                                                                         R- 503005                                                                                                                                                                                                         r                                                                           vi
                                                                                                                                                                                                                                                                                                                                                                                                                                                                                               Ms                                                                                      12
                                                                                                                                                                   Z -26 3302
                                                                                                                                                                                                       R -07 3005                                                                                                                                                                                                                                                                                                                     am /v e
                                                                                                        M                                                                                             F u sible 1 0A
                                                                                                                                                                                                                                                                                                                                           2                                                                                                    1
                                                                                                                                                                                                       R -72 3015                                                                                                                                       2                                                     2
                                                                                                                                                                                                                                                                                                                                                                                                     1                                                                                                 m
                                                                                                                                                                                                                                                                                                                                                1                                                                                                                                                                        m                 g                      ve                  n
                                                                                                                                                                                                                                                                                                                                                                     3                                                                                                                                                                                                                                  IC
                                                                                                                                                                                                                                                                                                                                                            4                   4
                                                                                                                                                                                                                                                                                                                                                                                                                                                                            A                                                                                                                       R -663 026




                                                                                                                                                                                                                                                                                                                                                                                                                                                                                                                                                   5a

                                                                                                                                                                                                                                                                                                                                                                                                                                                                                                                                                             4a

                                                                                                                                                                                                                                                                                                                                                                                                                                                                                                                                                                       3a

                                                                                                                                                                                                                                                                                                                                                                                                                                                                                                                                                                                 2a

                                                                                                                                                                                                                                                                                                                                                                                                                                                                                                                                                                                           1a
                                                                                                                                                                                                                                                                                                                                                                                                                                                                                                      9a

                                                                                                                                                                                                                                                                                                                                                                                                                                                                                                                 8a

                                                                                                                                                                                                                                                                                                                                                                                                                                                                                                                              7a

                                                                                                                                                                                                                                                                                                                                                                                                                                                                                                                                      6a
                                                                                                                                                                                                                                                                                                                                                                                                                                                                                         10a
                                                                                                                                                                                                                                                                                                                                                                                      43                                  VC                    1
                                                                                                                                                                                                                                                                                                                                                                                                                                n




                                                                                                                                                                                                                                                                                                                                                                                                                                                                                         10
                                                                             1                                                                                                                                                                                                                                                                                                                                                                                           A




                                                                                                                                                                                                                                                                                                                                                                                                                                                                                                      9




                                                                                                                                                                                                                                                                                                                                                                                                                                                                                                                                                             4
                                                                                                                                                                                                                                                                                                                                                                                                                                                                                                                 8

                                                                                                                                                                                                                                                                                                                                                                                                                                                                                                                              7

                                                                                                                                                                                                                                                                                                                                                                                                                                                                                                                                      6




                                                                                                                                                                                                                                                                                                                                                                                                                                                                                                                                                                       3

                                                                                                                                                                                                                                                                                                                                                                                                                                                                                                                                                                                 2

                                                                                                                                                                                                                                                                                                                                                                                                                                                                                                                                                                                           1
                                                                                                                                                                                                                                                                                                                                                                                                                                                                                                                                                   5
                                                     TSV                                                                                                                                                                                                                                                                                                                 am                                   2
                                                                                                                                                                                                                                                                                                                                                                                                                                am
                                                                                                                                                                                                                                                                                                                                                                                                                                a
                                                                                                                                                                                                                                                                                                                                                                         am                                                     m
                                                                                                                                                                                                                                                                                                                                                                         g                    3                                                                                                                                                         a
                                                                                                                                                                                                                                                                                                                                                            1                             4                                                 9 1                                                        n        ve            na          am                                vi             b
                                                                                                                                                                                                                                                                                                                                                                          g
                                                                                                                                                                                                                                                                                                                                                                         vi
                                                                                                                                                                                                                                                                                                                                                                         a                                                     am/v e
                                                                                                                                                                                                                                                                                                                                                                                                     1                         n
                                                                                                                                                                                                                                                                                                                                                                                                                                a
                                 Tg
                                                                                                                                                                                                                                                                                                                                                                C. E.C .
                                                                                                                                                                                                                                                                                                                                                                                                                                                1
                                                                                                                                                                                                                                                                                                                                                                 GV 1                         3                                                                                 Ld c         Ld es                            L S T V LS T C
                                                                                                                                                                                                                                                                                                                                                                                                                                                                                                                                                                                              n
                                                                                                                                                                                                                                                                                                                                                                                      4                                                                                                                          L cold
                                                                                                                                                                                                                                                                                                                                                                                                                                                                                                                                                                  vi am n a v e      m n
                                                                                                                                                                                                                                                                                                                                                                                                                                                                                                                                                                                            am
                                                                                                                                                                                                                                                                                                                                                                                                                                                                                                                                                                                             m
                                                                                                                                                                                                                                                                                                                                                                 GV 2                                                                                                                                                                                                                         b
                                                                                                                                                                                                                                                                                                                                                                                                                                                                                                                                                                      C .T                   ve
                                                                                                                                                       a                                                                                                                                                                                       1                                                                                                                                                                                                                                              r
                                                                                                                                                                                                                                                                                                                                                                                                                                                                                             I de s                                                     IH        T -30 3019                 vi
                                                                                                                                                                             1                                                                                                                                                                                                            4 3
                                                                                                                                                                                                                                                                                                                                                                                                                                                                                                                Ic old             RS T

                                                                                                                                 a m /v e                  na

                                                                                                                                                                                                                                                                                                                                                                                                                  4                                                                                                   PR G
                                                                                                                                                                                                                                                                                                                                                                                                                                                                                                                   T -32 30 12
                                                                             1
                                                                                                                                                                                                                                                                                                                                                                                                                      5
                                                                                                                                                V Ac                                                                                                                                                                                                                                                 11
                                                                                                                                                                                                                                                                                                                                                          5
                                                                                                                                            Z -2 20 90 1                                                                                                                                                                                           11                                                                     na                                                                                   m n na a m

                                                                                                                                                                                                                                                                         5        11
                                                                                                                                                                                                                                                                                                                                                                     o Jo                                                 na
                                                                                                                                                                                                                                                                                                                                                                                                                          n


                                                                                                                                                                                                                                                                                                                                                                                                      1                   n
                                                                                                                                                                                                                                                                                                                                                                                                                                                                                         9
                                                                                                                                                                                                                                                                                                                                                                                                                          ve                9
                                                                                                                                                                                  5                                                                                                                                                                                                           G V3
                                                                                                                                                                                                                                                                                                                                                                                                                          a
                                                                                                                                                                                        11
                                                                                                                                                                                                                                                                                                                                                                                              G V4                                C .E.V.
                                                                                                                             5
                                                              5                   5                                   11
       11                         11                                    11
                                                                              1                                          1                                                   1                                   1                               1                                     1                                                       1                                                      1                                             1                                                              Lz
                                                                                                                                                   1
                                                                                                                                                                                                                                                                                                                                                                                                                                                                                                               T-3 03 02 3
                                                                                                                    b
                                                                                                                                                                                                                                                               Z -2 3301 2                                                                                                                           a                                                                                                      R -6630 13
                                                                                                                    ve
                                                                                                                    vi                                                                                                                                                             a                                                                                                                                                                        rs
                                                                                                                                                                                                              a RC                          a RC                                       RC
                                                                                                                                                                                                                                                                                                                                                                                                          n                                 am
                                                                                                                                                                                                                                                                                                                                                                                                                                              vi
                                                                                                                                                                                                                            n                                                                      m                                                                                                                                                                                                                10
                                                                                                                                                                                                                                                           rs
      To rnillo M4 x20                                                                                                                                                                                                                                                                                                                                                                                                                                                                                              W
                                                                                                                                                                                                                                                                                                                                                                                                                                                                            Ip
       Q-081365                                                         Cable s ma sa
                                                                                                                                                                                                               VDV                        VCN                                      VHM
Arandela muelle A4                                                                                                                                                      10/11                                 8l/min                                  20/11                   0.25l/min                                                                                                                                                         10
                                                                      Lengueta m ac ho do ble                                                              20/21                                                                                                                                                                                                                  VE
                                                                                                                                                                                                                                                                                                                                                                                                                                                                     Z-100522




                                                                                                                                                                                                           Rojo
                                                                                                                                                                                                                                                      10/21                       amarillo
                                                                                                                                                                                                                                                                                                                                                                              Z -10 3066                                                                                                                                  b
 Q-261020                                                                    Q-5630 04                                                                                  10/21                                                       3l/min P- 443042 10/11
                                                                                                                                                                                                          Z-601156                  8l/ min Z -601156 20/2 1                  R-045001                                                                                                                                                                                                                              am
                                                                     Pl aca asiento conexion mas a                                                                      20/11
        Tuerca M4
        Q- 163020                                                            Q-5630 04
                                                                                                                                                                                                                                                                                                                                                                                                                                                                                                                    10
                                                                                                                                                       R-143010       R-033002
Tuerca c uad ra da M 4                                                   Tuerc a M4                                                                                                                                                                                           Z-701135
                                                                                                                                                                                                                       P-255001
  Q-221901                                                               Q-163020                                                                                                                                                                                                                                                                                                                                                               10                       10                                         10
                                                                                                                         PRENS AESTOPAS

                                                                                                                                                                                                                                                                                                                                                                                                                                                                                                                                                                                                              T303044000
                                                                                                                                                                                                                                                                                                                                                                               - 26 -
                                                                                                                                                                                                                                                                                                   -26-
LEYENDA


                      E SPAÑ OL                               FR A NÇ A IS                                        EN GL ISH                                  D EU T SC H                                                       IT A LI AN O
BEC           =      Bujía Enc endido C ám ara                Bougie Allum ag e C ha m bre                       C ham ber Sp ark Plu g                     Z ündk erze Einsc halten G arra um                               C an de la di Ac censione C am era
BEV           =      Bujía Enc endido C alde ra               Bougie Allum ag e C ha udiè re                     Boiler Spark Plug                          Z ündk erze Einsc halten Bo ile                                  C an de la di Ac censione C aldaia
C .E.C        =      C ontrol C o m bust ión C ám ara         Co ntrô le C om bu stio n C ham b re               C ham ber C om b us tion C ontrol          S teuerung Verbrennu ng Ga rraum                                 C on trollo C om bustione C am era
C .E.G        =      C ontrol E lec trón ic o Gen era l       Co ntrô le Élect ron ique G énéral                 M ain E lec tronic C ontrol                S teuerung Elektronik a llge m ein                               C on trollo E lettronico G enerale
C .E.V        =      C ontrol C o m bust ión C alde ra        Co ntrô le C om bu stio n C haudiè re              Boiler C om bus tion C on tro l            S teuerung Verbrennu ng Boiler                                   C on trollo C om bustione C ald aia
C .H         =       C irc uito H um e dad                    Circuit Hu m idité                                 H um idity Circ uit                        K reislauf F euc ht igke it                                      C irc uito U m idità
C .L        =        C irc uito Le ds                         Circuit LED s                                      Led C irc uit                              K reislauf LED s                                                 C irc uito L eds
C .T        =        C irc uito T ec lado                     Circuit Clav ier                                   Keyp ad C ircuit                           K reislauf T asta tu r                                           C ic uit o T astiera
C C1 ,C C 2      =   C ontac tor R esis tenc ia C á m ara     Co ntact eu r É lém e nt Ch auffant C ha m bre     C ham ber H eating Ele m ent C onta ctor   S chütz H eiz w idersta nd Ga rraum                              C on ta ttore R esistenz a C am e ra
CMD            =     C ontac tor M otor D erech a             Co ntact eu r M oteur D ro ite                     R ight En gine C o ntacto r                S chütz M otor rech ts                                           C on ta ttore M otore D es tra
CMI          =       C ontac tor M otor Iz quierda            Co ntact eu r M oteur G auc he                     Left E ng ine C on ta ctor                 S chütz M otor links                                             C on ta ttore M otore Sinis tra
C R2          =      R ele A rran que                         Re lais D ém arrage                                Starting Re lay                            R elais Anlauf                                                   R elè Ac cens ion e
C V1, C V2 =         C ontac tor R esis tenc ia s C aldera    Co ntact eu r É lém e nt Ch auffant C ha udiè re   Boiler H eatin g Elem ent C ontact or      S chütz H eiz w idersta nd Boiler                                C on ta ttore R esistenz a C ald aia
D EC          =      D etec tor Llam a C ám ara               Dé tecte ur F la m m e C ham b re                  C ham ber F lam e D etec to r              F la m m endete ktor G arraum                                    R ileva tore di F ia m m a C am e ra
D EV          =      D etec tor Llam a C aldera               Dé tecte ur F la m m e C hau dière                 Boiler F lam e D e te ctor                 F la m m endete ktor Boiler                                      R ileva tore di F ia m m a C ald aia
DN           =       D etec tor N ive l C alde ra             Dé tecte ur N iveau Ch au dière                    Boiler Leve l D etec tor                   P eg elde te ktor Boile r                                        R ileva tore Liv ello C ald aia
EM           =       Enc oder Select or T ie m po             Encod eur Séle cteu r T em ps                      T im e Se lec tor Enco der                 E nc oder Z eit w ah ls chalt er                                 En code r S elettore T em p o
EºC          =       Enc oder Select or T em p era tura       Encod eur Séle cteu r T em pé rature               T em perature Selec to r En coder          E nc oder T em p era tu rw ah lsc halt er                        En code r S elettore T em p era tu ra
F          =         F us ible s                              Fu sibles                                          F uses                                     S ic he rung en                                                  F usibili
FI         =         F iltro Interf erencias                  Filtre In te rf ére nc es                          Interferenc e Filter                       S törun gsfilter                                                 F iltro Interferenz e
FM           =       T érm ico M oto r                        Th erm ique M oteur                                T herm al En gine                          T herm o sch alter M oto r                                       T erm ico M ot ore
G V1 , GV 2 =        Electro v álv ula Gas C á m ara          Élec tro vanne Gaz C ham b re                      C ham ber G as S olenoid Valv e            E lekt rov entil G as Ga rrau m                                  Elettrov alv ola G as Cam e ra
G V3 , GV 4 =        Electro v álv ula Gas C a ldera          Élec tro vanne Gaz C haudiè re                     Boiler Ga s Solenoid V alv e               E lekt rov entil G as Bo iler                                    Elettrov alv ola G as Caldaia
IC         =         Selec to r V eloc idad P otenc ia        Séle cteur Vit ess e Puissa nce                    Pow er Speed S elec tor                    W ahls chalter Ges chw indig keit L eis tung                     Se lettore V elocità Po tenza
IG         =         Inte rruptor G eneral                    In terru pteur G éné ral                           M ain S w itc h                            H aupts c halter                                                 I nt errut to re g enerale
IL         =         Inte rruptor Se gu ridad Lav ado         In terru pteur S éc urité Lav age                  W as hing Safety Sw itc h                  S ic he rheits sch alter W a sch en                              I te rruttore Sicurez za Lavaggio
Ip         =         Inte rruptor Se gu ridad Pue rt a        In terru pteur S éc urité Porte                    D oor S afety Sw itc h                     S ic he rheits sch alter T ür                                    I te rruttore Sicurez za Porta
K1,K2, C K1 ,C K2=   R ele R es is tenc ia                    Re lais Élé m ent Chau ffa nt                      H eating Elem e nt R elay                  R elais H eiz w iders ta nd                                      R elè R esisten za
Lz         =         Luz Interio r                            Éclairage Int érieur                               Inner Ligh t                               Inn en bele uchtun g                                             Lu ce In te rna
M , M 1, M 2 =       M ot or T urbin a                        M oteur T urbin e                                  T urb ine En gine                          M o tor T urb ine                                                M o to re T urb ina
M ch       =         M ot or C him enea                       M oteur C hem inée                                 Stac k Engine                              M o tor Abluf tk am in                                           M o to re C anna
Md           =       M ot or Vá lv ula                        M oteur va nne                                     Valv e Engine                              M o tor Ventil                                                   M o to re Valvola
M BA        =        Bom b a Lava do                          Pom pe La vage                                     W as hing Pum p                            W asc henpum p e                                                 Po m pa la vagg io
Mb           =       Inte rruptor M ic ro Bajada              M ic roru pt eu r De sce nte                       D rop M icro sw itc h                      M ikros chalter Senke n                                          I te rruttore M ic ro D is c esa
Ms          =        Inte rruptor M ic ro Subida              M ic roru pt eu r M ontée                          R ise M ic ros w itc h                     M ikros chalter He ben                                           I te rruttore M ic ro Sa lit a
PF          =        Poten cióm etro Sele ctor F unc ion es   Potentiom ètre Sé lect eu r Fo nc tion s           F unctions S elec tor Potent iom ete r     P ot entio m eter Fu nktions w ah lsc halt er                    Po tenziom etro Se letto re F unz ioni
PR G          =      Program ado r                            Pro gra m m ateur                                  Pro gra m m er                             P rog ram m iervorric htung                                      Program m atore
RC           =       R es is te ncias C ám ara                Élém e nts C ha uf fants Ch am bre                 C ham ber H eating Ele m ent               H eizw iders tände G arraum                                      R es is tenze C a m ere
RV           =       R es is te ncias C ald era               Élém e nts C ha uf fants Ch au dière               Boiler H eatin g Elem ent                  H eizw iders tände B oile r                                      R es is tenze C a ldaia
Tc          =        Son da C ám ara                          Sonde C ha m bre                                   C ham ber Probe                            S on de Ga rraum                                                 So nda C am era
TC N          =      T erm osta to C ondens ación             Th erm osta t C on dens at ion                     C ondensa tio n T he rm os tat             T herm o stat Ko nd ensierung                                    T erm os tato C ond en saz ione
Tg          =        Son da C aldera                          Sonde C ha udière                                  Boiler Probe                               S on de Boiler                                                   So nda C alda ia
TH          =        Son da H um edad                         Sonde H um idité                                   H um idity Pro be                          S on de F euch tigk eit                                          So nda U m idità
Tn          =        Son da N úcleo                           Sonde N oy au                                      C ore P rob e                              K ern te m peraturm es sond e                                    So nda N uc leo
TR F          =      T ran sform ad or                        Trans form ateur                                   T ran sform er                             T ransf orm ator                                                 T rasfo rm at ore
TS C          =      T erm osta to Segu ridad C ám ara        Th erm osta t S écurit é C ham bre                 C ham ber Sa fe ty T herm os tat           S ic he rheits therm osta t G arraum                             T erm os tato Sicurez za C am era
TS V          =      T erm osta to Segu ridad C ald era       Th erm osta t S écurit é C haudière                Boiler Safety T herm ost at                S ic he rheits therm osta t B oiler                              T erm os tato Sicurez za C aldaia
Tv          =        Son da Vapor                             Sonde Va peur                                      Steam P rob e                              S on de D am pf                                                  So nda Vap ore
VAC           =      Bom b a Vac iado                         Pom pe Vidang e                                    Vacu um Pum p                              A blas spum pe                                                   Po m pa s caric o
VAc l        =       Electro v álv ula Ac la rad o            Élec tro vanne Rinç age                            R ins ing S olenoid Valv e                 E lekt rov entil K larspüle n                                    Elettrov alv ola R is ciacq uo
VC           =       Ven tilado r Soplan te                   Ventilateur So uf flant                            Blow ing F an                              V en tilator Geb läse                                            Ve ntilatore Soffiante
VC N          =      Electro v álv ula C ond en sa ción       Élec tro vanne Co ndens ation                      C ondensa tio n Soleno id Va lve           E lekt rov entil K on den sieru ng                               Elettrov alv ola C onde ns azione
VD V          =      Electro v álv ula Llenad o C aldera      Élec tro vanne Re m pliss age C hau dière          C ham ber F illin g Solenoid Va lv e       E lekt rov entil F üllung Boiler                                 Elettrov alv ola di R iem pim ento C aldaia
VE          =        Ven tilado r Cu ad ro Elé ctrico         Ventilateur T ableau Éle ctriq ue                  F an Sw itc hboard                         V en tilator Elek tro tafel                                      Ve ntilatore Qu adro Elett ric o
VH M           =     Electro v álv ula H um idifica dor       Élec tro vanne Hu m idific ateur                   H um idifie r Solenoid Valve               E lekt rov entil B ef eu chtu ng sv orric htun g                 Elettrov alv ola U m idificatore
VLav          =      Electro v álv ula La vado                Élec tro vanne Lav ag e                            W as hing Soleno id Valve                  E lekt rov entil W a sch en                                      Elettrov alv ola Lav aggio
Vv          =        Variad or Velo cida d                    Variateur V ites se                                Speed V ariator                            G esc hw ind igke itsre gler                                     Va riatore di V eloc it à
C OL OR              C OLO R ES                               CO U LEU R S                                       C OL OU R                                  F A R B EN                                                       C O LOR E
Va          =        Az ul                                    Bleu                                               Blue                                       B lau                                                            Blu
am          =        Am arillo                                Jaune                                              Yellow                                     G elb                                                            G iallo
am /ve       =       Am arillo/ verde                         Jaune / vert                                       Yellow / green                             G elb /g rün                                                     G iallo/v erde
b        =           Blanc o                                  Blan c                                             W hit e                                    W eiß                                                            Bianc o
g        =           Gris                                     Gris                                               Grey                                       G ra u                                                           G rigio
m          =         M arrón                                  M arro n                                           Bro w n                                    B rau n                                                          M a rron e
n        =           N egro                                   No ir                                              Blac k                                     S chw arz                                                        N ero
na         =         N aranja                                 Orange                                             Orange                                     O ra nge                                                         Aranc io
r        =           R ojo                                    Ro uge                                             R ed                                       R ot                                                             R os so
rs       =           R os a                                   Ro se                                              Pink                                       R os a                                                           R os eo
ve        =          Verde                                    Vert                                               Green                                      G rü n                                                           Ve rde
vi       =           Violet a                                 Violet                                             Purple                                     V iole tt                                                        Viola
                                                                                                                                                                   L e ye n d a H o rn o s              H C -7 6 9 7 0 - 1   T3 03 0 42 00 0
                                                                                                                           - 27 -
7.- INFORMACIÓN                GENERAL              DE    USO      Y     FUNCIONES
AUXILIARES

7.1.- Funcionamiento del horno.
        El horno puede trabajar en cinco modos diferentes:


               CONVECCION: El calentamiento se genera mediante resistencias
               calefactoras o quemador de gas internas en la cámara del horno. 35÷300 º C
               VAPOR: El calentamiento se genera mediante vapor de agua a 100 grados
               centígrados y a presión atmosférica.
               VAPOR REGULABLE: El calentamiento es por vapor y se puede seleccionar
               la temperatura deseada desde 35 hasta 125º C.
               MIXTO: El calentamiento se hace por convección y vapor a la vez, pero con
               mayor potencia en convección. 35÷250º C
               REGENERACION: El calentamiento se hace por convección y vapor a la vez,
               pero con más potencia en vapor que en modo mixto. 35÷180º C

        El horno puede trabajar en tres funciones diferentes:

               TIEMPO: Desde 1 hasta 120 minutos o bien indefinidamente.
               SONDA DE NUCLEO: Selección desde 0 hasta 99º C.
               DELTA: Selección desde 0 hasta 50º C para el modo vapor; 0÷75º C para el
               modo regulación vapor y 0÷99º C en los demás modos.




7.2.- Puesta en marcha uso manual.

  Al conectar la alimentación y seleccionar uno de los modos vapor, regulación de vapor,
  regeneración, mixto o convección, se conecta el controlador y se enciende el led del modo
  seleccionado.

  Los leds del control de humedad indican la humedad seleccionada.(Hornos programables).

  El display, selección temperatura cámara situado a la derecha visualiza el valor
  seleccionado de la temperatura y el display temperatura real cámara situado a la parte
  Izquierda visualiza el valor real. En el caso de la temperatura la medida nos la da el
  termopar de la cámara.

  El display selección tiempo/temperatura núcleo, situado a la derecha, visualiza el valor
  seleccionado de tiempo ó temperatura sonda núcleo según elección tecla select.




                                           - 28 -
El display indicador tiempo/temperatura núcleo, situado a la izquierda, visualiza el tiempo
que falta o la temperatura real de la sonda núcleo.

Cuando se pone en marcha el horno la válvula de desague hace una comprobación,
haciendo primero un ciclo de cerrar y luego abrir, en los hornos programables.

Cuando se abre la puerta, el tiempo se detiene. Al cerrarse de nuevo la puerta continua el
proceso sin modificar los valores que tenía cuando se abrió.

Cuando el tiempo llega a cero o la temperatura de la sonda de núcleo alcanza el valor
seleccionado actúa la chimenea y el display izquierdo se pone intermitente y comienza a
sonar el timbre.

Al poner a cero el conmutador de funciones todas las salidas se ponen a cero y se apagan
todos los leds y displays a los tres segundos queda definitivamente el control sin tensión.

El control de llenado de agua del generador de vapor, se hace mediante un detector de
nivel de agua, que actúa en todos los modos de funcionamiento excepto en el vaciado, y
consta de tres sondas de nivel de agua N.máx, N.mín y N.com, introducidas en el bote de
niveles.




1.- Cuando el nivel real del agua esta por debajo de N min., se
activa la electroválvula de entrada de agua al generador y deja de        Com mín máx
actuar la salida vapor a la cámara.

R1 ≥ 40 KΩ             R2 ≥ 40 KΩ        activada la electroválvula.

2.- Cuando el nivel alcanza el nivel N min., la electroválvula
continua actuando.

R1 ≤ 20 KΩ             R2 ≥ 40 KΩ        activada la electroválvula.

3.- Cuando el nivel alcanza el nivel N máx., se corta la entrada de
agua y da paso al calentamiento del generador.                                R1


R1 ≤ 20 KΩ             R2 ≤ 20 KΩ        electroválvula desactivada                R2


4.- El calentamiento del generador no se corta mientras el nivel
de agua se encuentre entre N máx. y N mín.

R1 ≤ 20 KΩ             R2 ≥ 40 KΩ        electroválvula desactivada




                                            - 29 -
7.3.- Selección de los modos de funcionamiento.


                  OFF
  Conveccion          o          Vapor
                                                 Modo            Selección    Prefijado   Selección   Prefijado
                                                                 ºC           ºC          %HR         %HR
                              Regulacion Vapor
    Mixto                                        Convección;         35-300      160         0-100         0
                                                 Mixto               35-250      140         0-100        60
                                                 Regeneración        35-180      120         0-100        80
                  R
                                                 Regulación          35-125       80          100         100
               Regeneracion
                                                     Vapor
                                                 Vapor                 99        99           100         100



Los valores de temperatura y humedad prefijados aparecen en la tabla, son los que salen por
defecto la primera vez que se pone en marcha el horno. En posteriores utilizaciones se
visualizará el último valor seleccionado en cualquiera de los modos, menos en vapor fijo
100º C.



7.3.1 Modo Convección
El calentamiento de la cámara cesa cuando el valor que da el termopar de la cámara, es igual
al seleccionado y se rearma cuando es menor.
7.3.2 Modo Vapor 100º C
El calentamiento se realiza con la inyección de vapor a la cámara de cocinado.
Entre 60÷90º C actúan a la vez el calentamiento de cámara y el de vapor
7.3.3 Modo Regulación de vapor 35÷125º C
Si la temperatura de la cámara es menor o igual a 100º C el calentamiento de la cámara de
cocción se realiza mediante vapor.
Si la temperatura de la cámara es mayor a 100º C el calentamiento de la cámara de cocción
se realiza mediante vapor y convección conjuntamente.
7.3.4 Modo Regeneración 35÷180º C
El calentamiento de la cámara de cocción se realiza actuando el calentamiento por convección
y por vapor conjuntamente.
7.3.5 Modo Mixto 35÷250º C
El calentamiento de la cámara de cocción se realiza mediante convección aportando también
vapor pero en menos medida que en el modo regeneración.




                                                            - 30 -
7.4.- Selección de temperatura.


                                       Mediante el mando y dependiendo de la velocidad
                                       de giro tenemos la opción de seleccionar el valor
888                    888             de la temperatura de 1 en 1º C; 5º C y 10º C




7.5.- Selección del tiempo.


                                    Los dos display indican el tiempo seleccionado a medida
888                    888          que se gira el mando desde 1 hasta 120 y al tope indica (---)
                                    con lo cual, no se tiene en cuenta el tiempo y el controlador
                                    se queda en marcha indefinidamente.

                                    Tanto para entrar en manual (---), como para salir hay que
 Select                             hacerlo con un giro brusco.



Al cabo de 3 segundos el display de la izquierda comienza a descontar el tiempo y va
visualizando lo que queda para terminar.

Si una vez puesta en marcha, se vuelve a mover el mando, los dos displays varían en la
misma proporción. Ejemplo:
             060 090    si reducimos 30 minutos queda en        030 060
             060 090 si incrementamos en 30 minutos queda en 090 120


7.6.- Selección de la temperatura de sonda de núcleo

                                      Se hace con el mismo mando, igual que para el tiempo,
                                      pero pulsando la tecla select .
 888                    888
                                      El display de la derecha indica la temperatura de núcleo
                                      seleccionada, de uno en uno, a medida que se gira el
                                      mando desde 1 hasta 99º C.

    Select                            El display de la izquierda indica la temperatura real que
                                      hay en la sonda de núcleo.


                                               - 31 -
7.7.- Selección de la Función DELTA

Asegura una diferencia fija de 50º C entre la temperatura de cámara y la temperatura de
sonda núcleo.

                                           •   Se hace con el mismo mando, igual que
                                               para el tiempo, pero pulsando la tecla
   888                   888                   select.
                                           •   El display de la derecha indica la
                                               temperatura de núcleo seleccionada, de
                                               uno en uno, a medida que se gira el
                                               mando desde 1 hasta 99º C, excepto en el
       Select
                                               modo vapor que va desde 1 hasta 50º C y
                                               modo regulación de vapor que va desde 1
                                               hasta 75º C.

   •    El display de la izquierda indica la temperatura real que hay en la sonda de núcleo.


7.8.- Selector potencia velocidad



                                      •   Mediante el selector se eligen tres opciones
                                          de potencia-velocidad




                                               - 32 -
STOP




7.9.- Selección función Cool Down.

                       Situado en cualquiera de los modos de funcionamiento, cerrar la puerta,
                       pulsar la tecla de Cool Down, se ilumina el led y comienza el enfriamiento
  250
 PuE             rtA   de la cámara de cocción.

                       Los displays visualizan fa forma intermitente : PuE rtA
 Abr             ir                                                    Abr   ir
                       Al abrir la puerta la función continua pero los displays visualizan de forma
      Selec t
                       continua las mismas palabras.

                       El ciclo se acaba cuando la temperatura de la cámara marque 46 ºC.

                       Mientras estamos en la función Cool Down, si se pulsa de nuevo la tecla o
                       se cierra la puerta se para el ciclo apagándose el led.




7.10.- Función vaciado automático.


                       Estando en cualquier modo de funcionamiento, la bomba de vaciado
                       actúa durante 3’(minutos), cada 24horas de funcionamiento del
                       controlador.

UAC             3'     La bomba de vaciado debe comenzar a actuar si la temperatura de la
                       cámara y la del generador son menores ó iguales a 60º C y solo en el
                       momento de dar la alimentación al control, de modo que si el
 Selec t
                       controlador lleva por ejemplo 30 horas en funcionamiento la bomba de
                       vaciado no entra hasta que se apague el controlador y luego se vuelva
                       a encender. Si se apaga el controlador antes de que se cumplan los 3’,
                       al volver a encender vuelve a comenzar con otros 3’.

Mientras esta en marcha la bomba actúan las salidas de iluminación de cámara, la
alimentación circuito electrónico, apertura chimenea y la turbina. Pero no actúa la válvula de
llenado del generador

En el display inferior izquierdo [UAC] se visualiza de forma intermitente.

Una vez acabado el ciclo se reestablecen todas las señales.
Vaciado Manual se realiza con la puerta abierta y pulsando a la vez la tecla select y Cool
Down durante 5 segundos. La bomba de vaciado actúa durante 3 minutos en las condiciones
anteriores.
                                                 - 33 -
7.11.- Detección de cal.

                              STOP




Estando en cualquier modo de funcionamiento, la sonda del generador registra la temperatura
y por medio del led nos avisa de la necesidad de desincrustar el generador de vapor.
Primero se enciende de forma de tren de 1 impulso y a medida que las paredes se van
cubriendo de más espesor de cal, el led se encenderá en forma de 2 impulsos y 3 impulsos
hasta llegar a quedar por fin encendido de corma continua.
En este momento deja de actuar el calentamiento de la resistencias del generador y es
necesario realizar un ciclo de desincrustación.




                                           - 34 -
7.12.- Selección ciclo de desincrustar.

         dES                    dES        ---
                                                        Estando en cualquier modo y la puerta cerrada, al
                                                        mantener pulsado la tecla de desincrustación durante 5”,
                                                        se enciende la lámpara de desincrustación de forma
Fig. 1
         F1               3'    F2               Fig. 2 continua.
                                           ---


                                                          1º.-La válvula de vaciado actúa durante 3 minutos,
                                                        vacía el generador de agua. Fig.1
          Selec t                Selec t




                                                          2º.- La lámpara de desincrustación actúa de forma
         dES              ---   dES                     intermitente, el display inferior y superior derecha se
                                                        encienden de forma intermitente. En este momento
Fig. 3                                           Fig. 4 soltamos el tapón que hay en el techo del horno e
         F3                     F4
                          ---              120
                                                        introducimos 5 litros de desincrustante. Cerramos el tapón
                                                        y pulsamos la tecla desincrustación durante 5”. Fig.2
          Selec t                Selec t                  3º.- Se activa la válvula de llenado del generador hasta
                                                        llegar al nivel Máx. Fig.3
         dES                    dES
                                                          4º.- Se calienta el generador hasta que la temperatura de
                                           ---
                                                        este alcanza 60º C durante 120 minutos. Fig.4
                                                         Si se pulsa la tecla Select el valor de 120’ se puede
Fig. 5                                           Fig. 6 incrementar hasta 480’ y decrementar hasta 1’.
         F5               3'    F6         ---
                                                          5º.- La válvula de vaciado actúa durante 3 minutos, vacía
                                                        el generador de agua. Fig.5
          Selec t                Selec t
                                                          6º.- Se activa la válvula de llenado del generador hasta
                                                        llegar al nivel Máx. Fig.6
         dES                    dES        ---            7º.- La válvula de vaciado actúa durante 3 minutos, vacía
                                                        el generador de agua. Fig.7
Fig. 7                                           Fig. 8 8º.- Se activa la válvula de llenado del generador hasta
                                                  Fig.8
         F7               3'    F8         ---          llegar al nivel Máx. Fig.8
                                                          9º.- Actúa en el modo vapor hasta que temperatura de la
          Selec t                Selec t
                                                        cámara alcanza 95º C. Fig. 9
                                                         10º.-Finalmente se apaga el led de desincrustación en los
                                                        dos display aparece “Fin dES” . Fig. 10
         dES                    FIn        dES

                                                       Si durante el tiempo que dura el ciclo de desincrustación se
Fig. 9                                           Fig. 10 vuelve a pulsar la tecla de desincrustación durante 5”
                                                  Fig.10
         F9               99º                          (Suspensión de ciclo de desincrustación):       El led actúa
                                                       de forma intermitente y si:
          Selec t                S elect



                                                       1.- No ha llegado al punto (2º)      el ciclo se sitúa en el
                                                       punto (9º).
                                                       2.- Ha llegado o superado el punto (2º)      el ciclo se sitúa
                                                       en el punto (5º).
                                                       3.- Ha llegado o superado el punto (5º)     el ciclo continua
                                                       su curso (Ciclo de desincrustación realizado).
                                                       4.- Si se apaga el controlador, al volver a encender se
                                                       continua el ciclo.



                                                                      - 35 -
7.13.- Calibración de las sondas.


          Modelos HGV, HGP, HEM Y HEP

                       Poner el horno en modo vapor a 100 º C
TC            TU

                       En la tarjeta de control, poner el interruptor I4=1 y pulsar durante un
                       instante Ical y se procede a la calibración.
Tn            Tg


                       En los display se visualizan el valor de los 4 termopares.
Selec t




                                                                  Ical
 Interruptor I4



                              HGP, HGP, HEM Y HEP


          Para la calibración el horno se pondrá automáticamente en el modo vapor continuo de modo
          que las sondas midan valores entre 95 y 105º C, (si no es así indicara el error
          correspondiente). Cuando se haya estabilizado todos los valores que miden las sondas de
          temperatura y la producción de vapor lleve 120” en los modelos de gas y 30” en los eléctricos
          ininterrumpidamente en marcha, las sondas se tomarán como referencia de 100º C.
          Para salir del modo de calibración poner I4=0.



           Modelos HGC Y HEI

             En estos modelos la calibración no se hace de forma automática como en los HGV,
             HGP, HEM y HEP. En estos modelo tenemos que echar mano de un medidor de
             temperatura externo al horno.

                                                         Interruptor I3

                       Ical




                                             HGC Y HEI



                                                         - 36 -
En los modelos HGC y HEI poner I3=1 y pulsar Ical durante un instante, se
         tc         tv
                          procede a la calibración. El display Superior izquierdo visualiza TC de forma
                          intermitente, y el derecho TV, el display inferior Izquierdo el valor que hay que
                          incrementar o decrementar a (TC) y el derecho el valor que hay que
         0          0
                          incrementar o decrementar a (TV). El incremento ó decremento lo realizamos
                          con el mando que hay entre los dos displays.
                          Para pasar de programar TC a TV basta con pulsar por segunda vez Ical. Una
                          vez cambiado TV pulsando nuevamente Ical y poniendo I3=0 saldremos del
                          modo de calibración.



     7.14.- Visualización de las temperaturas de las sondas
     Al Pulsar la tecla de Cool Down durante 5 segundos con la puerta cerrada, se visualizan en
     los display el valor de todas las temperaturas (Tal y como se hace en la calibración). El horno
     sigue funcionado igualmente.


     7.15.- Función HACCP
                         (Solo en las funciones Sonda de Núcleo y Delta.)
                         El horno guarda todos los valores de Modo de trabajo, Humedad (Según
dSC           dto
                         versión), temperatura cámara y núcleo, cada minuto durante las ultimas
                         24 horas. También se guarda justo el momento de llegar a la
                         temperatura seleccionada en el núcleo y la temperatura 15” después.
HAC           CP


                         Cuando se conecta la “Memory Card” diseñada para tal efecto el
Select
                         controlador la detectará y procederá a la descarga de todos los datos de
                         las últimas 24 Horas.
OC            SI
                         Cuando esta descargando los datos los displays se ponen intermitentes
                         indicando [dSC][dto], [HAC][CP] y cuando termina aparece [OC][SI],
HAC           CP         [HAC][CP].

Select




                                                       - 37 -
7.16.- Selección de humedad

Al conectar el circuito de control de humedad al controlador, este lo detectara
automáticamente y se podrá seleccionar la humedad, solo cuando ponemos el interruptor I2=1
se entra en modo de control de Humedad.

La selección se hace mediante los pulsadores situados a ambos extremos de los leds de
visualización, el izquierdo para bajar y el derecho para subir.



                             10 20 30 40 50 60 70 80 90 100
                                                               %HR
                         -                                    +



Al pulsar simultáneamente las teclas [-] y [+] se visualiza la humedad real medida por sensor
de humedad.


En el modo vapor a 100 º C: Todos los leds del display serán azules. No tenemos opción a
ajustar la humedad.
En el modo Mixto: los leds serán azules y rojos. Tenemos opción a ajustar la humedad.
En el modo Convección: Todos los led serán rojos y tenemos opción a ajustar la humedad.




                                                          - 38 -
7.17 Utilización del horno en modo programación



                                    Al pulsar la tecla   se procede a la
                                    visualización del menú.




  Botones programación




                            ENCENDER Ó VALIDACION



                                   MOSTRAR



                                  PASO ATRAS


                         MOVIMIENTO EN MENU PRINCIPAL Ó
                                  PROGRAMAS



                         MOVIMIENTO EN MENU PRINCIPAL Ó
                                  PROGRAMAS




           M                PROGRAMAR ÓMODIFICAR




                                      - 39 -
COCCION


               PROGRAMA

                                             FAS

                                             FAS



               PROGRAMA                      FAS



   LAVADO


               ENJUAGUE RÁPIDO

               LAVADO SUAVE

               LAVADO MEDIO

               LAVADO INTENSO


   HISTORIAL

                H.TOTAL
                3HORAS




                TN max                150
                ºC

SELECCIÓN DE IDIOMAS


                                ESPAÑOL


                                 INGLES

                                FRANCES

                                ALEMAN

                                    - 40 -
                                ITALIANO
                                      -40-
Para entrar en el modo de programación hay que pulsar la tecla       .
Una vez dentro , podemos elegir entre los 4 opciones del menú principal mediante las teclas
.Estando en uno de los menús principal si pulsamos la tecla   entramos dentro y podremos
movernos entre los programas que hay, actuando de la misma manera que antes y usando
los mismos botones.
Si queremos retroceder, deberemos pulsar la tecla         tantas veces como necesitemos para
llegar al punto requerido.
Una vez posicionados en el programa elegido, para activarlo, basta con pulsar la tecla     .
Si queremos parar la ejecución en cualquier momento, pulsar de nuevo la tecla      .
Para pasar a modo manual tenemos que pulsar la tecla       ,hasta que el display se apague
excepto si estamos ejecutando un programa que en este caso, primero pulsamos la tecla    .
Como modificar ó añadir un programa de cocción
Primero hay que seleccionar el número de programa que queremos programar ó modificar. Y
a continuación pulsamos la tecla M .
La segunda fila del display de selección de programa se visualiza de forma intermitente y
procederemos a introducir el nombre que queremos darle al programa. Para ello vamos
seleccionando los caracteres de la A a la Z, . , espaciado, - ,con las teclas   .Una vez
introducido el nombre pulsamos la tecla    .
A continuación deberemos introducir los valores de cocción que queremos en las distintas
fases que se visualizan en el display, para ello ponemos en el horno de forma manual los
valores de modo, temperatura, humedad, etc. Con los que queremos cocinar. Como máximo
disponemos de 9 fases. Cuando hayamos terminado de programar las fases, no es necesario
programar todas, si pulsamos la tecla       guardaremos todo lo que hemos programado y
saldremos a la posición del nombre del programa.
Si en vez de pulsar la tecla     pulsamos la tecla M borraremos toda la información que
hemos introducido en ese programa y tendremos que volver a programar las distintas fases.
En el menú principal tenemos 4 opciones diferentes: Programas de cocción,                lavado,
historial y selección de idiomas.
En el programa de cocción podemos introducir hasta 99 programas y cada uno de estos
puede estar constituido como máximo por 9 fases.
En el programa de lavado tenemos 5 programas que no se pueden modificar. Los programas
son:
                   Enjuague rápido                     10 minutos
                   Aclarado con abrillantado           46 minutos
                   Lavado suave                        85 minutos
                   Lavado medio                        118 minutos
                   Lavado intenso                      173 minutos
                   Lavado semi-automático              28 minutos ( spray )


En el programa historial pulsando la tecla            durante 5 segundos podemos visualizar el
siguiente menu:
                                             - 41 -
H.Vapor R.= Horas totales de trabajo en modo Vapor regulable.
H.Regeneración= Horas totales de trabajo en modo Regeneración.

H.Mixto= Horas totales de trabajo en modo Mixto.
Convección Horas totales de trabajo en modo Convección.

H.CV= Horas totales de accionamiento de CV.
H.CC= Horas totales de accionamiento de CC.

Nº.c.CV= Numero de ciclos de CV.
Nº.c.CC= Numero de ciclos de CC.

Nº.c.MS/MB= Numero de ciclos de apertura /cierre de chimenea.
Nº.c.Des= Numero de ciclos totales de desincrustación.

Nª.c.lav. 10m= Numero de ciclos de lavado de 10 minutos
Nª.c.lav.46m= Numero de ciclos de lavado de 46 minutos

Nª.c.lav.85m= Numero de ciclos de lavado de 85 minutos
Nª.c.lav.118m= Numero de ciclos de lavado de 118 minutos

Nª.c.lav.173m= Numero de ciclos de lavado de 173 minutos.
Nº.c.Ip= Numero de ciclos del contacto puerta.

Nº.cal.= Numero de calibraciones realizadas.
Tcmax= Temperatura máxima alcanzada por Tc ( sonda camara)

Tvmin= Temperatura de rearme de Tv ( Sonda vapor condensación)
Tvmax= Temperatura máxima alcanzada por Tv ( Sonda vapor condensación)

TNmax= Temperatura máxima alcanzada por TN ( Sonda núcleo)
TGmax= Temperatura máxima alcanzada por TG ( Sonda generador de vapor)
después de la última desincrustación.



En el programa selección de idiomas tenemos la posibilidad de elegir entre 5 idiomas
diferentes.
                        Español
                        Ingles
                        Francés
                        Alemán
                        Italiano


                                          - 42 -
8.- SECUENCIA DE EVENTOS

                                          HORNO GAS HGV
     Modo Vapor 100º C GAS
                                            SENSOR
Nº               PASO                                         SEÑAL         OBSERVACIONES
                                         RESPONSABLE
1 Seleccionar modo Vapor                 Potenciometro PF PF= 2 VDC
2 Seleccionar tiempo o temperatura de    Encoder Tiempo
  núcleo
3 Cerrar la puerta                       Contacto Reed Ip    12V
4 Verificación del nivel de agua en el   DN (Com, Max,      230V en     La electro válvula VDV esta
  generador de vapor.                    min)               VDV         activa cuando falta agua.
5 Precalentamiento del generador de      Termopar Tg        Actúan      El Calentamiento se detiene
  Vapor hasta 90º C CV esta activo.                         C.E.V.      si TG alcanza 180º C y se
                                                            (230V)      enciende LDC
6 El tiempo de cocción se inicia         Lógica del
  después del precalentamiento.          Controlador
                                         C.E.G.
7 Aportación de vapor en el interior de  Termopar TC        230 V en CV Actúa C.E.V.
  la cámara de Cocción.
8 Aportación de Aire caliente en el     Termopar TC         230 V en CC Actúa C.E.C.
  interior de la cámara de Cocción
  (desde TC= 60..90 º C)
9 Cámara de condensación ajustada en Termopar TC            230V en     Actúa VCN a intervalos.
  Fabrica a 80º C.                                          VCN

     Modo Regeneración         35 . . . 180º C GAS
                                            SENSOR
Nº               PASO                                          SEÑAL         OBSERVACIONES
                                         RESPONSABLE
1 Seleccionar modo Regeneración         Potenciómetro PF PF=6 VDC
2 Seleccionar temperatura de Cámara     Encoder
                                        Temperatura
3 Seleccionar tiempo o temperatura de Encoder Tiempo
   núcleo
4 Cerrar la puerta.                     Contacto Reed Ip 12V
5 Verificación del nivel de agua en el  DN (Com, Max, 230V en VDV La electro válvula VDV
   generador de vapor.                  min)                           esta activa cuando falta
                                                                       agua.
6 Precalentamiento del generador de     Termopar Tg      Actúan C.E.V. El Calentamiento se
   Vapor hasta 90º C CV esta activo.                     (230V)        detiene si TG alcanza
                                                                       180ºC y se enciende LDC
7 El tiempo de cocción se inicia        Lógica del
   después del precalentamiento.        Controlador
                                        C.E.G.
8 Aportación de vapor en el interior de Termopar Tc      230 V en CV Actúan C.E.V. (Porcentaje
   la cámara de Cocción.                                               de vapor 80%)
9 Aportación de Aire caliente en el     Termopar Tc      230 V en CC Actúan C.E.C.
   interior de la cámara de Cocción.
10 Cámara de condensación ajustada en Termopar TC        230V en VCN Actúa VCN a intervalos.
   Fabrica a 80º C.
                                                 - 43 -
Modo Mixto        35 . . . 250º C GAS
                                              SENSOR
Nº                   PASO                                       SEÑAL           OBSERVACIONES
                                           RESPONSABLE
1 Seleccionar modo Mixto                  Potenciómetro PF PF= 8 VDC
2 Seleccionar temperatura de Cámara       Encoder
                                          Temperatura
3    Seleccionar tiempo o temperatura de Encoder Tiempo
     núcleo
4    Cerrar la puerta.                    Contacto Reed Ip    12V
5    Verificación del nivel de agua en el DN (Com, Max,      230V en VDV La electro válvula VDV esta
     generador de vapor.                  min)                              activa cuando falta agua.
6    Precalentamiento del generador de    Termopar Tg        Actúa C.E.V.   El Calentamiento se
     Vapor hasta 90º C CV esta activo.                       (230V)         detiene si TG alcanza
                                                                            180ºC y se enciende LDC
7 El tiempo de cocción se inicia          Lógica del
  después del precalentamiento.           Controlador
                                          C.E.G.
8 Aportación de vapor en el interior de   Lógica del         230 V en CV    Actúa C.E.V. (Porcentaje
   la cámara de Cocción (20”ON            Controlador                       de vapor 60%)
   20”OFF).                               C.E.G.
9 Aportación de Aire caliente en el       Termopar Tc        230 V en CC    Actúa C.E.C.
   interior de la cámara de Cocción
10 Cámara de condensación ajustada en Termopar Tc            230V en VCN Actúa VCN a intervalos
   Fabrica a 80º C.

        Modo Vapor Regulable         35 . . . 125º C GAS
                                                  SENSOR
 Nº                    PASO                                       SEÑAL        OBSERVACIONES
                                               RESPONSABLE
    1   Seleccionar modo Regulación Vapor Potenciómetro PF PF= 4 VDC
    2   Seleccionar temperatura de Cámara Encoder
                                              Temperatura
    3   Seleccionar tiempo o temperatura de Encoder Tiempo
        núcleo
    4   Cerrar la puerta.                     Contacto Reed Ip 12V
    5   Verificación del nivel de agua en el  DN (Com,         230V en     La electro válvula VDV
        generador de vapor.                   Max,min)         VDV         esta activa cuando falta
                                                                           agua.
    6   Precalentamiento del generador de     Termopar Tg      Actúan      El Calentamiento se
        Vapor hasta 90º C CV esta activo.                      C.E.V.      detiene si TG alcanza
                                                               (230V)      180ºC y se enciende LDC
    7   El tiempo de cocción se inicia        Lógica del
        después del precalentamiento.         Controlador
                                              C.E.G.
    8   Aportación de vapor en el interior de Termopar Tc      230 V en CV Actúan C.E.V. (Cantidad
        la cámara de Cocción                                               de vapor 80%)
    9   Aportación de Aire caliente en el     Termopar Tc      230 V en CC Actúan C.E.C.
        interior de la cámara de Cocción.
 10     Cámara de condensación ajustada en Termopar Tc         230V en     Actúa VCN a intervalos
        Fabrica a 80º C.                                       VCN
                                                    - 44 -
Modo Convección       35 . . . 300º C GAS
                                         SENSOR
Nº                PASO                                  SEÑAL         OBSERVACIONES
                                      RESPONSABLE
1 Seleccionar modo Convección         Potenciómetro PF PF=10 VDC
2 Seleccionar temperatura de Cámara    Encoder
                                       Temperatura
3 Seleccionar tiempo o temperatura de Encoder Tiempo
  núcleo
4 Cerrar la puerta.                    Contacto Reed Ip 12V
5 Verificación del nivel de agua en el DN (Com, Max, 230V en       La electro válvula VDV
  generador de vapor.                  min)             VDV        esta activa cuando falta
                                                                   agua.
6 Empieza el tiempo de cocción.       Lógica del
                                      Controlador
                                      C.E.G.
7 Aportación de Aire caliente en el   Termopar Tc     230 V en CC Actúan C.E.C.
  interior de la cámara de Cocción.




                                             - 45 -
9.-IRREGULARIDADES

                  EFECTO                                   CAUSA                                    ACCIONES
1. -El horno no funciona en cualquier    1.1.Interruptor puerta IP.                1.1.Revisar –Cambiar o ajustar
modo.                                    1.2.Térmico motor FM.                     1.2.Revisar o cambiar motor.
Displays iluminados.                     1.3. Limitador Camara TSC.                1.3 Revisar sonda Tc, y Control C.E.C.
                                         1.4 Limitador Caldera Vapor TSV.          1.4 Revisar Controlador C.E.G o detector de
                                                                                   niveles DN.
2. -No enciende quemador convección ni   2.1.Variador Vv o soplante VC estropeado. 2.1. Cambiar.
el generador de vapor.
Displays iluminados
Motor turbina en marcha
Led D21del variador de frecuencia V v.
(secuencia de tres impulsos)
3. -No enciende el quemador de           3.1.Fallo variador de frecuencia Vv          3.1.Revisar y cambiar.
convección.                              3.2.Fallo soplante VC                        3.2.Revisar y cambiar.
Displays iluminados
Motor turbina en marcha
Led D21del variador de frecuencia V v.
(secuencia de un impulso)
4 -No enciende quemador convección.      4.1. Inyector incorrecto.                    4.1.Comprobar inyector y colocar el correcto.
Displays iluminados                      4.3.Falso contacto en control de             4.3.Revisar cableado detección
Motor turbina en marcha                  encendido. CEC                               4.4.Cambiar
Indicador quemador de cámara             4.4.Control de encendido estropeado.         4.5.Verificar con manómetro en válvula gas
bloqueado, está encendido.               CEC                                          4.6.Verificar posición detector-quemador (5-
Led D21del variador de frecuencia Vv     4.5.No hay gas o hay poco gas                6mm) y conexiones o cambiar detector.
(secuencia de dos impulsos)              4.6.Fallo detección llama                    4.7.Comprobar presiones dinámicas y
                                         4.7.Caudal de gas encendido en válvula       aumentar caudal en regulador de gas.
                                         convección baja.                             4.8.Cambiar válvula gas.
                                         4.8.Válvula gas convección.                  4.9. Verificar posición bujía quemador (3-4
                                         4.9.Fallo tren de chispa.                    mm) y conexiones.
                                         4.10.Presión de gas excesiva a la entrada.   4.10. Verificar presión de gas y corregir

                                                              - 46 -
EFECTO                                         CAUSA                                      ACCIONES
5. -Ruido durante el encendido              5.1.Excesivo gas durante el encendido      5.1.Verificar código de válvula correspondiente
                                            5.2.Quemador no corresponde según          al gas y modelo
                                            modelo                                     5.2.Verificar presiones en válvula gas en
                                            5.3.Tipo de gas no corresponde al modelo   quemador
                                            5.4.Interruptores del variador de          5.3.Revisar presiones y modelo
                                            frecuencia no corresponden.                5.4.Revisar y corregir. (Subir de velocidad de
                                            5.5.Válvula de gas no corresponde con      encendido)
                                            tipo de gas                                5.5. Revisar y corregir
6. -Encendido brusco con ligera explosión   6.1.Interruptores del variador de          6.1.Revisar y corregir velocidad de encendido.
                                            frecuencia no corresponden
                                            6.2 Tipo de gas no corresponde al modelo   6.2.Revisar presiones y modelo
                                            6.3.Válvula de gas no corresponde con      6.3.Revisar y corregir
                                            tipo de gas                                6.4. Verificar posición bujía quemador (3-4
                                            6.4. Fallo tren de chispa                  mm) y conexiones.
7. -El horno funciona durante un tiempo     7.1.Térmico motor FM                       7.1.Verificar la correcta llegada de las tres
Luego se para y vuelve a funcionar.                                                    fases al motor
                                                                                       7.2.Comprobar si hay humedad externa en
                                                                                       motor
                                                                                       7.3.Cambiar motor.
8. -No genera nada de vapor.                8.1 Exceso de Cal en el generador de       8.1. Desincrustar el generador de vapor (Ver
Indicador LDC encendido continuo.           Vapor.                                     libro de instrucciones).
9. -No genera suficiente vapor              9.1 Chimenea no cierra bien.               9.1.Revisar y corregir
Válvula gas vapor GV3-GV4 activa.           9.2.Sonda cámara estropeada TC             9.2.Cambiar sonda o Calibrar.




                                                                - 47 -
Modos de fallo:

Hay errores que el horno nos indica la causa. Cuando se produce un error de este tipo:

   El timbre suena de forma intermitente.
   En los display aparece un mensaje de error de forma intermitente.
   Al pulsar cualquier tecla, lo ignora.
   Si se abre la puerta el mensaje de error permanece.
   Para borrar del display el mensaje de error y deje de sonar el timbre, hay que
   desconectar la tensión del controlador o bien que desaparezca el fallo que provocó el
   error.
   Cuando desaparece el fallo que provoca el error las salidas vuelven a actuar con
   normalidad.
A continuación mostramos los diferentes tipos de errores que hay:




  Err           001

                                                    Err 1   Snd CCI

 Snd          CC1                        Cuando falla la sonda de temperatura
                                                     de la cámara




  Err           002

                                                    Err 2   Snd ncI

 Snd           ncl                        Cuando falla Tn (sonda de núcleo)




                                           - 48 -
Err    003

                        Err 3   TEM    FLI

TEM    FLI     Cuando la temperatura del horno
                     supera los 330º C




Err    004
                        Err 4   Snd   nIL

                    Sondas de nivel de agua
Snd    nIL             no trabajan bien.




 Err    005
                        Err 5   Snd   UAP

              Cuando falla la sonda de temperatura
Snd    UAP            de salida de vapor.




               - 49 -
Err   006
                      Err 6   Snd   gnr

            Cuando falla la sonda de temperatura
Snd   gnr        del generador de vapor.




Err   007

                      Err 7   Snd   CAL

Snd   CAL     Si al cabo de 15’ no se consigue
                           calibrar.




Err   008
                      Err 8   CTL   HUM

            Cuando se detecta que el control de
CTL   HUM        humedad no funciona.




             - 50 -
Err   009

                       Err 9   PrG OFF

PrG   OFF         Cuando se detecta que el
                  programador no funciona.




Err    010
                      Err 10    FLt     H20

                Cuando se detecta que la válvula de
FLt   H20    llenado del generador de vapor lleva 7 ó
             mas minutos en marcha y no se alcanza
                         el nivel máximo.




Err    011
                      Err 11   FLL UAC

      UAC     Cuando se detecta que bomba de
FLL           vaciado lleva mas de 1 minuto en
             marcha y no baja el nivel de mínimo.




                   - 51 -
Err   012
                            Err 12   FLL tco

            Cuando actúa cc y en tres minutos Tc no sube 3 o
                              mas grados.
FLL   tco                           ó
            Siendo Tg menor que 93 º C. Cuando actúa Cv y
             en tres minutos Tg no sube tres o mas grados.




                   - 52 -
10.-PARÁMETROS Y REGULACIONES


         MODELO                   Nº código aparato   V mantenim.            Vencendido   V media potencia   Vmáxima potencia      Tobera

HGC 10-21 BP 380-415V 3N 50HZ        112132500        2200 r.p.m             2500 r.p.m      2500 r.p.m         4500 r.p.m      Ø 4,8 T305068
HGC 10-21 GN 380-415V 3N 50HZ       1121325001        2200 r.p.m             3000 r.p.m      3500 r.p.m         6000 r.p.m      Ø 6 T305069
HGC 10-21 BP 380-415V 3N 50HZ A     1121325002        2200 r.p.m             2500 r.p.m      3000 r.p.m         5000 r.p.m      Ø 4,8 T305068
HGC 10-21 GN 380-415V 3N 50HZ A     1121325003        2200 r.p.m             3000 r.p.m      3500 r.p.m         6000 r.p.m      Ø 6 T305069
 VGC 10-21 BP 380-415V 3N 50HZ      1121325004        2200 r.p.m             2500 r.p.m      3000 r.p.m         5000 r.p.m      Ø 4,8 T305068
 VGC 10-21 GN 380-415V 3N 50HZ      1121325005        2200 r.p.m             3000 r.p.m      3500 r.p.m         6000 r.p.m      Ø 6 T305069
   HGC 10-21 BP 220V 3 50HZ         1121325006        2200 r.p.m             2500 r.p.m      2500 r.p.m         4500 r.p.m      Ø 4,8 T305068
   HGC 10-21 GN 220V 3 50HZ         1121325007        2200 r.p.m             3000 r.p.m      3500 r.p.m         6000 r.p.m      Ø 6 T305069
 HGC 10-21 BP 380-415V 3N 60HZ      1121325010        2200 r.p.m             2500 r.p.m      3000 r.p.m         5000 r.p.m      Ø 4,8 T305068
HGC 10-21 GN 380-415V 3N 60HZ       1121325011        2200 r.p.m             3000 r.p.m      3500 r.p.m         6000 r.p.m      Ø 6 T305069
   HGC 10-21 BP 220V 3 60HZ         1121325012        2200 r.p.m             2500 r.p.m      3000 r.p.m         5000 r.p.m      Ø 4,8 T305068
   HGC 10-21 GN 220V 3 60HZ         1121325013        2200 r.p.m             3000 r.p.m      3500 r.p.m         6000 r.p.m      Ø 6 T305069
 HGV 10-21 BP 380-415V 3N 50HZ      1121325100        2200 r.p.m             2500 r.p.m      2500 r.p.m         4500 r.p.m      Ø 4,8 T305068
HGV 10-21 GN 380-415V 3N 50HZ       1121325101        2200 r.p.m             3000 r.p.m      3500 r.p.m         6000 r.p.m      Ø 6 T305069
HGV 10-21 BP 380-415V 3N 50HZ A     1121325102        2200 r.p.m             2500 r.p.m      3000 r.p.m         5000 r.p.m      Ø 4,8 T305068




                                                                    - 53 -
MODELO                  Nº código aparato   V mantenim.            Vencendido   V media potencia   Vmáxima potencia      Tobera

HGV 10-21 GN 380-415V 3N 50HZ A     1121325103        2200 r.p.m             3000 r.p.m      3500 r.p.m         6000 r.p.m      Ø 6 T305069
 VGT 10-21 BP 380-415V 3N 50HZ      1121325104        2200 r.p.m             2500 r.p.m      3000 r.p.m         5000 r.p.m      Ø 4,8 T305068
VGT 10-21 GN 380-415V 3N 50HZ       1121325105        2200 r.p.m             3000 r.p.m      3500 r.p.m         6000 r.p.m      Ø 6 T305069
   HGV 10-21 BP 220V 3 50HZ         1121325106        2200 r.p.m             2500 r.p.m      2500 r.p.m         4500 r.p.m      Ø 4,8 T305068
   HGV 10-21 GN 220V 3 50HZ         1121325107        2200 r.p.m             3000 r.p.m      3500 r.p.m         6000 r.p.m      Ø 6 T305069
 HGV 10-21 BP 380-415V 3N 60HZ      1121325110        2200 r.p.m             2500 r.p.m      3000 r.p.m         5000 r.p.m      Ø 4,8 T305068
HGV 10-21 GN 380-415V 3N 60HZ       1121325111        2200 r.p.m             3000 r.p.m      3500 r.p.m         6000 r.p.m      Ø 6 T305069
   HGV 10-21 BP 220V 3 60HZ          112132512        2200 r.p.m             2500 r.p.m      3000 r.p.m         5000 r.p.m      Ø 4,8 T305068
   HGV 10-21 GN 220V 3 60HZ         1121325113        2200 r.p.m             3000 r.p.m      3500 r.p.m         6000 r.p.m      Ø 6 T305069
  HGP 10-21 BP 380-415V 3N 50HZ     1121325200        2200 r.p.m             2500 r.p.m      2500 r.p.m         4500 r.p.m      Ø 4,8 T305068
  HGP 10-21 GN 380-415V 3N 50HZ     1121325201        2200 r.p.m             3000 r.p.m      3500 r.p.m         6000 r.p.m      Ø 6 T305069
  HGP 10-21 BP 380-415V 3N 60HZ     1121325210        2200 r.p.m             2500 r.p.m      3000 r.p.m         5000 r.p.m      Ø 4,8 T305068




                                                                    - 54 -
Variador velocidad soplante
                 T303048




                    Vmante Vencend. Vmedia pot.Vmax pot.



0000            800 r.p.m            1000           2500 r.p.m
0001           1000 r.p.m            1001           3000 r.p.m
0010           1200 r.p.m            1010           3500 r.p.m
0011           1400 r.p.m            1011           4000 r.p.m
0100           1600 r.p.m            1100           4500 r.p.m
0101           1800 r.p.m            1101           5000 r.p.m
0110           2000 r.p.m            1110           5500 r.p.m
0111           2200 r.p.m            1111           6000 r.p.m

       Velocidades según posición de los selectores del
                   variador de velocidad.




                            - 55 -
11.- TRANSFORMACIÓN A DIFERENTES GASES

Para transformar el horno a otro tipo de gas distinto al que trae de serie, hay que actuar
de la siguiente manera:
En el soplante de convección tenemos que cambiar la tobera y colocar la que
corresponde al gas nuevo ( ver tabla anterior). Soltar los tres tornillos que unen la
válvula de gas y el mezclador y extraer la tobera y la junta que va acoplada.
Introducir primero la junta, sacada anteriormente y seguido la tobera nueva. Es
importante hacerlo en esta secuencia, ya que si lo hacemos al contrario nos costará
mucho introducir la goma.
Atar los tres tornillos soltados anteriormente.




                                                                          Tornillos (3)




Una vez cambiada la tobera modificar la posición de los interruptores V.encend.,
V.mant., V.media pot., y Vmáx.poten. del variador de velocidad según tablas anteriores.
Sustituir los 12 inyectores del quemador del generador de vapor.




                                           Inyector




    Detalle quemador generador de vapor

                                            - 56 -
Cambiar inyectores gas
                                                quemador del generador
                                                vapor, 12 unidades.


                                         Soltar tornillos sujeción


                                  4




                                         Cambiar inyectores gas
                                         quemador del generador
                                         vapor 12.




  TIPO DE GAS            Ø TOBERA               REFERENCIA

BUTANO PROPANO              0,70                  Z955899

 GAS NATURAL                1,10                  Z956104
 GAS NATURAL
  AUSTRALIA                 1,2                   Z956109


     Tabla de toberas para el quemador del generador


                            - 57 -
12.- TRANSFORMACIÓN DE TENSIÓN

         Para transformar el horno de 380v a 220 v trifásico hay que seguir los siguientes
pasos:
      1º Cambiar las conexiones eléctricas que trae el horno en la regleta principal de
entrada, siendo el de 220v el esquema que se detalla a continuación según sea el
horno de gas ó eléctrico.
       2º Cambiar los motores de las turbinas introduciendo el que se especifica a
continuación.



Horno de gas
1º                                                   2º




                 am       n m g                            Cambiar el motor de la turbina por la
                          a                                de referencia T323023
                 /ve


                          R S T


Horno eléctrico
1º                       2      2                    2º




              am        n m g
              /ve                                         Cambiar el motor de la turbina por la
                                                          de referencia T323023


                        R S T

                                            - 58 -
TECHNICAL MANUAL

HGC, HGV AND HGP GAS OVENS

          10/21




                        November 2004


            -1-
INDEX                                         PAGE


1.- MODELS AND DIMENSIONS                        3

2.- TECHNICAL FEATURES                           5

3.- CONTROL PANEL                                6

4.- FUNCTIONAL DIAGRAMS                          9

5.- COMPONENTS                                  12

6.- ASSEMBLY ELECTRICAL DIAGRAM                 23

7.- GENERAL USAGE INFORMATION AND AUXILIARY
    FUNCTIONS                                   28

8.- SEQUENCE OF EVENTS                          43

9.- IRREGULARITIES                              46

10.- PARAMETERS AND ADJUSTMENTS                 53

11.- TRANSFORMATION TO DIFFERENT TYPES OF GAS   56
12.- VOLTAGE TRANSFORMATION                     59




                          -2-
1.- HGC OVEN MODELS AND DIMENSIONS

                                                                                  120




                                                           1479
                                                                  1173




                                          1330
                                                                                   992




                               605
                   440
                                           130




                   395
                                     73




                           2
                                                 5
        476
  576




                                                                         1 = Soft water inlet RG ¾”
 706




                                            3
775




                                                                         2 = General drainpipe RG1”
                   1
                                                                         3 = Smoke outlet Ø120
                       6
                                                                         4 = Electricity supply inlet adapter
                       4
                                                                  1755




                                                                         5 = Drainpipe cleaning lid
              50                                                         6 = Gas inlet RG¾”
              60
          120




                                                     -3-
HGV AND HGP OVEN

                                                                               150




                                                              1573
                                                                     1173
                                    1330                                              992




                          605
                        395
              185
                                           130
                                      73
        193




                            2
                                             5
  576




                                3
 706




                                                                        1 = Soft water inlet RG ¾”.
775




                                                                        2 = General drainpipe RG1”
                    1                                                   3 = Smoke outlet Ø 120
                    6
                                                                        4 = Electricity supply inlet adapter
                                                       1755




                        4

         50                                                             5 = Drainpipe cleaning lid
         60                                                             6 = Gas inlet RG ¾”.
        120




                                                 -4-
2.- TECHNICAL FEATURES




                   MODEL                          HGC-10/21   HGV-10/21         HGP-10/21

                     Width X                        1330          1330            1330
  OUTER              Depth Y                         992           992             992
                  mm
DIMENSIONS           Height w/o flue pipe W         1173          1173            1173
                     Height with flue pipe Z        1479          1573            1573
Net weight (kg)                                    250 kg        278 kg          283 kg
Electrical power kW                                1.2 kw        1.2 kw          1.3 kw
                                     Section
                                                                3 x 1.5 + T
                                      Hose
   Power        230 V 50-60         Int. fuse
   supply                                                          10 A
                  3~       Hz        General
   voltage
                                   Differential
                                                                  30 mA
                                   Mechanism
                                     Section
                                                              3 x 1.5 + N + T
                                      Hose
   Power         380
                         50-60      Int. fuse
   supply       415 V                                              10 A
                           Hz        General
   voltage        3~
                                   Differential
                                                                  30 mA
                                   Mechanism
                          Kcal/h (Hs)               24100        42,160           42,160
   Power
                           BTU (Hs)                 95600       167,300          167,300
    in gas
                            kw (Hi)                   28            49               49
                  kg/h (29 mb) Butane (G-30)        2.331         4.079            4.079
  Nominal        kg/h (37 mb) Propane (G-31)        2.296         4.017            4.017
consumption m3./h (20 mb) Natural gas (G-20)        2.963         5.185            5.185
               m3./h (25 mb) Natural gas (G-25)     3.078         5.540            5.540
No. trays                   GN 2-1                    10            10               10
           Maximum load weight kg                    100           100              100
Approximate water consumption (litres/hour)            -            75              75
           Water inlet pressure kg/cm                              0.5 ÷ 8




                                            -5-
3.- CONTROL PANEL HGC OVEN


                             1    Mode selector

                             2    Oven switched off position

                             7    Hot air mode indicator




                             8    Chamber temperature selector

                             9    Chamber temperature selection display

                             10   Real chamber temperature display

                             11   Time selector

                             12   Time selection display

                             13   Remaining time indicator




                             18   Speed power selector

                             19   Max. power - max. speed position

                             20   Half power - half speed position

                             21   Medium power - max. speed position




                             25   Cooling indicator

                             26   Cooling pressbutton



                             28   Chamber burner blocked pushbutton

                             29   Burner unblocking pushbutton

                             30   Humidifier pushbutton



                       -6-
HGV OVEN


         1    Mode selector

         2    Oven switched off position

         3    Steam mode indicator

         4    Adjustable steam mode indicator

         5    Regeneration mode indicator

         6    Mixed mode indicator

         7    Hot air mode indicator

         8    Chamber temperature selector

         9    Chamber temperature selection display

         10   Real chamber temperature display

         11   Time/core temperature selector

         12   Time/core temperature selection display

         13   Remaining time/real core temperature display

         14   Function selector: time/core temperature/delta

         15   Function indicator: time

         16   Function indicator: core temperature

         17   Function indicator: delta

         18   Speed power indicator

         19   Max. Power - max. speed position

         20   Half power - half speed position

         21   Half power - max speed position

         22   Lime indicator

         23   Descaling indicator

         24   Descaling pushbutton

         25   Cooling indicator

         26   Cooling pushbutton

         27   Steam burner blocked indicator

         28   Chamber burner blocked indicator

         29   Burner unblocking pushbutton

         30   Humidifier pushbutton


   -7-
HGP OVEN




     0        ON/OFF switch


         1    Mode selector


     31       Humidity control display



     32       Increase humidity


     33       Reduce humidity




         18   Speed power selector

         34   Programming mode display

         35   Turn on/Validation pushbutton


         36   Step backwards pushbutton

         37   Menu movement pushbutton

         38   Menu movement pushbutton

         39   Show pushbutton

         40   Program/Change pushbutton

   -8-
4.- FUNCTIONAL DIAGRAMS


                             HGC OVENS
                  Tc   TSC




                  M
GV1, GV2
 C.E.C       VC




   VHM




                                   -9-
HGV OVENS
                                          Tc    TSC   Tn
                              M1




      DN                              M
                       TSV
           Tg
                                     VC


VCN

VHM




                 VDV
       C.E.V                   VAC
                                          GV1, GV2
      GV3, GV4                             C.E.C




                                     - 10 -
HGP OVENS




                                                    Tc       TSC   Tn
                                         M1




                  DN                            M
                                   TSV
                       Tg
                                               VC


            VCN

            VHM




                   C.E.V                 VAC
                             VDV
                  GV3, GV4
B.L                                                 GV1, GV2
                                                     C.E.C
      V.L

                                                    - 11 -
5.- COMPONENTS                                        Convection burner

                                         3 m
                                          -4m




                                                                5-6 mm



                                    BE


                                                                 BD




                          The burner joint must not coincide with the BE
                          and BD position




 Gas valve
                                                                                             Blower




Ignition control




                                         Complete blower HGV

                                                       - 12 -

                                                -12-
Complete blower HGV
                                            Ignition spark plug


  Flame detector




                      Complete blower HGV
                             - 13 -
Flame                 Ignition spark
                                                                detector                    plug




                                                                           Steam generator
                       Steam generator                                     burner in detail
                           burner




Slow ignition device
      (sealed)



 Pressure outlet




   Pressure inlet




                              Gas valve + Steam generator ignition control




                                               - 14 -
Flue pipe motor




Microswitches




                                                          Flue pipe upper part


                Flue pipe mechanism




          Chamber temperature limiter               Steam generator temperature
                Temp. 360 ºC                                  limiter
                    TSC                 - 15 -             Temp. 150 ºC
                                                                TSV
Generator + Level canister




                     Emptying         Generator       Condensation   Shower   Humidifier
                                       filling         + washing




Extraction




             Generator draining                            Solenoid valves
                   pump
                                             - 16 -
HGC - HEI OVENS




 I1 I2 I3




                              Controller
                               T353003




I1=0        Electric
I1=1        Gas
I2=0        ºC
I2=1        ºF
                                             CONTROL CARD SWITCHES
I3=0        Does not calibrate
I3=1        Calibrates




                                    - 17 -
HGV - HGP - HEM - HEP OVENS




                             Controller
                              T303005                I1 I2 I3 I4




I1=0   Electric
I1=1   Gas
I2=0   Without humidity control
I2=1   With humidity control
                                          CONTROL CARD SWITCHES
I3=0   ºC
I3=1   ºF
I4=0   Does not calibrate
I4=1   Calibrates

                                - 18 -
Blower speed variator
                    T303048




       Maintain Turn on    Half power Max. power
       speed    speed      speed      speed

0000           800 RPM               1000         2500 RPM
0001          1000 RPM               1001         3000 RPM
0010          1200 RPM               1010         3500 RPM
0011          1400 RPM               1011         4000 RPM
0100          1600 RPM               1100         4500 RPM
0101          1800 RPM               1101         5000 RPM
0110          2000 RPM               1110         5500 RPM
0111          2200 RPM               1111         6000 RPM

         Speeds depending on the position of the speed
                     variator's selectors
                            - 19 -
Valve           Valve           Motor
                                                                    microswitches

                   Water inlet

                                       Outlet to
                                        drain


Outlet to
washing
 pump



                                       Microswitch
                                        support
              Washing valve
                                                                                          Motor
                                                                Valve + motor           condenser



                                 Impulsion




 Extraction




                                        Washing pump
                                                                     Condenser 2.5 µF

                                               - 20 -
CONSTITUENT PARTS COMPLETE BURNER HCG OVEN


                                      4
                                                                                    6


                  3
                                                              5

                  2




     1                                                                               7


16
                                  1
                                  0       8



         1
         5
                                                                   9
                                                              16    ELECTROD DETEC 6/101/102 GAS     1              T115712000
                                                              15    QUEMADOR FURIGAS 10-11/10-21     1              T115710000
                                                              14    TAPA PRINCIPAL                   1              T115782000
                                 11                           13    VISOR DE ENCENDIDO               1              R725015000
             14             1
                            2                                 12    BOQUILLA TOMA PRESION            1              R725017000
                      1
                      3                                       11    JUNTA TAPA PRINCIPAL             1   HB-71961   T305041000
                                                              10*   VENTURI 45.900.446.052           1              T303040000
                                                               9    MANGUITO DOBLE 1/2               1              S205023000
                                                               8    TOBERA VK41 D4.8                 1   HB-73113   T305068000
                                                              7*    VALVULA VK 4115 V 1121           1              T303017000
                                                               6    CONTROL DE ENCENDIDO HONEYWELL   1   HC-76510   T303013000
                                                               5    JUNTA VENTURI 24x15.5            1              T303046000
                                                               4    VENTILADOR RG-130                1   HB-73153   T303016000
                                                               3    JUNTA VENTILADOR                 1   HB-71962   T305042000
                                                               2    CONDUC. TAPA PRINCIPAL COMP.     1   HB-72985   T345000000
                                                               1    ELECTRODO IGNICION 10/11-10/     1              T115781000



                                                     - 21 -
                                              -21-
CONSTITUENT PARTS COMPLETE BURNER HGV AND HGP OVEN




                                   4                                                5




                  3


         2

     1

                                                                                               6



                                                                                           7
                                                8




                                                             10                      9
16



                                                                  16    ELECTRODO IGNICION 10/11-10/     1              T115781000
                                                                  15    JUNTA TAPA PRINCIPAL             1   HB-71961   T305041000
                                                                  14    CONDUC. TAPA PRINCIPAL COMPL     1   HC-75810   T305035000
                                                                  13    JUNTA VENTILADOR                 1   HB-71962   T305042000
                                                                  12    BOQUILLA TOMA PRESION            1              R725017000
                                                        11        11    VISOR DE ENCENDIDO               1              R725015000
                                                                  10*   VALVULA VK 4115 V 1121           1              T303017000

             15                                 12                 9    MANGUITO DOBLE 1/2               1              S205023000
                                                                  8*    VENTURI 45.900.446.052           1              T303040000
                                                                   7    JUNTA VENTURI 24x15.5            1              T303046000
                                          13                       6    TOBERA VK41 D4.8                 1   HB-73113   T305068000
                                                                   5    CONTROL DE ENCENDIDO HONEYWELL   1   HC-76510   T303013000
                  14                                               4    VENTILADOR RG-130                1   HB-73153   T303016000
                                                                   3    TAPA PRINCIPAL                   1              T115782000
                                                                   2    QUEMADOR FURIGAS 10-11/10-21     1              T115710000
                                       -22-    - 22 -              1    ELECTROD DETEC 6/101/102 GAS     1              T115712000
6.- THEORETICAL ELECTRICAL DIAGRAM HGC OVENS



HGC 10 / 11                                                     HGC                               10 / 2 1                                                              R S 4 RS 3 C E V CE C RS 2 RS 1   R   IH
                                                                                                                                                                               vi a m                     g   m

                                                                                                                                                                                                                                                                     n              G ND

3                 400V                                                                  12                                                                                                                             C .T .
                                                                                                                                                                                                                                                                    am
                                                                                                                                                                                                                                                                     b
                                                                                                                                                                                                                                                                                    Lc old
                                                                                                                                                                                                                                                                                    Ic old
                                                                                                                                                                                                                                                                                    L des
                                                                                        11 Vv2                                                                                                                                                                                       Ide s
                                                                           rs
                                   M
                                                                                                                                                                                                                                                                                    L dc
                                                                     C                  10                                                                                                                                                                          g               + 12
                                                                           am              Vv1
                                                                                         9
                                                                                         8   +V   m1                    5   m               a
                                                                   m                                                    4   a  1
                                                                                         7  GND   n2
                                                                                                                                            r
    3             3a           4                        m        A vi                    6  PWM am 3                    3      2
                               a                              B     g                                                   2   am 3              am/ve
    vi            ve                   am          9a                                    5   HALL a 4
                                                                   rs                                                                                                                                                                                                         CN5
          b       8 na                                                                                                  1   n                                                                                                                                                                    le ds
    2                          5       6                    C                            4
          1          7                                          am/ve                    3
                                                   Ic              a
         2a         8a                    Ic                                             2    Vv                                                                                                                                                                             CN 4            HA CC P

         n          m                               9 r            r                                                        VC
                                   6a                                                    1
                                   g                                                                                                                  r                                                                                                                      CN10
                                                                                                                                                                                                                                                                                             PR G

                                                                                                                                                          a
              CMD                  CM I                                                                                                                                                                                                                                      CN7             T em pe r


                                                                                                                                                                                                                                                                             CN2                 m in


                   n                                                                                                                                                                                                                                                                                        Tc
              m                                                                                                                                                                                                                                                                          +
                                                                                                                                                                                                     C .E .G
                               R                                                                                                                                                                                                                                                                   K
                                                            0                                                                      2                                                                                                                                                     -
          g
                                   N                                                     Modo                IG          1
                                                                                                                        1a         2a
                                                                                                                                                                                                                                                      C N 12
                                                                                                                                                                                                                                                                                         +
                                                                                                                                                                                                                                                                                         -
                                                                                I                                                                                                                                                                                                                           2 k2
                           a                                                                      0                                                                                                                                                       C N 13                                            10 k
    F                                                                                             I
         R S T         N                                                                                                                                                                                                                                                     rs     Ip
                                                                                                                                                                                                                                                                                                                Ip
                                                                                                                                                                                                                                                                             rs     Ip
                                                                                                                                                                                                                                                                             g   +1 2
                                                                                          4                    7   8   9 10                                                                                                                                                  a m Lc old
                                                            Ic    1        2   3              5           6                                                                                                                                                C N1
                                                                                                                                                                                                                                                                             b   Ico ld
                                                                 1a        2a 3a          4a 5a           6 a 7a   8a 9 a 1 0 a                                                                                                                                              n    g nd
                                                                                                                                                                                                                                                                             na   12                     12 V
                                                                                                                                                                       CN8                                                      C N1 1
                                                                                                                                                                                                                                                                             m     0                      0V
                                                                                                                                                                                 b vi                                  a       g n rs       vi b                             vi   12                     12V

                                                                                                                                                                          C                                                           C C
                                                                                                                                                                      M M R R R                                        N        C C C M
                                                                                                                                                      r                                                                    R            M
                                                                                                                                                                      s b 2 1 1                                                 M C V I D
                                                                     IG                                                                                   a                                                        a
3             220V                             R
                                                            g                       m    FI           r            rs                   g                         g                                                        g
                                                                 2        2a                                  FM            T SC                                                                                                                  b
                                                                                                                                                                                                                                      rs
                                                                                                                            r TRF                                                                                                            vi
              M                                                                                                                         b                                                                                        C
                                                                                                                                                                                                                                      10
                                                                                                                                                 Lz
                                                                                                                                    am                                                                                                V v1
                   n                                                                                                                                                                                                                                                                                            vi       b
              m                                                                                                                                12 V                                                                                   9
                                                                                                                                        na
    g                                                                                                                                                                                                                                  am         C .E .C .         vi                                          C MD      C MI
                                                                                                                                        m                                                                                                                                                                                              m
                                                                                                                                               0V                                                                                    12 11 10 9       8     7   6        5   4       3       2      1           vi       b
F
                                                                                                                                                                                                                                                                                                           C MI        C MD      V HM
         R S T         N                                                                          VE        VE                          vi                                                                                                                                                       BEC
                                                                     IG                                                                        12 V                                                                                        G V1            g        vi
                                                            a                            FI                                                                                                                                                G V2       B         A                                DE C
                                               N                                    ve        a                                                               a                                                                                                                                                           a
                                                                 1        1a
                                                                                                                                                      - 23 -                                                                                                                                                           T3 430 0300 0
                                                                                                                                                                                                                                                          H C -770 81
                                                                                                                                               -23-
ASSEMBLY DIAGRAM HGC OVENS



                                                                                                                                                                                                                                                                                                                               VE                                                                                                                                                                                             T SC                                                        3~ 50H z 220V
                                                                                                                                                                                                                                                                                                                            Z-1030 66



                                                                                                                                                                                                                                                                                                               n
                                                                                                                                                                                                                                                                                                                    a                                                                                                                                                                                                          TC

                                                                                                                                                                                                                                                                                                                                                                                                                                                                      g                 a

                                                                                                                                                                                                                                                                                                                                                                    1




                                                                                                                                                                                                                                                                                                                                                                                                                                                                      2a

                                                                                                                                                                                                                                                                                                                                                                                                                                                                                   1a
                                                                                                                                                                                                                                                                                                                                                                                                                                                                                                                           IG
                                                                                                                                                                                                                                                                   1 80
                                                                                                                                                                                                                                                                                                                                                                                                                                                                                                                       T -343 008
                                                                                                                                                                                             1                                 1                              1                                                                         1
                                                                                                                                                                                                                                                                                                                                                                                                                                                                      m            ve
                                                                                                                                                                                                                                                                                                                                                                                                                                                                                                                           C .L
                                                                                                                                                                                                                                                                                                                                                                                                                                                                                                                       T -3 03018                                                            am      n m g




                                                                                                                                                                                                                                                                                                                                                                                                                                                                      2


                                                                                                                                                                                                                                                                                                                                                                                                                                                                                       1
                                                                                                                                                                                                                                                                                                                                                                                                                                                                                            n                                                                                                /v e    a
                                                                                                                                                                                                                                                                                                                                                                                                                                                                      na


                                                                                                                                                                                                                   n m g vi             b     n m g                b    vi
                                                                                                                                                                                                                                                                                                                                                                                                                                                                      8                                                                                                                              R S     T
                                                                                                                                                                                                                   1    3      5 N C A1        1       3 5 N C A1 1                       3    5         A1
                                                                                                                                                                                       na        rs
                                                                                                                                                                                                                       Z-7430 09                     Z -74 3009
                                                                                                                                                                                                                                                                                                                                                                                                                                                                      8
                                                                                                                                                                                                                            C MD                            C MI
                                                                                                                                                                                                                   2    4      6 N C A2        2        4     6 N C A2            2       4    6         A2
                                                                                                                                                                                         TS C                      n m g           vi a       n m g                b    a                                                                                                                                                                                             8                                  8                   8
                                                                                                                                                                                      T -30 3009

                                                                                                                                                                                                                                                                                                                                                                    1
                                                                                                                                                                                                                                                                                                                                                                                                                                                                                                                                        n

                                                                                                                                                                                                                                                                                                                                                                                                                               C.E .
                                                                                                                                                                                                                                                                                              180                                                                                                                                                                                                                                      na                                                  1 T -3 4300 2
                                                                                                                                                                                                                                                                                                                                                                                                                                                                                                                             CN 5
                                                                                                                                                                           1                                                   1                              1                                          1                              1
                                                                                                                                                                                                                                                                                                                                                                                                                                                                                                                                               l ed s                                      2 T -3 0303 3




                                                                                                                                                                                                                                                                                                                                            510
                                                                   gris                                                                                                                                                                                                               2                                             2                                                                                                                                                                                                                                                      3 T -3 0303 4
                                                                                                                                                                                                                                                                       2
                                               negro
                                                                                                                                                                                                                                                                                                                                                                                                                                                                                                                                                                                           4 T -3 0303 5
                                                                             blanco
                                                                                                                          M
                                                                                                                                                                                                                                                                                                                                                                                                                                                                                                                                   CN 4      H A CC P
                                                                                                                                                                                                                                                                                                                                                                    1                                                                                                                                                                                                                      5 T -3 0303 6
                                              mar ron                        amarillo
                                                                                                                                                                                                                                                                                                                                                                                                                                                      SW 3
                                                                                                                                                                                                                                                                                                                                                                                                                                                                                                                                                                                           7 T -3 0302 2
                                                  az ul                      rojo                                                                                                                                                                                                                                                                                                                                                  I ca l
                                                                                                                                                                                                                                                                                                                                                                                                                                                  I   3 2 1
                                                                                                                                                                                                                                                                                                                                                                                                                                                                                                                                   C N 10
                                                                                                                                                                                                                                                                                                                                                                                                                                                                                                                                             P RG                                          8 T -3 4300 6
                                                                                                                                                                                 Vv          T-303048                                                                                                                                                                                                                                                                                                                                                                                      9 T -3 0302 9
                                                                                                                                                                                                                                                                                                                                                                                                                                                       ON                                                                               r
                                                          gris                                                                                                                          J1                   D21                                                       J2                                                                                                                                                                                                                                                   C N7       m     T em p e r       7                          1 0 T -3 0303 1
                                                                                                                                                                                                                                                                                                                                                                                                                                                                                                                                       n
                                                                                                                                                                                                                            S1     S2         S3        S4
                                                                                                                                                                                                                                                                                                         a              r                                                                                                                                                                                                               r                                                1 1 T -3 0303 7
                                                                                                                                                                               VF2                na                                                                                                                                                                                                                                                                                                                        C N2       m        m in      7                       E sque ma teo rico T -3430 03
                                                                                                                                                                               VF 2               na
                                                                                                                                                                                                             D20                                              m                                                                                                                                                                                                                                                                        n

                                                                                                                                                                                                                                                              n                                                                                                                                                                                                                                                                                                                   L eyend a           T -3 0304 2
                                                                                                                                                                               VF 1               rs                                                                                                                                                                1
                                                                                                                                                                                                  am                                                         am                                                                                                                                                                                                                                                T -323024
                                                                                                                                                                                                                                                                                                                                                                                                                                                                                                                                            + Tc                                  I ndicado r c omp . T -30 3043




                                                                                                                                                                                                                                                                                                                        T -113023
                                                                                                                                                                               VF 1
                                                                                                                                                                                                                                                                                                                                    2                                                                                                                                                                                                       -




                                                                                                                                                                                                                                                                                                             LOAD
                                                                                                                                                                                                                                                              a
                                                                                                                                                                                -
                                                                                                                                                                                                                       S1/S2        r.p .m.    Hz.                                                                                                                                                          Controlador HMI-2003                                                                                C N1 2
                                                                                                                                                                               MP                 m
                                                                                                                                                                               GV                 vi
                                                                                                                                                                                                                        0000
                                                                                                                                                                                                                        0001
                                                                                                                                                                                                                                     800
                                                                                                                                                                                                                                     1000       33
                                                                                                                                                                                                                                                   27
                                                                                                                                                                                                                                                                                                                                                                    1                                            T353003000
                                                                                                                                                                               GV                 g                     0010         1200       40                                                                                                                                                                                                                                                                  2k 2
                                                                                                                                                                                                                                                                        D19




                                                                                                                                                                                                                                                                                                             LINE
                                                                                                                                                                                                                        0011         1400       47

                                                                                                                                                                                CC                rs                    0100         1600       53
                                                                                                                                                                                                                                                                                                                                        1                                                                                                                                                                                                   CN13




                                                                                                                                                                                                                                                                                                                        FI
                                                                                                                                                                                                                        0101
                                                                                                                                                                                                                        0110
                                                                                                                                                                                                                                     1800
                                                                                                                                                                                                                                     2000
                                                                                                                                                                                                                                                60
                                                                                                                                                                                                                                                67
                                                                                                                                                                                                                                                                                                                                                                                                                                                                                   T-3 43 007                                                                 7
                                                                                                                                                                                                                                                                            J3
                                                                                                                                                                                N                 a                     0111         2200       73

                                                                                                                                                                                R                 n
                                                                                                                                                                                                                        1000         2500       83
                                                                                                                                                                                                                                                                                                                                                                                                                                                                                                                    10k
                                                                                                                                                                                                                        1001         3000       100
                                                                                                                                                                                                                                                                                                                    m
                                                                                                                         M OTO R                                                                                        1010         3500
                                                                                                                                                                                                                                                117
                                                                                                                                                                                                                                                                                                         ve                                                                                                                                                                                                          C N1      rs     Ip
                                                                                                                      400 V      2 30 V                                                                                 1011         4000       133
                                                                                                                                                                                                                                                                                                                                    2
                                                                                                                                                                                                                        1100         4500       150
                                                                                                                                                                                                                                                                                                                                                                                                                                                                                                                               rs     Ip
                                                                                            XX /21                T -32 3022    T -32 3023                                                                              1101         5000       167

                                                                                                                                                                                                                                                                                               am/ ve                                                                                                                                                                                                                          g   +12




                                                                                                                                                                                                                                                                                                                                                                                                                                                                                                                                                                          n m r
                                                                                                                                                                                                                        1110         5500       183
                                                                                            XX /11                T -67 3065    T -67 3066
                                                                                                                                                                                                                                                                                                                                        1
                                                                                                                                                                                                                        1111                    200
                                                                                                                                                                                                                                                                                                                                                                                                                                                                                                                               a m Lc old
                                                                                                                                                                                                                                     6000
                                                                                                                                                                                                                                                                                                                                                                       1                                                                                                                                       1
                                                                                                                                                                                                                                                                                                                                                                                                                                                                                                                               b   Ico ld
                                                                                                                                                                                                                                                                                                                                                                                                                                                                                                                               n    g nd
                                                                                                                                                                                                                                                                                                                                        1
                                                                                                                                                                                                                                                                                                                                                                                                                                                                                                                               na   12
                                                                                                                                                                           6 M               M           9                                                                                                                                                                                                                                                                                                                     m    0
                                                                                                                                                                                                                                                                                  180
                                                                                                                                                                                                                                                                                                                                                                                                                                                                                                                               vi   12
                                                                                                                                                                                            2                2                                                                                                                                1                     1                                                                                                                   1                                                                 7
                                                                                                                                                                                                                                                                                          1

                                                                                                                                                                                                                                                                                                                                                                                                            b vi CN 8                                  a              g n rs                        vi b CN1 1
                                                                                                                         M
                                                                                                                                                                                         am a n m g                                                           na m m vi b am r a




                                                                                                                                                                                                                                                                                                                                                                                                                                                                                                                                                                  n m r
                                                                                                                                                                                                                                                                                                                                                                                           M        M C     R       R                                                          C       C        C   C C
                                                                                                                                                                                                                                                                                                                                                                                                                                                        N             R
                       3                                                                                                                                                                 /v e                                                                                                                                                                                              s        b R     1       1                                                          M       C        V   M M
                                  4                                                                                                                                                                                                Z-2633 03                  12 0 0 12 12 0 230 0                                                                                                                                                                                                                  I D
                                                                                                                                                                                                                                                                                                                                                                                                      2
                                                                                                                                                                   P-4530 26                                                                                                                                                                                        1
                                      43                         VC        T-3030 16                                                                                                                                                                                                                                                               1
T -303 04 1 G V1                                                                                                                                                                                     N       R S        T
                                                                                                                                                                                                                                                                        TRF




                                                                                                                                                                                                                                                                                                                                                       20
            G V2                                                            n




                                                                                                                                                                                                                                                                                                                                                         0
                                                                            am
                             am                     2                       a                                                                                                                                                                                      R-503005                                                                                                                                     m                                                                               n
                                                                                                                                                                                                                                                                                                                                                                                                                               m                  g                   ve
                           am                                               m                                                                                          Z -26 3302
                           g              3                                                                                                                                                                                                                                                                                                                                                                                                                                                                        IC
                                      4                                                                                                                                                                   R -073 005
                                                                                                                                                                                                                                                                                                                                                                                               A                                                                                                               R -663 026




                                                                                                                                                                                                                                                                                                                                                                                                                                                      5a

                                                                                                                                                                                                                                                                                                                                                                                                                                                                 4a




                                                                                                                                                                                                                                                                                                                                                                                                                                                                                                    1a
                                                                                                                                                                                                                                                                                                                                                                                                                                                                           3a

                                                                                                                                                                                                                                                                                                                                                                                                                                                                                        2a
                                                                                                                                                                                                                                                                                                                                                                                                                9a

                                                                                                                                                                                                                                                                                                                                                                                                                          8a

                                                                                                                                                                                                                                                                                                                                                                                                                                   7a

                                                                                                                                                                                                                                                                                                                                                                                                                                             6a
                            g




                                                                                                                                                                                                                                                                                                                                                                                                      10a
                           vi
                           a                                              am / v e                                                                                                                       Fus ib le 10 A                                                                                                             2 1                             1
                                              1                            r
                                                                           a                                                                                                                              R -723 015
                          C .E .C .       3




                                                                                                                                                                                                                                                                                                                                                                                                      10
                                                                                                                                                                                                                                                                                                                                                                                          A




                                                                                                                                                                                                                                                                                                                                                                                                                9



                                                                                                                                                                                                                                                                                                                                                                                                                                   7

                                                                                                                                                                                                                                                                                                                                                                                                                                             6



                                                                                                                                                                                                                                                                                                                                                                                                                                                                 4

                                                                                                                                                                                                                                                                                                                                                                                                                                                                           3

                                                                                                                                                                                                                                                                                                                                                                                                                                                                                        2

                                                                                                                                                                                                                                                                                                                                                                                                                                                                                                    1
                                                                                                                                                                                                                                                                                                                                                                                                                          8




                                                                                                                                                                                                                                                                                                                                                                                                                                                      5
                     T -30 3013
                                                                                                                                                                                                                                                                                                                                                                                                                                                             a                     vi
                                              1                  am /v e                                                                                                                                                                                                                                                                                                                                        r        ve        na          am                                                   b
                                       4
                                              1 2
                                                                                                                                                                                                                                                                                                                                                                       1                                                                                                           1                                          1
                                          3                                                                                                                                                                                                                                                                                                                    1
                                                                                                                                                                                                                                                                                                                                                                                                                                                                                                                n
                                                                                                                                                                                                                                                                                                                                                                                                                                     L co ld            LS T C                                                 am
                                                                                                                                                                                                                                                                                                                                                                                                                                                                                       vi am             g m    b
                                              1
                                                                                                                                                                                                                                                                                                                                                                                                                                                                                           C .T
                                                                                                                                                                                                                                                                                                                                                                                                                                    Ico ld            RS T                IH           T -30301 9               g




                                                    2                                                                                        2                                                        2                                                                                                                             2
                                                                                                                                                                                                                                                                                                                                                                   1
                                              1                                                           1                            1                                                         1                                                                                                                                      1

                                                                                                              r
                                                                                                      a                                                                                                                                                                                   Z-233 012



                                                                                                                                                                                                                                                                                                                                        1                                                                                   Lz
                                                                                                                                                                                                                                                                                                                                                           1            1
                                                                                                                                                                                                                                                                                                                                                                                                                        T -30 3023

                                                                                                                                                                                                                                                                                                    RC                                                                                                               R -66301 3

                                                                                                                           VE                                                                                                                                                                                                                                                  rs
                                                                                                                                                                                                                                                                                                                                                                   am
                                                                                                                       Z-1 03 066
                                                                                                                                                                                                                                                                            a                                                                                              b
                                                                                                                                                                                                                                                                                                m                                                                                                                           10
            Tornillo M4x20                                                                                                                                                                                                                                                                                                                                                                                                  W
                                                                                                                                                                                                                                                                                                                                                                                               Ip
              Q-081365                                                                Cabl es masa
                                                                                                                                                                                                                                                                             VHM
     Ara ndel a mue lle A4                                                                                                                                                                                                                                                       P-305013          1 l/min Amarillo 20/ 21
                                                                                                                                                                                                                                                                                                                                                                    10
                                                                                     Lengueta macho doble
                                                                                                                                                                                                                                                                                                                                                                                    Z-100522




                                                                                                                                                                                                                                                                                 R-715011          0,5 l/min Rojo 10/21, 20/11                                                                                                 b
       Q-261020                                                                           Q-563004                                                                                                                                                                               R-665041          0,25 l/min Verde 10/11 6/11
                                                                                                                                                                                                                                                                                                                                                                                                                           am
              T uerca M4                                                            Plac a asiento c onexion mas a
                                                                                                                                                            R-073004
              Q -16302 0                                                                  Q-563004
                                                                                                                                                                                                                                                                                                                                                                                                                           10
      Tuerca c uadrada M4                                                               Tue rc a M4                                                                                                                                                                     Z-701135
        Q -22190 1                                                                      Q-163020                                                                                                                                                                                                                                                                    10                  10                                 10
                                                                                                                                           PRE NSAESTOPAS
                                                                                                                                                                                                                                                                                                                                                  - 24 -
                                                                                                                                                                                                                                                                                -24-
THEORETICAL ELECTRICAL DIAGRAM HGV AND HGP OVENS

HGV 10 / 11                                                                           HGP 10 / 11
HGV 10/21                                                                             HGP 10 / 21                                                                                                                                                                                RS4 RS3 CEV CEC RS2 RS1
                                                                                                                                                                                                                                                                                        vi a m na ve
                                                                                                                                                                                                                                                                                                           R
                                                                                                                                                                                                                                                                                                           m
                                                                                                                                                                                                                                                                                                               IH
                                                                                                                                                                                                                                                                                                               n

                                                                                                                                                                                                                                                                                                                                                               n             GND
                                                                                                                              na               12                                                                                                                                                                                                            am              L cold


                                                                                                                            C
                                                                                                                              na
                                                                                                                                rs
                                                                                                                               am
                                                                                                                                               11 Vv2
                                                                                                                                               10
                                                                                                                                                  Vv1
                                                                                                                                                                                                                                                                                                                      C.T.                                    m
                                                                                                                                                                                                                                                                                                                                                               b
                                                                                                                                                                                                                                                                                                                                                              ve
                                                                                                                                                                                                                                                                                                                                                                              Icold
                                                                                                                                                                                                                                                                                                                                                                             L de s
                                                                                                                                                                                                                                                                                                                                                                              Id es
                                                                                                                                                9                                                                                                                                                                                                              r               L dc
                                                                                                                                                    +V   m1                               5m                                                                                                                                                                   vi              +12
                                                                                                                                                8                                                                  a
    3                 400V                                                                            m
                                                                                                                                      m
                                                                                                                                      vi        7   GND  n2                               4a       1               n
                                                                                                 9a
                                                                                                      Ic
                                                                                                                        B
                                                                                                                                 A

                                                                                                                                     rs
                                                                                                                                       g        6
                                                                                                                                                5
                                                                                                                                                    PWM am 3
                                                                                                                                                    HALL a 4
                                                                                                                                                                                          3
                                                                                                                                                                                          2 am
                                                                                                                                                                                                   2
                                                                                                                                                                                                   3
                                                                                                                                                                                                             am /ve                                                                                                                C.H                               S .H
                                                                                                                   C                            4                                         1n
                                                                                                                                am/ve
                                                                                                                                                3
                                                                                                                                                           Vv
                                                                                                  9n                                  a                                                                                                                                                                                                                                ENCO DER
                                        M                                                                                             n
                                                                                                                                                2                                             VC                                                                                                               PRG                                     LED S
                                                                                                                                                1                                                                                                                                                                                           HA CCP
3                3a           4
vi               ve           a       am
2 b              8 na         5       6
                                                                                                                                                                                                                                                                                                                          C N1 4   C N1 3     CN 4          CN 5       CN 2 C N1 0

   1                7
        2a           8a                 Ic                                                                                                                                                                                                                                                      C MD           b
                                                                                                                                                                                                                                                                                                                          PRG      % HR     H A CC P        l e ds     mi n Te mp er


        n            m            6a                                                                                                                                                                                                                                                            CMI            vi                                       rs                       Ip
                                                                                                                                           b         vi                                                                                                                          Vv 2                                                                                                          Ip
                                  g                                                                                                                                                                                                                                        11              12
                                                                                                                                                                                                                                                                                                CV             na                                       rs                       Ip
                                                                                                                                                               na                                                                                                          9          10
                                                                                                                                                                                                                                                                                                CC             rs                                       na
             CMD                  CMI                                                                                                                                                             ve                                                                            Vv1
                                                                                                                                           CM I     C MD                  C.E .V .                                         am                                                               C                                                           na
                                                                                                                                                                                                                                        C.E .C.        vi                                       CM             n
                                                      O             Modo     IG       1
                                                                                     1a
                                                                                            2
                                                                                            2a                              m              b        vi     1 2 1 1 10 9      8        7   6   5    4    3     2    1     12 1 1 1 0 9     8    7   6        5 4       3   2 1                    R             g                                         vi               Cold
                                                                                                                                                                                                                                                                                                                                                        am               L cold
                  n
             m                R              C             V          OFF                                              VHM               CMD      CM I                                                                                                                                                          a                                       m                 Ico ld
                                                                                                                                                                                                                                                                                                 N
         g                                                           VAPOR                                                                                         GV3           n                                BEV          GV 1            g                          B EC                                                                           g                 D es
                                                                                                                                                                                                                                                       vi
                                                                    REG. VAPOR                                                                                                                                                                                                                             C N7                                          b
                                  N                                                                                                                                GV4                                            DE V         GV 2        B       A                       DEC                                                                                           Ld es
                                             M             RV       REGENERAC.                                              a                                                                  a                                                                                                                                                                          Id es
                                                                                                                                                                                                                                                                                                                                                        ve
                          a
                                                                                                                                                                                                                                                                                                                      C.E.G.
                                                      RG             MIXTO                                         n                                                                                                                                                                                                                                      r                L dc
F                                                                   CONVECCION                                                                                                                                                                                                                                                                           r                 Ldc
                                                                                                                                     r                                               rs                                        vi                                 g
                                                                                                                                                                                                                                                                                                                                                        CN3
        R S T N                                                                                                                                                         FM                             TSC                                                  TSV

                                                                                                                                                                                                                                                                                                Mc              ve                                      m
                                                                                                                                                   ve                                                                                                                                            Ma             b                                        n                                      PF
                                                                                                                                                               b                                                                                                                                MBA                                                     na
                                                                     4                                                                                                                                                                                                                                          vi
                                                 Ic    1   2    3        5   6   7         8   9 10                                                                              vi
                                                                                                                                                                                                                                                                                                V Cnd            rs                                    CN1 7
                                                      1a   2a 3 a    4a 5a   6a 7a         8a 9a 10a
                                                                                                                                                                                                                                                                                                V Vac           na
                                                                                                                                                                                                                           na                                                                                                                                                         +
                                                                                                                                                                                                                                                                                                  K             am
                                                                                                                                                                                                                                                                                                                                                                      Tc              -
                                                                                                                                                                                                                                                                                                VDV              n
                                                                                                                                                                             C                          rs                                                                 n                                                                                                          +
                                                                                                                                                                                                                                                                                                R32             m
                                                                                                                                                  Mb Ms                                                                                                                                                          g                                                    Tv              -
                                                                                                                                                                                                   VCN                  VA C                                          V DV                      R3 2
                                                                                                                                                                         MB A                                                                                                                                                                                                         +
                                                                                                                                                          M1                                                                                                                                                   CN9                                                     Tn
                                                                                                                                                          M2                                                                                                                                                                                                                          -
                                                                                     R32                                                                                                                                                                                                                                                                                              +
                                                                                                                        a                                                                                                                                                                                                                                              Tg             -
                                                                                     IG
3            220V                                           R
                                                                       g                          m
                                                                                                      FI
                                                                                                           r                          r                                                                                                                                                                                                                CN1 5

                                                                                 2         2a                                                                                                                                                                                                   R31                  a
                                                                                                                                                                    n
                                                                                                                                                                                                                                                                                                R31                  ve
                                                                                                                                                                                                                                            b          Lz                                                                                               n            GND(12V )
             M                                                                                                                                                                                                                             am
                                                                                                                                                                                                                                                                                                 R1                   b
                                                                                                                                                                                                                                                                                                 R1                  vi                                                  0
                                                                                                                                                                                                                                                                                                                                                                          x
                                                                                                                                                                                                                                                   12                                           C R2
                 n                                                                                                                                                                                                                         na                                                    Mb                  m                                                   12
             m                                                                                                                                                                                                                                                                                                                                         am               Co m
                                                                                                                                                                                                                                              m                                                  Ms                  r
    g                                                                                                                                                                                                                                              0                                                                                                   ve                m in
                                                                                                                                                                                                                                                                                                                    CN8                                 g               M ax
                                                                                                                                                                                                                                                                                                                                                       na                 12              12
F                                                                                                                                                                                                                                             vi 12                        Mb Ms                                                                        m                   0              0
                                                                                     R31
        R S T                                                                                                                                                                                                                                                                                                                                           vi                 12             12
                                                                                                                                                                                           VE          VE                                                                         M1
                                                                                     IG                                                                                                                                                                                                                                                                CN1

                                                            N         a                          ve
                                                                                                      FI
                                                                                                               a                                                                                                                    a                                                                                                                                       J1
                                                                                                                                                                                                                                                                                                                                                                                               DN
                                                                                 1        1a

                                                                                                                                                                                              - 25 -
ASSEMBLY DIAGRAM HGV AND HGP OVENS


                                                                                                                                                                                                                                                                      VE
                                                                                                                                                                                                                                                                                                                                                                                                                                                                                                                                                                             % HR
                                                                                                                                                                   T SC                                                                                            Z-103 066                                                               IL                                                                                                                                                                                                                                                                           T SC                       3 ~50 Hz 22 0V
                                                                                                                                                                T -303 009                                                                                                                                                                                                                                                                                                  m n n a am
                                                                                                                                                                                                                                                                                                                                                                                                                                                                                                               C .H
                                                                                                                                                                                                                                                                                                                                                                                                                                                                                                                                                        m n n a am

                                                                                                                                                                                  1         2                                                                                                                                                                                                                                                                                                              T -3 2301 3
                                                                                                                                                                                  rs            vi                                                                                                                                                                                                                                                                                                                                                                                                                      TN
                                                                                                                                                                                                                                                          n                                                                                                                                                                                             9
                                                                                                                                                                                                                                                                                                                                                                                                                                            9
                                                                                                                                                                                                                                                               a                               200
                                                                                                                                                                                            1                                   1                                   1         1                                                                1                                                                                                                                                                                                                                                                        TC
                                                                                                                                                                                                                                                                                                                                                                                                                                            9
                                                                                                                                                                                                                                                                                                                                                                                                                                                                                                                                               g                                 a

                                                                                                                                                                                                                                                                                                                                                                                                                                                                                                                                      m
                                                                                                                                                                                                                                                                                                                                                                                                                                                1




                                                                                                                                                                                                                                                                                                                                                                                                                                                                                                                                           4a

                                                                                                                                                                                                                                                                                                                                                                                                                                                                                                                                                        3a

                                                                                                                                                                                                                                                                                                                                                                                                                                                                                                                                                                  2a

                                                                                                                                                                                                                                                                                                                                                                                                                                                                                                                                                                            1a
                                                                                                                                                                                                                                                                                                                                                                                                                                                                                                                                      n                                                                         IG
                                                                                                                                                                                                                                                                                                                                                                                                                                        6                                                      6                                       -                                                                     T-303 004
                                                                                                                                                                                                                g      m n           vi     b         n m g              b    vi                                                                                                                                                                                                                                                      na
                                                                                                                                                                                                                                                                                                                                                                                                                                                                                   PF                                                                                       ve
                                                                                                                                                                       g                                         1      3 5 N C A1 1 3 5 N C A1 1                                              3   5         A1
                                                                                                                                                                                                                                                                                                                                                                                                                                                                                T-303 020
                                                                                                                                                                             11                                        Z -7 4300 9  Z -74 30 09                                                                                                                                                                                                                                                                                                                                                             C .L
                                                                                                                                                                                                                                                                                                                                                                                                                                                                                                                                       m                                                                                                                       n m g
                                                      n                                                                                                                                                                   CMD                                                                                                                                                                                                                                                                                                                                                                            T-3 0301 8                                   am
                                   Ms                                                 a                                                                                                                                                CMI




                                                                                                                                                                                                                                                                                                                                                                                                                                                                                                                                           4

                                                                                                                                                                                                                                                                                                                                                                                                                                                                                                                                                        3

                                                                                                                                                                                                                                                                                                                                                                                                                                                                                                                                                                  2

                                                                                                                                                                                                                                                                                                                                                                                                                                                                                                                                                                            1
                                                                                                                                                                         12                                                                                                                                                                                                                                                                                                                                                                                                                                                                           /ve      a
                               R -010 534                                                                                                                                                                                                                                                                                                                                                                                                                                                                                                                          n ve a m m r n a
                                                                                                                                                                      v i 14                                     2     4        6 N C A2              2        4    6 N C A2           2       4   6         A2
                                                      r
                            M1                                                                                                                                                                                  n      m g           vi a             n m g              b    a                                                                                                                                                             9
                                                                                          n                                                                             T SV                                                                                                                                                                                                                                                                                         9                                                        9                                   8                             7                                                              R S   T
                         T-113010                                                                                                                                    Z -95 3035                                                                                                                                                                                                                                                                                  9                                         9                                                                         7
                                                                                  n
                                                                                                                                                                                                                                                                                                                                                                                                                                            9
                                   Mb
                               R -0105 34                         m                                                                                                                                                                                                                                200                                                                                                                                                                                                am n a n m         a m na n m                      n a r m am ve n          r m n
                                                                                                                                                                                                                                                                                                                                                                                                                                                                                                                                                                           E m in E ºC
                                                                                                                                                                                                                                                                                                                                                                                                                                                                                                                                                                                            r m n

                                                                                          am /v e                                                                                                                                                                                                                                                                                                                                                                                                     P RG               % H R H AC C P                       leds
                                                                                                                                                                       1                                                        1                                   1                                    1                                     1                                                                                                                                         8                                                                              12
                                                                                                                                                                                                                                                                                                                                                                                                                                        6




                                                                                                                                                                                                                                                                                                                                                    270
                                                                                                                                                                                                                                                                                           2                            2                  2                                                                                                                                              b             CMD                                                            rs         Ip
                                                                                                                                                                                                                                                                                                                                                                                                                                                                                          vi                                                                           rs         Ip
                                                                                                                                                                                                                                                                                                                                                                                                                                                                                                        CMI
                                                                                                                                                                                                                                                                                                                                                                                                                                                                                          na            CV                                                             na        IL                      7
                                                                                                    1                            1                                                                                                                                                                                                             1
                                                                                                                                                                                                                                                                                                                                                                                                                                                                                          rs            CC                                                             na        IL                                               1 T-3 0303 2
                                                                                                                                                                                                          Vv            T -083 002                                                                                                                                                                                                              1                                                                                                                       vi
                                                                                                                                                                                                                                                                                                                                                                                                                                                                                           n            CM                                                                     C o ld                                             2 T-3 0303 3
                                                                                                                                                                                                              D21                                                                                                                                                                                                                                                                         g              R                                                             am     L cold                                              3 T-3 0303 4
                                                                                                                                                                                       J1
                                                                                                                                                                                                                                                                             J2                                                                                                                                                                                                                                                                                        m       Icold                                              4 T-3 0303 5
                                                      gr is                                                                                                                                      na                             S1               S2                                                          a              r                                                                                                               9                                                                                                                           g                                                         5 T-3 0303 6
                                                                                                                                                                           VF 2                                                                                                                                                                                                                                                                                                           a                N                                                                    D es
                                                                                                                                                                                                 na           D20                                                    m                                                                                                                                                                                                                                                                                                                                                            6 T-3 0303 0
                                    negro                     blanc o                                                                                                      VF2                                                                                                                                                                                                                                                                                                                                                                                          b     L des
                                    marron
                                                                                                        M                                                                  VF1                   rs                                                                  n
                                                                                                                                                                                                                                                                    am
                                                                                                                                                                                                                                                                                                                                                                                                                                                1                                                                                          1                           ve      Ide s
                                                                                                                                                                                                                                                                                                                                                                                                                                                                                                                                                                                                                                  7 T-3 0302 2




                                                                                                                                                                                                                                                                                                                                                                                                                                                                                                                                                                                                                        n m r
                                                              amarillo                                                                                                                           am                                                                                                                                                                                                                                                                                                                                                                                                                               8 T-3 0302 8




                                                                                                                                                                                                                                                                                                                                T-113023
                                                                                                                                                                           VF1




                                                                                                                                                                                                                                                                                                                 LOAD
                                                                                                                                                                                                                                                                     a                                                                     2                                                                                                                                                             C .E .                                                          r      Ldc
                                       azul                   rojo                                                                                                           -                                                                                                                                                                                                                                                                                                                                                                                                                                                    9 T-3 0302 9
                                                                                                                                                                           MP                     m                    S1/S2            r .p.m.       Hz.                                                                                                                                                                                                                                             T 3 03 005                                                        r       L dc
                                                                                                                                                                                                                        0000              800             27                                                                                                                                                                                                                                                                                                                                                                    10 T-3 0303 1
                                              gris                                                                                                                         GV                    vi                     0001              1000        33
                                                                                                                                                                                                                                                                                                                                                                                                                                                                                                                                                                                                                                11 T-3 0303 7
                                                                                                                                                                           GV                     g                     0010              1200        40
                                                                                                                                                                                                                                                                              D1 9                                                                                                                                                      6                                        6                                                        6                            m                                                        Esq u em a te oric o T -3 0303 8




                                                                                                                                                                                                                                                                                                                 LINE
                                                                                                                                                                                                                        0011              1400        47

                                                                                                                                                                            CC                   rs                     0100              1600        53
                                                                                                                                                                                                                                                                                                                                               1                                                                                                                                         9                                                                              n                PF                                     Leye nda             T -303 042




                                                                                                                                                                                                                                                                                                                                FI
                                                                                                                                                                                                                        0101              1800        60
                                                                                                                                                                                                                        0110              2000        67
                                                                                                                                                                                                                                                                                  J3                                                                                                                                                                                                     ve             Vac l                                                          na                                                       Indic ad or co m p. T -30 30 43
                                                                                                                                                                            N                    a                      0111              2200
                                                                                                                                                                                                                                                      73
                                                                                                                                                                                                                                                                                                                                                                                                                                                1                                        b
                                                                                                                                                                            R                    n
                                                                                                                                                                                                                        1000              2500        83
                                                                                                                                                                                                                                                                                                                                                                                                                                                                                                        V Lav
                                                                                                                                                                                                                        1001              3000        100
                                                                                                                                                                                                                                                                                                                            m                                                                                                                                                            vi             V D es                                                                       +
                                                                                                                                                                                                                        1010              3500        117                                                    ve                                                                                                                                                                                                                            T -323 024                                  Tc
                                                                                                                                                                                                                                                                                                                                           2                                                                                                                                             rs                                                                                          -




                                                                                                                                                                                                                                                                                                                                                        60
                                                                                                                                                                                                                                                                                                                                                                                                                                                                                                        VC nd
                                                                                                                                                                                                                        1011              4000        133
                                                                                                                                                                                                                                                      150
                                                                                                                                                                                                                                                                                                                                                                                                                                                1
                                                                                                                                                                                                                        1100              4500
                                                                                                                                                                                                                                                      167
                                                                                                                                                                                                                                                                                                                                                                                                                                                                                         na             VVa c                                                                        +
                                                                                                                                                                                                                                                                                                                                                                                                                                                                                                                                                                                       Tv
                                                                                                                                                                                                                        1101              5000
                                                                                                                                                                                                                        1110              5500
                                                                                                                                                                                                                                                      183
                                                                                                                                                                                                                                                      200
                                                                                                                                                                                                                                                                                                   am /v e                                              60                                                                                                                               am               K                                                                          -
                                                                                                                                                                                                                                                                                                                                               1                                                                                                                                                                                                                       8
                                                                                                                                                                                                                        1111              6000

                                                                                                                                                                                                                                                                                                                                                                                                                                                                                         n              VD V                                                                         +
                                                     am                                                                                                                                                                                                                                                                                                                                                                                                                                                                                    T -3 0300 7                                 Tn            7
                                       g      ve                                                                                                                       6 M                  M         9                                                                                                                                                                                                                                                                                  m              R 32                                                                         -
                                                                                                                   M OT OR                                                                                                                                                                                                                                                                                                                                                                g             R 32                                                                         +
                                                                             1                                                                                                                                                                                                               200                                                                                                                                            9                                                                                             T -323 01 1                                  Tg
                    R-345060                                                                                    400 V       230 V                                                                                                                                                                                                                                                                                                                                                                                                                                                    -
                                                                                              XX /21        T -32 3022    T -3230 23                                                    1                 1                                                                                  1                                                                   1
                    R-345063                                                                                                                                                                                                                                                                                                                                                     20                                                                                                             T -3 0 3045
                                                                                              XX /11        T -67 3065    T -6730 66                                                                                                                                                                                                                                                  0
                    R-345064                                                                                                                                                                                                                                                                                                                                                                                                                                                                                                                                           n             GN D
                                                                                                                                                                                                                                                                                                                                                                                                                                                1                                                                             1                                                       0
                                                                                                                                                                                                                                                                                                                                           2                                                                                                                                             7                                                                            10              x
                                                                                                                                                                                        am a              n     m g




                                                                                                                                                                                                                                                                                                                                                                                                                                                                                                                                                                                                                n m r
                                                                                                                                                                                                                                                                     na m m vi b am r a                                                        1                                                                                                                                           a R3 1
                                                                                                                                                                                        /v e                                                                                                                                                                                                                                                                                                                                                                                         12
                                                                                                                                                                                                                                                                     12 0 0 12 12 0 230 0                                                                                                                                                                                                 v e R 31                                                                    am             C om
                                                                                                                                                                P-453 026                                                             Z-26 33 03
                                                                                                                                                                                                                                                                                                                                                                                                                                                                                           b   R1                                                                     ve             m in
                                                                                                                                                                                                                                                                              TRF                                                                                                                                                               1                                          vi  R1                                                                      g             M ax
                                                                             1                                                                                                                       N R        S       T                                                                                                                                                                                                                                                                     CR2                                                                     na              12
                                                                                                                                                                                                                                                                                                                                                                                                                                                                                          m Mb                                                                         m                0
                                                                                                                                                                                                                                                                         R- 503005                                                                                                                                                                                                         r                                                                           vi
                                                                                                                                                                                                                                                                                                                                                                                                                                                                                               Ms                                                                                      12
                                                                                                                                                                   Z -26 3302
                                                                                                                                                                                                       R -07 3005                                                                                                                                                                                                                                                                                                                     am /v e
                                                                                                        M                                                                                             F u sible 1 0A
                                                                                                                                                                                                                                                                                                                                           2                                                                                                    1
                                                                                                                                                                                                       R -72 3015                                                                                                                                       2                                                     2
                                                                                                                                                                                                                                                                                                                                                                                                     1                                                                                                 m
                                                                                                                                                                                                                                                                                                                                                1                                                                                                                                                                        m                 g                      ve                  n
                                                                                                                                                                                                                                                                                                                                                                     3                                                                                                                                                                                                                                  IC
                                                                                                                                                                                                                                                                                                                                                            4                   4
                                                                                                                                                                                                                                                                                                                                                                                                                                                                            A                                                                                                                       R -663 026




                                                                                                                                                                                                                                                                                                                                                                                                                                                                                                                                                   5a

                                                                                                                                                                                                                                                                                                                                                                                                                                                                                                                                                             4a

                                                                                                                                                                                                                                                                                                                                                                                                                                                                                                                                                                       3a

                                                                                                                                                                                                                                                                                                                                                                                                                                                                                                                                                                                 2a

                                                                                                                                                                                                                                                                                                                                                                                                                                                                                                                                                                                           1a
                                                                                                                                                                                                                                                                                                                                                                                                                                                                                                      9a

                                                                                                                                                                                                                                                                                                                                                                                                                                                                                                                 8a

                                                                                                                                                                                                                                                                                                                                                                                                                                                                                                                              7a

                                                                                                                                                                                                                                                                                                                                                                                                                                                                                                                                      6a
                                                                                                                                                                                                                                                                                                                                                                                                                                                                                         10a
                                                                                                                                                                                                                                                                                                                                                                                      43                                  VC                    1
                                                                                                                                                                                                                                                                                                                                                                                                                                n




                                                                                                                                                                                                                                                                                                                                                                                                                                                                                         10
                                                                             1                                                                                                                                                                                                                                                                                                                                                                                           A




                                                                                                                                                                                                                                                                                                                                                                                                                                                                                                      9




                                                                                                                                                                                                                                                                                                                                                                                                                                                                                                                                                             4
                                                                                                                                                                                                                                                                                                                                                                                                                                                                                                                 8

                                                                                                                                                                                                                                                                                                                                                                                                                                                                                                                              7

                                                                                                                                                                                                                                                                                                                                                                                                                                                                                                                                      6




                                                                                                                                                                                                                                                                                                                                                                                                                                                                                                                                                                       3

                                                                                                                                                                                                                                                                                                                                                                                                                                                                                                                                                                                 2

                                                                                                                                                                                                                                                                                                                                                                                                                                                                                                                                                                                           1
                                                                                                                                                                                                                                                                                                                                                                                                                                                                                                                                                   5
                                                     TSV                                                                                                                                                                                                                                                                                                                 am                                   2
                                                                                                                                                                                                                                                                                                                                                                                                                                am
                                                                                                                                                                                                                                                                                                                                                                                                                                a
                                                                                                                                                                                                                                                                                                                                                                         am                                                     m
                                                                                                                                                                                                                                                                                                                                                                         g                    3                                                                                                                                                         a
                                                                                                                                                                                                                                                                                                                                                            1                             4                                                 9 1                                                        n        ve            na          am                                vi             b
                                                                                                                                                                                                                                                                                                                                                                          g
                                                                                                                                                                                                                                                                                                                                                                         vi
                                                                                                                                                                                                                                                                                                                                                                         a                                                     am/v e
                                                                                                                                                                                                                                                                                                                                                                                                     1                         n
                                                                                                                                                                                                                                                                                                                                                                                                                                a
                                 Tg
                                                                                                                                                                                                                                                                                                                                                                C. E.C .
                                                                                                                                                                                                                                                                                                                                                                                                                                                1
                                                                                                                                                                                                                                                                                                                                                                 GV 1                         3                                                                                 Ld c         Ld es                            L S T V LS T C
                                                                                                                                                                                                                                                                                                                                                                                                                                                                                                                                                                                              n
                                                                                                                                                                                                                                                                                                                                                                                      4                                                                                                                          L cold
                                                                                                                                                                                                                                                                                                                                                                                                                                                                                                                                                                  vi am n a v e      m n
                                                                                                                                                                                                                                                                                                                                                                                                                                                                                                                                                                                            am
                                                                                                                                                                                                                                                                                                                                                                                                                                                                                                                                                                                             m
                                                                                                                                                                                                                                                                                                                                                                 GV 2                                                                                                                                                                                                                         b
                                                                                                                                                                                                                                                                                                                                                                                                                                                                                                                                                                      C .T                   ve
                                                                                                                                                       a                                                                                                                                                                                       1                                                                                                                                                                                                                                              r
                                                                                                                                                                                                                                                                                                                                                                                                                                                                                             I de s                                                     IH        T -30 3019                 vi
                                                                                                                                                                             1                                                                                                                                                                                                            4 3
                                                                                                                                                                                                                                                                                                                                                                                                                                                                                                                Ic old             RS T

                                                                                                                                 a m /v e                  na

                                                                                                                                                                                                                                                                                                                                                                                                                  4                                                                                                   PR G
                                                                                                                                                                                                                                                                                                                                                                                                                                                                                                                   T -32 30 12
                                                                             1
                                                                                                                                                                                                                                                                                                                                                                                                                      5
                                                                                                                                                V Ac                                                                                                                                                                                                                                                 11
                                                                                                                                                                                                                                                                                                                                                          5
                                                                                                                                            Z -2 20 90 1                                                                                                                                                                                           11                                                                     na                                                                                   m n na a m

                                                                                                                                                                                                                                                                         5        11
                                                                                                                                                                                                                                                                                                                                                                     o Jo                                                 na
                                                                                                                                                                                                                                                                                                                                                                                                                          n


                                                                                                                                                                                                                                                                                                                                                                                                      1                   n
                                                                                                                                                                                                                                                                                                                                                                                                                                                                                         9
                                                                                                                                                                                                                                                                                                                                                                                                                          ve                9
                                                                                                                                                                                  5                                                                                                                                                                                                           G V3
                                                                                                                                                                                                                                                                                                                                                                                                                          a
                                                                                                                                                                                        11
                                                                                                                                                                                                                                                                                                                                                                                              G V4                                C .E.V.
                                                                                                                             5
                                                              5                   5                                   11
       11                         11                                    11
                                                                              1                                          1                                                   1                                   1                               1                                     1                                                       1                                                      1                                             1                                                              Lz
                                                                                                                                                   1
                                                                                                                                                                                                                                                                                                                                                                                                                                                                                                               T-3 03 02 3
                                                                                                                    b
                                                                                                                                                                                                                                                               Z -2 3301 2                                                                                                                           a                                                                                                      R -6630 13
                                                                                                                    ve
                                                                                                                    vi                                                                                                                                                             a                                                                                                                                                                        rs
                                                                                                                                                                                                              a RC                          a RC                                       RC
                                                                                                                                                                                                                                                                                                                                                                                                          n                                 am
                                                                                                                                                                                                                                                                                                                                                                                                                                              vi
                                                                                                                                                                                                                            n                                                                      m                                                                                                                                                                                                                10
                                                                                                                                                                                                                                                           rs
      To rnillo M4 x20                                                                                                                                                                                                                                                                                                                                                                                                                                                                                              W
                                                                                                                                                                                                                                                                                                                                                                                                                                                                            Ip
       Q-081365                                                         Cable s ma sa
                                                                                                                                                                                                               VDV                        VCN                                      VHM
Arandela muelle A4                                                                                                                                                      10/11                                 8l/min                                  20/11                   0.25l/min                                                                                                                                                         10
                                                                      Lengueta m ac ho do ble                                                              20/21                                                                                                                                                                                                                  VE
                                                                                                                                                                                                                                                                                                                                                                                                                                                                     Z-100522




                                                                                                                                                                                                           Rojo
                                                                                                                                                                                                                                                      10/21                       amarillo
                                                                                                                                                                                                                                                                                                                                                                              Z -10 3066                                                                                                                                  b
 Q-261020                                                                    Q-5630 04                                                                                  10/21                                                       3l/min P- 443042 10/11
                                                                                                                                                                                                          Z-601156                  8l/ min Z -601156 20/2 1                  R-045001                                                                                                                                                                                                                              am
                                                                     Pl aca asiento conexion mas a                                                                      20/11
        Tuerca M4
        Q- 163020                                                            Q-5630 04
                                                                                                                                                                                                                                                                                                                                                                                                                                                                                                                    10
                                                                                                                                                       R-143010       R-033002
Tuerca c uad ra da M 4                                                   Tuerc a M4                                                                                                                                                                                           Z-701135
                                                                                                                                                                                                                       P-255001
  Q-221901                                                               Q-163020                                                                                                                                                                                                                                                                                                                                                               10                       10                                         10
                                                                                                                         PRENS AESTOPAS


                                                                                                                                                                                                                                                                                                                                                                               - 26 -
                                                                                                                                                                                                                                                                                                   -26-
LEGEND

                       E SPAÑ O L                               F R AN Ç A IS                                      EN G L ISH                                   D EU T S CH                                                     ITA LIA NO
BE C           =      Bujía Enc end ido C ámara                 Bo ug ie Allum age C ha mb re                     C ham ber Sp ark P lug                      Z ü ndk erz e Eins chalten Garraum                              C an dela di Ac ce ns ione C amera
BE V           =      Bujía Enc end ido C alde ra               Bo ug ie Allum age C ha udière                    Boile r S park Plug                         Z ü ndk erz e Eins chalten Boile                                C an dela di Ac ce ns ione C ald aia
C .E .C        =      C ont rol C om bus tión C ám ara          C on trô le Co mbus tion C h ambre                C ham ber C om bus tion C ontrol            S teu eru ng V erbrennu ng Garraum                              C on trollo C o mbus tio ne Ca mera
C .E .G        =      C ont rol Elec trónico G e neral          C on trô le Élec tronique Gén éral                Ma in E lec tronic Co ntrol                 S teu eru ng E lek tronik a llgeme in                           C on trollo E let tro nic o G ene rale
C .E .V        =      C ont rol C om bus tión C aldera          C on trô le Co mbus tion C h audière              Boile r C o mbu stio n C on trol            S teu eru ng V erbrennu ng Boiler                               C on trollo C o mbus tio ne Ca ldaia
C .H          =       C irc uito H ume dad                      Circu it Humidit é                                H um idity C ircu it                        K reis lauf F eu ch tigk eit                                    C irc uito Um id ità
C .L         =        C irc uito Leds                           C ircu it LED s                                   Led C irc uit                               K reis lauf L ED s                                              C irc uito Leds
C .T         =        C irc uito T eclad o                      C ircu it C la vie r                              Key pad C irc uit                           K reis lauf T as tat ur                                         C ic uito Ta stiera
C C 1 ,C C 2      =   C ont ac to r Re sis tenc ia Cá ma ra     C on ta cteu r Éléme nt C ha uffant C hambre      C ham ber H ea ting Element C on ta ctor    S ch ütz H eizw id ersta nd G arraum                            C on tatt ore R es is tenz a C am era
CM D            =     C ont ac to r Moto r D e rech a           C on ta cteu r Moteu r D ro ite                   R ig ht En gine C onta ct or                S ch ütz Mo to r rech ts                                        C on tatt ore Mot ore D es tra
CM I          =       C ont ac to r Moto r I zq uierd a         C on ta cteu r Moteu r G auc he                   Lef t E ng ine C ontac to r                 S ch ütz Mo to r links                                          C on tatt ore Mot ore Sinistra
CR2            =      R ele Arranqu e                           Relais Déma rrage                                 Sta rt ing R elay                           R ela is Anlauf                                                 R elè A cc ens ion e
C V 1, C V2       =   C ont ac to r Re sis tenc ias C aldera    C on ta cteu r Éléme nt C ha uffant C haud ière   Boile r H e atin g E lem ent C o ntac tor   S ch ütz H eizw id ersta nd B oiler                             C on tatt ore R es is tenz a C alda ia
DE C           =      D ete ctor L la ma C ám ara               D étec teur F lamm e C h ambre                    C ham ber F la me D et ec to r              F lamm en detek tor G arra um                                   R ilev atore di F iamm a C amera
DE V           =      D ete ctor L la ma C aldera               D étec teur F lamm e C h audière                  Boile r F lame D etec to r                  F lamm en detek tor B oile r                                    R ilev atore di F iamm a C alda ia
DN            =       D ete ctor N iv el C a ldera              D étec teur N iv eau C haud ière                  Boile r L ev el D e te ct or                P egelde tekt or Boile r                                        R ilev atore Livello Ca ld aia
EM            =       Enc od er Select or T ie mpo              En code ur Sé lec teur T e mps                    T im e Se lec tor E ncode r                 E nc oder Z eitw a hls ch alte r                                E nco der Se le tt ore T emp o
Eº C          =       Enc od er Select or T em peratura         En code ur Sé lec teur T e mpératu re             T em perature S elec to r Enc oder          E nc oder T em perat urw ahls c halt er                         E nco der Se le tt ore T emp eratura
F           =         F us ibles                                F usibles                                         F us es                                     S ic he run gen                                                 F us ib ili
FI          =         F iltro Inte rfe renc ias                 F iltre Int erf ére nce s                         Inte rfe renc e F ilter                     S töru ng sf ilte r                                             F iltro Interfe renz e
FM            =       T érmico Moto r                           T herm ique M oteu r                              T herma l En gine                           T h ermos ch alter Moto r                                       T erm ico M ot ore
G V1 , GV 2 =         Elect ro vá lv ula Gas C á mara           Élec tro va nne G az C ham bre                    C ham ber G as Solenoid V alv e             E le ktrov en til G a s G arraum                                E le tt ro valvo la G a s C am era
G V3 , GV 4 =         Elect ro vá lv ula Gas C a ldera          Élec tro va nne G az Chau dière                   Boile r G as So leno id Valve               E le ktrov en til G a s Bo iler                                 E le tt ro valvo la G a s C alda ia
IC          =         Selec tor Ve lo cid ad Po tenc ia         Sé lec teur Vites se Pu iss an ce                 Pow er Spe ed Selec tor                     W ah lsc ha lter G es ch wind igk eit Leistu ng                 S elettore V eloc it à P otenz a
IG           =        In te rrup tor G enera l                  Interru pt eur G énéra l                          Ma in S w itc h                             H aup ts c halt er                                              I nterruttore g enera le
IL          =         In te rrup tor Se gurid ad Lav ad o       Interru pt eur Sé curité La va ge                 Wa sh ing S afet y Sw itc h                 S ic he rhe its sc ha lter Wa sc hen                            I terru ttore Sic urezz a Lavag gio
Ip          =         In te rrup tor Se gurid ad Pu erta        Interru pt eur Sé curité Po rte                   D oor S afet y Sw itch                      S ic he rhe its sc ha lter T ür                                 I terru ttore Sic urezz a Porta
K1 ,K2 ,C K1, C K2=   R ele R es is tenc ia                     R elais Éléme nt C ha uffan t                     H eat ing Elem en t R elay                  R ela is H eiz w iders ta nd                                    R elè R es iste nza
Lz           =        Luz In te rior                            Éc la irage I ntérie ur                           Inn er Lig ht                               I nne nbeleuc htung                                             L uce Intern a
M            =        M ot or T urbin a                         Mo te ur T urbin e                                T urbin e E ngin e                          M otor T urb ine                                                M otore T u rb ina
M1            =       M ot or C himene a                        Mo te ur C he minée                               Sta ck Eng ine                              M otor A bluftk amin                                            M otore C a nna
M2            =       M ot or Válvula                           Mo te ur va nne                                   Valve Eng ine                               M otor V entil                                                  M otore V alvo la
M BA         =        Bom ba L av ado                           Po mpe La va ge                                   Wa sh ing P ump                             W as c henp umpe                                                P omp a lavagg io
Mb            =       In te rrup tor Micro Bajada               Microrupt eur D es ce nte                         D rop M ic rosw itc h                       M ik rosc halter Se nk en                                       I terru ttore M ic ro D is c esa
Ms           =        In te rrup tor Micro Sub ida              Microrupt eur Mon tée                             R is e M ic ros w itch                      M ik rosc halter H eben                                         I terru ttore M ic ro Salit a
PF           =        Pot encióm etro S elec to r F u nciones   Po tentiomèt re Sélect eur F onc tions            F unc tio ns S elec to r Pote ntiomet er    P ote ntio mete r Fu nk tion sw ah ls cha lte r                 P oten ziomet ro Seletto re F unz ion i
PR G           =      Prog ram ad or                            Progra mma teur                                   Prog ram mer                                P rogram mie rvorric htun g                                     P rogramm atore
RC            =       R es is tenc ia s Cá mara                 Élémen ts C h auffa nts C ha mbre                 C ham ber H ea ting Element                 H eiz w ide rstän de G arraum                                   R es iste nze C ame re
RV            =       R es is tenc ia s Ca ldera                Élémen ts C h auffa nts C ha udiè re              Boile r H e atin g E lem ent                H eiz w ide rstän de B oiler                                    R es iste nze C ald aia
Tc           =        Son da Cá mara                            So nd e C ha mb re                                C ham ber Pro be                            S onde G arra um                                                S onda C amera
TCN            =      T ermos ta to C on dens ación             T herm os ta t C onde ns atio n                   C onde ns atio n T he rm osta t             T h ermos tat Kond ens ieru ng                                  T erm ost ato Co nden saz io ne
Tg           =        Son da Ca ldera                           So nd e C ha udière                               Boile r P robe                              S onde Bo iler                                                  S onda C ald aia
TH           =        Son da Hu meda d                          So nd e H um id ité                               H um idity P ro be                          S onde F euc htigk eit                                          S onda U midit à
Tn           =        Son da Nú cleo                            So nd e N oy au                                   C ore P ro be                               K ernt em pera turmes so nde                                    S onda N uc leo
TRF            =      T rans formad or                          T rans formate ur                                 T rans former                               T ra nsfo rmato r                                               T ras forma tore
TS C           =      T ermos ta to Se gurid ad C ám ara        T herm os ta t Séc urité C ham bre                C ham ber Sa fety T hermos ta t             S ic he rhe its therm ost at G arra um                          T erm ost ato Sic urezz a Ca me ra
TS V           =      T ermos ta to Se gurid ad C aldera        T herm os ta t Séc urité C hau dière              Boile r S afe ty T h erm os tat             S ic he rhe its therm ost at Bo iler                            T erm ost ato Sic urezz a Ca ldaia
Tv           =        Son da Vapo r                             So nd e V apeu r                                  Ste am P rob e                              S onde D am pf                                                  S onda Vap ore
VA C           =      Bom ba V ac ia do                         Po mpe V ida nge                                  Vac uum Pum p                               A blas spu mpe                                                  P omp a sc arico
VA c l        =       Elect ro vá lv ula Ac larad o             Élec tro va nne R inç age                         R in sing S olen oid Valve                  E le ktrov en til K la rspülen                                  E le tt ro valvo la R is ciacq uo
VC            =       Ven tilador S oplante                     Ve nt ilateur S oufflan t                         Blow ing F an                               V ent ilator G ebläse                                           V entilat ore Sof fia nte
VC N           =      Elect ro vá lv ula C onde nsa ción        Élec tro va nne C on dens at ion                  C onde ns atio n S olen oid Valv e          E le ktrov en til K on de nsierung                              E le tt ro valvo la C o nden saz ione
VD V           =      Elect ro vá lv ula Llen ado Calde ra      Élec tro va nne R em plis sage C hau dière        C ham ber F illing S olen oid Valv e        E le ktrov en til F üllu ng Boiler                              E le tt ro valvo la d i R iemp ime nto C a ld aia
VE           =        Ven tilador C uadro E léc tric o          Ve nt ilateur T ab le au Élec triqu e             F an Sw itc hbo ard                         V ent ilator Elek trotafe l                                     V entilat ore Qu adro E le tt ric o
VH M            =     Elect ro vá lv ula H umidif ica dor       Élec tro va nne H um idificat eur                 H um idifier Sole noid Valve                E le ktrov en til B efeu ch tu ngs vo rric htung                E le tt ro valvo la U m idificat ore
VL av          =      Elect ro vá lv ula Lav ado                Élec tro va nne La va ge                          Wa sh ing S ole noid Va lve                 E le ktrov en til W as ch en                                    E le tt ro valvo la L av aggio
Vv           =        Variador V elocidad                       Va ria teu r V ite ss e                           Spe ed V ariato r                           G e sch w in digk eitsre gler                                   V ariat ore di Veloc ità
C O L OR              C O LO RE S                               C O UL EU R S                                     C O L OU R                                  F A R BE N                                                      C O LO R E
Va           =        Az ul                                     Bleu                                              Blue                                        B la u                                                          B lu
am           =        Am arillo                                 Ja une                                            Yello w                                     G e lb                                                          G iallo
am /ve         =      Am arillo/v erde                          Ja une / v ert                                    Yello w / green                             G e lb/ grü n                                                   G iallo/v erde
b          =          Blanc o                                   Blanc                                             Wh ite                                      W eiß                                                           B ia nco
g          =          Gris                                      G ris                                             Gre y                                       G rau                                                           G rigio
m           =         M arró n                                  Ma rron                                           Brow n                                      B raun                                                          M arrone
n          =          N egro                                    N oir                                             Black                                       S ch w arz                                                      N ero
na          =         N aran ja                                 O ran ge                                          Ora nge                                     O rang e                                                        A ranc io
r         =           R ojo                                     R ou ge                                           R ed                                        R ot                                                            R os s o
rs         =          R os a                                    R ose                                             Pink                                        R osa                                                           R os eo
ve         =          Verd e                                    Ve rt                                             Gre en                                      G rün                                                           V erde
vi        =           Viole ta                                  Violet                                            Purp le                                     V io let t                                                      V io la
                                                                                                                            - 27 -                                   Le ye n d a H o rn o s               H C -7 6 9 7 0   T 3 0 30 4 2 00 0

                                                                                                                                 -27-
7.- GENERAL             USAGE         INFORMATION               AND        AUXILIARY
FUNCTIONS

7.1.- Oven operation
        The oven can operate in five different modes:


               CONVECTION: The heating is generated by heating elements or internal gas
               burner in the oven's chamber. 35÷300 ºC.
               STEAM: The heating is generated by water steam at 100 degrees centigrade
               and at atmospheric pressure.
               ADJUSTABLE STEAM: The heating is produced by steam and the required
               temperature can be selected from 35 to 125 ºC.
               MIXED: The heating is produced by convection and steam at the same time,
               but with a higher convection power. 35÷250 ºC.
               REGENERATION: The heating is produced by convection and steam at the
               same time but with more steam power than in the mixed mode. 35÷180 ºC.

        The oven can operate in three different functions:

               TIME: From 1 to 120 minutes or even indefinitely.
               CORE PROBE: Selection from 0 to 99 ºC.
               DELTA: Selection from 0 to 50 ºC for the steam mode; 0÷75 ºC for the
               adjustable steam mode and 0÷99 ºC in the rest of the modes.




7.2.- Manual use commissioning

  On connecting the power supply and selecting on of the steam modes, steam adjustment,
  regeneration, mixed or convection, the controller is connected and the led of the selected
  mode turns on.

  The humidity control leds indicate the selected humidity. (Programmable ovens).

  The chamber temperature selection display, situated on the right visualises the selected
  temperature value and the real chamber temperature display situated on the left visualises
  the real value. The temperature measurement is carried out by the chamber's
  thermocouple.

  The time/core temperature selection display, situated on the right, visualises the time or
  core probe temperature, depending on the key selected.




                                           - 28 -
The time/core temperature indicator display, situated on the left, visualises the remaining
time or the real temperature of the core probe.

When the oven is turned on, the drain valve performs a check, first carrying out a closing
cycle and then an opening cycle, in the programmable ovens.

The time is stopped when the door is opened. When the door is closed again, the process
continues without changing the values it had when it was opened.

When the time reaches zero or the core probe temperature reaches the selected value, the
flue pipe activates and the left hand display flashes and the bell begins to ring.

When the function switch is turned to zero, all the outputs return to zero and the leds and
displays turn off. After three seconds, the control panel no longer has any voltage.

The control of the steam generator water filling is performed with a water level detector that
operates in all the operational modes except the emptying mode, and is consists of three
water level probes Max.L., Min.L. and Com.L., inserted in the level canister.




1.- .- When the real water level is below min L., the water inlet
solenoid valve to the generator is activated which allows the                Com min max
steam outlet to the chamber.

R1 ≥ 40 KΩ             R2 ≥ 40 KΩ        solenoid valve enabled.

2.- When the level reaches the Min level., the solenoid valve
continues to operate.

R1 ≤ 20 KΩ             R2 ≥ 40 KΩ        solenoid valve enabled.

3.- When the level reaches the N max level, the inlet of water is
closed and the heating of the generator commences.                              R1


R1 ≤ 20 KΩ             R2 ≤ 20 KΩ        solenoid valve disabled                     R2


4.- The heating of the generator is not cut off whilst the water level
is between N max. and N min.

R1 ≤ 20 KΩ             R2 ≤ 40 KΩ        solenoid valve disabled




                                            - 29 -
7.3.- Operating modes selection


                  OFF
                                                 Mode            Selection    Pre-estab.   Selection   Pre-estab.
  Conveccion          o          Vapor                           ºC           ºC           %HR         %HR
                                                 Convection;         35-300      160          0-100         0
                              Regulacion Vapor   Mixed               35-250      140          0-100        60
    Mixto
                                                 Regeneration        35-180      120          0-100        80
                                                 Steam               35-125       80           100         100
                  R                                Adjustment
               Regeneracion                      Steam                 99        99            100         100




The preestablished temperature and humidity values that appear in the table are the default
values that are used the first time the oven is started up. In later uses, the last value selected
in any of the modes will be visualised, except for the fixed steam at 100 ºC mode.



7.3.1 Convection Mode
The heating of the chamber stops when the value given by the chamber thermocouple is the
same as the value selected and restarts when the value is less.
7.3.2 Steam Mode 100 ºC
Heating is performed by means of steam injection to the cooking chamber.
Between 60÷90 ºC, chamber heating and steam heating operate at the same time
.7.3.3   Steam Adjustment Mode 35÷125 º
If the chamber temperature is less or equal to 100 ºC, the heating of the cooking chamber is
performed by steam.
If the chamber temperature is greater than 100 ºC, the cooking chamber heating is performed
by steam and convection together.
7.3.4 Regeneration Mode 35÷180 ºC
The heating of the cooking chamber is performed by the joint operation of convection and
steam.
7.3.5 Mixed Mode 35÷250 ºC
The heating of the cooking chamber is performed by convection providing steam also, but to a
lesser extent than in the regeneration mode.




                                                            - 30 -
7.4.- Temperature selection.


                                        Using the control and depending on the turning
                                        speed, the temperature can be selected from 1 to 1
888                    888              ºC; 5 ºC and 10 ºC




7.5.- Time selection.


                                     The two displays indicate the time selected whilst the control
888                    888           is turned from 1 to 120 and when the maximum position (---)
                                     is indicated, this means that the time is not taken into
                                     account and the controller will operate indefinitely.

                                     Both to enter in the manual position (---), and to exit it is
 Select                              necessary to turn the control suddenly.



After 3 seconds, the left hand display starts to deduct the time and visualizes the time
remaining to finish.

If once started, the control is turned again, the two displays will vary to the same degree.
Example:
             060 090    if we reduce by 30 minutes it becomes          030 060
             060 090    if we increase by 30 minutes it becomes        090 120


7.6.- Core probe temperature selection

                                      This is performed with the same control, but pressing the
                                      select button .
 888                    888
                                      The right hand display indicates the selected core
                                      temperature, one to one, whilst the control is turned form
                                      1 to 99 ºC.

    Select                            The left hand display indicates the real temperature in the
                                      core probe.


                                                 - 31 -
7.7.- DELTA function selection

This ensures a fixed difference of 50 ºC between the chamber temperature and the core probe
temperature.

                                           •   This is performed with the same control,
                                               but pressing the select . button.
    888                  888               •   The right hand display indicates the
                                               selected temperature, one to one, whilst
                                               the control is turned from 1 to 99 ºC,
                                               except in the Steam Mode which goes
                                               from 1 to 50 ºC and the Steam Adjustment
       Select
                                               Mode which goes from 1 to 75 ºC.



   •    The left hand display indicates the real temperature in the core probe.


7.8.- Speed power selector



                                      •   With the selector the three power-speed
                                          options are chosen




                                               - 32 -
STOP




7.9.- Selection Cool Down function

                       Situate in any of the operating modes, close the door, press the Cool Down
                       key, the led will light up and the cooking chamber's cooling commences.
  250
 PuE             rtA
                       The displays will flash intermittently: PuE rtA (Door)
                                                              Abr  ir (Open)
 Abr             ir    On opening the door, the function continues but the displays visualize the
                       same words continually.
      Selec t



                       The cycle ends when the chamber temperature indicates 46 ºC.

                       When we are in the Cool Down function, if the key is pressed again or the
                       door is closed, the cycle stops and the led turns off.




7.10.- Automatic emptying function


                       In any operating mode, the emptying pump operates for 3' (minutes),
                       every 24 operating hours of the controller.

                       The emptying pump should start to operate if the chamber and
UAC             3'     generator temperatures are less or equal to 60 ºC and only when the
                       control is powered up. In this way, if the controller were to have been
                       operating for 30 hours, the emptying pump will not start up until the
 Selec t
                       controller is turned of and on again. If the controller is turned off before
                       3', on turning it on again it will start to count the 3' again.



Whilst the pump is operating the chamber lighting outputs, electronic circuit power supply, flue
pipe opening and turbine are functioning. However, the generator filling valve does not
operate.

In the lower left hand display, [UAC] is visualised intermittently.

Once the cycle has finished, all the signals are re-established.
Manual Emptying is performed with the door open and pressing the select and Cool Down
key for 5 seconds. The emptying pump operates for 3 minutes in the conditions mentioned
previously.
                                                    - 33 -
7.11.- .- Lime detection

                                 STOP




In any of the operating modes, the generator probe registers the temperature and warns us
with a led of the need to descale the steam generator.
It first lights up in pulse train of 1 and whilst the sides are covered with a greater thickness of
lime, the led will light up in 2 impulses and 3 impulses until it is permanently lit up.
At this pint, the heating of the generator's heating elements will stop functioning and it is
necessary to perform a descaling cycle.




                                               - 34 -
7.12.- Descaling cycle selection

         dES                    dES        ---
                                                           In any mode and with the door closed, on pressing the
                                                           descaling key for 5 seconds, the descaling lamp turns on
                                                           continuously.
Fig. 1
         F1               3'    F2                Fig. 2
                                           ---
                                                         1.-The emptying valves operates for 3 minutes, and
                                                         empties the water out of the generator. Fig.1
                                                         2.- The descaling lamp operates intermittently, and the
          Selec t                Selec t




                                                         upper and lower displays light up intermittently. At this
         dES              ---   dES                      point, we take of the lid in the roof of the oven and insert 5
                                                         litres of descaling liquid. We close the lid and press the
Fig. 3                                            Fig. 4 descaling key for 5 seconds. Fig. 2
         F3                     F4
                          ---              120
                                                         3.- The generator filling valve operates until the Max level is
                                                         reached. Fig. 3
          Selec t                Selec t
                                                         4.- The generator is heated until it reaches the temperature
                                                         of 60 ºC for 120 minutes. Fig. 4
                                dES
                                                          If the Select key is pressed, the 120 minute value can be
         dES                               ---
                                                         increased to 480 minutes and lowered to 1 minute.
                                                         5.- The emptying valve operates for 3 minutes, emptying
Fig. 5                                            Fig. 6 the water out of the generator. Fig. 5
         F5               3'    F6         ---
                                                         6.- The generator filling valve operates until the Max level is
                                                         reached. Fig. 6
          Selec t                Selec t
                                                         7.- The emptying valve operates for 3 minutes, emptying
                                                         the water out of the generator. Fig. 7
         dES                    dES        ---           8.- The generator filling valve operates until the Max level is
                                                         reached. Fig. 8
Fig. 7                                            Fig. 8 9.- Operate in steam mode until the chamber temperature
                                                   Fig.8
         F7               3'    F8         ---           reaches 95 ºC. Fig. 9
                                                          10.-The descaling led finally turns off and “Fin dES”
          Selec t                Selec t
                                                         appears in the two displays . Fig. 10

                                                           If during the time the descaling cycle lasts the descaling
         dES                    FIn        dES             key is pressed again for 5 seconds (Cancel descaling
                                                           cycle):    The led operates intermittently and if:
Fig. 9                                           Fig. 10
                                                  Fig.10
         F9               99º                              1.- It has not reached (2)   the cycle situates itself at (9).
                                                           2.- It has reached or exceeded (2)         the cycle situates
          Selec t                S elect
                                                           itself in (5º).
                                                           3.- It has reached or exceeded (5)       the cycle continues
                                                           (descaling cycle performed).
                                                           4.- If the controller is turned off, the cycle will continue
                                                           when it is turned on again.




                                                                          - 35 -
7.13.- Probe calibration


          HGV, HGP, HEM and HEP Models

                       Turn the oven to steam Mode at 100 ºC
TC            TU

                       In the control card, turn on the I4=1 switch and press Ical for a second
                       to proceed to the calibration process.
Tn            Tg


                       The value of the 4 thermocouples is visualised in the displays.
Selec t




                                                                Ical
 I4 Switch



                              HGP, HGP, HEM AND
                              HEP

          The oven will automatically turn to the continuous steam mode for the calibration, and the
          probes will measure values between 95 and 105 ºC, (if this is not the case, the oven will
          indicate the corresponding error). When all the values that measure the temperature probes
          have been stabilised and steam production has been continuously functioning for 120 seconds
          in gas models and 30 seconds in electric models, the probes will take 100 ºC as a reference.
          To exit the calibration mode, turn I4=0.

           HGC and HEI models

             Calibration is not carried out automatically in these models as is in the HGV, HGP, HEM
             and HEP models. In this models, we have to use an external temperature measurer.


                                                        I3 Switch


                       Ical




                                              HGC AND HEI




                                                       - 36 -
In the HGC and HEI models turn I3=1 and press Ical for a second, to proceed to
         tc         tv
                          the calibration process. The upper left hand display visualizes TC intermittently,
                          and the right hand TV, the lower left hand display the value to be increased or
                          reduced to (TC) and the right hand display the value that should be increased or
         0          0
                          reduced (TV). The increase or reduction is performed with the control existing in
                          the two displays.
                          To change from programming TC to TV, just press Ical for a second. Once TV
                          has been changed by pressing Ical once more and turning I3=0, we will exit the
                          calibration mode.



     7.14.- Visualisation of the probes' temperatures
     On pressing the Cool Down key for 5 seconds with the door closed, the value of all the
     temperatures will be visualised in the displays (in the same way as in the calibration process).
     The oven will continue to operate in the same way.




     7.15.- HACCP Function
                         (Only in the Core Probe and Delta functions.)
                         The oven saves all the Operating Mode, Humidity (depending on the
dSC           dto
                         version), chamber and core temperature values, once a minute in the
                         previous 24 hours. It also saves the moment of reaching the selected
                         temperature in the core and the temperature 15 seconds later.
HAC           CP


                         When the “Memory Card” designed for this purpose is connected, the
Select
                         controller will detect it and will proceed to unload all the data from the
                         preceding 24 hours.
OC            SI
                         When it is unloading the data, the displays are intermittent indicating
                         [dSC][dto], [HAC][CP] and when the process finishes [OC][SI], [HAC][CP]
HAC           CP         appears.

Select




                                                       - 37 -
7.16.- Humidity selection

On connecting the humidity control circuit to the controller, it will detect it automatically and the
humidity can be chosen only when switch I2=1 is turned to and the humidity control mode is
entered.

The selection is performed with the pushbuttons situated on each side of the visualisation leds,
the one on the left for going down and the one on the right for going up.



                               10 20 30 40 50 60 70 80 90 100
                                                                 %HR
                           -                                    +



On pressing the [-] and [+] keys simultaneously the real humidity is visualised measured by the
humidity sensor.


In the Steam mode at 100 ºC: All the display leds will be blue. We do not have the option to
adjust the humidity.
In the Mixed mode: the leds will be blue or red. We have the option to adjust the humidity.
In the Convection mode: All the leds will be red and we have to option to adjust the humidity.




                                                            - 38 -
7.17 Use of the oven in programming mode



                                    On pressing the   key the menu will be
                                    displayed




  Programming buttons




                           TURN ON OR VALIDATION



                                    SHOW



                               STEP BACKWARDS


                        MOVEMENT IN THE MAIN MENU OR
                               PROGRAMMES



                        MOVEMENT IN THE MAIN MENU OR
                               PROGRAMMES




           M                 PROGRAM OR CHANGE




                                     - 39 -
COOKING


       COOKING PROFRAMM 99

                                          PHASE 1

                                          PHASE 2



    COOKING PROGRAM 99                    PHASE 9



 WASHING


            QUICK RINSE

            GENTLE WASH

            MEDIUM WASH

            INSTENSE WASH


   RECORD

             TOTAL H.        3 HOURS
             STEAM H.        1 HOUR




             TN max            150 ºC
             TG max            120 ºC

LANGUAGE SELECTION

                             SPANISH

                             ENGLISH

                             FRENCH
                             GERMAN

                             ITALIAN

                                 - 40 -
To enter in the programming Mode the      key should be pressed.

Once inside, we can choose between the main menus 4 options with the                 keys. Once

in one of the main menus, if the  is pressed, we enter inside and are able to move amongst
the existing programmes, in same way as before and with the same buttons.

If we wish to go back, we should press the          key as many times as we need to reach the
required point.
Once positioned in the chosen program, in order to activate it, it is only necessary to press the
  key.
If we should want to stop the operation at any given moment, press the       key again.

To go to the manual mode, we should press the       key until the display turns off, except when
we are operating a program. In this case, we press the    key.
How to change or add a cooking program
First, the programme number we are going to programmed or modified should be selected.
Next, press the M key.
The second row of the program selection display is visualised intermittently and we proceed to
introducing the name we want to give the program. Do this selecting characters A to Z, . ,
space, - ,with the          keys. Once the name has been introduced, press the        key.
Next, we should introduce the cooking values we require in the different phases visualised in
the display. To do this, we manually introduce the mode, temperature, humidity, etc. values
with which we want to cook. There are a maximum of 9 phases. When we have finished
programming the phases, it is not necessary to program all of them, if we press the  key, we
will save everything we have programmed and will enter the position containing the
programme name.

If instead of pressing the   key, we press the M key, we will erase all the information we have
introduced in this program and will have to program the different phases again.
The main menu has 4 different options: Cooking programmes, washing, record and
language selection.
In the cooking program we can introduce up to 99 programs, each one of which can be made
up of 9 phases.
In the washing program we have 5 programs which cannot be modified. These programs are:
                     Quick rinse                        10 minutes
                     Rinsing with brightener            46 minutes
                     Gentle washing                     85 minutes
                     Medium washing                     118 minutes
                     Intense washing                    173 minutes
                     Semi-automatic washing             28 minutes (spray)

                                               - 41 -
In the record program by pressing the     key for 5 seconds we can visualise the following
menu:

Adjustable Steam Oven= Total working hours in adjustable Steam mode.
Regeneration Oven= Total working hours in the Regeneration mode.

Mixed Oven= Total working hours in the Mixed mode.
Convection Oven Total working hours in the Convection mode.

H.CV= Total CV operating hours.
H.CC= Total CC operating hours.

Nº.c.CV= Number of CV cycles.
Nº.c.CV= Number of CC cycles.

Nº.c.MS/MB= Number of flue pipe opening/closing cycles.
Nº.c.Des= Number of total descaling cycles.

Nª.c.lav. 10M= Number of 10 minute washing cycles.
Nª.c.lav.46M= Number of 46 minute washing cycles.

Nª.c.lav.85M= Number of 85 minute washing cycles
Nª.c.lav.118M= Number of 118 minute washing cycles.

Nª.c.lav.173M= Number of 173 minute washing cycles.
Nº.c.Ip= Number of door contact cycles.

Nº.cal.= Number of calibrations carried out.
Tcmax= Maximum temperature reached by Tc (chamber probe).

Tvmin= Tv restart temperature (steam condensation probe).
Tvmax= Maximum temperature reached by Tv (steam condensation probe).

TNmax= Maximum temperature reached by TN (core probe).
TGmax= Maximum temperature reached by TG (steam generator probe) after the
last descaling.



In the language selection program we have the possibility of choosing between 5 different
languages.
                         Spanish
                         English
                         French
                         German
                         Italian
                                          - 42 -
8.- SEQUENCE OF EVENTS

                                           HGV GAS OVEN
      Steam Mode 100 ºC GAS

                                              Responsible
No.                  STEP                                       SIGNAL           OBSERVATIONS
                                                Sensor
1 Select Steam mode                        Potentiometer PF   PF= 2 VDC
2 Select time or core temperature          Time encoder
3 Close the door                           IP Reed Contact     12 V
4 Verification of the water level in the   DN (Com, Max,      230 V in      The VDV solenoid valve is
  steam generator                          min)               VDV           active when water is lacking
5 Preheating of the steam generator up     Thermocouple Tg    C.E.V.        The heating stops if TG
  to 90 ºC CV is in operation                                 functioning   reaches 180 ºC and LDC
                                                              (230 V)       comes on
6 The cooking time starts after the        C.E.G. Controller
  preheating                               Logic
7 Steam intake in the inside of the        Thermocouple Tc 230 V in CV C.E.C. functioning
  Cooking chamber
8 Hot air intake in the inside of the      Thermocouple Tc 230 V in CC C.E.C. functioning
  cooking chamber (from TC= 60..90
  ºC)
9 Condensation chamber set at 80º C in     Thermocouple Tc 230 V in         VCN operates at intervals.
  the Factory                                              VCN

      Regeneration Mode        35 . . . 180 ºC GAS
                                            RESPONSIBLE
No.                  STEP                                        SIGNAL           OBSERVATIONS
                                              SENSOR
1 Select Regeneration mode                 Potentiometer PF   PF= 6 VDC
2 Select Chamber temperature                 Temperature
                                             encoder
3     Select time or core temperature        Time encoder
4     Close the door                         IP Reed Contact 12 V
5     Verification of the water level in the DN (Com, Max, 230 V in VDV The VDV solenoid valve is
      steam generator                        min)                          active when water is
                                                                           lacking
6     Preheating of the steam generator up Thermocouple Tg C.E.V.          The heating stops if TG
      to 90 ºC CV is in operation                              functioning reaches 180 ºC and LDC
                                                               (230 V)     comes on
7     The cooking time starts after the      C.E.G. Controller
      preheating                             Logic
8     Steam intake in the inside of the      Thermocouple Tc 230 V in CV C.E.V. functioning (steam
      Cooking chamber                                                      80%)
9     Hot air intake in the inside of the    Thermocouple Tc 230 V in CC C.E.C. functioning
      Cooking chamber
10    Condensation chamber set at 80 ºC in Thermocouple Tc 230 V in VCN VCN operates at intervals
      the Factory



                                                  - 43 -
Mixed Mode         35 . . . 250 ºC GAS
                                                RESPONSIBLE
No.                   STEP                                          SIGNAL          OBSERVATIONS
                                                  SENSOR
1 Select Mixed mode                            Potentiometer PFPF= 8 VDC
2 Select Chamber temperature                 Temperature
                                             encoder
3     Select time or core temperature        Time encoder
4     Close the door                         IP Reed Contact 12 V
5     Verification of the water level in the DN (Com, Max, 230 V in VDV        The VDV solenoid valve is
      steam generator.                       min)                              active when water is lacking
6     Preheating of the steam generator up Thermocouple Tg C.E.C.              The heating stops if TG
      to 90 ºC CV is in operation                              functioning.    reaches 180 ºC and LDC
                                                               (230V)          comes on
7     The cooking time starts after the      C.E.G. Controller
      preheating                             Logic
8     Steam intake in the inside of the      C.E.G. Controller 230 V in CV     C.E.C. functioning. (60%
      Cooking cabinet (20”ON 20”OFF)         Logic                             steam)
9     Hot air intake in the inside of the    Thermocouple Tc 230 V in CC       C.E.C. functioning
      Cooking chamber
10    Condensation chamber set at 80 ºC in Thermocouple Tc 230 V in VCN        VCN operates at intervals
      the Factory

       Adjustable Steam Mode           35 . . . 125 ºC GAS
                                                 RESPONSIBLE
 No.                    STEP                                         SIGNAL         OBSERVATIONS
                                                     SENSOR
    1 Select Steam Adjustment mode              Potentiometer PF   PF= 4 VDC
    2 Select Chamber temperature                Temperature
                                                encoder
    3 Select time or core temperature           Time encoder
    4 Close the door                            IP Reed Contact     12 V
    5 Verification of the water level in the    DN (Com, Max,      230 V in    The VDV solenoid valve is
      steam generator                           min)               VDV         active when water is
                                                                               lacking
 6 Preheating of the steam generator up Thermocouple Tg C.E.V.                 The heating stops if TG
    to 90 ºC CV is in operation                            functioning         reaches 180 ºC and LDC
                                                           (230 V)             comes on
 7 The cooking time starts after the     C.E.G. Controller
    preheating                           Logic
 8 Steam intake in the inside of the     Thermocouple Tc 230 V in CV           C.E.V. functioning (80%
    Cooking chamber                                                            steam)
 9 Hot air intake in the inside of the   Thermocouple Tc 230 V in CC           C.E.C. functioning
    Cooking chamber
 10 Condensation chamber set at 80 ºC in Thermocouple Tc 230 V in              VCN operates at intervals
    the Factory                                            VCN




                                                      - 44 -
Convection Mode       35 . . . 300 ºC GAS
                                            RESPONSIBLE
No.                 STEP                                      SIGNAL         OBSERVATIONS
                                              SENSOR
1 Select Convection mode                   Potentiometer PF  PF= 10 VDC
2 Select Chamber temperature               Temperature
                                           encoder
3 Select time or core temperature          Time encoder
4 Close the door                           IP Reed Contact 12 V
5 Verification of the water level in the   DN (Com, Max, 230 V in       The VDV solenoid valve is
  steam generator                          min)              VDV        active when water is
                                                                        lacking
6 The cooking time starts                  C.E.G. Controller
                                           Logic
7 Hot air intake in the inside of the      Thermocouple Tc 230 V in CC C.E.C. functioning
  Cooking chamber




                                                 - 45 -
9.- IRREGULARITIES

                  EFFECT                                       CAUSE                                        ACTIONS
1. -The oven does not function in any        1.1 IP door switch.                           1.1 Check –Change or adjust
mode.                                        1.2 Motor thermoswitch FM.                    1.2 Check or change motor.
Illuminated displays.                        1.3 Chamber Limiter TSC.                      1.3 Check Tc probe, and C.E.C. control.
                                             1.4 Steam Boiler Limiter TSV.                 1.4 Check C.E.G. Controller or DN level
                                                                                           detector.
2. -Neither the convection burner nor the    2.1 Vv variator or VC blower broken.          2.1 Change.
steam burner ignite.
Illuminated displays
Turbine motor functioning
Led D21 of the Vv frequency variator.
(sequence of three impulses)
3. -The convection burner does not ignite.   3.1 Failure Vv frequency variator             3.1 Check and change.
Illuminated displays                         3.2 Failure VC blower                         3.2 Check and change.
Turbine motor functioning
Led D21 of the Vv frequency variator (one
impulse sequence)
4 -The convection burner does not ignite.    4.1 Incorrect injector.                       4.1 Check injector and fit the correct one.
Illuminated displays                         4.3 False contact in the ignition control.    4.3 Check detection wiring
Turbine motor functioning                    CEC                                           4.4 Change
Chamber burner blocked indicator turned      4.4 Ignition control broken CEC               4.5 Check pressure gauge in gas valve
on.                                          4.5 Either no gas or too little gas           4.6 Check detector-burner position (5-6 mm)
Led D21 of the Vv frequency variator         4.6 Failure flame detection                   and connections or change detector.
(sequence of two impulses)                   4.7 Flow of ignited gas in convection valve   4.7 Check dynamic pressures and increase
                                             low.                                          flow in the gas regulator.
                                             4.8 Convection gas valve.                     4.8 Change gas valve.
                                             4.9 Failure spark train.                      4.9 Check position burner spark plug (3-4 mm)
                                             4.10 Excessive gas pressure in inlet.         and connections.
                                                                                           4.10 Check gas pressure and correct


                                                                   - 46 -
EFFECT                                        CAUSE                                         ACTIONS
5. -Noise during ignition                     5.1 Excess of gas during ignition            5.1 Check that the valve code corresponds to
                                              5.2 The burner does not correspond to the    the gas and model
                                              model                                        5.2 Check pressures in gas valve in the burner
                                              5.3 Gas type does not correspond to the      5.3 Check pressures and model
                                              model                                        5.4 Check and correct. (Increase the ignition
                                              5.4 Incorrect frequency variator switches.   speed)
                                              5.5 Gas valve does not correspond to the     5.5 Check and correct
                                              type of gas
6. -Abrupt ignition with a slight explosion   6.1 Incorrect frequency variator switches    6.1 Check and correct ignition speed.
                                              6.2 Gas type does not correspond to the
                                              model                                      6.2 Check pressures and model
                                              6.3 Gas valve does not correspond to the   6.3 Check and correct
                                              type of gas                                6.4 Check position burner spark plug (3-4 mm)
                                              6.4 Failure spark train                    and connections.
7. -The oven operates for a while.            7.1 Motor thermoswitch FM                  7.1 Check the correct connection of the three
It then stops and starts to operate again.                                               phases to the motor
                                                                                         7.2 Check if there is external humidity in the
                                                                                         motor
                                                                                         7.3. Change motor.
8. -It generates no steam at all.             8.1 Excess of lime in the steam generator. 8.1 Descale the steam generator (See
LDC indicator permanently lit.                                                           instruction booklet).
9. -It does not generate sufficient steam     9.1 The flue pipe does not close properly. 9.1 Check and correct
Steam gas valve GV3-GV4 active.               9.2 Chamber probe broken TC                9.2 Change probe or Calibrate.




                                                                   - 47 -
Failure modes:

Errors exist in which the oven indicates the cause. When this type of error occurs:

   The bell rings intermittently.
   A message appears intermittently in the displays.
   On pressing any key, the oven ignores it.
   On opening the door, the error message does not disappear.
   To erase the error message from the display and stop the bell from ringing, either the
   voltage should be disconnected from the controller or the failure that produced the error
   be solved.
   When the problem is resolved, the outputs start to operate normally again.
The following are the five different types of errors that exist:




  Err            001

                                                        Err 1      Snd CCI

 Snd            CC1                          When the chamber temperature probe
                                                         fails.(Tc)




  Err            002

                                                         Err 2     Snd ncI

 Snd            ncl                                 When Tn fails (core probe).




                                               - 48 -
Err    003

                       Err 3   TEM    FLI

TEM               When the oven temperature
       FLI
                     goes above 330 ºC.




Err    004
                       Err 4   Snd   nIL

                   The water level probes
Snd    nIL      are not functioning correctly.




 Err    005
                       Err 5   Snd   UAP

                     When the steam outlet
Snd    UAP        temperature probe fails. (Tv)




              - 49 -
Err   006
                      Err 6    Snd    gnr

                  When the steam generator
Snd   gnr        temperature probe fails. (Tg)




Err   007

                      Err 7   Snd    CAL

Snd   CAL      If after 15 minutes calibration is
                          not possible.




Err   008
                      Err 8   CTL    HUM

            When the humidity control is detected
CTL   HUM          to not be functioning.




             - 50 -
Err   009

                       Err 9   PrG OFF

PrG   OFF    When the programmer is detected to
                     not be functioning.




Err    010
                     Err 10     FLt      H20

             When the steam generator filling valve is
FLt   H20     detected to be operating for 7 or more
              minutes and the maximum level is not
                            reached.




Err    011
                      Err 11   FLL UAC

      UAC     When the emptying pump is detected
FLL          to be operating for more than 1 minute
             and the minimum level does not lower.




                   - 51 -
Err   012
                      Err 12 and Err13   FLL tco

            When cc operates and Tc does not increase 3 or
                     more degrees in three minutes.
FLL   tco                           o
            Tg is less than 93 ºC. When cc operates and Tc
            does not increase three or more degrees in three
                                minutes.




                   - 52 -
10.-PARAMETERS AND ADJUSTMENTS

                                  Apparatus code                                         Speed medium   Speed maximum      Nozzle
          MODEL                        no.
                                                   Speed maintain        Speed turn on
                                                                                             power          power
HGC 10-21 BP 380-415V 3N 50 HZ      112132500        2200 RPM             2500 RPM        2500 RPM        4500 RPM      Ø 4.8 T305068
HGC 10-21 BP 380-415V 3N 50HZ      1121325001        2200 RPM             3000 RPM        3500 RPM        6000 RPM      Ø 6 T305069
HGC 10-21 BP 380-415V 3N 50HZ A    1121325002        2200 RPM             2500 RPM        3000 RPM        5000 RPM      Ø 4.8 T305068
HGC 10-21 BP 380-415V 3N 50HZ A    1121325003        2200 RPM             3000 RPM        3500 RPM        6000 RPM      Ø 6 T305069
 VGC 10-21 BP 380-415V 3N 50HZ     1121325004        2200 RPM             2500 RPM        3000 RPM        5000 RPM      Ø 4.8 T305068
 VGC 10-21 BP 380-415V 3N 50HZ     1121325005        2200 RPM             3000 RPM        3500 RPM        6000 RPM      Ø 6 T305069
   HGC 10-21 BP 220V 3 50HZ        1121325006        2200 RPM             2500 RPM        2500 RPM        4500 RPM      Ø 4.8 T305068
   HGC 10-21 BP 220V 3 50HZ        1121325007        2200 RPM             3000 RPM        3500 RPM        6000 RPM      Ø 6 T305069
 HGC 10-21 BP 380-415V 3N 60HZ     1121325010        2200 RPM             2500 RPM        3000 RPM        5000 RPM      Ø 4.8 T305068
 HGC 10-21 GN 380-415V 3N 60HZ     1121325011        2200 RPM             3000 RPM        3500 RPM        6000 RPM      Ø 6 T305069
   HGC 10-21 BP 220V 3 60HZ        1121325012        2200 RPM             2500 RPM        3000 RPM        5000 RPM      Ø 4.8 T305068
   HGC 10-21 GN 220V 3 60HZ        1121325013        2200 RPM             3000 RPM        3500 RPM        6000 RPM      Ø 6 T305069
 HGV 10-21 BP 380-415V 3N 50HZ     1121325100        2200 RPM             2500 RPM        2500 RPM        4500 RPM      Ø 4.8 T305068
 HGV 10-21 GN 380-415V 3N 50HZ     1121325101        2200 RPM             3000 RPM        3500 RPM        6000 RPM      Ø 6 T305069
HGV 10-21 BP 380-415V 3N 50HZ A    1121325102        2200 RPM             2500 RPM        3000 RPM        5000 RPM      Ø 4.8 T305068




                                                                - 53 -
Apparatus code                                         Speed medium   Speed maximum   Conv.Nozzle
         MODEL                       no.
                                                 Speed maintain        Speed turn on
                                                                                           power          power
HGV 10-21 GN 380-415V 3N 50HZ    1121325103        2200 RPM             3000 RPM        3500 RPM        6000 RPM      Ø 6 T305069
VGT 10-21 BP 380-415V 3N 50HZ    1121325104        2200 RPM             2500 RPM        3000 RPM        5000 RPM      Ø 4.8 T305068
VGT 10-21 GN 380-415V 3N 50HZ    1121325105        2200 RPM             3000 RPM        3500 RPM        6000 RPM      Ø 6 T305069
  HGV 10-21 GN 220V 3 50HZ       1121325106        2200 RPM             2500 RPM        2500 RPM        4500 RPM      Ø 4.8 T305068
  HGV 10-21 GN 220V 3 50HZ       1121325107        2200 RPM             3000 RPM        3500 RPM        6000 RPM      Ø 6 T305069
HGV 10-21 BP 380-415V 3N 3HZ     1121325110        2200 RPM             2500 RPM        3000 RPM        5000 RPM      Ø 4.8 T305068
HGV 10-21 GN 380-415V 3N 60HZ    1121325111        2200 RPM             3000 RPM        3500 RPM        6000 RPM      Ø 6 T305069
  HGV 10-21 GN 220V 3 60HZ        112132512        2200 RPM             2500 RPM        3000 RPM        5000 RPM      Ø 4.8 T305068
  HGV 10-21 GN 220V 3 60HZ       1121325113        2200 RPM             3000 RPM        3500 RPM        6000 RPM      Ø 6 T305069
HGP 10-21 GN 380-415V 3N 50HZ    1121325200        2200 RPM             2500 RPM        2500 RPM        4500 RPM      Ø 4.8 T305068
HGP 10-21 GN 380-415V 3N 50HZ    1121325201        2200 RPM             3000 RPM        3500 RPM        6000 RPM      Ø 6 T305069
HGP 10-21 GN 380-415V 3N 60HZ    1121325210        2200 RPM             2500 RPM        3000 RPM        5000 RPM      Ø 4.8 T305068




                                                              - 54 -
Blower speed variator
                 T303048




                   Smaint Sturnon Shalfpow. Smax.pow.



0000           800 RPM             1000           2500 RPM
0001          1000 RPM             1001           3000 RPM
0010          1200 RPM             1010           3500 RPM
0011          1400 RPM             1011           4000 RPM
0100          1600 RPM             1100           4500 RPM
0101          1800 RPM             1101           5000 RPM
0110          2000 RPM             1110           5500 RPM
0111          2200 RPM             1111           6000 RPM

       Speeds depending on the position of the speed
                   variators selectors




                          - 55 -
11.- TRANSFORMATION TO DIFFERENT TYPES OF GAS
To change the oven to a type of gas different to the one it was manufactured for, the
following steps should be taken:
We have to change the nozzle in the convection blower and fit another corresponding to
the new type of gas (refer to the previous table). Loosen the three screws that join the
gas valve and the mixer and extract the nozzle and the joint fitted with it.
First insert the joint, previously taken out followed by the new nozzle. It is important to
carry this out in this sequence, as on the contrary it would be extremely difficult to insert
the joint.
Fasten the three screws loosened previously.




                                                                            Screws (3)




Detail screws to access to the convection injector




                     1
                                                                                2




                                                                 3




                                            - 56 -
Detail Convection injector place in the convection gas valve




                                                           Injector position on
                                                           convection gas valve




                                               Detail Convection system
                                               injector




Once the nozzle has been changed, change the position of the Speed maint., Speed
medium power, and Speed max.power of the speed variator according to the previous
tables.
Replace the steam generator's 12 burner injectors.




                                          Injector




                                          - 57 -
Steam generator burner in detail




                                                          Change gas injectors in
                                                          steam generator, 12 units



                                                   Loosen fastening screws


                                             4




                                                   Change gas injectors in
                                                   steam generator 12




         TYPE OF GAS               Ø NOZZLE               REFERENCE

       BUTANE PROPANE                 0.70                  Z955899

        NATURAL GAS                   1.10                  Z956104
        NATURAL GAS
         AUSTRALIA                     1.2                  Z956109


              Table of nozzles for the generator burner
                                      - 58 -
12.- VOLTAGE TRANSFORMATION

       To change the oven from 380 V to three phase 220 V, the following steps should
be followed:
        1 Change the electrical connections that the oven has in the main entry strip. The
following diagram for 220 V is described depending on whether it is a gas oven or an
electric oven.
      2 Replace the turbines motors with the following ones.



Gas oven
1                                                  2




               am       n m g                            Replace the turbine motor with
                                                         Reference no. T323023
               /ve      a



                        R S T


Electric oven
1º                     2       2                   2º




            am        n m g
            /ve                                         Replace the turbine motor with motor
                                                        Reference no. T323023


                      R S T


                                          - 59 -
MANUEL TECHNIQUE

FOURS À GAZ HGC, HGV ET HGP

           10/21




                        Novembre 2004


            -1-
SOMMAIRE                                 PAGE


1.- MODÈLES ET DIMENSIONS                    3

2.- CARACTÉRISTIQUES TECHNIQUES              5

3.- PANNEAU DE COMMANDES                     6

4.- SCHÉMAS FONCTIONNELS                     9

5.- COMPOSANTS                              12

6.- SCHÉMA ÉLECTRIQUE ET DE MONTAGE         23

7.- INFORMATIONS GÉNÉRALES SUR L'UTILISATION ET
FONCTIONS AUXILIAIRES                       28

8.- SÉQUENCES DES ÉVÈNEMENTS                43

9.- DÉFAILLANCES                            46

10.- PARAMÈTRES ET RÉGULATIONS              53

11.- TRANSFORMATION EN DIFFÉRENTS GAZ       56

12.- TRANSFORMATION DE LA TENSION           58




                        -2-
1.- MODÈLES ET DIMENSIONS

                                                     FOUR HGC

                                                                                     120




                                                              1479
                                                                     1173




                                          1330
                                                                                     992




                               605
                   440
                                           130




                   395
                                     73




                           2
                                                 5
        476
  576




                                                                            1 = Arrivée eau douce RG ¾”
 706




                                            3
775




                                                                            2 = Vidange générale RG1”
                   1
                                                                            3 = Sortie de fumées Ø 120
                       6
                                                                            4 = Raccord entrée alimentation
                       4
                                                                     1755




                                                                               électrique
                                                                            5 = Bouchon nettoyage vidange
              50
              60                                                            6 = Arrivée gaz RG¾”
          120




                                                        -3-
FOUR HGV ET HGP

                                                                              150




                                                              1573
                                                                     1173
                                    1330                                             992




                          605
                        395
              185
                                           130
                                      73
        193




                            2
                                             5
  576




                                3
 706
775




                                                                        1 = Arrivée eau douce RG ¾”
                    1                                                   2 = Vidange générale RG1”
                    6                                                   3 = Sortie de fumées Ø 120
                                                       1755




                        4
                                                                        4 = Raccord entrée alimentation
         50                                                                électrique
         60
        120                                                             5 = Bouchon nettoyage vidange
                                                                        6 = Arrivée gaz RG ¾”




                                                 -4-
2.- CARACTÉRISTIQUES TECHNIQUES




                  MODÈLE                            HGC-10/21   HGV-10/21        HGP-10/21

                         Largeur X                    1330         1330           1330
                         Profondeur Y                  992          992            992
 DIMENSIONS              Hauteur sans                 1173         1173
                    mm                                                            1173
EXTÉRIEURES              cheminée W
                         Hauteur avec                 1479         1573
                                                                                  1573
                         cheminée Z
Poids net (kg)                                       250 kg       278 kg         283 kg
Puissance électrique kW                              1,2 kW       1,2 kW         1,3 kW
                                      Section
                                                                 3X 1,5 + T
                                       Câble
   Tension      230 V 50-60 Fusible Int.
                                                                    10 A
alimentation      3~       Hz        Général
                                    Dispositif
                                                                   30 mA
                                   Différentiel
                                      Section
                                                                3X 1,5 + N + T
                                       Câble
                 380
   Tension                50-60 Fusible Int.
                415 V                                               10 A
alimentation               Hz        Général
                  3~
                                    Dispositif
                                                                   30 mA
                                   Différentiel
                          kcal/h (Hs)                24 100        42 160         42 160
  Puissance
                           BTU (Hs)                  95 600       167 300        167 300
      gaz
                           kW (Hi)                      28            49             49
                 kg/h (29 mb) Butane (G-30)           2,331         4,079          4,079
                 kg/h (37 mb) Propane (G-31)          2,296         4,017          4,017
Consomma-
                 m3/h (20 mb) Gaz naturel (G-
     tions                                            2,963        5,185          5,185
                              20)
 nominales        3
                 m /h (25 mb) Gaz naturel (G-
                                                      3,078        5,540          5,540
                              25)
   Nombre                   GN 2-1                                  10
                                                       10                          10
    grilles
         Poids maximum de charge kg                    100         100             100
 Consommation d'eau estimée (litres/heure)              -           75             75
         Pression arrivée d'eau kg/cm                              0,5 ÷ 8




                                              -5-
3.- PANNEAU DE COMMANDES     FOUR HGC


                            1    Sélecteur de mode

                            2    Position four déconnecté

                            7    Indicateur mode air chaud




                            8    Sélecteur température chambre

                            9    Écran sélection température chambre

                            10   Écran température réelle chambre

                            11   Sélecteur temps

                            12   Écran sélection temps

                            13   Indicateur temps restant




                            18   Sélecteur puissance vitesse

                            19   Position puissance max. vitesse max.

                            20   Position puissance moyenne vitesse

                            21   Position puissance moyenne vitesse max.




                            25   Indicateur refroidissement

                            26   Bouton-poussoir refroidissement



                            28   Indicateur brûleur chambre bloqué

                            29   Bouton-poussoir déblocage brûleurs

                            30   Bouton-poussoir humidificateur

                      -6-
FOUR HGV


         1    Sélecteur de mode

         2    Position four déconnecté

         3    Indicateur mode vapeur

         4    Indicateur mode vapeur réglable

         5    Indicateur mode régénération

         6    Indicateur mode mixte

         7    Indicateur mode air chaud

         8    Sélecteur température chambre

         9    Écran sélection température chambre

         10   Écran température réelle chambre

         11   Sélecteur temps/température coeur

         12   Écran sélection temps/température coeur

         13   Indicateur temps restant/température réelle à coeur

         14   Sélecteur fonction : temps/température coeur/delta

         15   Indicateur fonction : temps

         16   Indicateur fonction : température coeur

         17   Indicateur fonction : delta

         18   Sélecteur puissance vitesse

         19   Position puissance max. vitesse max.

         20   Position puissance moyenne vitesse moyenne

         21   Position puissance moyenne vitesse max.

         22   Indicateur de tartre

         23   Indicateur détartrage

         24   Bouton-poussoir détartrage

         25   Indicateur refroidissement

         26   Bouton-poussoir refroidissement

         27   Indicateur brûleur vapeur bloqué

         28   Indicateur brûleur chambre bloqué

         29   Bouton-poussoir déblocage brûleurs

         30   Bouton-poussoir humidificateur


   -7-
FOUR HGP

     0        Interrupteur ON/OFF


         1    Sélecteur de mode


     31       Écran contrôle de l'humidité


     32       Augmentation de l'humidité


     33       Diminution de l'humidité




         18   Sélecteur puissance vitesse

         34   Écran mode programmation

         35   Bouton-poussoir Allumer/Validation


         36   Bouton-poussoir étape précédente

         37   Bouton-poussoir déplacement menu

         38   Bouton-poussoir déplacement menu

         39   Bouton-poussoir montrer

         40   Bouton-poussoir Programmer/Modifier




   -8-
4.- SCHÉMAS FONCTIONNELS


                            FOURS HGC


                 Tc   TSC




                                        C.E.C= CONTROL COMBUSTION CAMARA
                                        GV1, GV2= ELECTROVALVULA GAS CAMARA
                                        M= MOTOR TURBINA
                                        Tc= SONDA CAMARA
                 M                      TSC= TERMOSTATO SEGURIDAD CAMARA
GV1, GV2
                                        VC= VENTILADOR SOPLANTE
 C.E.C      VC                          VHM= ELECTROVALVULA HUMIDIFICADOR




   VHM




                                -9-
FOURS HGV
                                        Tc    TSC      Tn
                             M1



                                                            C.E.C= CONTROL COMBUSTION CAMARA
                                                            C.E.V= CONTROL COMBUSTION CALDERA
                                                            DN= DETECTOR NIVEL CALDERA
                                                            GV1, GV2= ELECTROVALVULA GAS CAMARA
                                                            GV3, GV4= ELECTROVALVULA GAS CALDERA
                                                            M= MOTOR TURBINA
                                                            M1= MOTOR CHIMENEA
                                                            Tc= SONDA CAMARA

      DN                            M                       Tg= SONDA CALDERA
                       TSV                                  Tn= SONDA NUCLEO
           Tg                                               TSC= TERMOSTATO SEGURIDAD CAMARA
                                   VC                       TSV= TERMOSTATO SEGURIDAD CALDERA
                                                            VAC= BOMBA VACIADO
                                                            VC= VENTILADOR SOPLANTE
VCN                                                         VCN= ELECTROVALVULA CONDENSACION
                                                            VDV= ELECTROVALVULA LLENADO CALDERA
VHM                                                         VHM= ELECTROVALVULA HUMIDIFICADOR




                 VDV
       C.E.V                 VAC
                                        GV1, GV2
      GV3, GV4                           C.E.C




                                              - 10 -
FOUR HGP




                                                    Tc       TSC   Tn
                                         M1

                                                                        C.E.C= CONTROL COMBUSTION CAMARA
                                                                        C.E.V= CONTROL COMBUSTION CALDERA
                                                                        DN= DETECTOR NIVEL CALDERA
                                                                        GV1, GV2= ELECTROVALVULA GAS CAMARA
                                                                        GV3, GV4= ELECTROVALVULA GAS CALDERA
                                                                        M=   MOTOR TURBINA
                                                                        M1= MOTOR CHIMENEA
                                                                        Tc= SONDA CAMARA
                                                                        Tg= SONDA CALDERA
                                                                        Tn= SONDA NUCLEO
                  DN                            M                       TSC= TERMOSTATO SEGURIDAD CAMARA
                                   TSV
                                                                        TSV= TERMOSTATO SEGURIDAD CALDERA
                       Tg                                               VAC= BOMBA VACIADO
                                               VC
                                                                        VC= VENTILADOR SOPLANTE
                                                                        VCN= ELECTROVALVULA CONDENSACION
                                                                        VDV= ELECTROVALVULA LLENADO CALDERA
            VCN
                                                                        VHM= ELECTROVALVULA HUMIDIFICADOR
                                                                        B.L= BOMBA DE LAVADO
            VHM                                                         V.L=VALVULA LAVADO




                   C.E.V                 VAC
                             VDV
                  GV3, GV4
B.L                                                 GV1, GV2
                                                     C.E.C
      V.L




                                                    - 11 -
5.- COMPOSANTS                                      Brûleur
                                                                    convection
                                       3 m
                                        -4m




                                                           5-6 mm



                                  BE


                                                            BD




                       Le joint de brûleur ne doit pas coïncider avec
                       la position de BE et BD.




 Vanne de gaz
                                                                                 Soufflante




Contrôle d'allumage




                                                  - 12 -
-12-




Soufflante complète HGV
                                                    Bougie d'allumage


   Détecteur de
   flamme




                          Soufflante complète HGV
                                     - 13 -
Détecteur de              Bougie
                                                               flamme                d'allumage




                                                                           Détail brûleur
                     Brûleur générateur                                 générateur de vapeur
                         de vapeur




   Dispositif lent
allumage (cacheté)



 Pression sortie




  Pression arrivée




                          Vanne de gaz + Contrôle d'allumage du générateur de
                                                vapeur




                                               - 14 -
Moteur cheminée


Microrupteurs




                                                          Haut cheminée
                     Mécanisme cheminée




           Limiteur température chambre             Limiteur de température du
                      Tº 360 ºC                        générateur de vapeur
                        TSC                                  Tº 150 ºC
                                                               TSV
                                          - 15 -
Générateur + Récipient de niveaux




                     Vidange           Remplissage       Condensation   Douche   Humidificateur
                                       générateur          + lavage




Aspiration




             Pompe de vidange                                 Électrovannes
                générateur


                                                - 16 -
FOURS HGC - HEI




 I1 I2 I3




                              Contrôleur
                               T353003




I1=0        Électrique
I1=1        Gaz
I2=0        ºC
I2=1        ºF
                                             INTERRUPTEURS CARTE DE
I3=0        N’étalonne pas                         CONTRÔLE

I3=1        Étalonne




                                    - 17 -
FOURS HGV - HGP - HEM - HEP




                            Contrôleur
                             T303005                    I1 I2 I3 I4




I1 = 0   Électrique
I1 = 1   Gaz
I2 = 0   Sans contrôle de l'humidité
I2 = 1   Avec contrôle de l'humidité
                                            INTERRUPTEURS CARTE DE
I3 = 0   ºC                                       CONTRÔLE

I3 = 1   ºF
I4 = 0   N'étalonne pas
I4 = 1   Étalonne

                               - 18 -
Variateur vitesse soufflante
                     T303048




       Ventret.    Vallumage Vmoy. puis. Vmax. puis.


0000              800 tr/mn.            1000        2 500 tr/mn.
0001           1 000 tr/mn.             1001        3 000 tr/mn.
0010           1 200 tr/mn.             1010        3500 tr/mn.
0011           1 400 tr/mn.             1011        4 000 tr/mn.
0100           1 600 tr/mn.             1100        4 500 tr/mn.
0101           1 800 tr/mn.             1101        5 000 tr/mn.
0110           2 000 tr/mn.             1110        5 500 tr/mn.
0111           2 200 tr/mn.             1111        6 000 tr/mn.

       Vitesses suivant position des sélecteurs du variateur
                            DE vitesse.
                               - 19 -
Vanne        Microrupteur       Moteur
                                                                     s vanne

               Arrivée eau

                                   Sortie vers
                                    vidange


Sortie vers
pompe de
  lavage



                                          Support
                                          microru
               Vanne lavage
                                                                                    Condensateur
                                                              Vanne + moteur          moteur



                              Impulsion




  Aspiration




                                     Pompe lavage
                                                                    Condensateur 2,5 µF
                                             - 20 -
VUE ÉCLATÉE BRÛLEUR COMPLET FOUR HGC


                                    4
                                                                                  6


                  3
                                                            5

                  2




     1                                                                             7


16
                               1
                               0        8



         1
         5
                                                                 9
                                                            16    ELECTROD DETEC 6/101/102 GAS     1              T115712000
                                                            15    QUEMADOR FURIGAS 10-11/10-21     1              T115710000
                                                            14    TAPA PRINCIPAL                   1              T115782000
                               11                           13    VISOR DE ENCENDIDO               1              R725015000
             14           1
                          2                                 12    BOQUILLA TOMA PRESION            1              R725017000
                      1
                      3                                     11    JUNTA TAPA PRINCIPAL             1   HB-71961   T305041000
                                                            10*   VENTURI 45.900.446.052           1              T303040000
                                                             9    MANGUITO DOBLE 1/2               1              S205023000
                                                             8    TOBERA VK41 D4.8                 1   HB-73113   T305068000
                                                            7*    VALVULA VK 4115 V 1121           1              T303017000
                                                             6    CONTROL DE ENCENDIDO HONEYWELL   1   HC-76510   T303013000
                                                             5    JUNTA VENTURI 24x15.5            1              T303046000
                                                             4    VENTILADOR RG-130                1   HB-73153   T303016000
                                                             3    JUNTA VENTILADOR                 1   HB-71962   T305042000
                                                             2    CONDUC. TAPA PRINCIPAL COMP.     1   HB-72985   T345000000
                                                             1    ELECTRODO IGNICION 10/11-10/     1              T115781000



                                                   - 21 -
                                            -21-
VUE ÉCLATÉE BRÛLEUR COMPLET FOUR HGV ET HGP




                                   4                                                5




                  3


         2

     1

                                                                                               6



                                                                                           7
                                                8




                                                             10                      9
16



                                                                  16    ELECTRODO IGNICION 10/11-10/     1              T115781000
                                                                  15    JUNTA TAPA PRINCIPAL             1   HB-71961   T305041000
                                                                  14    CONDUC. TAPA PRINCIPAL COMPL     1   HC-75810   T305035000
                                                                  13    JUNTA VENTILADOR                 1   HB-71962   T305042000
                                                                  12    BOQUILLA TOMA PRESION            1              R725017000
                                                        11        11    VISOR DE ENCENDIDO               1              R725015000
                                                                  10*   VALVULA VK 4115 V 1121           1              T303017000

             15                                 12                 9    MANGUITO DOBLE 1/2               1              S205023000
                                                                  8*    VENTURI 45.900.446.052           1              T303040000
                                                                   7    JUNTA VENTURI 24x15.5            1              T303046000
                                          13                       6    TOBERA VK41 D4.8                 1   HB-73113   T305068000
                                                                   5    CONTROL DE ENCENDIDO HONEYWELL   1   HC-76510   T303013000
                  14                                               4    VENTILADOR RG-130                1   HB-73153   T303016000
                                                                   3    TAPA PRINCIPAL                   1              T115782000
                                                                   2    QUEMADOR FURIGAS 10-11/10-21     1              T115710000
                                       -22-    - 22 -              1    ELECTROD DETEC 6/101/102 GAS     1              T115712000
6.- SCHÉMA THÉORIQUE ÉLECTRIQUE FOURS HGC



HGC 10 / 11                                                     HGC                               10 / 2 1                                                              R S 4 RS 3 C E V CE C RS 2 RS 1   R   IH
                                                                                                                                                                               vi a m                     g   m

                                                                                                                                                                                                                                                                     n              G ND

3                 400V                                                                  12                                                                                                                             C .T .
                                                                                                                                                                                                                                                                    am
                                                                                                                                                                                                                                                                     b
                                                                                                                                                                                                                                                                                    Lc old
                                                                                                                                                                                                                                                                                    Ic old
                                                                                                                                                                                                                                                                                    L des
                                                                                        11 Vv2                                                                                                                                                                                       Ide s
                                                                           rs
                                   M
                                                                                                                                                                                                                                                                                    L dc
                                                                     C                  10                                                                                                                                                                          g               + 12
                                                                           am              Vv1
                                                                                         9
                                                                                         8   +V   m1                    5   m               a
                                                                   m                                                    4   a  1
                                                                                         7  GND   n2
                                                                                                                                            r
    3             3a           4                        m        A vi                    6  PWM am 3                    3      2
                               a                              B     g                                                   2   am 3              am/ve
    vi            ve                   am          9a                                    5   HALL a 4
                                                                   rs                                                                                                                                                                                                         CN5
          b       8 na                                                                                                  1   n                                                                                                                                                                    le ds
    2                          5       6                    C                            4
          1          7                                          am/ve                    3
                                                   Ic              a
         2a         8a                    Ic                                             2    Vv                                                                                                                                                                             CN 4            HA CC P

         n          m                               9 r            r                                                        VC
                                   6a                                                    1
                                   g                                                                                                                  r                                                                                                                      CN10
                                                                                                                                                                                                                                                                                             PR G

                                                                                                                                                          a
              CMD                  CM I                                                                                                                                                                                                                                      CN7             T em pe r


                                                                                                                                                                                                                                                                             CN2                 m in


                   n                                                                                                                                                                                                                                                                                        Tc
              m                                                                                                                                                                                                                                                                          +
                                                                                                                                                                                                     C .E .G
                               R                                                                                                                                                                                                                                                                   K
                                                            0                                                                      2                                                                                                                                                     -
          g
                                   N                                                     Modo                IG          1
                                                                                                                        1a         2a
                                                                                                                                                                                                                                                      C N 12
                                                                                                                                                                                                                                                                                         +
                                                                                                                                                                                                                                                                                         -
                                                                                I                                                                                                                                                                                                                           2 k2
                           a                                                                      0                                                                                                                                                       C N 13                                            10 k
    F                                                                                             I
         R S T         N                                                                                                                                                                                                                                                     rs     Ip
                                                                                                                                                                                                                                                                                                                Ip
                                                                                                                                                                                                                                                                             rs     Ip
                                                                                                                                                                                                                                                                             g   +1 2
                                                                                          4                    7   8   9 10                                                                                                                                                  a m Lc old
                                                            Ic    1        2   3              5           6                                                                                                                                                C N1
                                                                                                                                                                                                                                                                             b   Ico ld
                                                                 1a        2a 3a          4a 5a           6 a 7a   8a 9 a 1 0 a                                                                                                                                              n    g nd
                                                                                                                                                                                                                                                                             na   12                     12 V
                                                                                                                                                                       CN8                                                      C N1 1
                                                                                                                                                                                                                                                                             m     0                      0V
                                                                                                                                                                                 b vi                                  a       g n rs       vi b                             vi   12                     12V

                                                                                                                                                                          C                                                           C C
                                                                                                                                                                      M M R R R                                        N        C C C M
                                                                                                                                                      r                                                                    R            M
                                                                                                                                                                      s b 2 1 1                                                 M C V I D
                                                                     IG                                                                                   a                                                        a
3             220V                             R
                                                            g                       m    FI           r            rs                   g                         g                                                        g
                                                                 2        2a                                  FM            T SC                                                                                                                  b
                                                                                                                                                                                                                                      rs
                                                                                                                            r TRF                                                                                                            vi
              M                                                                                                                         b                                                                                        C
                                                                                                                                                                                                                                      10
                                                                                                                                                 Lz
                                                                                                                                    am                                                                                                V v1
                   n                                                                                                                                                                                                                                                                                            vi       b
              m                                                                                                                                12 V                                                                                   9
                                                                                                                                        na
    g                                                                                                                                                                                                                                  am         C .E .C .         vi                                          C MD      C MI
                                                                                                                                        m                                                                                                                                                                                              m
                                                                                                                                               0V                                                                                    12 11 10 9       8     7   6        5   4       3       2      1           vi       b
F
                                                                                                                                                                                                                                                                                                           C MI        C MD      V HM
         R S T         N                                                                          VE        VE                          vi                                                                                                                                                       BEC
                                                                     IG                                                                        12 V                                                                                        G V1            g        vi
                                                            a                            FI                                                                                                                                                G V2       B         A                                DE C
                                               N                                    ve        a                                                               a                                                                                                                                                           a
                                                                 1        1a
                                                                                                                                                      - 23 -                                                                                                                                                           T3 430 0300 0
                                                                                                                                                                                                                                                          H C -770 81
                                                                                                                                               -23-
PLAN MONTAGE FOURS HGC



                                                                                                                                                                                                                                                                                                                               VE                                                                                                                                                                                             T SC                                                        3~ 50H z 220V
                                                                                                                                                                                                                                                                                                                            Z-1030 66



                                                                                                                                                                                                                                                                                                               n
                                                                                                                                                                                                                                                                                                                    a                                                                                                                                                                                                          TC

                                                                                                                                                                                                                                                                                                                                                                                                                                                                      g                 a

                                                                                                                                                                                                                                                                                                                                                                    1




                                                                                                                                                                                                                                                                                                                                                                                                                                                                      2a

                                                                                                                                                                                                                                                                                                                                                                                                                                                                                   1a
                                                                                                                                                                                                                                                                                                                                                                                                                                                                                                                           IG
                                                                                                                                                                                                                                                                   1 80
                                                                                                                                                                                                                                                                                                                                                                                                                                                                                                                       T -343 008
                                                                                                                                                                                             1                                 1                              1                                                                         1
                                                                                                                                                                                                                                                                                                                                                                                                                                                                      m            ve
                                                                                                                                                                                                                                                                                                                                                                                                                                                                                                                           C .L
                                                                                                                                                                                                                                                                                                                                                                                                                                                                                                                       T -3 03018                                                            am      n m g




                                                                                                                                                                                                                                                                                                                                                                                                                                                                      2


                                                                                                                                                                                                                                                                                                                                                                                                                                                                                       1
                                                                                                                                                                                                                                                                                                                                                                                                                                                                                            n                                                                                                /v e    a
                                                                                                                                                                                                                                                                                                                                                                                                                                                                      na


                                                                                                                                                                                                                   n m g vi             b     n m g                b    vi
                                                                                                                                                                                                                                                                                                                                                                                                                                                                      8                                                                                                                              R S     T
                                                                                                                                                                                                                   1    3      5 N C A1        1       3 5 N C A1 1                       3    5         A1
                                                                                                                                                                                       na        rs
                                                                                                                                                                                                                       Z-7430 09                     Z -74 3009
                                                                                                                                                                                                                                                                                                                                                                                                                                                                      8
                                                                                                                                                                                                                            C MD                            C MI
                                                                                                                                                                                                                   2    4      6 N C A2        2        4     6 N C A2            2       4    6         A2
                                                                                                                                                                                         TS C                      n m g           vi a       n m g                b    a                                                                                                                                                                                             8                                  8                   8
                                                                                                                                                                                      T -30 3009

                                                                                                                                                                                                                                                                                                                                                                    1
                                                                                                                                                                                                                                                                                                                                                                                                                                                                                                                                        n

                                                                                                                                                                                                                                                                                                                                                                                                                               C.E .
                                                                                                                                                                                                                                                                                              180                                                                                                                                                                                                                                      na                                                  1 T -3 4300 2
                                                                                                                                                                                                                                                                                                                                                                                                                                                                                                                             CN 5
                                                                                                                                                                           1                                                   1                              1                                          1                              1
                                                                                                                                                                                                                                                                                                                                                                                                                                                                                                                                               l ed s                                      2 T -3 0303 3




                                                                                                                                                                                                                                                                                                                                            510
                                                                   gris                                                                                                                                                                                                               2                                             2                                                                                                                                                                                                                                                      3 T -3 0303 4
                                                                                                                                                                                                                                                                       2
                                               negro
                                                                                                                                                                                                                                                                                                                                                                                                                                                                                                                                                                                           4 T -3 0303 5
                                                                             blanco
                                                                                                                          M
                                                                                                                                                                                                                                                                                                                                                                                                                                                                                                                                   CN 4      H A CC P
                                                                                                                                                                                                                                                                                                                                                                    1                                                                                                                                                                                                                      5 T -3 0303 6
                                              mar ron                        amarillo
                                                                                                                                                                                                                                                                                                                                                                                                                                                      SW 3
                                                                                                                                                                                                                                                                                                                                                                                                                                                                                                                                                                                           7 T -3 0302 2
                                                  az ul                      rojo                                                                                                                                                                                                                                                                                                                                                  I ca l
                                                                                                                                                                                                                                                                                                                                                                                                                                                  I   3 2 1
                                                                                                                                                                                                                                                                                                                                                                                                                                                                                                                                   C N 10
                                                                                                                                                                                                                                                                                                                                                                                                                                                                                                                                             P RG                                          8 T -3 4300 6
                                                                                                                                                                                 Vv          T-303048                                                                                                                                                                                                                                                                                                                                                                                      9 T -3 0302 9
                                                                                                                                                                                                                                                                                                                                                                                                                                                       ON                                                                               r
                                                          gris                                                                                                                          J1                   D21                                                       J2                                                                                                                                                                                                                                                   C N7       m     T em p e r       7                          1 0 T -3 0303 1
                                                                                                                                                                                                                                                                                                                                                                                                                                                                                                                                       n
                                                                                                                                                                                                                            S1     S2         S3        S4
                                                                                                                                                                                                                                                                                                         a              r                                                                                                                                                                                                               r                                                1 1 T -3 0303 7
                                                                                                                                                                               VF2                na                                                                                                                                                                                                                                                                                                                        C N2       m        m in      7                       E sque ma teo rico T -3430 03
                                                                                                                                                                               VF 2               na
                                                                                                                                                                                                             D20                                              m                                                                                                                                                                                                                                                                        n

                                                                                                                                                                                                                                                              n                                                                                                                                                                                                                                                                                                                   L eyend a           T -3 0304 2
                                                                                                                                                                               VF 1               rs                                                                                                                                                                1
                                                                                                                                                                                                  am                                                         am                                                                                                                                                                                                                                                T -323024
                                                                                                                                                                                                                                                                                                                                                                                                                                                                                                                                            + Tc                                  I ndicado r c omp . T -30 3043




                                                                                                                                                                                                                                                                                                                        T -113023
                                                                                                                                                                               VF 1
                                                                                                                                                                                                                                                                                                                                    2                                                                                                                                                                                                       -




                                                                                                                                                                                                                                                                                                             LOAD
                                                                                                                                                                                                                                                              a
                                                                                                                                                                                -
                                                                                                                                                                                                                       S1/S2        r.p .m.    Hz.                                                                                                                                                          Controlador HMI-2003                                                                                C N1 2
                                                                                                                                                                               MP                 m
                                                                                                                                                                               GV                 vi
                                                                                                                                                                                                                        0000
                                                                                                                                                                                                                        0001
                                                                                                                                                                                                                                     800
                                                                                                                                                                                                                                     1000       33
                                                                                                                                                                                                                                                   27
                                                                                                                                                                                                                                                                                                                                                                    1                                            T353003000
                                                                                                                                                                               GV                 g                     0010         1200       40                                                                                                                                                                                                                                                                  2k 2
                                                                                                                                                                                                                                                                        D19




                                                                                                                                                                                                                                                                                                             LINE
                                                                                                                                                                                                                        0011         1400       47

                                                                                                                                                                                CC                rs                    0100         1600       53
                                                                                                                                                                                                                                                                                                                                        1                                                                                                                                                                                                   CN13




                                                                                                                                                                                                                                                                                                                        FI
                                                                                                                                                                                                                        0101
                                                                                                                                                                                                                        0110
                                                                                                                                                                                                                                     1800
                                                                                                                                                                                                                                     2000
                                                                                                                                                                                                                                                60
                                                                                                                                                                                                                                                67
                                                                                                                                                                                                                                                                                                                                                                                                                                                                                   T-3 43 007                                                                 7
                                                                                                                                                                                                                                                                            J3
                                                                                                                                                                                N                 a                     0111         2200       73

                                                                                                                                                                                R                 n
                                                                                                                                                                                                                        1000         2500       83
                                                                                                                                                                                                                                                                                                                                                                                                                                                                                                                    10k
                                                                                                                                                                                                                        1001         3000       100
                                                                                                                                                                                                                                                                                                                    m
                                                                                                                         M OTO R                                                                                        1010         3500
                                                                                                                                                                                                                                                117
                                                                                                                                                                                                                                                                                                         ve                                                                                                                                                                                                          C N1      rs     Ip
                                                                                                                      400 V      2 30 V                                                                                 1011         4000       133
                                                                                                                                                                                                                                                                                                                                    2
                                                                                                                                                                                                                        1100         4500       150
                                                                                                                                                                                                                                                                                                                                                                                                                                                                                                                               rs     Ip
                                                                                            XX /21                T -32 3022    T -32 3023                                                                              1101         5000       167

                                                                                                                                                                                                                                                                                               am/ ve                                                                                                                                                                                                                          g   +12




                                                                                                                                                                                                                                                                                                                                                                                                                                                                                                                                                                          n m r
                                                                                                                                                                                                                        1110         5500       183
                                                                                            XX /11                T -67 3065    T -67 3066
                                                                                                                                                                                                                                                                                                                                        1
                                                                                                                                                                                                                        1111                    200
                                                                                                                                                                                                                                                                                                                                                                                                                                                                                                                               a m Lc old
                                                                                                                                                                                                                                     6000
                                                                                                                                                                                                                                                                                                                                                                       1                                                                                                                                       1
                                                                                                                                                                                                                                                                                                                                                                                                                                                                                                                               b   Ico ld
                                                                                                                                                                                                                                                                                                                                                                                                                                                                                                                               n    g nd
                                                                                                                                                                                                                                                                                                                                        1
                                                                                                                                                                                                                                                                                                                                                                                                                                                                                                                               na   12
                                                                                                                                                                           6 M               M           9                                                                                                                                                                                                                                                                                                                     m    0
                                                                                                                                                                                                                                                                                  180
                                                                                                                                                                                                                                                                                                                                                                                                                                                                                                                               vi   12
                                                                                                                                                                                            2                2                                                                                                                                1                     1                                                                                                                   1                                                                 7
                                                                                                                                                                                                                                                                                          1

                                                                                                                                                                                                                                                                                                                                                                                                            b vi CN 8                                  a              g n rs                        vi b CN1 1
                                                                                                                         M
                                                                                                                                                                                         am a n m g                                                           na m m vi b am r a




                                                                                                                                                                                                                                                                                                                                                                                                                                                                                                                                                                  n m r
                                                                                                                                                                                                                                                                                                                                                                                           M        M C     R       R                                                          C       C        C   C C
                                                                                                                                                                                                                                                                                                                                                                                                                                                        N             R
                       3                                                                                                                                                                 /v e                                                                                                                                                                                              s        b R     1       1                                                          M       C        V   M M
                                  4                                                                                                                                                                                                Z-2633 03                  12 0 0 12 12 0 230 0                                                                                                                                                                                                                  I D
                                                                                                                                                                                                                                                                                                                                                                                                      2
                                                                                                                                                                   P-4530 26                                                                                                                                                                                        1
                                      43                         VC        T-3030 16                                                                                                                                                                                                                                                               1
T -303 04 1 G V1                                                                                                                                                                                     N       R S        T
                                                                                                                                                                                                                                                                        TRF




                                                                                                                                                                                                                                                                                                                                                       20
            G V2                                                            n




                                                                                                                                                                                                                                                                                                                                                         0
                                                                            am
                             am                     2                       a                                                                                                                                                                                      R-503005                                                                                                                                     m                                                                               n
                                                                                                                                                                                                                                                                                                                                                                                                                               m                  g                   ve
                           am                                               m                                                                                          Z -26 3302
                           g              3                                                                                                                                                                                                                                                                                                                                                                                                                                                                        IC
                                      4                                                                                                                                                                   R -073 005
                                                                                                                                                                                                                                                                                                                                                                                               A                                                                                                               R -663 026




                                                                                                                                                                                                                                                                                                                                                                                                                                                      5a

                                                                                                                                                                                                                                                                                                                                                                                                                                                                 4a




                                                                                                                                                                                                                                                                                                                                                                                                                                                                                                    1a
                                                                                                                                                                                                                                                                                                                                                                                                                                                                           3a

                                                                                                                                                                                                                                                                                                                                                                                                                                                                                        2a
                                                                                                                                                                                                                                                                                                                                                                                                                9a

                                                                                                                                                                                                                                                                                                                                                                                                                          8a

                                                                                                                                                                                                                                                                                                                                                                                                                                   7a

                                                                                                                                                                                                                                                                                                                                                                                                                                             6a
                            g




                                                                                                                                                                                                                                                                                                                                                                                                      10a
                           vi
                           a                                              am / v e                                                                                                                       Fus ib le 10 A                                                                                                             2 1                             1
                                              1                            r
                                                                           a                                                                                                                              R -723 015
                          C .E .C .       3




                                                                                                                                                                                                                                                                                                                                                                                                      10
                                                                                                                                                                                                                                                                                                                                                                                          A




                                                                                                                                                                                                                                                                                                                                                                                                                9



                                                                                                                                                                                                                                                                                                                                                                                                                                   7

                                                                                                                                                                                                                                                                                                                                                                                                                                             6



                                                                                                                                                                                                                                                                                                                                                                                                                                                                 4

                                                                                                                                                                                                                                                                                                                                                                                                                                                                           3

                                                                                                                                                                                                                                                                                                                                                                                                                                                                                        2

                                                                                                                                                                                                                                                                                                                                                                                                                                                                                                    1
                                                                                                                                                                                                                                                                                                                                                                                                                          8




                                                                                                                                                                                                                                                                                                                                                                                                                                                      5
                     T -30 3013
                                                                                                                                                                                                                                                                                                                                                                                                                                                             a                     vi
                                              1                  am /v e                                                                                                                                                                                                                                                                                                                                        r        ve        na          am                                                   b
                                       4
                                              1 2
                                                                                                                                                                                                                                                                                                                                                                       1                                                                                                           1                                          1
                                          3                                                                                                                                                                                                                                                                                                                    1
                                                                                                                                                                                                                                                                                                                                                                                                                                                                                                                n
                                                                                                                                                                                                                                                                                                                                                                                                                                     L co ld            LS T C                                                 am
                                                                                                                                                                                                                                                                                                                                                                                                                                                                                       vi am             g m    b
                                              1
                                                                                                                                                                                                                                                                                                                                                                                                                                                                                           C .T
                                                                                                                                                                                                                                                                                                                                                                                                                                    Ico ld            RS T                IH           T -30301 9               g




                                                    2                                                                                        2                                                        2                                                                                                                             2
                                                                                                                                                                                                                                                                                                                                                                   1
                                              1                                                           1                            1                                                         1                                                                                                                                      1

                                                                                                              r
                                                                                                      a                                                                                                                                                                                   Z-233 012



                                                                                                                                                                                                                                                                                                                                        1                                                                                   Lz
                                                                                                                                                                                                                                                                                                                                                           1            1
                                                                                                                                                                                                                                                                                                                                                                                                                        T -30 3023

                                                                                                                                                                                                                                                                                                    RC                                                                                                               R -66301 3

                                                                                                                           VE                                                                                                                                                                                                                                                  rs
                                                                                                                                                                                                                                                                                                                                                                   am
                                                                                                                       Z-1 03 066
                                                                                                                                                                                                                                                                            a                                                                                              b
                                                                                                                                                                                                                                                                                                m                                                                                                                           10
            Tornillo M4x20                                                                                                                                                                                                                                                                                                                                                                                                  W
                                                                                                                                                                                                                                                                                                                                                                                               Ip
              Q-081365                                                                Cabl es masa
                                                                                                                                                                                                                                                                             VHM
     Ara ndel a mue lle A4                                                                                                                                                                                                                                                       P-305013          1 l/min Amarillo 20/ 21
                                                                                                                                                                                                                                                                                                                                                                    10
                                                                                     Lengueta macho doble
                                                                                                                                                                                                                                                                                                                                                                                    Z-100522




                                                                                                                                                                                                                                                                                 R-715011          0,5 l/min Rojo 10/21, 20/11                                                                                                 b
       Q-261020                                                                           Q-563004                                                                                                                                                                               R-665041          0,25 l/min Verde 10/11 6/11
                                                                                                                                                                                                                                                                                                                                                                                                                           am
              T uerca M4                                                            Plac a asiento c onexion mas a
                                                                                                                                                            R-073004
              Q -16302 0                                                                  Q-563004
                                                                                                                                                                                                                                                                                                                                                                                                                           10
      Tuerca c uadrada M4                                                               Tue rc a M4                                                                                                                                                                     Z-701135
        Q -22190 1                                                                      Q-163020                                                                                                                                                                                                                                                                    10                  10                                 10
                                                                                                                                           PRE NSAESTOPAS
                                                                                                                                                                                                                                                                                                                                                  - 24 -
                                                                                                                                                                                                                                                                                -24-
SCHÉMA THÉORIQUE ÉLECTRIQUE FOURS HGV ET HGP

HGV 10 / 11                                                                           HGP 10 / 11
HGV 10/21                                                                             HGP 10 / 21                                                                                                                                                                                RS4 RS3 CEV CEC RS2 RS1
                                                                                                                                                                                                                                                                                        vi a m na ve
                                                                                                                                                                                                                                                                                                           R
                                                                                                                                                                                                                                                                                                           m
                                                                                                                                                                                                                                                                                                               IH
                                                                                                                                                                                                                                                                                                               n

                                                                                                                                                                                                                                                                                                                                                               n             GND
                                                                                                                              na               12                                                                                                                                                                                                            am              L cold


                                                                                                                            C
                                                                                                                              na
                                                                                                                                rs
                                                                                                                               am
                                                                                                                                               11 Vv2
                                                                                                                                               10
                                                                                                                                                  Vv1
                                                                                                                                                                                                                                                                                                                      C.T.                                    m
                                                                                                                                                                                                                                                                                                                                                               b
                                                                                                                                                                                                                                                                                                                                                              ve
                                                                                                                                                                                                                                                                                                                                                                              Icold
                                                                                                                                                                                                                                                                                                                                                                             L de s
                                                                                                                                                                                                                                                                                                                                                                              Id es
                                                                                                                                                9                                                                                                                                                                                                              r               L dc
                                                                                                                                                    +V   m1                               5m                                                                                                                                                                   vi              +12
                                                                                                                                                8                                                                  a
    3                 400V                                                                            m
                                                                                                                                      m
                                                                                                                                      vi        7   GND  n2                               4a       1               n
                                                                                                 9a
                                                                                                      Ic
                                                                                                                        B
                                                                                                                                 A

                                                                                                                                     rs
                                                                                                                                       g        6
                                                                                                                                                5
                                                                                                                                                    PWM am 3
                                                                                                                                                    HALL a 4
                                                                                                                                                                                          3
                                                                                                                                                                                          2 am
                                                                                                                                                                                                   2
                                                                                                                                                                                                   3
                                                                                                                                                                                                             am /ve                                                                                                                C.H                               S .H
                                                                                                                   C                            4                                         1n
                                                                                                                                am/ve
                                                                                                                                                3
                                                                                                                                                           Vv
                                                                                                  9n                                  a                                                                                                                                                                                                                                ENCO DER
                                        M                                                                                             n
                                                                                                                                                2                                             VC                                                                                                               PRG                                     LED S
                                                                                                                                                1                                                                                                                                                                                           HA CCP
3                3a           4
vi               ve           a       am
2 b              8 na         5       6
                                                                                                                                                                                                                                                                                                                          C N1 4   C N1 3     CN 4          CN 5       CN 2 C N1 0

   1                7
        2a           8a                 Ic                                                                                                                                                                                                                                                      C MD           b
                                                                                                                                                                                                                                                                                                                          PRG      % HR     H A CC P        l e ds     mi n Te mp er


        n            m            6a                                                                                                                                                                                                                                                            CMI            vi                                       rs                       Ip
                                                                                                                                           b         vi                                                                                                                          Vv 2                                                                                                          Ip
                                  g                                                                                                                                                                                                                                        11              12
                                                                                                                                                                                                                                                                                                CV             na                                       rs                       Ip
                                                                                                                                                               na                                                                                                          9          10
                                                                                                                                                                                                                                                                                                CC             rs                                       na
             CMD                  CMI                                                                                                                                                             ve                                                                            Vv1
                                                                                                                                           CM I     C MD                  C.E .V .                                         am                                                               C                                                           na
                                                                                                                                                                                                                                        C.E .C.        vi                                       CM             n
                                                      O             Modo     IG       1
                                                                                     1a
                                                                                            2
                                                                                            2a                              m              b        vi     1 2 1 1 10 9      8        7   6   5    4    3     2    1     12 1 1 1 0 9     8    7   6        5 4       3   2 1                    R             g                                         vi               Cold
                                                                                                                                                                                                                                                                                                                                                        am               L cold
                  n
             m                R              C             V          OFF                                              VHM               CMD      CM I                                                                                                                                                          a                                       m                 Ico ld
                                                                                                                                                                                                                                                                                                 N
         g                                                           VAPOR                                                                                         GV3           n                                BEV          GV 1            g                          B EC                                                                           g                 D es
                                                                                                                                                                                                                                                       vi
                                                                    REG. VAPOR                                                                                                                                                                                                                             C N7                                          b
                                  N                                                                                                                                GV4                                            DE V         GV 2        B       A                       DEC                                                                                           Ld es
                                             M             RV       REGENERAC.                                              a                                                                  a                                                                                                                                                                          Id es
                                                                                                                                                                                                                                                                                                                                                        ve
                          a
                                                                                                                                                                                                                                                                                                                      C.E.G.
                                                      RG             MIXTO                                         n                                                                                                                                                                                                                                      r                L dc
F                                                                   CONVECCION                                                                                                                                                                                                                                                                           r                 Ldc
                                                                                                                                     r                                               rs                                        vi                                 g
                                                                                                                                                                                                                                                                                                                                                        CN3
        R S T N                                                                                                                                                         FM                             TSC                                                  TSV

                                                                                                                                                                                                                                                                                                Mc              ve                                      m
                                                                                                                                                   ve                                                                                                                                            Ma             b                                        n                                      PF
                                                                                                                                                               b                                                                                                                                MBA                                                     na
                                                                     4                                                                                                                                                                                                                                          vi
                                                 Ic    1   2    3        5   6   7         8   9 10                                                                              vi
                                                                                                                                                                                                                                                                                                V Cnd            rs                                    CN1 7
                                                      1a   2a 3 a    4a 5a   6a 7a         8a 9a 10a
                                                                                                                                                                                                                                                                                                V Vac           na
                                                                                                                                                                                                                           na                                                                                                                                                         +
                                                                                                                                                                                                                                                                                                  K             am
                                                                                                                                                                                                                                                                                                                                                                      Tc              -
                                                                                                                                                                                                                                                                                                VDV              n
                                                                                                                                                                             C                          rs                                                                 n                                                                                                          +
                                                                                                                                                                                                                                                                                                R32             m
                                                                                                                                                  Mb Ms                                                                                                                                                          g                                                    Tv              -
                                                                                                                                                                                                   VCN                  VA C                                          V DV                      R3 2
                                                                                                                                                                         MB A                                                                                                                                                                                                         +
                                                                                                                                                          M1                                                                                                                                                   CN9                                                     Tn
                                                                                                                                                          M2                                                                                                                                                                                                                          -
                                                                                     R32                                                                                                                                                                                                                                                                                              +
                                                                                                                        a                                                                                                                                                                                                                                              Tg             -
                                                                                     IG
3            220V                                           R
                                                                       g                          m
                                                                                                      FI
                                                                                                           r                          r                                                                                                                                                                                                                CN1 5

                                                                                 2         2a                                                                                                                                                                                                   R31                  a
                                                                                                                                                                    n
                                                                                                                                                                                                                                                                                                R31                  ve
                                                                                                                                                                                                                                            b          Lz                                                                                               n            GND(12V )
             M                                                                                                                                                                                                                             am
                                                                                                                                                                                                                                                                                                 R1                   b
                                                                                                                                                                                                                                                                                                 R1                  vi                                                  0
                                                                                                                                                                                                                                                                                                                                                                          x
                                                                                                                                                                                                                                                   12                                           C R2
                 n                                                                                                                                                                                                                         na                                                    Mb                  m                                                   12
             m                                                                                                                                                                                                                                                                                                                                         am               Co m
                                                                                                                                                                                                                                              m                                                  Ms                  r
    g                                                                                                                                                                                                                                              0                                                                                                   ve                m in
                                                                                                                                                                                                                                                                                                                    CN8                                 g               M ax
                                                                                                                                                                                                                                                                                                                                                       na                 12              12
F                                                                                                                                                                                                                                             vi 12                        Mb Ms                                                                        m                   0              0
                                                                                     R31
        R S T                                                                                                                                                                                                                                                                                                                                           vi                 12             12
                                                                                                                                                                                           VE          VE                                                                         M1
                                                                                     IG                                                                                                                                                                                                                                                                CN1

                                                            N         a                          ve
                                                                                                      FI
                                                                                                               a                                                                                                                    a                                                                                                                                       J1
                                                                                                                                                                                                                                                                                                                                                                                               DN
                                                                                 1        1a

                                                                                                                                                                                              - 25 -
PLAN MONTAGE FOURS HGV ET HGP


                                                                                                                                                                                                                                                                      VE
                                                                                                                                                                                                                                                                                                                                                                                                                                                                                                                                                                             % HR
                                                                                                                                                                   T SC                                                                                            Z-103 066                                                               IL                                                                                                                                                                                                                                                                           T SC                       3 ~50 Hz 22 0V
                                                                                                                                                                T -303 009                                                                                                                                                                                                                                                                                                  m n n a am
                                                                                                                                                                                                                                                                                                                                                                                                                                                                                                               C .H
                                                                                                                                                                                                                                                                                                                                                                                                                                                                                                                                                        m n n a am

                                                                                                                                                                                  1         2                                                                                                                                                                                                                                                                                                              T -3 2301 3
                                                                                                                                                                                  rs            vi                                                                                                                                                                                                                                                                                                                                                                                                                      TN
                                                                                                                                                                                                                                                          n                                                                                                                                                                                             9
                                                                                                                                                                                                                                                                                                                                                                                                                                            9
                                                                                                                                                                                                                                                               a                               200
                                                                                                                                                                                            1                                   1                                   1         1                                                                1                                                                                                                                                                                                                                                                        TC
                                                                                                                                                                                                                                                                                                                                                                                                                                            9
                                                                                                                                                                                                                                                                                                                                                                                                                                                                                                                                               g                                 a

                                                                                                                                                                                                                                                                                                                                                                                                                                                                                                                                      m
                                                                                                                                                                                                                                                                                                                                                                                                                                                1




                                                                                                                                                                                                                                                                                                                                                                                                                                                                                                                                           4a

                                                                                                                                                                                                                                                                                                                                                                                                                                                                                                                                                        3a

                                                                                                                                                                                                                                                                                                                                                                                                                                                                                                                                                                  2a

                                                                                                                                                                                                                                                                                                                                                                                                                                                                                                                                                                            1a
                                                                                                                                                                                                                                                                                                                                                                                                                                                                                                                                      n                                                                         IG
                                                                                                                                                                                                                                                                                                                                                                                                                                        6                                                      6                                       -                                                                     T-303 004
                                                                                                                                                                                                                g      m n           vi     b         n m g              b    vi                                                                                                                                                                                                                                                      na
                                                                                                                                                                                                                                                                                                                                                                                                                                                                                   PF                                                                                       ve
                                                                                                                                                                       g                                         1      3 5 N C A1 1 3 5 N C A1 1                                              3   5         A1
                                                                                                                                                                                                                                                                                                                                                                                                                                                                                T-303 020
                                                                                                                                                                             11                                        Z -7 4300 9  Z -74 30 09                                                                                                                                                                                                                                                                                                                                                             C .L
                                                                                                                                                                                                                                                                                                                                                                                                                                                                                                                                       m                                                                                                                       n m g
                                                      n                                                                                                                                                                   CMD                                                                                                                                                                                                                                                                                                                                                                            T-3 0301 8                                   am
                                   Ms                                                 a                                                                                                                                                CMI




                                                                                                                                                                                                                                                                                                                                                                                                                                                                                                                                           4

                                                                                                                                                                                                                                                                                                                                                                                                                                                                                                                                                        3

                                                                                                                                                                                                                                                                                                                                                                                                                                                                                                                                                                  2

                                                                                                                                                                                                                                                                                                                                                                                                                                                                                                                                                                            1
                                                                                                                                                                         12                                                                                                                                                                                                                                                                                                                                                                                                                                                                           /ve      a
                               R -010 534                                                                                                                                                                                                                                                                                                                                                                                                                                                                                                                          n ve a m m r n a
                                                                                                                                                                      v i 14                                     2     4        6 N C A2              2        4    6 N C A2           2       4   6         A2
                                                      r
                            M1                                                                                                                                                                                  n      m g           vi a             n m g              b    a                                                                                                                                                             9
                                                                                          n                                                                             T SV                                                                                                                                                                                                                                                                                         9                                                        9                                   8                             7                                                              R S   T
                         T-113010                                                                                                                                    Z -95 3035                                                                                                                                                                                                                                                                                  9                                         9                                                                         7
                                                                                  n
                                                                                                                                                                                                                                                                                                                                                                                                                                            9
                                   Mb
                               R -0105 34                         m                                                                                                                                                                                                                                200                                                                                                                                                                                                am n a n m         a m na n m                      n a r m am ve n          r m n
                                                                                                                                                                                                                                                                                                                                                                                                                                                                                                                                                                           E m in E ºC
                                                                                                                                                                                                                                                                                                                                                                                                                                                                                                                                                                                            r m n

                                                                                          am /v e                                                                                                                                                                                                                                                                                                                                                                                                     P RG               % H R H AC C P                       leds
                                                                                                                                                                       1                                                        1                                   1                                    1                                     1                                                                                                                                         8                                                                              12
                                                                                                                                                                                                                                                                                                                                                                                                                                        6




                                                                                                                                                                                                                                                                                                                                                    270
                                                                                                                                                                                                                                                                                           2                            2                  2                                                                                                                                              b             CMD                                                            rs         Ip
                                                                                                                                                                                                                                                                                                                                                                                                                                                                                          vi                                                                           rs         Ip
                                                                                                                                                                                                                                                                                                                                                                                                                                                                                                        CMI
                                                                                                                                                                                                                                                                                                                                                                                                                                                                                          na            CV                                                             na        IL                      7
                                                                                                    1                            1                                                                                                                                                                                                             1
                                                                                                                                                                                                                                                                                                                                                                                                                                                                                          rs            CC                                                             na        IL                                               1 T-3 0303 2
                                                                                                                                                                                                          Vv            T -083 002                                                                                                                                                                                                              1                                                                                                                       vi
                                                                                                                                                                                                                                                                                                                                                                                                                                                                                           n            CM                                                                     C o ld                                             2 T-3 0303 3
                                                                                                                                                                                                              D21                                                                                                                                                                                                                                                                         g              R                                                             am     L cold                                              3 T-3 0303 4
                                                                                                                                                                                       J1
                                                                                                                                                                                                                                                                             J2                                                                                                                                                                                                                                                                                        m       Icold                                              4 T-3 0303 5
                                                      gr is                                                                                                                                      na                             S1               S2                                                          a              r                                                                                                               9                                                                                                                           g                                                         5 T-3 0303 6
                                                                                                                                                                           VF 2                                                                                                                                                                                                                                                                                                           a                N                                                                    D es
                                                                                                                                                                                                 na           D20                                                    m                                                                                                                                                                                                                                                                                                                                                            6 T-3 0303 0
                                    negro                     blanc o                                                                                                      VF2                                                                                                                                                                                                                                                                                                                                                                                          b     L des
                                    marron
                                                                                                        M                                                                  VF1                   rs                                                                  n
                                                                                                                                                                                                                                                                    am
                                                                                                                                                                                                                                                                                                                                                                                                                                                1                                                                                          1                           ve      Ide s
                                                                                                                                                                                                                                                                                                                                                                                                                                                                                                                                                                                                                                  7 T-3 0302 2




                                                                                                                                                                                                                                                                                                                                                                                                                                                                                                                                                                                                                        n m r
                                                              amarillo                                                                                                                           am                                                                                                                                                                                                                                                                                                                                                                                                                               8 T-3 0302 8




                                                                                                                                                                                                                                                                                                                                T-113023
                                                                                                                                                                           VF1




                                                                                                                                                                                                                                                                                                                 LOAD
                                                                                                                                                                                                                                                                     a                                                                     2                                                                                                                                                             C .E .                                                          r      Ldc
                                       azul                   rojo                                                                                                           -                                                                                                                                                                                                                                                                                                                                                                                                                                                    9 T-3 0302 9
                                                                                                                                                                           MP                     m                    S1/S2            r .p.m.       Hz.                                                                                                                                                                                                                                             T 3 03 005                                                        r       L dc
                                                                                                                                                                                                                        0000              800             27                                                                                                                                                                                                                                                                                                                                                                    10 T-3 0303 1
                                              gris                                                                                                                         GV                    vi                     0001              1000        33
                                                                                                                                                                                                                                                                                                                                                                                                                                                                                                                                                                                                                                11 T-3 0303 7
                                                                                                                                                                           GV                     g                     0010              1200        40
                                                                                                                                                                                                                                                                              D1 9                                                                                                                                                      6                                        6                                                        6                            m                                                        Esq u em a te oric o T -3 0303 8




                                                                                                                                                                                                                                                                                                                 LINE
                                                                                                                                                                                                                        0011              1400        47

                                                                                                                                                                            CC                   rs                     0100              1600        53
                                                                                                                                                                                                                                                                                                                                               1                                                                                                                                         9                                                                              n                PF                                     Leye nda             T -303 042




                                                                                                                                                                                                                                                                                                                                FI
                                                                                                                                                                                                                        0101              1800        60
                                                                                                                                                                                                                        0110              2000        67
                                                                                                                                                                                                                                                                                  J3                                                                                                                                                                                                     ve             Vac l                                                          na                                                       Indic ad or co m p. T -30 30 43
                                                                                                                                                                            N                    a                      0111              2200
                                                                                                                                                                                                                                                      73
                                                                                                                                                                                                                                                                                                                                                                                                                                                1                                        b
                                                                                                                                                                            R                    n
                                                                                                                                                                                                                        1000              2500        83
                                                                                                                                                                                                                                                                                                                                                                                                                                                                                                        V Lav
                                                                                                                                                                                                                        1001              3000        100
                                                                                                                                                                                                                                                                                                                            m                                                                                                                                                            vi             V D es                                                                       +
                                                                                                                                                                                                                        1010              3500        117                                                    ve                                                                                                                                                                                                                            T -323 024                                  Tc
                                                                                                                                                                                                                                                                                                                                           2                                                                                                                                             rs                                                                                          -




                                                                                                                                                                                                                                                                                                                                                        60
                                                                                                                                                                                                                                                                                                                                                                                                                                                                                                        VC nd
                                                                                                                                                                                                                        1011              4000        133
                                                                                                                                                                                                                                                      150
                                                                                                                                                                                                                                                                                                                                                                                                                                                1
                                                                                                                                                                                                                        1100              4500
                                                                                                                                                                                                                                                      167
                                                                                                                                                                                                                                                                                                                                                                                                                                                                                         na             VVa c                                                                        +
                                                                                                                                                                                                                                                                                                                                                                                                                                                                                                                                                                                       Tv
                                                                                                                                                                                                                        1101              5000
                                                                                                                                                                                                                        1110              5500
                                                                                                                                                                                                                                                      183
                                                                                                                                                                                                                                                      200
                                                                                                                                                                                                                                                                                                   am /v e                                              60                                                                                                                               am               K                                                                          -
                                                                                                                                                                                                                                                                                                                                               1                                                                                                                                                                                                                       8
                                                                                                                                                                                                                        1111              6000

                                                                                                                                                                                                                                                                                                                                                                                                                                                                                         n              VD V                                                                         +
                                                     am                                                                                                                                                                                                                                                                                                                                                                                                                                                                                    T -3 0300 7                                 Tn            7
                                       g      ve                                                                                                                       6 M                  M         9                                                                                                                                                                                                                                                                                  m              R 32                                                                         -
                                                                                                                   M OT OR                                                                                                                                                                                                                                                                                                                                                                g             R 32                                                                         +
                                                                             1                                                                                                                                                                                                               200                                                                                                                                            9                                                                                             T -323 01 1                                  Tg
                    R-345060                                                                                    400 V       230 V                                                                                                                                                                                                                                                                                                                                                                                                                                                    -
                                                                                              XX /21        T -32 3022    T -3230 23                                                    1                 1                                                                                  1                                                                   1
                    R-345063                                                                                                                                                                                                                                                                                                                                                     20                                                                                                             T -3 0 3045
                                                                                              XX /11        T -67 3065    T -6730 66                                                                                                                                                                                                                                                  0
                    R-345064                                                                                                                                                                                                                                                                                                                                                                                                                                                                                                                                           n             GN D
                                                                                                                                                                                                                                                                                                                                                                                                                                                1                                                                             1                                                       0
                                                                                                                                                                                                                                                                                                                                           2                                                                                                                                             7                                                                            10              x
                                                                                                                                                                                        am a              n     m g




                                                                                                                                                                                                                                                                                                                                                                                                                                                                                                                                                                                                                n m r
                                                                                                                                                                                                                                                                     na m m vi b am r a                                                        1                                                                                                                                           a R3 1
                                                                                                                                                                                        /v e                                                                                                                                                                                                                                                                                                                                                                                         12
                                                                                                                                                                                                                                                                     12 0 0 12 12 0 230 0                                                                                                                                                                                                 v e R 31                                                                    am             C om
                                                                                                                                                                P-453 026                                                             Z-26 33 03
                                                                                                                                                                                                                                                                                                                                                                                                                                                                                           b   R1                                                                     ve             m in
                                                                                                                                                                                                                                                                              TRF                                                                                                                                                               1                                          vi  R1                                                                      g             M ax
                                                                             1                                                                                                                       N R        S       T                                                                                                                                                                                                                                                                     CR2                                                                     na              12
                                                                                                                                                                                                                                                                                                                                                                                                                                                                                          m Mb                                                                         m                0
                                                                                                                                                                                                                                                                         R- 503005                                                                                                                                                                                                         r                                                                           vi
                                                                                                                                                                                                                                                                                                                                                                                                                                                                                               Ms                                                                                      12
                                                                                                                                                                   Z -26 3302
                                                                                                                                                                                                       R -07 3005                                                                                                                                                                                                                                                                                                                     am /v e
                                                                                                        M                                                                                             F u sible 1 0A
                                                                                                                                                                                                                                                                                                                                           2                                                                                                    1
                                                                                                                                                                                                       R -72 3015                                                                                                                                       2                                                     2
                                                                                                                                                                                                                                                                                                                                                                                                     1                                                                                                 m
                                                                                                                                                                                                                                                                                                                                                1                                                                                                                                                                        m                 g                      ve                  n
                                                                                                                                                                                                                                                                                                                                                                     3                                                                                                                                                                                                                                  IC
                                                                                                                                                                                                                                                                                                                                                            4                   4
                                                                                                                                                                                                                                                                                                                                                                                                                                                                            A                                                                                                                       R -663 026




                                                                                                                                                                                                                                                                                                                                                                                                                                                                                                                                                   5a

                                                                                                                                                                                                                                                                                                                                                                                                                                                                                                                                                             4a

                                                                                                                                                                                                                                                                                                                                                                                                                                                                                                                                                                       3a

                                                                                                                                                                                                                                                                                                                                                                                                                                                                                                                                                                                 2a

                                                                                                                                                                                                                                                                                                                                                                                                                                                                                                                                                                                           1a
                                                                                                                                                                                                                                                                                                                                                                                                                                                                                                      9a

                                                                                                                                                                                                                                                                                                                                                                                                                                                                                                                 8a

                                                                                                                                                                                                                                                                                                                                                                                                                                                                                                                              7a

                                                                                                                                                                                                                                                                                                                                                                                                                                                                                                                                      6a
                                                                                                                                                                                                                                                                                                                                                                                                                                                                                         10a
                                                                                                                                                                                                                                                                                                                                                                                      43                                  VC                    1
                                                                                                                                                                                                                                                                                                                                                                                                                                n




                                                                                                                                                                                                                                                                                                                                                                                                                                                                                         10
                                                                             1                                                                                                                                                                                                                                                                                                                                                                                           A




                                                                                                                                                                                                                                                                                                                                                                                                                                                                                                      9




                                                                                                                                                                                                                                                                                                                                                                                                                                                                                                                                                             4
                                                                                                                                                                                                                                                                                                                                                                                                                                                                                                                 8

                                                                                                                                                                                                                                                                                                                                                                                                                                                                                                                              7

                                                                                                                                                                                                                                                                                                                                                                                                                                                                                                                                      6




                                                                                                                                                                                                                                                                                                                                                                                                                                                                                                                                                                       3

                                                                                                                                                                                                                                                                                                                                                                                                                                                                                                                                                                                 2

                                                                                                                                                                                                                                                                                                                                                                                                                                                                                                                                                                                           1
                                                                                                                                                                                                                                                                                                                                                                                                                                                                                                                                                   5
                                                     TSV                                                                                                                                                                                                                                                                                                                 am                                   2
                                                                                                                                                                                                                                                                                                                                                                                                                                am
                                                                                                                                                                                                                                                                                                                                                                                                                                a
                                                                                                                                                                                                                                                                                                                                                                         am                                                     m
                                                                                                                                                                                                                                                                                                                                                                         g                    3                                                                                                                                                         a
                                                                                                                                                                                                                                                                                                                                                            1                             4                                                 9 1                                                        n        ve            na          am                                vi             b
                                                                                                                                                                                                                                                                                                                                                                          g
                                                                                                                                                                                                                                                                                                                                                                         vi
                                                                                                                                                                                                                                                                                                                                                                         a                                                     am/v e
                                                                                                                                                                                                                                                                                                                                                                                                     1                         n
                                                                                                                                                                                                                                                                                                                                                                                                                                a
                                 Tg
                                                                                                                                                                                                                                                                                                                                                                C. E.C .
                                                                                                                                                                                                                                                                                                                                                                                                                                                1
                                                                                                                                                                                                                                                                                                                                                                 GV 1                         3                                                                                 Ld c         Ld es                            L S T V LS T C
                                                                                                                                                                                                                                                                                                                                                                                                                                                                                                                                                                                              n
                                                                                                                                                                                                                                                                                                                                                                                      4                                                                                                                          L cold
                                                                                                                                                                                                                                                                                                                                                                                                                                                                                                                                                                  vi am n a v e      m n
                                                                                                                                                                                                                                                                                                                                                                                                                                                                                                                                                                                            am
                                                                                                                                                                                                                                                                                                                                                                                                                                                                                                                                                                                             m
                                                                                                                                                                                                                                                                                                                                                                 GV 2                                                                                                                                                                                                                         b
                                                                                                                                                                                                                                                                                                                                                                                                                                                                                                                                                                      C .T                   ve
                                                                                                                                                       a                                                                                                                                                                                       1                                                                                                                                                                                                                                              r
                                                                                                                                                                                                                                                                                                                                                                                                                                                                                             I de s                                                     IH        T -30 3019                 vi
                                                                                                                                                                             1                                                                                                                                                                                                            4 3
                                                                                                                                                                                                                                                                                                                                                                                                                                                                                                                Ic old             RS T

                                                                                                                                 a m /v e                  na

                                                                                                                                                                                                                                                                                                                                                                                                                  4                                                                                                   PR G
                                                                                                                                                                                                                                                                                                                                                                                                                                                                                                                   T -32 30 12
                                                                             1
                                                                                                                                                                                                                                                                                                                                                                                                                      5
                                                                                                                                                V Ac                                                                                                                                                                                                                                                 11
                                                                                                                                                                                                                                                                                                                                                          5
                                                                                                                                            Z -2 20 90 1                                                                                                                                                                                           11                                                                     na                                                                                   m n na a m

                                                                                                                                                                                                                                                                         5        11
                                                                                                                                                                                                                                                                                                                                                                     o Jo                                                 na
                                                                                                                                                                                                                                                                                                                                                                                                                          n


                                                                                                                                                                                                                                                                                                                                                                                                      1                   n
                                                                                                                                                                                                                                                                                                                                                                                                                                                                                         9
                                                                                                                                                                                                                                                                                                                                                                                                                          ve                9
                                                                                                                                                                                  5                                                                                                                                                                                                           G V3
                                                                                                                                                                                                                                                                                                                                                                                                                          a
                                                                                                                                                                                        11
                                                                                                                                                                                                                                                                                                                                                                                              G V4                                C .E.V.
                                                                                                                             5
                                                              5                   5                                   11
       11                         11                                    11
                                                                              1                                          1                                                   1                                   1                               1                                     1                                                       1                                                      1                                             1                                                              Lz
                                                                                                                                                   1
                                                                                                                                                                                                                                                                                                                                                                                                                                                                                                               T-3 03 02 3
                                                                                                                    b
                                                                                                                                                                                                                                                               Z -2 3301 2                                                                                                                           a                                                                                                      R -6630 13
                                                                                                                    ve
                                                                                                                    vi                                                                                                                                                             a                                                                                                                                                                        rs
                                                                                                                                                                                                              a RC                          a RC                                       RC
                                                                                                                                                                                                                                                                                                                                                                                                          n                                 am
                                                                                                                                                                                                                                                                                                                                                                                                                                              vi
                                                                                                                                                                                                                            n                                                                      m                                                                                                                                                                                                                10
                                                                                                                                                                                                                                                           rs
      To rnillo M4 x20                                                                                                                                                                                                                                                                                                                                                                                                                                                                                              W
                                                                                                                                                                                                                                                                                                                                                                                                                                                                            Ip
       Q-081365                                                         Cable s ma sa
                                                                                                                                                                                                               VDV                        VCN                                      VHM
Arandela muelle A4                                                                                                                                                      10/11                                 8l/min                                  20/11                   0.25l/min                                                                                                                                                         10
                                                                      Lengueta m ac ho do ble                                                              20/21                                                                                                                                                                                                                  VE
                                                                                                                                                                                                                                                                                                                                                                                                                                                                     Z-100522




                                                                                                                                                                                                           Rojo
                                                                                                                                                                                                                                                      10/21                       amarillo
                                                                                                                                                                                                                                                                                                                                                                              Z -10 3066                                                                                                                                  b
 Q-261020                                                                    Q-5630 04                                                                                  10/21                                                       3l/min P- 443042 10/11
                                                                                                                                                                                                          Z-601156                  8l/ min Z -601156 20/2 1                  R-045001                                                                                                                                                                                                                              am
                                                                     Pl aca asiento conexion mas a                                                                      20/11
        Tuerca M4
        Q- 163020                                                            Q-5630 04
                                                                                                                                                                                                                                                                                                                                                                                                                                                                                                                    10
                                                                                                                                                       R-143010       R-033002
Tuerca c uad ra da M 4                                                   Tuerc a M4                                                                                                                                                                                           Z-701135
                                                                                                                                                                                                                       P-255001
  Q-221901                                                               Q-163020                                                                                                                                                                                                                                                                                                                                                               10                       10                                         10
                                                                                                                         PRENS AESTOPAS


                                                                                                                                                                                                                                                                                                                                                                               - 26 -
                                                                                                                                                                                                                                                                                                   -26-
LÉGENDE

                       E SPAÑ O L                               F R AN Ç A IS                                      EN G L ISH                                   D EU T S CH                                                     ITA LIA NO
BE C           =      Bujía Enc end ido C ámara                 Bo ug ie Allum age C ha mb re                     C ham ber Sp ark P lug                      Z ü ndk erz e Eins chalten Garraum                              C an dela di Ac ce ns ione C amera
BE V           =      Bujía Enc end ido C alde ra               Bo ug ie Allum age C ha udière                    Boile r S park Plug                         Z ü ndk erz e Eins chalten Boile                                C an dela di Ac ce ns ione C ald aia
C .E .C        =      C ont rol C om bus tión C ám ara          C on trô le Co mbus tion C h ambre                C ham ber C om bus tion C ontrol            S teu eru ng V erbrennu ng Garraum                              C on trollo C o mbus tio ne Ca mera
C .E .G        =      C ont rol Elec trónico G e neral          C on trô le Élec tronique Gén éral                Ma in E lec tronic Co ntrol                 S teu eru ng E lek tronik a llgeme in                           C on trollo E let tro nic o G ene rale
C .E .V        =      C ont rol C om bus tión C aldera          C on trô le Co mbus tion C h audière              Boile r C o mbu stio n C on trol            S teu eru ng V erbrennu ng Boiler                               C on trollo C o mbus tio ne Ca ldaia
C .H          =       C irc uito H ume dad                      Circu it Humidit é                                H um idity C ircu it                        K reis lauf F eu ch tigk eit                                    C irc uito Um id ità
C .L         =        C irc uito Leds                           C ircu it LED s                                   Led C irc uit                               K reis lauf L ED s                                              C irc uito Leds
C .T         =        C irc uito T eclad o                      C ircu it C la vie r                              Key pad C irc uit                           K reis lauf T as tat ur                                         C ic uito Ta stiera
C C 1 ,C C 2      =   C ont ac to r Re sis tenc ia Cá ma ra     C on ta cteu r Éléme nt C ha uffant C hambre      C ham ber H ea ting Element C on ta ctor    S ch ütz H eizw id ersta nd G arraum                            C on tatt ore R es is tenz a C am era
CM D            =     C ont ac to r Moto r D e rech a           C on ta cteu r Moteu r D ro ite                   R ig ht En gine C onta ct or                S ch ütz Mo to r rech ts                                        C on tatt ore Mot ore D es tra
CM I          =       C ont ac to r Moto r I zq uierd a         C on ta cteu r Moteu r G auc he                   Lef t E ng ine C ontac to r                 S ch ütz Mo to r links                                          C on tatt ore Mot ore Sinistra
CR2            =      R ele Arranqu e                           Relais Déma rrage                                 Sta rt ing R elay                           R ela is Anlauf                                                 R elè A cc ens ion e
C V 1, C V2       =   C ont ac to r Re sis tenc ias C aldera    C on ta cteu r Éléme nt C ha uffant C haud ière   Boile r H e atin g E lem ent C o ntac tor   S ch ütz H eizw id ersta nd B oiler                             C on tatt ore R es is tenz a C alda ia
DE C           =      D ete ctor L la ma C ám ara               D étec teur F lamm e C h ambre                    C ham ber F la me D et ec to r              F lamm en detek tor G arra um                                   R ilev atore di F iamm a C amera
DE V           =      D ete ctor L la ma C aldera               D étec teur F lamm e C h audière                  Boile r F lame D etec to r                  F lamm en detek tor B oile r                                    R ilev atore di F iamm a C alda ia
DN            =       D ete ctor N iv el C a ldera              D étec teur N iv eau C haud ière                  Boile r L ev el D e te ct or                P egelde tekt or Boile r                                        R ilev atore Livello Ca ld aia
EM            =       Enc od er Select or T ie mpo              En code ur Sé lec teur T e mps                    T im e Se lec tor E ncode r                 E nc oder Z eitw a hls ch alte r                                E nco der Se le tt ore T emp o
Eº C          =       Enc od er Select or T em peratura         En code ur Sé lec teur T e mpératu re             T em perature S elec to r Enc oder          E nc oder T em perat urw ahls c halt er                         E nco der Se le tt ore T emp eratura
F           =         F us ibles                                F usibles                                         F us es                                     S ic he run gen                                                 F us ib ili
FI          =         F iltro Inte rfe renc ias                 F iltre Int erf ére nce s                         Inte rfe renc e F ilter                     S töru ng sf ilte r                                             F iltro Interfe renz e
FM            =       T érmico Moto r                           T herm ique M oteu r                              T herma l En gine                           T h ermos ch alter Moto r                                       T erm ico M ot ore
G V1 , GV 2 =         Elect ro vá lv ula Gas C á mara           Élec tro va nne G az C ham bre                    C ham ber G as Solenoid V alv e             E le ktrov en til G a s G arraum                                E le tt ro valvo la G a s C am era
G V3 , GV 4 =         Elect ro vá lv ula Gas C a ldera          Élec tro va nne G az Chau dière                   Boile r G as So leno id Valve               E le ktrov en til G a s Bo iler                                 E le tt ro valvo la G a s C alda ia
IC          =         Selec tor Ve lo cid ad Po tenc ia         Sé lec teur Vites se Pu iss an ce                 Pow er Spe ed Selec tor                     W ah lsc ha lter G es ch wind igk eit Leistu ng                 S elettore V eloc it à P otenz a
IG           =        In te rrup tor G enera l                  Interru pt eur G énéra l                          Ma in S w itc h                             H aup ts c halt er                                              I nterruttore g enera le
IL          =         In te rrup tor Se gurid ad Lav ad o       Interru pt eur Sé curité La va ge                 Wa sh ing S afet y Sw itc h                 S ic he rhe its sc ha lter Wa sc hen                            I terru ttore Sic urezz a Lavag gio
Ip          =         In te rrup tor Se gurid ad Pu erta        Interru pt eur Sé curité Po rte                   D oor S afet y Sw itch                      S ic he rhe its sc ha lter T ür                                 I terru ttore Sic urezz a Porta
K1 ,K2 ,C K1, C K2=   R ele R es is tenc ia                     R elais Éléme nt C ha uffan t                     H eat ing Elem en t R elay                  R ela is H eiz w iders ta nd                                    R elè R es iste nza
Lz           =        Luz In te rior                            Éc la irage I ntérie ur                           Inn er Lig ht                               I nne nbeleuc htung                                             L uce Intern a
M            =        M ot or T urbin a                         Mo te ur T urbin e                                T urbin e E ngin e                          M otor T urb ine                                                M otore T u rb ina
M1            =       M ot or C himene a                        Mo te ur C he minée                               Sta ck Eng ine                              M otor A bluftk amin                                            M otore C a nna
M2            =       M ot or Válvula                           Mo te ur va nne                                   Valve Eng ine                               M otor V entil                                                  M otore V alvo la
M BA         =        Bom ba L av ado                           Po mpe La va ge                                   Wa sh ing P ump                             W as c henp umpe                                                P omp a lavagg io
Mb            =       In te rrup tor Micro Bajada               Microrupt eur D es ce nte                         D rop M ic rosw itc h                       M ik rosc halter Se nk en                                       I terru ttore M ic ro D is c esa
Ms           =        In te rrup tor Micro Sub ida              Microrupt eur Mon tée                             R is e M ic ros w itch                      M ik rosc halter H eben                                         I terru ttore M ic ro Salit a
PF           =        Pot encióm etro S elec to r F u nciones   Po tentiomèt re Sélect eur F onc tions            F unc tio ns S elec to r Pote ntiomet er    P ote ntio mete r Fu nk tion sw ah ls cha lte r                 P oten ziomet ro Seletto re F unz ion i
PR G           =      Prog ram ad or                            Progra mma teur                                   Prog ram mer                                P rogram mie rvorric htun g                                     P rogramm atore
RC            =       R es is tenc ia s Cá mara                 Élémen ts C h auffa nts C ha mbre                 C ham ber H ea ting Element                 H eiz w ide rstän de G arraum                                   R es iste nze C ame re
RV            =       R es is tenc ia s Ca ldera                Élémen ts C h auffa nts C ha udiè re              Boile r H e atin g E lem ent                H eiz w ide rstän de B oiler                                    R es iste nze C ald aia
Tc           =        Son da Cá mara                            So nd e C ha mb re                                C ham ber Pro be                            S onde G arra um                                                S onda C amera
TCN            =      T ermos ta to C on dens ación             T herm os ta t C onde ns atio n                   C onde ns atio n T he rm osta t             T h ermos tat Kond ens ieru ng                                  T erm ost ato Co nden saz io ne
Tg           =        Son da Ca ldera                           So nd e C ha udière                               Boile r P robe                              S onde Bo iler                                                  S onda C ald aia
TH           =        Son da Hu meda d                          So nd e H um id ité                               H um idity P ro be                          S onde F euc htigk eit                                          S onda U midit à
Tn           =        Son da Nú cleo                            So nd e N oy au                                   C ore P ro be                               K ernt em pera turmes so nde                                    S onda N uc leo
TRF            =      T rans formad or                          T rans formate ur                                 T rans former                               T ra nsfo rmato r                                               T ras forma tore
TS C           =      T ermos ta to Se gurid ad C ám ara        T herm os ta t Séc urité C ham bre                C ham ber Sa fety T hermos ta t             S ic he rhe its therm ost at G arra um                          T erm ost ato Sic urezz a Ca me ra
TS V           =      T ermos ta to Se gurid ad C aldera        T herm os ta t Séc urité C hau dière              Boile r S afe ty T h erm os tat             S ic he rhe its therm ost at Bo iler                            T erm ost ato Sic urezz a Ca ldaia
Tv           =        Son da Vapo r                             So nd e V apeu r                                  Ste am P rob e                              S onde D am pf                                                  S onda Vap ore
VA C           =      Bom ba V ac ia do                         Po mpe V ida nge                                  Vac uum Pum p                               A blas spu mpe                                                  P omp a sc arico
VA c l        =       Elect ro vá lv ula Ac larad o             Élec tro va nne R inç age                         R in sing S olen oid Valve                  E le ktrov en til K la rspülen                                  E le tt ro valvo la R is ciacq uo
VC            =       Ven tilador S oplante                     Ve nt ilateur S oufflan t                         Blow ing F an                               V ent ilator G ebläse                                           V entilat ore Sof fia nte
VC N           =      Elect ro vá lv ula C onde nsa ción        Élec tro va nne C on dens at ion                  C onde ns atio n S olen oid Valv e          E le ktrov en til K on de nsierung                              E le tt ro valvo la C o nden saz ione
VD V           =      Elect ro vá lv ula Llen ado Calde ra      Élec tro va nne R em plis sage C hau dière        C ham ber F illing S olen oid Valv e        E le ktrov en til F üllu ng Boiler                              E le tt ro valvo la d i R iemp ime nto C a ld aia
VE           =        Ven tilador C uadro E léc tric o          Ve nt ilateur T ab le au Élec triqu e             F an Sw itc hbo ard                         V ent ilator Elek trotafe l                                     V entilat ore Qu adro E le tt ric o
VH M            =     Elect ro vá lv ula H umidif ica dor       Élec tro va nne H um idificat eur                 H um idifier Sole noid Valve                E le ktrov en til B efeu ch tu ngs vo rric htung                E le tt ro valvo la U m idificat ore
VL av          =      Elect ro vá lv ula Lav ado                Élec tro va nne La va ge                          Wa sh ing S ole noid Va lve                 E le ktrov en til W as ch en                                    E le tt ro valvo la L av aggio
Vv           =        Variador V elocidad                       Va ria teu r V ite ss e                           Spe ed V ariato r                           G e sch w in digk eitsre gler                                   V ariat ore di Veloc ità
C O L OR              C O LO RE S                               C O UL EU R S                                     C O L OU R                                  F A R BE N                                                      C O LO R E
Va           =        Az ul                                     Bleu                                              Blue                                        B la u                                                          B lu
am           =        Am arillo                                 Ja une                                            Yello w                                     G e lb                                                          G iallo
am /ve         =      Am arillo/v erde                          Ja une / v ert                                    Yello w / green                             G e lb/ grü n                                                   G iallo/v erde
b          =          Blanc o                                   Blanc                                             Wh ite                                      W eiß                                                           B ia nco
g          =          Gris                                      G ris                                             Gre y                                       G rau                                                           G rigio
m           =         M arró n                                  Ma rron                                           Brow n                                      B raun                                                          M arrone
n          =          N egro                                    N oir                                             Black                                       S ch w arz                                                      N ero
na          =         N aran ja                                 O ran ge                                          Ora nge                                     O rang e                                                        A ranc io
r         =           R ojo                                     R ou ge                                           R ed                                        R ot                                                            R os s o
rs         =          R os a                                    R ose                                             Pink                                        R osa                                                           R os eo
ve         =          Verd e                                    Ve rt                                             Gre en                                      G rün                                                           V erde
vi        =           Viole ta                                  Violet                                            Purp le                                     V io let t                                                      V io la
                                                                                                                            - 27 -                                   Le ye n d a H o rn o s               H C -7 6 9 7 0   T 3 0 30 4 2 00 0

                                                                                                                                 -27-
7.- INFORMATIONS GÉNÉRALES                                SUR        L'UTILISATION     ET
FONCTIONS AUXILIAIRES

7.1.- Fonctionnement du four
         Le four peut travailler sur cinq modes différents :



                CONVECTION : La chauffe se fait par résistances chauffantes ou brûleurs à
                gaz internes dans la chambre du four. 35÷300 ºC
                VAPEUR : La chauffe se fait par vapeur d'eau à 100 degrés centigrades et à
                pression atmosphérique.
                VAPEUR RÉGLABLE : La chauffe se fait par vapeur et il est possible de
                sélectionner la température souhaitée de 35 à 125 ºC.
                MIXTE : La chauffe se fait à la fois par convection et par vapeur, mais la
                convection est plus puissante. 35÷250 ºC
                RÉGÉNÉRATION : La chauffe se fait à la fois par convection et par vapeur,
                mais la vapeur est plus puissante que dans le cas du mode mixte. 35÷180 ºC

         Le four peut travailler sur trois fonctions différentes :



                TEMPS : De 1 à 120 minutes ou bien sans arrêt.
                SONDE À COEUR : Sélection de 0 à 99 ºC.
                DELTA : Sélection de 0 à 50 ºC pour le mode vapeur ; 0÷75 ºC pour le mode
                réglage vapeur et 0÷99 ºC pour les autres modes.




7.2.- Mise en marche utilisation manuelle

   Connectez l'alimentation et sélectionnez l'un des modes (vapeur, réglage vapeur,
   régénération, mixte ou convection). Le contrôleur se connecte alors et le voyant du mode
   sélectionné s'allume.

   Les voyants du contrôle de l'humidité indiquent l'humidité sélectionnée (Fours
   programmables).

   L'écran "sélection température chambre" situé à droite indique la valeur sélectionnée et
   l'écran "température réelle chambre" situé à gauche la valeur réelle. La température est
   mesurée par le thermocouple de la chambre.

   L'écran "sélection temps/température coeur", situé à droite, indique le temps ou la
   température sonde coeur sélectionnés en utilisant la touche select.


                                               - 28 -
L'écran "indicateur temps/température coeur", situé à gauche, indique le temps restant ou
la température réelle de la sonde à coeur.

Lorsque le four se met en marche, la vanne de vidange effectue une vérification en
réalisant un cycle de fermeture puis un cycle d'ouverture sur les fours programmables.

Lorsque la porte s'ouvre, le temps s'arrête. Lorsque la porte se referme, le processus
continue sans que les valeurs qui existaient lorsqu'elle s'est ouverte ne soient modifiées.

Lorsque le temps parvient à zéro ou que la température de la sonde à coeur atteint la
valeur sélectionnée, la cheminée agit, l'écran de gauche clignote et le signal sonore se
déclenche.

En remettant à zéro le commutateur de fonctions, toutes les sorties se remettent à zéro et
tous les voyants et les écrans s'éteignent. Au bout de trois secondes, le contrôle est
définitivement hors tension.

Le contrôle de remplissage d'eau du générateur de vapeur est réalisé par un détecteur de
niveau d'eau qui agit pour tous les modes de fonctionnement exception faite de la vidange,
et comprend trois sondes de niveau d'eau N. max., N. min. et N. com., introduites dans le
récipient de niveaux.




1.- Lorsque le niveau réel de l'eau est au-dessous de N. min.,
l'électrovanne d'arrivée d'eau du générateur s'active et la sortie de     Com min max
vapeur dans la chambre s'arrête.

R1 ≥ 40 KΩ             R2 ≥ 40 KΩ        électrovanne activée

2.- Lorsque le niveau atteint le niveau N. min., l'électrovanne
continue à agir.

R1 ≤ 20 KΩ             R2 ≥ 40 KΩ        électrovanne activée

3.- Lorsque le niveau atteint le niveau N. max., l'arrivée d'eau est
coupée et le générateur commence à chauffer.                                  R1


R1 ≤ 20 KΩ             R2 ≤ 20 KΩ        électrovanne désactivée                   R2


4.- Le générateur continue à chauffer tant que le niveau d'eau se
trouve entre N. max. et N. min.

R1 ≤ 20 KΩ             R2 ≥ 40 KΩ        électrovanne désactivée




                                            - 29 -
7.3.- Sélection des modes de fonctionnement


                OFF
Conveccion          o          Vapor
                                               Mode             Sélection    Prédéterm Sélection   Prédéterminé
                                                                ºC           iné       % HR        % HR
  Mixto
                            Regulacion Vapor                                  ºC
                                               Convection ;         35-300       160      0-100         0
                                               Mixte                35-250       140      0-100        60
                R                              Régénération         35-180       120      0-100        80
             Regeneracion                      Réglage Vapeur       35-125        80       100         100
                                               Vapeur                 99          99       100         100




Les valeurs prédéterminées de la température et de l'humidité apparaissent dans le tableau.
Ce sont celles qui s'affichent par défaut lors de la première mise en marche du four. Au cours
des utilisations suivantes, la dernière valeur sélectionnée pour tous les modes s'affichera, sauf
pour vapeur fixe 100 ºC.



7.3.1 Mode Convection
La chambre arrête de chauffer lorsque la valeur indiquée par le thermocouple de la chambre
est égale à celle qui a été sélectionnée. Elle recommence lorsqu'elle est inférieure à celle-ci.
7.3.2 Mode Vapeur 100 ºC
La chauffe se fait par injection de vapeur dans la chambre de cuisson.
Entre 60÷90 ºC la chauffe de la chambre et celle de la vapeur agissent en même temps.
7.3.3 Mode Réglage vapeur 35÷125 ºC
Si la température de la chambre est inférieure ou égale à 100 ºC, la chambre de cuisson est
chauffée par vapeur.
Si la température de la chambre est supérieure à 100 ºC, la chambre de cuisson est chauffée
à la fois par vapeur et par convection.
7.3.4 Mode Régénération 35÷180 ºC
La chambre de cuisson est chauffée à la fois par convection et par vapeur.
7.3.5 Mode Mixte 35÷250 ºC
La chambre de cuisson est chauffée par convection mais aussi par vapeur mais dans une
moindre mesure que dans le cas du mode régénération.




                                                           - 30 -
7.4.- Sélection de la température


                                        Il est possible de sélectionner la valeur de la
                                        température au moyen de la commande et en
888                    888              fonction de la vitesse de rotation de 1 ºC en 1 ºC ;
                                        de 5 ºC en 5 ºC et de 10 ºC en 10 ºC.




7.5.- Sélection du temps


                                     Les deux écrans indiquent le temps sélectionné au fur et à
888                     888          mesure que la commande est tournée de 1 à 120. Au
                                     maximum, (---) s'affiche, ce qui a pour conséquence que le
                                     temps ne soit pas pris en compte et que le contrôleur reste
                                     sans arrêt en marche.

 Select                              Pour entrer en manuel (---) et pour en sortir, il faut effectuer
                                     une rotation brusque.


Au bout de 3 secondes, l'écran de gauche commence à décompter le temps et affiche le
temps restant.

Si une fois mise en marche, la commande est à nouveau tournée, les deux écrans varient
dans la même proportion. Exemple :
             060 090 en diminuant de 30 minutes, deviennent       030 060
             060 090 en augmentant de 30 minutes, deviennent 090 120


7.6.- Sélection de la température de la sonde à coeur

                                      Elle se fait avec la même commande, de la même façon
                                      que pour le temps, mais en appuyant sur la touche select.
 888                     888
                                      L'écran de droite indique la température à coeur
                                      sélectionnée, de un en un, au fur et à mesure que la
                                      commande est tournée de 1 à 99 ºC.

    Select                            L'écran de gauche indique la température réelle dans la
                                      sonde à coeur.

                                                 - 31 -
7.7.- Sélection de la fonction DELTA
Elle assure une différence fixe de 50 ºC entre la température de la chambre et la température
de la sonde à coeur.

                                         •   Elle se fait avec la même commande, de
                                             la même façon que pour le temps, mais en
       888               888                 appuyant sur la touche select.
                                         •   L'écran de droite indique la température à
                                             coeur sélectionnée, de un en un, au fur et
                                             à mesure que la commande est tournée
                                             de 1 à 99º C, exception faite du mode
        Select
                                             vapeur qui va de 1 à 50 ºC et du mode
                                             réglage vapeur qui va de 1 à 75 ºC.


   •   L'écran de gauche indique la température réelle dans la sonde à coeur.
7.8.- Sélecteur puissance vitesse



                                    •   Le sélecteur permet de choisir trois options de
                                        puissance-vitesse




                                             - 32 -
STOP




7.9.- Sélection fonction Cool Down

                   Sur n'importe quel mode de fonctionnement, fermez la porte et appuyez sur
                   la touche Cool Down : le voyant s'allume et la chambre de cuisson
  250
 PuE        rtA    commence à refroidir.

                   Sur les écrans, s'affiche en clignotant :
                                                          PuE rtA (Porte)
 Abr        ir                                            Abr     IR (Ouvrir)
                   Lors de l'ouverture de la porte, la fonction se poursuit mais ces mots
  Selec t
                   s'affichent en continu sur les écrans.

                   Le cycle s'achève lorsque la température de la chambre indique 46 ºC.

                   Si au cours de la fonction Cool Down, on appuie à nouveau sur la touche
                   ou que l'on ferme la porte, le cycle s'arrête et le voyant s'éteint.




7.10.- Fonction vidange automatique


                  Sur n'importe quel mode de fonctionnement, la pompe de vidange agit
                  pendant 3’ (minutes), toutes les 24 heures de fonctionnement du
                  contrôleur.

 UAC        3'
                  La pompe de vidange doit commencer à agir si la température de la
                  chambre et celle du générateur sont inférieures ou égales à 60 ºC et
                  uniquement au moment de fournir l'alimentation au contrôle. Ainsi, si le
  Selec t
                  contrôleur fonctionne par exemple depuis 30 heures, la pompe de
                  vidange n'entre pas en action tant que le contrôleur ne s'est pas éteint
                  et rallumé. Si le contrôleur s'éteint avant que les 3 minutes ne soient
                  écoulées, lorsqu'il se rallume il recommence 3 autres minutes.

Tant que la pompe est en marche, les sorties d'éclairage de la chambre, l'alimentation du
circuit électronique, l'ouverture cheminée et la turbine fonctionnent. Mais la vanne de
remplissage du générateur n'agit pas.

Sur l'écran en bas à gauche [UAC] s'affiche en clignotant.

Une fois le cycle terminé, tous les signaux sont rétablis.
Vidange Manuel s'effectue avec la porte ouverte et en appuyant à la fois sur la touche select
et sur Cool Down pendant 5 secondes. La pompe de vidange agit pendant 3 minutes dans les
conditions précédentes.
                                               - 33 -
7.11.- Détection de tartre

                               STOP




Sur n'importe quel mode de fonctionnement, la sonde du générateur enregistre la température
et indique au moyen du voyant qu'il est nécessaire de détartrer le générateur de vapeur.
Le voyant s'allume d'abord sous forme de train d'une impulsion puis, au fur et à mesure que le
tartre recouvre les parois d'une épaisseur plus importante, il s'allume sous forme de deux
impulsions, puis de trois, jusqu'à ce que finalement il s'allume en continu.
À ce moment-là, les résistances du générateur cessent de chauffer et il est nécessaire de
réaliser un cycle de détartrage.




                                            - 34 -
7.12.- Sélection cycle de détartrage

                                                    Sur n'importe quel mode et la porte étant fermée, en
         dES              dES        ---            appuyant sur la touche de détartrage pendant 5”, la lampe
                                                    de détartrage s'allume en continu.
Fig. 1                                     Fig. 2
         F1         3'    F2         ---
                                                     1º.- La vanne de vidange agit pendant 3 minutes et vide
                                                   l'eau du générateur. Fig. 1
          Selec t          Selec t                   2º.- La lampe de détartrage et l'écran en bas et en haut à
                                                   droite clignotent. À ce moment-là, retirez le bouchon se
         dES        ---   dES                      trouvant sur le toit du four et versez 5 litres d'anti-tartre.
                                                   Remettez le bouchon en place et appuyez sur la touche
Fig. 3                                   Fig. 4 détartrage pendant 5”. Fig. 2
         F3         ---   F4         120             3º.- La vanne de remplissage du générateur s'active
                                                   jusqu'à ce que le niveau max. soit atteint. Fig. 3
                                                     4º.- Le générateur chauffe jusqu'à ce que sa température
                                                   atteigne 60 ºC pendant 120 minutes. Fig. 4
          Selec t          Selec t




                                                    En appuyant sur la touche Select, il est possible
         dES              dES        ---           d'augmenter la valeur de 120' à 480' et de la diminuer
                                                   jusqu'à 1’.
Fig. 5                                   Fig. 6 5º.- La vanne de vidange agit pendant 3 minutes et vide
         F5         3'    F6         ---           l'eau du générateur. Fig. 5
                                                     6º.- La vanne de remplissage du générateur s'active
          Selec t          Selec t
                                                   jusqu'à ce que le niveau max. soit atteint. Fig. 6
                                                     7º.- La vanne de vidange agit pendant 3 minutes et vide
                                                   l'eau du générateur. Fig. 7
         dES              dES        ---
                                                     8º.- La vanne de remplissage du générateur s'active
Fig. 7                                    Fig. 8 8 jusqu'à ce que le niveau max. soit atteint. Fig. 8
                                         Fig.
         F7               F8
                                                     9º.- Agit sur le mode vapeur jusqu'à ce que température
                    3'               ---
                                                   de la chambre atteigne 95 ºC. Fig. 9
                                                    10º.-Le voyant de détartrage s'éteint finalement et “Fin
          Selec t          Selec t
                                                   dES” (Fin détartrage) s'affiche sur les deux écrans. Fig. 10

         dES              FIn
                                                    Si pendant le cycle de détartrage, on appuie à nouveau sur
                                     dES
                                                    la touche détartrage pendant 5” (Interruption du cycle de
Fig. 9                                  Fig.
                                       Fig.         détartrage) :   le voyant clignote. Et :
         F9         99º
                                                    1.- S'il n'a pas atteint le point (2º)    le cycle se place sur
                                                    le point (9º).
          Selec t          S elect
                                                    2.- S'il a atteint ou dépassé le point (2º)          le cycle se
                                                    place sur le point (5º).
                                                    3.- S'il a atteint ou dépassé le point (5º)    le cycle continue
                                                    (Cycle de détartrage effectué).
                                                    4.- Si l'on éteint le contrôleur, lors du rallumage le cycle
                                                    se poursuit.




                                                                    - 35 -
7.13.- Étalonnage des sondes


           MODÈLES HGV, HGP, HEM ET HEP

 TC              TU     Placez le four sur mode vapeur à 100 ºC.

                        Sur la carte de contrôle, mettez l'interrupteur I4 sur I4 = 1 et appuyez
 Tn             Tg      pendant une minute sur Ical. L'étalonnage se fait.

 Selec t
                        La valeur des 4 thermocouples s'affiche sur les écrans.



                                                                  Ical
Interrupteur I4




                               HGP, HGP, HEM ET HEP


           Pour l'étalonnage, le four se mettra automatiquement sur le mode vapeur continu de façon à
           ce que les sondes mesurent des valeurs comprises entre 95 et 105 ºC, (si ce n'est pas le cas,
           l'erreur correspondante s'affichera). Lorsque toutes les valeurs mesurées par les sondes de
           température se seront stabilisées et que la production de vapeur aura fonctionné sans arrêt
           pendant 120” sur les modèles à gaz et 30” sur les modèles électriques, les sondes seront
           prises comme référence de 100 ºC.
           Pour quitter le mode étalonnage, mettez I4 sur I4 = 0.

           Modèles HGC et HEI
              sur ces modèles, à la différence des modèles HGV, HGP, HEM et HEP, l'étalonnage ne
              se fait pas automatiquement. Sur ces modèles, il est nécessaire d'utiliser un dispositif de
              mesure de la température externe au four.

                                                         Interrupteur I3


                        Ical




                                              HGC ET HEI



                                                         - 36 -
Sur les modèles HGC et HEI mettez I3 sur I3 = 1 et appuyez sur Ical pendant
         tc         tv
                          une minute. L'étalonnage se fait. Sur l'écran en haut à gauche, TC s'affiche en
                          clignotant ; TV sur celui de droite ; la valeur à ajouter ou enlever à TC sur
                          l'écran en bas à gauche ; et la valeur à ajouter ou enlever à TV sur celui de
         0          0     droite. L'augmentation ou la diminution se fait au moyen de la commande se
                          trouvant entre les deux écrans.
                          Pour passer de la programmation de TC à TV, il suffit d'appuyer une deuxième
                          fois sur Ical. Une fois TV changé, appuyez de nouveau sur Ical et mettez I3 sur
                          I3 = 0 pour quitter le mode étalonnage.



7.14.- Affichage des températures des sondes
Appuyez sur la touche Cool Down pendant 5 secondes, la porte étant fermée, pour afficher la
valeur de toutes les températures sur les écrans (tout comme pour l'étalonnage). Le four
continue à fonctionner.
7.15.- Fonction HACCP
                         (Uniquement pour les fonctions Sonde Coeur et Delta)
                         Le four sauvegarde les valeurs Mode de travail, Humidité (suivant la
                         version), Température chambre et coeur, toutes les minutes pendant les
                         24 dernières heures. Le moment où la température sélectionnée dans le
dSC           dto
                         coeur est atteinte et la température 15'' après sont aussi sauvegardés.

HAC           CP
                         Lorsque la “Memory CARD” conçue à cet effet est connectée, le
                         contrôleur la détecte et décharge toutes les données des 24 dernières
                         heures.
Select




                         Au cours du déchargement des données, les écrans commencent à
OC            SI         clignoter et indiquent [dSC][dto], [HAC][CP]. À la fin du déchargement,
                         [OC][OUI], [HAC][CP] s'affichent.

HAC           CP



Select




                                                      - 37 -
7.16.- Sélection de l'humidité

Lorsque le circuit de contrôle de l'humidité est connecté au contrôleur, celui-ci le détecte
automatiquement et il est alors possible de sélectionner l'humidité. Ce n'est que lorsque
l'interrupteur I2 est mis sur I2=1 qu'on entre en mode contrôle de l'humidité.

La sélection se fait au moyen des boutons-poussoirs situés de part et d'autre des voyants
d'affichage, celui de gauche servant à diminuer et celui de droite à augmenter.



                           10 20 30 40 50 60 70 80 90 100
                                                             %HR
                       -                                    +



Appuyez à la fois sur les touches [-] et [+] pour afficher l'humidité réelle mesurée par le capteur
d'humidité.


En mode Vapeur à 100 ºC : Tous les voyants de l'écran seront bleus. Il n'est pas possible de
régler l'humidité.
En mode Mixte : Les voyants seront bleus et rouges. Il est possible de régler l'humidité.
En mode Convection : Tous les voyants seront rouges et il est possible de régler l'humidité.




                                                            - 38 -
7.17 Utilisation du four en mode programmation



                                     Appuyez sur la touche   pour afficher le
                                     menu.




  Boutons de programmation




                             ALLUMER OU VALIDATION



                                   MONTRER



                                ÉTAPE PRÉCÉDENTE


                        DÉPLACEMENT MENU PRINCIPAL OU
                                PROGRAMMES



                        DÉPLACEMENT MENU PRINCIPAL OU
                                PROGRAMMES




           M                 PROGRAMMER OU MODIFIER




                                      - 39 -
CUISSON


              PROGRAMME
              CUISSON 1

                                          PHASE 1

                                          PHASE 2



              PROGRAMME                   PHA



  LAVAGE


              LAVAGE DOUX

              LAVAGE MOYEN

              LAVAGE FORT


 HISTORIQUE

               H.TOTAL              3 HEURES
               H.VAPEUR              1 HEURE




               TN max              150 ºC
               TG max              120 ºC

CHOIX DE LA LANGUE


                             ESPAGNOL


                             ANGLAIS

                             FRANÇAIS

                             ALLEMAND


                              ITALIEN
                                 - 40 -
                                   -38-
Pour entrer en mode programmation, appuyez sur la touche           .
Une fois en mode programmation, il est possible de choisir entre les 4 options du menu
principal à l'aide des touches. Dans l'un des menus principaux, appuyez sur la touche        pour
entrer à l'intérieur. Il est possible de se déplacer entre les programmes existant, en agissant de
la même façon qu'auparavant et en utilisant les mêmes boutons.
Pour revenir en arrière, appuyez sur la touche         autant de fois que nécessaire pour parvenir
au point souhaité.
Une fois dans le programme choisi, il suffit d'appuyer sur la touche       pour l'activer.
Pour arrêter l'exécution à n'importe quel moment, appuyez de nouveau sur la touche           .
Pour passer en mode manuel, appuyez sur la touche     , jusqu'à ce que l'écran s'éteigne,
sauf si un programme est en cours d'exécution. Dans-ce cas-là, appuyez d'abord sur la
touche    .
Comment modifier ou ajouter un programme de cuisson
Sélectionnez d'abord le numéro du programme à programmer ou à modifier. Puis, appuyez sur
la touche M.
La deuxième rangée de l'écran de sélection du programme s'affiche en clignotant. Saisissez le
nom que vous souhaitez attribuer au programme. Pour ce faire, sélectionnez les caractères de
A à Z, . , espace, - , à l'aide des touches         . Une fois le nom saisi, appuyez sur la
touche .    .
Saisissez ensuite les valeurs de cuisson souhaitées pour les différentes phases s'affichant à
l'écran. Pour ce faire, saisissez manuellement sur le four les valeurs du mode, de la
température, de l'humidité, etc. que vous souhaitez utiliser pour cuisiner. Il existe un maximum
de 9 phases disponibles. Une fois la programmation des phases terminée (il n'est pas
nécessaire de toutes les programmer), appuyez sur la touche            pour sauvegarder tout ce
que vous avez programmé et revenir à la position du nom du programme.
Si au lieu d'appuyer sur la touche     , vous appuyez sur la touche M , vous effacerez toutes
les informations saisies dans ce programme et devrez reprogrammer les différentes phases.
Il existe 4 options différentes dans le menu principal : Programmes de cuisson, lavage,
historique et choix de la langue.
Il est possible de saisir jusqu'à 99 programmes dans le programme de cuisson et chacun de
ces programmes peut comporter un maximum de 9 phases.
Le programme de lavage comprend 5 programmes qui ne peuvent pas être modifiés. Ces
programmes sont les suivants :
                   Trempage rapide                       10 minutes
                   Rinçage et brillantage                46 minutes
                   Lavage doux                           85 minutes
                   Lavage moyen                          118 minutes
                   Lavage fort                           173 minutes
                   Lavage semi-automatique               28 minutes ( spray )
Dans le programme historique, appuyez sur la touche           pendant 5 secondes pour afficher le
menu suivant :
                                              - 41 -
H.Vapor R.= Heures totales de travail en mode Vapeur réglable.
H.Regeneración= Heures totales de travail en mode Régénération.

H.Mixto= Heures totales de travail en mode Mixte.
Convección Heures totales de travail en mode Convection.

H.CV= Heures totales d'actionnement de CV.
H.CC= Heures totales d'actionnement de CC.

Nº.c.CV= Nombre de cycles de CV.
Nº.c.CC= Nombre de cycles de CC.

Nº.c.MS/MB= Nombre de cycles d'ouverture/fermeture de la cheminée.
Nº.c.Des= Nombre de cycles totaux de détartrage.

Nº.c.lav. 10m= Nombre de cycles de lavage de 10 minutes
Nº.c.lav.46m= Nombre de cycles de lavage de 46 minutes

Nº.c.lav.85m= Nombre de cycles de lavage de 85 minutes
Nº.c.lav.118m= Nombre de cycles de lavage de 118 minutes

Nº.c.lav.173m= Nombre de cycles de lavage de 173 minutes
Nº.c.Ip= Nombre de cycles du contact porte

Nº.cal.= Nombre d'étalonnages effectués
Tcmax= Température maximum atteinte par Tc (sonde chambre)

Tvmin= Température de réenclenchement de Tv (sonde vapeur condensation)
Tvmax= Température maximum atteinte par Tv (sonde vapeur condensation)

TNmax= Température maximum atteinte par TN (sonde coeur)
TGmax= Température maximum atteinte par TG (sonde générateur de vapeur)
après le dernier détartrage



Dans le programme choix de la langue, il est possible de choisir entre 5 langues différentes.
                          Espagnol
                          Anglais
                          Français
                          Allemand
                          Italien


                                             - 42 -
8.- SÉQUENCE DES ÉVÈNEMENTS

                                            FOUR GAZ HGV
     Mode Vapeur 100 ºC GAZ
                                             CAPTEUR
Nº                ÉTAPE                                        SIGNAL          OBSERVATIONS
                                           RESPONSABLE
1 Sélectionnez mode Vapeur                 Potentiomètre PF   PF= 2 VDC
2 Sélectionnez temps ou température à      Encodeur Temps
  coeur
3 Fermez la porte                          Contact Reed Ip     12V
4 Vérification du niveau d'eau dans le     DN (Com, Max,      230V dans   Électrovanne VDV activée
  générateur de vapeur                     Min)               VDV         lorsqu'il manque de l'eau
5 Préchauffage du générateur de            Thermocouple Tg    C.E.V.      La chauffe s'arrête si TG
  vapeur jusqu'à 90 ºC CV activé                              agissent    atteint 180 ºC, et LDC
                                                              (230V)      s'allume
6 Le temps de cuisson commence             Logique du
  après le préchauffage.                   contrôleur C.E.G.
7 Apport de vapeur à l'intérieur de la     Thermocouple TC 230 V dans C.E.V. agit
  chambre de cuisson                                         CV
8 Apport d'air chaud à l'intérieur de la   Thermocouple TC 230 V dans C.E.C. agit.
  chambre de cuisson (depuis TC=                             CC
  60..90 ºC)
9 Chambre de condensation réglée en        Thermocouple TC 230V dans      VCN agit à intervalles
  usine à 80 ºC.                                           VCN

     Mode Régénération 35 . . . 180 ºC GAZ
                                             CAPTEUR
Nº                ÉTAPE                                         SIGNAL          OBSERVATIONS
                                           RESPONSABLE
1 Sélectionnez mode Régénération           Potentiomètre PF   PF= 6 VDC
2 Sélectionnez température de la           Encodeur
  Chambre                                  Température
3 Sélectionnez temps ou température à      Encodeur Temps
  coeur
4 Fermez la porte                          Contact Reed Ip     12V
5 Vérification du niveau d'eau dans le     DN (Com, Max,      230V dans    Électrovanne VDV activée
  générateur de vapeur                     Min)               VDV          lorsqu'il manque de l'eau
6 Préchauffage du générateur de            Thermocouple Tg    C.E.V.       La chauffe s'arrête si TG
  vapeur jusqu'à 90 ºC CV activé                              agissent     atteint 180 ºC, et LDC
                                                              (230V)       s'allume
7 Le temps de cuisson commence             Logique du
  après le préchauffage                    contrôleur C.E.G.
8 Apport de vapeur à l'intérieur de la     Thermocouple TC 230 V dans      C.E.V. agissent
  chambre de cuisson                                         CV            (Pourcentage de vapeur
                                                                           80%)
9 Apport d'air chaud à l'intérieur de la   Thermocouple TC 230 V dans      C.E.V. agissent.
   chambre de cuisson                                      CC
10 Chambre de condensation réglée en       Thermocouple TC 230V dans       VCN agit à intervalles
   usine à 80 ºC                                           VCN


                                                    - 43 -
Mode Mixte 35 . . . 250 ºC GAZ
                                             CAPTEUR
Nº                  ÉTAPE                                     SIGNAL           OBSERVATIONS
                                           RESPONSABLE
1    Sélectionnez mode Mixte              Potentiomètre PF PF= 8 VDC
2    Sélectionnez température de la       Encodeur
     Chambre                              Température
3    Sélectionnez temps ou température à Encodeur Temps
     coeur
4    Fermez la porte                      Contact Reed Ip 12V
5    Vérification du niveau d'eau dans le DN (Com, Max, 230V dans          Électrovanne VDV activée
     générateur de vapeur                 Min)             VDV             lorsqu'il manque de l'eau
6    Préchauffage du générateur de        Thermocouple Tg C.E.V. agit      La chauffe s'arrête si TG
     vapeur jusqu'à 90 ºC CV activé                        (230V)          atteint 180 ºC, et LDC
                                                                           s'allume
7 Le temps de cuisson commence              Logique du
   après le préchauffage                    contrôleur C.E.G.
8 Apport de vapeur à l'intérieur de la      Logique du        230 V dans   C.E.V. agit (Pourcentage
   chambre de cuisson (20” ON 20”           contrôleur C.E.G. CV           de vapeur 60%)
   OFF)
9 Apport d'air chaud à l'intérieur de la    Thermocouple TC 230 V dans     C.E.C. agit.
   chambre de cuisson                                       CC
10 Chambre de condensation réglée en        Thermocouple TC 230V dans      VCN agit à intervalles
   usine à 80 ºC                                            VCN

        Mode Vapeur Réglable 35 . . . 125 ºC GAZ
                                                CAPTEUR
 Nº                   ÉTAPE                                      SIGNAL        OBSERVATIONS
                                              RESPONSABLE
    1   Sélectionnez mode Réglage Vapeur Potentiomètre PF PF= 4 VDC
    2   Sélectionnez température de la       Encodeur
        Chambre                              Température
    3   Sélectionnez temps ou température à Encodeur Temps
        coeur
    4   Fermez la porte                      Contact Reed Ip 12V
    5   Vérification du niveau d'eau dans le DN (Com, Max, 230V dans       Électrovanne VDV activée
        générateur de vapeur                 Min)              VDV         lorsqu'il manque de l'eau
    6   Préchauffage du générateur de        Thermocouple Tg C.E.V.        La chauffe s'arrête si TG
        vapeur jusqu'à 90 ºC CV activé                         agissent    atteint 180 ºC, et LDC
                                                               (230V)      s'allume
    7   Le temps de cuisson commence         Logique du
        après le préchauffage                contrôleur C.E.G.
    8   Apport de vapeur à l'intérieur de la Thermocouple TC 230 V dans C.E.V. agissent
        chambre de cuisson                                     CV       (Pourcentage de vapeur
                                                                        80%)
 9 Apport d'air chaud à l'intérieur de la    Thermocouple TC 230 V dans C.E.V. agissent.
    chambre de cuisson                                       CC
 10 Chambre de condensation réglée en        Thermocouple TC 230V dans VCN agit à intervalles
    usine à 80 ºC                                            VCN


                                                     - 44 -
Mode Convection 35 . . . 300 ºC GAZ
                                             CAPTEUR
Nº                ÉTAPE                                        SIGNAL      OBSERVATIONS
                                           RESPONSABLE
1 Sélectionnez mode Convection             Potentiomètre PF   PF= 10 VDC
2 Sélectionnez température de la           Encodeur
  Chambre                                  Température
3 Sélectionnez temps ou température à      Encodeur Temps
  coeur
4 Fermez la porte                          Contact Reed Ip 12V
5 Vérification du niveau d'eau dans le     DN (Com, Max, 230V dans Électrovanne VDV activée
  générateur de vapeur                     Min)              VDV      lorsqu'il manque de l'eau
6 Le temps de cuisson commence             Logique du
                                           contrôleur C.E.G.
7 Apport d'air chaud à l'intérieur de la   Thermocouple TC 230 V dans C.E.V. agissent.
  chambre de cuisson                                         CC




                                                  - 45 -
9.- DÉFAILLANCES

                   EFFET                                      CAUSE                                         ACTIONS
1. -Le four ne fonctionne sur aucun mode    1.1.Interrupteur porte IP                     1.1. Révisez – Changez ou réglez
Écrans éclairés                             1.2.Thermique moteur FM                       1.2.Révisez ou changez le moteur
                                            1.3. Limiteur Chambre TSC                     1.3. Révisez sonde Tc, et Contrôle C.E.C.
                                            1.4. Limiteur Chaudière Vapeur TSV            1.4. Révisez Contrôleur C.E.G ou détecteur de
                                                                                          niveaux DN.
2. -Ni le brûleur convection ni le          2.1. Variateur Vv ou soufflante VC en         2.1. Changez-les
générateur de vapeur ne s'allument          panne
Écrans éclairés
Moteur turbine en marche
Voyant D21 du variateur de fréquence Vv
(séquence de trois impulsions)
3. -Le brûleur convection ne s'allume pas   3.1. Défaillance variateur de fréquence Vv    3.1. Révisez et changez
Écrans éclairés                             3.2. Défaillance soufflante VC                3.2. Révisez et changez
Moteur turbine en marche
Voyant D21 du variateur de fréquence Vv
(séquence d'une impulsion)
4 - Le brûleur convection ne s'allume pas   4.1. Injecteur incorrect                      4.1. Vérifiez injecteur et installez celui qui
Écrans éclairés                             4.3. Faux contact dans contrôle d'allumage    convient
Moteur turbine en marche                    CEC                                           4.3. Révisez câblage détection
Indicateur brûleur chambre bloqué, est      4.4. Contrôle d'allumage en panne CEC         4.4. Changez-la
allumé                                      4.5. Pas ou peu de gaz                        4.5. Vérifiez avec manomètre dans vanne gaz
Voyant D21 du variateur de fréquence Vv     4.6. Défaillance détection flamme             4.6. Vérifiez position détecteur-brûleur (5-6
(séquence à deux impulsions)                4.7. Débit de gaz allumé dans vanne           mm) et branchements ou changez détecteur
                                            convection basse                              4.7. Vérifiez pressions dynamiques et
                                            4.8. Vanne gaz convection                     augmentez débit dans régulateur de gaz
                                            4.9. Défaillance train d'étincelles           4.8. Changez vanne gaz
                                            4.10. Pression de gaz excessive à l'arrivée   4.9. Vérifiez position bougie brûleur (3-4 mm) et
                                                                                          branchements
                                                                                          4.10. Vérifiez pression de gaz et corrigez-la

                                                                 - 46 -
EFFET                                        CAUSE                                        ACTIONS
5. -Bruit pendant l'allumage                 5.1. Trop de gaz pendant l'allumage         5.1. Vérifiez code de vanne correspondant au
                                             5.2. Brûleur ne correspond pas d'après      gaz et au modèle
                                             modèle                                      5.2. Vérifiez pressions vanne gaz dans brûleur
                                             5.3. Type de gaz ne correspond pas au       5.3. Révisez pressions et modèle
                                             modèle                                      5.4. Révisez et corrigez (Augmentez vitesse
                                             5.4. Interrupteurs du variateur de          allumage)
                                             fréquence ne correspondent pas              5.5. Révisez et corrigez
                                             5.5. Vanne de gaz ne correspond pas au
                                             type de gaz
6. - Allumage brusque avec une légère        6.1. Interrupteurs du variateur de          6.1. Révisez et corrigez vitesse d'allumage
explosion                                    fréquence ne correspondent pas
                                             6.2 Type de gaz ne correspond pas au        6.2. Révisez pressions et modèle
                                             modèle                                      6.3. Révisez et corrigez
                                             6.3. Vanne de gaz ne correspond pas au      6.4. Vérifiez position bougie brûleur (3-4 mm) et
                                             type de gaz                                 branchements
                                             6.4. Défaillance train d'étincelles
7. - Le four fonctionne pendant un certain   7.1. Thermique moteur FM                    7.1. Vérifiez que l'arrivée des trois phases au
temps                                                                                    moteur est correcte
Puis il s'arrête et recommence à                                                         7.2. Vérifiez s'il y a présence d'humidité externe
fonctionner                                                                              au moteur
                                                                                         7.3. Changez moteur
8. - Ne génère pas de vapeur                 8.1. Trop de tartre dans le générateur de   8.1. Détartrez le générateur de vapeur (Voir
Indicateur LDC allumé en continu             vapeur                                      guide d'instructions)
9. - Ne génère pas suffisamment de           9.1. Cheminée ferme mal                     9.1. Révisez et corrigez
vapeur                                       9.2. Sonde chambre en panne TC              9.2. Changez sonde ou étalonnez
Vanne gaz vapeur GV3-GV4 activée




                                                                  - 47 -
Modes de défaillance :
Le four indique la cause de certaines erreurs Lorsqu'une erreur de ce type se produit :
   Le signal sonore sonne de façon intermittente.
   Un message d'erreur clignote sur les écrans.
   Appuyez sur une touche pour l'ignorer.
   Le message d'erreur demeure si la porte est ouverte.
   Pour effacer le message d'erreur de l'écran et que le signal sonore cesse, déconnectez
   la tension du contrôleur ou éliminez la défaillance ayant entraîné l'erreur.
   Lorsque la défaillance ayant entraîné l'erreur disparaît, les sorties recommencent à
   fonctionner normalement.
Les différents types d'erreur existant apparaissent ci-après :




 Err             001

                                                      Err 1      Snd CCI

 Snd           CC1                           Lorsqu'il y a un problème dans la
                                           sonde de température de la chambre.




                                                      Err 2      Snd ncI
 Err             002
                                             Lorsqu'il y a un problème dans Tn
                                                      (sonde à coeur).
 Snd             ncl




                                             - 48 -
Err    003
                        Err 3    TEM    FLI

                Lorsque la température du four
                      dépasse 330 ºC.
TEM
       FLI




Err
       004
                       Err 4    Snd    nIL

                Les sondes du niveau d'eau
Snd    nIL           fonctionnent mal.




 Err    005
                        Err 5   Snd    UAP

               Lorsqu'il y a un problème dans la
                    sonde de température
 Snd    UAP




              - 49 -
Err     006

                        Err 6   Snd   gnr

Snd             Lorsqu'il y a un problème dans la
        gnr
                     sonde de température




  Err    007            Err 7   Snd   CAL

               Si, au bout de 15’, l'étalonnage ne
                        peut être obtenu.
  Snd   CAL




Err     008

                        Err 8   CTL   HUM

               Lorsque le non fonctionnement du
CTL     HUM
               contrôle de l'humidité est détecté.




               - 50 -
Err    009
                       Err 9   PrG OFF

               Lorsque le non fonctionnement du
 PrG   OFF        programmateur est détecté.




 Err    010
                   Err 10      FLt     H20

              Lorsque la vanne de remplissage du
              générateur de vapeur est en marche
 FLt   H20     depuis plus de 7 minutes et que le
               niveau maximum n'est pas atteint.




Err    011
                      Err 11   FLL UAC

               Lorsque la pompe de vidange est en
FLL    UAC     marche depuis plus d'une minute et
              que le niveau minimum ne baisse pas.




                   - 51 -
Err 12   FLL tco
Err   012
            Lorsque cc agit et qu'en trois minutes Tc ne monte
                           pas de 3 degrés ou plus.
                                      ou
              Si Tg inférieur à 93 ºC. Lorsque Cv agit et qu'en
FLL   tco    trois minutes Tg ne monte pas de trois degrés ou
                                     plus.




                    - 52 -
10.- PARAMÈTRES ET RÉGLAGES

                                                                                            V puissance    V puissance       Tuyère
         MODÈLE                   Nº code appareil   V entretien             V allumage
                                                                                             moyenne        maximum
HGC 10-21 BP 380-415V 3N 50HZ       112132500        2 200 tr/mn.            2 500 tr/mn.   2 500 tr/mn.   4 500 tr/mn.   Ø 4,8 T305068
HGC 10-21 GN 380-415V 3N 50HZ       1121325001       2 200 tr/mn.            3 000 tr/mn.   3 500 tr/mn.   6 000 tr/mn.   Ø 6 T305069
HGC 10-21 BP 380-415V 3N 50HZ A     1121325002       2 200 tr/mn.            2 500 tr/mn.   3 000 tr/mn.   5 000 tr/mn.   Ø 4,8 T305068
HGC 10-21 GN 380-415V 3N 50HZ A     1121325003       2 200 tr/mn.            3 000 tr/mn.   3 500 tr/mn.   6 000 tr/mn.   Ø 6 T305069
 VGC 10-21 BP 380-415V 3N 50HZ      1121325004       2 200 tr/mn.            2 500 tr/mn.   3 000 tr/mn.   5 000 tr/mn.   Ø 4,8 T305068
 VGC 10-21 GN 380-415V 3N 50HZ      1121325005       2 200 tr/mn.            3 000 tr/mn.   3 500 tr/mn.   6 000 tr/mn.   Ø 6 T305069
   HGC 10-21 BP 220V 3 50HZ         1121325006       2 200 tr/mn.            2 500 tr/mn.   2 500 tr/mn.   4 500 tr/mn.   Ø 4,8 T305068
   HGC 10-21 GN 220V 3 50HZ         1121325007       2 200 tr/mn.            3 000 tr/mn.   3 500 tr/mn.   6 000 tr/mn.   Ø 6 T305069
 HGC 10-21 BP 380-415V 3N 60HZ      1121325010       2 200 tr/mn.            2 500 tr/mn.   3 000 tr/mn.   5 000 tr/mn.   Ø 4,8 T305068
HGC 10-21 GN 380-415V 3N 60HZ       1121325011       2 200 tr/mn.            3 000 tr/mn.   3 500 tr/mn.   6 000 tr/mn.   Ø 6 T305069
   HGC 10-21 BP 220V 3 60HZ         1121325012       2 200 tr/mn.            2 500 tr/mn.   3 000 tr/mn.   5 000 tr/mn.   Ø 4,8 T305068
   HGC 10-21 GN 220V 3 60HZ         1121325013       2 200 tr/mn.            3 000 tr/mn.   3 500 tr/mn.   6 000 tr/mn.   Ø 6 T305069
 HGV 10-21 BP 380-415V 3N 50HZ      1121325100       2 200 tr/mn.            2 500 tr/mn.   2 500 tr/mn.   4 500 tr/mn.   Ø 4,8 T305068
HGV 10-21 GN 380-415V 3N 50HZ       1121325101       2 200 tr/mn.            3 000 tr/mn.   3 500 tr/mn.   6 000 tr/mn.   Ø 6 T305069
HGV 10-21 BP 380-415V 3N 50HZ A     1121325102       2 200 tr/mn.            2 500 tr/mn.   3 000 tr/mn.   5 000 tr/mn.   Ø 4,8 T305068




                                                                    - 53 -
V puissance    V puissance       Tuyère
          MODÈLE                  Nº code appareil   V entretien             V allumage
                                                                                             moyenne        maximum
HGV 10-21 GN 380-415V 3N 50HZ A     1121325103       2 200 tr/mn.            3 000 tr/mn.   3 500 tr/mn.   6 000 tr/mn.   Ø 6 T305069
 VGT 10-21 BP 380-415V 3N 50HZ      1121325104       2 200 tr/mn.            2 500 tr/mn.   3 000 tr/mn.   5 000 tr/mn.   Ø 4,8 T305068
VGT 10-21 GN 380-415V 3N 50HZ       1121325105       2 200 tr/mn.            3 000 tr/mn.   3 500 tr/mn.   6 000 tr/mn.   Ø 6 T305069
   HGV 10-21 BP 220V 3 50HZ         1121325106       2 200 tr/mn.            2 500 tr/mn.   2 500 tr/mn.   4 500 tr/mn.   Ø 4,8 T305068
   HGV 10-21 GN 220V 3 50HZ         1121325107       2 200 tr/mn.            3 000 tr/mn.   3 500 tr/mn.   6 000 tr/mn.   Ø 6 T305069
 HGV 10-21 BP 380-415V 3N 60HZ      1121325110       2 200 tr/mn.            2 500 tr/mn.   3 000 tr/mn.   5 000 tr/mn.   Ø 4,8 T305068
HGV 10-21 GN 380-415V 3N 60HZ       1121325111       2 200 tr/mn.            3 000 tr/mn.   3 500 tr/mn.   6 000 tr/mn.   Ø 6 T305069
   HGV 10-21 BP 220V 3 60HZ         112132512        2 200 tr/mn.            2 500 tr/mn.   3 000 tr/mn.   5 000 tr/mn.   Ø 4,8 T305068
   HGV 10-21 GN 220V 3 60HZ         1121325113       2 200 tr/mn.            3 000 tr/mn.   3 500 tr/mn.   6 000 tr/mn.   Ø 6 T305069
  HGP 10-21 BP 380-415V 3N 50HZ     1121325200       2 200 tr/mn.            2 500 tr/mn.   2 500 tr/mn.   4 500 tr/mn.   Ø 4,8 T305068
  HGP 10-21 GN 380-415V 3N 50HZ     1121325201       2 200 tr/mn.            3 000 tr/mn.   3 500 tr/mn.   6 000 tr/mn.   Ø 6 T305069
  HGP 10-21 BP 380-415V 3N 60HZ     1121325210       2 200 tr/mn.            2 500 tr/mn.   3 000 tr/mn.   5 000 tr/mn.   Ø 4,8 T305068




                                                                    - 54 -
Variateur vitesse soufflante
                  T303048




                Ventret.     Vallumage Vmoy. puis. Vmax. puis.



0000            800 tr/mn.              1000         2 500 tr/mn.
0001           1 000 tr/mn.             1001         3 000 tr/mn.
0010           1 200 tr/mn.             1010         3 500 tr/mn.
0011           1 400 tr/mn.             1011         4 000 tr/mn.
0100           1 600 tr/mn.             1100         4 500 tr/mn.
0101           1 800 tr/mn.             1101         5 000 tr/mn.
0110           2 000 tr/mn.             1110         5 500 tr/mn.
0111           2 200 tr/mn.             1111         6 000 tr/mn.


       Vitesses suivant position des sélecteurs du variateur
                             de vitesse.




                              - 55 -
11.- TRANSFORMATION DIFFÉRENTS GAZ
Pour transformer le four à un type de gaz autre que celui prévu en série, suivez les
instructions ci-après :
Dans la soufflante de convection, changez la tuyère et installez celle qui correspond au
nouveau gaz (voir tableau précédent). Dévissez les trois vis qui unissent la vanne de
gaz et le mélangeur, retirez la tuyère et le joint qui est accouplé.
Introduisez d'abord le joint, retiré au préalable, puis immédiatement après la nouvelle
tuyère. Il est important de respecter cet ordre car, dans le contraire, il sera très difficile
d'introduire le joint.
Remettez les vis en place.



                                                                               Vis (3)




Une fois la tuyère changée, modifiez la position des interrupteurs V. allumage, V.
entret., V. puis. moy. et V. puis. max. du variateur de vitesse conformément aux
tableaux précédents.
Remplacez les 12 injecteurs du brûleur du générateur de vapeur.




                                          Injecteur




   Détail brûleur générateur de vapeur


                                            - 56 -
Changez injecteurs gaz
                                                 brûleur du générateur
                                                 vapeur, 12 unités.


                                         Dévissez vis d'assemblage


                                   4




                                         Changez injecteurs gaz
                                         brûleur du générateur
                                         vapeur, 12.




 TYPE DE GAZ             Ø TUYÈRE                RÉFÉRENCE

BUTANE PROPANE              0,70                  Z955899

 GAZ NATUREL                1,10                  Z956104
 GAZ NATUREL
  AUSTRALIE                  1,2                  Z956109


     Tableau des tuyères pour le brûleur du générateur


                            - 57 -
12.- TRANSFORMATION DE LA TENSION

      Pour transformer le four de 380 V à 220 V triphasé, suivez les étapes suivantes :
        1º Changez les branchements électriques du four dans la réglette principale
d'entrée. Le schéma détaillé ci-après correspond à 220 V suivant si le four est à gaz ou
électrique.
      2º Changez les moteurs des turbines et installez celui qui est spécifié ci-après.



Four à gaz
1º                                                 2º



                                                         Remplacez le moteur de la turbine par
           am       n m g                                la référence T323023
           /ve      a



                    R S T


Four électrique
1º              2           2                      2º




          am        n m g
                                                        Remplacez le moteur de la turbine par
          /ve                                           la référence T323023




                    R S T



                                          - 58 -

Manual técnico gas 1021 evolution

  • 1.
    MANUAL TÉCNICO HORNOS A GAS HGC, HGV Y HGP 10/21 Marzo 2005 -1-
  • 2.
    INDICE PAG 1.- MODELOS Y DIMENSIONES 3 2.- CARACTERÍSTICAS TÉCNICAS 5 3.- PANEL PORTAMANDOS 6 4.- ESQUEMAS FUNCIONALES 9 5.- COMPONENTES 12 6.- ESQUEMA ELECTRICO Y DE MONTAJE 23 7.- INFORMACIÓN GENERAL DE USO Y FUNCIONES AUXILIARES. 28 8.- SECUENCIAS DE EVENTOS 43 9.- IRREGULARIDADES 46 10.- PARÁMETROS Y REGULACIONES 53 11.- TRANSFORMACIÓN A DIFERENTES GASES 56 12.- TRANSFORMACIÓN DE TENSIÓN 58 -2-
  • 3.
    1.- MODELOS YDIMENSIONES HORNO HGC 120 1479 1173 1260 1330 992 605 440 130 395 73 2 1=Entrada de agua blanda RG¾”. 5 476 2=Desagüe general RG1” 576 706 3 775 3=Salida de humos Ø120. 1 4=Racor entrada de alimentación eléctrica. 6 4 5=Tapón limpieza desagüe. 1755 6=Entrada de gas RG¾”. 50 60 120 -3-
  • 4.
    HORNO HGV YHGP 150 1573 1173 1330 992 605 395 185 130 73 1 = Entrada de agua blanda RG ¾”. 193 2 5 2 = Desagüe general RG1” 576 3 706 3 = Salida de humos Ø 120. 775 4 = Racor entrada de alimentación 1 eléctrica. 6 5 = Tapón limpieza desagüe. 1755 4 6 = Entrada de gas RG ¾”. 50 60 120 -4-
  • 5.
    2.- CARACTERISTICAS TÉCNICAS MODELO HGC-10/21 HGV-10/21 HGP-10/21 Anchura X 1330 1330 1330 DIMENSIONES Profundidad Y 992 992 992 mm EXTERIORES Altura s/chimenea W 1173 1173 1173 Altura c/chimenea Z 1479 1573 1573 Peso neto (Kg) 250 Kg 278 Kg 283 Kg Potencia eléctrica Kw 1,2Kw 1,2Kw 1,3Kw Sección 3x 1,5 + T Manguera Tensión 230V 50- Fusible Int. 10 A alimentación 3~ 60Hz General Dispositivo 30mA Diferencial Sección 3x 1,5 + N + T Manguera 380 Tensión 50- Fusible Int. 415V 10 A alimentación 60Hz General 3~ Dispositivo 30mA Diferencial Kcal/h (Hs) 24100 42.160 42.160 Potencia BTU (Hs) 95600 167.300 167.300 en gas Kw. (Hi) 28 49 49 Kg/h (29mb)Butano (G-30) 2,331 4,079 4,079 Kg./h (37 mb) Propano (G-31) 2,296 4,017 4,017 Consumos m3./h (20 mb) Gas natural (G- 2,963 5,185 5,185 nominales 20) 3 m ./h (25 mb)Gas natural (G- 3,078 5,540 5,540 25) Nº bandejas GN 2-1 10 10 10 Peso máximo de carga kgs 100 100 100 Consumo aproximado de agua (litros / hora) - 75 75 Presión entrada de agua Kg/cm 0,5 ÷ 8 -5-
  • 6.
    3.- PANEL PORTAMANDOS HORNO HGC 1 Selector de modo 2 Posición horno desconectado 7 Indicador modo aire caliente 8 Selector temperatura de cámara 9 Display selección temperatura cámara 10 Display temperatura real cámara 11 Selector tiempo 12 Display selección tiempo 13 Indicador tiempo que falta 18 Selector potencia velocidad 19 Posición máx potencia máx. velocidad 20 Posición media potencia media velocidad 21 Posición media potencia máx velocidad 25 Indicador enfriamiento 26 Pulsador enfriamiento 28 Indicador quemador cámara bloqueado 29 Pulsador desbloqueo quemadores 30 Pulsador humidificador -6-
  • 7.
    HORNO HGV 1 Selector de modo 2 Posición horno desconectado 3 Indicador modo vapor 4 Indicador modo vapor regulable 5 Indicador modo regeneración 6 Indicador modo mixto 7 Indicador modo aire caliente 8 Selector temperatura de cámara 9 Display selección temperatura cámara 10 Display temperatura real cámara 11 Selector tiempo/temperatura de núcleo 12 Display selección tiempo/temperatura núcleo 13 Indicador tiempo que falta/temperatura real de nucleo 14 Selector función: tiempo/temperatura núcleo/delta 15 Indicador función: tiempo 16 Indicador función: temperatura núcleo 17 Indicador función: delta 18 Selector potencia velocidad 19 Posición máx potencia máx. velocidad 20 Posición media potencia media velocidad 21 Posición media potencia máx velocidad 22 Indicador de cal 23 Indicador desincrustación 24 Pulsador desincrustación 25 Indicador enfriamiento 26 Pulsador enfriamiento 27 Indicador quemador vapor bloqueado 28 Indicador quemador cámara bloqueado 29 Pulsador desbloqueo quemadores 30 Pulsador humidificador -7-
  • 8.
    HORNO HGP 0 Interruptor ON/OFF 1 Selector de modo 31 Display control de humedad 32 Aumento de humedad 33 Disminución de humedad 18 Selector potencia velocidad 34 Display modo programación 35 Pulsador Encender /Validación 36 Pulsador paso atrás 37 Pulsador movimiento en menú 38 Pulsador movimiento en menú 39 Pulsador mostrar 40 Pulsador programar / Modificar -8-
  • 9.
    4.- ESQUEMAS FUNCIONALES HORNOS HGC Tc TSC C.E.C= CONTROL COMBUSTION CAMARA GV1, GV2= ELECTROVALVULA GAS CAMARA M= MOTOR TURBINA Tc= SONDA CAMARA M TSC= TERMOSTATO SEGURIDAD CAMARA GV1, GV2 VC= VENTILADOR SOPLANTE C.E.C VC VHM= ELECTROVALVULA HUMIDIFICADOR VHM -9-
  • 10.
    HORNOS HGV Tc TSC Tn M1 C.E.C= CONTROL COMBUSTION CAMARA C.E.V= CONTROL COMBUSTION CALDERA DN= DETECTOR NIVEL CALDERA GV1, GV2= ELECTROVALVULA GAS CAMARA GV3, GV4= ELECTROVALVULA GAS CALDERA M= MOTOR TURBINA M1= MOTOR CHIMENEA Tc= SONDA CAMARA DN M Tg= SONDA CALDERA TSV Tn= SONDA NUCLEO Tg TSC= TERMOSTATO SEGURIDAD CAMARA VC TSV= TERMOSTATO SEGURIDAD CALDERA VAC= BOMBA VACIADO VC= VENTILADOR SOPLANTE VCN VCN= ELECTROVALVULA CONDENSACION VDV= ELECTROVALVULA LLENADO CALDERA VHM VHM= ELECTROVALVULA HUMIDIFICADOR VDV C.E.V VAC GV1, GV2 GV3, GV4 C.E.C - 10 -
  • 11.
    HORNO HGP Tc TSC Tn M1 C.E.C= CONTROL COMBUSTION CAMARA C.E.V= CONTROL COMBUSTION CALDERA DN= DETECTOR NIVEL CALDERA GV1, GV2= ELECTROVALVULA GAS CAMARA GV3, GV4= ELECTROVALVULA GAS CALDERA M= MOTOR TURBINA M1= MOTOR CHIMENEA Tc= SONDA CAMARA Tg= SONDA CALDERA Tn= SONDA NUCLEO DN M TSC= TERMOSTATO SEGURIDAD CAMARA TSV TSV= TERMOSTATO SEGURIDAD CALDERA Tg VAC= BOMBA VACIADO VC VC= VENTILADOR SOPLANTE VCN= ELECTROVALVULA CONDENSACION VDV= ELECTROVALVULA LLENADO CALDERA VCN VHM= ELECTROVALVULA HUMIDIFICADOR B.L= BOMBA DE LAVADO VHM V.L=VALVULA LAVADO C.E.V VAC VDV GV3, GV4 B.L GV1, GV2 C.E.C V.L - 11 -
  • 12.
    5.- COMPONENTES Quemador convección 3 m -4m 5-6 mm BE BD La junta quemador no debe coincidir con la posición de BE y BD Válvula de gas Soplante Control de encendido Soplante completo HGV - 12 - -12-
  • 13.
    Soplante completo HGV Bujía de encendido Detector de llama Soplante completo HGV - 13 -
  • 14.
    Detector de Bujía de llama encendido Detalle quemador Quemador generador de vapor generador de vapor Dispositivo lento encendido ( lacrado) Presion salida Presion entrada Válvula de gas + Control de encendido del generador de vapor - 14 -
  • 15.
    Motor chimenea Micros Parte superior chimenea Mecanismo chimenea Limitador temperatura Limitador de temperatura del cámara generador de vapor Tº 360º C - 15 - Tº 150º C TSC TSV
  • 16.
    Generador + Botede niveles Vaciado Llenado Condensación Ducha Humidificador generador + lavado Aspiracion Bomba de desague Electrovalvulas generador - 16 -
  • 17.
    HORNOS HGC -HEI I1 I2 I3 Controlador T353003 I1=0 Electrico I1=1 Gas I2=0 ºC I2=1 ºF INTERRUPTORES TARJETA I3=0 No calibra DE CONTROL I3=1 Calibra - 17 -
  • 18.
    HORNOS HGV -HGP - HEM - HEP Controlador T303005 I1 I2 I3 I4 I1=0 Electrico I1=1 Gas I2=0 Sin control de humedad I2=1 Con control de humedad INTERRUPTORES TARJETA I3=0 ºC DE CONTROL I3=1 ºF I4=0 No calibra I4=1 Calibra - 18 -
  • 19.
    Variador velocidad soplante T303048 Vmanten. Vencend. Vmedia pot. Vmax pot. 0000 800 r.p.m 1000 2500 r.p.m 0001 1000 r.p.m 1001 3000 r.p.m 0010 1200 r.p.m 1010 3500 r.p.m 0011 1400 r.p.m 1011 4000 r.p.m 0100 1600 r.p.m 1100 4500 r.p.m 0101 1800 r.p.m 1101 5000 r.p.m 0110 2000 r.p.m 1110 5500 r.p.m 0111 2200 r.p.m 1111 6000 r.p.m Velocidades según posición de los selectores del variador de velocidad. - 19 -
  • 20.
    Válvula Micros Motor valvula Entrada agua Salida a desague Salida a bomba de lavado Soporte micros Válvula lavado Condensador Válvula + motor motor Impulsión Aspiración Bomba lavado Condensador 2,5 µF - 20 -
  • 21.
    DESPIECE QUEMADOR COMPLETOHORNO HGC 4 6 3 5 2 1 7 16 1 0 8 1 5 9 16 ELECTROD DETEC 6/101/102 GAS 1 T115712000 15 QUEMADOR FURIGAS 10-11/10-21 1 T115710000 14 TAPA PRINCIPAL 1 T115782000 11 13 VISOR DE ENCENDIDO 1 R725015000 14 1 2 12 BOQUILLA TOMA PRESION 1 R725017000 1 3 11 JUNTA TAPA PRINCIPAL 1 HB-71961 T305041000 10* VENTURI 45.900.446.052 1 T303040000 9 MANGUITO DOBLE 1/2 1 S205023000 8 TOBERA VK41 D4.8 1 HB-73113 T305068000 7* VALVULA VK 4115 V 1121 1 T303017000 6 CONTROL DE ENCENDIDO HONEYWELL 1 HC-76510 T303013000 5 JUNTA VENTURI 24x15.5 1 T303046000 4 VENTILADOR RG-130 1 HB-73153 T303016000 3 JUNTA VENTILADOR 1 HB-71962 T305042000 2 CONDUC. TAPA PRINCIPAL COMP. 1 HB-72985 T345000000 1 ELECTRODO IGNICION 10/11-10/ 1 T115781000 - 21 - -21-
  • 22.
    DESPIECE QUEMADOR COMPLETOHORNO HGV Y HGP 4 5 3 2 1 6 7 8 10 9 16 16 ELECTRODO IGNICION 10/11-10/ 1 T115781000 15 JUNTA TAPA PRINCIPAL 1 HB-71961 T305041000 14 CONDUC. TAPA PRINCIPAL COMPL 1 HC-75810 T305035000 13 JUNTA VENTILADOR 1 HB-71962 T305042000 12 BOQUILLA TOMA PRESION 1 R725017000 11 11 VISOR DE ENCENDIDO 1 R725015000 10* VALVULA VK 4115 V 1121 1 T303017000 15 12 9 MANGUITO DOBLE 1/2 1 S205023000 8* VENTURI 45.900.446.052 1 T303040000 7 JUNTA VENTURI 24x15.5 1 T303046000 13 6 TOBERA VK41 D4.8 1 HB-73113 T305068000 5 CONTROL DE ENCENDIDO HONEYWELL 1 HC-76510 T303013000 14 4 VENTILADOR RG-130 1 HB-73153 T303016000 3 TAPA PRINCIPAL 1 T115782000 2 QUEMADOR FURIGAS 10-11/10-21 1 T115710000 -22- - 22 - 1 ELECTROD DETEC 6/101/102 GAS 1 T115712000
  • 23.
    6.- ESQUEMA TEORICOELECTRICO HORNOS HGC HGC 10 / 11 HGC 10 / 21 QEASP/ECG-20/11 R S4 RS 3 C EV C EC RS2 RS1 R IH vi am g m n GND 3 400V 12 C.T. am b Lcold Icold Ldes 11 Vv2 Ides rs M Ldc C 10 Vv1 g +12 am 9 8 +V m1 5m a m 4a 1 7 GND n2 r 3 3a 4 m vi 3 2 Ag 6 PWM am 3 vi ve a am B 5 HALL a 4 2 am 3 am/ve 9a rs C N5 2 b 8 na 1n le ds 5 6 C 4 1 7 am/ve 3 Ic a 2a 8a Ic 2 Vv CN 4 HAC CP n m 9 r r VC 6a 1 g r CN 10 PR G a CM D CM I CN7 Temp er CN 2 min n Tc m + C.E.G R K 0 - g N Modo IG 1 1a 2 2a CN12 + - a I 0 2k2 CN13 10k F I R S T N rs Ip rs Ip Ip g +12 3 4 7 8 9 am Lcold Ic 1 2 5 6 CN1 b Icold 1a 2 a 3a 4a 5a 6a 7a 8a 9a n gnd na 12 12V CN8 CN11 m 0 0V b vi a g n rs vi b vi 12 12V C C M M R R R C C C C r N R M s b 2 1 1 M C V MI D IG a a 3 220V R g m FI r rs g g g 2 2a FM TSC b rs r TRF vi M b C 10 Lz am Vv1 n vi b m 12 V 9 na am g C.E.C. vi CMD CMI m m 0V 12 11 10 9 8 7 6 5 4 3 2 1 vi b F CMI CMD VHM R S T N VE VE vi BEC IG 12 V GV1 g vi a FI GV2 B A DEC N ve a a a 1 1a - 23 - T343003000 -23- -23-
  • 24.
    PLANO MONTAJE HORNOSHGC VE T SC 3~ 50H z 220V Z-1030 66 n a TC g a 1 2a 1a IG 1 80 T -343 008 1 1 1 1 m ve C .L T -3 03018 am n m g 2 1 n /v e a na n m g vi b n m g b vi 8 R S T 1 3 5 N C A1 1 3 5 N C A1 1 3 5 A1 na rs Z-7430 09 Z -74 3009 8 C MD C MI 2 4 6 N C A2 2 4 6 N C A2 2 4 6 A2 TS C n m g vi a n m g b a 8 8 8 T -30 3009 1 n C.E . 180 na 1 T -3 4300 2 CN 5 1 1 1 1 1 l ed s 2 T -3 0303 3 510 gris 2 2 3 T -3 0303 4 2 negro 4 T -3 0303 5 blanco M CN 4 H A CC P 1 5 T -3 0303 6 mar ron amarillo SW 3 7 T -3 0302 2 az ul rojo I ca l I 3 2 1 C N 10 P RG 8 T -3 4300 6 Vv T-303048 9 T -3 0302 9 ON r gris J1 D21 J2 C N7 m T em p e r 7 1 0 T -3 0303 1 n S1 S2 S3 S4 a r r 1 1 T -3 0303 7 VF2 na C N2 m m in 7 E sque ma teo rico T -3430 03 VF 2 na D20 m n n L eyend a T -3 0304 2 VF 1 rs 1 am am T -323024 + Tc I ndicado r c omp . T -30 3043 T -113023 VF 1 2 - LOAD a - S1/S2 r.p .m. Hz. Controlador HMI-2003 C N1 2 MP m GV vi 0000 0001 800 1000 33 27 1 T353003000 GV g 0010 1200 40 2k 2 D19 LINE 0011 1400 47 CC rs 0100 1600 53 1 CN13 FI 0101 0110 1800 2000 60 67 T-3 43 007 7 J3 N a 0111 2200 73 R n 1000 2500 83 10k 1001 3000 100 m M OTO R 1010 3500 117 ve C N1 rs Ip 400 V 2 30 V 1011 4000 133 2 1100 4500 150 rs Ip XX /21 T -32 3022 T -32 3023 1101 5000 167 am/ ve g +12 n m r 1110 5500 183 XX /11 T -67 3065 T -67 3066 1 1111 200 a m Lc old 6000 1 1 b Ico ld n g nd 1 na 12 6 M M 9 m 0 180 vi 12 2 2 1 1 1 7 1 b vi CN 8 a g n rs vi b CN1 1 M am a n m g na m m vi b am r a n m r M M C R R C C C C C N R 3 /v e s b R 1 1 M C V M M 4 Z-2633 03 12 0 0 12 12 0 230 0 I D 2 P-4530 26 1 43 VC T-3030 16 1 T -303 04 1 G V1 N R S T TRF 20 G V2 n 0 am am 2 a R-503005 m n m g ve am m Z -26 3302 g 3 IC 4 R -073 005 A R -663 026 5a 4a 1a 3a 2a 9a 8a 7a 6a g 10a vi a am / v e Fus ib le 10 A 2 1 1 1 r a R -723 015 C .E .C . 3 10 A 9 7 6 4 3 2 1 8 5 T -30 3013 a vi 1 am /v e r ve na am b 4 1 2 1 1 1 3 1 n L co ld LS T C am vi am g m b 1 C .T Ico ld RS T IH T -30301 9 g 2 2 2 2 1 1 1 1 1 1 r a Z-233 012 1 Lz 1 1 T -30 3023 RC R -66301 3 VE rs am Z-1 03 066 a b m 10 Tornillo M4x20 W Ip Q-081365 Cabl es masa VHM Ara ndel a mue lle A4 P-305013 1 l/min Amarillo 20/ 21 10 Lengueta macho doble Z-100522 R-715011 0,5 l/min Rojo 10/21, 20/11 b Q-261020 Q-563004 R-665041 0,25 l/min Verde 10/11 6/11 am T uerca M4 Plac a asiento c onexion mas a R-073004 Q -16302 0 Q-563004 10 Tuerca c uadrada M4 Q -22190 1 Tue rc a M4 Q-163020 Z-701135 10 10 10 T343004000 PRE NSAESTOPAS - 24 - -24-
  • 25.
    ESQUEMA TEORICO ELECTRICOHORNOS HGV Y HGP HG V 10/2 1 HG P 10 / 21 R S4 RS3 C EV CEC R S2 R S1 R IH v i am na v e m n n G ND na 12 am L cold C na rs am 11 Vv2 10 Vv1 C .T . m b ve Icold L des Id es 9 r Ld c +V m1 5m vi + 12 8 a 3 400V m m vi 7 GND n2 4a 1 n 9a Ic B A rs g 6 5 PWM am 3 HALL a 4 3 2 am 2 3 am/ve C.H S.H C 4 1n am/ve 3 Vv 9 n a E NC O DE R M n 2 1 VC PR G LE DS H AC CP 3 3a 4 vi ve a am 2 b 8 na 5 6 CN 1 4 C N1 3 C N4 CN 5 C N 2 C N1 0 1 7 2a 8a Ic CM D b P RG %H R HAC CP l ed s mi n T e mpe r n m 6a CM I vi rs Ip b vi Vv 2 Ip g 11 12 CV na rs Ip na ve 9 10 CC rs na CMD CMI CMI CMD C.E.V . am Vv 1 C na C.E.C. vi CM n O Modo IG 1 1a 2 2a m b vi 12 11 10 9 8 7 6 5 4 3 2 1 12 1 1 10 9 8 7 6 5 4 3 2 1 R g vi Cold am Lcold n m R C V OFF VH M C MD CMI a m Icold N g VAPOR GV3 n B EV GV1 g B EC g De s vi CN7 REG. VAPOR GV4 D EV GV2 B A DE C b Ldes N a a M RV REGENERAC. ve Ides a C .E.G . RG MIXTO n r Ld c F CONVE CCION r Ldc r rs vi g CN3 R S T N FM T SC T SV Mc ve m ve Ma b n PF b M BA vi na 4 7 9 Ic 1 2 3 5 6 8 vi V Cnd rs C N 17 1a 2a 3a 4a 5 a 6a 7a 8a 9a na V V ac na + K am Tc - V DV n C rs n + Ma R 32 m Mc R 32 g Tv - MBA VCN VA C VDV + Md CN 9 Tn - R32 + a Tg - IG 3 220V R g m FI r r C N1 5 2 2a r R 31 a R31 ve b Lz n GN D(12V ) M am R1 b vi 0 R1 x 12 CR 2 n na Mb m 12 m am Com m Ms r g 0 ve m in C N8 g M ax na 12 12 F vi 12 Mb Ms R31 m 0 0 R S T vi 12 12 VE VE M ch IG CN1 a ve FI a a J1 DN N 1 1a - 25 - T303038000
  • 26.
    PLANO MONTAJE HORNOSHGV Y HGP VE % HR T SC Z-103 066 IL T SC 3 ~50 Hz 22 0V T -303 009 m n n a am C .H m n n a am 1 2 T -3 2301 3 rs vi TN n 9 9 a 200 1 1 1 1 1 TC 9 g a m 1 4a 3a 2a 1a n IG 6 6 - T-303 004 g m n vi b n m g b vi na PF ve g 1 3 5 N C A1 1 3 5 N C A1 1 3 5 A1 T-303 020 11 Z -7 4300 9 Z -74 30 09 C .L m n m g n CMD T-3 0301 8 am Ms a CMI 4 3 2 1 12 /ve a R -010 534 n ve a m m r n a v i 14 2 4 6 N C A2 2 4 6 N C A2 2 4 6 A2 r M1 n m g vi a n m g b a 9 n T SV 9 9 8 7 R S T T-113010 Z -95 3035 9 9 7 n 9 Mb R -0105 34 m 200 am n a n m a m na n m n a r m am ve n r m n E m in E ºC r m n am /v e P RG % H R H AC C P leds 1 1 1 1 1 8 12 6 270 2 2 2 b CMD rs Ip vi rs Ip CMI na CV na IL 7 1 1 1 rs CC na IL 1 T-3 0303 2 Vv T -083 002 1 vi n CM C o ld 2 T-3 0303 3 D21 g R am L cold 3 T-3 0303 4 J1 J2 m Icold 4 T-3 0303 5 gr is na S1 S2 a r 9 g 5 T-3 0303 6 VF 2 a N D es na D20 m 6 T-3 0303 0 negro blanc o VF2 b L des marron M VF1 rs n am 1 1 ve Ide s 7 T-3 0302 2 n m r amarillo am 8 T-3 0302 8 T-113023 VF1 LOAD a 2 C .E . r Ldc azul rojo - 9 T-3 0302 9 MP m S1/S2 r .p.m. Hz. T 3 03 005 r L dc 0000 800 27 10 T-3 0303 1 gris GV vi 0001 1000 33 11 T-3 0303 7 GV g 0010 1200 40 D1 9 6 6 6 m Esq u em a te oric o T -3 0303 8 LINE 0011 1400 47 CC rs 0100 1600 53 1 9 n PF Leye nda T -303 042 FI 0101 1800 60 0110 2000 67 J3 ve Vac l na Indic ad or co m p. T -30 30 43 N a 0111 2200 73 1 b R n 1000 2500 83 V Lav 1001 3000 100 m vi V D es + 1010 3500 117 ve T -323 024 Tc 2 rs - 60 VC nd 1011 4000 133 150 1 1100 4500 167 na VVa c + Tv 1101 5000 1110 5500 183 200 am /v e 60 am K - 1 8 1111 6000 n VD V + am T -3 0300 7 Tn 7 g ve 6 M M 9 m R 32 - M OT OR g R 32 + 1 200 9 T -323 01 1 Tg R-345060 400 V 230 V - XX /21 T -32 3022 T -3230 23 1 1 1 1 R-345063 20 T -3 0 3045 XX /11 T -67 3065 T -6730 66 0 R-345064 n GN D 1 1 0 2 7 10 x am a n m g n m r na m m vi b am r a 1 a R3 1 /v e 12 12 0 0 12 12 0 230 0 v e R 31 am C om P-453 026 Z-26 33 03 b R1 ve m in TRF 1 vi R1 g M ax 1 N R S T CR2 na 12 m Mb m 0 R- 503005 r vi Ms 12 Z -26 3302 R -07 3005 am /v e M F u sible 1 0A 2 1 R -72 3015 2 2 1 m 1 m g ve n 3 IC 4 4 A R -663 026 5a 4a 3a 2a 1a 9a 8a 7a 6a 10a 43 VC 1 n 10 1 A 9 4 8 7 6 3 2 1 5 TSV am 2 am a am m g 3 a 1 4 9 1 n ve na am vi b g vi a am/v e 1 n a Tg C. E.C . 1 GV 1 3 Ld c Ld es L S T V LS T C n 4 L cold vi am n a v e m n am m GV 2 b C .T ve a 1 r I de s IH T -30 3019 vi 1 4 3 Ic old RS T a m /v e na 4 PR G T -32 30 12 1 5 V Ac 11 5 Z -2 20 90 1 11 na m n na a m 5 11 o Jo na n 1 n 9 ve 9 5 G V3 a 11 G V4 C .E.V. 5 5 5 11 11 11 11 1 1 1 1 1 1 1 1 1 Lz 1 T-3 03 02 3 b Z -2 3301 2 a R -6630 13 ve vi a rs a RC a RC RC n am vi n m 10 rs To rnillo M4 x20 W Ip Q-081365 Cable s ma sa VDV VCN VHM Arandela muelle A4 10/11 8l/min 20/11 0.25l/min 10 Lengueta m ac ho do ble 20/21 VE Z-100522 Rojo 10/21 amarillo Z -10 3066 b Q-261020 Q-5630 04 10/21 3l/min P- 443042 10/11 Z-601156 8l/ min Z -601156 20/2 1 R-045001 am Pl aca asiento conexion mas a 20/11 Tuerca M4 Q- 163020 Q-5630 04 10 R-143010 R-033002 Tuerca c uad ra da M 4 Tuerc a M4 Z-701135 P-255001 Q-221901 Q-163020 10 10 10 PRENS AESTOPAS T303044000 - 26 - -26-
  • 27.
    LEYENDA E SPAÑ OL FR A NÇ A IS EN GL ISH D EU T SC H IT A LI AN O BEC = Bujía Enc endido C ám ara Bougie Allum ag e C ha m bre C ham ber Sp ark Plu g Z ündk erze Einsc halten G arra um C an de la di Ac censione C am era BEV = Bujía Enc endido C alde ra Bougie Allum ag e C ha udiè re Boiler Spark Plug Z ündk erze Einsc halten Bo ile C an de la di Ac censione C aldaia C .E.C = C ontrol C o m bust ión C ám ara Co ntrô le C om bu stio n C ham b re C ham ber C om b us tion C ontrol S teuerung Verbrennu ng Ga rraum C on trollo C om bustione C am era C .E.G = C ontrol E lec trón ic o Gen era l Co ntrô le Élect ron ique G énéral M ain E lec tronic C ontrol S teuerung Elektronik a llge m ein C on trollo E lettronico G enerale C .E.V = C ontrol C o m bust ión C alde ra Co ntrô le C om bu stio n C haudiè re Boiler C om bus tion C on tro l S teuerung Verbrennu ng Boiler C on trollo C om bustione C ald aia C .H = C irc uito H um e dad Circuit Hu m idité H um idity Circ uit K reislauf F euc ht igke it C irc uito U m idità C .L = C irc uito Le ds Circuit LED s Led C irc uit K reislauf LED s C irc uito L eds C .T = C irc uito T ec lado Circuit Clav ier Keyp ad C ircuit K reislauf T asta tu r C ic uit o T astiera C C1 ,C C 2 = C ontac tor R esis tenc ia C á m ara Co ntact eu r É lém e nt Ch auffant C ha m bre C ham ber H eating Ele m ent C onta ctor S chütz H eiz w idersta nd Ga rraum C on ta ttore R esistenz a C am e ra CMD = C ontac tor M otor D erech a Co ntact eu r M oteur D ro ite R ight En gine C o ntacto r S chütz M otor rech ts C on ta ttore M otore D es tra CMI = C ontac tor M otor Iz quierda Co ntact eu r M oteur G auc he Left E ng ine C on ta ctor S chütz M otor links C on ta ttore M otore Sinis tra C R2 = R ele A rran que Re lais D ém arrage Starting Re lay R elais Anlauf R elè Ac cens ion e C V1, C V2 = C ontac tor R esis tenc ia s C aldera Co ntact eu r É lém e nt Ch auffant C ha udiè re Boiler H eatin g Elem ent C ontact or S chütz H eiz w idersta nd Boiler C on ta ttore R esistenz a C ald aia D EC = D etec tor Llam a C ám ara Dé tecte ur F la m m e C ham b re C ham ber F lam e D etec to r F la m m endete ktor G arraum R ileva tore di F ia m m a C am e ra D EV = D etec tor Llam a C aldera Dé tecte ur F la m m e C hau dière Boiler F lam e D e te ctor F la m m endete ktor Boiler R ileva tore di F ia m m a C ald aia DN = D etec tor N ive l C alde ra Dé tecte ur N iveau Ch au dière Boiler Leve l D etec tor P eg elde te ktor Boile r R ileva tore Liv ello C ald aia EM = Enc oder Select or T ie m po Encod eur Séle cteu r T em ps T im e Se lec tor Enco der E nc oder Z eit w ah ls chalt er En code r S elettore T em p o EºC = Enc oder Select or T em p era tura Encod eur Séle cteu r T em pé rature T em perature Selec to r En coder E nc oder T em p era tu rw ah lsc halt er En code r S elettore T em p era tu ra F = F us ible s Fu sibles F uses S ic he rung en F usibili FI = F iltro Interf erencias Filtre In te rf ére nc es Interferenc e Filter S törun gsfilter F iltro Interferenz e FM = T érm ico M oto r Th erm ique M oteur T herm al En gine T herm o sch alter M oto r T erm ico M ot ore G V1 , GV 2 = Electro v álv ula Gas C á m ara Élec tro vanne Gaz C ham b re C ham ber G as S olenoid Valv e E lekt rov entil G as Ga rrau m Elettrov alv ola G as Cam e ra G V3 , GV 4 = Electro v álv ula Gas C a ldera Élec tro vanne Gaz C haudiè re Boiler Ga s Solenoid V alv e E lekt rov entil G as Bo iler Elettrov alv ola G as Caldaia IC = Selec to r V eloc idad P otenc ia Séle cteur Vit ess e Puissa nce Pow er Speed S elec tor W ahls chalter Ges chw indig keit L eis tung Se lettore V elocità Po tenza IG = Inte rruptor G eneral In terru pteur G éné ral M ain S w itc h H aupts c halter I nt errut to re g enerale IL = Inte rruptor Se gu ridad Lav ado In terru pteur S éc urité Lav age W as hing Safety Sw itc h S ic he rheits sch alter W a sch en I te rruttore Sicurez za Lavaggio Ip = Inte rruptor Se gu ridad Pue rt a In terru pteur S éc urité Porte D oor S afety Sw itc h S ic he rheits sch alter T ür I te rruttore Sicurez za Porta K1,K2, C K1 ,C K2= R ele R es is tenc ia Re lais Élé m ent Chau ffa nt H eating Elem e nt R elay R elais H eiz w iders ta nd R elè R esisten za Lz = Luz Interio r Éclairage Int érieur Inner Ligh t Inn en bele uchtun g Lu ce In te rna M , M 1, M 2 = M ot or T urbin a M oteur T urbin e T urb ine En gine M o tor T urb ine M o to re T urb ina M ch = M ot or C him enea M oteur C hem inée Stac k Engine M o tor Abluf tk am in M o to re C anna Md = M ot or Vá lv ula M oteur va nne Valv e Engine M o tor Ventil M o to re Valvola M BA = Bom b a Lava do Pom pe La vage W as hing Pum p W asc henpum p e Po m pa la vagg io Mb = Inte rruptor M ic ro Bajada M ic roru pt eu r De sce nte D rop M icro sw itc h M ikros chalter Senke n I te rruttore M ic ro D is c esa Ms = Inte rruptor M ic ro Subida M ic roru pt eu r M ontée R ise M ic ros w itc h M ikros chalter He ben I te rruttore M ic ro Sa lit a PF = Poten cióm etro Sele ctor F unc ion es Potentiom ètre Sé lect eu r Fo nc tion s F unctions S elec tor Potent iom ete r P ot entio m eter Fu nktions w ah lsc halt er Po tenziom etro Se letto re F unz ioni PR G = Program ado r Pro gra m m ateur Pro gra m m er P rog ram m iervorric htung Program m atore RC = R es is te ncias C ám ara Élém e nts C ha uf fants Ch am bre C ham ber H eating Ele m ent H eizw iders tände G arraum R es is tenze C a m ere RV = R es is te ncias C ald era Élém e nts C ha uf fants Ch au dière Boiler H eatin g Elem ent H eizw iders tände B oile r R es is tenze C a ldaia Tc = Son da C ám ara Sonde C ha m bre C ham ber Probe S on de Ga rraum So nda C am era TC N = T erm osta to C ondens ación Th erm osta t C on dens at ion C ondensa tio n T he rm os tat T herm o stat Ko nd ensierung T erm os tato C ond en saz ione Tg = Son da C aldera Sonde C ha udière Boiler Probe S on de Boiler So nda C alda ia TH = Son da H um edad Sonde H um idité H um idity Pro be S on de F euch tigk eit So nda U m idità Tn = Son da N úcleo Sonde N oy au C ore P rob e K ern te m peraturm es sond e So nda N uc leo TR F = T ran sform ad or Trans form ateur T ran sform er T ransf orm ator T rasfo rm at ore TS C = T erm osta to Segu ridad C ám ara Th erm osta t S écurit é C ham bre C ham ber Sa fe ty T herm os tat S ic he rheits therm osta t G arraum T erm os tato Sicurez za C am era TS V = T erm osta to Segu ridad C ald era Th erm osta t S écurit é C haudière Boiler Safety T herm ost at S ic he rheits therm osta t B oiler T erm os tato Sicurez za C aldaia Tv = Son da Vapor Sonde Va peur Steam P rob e S on de D am pf So nda Vap ore VAC = Bom b a Vac iado Pom pe Vidang e Vacu um Pum p A blas spum pe Po m pa s caric o VAc l = Electro v álv ula Ac la rad o Élec tro vanne Rinç age R ins ing S olenoid Valv e E lekt rov entil K larspüle n Elettrov alv ola R is ciacq uo VC = Ven tilado r Soplan te Ventilateur So uf flant Blow ing F an V en tilator Geb läse Ve ntilatore Soffiante VC N = Electro v álv ula C ond en sa ción Élec tro vanne Co ndens ation C ondensa tio n Soleno id Va lve E lekt rov entil K on den sieru ng Elettrov alv ola C onde ns azione VD V = Electro v álv ula Llenad o C aldera Élec tro vanne Re m pliss age C hau dière C ham ber F illin g Solenoid Va lv e E lekt rov entil F üllung Boiler Elettrov alv ola di R iem pim ento C aldaia VE = Ven tilado r Cu ad ro Elé ctrico Ventilateur T ableau Éle ctriq ue F an Sw itc hboard V en tilator Elek tro tafel Ve ntilatore Qu adro Elett ric o VH M = Electro v álv ula H um idifica dor Élec tro vanne Hu m idific ateur H um idifie r Solenoid Valve E lekt rov entil B ef eu chtu ng sv orric htun g Elettrov alv ola U m idificatore VLav = Electro v álv ula La vado Élec tro vanne Lav ag e W as hing Soleno id Valve E lekt rov entil W a sch en Elettrov alv ola Lav aggio Vv = Variad or Velo cida d Variateur V ites se Speed V ariator G esc hw ind igke itsre gler Va riatore di V eloc it à C OL OR C OLO R ES CO U LEU R S C OL OU R F A R B EN C O LOR E Va = Az ul Bleu Blue B lau Blu am = Am arillo Jaune Yellow G elb G iallo am /ve = Am arillo/ verde Jaune / vert Yellow / green G elb /g rün G iallo/v erde b = Blanc o Blan c W hit e W eiß Bianc o g = Gris Gris Grey G ra u G rigio m = M arrón M arro n Bro w n B rau n M a rron e n = N egro No ir Blac k S chw arz N ero na = N aranja Orange Orange O ra nge Aranc io r = R ojo Ro uge R ed R ot R os so rs = R os a Ro se Pink R os a R os eo ve = Verde Vert Green G rü n Ve rde vi = Violet a Violet Purple V iole tt Viola L e ye n d a H o rn o s H C -7 6 9 7 0 - 1 T3 03 0 42 00 0 - 27 -
  • 28.
    7.- INFORMACIÓN GENERAL DE USO Y FUNCIONES AUXILIARES 7.1.- Funcionamiento del horno. El horno puede trabajar en cinco modos diferentes: CONVECCION: El calentamiento se genera mediante resistencias calefactoras o quemador de gas internas en la cámara del horno. 35÷300 º C VAPOR: El calentamiento se genera mediante vapor de agua a 100 grados centígrados y a presión atmosférica. VAPOR REGULABLE: El calentamiento es por vapor y se puede seleccionar la temperatura deseada desde 35 hasta 125º C. MIXTO: El calentamiento se hace por convección y vapor a la vez, pero con mayor potencia en convección. 35÷250º C REGENERACION: El calentamiento se hace por convección y vapor a la vez, pero con más potencia en vapor que en modo mixto. 35÷180º C El horno puede trabajar en tres funciones diferentes: TIEMPO: Desde 1 hasta 120 minutos o bien indefinidamente. SONDA DE NUCLEO: Selección desde 0 hasta 99º C. DELTA: Selección desde 0 hasta 50º C para el modo vapor; 0÷75º C para el modo regulación vapor y 0÷99º C en los demás modos. 7.2.- Puesta en marcha uso manual. Al conectar la alimentación y seleccionar uno de los modos vapor, regulación de vapor, regeneración, mixto o convección, se conecta el controlador y se enciende el led del modo seleccionado. Los leds del control de humedad indican la humedad seleccionada.(Hornos programables). El display, selección temperatura cámara situado a la derecha visualiza el valor seleccionado de la temperatura y el display temperatura real cámara situado a la parte Izquierda visualiza el valor real. En el caso de la temperatura la medida nos la da el termopar de la cámara. El display selección tiempo/temperatura núcleo, situado a la derecha, visualiza el valor seleccionado de tiempo ó temperatura sonda núcleo según elección tecla select. - 28 -
  • 29.
    El display indicadortiempo/temperatura núcleo, situado a la izquierda, visualiza el tiempo que falta o la temperatura real de la sonda núcleo. Cuando se pone en marcha el horno la válvula de desague hace una comprobación, haciendo primero un ciclo de cerrar y luego abrir, en los hornos programables. Cuando se abre la puerta, el tiempo se detiene. Al cerrarse de nuevo la puerta continua el proceso sin modificar los valores que tenía cuando se abrió. Cuando el tiempo llega a cero o la temperatura de la sonda de núcleo alcanza el valor seleccionado actúa la chimenea y el display izquierdo se pone intermitente y comienza a sonar el timbre. Al poner a cero el conmutador de funciones todas las salidas se ponen a cero y se apagan todos los leds y displays a los tres segundos queda definitivamente el control sin tensión. El control de llenado de agua del generador de vapor, se hace mediante un detector de nivel de agua, que actúa en todos los modos de funcionamiento excepto en el vaciado, y consta de tres sondas de nivel de agua N.máx, N.mín y N.com, introducidas en el bote de niveles. 1.- Cuando el nivel real del agua esta por debajo de N min., se activa la electroválvula de entrada de agua al generador y deja de Com mín máx actuar la salida vapor a la cámara. R1 ≥ 40 KΩ R2 ≥ 40 KΩ activada la electroválvula. 2.- Cuando el nivel alcanza el nivel N min., la electroválvula continua actuando. R1 ≤ 20 KΩ R2 ≥ 40 KΩ activada la electroválvula. 3.- Cuando el nivel alcanza el nivel N máx., se corta la entrada de agua y da paso al calentamiento del generador. R1 R1 ≤ 20 KΩ R2 ≤ 20 KΩ electroválvula desactivada R2 4.- El calentamiento del generador no se corta mientras el nivel de agua se encuentre entre N máx. y N mín. R1 ≤ 20 KΩ R2 ≥ 40 KΩ electroválvula desactivada - 29 -
  • 30.
    7.3.- Selección delos modos de funcionamiento. OFF Conveccion o Vapor Modo Selección Prefijado Selección Prefijado ºC ºC %HR %HR Regulacion Vapor Mixto Convección; 35-300 160 0-100 0 Mixto 35-250 140 0-100 60 Regeneración 35-180 120 0-100 80 R Regulación 35-125 80 100 100 Regeneracion Vapor Vapor 99 99 100 100 Los valores de temperatura y humedad prefijados aparecen en la tabla, son los que salen por defecto la primera vez que se pone en marcha el horno. En posteriores utilizaciones se visualizará el último valor seleccionado en cualquiera de los modos, menos en vapor fijo 100º C. 7.3.1 Modo Convección El calentamiento de la cámara cesa cuando el valor que da el termopar de la cámara, es igual al seleccionado y se rearma cuando es menor. 7.3.2 Modo Vapor 100º C El calentamiento se realiza con la inyección de vapor a la cámara de cocinado. Entre 60÷90º C actúan a la vez el calentamiento de cámara y el de vapor 7.3.3 Modo Regulación de vapor 35÷125º C Si la temperatura de la cámara es menor o igual a 100º C el calentamiento de la cámara de cocción se realiza mediante vapor. Si la temperatura de la cámara es mayor a 100º C el calentamiento de la cámara de cocción se realiza mediante vapor y convección conjuntamente. 7.3.4 Modo Regeneración 35÷180º C El calentamiento de la cámara de cocción se realiza actuando el calentamiento por convección y por vapor conjuntamente. 7.3.5 Modo Mixto 35÷250º C El calentamiento de la cámara de cocción se realiza mediante convección aportando también vapor pero en menos medida que en el modo regeneración. - 30 -
  • 31.
    7.4.- Selección detemperatura. Mediante el mando y dependiendo de la velocidad de giro tenemos la opción de seleccionar el valor 888 888 de la temperatura de 1 en 1º C; 5º C y 10º C 7.5.- Selección del tiempo. Los dos display indican el tiempo seleccionado a medida 888 888 que se gira el mando desde 1 hasta 120 y al tope indica (---) con lo cual, no se tiene en cuenta el tiempo y el controlador se queda en marcha indefinidamente. Tanto para entrar en manual (---), como para salir hay que Select hacerlo con un giro brusco. Al cabo de 3 segundos el display de la izquierda comienza a descontar el tiempo y va visualizando lo que queda para terminar. Si una vez puesta en marcha, se vuelve a mover el mando, los dos displays varían en la misma proporción. Ejemplo: 060 090 si reducimos 30 minutos queda en 030 060 060 090 si incrementamos en 30 minutos queda en 090 120 7.6.- Selección de la temperatura de sonda de núcleo Se hace con el mismo mando, igual que para el tiempo, pero pulsando la tecla select . 888 888 El display de la derecha indica la temperatura de núcleo seleccionada, de uno en uno, a medida que se gira el mando desde 1 hasta 99º C. Select El display de la izquierda indica la temperatura real que hay en la sonda de núcleo. - 31 -
  • 32.
    7.7.- Selección dela Función DELTA Asegura una diferencia fija de 50º C entre la temperatura de cámara y la temperatura de sonda núcleo. • Se hace con el mismo mando, igual que para el tiempo, pero pulsando la tecla 888 888 select. • El display de la derecha indica la temperatura de núcleo seleccionada, de uno en uno, a medida que se gira el mando desde 1 hasta 99º C, excepto en el Select modo vapor que va desde 1 hasta 50º C y modo regulación de vapor que va desde 1 hasta 75º C. • El display de la izquierda indica la temperatura real que hay en la sonda de núcleo. 7.8.- Selector potencia velocidad • Mediante el selector se eligen tres opciones de potencia-velocidad - 32 -
  • 33.
    STOP 7.9.- Selección funciónCool Down. Situado en cualquiera de los modos de funcionamiento, cerrar la puerta, pulsar la tecla de Cool Down, se ilumina el led y comienza el enfriamiento 250 PuE rtA de la cámara de cocción. Los displays visualizan fa forma intermitente : PuE rtA Abr ir Abr ir Al abrir la puerta la función continua pero los displays visualizan de forma Selec t continua las mismas palabras. El ciclo se acaba cuando la temperatura de la cámara marque 46 ºC. Mientras estamos en la función Cool Down, si se pulsa de nuevo la tecla o se cierra la puerta se para el ciclo apagándose el led. 7.10.- Función vaciado automático. Estando en cualquier modo de funcionamiento, la bomba de vaciado actúa durante 3’(minutos), cada 24horas de funcionamiento del controlador. UAC 3' La bomba de vaciado debe comenzar a actuar si la temperatura de la cámara y la del generador son menores ó iguales a 60º C y solo en el momento de dar la alimentación al control, de modo que si el Selec t controlador lleva por ejemplo 30 horas en funcionamiento la bomba de vaciado no entra hasta que se apague el controlador y luego se vuelva a encender. Si se apaga el controlador antes de que se cumplan los 3’, al volver a encender vuelve a comenzar con otros 3’. Mientras esta en marcha la bomba actúan las salidas de iluminación de cámara, la alimentación circuito electrónico, apertura chimenea y la turbina. Pero no actúa la válvula de llenado del generador En el display inferior izquierdo [UAC] se visualiza de forma intermitente. Una vez acabado el ciclo se reestablecen todas las señales. Vaciado Manual se realiza con la puerta abierta y pulsando a la vez la tecla select y Cool Down durante 5 segundos. La bomba de vaciado actúa durante 3 minutos en las condiciones anteriores. - 33 -
  • 34.
    7.11.- Detección decal. STOP Estando en cualquier modo de funcionamiento, la sonda del generador registra la temperatura y por medio del led nos avisa de la necesidad de desincrustar el generador de vapor. Primero se enciende de forma de tren de 1 impulso y a medida que las paredes se van cubriendo de más espesor de cal, el led se encenderá en forma de 2 impulsos y 3 impulsos hasta llegar a quedar por fin encendido de corma continua. En este momento deja de actuar el calentamiento de la resistencias del generador y es necesario realizar un ciclo de desincrustación. - 34 -
  • 35.
    7.12.- Selección ciclode desincrustar. dES dES --- Estando en cualquier modo y la puerta cerrada, al mantener pulsado la tecla de desincrustación durante 5”, se enciende la lámpara de desincrustación de forma Fig. 1 F1 3' F2 Fig. 2 continua. --- 1º.-La válvula de vaciado actúa durante 3 minutos, vacía el generador de agua. Fig.1 Selec t Selec t 2º.- La lámpara de desincrustación actúa de forma dES --- dES intermitente, el display inferior y superior derecha se encienden de forma intermitente. En este momento Fig. 3 Fig. 4 soltamos el tapón que hay en el techo del horno e F3 F4 --- 120 introducimos 5 litros de desincrustante. Cerramos el tapón y pulsamos la tecla desincrustación durante 5”. Fig.2 Selec t Selec t 3º.- Se activa la válvula de llenado del generador hasta llegar al nivel Máx. Fig.3 dES dES 4º.- Se calienta el generador hasta que la temperatura de --- este alcanza 60º C durante 120 minutos. Fig.4 Si se pulsa la tecla Select el valor de 120’ se puede Fig. 5 Fig. 6 incrementar hasta 480’ y decrementar hasta 1’. F5 3' F6 --- 5º.- La válvula de vaciado actúa durante 3 minutos, vacía el generador de agua. Fig.5 Selec t Selec t 6º.- Se activa la válvula de llenado del generador hasta llegar al nivel Máx. Fig.6 dES dES --- 7º.- La válvula de vaciado actúa durante 3 minutos, vacía el generador de agua. Fig.7 Fig. 7 Fig. 8 8º.- Se activa la válvula de llenado del generador hasta Fig.8 F7 3' F8 --- llegar al nivel Máx. Fig.8 9º.- Actúa en el modo vapor hasta que temperatura de la Selec t Selec t cámara alcanza 95º C. Fig. 9 10º.-Finalmente se apaga el led de desincrustación en los dos display aparece “Fin dES” . Fig. 10 dES FIn dES Si durante el tiempo que dura el ciclo de desincrustación se Fig. 9 Fig. 10 vuelve a pulsar la tecla de desincrustación durante 5” Fig.10 F9 99º (Suspensión de ciclo de desincrustación): El led actúa de forma intermitente y si: Selec t S elect 1.- No ha llegado al punto (2º) el ciclo se sitúa en el punto (9º). 2.- Ha llegado o superado el punto (2º) el ciclo se sitúa en el punto (5º). 3.- Ha llegado o superado el punto (5º) el ciclo continua su curso (Ciclo de desincrustación realizado). 4.- Si se apaga el controlador, al volver a encender se continua el ciclo. - 35 -
  • 36.
    7.13.- Calibración delas sondas. Modelos HGV, HGP, HEM Y HEP Poner el horno en modo vapor a 100 º C TC TU En la tarjeta de control, poner el interruptor I4=1 y pulsar durante un instante Ical y se procede a la calibración. Tn Tg En los display se visualizan el valor de los 4 termopares. Selec t Ical Interruptor I4 HGP, HGP, HEM Y HEP Para la calibración el horno se pondrá automáticamente en el modo vapor continuo de modo que las sondas midan valores entre 95 y 105º C, (si no es así indicara el error correspondiente). Cuando se haya estabilizado todos los valores que miden las sondas de temperatura y la producción de vapor lleve 120” en los modelos de gas y 30” en los eléctricos ininterrumpidamente en marcha, las sondas se tomarán como referencia de 100º C. Para salir del modo de calibración poner I4=0. Modelos HGC Y HEI En estos modelos la calibración no se hace de forma automática como en los HGV, HGP, HEM y HEP. En estos modelo tenemos que echar mano de un medidor de temperatura externo al horno. Interruptor I3 Ical HGC Y HEI - 36 -
  • 37.
    En los modelosHGC y HEI poner I3=1 y pulsar Ical durante un instante, se tc tv procede a la calibración. El display Superior izquierdo visualiza TC de forma intermitente, y el derecho TV, el display inferior Izquierdo el valor que hay que incrementar o decrementar a (TC) y el derecho el valor que hay que 0 0 incrementar o decrementar a (TV). El incremento ó decremento lo realizamos con el mando que hay entre los dos displays. Para pasar de programar TC a TV basta con pulsar por segunda vez Ical. Una vez cambiado TV pulsando nuevamente Ical y poniendo I3=0 saldremos del modo de calibración. 7.14.- Visualización de las temperaturas de las sondas Al Pulsar la tecla de Cool Down durante 5 segundos con la puerta cerrada, se visualizan en los display el valor de todas las temperaturas (Tal y como se hace en la calibración). El horno sigue funcionado igualmente. 7.15.- Función HACCP (Solo en las funciones Sonda de Núcleo y Delta.) El horno guarda todos los valores de Modo de trabajo, Humedad (Según dSC dto versión), temperatura cámara y núcleo, cada minuto durante las ultimas 24 horas. También se guarda justo el momento de llegar a la temperatura seleccionada en el núcleo y la temperatura 15” después. HAC CP Cuando se conecta la “Memory Card” diseñada para tal efecto el Select controlador la detectará y procederá a la descarga de todos los datos de las últimas 24 Horas. OC SI Cuando esta descargando los datos los displays se ponen intermitentes indicando [dSC][dto], [HAC][CP] y cuando termina aparece [OC][SI], HAC CP [HAC][CP]. Select - 37 -
  • 38.
    7.16.- Selección dehumedad Al conectar el circuito de control de humedad al controlador, este lo detectara automáticamente y se podrá seleccionar la humedad, solo cuando ponemos el interruptor I2=1 se entra en modo de control de Humedad. La selección se hace mediante los pulsadores situados a ambos extremos de los leds de visualización, el izquierdo para bajar y el derecho para subir. 10 20 30 40 50 60 70 80 90 100 %HR - + Al pulsar simultáneamente las teclas [-] y [+] se visualiza la humedad real medida por sensor de humedad. En el modo vapor a 100 º C: Todos los leds del display serán azules. No tenemos opción a ajustar la humedad. En el modo Mixto: los leds serán azules y rojos. Tenemos opción a ajustar la humedad. En el modo Convección: Todos los led serán rojos y tenemos opción a ajustar la humedad. - 38 -
  • 39.
    7.17 Utilización delhorno en modo programación Al pulsar la tecla se procede a la visualización del menú. Botones programación ENCENDER Ó VALIDACION MOSTRAR PASO ATRAS MOVIMIENTO EN MENU PRINCIPAL Ó PROGRAMAS MOVIMIENTO EN MENU PRINCIPAL Ó PROGRAMAS M PROGRAMAR ÓMODIFICAR - 39 -
  • 40.
    COCCION PROGRAMA FAS FAS PROGRAMA FAS LAVADO ENJUAGUE RÁPIDO LAVADO SUAVE LAVADO MEDIO LAVADO INTENSO HISTORIAL H.TOTAL 3HORAS TN max 150 ºC SELECCIÓN DE IDIOMAS ESPAÑOL INGLES FRANCES ALEMAN - 40 - ITALIANO -40-
  • 41.
    Para entrar enel modo de programación hay que pulsar la tecla . Una vez dentro , podemos elegir entre los 4 opciones del menú principal mediante las teclas .Estando en uno de los menús principal si pulsamos la tecla entramos dentro y podremos movernos entre los programas que hay, actuando de la misma manera que antes y usando los mismos botones. Si queremos retroceder, deberemos pulsar la tecla tantas veces como necesitemos para llegar al punto requerido. Una vez posicionados en el programa elegido, para activarlo, basta con pulsar la tecla . Si queremos parar la ejecución en cualquier momento, pulsar de nuevo la tecla . Para pasar a modo manual tenemos que pulsar la tecla ,hasta que el display se apague excepto si estamos ejecutando un programa que en este caso, primero pulsamos la tecla . Como modificar ó añadir un programa de cocción Primero hay que seleccionar el número de programa que queremos programar ó modificar. Y a continuación pulsamos la tecla M . La segunda fila del display de selección de programa se visualiza de forma intermitente y procederemos a introducir el nombre que queremos darle al programa. Para ello vamos seleccionando los caracteres de la A a la Z, . , espaciado, - ,con las teclas .Una vez introducido el nombre pulsamos la tecla . A continuación deberemos introducir los valores de cocción que queremos en las distintas fases que se visualizan en el display, para ello ponemos en el horno de forma manual los valores de modo, temperatura, humedad, etc. Con los que queremos cocinar. Como máximo disponemos de 9 fases. Cuando hayamos terminado de programar las fases, no es necesario programar todas, si pulsamos la tecla guardaremos todo lo que hemos programado y saldremos a la posición del nombre del programa. Si en vez de pulsar la tecla pulsamos la tecla M borraremos toda la información que hemos introducido en ese programa y tendremos que volver a programar las distintas fases. En el menú principal tenemos 4 opciones diferentes: Programas de cocción, lavado, historial y selección de idiomas. En el programa de cocción podemos introducir hasta 99 programas y cada uno de estos puede estar constituido como máximo por 9 fases. En el programa de lavado tenemos 5 programas que no se pueden modificar. Los programas son: Enjuague rápido 10 minutos Aclarado con abrillantado 46 minutos Lavado suave 85 minutos Lavado medio 118 minutos Lavado intenso 173 minutos Lavado semi-automático 28 minutos ( spray ) En el programa historial pulsando la tecla durante 5 segundos podemos visualizar el siguiente menu: - 41 -
  • 42.
    H.Vapor R.= Horastotales de trabajo en modo Vapor regulable. H.Regeneración= Horas totales de trabajo en modo Regeneración. H.Mixto= Horas totales de trabajo en modo Mixto. Convección Horas totales de trabajo en modo Convección. H.CV= Horas totales de accionamiento de CV. H.CC= Horas totales de accionamiento de CC. Nº.c.CV= Numero de ciclos de CV. Nº.c.CC= Numero de ciclos de CC. Nº.c.MS/MB= Numero de ciclos de apertura /cierre de chimenea. Nº.c.Des= Numero de ciclos totales de desincrustación. Nª.c.lav. 10m= Numero de ciclos de lavado de 10 minutos Nª.c.lav.46m= Numero de ciclos de lavado de 46 minutos Nª.c.lav.85m= Numero de ciclos de lavado de 85 minutos Nª.c.lav.118m= Numero de ciclos de lavado de 118 minutos Nª.c.lav.173m= Numero de ciclos de lavado de 173 minutos. Nº.c.Ip= Numero de ciclos del contacto puerta. Nº.cal.= Numero de calibraciones realizadas. Tcmax= Temperatura máxima alcanzada por Tc ( sonda camara) Tvmin= Temperatura de rearme de Tv ( Sonda vapor condensación) Tvmax= Temperatura máxima alcanzada por Tv ( Sonda vapor condensación) TNmax= Temperatura máxima alcanzada por TN ( Sonda núcleo) TGmax= Temperatura máxima alcanzada por TG ( Sonda generador de vapor) después de la última desincrustación. En el programa selección de idiomas tenemos la posibilidad de elegir entre 5 idiomas diferentes. Español Ingles Francés Alemán Italiano - 42 -
  • 43.
    8.- SECUENCIA DEEVENTOS HORNO GAS HGV Modo Vapor 100º C GAS SENSOR Nº PASO SEÑAL OBSERVACIONES RESPONSABLE 1 Seleccionar modo Vapor Potenciometro PF PF= 2 VDC 2 Seleccionar tiempo o temperatura de Encoder Tiempo núcleo 3 Cerrar la puerta Contacto Reed Ip 12V 4 Verificación del nivel de agua en el DN (Com, Max, 230V en La electro válvula VDV esta generador de vapor. min) VDV activa cuando falta agua. 5 Precalentamiento del generador de Termopar Tg Actúan El Calentamiento se detiene Vapor hasta 90º C CV esta activo. C.E.V. si TG alcanza 180º C y se (230V) enciende LDC 6 El tiempo de cocción se inicia Lógica del después del precalentamiento. Controlador C.E.G. 7 Aportación de vapor en el interior de Termopar TC 230 V en CV Actúa C.E.V. la cámara de Cocción. 8 Aportación de Aire caliente en el Termopar TC 230 V en CC Actúa C.E.C. interior de la cámara de Cocción (desde TC= 60..90 º C) 9 Cámara de condensación ajustada en Termopar TC 230V en Actúa VCN a intervalos. Fabrica a 80º C. VCN Modo Regeneración 35 . . . 180º C GAS SENSOR Nº PASO SEÑAL OBSERVACIONES RESPONSABLE 1 Seleccionar modo Regeneración Potenciómetro PF PF=6 VDC 2 Seleccionar temperatura de Cámara Encoder Temperatura 3 Seleccionar tiempo o temperatura de Encoder Tiempo núcleo 4 Cerrar la puerta. Contacto Reed Ip 12V 5 Verificación del nivel de agua en el DN (Com, Max, 230V en VDV La electro válvula VDV generador de vapor. min) esta activa cuando falta agua. 6 Precalentamiento del generador de Termopar Tg Actúan C.E.V. El Calentamiento se Vapor hasta 90º C CV esta activo. (230V) detiene si TG alcanza 180ºC y se enciende LDC 7 El tiempo de cocción se inicia Lógica del después del precalentamiento. Controlador C.E.G. 8 Aportación de vapor en el interior de Termopar Tc 230 V en CV Actúan C.E.V. (Porcentaje la cámara de Cocción. de vapor 80%) 9 Aportación de Aire caliente en el Termopar Tc 230 V en CC Actúan C.E.C. interior de la cámara de Cocción. 10 Cámara de condensación ajustada en Termopar TC 230V en VCN Actúa VCN a intervalos. Fabrica a 80º C. - 43 -
  • 44.
    Modo Mixto 35 . . . 250º C GAS SENSOR Nº PASO SEÑAL OBSERVACIONES RESPONSABLE 1 Seleccionar modo Mixto Potenciómetro PF PF= 8 VDC 2 Seleccionar temperatura de Cámara Encoder Temperatura 3 Seleccionar tiempo o temperatura de Encoder Tiempo núcleo 4 Cerrar la puerta. Contacto Reed Ip 12V 5 Verificación del nivel de agua en el DN (Com, Max, 230V en VDV La electro válvula VDV esta generador de vapor. min) activa cuando falta agua. 6 Precalentamiento del generador de Termopar Tg Actúa C.E.V. El Calentamiento se Vapor hasta 90º C CV esta activo. (230V) detiene si TG alcanza 180ºC y se enciende LDC 7 El tiempo de cocción se inicia Lógica del después del precalentamiento. Controlador C.E.G. 8 Aportación de vapor en el interior de Lógica del 230 V en CV Actúa C.E.V. (Porcentaje la cámara de Cocción (20”ON Controlador de vapor 60%) 20”OFF). C.E.G. 9 Aportación de Aire caliente en el Termopar Tc 230 V en CC Actúa C.E.C. interior de la cámara de Cocción 10 Cámara de condensación ajustada en Termopar Tc 230V en VCN Actúa VCN a intervalos Fabrica a 80º C. Modo Vapor Regulable 35 . . . 125º C GAS SENSOR Nº PASO SEÑAL OBSERVACIONES RESPONSABLE 1 Seleccionar modo Regulación Vapor Potenciómetro PF PF= 4 VDC 2 Seleccionar temperatura de Cámara Encoder Temperatura 3 Seleccionar tiempo o temperatura de Encoder Tiempo núcleo 4 Cerrar la puerta. Contacto Reed Ip 12V 5 Verificación del nivel de agua en el DN (Com, 230V en La electro válvula VDV generador de vapor. Max,min) VDV esta activa cuando falta agua. 6 Precalentamiento del generador de Termopar Tg Actúan El Calentamiento se Vapor hasta 90º C CV esta activo. C.E.V. detiene si TG alcanza (230V) 180ºC y se enciende LDC 7 El tiempo de cocción se inicia Lógica del después del precalentamiento. Controlador C.E.G. 8 Aportación de vapor en el interior de Termopar Tc 230 V en CV Actúan C.E.V. (Cantidad la cámara de Cocción de vapor 80%) 9 Aportación de Aire caliente en el Termopar Tc 230 V en CC Actúan C.E.C. interior de la cámara de Cocción. 10 Cámara de condensación ajustada en Termopar Tc 230V en Actúa VCN a intervalos Fabrica a 80º C. VCN - 44 -
  • 45.
    Modo Convección 35 . . . 300º C GAS SENSOR Nº PASO SEÑAL OBSERVACIONES RESPONSABLE 1 Seleccionar modo Convección Potenciómetro PF PF=10 VDC 2 Seleccionar temperatura de Cámara Encoder Temperatura 3 Seleccionar tiempo o temperatura de Encoder Tiempo núcleo 4 Cerrar la puerta. Contacto Reed Ip 12V 5 Verificación del nivel de agua en el DN (Com, Max, 230V en La electro válvula VDV generador de vapor. min) VDV esta activa cuando falta agua. 6 Empieza el tiempo de cocción. Lógica del Controlador C.E.G. 7 Aportación de Aire caliente en el Termopar Tc 230 V en CC Actúan C.E.C. interior de la cámara de Cocción. - 45 -
  • 46.
    9.-IRREGULARIDADES EFECTO CAUSA ACCIONES 1. -El horno no funciona en cualquier 1.1.Interruptor puerta IP. 1.1.Revisar –Cambiar o ajustar modo. 1.2.Térmico motor FM. 1.2.Revisar o cambiar motor. Displays iluminados. 1.3. Limitador Camara TSC. 1.3 Revisar sonda Tc, y Control C.E.C. 1.4 Limitador Caldera Vapor TSV. 1.4 Revisar Controlador C.E.G o detector de niveles DN. 2. -No enciende quemador convección ni 2.1.Variador Vv o soplante VC estropeado. 2.1. Cambiar. el generador de vapor. Displays iluminados Motor turbina en marcha Led D21del variador de frecuencia V v. (secuencia de tres impulsos) 3. -No enciende el quemador de 3.1.Fallo variador de frecuencia Vv 3.1.Revisar y cambiar. convección. 3.2.Fallo soplante VC 3.2.Revisar y cambiar. Displays iluminados Motor turbina en marcha Led D21del variador de frecuencia V v. (secuencia de un impulso) 4 -No enciende quemador convección. 4.1. Inyector incorrecto. 4.1.Comprobar inyector y colocar el correcto. Displays iluminados 4.3.Falso contacto en control de 4.3.Revisar cableado detección Motor turbina en marcha encendido. CEC 4.4.Cambiar Indicador quemador de cámara 4.4.Control de encendido estropeado. 4.5.Verificar con manómetro en válvula gas bloqueado, está encendido. CEC 4.6.Verificar posición detector-quemador (5- Led D21del variador de frecuencia Vv 4.5.No hay gas o hay poco gas 6mm) y conexiones o cambiar detector. (secuencia de dos impulsos) 4.6.Fallo detección llama 4.7.Comprobar presiones dinámicas y 4.7.Caudal de gas encendido en válvula aumentar caudal en regulador de gas. convección baja. 4.8.Cambiar válvula gas. 4.8.Válvula gas convección. 4.9. Verificar posición bujía quemador (3-4 4.9.Fallo tren de chispa. mm) y conexiones. 4.10.Presión de gas excesiva a la entrada. 4.10. Verificar presión de gas y corregir - 46 -
  • 47.
    EFECTO CAUSA ACCIONES 5. -Ruido durante el encendido 5.1.Excesivo gas durante el encendido 5.1.Verificar código de válvula correspondiente 5.2.Quemador no corresponde según al gas y modelo modelo 5.2.Verificar presiones en válvula gas en 5.3.Tipo de gas no corresponde al modelo quemador 5.4.Interruptores del variador de 5.3.Revisar presiones y modelo frecuencia no corresponden. 5.4.Revisar y corregir. (Subir de velocidad de 5.5.Válvula de gas no corresponde con encendido) tipo de gas 5.5. Revisar y corregir 6. -Encendido brusco con ligera explosión 6.1.Interruptores del variador de 6.1.Revisar y corregir velocidad de encendido. frecuencia no corresponden 6.2 Tipo de gas no corresponde al modelo 6.2.Revisar presiones y modelo 6.3.Válvula de gas no corresponde con 6.3.Revisar y corregir tipo de gas 6.4. Verificar posición bujía quemador (3-4 6.4. Fallo tren de chispa mm) y conexiones. 7. -El horno funciona durante un tiempo 7.1.Térmico motor FM 7.1.Verificar la correcta llegada de las tres Luego se para y vuelve a funcionar. fases al motor 7.2.Comprobar si hay humedad externa en motor 7.3.Cambiar motor. 8. -No genera nada de vapor. 8.1 Exceso de Cal en el generador de 8.1. Desincrustar el generador de vapor (Ver Indicador LDC encendido continuo. Vapor. libro de instrucciones). 9. -No genera suficiente vapor 9.1 Chimenea no cierra bien. 9.1.Revisar y corregir Válvula gas vapor GV3-GV4 activa. 9.2.Sonda cámara estropeada TC 9.2.Cambiar sonda o Calibrar. - 47 -
  • 48.
    Modos de fallo: Hayerrores que el horno nos indica la causa. Cuando se produce un error de este tipo: El timbre suena de forma intermitente. En los display aparece un mensaje de error de forma intermitente. Al pulsar cualquier tecla, lo ignora. Si se abre la puerta el mensaje de error permanece. Para borrar del display el mensaje de error y deje de sonar el timbre, hay que desconectar la tensión del controlador o bien que desaparezca el fallo que provocó el error. Cuando desaparece el fallo que provoca el error las salidas vuelven a actuar con normalidad. A continuación mostramos los diferentes tipos de errores que hay: Err 001 Err 1 Snd CCI Snd CC1 Cuando falla la sonda de temperatura de la cámara Err 002 Err 2 Snd ncI Snd ncl Cuando falla Tn (sonda de núcleo) - 48 -
  • 49.
    Err 003 Err 3 TEM FLI TEM FLI Cuando la temperatura del horno supera los 330º C Err 004 Err 4 Snd nIL Sondas de nivel de agua Snd nIL no trabajan bien. Err 005 Err 5 Snd UAP Cuando falla la sonda de temperatura Snd UAP de salida de vapor. - 49 -
  • 50.
    Err 006 Err 6 Snd gnr Cuando falla la sonda de temperatura Snd gnr del generador de vapor. Err 007 Err 7 Snd CAL Snd CAL Si al cabo de 15’ no se consigue calibrar. Err 008 Err 8 CTL HUM Cuando se detecta que el control de CTL HUM humedad no funciona. - 50 -
  • 51.
    Err 009 Err 9 PrG OFF PrG OFF Cuando se detecta que el programador no funciona. Err 010 Err 10 FLt H20 Cuando se detecta que la válvula de FLt H20 llenado del generador de vapor lleva 7 ó mas minutos en marcha y no se alcanza el nivel máximo. Err 011 Err 11 FLL UAC UAC Cuando se detecta que bomba de FLL vaciado lleva mas de 1 minuto en marcha y no baja el nivel de mínimo. - 51 -
  • 52.
    Err 012 Err 12 FLL tco Cuando actúa cc y en tres minutos Tc no sube 3 o mas grados. FLL tco ó Siendo Tg menor que 93 º C. Cuando actúa Cv y en tres minutos Tg no sube tres o mas grados. - 52 -
  • 53.
    10.-PARÁMETROS Y REGULACIONES MODELO Nº código aparato V mantenim. Vencendido V media potencia Vmáxima potencia Tobera HGC 10-21 BP 380-415V 3N 50HZ 112132500 2200 r.p.m 2500 r.p.m 2500 r.p.m 4500 r.p.m Ø 4,8 T305068 HGC 10-21 GN 380-415V 3N 50HZ 1121325001 2200 r.p.m 3000 r.p.m 3500 r.p.m 6000 r.p.m Ø 6 T305069 HGC 10-21 BP 380-415V 3N 50HZ A 1121325002 2200 r.p.m 2500 r.p.m 3000 r.p.m 5000 r.p.m Ø 4,8 T305068 HGC 10-21 GN 380-415V 3N 50HZ A 1121325003 2200 r.p.m 3000 r.p.m 3500 r.p.m 6000 r.p.m Ø 6 T305069 VGC 10-21 BP 380-415V 3N 50HZ 1121325004 2200 r.p.m 2500 r.p.m 3000 r.p.m 5000 r.p.m Ø 4,8 T305068 VGC 10-21 GN 380-415V 3N 50HZ 1121325005 2200 r.p.m 3000 r.p.m 3500 r.p.m 6000 r.p.m Ø 6 T305069 HGC 10-21 BP 220V 3 50HZ 1121325006 2200 r.p.m 2500 r.p.m 2500 r.p.m 4500 r.p.m Ø 4,8 T305068 HGC 10-21 GN 220V 3 50HZ 1121325007 2200 r.p.m 3000 r.p.m 3500 r.p.m 6000 r.p.m Ø 6 T305069 HGC 10-21 BP 380-415V 3N 60HZ 1121325010 2200 r.p.m 2500 r.p.m 3000 r.p.m 5000 r.p.m Ø 4,8 T305068 HGC 10-21 GN 380-415V 3N 60HZ 1121325011 2200 r.p.m 3000 r.p.m 3500 r.p.m 6000 r.p.m Ø 6 T305069 HGC 10-21 BP 220V 3 60HZ 1121325012 2200 r.p.m 2500 r.p.m 3000 r.p.m 5000 r.p.m Ø 4,8 T305068 HGC 10-21 GN 220V 3 60HZ 1121325013 2200 r.p.m 3000 r.p.m 3500 r.p.m 6000 r.p.m Ø 6 T305069 HGV 10-21 BP 380-415V 3N 50HZ 1121325100 2200 r.p.m 2500 r.p.m 2500 r.p.m 4500 r.p.m Ø 4,8 T305068 HGV 10-21 GN 380-415V 3N 50HZ 1121325101 2200 r.p.m 3000 r.p.m 3500 r.p.m 6000 r.p.m Ø 6 T305069 HGV 10-21 BP 380-415V 3N 50HZ A 1121325102 2200 r.p.m 2500 r.p.m 3000 r.p.m 5000 r.p.m Ø 4,8 T305068 - 53 -
  • 54.
    MODELO Nº código aparato V mantenim. Vencendido V media potencia Vmáxima potencia Tobera HGV 10-21 GN 380-415V 3N 50HZ A 1121325103 2200 r.p.m 3000 r.p.m 3500 r.p.m 6000 r.p.m Ø 6 T305069 VGT 10-21 BP 380-415V 3N 50HZ 1121325104 2200 r.p.m 2500 r.p.m 3000 r.p.m 5000 r.p.m Ø 4,8 T305068 VGT 10-21 GN 380-415V 3N 50HZ 1121325105 2200 r.p.m 3000 r.p.m 3500 r.p.m 6000 r.p.m Ø 6 T305069 HGV 10-21 BP 220V 3 50HZ 1121325106 2200 r.p.m 2500 r.p.m 2500 r.p.m 4500 r.p.m Ø 4,8 T305068 HGV 10-21 GN 220V 3 50HZ 1121325107 2200 r.p.m 3000 r.p.m 3500 r.p.m 6000 r.p.m Ø 6 T305069 HGV 10-21 BP 380-415V 3N 60HZ 1121325110 2200 r.p.m 2500 r.p.m 3000 r.p.m 5000 r.p.m Ø 4,8 T305068 HGV 10-21 GN 380-415V 3N 60HZ 1121325111 2200 r.p.m 3000 r.p.m 3500 r.p.m 6000 r.p.m Ø 6 T305069 HGV 10-21 BP 220V 3 60HZ 112132512 2200 r.p.m 2500 r.p.m 3000 r.p.m 5000 r.p.m Ø 4,8 T305068 HGV 10-21 GN 220V 3 60HZ 1121325113 2200 r.p.m 3000 r.p.m 3500 r.p.m 6000 r.p.m Ø 6 T305069 HGP 10-21 BP 380-415V 3N 50HZ 1121325200 2200 r.p.m 2500 r.p.m 2500 r.p.m 4500 r.p.m Ø 4,8 T305068 HGP 10-21 GN 380-415V 3N 50HZ 1121325201 2200 r.p.m 3000 r.p.m 3500 r.p.m 6000 r.p.m Ø 6 T305069 HGP 10-21 BP 380-415V 3N 60HZ 1121325210 2200 r.p.m 2500 r.p.m 3000 r.p.m 5000 r.p.m Ø 4,8 T305068 - 54 -
  • 55.
    Variador velocidad soplante T303048 Vmante Vencend. Vmedia pot.Vmax pot. 0000 800 r.p.m 1000 2500 r.p.m 0001 1000 r.p.m 1001 3000 r.p.m 0010 1200 r.p.m 1010 3500 r.p.m 0011 1400 r.p.m 1011 4000 r.p.m 0100 1600 r.p.m 1100 4500 r.p.m 0101 1800 r.p.m 1101 5000 r.p.m 0110 2000 r.p.m 1110 5500 r.p.m 0111 2200 r.p.m 1111 6000 r.p.m Velocidades según posición de los selectores del variador de velocidad. - 55 -
  • 56.
    11.- TRANSFORMACIÓN ADIFERENTES GASES Para transformar el horno a otro tipo de gas distinto al que trae de serie, hay que actuar de la siguiente manera: En el soplante de convección tenemos que cambiar la tobera y colocar la que corresponde al gas nuevo ( ver tabla anterior). Soltar los tres tornillos que unen la válvula de gas y el mezclador y extraer la tobera y la junta que va acoplada. Introducir primero la junta, sacada anteriormente y seguido la tobera nueva. Es importante hacerlo en esta secuencia, ya que si lo hacemos al contrario nos costará mucho introducir la goma. Atar los tres tornillos soltados anteriormente. Tornillos (3) Una vez cambiada la tobera modificar la posición de los interruptores V.encend., V.mant., V.media pot., y Vmáx.poten. del variador de velocidad según tablas anteriores. Sustituir los 12 inyectores del quemador del generador de vapor. Inyector Detalle quemador generador de vapor - 56 -
  • 57.
    Cambiar inyectores gas quemador del generador vapor, 12 unidades. Soltar tornillos sujeción 4 Cambiar inyectores gas quemador del generador vapor 12. TIPO DE GAS Ø TOBERA REFERENCIA BUTANO PROPANO 0,70 Z955899 GAS NATURAL 1,10 Z956104 GAS NATURAL AUSTRALIA 1,2 Z956109 Tabla de toberas para el quemador del generador - 57 -
  • 58.
    12.- TRANSFORMACIÓN DETENSIÓN Para transformar el horno de 380v a 220 v trifásico hay que seguir los siguientes pasos: 1º Cambiar las conexiones eléctricas que trae el horno en la regleta principal de entrada, siendo el de 220v el esquema que se detalla a continuación según sea el horno de gas ó eléctrico. 2º Cambiar los motores de las turbinas introduciendo el que se especifica a continuación. Horno de gas 1º 2º am n m g Cambiar el motor de la turbina por la a de referencia T323023 /ve R S T Horno eléctrico 1º 2 2 2º am n m g /ve Cambiar el motor de la turbina por la de referencia T323023 R S T - 58 -
  • 59.
    TECHNICAL MANUAL HGC, HGVAND HGP GAS OVENS 10/21 November 2004 -1-
  • 60.
    INDEX PAGE 1.- MODELS AND DIMENSIONS 3 2.- TECHNICAL FEATURES 5 3.- CONTROL PANEL 6 4.- FUNCTIONAL DIAGRAMS 9 5.- COMPONENTS 12 6.- ASSEMBLY ELECTRICAL DIAGRAM 23 7.- GENERAL USAGE INFORMATION AND AUXILIARY FUNCTIONS 28 8.- SEQUENCE OF EVENTS 43 9.- IRREGULARITIES 46 10.- PARAMETERS AND ADJUSTMENTS 53 11.- TRANSFORMATION TO DIFFERENT TYPES OF GAS 56 12.- VOLTAGE TRANSFORMATION 59 -2-
  • 61.
    1.- HGC OVENMODELS AND DIMENSIONS 120 1479 1173 1330 992 605 440 130 395 73 2 5 476 576 1 = Soft water inlet RG ¾” 706 3 775 2 = General drainpipe RG1” 1 3 = Smoke outlet Ø120 6 4 = Electricity supply inlet adapter 4 1755 5 = Drainpipe cleaning lid 50 6 = Gas inlet RG¾” 60 120 -3-
  • 62.
    HGV AND HGPOVEN 150 1573 1173 1330 992 605 395 185 130 73 193 2 5 576 3 706 1 = Soft water inlet RG ¾”. 775 2 = General drainpipe RG1” 1 3 = Smoke outlet Ø 120 6 4 = Electricity supply inlet adapter 1755 4 50 5 = Drainpipe cleaning lid 60 6 = Gas inlet RG ¾”. 120 -4-
  • 63.
    2.- TECHNICAL FEATURES MODEL HGC-10/21 HGV-10/21 HGP-10/21 Width X 1330 1330 1330 OUTER Depth Y 992 992 992 mm DIMENSIONS Height w/o flue pipe W 1173 1173 1173 Height with flue pipe Z 1479 1573 1573 Net weight (kg) 250 kg 278 kg 283 kg Electrical power kW 1.2 kw 1.2 kw 1.3 kw Section 3 x 1.5 + T Hose Power 230 V 50-60 Int. fuse supply 10 A 3~ Hz General voltage Differential 30 mA Mechanism Section 3 x 1.5 + N + T Hose Power 380 50-60 Int. fuse supply 415 V 10 A Hz General voltage 3~ Differential 30 mA Mechanism Kcal/h (Hs) 24100 42,160 42,160 Power BTU (Hs) 95600 167,300 167,300 in gas kw (Hi) 28 49 49 kg/h (29 mb) Butane (G-30) 2.331 4.079 4.079 Nominal kg/h (37 mb) Propane (G-31) 2.296 4.017 4.017 consumption m3./h (20 mb) Natural gas (G-20) 2.963 5.185 5.185 m3./h (25 mb) Natural gas (G-25) 3.078 5.540 5.540 No. trays GN 2-1 10 10 10 Maximum load weight kg 100 100 100 Approximate water consumption (litres/hour) - 75 75 Water inlet pressure kg/cm 0.5 ÷ 8 -5-
  • 64.
    3.- CONTROL PANELHGC OVEN 1 Mode selector 2 Oven switched off position 7 Hot air mode indicator 8 Chamber temperature selector 9 Chamber temperature selection display 10 Real chamber temperature display 11 Time selector 12 Time selection display 13 Remaining time indicator 18 Speed power selector 19 Max. power - max. speed position 20 Half power - half speed position 21 Medium power - max. speed position 25 Cooling indicator 26 Cooling pressbutton 28 Chamber burner blocked pushbutton 29 Burner unblocking pushbutton 30 Humidifier pushbutton -6-
  • 65.
    HGV OVEN 1 Mode selector 2 Oven switched off position 3 Steam mode indicator 4 Adjustable steam mode indicator 5 Regeneration mode indicator 6 Mixed mode indicator 7 Hot air mode indicator 8 Chamber temperature selector 9 Chamber temperature selection display 10 Real chamber temperature display 11 Time/core temperature selector 12 Time/core temperature selection display 13 Remaining time/real core temperature display 14 Function selector: time/core temperature/delta 15 Function indicator: time 16 Function indicator: core temperature 17 Function indicator: delta 18 Speed power indicator 19 Max. Power - max. speed position 20 Half power - half speed position 21 Half power - max speed position 22 Lime indicator 23 Descaling indicator 24 Descaling pushbutton 25 Cooling indicator 26 Cooling pushbutton 27 Steam burner blocked indicator 28 Chamber burner blocked indicator 29 Burner unblocking pushbutton 30 Humidifier pushbutton -7-
  • 66.
    HGP OVEN 0 ON/OFF switch 1 Mode selector 31 Humidity control display 32 Increase humidity 33 Reduce humidity 18 Speed power selector 34 Programming mode display 35 Turn on/Validation pushbutton 36 Step backwards pushbutton 37 Menu movement pushbutton 38 Menu movement pushbutton 39 Show pushbutton 40 Program/Change pushbutton -8-
  • 67.
    4.- FUNCTIONAL DIAGRAMS HGC OVENS Tc TSC M GV1, GV2 C.E.C VC VHM -9-
  • 68.
    HGV OVENS Tc TSC Tn M1 DN M TSV Tg VC VCN VHM VDV C.E.V VAC GV1, GV2 GV3, GV4 C.E.C - 10 -
  • 69.
    HGP OVENS Tc TSC Tn M1 DN M TSV Tg VC VCN VHM C.E.V VAC VDV GV3, GV4 B.L GV1, GV2 C.E.C V.L - 11 -
  • 70.
    5.- COMPONENTS Convection burner 3 m -4m 5-6 mm BE BD The burner joint must not coincide with the BE and BD position Gas valve Blower Ignition control Complete blower HGV - 12 - -12-
  • 71.
    Complete blower HGV Ignition spark plug Flame detector Complete blower HGV - 13 -
  • 72.
    Flame Ignition spark detector plug Steam generator Steam generator burner in detail burner Slow ignition device (sealed) Pressure outlet Pressure inlet Gas valve + Steam generator ignition control - 14 -
  • 73.
    Flue pipe motor Microswitches Flue pipe upper part Flue pipe mechanism Chamber temperature limiter Steam generator temperature Temp. 360 ºC limiter TSC - 15 - Temp. 150 ºC TSV
  • 74.
    Generator + Levelcanister Emptying Generator Condensation Shower Humidifier filling + washing Extraction Generator draining Solenoid valves pump - 16 -
  • 75.
    HGC - HEIOVENS I1 I2 I3 Controller T353003 I1=0 Electric I1=1 Gas I2=0 ºC I2=1 ºF CONTROL CARD SWITCHES I3=0 Does not calibrate I3=1 Calibrates - 17 -
  • 76.
    HGV - HGP- HEM - HEP OVENS Controller T303005 I1 I2 I3 I4 I1=0 Electric I1=1 Gas I2=0 Without humidity control I2=1 With humidity control CONTROL CARD SWITCHES I3=0 ºC I3=1 ºF I4=0 Does not calibrate I4=1 Calibrates - 18 -
  • 77.
    Blower speed variator T303048 Maintain Turn on Half power Max. power speed speed speed speed 0000 800 RPM 1000 2500 RPM 0001 1000 RPM 1001 3000 RPM 0010 1200 RPM 1010 3500 RPM 0011 1400 RPM 1011 4000 RPM 0100 1600 RPM 1100 4500 RPM 0101 1800 RPM 1101 5000 RPM 0110 2000 RPM 1110 5500 RPM 0111 2200 RPM 1111 6000 RPM Speeds depending on the position of the speed variator's selectors - 19 -
  • 78.
    Valve Valve Motor microswitches Water inlet Outlet to drain Outlet to washing pump Microswitch support Washing valve Motor Valve + motor condenser Impulsion Extraction Washing pump Condenser 2.5 µF - 20 -
  • 79.
    CONSTITUENT PARTS COMPLETEBURNER HCG OVEN 4 6 3 5 2 1 7 16 1 0 8 1 5 9 16 ELECTROD DETEC 6/101/102 GAS 1 T115712000 15 QUEMADOR FURIGAS 10-11/10-21 1 T115710000 14 TAPA PRINCIPAL 1 T115782000 11 13 VISOR DE ENCENDIDO 1 R725015000 14 1 2 12 BOQUILLA TOMA PRESION 1 R725017000 1 3 11 JUNTA TAPA PRINCIPAL 1 HB-71961 T305041000 10* VENTURI 45.900.446.052 1 T303040000 9 MANGUITO DOBLE 1/2 1 S205023000 8 TOBERA VK41 D4.8 1 HB-73113 T305068000 7* VALVULA VK 4115 V 1121 1 T303017000 6 CONTROL DE ENCENDIDO HONEYWELL 1 HC-76510 T303013000 5 JUNTA VENTURI 24x15.5 1 T303046000 4 VENTILADOR RG-130 1 HB-73153 T303016000 3 JUNTA VENTILADOR 1 HB-71962 T305042000 2 CONDUC. TAPA PRINCIPAL COMP. 1 HB-72985 T345000000 1 ELECTRODO IGNICION 10/11-10/ 1 T115781000 - 21 - -21-
  • 80.
    CONSTITUENT PARTS COMPLETEBURNER HGV AND HGP OVEN 4 5 3 2 1 6 7 8 10 9 16 16 ELECTRODO IGNICION 10/11-10/ 1 T115781000 15 JUNTA TAPA PRINCIPAL 1 HB-71961 T305041000 14 CONDUC. TAPA PRINCIPAL COMPL 1 HC-75810 T305035000 13 JUNTA VENTILADOR 1 HB-71962 T305042000 12 BOQUILLA TOMA PRESION 1 R725017000 11 11 VISOR DE ENCENDIDO 1 R725015000 10* VALVULA VK 4115 V 1121 1 T303017000 15 12 9 MANGUITO DOBLE 1/2 1 S205023000 8* VENTURI 45.900.446.052 1 T303040000 7 JUNTA VENTURI 24x15.5 1 T303046000 13 6 TOBERA VK41 D4.8 1 HB-73113 T305068000 5 CONTROL DE ENCENDIDO HONEYWELL 1 HC-76510 T303013000 14 4 VENTILADOR RG-130 1 HB-73153 T303016000 3 TAPA PRINCIPAL 1 T115782000 2 QUEMADOR FURIGAS 10-11/10-21 1 T115710000 -22- - 22 - 1 ELECTROD DETEC 6/101/102 GAS 1 T115712000
  • 81.
    6.- THEORETICAL ELECTRICALDIAGRAM HGC OVENS HGC 10 / 11 HGC 10 / 2 1 R S 4 RS 3 C E V CE C RS 2 RS 1 R IH vi a m g m n G ND 3 400V 12 C .T . am b Lc old Ic old L des 11 Vv2 Ide s rs M L dc C 10 g + 12 am Vv1 9 8 +V m1 5 m a m 4 a 1 7 GND n2 r 3 3a 4 m A vi 6 PWM am 3 3 2 a B g 2 am 3 am/ve vi ve am 9a 5 HALL a 4 rs CN5 b 8 na 1 n le ds 2 5 6 C 4 1 7 am/ve 3 Ic a 2a 8a Ic 2 Vv CN 4 HA CC P n m 9 r r VC 6a 1 g r CN10 PR G a CMD CM I CN7 T em pe r CN2 m in n Tc m + C .E .G R K 0 2 - g N Modo IG 1 1a 2a C N 12 + - I 2 k2 a 0 C N 13 10 k F I R S T N rs Ip Ip rs Ip g +1 2 4 7 8 9 10 a m Lc old Ic 1 2 3 5 6 C N1 b Ico ld 1a 2a 3a 4a 5a 6 a 7a 8a 9 a 1 0 a n g nd na 12 12 V CN8 C N1 1 m 0 0V b vi a g n rs vi b vi 12 12V C C C M M R R R N C C C M r R M s b 2 1 1 M C V I D IG a a 3 220V R g m FI r rs g g g 2 2a FM T SC b rs r TRF vi M b C 10 Lz am V v1 n vi b m 12 V 9 na g am C .E .C . vi C MD C MI m m 0V 12 11 10 9 8 7 6 5 4 3 2 1 vi b F C MI C MD V HM R S T N VE VE vi BEC IG 12 V G V1 g vi a FI G V2 B A DE C N ve a a a 1 1a - 23 - T3 430 0300 0 H C -770 81 -23-
  • 82.
    ASSEMBLY DIAGRAM HGCOVENS VE T SC 3~ 50H z 220V Z-1030 66 n a TC g a 1 2a 1a IG 1 80 T -343 008 1 1 1 1 m ve C .L T -3 03018 am n m g 2 1 n /v e a na n m g vi b n m g b vi 8 R S T 1 3 5 N C A1 1 3 5 N C A1 1 3 5 A1 na rs Z-7430 09 Z -74 3009 8 C MD C MI 2 4 6 N C A2 2 4 6 N C A2 2 4 6 A2 TS C n m g vi a n m g b a 8 8 8 T -30 3009 1 n C.E . 180 na 1 T -3 4300 2 CN 5 1 1 1 1 1 l ed s 2 T -3 0303 3 510 gris 2 2 3 T -3 0303 4 2 negro 4 T -3 0303 5 blanco M CN 4 H A CC P 1 5 T -3 0303 6 mar ron amarillo SW 3 7 T -3 0302 2 az ul rojo I ca l I 3 2 1 C N 10 P RG 8 T -3 4300 6 Vv T-303048 9 T -3 0302 9 ON r gris J1 D21 J2 C N7 m T em p e r 7 1 0 T -3 0303 1 n S1 S2 S3 S4 a r r 1 1 T -3 0303 7 VF2 na C N2 m m in 7 E sque ma teo rico T -3430 03 VF 2 na D20 m n n L eyend a T -3 0304 2 VF 1 rs 1 am am T -323024 + Tc I ndicado r c omp . T -30 3043 T -113023 VF 1 2 - LOAD a - S1/S2 r.p .m. Hz. Controlador HMI-2003 C N1 2 MP m GV vi 0000 0001 800 1000 33 27 1 T353003000 GV g 0010 1200 40 2k 2 D19 LINE 0011 1400 47 CC rs 0100 1600 53 1 CN13 FI 0101 0110 1800 2000 60 67 T-3 43 007 7 J3 N a 0111 2200 73 R n 1000 2500 83 10k 1001 3000 100 m M OTO R 1010 3500 117 ve C N1 rs Ip 400 V 2 30 V 1011 4000 133 2 1100 4500 150 rs Ip XX /21 T -32 3022 T -32 3023 1101 5000 167 am/ ve g +12 n m r 1110 5500 183 XX /11 T -67 3065 T -67 3066 1 1111 200 a m Lc old 6000 1 1 b Ico ld n g nd 1 na 12 6 M M 9 m 0 180 vi 12 2 2 1 1 1 7 1 b vi CN 8 a g n rs vi b CN1 1 M am a n m g na m m vi b am r a n m r M M C R R C C C C C N R 3 /v e s b R 1 1 M C V M M 4 Z-2633 03 12 0 0 12 12 0 230 0 I D 2 P-4530 26 1 43 VC T-3030 16 1 T -303 04 1 G V1 N R S T TRF 20 G V2 n 0 am am 2 a R-503005 m n m g ve am m Z -26 3302 g 3 IC 4 R -073 005 A R -663 026 5a 4a 1a 3a 2a 9a 8a 7a 6a g 10a vi a am / v e Fus ib le 10 A 2 1 1 1 r a R -723 015 C .E .C . 3 10 A 9 7 6 4 3 2 1 8 5 T -30 3013 a vi 1 am /v e r ve na am b 4 1 2 1 1 1 3 1 n L co ld LS T C am vi am g m b 1 C .T Ico ld RS T IH T -30301 9 g 2 2 2 2 1 1 1 1 1 1 r a Z-233 012 1 Lz 1 1 T -30 3023 RC R -66301 3 VE rs am Z-1 03 066 a b m 10 Tornillo M4x20 W Ip Q-081365 Cabl es masa VHM Ara ndel a mue lle A4 P-305013 1 l/min Amarillo 20/ 21 10 Lengueta macho doble Z-100522 R-715011 0,5 l/min Rojo 10/21, 20/11 b Q-261020 Q-563004 R-665041 0,25 l/min Verde 10/11 6/11 am T uerca M4 Plac a asiento c onexion mas a R-073004 Q -16302 0 Q-563004 10 Tuerca c uadrada M4 Tue rc a M4 Z-701135 Q -22190 1 Q-163020 10 10 10 PRE NSAESTOPAS - 24 - -24-
  • 83.
    THEORETICAL ELECTRICAL DIAGRAMHGV AND HGP OVENS HGV 10 / 11 HGP 10 / 11 HGV 10/21 HGP 10 / 21 RS4 RS3 CEV CEC RS2 RS1 vi a m na ve R m IH n n GND na 12 am L cold C na rs am 11 Vv2 10 Vv1 C.T. m b ve Icold L de s Id es 9 r L dc +V m1 5m vi +12 8 a 3 400V m m vi 7 GND n2 4a 1 n 9a Ic B A rs g 6 5 PWM am 3 HALL a 4 3 2 am 2 3 am /ve C.H S .H C 4 1n am/ve 3 Vv 9n a ENCO DER M n 2 VC PRG LED S 1 HA CCP 3 3a 4 vi ve a am 2 b 8 na 5 6 C N1 4 C N1 3 CN 4 CN 5 CN 2 C N1 0 1 7 2a 8a Ic C MD b PRG % HR H A CC P l e ds mi n Te mp er n m 6a CMI vi rs Ip b vi Vv 2 Ip g 11 12 CV na rs Ip na 9 10 CC rs na CMD CMI ve Vv1 CM I C MD C.E .V . am C na C.E .C. vi CM n O Modo IG 1 1a 2 2a m b vi 1 2 1 1 10 9 8 7 6 5 4 3 2 1 12 1 1 1 0 9 8 7 6 5 4 3 2 1 R g vi Cold am L cold n m R C V OFF VHM CMD CM I a m Ico ld N g VAPOR GV3 n BEV GV 1 g B EC g D es vi REG. VAPOR C N7 b N GV4 DE V GV 2 B A DEC Ld es M RV REGENERAC. a a Id es ve a C.E.G. RG MIXTO n r L dc F CONVECCION r Ldc r rs vi g CN3 R S T N FM TSC TSV Mc ve m ve Ma b n PF b MBA na 4 vi Ic 1 2 3 5 6 7 8 9 10 vi V Cnd rs CN1 7 1a 2a 3 a 4a 5a 6a 7a 8a 9a 10a V Vac na na + K am Tc - VDV n C rs n + R32 m Mb Ms g Tv - VCN VA C V DV R3 2 MB A + M1 CN9 Tn M2 - R32 + a Tg - IG 3 220V R g m FI r r CN1 5 2 2a R31 a n R31 ve b Lz n GND(12V ) M am R1 b R1 vi 0 x 12 C R2 n na Mb m 12 m am Co m m Ms r g 0 ve m in CN8 g M ax na 12 12 F vi 12 Mb Ms m 0 0 R31 R S T vi 12 12 VE VE M1 IG CN1 N a ve FI a a J1 DN 1 1a - 25 -
  • 84.
    ASSEMBLY DIAGRAM HGVAND HGP OVENS VE % HR T SC Z-103 066 IL T SC 3 ~50 Hz 22 0V T -303 009 m n n a am C .H m n n a am 1 2 T -3 2301 3 rs vi TN n 9 9 a 200 1 1 1 1 1 TC 9 g a m 1 4a 3a 2a 1a n IG 6 6 - T-303 004 g m n vi b n m g b vi na PF ve g 1 3 5 N C A1 1 3 5 N C A1 1 3 5 A1 T-303 020 11 Z -7 4300 9 Z -74 30 09 C .L m n m g n CMD T-3 0301 8 am Ms a CMI 4 3 2 1 12 /ve a R -010 534 n ve a m m r n a v i 14 2 4 6 N C A2 2 4 6 N C A2 2 4 6 A2 r M1 n m g vi a n m g b a 9 n T SV 9 9 8 7 R S T T-113010 Z -95 3035 9 9 7 n 9 Mb R -0105 34 m 200 am n a n m a m na n m n a r m am ve n r m n E m in E ºC r m n am /v e P RG % H R H AC C P leds 1 1 1 1 1 8 12 6 270 2 2 2 b CMD rs Ip vi rs Ip CMI na CV na IL 7 1 1 1 rs CC na IL 1 T-3 0303 2 Vv T -083 002 1 vi n CM C o ld 2 T-3 0303 3 D21 g R am L cold 3 T-3 0303 4 J1 J2 m Icold 4 T-3 0303 5 gr is na S1 S2 a r 9 g 5 T-3 0303 6 VF 2 a N D es na D20 m 6 T-3 0303 0 negro blanc o VF2 b L des marron M VF1 rs n am 1 1 ve Ide s 7 T-3 0302 2 n m r amarillo am 8 T-3 0302 8 T-113023 VF1 LOAD a 2 C .E . r Ldc azul rojo - 9 T-3 0302 9 MP m S1/S2 r .p.m. Hz. T 3 03 005 r L dc 0000 800 27 10 T-3 0303 1 gris GV vi 0001 1000 33 11 T-3 0303 7 GV g 0010 1200 40 D1 9 6 6 6 m Esq u em a te oric o T -3 0303 8 LINE 0011 1400 47 CC rs 0100 1600 53 1 9 n PF Leye nda T -303 042 FI 0101 1800 60 0110 2000 67 J3 ve Vac l na Indic ad or co m p. T -30 30 43 N a 0111 2200 73 1 b R n 1000 2500 83 V Lav 1001 3000 100 m vi V D es + 1010 3500 117 ve T -323 024 Tc 2 rs - 60 VC nd 1011 4000 133 150 1 1100 4500 167 na VVa c + Tv 1101 5000 1110 5500 183 200 am /v e 60 am K - 1 8 1111 6000 n VD V + am T -3 0300 7 Tn 7 g ve 6 M M 9 m R 32 - M OT OR g R 32 + 1 200 9 T -323 01 1 Tg R-345060 400 V 230 V - XX /21 T -32 3022 T -3230 23 1 1 1 1 R-345063 20 T -3 0 3045 XX /11 T -67 3065 T -6730 66 0 R-345064 n GN D 1 1 0 2 7 10 x am a n m g n m r na m m vi b am r a 1 a R3 1 /v e 12 12 0 0 12 12 0 230 0 v e R 31 am C om P-453 026 Z-26 33 03 b R1 ve m in TRF 1 vi R1 g M ax 1 N R S T CR2 na 12 m Mb m 0 R- 503005 r vi Ms 12 Z -26 3302 R -07 3005 am /v e M F u sible 1 0A 2 1 R -72 3015 2 2 1 m 1 m g ve n 3 IC 4 4 A R -663 026 5a 4a 3a 2a 1a 9a 8a 7a 6a 10a 43 VC 1 n 10 1 A 9 4 8 7 6 3 2 1 5 TSV am 2 am a am m g 3 a 1 4 9 1 n ve na am vi b g vi a am/v e 1 n a Tg C. E.C . 1 GV 1 3 Ld c Ld es L S T V LS T C n 4 L cold vi am n a v e m n am m GV 2 b C .T ve a 1 r I de s IH T -30 3019 vi 1 4 3 Ic old RS T a m /v e na 4 PR G T -32 30 12 1 5 V Ac 11 5 Z -2 20 90 1 11 na m n na a m 5 11 o Jo na n 1 n 9 ve 9 5 G V3 a 11 G V4 C .E.V. 5 5 5 11 11 11 11 1 1 1 1 1 1 1 1 1 Lz 1 T-3 03 02 3 b Z -2 3301 2 a R -6630 13 ve vi a rs a RC a RC RC n am vi n m 10 rs To rnillo M4 x20 W Ip Q-081365 Cable s ma sa VDV VCN VHM Arandela muelle A4 10/11 8l/min 20/11 0.25l/min 10 Lengueta m ac ho do ble 20/21 VE Z-100522 Rojo 10/21 amarillo Z -10 3066 b Q-261020 Q-5630 04 10/21 3l/min P- 443042 10/11 Z-601156 8l/ min Z -601156 20/2 1 R-045001 am Pl aca asiento conexion mas a 20/11 Tuerca M4 Q- 163020 Q-5630 04 10 R-143010 R-033002 Tuerca c uad ra da M 4 Tuerc a M4 Z-701135 P-255001 Q-221901 Q-163020 10 10 10 PRENS AESTOPAS - 26 - -26-
  • 85.
    LEGEND E SPAÑ O L F R AN Ç A IS EN G L ISH D EU T S CH ITA LIA NO BE C = Bujía Enc end ido C ámara Bo ug ie Allum age C ha mb re C ham ber Sp ark P lug Z ü ndk erz e Eins chalten Garraum C an dela di Ac ce ns ione C amera BE V = Bujía Enc end ido C alde ra Bo ug ie Allum age C ha udière Boile r S park Plug Z ü ndk erz e Eins chalten Boile C an dela di Ac ce ns ione C ald aia C .E .C = C ont rol C om bus tión C ám ara C on trô le Co mbus tion C h ambre C ham ber C om bus tion C ontrol S teu eru ng V erbrennu ng Garraum C on trollo C o mbus tio ne Ca mera C .E .G = C ont rol Elec trónico G e neral C on trô le Élec tronique Gén éral Ma in E lec tronic Co ntrol S teu eru ng E lek tronik a llgeme in C on trollo E let tro nic o G ene rale C .E .V = C ont rol C om bus tión C aldera C on trô le Co mbus tion C h audière Boile r C o mbu stio n C on trol S teu eru ng V erbrennu ng Boiler C on trollo C o mbus tio ne Ca ldaia C .H = C irc uito H ume dad Circu it Humidit é H um idity C ircu it K reis lauf F eu ch tigk eit C irc uito Um id ità C .L = C irc uito Leds C ircu it LED s Led C irc uit K reis lauf L ED s C irc uito Leds C .T = C irc uito T eclad o C ircu it C la vie r Key pad C irc uit K reis lauf T as tat ur C ic uito Ta stiera C C 1 ,C C 2 = C ont ac to r Re sis tenc ia Cá ma ra C on ta cteu r Éléme nt C ha uffant C hambre C ham ber H ea ting Element C on ta ctor S ch ütz H eizw id ersta nd G arraum C on tatt ore R es is tenz a C am era CM D = C ont ac to r Moto r D e rech a C on ta cteu r Moteu r D ro ite R ig ht En gine C onta ct or S ch ütz Mo to r rech ts C on tatt ore Mot ore D es tra CM I = C ont ac to r Moto r I zq uierd a C on ta cteu r Moteu r G auc he Lef t E ng ine C ontac to r S ch ütz Mo to r links C on tatt ore Mot ore Sinistra CR2 = R ele Arranqu e Relais Déma rrage Sta rt ing R elay R ela is Anlauf R elè A cc ens ion e C V 1, C V2 = C ont ac to r Re sis tenc ias C aldera C on ta cteu r Éléme nt C ha uffant C haud ière Boile r H e atin g E lem ent C o ntac tor S ch ütz H eizw id ersta nd B oiler C on tatt ore R es is tenz a C alda ia DE C = D ete ctor L la ma C ám ara D étec teur F lamm e C h ambre C ham ber F la me D et ec to r F lamm en detek tor G arra um R ilev atore di F iamm a C amera DE V = D ete ctor L la ma C aldera D étec teur F lamm e C h audière Boile r F lame D etec to r F lamm en detek tor B oile r R ilev atore di F iamm a C alda ia DN = D ete ctor N iv el C a ldera D étec teur N iv eau C haud ière Boile r L ev el D e te ct or P egelde tekt or Boile r R ilev atore Livello Ca ld aia EM = Enc od er Select or T ie mpo En code ur Sé lec teur T e mps T im e Se lec tor E ncode r E nc oder Z eitw a hls ch alte r E nco der Se le tt ore T emp o Eº C = Enc od er Select or T em peratura En code ur Sé lec teur T e mpératu re T em perature S elec to r Enc oder E nc oder T em perat urw ahls c halt er E nco der Se le tt ore T emp eratura F = F us ibles F usibles F us es S ic he run gen F us ib ili FI = F iltro Inte rfe renc ias F iltre Int erf ére nce s Inte rfe renc e F ilter S töru ng sf ilte r F iltro Interfe renz e FM = T érmico Moto r T herm ique M oteu r T herma l En gine T h ermos ch alter Moto r T erm ico M ot ore G V1 , GV 2 = Elect ro vá lv ula Gas C á mara Élec tro va nne G az C ham bre C ham ber G as Solenoid V alv e E le ktrov en til G a s G arraum E le tt ro valvo la G a s C am era G V3 , GV 4 = Elect ro vá lv ula Gas C a ldera Élec tro va nne G az Chau dière Boile r G as So leno id Valve E le ktrov en til G a s Bo iler E le tt ro valvo la G a s C alda ia IC = Selec tor Ve lo cid ad Po tenc ia Sé lec teur Vites se Pu iss an ce Pow er Spe ed Selec tor W ah lsc ha lter G es ch wind igk eit Leistu ng S elettore V eloc it à P otenz a IG = In te rrup tor G enera l Interru pt eur G énéra l Ma in S w itc h H aup ts c halt er I nterruttore g enera le IL = In te rrup tor Se gurid ad Lav ad o Interru pt eur Sé curité La va ge Wa sh ing S afet y Sw itc h S ic he rhe its sc ha lter Wa sc hen I terru ttore Sic urezz a Lavag gio Ip = In te rrup tor Se gurid ad Pu erta Interru pt eur Sé curité Po rte D oor S afet y Sw itch S ic he rhe its sc ha lter T ür I terru ttore Sic urezz a Porta K1 ,K2 ,C K1, C K2= R ele R es is tenc ia R elais Éléme nt C ha uffan t H eat ing Elem en t R elay R ela is H eiz w iders ta nd R elè R es iste nza Lz = Luz In te rior Éc la irage I ntérie ur Inn er Lig ht I nne nbeleuc htung L uce Intern a M = M ot or T urbin a Mo te ur T urbin e T urbin e E ngin e M otor T urb ine M otore T u rb ina M1 = M ot or C himene a Mo te ur C he minée Sta ck Eng ine M otor A bluftk amin M otore C a nna M2 = M ot or Válvula Mo te ur va nne Valve Eng ine M otor V entil M otore V alvo la M BA = Bom ba L av ado Po mpe La va ge Wa sh ing P ump W as c henp umpe P omp a lavagg io Mb = In te rrup tor Micro Bajada Microrupt eur D es ce nte D rop M ic rosw itc h M ik rosc halter Se nk en I terru ttore M ic ro D is c esa Ms = In te rrup tor Micro Sub ida Microrupt eur Mon tée R is e M ic ros w itch M ik rosc halter H eben I terru ttore M ic ro Salit a PF = Pot encióm etro S elec to r F u nciones Po tentiomèt re Sélect eur F onc tions F unc tio ns S elec to r Pote ntiomet er P ote ntio mete r Fu nk tion sw ah ls cha lte r P oten ziomet ro Seletto re F unz ion i PR G = Prog ram ad or Progra mma teur Prog ram mer P rogram mie rvorric htun g P rogramm atore RC = R es is tenc ia s Cá mara Élémen ts C h auffa nts C ha mbre C ham ber H ea ting Element H eiz w ide rstän de G arraum R es iste nze C ame re RV = R es is tenc ia s Ca ldera Élémen ts C h auffa nts C ha udiè re Boile r H e atin g E lem ent H eiz w ide rstän de B oiler R es iste nze C ald aia Tc = Son da Cá mara So nd e C ha mb re C ham ber Pro be S onde G arra um S onda C amera TCN = T ermos ta to C on dens ación T herm os ta t C onde ns atio n C onde ns atio n T he rm osta t T h ermos tat Kond ens ieru ng T erm ost ato Co nden saz io ne Tg = Son da Ca ldera So nd e C ha udière Boile r P robe S onde Bo iler S onda C ald aia TH = Son da Hu meda d So nd e H um id ité H um idity P ro be S onde F euc htigk eit S onda U midit à Tn = Son da Nú cleo So nd e N oy au C ore P ro be K ernt em pera turmes so nde S onda N uc leo TRF = T rans formad or T rans formate ur T rans former T ra nsfo rmato r T ras forma tore TS C = T ermos ta to Se gurid ad C ám ara T herm os ta t Séc urité C ham bre C ham ber Sa fety T hermos ta t S ic he rhe its therm ost at G arra um T erm ost ato Sic urezz a Ca me ra TS V = T ermos ta to Se gurid ad C aldera T herm os ta t Séc urité C hau dière Boile r S afe ty T h erm os tat S ic he rhe its therm ost at Bo iler T erm ost ato Sic urezz a Ca ldaia Tv = Son da Vapo r So nd e V apeu r Ste am P rob e S onde D am pf S onda Vap ore VA C = Bom ba V ac ia do Po mpe V ida nge Vac uum Pum p A blas spu mpe P omp a sc arico VA c l = Elect ro vá lv ula Ac larad o Élec tro va nne R inç age R in sing S olen oid Valve E le ktrov en til K la rspülen E le tt ro valvo la R is ciacq uo VC = Ven tilador S oplante Ve nt ilateur S oufflan t Blow ing F an V ent ilator G ebläse V entilat ore Sof fia nte VC N = Elect ro vá lv ula C onde nsa ción Élec tro va nne C on dens at ion C onde ns atio n S olen oid Valv e E le ktrov en til K on de nsierung E le tt ro valvo la C o nden saz ione VD V = Elect ro vá lv ula Llen ado Calde ra Élec tro va nne R em plis sage C hau dière C ham ber F illing S olen oid Valv e E le ktrov en til F üllu ng Boiler E le tt ro valvo la d i R iemp ime nto C a ld aia VE = Ven tilador C uadro E léc tric o Ve nt ilateur T ab le au Élec triqu e F an Sw itc hbo ard V ent ilator Elek trotafe l V entilat ore Qu adro E le tt ric o VH M = Elect ro vá lv ula H umidif ica dor Élec tro va nne H um idificat eur H um idifier Sole noid Valve E le ktrov en til B efeu ch tu ngs vo rric htung E le tt ro valvo la U m idificat ore VL av = Elect ro vá lv ula Lav ado Élec tro va nne La va ge Wa sh ing S ole noid Va lve E le ktrov en til W as ch en E le tt ro valvo la L av aggio Vv = Variador V elocidad Va ria teu r V ite ss e Spe ed V ariato r G e sch w in digk eitsre gler V ariat ore di Veloc ità C O L OR C O LO RE S C O UL EU R S C O L OU R F A R BE N C O LO R E Va = Az ul Bleu Blue B la u B lu am = Am arillo Ja une Yello w G e lb G iallo am /ve = Am arillo/v erde Ja une / v ert Yello w / green G e lb/ grü n G iallo/v erde b = Blanc o Blanc Wh ite W eiß B ia nco g = Gris G ris Gre y G rau G rigio m = M arró n Ma rron Brow n B raun M arrone n = N egro N oir Black S ch w arz N ero na = N aran ja O ran ge Ora nge O rang e A ranc io r = R ojo R ou ge R ed R ot R os s o rs = R os a R ose Pink R osa R os eo ve = Verd e Ve rt Gre en G rün V erde vi = Viole ta Violet Purp le V io let t V io la - 27 - Le ye n d a H o rn o s H C -7 6 9 7 0 T 3 0 30 4 2 00 0 -27-
  • 86.
    7.- GENERAL USAGE INFORMATION AND AUXILIARY FUNCTIONS 7.1.- Oven operation The oven can operate in five different modes: CONVECTION: The heating is generated by heating elements or internal gas burner in the oven's chamber. 35÷300 ºC. STEAM: The heating is generated by water steam at 100 degrees centigrade and at atmospheric pressure. ADJUSTABLE STEAM: The heating is produced by steam and the required temperature can be selected from 35 to 125 ºC. MIXED: The heating is produced by convection and steam at the same time, but with a higher convection power. 35÷250 ºC. REGENERATION: The heating is produced by convection and steam at the same time but with more steam power than in the mixed mode. 35÷180 ºC. The oven can operate in three different functions: TIME: From 1 to 120 minutes or even indefinitely. CORE PROBE: Selection from 0 to 99 ºC. DELTA: Selection from 0 to 50 ºC for the steam mode; 0÷75 ºC for the adjustable steam mode and 0÷99 ºC in the rest of the modes. 7.2.- Manual use commissioning On connecting the power supply and selecting on of the steam modes, steam adjustment, regeneration, mixed or convection, the controller is connected and the led of the selected mode turns on. The humidity control leds indicate the selected humidity. (Programmable ovens). The chamber temperature selection display, situated on the right visualises the selected temperature value and the real chamber temperature display situated on the left visualises the real value. The temperature measurement is carried out by the chamber's thermocouple. The time/core temperature selection display, situated on the right, visualises the time or core probe temperature, depending on the key selected. - 28 -
  • 87.
    The time/core temperatureindicator display, situated on the left, visualises the remaining time or the real temperature of the core probe. When the oven is turned on, the drain valve performs a check, first carrying out a closing cycle and then an opening cycle, in the programmable ovens. The time is stopped when the door is opened. When the door is closed again, the process continues without changing the values it had when it was opened. When the time reaches zero or the core probe temperature reaches the selected value, the flue pipe activates and the left hand display flashes and the bell begins to ring. When the function switch is turned to zero, all the outputs return to zero and the leds and displays turn off. After three seconds, the control panel no longer has any voltage. The control of the steam generator water filling is performed with a water level detector that operates in all the operational modes except the emptying mode, and is consists of three water level probes Max.L., Min.L. and Com.L., inserted in the level canister. 1.- .- When the real water level is below min L., the water inlet solenoid valve to the generator is activated which allows the Com min max steam outlet to the chamber. R1 ≥ 40 KΩ R2 ≥ 40 KΩ solenoid valve enabled. 2.- When the level reaches the Min level., the solenoid valve continues to operate. R1 ≤ 20 KΩ R2 ≥ 40 KΩ solenoid valve enabled. 3.- When the level reaches the N max level, the inlet of water is closed and the heating of the generator commences. R1 R1 ≤ 20 KΩ R2 ≤ 20 KΩ solenoid valve disabled R2 4.- The heating of the generator is not cut off whilst the water level is between N max. and N min. R1 ≤ 20 KΩ R2 ≤ 40 KΩ solenoid valve disabled - 29 -
  • 88.
    7.3.- Operating modesselection OFF Mode Selection Pre-estab. Selection Pre-estab. Conveccion o Vapor ºC ºC %HR %HR Convection; 35-300 160 0-100 0 Regulacion Vapor Mixed 35-250 140 0-100 60 Mixto Regeneration 35-180 120 0-100 80 Steam 35-125 80 100 100 R Adjustment Regeneracion Steam 99 99 100 100 The preestablished temperature and humidity values that appear in the table are the default values that are used the first time the oven is started up. In later uses, the last value selected in any of the modes will be visualised, except for the fixed steam at 100 ºC mode. 7.3.1 Convection Mode The heating of the chamber stops when the value given by the chamber thermocouple is the same as the value selected and restarts when the value is less. 7.3.2 Steam Mode 100 ºC Heating is performed by means of steam injection to the cooking chamber. Between 60÷90 ºC, chamber heating and steam heating operate at the same time .7.3.3 Steam Adjustment Mode 35÷125 º If the chamber temperature is less or equal to 100 ºC, the heating of the cooking chamber is performed by steam. If the chamber temperature is greater than 100 ºC, the cooking chamber heating is performed by steam and convection together. 7.3.4 Regeneration Mode 35÷180 ºC The heating of the cooking chamber is performed by the joint operation of convection and steam. 7.3.5 Mixed Mode 35÷250 ºC The heating of the cooking chamber is performed by convection providing steam also, but to a lesser extent than in the regeneration mode. - 30 -
  • 89.
    7.4.- Temperature selection. Using the control and depending on the turning speed, the temperature can be selected from 1 to 1 888 888 ºC; 5 ºC and 10 ºC 7.5.- Time selection. The two displays indicate the time selected whilst the control 888 888 is turned from 1 to 120 and when the maximum position (---) is indicated, this means that the time is not taken into account and the controller will operate indefinitely. Both to enter in the manual position (---), and to exit it is Select necessary to turn the control suddenly. After 3 seconds, the left hand display starts to deduct the time and visualizes the time remaining to finish. If once started, the control is turned again, the two displays will vary to the same degree. Example: 060 090 if we reduce by 30 minutes it becomes 030 060 060 090 if we increase by 30 minutes it becomes 090 120 7.6.- Core probe temperature selection This is performed with the same control, but pressing the select button . 888 888 The right hand display indicates the selected core temperature, one to one, whilst the control is turned form 1 to 99 ºC. Select The left hand display indicates the real temperature in the core probe. - 31 -
  • 90.
    7.7.- DELTA functionselection This ensures a fixed difference of 50 ºC between the chamber temperature and the core probe temperature. • This is performed with the same control, but pressing the select . button. 888 888 • The right hand display indicates the selected temperature, one to one, whilst the control is turned from 1 to 99 ºC, except in the Steam Mode which goes from 1 to 50 ºC and the Steam Adjustment Select Mode which goes from 1 to 75 ºC. • The left hand display indicates the real temperature in the core probe. 7.8.- Speed power selector • With the selector the three power-speed options are chosen - 32 -
  • 91.
    STOP 7.9.- Selection CoolDown function Situate in any of the operating modes, close the door, press the Cool Down key, the led will light up and the cooking chamber's cooling commences. 250 PuE rtA The displays will flash intermittently: PuE rtA (Door) Abr ir (Open) Abr ir On opening the door, the function continues but the displays visualize the same words continually. Selec t The cycle ends when the chamber temperature indicates 46 ºC. When we are in the Cool Down function, if the key is pressed again or the door is closed, the cycle stops and the led turns off. 7.10.- Automatic emptying function In any operating mode, the emptying pump operates for 3' (minutes), every 24 operating hours of the controller. The emptying pump should start to operate if the chamber and UAC 3' generator temperatures are less or equal to 60 ºC and only when the control is powered up. In this way, if the controller were to have been operating for 30 hours, the emptying pump will not start up until the Selec t controller is turned of and on again. If the controller is turned off before 3', on turning it on again it will start to count the 3' again. Whilst the pump is operating the chamber lighting outputs, electronic circuit power supply, flue pipe opening and turbine are functioning. However, the generator filling valve does not operate. In the lower left hand display, [UAC] is visualised intermittently. Once the cycle has finished, all the signals are re-established. Manual Emptying is performed with the door open and pressing the select and Cool Down key for 5 seconds. The emptying pump operates for 3 minutes in the conditions mentioned previously. - 33 -
  • 92.
    7.11.- .- Limedetection STOP In any of the operating modes, the generator probe registers the temperature and warns us with a led of the need to descale the steam generator. It first lights up in pulse train of 1 and whilst the sides are covered with a greater thickness of lime, the led will light up in 2 impulses and 3 impulses until it is permanently lit up. At this pint, the heating of the generator's heating elements will stop functioning and it is necessary to perform a descaling cycle. - 34 -
  • 93.
    7.12.- Descaling cycleselection dES dES --- In any mode and with the door closed, on pressing the descaling key for 5 seconds, the descaling lamp turns on continuously. Fig. 1 F1 3' F2 Fig. 2 --- 1.-The emptying valves operates for 3 minutes, and empties the water out of the generator. Fig.1 2.- The descaling lamp operates intermittently, and the Selec t Selec t upper and lower displays light up intermittently. At this dES --- dES point, we take of the lid in the roof of the oven and insert 5 litres of descaling liquid. We close the lid and press the Fig. 3 Fig. 4 descaling key for 5 seconds. Fig. 2 F3 F4 --- 120 3.- The generator filling valve operates until the Max level is reached. Fig. 3 Selec t Selec t 4.- The generator is heated until it reaches the temperature of 60 ºC for 120 minutes. Fig. 4 dES If the Select key is pressed, the 120 minute value can be dES --- increased to 480 minutes and lowered to 1 minute. 5.- The emptying valve operates for 3 minutes, emptying Fig. 5 Fig. 6 the water out of the generator. Fig. 5 F5 3' F6 --- 6.- The generator filling valve operates until the Max level is reached. Fig. 6 Selec t Selec t 7.- The emptying valve operates for 3 minutes, emptying the water out of the generator. Fig. 7 dES dES --- 8.- The generator filling valve operates until the Max level is reached. Fig. 8 Fig. 7 Fig. 8 9.- Operate in steam mode until the chamber temperature Fig.8 F7 3' F8 --- reaches 95 ºC. Fig. 9 10.-The descaling led finally turns off and “Fin dES” Selec t Selec t appears in the two displays . Fig. 10 If during the time the descaling cycle lasts the descaling dES FIn dES key is pressed again for 5 seconds (Cancel descaling cycle): The led operates intermittently and if: Fig. 9 Fig. 10 Fig.10 F9 99º 1.- It has not reached (2) the cycle situates itself at (9). 2.- It has reached or exceeded (2) the cycle situates Selec t S elect itself in (5º). 3.- It has reached or exceeded (5) the cycle continues (descaling cycle performed). 4.- If the controller is turned off, the cycle will continue when it is turned on again. - 35 -
  • 94.
    7.13.- Probe calibration HGV, HGP, HEM and HEP Models Turn the oven to steam Mode at 100 ºC TC TU In the control card, turn on the I4=1 switch and press Ical for a second to proceed to the calibration process. Tn Tg The value of the 4 thermocouples is visualised in the displays. Selec t Ical I4 Switch HGP, HGP, HEM AND HEP The oven will automatically turn to the continuous steam mode for the calibration, and the probes will measure values between 95 and 105 ºC, (if this is not the case, the oven will indicate the corresponding error). When all the values that measure the temperature probes have been stabilised and steam production has been continuously functioning for 120 seconds in gas models and 30 seconds in electric models, the probes will take 100 ºC as a reference. To exit the calibration mode, turn I4=0. HGC and HEI models Calibration is not carried out automatically in these models as is in the HGV, HGP, HEM and HEP models. In this models, we have to use an external temperature measurer. I3 Switch Ical HGC AND HEI - 36 -
  • 95.
    In the HGCand HEI models turn I3=1 and press Ical for a second, to proceed to tc tv the calibration process. The upper left hand display visualizes TC intermittently, and the right hand TV, the lower left hand display the value to be increased or reduced to (TC) and the right hand display the value that should be increased or 0 0 reduced (TV). The increase or reduction is performed with the control existing in the two displays. To change from programming TC to TV, just press Ical for a second. Once TV has been changed by pressing Ical once more and turning I3=0, we will exit the calibration mode. 7.14.- Visualisation of the probes' temperatures On pressing the Cool Down key for 5 seconds with the door closed, the value of all the temperatures will be visualised in the displays (in the same way as in the calibration process). The oven will continue to operate in the same way. 7.15.- HACCP Function (Only in the Core Probe and Delta functions.) The oven saves all the Operating Mode, Humidity (depending on the dSC dto version), chamber and core temperature values, once a minute in the previous 24 hours. It also saves the moment of reaching the selected temperature in the core and the temperature 15 seconds later. HAC CP When the “Memory Card” designed for this purpose is connected, the Select controller will detect it and will proceed to unload all the data from the preceding 24 hours. OC SI When it is unloading the data, the displays are intermittent indicating [dSC][dto], [HAC][CP] and when the process finishes [OC][SI], [HAC][CP] HAC CP appears. Select - 37 -
  • 96.
    7.16.- Humidity selection Onconnecting the humidity control circuit to the controller, it will detect it automatically and the humidity can be chosen only when switch I2=1 is turned to and the humidity control mode is entered. The selection is performed with the pushbuttons situated on each side of the visualisation leds, the one on the left for going down and the one on the right for going up. 10 20 30 40 50 60 70 80 90 100 %HR - + On pressing the [-] and [+] keys simultaneously the real humidity is visualised measured by the humidity sensor. In the Steam mode at 100 ºC: All the display leds will be blue. We do not have the option to adjust the humidity. In the Mixed mode: the leds will be blue or red. We have the option to adjust the humidity. In the Convection mode: All the leds will be red and we have to option to adjust the humidity. - 38 -
  • 97.
    7.17 Use ofthe oven in programming mode On pressing the key the menu will be displayed Programming buttons TURN ON OR VALIDATION SHOW STEP BACKWARDS MOVEMENT IN THE MAIN MENU OR PROGRAMMES MOVEMENT IN THE MAIN MENU OR PROGRAMMES M PROGRAM OR CHANGE - 39 -
  • 98.
    COOKING COOKING PROFRAMM 99 PHASE 1 PHASE 2 COOKING PROGRAM 99 PHASE 9 WASHING QUICK RINSE GENTLE WASH MEDIUM WASH INSTENSE WASH RECORD TOTAL H. 3 HOURS STEAM H. 1 HOUR TN max 150 ºC TG max 120 ºC LANGUAGE SELECTION SPANISH ENGLISH FRENCH GERMAN ITALIAN - 40 -
  • 99.
    To enter inthe programming Mode the key should be pressed. Once inside, we can choose between the main menus 4 options with the keys. Once in one of the main menus, if the is pressed, we enter inside and are able to move amongst the existing programmes, in same way as before and with the same buttons. If we wish to go back, we should press the key as many times as we need to reach the required point. Once positioned in the chosen program, in order to activate it, it is only necessary to press the key. If we should want to stop the operation at any given moment, press the key again. To go to the manual mode, we should press the key until the display turns off, except when we are operating a program. In this case, we press the key. How to change or add a cooking program First, the programme number we are going to programmed or modified should be selected. Next, press the M key. The second row of the program selection display is visualised intermittently and we proceed to introducing the name we want to give the program. Do this selecting characters A to Z, . , space, - ,with the keys. Once the name has been introduced, press the key. Next, we should introduce the cooking values we require in the different phases visualised in the display. To do this, we manually introduce the mode, temperature, humidity, etc. values with which we want to cook. There are a maximum of 9 phases. When we have finished programming the phases, it is not necessary to program all of them, if we press the key, we will save everything we have programmed and will enter the position containing the programme name. If instead of pressing the key, we press the M key, we will erase all the information we have introduced in this program and will have to program the different phases again. The main menu has 4 different options: Cooking programmes, washing, record and language selection. In the cooking program we can introduce up to 99 programs, each one of which can be made up of 9 phases. In the washing program we have 5 programs which cannot be modified. These programs are: Quick rinse 10 minutes Rinsing with brightener 46 minutes Gentle washing 85 minutes Medium washing 118 minutes Intense washing 173 minutes Semi-automatic washing 28 minutes (spray) - 41 -
  • 100.
    In the recordprogram by pressing the key for 5 seconds we can visualise the following menu: Adjustable Steam Oven= Total working hours in adjustable Steam mode. Regeneration Oven= Total working hours in the Regeneration mode. Mixed Oven= Total working hours in the Mixed mode. Convection Oven Total working hours in the Convection mode. H.CV= Total CV operating hours. H.CC= Total CC operating hours. Nº.c.CV= Number of CV cycles. Nº.c.CV= Number of CC cycles. Nº.c.MS/MB= Number of flue pipe opening/closing cycles. Nº.c.Des= Number of total descaling cycles. Nª.c.lav. 10M= Number of 10 minute washing cycles. Nª.c.lav.46M= Number of 46 minute washing cycles. Nª.c.lav.85M= Number of 85 minute washing cycles Nª.c.lav.118M= Number of 118 minute washing cycles. Nª.c.lav.173M= Number of 173 minute washing cycles. Nº.c.Ip= Number of door contact cycles. Nº.cal.= Number of calibrations carried out. Tcmax= Maximum temperature reached by Tc (chamber probe). Tvmin= Tv restart temperature (steam condensation probe). Tvmax= Maximum temperature reached by Tv (steam condensation probe). TNmax= Maximum temperature reached by TN (core probe). TGmax= Maximum temperature reached by TG (steam generator probe) after the last descaling. In the language selection program we have the possibility of choosing between 5 different languages. Spanish English French German Italian - 42 -
  • 101.
    8.- SEQUENCE OFEVENTS HGV GAS OVEN Steam Mode 100 ºC GAS Responsible No. STEP SIGNAL OBSERVATIONS Sensor 1 Select Steam mode Potentiometer PF PF= 2 VDC 2 Select time or core temperature Time encoder 3 Close the door IP Reed Contact 12 V 4 Verification of the water level in the DN (Com, Max, 230 V in The VDV solenoid valve is steam generator min) VDV active when water is lacking 5 Preheating of the steam generator up Thermocouple Tg C.E.V. The heating stops if TG to 90 ºC CV is in operation functioning reaches 180 ºC and LDC (230 V) comes on 6 The cooking time starts after the C.E.G. Controller preheating Logic 7 Steam intake in the inside of the Thermocouple Tc 230 V in CV C.E.C. functioning Cooking chamber 8 Hot air intake in the inside of the Thermocouple Tc 230 V in CC C.E.C. functioning cooking chamber (from TC= 60..90 ºC) 9 Condensation chamber set at 80º C in Thermocouple Tc 230 V in VCN operates at intervals. the Factory VCN Regeneration Mode 35 . . . 180 ºC GAS RESPONSIBLE No. STEP SIGNAL OBSERVATIONS SENSOR 1 Select Regeneration mode Potentiometer PF PF= 6 VDC 2 Select Chamber temperature Temperature encoder 3 Select time or core temperature Time encoder 4 Close the door IP Reed Contact 12 V 5 Verification of the water level in the DN (Com, Max, 230 V in VDV The VDV solenoid valve is steam generator min) active when water is lacking 6 Preheating of the steam generator up Thermocouple Tg C.E.V. The heating stops if TG to 90 ºC CV is in operation functioning reaches 180 ºC and LDC (230 V) comes on 7 The cooking time starts after the C.E.G. Controller preheating Logic 8 Steam intake in the inside of the Thermocouple Tc 230 V in CV C.E.V. functioning (steam Cooking chamber 80%) 9 Hot air intake in the inside of the Thermocouple Tc 230 V in CC C.E.C. functioning Cooking chamber 10 Condensation chamber set at 80 ºC in Thermocouple Tc 230 V in VCN VCN operates at intervals the Factory - 43 -
  • 102.
    Mixed Mode 35 . . . 250 ºC GAS RESPONSIBLE No. STEP SIGNAL OBSERVATIONS SENSOR 1 Select Mixed mode Potentiometer PFPF= 8 VDC 2 Select Chamber temperature Temperature encoder 3 Select time or core temperature Time encoder 4 Close the door IP Reed Contact 12 V 5 Verification of the water level in the DN (Com, Max, 230 V in VDV The VDV solenoid valve is steam generator. min) active when water is lacking 6 Preheating of the steam generator up Thermocouple Tg C.E.C. The heating stops if TG to 90 ºC CV is in operation functioning. reaches 180 ºC and LDC (230V) comes on 7 The cooking time starts after the C.E.G. Controller preheating Logic 8 Steam intake in the inside of the C.E.G. Controller 230 V in CV C.E.C. functioning. (60% Cooking cabinet (20”ON 20”OFF) Logic steam) 9 Hot air intake in the inside of the Thermocouple Tc 230 V in CC C.E.C. functioning Cooking chamber 10 Condensation chamber set at 80 ºC in Thermocouple Tc 230 V in VCN VCN operates at intervals the Factory Adjustable Steam Mode 35 . . . 125 ºC GAS RESPONSIBLE No. STEP SIGNAL OBSERVATIONS SENSOR 1 Select Steam Adjustment mode Potentiometer PF PF= 4 VDC 2 Select Chamber temperature Temperature encoder 3 Select time or core temperature Time encoder 4 Close the door IP Reed Contact 12 V 5 Verification of the water level in the DN (Com, Max, 230 V in The VDV solenoid valve is steam generator min) VDV active when water is lacking 6 Preheating of the steam generator up Thermocouple Tg C.E.V. The heating stops if TG to 90 ºC CV is in operation functioning reaches 180 ºC and LDC (230 V) comes on 7 The cooking time starts after the C.E.G. Controller preheating Logic 8 Steam intake in the inside of the Thermocouple Tc 230 V in CV C.E.V. functioning (80% Cooking chamber steam) 9 Hot air intake in the inside of the Thermocouple Tc 230 V in CC C.E.C. functioning Cooking chamber 10 Condensation chamber set at 80 ºC in Thermocouple Tc 230 V in VCN operates at intervals the Factory VCN - 44 -
  • 103.
    Convection Mode 35 . . . 300 ºC GAS RESPONSIBLE No. STEP SIGNAL OBSERVATIONS SENSOR 1 Select Convection mode Potentiometer PF PF= 10 VDC 2 Select Chamber temperature Temperature encoder 3 Select time or core temperature Time encoder 4 Close the door IP Reed Contact 12 V 5 Verification of the water level in the DN (Com, Max, 230 V in The VDV solenoid valve is steam generator min) VDV active when water is lacking 6 The cooking time starts C.E.G. Controller Logic 7 Hot air intake in the inside of the Thermocouple Tc 230 V in CC C.E.C. functioning Cooking chamber - 45 -
  • 104.
    9.- IRREGULARITIES EFFECT CAUSE ACTIONS 1. -The oven does not function in any 1.1 IP door switch. 1.1 Check –Change or adjust mode. 1.2 Motor thermoswitch FM. 1.2 Check or change motor. Illuminated displays. 1.3 Chamber Limiter TSC. 1.3 Check Tc probe, and C.E.C. control. 1.4 Steam Boiler Limiter TSV. 1.4 Check C.E.G. Controller or DN level detector. 2. -Neither the convection burner nor the 2.1 Vv variator or VC blower broken. 2.1 Change. steam burner ignite. Illuminated displays Turbine motor functioning Led D21 of the Vv frequency variator. (sequence of three impulses) 3. -The convection burner does not ignite. 3.1 Failure Vv frequency variator 3.1 Check and change. Illuminated displays 3.2 Failure VC blower 3.2 Check and change. Turbine motor functioning Led D21 of the Vv frequency variator (one impulse sequence) 4 -The convection burner does not ignite. 4.1 Incorrect injector. 4.1 Check injector and fit the correct one. Illuminated displays 4.3 False contact in the ignition control. 4.3 Check detection wiring Turbine motor functioning CEC 4.4 Change Chamber burner blocked indicator turned 4.4 Ignition control broken CEC 4.5 Check pressure gauge in gas valve on. 4.5 Either no gas or too little gas 4.6 Check detector-burner position (5-6 mm) Led D21 of the Vv frequency variator 4.6 Failure flame detection and connections or change detector. (sequence of two impulses) 4.7 Flow of ignited gas in convection valve 4.7 Check dynamic pressures and increase low. flow in the gas regulator. 4.8 Convection gas valve. 4.8 Change gas valve. 4.9 Failure spark train. 4.9 Check position burner spark plug (3-4 mm) 4.10 Excessive gas pressure in inlet. and connections. 4.10 Check gas pressure and correct - 46 -
  • 105.
    EFFECT CAUSE ACTIONS 5. -Noise during ignition 5.1 Excess of gas during ignition 5.1 Check that the valve code corresponds to 5.2 The burner does not correspond to the the gas and model model 5.2 Check pressures in gas valve in the burner 5.3 Gas type does not correspond to the 5.3 Check pressures and model model 5.4 Check and correct. (Increase the ignition 5.4 Incorrect frequency variator switches. speed) 5.5 Gas valve does not correspond to the 5.5 Check and correct type of gas 6. -Abrupt ignition with a slight explosion 6.1 Incorrect frequency variator switches 6.1 Check and correct ignition speed. 6.2 Gas type does not correspond to the model 6.2 Check pressures and model 6.3 Gas valve does not correspond to the 6.3 Check and correct type of gas 6.4 Check position burner spark plug (3-4 mm) 6.4 Failure spark train and connections. 7. -The oven operates for a while. 7.1 Motor thermoswitch FM 7.1 Check the correct connection of the three It then stops and starts to operate again. phases to the motor 7.2 Check if there is external humidity in the motor 7.3. Change motor. 8. -It generates no steam at all. 8.1 Excess of lime in the steam generator. 8.1 Descale the steam generator (See LDC indicator permanently lit. instruction booklet). 9. -It does not generate sufficient steam 9.1 The flue pipe does not close properly. 9.1 Check and correct Steam gas valve GV3-GV4 active. 9.2 Chamber probe broken TC 9.2 Change probe or Calibrate. - 47 -
  • 106.
    Failure modes: Errors existin which the oven indicates the cause. When this type of error occurs: The bell rings intermittently. A message appears intermittently in the displays. On pressing any key, the oven ignores it. On opening the door, the error message does not disappear. To erase the error message from the display and stop the bell from ringing, either the voltage should be disconnected from the controller or the failure that produced the error be solved. When the problem is resolved, the outputs start to operate normally again. The following are the five different types of errors that exist: Err 001 Err 1 Snd CCI Snd CC1 When the chamber temperature probe fails.(Tc) Err 002 Err 2 Snd ncI Snd ncl When Tn fails (core probe). - 48 -
  • 107.
    Err 003 Err 3 TEM FLI TEM When the oven temperature FLI goes above 330 ºC. Err 004 Err 4 Snd nIL The water level probes Snd nIL are not functioning correctly. Err 005 Err 5 Snd UAP When the steam outlet Snd UAP temperature probe fails. (Tv) - 49 -
  • 108.
    Err 006 Err 6 Snd gnr When the steam generator Snd gnr temperature probe fails. (Tg) Err 007 Err 7 Snd CAL Snd CAL If after 15 minutes calibration is not possible. Err 008 Err 8 CTL HUM When the humidity control is detected CTL HUM to not be functioning. - 50 -
  • 109.
    Err 009 Err 9 PrG OFF PrG OFF When the programmer is detected to not be functioning. Err 010 Err 10 FLt H20 When the steam generator filling valve is FLt H20 detected to be operating for 7 or more minutes and the maximum level is not reached. Err 011 Err 11 FLL UAC UAC When the emptying pump is detected FLL to be operating for more than 1 minute and the minimum level does not lower. - 51 -
  • 110.
    Err 012 Err 12 and Err13 FLL tco When cc operates and Tc does not increase 3 or more degrees in three minutes. FLL tco o Tg is less than 93 ºC. When cc operates and Tc does not increase three or more degrees in three minutes. - 52 -
  • 111.
    10.-PARAMETERS AND ADJUSTMENTS Apparatus code Speed medium Speed maximum Nozzle MODEL no. Speed maintain Speed turn on power power HGC 10-21 BP 380-415V 3N 50 HZ 112132500 2200 RPM 2500 RPM 2500 RPM 4500 RPM Ø 4.8 T305068 HGC 10-21 BP 380-415V 3N 50HZ 1121325001 2200 RPM 3000 RPM 3500 RPM 6000 RPM Ø 6 T305069 HGC 10-21 BP 380-415V 3N 50HZ A 1121325002 2200 RPM 2500 RPM 3000 RPM 5000 RPM Ø 4.8 T305068 HGC 10-21 BP 380-415V 3N 50HZ A 1121325003 2200 RPM 3000 RPM 3500 RPM 6000 RPM Ø 6 T305069 VGC 10-21 BP 380-415V 3N 50HZ 1121325004 2200 RPM 2500 RPM 3000 RPM 5000 RPM Ø 4.8 T305068 VGC 10-21 BP 380-415V 3N 50HZ 1121325005 2200 RPM 3000 RPM 3500 RPM 6000 RPM Ø 6 T305069 HGC 10-21 BP 220V 3 50HZ 1121325006 2200 RPM 2500 RPM 2500 RPM 4500 RPM Ø 4.8 T305068 HGC 10-21 BP 220V 3 50HZ 1121325007 2200 RPM 3000 RPM 3500 RPM 6000 RPM Ø 6 T305069 HGC 10-21 BP 380-415V 3N 60HZ 1121325010 2200 RPM 2500 RPM 3000 RPM 5000 RPM Ø 4.8 T305068 HGC 10-21 GN 380-415V 3N 60HZ 1121325011 2200 RPM 3000 RPM 3500 RPM 6000 RPM Ø 6 T305069 HGC 10-21 BP 220V 3 60HZ 1121325012 2200 RPM 2500 RPM 3000 RPM 5000 RPM Ø 4.8 T305068 HGC 10-21 GN 220V 3 60HZ 1121325013 2200 RPM 3000 RPM 3500 RPM 6000 RPM Ø 6 T305069 HGV 10-21 BP 380-415V 3N 50HZ 1121325100 2200 RPM 2500 RPM 2500 RPM 4500 RPM Ø 4.8 T305068 HGV 10-21 GN 380-415V 3N 50HZ 1121325101 2200 RPM 3000 RPM 3500 RPM 6000 RPM Ø 6 T305069 HGV 10-21 BP 380-415V 3N 50HZ A 1121325102 2200 RPM 2500 RPM 3000 RPM 5000 RPM Ø 4.8 T305068 - 53 -
  • 112.
    Apparatus code Speed medium Speed maximum Conv.Nozzle MODEL no. Speed maintain Speed turn on power power HGV 10-21 GN 380-415V 3N 50HZ 1121325103 2200 RPM 3000 RPM 3500 RPM 6000 RPM Ø 6 T305069 VGT 10-21 BP 380-415V 3N 50HZ 1121325104 2200 RPM 2500 RPM 3000 RPM 5000 RPM Ø 4.8 T305068 VGT 10-21 GN 380-415V 3N 50HZ 1121325105 2200 RPM 3000 RPM 3500 RPM 6000 RPM Ø 6 T305069 HGV 10-21 GN 220V 3 50HZ 1121325106 2200 RPM 2500 RPM 2500 RPM 4500 RPM Ø 4.8 T305068 HGV 10-21 GN 220V 3 50HZ 1121325107 2200 RPM 3000 RPM 3500 RPM 6000 RPM Ø 6 T305069 HGV 10-21 BP 380-415V 3N 3HZ 1121325110 2200 RPM 2500 RPM 3000 RPM 5000 RPM Ø 4.8 T305068 HGV 10-21 GN 380-415V 3N 60HZ 1121325111 2200 RPM 3000 RPM 3500 RPM 6000 RPM Ø 6 T305069 HGV 10-21 GN 220V 3 60HZ 112132512 2200 RPM 2500 RPM 3000 RPM 5000 RPM Ø 4.8 T305068 HGV 10-21 GN 220V 3 60HZ 1121325113 2200 RPM 3000 RPM 3500 RPM 6000 RPM Ø 6 T305069 HGP 10-21 GN 380-415V 3N 50HZ 1121325200 2200 RPM 2500 RPM 2500 RPM 4500 RPM Ø 4.8 T305068 HGP 10-21 GN 380-415V 3N 50HZ 1121325201 2200 RPM 3000 RPM 3500 RPM 6000 RPM Ø 6 T305069 HGP 10-21 GN 380-415V 3N 60HZ 1121325210 2200 RPM 2500 RPM 3000 RPM 5000 RPM Ø 4.8 T305068 - 54 -
  • 113.
    Blower speed variator T303048 Smaint Sturnon Shalfpow. Smax.pow. 0000 800 RPM 1000 2500 RPM 0001 1000 RPM 1001 3000 RPM 0010 1200 RPM 1010 3500 RPM 0011 1400 RPM 1011 4000 RPM 0100 1600 RPM 1100 4500 RPM 0101 1800 RPM 1101 5000 RPM 0110 2000 RPM 1110 5500 RPM 0111 2200 RPM 1111 6000 RPM Speeds depending on the position of the speed variators selectors - 55 -
  • 114.
    11.- TRANSFORMATION TODIFFERENT TYPES OF GAS To change the oven to a type of gas different to the one it was manufactured for, the following steps should be taken: We have to change the nozzle in the convection blower and fit another corresponding to the new type of gas (refer to the previous table). Loosen the three screws that join the gas valve and the mixer and extract the nozzle and the joint fitted with it. First insert the joint, previously taken out followed by the new nozzle. It is important to carry this out in this sequence, as on the contrary it would be extremely difficult to insert the joint. Fasten the three screws loosened previously. Screws (3) Detail screws to access to the convection injector 1 2 3 - 56 -
  • 115.
    Detail Convection injectorplace in the convection gas valve Injector position on convection gas valve Detail Convection system injector Once the nozzle has been changed, change the position of the Speed maint., Speed medium power, and Speed max.power of the speed variator according to the previous tables. Replace the steam generator's 12 burner injectors. Injector - 57 -
  • 116.
    Steam generator burnerin detail Change gas injectors in steam generator, 12 units Loosen fastening screws 4 Change gas injectors in steam generator 12 TYPE OF GAS Ø NOZZLE REFERENCE BUTANE PROPANE 0.70 Z955899 NATURAL GAS 1.10 Z956104 NATURAL GAS AUSTRALIA 1.2 Z956109 Table of nozzles for the generator burner - 58 -
  • 117.
    12.- VOLTAGE TRANSFORMATION To change the oven from 380 V to three phase 220 V, the following steps should be followed: 1 Change the electrical connections that the oven has in the main entry strip. The following diagram for 220 V is described depending on whether it is a gas oven or an electric oven. 2 Replace the turbines motors with the following ones. Gas oven 1 2 am n m g Replace the turbine motor with Reference no. T323023 /ve a R S T Electric oven 1º 2 2 2º am n m g /ve Replace the turbine motor with motor Reference no. T323023 R S T - 59 -
  • 118.
    MANUEL TECHNIQUE FOURS ÀGAZ HGC, HGV ET HGP 10/21 Novembre 2004 -1-
  • 119.
    SOMMAIRE PAGE 1.- MODÈLES ET DIMENSIONS 3 2.- CARACTÉRISTIQUES TECHNIQUES 5 3.- PANNEAU DE COMMANDES 6 4.- SCHÉMAS FONCTIONNELS 9 5.- COMPOSANTS 12 6.- SCHÉMA ÉLECTRIQUE ET DE MONTAGE 23 7.- INFORMATIONS GÉNÉRALES SUR L'UTILISATION ET FONCTIONS AUXILIAIRES 28 8.- SÉQUENCES DES ÉVÈNEMENTS 43 9.- DÉFAILLANCES 46 10.- PARAMÈTRES ET RÉGULATIONS 53 11.- TRANSFORMATION EN DIFFÉRENTS GAZ 56 12.- TRANSFORMATION DE LA TENSION 58 -2-
  • 120.
    1.- MODÈLES ETDIMENSIONS FOUR HGC 120 1479 1173 1330 992 605 440 130 395 73 2 5 476 576 1 = Arrivée eau douce RG ¾” 706 3 775 2 = Vidange générale RG1” 1 3 = Sortie de fumées Ø 120 6 4 = Raccord entrée alimentation 4 1755 électrique 5 = Bouchon nettoyage vidange 50 60 6 = Arrivée gaz RG¾” 120 -3-
  • 121.
    FOUR HGV ETHGP 150 1573 1173 1330 992 605 395 185 130 73 193 2 5 576 3 706 775 1 = Arrivée eau douce RG ¾” 1 2 = Vidange générale RG1” 6 3 = Sortie de fumées Ø 120 1755 4 4 = Raccord entrée alimentation 50 électrique 60 120 5 = Bouchon nettoyage vidange 6 = Arrivée gaz RG ¾” -4-
  • 122.
    2.- CARACTÉRISTIQUES TECHNIQUES MODÈLE HGC-10/21 HGV-10/21 HGP-10/21 Largeur X 1330 1330 1330 Profondeur Y 992 992 992 DIMENSIONS Hauteur sans 1173 1173 mm 1173 EXTÉRIEURES cheminée W Hauteur avec 1479 1573 1573 cheminée Z Poids net (kg) 250 kg 278 kg 283 kg Puissance électrique kW 1,2 kW 1,2 kW 1,3 kW Section 3X 1,5 + T Câble Tension 230 V 50-60 Fusible Int. 10 A alimentation 3~ Hz Général Dispositif 30 mA Différentiel Section 3X 1,5 + N + T Câble 380 Tension 50-60 Fusible Int. 415 V 10 A alimentation Hz Général 3~ Dispositif 30 mA Différentiel kcal/h (Hs) 24 100 42 160 42 160 Puissance BTU (Hs) 95 600 167 300 167 300 gaz kW (Hi) 28 49 49 kg/h (29 mb) Butane (G-30) 2,331 4,079 4,079 kg/h (37 mb) Propane (G-31) 2,296 4,017 4,017 Consomma- m3/h (20 mb) Gaz naturel (G- tions 2,963 5,185 5,185 20) nominales 3 m /h (25 mb) Gaz naturel (G- 3,078 5,540 5,540 25) Nombre GN 2-1 10 10 10 grilles Poids maximum de charge kg 100 100 100 Consommation d'eau estimée (litres/heure) - 75 75 Pression arrivée d'eau kg/cm 0,5 ÷ 8 -5-
  • 123.
    3.- PANNEAU DECOMMANDES FOUR HGC 1 Sélecteur de mode 2 Position four déconnecté 7 Indicateur mode air chaud 8 Sélecteur température chambre 9 Écran sélection température chambre 10 Écran température réelle chambre 11 Sélecteur temps 12 Écran sélection temps 13 Indicateur temps restant 18 Sélecteur puissance vitesse 19 Position puissance max. vitesse max. 20 Position puissance moyenne vitesse 21 Position puissance moyenne vitesse max. 25 Indicateur refroidissement 26 Bouton-poussoir refroidissement 28 Indicateur brûleur chambre bloqué 29 Bouton-poussoir déblocage brûleurs 30 Bouton-poussoir humidificateur -6-
  • 124.
    FOUR HGV 1 Sélecteur de mode 2 Position four déconnecté 3 Indicateur mode vapeur 4 Indicateur mode vapeur réglable 5 Indicateur mode régénération 6 Indicateur mode mixte 7 Indicateur mode air chaud 8 Sélecteur température chambre 9 Écran sélection température chambre 10 Écran température réelle chambre 11 Sélecteur temps/température coeur 12 Écran sélection temps/température coeur 13 Indicateur temps restant/température réelle à coeur 14 Sélecteur fonction : temps/température coeur/delta 15 Indicateur fonction : temps 16 Indicateur fonction : température coeur 17 Indicateur fonction : delta 18 Sélecteur puissance vitesse 19 Position puissance max. vitesse max. 20 Position puissance moyenne vitesse moyenne 21 Position puissance moyenne vitesse max. 22 Indicateur de tartre 23 Indicateur détartrage 24 Bouton-poussoir détartrage 25 Indicateur refroidissement 26 Bouton-poussoir refroidissement 27 Indicateur brûleur vapeur bloqué 28 Indicateur brûleur chambre bloqué 29 Bouton-poussoir déblocage brûleurs 30 Bouton-poussoir humidificateur -7-
  • 125.
    FOUR HGP 0 Interrupteur ON/OFF 1 Sélecteur de mode 31 Écran contrôle de l'humidité 32 Augmentation de l'humidité 33 Diminution de l'humidité 18 Sélecteur puissance vitesse 34 Écran mode programmation 35 Bouton-poussoir Allumer/Validation 36 Bouton-poussoir étape précédente 37 Bouton-poussoir déplacement menu 38 Bouton-poussoir déplacement menu 39 Bouton-poussoir montrer 40 Bouton-poussoir Programmer/Modifier -8-
  • 126.
    4.- SCHÉMAS FONCTIONNELS FOURS HGC Tc TSC C.E.C= CONTROL COMBUSTION CAMARA GV1, GV2= ELECTROVALVULA GAS CAMARA M= MOTOR TURBINA Tc= SONDA CAMARA M TSC= TERMOSTATO SEGURIDAD CAMARA GV1, GV2 VC= VENTILADOR SOPLANTE C.E.C VC VHM= ELECTROVALVULA HUMIDIFICADOR VHM -9-
  • 127.
    FOURS HGV Tc TSC Tn M1 C.E.C= CONTROL COMBUSTION CAMARA C.E.V= CONTROL COMBUSTION CALDERA DN= DETECTOR NIVEL CALDERA GV1, GV2= ELECTROVALVULA GAS CAMARA GV3, GV4= ELECTROVALVULA GAS CALDERA M= MOTOR TURBINA M1= MOTOR CHIMENEA Tc= SONDA CAMARA DN M Tg= SONDA CALDERA TSV Tn= SONDA NUCLEO Tg TSC= TERMOSTATO SEGURIDAD CAMARA VC TSV= TERMOSTATO SEGURIDAD CALDERA VAC= BOMBA VACIADO VC= VENTILADOR SOPLANTE VCN VCN= ELECTROVALVULA CONDENSACION VDV= ELECTROVALVULA LLENADO CALDERA VHM VHM= ELECTROVALVULA HUMIDIFICADOR VDV C.E.V VAC GV1, GV2 GV3, GV4 C.E.C - 10 -
  • 128.
    FOUR HGP Tc TSC Tn M1 C.E.C= CONTROL COMBUSTION CAMARA C.E.V= CONTROL COMBUSTION CALDERA DN= DETECTOR NIVEL CALDERA GV1, GV2= ELECTROVALVULA GAS CAMARA GV3, GV4= ELECTROVALVULA GAS CALDERA M= MOTOR TURBINA M1= MOTOR CHIMENEA Tc= SONDA CAMARA Tg= SONDA CALDERA Tn= SONDA NUCLEO DN M TSC= TERMOSTATO SEGURIDAD CAMARA TSV TSV= TERMOSTATO SEGURIDAD CALDERA Tg VAC= BOMBA VACIADO VC VC= VENTILADOR SOPLANTE VCN= ELECTROVALVULA CONDENSACION VDV= ELECTROVALVULA LLENADO CALDERA VCN VHM= ELECTROVALVULA HUMIDIFICADOR B.L= BOMBA DE LAVADO VHM V.L=VALVULA LAVADO C.E.V VAC VDV GV3, GV4 B.L GV1, GV2 C.E.C V.L - 11 -
  • 129.
    5.- COMPOSANTS Brûleur convection 3 m -4m 5-6 mm BE BD Le joint de brûleur ne doit pas coïncider avec la position de BE et BD. Vanne de gaz Soufflante Contrôle d'allumage - 12 -
  • 130.
    -12- Soufflante complète HGV Bougie d'allumage Détecteur de flamme Soufflante complète HGV - 13 -
  • 131.
    Détecteur de Bougie flamme d'allumage Détail brûleur Brûleur générateur générateur de vapeur de vapeur Dispositif lent allumage (cacheté) Pression sortie Pression arrivée Vanne de gaz + Contrôle d'allumage du générateur de vapeur - 14 -
  • 132.
    Moteur cheminée Microrupteurs Haut cheminée Mécanisme cheminée Limiteur température chambre Limiteur de température du Tº 360 ºC générateur de vapeur TSC Tº 150 ºC TSV - 15 -
  • 133.
    Générateur + Récipientde niveaux Vidange Remplissage Condensation Douche Humidificateur générateur + lavage Aspiration Pompe de vidange Électrovannes générateur - 16 -
  • 134.
    FOURS HGC -HEI I1 I2 I3 Contrôleur T353003 I1=0 Électrique I1=1 Gaz I2=0 ºC I2=1 ºF INTERRUPTEURS CARTE DE I3=0 N’étalonne pas CONTRÔLE I3=1 Étalonne - 17 -
  • 135.
    FOURS HGV -HGP - HEM - HEP Contrôleur T303005 I1 I2 I3 I4 I1 = 0 Électrique I1 = 1 Gaz I2 = 0 Sans contrôle de l'humidité I2 = 1 Avec contrôle de l'humidité INTERRUPTEURS CARTE DE I3 = 0 ºC CONTRÔLE I3 = 1 ºF I4 = 0 N'étalonne pas I4 = 1 Étalonne - 18 -
  • 136.
    Variateur vitesse soufflante T303048 Ventret. Vallumage Vmoy. puis. Vmax. puis. 0000 800 tr/mn. 1000 2 500 tr/mn. 0001 1 000 tr/mn. 1001 3 000 tr/mn. 0010 1 200 tr/mn. 1010 3500 tr/mn. 0011 1 400 tr/mn. 1011 4 000 tr/mn. 0100 1 600 tr/mn. 1100 4 500 tr/mn. 0101 1 800 tr/mn. 1101 5 000 tr/mn. 0110 2 000 tr/mn. 1110 5 500 tr/mn. 0111 2 200 tr/mn. 1111 6 000 tr/mn. Vitesses suivant position des sélecteurs du variateur DE vitesse. - 19 -
  • 137.
    Vanne Microrupteur Moteur s vanne Arrivée eau Sortie vers vidange Sortie vers pompe de lavage Support microru Vanne lavage Condensateur Vanne + moteur moteur Impulsion Aspiration Pompe lavage Condensateur 2,5 µF - 20 -
  • 138.
    VUE ÉCLATÉE BRÛLEURCOMPLET FOUR HGC 4 6 3 5 2 1 7 16 1 0 8 1 5 9 16 ELECTROD DETEC 6/101/102 GAS 1 T115712000 15 QUEMADOR FURIGAS 10-11/10-21 1 T115710000 14 TAPA PRINCIPAL 1 T115782000 11 13 VISOR DE ENCENDIDO 1 R725015000 14 1 2 12 BOQUILLA TOMA PRESION 1 R725017000 1 3 11 JUNTA TAPA PRINCIPAL 1 HB-71961 T305041000 10* VENTURI 45.900.446.052 1 T303040000 9 MANGUITO DOBLE 1/2 1 S205023000 8 TOBERA VK41 D4.8 1 HB-73113 T305068000 7* VALVULA VK 4115 V 1121 1 T303017000 6 CONTROL DE ENCENDIDO HONEYWELL 1 HC-76510 T303013000 5 JUNTA VENTURI 24x15.5 1 T303046000 4 VENTILADOR RG-130 1 HB-73153 T303016000 3 JUNTA VENTILADOR 1 HB-71962 T305042000 2 CONDUC. TAPA PRINCIPAL COMP. 1 HB-72985 T345000000 1 ELECTRODO IGNICION 10/11-10/ 1 T115781000 - 21 - -21-
  • 139.
    VUE ÉCLATÉE BRÛLEURCOMPLET FOUR HGV ET HGP 4 5 3 2 1 6 7 8 10 9 16 16 ELECTRODO IGNICION 10/11-10/ 1 T115781000 15 JUNTA TAPA PRINCIPAL 1 HB-71961 T305041000 14 CONDUC. TAPA PRINCIPAL COMPL 1 HC-75810 T305035000 13 JUNTA VENTILADOR 1 HB-71962 T305042000 12 BOQUILLA TOMA PRESION 1 R725017000 11 11 VISOR DE ENCENDIDO 1 R725015000 10* VALVULA VK 4115 V 1121 1 T303017000 15 12 9 MANGUITO DOBLE 1/2 1 S205023000 8* VENTURI 45.900.446.052 1 T303040000 7 JUNTA VENTURI 24x15.5 1 T303046000 13 6 TOBERA VK41 D4.8 1 HB-73113 T305068000 5 CONTROL DE ENCENDIDO HONEYWELL 1 HC-76510 T303013000 14 4 VENTILADOR RG-130 1 HB-73153 T303016000 3 TAPA PRINCIPAL 1 T115782000 2 QUEMADOR FURIGAS 10-11/10-21 1 T115710000 -22- - 22 - 1 ELECTROD DETEC 6/101/102 GAS 1 T115712000
  • 140.
    6.- SCHÉMA THÉORIQUEÉLECTRIQUE FOURS HGC HGC 10 / 11 HGC 10 / 2 1 R S 4 RS 3 C E V CE C RS 2 RS 1 R IH vi a m g m n G ND 3 400V 12 C .T . am b Lc old Ic old L des 11 Vv2 Ide s rs M L dc C 10 g + 12 am Vv1 9 8 +V m1 5 m a m 4 a 1 7 GND n2 r 3 3a 4 m A vi 6 PWM am 3 3 2 a B g 2 am 3 am/ve vi ve am 9a 5 HALL a 4 rs CN5 b 8 na 1 n le ds 2 5 6 C 4 1 7 am/ve 3 Ic a 2a 8a Ic 2 Vv CN 4 HA CC P n m 9 r r VC 6a 1 g r CN10 PR G a CMD CM I CN7 T em pe r CN2 m in n Tc m + C .E .G R K 0 2 - g N Modo IG 1 1a 2a C N 12 + - I 2 k2 a 0 C N 13 10 k F I R S T N rs Ip Ip rs Ip g +1 2 4 7 8 9 10 a m Lc old Ic 1 2 3 5 6 C N1 b Ico ld 1a 2a 3a 4a 5a 6 a 7a 8a 9 a 1 0 a n g nd na 12 12 V CN8 C N1 1 m 0 0V b vi a g n rs vi b vi 12 12V C C C M M R R R N C C C M r R M s b 2 1 1 M C V I D IG a a 3 220V R g m FI r rs g g g 2 2a FM T SC b rs r TRF vi M b C 10 Lz am V v1 n vi b m 12 V 9 na g am C .E .C . vi C MD C MI m m 0V 12 11 10 9 8 7 6 5 4 3 2 1 vi b F C MI C MD V HM R S T N VE VE vi BEC IG 12 V G V1 g vi a FI G V2 B A DE C N ve a a a 1 1a - 23 - T3 430 0300 0 H C -770 81 -23-
  • 141.
    PLAN MONTAGE FOURSHGC VE T SC 3~ 50H z 220V Z-1030 66 n a TC g a 1 2a 1a IG 1 80 T -343 008 1 1 1 1 m ve C .L T -3 03018 am n m g 2 1 n /v e a na n m g vi b n m g b vi 8 R S T 1 3 5 N C A1 1 3 5 N C A1 1 3 5 A1 na rs Z-7430 09 Z -74 3009 8 C MD C MI 2 4 6 N C A2 2 4 6 N C A2 2 4 6 A2 TS C n m g vi a n m g b a 8 8 8 T -30 3009 1 n C.E . 180 na 1 T -3 4300 2 CN 5 1 1 1 1 1 l ed s 2 T -3 0303 3 510 gris 2 2 3 T -3 0303 4 2 negro 4 T -3 0303 5 blanco M CN 4 H A CC P 1 5 T -3 0303 6 mar ron amarillo SW 3 7 T -3 0302 2 az ul rojo I ca l I 3 2 1 C N 10 P RG 8 T -3 4300 6 Vv T-303048 9 T -3 0302 9 ON r gris J1 D21 J2 C N7 m T em p e r 7 1 0 T -3 0303 1 n S1 S2 S3 S4 a r r 1 1 T -3 0303 7 VF2 na C N2 m m in 7 E sque ma teo rico T -3430 03 VF 2 na D20 m n n L eyend a T -3 0304 2 VF 1 rs 1 am am T -323024 + Tc I ndicado r c omp . T -30 3043 T -113023 VF 1 2 - LOAD a - S1/S2 r.p .m. Hz. Controlador HMI-2003 C N1 2 MP m GV vi 0000 0001 800 1000 33 27 1 T353003000 GV g 0010 1200 40 2k 2 D19 LINE 0011 1400 47 CC rs 0100 1600 53 1 CN13 FI 0101 0110 1800 2000 60 67 T-3 43 007 7 J3 N a 0111 2200 73 R n 1000 2500 83 10k 1001 3000 100 m M OTO R 1010 3500 117 ve C N1 rs Ip 400 V 2 30 V 1011 4000 133 2 1100 4500 150 rs Ip XX /21 T -32 3022 T -32 3023 1101 5000 167 am/ ve g +12 n m r 1110 5500 183 XX /11 T -67 3065 T -67 3066 1 1111 200 a m Lc old 6000 1 1 b Ico ld n g nd 1 na 12 6 M M 9 m 0 180 vi 12 2 2 1 1 1 7 1 b vi CN 8 a g n rs vi b CN1 1 M am a n m g na m m vi b am r a n m r M M C R R C C C C C N R 3 /v e s b R 1 1 M C V M M 4 Z-2633 03 12 0 0 12 12 0 230 0 I D 2 P-4530 26 1 43 VC T-3030 16 1 T -303 04 1 G V1 N R S T TRF 20 G V2 n 0 am am 2 a R-503005 m n m g ve am m Z -26 3302 g 3 IC 4 R -073 005 A R -663 026 5a 4a 1a 3a 2a 9a 8a 7a 6a g 10a vi a am / v e Fus ib le 10 A 2 1 1 1 r a R -723 015 C .E .C . 3 10 A 9 7 6 4 3 2 1 8 5 T -30 3013 a vi 1 am /v e r ve na am b 4 1 2 1 1 1 3 1 n L co ld LS T C am vi am g m b 1 C .T Ico ld RS T IH T -30301 9 g 2 2 2 2 1 1 1 1 1 1 r a Z-233 012 1 Lz 1 1 T -30 3023 RC R -66301 3 VE rs am Z-1 03 066 a b m 10 Tornillo M4x20 W Ip Q-081365 Cabl es masa VHM Ara ndel a mue lle A4 P-305013 1 l/min Amarillo 20/ 21 10 Lengueta macho doble Z-100522 R-715011 0,5 l/min Rojo 10/21, 20/11 b Q-261020 Q-563004 R-665041 0,25 l/min Verde 10/11 6/11 am T uerca M4 Plac a asiento c onexion mas a R-073004 Q -16302 0 Q-563004 10 Tuerca c uadrada M4 Tue rc a M4 Z-701135 Q -22190 1 Q-163020 10 10 10 PRE NSAESTOPAS - 24 - -24-
  • 142.
    SCHÉMA THÉORIQUE ÉLECTRIQUEFOURS HGV ET HGP HGV 10 / 11 HGP 10 / 11 HGV 10/21 HGP 10 / 21 RS4 RS3 CEV CEC RS2 RS1 vi a m na ve R m IH n n GND na 12 am L cold C na rs am 11 Vv2 10 Vv1 C.T. m b ve Icold L de s Id es 9 r L dc +V m1 5m vi +12 8 a 3 400V m m vi 7 GND n2 4a 1 n 9a Ic B A rs g 6 5 PWM am 3 HALL a 4 3 2 am 2 3 am /ve C.H S .H C 4 1n am/ve 3 Vv 9n a ENCO DER M n 2 VC PRG LED S 1 HA CCP 3 3a 4 vi ve a am 2 b 8 na 5 6 C N1 4 C N1 3 CN 4 CN 5 CN 2 C N1 0 1 7 2a 8a Ic C MD b PRG % HR H A CC P l e ds mi n Te mp er n m 6a CMI vi rs Ip b vi Vv 2 Ip g 11 12 CV na rs Ip na 9 10 CC rs na CMD CMI ve Vv1 CM I C MD C.E .V . am C na C.E .C. vi CM n O Modo IG 1 1a 2 2a m b vi 1 2 1 1 10 9 8 7 6 5 4 3 2 1 12 1 1 1 0 9 8 7 6 5 4 3 2 1 R g vi Cold am L cold n m R C V OFF VHM CMD CM I a m Ico ld N g VAPOR GV3 n BEV GV 1 g B EC g D es vi REG. VAPOR C N7 b N GV4 DE V GV 2 B A DEC Ld es M RV REGENERAC. a a Id es ve a C.E.G. RG MIXTO n r L dc F CONVECCION r Ldc r rs vi g CN3 R S T N FM TSC TSV Mc ve m ve Ma b n PF b MBA na 4 vi Ic 1 2 3 5 6 7 8 9 10 vi V Cnd rs CN1 7 1a 2a 3 a 4a 5a 6a 7a 8a 9a 10a V Vac na na + K am Tc - VDV n C rs n + R32 m Mb Ms g Tv - VCN VA C V DV R3 2 MB A + M1 CN9 Tn M2 - R32 + a Tg - IG 3 220V R g m FI r r CN1 5 2 2a R31 a n R31 ve b Lz n GND(12V ) M am R1 b R1 vi 0 x 12 C R2 n na Mb m 12 m am Co m m Ms r g 0 ve m in CN8 g M ax na 12 12 F vi 12 Mb Ms m 0 0 R31 R S T vi 12 12 VE VE M1 IG CN1 N a ve FI a a J1 DN 1 1a - 25 -
  • 143.
    PLAN MONTAGE FOURSHGV ET HGP VE % HR T SC Z-103 066 IL T SC 3 ~50 Hz 22 0V T -303 009 m n n a am C .H m n n a am 1 2 T -3 2301 3 rs vi TN n 9 9 a 200 1 1 1 1 1 TC 9 g a m 1 4a 3a 2a 1a n IG 6 6 - T-303 004 g m n vi b n m g b vi na PF ve g 1 3 5 N C A1 1 3 5 N C A1 1 3 5 A1 T-303 020 11 Z -7 4300 9 Z -74 30 09 C .L m n m g n CMD T-3 0301 8 am Ms a CMI 4 3 2 1 12 /ve a R -010 534 n ve a m m r n a v i 14 2 4 6 N C A2 2 4 6 N C A2 2 4 6 A2 r M1 n m g vi a n m g b a 9 n T SV 9 9 8 7 R S T T-113010 Z -95 3035 9 9 7 n 9 Mb R -0105 34 m 200 am n a n m a m na n m n a r m am ve n r m n E m in E ºC r m n am /v e P RG % H R H AC C P leds 1 1 1 1 1 8 12 6 270 2 2 2 b CMD rs Ip vi rs Ip CMI na CV na IL 7 1 1 1 rs CC na IL 1 T-3 0303 2 Vv T -083 002 1 vi n CM C o ld 2 T-3 0303 3 D21 g R am L cold 3 T-3 0303 4 J1 J2 m Icold 4 T-3 0303 5 gr is na S1 S2 a r 9 g 5 T-3 0303 6 VF 2 a N D es na D20 m 6 T-3 0303 0 negro blanc o VF2 b L des marron M VF1 rs n am 1 1 ve Ide s 7 T-3 0302 2 n m r amarillo am 8 T-3 0302 8 T-113023 VF1 LOAD a 2 C .E . r Ldc azul rojo - 9 T-3 0302 9 MP m S1/S2 r .p.m. Hz. T 3 03 005 r L dc 0000 800 27 10 T-3 0303 1 gris GV vi 0001 1000 33 11 T-3 0303 7 GV g 0010 1200 40 D1 9 6 6 6 m Esq u em a te oric o T -3 0303 8 LINE 0011 1400 47 CC rs 0100 1600 53 1 9 n PF Leye nda T -303 042 FI 0101 1800 60 0110 2000 67 J3 ve Vac l na Indic ad or co m p. T -30 30 43 N a 0111 2200 73 1 b R n 1000 2500 83 V Lav 1001 3000 100 m vi V D es + 1010 3500 117 ve T -323 024 Tc 2 rs - 60 VC nd 1011 4000 133 150 1 1100 4500 167 na VVa c + Tv 1101 5000 1110 5500 183 200 am /v e 60 am K - 1 8 1111 6000 n VD V + am T -3 0300 7 Tn 7 g ve 6 M M 9 m R 32 - M OT OR g R 32 + 1 200 9 T -323 01 1 Tg R-345060 400 V 230 V - XX /21 T -32 3022 T -3230 23 1 1 1 1 R-345063 20 T -3 0 3045 XX /11 T -67 3065 T -6730 66 0 R-345064 n GN D 1 1 0 2 7 10 x am a n m g n m r na m m vi b am r a 1 a R3 1 /v e 12 12 0 0 12 12 0 230 0 v e R 31 am C om P-453 026 Z-26 33 03 b R1 ve m in TRF 1 vi R1 g M ax 1 N R S T CR2 na 12 m Mb m 0 R- 503005 r vi Ms 12 Z -26 3302 R -07 3005 am /v e M F u sible 1 0A 2 1 R -72 3015 2 2 1 m 1 m g ve n 3 IC 4 4 A R -663 026 5a 4a 3a 2a 1a 9a 8a 7a 6a 10a 43 VC 1 n 10 1 A 9 4 8 7 6 3 2 1 5 TSV am 2 am a am m g 3 a 1 4 9 1 n ve na am vi b g vi a am/v e 1 n a Tg C. E.C . 1 GV 1 3 Ld c Ld es L S T V LS T C n 4 L cold vi am n a v e m n am m GV 2 b C .T ve a 1 r I de s IH T -30 3019 vi 1 4 3 Ic old RS T a m /v e na 4 PR G T -32 30 12 1 5 V Ac 11 5 Z -2 20 90 1 11 na m n na a m 5 11 o Jo na n 1 n 9 ve 9 5 G V3 a 11 G V4 C .E.V. 5 5 5 11 11 11 11 1 1 1 1 1 1 1 1 1 Lz 1 T-3 03 02 3 b Z -2 3301 2 a R -6630 13 ve vi a rs a RC a RC RC n am vi n m 10 rs To rnillo M4 x20 W Ip Q-081365 Cable s ma sa VDV VCN VHM Arandela muelle A4 10/11 8l/min 20/11 0.25l/min 10 Lengueta m ac ho do ble 20/21 VE Z-100522 Rojo 10/21 amarillo Z -10 3066 b Q-261020 Q-5630 04 10/21 3l/min P- 443042 10/11 Z-601156 8l/ min Z -601156 20/2 1 R-045001 am Pl aca asiento conexion mas a 20/11 Tuerca M4 Q- 163020 Q-5630 04 10 R-143010 R-033002 Tuerca c uad ra da M 4 Tuerc a M4 Z-701135 P-255001 Q-221901 Q-163020 10 10 10 PRENS AESTOPAS - 26 - -26-
  • 144.
    LÉGENDE E SPAÑ O L F R AN Ç A IS EN G L ISH D EU T S CH ITA LIA NO BE C = Bujía Enc end ido C ámara Bo ug ie Allum age C ha mb re C ham ber Sp ark P lug Z ü ndk erz e Eins chalten Garraum C an dela di Ac ce ns ione C amera BE V = Bujía Enc end ido C alde ra Bo ug ie Allum age C ha udière Boile r S park Plug Z ü ndk erz e Eins chalten Boile C an dela di Ac ce ns ione C ald aia C .E .C = C ont rol C om bus tión C ám ara C on trô le Co mbus tion C h ambre C ham ber C om bus tion C ontrol S teu eru ng V erbrennu ng Garraum C on trollo C o mbus tio ne Ca mera C .E .G = C ont rol Elec trónico G e neral C on trô le Élec tronique Gén éral Ma in E lec tronic Co ntrol S teu eru ng E lek tronik a llgeme in C on trollo E let tro nic o G ene rale C .E .V = C ont rol C om bus tión C aldera C on trô le Co mbus tion C h audière Boile r C o mbu stio n C on trol S teu eru ng V erbrennu ng Boiler C on trollo C o mbus tio ne Ca ldaia C .H = C irc uito H ume dad Circu it Humidit é H um idity C ircu it K reis lauf F eu ch tigk eit C irc uito Um id ità C .L = C irc uito Leds C ircu it LED s Led C irc uit K reis lauf L ED s C irc uito Leds C .T = C irc uito T eclad o C ircu it C la vie r Key pad C irc uit K reis lauf T as tat ur C ic uito Ta stiera C C 1 ,C C 2 = C ont ac to r Re sis tenc ia Cá ma ra C on ta cteu r Éléme nt C ha uffant C hambre C ham ber H ea ting Element C on ta ctor S ch ütz H eizw id ersta nd G arraum C on tatt ore R es is tenz a C am era CM D = C ont ac to r Moto r D e rech a C on ta cteu r Moteu r D ro ite R ig ht En gine C onta ct or S ch ütz Mo to r rech ts C on tatt ore Mot ore D es tra CM I = C ont ac to r Moto r I zq uierd a C on ta cteu r Moteu r G auc he Lef t E ng ine C ontac to r S ch ütz Mo to r links C on tatt ore Mot ore Sinistra CR2 = R ele Arranqu e Relais Déma rrage Sta rt ing R elay R ela is Anlauf R elè A cc ens ion e C V 1, C V2 = C ont ac to r Re sis tenc ias C aldera C on ta cteu r Éléme nt C ha uffant C haud ière Boile r H e atin g E lem ent C o ntac tor S ch ütz H eizw id ersta nd B oiler C on tatt ore R es is tenz a C alda ia DE C = D ete ctor L la ma C ám ara D étec teur F lamm e C h ambre C ham ber F la me D et ec to r F lamm en detek tor G arra um R ilev atore di F iamm a C amera DE V = D ete ctor L la ma C aldera D étec teur F lamm e C h audière Boile r F lame D etec to r F lamm en detek tor B oile r R ilev atore di F iamm a C alda ia DN = D ete ctor N iv el C a ldera D étec teur N iv eau C haud ière Boile r L ev el D e te ct or P egelde tekt or Boile r R ilev atore Livello Ca ld aia EM = Enc od er Select or T ie mpo En code ur Sé lec teur T e mps T im e Se lec tor E ncode r E nc oder Z eitw a hls ch alte r E nco der Se le tt ore T emp o Eº C = Enc od er Select or T em peratura En code ur Sé lec teur T e mpératu re T em perature S elec to r Enc oder E nc oder T em perat urw ahls c halt er E nco der Se le tt ore T emp eratura F = F us ibles F usibles F us es S ic he run gen F us ib ili FI = F iltro Inte rfe renc ias F iltre Int erf ére nce s Inte rfe renc e F ilter S töru ng sf ilte r F iltro Interfe renz e FM = T érmico Moto r T herm ique M oteu r T herma l En gine T h ermos ch alter Moto r T erm ico M ot ore G V1 , GV 2 = Elect ro vá lv ula Gas C á mara Élec tro va nne G az C ham bre C ham ber G as Solenoid V alv e E le ktrov en til G a s G arraum E le tt ro valvo la G a s C am era G V3 , GV 4 = Elect ro vá lv ula Gas C a ldera Élec tro va nne G az Chau dière Boile r G as So leno id Valve E le ktrov en til G a s Bo iler E le tt ro valvo la G a s C alda ia IC = Selec tor Ve lo cid ad Po tenc ia Sé lec teur Vites se Pu iss an ce Pow er Spe ed Selec tor W ah lsc ha lter G es ch wind igk eit Leistu ng S elettore V eloc it à P otenz a IG = In te rrup tor G enera l Interru pt eur G énéra l Ma in S w itc h H aup ts c halt er I nterruttore g enera le IL = In te rrup tor Se gurid ad Lav ad o Interru pt eur Sé curité La va ge Wa sh ing S afet y Sw itc h S ic he rhe its sc ha lter Wa sc hen I terru ttore Sic urezz a Lavag gio Ip = In te rrup tor Se gurid ad Pu erta Interru pt eur Sé curité Po rte D oor S afet y Sw itch S ic he rhe its sc ha lter T ür I terru ttore Sic urezz a Porta K1 ,K2 ,C K1, C K2= R ele R es is tenc ia R elais Éléme nt C ha uffan t H eat ing Elem en t R elay R ela is H eiz w iders ta nd R elè R es iste nza Lz = Luz In te rior Éc la irage I ntérie ur Inn er Lig ht I nne nbeleuc htung L uce Intern a M = M ot or T urbin a Mo te ur T urbin e T urbin e E ngin e M otor T urb ine M otore T u rb ina M1 = M ot or C himene a Mo te ur C he minée Sta ck Eng ine M otor A bluftk amin M otore C a nna M2 = M ot or Válvula Mo te ur va nne Valve Eng ine M otor V entil M otore V alvo la M BA = Bom ba L av ado Po mpe La va ge Wa sh ing P ump W as c henp umpe P omp a lavagg io Mb = In te rrup tor Micro Bajada Microrupt eur D es ce nte D rop M ic rosw itc h M ik rosc halter Se nk en I terru ttore M ic ro D is c esa Ms = In te rrup tor Micro Sub ida Microrupt eur Mon tée R is e M ic ros w itch M ik rosc halter H eben I terru ttore M ic ro Salit a PF = Pot encióm etro S elec to r F u nciones Po tentiomèt re Sélect eur F onc tions F unc tio ns S elec to r Pote ntiomet er P ote ntio mete r Fu nk tion sw ah ls cha lte r P oten ziomet ro Seletto re F unz ion i PR G = Prog ram ad or Progra mma teur Prog ram mer P rogram mie rvorric htun g P rogramm atore RC = R es is tenc ia s Cá mara Élémen ts C h auffa nts C ha mbre C ham ber H ea ting Element H eiz w ide rstän de G arraum R es iste nze C ame re RV = R es is tenc ia s Ca ldera Élémen ts C h auffa nts C ha udiè re Boile r H e atin g E lem ent H eiz w ide rstän de B oiler R es iste nze C ald aia Tc = Son da Cá mara So nd e C ha mb re C ham ber Pro be S onde G arra um S onda C amera TCN = T ermos ta to C on dens ación T herm os ta t C onde ns atio n C onde ns atio n T he rm osta t T h ermos tat Kond ens ieru ng T erm ost ato Co nden saz io ne Tg = Son da Ca ldera So nd e C ha udière Boile r P robe S onde Bo iler S onda C ald aia TH = Son da Hu meda d So nd e H um id ité H um idity P ro be S onde F euc htigk eit S onda U midit à Tn = Son da Nú cleo So nd e N oy au C ore P ro be K ernt em pera turmes so nde S onda N uc leo TRF = T rans formad or T rans formate ur T rans former T ra nsfo rmato r T ras forma tore TS C = T ermos ta to Se gurid ad C ám ara T herm os ta t Séc urité C ham bre C ham ber Sa fety T hermos ta t S ic he rhe its therm ost at G arra um T erm ost ato Sic urezz a Ca me ra TS V = T ermos ta to Se gurid ad C aldera T herm os ta t Séc urité C hau dière Boile r S afe ty T h erm os tat S ic he rhe its therm ost at Bo iler T erm ost ato Sic urezz a Ca ldaia Tv = Son da Vapo r So nd e V apeu r Ste am P rob e S onde D am pf S onda Vap ore VA C = Bom ba V ac ia do Po mpe V ida nge Vac uum Pum p A blas spu mpe P omp a sc arico VA c l = Elect ro vá lv ula Ac larad o Élec tro va nne R inç age R in sing S olen oid Valve E le ktrov en til K la rspülen E le tt ro valvo la R is ciacq uo VC = Ven tilador S oplante Ve nt ilateur S oufflan t Blow ing F an V ent ilator G ebläse V entilat ore Sof fia nte VC N = Elect ro vá lv ula C onde nsa ción Élec tro va nne C on dens at ion C onde ns atio n S olen oid Valv e E le ktrov en til K on de nsierung E le tt ro valvo la C o nden saz ione VD V = Elect ro vá lv ula Llen ado Calde ra Élec tro va nne R em plis sage C hau dière C ham ber F illing S olen oid Valv e E le ktrov en til F üllu ng Boiler E le tt ro valvo la d i R iemp ime nto C a ld aia VE = Ven tilador C uadro E léc tric o Ve nt ilateur T ab le au Élec triqu e F an Sw itc hbo ard V ent ilator Elek trotafe l V entilat ore Qu adro E le tt ric o VH M = Elect ro vá lv ula H umidif ica dor Élec tro va nne H um idificat eur H um idifier Sole noid Valve E le ktrov en til B efeu ch tu ngs vo rric htung E le tt ro valvo la U m idificat ore VL av = Elect ro vá lv ula Lav ado Élec tro va nne La va ge Wa sh ing S ole noid Va lve E le ktrov en til W as ch en E le tt ro valvo la L av aggio Vv = Variador V elocidad Va ria teu r V ite ss e Spe ed V ariato r G e sch w in digk eitsre gler V ariat ore di Veloc ità C O L OR C O LO RE S C O UL EU R S C O L OU R F A R BE N C O LO R E Va = Az ul Bleu Blue B la u B lu am = Am arillo Ja une Yello w G e lb G iallo am /ve = Am arillo/v erde Ja une / v ert Yello w / green G e lb/ grü n G iallo/v erde b = Blanc o Blanc Wh ite W eiß B ia nco g = Gris G ris Gre y G rau G rigio m = M arró n Ma rron Brow n B raun M arrone n = N egro N oir Black S ch w arz N ero na = N aran ja O ran ge Ora nge O rang e A ranc io r = R ojo R ou ge R ed R ot R os s o rs = R os a R ose Pink R osa R os eo ve = Verd e Ve rt Gre en G rün V erde vi = Viole ta Violet Purp le V io let t V io la - 27 - Le ye n d a H o rn o s H C -7 6 9 7 0 T 3 0 30 4 2 00 0 -27-
  • 145.
    7.- INFORMATIONS GÉNÉRALES SUR L'UTILISATION ET FONCTIONS AUXILIAIRES 7.1.- Fonctionnement du four Le four peut travailler sur cinq modes différents : CONVECTION : La chauffe se fait par résistances chauffantes ou brûleurs à gaz internes dans la chambre du four. 35÷300 ºC VAPEUR : La chauffe se fait par vapeur d'eau à 100 degrés centigrades et à pression atmosphérique. VAPEUR RÉGLABLE : La chauffe se fait par vapeur et il est possible de sélectionner la température souhaitée de 35 à 125 ºC. MIXTE : La chauffe se fait à la fois par convection et par vapeur, mais la convection est plus puissante. 35÷250 ºC RÉGÉNÉRATION : La chauffe se fait à la fois par convection et par vapeur, mais la vapeur est plus puissante que dans le cas du mode mixte. 35÷180 ºC Le four peut travailler sur trois fonctions différentes : TEMPS : De 1 à 120 minutes ou bien sans arrêt. SONDE À COEUR : Sélection de 0 à 99 ºC. DELTA : Sélection de 0 à 50 ºC pour le mode vapeur ; 0÷75 ºC pour le mode réglage vapeur et 0÷99 ºC pour les autres modes. 7.2.- Mise en marche utilisation manuelle Connectez l'alimentation et sélectionnez l'un des modes (vapeur, réglage vapeur, régénération, mixte ou convection). Le contrôleur se connecte alors et le voyant du mode sélectionné s'allume. Les voyants du contrôle de l'humidité indiquent l'humidité sélectionnée (Fours programmables). L'écran "sélection température chambre" situé à droite indique la valeur sélectionnée et l'écran "température réelle chambre" situé à gauche la valeur réelle. La température est mesurée par le thermocouple de la chambre. L'écran "sélection temps/température coeur", situé à droite, indique le temps ou la température sonde coeur sélectionnés en utilisant la touche select. - 28 -
  • 146.
    L'écran "indicateur temps/températurecoeur", situé à gauche, indique le temps restant ou la température réelle de la sonde à coeur. Lorsque le four se met en marche, la vanne de vidange effectue une vérification en réalisant un cycle de fermeture puis un cycle d'ouverture sur les fours programmables. Lorsque la porte s'ouvre, le temps s'arrête. Lorsque la porte se referme, le processus continue sans que les valeurs qui existaient lorsqu'elle s'est ouverte ne soient modifiées. Lorsque le temps parvient à zéro ou que la température de la sonde à coeur atteint la valeur sélectionnée, la cheminée agit, l'écran de gauche clignote et le signal sonore se déclenche. En remettant à zéro le commutateur de fonctions, toutes les sorties se remettent à zéro et tous les voyants et les écrans s'éteignent. Au bout de trois secondes, le contrôle est définitivement hors tension. Le contrôle de remplissage d'eau du générateur de vapeur est réalisé par un détecteur de niveau d'eau qui agit pour tous les modes de fonctionnement exception faite de la vidange, et comprend trois sondes de niveau d'eau N. max., N. min. et N. com., introduites dans le récipient de niveaux. 1.- Lorsque le niveau réel de l'eau est au-dessous de N. min., l'électrovanne d'arrivée d'eau du générateur s'active et la sortie de Com min max vapeur dans la chambre s'arrête. R1 ≥ 40 KΩ R2 ≥ 40 KΩ électrovanne activée 2.- Lorsque le niveau atteint le niveau N. min., l'électrovanne continue à agir. R1 ≤ 20 KΩ R2 ≥ 40 KΩ électrovanne activée 3.- Lorsque le niveau atteint le niveau N. max., l'arrivée d'eau est coupée et le générateur commence à chauffer. R1 R1 ≤ 20 KΩ R2 ≤ 20 KΩ électrovanne désactivée R2 4.- Le générateur continue à chauffer tant que le niveau d'eau se trouve entre N. max. et N. min. R1 ≤ 20 KΩ R2 ≥ 40 KΩ électrovanne désactivée - 29 -
  • 147.
    7.3.- Sélection desmodes de fonctionnement OFF Conveccion o Vapor Mode Sélection Prédéterm Sélection Prédéterminé ºC iné % HR % HR Mixto Regulacion Vapor ºC Convection ; 35-300 160 0-100 0 Mixte 35-250 140 0-100 60 R Régénération 35-180 120 0-100 80 Regeneracion Réglage Vapeur 35-125 80 100 100 Vapeur 99 99 100 100 Les valeurs prédéterminées de la température et de l'humidité apparaissent dans le tableau. Ce sont celles qui s'affichent par défaut lors de la première mise en marche du four. Au cours des utilisations suivantes, la dernière valeur sélectionnée pour tous les modes s'affichera, sauf pour vapeur fixe 100 ºC. 7.3.1 Mode Convection La chambre arrête de chauffer lorsque la valeur indiquée par le thermocouple de la chambre est égale à celle qui a été sélectionnée. Elle recommence lorsqu'elle est inférieure à celle-ci. 7.3.2 Mode Vapeur 100 ºC La chauffe se fait par injection de vapeur dans la chambre de cuisson. Entre 60÷90 ºC la chauffe de la chambre et celle de la vapeur agissent en même temps. 7.3.3 Mode Réglage vapeur 35÷125 ºC Si la température de la chambre est inférieure ou égale à 100 ºC, la chambre de cuisson est chauffée par vapeur. Si la température de la chambre est supérieure à 100 ºC, la chambre de cuisson est chauffée à la fois par vapeur et par convection. 7.3.4 Mode Régénération 35÷180 ºC La chambre de cuisson est chauffée à la fois par convection et par vapeur. 7.3.5 Mode Mixte 35÷250 ºC La chambre de cuisson est chauffée par convection mais aussi par vapeur mais dans une moindre mesure que dans le cas du mode régénération. - 30 -
  • 148.
    7.4.- Sélection dela température Il est possible de sélectionner la valeur de la température au moyen de la commande et en 888 888 fonction de la vitesse de rotation de 1 ºC en 1 ºC ; de 5 ºC en 5 ºC et de 10 ºC en 10 ºC. 7.5.- Sélection du temps Les deux écrans indiquent le temps sélectionné au fur et à 888 888 mesure que la commande est tournée de 1 à 120. Au maximum, (---) s'affiche, ce qui a pour conséquence que le temps ne soit pas pris en compte et que le contrôleur reste sans arrêt en marche. Select Pour entrer en manuel (---) et pour en sortir, il faut effectuer une rotation brusque. Au bout de 3 secondes, l'écran de gauche commence à décompter le temps et affiche le temps restant. Si une fois mise en marche, la commande est à nouveau tournée, les deux écrans varient dans la même proportion. Exemple : 060 090 en diminuant de 30 minutes, deviennent 030 060 060 090 en augmentant de 30 minutes, deviennent 090 120 7.6.- Sélection de la température de la sonde à coeur Elle se fait avec la même commande, de la même façon que pour le temps, mais en appuyant sur la touche select. 888 888 L'écran de droite indique la température à coeur sélectionnée, de un en un, au fur et à mesure que la commande est tournée de 1 à 99 ºC. Select L'écran de gauche indique la température réelle dans la sonde à coeur. - 31 -
  • 149.
    7.7.- Sélection dela fonction DELTA Elle assure une différence fixe de 50 ºC entre la température de la chambre et la température de la sonde à coeur. • Elle se fait avec la même commande, de la même façon que pour le temps, mais en 888 888 appuyant sur la touche select. • L'écran de droite indique la température à coeur sélectionnée, de un en un, au fur et à mesure que la commande est tournée de 1 à 99º C, exception faite du mode Select vapeur qui va de 1 à 50 ºC et du mode réglage vapeur qui va de 1 à 75 ºC. • L'écran de gauche indique la température réelle dans la sonde à coeur. 7.8.- Sélecteur puissance vitesse • Le sélecteur permet de choisir trois options de puissance-vitesse - 32 -
  • 150.
    STOP 7.9.- Sélection fonctionCool Down Sur n'importe quel mode de fonctionnement, fermez la porte et appuyez sur la touche Cool Down : le voyant s'allume et la chambre de cuisson 250 PuE rtA commence à refroidir. Sur les écrans, s'affiche en clignotant : PuE rtA (Porte) Abr ir Abr IR (Ouvrir) Lors de l'ouverture de la porte, la fonction se poursuit mais ces mots Selec t s'affichent en continu sur les écrans. Le cycle s'achève lorsque la température de la chambre indique 46 ºC. Si au cours de la fonction Cool Down, on appuie à nouveau sur la touche ou que l'on ferme la porte, le cycle s'arrête et le voyant s'éteint. 7.10.- Fonction vidange automatique Sur n'importe quel mode de fonctionnement, la pompe de vidange agit pendant 3’ (minutes), toutes les 24 heures de fonctionnement du contrôleur. UAC 3' La pompe de vidange doit commencer à agir si la température de la chambre et celle du générateur sont inférieures ou égales à 60 ºC et uniquement au moment de fournir l'alimentation au contrôle. Ainsi, si le Selec t contrôleur fonctionne par exemple depuis 30 heures, la pompe de vidange n'entre pas en action tant que le contrôleur ne s'est pas éteint et rallumé. Si le contrôleur s'éteint avant que les 3 minutes ne soient écoulées, lorsqu'il se rallume il recommence 3 autres minutes. Tant que la pompe est en marche, les sorties d'éclairage de la chambre, l'alimentation du circuit électronique, l'ouverture cheminée et la turbine fonctionnent. Mais la vanne de remplissage du générateur n'agit pas. Sur l'écran en bas à gauche [UAC] s'affiche en clignotant. Une fois le cycle terminé, tous les signaux sont rétablis. Vidange Manuel s'effectue avec la porte ouverte et en appuyant à la fois sur la touche select et sur Cool Down pendant 5 secondes. La pompe de vidange agit pendant 3 minutes dans les conditions précédentes. - 33 -
  • 151.
    7.11.- Détection detartre STOP Sur n'importe quel mode de fonctionnement, la sonde du générateur enregistre la température et indique au moyen du voyant qu'il est nécessaire de détartrer le générateur de vapeur. Le voyant s'allume d'abord sous forme de train d'une impulsion puis, au fur et à mesure que le tartre recouvre les parois d'une épaisseur plus importante, il s'allume sous forme de deux impulsions, puis de trois, jusqu'à ce que finalement il s'allume en continu. À ce moment-là, les résistances du générateur cessent de chauffer et il est nécessaire de réaliser un cycle de détartrage. - 34 -
  • 152.
    7.12.- Sélection cyclede détartrage Sur n'importe quel mode et la porte étant fermée, en dES dES --- appuyant sur la touche de détartrage pendant 5”, la lampe de détartrage s'allume en continu. Fig. 1 Fig. 2 F1 3' F2 --- 1º.- La vanne de vidange agit pendant 3 minutes et vide l'eau du générateur. Fig. 1 Selec t Selec t 2º.- La lampe de détartrage et l'écran en bas et en haut à droite clignotent. À ce moment-là, retirez le bouchon se dES --- dES trouvant sur le toit du four et versez 5 litres d'anti-tartre. Remettez le bouchon en place et appuyez sur la touche Fig. 3 Fig. 4 détartrage pendant 5”. Fig. 2 F3 --- F4 120 3º.- La vanne de remplissage du générateur s'active jusqu'à ce que le niveau max. soit atteint. Fig. 3 4º.- Le générateur chauffe jusqu'à ce que sa température atteigne 60 ºC pendant 120 minutes. Fig. 4 Selec t Selec t En appuyant sur la touche Select, il est possible dES dES --- d'augmenter la valeur de 120' à 480' et de la diminuer jusqu'à 1’. Fig. 5 Fig. 6 5º.- La vanne de vidange agit pendant 3 minutes et vide F5 3' F6 --- l'eau du générateur. Fig. 5 6º.- La vanne de remplissage du générateur s'active Selec t Selec t jusqu'à ce que le niveau max. soit atteint. Fig. 6 7º.- La vanne de vidange agit pendant 3 minutes et vide l'eau du générateur. Fig. 7 dES dES --- 8º.- La vanne de remplissage du générateur s'active Fig. 7 Fig. 8 8 jusqu'à ce que le niveau max. soit atteint. Fig. 8 Fig. F7 F8 9º.- Agit sur le mode vapeur jusqu'à ce que température 3' --- de la chambre atteigne 95 ºC. Fig. 9 10º.-Le voyant de détartrage s'éteint finalement et “Fin Selec t Selec t dES” (Fin détartrage) s'affiche sur les deux écrans. Fig. 10 dES FIn Si pendant le cycle de détartrage, on appuie à nouveau sur dES la touche détartrage pendant 5” (Interruption du cycle de Fig. 9 Fig. Fig. détartrage) : le voyant clignote. Et : F9 99º 1.- S'il n'a pas atteint le point (2º) le cycle se place sur le point (9º). Selec t S elect 2.- S'il a atteint ou dépassé le point (2º) le cycle se place sur le point (5º). 3.- S'il a atteint ou dépassé le point (5º) le cycle continue (Cycle de détartrage effectué). 4.- Si l'on éteint le contrôleur, lors du rallumage le cycle se poursuit. - 35 -
  • 153.
    7.13.- Étalonnage dessondes MODÈLES HGV, HGP, HEM ET HEP TC TU Placez le four sur mode vapeur à 100 ºC. Sur la carte de contrôle, mettez l'interrupteur I4 sur I4 = 1 et appuyez Tn Tg pendant une minute sur Ical. L'étalonnage se fait. Selec t La valeur des 4 thermocouples s'affiche sur les écrans. Ical Interrupteur I4 HGP, HGP, HEM ET HEP Pour l'étalonnage, le four se mettra automatiquement sur le mode vapeur continu de façon à ce que les sondes mesurent des valeurs comprises entre 95 et 105 ºC, (si ce n'est pas le cas, l'erreur correspondante s'affichera). Lorsque toutes les valeurs mesurées par les sondes de température se seront stabilisées et que la production de vapeur aura fonctionné sans arrêt pendant 120” sur les modèles à gaz et 30” sur les modèles électriques, les sondes seront prises comme référence de 100 ºC. Pour quitter le mode étalonnage, mettez I4 sur I4 = 0. Modèles HGC et HEI sur ces modèles, à la différence des modèles HGV, HGP, HEM et HEP, l'étalonnage ne se fait pas automatiquement. Sur ces modèles, il est nécessaire d'utiliser un dispositif de mesure de la température externe au four. Interrupteur I3 Ical HGC ET HEI - 36 -
  • 154.
    Sur les modèlesHGC et HEI mettez I3 sur I3 = 1 et appuyez sur Ical pendant tc tv une minute. L'étalonnage se fait. Sur l'écran en haut à gauche, TC s'affiche en clignotant ; TV sur celui de droite ; la valeur à ajouter ou enlever à TC sur l'écran en bas à gauche ; et la valeur à ajouter ou enlever à TV sur celui de 0 0 droite. L'augmentation ou la diminution se fait au moyen de la commande se trouvant entre les deux écrans. Pour passer de la programmation de TC à TV, il suffit d'appuyer une deuxième fois sur Ical. Une fois TV changé, appuyez de nouveau sur Ical et mettez I3 sur I3 = 0 pour quitter le mode étalonnage. 7.14.- Affichage des températures des sondes Appuyez sur la touche Cool Down pendant 5 secondes, la porte étant fermée, pour afficher la valeur de toutes les températures sur les écrans (tout comme pour l'étalonnage). Le four continue à fonctionner. 7.15.- Fonction HACCP (Uniquement pour les fonctions Sonde Coeur et Delta) Le four sauvegarde les valeurs Mode de travail, Humidité (suivant la version), Température chambre et coeur, toutes les minutes pendant les 24 dernières heures. Le moment où la température sélectionnée dans le dSC dto coeur est atteinte et la température 15'' après sont aussi sauvegardés. HAC CP Lorsque la “Memory CARD” conçue à cet effet est connectée, le contrôleur la détecte et décharge toutes les données des 24 dernières heures. Select Au cours du déchargement des données, les écrans commencent à OC SI clignoter et indiquent [dSC][dto], [HAC][CP]. À la fin du déchargement, [OC][OUI], [HAC][CP] s'affichent. HAC CP Select - 37 -
  • 155.
    7.16.- Sélection del'humidité Lorsque le circuit de contrôle de l'humidité est connecté au contrôleur, celui-ci le détecte automatiquement et il est alors possible de sélectionner l'humidité. Ce n'est que lorsque l'interrupteur I2 est mis sur I2=1 qu'on entre en mode contrôle de l'humidité. La sélection se fait au moyen des boutons-poussoirs situés de part et d'autre des voyants d'affichage, celui de gauche servant à diminuer et celui de droite à augmenter. 10 20 30 40 50 60 70 80 90 100 %HR - + Appuyez à la fois sur les touches [-] et [+] pour afficher l'humidité réelle mesurée par le capteur d'humidité. En mode Vapeur à 100 ºC : Tous les voyants de l'écran seront bleus. Il n'est pas possible de régler l'humidité. En mode Mixte : Les voyants seront bleus et rouges. Il est possible de régler l'humidité. En mode Convection : Tous les voyants seront rouges et il est possible de régler l'humidité. - 38 -
  • 156.
    7.17 Utilisation dufour en mode programmation Appuyez sur la touche pour afficher le menu. Boutons de programmation ALLUMER OU VALIDATION MONTRER ÉTAPE PRÉCÉDENTE DÉPLACEMENT MENU PRINCIPAL OU PROGRAMMES DÉPLACEMENT MENU PRINCIPAL OU PROGRAMMES M PROGRAMMER OU MODIFIER - 39 -
  • 157.
    CUISSON PROGRAMME CUISSON 1 PHASE 1 PHASE 2 PROGRAMME PHA LAVAGE LAVAGE DOUX LAVAGE MOYEN LAVAGE FORT HISTORIQUE H.TOTAL 3 HEURES H.VAPEUR 1 HEURE TN max 150 ºC TG max 120 ºC CHOIX DE LA LANGUE ESPAGNOL ANGLAIS FRANÇAIS ALLEMAND ITALIEN - 40 - -38-
  • 158.
    Pour entrer enmode programmation, appuyez sur la touche . Une fois en mode programmation, il est possible de choisir entre les 4 options du menu principal à l'aide des touches. Dans l'un des menus principaux, appuyez sur la touche pour entrer à l'intérieur. Il est possible de se déplacer entre les programmes existant, en agissant de la même façon qu'auparavant et en utilisant les mêmes boutons. Pour revenir en arrière, appuyez sur la touche autant de fois que nécessaire pour parvenir au point souhaité. Une fois dans le programme choisi, il suffit d'appuyer sur la touche pour l'activer. Pour arrêter l'exécution à n'importe quel moment, appuyez de nouveau sur la touche . Pour passer en mode manuel, appuyez sur la touche , jusqu'à ce que l'écran s'éteigne, sauf si un programme est en cours d'exécution. Dans-ce cas-là, appuyez d'abord sur la touche . Comment modifier ou ajouter un programme de cuisson Sélectionnez d'abord le numéro du programme à programmer ou à modifier. Puis, appuyez sur la touche M. La deuxième rangée de l'écran de sélection du programme s'affiche en clignotant. Saisissez le nom que vous souhaitez attribuer au programme. Pour ce faire, sélectionnez les caractères de A à Z, . , espace, - , à l'aide des touches . Une fois le nom saisi, appuyez sur la touche . . Saisissez ensuite les valeurs de cuisson souhaitées pour les différentes phases s'affichant à l'écran. Pour ce faire, saisissez manuellement sur le four les valeurs du mode, de la température, de l'humidité, etc. que vous souhaitez utiliser pour cuisiner. Il existe un maximum de 9 phases disponibles. Une fois la programmation des phases terminée (il n'est pas nécessaire de toutes les programmer), appuyez sur la touche pour sauvegarder tout ce que vous avez programmé et revenir à la position du nom du programme. Si au lieu d'appuyer sur la touche , vous appuyez sur la touche M , vous effacerez toutes les informations saisies dans ce programme et devrez reprogrammer les différentes phases. Il existe 4 options différentes dans le menu principal : Programmes de cuisson, lavage, historique et choix de la langue. Il est possible de saisir jusqu'à 99 programmes dans le programme de cuisson et chacun de ces programmes peut comporter un maximum de 9 phases. Le programme de lavage comprend 5 programmes qui ne peuvent pas être modifiés. Ces programmes sont les suivants : Trempage rapide 10 minutes Rinçage et brillantage 46 minutes Lavage doux 85 minutes Lavage moyen 118 minutes Lavage fort 173 minutes Lavage semi-automatique 28 minutes ( spray ) Dans le programme historique, appuyez sur la touche pendant 5 secondes pour afficher le menu suivant : - 41 -
  • 159.
    H.Vapor R.= Heurestotales de travail en mode Vapeur réglable. H.Regeneración= Heures totales de travail en mode Régénération. H.Mixto= Heures totales de travail en mode Mixte. Convección Heures totales de travail en mode Convection. H.CV= Heures totales d'actionnement de CV. H.CC= Heures totales d'actionnement de CC. Nº.c.CV= Nombre de cycles de CV. Nº.c.CC= Nombre de cycles de CC. Nº.c.MS/MB= Nombre de cycles d'ouverture/fermeture de la cheminée. Nº.c.Des= Nombre de cycles totaux de détartrage. Nº.c.lav. 10m= Nombre de cycles de lavage de 10 minutes Nº.c.lav.46m= Nombre de cycles de lavage de 46 minutes Nº.c.lav.85m= Nombre de cycles de lavage de 85 minutes Nº.c.lav.118m= Nombre de cycles de lavage de 118 minutes Nº.c.lav.173m= Nombre de cycles de lavage de 173 minutes Nº.c.Ip= Nombre de cycles du contact porte Nº.cal.= Nombre d'étalonnages effectués Tcmax= Température maximum atteinte par Tc (sonde chambre) Tvmin= Température de réenclenchement de Tv (sonde vapeur condensation) Tvmax= Température maximum atteinte par Tv (sonde vapeur condensation) TNmax= Température maximum atteinte par TN (sonde coeur) TGmax= Température maximum atteinte par TG (sonde générateur de vapeur) après le dernier détartrage Dans le programme choix de la langue, il est possible de choisir entre 5 langues différentes. Espagnol Anglais Français Allemand Italien - 42 -
  • 160.
    8.- SÉQUENCE DESÉVÈNEMENTS FOUR GAZ HGV Mode Vapeur 100 ºC GAZ CAPTEUR Nº ÉTAPE SIGNAL OBSERVATIONS RESPONSABLE 1 Sélectionnez mode Vapeur Potentiomètre PF PF= 2 VDC 2 Sélectionnez temps ou température à Encodeur Temps coeur 3 Fermez la porte Contact Reed Ip 12V 4 Vérification du niveau d'eau dans le DN (Com, Max, 230V dans Électrovanne VDV activée générateur de vapeur Min) VDV lorsqu'il manque de l'eau 5 Préchauffage du générateur de Thermocouple Tg C.E.V. La chauffe s'arrête si TG vapeur jusqu'à 90 ºC CV activé agissent atteint 180 ºC, et LDC (230V) s'allume 6 Le temps de cuisson commence Logique du après le préchauffage. contrôleur C.E.G. 7 Apport de vapeur à l'intérieur de la Thermocouple TC 230 V dans C.E.V. agit chambre de cuisson CV 8 Apport d'air chaud à l'intérieur de la Thermocouple TC 230 V dans C.E.C. agit. chambre de cuisson (depuis TC= CC 60..90 ºC) 9 Chambre de condensation réglée en Thermocouple TC 230V dans VCN agit à intervalles usine à 80 ºC. VCN Mode Régénération 35 . . . 180 ºC GAZ CAPTEUR Nº ÉTAPE SIGNAL OBSERVATIONS RESPONSABLE 1 Sélectionnez mode Régénération Potentiomètre PF PF= 6 VDC 2 Sélectionnez température de la Encodeur Chambre Température 3 Sélectionnez temps ou température à Encodeur Temps coeur 4 Fermez la porte Contact Reed Ip 12V 5 Vérification du niveau d'eau dans le DN (Com, Max, 230V dans Électrovanne VDV activée générateur de vapeur Min) VDV lorsqu'il manque de l'eau 6 Préchauffage du générateur de Thermocouple Tg C.E.V. La chauffe s'arrête si TG vapeur jusqu'à 90 ºC CV activé agissent atteint 180 ºC, et LDC (230V) s'allume 7 Le temps de cuisson commence Logique du après le préchauffage contrôleur C.E.G. 8 Apport de vapeur à l'intérieur de la Thermocouple TC 230 V dans C.E.V. agissent chambre de cuisson CV (Pourcentage de vapeur 80%) 9 Apport d'air chaud à l'intérieur de la Thermocouple TC 230 V dans C.E.V. agissent. chambre de cuisson CC 10 Chambre de condensation réglée en Thermocouple TC 230V dans VCN agit à intervalles usine à 80 ºC VCN - 43 -
  • 161.
    Mode Mixte 35. . . 250 ºC GAZ CAPTEUR Nº ÉTAPE SIGNAL OBSERVATIONS RESPONSABLE 1 Sélectionnez mode Mixte Potentiomètre PF PF= 8 VDC 2 Sélectionnez température de la Encodeur Chambre Température 3 Sélectionnez temps ou température à Encodeur Temps coeur 4 Fermez la porte Contact Reed Ip 12V 5 Vérification du niveau d'eau dans le DN (Com, Max, 230V dans Électrovanne VDV activée générateur de vapeur Min) VDV lorsqu'il manque de l'eau 6 Préchauffage du générateur de Thermocouple Tg C.E.V. agit La chauffe s'arrête si TG vapeur jusqu'à 90 ºC CV activé (230V) atteint 180 ºC, et LDC s'allume 7 Le temps de cuisson commence Logique du après le préchauffage contrôleur C.E.G. 8 Apport de vapeur à l'intérieur de la Logique du 230 V dans C.E.V. agit (Pourcentage chambre de cuisson (20” ON 20” contrôleur C.E.G. CV de vapeur 60%) OFF) 9 Apport d'air chaud à l'intérieur de la Thermocouple TC 230 V dans C.E.C. agit. chambre de cuisson CC 10 Chambre de condensation réglée en Thermocouple TC 230V dans VCN agit à intervalles usine à 80 ºC VCN Mode Vapeur Réglable 35 . . . 125 ºC GAZ CAPTEUR Nº ÉTAPE SIGNAL OBSERVATIONS RESPONSABLE 1 Sélectionnez mode Réglage Vapeur Potentiomètre PF PF= 4 VDC 2 Sélectionnez température de la Encodeur Chambre Température 3 Sélectionnez temps ou température à Encodeur Temps coeur 4 Fermez la porte Contact Reed Ip 12V 5 Vérification du niveau d'eau dans le DN (Com, Max, 230V dans Électrovanne VDV activée générateur de vapeur Min) VDV lorsqu'il manque de l'eau 6 Préchauffage du générateur de Thermocouple Tg C.E.V. La chauffe s'arrête si TG vapeur jusqu'à 90 ºC CV activé agissent atteint 180 ºC, et LDC (230V) s'allume 7 Le temps de cuisson commence Logique du après le préchauffage contrôleur C.E.G. 8 Apport de vapeur à l'intérieur de la Thermocouple TC 230 V dans C.E.V. agissent chambre de cuisson CV (Pourcentage de vapeur 80%) 9 Apport d'air chaud à l'intérieur de la Thermocouple TC 230 V dans C.E.V. agissent. chambre de cuisson CC 10 Chambre de condensation réglée en Thermocouple TC 230V dans VCN agit à intervalles usine à 80 ºC VCN - 44 -
  • 162.
    Mode Convection 35. . . 300 ºC GAZ CAPTEUR Nº ÉTAPE SIGNAL OBSERVATIONS RESPONSABLE 1 Sélectionnez mode Convection Potentiomètre PF PF= 10 VDC 2 Sélectionnez température de la Encodeur Chambre Température 3 Sélectionnez temps ou température à Encodeur Temps coeur 4 Fermez la porte Contact Reed Ip 12V 5 Vérification du niveau d'eau dans le DN (Com, Max, 230V dans Électrovanne VDV activée générateur de vapeur Min) VDV lorsqu'il manque de l'eau 6 Le temps de cuisson commence Logique du contrôleur C.E.G. 7 Apport d'air chaud à l'intérieur de la Thermocouple TC 230 V dans C.E.V. agissent. chambre de cuisson CC - 45 -
  • 163.
    9.- DÉFAILLANCES EFFET CAUSE ACTIONS 1. -Le four ne fonctionne sur aucun mode 1.1.Interrupteur porte IP 1.1. Révisez – Changez ou réglez Écrans éclairés 1.2.Thermique moteur FM 1.2.Révisez ou changez le moteur 1.3. Limiteur Chambre TSC 1.3. Révisez sonde Tc, et Contrôle C.E.C. 1.4. Limiteur Chaudière Vapeur TSV 1.4. Révisez Contrôleur C.E.G ou détecteur de niveaux DN. 2. -Ni le brûleur convection ni le 2.1. Variateur Vv ou soufflante VC en 2.1. Changez-les générateur de vapeur ne s'allument panne Écrans éclairés Moteur turbine en marche Voyant D21 du variateur de fréquence Vv (séquence de trois impulsions) 3. -Le brûleur convection ne s'allume pas 3.1. Défaillance variateur de fréquence Vv 3.1. Révisez et changez Écrans éclairés 3.2. Défaillance soufflante VC 3.2. Révisez et changez Moteur turbine en marche Voyant D21 du variateur de fréquence Vv (séquence d'une impulsion) 4 - Le brûleur convection ne s'allume pas 4.1. Injecteur incorrect 4.1. Vérifiez injecteur et installez celui qui Écrans éclairés 4.3. Faux contact dans contrôle d'allumage convient Moteur turbine en marche CEC 4.3. Révisez câblage détection Indicateur brûleur chambre bloqué, est 4.4. Contrôle d'allumage en panne CEC 4.4. Changez-la allumé 4.5. Pas ou peu de gaz 4.5. Vérifiez avec manomètre dans vanne gaz Voyant D21 du variateur de fréquence Vv 4.6. Défaillance détection flamme 4.6. Vérifiez position détecteur-brûleur (5-6 (séquence à deux impulsions) 4.7. Débit de gaz allumé dans vanne mm) et branchements ou changez détecteur convection basse 4.7. Vérifiez pressions dynamiques et 4.8. Vanne gaz convection augmentez débit dans régulateur de gaz 4.9. Défaillance train d'étincelles 4.8. Changez vanne gaz 4.10. Pression de gaz excessive à l'arrivée 4.9. Vérifiez position bougie brûleur (3-4 mm) et branchements 4.10. Vérifiez pression de gaz et corrigez-la - 46 -
  • 164.
    EFFET CAUSE ACTIONS 5. -Bruit pendant l'allumage 5.1. Trop de gaz pendant l'allumage 5.1. Vérifiez code de vanne correspondant au 5.2. Brûleur ne correspond pas d'après gaz et au modèle modèle 5.2. Vérifiez pressions vanne gaz dans brûleur 5.3. Type de gaz ne correspond pas au 5.3. Révisez pressions et modèle modèle 5.4. Révisez et corrigez (Augmentez vitesse 5.4. Interrupteurs du variateur de allumage) fréquence ne correspondent pas 5.5. Révisez et corrigez 5.5. Vanne de gaz ne correspond pas au type de gaz 6. - Allumage brusque avec une légère 6.1. Interrupteurs du variateur de 6.1. Révisez et corrigez vitesse d'allumage explosion fréquence ne correspondent pas 6.2 Type de gaz ne correspond pas au 6.2. Révisez pressions et modèle modèle 6.3. Révisez et corrigez 6.3. Vanne de gaz ne correspond pas au 6.4. Vérifiez position bougie brûleur (3-4 mm) et type de gaz branchements 6.4. Défaillance train d'étincelles 7. - Le four fonctionne pendant un certain 7.1. Thermique moteur FM 7.1. Vérifiez que l'arrivée des trois phases au temps moteur est correcte Puis il s'arrête et recommence à 7.2. Vérifiez s'il y a présence d'humidité externe fonctionner au moteur 7.3. Changez moteur 8. - Ne génère pas de vapeur 8.1. Trop de tartre dans le générateur de 8.1. Détartrez le générateur de vapeur (Voir Indicateur LDC allumé en continu vapeur guide d'instructions) 9. - Ne génère pas suffisamment de 9.1. Cheminée ferme mal 9.1. Révisez et corrigez vapeur 9.2. Sonde chambre en panne TC 9.2. Changez sonde ou étalonnez Vanne gaz vapeur GV3-GV4 activée - 47 -
  • 165.
    Modes de défaillance: Le four indique la cause de certaines erreurs Lorsqu'une erreur de ce type se produit : Le signal sonore sonne de façon intermittente. Un message d'erreur clignote sur les écrans. Appuyez sur une touche pour l'ignorer. Le message d'erreur demeure si la porte est ouverte. Pour effacer le message d'erreur de l'écran et que le signal sonore cesse, déconnectez la tension du contrôleur ou éliminez la défaillance ayant entraîné l'erreur. Lorsque la défaillance ayant entraîné l'erreur disparaît, les sorties recommencent à fonctionner normalement. Les différents types d'erreur existant apparaissent ci-après : Err 001 Err 1 Snd CCI Snd CC1 Lorsqu'il y a un problème dans la sonde de température de la chambre. Err 2 Snd ncI Err 002 Lorsqu'il y a un problème dans Tn (sonde à coeur). Snd ncl - 48 -
  • 166.
    Err 003 Err 3 TEM FLI Lorsque la température du four dépasse 330 ºC. TEM FLI Err 004 Err 4 Snd nIL Les sondes du niveau d'eau Snd nIL fonctionnent mal. Err 005 Err 5 Snd UAP Lorsqu'il y a un problème dans la sonde de température Snd UAP - 49 -
  • 167.
    Err 006 Err 6 Snd gnr Snd Lorsqu'il y a un problème dans la gnr sonde de température Err 007 Err 7 Snd CAL Si, au bout de 15’, l'étalonnage ne peut être obtenu. Snd CAL Err 008 Err 8 CTL HUM Lorsque le non fonctionnement du CTL HUM contrôle de l'humidité est détecté. - 50 -
  • 168.
    Err 009 Err 9 PrG OFF Lorsque le non fonctionnement du PrG OFF programmateur est détecté. Err 010 Err 10 FLt H20 Lorsque la vanne de remplissage du générateur de vapeur est en marche FLt H20 depuis plus de 7 minutes et que le niveau maximum n'est pas atteint. Err 011 Err 11 FLL UAC Lorsque la pompe de vidange est en FLL UAC marche depuis plus d'une minute et que le niveau minimum ne baisse pas. - 51 -
  • 169.
    Err 12 FLL tco Err 012 Lorsque cc agit et qu'en trois minutes Tc ne monte pas de 3 degrés ou plus. ou Si Tg inférieur à 93 ºC. Lorsque Cv agit et qu'en FLL tco trois minutes Tg ne monte pas de trois degrés ou plus. - 52 -
  • 170.
    10.- PARAMÈTRES ETRÉGLAGES V puissance V puissance Tuyère MODÈLE Nº code appareil V entretien V allumage moyenne maximum HGC 10-21 BP 380-415V 3N 50HZ 112132500 2 200 tr/mn. 2 500 tr/mn. 2 500 tr/mn. 4 500 tr/mn. Ø 4,8 T305068 HGC 10-21 GN 380-415V 3N 50HZ 1121325001 2 200 tr/mn. 3 000 tr/mn. 3 500 tr/mn. 6 000 tr/mn. Ø 6 T305069 HGC 10-21 BP 380-415V 3N 50HZ A 1121325002 2 200 tr/mn. 2 500 tr/mn. 3 000 tr/mn. 5 000 tr/mn. Ø 4,8 T305068 HGC 10-21 GN 380-415V 3N 50HZ A 1121325003 2 200 tr/mn. 3 000 tr/mn. 3 500 tr/mn. 6 000 tr/mn. Ø 6 T305069 VGC 10-21 BP 380-415V 3N 50HZ 1121325004 2 200 tr/mn. 2 500 tr/mn. 3 000 tr/mn. 5 000 tr/mn. Ø 4,8 T305068 VGC 10-21 GN 380-415V 3N 50HZ 1121325005 2 200 tr/mn. 3 000 tr/mn. 3 500 tr/mn. 6 000 tr/mn. Ø 6 T305069 HGC 10-21 BP 220V 3 50HZ 1121325006 2 200 tr/mn. 2 500 tr/mn. 2 500 tr/mn. 4 500 tr/mn. Ø 4,8 T305068 HGC 10-21 GN 220V 3 50HZ 1121325007 2 200 tr/mn. 3 000 tr/mn. 3 500 tr/mn. 6 000 tr/mn. Ø 6 T305069 HGC 10-21 BP 380-415V 3N 60HZ 1121325010 2 200 tr/mn. 2 500 tr/mn. 3 000 tr/mn. 5 000 tr/mn. Ø 4,8 T305068 HGC 10-21 GN 380-415V 3N 60HZ 1121325011 2 200 tr/mn. 3 000 tr/mn. 3 500 tr/mn. 6 000 tr/mn. Ø 6 T305069 HGC 10-21 BP 220V 3 60HZ 1121325012 2 200 tr/mn. 2 500 tr/mn. 3 000 tr/mn. 5 000 tr/mn. Ø 4,8 T305068 HGC 10-21 GN 220V 3 60HZ 1121325013 2 200 tr/mn. 3 000 tr/mn. 3 500 tr/mn. 6 000 tr/mn. Ø 6 T305069 HGV 10-21 BP 380-415V 3N 50HZ 1121325100 2 200 tr/mn. 2 500 tr/mn. 2 500 tr/mn. 4 500 tr/mn. Ø 4,8 T305068 HGV 10-21 GN 380-415V 3N 50HZ 1121325101 2 200 tr/mn. 3 000 tr/mn. 3 500 tr/mn. 6 000 tr/mn. Ø 6 T305069 HGV 10-21 BP 380-415V 3N 50HZ A 1121325102 2 200 tr/mn. 2 500 tr/mn. 3 000 tr/mn. 5 000 tr/mn. Ø 4,8 T305068 - 53 -
  • 171.
    V puissance V puissance Tuyère MODÈLE Nº code appareil V entretien V allumage moyenne maximum HGV 10-21 GN 380-415V 3N 50HZ A 1121325103 2 200 tr/mn. 3 000 tr/mn. 3 500 tr/mn. 6 000 tr/mn. Ø 6 T305069 VGT 10-21 BP 380-415V 3N 50HZ 1121325104 2 200 tr/mn. 2 500 tr/mn. 3 000 tr/mn. 5 000 tr/mn. Ø 4,8 T305068 VGT 10-21 GN 380-415V 3N 50HZ 1121325105 2 200 tr/mn. 3 000 tr/mn. 3 500 tr/mn. 6 000 tr/mn. Ø 6 T305069 HGV 10-21 BP 220V 3 50HZ 1121325106 2 200 tr/mn. 2 500 tr/mn. 2 500 tr/mn. 4 500 tr/mn. Ø 4,8 T305068 HGV 10-21 GN 220V 3 50HZ 1121325107 2 200 tr/mn. 3 000 tr/mn. 3 500 tr/mn. 6 000 tr/mn. Ø 6 T305069 HGV 10-21 BP 380-415V 3N 60HZ 1121325110 2 200 tr/mn. 2 500 tr/mn. 3 000 tr/mn. 5 000 tr/mn. Ø 4,8 T305068 HGV 10-21 GN 380-415V 3N 60HZ 1121325111 2 200 tr/mn. 3 000 tr/mn. 3 500 tr/mn. 6 000 tr/mn. Ø 6 T305069 HGV 10-21 BP 220V 3 60HZ 112132512 2 200 tr/mn. 2 500 tr/mn. 3 000 tr/mn. 5 000 tr/mn. Ø 4,8 T305068 HGV 10-21 GN 220V 3 60HZ 1121325113 2 200 tr/mn. 3 000 tr/mn. 3 500 tr/mn. 6 000 tr/mn. Ø 6 T305069 HGP 10-21 BP 380-415V 3N 50HZ 1121325200 2 200 tr/mn. 2 500 tr/mn. 2 500 tr/mn. 4 500 tr/mn. Ø 4,8 T305068 HGP 10-21 GN 380-415V 3N 50HZ 1121325201 2 200 tr/mn. 3 000 tr/mn. 3 500 tr/mn. 6 000 tr/mn. Ø 6 T305069 HGP 10-21 BP 380-415V 3N 60HZ 1121325210 2 200 tr/mn. 2 500 tr/mn. 3 000 tr/mn. 5 000 tr/mn. Ø 4,8 T305068 - 54 -
  • 172.
    Variateur vitesse soufflante T303048 Ventret. Vallumage Vmoy. puis. Vmax. puis. 0000 800 tr/mn. 1000 2 500 tr/mn. 0001 1 000 tr/mn. 1001 3 000 tr/mn. 0010 1 200 tr/mn. 1010 3 500 tr/mn. 0011 1 400 tr/mn. 1011 4 000 tr/mn. 0100 1 600 tr/mn. 1100 4 500 tr/mn. 0101 1 800 tr/mn. 1101 5 000 tr/mn. 0110 2 000 tr/mn. 1110 5 500 tr/mn. 0111 2 200 tr/mn. 1111 6 000 tr/mn. Vitesses suivant position des sélecteurs du variateur de vitesse. - 55 -
  • 173.
    11.- TRANSFORMATION DIFFÉRENTSGAZ Pour transformer le four à un type de gaz autre que celui prévu en série, suivez les instructions ci-après : Dans la soufflante de convection, changez la tuyère et installez celle qui correspond au nouveau gaz (voir tableau précédent). Dévissez les trois vis qui unissent la vanne de gaz et le mélangeur, retirez la tuyère et le joint qui est accouplé. Introduisez d'abord le joint, retiré au préalable, puis immédiatement après la nouvelle tuyère. Il est important de respecter cet ordre car, dans le contraire, il sera très difficile d'introduire le joint. Remettez les vis en place. Vis (3) Une fois la tuyère changée, modifiez la position des interrupteurs V. allumage, V. entret., V. puis. moy. et V. puis. max. du variateur de vitesse conformément aux tableaux précédents. Remplacez les 12 injecteurs du brûleur du générateur de vapeur. Injecteur Détail brûleur générateur de vapeur - 56 -
  • 174.
    Changez injecteurs gaz brûleur du générateur vapeur, 12 unités. Dévissez vis d'assemblage 4 Changez injecteurs gaz brûleur du générateur vapeur, 12. TYPE DE GAZ Ø TUYÈRE RÉFÉRENCE BUTANE PROPANE 0,70 Z955899 GAZ NATUREL 1,10 Z956104 GAZ NATUREL AUSTRALIE 1,2 Z956109 Tableau des tuyères pour le brûleur du générateur - 57 -
  • 175.
    12.- TRANSFORMATION DELA TENSION Pour transformer le four de 380 V à 220 V triphasé, suivez les étapes suivantes : 1º Changez les branchements électriques du four dans la réglette principale d'entrée. Le schéma détaillé ci-après correspond à 220 V suivant si le four est à gaz ou électrique. 2º Changez les moteurs des turbines et installez celui qui est spécifié ci-après. Four à gaz 1º 2º Remplacez le moteur de la turbine par am n m g la référence T323023 /ve a R S T Four électrique 1º 2 2 2º am n m g Remplacez le moteur de la turbine par /ve la référence T323023 R S T - 58 -