Intégrer la présentation
Téléchargé 14 fois


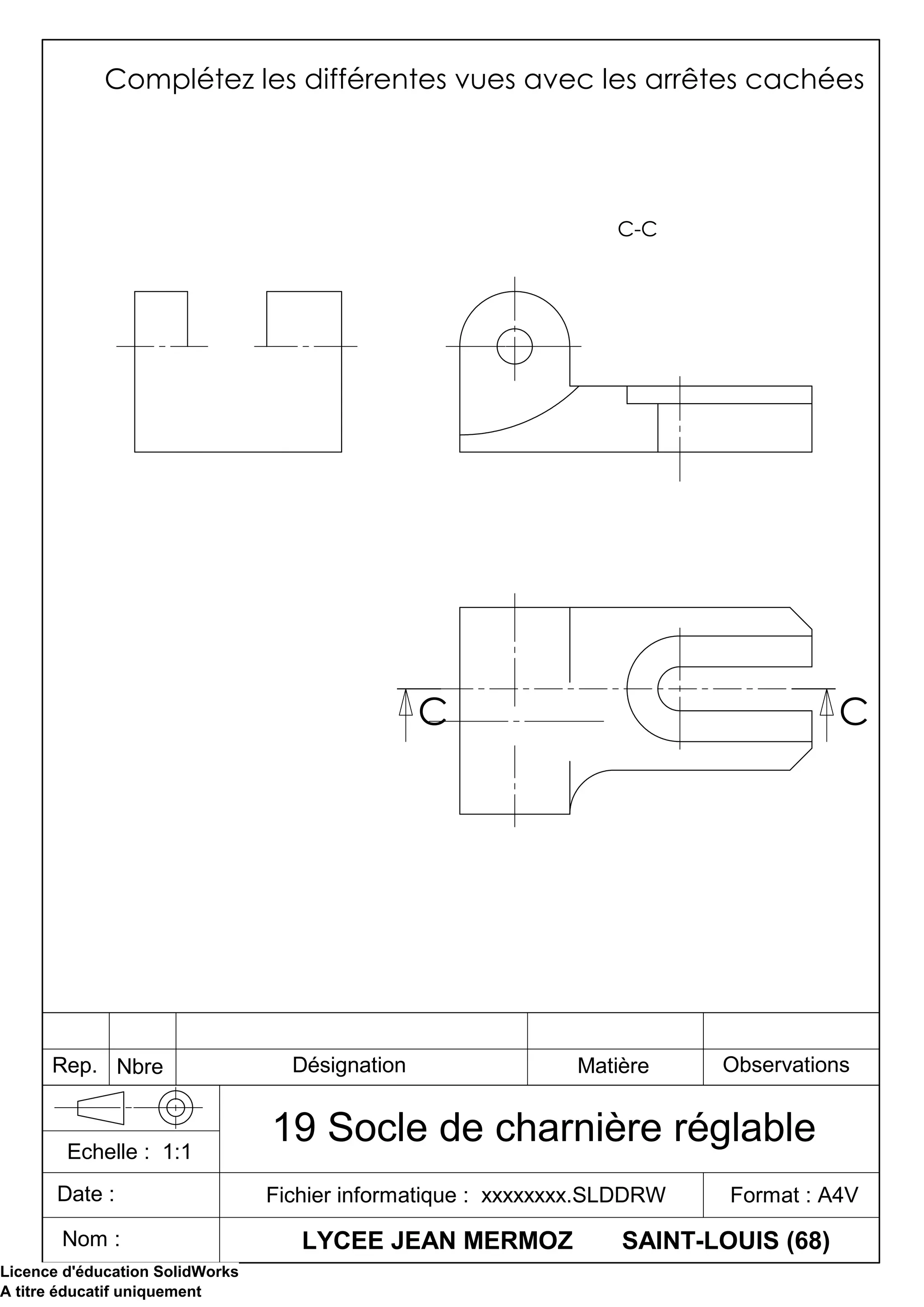
Le document concerne la réalisation de vues techniques d'un projet scolaire au lycée Jean Mermoz. Il aborde des détails techniques comme le format, l'échelle, et les caractéristiques du socle de charnière réglable. L'utilisation du logiciel SolidWorks est limitée à un cadre éducatif.
