Caractérisation des moyens associés à une
                         tâche
                Caractérisation des flux




 C        23/08/05                                                           Mise à jour
 B        23/05/02                                                    Modification Cybernétix
 A        04/05/01                                              Emission initiale par repagination des TP

Ind.       Date       Rédacteur       Vérificateur   Etat                  Modifications                     Approbation
                                 Noms et Visas
                                                                                                               1/10
                       Ce document ne peut être reproduit ou communiqué sans l’autorisation de Astriane.

       Référence du document :                                    04008 T 313                       760068
Document :     04008T313 Ind. C                                2
            ASTRIANE
  .
Ind




      Vous allez utiliser, pendant ce TP, un système automatisé appelé Palettiseur. La lecture, lors du
      TP1, de la mise en situation de ce système, vous a permis de comprendre la finalité d'un tel système
      qui est très utilisé dans l'industrie.

      Pour vous permettre de bien observer le fonctionnement de la machine, dans la première partie du
      TP, vous utiliserez le mode de fonctionnement pas à pas. Le professeur a déjà préparé le système à
      ce mode de fonctionnement. Voyons tout d'abord ce que signifie "fonctionnement en pas à pas".


      Mode de fonctionnement pas à pas

      Le mode de marche pas à pas permet de faire évoluer le cycle dans l'ordre avec arrêt à chaque fin
      de mouvement.
      Ce mode de fonctionnement est utilisé par le technicien de maintenance pour vérifier le bon
      fonctionnement des éléments de la partie opérative. De ce fait, comme on ne cherche pas à produire
      dans un temps minimum, le cycle est légèrement modifié pour ne pas avoir de séquences
      simultanées (ou il est alors difficile d'observer correctement le fonctionnement).
      En ce qui vous concerne, ce mode va vous permettre de bien distinguer tous les mouvements,
      puisqu'ils ne se font que les uns après les autres, et de voir quels sont les effecteurs, actionneurs, et
      capteurs utilisés.

      Le processus est défini par sa fonction globale:

         C a r t o n s p le in s
         su r con voyeu r                                                     C a r t o n s p le in s r a n g é s
                                                                              s u r u n e p a le t t e
                                           P A L E T T IS E R
           P a le t t e v id e



      La fonction globale est identique en mode pas à pas et en mode automatique; seul le temps mis
      pour y parvenir est différent.

      Pour remplir cette fonction, il faut commander, et donc exécuter un certain nombre d'actions, dans
      un ordre bien déterminé, en tenant compte de la situation du système (ex: on doit ouvrir la pince de
      dépose des cartons lorsqu'on est au-dessus de la palette, près de la rangée précédente). Ce type de
      commande, qui tient compte de la situation pour décider de l'action à exécuter, est appelé
      commande séquentielle.




                                                                                                            TP 02
Document :    04008T313 Ind. C                         3
             ASTRIANE
  .
Ind

      Le système est en mode de fonctionnement pas à pas (voir TP n°1).
      Il a fallu pour cela :

      − Mettre en énergie le système.
      − Préparer le système pour pouvoir commencer à fonctionner (palette vide, actionneurs
        correctement positionnés).
      − Indiquer au système qu'il doit fonctionner en mode pas à pas.
      − Indiquer au système quelle est la hauteur du carton et le nombre de rangées. Ces deux paramètres
        peuvent être modifiés, en début de production, en restant dans les limites possibles de la machine
        que le constructeur du palettiseur a définies.

            1.Caractérisation de la situation initiale de la partie opérative
      Avant de commencer à produire, la partie opérative doit se trouver dans une situation particulière
      appelée la situation initiale. Cette situation caractérise les conditions de démarrage du système.

      La partie opérative est en situation initiale. En vous aidant de la perspective du palettiseur
      ( dossier technique) et du synoptique des actionneurs et capteurs ( p36 de la notice de
      fonctionnement et d'utilisation), qui vont vous permettre de localiser les différents éléments de la
      partie opérative, indiquer:

      −   si les rouleaux qui permettent aux cartons d'avancer sont immobiles ou non,
      −   si le poussoir est en position rentrée ou sortie,
      −   si la pince est ouverte ou fermée,
      −   si le système de préhension est du côté de l'arrivée des cartons ou du côté de la palette,
      −   si la pince est en haut ou en bas,
      −   s'il reste des cartons sur la palette.


      Formaliser la condition de démarrage en utilisant des conditions logiques.(OU, ET, NON):




            2.Identifier les moyens associés à une tâche.
      L'analyse fonctionnelle a permis de définir, à partir de la fonction globale, trois tâches opératives :

            − Tâche "Former un ensemble de deux cartons"
            − Tâche "Saisir les deux cartons"
            − Tâche "Déposer les deux cartons"

      Chacune de ces tâches regroupe un certain nombre d'actions.
      Dans la production en pas à pas, les tâches opératives sont coordonnées comme indiqué par le
      Grafcet ci-après:




                                                                                                       TP 02
Document :               04008T313 Ind. C       4
           ASTRIANE
  .
Ind




                                         0
                                             Conditions de marche Mode pas à pas

                                        1         Former un ensemble de 2 cartons (Tâche 1)

                                             ensemble formé (fin tâche 1)

                                         2         Saisir les deux cartons (Tâche 2)

                                              cartons saisis (fin tâche 2)

                                        3          Déposer les deux cartons (Tâche 3)

                                              cartons déposés (fin tâche 3)




                              GRAPHE DE COORDINATION DES TACHES
                                  EN MODE PAS A PAS




      Toute action est extraite d'une tâche opérative, elle même extraite de la fonction globale
      "Palettiser", en conséquence la structure chaîne d'action- chaîne d'acquisition est présente à chaque
      niveau, comme indiqué sur la figure ci-après.




                                                                                                                 TP 02
Document :                             04008T313 Ind. C                                                                               5
               ASTRIANE
  .
Ind


         F o n c tio n                                                                                                                                                                 P A L E T T IS E R



                                                                                                                                                E n e r g i e P .C .                                      E n e r g i e P .O .         M a ti è r e d 'o e u v r e
                                                                                 O p é ra te u r
                                                                                                                                                                                        c h a in e d 'a c t io n
                                                                                                                                            I                     P .C .                                                  P .O .
                                                                                                           ordres                                  E
                                                                                                                                           N       X                                            I
                                                                                                                                           T       T
                                                                                                                                                                         T
                                                                                                                                                                          r                    N
                                                                                             co m pte s-re n d u s                         E                             a                     T      P
                                                                                                                                                                          i
                                                                                                                                                                                               E      C
                                                                                                                                           R       S                     e
                                                                                                                                                                          t
                                                                                                                                                                                               R
                                                                                                                                                                         m
                                                                                                                                           F       Y                     e                     F      P
                                                                                                                                                                         n                     A
                                                                                                                                           A       S                      t                           O
                                                                                                                                                                                               C
                                                                                                                                           C       T                                           E
                                                                                                                                           E


                                                                                                                                                                                       c h a in e d 'a c q u is it io n




                                                                                                                                                                                                                                   M a ti è r e d 'o e u v r e
                                                                                                                                                                                                                                   a v e c v a l e u r a jo u t é e

                                                        FO R M ER U N
         T â c h e o p é r a tiv e                      EN SEM B LE D E                                                                                                    S A IS IR L E S D E U X
                                                                                                                                                                           C AR TO N S
                                                                                                                                                                                                                                                            D EP O SER LES
                                                                                                                                                                                                                                                            D EU X C AR TO N S
                                                        D EU X C AR TO N S




                            F a ir e a v a n c e r
         A c tio n          le c a r to n s u r
                            le c o n v o y e u r




                         E n e r g ie P .C .                                                       E n e r g i e P .O .                            M a t iè r e d 'o e u v r e



                                      P .C .                            c h a in e d'a c tio n                 P .O .
                                                       S o r tie                                                     A c ti o n n e u r (s )
                                                    a u to m a te      P r é -a c ti o n n e u r
                                               T                                                                      m o te u r C -C
                                                r
                                                        o 0 ,3                KM 6
                                               a
                                                i
                                                t
                                               e                                                                     E ffe c te u r (s )
                                               m
                                               e                                                                      c o n vo y e u r
                                               n
                                                t

                                                      E n tr é e                                                C a p te u r (s ) : c e l lu l e
                                                                    In te r fa c e é ve n tu e ll e
                                                    a u to m a te                                                 p h o to -é le c tr iq u e
                                                        I 1 ,5      c h a i n e d 'a c q u i s i ti o n




                                                                                                                                       M a t iè r e d 'o e u v r e
                                                                                                                                       a v e c v a l e u r a jo u t é e



       Vous allez exécuter un cycle complet (formation d'une palette de deux rangées).

      üPour cela, il faut appuyer sur le bouton poussoir "validation cycle".
       La machine attend la présence d'un carton sur le convoyeur d'entrée.

      üDéposer un carton sur le tapis d'entrée de façon à ce que l'information présence carton soit prise
       en compte. Le cycle de palettisation commence.



       POUR chaque tâche opérative, FAIRE :

                                                                                                                                                                                                                                                                      TP 02
Document :    04008T313 Ind. C                          6
              ASTRIANE
  .
Ind



        1. Compléter le grafcet correspondant à celle-ci (voir pages suivantes), en notant les actions
        associées aux étapes, ainsi que les informations associées aux transitions.

        Chacune de ces actions met en oeuvre sur la partie opérative :
        − un effecteur,
        − un actionneur.
       Les informations recueillies sont fournies par un ou plusieurs capteurs.

        2. Identifier et noter, sur la droite du grafcet, en vis à vis de chaque étape et réceptivité (voir
        exemple de présentation ci-après) les moyens technologiques associés à cette action en s'aidant
        des documents suivants:
         - liste des entrées-sorties automate
         - synoptique du Paletticc (page 36 de la notice constructeur)
         - schéma de câblage (folio 03 page 42 de la notice constructeur)

        Dès que l'action est terminée, le message "pas suivant" apparaît au pupitre.

      ü 3. Passer à l'action suivante en appuyant sur le bouton du pupitre "validation cycle".
        REPETER les parties 1, 2 et 3 JUSQU'A la fin du cycle signalée sur l'afficheur par le message
        "Palette pleine".

        Exemple de présentation : voir action associée à l'étape 1



                           Faire avancer le carton      Sortie automate    Préactionneur          Actionneur
                1
                           sur le convoyeur                      O0,3     contacteur KM6          Moteur cc
                                                                                                    Effecteur
                                                                                                   convoyeur
                                                     Entrée automate                               Capteur
                    carton en butée                                                          cellule
                    sur convoyeur                               I1,5                         photo-électrique




                                                                                                                TP 02
Document :        04008T313 Ind. C                                              7
      ASTRIANE
  .
Ind


                 c o n d itio n s d e m a r c h e e n
                 m ode pas à pas E T
                 p r é se n c e c a r to n

                                                              S o r tie a u to m a te   P r é a c tio n n e u r     A c tio n n e u r
             1
                                                                                                                    E ffe c te u r


                                                            E n tr é e a u to m a te                              C a p te u r



                                                              S o r tie a u to m a te   P r é a c tio n n e u r     A c tio n n e u r
             2
                                                                                                                    E ffe c te u r


                                                            E n tr é e a u to m a te                              C a p te u r



                                                              S o r tie a u to m a te   P r é a c tio n n e u r     A c tio n n e u r
             3
                                                                                                                    E ffe c te u r


                                                            E n tr é e a u to m a te                              C a p te u r



                                                              S o r tie a u to m a te   P r é a c tio n n e u r     A c tio n n e u r
             4
                                                                                                                    E ffe c te u r


                                                            E n tr é e a u to m a te                              C a p te u r
                 e n s e m b le d e d e u x
                 c a r to n s fo r m é




                                                                                                                           TP 02
Document :        04008T313 Ind. C                                           8
      ASTRIANE
  .
Ind




                     e n s e m b le d e d e u x
                     ca rto n s fo r m é

                                                            S o r tie a u to m a te   P r é a c tio n n e u r     A c tio n n e u r
                 5
                                                                                                                  E ffe c te u r


                                                          E n tr é e a u to m a te                              C a p te u r



                                                            S o r tie a u to m a te   P r é a c tio n n e u r     A c tio n n e u r
                 6
                                                                                                                  E ffe c te u r


                                                          E n tr é e a u to m a te                              C a p te u r



                                                            S o r tie a u to m a te   P r é a c tio n n e u r     A c tio n n e u r
             7
                                                                                                                  E ffe c te u r


                                                          E n tr é e a u to m a te                              C a p te u r
                     d e u x c a r to n s s a is is




                                                                                                                         TP 02
Document :       04008T313 Ind. C                                              9
               ASTRIANE
  .
Ind


                                     d e u x c a r to n s s a is is

                                                                                S o r tie a u to m a te   P r é a c tio n n e u r     A c tio n n e u r
                                8
                                                                                                                                      E ffe c te u r


      p réh en seu r                 p réh en seu r                           E n tr é e a u to m a te                              C a p te u r
      c o té p a le tte .            c o té p a le tte .
      r a n g é e im p a ir e        r a n g é e p a ir e

                                                                                S o r tie a u to m a te   P r é a c tio n n e u r     A c tio n n e u r
                                9
                                                                                                                                      E ffe c te u r


                                                                              E n tr é e a u to m a te                              C a p te u r



                                                                                S o r tie a u to m a te   P r é a c tio n n e u r     A c tio n n e u r
                                10
                                                                                                                                      E ffe c te u r


                                                                              E n tr ée a u to m a te                               C a p teu r



                                                                                S o r tie a u to m a te   P r é a c tio n n e u r     A c tio n n e u r
                                11
                                                                                                                                      E ffe c te u r


                                                                              E n tr ée a u to m a te                               C a p teu r



                                                                                S o r tie a u to m a te   P r é a c tio n n e u r     A c tio n n e u r
                                12
                                                                                                                                      E ffe c te u r


                                                                              E n tr ée a u to m a te                               C a p teu r



                                                                                S o r tie a u to m a te   P r é a c tio n n e u r     A c tio n n e u r
                                13
                                                                                                                                      E ffe c te u r


                                                                              E n tr ée a u to m a te                               C a p teu r
                                     d e u x ca r to n s d é p o sé s




                                                                                                                                            TP 02
Document :        04008T313 Ind. C                                     10
              ASTRIANE
  .
Ind

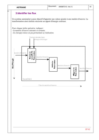
           3.Identifier les flux

      Un système automatisé a pour objectif d'apporter une valeur ajoutée à une matière d'oeuvre. La
      transformation ainsi réalisée nécessite un apport d'énergie extérieur.


      Pour chaque tâche opérative, indiquer:
      - la matière d'oeuvre entrante et sortante,
      - les énergies mises en jeu permettant sa réalisation.

                                         E n e r g ie p n e u m a tiq u e
                                                    E n e rg ie é le c triq u e




         m a t i è r e d 'o e u v r e

                                                        m a t i è r e d 'o e u v r e



                                                                                                        m a t i è r e d 'o e u v r e
                                                                                                                                       m a t i è r e d 'o e u v r e




                             P A L E T T IC C


                                                             F l u x d e m a t i è r e d 'o e u v r e




                                                                                                                                                   TP 02

04008 T313 Ind C Tp2

  • 1.
    Caractérisation des moyensassociés à une tâche Caractérisation des flux C 23/08/05 Mise à jour B 23/05/02 Modification Cybernétix A 04/05/01 Emission initiale par repagination des TP Ind. Date Rédacteur Vérificateur Etat Modifications Approbation Noms et Visas 1/10 Ce document ne peut être reproduit ou communiqué sans l’autorisation de Astriane. Référence du document : 04008 T 313 760068
  • 2.
    Document : 04008T313 Ind. C 2 ASTRIANE . Ind Vous allez utiliser, pendant ce TP, un système automatisé appelé Palettiseur. La lecture, lors du TP1, de la mise en situation de ce système, vous a permis de comprendre la finalité d'un tel système qui est très utilisé dans l'industrie. Pour vous permettre de bien observer le fonctionnement de la machine, dans la première partie du TP, vous utiliserez le mode de fonctionnement pas à pas. Le professeur a déjà préparé le système à ce mode de fonctionnement. Voyons tout d'abord ce que signifie "fonctionnement en pas à pas". Mode de fonctionnement pas à pas Le mode de marche pas à pas permet de faire évoluer le cycle dans l'ordre avec arrêt à chaque fin de mouvement. Ce mode de fonctionnement est utilisé par le technicien de maintenance pour vérifier le bon fonctionnement des éléments de la partie opérative. De ce fait, comme on ne cherche pas à produire dans un temps minimum, le cycle est légèrement modifié pour ne pas avoir de séquences simultanées (ou il est alors difficile d'observer correctement le fonctionnement). En ce qui vous concerne, ce mode va vous permettre de bien distinguer tous les mouvements, puisqu'ils ne se font que les uns après les autres, et de voir quels sont les effecteurs, actionneurs, et capteurs utilisés. Le processus est défini par sa fonction globale: C a r t o n s p le in s su r con voyeu r C a r t o n s p le in s r a n g é s s u r u n e p a le t t e P A L E T T IS E R P a le t t e v id e La fonction globale est identique en mode pas à pas et en mode automatique; seul le temps mis pour y parvenir est différent. Pour remplir cette fonction, il faut commander, et donc exécuter un certain nombre d'actions, dans un ordre bien déterminé, en tenant compte de la situation du système (ex: on doit ouvrir la pince de dépose des cartons lorsqu'on est au-dessus de la palette, près de la rangée précédente). Ce type de commande, qui tient compte de la situation pour décider de l'action à exécuter, est appelé commande séquentielle. TP 02
  • 3.
    Document : 04008T313 Ind. C 3 ASTRIANE . Ind Le système est en mode de fonctionnement pas à pas (voir TP n°1). Il a fallu pour cela : − Mettre en énergie le système. − Préparer le système pour pouvoir commencer à fonctionner (palette vide, actionneurs correctement positionnés). − Indiquer au système qu'il doit fonctionner en mode pas à pas. − Indiquer au système quelle est la hauteur du carton et le nombre de rangées. Ces deux paramètres peuvent être modifiés, en début de production, en restant dans les limites possibles de la machine que le constructeur du palettiseur a définies. 1.Caractérisation de la situation initiale de la partie opérative Avant de commencer à produire, la partie opérative doit se trouver dans une situation particulière appelée la situation initiale. Cette situation caractérise les conditions de démarrage du système. La partie opérative est en situation initiale. En vous aidant de la perspective du palettiseur ( dossier technique) et du synoptique des actionneurs et capteurs ( p36 de la notice de fonctionnement et d'utilisation), qui vont vous permettre de localiser les différents éléments de la partie opérative, indiquer: − si les rouleaux qui permettent aux cartons d'avancer sont immobiles ou non, − si le poussoir est en position rentrée ou sortie, − si la pince est ouverte ou fermée, − si le système de préhension est du côté de l'arrivée des cartons ou du côté de la palette, − si la pince est en haut ou en bas, − s'il reste des cartons sur la palette. Formaliser la condition de démarrage en utilisant des conditions logiques.(OU, ET, NON): 2.Identifier les moyens associés à une tâche. L'analyse fonctionnelle a permis de définir, à partir de la fonction globale, trois tâches opératives : − Tâche "Former un ensemble de deux cartons" − Tâche "Saisir les deux cartons" − Tâche "Déposer les deux cartons" Chacune de ces tâches regroupe un certain nombre d'actions. Dans la production en pas à pas, les tâches opératives sont coordonnées comme indiqué par le Grafcet ci-après: TP 02
  • 4.
    Document : 04008T313 Ind. C 4 ASTRIANE . Ind 0 Conditions de marche Mode pas à pas 1 Former un ensemble de 2 cartons (Tâche 1) ensemble formé (fin tâche 1) 2 Saisir les deux cartons (Tâche 2) cartons saisis (fin tâche 2) 3 Déposer les deux cartons (Tâche 3) cartons déposés (fin tâche 3) GRAPHE DE COORDINATION DES TACHES EN MODE PAS A PAS Toute action est extraite d'une tâche opérative, elle même extraite de la fonction globale "Palettiser", en conséquence la structure chaîne d'action- chaîne d'acquisition est présente à chaque niveau, comme indiqué sur la figure ci-après. TP 02
  • 5.
    Document : 04008T313 Ind. C 5 ASTRIANE . Ind F o n c tio n P A L E T T IS E R E n e r g i e P .C . E n e r g i e P .O . M a ti è r e d 'o e u v r e O p é ra te u r c h a in e d 'a c t io n I P .C . P .O . ordres E N X I T T T r N co m pte s-re n d u s E a T P i E C R S e t R m F Y e F P n A A S t O C C T E E c h a in e d 'a c q u is it io n M a ti è r e d 'o e u v r e a v e c v a l e u r a jo u t é e FO R M ER U N T â c h e o p é r a tiv e EN SEM B LE D E S A IS IR L E S D E U X C AR TO N S D EP O SER LES D EU X C AR TO N S D EU X C AR TO N S F a ir e a v a n c e r A c tio n le c a r to n s u r le c o n v o y e u r E n e r g ie P .C . E n e r g i e P .O . M a t iè r e d 'o e u v r e P .C . c h a in e d'a c tio n P .O . S o r tie A c ti o n n e u r (s ) a u to m a te P r é -a c ti o n n e u r T m o te u r C -C r o 0 ,3 KM 6 a i t e E ffe c te u r (s ) m e c o n vo y e u r n t E n tr é e C a p te u r (s ) : c e l lu l e In te r fa c e é ve n tu e ll e a u to m a te p h o to -é le c tr iq u e I 1 ,5 c h a i n e d 'a c q u i s i ti o n M a t iè r e d 'o e u v r e a v e c v a l e u r a jo u t é e Vous allez exécuter un cycle complet (formation d'une palette de deux rangées). üPour cela, il faut appuyer sur le bouton poussoir "validation cycle". La machine attend la présence d'un carton sur le convoyeur d'entrée. üDéposer un carton sur le tapis d'entrée de façon à ce que l'information présence carton soit prise en compte. Le cycle de palettisation commence. POUR chaque tâche opérative, FAIRE : TP 02
  • 6.
    Document : 04008T313 Ind. C 6 ASTRIANE . Ind 1. Compléter le grafcet correspondant à celle-ci (voir pages suivantes), en notant les actions associées aux étapes, ainsi que les informations associées aux transitions. Chacune de ces actions met en oeuvre sur la partie opérative : − un effecteur, − un actionneur. Les informations recueillies sont fournies par un ou plusieurs capteurs. 2. Identifier et noter, sur la droite du grafcet, en vis à vis de chaque étape et réceptivité (voir exemple de présentation ci-après) les moyens technologiques associés à cette action en s'aidant des documents suivants: - liste des entrées-sorties automate - synoptique du Paletticc (page 36 de la notice constructeur) - schéma de câblage (folio 03 page 42 de la notice constructeur) Dès que l'action est terminée, le message "pas suivant" apparaît au pupitre. ü 3. Passer à l'action suivante en appuyant sur le bouton du pupitre "validation cycle". REPETER les parties 1, 2 et 3 JUSQU'A la fin du cycle signalée sur l'afficheur par le message "Palette pleine". Exemple de présentation : voir action associée à l'étape 1 Faire avancer le carton Sortie automate Préactionneur Actionneur 1 sur le convoyeur O0,3 contacteur KM6 Moteur cc Effecteur convoyeur Entrée automate Capteur carton en butée cellule sur convoyeur I1,5 photo-électrique TP 02
  • 7.
    Document : 04008T313 Ind. C 7 ASTRIANE . Ind c o n d itio n s d e m a r c h e e n m ode pas à pas E T p r é se n c e c a r to n S o r tie a u to m a te P r é a c tio n n e u r A c tio n n e u r 1 E ffe c te u r E n tr é e a u to m a te C a p te u r S o r tie a u to m a te P r é a c tio n n e u r A c tio n n e u r 2 E ffe c te u r E n tr é e a u to m a te C a p te u r S o r tie a u to m a te P r é a c tio n n e u r A c tio n n e u r 3 E ffe c te u r E n tr é e a u to m a te C a p te u r S o r tie a u to m a te P r é a c tio n n e u r A c tio n n e u r 4 E ffe c te u r E n tr é e a u to m a te C a p te u r e n s e m b le d e d e u x c a r to n s fo r m é TP 02
  • 8.
    Document : 04008T313 Ind. C 8 ASTRIANE . Ind e n s e m b le d e d e u x ca rto n s fo r m é S o r tie a u to m a te P r é a c tio n n e u r A c tio n n e u r 5 E ffe c te u r E n tr é e a u to m a te C a p te u r S o r tie a u to m a te P r é a c tio n n e u r A c tio n n e u r 6 E ffe c te u r E n tr é e a u to m a te C a p te u r S o r tie a u to m a te P r é a c tio n n e u r A c tio n n e u r 7 E ffe c te u r E n tr é e a u to m a te C a p te u r d e u x c a r to n s s a is is TP 02
  • 9.
    Document : 04008T313 Ind. C 9 ASTRIANE . Ind d e u x c a r to n s s a is is S o r tie a u to m a te P r é a c tio n n e u r A c tio n n e u r 8 E ffe c te u r p réh en seu r p réh en seu r E n tr é e a u to m a te C a p te u r c o té p a le tte . c o té p a le tte . r a n g é e im p a ir e r a n g é e p a ir e S o r tie a u to m a te P r é a c tio n n e u r A c tio n n e u r 9 E ffe c te u r E n tr é e a u to m a te C a p te u r S o r tie a u to m a te P r é a c tio n n e u r A c tio n n e u r 10 E ffe c te u r E n tr ée a u to m a te C a p teu r S o r tie a u to m a te P r é a c tio n n e u r A c tio n n e u r 11 E ffe c te u r E n tr ée a u to m a te C a p teu r S o r tie a u to m a te P r é a c tio n n e u r A c tio n n e u r 12 E ffe c te u r E n tr ée a u to m a te C a p teu r S o r tie a u to m a te P r é a c tio n n e u r A c tio n n e u r 13 E ffe c te u r E n tr ée a u to m a te C a p teu r d e u x ca r to n s d é p o sé s TP 02
  • 10.
    Document : 04008T313 Ind. C 10 ASTRIANE . Ind 3.Identifier les flux Un système automatisé a pour objectif d'apporter une valeur ajoutée à une matière d'oeuvre. La transformation ainsi réalisée nécessite un apport d'énergie extérieur. Pour chaque tâche opérative, indiquer: - la matière d'oeuvre entrante et sortante, - les énergies mises en jeu permettant sa réalisation. E n e r g ie p n e u m a tiq u e E n e rg ie é le c triq u e m a t i è r e d 'o e u v r e m a t i è r e d 'o e u v r e m a t i è r e d 'o e u v r e m a t i è r e d 'o e u v r e P A L E T T IC C F l u x d e m a t i è r e d 'o e u v r e TP 02