Dossier de clôture
 Projet Padmée et Eole




           CLES-FACIL

      Année scolaire 2008/2009
SOMMAIRE

                                                  SOMMAIRE ..................................................................................................................... 1
                                                  LISTE DES MEMBRES 2008-2009 ............................................................................................. 3
                                                  INTRODUCTION : PRESENTATION DES OBJECTIFS DES PROJETS ......................................................... 4
                                                     I) RECAPITULATIF DE L’EXPERIENCE ACQUISE AU COURS DES ANNEES PRECEDENTES ....................... 4
                                                     II) DESCRIPTIF DES PROJETS DE L’ANNEE ............................................................................ 4
                                                  LE CANSAT YODA / EOLE .................................................................................................... 5
                                                     I) MISSIONS ET OBJECTIFS............................................................................................. 5
                                                     II) MECANIQUE ......................................................................................................... 5
                                                         ARCHITECTURE GLOBALE ............................................................................................. 5
                                                         IMPLANTATION DANS LA FUSEE....................................................................................... 6
                                                         MISE EN ŒUVRE ........................................................................................................ 6
                                                         SYSTEME DE DIRECTION ............................................................................................... 7
                                                     III)     ELECTRONIQUE DU CANSAT ................................................................................... 7
                                                         CAPTEUR GPS .......................................................................................................... 7
                                                         CAPTEUR D’EJECTION : ............................................................................................... 7
                                                         CAPTEUR DE TEMPERATURE : ........................................................................................ 7
                                                         SERVOMOTEUR : ....................................................................................................... 7
                                                         EMETTEUR/RECEPTEUR :............................................................................................. 8
                                                         CARTE PRINCIPALE : ................................................................................................... 8
                                                         SCHEMA D’INTEGRATION : ........................................................................................... 9
                                                     IV)      ELECTRONIQUE DE LA MALLETTE DE RECEPTION : ......................................................... 9
                                                         CARTE PRINCIPALE : ................................................................................................... 9
                                                         CARTE ALIMENTATION : .............................................................................................. 9
                                                         ORDINATEUR PORTABLE : ............................................................................................ 9
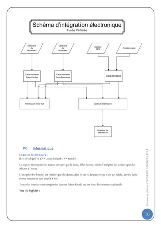
                                                     V) INFORMATIQUE ................................................................................................... 10
                                                         MICROCONTROLEUR DU CANSAT : ............................................................................... 10
                                                         LOGICIEL DE TELEMESURE : ......................................................................................... 10
                                                         ALGORITHME DE CONTROLE DE VOL ............................................................................. 11
                                                     VI)      RESULTATS ..................................................................................................... 11
                                                         LACHER DU BALLON (COMPETITION NATIONALE) : 100M .................................................... 11
Dossier de clôture | CLES-FACIL | PADMEE | EOLE




                                                         EJECTION DE LA FUSEE A 900M D’ALTITUDE ..................................................................... 12
                                                  FUSEX PADMEE ........................................................................................................... 13
                                                     I) MISSION ET OBJECTIFS ............................................................................................ 13
                                                     II) MECANIQUE ....................................................................................................... 13
                                                     III)     ELECTRONIQUE ................................................................................................ 13
                                                         CARTE MINUTERIE: .................................................................................................. 13
                                                         CARTE TELEMESURE : ................................................................................................ 13
                                                         CARTE DE MESURE ET D’EXPERIENCE : ............................................................................ 14
                                                         SCHEMA D’INTEGRATION : ......................................................................................... 15
                                                     IV)      INFORMATIQUE ................................................................................................ 16
                                                         LOGICIEL TELEMESURE :............................................................................................. 16
                                                     V) RESULTATS DE LA TELEMESURE ................................................................................. 17
                                                         COURBE DE LA VITESSE : ............................................................................................ 17
                                                         COURBE DE L’ALTITUDE :........................................................................................... 18


                1
COURBE DE L’ACCELERATION : .................................................................................... 18
    TRAJECTOIRE DE LA FUSEE : ........................................................................................ 19
 VI)    CONCLUSION .................................................................................................. 19
CONCLUSION ............................................................................................................. 20
 I) RESULTATS GENERAUX ........................................................................................... 20
 II) A AMELIORER ...................................................................................................... 20




                                                                                                                              Dossier de clôture | CLES-FACIL |PADMEE | EOLE




                                                                                                                              2
2008-
                                                                            LISTE DES MEMBRES 2008-2009

                                                  Ils ont participés à la réalisation des projets réalisés au CLES-FACIL pendant l’année 2008-2009 :

                                                          Mécanique
                                                                  Sylvain Tanguy
                                                                  Rafik Meziani
                                                                  Guillaume Carles
                                                                  Julie Dermu
                                                                  Damien Lieber
                                                                  Karim Mrad
                                                                  Nicolas Praly

                                                          Electronique
                                                                  Florent Bouchoux
                                                                  Benjamin Anderson
                                                                  Raphaël Antoine
                                                                  Sébastien Bonnart
                                                                  Mathieu Riedinger
                                                                  Mohamed Serraye
                                                                  Pietro Sternativo

                                                          Informatique
                                                                  Bertrand Mandrin
                                                                  Gabe Arnold
                                                                  Ludovic Bertrand
                                                                  Jérémy Carnus
                                                                  André Machado de Oliveira
                                                                  Damien Malric
                                                                  Mohamed Mokhtari
                                                                  Mathieu Napoli
Dossier de clôture | CLES-FACIL | PADMEE | EOLE




                                                                  Philippe Roudot




                                                  Bureau du CLES-FACIL lors de l’exercice 2008-2009 :

                                                                  •   Sylvain Tanguy, Président
                                                                  •   Florent Bouchoux, Trésorier
                                                                  •   Mathieu Riedenger, Secrétaire




                3
INTRODUCTION : PRESENTATION DES OBJECTIFS DES PROJETS
                                         OBJECTIFS


   I)        Récapitulatif de l’expérience acquise au cours des années
             précédentes


        Depuis 42 ans, le Cles Facil s’acharne à construire des fusées chaque année plus innovantes. C’est
pourquoi, en plus de la traditionnelle fusée expérimentale, notre équipe réalise depuis trois ans un CanSat. Née
en 2006, l’idée d’intégrer ce module éjecté à l’apogée de la trajectoire de vol de la fusée a persistée jusque cette
année. Ce module embarqué a toutefois nettement évolué ainsi que le lanceur et son système d’éjection.

         L’idée première de l’année 2009-2010 a été de participer à la compétition Internationale de CanSat
organisée par le LEEM, prévue courant avril 2009 aux alentours de Madrid. Ainsi, l’organisation de l’année a été
modifiée par rapport aux années précédentes. Nous nous sommes tout d’abord concentrés sur la réalisation du
Cansat puis sur celle de la fusée. Afin de participer à la compétition internationale, notre Cansat devait entrer
dans la catégorie « International Class », c’est-à-dire respecter des contraintes de dimensions et de masse (voir
section expérience embarquée), une première pour le club.

          Le défi était lancé ! Terminer à temps le Cansat pour le lancement à Madrid tout en lançant la conception
de la fusée lanceur de Cansat.

   II)       Descriptif des projets de l’année


Très ambitieuse, l’équipe s’est fixé plusieurs objectifs :

    -    Préparer un Cansat entrant dans la Classe Internationale, respectant la mission « Come Back » pour la
         Compétition Internationale Cansat à Madrid en avril 2009
    -    Concevoir un lanceur de Cansat en parallèle intégrant des instruments de mesure du comportement de la
         fusée lors de l’éjection du module afin de participer à la traditionnelle campagne de lancements de
         fusées expérimentales se déroulant fin août au CELM (Centre d’Essais de Lancement de
         Missiles) de Biscarosse (une première, les précédents lancements s’étant déroulés sur le camp
         militaire de La Courtine, dans le Massif Central).                                                            Dossier de clôture | CLES-FACIL |PADMEE | EOLE
    -    Reprendre les défauts éventuellement constatés sur le Cansat après son lancement en avril afin de
         participer cette fois à la Compétition Nationale Française de Cansat durant le C’Space
         (dénomination de la campagne de lancement à Biscarosse).



Forts d’une solide équipe constituée dès le début de l’année, cette année 2008/2009 se promettait intense et
pleine de nouvelles expériences.




                                                                                                                       4
LE CANSAT YODA / EOLE
                                                      I)         Missions et objectifs
                                                      Participer à la compétition Internationale Cansat en avril 2009 à Madrid était notre première préoccupation.
                                                  Lors de l’inscription, plusieurs choix de projets s’ouvraient à nous. Nous nous sommes alors préoccupés des
                                                  missions suivantes :

                                                       -     International Class : cette classe impose des limites de dimensions et de masse à notre Cansat
                                                             (contrairement à l’Open Class où les restrictions sont plus larges). Cette classe est imposée afin de
                                                             participer à la compétition internationale. Les contraintes à respecter sont les suivantes :
                                                                  o Dimensions de la structure : cylindre de diamètre 66mm pour 115mm de hauteur
                                                                  o Masse maximale : 350gr
                                                                  o Vitesse de descente : comprise entre 5 et 15 m/s

                                                       -     Mission choisie : plusieurs missions étaient proposées, sondage atmosphérique, relevés telluriques,…
                                                             et mission Come Back. C’est pour poursuivre dans la continuité des précédents projets du club que nous
                                                             nous sommes imposés cette mission Come Back. Il s’agit d’intégrer au module un système lui permettant
                                                             de se diriger dans les airs sans moyen de propulsion vers une cible au sol. L’équipe dont le Cansat atterrit
                                                             le plus près de la cible remporte le concours.

                                                       Jusque mi-février, nous nous sommes essentiellement concentrés sur la conception et la réalisation de ce
                                                  nouveau type de Cansat. Alors que quelques détails restaient à régler au niveau de l’algorithme de vol,
                                                  l’organisation de la compétition décide de reporter la compétition à l’année suivante (soit avril 2010) pour cause
                                                  de problèmes internes. Déçu de ne pouvoir tester notre prototype lors de cette compétition, nous n’avons pas
                                                  désespéré, puisque nous aurions toujours l’occasion de réaliser deux lancers : lors de la Compétition Nationale et
                                                  dans notre fusée.

                                                      II)        Mécanique
                                                  A r c h it ec t u r e gl ob a l e



                                                                                                                                GPS
Dossier de clôture | CLES-FACIL | PADMEE | EOLE




                                                                                                                                Carte de contrôle




                                                                                                                                Roue du
                                                                                                                             servomoteur

                                                                                                                                Accus



                                                                                                                                Radio




                5
Im p la nt at io n d an s l a f us é e




                                                                                                               Dossier de clôture | CLES-FACIL |PADMEE | EOLE




M is e e n œ u v re
    -    Lâcher d’un ballon monté à 150m lors de la compétition Nationale Cansat 2010 sur le site du CELM de
         Biscarosse.




                                                                                                               6
-     Ejection de la fusée Padmé du Cles Facil à 910m d’altitude à la campagne 2008-2009 au CELM de
                                                             Biscarosse.

                                                  S y s t èm e d e d i re c t i on
                                                                  o    Vitesse de descente prévue pour notre Cansat : 3,5 m/s

                                                  Un système de parachute éjectable a été mis en place. Une fois le module éjecté, le parachute s’ouvre, stabilise
                                                  l’ensemble et le ralenti, puis est éjecté. Se faisant, il ouvre les liens qui retiennent prisonnière la voile de
                                                  parapente qui peut alors s’ouvrir et prendre le contrôle du module.

                                                      III)      Electronique du Cansat


                                                  C a pt eu r G PS : Un GPS U-blox LEA-5H est installé dans le CanSat. Avec une vitesse de 4Hz, il permet au
                                                  CanSat de connaître sa position à tout moment, ce qui est essentielle pour le guidage vers la cible (Come-back
Dossier de clôture | CLES-FACIL | PADMEE | EOLE




                                                  mission). Le GPS est relié à la carte principal du CanSat par liaison série.

                                                  C a pt eu r d ’ éj ec t i o n : L’algorithme de vol du CanSat à besoin de savoir si la CanSat a été éjecté de la fusée ou
                                                  bien de la nacelle. Le système mis en place est basé sur la détection de l’intensité lumineuse. Ainsi comme capteur
                                                  de lumière, nous utilisons une photorésistance. Nous avons donc également défini un seuil de lumière, modélisant
                                                  l’éjection ou non.

                                                  C a pt eu r d e t e m pé r at u re : Le capteur de température est une thermistance. Après calibrage, nous
                                                  obtenons la température avec une précision de 0.3 degré. Il est à noter que les erreurs de mesure sont à la fois lié
                                                  au capteur lui-même mais aussi au convertisseur analogique-numérique intégré dans le microcontrôleur de la
                                                  carte principale.

                                                  S e r v om ot eu r : Il permet l’asservissement du parachute du CanSat. Il provoque ainsi des virages à droite ou à
                                                  gauche. Il s’agit d’un servomoteur analogique de type PWM.




                7
E m et t eu r/ R éc e pt e ur : Il s’agit d’un émetteur/récepteur Hactech LN96. La modulation est numérique
(FSK) et la puissance émise est de 300mW à la fréquence de 869,4Mhz. Il permet ainsi une liaison à la fois
montante et descendante entre le CanSat et la valise de réception au sol.

C a rt e P ri nc i p al e : elle se compose d’un microcontrôleur Atmega 324P et d’une mémoire. La fréquence du
quart est de 20Mhz. L’objectif du microcontrôleur est multiple : récupérer et interpréter les donnes GPS, capteur
d’éjection et température, gérer l’algorithme de vol et l’asservissement du servomoteur pour assurer le guidage,
gérer l’émission vers la station sol des données du CanSat ainsi que réceptionner les ordres provenant de la station
sol (mise à jour du seuil d’éjection, formatage mémoire, mise à jour des coordonnées de la cible à atteindre)

Schéma :




                                                                                                                       Dossier de clôture | CLES-FACIL |PADMEE | EOLE




                                                                                                                       8
S c h ém a d ’ i nt é gr at i o n :




                                                      IV)        Electronique de la mallette de réception :

                                                  Elle assure la télémesure du CanSat de manière complément autonome (aucun besoin d’alimentation secteur) :
Dossier de clôture | CLES-FACIL | PADMEE | EOLE




                                                  C a rt e p ri nc i p al e : il s’agit d’une carte permettant à la fois de pouvoir reprogrammer le microcontrôleur du
                                                  CanSat et de réceptionner la télémesure du CanSat. On peut également prendre le contrôle manuel à l’aide d’un
                                                  joystick du servomoteur installé sur la CanSat afin d’effectuer, pour des tests, des essais de direction en vol.

                                                  C a rt e a li m e nt at i on : elle gère l’alimentation de la carte principale, de l’ordinateur, de la batterie du CanSat
                                                  afin de la recharger, de la batterie de la mallette. Dans le cas ou la mallette est raccordée au secteur, elle se charge
                                                  de recharger les batteries si besoin est.

                                                  O r d in at e u r po rt ab l e : Cet ordinateur permet l’acquisition (avec le port série) des données émises par le
                                                  CanSat sur le logiciel développé au club.




                9
Schéma de l’ensemble :




    V)        Informatique

M i c r oc o nt r ô le u r d u C anS at :
Le programme est écrit en C, et compilé avec WinAVR permettant de créer le fichier HEX pour Atmega

La programme permet de :

     -    Gérer le status interne du CanSat via les différents capteurs et jumper : savoir si le CanSat a été éjecté, si   Dossier de clôture | CLES-FACIL |PADMEE | EOLE
          les commandes manuelles sont activés, d’activer ou désactiver la radio, de formater la carte mémoire
     -    D’enregistrer la température
     -    Avec les données du GPS, calculer la trajectoire de vol suivant un algorithme puis asservir le
          servomoteur

L og ic i e l d e t él ém es u re :
Il est développé en C++, sous Borland C++ builder :

Le logiciel réceptionne les trames envoyées par la CanSat, il les décode, vérifie l’intégrité des données puis les
affiches à l’écran !

L’intégrité des données est vérifiés par checksum, dans le cas ou la trame reçue n’est pas valide, alors le CanSat
renvoi la trame et ceci jusqu'à 4 fois.

Le logiciel permet également d’envoyer des ordres au CanSat, comme par exemple la position du moteur afin
d’effectuer des tests d’asservissements.


                                                                                                                           10
Toutes les données sont enregistrées dans un fichier Excel, qui est donc directement exploitable.

                                                  Vue du logiciel :




                                                  A l g or it hm e d e c ont r ôl e d e v ol
                                                  Méthode de l’aigle :

                                                  Les coordonnées GPS de la cible sont entrées dans le microcontrôleur avant le décollage ou le lâcher. Une fois le
                                                  module éjecté, à l’aide du GPS intégré, un cap est défini entre la position actuelle et la cible à atteindre au sol. Si
                                                  la cible est trop proche par rapport à la vitesse de descente (ce qui arrive dans la plupart des cas), on applique la
                                                  méthode de l’aigle. Un cercle fictif de rayon 50m et de centre la cible à atteindre est calculé. Le module est alors
                                                  dirigé afin de suivre la tangente à ce cercle. Une fois sur le cercle, le module le suit jusqu’à ce qu’il atteigne une
                                                  altitude suffisamment basse pour atteindre son point de chute. Il converge alors vers le centre du cercle.
Dossier de clôture | CLES-FACIL | PADMEE | EOLE




                                                     VI)       Résultats
                                                  L âc h e r d u b al lo n ( Com pé t it io n N at i o na le ) : 1 0 0 m
                                                       -    Parapente : le système de ralentissement et de stabilisation par parachute n’a pas été mis en œuvre ici,
                                                            car la vitesse initiale du module est nulle. De plus, il faut que la voile s’ouvre le plus rapidement possible
                                                            afin de prendre le contrôle immédiatement. L’ouverture se fait quasi-instantanément, le pliage ayant été
                                                            optimisé dans ce sens (voir vidéos du vol). La voile se gonfle correctement, mais est légèrement
                                                            surdimensionnée. De ce fait, le module a plus tendance à s’éloigner, et le module a du mal à revenir vers
                                                            la cible atterrissage à 53m du point prévu.
                                                       -    Des soucis de captage des satellites par le GPS ont occasionnés des coupures dans la transmission des
                                                            ordres, rendant un peu plus difficile le guidage.




11
E j ec t i on d e l a f us é e à 9 0 0 m d ’a lt it ud e
     -    Parapente : à cause de la trop grande vitesse de la fusée lors de l’éjection, le parachute n’a pas eu le
          temps de stabiliser le module avant de se détacher, entrainant une chute du module dans les mêmes
          conditions que Guy (2006-2007) vol en cercles sur le plan horizontal.
     -    L’algorithme de vol n’a pas pu être testé à cause de l’instabilité du module




                                                                                                                     Dossier de clôture | CLES-FACIL |PADMEE | EOLE




                                                                                                                     12
FUSEX PADMEE



                                                     I)        Mission et objectifs


                                                     II)       Mécanique


                                                     III)      Electronique
                                                  C a rt e m in ut e r i e : Il y a dans la fusée 2 cartes minuterie : une pour la porte parachute, l’autre pour la porte
                                                  d’éjection du CanSat. Chaque carte commande un électroaimant et des leds de visualisation d’état. Le contrôle est
                                                  assuré par microcontrôleur Atmega 88P. Chaque carte peut être reliée par liaison SPI (via optocoupleur) à la carte
                                                  de télémesure afin de transmettre au sol l’état de minuterie : attente, déclenchement ou ouverture. A chaque
                                                  instant, le temps écoulé depuis le déclenchement de la minuterie est sauvegardé dans la mémoire interne du
                                                  microcontrôleur : ainsi en cas de reset de microcontrôleur, l’ouverture des portes n’est pas mise en défaut.

                                                  Schéma :
Dossier de clôture | CLES-FACIL | PADMEE | EOLE




                                                  C a rt e t él ém es u r e : elle est relié par bus SPI à carte minuterie et à la carte expérience. Elle permet ainsi de
                                                  centraliser toutes les données mesurées par ces 3 cartes. Puis elle créer la trame de transmission et l’émet via le
                                                  module de transmission numérique Hactech LN96 (300mW de puissance en FSK sur la fréquence 869.65Mhz)



13
Schéma :




C a rt e d e m es ur e et d ’ ex p é r ie nc e : elle se compose également d’un microcontrôleur Atmega88P. Elle
comporte un accéléromètre de marque Sparkfun 3 axes +- 6g et est également relié à un GPS U-blox LEA-5H.
Cette carte communique par bus SPI avec la carte télémesure, transmettant ainsi les données GPS et la valeurs de
l’accélération sur 3 axes. Elle permet ainsi de déterminer le facteur de charge au décollage et connaitre à tous
instants la position de la fusée, notamment pour la récupération.

Schéma :
                                                                                                                   Dossier de clôture | CLES-FACIL |PADMEE | EOLE




                                                                                                                   14
Dossier de clôture | CLES-FACIL | PADMEE | EOLE




15
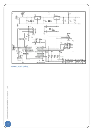
                                                       S c h ém a d ’ i nt é gr at i o n :
IV)       Informatique                                                                                           Dossier de clôture | CLES-FACIL |PADMEE | EOLE

L og ic i e l t él ém es u r e :
Il est développé en C++, sous Borland C++ Builder :

Le logiciel réceptionne les trames envoyées par la fusée, il les décode, vérifie l’intégrité des données puis les
affiches à l’écran !

L’intégrité des données est vérifiées par checksum, dans le cas ou la trame reçue n’est pas valide, alors la fusée
renvoi la trame et ceci jusqu'à 4 fois.

Toutes les données sont enregistrées dans un fichier Excel, qui est donc directement exploitable.

Vue du logiciel :




                                                                                                                     16
V)        Résultats de la télémesure


                                                  C o u rb e d e la v it es s e :
Dossier de clôture | CLES-FACIL | PADMEE | EOLE




17
C o u rb e d e l’a lt it ud e :




C o u rb e d e l’ac c é l ér at i on :




                                         Dossier de clôture | CLES-FACIL |PADMEE | EOLE




                                         18
T r a je c t o i re d e l a f us ée :




                                                      VI)        Exploitation et Conclusion
Dossier de clôture | CLES-FACIL | PADMEE | EOLE




19
CONCLUSION


I)    Résultats généraux




II)   A améliorer




                                        Dossier de clôture | CLES-FACIL |PADMEE | EOLE




                                        20

Dossier de clôture : Fusex Padmée 2010

  • 1.
    Dossier de clôture Projet Padmée et Eole CLES-FACIL Année scolaire 2008/2009
  • 2.
    SOMMAIRE SOMMAIRE ..................................................................................................................... 1 LISTE DES MEMBRES 2008-2009 ............................................................................................. 3 INTRODUCTION : PRESENTATION DES OBJECTIFS DES PROJETS ......................................................... 4 I) RECAPITULATIF DE L’EXPERIENCE ACQUISE AU COURS DES ANNEES PRECEDENTES ....................... 4 II) DESCRIPTIF DES PROJETS DE L’ANNEE ............................................................................ 4 LE CANSAT YODA / EOLE .................................................................................................... 5 I) MISSIONS ET OBJECTIFS............................................................................................. 5 II) MECANIQUE ......................................................................................................... 5 ARCHITECTURE GLOBALE ............................................................................................. 5 IMPLANTATION DANS LA FUSEE....................................................................................... 6 MISE EN ŒUVRE ........................................................................................................ 6 SYSTEME DE DIRECTION ............................................................................................... 7 III) ELECTRONIQUE DU CANSAT ................................................................................... 7 CAPTEUR GPS .......................................................................................................... 7 CAPTEUR D’EJECTION : ............................................................................................... 7 CAPTEUR DE TEMPERATURE : ........................................................................................ 7 SERVOMOTEUR : ....................................................................................................... 7 EMETTEUR/RECEPTEUR :............................................................................................. 8 CARTE PRINCIPALE : ................................................................................................... 8 SCHEMA D’INTEGRATION : ........................................................................................... 9 IV) ELECTRONIQUE DE LA MALLETTE DE RECEPTION : ......................................................... 9 CARTE PRINCIPALE : ................................................................................................... 9 CARTE ALIMENTATION : .............................................................................................. 9 ORDINATEUR PORTABLE : ............................................................................................ 9 V) INFORMATIQUE ................................................................................................... 10 MICROCONTROLEUR DU CANSAT : ............................................................................... 10 LOGICIEL DE TELEMESURE : ......................................................................................... 10 ALGORITHME DE CONTROLE DE VOL ............................................................................. 11 VI) RESULTATS ..................................................................................................... 11 LACHER DU BALLON (COMPETITION NATIONALE) : 100M .................................................... 11 Dossier de clôture | CLES-FACIL | PADMEE | EOLE EJECTION DE LA FUSEE A 900M D’ALTITUDE ..................................................................... 12 FUSEX PADMEE ........................................................................................................... 13 I) MISSION ET OBJECTIFS ............................................................................................ 13 II) MECANIQUE ....................................................................................................... 13 III) ELECTRONIQUE ................................................................................................ 13 CARTE MINUTERIE: .................................................................................................. 13 CARTE TELEMESURE : ................................................................................................ 13 CARTE DE MESURE ET D’EXPERIENCE : ............................................................................ 14 SCHEMA D’INTEGRATION : ......................................................................................... 15 IV) INFORMATIQUE ................................................................................................ 16 LOGICIEL TELEMESURE :............................................................................................. 16 V) RESULTATS DE LA TELEMESURE ................................................................................. 17 COURBE DE LA VITESSE : ............................................................................................ 17 COURBE DE L’ALTITUDE :........................................................................................... 18 1
  • 3.
    COURBE DE L’ACCELERATION: .................................................................................... 18 TRAJECTOIRE DE LA FUSEE : ........................................................................................ 19 VI) CONCLUSION .................................................................................................. 19 CONCLUSION ............................................................................................................. 20 I) RESULTATS GENERAUX ........................................................................................... 20 II) A AMELIORER ...................................................................................................... 20 Dossier de clôture | CLES-FACIL |PADMEE | EOLE 2
  • 4.
    2008- LISTE DES MEMBRES 2008-2009 Ils ont participés à la réalisation des projets réalisés au CLES-FACIL pendant l’année 2008-2009 : Mécanique Sylvain Tanguy Rafik Meziani Guillaume Carles Julie Dermu Damien Lieber Karim Mrad Nicolas Praly Electronique Florent Bouchoux Benjamin Anderson Raphaël Antoine Sébastien Bonnart Mathieu Riedinger Mohamed Serraye Pietro Sternativo Informatique Bertrand Mandrin Gabe Arnold Ludovic Bertrand Jérémy Carnus André Machado de Oliveira Damien Malric Mohamed Mokhtari Mathieu Napoli Dossier de clôture | CLES-FACIL | PADMEE | EOLE Philippe Roudot Bureau du CLES-FACIL lors de l’exercice 2008-2009 : • Sylvain Tanguy, Président • Florent Bouchoux, Trésorier • Mathieu Riedenger, Secrétaire 3
  • 5.
    INTRODUCTION : PRESENTATIONDES OBJECTIFS DES PROJETS OBJECTIFS I) Récapitulatif de l’expérience acquise au cours des années précédentes Depuis 42 ans, le Cles Facil s’acharne à construire des fusées chaque année plus innovantes. C’est pourquoi, en plus de la traditionnelle fusée expérimentale, notre équipe réalise depuis trois ans un CanSat. Née en 2006, l’idée d’intégrer ce module éjecté à l’apogée de la trajectoire de vol de la fusée a persistée jusque cette année. Ce module embarqué a toutefois nettement évolué ainsi que le lanceur et son système d’éjection. L’idée première de l’année 2009-2010 a été de participer à la compétition Internationale de CanSat organisée par le LEEM, prévue courant avril 2009 aux alentours de Madrid. Ainsi, l’organisation de l’année a été modifiée par rapport aux années précédentes. Nous nous sommes tout d’abord concentrés sur la réalisation du Cansat puis sur celle de la fusée. Afin de participer à la compétition internationale, notre Cansat devait entrer dans la catégorie « International Class », c’est-à-dire respecter des contraintes de dimensions et de masse (voir section expérience embarquée), une première pour le club. Le défi était lancé ! Terminer à temps le Cansat pour le lancement à Madrid tout en lançant la conception de la fusée lanceur de Cansat. II) Descriptif des projets de l’année Très ambitieuse, l’équipe s’est fixé plusieurs objectifs : - Préparer un Cansat entrant dans la Classe Internationale, respectant la mission « Come Back » pour la Compétition Internationale Cansat à Madrid en avril 2009 - Concevoir un lanceur de Cansat en parallèle intégrant des instruments de mesure du comportement de la fusée lors de l’éjection du module afin de participer à la traditionnelle campagne de lancements de fusées expérimentales se déroulant fin août au CELM (Centre d’Essais de Lancement de Missiles) de Biscarosse (une première, les précédents lancements s’étant déroulés sur le camp militaire de La Courtine, dans le Massif Central). Dossier de clôture | CLES-FACIL |PADMEE | EOLE - Reprendre les défauts éventuellement constatés sur le Cansat après son lancement en avril afin de participer cette fois à la Compétition Nationale Française de Cansat durant le C’Space (dénomination de la campagne de lancement à Biscarosse). Forts d’une solide équipe constituée dès le début de l’année, cette année 2008/2009 se promettait intense et pleine de nouvelles expériences. 4
  • 6.
    LE CANSAT YODA/ EOLE I) Missions et objectifs Participer à la compétition Internationale Cansat en avril 2009 à Madrid était notre première préoccupation. Lors de l’inscription, plusieurs choix de projets s’ouvraient à nous. Nous nous sommes alors préoccupés des missions suivantes : - International Class : cette classe impose des limites de dimensions et de masse à notre Cansat (contrairement à l’Open Class où les restrictions sont plus larges). Cette classe est imposée afin de participer à la compétition internationale. Les contraintes à respecter sont les suivantes : o Dimensions de la structure : cylindre de diamètre 66mm pour 115mm de hauteur o Masse maximale : 350gr o Vitesse de descente : comprise entre 5 et 15 m/s - Mission choisie : plusieurs missions étaient proposées, sondage atmosphérique, relevés telluriques,… et mission Come Back. C’est pour poursuivre dans la continuité des précédents projets du club que nous nous sommes imposés cette mission Come Back. Il s’agit d’intégrer au module un système lui permettant de se diriger dans les airs sans moyen de propulsion vers une cible au sol. L’équipe dont le Cansat atterrit le plus près de la cible remporte le concours. Jusque mi-février, nous nous sommes essentiellement concentrés sur la conception et la réalisation de ce nouveau type de Cansat. Alors que quelques détails restaient à régler au niveau de l’algorithme de vol, l’organisation de la compétition décide de reporter la compétition à l’année suivante (soit avril 2010) pour cause de problèmes internes. Déçu de ne pouvoir tester notre prototype lors de cette compétition, nous n’avons pas désespéré, puisque nous aurions toujours l’occasion de réaliser deux lancers : lors de la Compétition Nationale et dans notre fusée. II) Mécanique A r c h it ec t u r e gl ob a l e GPS Dossier de clôture | CLES-FACIL | PADMEE | EOLE Carte de contrôle Roue du servomoteur Accus Radio 5
  • 7.
    Im p lant at io n d an s l a f us é e Dossier de clôture | CLES-FACIL |PADMEE | EOLE M is e e n œ u v re - Lâcher d’un ballon monté à 150m lors de la compétition Nationale Cansat 2010 sur le site du CELM de Biscarosse. 6
  • 8.
    - Ejection de la fusée Padmé du Cles Facil à 910m d’altitude à la campagne 2008-2009 au CELM de Biscarosse. S y s t èm e d e d i re c t i on o Vitesse de descente prévue pour notre Cansat : 3,5 m/s Un système de parachute éjectable a été mis en place. Une fois le module éjecté, le parachute s’ouvre, stabilise l’ensemble et le ralenti, puis est éjecté. Se faisant, il ouvre les liens qui retiennent prisonnière la voile de parapente qui peut alors s’ouvrir et prendre le contrôle du module. III) Electronique du Cansat C a pt eu r G PS : Un GPS U-blox LEA-5H est installé dans le CanSat. Avec une vitesse de 4Hz, il permet au CanSat de connaître sa position à tout moment, ce qui est essentielle pour le guidage vers la cible (Come-back Dossier de clôture | CLES-FACIL | PADMEE | EOLE mission). Le GPS est relié à la carte principal du CanSat par liaison série. C a pt eu r d ’ éj ec t i o n : L’algorithme de vol du CanSat à besoin de savoir si la CanSat a été éjecté de la fusée ou bien de la nacelle. Le système mis en place est basé sur la détection de l’intensité lumineuse. Ainsi comme capteur de lumière, nous utilisons une photorésistance. Nous avons donc également défini un seuil de lumière, modélisant l’éjection ou non. C a pt eu r d e t e m pé r at u re : Le capteur de température est une thermistance. Après calibrage, nous obtenons la température avec une précision de 0.3 degré. Il est à noter que les erreurs de mesure sont à la fois lié au capteur lui-même mais aussi au convertisseur analogique-numérique intégré dans le microcontrôleur de la carte principale. S e r v om ot eu r : Il permet l’asservissement du parachute du CanSat. Il provoque ainsi des virages à droite ou à gauche. Il s’agit d’un servomoteur analogique de type PWM. 7
  • 9.
    E m ett eu r/ R éc e pt e ur : Il s’agit d’un émetteur/récepteur Hactech LN96. La modulation est numérique (FSK) et la puissance émise est de 300mW à la fréquence de 869,4Mhz. Il permet ainsi une liaison à la fois montante et descendante entre le CanSat et la valise de réception au sol. C a rt e P ri nc i p al e : elle se compose d’un microcontrôleur Atmega 324P et d’une mémoire. La fréquence du quart est de 20Mhz. L’objectif du microcontrôleur est multiple : récupérer et interpréter les donnes GPS, capteur d’éjection et température, gérer l’algorithme de vol et l’asservissement du servomoteur pour assurer le guidage, gérer l’émission vers la station sol des données du CanSat ainsi que réceptionner les ordres provenant de la station sol (mise à jour du seuil d’éjection, formatage mémoire, mise à jour des coordonnées de la cible à atteindre) Schéma : Dossier de clôture | CLES-FACIL |PADMEE | EOLE 8
  • 10.
    S c hém a d ’ i nt é gr at i o n : IV) Electronique de la mallette de réception : Elle assure la télémesure du CanSat de manière complément autonome (aucun besoin d’alimentation secteur) : Dossier de clôture | CLES-FACIL | PADMEE | EOLE C a rt e p ri nc i p al e : il s’agit d’une carte permettant à la fois de pouvoir reprogrammer le microcontrôleur du CanSat et de réceptionner la télémesure du CanSat. On peut également prendre le contrôle manuel à l’aide d’un joystick du servomoteur installé sur la CanSat afin d’effectuer, pour des tests, des essais de direction en vol. C a rt e a li m e nt at i on : elle gère l’alimentation de la carte principale, de l’ordinateur, de la batterie du CanSat afin de la recharger, de la batterie de la mallette. Dans le cas ou la mallette est raccordée au secteur, elle se charge de recharger les batteries si besoin est. O r d in at e u r po rt ab l e : Cet ordinateur permet l’acquisition (avec le port série) des données émises par le CanSat sur le logiciel développé au club. 9
  • 11.
    Schéma de l’ensemble: V) Informatique M i c r oc o nt r ô le u r d u C anS at : Le programme est écrit en C, et compilé avec WinAVR permettant de créer le fichier HEX pour Atmega La programme permet de : - Gérer le status interne du CanSat via les différents capteurs et jumper : savoir si le CanSat a été éjecté, si Dossier de clôture | CLES-FACIL |PADMEE | EOLE les commandes manuelles sont activés, d’activer ou désactiver la radio, de formater la carte mémoire - D’enregistrer la température - Avec les données du GPS, calculer la trajectoire de vol suivant un algorithme puis asservir le servomoteur L og ic i e l d e t él ém es u re : Il est développé en C++, sous Borland C++ builder : Le logiciel réceptionne les trames envoyées par la CanSat, il les décode, vérifie l’intégrité des données puis les affiches à l’écran ! L’intégrité des données est vérifiés par checksum, dans le cas ou la trame reçue n’est pas valide, alors le CanSat renvoi la trame et ceci jusqu'à 4 fois. Le logiciel permet également d’envoyer des ordres au CanSat, comme par exemple la position du moteur afin d’effectuer des tests d’asservissements. 10
  • 12.
    Toutes les donnéessont enregistrées dans un fichier Excel, qui est donc directement exploitable. Vue du logiciel : A l g or it hm e d e c ont r ôl e d e v ol Méthode de l’aigle : Les coordonnées GPS de la cible sont entrées dans le microcontrôleur avant le décollage ou le lâcher. Une fois le module éjecté, à l’aide du GPS intégré, un cap est défini entre la position actuelle et la cible à atteindre au sol. Si la cible est trop proche par rapport à la vitesse de descente (ce qui arrive dans la plupart des cas), on applique la méthode de l’aigle. Un cercle fictif de rayon 50m et de centre la cible à atteindre est calculé. Le module est alors dirigé afin de suivre la tangente à ce cercle. Une fois sur le cercle, le module le suit jusqu’à ce qu’il atteigne une altitude suffisamment basse pour atteindre son point de chute. Il converge alors vers le centre du cercle. Dossier de clôture | CLES-FACIL | PADMEE | EOLE VI) Résultats L âc h e r d u b al lo n ( Com pé t it io n N at i o na le ) : 1 0 0 m - Parapente : le système de ralentissement et de stabilisation par parachute n’a pas été mis en œuvre ici, car la vitesse initiale du module est nulle. De plus, il faut que la voile s’ouvre le plus rapidement possible afin de prendre le contrôle immédiatement. L’ouverture se fait quasi-instantanément, le pliage ayant été optimisé dans ce sens (voir vidéos du vol). La voile se gonfle correctement, mais est légèrement surdimensionnée. De ce fait, le module a plus tendance à s’éloigner, et le module a du mal à revenir vers la cible atterrissage à 53m du point prévu. - Des soucis de captage des satellites par le GPS ont occasionnés des coupures dans la transmission des ordres, rendant un peu plus difficile le guidage. 11
  • 13.
    E j ect i on d e l a f us é e à 9 0 0 m d ’a lt it ud e - Parapente : à cause de la trop grande vitesse de la fusée lors de l’éjection, le parachute n’a pas eu le temps de stabiliser le module avant de se détacher, entrainant une chute du module dans les mêmes conditions que Guy (2006-2007) vol en cercles sur le plan horizontal. - L’algorithme de vol n’a pas pu être testé à cause de l’instabilité du module Dossier de clôture | CLES-FACIL |PADMEE | EOLE 12
  • 14.
    FUSEX PADMEE I) Mission et objectifs II) Mécanique III) Electronique C a rt e m in ut e r i e : Il y a dans la fusée 2 cartes minuterie : une pour la porte parachute, l’autre pour la porte d’éjection du CanSat. Chaque carte commande un électroaimant et des leds de visualisation d’état. Le contrôle est assuré par microcontrôleur Atmega 88P. Chaque carte peut être reliée par liaison SPI (via optocoupleur) à la carte de télémesure afin de transmettre au sol l’état de minuterie : attente, déclenchement ou ouverture. A chaque instant, le temps écoulé depuis le déclenchement de la minuterie est sauvegardé dans la mémoire interne du microcontrôleur : ainsi en cas de reset de microcontrôleur, l’ouverture des portes n’est pas mise en défaut. Schéma : Dossier de clôture | CLES-FACIL | PADMEE | EOLE C a rt e t él ém es u r e : elle est relié par bus SPI à carte minuterie et à la carte expérience. Elle permet ainsi de centraliser toutes les données mesurées par ces 3 cartes. Puis elle créer la trame de transmission et l’émet via le module de transmission numérique Hactech LN96 (300mW de puissance en FSK sur la fréquence 869.65Mhz) 13
  • 15.
    Schéma : C art e d e m es ur e et d ’ ex p é r ie nc e : elle se compose également d’un microcontrôleur Atmega88P. Elle comporte un accéléromètre de marque Sparkfun 3 axes +- 6g et est également relié à un GPS U-blox LEA-5H. Cette carte communique par bus SPI avec la carte télémesure, transmettant ainsi les données GPS et la valeurs de l’accélération sur 3 axes. Elle permet ainsi de déterminer le facteur de charge au décollage et connaitre à tous instants la position de la fusée, notamment pour la récupération. Schéma : Dossier de clôture | CLES-FACIL |PADMEE | EOLE 14
  • 16.
    Dossier de clôture| CLES-FACIL | PADMEE | EOLE 15 S c h ém a d ’ i nt é gr at i o n :
  • 17.
    IV) Informatique Dossier de clôture | CLES-FACIL |PADMEE | EOLE L og ic i e l t él ém es u r e : Il est développé en C++, sous Borland C++ Builder : Le logiciel réceptionne les trames envoyées par la fusée, il les décode, vérifie l’intégrité des données puis les affiches à l’écran ! L’intégrité des données est vérifiées par checksum, dans le cas ou la trame reçue n’est pas valide, alors la fusée renvoi la trame et ceci jusqu'à 4 fois. Toutes les données sont enregistrées dans un fichier Excel, qui est donc directement exploitable. Vue du logiciel : 16
  • 18.
    V) Résultats de la télémesure C o u rb e d e la v it es s e : Dossier de clôture | CLES-FACIL | PADMEE | EOLE 17
  • 19.
    C o urb e d e l’a lt it ud e : C o u rb e d e l’ac c é l ér at i on : Dossier de clôture | CLES-FACIL |PADMEE | EOLE 18
  • 20.
    T r aje c t o i re d e l a f us ée : VI) Exploitation et Conclusion Dossier de clôture | CLES-FACIL | PADMEE | EOLE 19
  • 21.
    CONCLUSION I) Résultats généraux II) A améliorer Dossier de clôture | CLES-FACIL |PADMEE | EOLE 20