ALIMENTATIONS
REDRESSEMENT COMMUTABLE
DOUBLEUR DE TENSION CONTINUE
« FITNESS CENTER» POUR ACCU AU PLOMB
ALIMENTATION ÉCONOMIQUE À RÉGULATION THYRISTORISÉE
CHARGEUR POUR ACCU DE MODÈLE RÉDUIT
COMMUTATEUR ÉLECTRONIQUE
FUSIBLE ÉLECTRONIQUE
CHARGEUR D'ACCUS CdNi
RÉGULATEUR DE TENSION DISCRET LOW DROP
ALIMENTATION RÉGLABLE
MICRO-CHARGEUR D'ACCUS CadNi
CONVERTISSEUR ÉLÉVATEUR DE TENSION
INTERRUPTEUR ÉLECTRONIQUE POUR AUTO
SOURCE DE TENSION AUXILIAIRE NEGATIVE
SOURCE DE TENSION PROGRAMMABLE
LIMITATION DE COURANT TEMPORISÉE
RÉGULATEUR DE TENSION DISCRET
ALIMENTATION À COUPURE AUTOMATIQUE
ALIMENTATION 50 V POUR TEST DE COMPOSANTS
CONVERTISSEUR +5 > – 15 V DISCRET
PROTECTION DES H.P. PAR DÉTECTION ACTICE DE LA COMPOSANTE CONTINUE
DÉTECTEUR DE COUPURE DE COURANT
GARDE-78XX
INDICATEUR DE TENSION MINI/MAXI
CHARGEUR CdNi DE LUXE
ALIMENTATION 5V ROBUSTE
ALIMENTATION RÉGLABLE LINÉAIRE
ALIMENTATIONS À PARTIR DE 0 V
ALIMENTATION 3V POUR BALADEUR
AUDIO, VIDEO & MUSIQUE
CIRCUIT DE PROTECTION POUR HP
TESTEUR AUDIO
AMPLI VIDÉO
FILTRE POUR CAISSON DE GRAVES
COMMUTATEUR DE PRISES PÉRITEL
FUZZ POUR GUITARE
HC-VCO
ANALOGIQUE & NUMÉRIQUE
PROCESSEUR DE TRAITEMENT DE SIGNAL MICRO
PETIT AMPLI EN CLASSE B VÉRITABLE
MÉLANGEUR À DYNAMIQUE ÉLEVÉE
UN DRÔLE... D'AMPLIFICATEUR
PROTECTEUR DE HAUT-PARLEUR D'AIGUS
REGLAGE AUTOMATIQUE DE VOLUME
RÉGLAGE DE VOLUME: UNE ALTERNATIVE
PRÉAMPLIFICATEUR POUR CELLULE MAGNÉTO-DYNAMIQUE
AIGUILLAGE ÉLECTRONIQUE POUR MAGNÉTOPHONES
RÉGLAGE DE VOLUME PSEUDO-NUMÉRIQUE
ÉLIMINATEUR DE PARASITES UNIVERSEL
AMPLIFICATEUR AUDIO 150 W
ATTÉNUATEUR À COMMANDE NUMÉRIQUE
COMMUTATEUR STÉRÉO À4 CANEAUX
VU-MÈTRE GRAPHIQUE STÉRÉOPHONIQUE
ANTI-SATURATION
FILTRE DE BANDE AJUSTABLE
ANTI-RIAA
FILTRE DE RONFLEMENT
AMPLIFICATEUR RIAA
ÉTAGE DE SORTIE À FETMOS
DIVERS
ALARME AUTOMOBILE PAR VARIATION D'ASSIETTE
BC BC 547 « HAUTE-TENSION »
SIGNALISATION DE L'OUBLI DES FEUX D'ÉCLAIRAGE
CLIGNOTEUR A LM317
SOURCE DE COURANT ALTERNATIF
ACUPONCTEUR
RELAIS À IMPULSION
DIODE ZENER FORTE-PUISSANCE
CIRCUIT DE COUPURE AUTOMATIQUE POUR CHARGEUR DE BATTERIES
AUTOMATISME DE MISE HORS-FONCTIONRGEUR DE BATTERIES
TEMPORISATEUR DE CHAUFFAGEDE BATTERIES
RÉFÉRENCE DE TENSION AVEC AFFICHAGE
RÉGULATEUR DE VITESSE
JAUGE ÉLECTRONIQUE
TENSION AUXILIAIRE NÉGATIVE
CIRCUIT ANTI-REBOND À 2 SORTIES
AMPLIFICATEUR D'ISOLEMENT BF
COMMUTATEUR DE TENSION D'ENTRÉE
MOUSTIQUE ÉLECTRONIQUE
LED CLIGNOTANTE ÉCONOMIQUE
INDICATEUR DE NIVEAU À LED
ÉTAGE DE PUISSANCE POUR AMPLI-OP
LED CLIGNOTANTE À P.C.
POTENTIOMÈTRE NUMÉRIQUE
TOUCHES À EFFLEUREMENT
CHENILLARD ULTRA-SIMPLE
DOMESTIQUE
DÉTECTEUR DE PIÈCES
INDICATEUR D' HUMIDITÉ
LIMITEUR POUR CHAUFFAGE CENTRAL
DÉTECTEUR DE CONDUITES MÉTALLIQUES
SÉSAME
DÉTECTEUR DE LlGNES ÉLECTRlQUES
SONNETTE DOUBLE
SERRURE CODÉE SOURNOISE
SUPER GRADATEUR
TÉLÉCOMMANDE PAR LE RÉSEAU 220 V
LED-TÉMOIN POUR AMPOULES AUTO
TEMPORISATEUR LONGUES DURÉES
TÉLÉCOMMANDE HF: L'ÉMETTEUR
TÉLÉCOMMANDE HF: LE RÉCEPTEUR
SIMULATEUR DE PRÉSENCE Á CYCLE ALÉATOIRE
INTERRUPTEUR PHOTOSENSIBLE
SERRURE CODÉE A 7 CHIFFRES
TESTEUR D' INTERRUPTEUR DIFFÉRENTIEL
INTERRUPTEUR SENSITIF
GRADATEUR A QUATRE QUADRANTS
SIGNALISATION DE PRISE DE LIGNE
ÉCLAIRAGE AUTOMATIQUE POUR CAGE D' ESCALIER
CONCIERGE ÉLECTRONIQUE
COMMUTATEUR ÉLECTRONIQUE
GRADATEUR POUR AMPOULES 12 V
ALARME DE DÉBORDEMENT POUR BAIGNOIRE
ALARME AUTO DISCRÈTE ²
EXPERIMENTATIONS
MULTIVIBRATEUR DE PUISSANCE
oscillateur LC basses-fréquences
GÉNÉRATEUR D'HORLOGE 48 MHz
générateur de signaux carrés HCMOS
OSCILLATEUR 48 MHz EN CMOS
GÉNÉRATEUR SINUSOÏDAL LC RÉGLABLE
OSCILLATEUR SINUSOÏDAL STABLE
GÉNÉRATEUR DE DENTS DE SCIE BF
CONVERTISSEUR POUR DENTS DE SCIE
GÉNÉRATEUR DE DENTS DE SCIE DÉCLENCHABLE
GÉNÉRATEUR DE SINUS
OSCILLATEUR 100 MHz À QUARTZ
GÉNÉRATEUR DE SIGNAUX CARRÉS À PROGRAMMATION NUMÉRIQUE
RADIO & HF
COMMUTATEUR D'ANTENNES À DIODES PIN
MÉLANGEUR PASSIF À HAUT NIVEAU
TRACEUR DE SIGNAL HF À BANDE LARGE
FILTRE RTTY À QUARTZ
SQUELCH UNIVERSEL
AMPLIFICATEUR UHF COMPACT
JEUX, MODELISME & BRICOLAGE
SIRÈNE
DÉTECTEUR DE MÉTAUX UNIVERSEL
SIRÈNE À QUATRE SONS
CLIGNOTEUR
COMMANDE DE MOTEUR PAS-À-PAS BIPOLAIRE
MÉLOBIP
COMMANDE DE MOTEUR PAR MLI
TESTEUR DE SERVO-COMMANDE
GÉNÉRATEUR DE SIGNAL SONORE MONO-CIRCUIT
CORNE DE BRUME AUTOMATIQUE
BÂILLON POUR CHANTEUR
COMPRESSEUR POUR GUITARE ÉLECTRIQUE
VOX RUSTIQUE
ÉCHANTILLONNEUR D'ENVELOPPE RAPIDE
DÉGUISEZ-VOUS EN DONALD DUCK
FILTRE POUR LA BANDE DE PAROLE
ADAPTATEUR DE BREAK-JACK
CHARGEUR DE BATTERIE AU PLOMB
COMMUTATEUR D' INTERVALLE POUR CAMESCOPE
MESURE & TEST
TRANSISTESTEUR
DÉTECTEUR DE PASSAGE PAR ZÉRO SIMPLE
THERMORÉGULATEUR À DÉCOUPAGE
TESTEUR DE QUARTZ
INDICATEUR DE TENDANCE
AMPLIFICATEUR D' INSTRUMENTATION
OSCILLATEUR BRUISSANT
GÉNÉRATEUR D' IMPULSIONS COMMANDÉ EN TENSION
GÉNÉRATEUR-ÉTALON
DÉCOUPLAGE
MESURE NUMÉRIQUE DU RAPPORT CYCLIQUE
ZENER ET RÉSISTANCE DE LIMITATION DE COURANT
TESTEUR DE TRANSISTORS
DÉTECTEUR DE TENSION DE DÉVIATION « sans fil »
TESTEUR (DE CONTINUITÉ) UNIVERSEL
GÉNÉRATEUR DE SALVES
TESTEUR DE CONTINUITÉ
TESTEUR DE QUARTZ
SHUNT POUR MULTIMÈTRE
INDICATEUR DE TEMPÉRATURE RUSTIQUE
PANTOGRAPHE
GÉNÉRATEUR DE PSEUDO BRUIT ROSE
WATTMÈTRE RUSTIQUE
TESTEUR DE TRANSISTORS
ÉLECTRO-CONTRÔLEUR AUTO
SECTEUR-SCOPE
MULTIMÈTRE À HAUTE IMPÉDANCE
TESTEUR DE PILE
SONDE LOGIQUE
TESTEUR POUR AMPLIFICATEUR(S) OPÉRATIONNEL(S)
MICRO-INFORMATIQUE
INTERFACE 220V
CONVERTISSEUR N/A 8 BITS
CONVERTISSEUR A/N
GÉNÉRATEUR D'HORLOGE UP/DOWN
CONVERTISSEUR N/A DISCRET
SÉLECTEUR DE DRIVE
SALOMON: 1 IMPRIMANTE POUR 2 ORDINATEURS
SÉCURITÉ ÉLECTRONIQUE POUR « RESET »
TOUCHE DE RAZ POUR IMPRIMANTE
SALOMON II²
Sommaire
Alimentations

redressement commutable
doubleur de tension continue
« fitness center » pour accu au plomb
alimentation économique à régulation thyristorisée
chargeur pour accu modèle réduit
commutateur électronique
fusible électronique
chargeur d'accus CdNi
régulateur de tension discret low drop
alimentation réglable
micro-chargeur d'accus CdNi
convertisseur élévateur de tension
interrupteur électronique pour auto
source de tension auxiliaire négative
source de tension programmable
limitation de courant temporisée
régulateur de tension discret
alimentation à coupure automatique
alimentation 50 V pour test de composants
convertisseur +5 V – > 15 V discret
protection des H.P. par détection active de la composante continue
détecteur de coupure de courant
garde-78XX
indicateur de tension mini / maxi
chargeur CdNi de luxe
alimentation 5 V robuste
alimentation réglable linéaire
alimentation à partir de 0 V
alimentation 3 V pour baladeur
REDRESSEMENT COMMUTABLE

Z. Paskvan
Réduisez la dissipation des régulateurs de tension en abaissant la tension non stabilisée
On connaît le problème des alimentations stabilisées à tension de sortie réglable : à mesure qu'augmente la différence entre la tension d'entrée et la
tension de sortie du circuit de régulation, la dissipation de puissance devient de plus en plus forte. Un moyen de remédier à cela consiste à réduire la
tension non stabilisée en fonction des besoins réels. Le circuit de commutation proposé ici offre te choix, à la sortie du transformateur, entre la tension
redressée en double alternance et la tension redressée en simple alternance, et par conséquent réduite de moitié.
Chauffe Marcel !
Un régulateur de tension soumis à un potentiel d'entrée élevé par rapport au potentiel de sortie, et auquel vous soutirez des courants forts, ne se le fera
pas dire deux fois : il chauffe. Lorsque le seuil fatidique de la température maximale tolérée par le circuit est atteint, la tension de sortie s'effondre et dans
certains cas le régulateur perd les pédales...
Pour ne pas en arriver à de pareilles extrémités, il faut réduire la tension en amont du régulateur, et ramener ainsi la dissipation thermique à des
proportions raisonnables.
Du simple au double
Le circuit de la figure 1 constitue un dispositif élégant pour résoudre le problème :

la seule restriction est l'obligation d'utiliser un transformateur à prise intermédiaire symétrique au secondaire. Le principe est tout simplement de passer
d'un redresseur double alternance à un redresseur simple alternance. Pour obtenir la tension de sortie intégrale, il faut que les deux enroulements du
secondaire soient mis en série. Il suffit pour cela d'appliquer une tension de commande (entre 1 V et 10 V avec les valeurs indiquées pour R4 et R5) sur
la base de T2. Celui-ci polarise à son tour la base de T1, lequel amorce simultanément les thyristors Th1 et Th2. Avec D1 et D2, les deux thyristors
forment un redresseur double alternance (simple phase) comme il est représenté sur la figure 3 sous une forme qui nous est plus familière (circuit de
Graetz). La fonction de D3 sur la figure 1 est d'empêcher les thyristors de court-circuiter le transformateur via la prise intermédiaire.
Pour réduire la tension redressée de moitié, il suffit de faire passer la base de T2 à un niveau proche de 0 V. Les thyristors se bloquent, et seules D1 et
D2 assurent encore leur fonction de redressement. D'où il résulte la configuration schématisée par la figure 4 : un redressement simple alternance sur
deux phases. Le principe du circuit est explicité par le croquis de la figure 2 : aussitôt que la base de T2 est polarisée, l'amplitude de la tension
redressée est normale. En l'absence de la tension de polarisation sur T2, l'amplitude est réduite de moitié.
Pour finir, précisons que c'est à dessein qu'il n'a pas été fait mention de valeurs précises pour les tensions et les courants. Celles-ci important peu, à
condition que le choix des composants (diodes D1...D3 et thyristors) soit fait en connaissance de cause.
Liste des composants
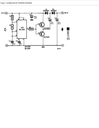
DOUBLEUR DE TENSION CONTINUE

Lorsqu'on est dans l'obligation de faire appel à un doubleur de tension, c'est toujours parce que l'on dispose d'une certaine tension et qu'il en faut une
autre, nettement plus élevée. C'est peut-être une lapalissade pour certains, mais certainement pas pour d'autres. Il convient d'ajouter que les courants
requis dans ce genre de situations sont généralement faibles. Heureusement d'ailleurs...
Sur le schéma (figure 1) de notre doubleur, on retrouve le temporisateur 555 qui commande un étage de puissance (T1 et T2), et le doubleur
proprement dit, avec D1, D2, C3 et C4.
Le multivibrateur astable oscille à une fréquence d'environ 8,5 kHz. Le signal de sortie carré attaque simultanément T1 et T2, qui sont l'un passant quand
l'autre est bloqué, et vice versa. Lorsque T2 est saturé et T1 bloqué, le pôle négatif de C3 est relié à la masse ; il se charge à travers D1. Plus tard,
quand la situation est inversée, C3 ne peut pas se décharger, même si T1 conduit, et ce grâce encore à D1. C'est C4 qui en profite puisqu'il peut se
charger grâce à la tension présente aux bornes de C3 et D1, en plus de la tension d'alimentation de 12 V.
Avec une charge très faible, nous avons relevé une tension de 20 V sur notre prototype. La charge ne devrait en aucun cas excéder les 70 mA pour
lesquels on devra se contenter de 18 V en sortie ; le rendement est alors de 32%.
On doit pouvoir utiliser le même circuit avec d'autres tensions que celles indiquées ici, à condition de rester dans la plage des spécifications du 555. La
construction de ce circuit ne présente aucune particularité.
Quiconque veut une tension stabilisée pourra faire appel à un régulateur du type 78LXX placé en sortie du circuit du doubleur. Mais attention ! Ne
négligez pas la consommation propre du régulateur qui vient donc se soustraire des 70 mA de courant maximal toléré...
Liste des composants
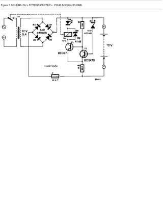
« FITNESS CENTER » POUR ACCU AU PLOMB

L'hiver fut long, et pas uniquement pour les humains. Les accus au plomb, déposés de la voiture, moto ou autre modèle réduit, y ont laissé une partie de
leur condition. C'est pour cette raison que nous vous proposons ce « fitness center » pour accus au plomb.
Comme vous le savez sans doute, un accu, (connecté ou non), possède une auto-décharge. Avec ce montage, l'accu se décharge de lui-même et à
travers le chargeur. Lorsque son niveau de tension atteint une valeur fixée à l'avance, le chargeur est mis en fonction ; ce dernier recharge l'accu jusqu'à
ce qu'il ait atteint le niveau de charge désiré, le chargeur étant alors mis hors fonction.
Le coeur de ce montage (figure 1) est le trigger de Schmitt réalisé à l'aide des transistors T1 et T2. D7 en détermine le seuil de mise hors fonction, et
R2 l'hystérésis. Comme les caractéristiques peuvent varier d' une diode zener de 12 V à l'autre, il faudra calibrer expérimentalement ce seuil en
appliquant une tension aux bornes destinées à l'accu (le transformateur du montage non branché et en l'absence d'accu !). A une tension de 13,6 volts, le
relais doit décoller (mettant ainsi le chargeur hors fonction). On pourra déplacer ce seuil en implantant une (ou plusieurs) diode(s) zener en série (dans le
sens inverse) et diodes ordinaires (1N4148, en sens direct). On procèdera d'une manière similaire en ce qui concerne l'hystérésis. Dans des conditions
de mesure identiques, on remplacera, (si nécessaire), R2 par un ajustable de 100 ohms et on lui trouvera une position telle que le relais soit activé à une
tension inférieure de 1 volt environ au seuil de désactivation. On peut en outre, sans risque, remplacer la combinaison transformateur + pont redresseur
par un chargeur pour accu, le circuit décrit ici étant dans ce cas implanté directement à l'intérieur de cet appareil.
Il est impossible de connecter un accu totalement « à plat » à ce montage, ce dernier étant alors incapable d'activer le relais. Il faut commencer par
recharger l'accu jusqu'à une tension de quelque 10 V ; une autre solution consiste à ponter le relais à l'aide d'un inverseur. Le maintien en charge
simultané d'une paire d'accus ne pose pas de problème à condition de doubler la tension fournie par le transformateur, la tension zener de D7,
l'hystérésis, la tension de fonctionnement du relais (24 V) et à connecter les accus en série. La présence du fusible F1 est indispensable, car elle
constitue la seule protection du montage à l'encontre d'un court-circuit. Les inquiets pourront implanter dans le primaire du transformateur un fusible de 1
A (lent). Il n'est pas nécessaire de doter le circuit d'un étage de filtrage capacitif destiné à lisser la tension fournie par le redresseur, l'accu réalisant lui-
même cette fonction.
Liste des composants
ALIMENTATION ÉCONOMIQUE
À RÉGULATION THYRISTORISÉE

Le montage (figure 1) est celui d'une régulation de tension à faibles pertes centrée sur un thyristor qui, selon le niveau de courant de sortie exigé, fait
passer de l'un des enroulements du secondaire d'un transformateur à un autre. L'idée nous en est venue à l'occasion de la « visite » d'une alimentation
d'un QL de Sinclair. Sur cette dernière, la tension de sortie régulée de 9 V est parfaite en tant que tension préstabilisée pour un régulateur intégré de 5 V,
dont les pertes sont limitées au strict minimum. Le radiateur dont est doté le 7805 de l'alimentation du QL est surprenant par ses faibles dimensions.
Penchons-nous sur le principe de fonctionnement :
Tant que le courant de sortie nécessaire est faible ou moyen, le thyristor est bloqué. Dans ces conditions, a lieu un redressement en pont auquel ne
participent que les paires de diodes D1/D2 et D5/D6. Le trajet du courant est quelque peu biscornu : au cours de la demi-période positive de l'onde
secteur, du point 4 au point 2 du transformateur à travers D1, la charge et D5 ; au cours de la demi-période négative, du point 1 au point 3 du transfo, à
travers D2, la charge et D6. Dans les deux cas, la tension du secondaire du transformateur est de 8 V, l'un des enroulements (pouvant fournir 2 V) est
inutilisé. Une augmentation du courant drainé produit une chute de la tension de sortie jusqu'à ce que la diode zener ne soit plus traversée par un courant.
T1 bloque alors et libère ainsi la gâchette du thyristor (précédemment court-circuitée). Le thyristor est alors amorcé dès que l'anode est plus positive que
la cathode. Dès que le thyristor est libéré, le redressement se fait sur la totalité des 10 V du secondaire du transformateur, par l'intermédiaire du pont
redresseur D1... D4, les diodes D5 et D6 sont bloquées.
Comme la tension aux bornes de la diode zener est la plus faible à proximité du point de passage par zéro de la tension secteur, le thyristor est toujours
amorcé à proximité de ce point, procédé permettant d'éviter la création de pointes de courant (et donc de parasites), de sorte qu'il n'est plus nécessaire
d'antiparasiter le thyristor. Pour pouvoir tirer le maximum de ce montage, il faut disposer d'un transformateur « universel », au secondaire doté de prises
intermédiaires de 2 V en 2 V (2/4/6/8/10/12 V par exemple). Tant que le niveau du courant de sortie reste inférieur à 1,5 A, on pourra utiliser un
transformateur de 25 VA (2 A au secondaire) ; si le courant de sortie doit être de 2 A, le transformateur doit pouvoir fournir 3 A. On pourra, si nécessaire,
utiliser un transformateur fournissant 4, 10 et 14 V au secondaire.
Liste des composants
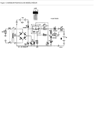
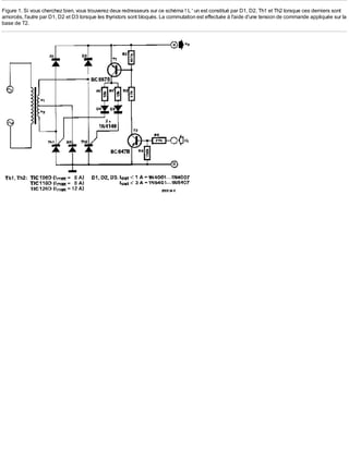
CHARGEUR POUR ACCU DE MODÈLE RÉDUIT

Nous avons souvent été surpris par le nombre de questions écrites ou posées de vive voix concernant les chargeurs pour accus au CdNi, demandes
d'informations bien plus nombreuses que celles consacrées aux chargeurs pour accus au plomb. D'où vient donc la popularité des premiers ? Serait-ce
par hasard que les seconds ne répondent pas aux espoirs de leurs propriétaires ? Il faut en effet reconnaître que la réalisation d'un chargeur d'accus
CdNi décent est une opération délicate, alors que celle d'un chargeur pour accus au plomb une « bricole ». D'où l'idée de concevoir un chargeur
répondant au cahier des charges suivant : allier simplicité, (il suffit de jeter un coup d'oeil au schéma pour se rendre compte que cet objectif a été atteint),
à d'autres caractéristiques telles que permettre une charge rapide avec coupure automatique après atteinte du niveau de charge requis, comporter une
protection contre les surcharges thermiques, les courts-circuits et les inversions de polarité.
Il n'est pas impossible que dès que l'on parle d'accu au plomb, la plupart d'entre nous pensent à la batterie, qui de son Alpine, qui de sa « Deuche » alors
qu'en fait, le plus souvent les caractéristiques intéressantes de l'accu au plomb moderne sont plutôt méconnues, en faisant le mal-aimé d'entre les accus
rechargeables. Pour sa défense, récapitulons rapidement son mode d'emploi : Il peut être monté dans n'importe quelle position, même à l'envers. La
tension de charge est de 2,3 V par cellule (de 2,45 V pour une charge rapide) ce qui revient à dire que la tension de charge d'un accu de 6 V de tension
nominale est de 6,9 V, et de 13,8 V pour un accu de 12 V. Il n'est pas nécessaire de limiter le courant de charge à une valeur comprise entre 0,1 et 1 C
(C étant la capacité en ampère/heure de l'accu, cette information variant d'un fabricant à l'autre). Certains constructeurs recommandent cependant de
positionner l'accu verticalement lors de sa recharge. Ne jamais utiliser de chargeur pour accu au CdNi pour recharger un accu au plomb !
Le coeur du circuit (figure 1) de notre chargeur pour accu de modèle réduit est un régulateur de tension du type L200 qui fournit une tension constante
(dont le niveau est déterminé par la position de P1 et ce avant connexion de l'accu). La paire R1/R2 assure la limitation en courant à une valeur
répondant à la formule



0,45 ×                  (A),
ce qui avec la valeur de R1 du schéma correspond à un courant de l'ordre de 450 mA. Il n'y a pas de mal à doter le L200 d'un petit radiateur, encore que
ce régulateur soit doté d'une protection interne contre un éventuel emballement thermique. Le galvanomètre à bobine mobile M1 visualise le niveau du
courant de charge. Nous avons en outre doté le montage d'une protection contre une inversion de polarité accidentelle (D5 et D7).
Normalement, ce chargeur est alimenté par la tension secteur par l'intermédiaire du transformateur. Lorsque l'on est en vacances et que l'on désire
recharger l'accu de son modèle naviguant sur un étang quelconque, l'unique source de courant disponible est bien souvent la batterie de la voiture. On
pourra, (comme l'illustre le schéma), connecter son pôle positif à l'anode de D8.
Le tableau 1 est important, récapitulant toutes les situations possibles, dont certaines sont fâcheuses, c'est le moins que l'on puisse dire.
Tableau 1.




Il n'existe qu'une seule situation impossible à classer dans ce tableau : celle d'un accu totalement déchargé. Il faut veiller dans ce cas à ne pas se
tromper de polarité lors de sa connexion, la LED ne fonctionnant pas en début de charge. Cette LED reste éteinte lorsque la charge de l'accu est nulle.
La présence de R2 s'explique par le désir de pouvoir ajuster très précisément la valeur maximale du courant de charge ou dans le cas où ce dernier doit
dépasser 0,5 A, à diviser par deux la dissipation de puissance.
Le tableau 2 indique les valeurs à donner a certains des composants, (Tr1, D1...D4, D7, D8, R1, R2 et M1), pour divers types d'accus 6 V aux capacités
s'échelonnant entre 4 et 40 Ah.
Tableau 2.
Le courant de charge reste limité à 1/10 de la capacité, valeur qui n'est jamais critique. Si l'on veut pouvoir charger des accus de 12 V, le transformateur
doit fournir une tension minimale de 18 V, C1 sera du type 35 V, R4 voit sa valeur passer à 1k8 et P1 la sienne à 1 k.
Liste des composants
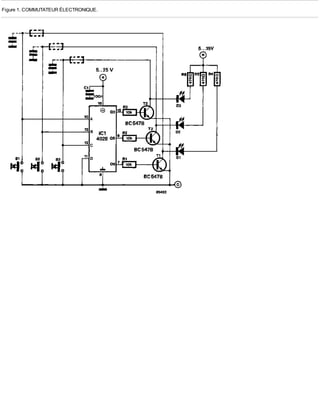
COMMUTATEUR ÉLECTRONIQUE

Lorsque l'on ne dispose que d'un unique appareil de mesure (voltmètre, multimètre) pour, par exemple, suivre l'évolution de trois tensions différentes, la
commutation de l'une à l'autre peut se faire à l'aide d'un commutateur a trois positions. Mais cette façon de procéder cache un piège. Il est impératif
 que le contact du commutateur avec la tension précédente soit interrompu avant qu'il ne soit effectué avec la tension suivante, faute de quoi deux des
tensions se trouvent momentanément en contact avec les conséquences désastreuses que l'on peut imaginer.
En cas de remplacement d'un commutateur mécanique par sa version électronique, (on n'arrête pas le progrès), la condition « couper la liaison avant
d'établir la suivante » reste impérative. Les transistors ont la caractéristique, (gênante dans le cas présent), de mettre plus rapidement en fonction qu'ils
ne mettent hors fonction (coupent). Un BC 547 sursaturé met quelques µ s avant de bloquer, la durée nécessaire à son passage en conduction étant elle
notablement plus faible. Ce montage (figure 1) évite les écueils mentionnés car il prend comme référence le niveau présent en sortie. « L'arbitre » de la
commutation est un 4028 un décodeur BCD/décimal utilisé ici en décodeur 1 sur 8 ; il ne commande toujours que l'un des trois transistors connectés à
ses sorties. Supposons par exemple que ce soit T1 qu'il attaque. La tension de collecteur de ce transistor est basse, il en est de même du niveau de
l'entrée « A » de IC1. Les collecteurs de deux transistors restants sont « hauts » ainsi que les entrées « B » et « C ». Dans ces conditions, le 4028
détecte le code binaire 110 (6 décimal) à ses entrées et fait passer la sortie correspondante, « 6 », au niveau haut, le transistor y étant connecté devient
passant. Comme il s'agit très précisément de l'hypothèse de départ, nous sommes donc en présence d'un état stable.
En cas d'action sur un bouton poussoir différent S2 par exemple, le code appliqué aux entrées est 100 (4 décimal). La sortie « 4 » n'est pas encore
connectée de sorte que T1 ne va pas tarder à bloquer, mais T2 n'est pas encore activé. Ce n'est qu'après le blocage effectif de T1 et le passage au
niveau haut de son collecteur que le 4028 trouve à son entrée le fameux « 5 » (101 binaire) qui lui est nécessaire pour faire entrer T2 en conduction. En
pratique, il est possible d'utiliser la tension disponible sur le collecteur pour activer un interrupteur CMOS qui à son tour assure la commutation d'un
instrument de mesure (ou canal musical) à l'autre. La résistance de collecteur peut être remplacée par un relais. Un relais introduit de nouvelles durées
de temporisation nettement plus importantes (de l'ordre d'une ou plusieurs millisecondes). Il faut dans ce cas que la contre-réaction vers l'entrée soit
réalisée à l'aide d'un autre contact du relais. On est assuré dans ce cas que la commutation se fait correctement.
Une variante différente consiste à implanter dans chaque ligne de contre-réaction une résistance et à monter en parallèle sur chaque bouton poussoir un
condensateur. Lors d'une commutation, ce réseau RC garantit la présence d'un temps mort.
IC1 étant un circuit intégré CMOS, sa consommation est faible. Celle des étages à transistor est fonction de la taille de la résistance de collecteur. Dans
le cas des valeurs adoptées sur le schéma, elle est, pour une tension d'alimentation de 10 volts, de (10 – 1,5) / 470, soit 18 mA.
Liste des composants
FUSIBLE ÉLECTRONIQUE

Chaque fois qu'arrive l'instant solennel de la première mise sous tension d'un circuit, son créateur est plongé dans les affres de l'angoisse prénatale
(comme on dit en psychologie obstétrique) : l'ai-je bien monté, l'ai-je bien descendu ? N'y a-t-il pas un circuit intégré à l'envers, ou un court-circuit que je
n'ai pas vu ?
La plupart des avanies qui surviennent dans ces moments difficiles commencent par une élévation anormale du courant, d'où l' intérêt d'un circuit de
limitation rapide comme celui que nous présentons ici sous le nom de fusible électronique.
Ce fusible (figure 1) pourra être inséré entre l'alimentation (stabilisée), la pile ou l'accumulateur, et le montage pour lequel on a des doutes. Le courant
d'alimentation va donc circuler à travers R1, ce qui se traduira par une légère chute de tension. Aussitôt que celle-ci dépasse environ 0,5 V, le transistor
T2 monté en série se bloque, et la LED D1 s'allume pour indiquer que...rien ne va plus ! Le fusible a sauté ; pour le remplacer, il suffit d'actionner le
poussoir S1. Entre temps, il aura fallu rechercher la cause du défaut, et y remédier.
Tant que le courant consommé par le montage à surveiller est faible, T1 reste bloqué. Lorsqu'il vient à dépasser quelque chose comme 500 mA, T1 ne
constitue plus qu'une faible résistance entre la base et l'émetteur de T2, lequel se bloque, interrompant ainsi quasi instantanément la circulation du
courant à travers la charge.
En même temps, la chute de tension à travers R1 disparaît, de sorte que T1 devrait se bloquer à nouveau ; mais c'est compter sans la chaîne de
résistances R3...R6 qui entretient le courant de base de ce transistor. Autrement dit, le fusible ne peut pas se « cicatriser » spontanément, et il faut bel et
bien actionner S1 pour réamorcer le circuit.
Tel qu'il est présenté ici, le circuit est conçu pour surveiller un seul et même montage de façon continue. Si l'on souhaite en faire un usage plus universel, il
faudra remplacer R1 par un commutateur à 12 positions par exemple, avec 12 résistances de valeur différente, correspondent chacune à une limite de
courant à une tension de service donnée. La théorie dit que la valeur de R1 est de 0,6/I ; la pratique montre cependant que pour les tensions de service
inférieures à 20 V, la limite de courant sera plutôt I = 0,4/R1. Les transistors mis en oeuvre ici ne permettent pas des courants de service de plus de 500
mA ; la chute de tension à travers le circuit est de l'ordre de 1 V. Si vous utilisez le fusible électronique pour surveiller des montages numériques, vous
serez surpris de le voir sauter, alors que le montage fonctionne parfaitement. Ceci est dû aux pointes de courant caractéristiques des circuits numériques
lors des commutations. Pour rendre le fusible insensible à ces courants de crête, élevés mais brefs, on peut rajouter le condensateur C1, dont la valeur
devra être déterminée par approximations successives, entre 10 et 100 µ F. On transforme ainsi le « fusible rapide » (sans C1) en « fusible retardé »
(avec C1).
Liste des composants
CHARGEUR D'ACCUS CdNi

Les piles constituent des sources d'alimentation extrêmement pratiques, leur unique inconvénient étant qu'elles s'épuisent. Les accus au CdNi ont
également cet inconvénient, à ceci près qu'ils peuvent être rechargés, aux heures les plus saugrenues, car c'est toujours lorsque l'on en a justement
besoin qu'ils sont pratiquement vides. La pratique montre cependant que dans la plupart des cas, une recharge d'un petit quart d'heure permet de leur
redonner une réserve d'énergie de brève durée, mais suffisante, comme dans le cas d'un flash électronique par exemple.
Un chargeur n'est en fait rien de plus qu'une source de courant fournissant du courant à un niveau adapté aux besoins de l'accu concerné. Le circuit
proposé ici met à disposition quatre sources de courant comportant un dispositif de réglage commun. Lors de l'implantation d'un accu entre les bornes
de charge du chargeur, la LED correspondante s'illumine. En position 1 (figure 1) , les sources de courant fournissent chacune 90 mA environ, en
position 2 et 3, le niveau du courant fourni par le chargeur peut être ajusté entre 100 et 300 mA. Si l'on dépasse 200 mA, la dissipation du circuit devient
relativement importante, raison pour laquelle on dotera les transistors d'un radiateur. Pour obtenir une bonne stabilité du niveau de courant fourni par les
sources de courant, il est recommandé d'effectuer un couplage thermique entre les diodes D1...D4 et les transistors correspondants.
Si l'on préfère utiliser une batterie de 12 V plutôt que la tension secteur, on pourra connecter celle-ci aux points de connexion baptisés +B et – B ; on peut
de cette manière également utiliser le montage pendant ses loisirs, pour le modélisme par exemple. Les accus de technologie récente admettent sans
broncher une recharge rapide. Ainsi, en position 1, il faut approximativement 8 heures à ce chargeur pour refaire le plein d'énergie d'un accu du type R6
(penlight, type AA). Cette durée augmente bien évidemment dans le cas d'accus de capacité plus importante. Ainsi, à un courant de 180 mA, il faut entre
10 et 14 heures, pour recharger un accu modèle C (R14), durée pouvant atteindre 20 heures dans le cas d'un accu modèle D (R20).
Liste des composants
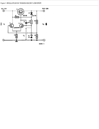
RÉGULATEUR DE TENSION DISCRET LOW DROP

Nous avons eu souvent l'occasion de nous réjouir des remarquables performances des régulateurs de tension intégrés. Dans certaines occasions par
contre, force nous était faite de renoncer à les utiliser en raison de la valeur de tension d'entrée exigée par ces circuits intégrés : on sait en effet que
celle-ci doit être de 3 V supérieure à la tension de sortie stabilisée. Or on ne dispose pas toujours d'une réserve suffisante. Dans ce cas, on fait appel à
un dispositif discret, plus encombrant, mais qui se contente d'une très faible différence de potentiel pour fonctionner correctement.
Le transistor série T3 (figure 1) est pourvu en courant de base par T2, lequel est monté en amplificateur différentiateur avec T1. Cette configuration
donne une tension identique sur le diviseur R4/R5 d'une part et sur D2 d'autre part. Le truc, c'est que T3 présente un certain gain de courant, tandis que
T2 laisse circuler autant de courant de base que ne le permet R2. Cependant, la tension sur R2 est égale à la tension sur D2 moins la tension base-
émetteur de T2, soit 4 V. Le courant de base est donc de 11 mA environ ; pour un gain de 50, le courant maximal à travers T3 est de 0,5 A. Si l'on en
demande plus, la tension de sortie ne manquera pas de s'effondrer : lorsque celle-ci tombe en dessous de la valeur de D2, la tension aux bornes de R2
baisse aussi. Le courant de sortie baisse à son tour : c'est la caractéristique de repliement dont la courbe est donnée sur la figure 2 . En cas de court-
circuit, le transistor série est donc protégé contre une dissipation et un échauffement excessifs.
D1 et R1 sont là pour faire « démarrer » le circuit en l'absence de potentiel de sortie sur D2 lors de la mise sous tension. La fonction de C1 est de
stabiliser le dispositif de régulation qui aurait tendance à osciller du fait du gain interne élevé. Il est permis de changer la valeur de la tension de sortie en
modifiant D2, R3 et R4, à condition de rester dans les limites tolérées par le transistor série. La formule de calcul est la suivante :
U o = V z x (R5 + R4) / R5
La valeur de R2 doit être déterminée précisément en fonction du gain réel en courant du transistor série utilisé. La dissipation maximale d'un BD140
bien refroidi est de 5 W environ. Pour finir, ajoutons encore que s'il vous faut une tension stabilisée très « propre », vous pouvez rajouter un condensateur
de 10 µ F en parallèle sur D2. Cette adjonction présente l'inconvénient de retarder de 0,2 s environ le démarrage du régulateur.
Liste des composants
ALIMENTATION RÉGLABLE

à ampèrage visualisé par LED

G. Schumann
Encore une alimentation ? Eh oui, mais sa caractéristique intéressante réside en fait dans le dispositif de visualisation de l' ampèrage qu'elle comporte.
Exception faite des résistances de 5 W, ce montage (figure 1) n'utilise que des composants courants. La LED D1 indique que le montage se trouve
sous tension. Les résistances R4...R7 mesurent le courant fourni par l'alimentation. En cas d'augmentation du courant, on dispose, à un moment donné,
d'une tension dépassant de 0,6 à 0,7 V celle présente aux bornes de sortie. Dans ces conditions T2 devient conducteur, permettant l'alimentation de la
source de courant basée sur T6 ; de ce fait, la LED D2 s'illumine : le courant se situe alors aux alentours de 0,5 A.
Le courant continuant d'augmenter, il arrive un moment où la tension au point B, puis C puis D dépasse de 0,6 à 0,7 V celle présente aux bornes de
sortie. Dans ces conditions c'est au tour de la LED D3, de s'illuminer, suivie de D4, puis D5. Le courant atteignant respectivement 0,8, 1,3 et 1,8 A. Le
courant circulant par chaque LED est de l'ordre de 10 mA. La couleur à donner aux LED est une affaire de goût. Pour D5 on préfèrera le rouge. Le circuit
comporte aussi une temporisation de mise sous tension, constituée par la paire R2/C2. Il est en outre doté d'un dispositif permettant de couper
rapidement la tension de sortie à travers T1 (et à l'aide d'un interrupteur de détresse, dispositif utile plus qu'à son tour). Cette fonction est obtenue en cas
d'application sur R20 d'une tension minimale de 5 à 10 V.
En plus des composants du schéma, le montage nécessite un transformateur (24 W2,8 A approximativement), un pont de redressement
(B80C2200/3300) et un électrochimique de filtrage (4 700 µ F/40 V). Il faudra veiller à ce que le L200 soit doté d'un radiateur de bonnes dimensions, car
c'est du refroidissement que dépend la puissance maximale qu'il peut délivrer. Le L200 est doté d'une protection interne contre les courts-circuits ou les
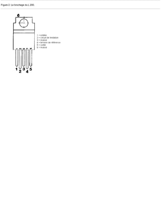
surcharges, de sorte qu'il n'y a pas lieu de s'attendre à des problèmes de ce côté-là. Le brochage du L200 est indiqué en figure 2 . Remarque : le
courant maximal disponible tombe légèrement sous 2 A lorsque la tension de sortie adoptée atteint 30 V.
Nous pensons que ce montage peut intéresser nombre d'entre nos lecteurs, raison pour laquelle nous l'avons doté d'un dessin de circuit imprimé.
Liste des composants
MICRO-CHARGEUR D'ACCUS CadNi

Tôt ou tard les utilisateurs d'appareils à piles finissent par faire l'acquisition d'un jeu d'accumulateurs pour remplacer leurs piles sèches. L'investissement
est rentabilisé très rapidement. Ce qui est embêtant par contre, c'est qu'il faille régulièrement extraire ces accus de leur logement pour les mettre dans
un chargeur. Le dispositif présenté ici a été conçu pour permettre une recharge « sur place ». Il existe en deux versions : l'une très simple, très bon
marché, que l'on doit pouvoir installer partout, et l'autre un peu plus luxueuse, avec une surveillance de la tension et une protection contre les inversions
de polarité.
Le circuit de la figure 1 est une source de courant dans la forme la plus simple qui soit. La tension de référence est la tension directe de la LED D1, soit
1,5 V pour une LED rouge. R2 règle le courant de cette LED, de sorte que la base de T1 est portée à un potentiel égal à celui de la tension de service du
circuit, moins 1,5 V. La tension aux bornes de R1 est de l'ordre de 0,85 V. Cette tension, divisée par la valeur ohmique de R1 détermine le courant de
charge (indépendamment de la tension de service). Considérant que le courant de charge d'un accu CadNi doit être un dixième de sa capacité
nominale, il est donc facile de déterminer la valeur correcte de R1. Pour vous faciliter l'existence, nous sommes allés jusqu'à calculer quelques valeurs de
référence pour vous (tableau 1).
Tableau 1. Quelques valeurs de référence.




On notera qu'en l'absence d'accumulateur, la LED reste éteinte. En effet, la disparition du courant de charge provoque une diminution de la tension aux
bornes de R1. Le courant à travers R1 qui passait par la LED, va circuler à travers R1 et la jonction base-émetteur de T1 à présent.
La version plus élaborée de la figure 2 comporte une diode de protection contre les inversions de polarité. En plus de cela, R3 et R4 surveillent la
tension de service. Si celle-ci tombe en-dessous du seuil minimal à partir duquel la source de courant peut fonctionner normalement, T2 se bloque et le
chargeur est inactivé. Le tableau 2 donne les valeurs possibles de R3 en fonction du nombre de cellules à charger.
Tableau 2. Valeurs possibles de R3 en fonction du nombre de cellules à charger.




Comme tension de service, il suffit d'une tension redressée et filtrée comme en fournissent les adaptateurs secteur même les plus médiocres, ou encore
la tension d'une batterie de voiture. Tant que le courant de charge reste inférieur à 100 mA, T1 pourra être du type BCXXX. Pour des tensions et par
conséquent des courants plus importants, il faudra un transistor du type BDXXX, dissipation oblige.
Liste des composants
CONVERTISSEUR ÉLÉVATEUR DE TENSION

Lorsque l'on désire disposer d'une tension notablement supérieure au niveau de tension maximal disponible sur un système, le LT1070 de Linear
Technology peut apporter une solution à un problème quasi insoluble sinon. Prenons un exemple : la seule tension disponible sur votre ordinateur est de
5 V, et il vous faut du 25 V pour une programmation quelconque, ou du 36 V comme tension de référence pour un convertisseur quelconque. Le schéma
peu compliqué proposé ici met à votre disposition n'importe quelle tension comprise entre 12 et 48 V. Pratique n'est-ce pas ? Le courant disponible est
bien évidemment fonction du niveau de la tension de sortie désirée.
Un coup d'oeil au schéma (figure 1) permet de voir que le LT1070 contient tous les éléments nécessaires à l'obtention d'une tension taillée sur mesure.
Entre autres circuits, la puce comporte un oscillateur et un commutateur de puissance protégé. Le courant de crête est surveillé par un dispositif de
limitation de manière à ce qu'il reste compris entre 5 et 9 A. Comme indiqué plus haut, la tension de sortie fournie par le circuit intégré est comprise
entre 12 et 48 V et cela quelle que soit la tension d'entrée qui lui est appliquée à condition qu'elle soit supérieure à 3 V et qu'elle ne dépasse pas le
niveau de la tension de sortie désirée, nous ne sommes pas en présence d'un abaisseur mais d'un élévateur de tension ! De toutes façons une telle
situation est techniquement impossible sans modification du circuit ; il faudrait pour cela, entre autres, remplacer L1 par un transformateur.
Vous vous doutez bien évidemment que le courant de sortie maximal dépend du niveau de la tension d'entrée. Si cette dernière est de 3 V, le montage
est en mesure de fournir une puissance maximale de 10 W. Avec une tension d'entrée et de sortie de 3 et 48 V respectivement, le courant fourni par
notre prototype atteignait près de 50 mA. A une tension d'entrée de 24 V, le courant disponible dépasse 1 A.
Lors de la réalisation du montage, il est important de tenir compte de l'éventualité de courants de crête importants. Veiller à réaliser des liaisons aussi
courtes que possible et à utiliser du câble de forte section (0,8 mm au minimum), pour les connexions d'entrée, de sortie et de masse. Il est bon de ne
pas oublier que la sortie peut elle aussi véhiculer des pics de courant, crêtes que l'on peut éliminer assez aisément par l'adjonction d'un filtre LC
(L ayant la valeur de L1, C une capacité comprise entre 10 et 100 µ F). Utiliser des composants de bonne qualité de manière à atteindre une résistance
série aussi faible que possible pour ce type de signaux.
Le tableau 1 donne la valeur de la résistance R3 en fonction de la tension de sortie désirée.
Tableau 1.




Liste des composants
INTERRUPTEUR ÉLECTRONIQUE POUR AUTO

Au cours des dernières années, l'électronique a fait une entrée remarquée dans le monde de l'automobile. Ce qui, il y a moins d'une décennie était
encore un domaine réservé aux chaudronniers et autres tourneurs sur métaux est devenu aujourd'hui le domaine privilégié des ingénieurs en blouse
blanche, manipulant des instruments plus exotiques les uns que les autres. Le monde de l'automobile n'est plus ce qu'il était vous confirmera tout
mécanicien a la retraite. Cependant certains fabricants de voitures, Renault en particulier, se sont lancés à corps perdu dans « l'électronification » de leur
production, pour preuve les versions TXE des R9, R11 et autres R21. Pourquoi donc les autres constructeurs hésitent-ils encore ? Ne voient-ils pas les
avantages dûs à l'électronique ? Loin de là. C'est bien souvent pour la simple et bonne raison qu'ils doutent encore de la fiabilité à long terme de ces
« accessoires ». En dépit de son prix, la voiture est en effet un bien de consommation dont l'entretien est assuré par un personnel bien souvent novice,
en ce qui concerne l'électronique du moins. En cas de panne, les instruments les plus convaincants sont le tournevis et le...marteau. Ce qui explique qu'il
soit indispensable que l'électronique montée dans une automobile soit très robuste.
Le circuit proposé ici est destiné aux personnes plus expertes en électronique qu'en électricité automobile : il s'agit d'un interrupteur électronique (pour
auto) indestructible. A quoi cela peut-il bien servir ? Prenons un exemple. Combien de fois vous est-il arrivé de constater que l'un des feux de votre chère
(prix) toto ne fonctionnait plus. Démontage, remplacement de l'ampoule, rien, allons voir du côté des fils, pftt, court-circuit... et encore un fusible à
remplacer. Cet interrupteur électronique protège le réseau électrique de votre véhicule lors d'une intervention sur celui-ci.
Nous vous proposons deux variantes pour ce montage. Les deux comportent un transistor de puissance, T1, le véritable « interrupteur » en fait et un
second transistor, T2, chargé de protéger le précédent contre un courant trop élevé. On dispose ainsi d'un ensemble vraiment indestructible, et à
condition d'assurer un refroidissement efficace de T1, d'un dispositif capable de supporter un court-circuit de longue durée. Nous avons une préférence
pour le circuit de la figure 1a car la chute de tension qu'il entraîne est plus faible. On utilisera le circuit de la figure 1b si l'on ne peut mettre la main sur
un modèle en boîtier TO-3P (plastique) du 2N2955, boîtier qui simplifie notablement le montage. On peut aussi mettre le circuit dans un boîtier métallique
(!), ou nous avons utilisé des transistors en boîtier TO-3. A noter qu'il s'agit là d'un double interrupteur électronique, les contacts du second interrupteur se
trouvent sur l'autre côté du boîtier. Il est très important de vérifier l'isolation parfaite des transistors l'un par rapport à l'autre et par rapport au boîtier. S1,
l'interrupteur de commande d'origine de l'organe concerné peut être soit pris dans le montage, soit remplacé par un interrupteur aux caractéristiques
répondant aux exigences posées par l'application envisagée. On le constate, sur le schéma de la figure 1a, en fermant S1 on ferme le circuit électrique
vers la masse, alors qu'au contraire sur le schéma de la figure 1b, lorsque l'on ferme S1, l'entrée du circuit est mise au + 12 V. Le tableau 1 joint donne
les valeurs de R1 et de R2 en fonction de la puissance et du courant correspondent à l'application envisagée ainsi que la nécessité ou non de doter les
transistors d'un radiateur.
Tableau 1. Les valeurs de R1 et de R2 en fonction de la puissance et du courant.




Vous voici en possession d'un dispositif de protection du circuit électrique de votre voiture, de ses fusibles en fait.
Note : En cas d'utilisation du circuit imprimé, vérifier que T1 n'est pas un MJE 2955, mais bien un MJE 2955T ou un TIP2955, le brochage du premier
nommé est inversé de 180° par rapport à celui des deux derniers.
Liste des composants
SOURCE DE TENSION AUXILIAIRE NÉGATIVE

Certaines applications nécessitent, outre la tension d'alimentation (positive) habituelle, une tension auxiliaire de polarité négative et de faible intensité.
Utiliser pour cela un transformateur doté d'un enroulement supplémentaire est loin d'être la solution la plus économique. L'alimentation d'un afficheur à
LCD est l'exemple type de ce genre de situations. Bien que la consommation de courant de polarité négative soit négligeable en pratique sa présence
est indispensable.
Le circuit proposé ici génère une tension auxiliaire négative à partir d'une tension d'alimentation positive et peut dans certains cas, apporter une solution
pratique à un problème apparemment insoluble.
Ce montage fonctionne avec n'importe quelle tension d'alimentation source comprise entre 5 et 15 volts. Si la charge (consommation) de la tension
source est inférieure à 1 mA, la valeur de la tension auxiliaire négative est inférieure de 1,5 V à la valeur de la tension source. Ainsi, à partir d'une tension
de + 5V, le circuit fournit une tension auxiliaire de – 3,5 V. Si la consommation est plus importante, 2,5 mA par exemple, le niveau de la tension auxiliaire
est diminué de moitié environ.
Le schéma du circuit (figure 1) ne demande que fort peu d'éclaircissements. Associé aux portes parallèles N2...N6, l'inverseur/tampon N1 constitue un
générateur de signal rectangulaire à sortie tamponnée. La mise en oeuvre d'un circuit intégré CMOS permet d'atteindre pour ce signal une valeur crête à
crête assez proche de celle de la tension d'alimentation. Les diodes D1 et D2 constituent un redresseur qui transforme la tension alternative fournie par
le générateur en une tension continue négative. Notons au passage qu'en raison du type de redressement utilisé, c'est la valeur crête à crête de la
tension alternative qui est prise en compte. Si l'on dispose sur le circuit d'une fréquence d'horloge comprise entre 10 et 50 kHz, on pourra se passer du
réseau RC R1/C1 que l'on supprimera alors. Dans ce cas, on applique cette fréquence d'horloge directement à l'entrée de N1 (broche 3 du 4009).
Liste des composants
SOURCE DE TENSION PROGRAMMABLE

Il existe en électronique un certain nombre d'appareils, dont les programmateurs d'EPROM, qui nécessitent une tension d'alimentation commutable entre
plusieurs valeurs. Cette source de tension programmable (figure 1) met à disposition de l'utilisateur deux (voire plus) niveaux de tension différents. La
configuration adoptée ici met à disposition 21 et 5 V (deux des tensions les plus fréquemment utilisées) (figure 2) . Dès que le transistor de
commutation devient conducteur, la résistance R3 est prise en parallèle sur R2, ce qui ne manque pas, on l'imagine, de faire chuter la valeur de la
résistance prise entre la broche « adjust » du LM317 et la masse. Cette chute de résistance entraîne à son tour une chute de la tension de sortie fournie
par le régulateur.
Il est bien évidemment possible d'ajouter à ce montage quelques transistors BC547 supplémentaires (dotés chacun de sa résistance et de son
condensateur propres) pour disposer de nouvelles valeurs de, tensions de sortie. La tension de sortie est déterminée par le rapport entre R1 et la valeur
équivalente des résistances R2 et R3 mises en parallèle (R2//R3). La tension aux bornes de R1 est toujours égale à 1,2 V.
U sor = (1 + ((R2//R3) / R1) x 1,2 V
Pour optimiser le comportement en commutation de la source de tension, nous l'avons dotée de deux condensateurs supplémentaires (C1 et C2), dont il
faudra déterminer expérimentalement la valeur en s'aidant d'un générateur de signaux rectangulaires et d'un oscilloscope. Les deux photographies
d'illustration montrent clairement l'effet de l'implantation de ces deux condensateurs sur la forme de la tension de sortie.
L'utilisation d'un régulateur intégré présente un autre avantage, celui de disposer d'une limitation de courant. Si l'on utilise la version « L » du LM317, la
limitation de courant entre en fonction à 100 mA environ, intensité plus que suffisante pour une tension de programmation d'EPROM par exemple.
Il va sans dire que l'on peut remplacer le transistor T1 et la résistance R4 par une porte TTL à collecteur ouvert pour tension élevée telle que l'une de
celles disponibles dans un 7407.
Liste des composants
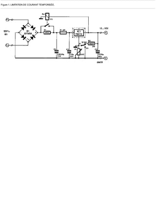
LIMITATION DE COURANT TEMPORISÉE

Voici un moyen très simple pour équiper n'importe quelle alimentation d'un circuit de protection contre les courts-circuits et d'un dispositif
d'enclenchement retardé (figure 1) .Ce dernier est très utile dans les alimentations dotées de gros condensateurs de filtrage associés à un
transformateur toroïdal. La forte intensité de l'impulsion de courant de démarrage (lors de la mise sous tension) implique souvent la mise en oeuvre d'un
fusible de trop forte valeur par rapport au seuil de sécurité optimale souhaitée pour l'enroulement primaire du transformateur.
A la mise en route le courant traverse une résistance R1 et charge les condensateurs de filtrage C1, C2 et C3. Au bout de quelques secondes la tension
est suffisante pour que le relais Re1 soit excité. Les contacts de travail du relais court-circuitent la résistance R1 et la tension d'alimentation atteint sa
pleine valeur.
Le même type de montage peut être installé côté primaire du transformateur, mais il nécessite alors une alimentation séparée pour le relais, et l'isolation
des contacts de travail doit être prévue pour une tension de 220 V. Le circuit que nous vous proposons ici est donc plus simple. Si un court-circuit
intervient, la baisse de tension fera déclencher le relais. Le courant de court-circuit sera moindre et le limiteur de courant du régulateur de tension IC1
n'aura pas à entrer en action, d'où une dissipation plus faible. Si la charge connectée à cette alimentation est très forte, il se peut qu'à la mise en route la
tension d'alimentation n'atteigne pas la valeur nécessaire pour exciter le relais Re1. Dans ce cas il faudrait déconnecter, la charge avant d'allumer
l'alimentation. L'inverseur S1 permet de choisir une tension fixe de 12 V ou une tension réglable comprise entre 12 V et 15 V.
La masse de ce circuit (GND de IC1) est raccordée au châssis et non pas au 0 V de la tension de sortie. Ceci permet de monter le régulateur de tension
directement sur le radiateur sans plaquette d'isolation. La masse des circuits alimentés par ce montage ne devra donc pas être connectée au châssis de
l'alimentation.
Liste des composants
RÉGULATEUR DE TENSION DISCRET

G. Silberhorn
Il est toujours rentable d'économiser de l'énergie. Ceci est particulièrement vrai lorsque l'on envisage une alimentation par pile ; il est préférable alors de
rechercher un dispositif de régulation du courant entraînant les pertes les plus faibles possibles. Les régulateurs à faible chute de tension ( low drop )
n'existent pas encore pour des courants supérieurs à 0,4 A. Un circuit simple à 4 transistors peut apporter une solution à ce problème (figure 1) . La
source de courant constant que constituent T2, D1, D2 et R6 garantit un gain élevé et une réduction efficace du ronflement. La paire T3/T4 remplit une
fonction de transistor darlington commandé par T1. La base et l'émetteur de ce transistor sont tous deux reliés à la tension de sortie. Lors d'une
augmentation de cette tension, le potentiel d'émetteur de T1 croît plus que le potentiel de sa base, ce qui provoque un blocage de ce transistor; en
conséquence de quoi la tension de commande du darlington T3/T4 diminue progressivement et la tension de sortie retombe. Cependant, comme lors de
la mise sous tension la tension de sortie est nulle, T1 maintiendrait en permanence le transistor à l'état bloqué, il faut trouver une échappatoire. Ceci
explique l'indispensable présence des diodes D3...D6 si l'on veut garantir le démarrage du circuit.
La tension de sortie est déterminée par les caractéristiques de D7 et les valeurs du pont diviseur constitué par les résistances R2 et R3. Sachant que la
tolérance des diodes zener est relativement large, on pourra remplacer R2 par un ajustable de 5 k W de manière à pouvoir ajuster précisément la
tension de sortie. Le remplacement de D7 par une diode zener aux caractéristiques de tension différentes met bien évidemment à disposition une
nouvelle plage de tensions de sortie. Lors de la mise en oeuvre pratique de ce circuit, il ne faudra pas oublier qu'il ne comporte pas de dispositif de
limitation de courant et qu'il faut donc éviter les courts-circuits.
Liste des composants
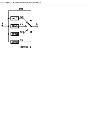
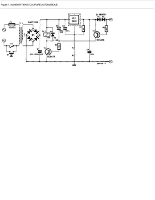
ALIMENTATION À COUPURE AUTOMATIQUE

R. Kambach
Vous avez peut-être souvenir de la scène d'introduction des différents épisodes de la série TV à grand succès, « Mission impossible », dans laquelle on
voyait la bande magnétique qui avait servi à transmettre ses instructions à un agent secret, s'auto-consommer : « cette bande s'auto-détruit 30 s après la
fin de ce message » disait-elle, et, littéralement, dans un grand feu d'artifice, elle partait en fumée.
Ce circuit-ci (figure 1) appartient à la catégorie des montages auto-nomes : il s'agit en effet d'une alimentation qui se « suicide » (ou plutôt se coupe)
dès qu'elle constate que l'on peut se passer d'elle, c'est-à-dire qu'elle n'a plus à fournir de courant. Il est heureux cependant que cette mise hors circuit ne
soit pas destructrice.
Un exemple d'application typique est une alimentation pour baladeur. Certaines personnes s'endorment au rythme de la musique d'une cassette.
Lorsque la bande arrive à sa fin, le baladeur se coupe, ce qui n'est cependant pas le cas de l'alimentation qui reste elle sous tension. Si de plus il s'agit
d'une réalisation personnelle, on peut comprendre que l'on ait quelque scrupule à laisser un tel appareil sous tension pendant toute la nuit. Pour éviter
que votre bande (voire d'autres pièces du mobilier) ne se transforme en « Impossible Enfer », mais plus encore pour jouir d'un repos bien mérité, vous
pourrez doter votre appareil de cette alimentation dont l'automatisme de mise hors fonction travaille de la manière suivante. Lors de la circulation d'un
courant, il existe aux bornes des diodes D1 et D2 un potentiel suffisant pour faire passer T2 en conduction. Dans ces conditions, le courant de base rend
T1 passant ; à son tour celui-ci excite le relais Re1 (dont le contact re1 est pris dans la ligne du secteur). En cas de disparition de la charge, T2 bloque.
Le courant de base de T1 débute la charge de C2, de sorte qu'après un intervalle de quelques secondes, le relais décolle : le contact primaire re1 du
relais interrompt la liaison secteur/transformateur d'alimentation. Pour remettre l'alimentation en fonction, il faut une double condition : la reconnexion de
la charge à la sortie et une action brève sur le bouton poussoir à contact travail, S1.
Par l'implantation d'une résistance entre les points A et B, on ajuste à la valeur requise la tension de sortie. Une liaison pure et simple de ces deux points
par un pont de câblage fixe la tension de sortie à 3,5 V environ. Une augmentation de 100 W de cette résistance entraîne une augmentation de la
tension de sortie de 1 V environ (il circule par la ligne concernée un courant constant de 10 mA). Par l'adjonction d'un commutateur rotatif associé à
plusieurs résistances (figure 2) on peut également envisager un montage à tensions de sortie multiples.

Quelques remarques concernant les composants utilisés dans ce montage : le relais doit être en mesure de commuter la tension secteur. Le courant
alternatif du secondaire du transformateur Tr1 doit être 1 fois et demie celui requis en sortie. Le courant de sortie ne doit pas dépasser 1 A. Si l'on veut
disposer en permanence d'un courant de 1 A en sortie, il est préférable d'augmenter à 1 500 µ F la valeur de C1. Pour allonger le retard de réaction du
montage, pour vous laisser le temps de changer de cassette par exemple, il faudra augmenter quelque peu la valeur de C2. En fonction du courant
requis en sortie, on dotera ou non IC1 d'un radiateur. Comme boîtier, on optera de préférence pour un boîtier à prise secteur incorporée.
Liste des composants
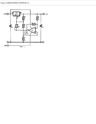
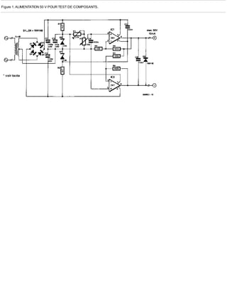
ALIMENTATION 50 V POUR TEST DE COMPOSANTS

D'après une idée de A. Hölzle
Pour vérifier les diodes zener, la tension de claquage de jonctions base-émetteur, les diacs et d'autres composants de ce genre, il faut disposer d'une
tension relativement élevée. Les alimentations de laboratoire ne conviennent pas pour cet usage car leur tension maximale ne dépasse généralement
pas 20 ou 30 V. Le courant dont nous avons besoin pour procéder à ce genre d'essais est très faible 10 à 15 mA suffisent.
Une alimentation de ce genre peut être réalisée au moyen de deux amplificateurs opérationnels 741C placés « en série ». La tension de sortie ainsi
obtenue est réglable entre 0 V et 50 V et elle est protégée en cas de court-circuit (figure 1) .

Une tension d'environ 6 V (réglée par P2) est appliquée à l'entrée non inverseuse de IC1. A la sortie sur la broche 6 nous disposons d'une tension de 25
V par rapport au noeud C1/C2. Cette tension est inversée dans IC2 dont la sortie broche 6 fournit – 25 V. Nous avons dès lors le choix entre une tension
symétrique de ± 25 V par rapport à la masse (noeud C1/C2) et une tension asymétrique de 50 V entre les sorties 6 de IC1 et IC2. Le potentiomètre P1
nous permet de fixer une limite à la tension maximale. L'intensité maximale du courant est limitée à environ 20 mA par le circuit interne des
amplificateurs opérationnels.
Les composants ne courant vraiment que très peu de risques car la tension de notre alimentation s'effondre avant que le courant n'atteigne 20 mA. Les
sorties de IC1 et IC2 sont protégées contre un court-circuit de durée indéterminée.
Afin d'une part d'éviter les problèmes liés au taux de réjection en mode commun (CMRR) et d'autre part de permettre le réglage de la tension de sortie à
partir de 0 V, les diodes zener D6 et D7 assurent un certain recouvrement des tensions d'alimentation de IC1 et IC2. La tension de référence est prise à
la sortie de D6. L'alimentation de IC1 est découplée par un condensateur de 100 nF (C4). Les condensateurs C2 et C3 assurent un découplage suffisant
pour IC2.
Pour le transformateur d'alimentation on choisira deux enroulements secondaires délivrant chacun 18 V et on les branchera en série. Ils peuvent faire
partie d'un même transformateur ou bien de deux transformateurs différents et ils doivent supporter un courant de quelques dizaines de mA. N'inversez
pas la phase des deux enroulements : si la tension totale du secondaire est de 0 V au lieu de 36 V, c'est que vous venez de le faire !
Avant de mettre les circuits intégrés en place, mesurez la tension d'alimentation présente entre les broches 3 et 4 des supports de IC1 et de IC2. A vide,
la tension du secondaire du transformateur sera assez élevée. La tension d'alimentation d'un 741C (le modèle le plus courant) ne doit pas dépasser 36
V. D'autres modèles (741A, 741E, 741) supportent 44 V. Si votre tension d'alimentation est trop élevée, essayez un transformateur à deux enroulements
de 15 V En-dessous de 27 V vous risquez en revanche de ne plus atteindre les 50 V souhaités à la sortie.
Liste des composants
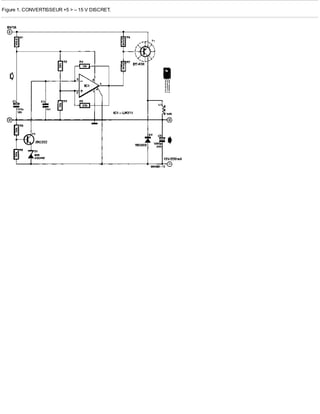
CONVERTISSEUR +5 - – 15 V DISCRET

La caractéristique la plus frappante de ce surélévateur/convertisseur de tension positive en tension négative est qu'il se passe de circuit intégré
spécialisé. Bien qu'il existe de plus en plus de fabricants de ce type de circuit, il est souvent difficile de mettre la main sur un Maxim... ou autre Analog
Device adéquat, alors que, comme le prouve ce schéma, une poignée de composants courants permet d'arriver au résultat recherché : la réalisation d'un
convertisseur + 5 --> – 15 V de bon aloi. IC1 constitue un multivibrateur auto-oscillant qui fournit un signal de sortie au rapport cyclique relativement élevé.
Le LM311 est conçu pour une alimentation unique de 5 V ; son courant de sortie important lui permet d'attaquer un transistor de découpage T1. Le
rapport cyclique du signal de sortie est principalement fonction du diviseur de tension R2/R3 et de la fréquence d'oscillation déterminée par les valeurs
de la paire C2/R4. T2 fait partie d'une boucle de régulation qui modifie le rapport cyclique de l'oscillateur de façon à ce que l'on ait en permanence une
tension de – 15 V en sortie du convertisseur.
La tension de sortie U sor répond à la formule suivante :
U sor = – (U D1 + U B – E(T1) ) × (R8 / R9 + 1) [V].
Avec les valeurs du schéma (figure 1) , nous avons relevé les caractéristiques techniques suivantes :

Rendement (P sor /P ent ) : 75% max.
Fréquence d'oscillation : 6 kHz
Rapport cyclique : 0,8 environ
Ondulation résiduelle en sortie : 100 mV à I L = 200 mA
Courant maximal drainé par la charge : 200 mA
T1 doit être doté d'un petit radiateur.
Liste des composants
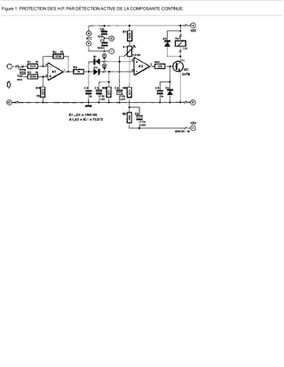
PROTECTION DES H.P. PAR DÉTECTION ACTIVE
DE LA COMPOSANTE CONTINUE

Pour isoler la composante continue d'un signal, il faut en éliminer la composante alternative. Dans le circuit
(figure 1) , proposé ici notre concepteur a fait appel au taux de réjection en mode commun (CMRR) d'un amplificateur opérationnel pour arriver à ses
fins.
L'entrée inverseuse de l'amplificateur opérationnel A1 est attaquée par les composantes continue et alternative, tandis que l'entrée non inverseuse n'est
attaquée que par la composante alternative à travers le condensateur C1. La fréquence la plus basse qui puisse être détectée ainsi est déterminée par
la base de temps du circuit CR d'entrée : C1× (R3 + R4). L'atténuation de la composante alternative obtenue avec les valeurs choisies pour les
composants est d'environ 50 dB à 20 Hz. La sortie de A1 est suivie d'un filtre passe-bas qui atténue d'avantage les signaux à fréquence plus élevée.
Cette précaution est indispensable car le CMRR diminue énormément avec la fréquence. Le signal attaque ensuite le circuit comparateur construit
autour de A2. Les diodes D1 et D2 ont pour fonction de limiter l'action du comparateur aux signaux positifs ou négatifs dépassant 300 mV environ.
En considérant le schéma d'une façon globale, on se rend compte que si une tension continue négative est présente à l'entrée du montage, elle donnera
lieu à une tension positive à l'entrée inverseuse de A2. De même, une tension continue positive donnera lieu à une tension négative à l'entrée non
inverseuse de A2. Dans les deux cas la sortie de A2 sera négative et elle bloquera le transistor de puissance T1 . Le relais qui est normalement
excité dès la mise sous tension se décollera dès qu'une tension continue positive ou négative sera présente à l'entrée du montage.
Le diviseur de tension R7/P1/R8/R9 est réglé de manière telle que la tension de l'entrée non inverseuse de A2 provoque l'excitation du relais en
l'absence de composante continue. Le condensateur C8 retarde l'enclenchement du relais de quelques secondes après la mise sous tension. Le rôle
des condensateurs C3 et C4 est de lisser les très basses fréquences pour éviter l'instabilité du relais. Le transistor de puissance BC547B commande le
fonctionnement du relais et peut supporter un courant de collecteur d'environ 100 mA. La tension d'alimentation du relais ne doit pas dépasser 18 V.
Si l'alimentation du circuit n'est pas parfaitement symétrique, il se peut que la plage de réglage du potentiomètre P1 soit insuffisante. Dans ce cas il faut
modifier la valeur de R7.
Lorsque ce circuit de protection des haut-parleurs est utilisé dans un système d'enceintes acoustiques actives, chaque étage de sortie doit être pourvu
de son propre détecteur. On utilise pour cela la partie du circuit qui va de l'entrée du schéma, en passant par A1 et les diodes D1 et D2, jusqu'aux points
A et B. Les sorties des détecteurs sont mises en parallèle aux points A et B. Pour les voies médium et aiguë, la constante de temps du circuit RC
d'entrée peut être plus petite que pour la voie grave. De cette façon l'action du relais interviendra plus tôt pour ces fréquences. Sur un système actif, le
relais, s'il est à contact unique, pourra par exemple servir à couper la tension d'alimentation du préamplificateur. Mais on peut aussi mettre en oeuvre un
relais à plusieurs contacts, voire plusieurs relais pour couper les signaux juste avant les H.P.
La consommation du circuit dépendra principalement du courant de maintien de la bobine du (des) relais.
Liste des composants
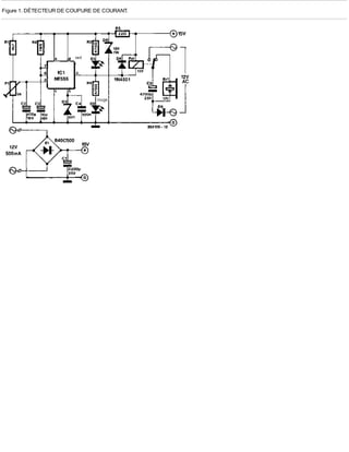
DÉTECTEUR DE COUPURE DE COURANT

Dr. J. Devasundaram / Dr. C. Annaiah
1988 ne restera sans doute pas dans les mémoires comme l'année au cours de laquelle un lecteur d'ELEKTOR a trouvé une nouvelle application du
temporisateur 555. L'idée de deux nos lecteurs, Messieurs J. Devasundaram et C. Annaiah (Inde) méritait pourtant que l'on s'y intéresse. Partant d'un
circuit publié dans le numéro hors-gabarit de 1983, ils nous proposent un indicateur de chute de tension doté d'une alimentation propre, et capable de
faire retentir un signal sonore durant quelques instants même après la disparition totale et durable de la tension d'alimentation. La fonction d'un tel
indicateur, rajouté sur un appareil quelconque sensé fonctionner sans interruption, est d'indiquer une coupure (accidentelle et éventuellement passée
inaperçue) de la tension d'alimentation de cet appareil.
Le temporisateur est monté en multivibrateur astable. Au repos sa sortie (broche 3) est au niveau « 0 ». La LED verte est donc allumée, ce qui indique
que tout va bien. Dès que la tension d'alimentation passe sous un seuil critique (réglable à l'aide de P1) (figure 1) , la temporisation du 555 commence,
et sa sortie passe au niveau « 1 ». La LED rouge s'allume pour indiquer la coupure de courant, tandis que le relais Re1 est excité, mettant ainsi sous
tension le ronfleur Bz1 (ce n'est pas un résonateur passif !). Un signal sonore retentit. Du fait de la valeur élevée du condensateur C5 monté en parallèle
sur le ronfleur, le signal continuera de retentir pendant au moins une trentaine de secondes après une coupure générale et durable de la tension
d'alimentation. La LED rouge ne reste allumée que durant 7 secondes environ.
Entre le curseur de P1 et la masse se trouve un condensateur d'une valeur relativement élevée qui empêche les déclenchements intempestifs du
détecteur en cas d'interruptions extrêmement brèves. Sa forte capacité nivelle en effet les dépressions éventuelles de la tension relevée sur P1. Si l'on
désire que l'indicateur prenne en compte de telles micro-coupures, il suffit d'omettre C2. On peut aussi agir sur la constante de temps du temporisateur
en modifiant la valeur de R2 et/ou C3 (durée de l'impulsion calibrée = 1,1 × R2 × C3).
Liste des composants
GARDE-78XX

Si l'on alimente un régulateur de tension à partir d'un module secteur, on court le risque de voir l'adaptateur secteur fournir une tension trop faible ou, à la
suite d'une surcharge, que la tension fournie par le module tombe à une valeur trop faible pour permettre au régulateur de fonctionner correctement. Il est
intéressant, que dis-je, vital, que l'utilisateur soit averti immédiatement d'une telle situation.
Pour le bon fonctionnement d'un régulateur il est essentiel qu'il existe une différence (plus ou moins grande en fonction des caractéristiques du
régulateur) entre les niveaux des tensions d'entrée et de sortie. Dans bien des cas, cette différence doit être de 3 V au minimum (cas extrême, de
nombreux régulateurs font mieux aujourd'hui).
L'amplificateur opérationnel IC1 surveille la chute de tension aux bornes du régulateur ; à ses entrées arrivent, via deux diviseurs de tension, d'une part la
tension d'entrée du régulateur et d'autre part sa tension de sortie. Si le niveau de la tension d'entrée est trop faible, la sortie de IC1 bascule au niveau
« haut ». Le condensateur C1 se charge alors et le transistor T1 se met à conduire, produisant l'illumination de la LED D2. On pourra bien entendu, si l'on
trouve qu'une LED n'attire pas suffisamment l'attention, remplacer la LED D2 et la résistance R7 par un résonateur piézo-électrique.
La charge du condensateur C1 permet une illumination de la LED de 10 ms au minimum de sorte que le circuit réagit également à des chutes de tension
brèves à l'entrée du régulateur. Une ondulation résiduelle trop importante qui se traduit par une tension d'entrée trop faible produit elle aussi une alarme
indiscutable.
Les valeurs données aux composants du schéma (figure 1) sont celles qui conviennent en cas d'utilisation d'un régulateur du type 7805. Pour un
régulateur d'un autre type, il faudra modifier la valeur de la résistance R1 en se basant sur la formule suivante :




Il faudra en tous cas veiller à ce que la chute de tension ( ) soit supérieure à la chute de tension minimale aux bornes du régulateur pour éliminer tout
risque de non fonctionnement du montage. Cette précaution est indispensable car, lorsque le régulateur refuse progressivement de remplir sa fonction, la
chute de tension (minimale) à ses bornes reste constante jusqu'à ce que la tension d'entrée se soit totalement effondrée. Le circuit de protection doit
réagir à une chute de tension qui est légèrement supérieure à la chute de tension minimale requise.
Liste des composants
INDICATEUR DE TENSION MINI / MAXI

d'après une idée de F. Roth
Le TL430/431 de Texas lnstruments est une diode zener active intégrant une source de tension de référence de 2,5 V, un comparateur et un étage de
sortie (figure 1) . La tension de service maximale admissible est de 30 V à 100 mA.

La combinaison de ce composant avec une résistance ajustable, P1, permet de réaliser un indicateur de tension ajustable. La valeur à donner à la
résistance de limitation R1 se calcule à partir de la formule suivante :
R1 = (U ent – 4,5 V) / 10 mA,
de façon à ce que le courant à travers la LED soit de 10 mA environ. En fonction de la position de l'ajustable P1, la LED s'illumine lorsque la tension
d'entrée est trop élevée ou s'éteint lorsque le niveau de la tension est trop bas. Si l'on construit deux circuits identiques dotés de LED de couleur
différente, on pourra réaliser un dispositif efficace de surveillance d'une tension d'alimentation ou d'une grandeur de mesure se traduisant sous la forme
d'une tension.
On étalonne le système double à une valeur limite inférieure et supérieure de façon à ce que, dans le domaine qu'elles délimitent (la tension U ent est
correcte), l'indicateur étalonné sur la limite inférieure soit allumé et que celui étalonné sur la limite supérieure soit éteint. Une tension à surveiller trop
importante entraîne l'illumination des deux LED, une tension trop faible leur extinction.
Liste des composants
CHARGEUR CdNi DE LUXE

La tension d'entrée indiquée sur le schéma (figure 1) permet à ce circuit de charger jusqu'à 7 accumulateurs CdNi, montés en série. Si l'on désire
recharger simultanément un nombre encore plus grand d'accumulateurs, il suffit tout simplement d'accroître la tension d'entrée de 1,5 V pour chaque
accumulateur supplémentaire. À condition de doter le transistor T2 d'un radiateur de caractéristiques convenables, on pourra appliquer au circuit une
tension d'entrée pouvant aller jusqu'à 25 V.
À l'inverse d'un nombre non négligeable de chargeurs CdNi courants, le circuit simple décrit ici offre une protection contre une erreur de polarité
effectuée par exemple lors du branchement des accumulateurs à recharger. Le fonctionnement de cette protection est simple : en cas d'erreur de polarité
le circuit refuse tout bonnement de fonctionner.
Le fait que, lors de la mise hors fonction du circuit, l'accumulateur qui y est connecté ne représente pas de charge (ce qui entraînerait sa décharge)
constitue un avantage additionnel non négligeable.
En règle générale, on admet que la recharge des accumulateurs CdNi se fait pendant une période de 14 heures à un courant égal au 1/10 de leur
capacité nominale. Prenons un exemple : un accumulateur de 500 mA sera rechargé pendant 14 heures à un courant de 50 mA. Il n'y a pas
d'inconvénient, normalement, à prolonger légèrement la durée de recharge. Si l'on augmente le courant de charge, et qu'il dépasse la valeur
recommandée (1/10 de la capacité nominale), il faudra raccourcir la période de recharge en conséquence, si l'on veut éviter tout risque d'endommager
l'accumulateur.
L'ajustable P1 sert à définir ]e courant de charge que venons d'évoquer ; il bat une plage de réglage allant de 0 à près de 1 A. Il est possible de vérifier le
courant de charge en connectant un voltmètre aux bornes de la résistance R3. Il n'est pas nécessaire de faire des calculs compliqués puisque cette
résistance a une valeur de 1 W très exactement.
Le fonctionnement du circuit est relativement simple. Le transistor T1 est conducteur lorsqu'un accumulateur est branché correctement au circuit (polarité)
ou lorsqu'il n'y en a pas. Le courant de collecteur de T1 fournit, à travers les diodes D1 à D3, une tension de référence de 2,1 V environ. A travers le
dispositif de réglage du courant de charge, que constitue le potentiomètre P1, une partie de cette tension est appliquée au transistor darlington T2. La
résistance d'émetteur de T2, R3, fournit le courant constant. N'oubliez surtout pas de doter le transistor T2 d'un radiateur de caractéristiques
convenables.
En cas de difficultés pour dénicher un BD679, on pourra le remplacer par pratiquement n'importe quel transistor darlington NPN de moyenne puissance
à condition que sa caractéristique combinée tension/courant de collecteur soit de 30 V/2 A. La diminution de la valeur de la résistance R3 permet
d'obtenir un courant de charge supérieur à 1 A. Le courant de repos du chargeur est de 15 mA environ pour une tension d'entrée de 12 V.
Liste des composants
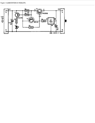
ALIMENTATION 5 V ROBUSTE

Le régulateur de tension « standard » du type 7805 (figure 1) a deux avantages importants : il est disponible partout et de plus peu coûteux. Dans
certains cas il s'avère que son courant de sortie maximal de 1 A n'est pas suffisant. Pour augmenter l'intensité de ce courant de sortie il suffit tout
simplement d'ajouter un transistor de puissance (T3) monté sur un radiateur. Tant que le courant reste assez faible, le 7805 se charge, comme il en a
l'habitude, de la régulation. Dès que le courant dépasse quelque 15 mA, il se produit une chute de tension aux bornes de la résistance R4 qui fait alors
passer le transistor T3 à l'état passant. Le transistor T2 protège T3 contre des courts-circuits. Si le courant qui circule par le transistor de puissance
MJ2955 dépasse 3 A, la chute de tension aux bornes de la résistance prise en série dans sa ligne d'émetteur, R3, prend une valeur telle que T2 devient
passant lui aussi. De ce fait, la tension base/émetteur de T3 est limitée et il devient virtuellement impossible que le courant de sortie continue
d'augmenter encore plus. On remarquera la présence d'un troisième transistor, T1, pris en parallèle sur T2 ; il sert à la commande de la LED D1, qui
visualise l'entrée en fonction du sous-ensemble de limitation de courant. La résistance R5 sert à limiter le courant véhiculé par le 7805 lorsque
l'électronique de limitation de courant (T2 et T3) est active. Dans ce cas-là, la résistance R4 est court-circuitée par T2 et si R5 n'avait pas été implantée,
le 7805 en aurait vu de toutes les couleurs.
L'obtention d'un courant de sortie important se paie. Pour obtenir un courant de sortie de 3 A, il faut que la tension d'entrée soit de 10 V. Un 7805
« ordinaire », c'est-à-dire non doté de cette électronique supplémentaire, se satisfait lui de 8,5 V. L'électronique de limitation du courant présente un
fonctionnement progressif. Ceci a pour conséquence que l'on peut observer, en cas de court-circuit des sorties, un courant pouvant grimper jusqu'à 6 A. Il
est fortement recommandé, est-il nécessaire d'insister, de limiter à un strict minimum la durée d'un tel court-circuit.
Lors de réalisation de ce circuit il faut veiller à ce que les transistors T2 et T3 soient parfaitement isolés galvaniquement des radiateurs (qui auront une
résistance thermique de 2 à 3 K/W). Il n'est pas nécessaire de doter le 7805 d'un radiateur. Rien ne s'oppose pourtant à son montage sur le radiateur
destiné à T2.
L'implantation des autres composants n'appelle pas le moindre commentaire et ne devrait pas poser de problème.
Liste des composants
ALIMENTATION RÉGLABLE LINÉAIRE

N. Körber
Avec la plupart des alimentations réglables il n'existe pas de rapport linéaire entre la position du curseur du potentiomètre de réglage et la tension de
sortie. De ce fait il est indispensable de mesurer la tension de sortie et d'incorporer éventuellement un circuit de mesure associé à un affichage de la
tension de sortie. Si ce rapport était linéaire, il suffirait de doter le bouton du potentiomètre d'une échelle linéaire - à l'image de ce que l'on fait sur de
nombreux générateurs de fonctions - afin de pouvoir régler facilement et de manière fiable le niveau de la tension de sortie. Le circuit (figure 1) de cet
article présente toutes ces caractéristiques.
La différence la plus remarquable avec les alimentations réglables habituelles consiste en une connexion directe (en court-circuit) entre le curseur du
potentiomètre P1 et son contact relié, à travers la résistance R6, à la masse. À l'aide de ce pont de court-circuit il est possible d'améliorer un nombre
important de circuits similaires. Il est indispensable pourtant, inutile de le préciser, d'utiliser un potentiomètre linéaire de très bonne qualité.
Le circuit nécessite une tension continue d'entrée de 28 à 37 V pour pouvoir fournir à sa sortie une tension régulée de 2 à 25 V. Le courant maximal de
sortie est de 2 A.
Remarque importante : La dissipation du transistor MJ3000 peut atteindre 50 W. Il est important de ce fait, de le doter d'un radiateur de caractéristiques
et de dimensions convenables (1,5 K / W).
Liste des composants
ALIMENTATIONS À PARTIR DE 0 V

L. Nunnink
L'astuce de ce circuit de régulation est de permettre une décroissance jusqu'à 0 V de la tension de sortie. La fonction de régulation de ce montage est
prise en compte par un circuit intégré du type LM317. Si l'on veut réaliser une alimentation réglable jusqu'à 0 V, en faisant appel à ce composant, on
utilise en règle générale une diode zener additionnelle, destinée à fournir une tension de référence négative ayant la valeur de la tension de référence, U
R , du régulateur (figure 1) . La tension de sortie se laisse ajuster par action sur le potentiomètre R2, partie intégrante du diviseur de tension R1/R2.

Dans ce montage-ci, nous faisons appel à un amplificateur opérationnel pour dériver la tension de référence négative du régulateur LM317 lui-même
(figure 2) . L'amplificateur opérationnel remplit une fonction de différentiateur qui mesure la tension aux bornes de la résistance R1. Cette tension est
inversée ensuite pour constituer la tension de référence, U R . Contrairement au circuit de la figure 1, une fluctuation de la tension de référence, à des
tensions de sortie assez faibles, est sans influence sensible sur la tension de sortie du circuit de la figure 2 ; cette caractéristique constitue un atout
important de ce processus de régulation.
La figure 3 donne le schéma du montage ; on peut y retrouver les valeurs données aux composants du prototype de cette régulation qui fonctionne à
l'entière satisfaction de ses utilisateurs, ici dans le laboratoire d'Elektor.
En ce qui concerne le type d'amplificateur opérationnel à utiliser, vous avez liberté de choix totale. On peut fort bien se contenter d'un 741, mais un LF356
donne de meilleurs résultats. Pour fournir une tension d'alimentation négative à l'amplificateur opérationnel vous avez le choix entre trois possibilités :
primo, utiliser un transformateur à prise intermédiaire centrale au secondaire, secundo, réaliser un simple circuit d'appoint à l'aide de quelques diodes et
condensateurs électrochimiques, ou, tertio, faire appel au montage « TENSION AUXILIAIRE NÉGATlVE » (voir montage n°44 du numéro 145/146).
Liste des composants
ALIMENTATION 3 V POUR BALADEUR

La grande majorité des récepteurs radio et des lecteurs de cassettes portatifs (les « baladeurs ») nécessite une tension de 3 V fournie, en règle
générale, par deux piles de 1,5 V. Lors d'une utilisation « in situ » (immobile) d'un tel appareil - au bureau par exemple - il est préférable, des points de
vue du coût et de la protection de l'environnement, de renoncer aux piles et de faire appel à un petit module d'alimentation secteur. A cet effet, nous
proposons un montage minuscule qui, en raison du faible nombre de composants nécessaires, pourra éventuellement être incorporé dans le
compartiment des piles, à l'exception du transformateur bien entendu.
Les résistances R1 et R2 fixent la tension de sortie de IC1 (figure 1) , un régulateur de tension du type LM317 (inutile de vous le présenter) à une valeur
de 3 V.
Le condensateur C2 sert au découplage tandis que C3 effectue un filtrage additionnel. La LED D1 remplit deux fonctions : par son illumination elle
visualise l'état de fonctionnement du montage ; elle constitue en outre la charge de base indispensable au régulateur pour en garantir le fonctionnement
correct. La présence de cette diode électroluminescente est absolument nécessaire si l'on veut éviter que la tension à vide du transformateur ne puisse
grimper à une valeur trop importante.
La puissance de 4VA5 du transformateur (un BLOCK* VR 4,5/1/12 par exemple) peut sembler, à première vue, légèrement hors de proportion. Il n'est
pas mauvais de se souvenir que les lecteurs de cassettes ou de disques audionumériques ont besoin d'un courant initial de démarrage assez important.
Avant de connecter cette alimentation à votre baladeur il faudra vérifier sa tension de sortie. Il n'est jamais exclu qu'un circuit (intégré) soit défectueux,
n'est-ce pas ?
* BLOCK est représenté en France par TRADELEC, 12 rue Saint Merri, 75004 Paris et en Belgique par HALELECTRONICS, Oudstrijdersplein 6, B
1500 Halle.
Liste des composants
Sommaire
Alimentations

redressement commutable
doubleur de tension continue
« fitness center » pour accu au plomb
alimentation économique à régulation thyristorisée
chargeur pour accu modèle réduit
commutateur électronique
fusible électronique
chargeur d'accus CdNi
régulateur de tension discret low drop
alimentation réglable
micro-chargeur d'accus CdNi
convertisseur élévateur de tension
interrupteur électronique pour auto
source de tension auxiliaire négative
source de tension programmable
limitation de courant temporisée
régulateur de tension discret
alimentation à coupure automatique
alimentation 50 V pour test de composants
convertisseur +5 V – > 15 V discret
protection des H.P. par détection active de la composante continue
détecteur de coupure de courant
garde-78XX
indicateur de tension mini / maxi
chargeur CdNi de luxe
alimentation 5 V robuste
alimentation réglable linéaire
alimentation à partir de 0 V
alimentation 3 V pour baladeur
Figure 1. Si vous cherchez bien, vous trouverez deux redresseurs sur ce schéma ! L ' un est constitué par D1, D2, Th1 et Th2 lorsque ces derniers sont
amorcés, l'autre par D1, D2 et D3 lorsque les thyristors sont bloqués. La commutation est effectuée à l'aide d'une tension de commande appliquée sur la
base de T2.
Figure 3. Ramené à sa plus simple expression, le circuit de la figure 1 n'est rien d'autre qu'un redresseur double alternance lorsque les thyristors sont
amorcés.
Figure 4. Lorsque les thyristors sont bloqués, le circuit de la figure 1 se présente comme s'ils n'existaient pas : on est alors en présence d'un redresseur
simple alternance.
Figure 2. Les thyristors Th1 et Th2 sont amorcés par T1 lorsque la base de T2 est à un potentiel compris entre 1 et 10 V : à ce moment, les tensions U1
et U2 s'additionnent. Lorsque les thyristors sont bloqués, elles apparaissent à tour de rôle, d'où il résulte une réduction de moitié de la tension redressée.
Liste des composants
REDRESSEMENT COMMUTABLE

Résistances :
R1, R1' = 10 k W (R1' = R6 dans le schéma Ultimate)
R2, R4 = 100 k W
R3, R5 = 22 k W
Semi-conducteurs :
D1...D3 =1N4001...1N4007 ou 1N5401...1N5407
D4, D5 = 1N4148
T1 = BC557B
T2 = BC547B
Divers :
Th1, Th2 = TIC106 D ou TIC116D ou TIC126D
Figure 1. DOUBLEUR DE TENSION CONTINUE.
Liste des composants
DOUBLEUR DE TENSION CONTINUE

Résistances :
R1, R3 = 100 W
R2 = 10 k W
Condensateurs :
C1 = 8,2 nF
C2 = 10 nF
C3, C4 = 10 µF/40 V
C5 = 100 µF/16 V
Semi-conducteurs :
IC1 = NE555
T1 = BC639
T2 = BC640
D1, D2 = 1N4001
Figure 1. SCHÉMA DU « FITNESS CENTER » POUR ACCU AU PLOMB.
Liste des composants
« FITNESS CENTER » POUR ACCU AU PLOMB


Résistances :
R1 = 10 k W
R2 = 68 W (*voir texte)
Semi-conducteurs :
D1...D4 = B40C10000
D5 = LED
D6 = 1N4148
D7 = diode zener 12 V/400 mW (* voir texte)
T1 = BC547B
T2 = BC337
Divers :
F1 = 10 AT
Tr1 = transfo 12 V/5 A
Re = relais 12 V
Figure 1. ALIMENTATION ÉCONOMIQUE À RÉGULATION THYRISTORISÉE.
Liste des composants
ALIMENTATION ÉCONOMIQUE À RÉGULATION THYRISTORISÉE

Résistances :
R1, R3 = 220 W
R2 = 10 k W
R4 = 560 W
P1 = 250 W var.
Condensateurs :
C1 = 10000 µF/16 V
Semi-conducteurs :
D1...D4 = B80C2200
D5, D6 = 1N5401
D7 = diode zener 4V7/100 mW
T1 = BC547B
Th1 = TIC106
Divers :
S1 = interrupteur secteur bipolaire
F1 = fusible 0,2 AT
Tr1 = transfo à quatre bornes au secondaire (10 V, 8 V, 2 V, 0 V)
Figure 1. CHARGEUR POUR ACCU DE MODÈLE RÉDUIT.
Liste des composants
CHARGEUR POUR ACCU DE MODÈLE RÉDUIT

Résistances :
R1 = 1 W (*voir texte)
R2 = voir tableau 2
R3 = 820 W
R4 = 560 W (2,2 k W sous 12 V)
R5 = 470 W
P1 = 500 W ajustable
Condensateurs :
C1 = 1000 µF/25 V
C2 = 330 nF
C3 = 1 µF/16 V
Semi-conducteurs :
D1...D4, D7, D8 = 1N4001 (* voir tableau 2)
D5, D9 = 1N4148
D6 = LED
IC1 = L200
Divers :
M1 (option) = galvanomètre à bobine mobile 500 mA
(* voir tableau 2)
Tr1 = transfo secondaire 12 V/ 600 mA (* voir tableau 2)
S1 = interrupteur secteur double
F1 = fusible lent 100 mA
radiateur pour IC1
Figure 1. COMMUTATEUR ÉLECTRONIQUE.
Liste des composants
COMMUTATEUR ÉLECTRONIQUE

Résistances :
R1...R3 = 10 k W
R4...R6 = 470 W
R7...R9 = (* voir texte)
Condensateurs :
C1 = 100 nF
C2...C4 = (* voir texte)
Semi-conducteurs :
D1...D3 = LED
T1...T3 = BC547B
IC1 = 4028
Divers :
S1...S3 = bouton poussoir à contact travail
Figure 1. FUSIBLE ÉLECTRONIQUE.
Liste des composants
FUSIBLE ÉLECTRONIQUE

Résistances :
R1 = 2,2 W (* voir texte)
R2, R3 = 10 k W
R4 = 560 W
R5, R6 = 1 k W
R7 = 5,6 k W
Condensateurs :
C1 = 10 µF/16 V (* voir texte)
Semi-conducteurs :
D1 = LED
D2 = 1N4148
T1 = BC557B
T2 = BC161
Divers :
S1 = bouton poussoir à contact travail
Figure 1. CHARGEUR D'ACCUS CdNi.
Liste des composants
CHARGEUR D'ACCUS CdNi

Résistances :
R1, R2 = 100 W
R3, R5, R7, R9 = 12 W /1 W
R4, R6, R8, R10 = 220 W
R11 = 470 W
P1, P2 = 10 k W var
Condensateurs :
C1, C2 = 100 nF
C3 = 1000 µF/16 V
Semi-conducteurs :
D1...D4 = 1N4148
D5...D8 = LED
T1 = BC547B
T2...T5 = BC160
IC1 = 7808
B1 = B80C1500
Divers :
Tr1 = transfo 12 V/1 A
F1 = fusible 50 mA
S1 = triple inverseur
S2 = interrupteur secteur bipolaire
Figure 1. RÉGULATEUR DE TENSION DISCRET LOW DROP .
Figure 2. Courbe de la caractéristique de repliement.
Liste des composants
RÉGULATEUR DE TENSION DISCRET LOW DROP

Résistances :
R1 = 100 k W
R2 = 390 W
R3 = 1 k W
R4, R5 = 2,2 k W
Condensateurs :
C1 = 100 pF
Semi-conducteurs :
D1 = AA119
D2 = diode zener 4,7 V
T1, T2 = BC547B
T3 = BD140
Figure 1. ALIMENTATION RÉGLABLE.
Figure 2. Le brochage du L 200.
Liste des composants
ALIMENTATION RÉGLABLE

Résistances :
R1 = 3,9 k W
R2 = 1,2 k W
R3 = 1 k W
R4 = 0,47 W /5 W
R5 = 0 , 33 W /5 W
R6 = 0,15 W /5 W
R7 = 0,39 W /5 W
R8...R11,R20 = 10 k W
R12...R15 = 22 k W
R16...R19 = 68 W
P1 = 10 k W
Condensateurs :
C1 = 100 nF
C2 = 100 µF/63 V
C3 = 330 nF
Semi-conducteurs :
D1...D5 = LED
D6...D13 = 1N4148
T1 = BC547
T2...T5 = BC557B
T6...T9 = BC547B
IC1 = L200
Divers :
S1 = interrupteur simple
Figure 1. MICRO-CHARGEUR D'ACCUS CadNi.
Figure 2. VERSION ÉLABORÉE DU MICRO-CHARGEUR D'ACCUS CadNi.
Liste des composants
MICRO-CHARGEUR D'ACCUS CadNi

Version 1
Résistances :
R1, R2 = (* voir texte)
Semi-conducteurs :
D1 = LED
T1 = BC557
Version 2
Résistances :
R1, R2, R3 = (* voir texte)
R4 = 3,3 k W
Semi-conducteurs :
D1 = LED
D2 = 1N4001
T1 = BC557 ou BD140
T2 = BC547B
Figure 1. CONVERTISSEUR ÉLÉVATEUR DE TENSION.
Liste des composants
CONVERTISSEUR ÉLÉVATEUR DE TENSION

Résistances :
R1, R2 = 1 k W
R3 = (* voir texte)
P1 = 500 W var.
Condensateurs :
C1 = 10 µF/63 V
C2 = 1 µF/63 V
C3 = 470 µF/63 V
Semi-conducteurs :
D1 = BYX55
IC1 = LT1070
Divers :
L1 = 200...300 µH (* voir texte)
Figure 1. INTERRUPTEUR ÉLECTRONIQUE POUR AUTO (VARIANTE 1) .
Figure 2. INTERRUPTEUR ÉLECTRONIQUE POUR AUTO (VARIANTE 2).
Liste des composants
INTERRUPTEUR ÉLECTRONIQUE POUR AUTO

Version 1
Résistances :
R1, R2 = (*voir texte/ tableau)
Semi-conducteurs :
T1 = MJE2955T, TIP2955
T2 = BD136, BD140
Divers :
S1 = interrupteur unipolaire (caractéristiques en fonction de l' application envisagée)
Version 2
Résistances :
R1,R2 = (*voir texte/ tableau)
Semi-conducteurs :
T1 = MJE3055T, TIP3055
T2 = BD135, BD139
Divers :
S1 = interrupteur simple
Figure 1. SOURCE DE TENSION AUXILIAIRE NÉGATIVE.
Liste des composants
SOURCE DE TENSION AUXILIAIRE NÉGATIVE

Résistances :
R1 = 10 k W (*voir texte)
Condensateurs :
C1 = 330 pF (*voir texte)
C2 = 470 nF
C3 = 10 µF/10 V
C4 = 100 nF
Semi-conducteurs :
D1, D2 = 1N4148
IC1 = CD4009
Figure 1. SOURCE DE TENSION PROGRAMMABLE.
Figure 2. Niveaux de tension possibles de la source de tension programmable : 5 V et 21 V (deux des tensions les plus fréquemment utilisées).
Liste des composants
SOURCE DE TENSION PROGRAMMABLE

Résistances :
R1 = 220 W
R2 = 3,3 k W
R3 = 820 W
R4 = 4,7 k W
Condensateurs :
C1, C3 = 100 nF
C2 = 1 nF
C4 = 22 nF
Semi-conducteurs :
T1 = BC547B
IC1 = 317
Figure 1. LIMITATION DE COURANT TEMPORISÉE.
Liste des composants
LIMITATION DE COURANT TEMPORISÉE

Résistances :
R1 = 47 W
R2 = 100 W /2 W
P1 = 25 W
Condensateurs :
C1 = 22000 µF/25 V
C2 = 100 µF/25 V
C3 = 1000 µF/25 V
Semi-conducteurs :
IC1 = 78H12
B1 = BYW64
Divers :
Re1 = 12 V
F1 = 5 A
S1 = interrupteur simple
Figure 1. RÉGULATEUR DE TENSION DISCRET.
Liste des composants
RÉGULATEUR DE TENSION DISCRET

Résistances :
R1 = 1 k W
R2, R3 = 2,7 k W
R4 = 220 W
R5, R7 = 180 W
R6 = 330 W
Semi-conducteurs :
D1...D6 = 1N4148
D7 = 3,3 V/400 mW, diode zener
T1 = BC547B
T2, T3 = BC557B
T4 = BD242
Figure 1. ALIMENTATION À COUPURE AUTOMATIQUE.
Figure 2. DÉTAILLÉ ALIMENTATION À COUPURE AUTOMATIQUE.
Liste des composants
ALIMENTATION À COUPURE AUTOMATIQUE

Résistances :
R1 = 1 k W
R2 = 4,7 k W
R3 = 10 k W
R4 = (* voir texte)
Condensateurs :
C1 = 470...1500 µF/25 V
C2 = 100 µF/25 V
C3, C4 = 100 nF
Semi-conducteurs :
D1, D2 = 1N4001
D3 = 1N4148
T1 = BC547B
T2 = BC557 B
IC1 = 7805
B1 = B40C1500
Divers :
F1 = 200 mAT
Re1 = 12 V
S1 = bouton poussoir à contact travail
Tr1 = transfo 12 V
Figure 1. ALIMENTATION 50 V POUR TEST DE COMPOSANTS.
Liste des composants
ALIMENTATION 50 V POUR TEST DE COMPOSANTS

Résistances :
R1, R2 = 4,7 k W
R3 = 22 k W
R4...R6 = 100 k W
P1 = 25 k W
P2 = 50 k W
Condensateurs :
C1, C2 = 100 µF/40 V
C3 = 47 µF/16 V
C4...C6 = 100 nF
Semi-conducteurs :
D1...D5 = 1N4148
D6, D7 = 5,6 V, diode zener
IC1, IC2 = 741
Divers :
Tr 1 = (* voir texte)
Figure 1. CONVERTISSEUR +5 > – 15 V DISCRET.
Liste des composants
CONVERTISSEUR +5 > – 15 V DISCRET

Résistances :
R1, R7 = 100 W
R2 = 39 k W
R3, R4 = 10 k W
R5 = 22 k W
R6 = 500 W
R8, R9 = 56 k W
Condensateurs :
C1 = 100 µF/10 V
C2 = 10 nF
C3 = 1000 µF/25 V
Semi-conducteurs :
D1 = 6,8 V/400 mW, diode zener
D2 = 1N5408
T1 = BD438
T2 = 2N2222
IC1 = LM311
Divers :
L1 = 1 mH
Figure 1. PROTECTION DES H.P. PAR DÉTECTION ACTIVE DE LA COMPOSANTE CONTINUE.
Liste des composants
PROTECTION DES H.P. PAR DÉTECTION ACTIVE DE LA COMPOSANTE CONTINUE

Résistances :
R1...R4 = 100 k W , 1 %
R5 = 1 k W
R6, R8 = 47 k W
R7 = 100 k W
R9 = 56 k W
R10 = 10 k W
P1 = 250 W
Condensateurs :
C1 = 10 µF/40 V (bipolaire)
C2 = 1µF/MKT
C3, C8 = 22 µF/25 V
C4 = 22 µF/25 V (bipolaire)
C5 = 1 nF
C6, C7 = 100 nF
Semi-conducteurs :
D1...D4 = 1N4148
T1 = BC547B
IC1 = TL072
Divers :
Re1 = 12 V
Figure 1. DÉTECTEUR DE COUPURE DE COURANT.
Liste des composants
DÉTECTEUR DE COUPURE DE COURANT

Résistances :
R1 = 4,7 k W
R2 = 1,5 M W
R3, R4 = 470 W
R5 = 22 W
P1 = 5 k W var .
Condensateurs :
C1 = 2200 µF/25 V
C2 = 470 µF/16 V
C3 = 10 µF/16 V
C4 = 100 nF
C5 = 4700 µF/25 V
Semi-conducteurs :
D1 = LED vert
D2 = LED rouge
D3 = 5,1 V, diode zener
D4, D5 = 1N4001
D6 = 15 V/1 W, diode zener
B1 = B40C500
IC1 = NE555
Divers :
Re1 = 12 V
Bz1 = 12 V
Figure 1. GARDE-78XX.
Liste des composants
GARDE-78XX

Résistances :
R1 = 27 k W
R2...R4 = 10 k W
R5, R6 = 100 k W
R 7 = 470 W
Condensateurs :
C1 = 10 µF/16 V
C2 = 100 nF
Semi-conducteurs :
D1 = 1N4148
D2 = LED
T1 = BC517
IC1 = CA3140
Figure 1. INDICATEUR DE TENSION MINI / MAXI.
Liste des composants
INDICATEUR DE TENSION MINI / MAXI

Résistances :
R1 = (* voir texte)
R2, R3 = 1 k W
P1 = 10 k W
Semi-conducteurs :
D1 = LED
D2 = TL430 / 431
Figure 1. CHARGEUR CdNi DE LUXE.
Liste des composants
CHARGEUR CdNi DE LUXE

Résistances :
R1 = 680 W
R2 = 47 k W
R3 = 1 W /1 W
P1 = 1 k W pot. lin.
Semi-conducteurs :
D1...D5 = 1N4148
D6 = 1N4001
T1 = BC557B
T2 = BD679 (Siemens)
Divers :
radiateur pour T2
Figure 1. ALIMENTATION 5V ROBUSTE.
Liste des composants
ALIMENTATION 5V ROBUSTE

Résistances :
R1 = 330 W
R2 = 470 W
R3 = 0,18 W /5 W
R4 = 47 W
R5 = 18 W
Condensateurs :
C1 = 4700 µF/16 V
C2 = 10 µF/16 V
Semi-conducteurs :
D1 = LED rouge
T1 = BC557B
T2 = BD140
T3 = MJ2955
IC1 = 7805
Divers :
K1, K2 = bornier encartable à 2 contacts
2 radiateurs de 2 à 3 K / W de résistance thermique
Figure 1. ALIMENTATION RÉGLABLE LINÉAIRE.
Liste des composants
ALIMENTATION RÉGLABLE LINÉAIRE

Résistances :
R1 = 0,33 W /4 W
R2 = 10 k W
R3 = 3,9 k W
R4 =3,3 k W
R5 = 2,2 k W
R6 = 820 W
P1 = 10 k W
Condensateurs :
C1 = 4,7 µF/16 V
C2 = 1 nF
Semi-conducteurs :
T1 = MJ3000
IC1 = 723
Figure 1. ALIMENTATIONS À PARTIR DE 0 V (1).
Figure 2. ALIMENTATIONS À PARTIR DE 0 V (2).
Figure 3. ALIMENTATIONS À PARTIR DE 0 V.
Liste des composants
ALIMENTATIONS À PARTIR DE 0 V

Résistances :
R1 = 240 W
R2...R5 = 47 k W
P1 = 2,2 k W
Condensateurs :
C1, C2 = 100 n
Semi-conducteurs :
IC1 = LF356 (µA741)
IC2 = LM317
Figure 1. ALIMENTATION 3 V POUR BALADEUR.
Liste des composants
ALIMENTATION 3 V POUR BALADEUR

Résistances :
R1 = 226 W
R2 = 316 W
R3 = 220 W
Condensateurs :
C1 = 1000 µF/25 V
C2 = 22 µF/10 V
C3 = 100 µF/10 V
Semi-conducteurs :
B1 = B80C1500
D1 = LED
IC1 = LM317
Divers :
Tr1 = 12 V/4VA15 (BLOCK VR 4,5/1/12)

                                       Contents

fghjg

  • 1.
    ALIMENTATIONS REDRESSEMENT COMMUTABLE DOUBLEUR DETENSION CONTINUE « FITNESS CENTER» POUR ACCU AU PLOMB ALIMENTATION ÉCONOMIQUE À RÉGULATION THYRISTORISÉE CHARGEUR POUR ACCU DE MODÈLE RÉDUIT COMMUTATEUR ÉLECTRONIQUE FUSIBLE ÉLECTRONIQUE CHARGEUR D'ACCUS CdNi RÉGULATEUR DE TENSION DISCRET LOW DROP ALIMENTATION RÉGLABLE MICRO-CHARGEUR D'ACCUS CadNi CONVERTISSEUR ÉLÉVATEUR DE TENSION INTERRUPTEUR ÉLECTRONIQUE POUR AUTO SOURCE DE TENSION AUXILIAIRE NEGATIVE SOURCE DE TENSION PROGRAMMABLE LIMITATION DE COURANT TEMPORISÉE RÉGULATEUR DE TENSION DISCRET ALIMENTATION À COUPURE AUTOMATIQUE ALIMENTATION 50 V POUR TEST DE COMPOSANTS CONVERTISSEUR +5 > – 15 V DISCRET PROTECTION DES H.P. PAR DÉTECTION ACTICE DE LA COMPOSANTE CONTINUE DÉTECTEUR DE COUPURE DE COURANT GARDE-78XX INDICATEUR DE TENSION MINI/MAXI CHARGEUR CdNi DE LUXE ALIMENTATION 5V ROBUSTE ALIMENTATION RÉGLABLE LINÉAIRE ALIMENTATIONS À PARTIR DE 0 V ALIMENTATION 3V POUR BALADEUR AUDIO, VIDEO & MUSIQUE CIRCUIT DE PROTECTION POUR HP TESTEUR AUDIO AMPLI VIDÉO FILTRE POUR CAISSON DE GRAVES COMMUTATEUR DE PRISES PÉRITEL FUZZ POUR GUITARE HC-VCO ANALOGIQUE & NUMÉRIQUE PROCESSEUR DE TRAITEMENT DE SIGNAL MICRO PETIT AMPLI EN CLASSE B VÉRITABLE MÉLANGEUR À DYNAMIQUE ÉLEVÉE UN DRÔLE... D'AMPLIFICATEUR PROTECTEUR DE HAUT-PARLEUR D'AIGUS REGLAGE AUTOMATIQUE DE VOLUME RÉGLAGE DE VOLUME: UNE ALTERNATIVE PRÉAMPLIFICATEUR POUR CELLULE MAGNÉTO-DYNAMIQUE AIGUILLAGE ÉLECTRONIQUE POUR MAGNÉTOPHONES RÉGLAGE DE VOLUME PSEUDO-NUMÉRIQUE ÉLIMINATEUR DE PARASITES UNIVERSEL AMPLIFICATEUR AUDIO 150 W ATTÉNUATEUR À COMMANDE NUMÉRIQUE COMMUTATEUR STÉRÉO À4 CANEAUX VU-MÈTRE GRAPHIQUE STÉRÉOPHONIQUE ANTI-SATURATION FILTRE DE BANDE AJUSTABLE ANTI-RIAA FILTRE DE RONFLEMENT AMPLIFICATEUR RIAA ÉTAGE DE SORTIE À FETMOS DIVERS
  • 2.
    ALARME AUTOMOBILE PARVARIATION D'ASSIETTE BC BC 547 « HAUTE-TENSION » SIGNALISATION DE L'OUBLI DES FEUX D'ÉCLAIRAGE CLIGNOTEUR A LM317 SOURCE DE COURANT ALTERNATIF ACUPONCTEUR RELAIS À IMPULSION DIODE ZENER FORTE-PUISSANCE CIRCUIT DE COUPURE AUTOMATIQUE POUR CHARGEUR DE BATTERIES AUTOMATISME DE MISE HORS-FONCTIONRGEUR DE BATTERIES TEMPORISATEUR DE CHAUFFAGEDE BATTERIES RÉFÉRENCE DE TENSION AVEC AFFICHAGE RÉGULATEUR DE VITESSE JAUGE ÉLECTRONIQUE TENSION AUXILIAIRE NÉGATIVE CIRCUIT ANTI-REBOND À 2 SORTIES AMPLIFICATEUR D'ISOLEMENT BF COMMUTATEUR DE TENSION D'ENTRÉE MOUSTIQUE ÉLECTRONIQUE LED CLIGNOTANTE ÉCONOMIQUE INDICATEUR DE NIVEAU À LED ÉTAGE DE PUISSANCE POUR AMPLI-OP LED CLIGNOTANTE À P.C. POTENTIOMÈTRE NUMÉRIQUE TOUCHES À EFFLEUREMENT CHENILLARD ULTRA-SIMPLE DOMESTIQUE DÉTECTEUR DE PIÈCES INDICATEUR D' HUMIDITÉ LIMITEUR POUR CHAUFFAGE CENTRAL DÉTECTEUR DE CONDUITES MÉTALLIQUES SÉSAME DÉTECTEUR DE LlGNES ÉLECTRlQUES SONNETTE DOUBLE SERRURE CODÉE SOURNOISE SUPER GRADATEUR TÉLÉCOMMANDE PAR LE RÉSEAU 220 V LED-TÉMOIN POUR AMPOULES AUTO TEMPORISATEUR LONGUES DURÉES TÉLÉCOMMANDE HF: L'ÉMETTEUR TÉLÉCOMMANDE HF: LE RÉCEPTEUR SIMULATEUR DE PRÉSENCE Á CYCLE ALÉATOIRE INTERRUPTEUR PHOTOSENSIBLE SERRURE CODÉE A 7 CHIFFRES TESTEUR D' INTERRUPTEUR DIFFÉRENTIEL INTERRUPTEUR SENSITIF GRADATEUR A QUATRE QUADRANTS SIGNALISATION DE PRISE DE LIGNE ÉCLAIRAGE AUTOMATIQUE POUR CAGE D' ESCALIER CONCIERGE ÉLECTRONIQUE COMMUTATEUR ÉLECTRONIQUE GRADATEUR POUR AMPOULES 12 V ALARME DE DÉBORDEMENT POUR BAIGNOIRE ALARME AUTO DISCRÈTE ² EXPERIMENTATIONS MULTIVIBRATEUR DE PUISSANCE oscillateur LC basses-fréquences GÉNÉRATEUR D'HORLOGE 48 MHz générateur de signaux carrés HCMOS OSCILLATEUR 48 MHz EN CMOS GÉNÉRATEUR SINUSOÏDAL LC RÉGLABLE OSCILLATEUR SINUSOÏDAL STABLE
  • 3.
    GÉNÉRATEUR DE DENTSDE SCIE BF CONVERTISSEUR POUR DENTS DE SCIE GÉNÉRATEUR DE DENTS DE SCIE DÉCLENCHABLE GÉNÉRATEUR DE SINUS OSCILLATEUR 100 MHz À QUARTZ GÉNÉRATEUR DE SIGNAUX CARRÉS À PROGRAMMATION NUMÉRIQUE RADIO & HF COMMUTATEUR D'ANTENNES À DIODES PIN MÉLANGEUR PASSIF À HAUT NIVEAU TRACEUR DE SIGNAL HF À BANDE LARGE FILTRE RTTY À QUARTZ SQUELCH UNIVERSEL AMPLIFICATEUR UHF COMPACT JEUX, MODELISME & BRICOLAGE SIRÈNE DÉTECTEUR DE MÉTAUX UNIVERSEL SIRÈNE À QUATRE SONS CLIGNOTEUR COMMANDE DE MOTEUR PAS-À-PAS BIPOLAIRE MÉLOBIP COMMANDE DE MOTEUR PAR MLI TESTEUR DE SERVO-COMMANDE GÉNÉRATEUR DE SIGNAL SONORE MONO-CIRCUIT CORNE DE BRUME AUTOMATIQUE BÂILLON POUR CHANTEUR COMPRESSEUR POUR GUITARE ÉLECTRIQUE VOX RUSTIQUE ÉCHANTILLONNEUR D'ENVELOPPE RAPIDE DÉGUISEZ-VOUS EN DONALD DUCK FILTRE POUR LA BANDE DE PAROLE ADAPTATEUR DE BREAK-JACK CHARGEUR DE BATTERIE AU PLOMB COMMUTATEUR D' INTERVALLE POUR CAMESCOPE MESURE & TEST TRANSISTESTEUR DÉTECTEUR DE PASSAGE PAR ZÉRO SIMPLE THERMORÉGULATEUR À DÉCOUPAGE TESTEUR DE QUARTZ INDICATEUR DE TENDANCE AMPLIFICATEUR D' INSTRUMENTATION OSCILLATEUR BRUISSANT GÉNÉRATEUR D' IMPULSIONS COMMANDÉ EN TENSION GÉNÉRATEUR-ÉTALON DÉCOUPLAGE MESURE NUMÉRIQUE DU RAPPORT CYCLIQUE ZENER ET RÉSISTANCE DE LIMITATION DE COURANT TESTEUR DE TRANSISTORS DÉTECTEUR DE TENSION DE DÉVIATION « sans fil » TESTEUR (DE CONTINUITÉ) UNIVERSEL GÉNÉRATEUR DE SALVES TESTEUR DE CONTINUITÉ TESTEUR DE QUARTZ SHUNT POUR MULTIMÈTRE INDICATEUR DE TEMPÉRATURE RUSTIQUE PANTOGRAPHE GÉNÉRATEUR DE PSEUDO BRUIT ROSE WATTMÈTRE RUSTIQUE TESTEUR DE TRANSISTORS ÉLECTRO-CONTRÔLEUR AUTO SECTEUR-SCOPE MULTIMÈTRE À HAUTE IMPÉDANCE TESTEUR DE PILE
  • 4.
    SONDE LOGIQUE TESTEUR POURAMPLIFICATEUR(S) OPÉRATIONNEL(S) MICRO-INFORMATIQUE INTERFACE 220V CONVERTISSEUR N/A 8 BITS CONVERTISSEUR A/N GÉNÉRATEUR D'HORLOGE UP/DOWN CONVERTISSEUR N/A DISCRET SÉLECTEUR DE DRIVE SALOMON: 1 IMPRIMANTE POUR 2 ORDINATEURS SÉCURITÉ ÉLECTRONIQUE POUR « RESET » TOUCHE DE RAZ POUR IMPRIMANTE SALOMON II²
  • 6.
    Sommaire Alimentations redressement commutable doubleur detension continue « fitness center » pour accu au plomb alimentation économique à régulation thyristorisée chargeur pour accu modèle réduit commutateur électronique fusible électronique chargeur d'accus CdNi régulateur de tension discret low drop alimentation réglable micro-chargeur d'accus CdNi convertisseur élévateur de tension interrupteur électronique pour auto source de tension auxiliaire négative source de tension programmable limitation de courant temporisée régulateur de tension discret alimentation à coupure automatique alimentation 50 V pour test de composants convertisseur +5 V – > 15 V discret protection des H.P. par détection active de la composante continue détecteur de coupure de courant garde-78XX indicateur de tension mini / maxi chargeur CdNi de luxe alimentation 5 V robuste alimentation réglable linéaire alimentation à partir de 0 V alimentation 3 V pour baladeur
  • 8.
    REDRESSEMENT COMMUTABLE Z. Paskvan Réduisezla dissipation des régulateurs de tension en abaissant la tension non stabilisée On connaît le problème des alimentations stabilisées à tension de sortie réglable : à mesure qu'augmente la différence entre la tension d'entrée et la tension de sortie du circuit de régulation, la dissipation de puissance devient de plus en plus forte. Un moyen de remédier à cela consiste à réduire la tension non stabilisée en fonction des besoins réels. Le circuit de commutation proposé ici offre te choix, à la sortie du transformateur, entre la tension redressée en double alternance et la tension redressée en simple alternance, et par conséquent réduite de moitié. Chauffe Marcel ! Un régulateur de tension soumis à un potentiel d'entrée élevé par rapport au potentiel de sortie, et auquel vous soutirez des courants forts, ne se le fera pas dire deux fois : il chauffe. Lorsque le seuil fatidique de la température maximale tolérée par le circuit est atteint, la tension de sortie s'effondre et dans certains cas le régulateur perd les pédales... Pour ne pas en arriver à de pareilles extrémités, il faut réduire la tension en amont du régulateur, et ramener ainsi la dissipation thermique à des proportions raisonnables. Du simple au double Le circuit de la figure 1 constitue un dispositif élégant pour résoudre le problème : la seule restriction est l'obligation d'utiliser un transformateur à prise intermédiaire symétrique au secondaire. Le principe est tout simplement de passer d'un redresseur double alternance à un redresseur simple alternance. Pour obtenir la tension de sortie intégrale, il faut que les deux enroulements du secondaire soient mis en série. Il suffit pour cela d'appliquer une tension de commande (entre 1 V et 10 V avec les valeurs indiquées pour R4 et R5) sur la base de T2. Celui-ci polarise à son tour la base de T1, lequel amorce simultanément les thyristors Th1 et Th2. Avec D1 et D2, les deux thyristors forment un redresseur double alternance (simple phase) comme il est représenté sur la figure 3 sous une forme qui nous est plus familière (circuit de Graetz). La fonction de D3 sur la figure 1 est d'empêcher les thyristors de court-circuiter le transformateur via la prise intermédiaire. Pour réduire la tension redressée de moitié, il suffit de faire passer la base de T2 à un niveau proche de 0 V. Les thyristors se bloquent, et seules D1 et D2 assurent encore leur fonction de redressement. D'où il résulte la configuration schématisée par la figure 4 : un redressement simple alternance sur deux phases. Le principe du circuit est explicité par le croquis de la figure 2 : aussitôt que la base de T2 est polarisée, l'amplitude de la tension redressée est normale. En l'absence de la tension de polarisation sur T2, l'amplitude est réduite de moitié. Pour finir, précisons que c'est à dessein qu'il n'a pas été fait mention de valeurs précises pour les tensions et les courants. Celles-ci important peu, à condition que le choix des composants (diodes D1...D3 et thyristors) soit fait en connaissance de cause. Liste des composants
  • 10.
    DOUBLEUR DE TENSIONCONTINUE Lorsqu'on est dans l'obligation de faire appel à un doubleur de tension, c'est toujours parce que l'on dispose d'une certaine tension et qu'il en faut une autre, nettement plus élevée. C'est peut-être une lapalissade pour certains, mais certainement pas pour d'autres. Il convient d'ajouter que les courants requis dans ce genre de situations sont généralement faibles. Heureusement d'ailleurs... Sur le schéma (figure 1) de notre doubleur, on retrouve le temporisateur 555 qui commande un étage de puissance (T1 et T2), et le doubleur proprement dit, avec D1, D2, C3 et C4. Le multivibrateur astable oscille à une fréquence d'environ 8,5 kHz. Le signal de sortie carré attaque simultanément T1 et T2, qui sont l'un passant quand l'autre est bloqué, et vice versa. Lorsque T2 est saturé et T1 bloqué, le pôle négatif de C3 est relié à la masse ; il se charge à travers D1. Plus tard, quand la situation est inversée, C3 ne peut pas se décharger, même si T1 conduit, et ce grâce encore à D1. C'est C4 qui en profite puisqu'il peut se charger grâce à la tension présente aux bornes de C3 et D1, en plus de la tension d'alimentation de 12 V. Avec une charge très faible, nous avons relevé une tension de 20 V sur notre prototype. La charge ne devrait en aucun cas excéder les 70 mA pour lesquels on devra se contenter de 18 V en sortie ; le rendement est alors de 32%. On doit pouvoir utiliser le même circuit avec d'autres tensions que celles indiquées ici, à condition de rester dans la plage des spécifications du 555. La construction de ce circuit ne présente aucune particularité. Quiconque veut une tension stabilisée pourra faire appel à un régulateur du type 78LXX placé en sortie du circuit du doubleur. Mais attention ! Ne négligez pas la consommation propre du régulateur qui vient donc se soustraire des 70 mA de courant maximal toléré... Liste des composants
  • 12.
    « FITNESS CENTER» POUR ACCU AU PLOMB L'hiver fut long, et pas uniquement pour les humains. Les accus au plomb, déposés de la voiture, moto ou autre modèle réduit, y ont laissé une partie de leur condition. C'est pour cette raison que nous vous proposons ce « fitness center » pour accus au plomb. Comme vous le savez sans doute, un accu, (connecté ou non), possède une auto-décharge. Avec ce montage, l'accu se décharge de lui-même et à travers le chargeur. Lorsque son niveau de tension atteint une valeur fixée à l'avance, le chargeur est mis en fonction ; ce dernier recharge l'accu jusqu'à ce qu'il ait atteint le niveau de charge désiré, le chargeur étant alors mis hors fonction. Le coeur de ce montage (figure 1) est le trigger de Schmitt réalisé à l'aide des transistors T1 et T2. D7 en détermine le seuil de mise hors fonction, et R2 l'hystérésis. Comme les caractéristiques peuvent varier d' une diode zener de 12 V à l'autre, il faudra calibrer expérimentalement ce seuil en appliquant une tension aux bornes destinées à l'accu (le transformateur du montage non branché et en l'absence d'accu !). A une tension de 13,6 volts, le relais doit décoller (mettant ainsi le chargeur hors fonction). On pourra déplacer ce seuil en implantant une (ou plusieurs) diode(s) zener en série (dans le sens inverse) et diodes ordinaires (1N4148, en sens direct). On procèdera d'une manière similaire en ce qui concerne l'hystérésis. Dans des conditions de mesure identiques, on remplacera, (si nécessaire), R2 par un ajustable de 100 ohms et on lui trouvera une position telle que le relais soit activé à une tension inférieure de 1 volt environ au seuil de désactivation. On peut en outre, sans risque, remplacer la combinaison transformateur + pont redresseur par un chargeur pour accu, le circuit décrit ici étant dans ce cas implanté directement à l'intérieur de cet appareil. Il est impossible de connecter un accu totalement « à plat » à ce montage, ce dernier étant alors incapable d'activer le relais. Il faut commencer par recharger l'accu jusqu'à une tension de quelque 10 V ; une autre solution consiste à ponter le relais à l'aide d'un inverseur. Le maintien en charge simultané d'une paire d'accus ne pose pas de problème à condition de doubler la tension fournie par le transformateur, la tension zener de D7, l'hystérésis, la tension de fonctionnement du relais (24 V) et à connecter les accus en série. La présence du fusible F1 est indispensable, car elle constitue la seule protection du montage à l'encontre d'un court-circuit. Les inquiets pourront implanter dans le primaire du transformateur un fusible de 1 A (lent). Il n'est pas nécessaire de doter le circuit d'un étage de filtrage capacitif destiné à lisser la tension fournie par le redresseur, l'accu réalisant lui- même cette fonction. Liste des composants
  • 14.
    ALIMENTATION ÉCONOMIQUE À RÉGULATIONTHYRISTORISÉE Le montage (figure 1) est celui d'une régulation de tension à faibles pertes centrée sur un thyristor qui, selon le niveau de courant de sortie exigé, fait passer de l'un des enroulements du secondaire d'un transformateur à un autre. L'idée nous en est venue à l'occasion de la « visite » d'une alimentation d'un QL de Sinclair. Sur cette dernière, la tension de sortie régulée de 9 V est parfaite en tant que tension préstabilisée pour un régulateur intégré de 5 V, dont les pertes sont limitées au strict minimum. Le radiateur dont est doté le 7805 de l'alimentation du QL est surprenant par ses faibles dimensions. Penchons-nous sur le principe de fonctionnement : Tant que le courant de sortie nécessaire est faible ou moyen, le thyristor est bloqué. Dans ces conditions, a lieu un redressement en pont auquel ne participent que les paires de diodes D1/D2 et D5/D6. Le trajet du courant est quelque peu biscornu : au cours de la demi-période positive de l'onde secteur, du point 4 au point 2 du transformateur à travers D1, la charge et D5 ; au cours de la demi-période négative, du point 1 au point 3 du transfo, à travers D2, la charge et D6. Dans les deux cas, la tension du secondaire du transformateur est de 8 V, l'un des enroulements (pouvant fournir 2 V) est inutilisé. Une augmentation du courant drainé produit une chute de la tension de sortie jusqu'à ce que la diode zener ne soit plus traversée par un courant. T1 bloque alors et libère ainsi la gâchette du thyristor (précédemment court-circuitée). Le thyristor est alors amorcé dès que l'anode est plus positive que la cathode. Dès que le thyristor est libéré, le redressement se fait sur la totalité des 10 V du secondaire du transformateur, par l'intermédiaire du pont redresseur D1... D4, les diodes D5 et D6 sont bloquées. Comme la tension aux bornes de la diode zener est la plus faible à proximité du point de passage par zéro de la tension secteur, le thyristor est toujours amorcé à proximité de ce point, procédé permettant d'éviter la création de pointes de courant (et donc de parasites), de sorte qu'il n'est plus nécessaire d'antiparasiter le thyristor. Pour pouvoir tirer le maximum de ce montage, il faut disposer d'un transformateur « universel », au secondaire doté de prises intermédiaires de 2 V en 2 V (2/4/6/8/10/12 V par exemple). Tant que le niveau du courant de sortie reste inférieur à 1,5 A, on pourra utiliser un transformateur de 25 VA (2 A au secondaire) ; si le courant de sortie doit être de 2 A, le transformateur doit pouvoir fournir 3 A. On pourra, si nécessaire, utiliser un transformateur fournissant 4, 10 et 14 V au secondaire. Liste des composants
  • 16.
    CHARGEUR POUR ACCUDE MODÈLE RÉDUIT Nous avons souvent été surpris par le nombre de questions écrites ou posées de vive voix concernant les chargeurs pour accus au CdNi, demandes d'informations bien plus nombreuses que celles consacrées aux chargeurs pour accus au plomb. D'où vient donc la popularité des premiers ? Serait-ce par hasard que les seconds ne répondent pas aux espoirs de leurs propriétaires ? Il faut en effet reconnaître que la réalisation d'un chargeur d'accus CdNi décent est une opération délicate, alors que celle d'un chargeur pour accus au plomb une « bricole ». D'où l'idée de concevoir un chargeur répondant au cahier des charges suivant : allier simplicité, (il suffit de jeter un coup d'oeil au schéma pour se rendre compte que cet objectif a été atteint), à d'autres caractéristiques telles que permettre une charge rapide avec coupure automatique après atteinte du niveau de charge requis, comporter une protection contre les surcharges thermiques, les courts-circuits et les inversions de polarité. Il n'est pas impossible que dès que l'on parle d'accu au plomb, la plupart d'entre nous pensent à la batterie, qui de son Alpine, qui de sa « Deuche » alors qu'en fait, le plus souvent les caractéristiques intéressantes de l'accu au plomb moderne sont plutôt méconnues, en faisant le mal-aimé d'entre les accus rechargeables. Pour sa défense, récapitulons rapidement son mode d'emploi : Il peut être monté dans n'importe quelle position, même à l'envers. La tension de charge est de 2,3 V par cellule (de 2,45 V pour une charge rapide) ce qui revient à dire que la tension de charge d'un accu de 6 V de tension nominale est de 6,9 V, et de 13,8 V pour un accu de 12 V. Il n'est pas nécessaire de limiter le courant de charge à une valeur comprise entre 0,1 et 1 C (C étant la capacité en ampère/heure de l'accu, cette information variant d'un fabricant à l'autre). Certains constructeurs recommandent cependant de positionner l'accu verticalement lors de sa recharge. Ne jamais utiliser de chargeur pour accu au CdNi pour recharger un accu au plomb ! Le coeur du circuit (figure 1) de notre chargeur pour accu de modèle réduit est un régulateur de tension du type L200 qui fournit une tension constante (dont le niveau est déterminé par la position de P1 et ce avant connexion de l'accu). La paire R1/R2 assure la limitation en courant à une valeur répondant à la formule 0,45 × (A), ce qui avec la valeur de R1 du schéma correspond à un courant de l'ordre de 450 mA. Il n'y a pas de mal à doter le L200 d'un petit radiateur, encore que ce régulateur soit doté d'une protection interne contre un éventuel emballement thermique. Le galvanomètre à bobine mobile M1 visualise le niveau du courant de charge. Nous avons en outre doté le montage d'une protection contre une inversion de polarité accidentelle (D5 et D7). Normalement, ce chargeur est alimenté par la tension secteur par l'intermédiaire du transformateur. Lorsque l'on est en vacances et que l'on désire recharger l'accu de son modèle naviguant sur un étang quelconque, l'unique source de courant disponible est bien souvent la batterie de la voiture. On pourra, (comme l'illustre le schéma), connecter son pôle positif à l'anode de D8. Le tableau 1 est important, récapitulant toutes les situations possibles, dont certaines sont fâcheuses, c'est le moins que l'on puisse dire. Tableau 1. Il n'existe qu'une seule situation impossible à classer dans ce tableau : celle d'un accu totalement déchargé. Il faut veiller dans ce cas à ne pas se tromper de polarité lors de sa connexion, la LED ne fonctionnant pas en début de charge. Cette LED reste éteinte lorsque la charge de l'accu est nulle. La présence de R2 s'explique par le désir de pouvoir ajuster très précisément la valeur maximale du courant de charge ou dans le cas où ce dernier doit dépasser 0,5 A, à diviser par deux la dissipation de puissance. Le tableau 2 indique les valeurs à donner a certains des composants, (Tr1, D1...D4, D7, D8, R1, R2 et M1), pour divers types d'accus 6 V aux capacités s'échelonnant entre 4 et 40 Ah. Tableau 2.
  • 17.
    Le courant decharge reste limité à 1/10 de la capacité, valeur qui n'est jamais critique. Si l'on veut pouvoir charger des accus de 12 V, le transformateur doit fournir une tension minimale de 18 V, C1 sera du type 35 V, R4 voit sa valeur passer à 1k8 et P1 la sienne à 1 k. Liste des composants
  • 19.
    COMMUTATEUR ÉLECTRONIQUE Lorsque l'onne dispose que d'un unique appareil de mesure (voltmètre, multimètre) pour, par exemple, suivre l'évolution de trois tensions différentes, la commutation de l'une à l'autre peut se faire à l'aide d'un commutateur a trois positions. Mais cette façon de procéder cache un piège. Il est impératif que le contact du commutateur avec la tension précédente soit interrompu avant qu'il ne soit effectué avec la tension suivante, faute de quoi deux des tensions se trouvent momentanément en contact avec les conséquences désastreuses que l'on peut imaginer. En cas de remplacement d'un commutateur mécanique par sa version électronique, (on n'arrête pas le progrès), la condition « couper la liaison avant d'établir la suivante » reste impérative. Les transistors ont la caractéristique, (gênante dans le cas présent), de mettre plus rapidement en fonction qu'ils ne mettent hors fonction (coupent). Un BC 547 sursaturé met quelques µ s avant de bloquer, la durée nécessaire à son passage en conduction étant elle notablement plus faible. Ce montage (figure 1) évite les écueils mentionnés car il prend comme référence le niveau présent en sortie. « L'arbitre » de la commutation est un 4028 un décodeur BCD/décimal utilisé ici en décodeur 1 sur 8 ; il ne commande toujours que l'un des trois transistors connectés à ses sorties. Supposons par exemple que ce soit T1 qu'il attaque. La tension de collecteur de ce transistor est basse, il en est de même du niveau de l'entrée « A » de IC1. Les collecteurs de deux transistors restants sont « hauts » ainsi que les entrées « B » et « C ». Dans ces conditions, le 4028 détecte le code binaire 110 (6 décimal) à ses entrées et fait passer la sortie correspondante, « 6 », au niveau haut, le transistor y étant connecté devient passant. Comme il s'agit très précisément de l'hypothèse de départ, nous sommes donc en présence d'un état stable. En cas d'action sur un bouton poussoir différent S2 par exemple, le code appliqué aux entrées est 100 (4 décimal). La sortie « 4 » n'est pas encore connectée de sorte que T1 ne va pas tarder à bloquer, mais T2 n'est pas encore activé. Ce n'est qu'après le blocage effectif de T1 et le passage au niveau haut de son collecteur que le 4028 trouve à son entrée le fameux « 5 » (101 binaire) qui lui est nécessaire pour faire entrer T2 en conduction. En pratique, il est possible d'utiliser la tension disponible sur le collecteur pour activer un interrupteur CMOS qui à son tour assure la commutation d'un instrument de mesure (ou canal musical) à l'autre. La résistance de collecteur peut être remplacée par un relais. Un relais introduit de nouvelles durées de temporisation nettement plus importantes (de l'ordre d'une ou plusieurs millisecondes). Il faut dans ce cas que la contre-réaction vers l'entrée soit réalisée à l'aide d'un autre contact du relais. On est assuré dans ce cas que la commutation se fait correctement. Une variante différente consiste à implanter dans chaque ligne de contre-réaction une résistance et à monter en parallèle sur chaque bouton poussoir un condensateur. Lors d'une commutation, ce réseau RC garantit la présence d'un temps mort. IC1 étant un circuit intégré CMOS, sa consommation est faible. Celle des étages à transistor est fonction de la taille de la résistance de collecteur. Dans le cas des valeurs adoptées sur le schéma, elle est, pour une tension d'alimentation de 10 volts, de (10 – 1,5) / 470, soit 18 mA. Liste des composants
  • 21.
    FUSIBLE ÉLECTRONIQUE Chaque foisqu'arrive l'instant solennel de la première mise sous tension d'un circuit, son créateur est plongé dans les affres de l'angoisse prénatale (comme on dit en psychologie obstétrique) : l'ai-je bien monté, l'ai-je bien descendu ? N'y a-t-il pas un circuit intégré à l'envers, ou un court-circuit que je n'ai pas vu ? La plupart des avanies qui surviennent dans ces moments difficiles commencent par une élévation anormale du courant, d'où l' intérêt d'un circuit de limitation rapide comme celui que nous présentons ici sous le nom de fusible électronique. Ce fusible (figure 1) pourra être inséré entre l'alimentation (stabilisée), la pile ou l'accumulateur, et le montage pour lequel on a des doutes. Le courant d'alimentation va donc circuler à travers R1, ce qui se traduira par une légère chute de tension. Aussitôt que celle-ci dépasse environ 0,5 V, le transistor T2 monté en série se bloque, et la LED D1 s'allume pour indiquer que...rien ne va plus ! Le fusible a sauté ; pour le remplacer, il suffit d'actionner le poussoir S1. Entre temps, il aura fallu rechercher la cause du défaut, et y remédier. Tant que le courant consommé par le montage à surveiller est faible, T1 reste bloqué. Lorsqu'il vient à dépasser quelque chose comme 500 mA, T1 ne constitue plus qu'une faible résistance entre la base et l'émetteur de T2, lequel se bloque, interrompant ainsi quasi instantanément la circulation du courant à travers la charge. En même temps, la chute de tension à travers R1 disparaît, de sorte que T1 devrait se bloquer à nouveau ; mais c'est compter sans la chaîne de résistances R3...R6 qui entretient le courant de base de ce transistor. Autrement dit, le fusible ne peut pas se « cicatriser » spontanément, et il faut bel et bien actionner S1 pour réamorcer le circuit. Tel qu'il est présenté ici, le circuit est conçu pour surveiller un seul et même montage de façon continue. Si l'on souhaite en faire un usage plus universel, il faudra remplacer R1 par un commutateur à 12 positions par exemple, avec 12 résistances de valeur différente, correspondent chacune à une limite de courant à une tension de service donnée. La théorie dit que la valeur de R1 est de 0,6/I ; la pratique montre cependant que pour les tensions de service inférieures à 20 V, la limite de courant sera plutôt I = 0,4/R1. Les transistors mis en oeuvre ici ne permettent pas des courants de service de plus de 500 mA ; la chute de tension à travers le circuit est de l'ordre de 1 V. Si vous utilisez le fusible électronique pour surveiller des montages numériques, vous serez surpris de le voir sauter, alors que le montage fonctionne parfaitement. Ceci est dû aux pointes de courant caractéristiques des circuits numériques lors des commutations. Pour rendre le fusible insensible à ces courants de crête, élevés mais brefs, on peut rajouter le condensateur C1, dont la valeur devra être déterminée par approximations successives, entre 10 et 100 µ F. On transforme ainsi le « fusible rapide » (sans C1) en « fusible retardé » (avec C1). Liste des composants
  • 23.
    CHARGEUR D'ACCUS CdNi Lespiles constituent des sources d'alimentation extrêmement pratiques, leur unique inconvénient étant qu'elles s'épuisent. Les accus au CdNi ont également cet inconvénient, à ceci près qu'ils peuvent être rechargés, aux heures les plus saugrenues, car c'est toujours lorsque l'on en a justement besoin qu'ils sont pratiquement vides. La pratique montre cependant que dans la plupart des cas, une recharge d'un petit quart d'heure permet de leur redonner une réserve d'énergie de brève durée, mais suffisante, comme dans le cas d'un flash électronique par exemple. Un chargeur n'est en fait rien de plus qu'une source de courant fournissant du courant à un niveau adapté aux besoins de l'accu concerné. Le circuit proposé ici met à disposition quatre sources de courant comportant un dispositif de réglage commun. Lors de l'implantation d'un accu entre les bornes de charge du chargeur, la LED correspondante s'illumine. En position 1 (figure 1) , les sources de courant fournissent chacune 90 mA environ, en position 2 et 3, le niveau du courant fourni par le chargeur peut être ajusté entre 100 et 300 mA. Si l'on dépasse 200 mA, la dissipation du circuit devient relativement importante, raison pour laquelle on dotera les transistors d'un radiateur. Pour obtenir une bonne stabilité du niveau de courant fourni par les sources de courant, il est recommandé d'effectuer un couplage thermique entre les diodes D1...D4 et les transistors correspondants. Si l'on préfère utiliser une batterie de 12 V plutôt que la tension secteur, on pourra connecter celle-ci aux points de connexion baptisés +B et – B ; on peut de cette manière également utiliser le montage pendant ses loisirs, pour le modélisme par exemple. Les accus de technologie récente admettent sans broncher une recharge rapide. Ainsi, en position 1, il faut approximativement 8 heures à ce chargeur pour refaire le plein d'énergie d'un accu du type R6 (penlight, type AA). Cette durée augmente bien évidemment dans le cas d'accus de capacité plus importante. Ainsi, à un courant de 180 mA, il faut entre 10 et 14 heures, pour recharger un accu modèle C (R14), durée pouvant atteindre 20 heures dans le cas d'un accu modèle D (R20). Liste des composants
  • 25.
    RÉGULATEUR DE TENSIONDISCRET LOW DROP Nous avons eu souvent l'occasion de nous réjouir des remarquables performances des régulateurs de tension intégrés. Dans certaines occasions par contre, force nous était faite de renoncer à les utiliser en raison de la valeur de tension d'entrée exigée par ces circuits intégrés : on sait en effet que celle-ci doit être de 3 V supérieure à la tension de sortie stabilisée. Or on ne dispose pas toujours d'une réserve suffisante. Dans ce cas, on fait appel à un dispositif discret, plus encombrant, mais qui se contente d'une très faible différence de potentiel pour fonctionner correctement. Le transistor série T3 (figure 1) est pourvu en courant de base par T2, lequel est monté en amplificateur différentiateur avec T1. Cette configuration donne une tension identique sur le diviseur R4/R5 d'une part et sur D2 d'autre part. Le truc, c'est que T3 présente un certain gain de courant, tandis que T2 laisse circuler autant de courant de base que ne le permet R2. Cependant, la tension sur R2 est égale à la tension sur D2 moins la tension base- émetteur de T2, soit 4 V. Le courant de base est donc de 11 mA environ ; pour un gain de 50, le courant maximal à travers T3 est de 0,5 A. Si l'on en demande plus, la tension de sortie ne manquera pas de s'effondrer : lorsque celle-ci tombe en dessous de la valeur de D2, la tension aux bornes de R2 baisse aussi. Le courant de sortie baisse à son tour : c'est la caractéristique de repliement dont la courbe est donnée sur la figure 2 . En cas de court- circuit, le transistor série est donc protégé contre une dissipation et un échauffement excessifs. D1 et R1 sont là pour faire « démarrer » le circuit en l'absence de potentiel de sortie sur D2 lors de la mise sous tension. La fonction de C1 est de stabiliser le dispositif de régulation qui aurait tendance à osciller du fait du gain interne élevé. Il est permis de changer la valeur de la tension de sortie en modifiant D2, R3 et R4, à condition de rester dans les limites tolérées par le transistor série. La formule de calcul est la suivante : U o = V z x (R5 + R4) / R5 La valeur de R2 doit être déterminée précisément en fonction du gain réel en courant du transistor série utilisé. La dissipation maximale d'un BD140 bien refroidi est de 5 W environ. Pour finir, ajoutons encore que s'il vous faut une tension stabilisée très « propre », vous pouvez rajouter un condensateur de 10 µ F en parallèle sur D2. Cette adjonction présente l'inconvénient de retarder de 0,2 s environ le démarrage du régulateur. Liste des composants
  • 27.
    ALIMENTATION RÉGLABLE à ampèragevisualisé par LED G. Schumann Encore une alimentation ? Eh oui, mais sa caractéristique intéressante réside en fait dans le dispositif de visualisation de l' ampèrage qu'elle comporte. Exception faite des résistances de 5 W, ce montage (figure 1) n'utilise que des composants courants. La LED D1 indique que le montage se trouve sous tension. Les résistances R4...R7 mesurent le courant fourni par l'alimentation. En cas d'augmentation du courant, on dispose, à un moment donné, d'une tension dépassant de 0,6 à 0,7 V celle présente aux bornes de sortie. Dans ces conditions T2 devient conducteur, permettant l'alimentation de la source de courant basée sur T6 ; de ce fait, la LED D2 s'illumine : le courant se situe alors aux alentours de 0,5 A. Le courant continuant d'augmenter, il arrive un moment où la tension au point B, puis C puis D dépasse de 0,6 à 0,7 V celle présente aux bornes de sortie. Dans ces conditions c'est au tour de la LED D3, de s'illuminer, suivie de D4, puis D5. Le courant atteignant respectivement 0,8, 1,3 et 1,8 A. Le courant circulant par chaque LED est de l'ordre de 10 mA. La couleur à donner aux LED est une affaire de goût. Pour D5 on préfèrera le rouge. Le circuit comporte aussi une temporisation de mise sous tension, constituée par la paire R2/C2. Il est en outre doté d'un dispositif permettant de couper rapidement la tension de sortie à travers T1 (et à l'aide d'un interrupteur de détresse, dispositif utile plus qu'à son tour). Cette fonction est obtenue en cas d'application sur R20 d'une tension minimale de 5 à 10 V. En plus des composants du schéma, le montage nécessite un transformateur (24 W2,8 A approximativement), un pont de redressement (B80C2200/3300) et un électrochimique de filtrage (4 700 µ F/40 V). Il faudra veiller à ce que le L200 soit doté d'un radiateur de bonnes dimensions, car c'est du refroidissement que dépend la puissance maximale qu'il peut délivrer. Le L200 est doté d'une protection interne contre les courts-circuits ou les surcharges, de sorte qu'il n'y a pas lieu de s'attendre à des problèmes de ce côté-là. Le brochage du L200 est indiqué en figure 2 . Remarque : le courant maximal disponible tombe légèrement sous 2 A lorsque la tension de sortie adoptée atteint 30 V. Nous pensons que ce montage peut intéresser nombre d'entre nos lecteurs, raison pour laquelle nous l'avons doté d'un dessin de circuit imprimé. Liste des composants
  • 29.
    MICRO-CHARGEUR D'ACCUS CadNi Tôtou tard les utilisateurs d'appareils à piles finissent par faire l'acquisition d'un jeu d'accumulateurs pour remplacer leurs piles sèches. L'investissement est rentabilisé très rapidement. Ce qui est embêtant par contre, c'est qu'il faille régulièrement extraire ces accus de leur logement pour les mettre dans un chargeur. Le dispositif présenté ici a été conçu pour permettre une recharge « sur place ». Il existe en deux versions : l'une très simple, très bon marché, que l'on doit pouvoir installer partout, et l'autre un peu plus luxueuse, avec une surveillance de la tension et une protection contre les inversions de polarité. Le circuit de la figure 1 est une source de courant dans la forme la plus simple qui soit. La tension de référence est la tension directe de la LED D1, soit 1,5 V pour une LED rouge. R2 règle le courant de cette LED, de sorte que la base de T1 est portée à un potentiel égal à celui de la tension de service du circuit, moins 1,5 V. La tension aux bornes de R1 est de l'ordre de 0,85 V. Cette tension, divisée par la valeur ohmique de R1 détermine le courant de charge (indépendamment de la tension de service). Considérant que le courant de charge d'un accu CadNi doit être un dixième de sa capacité nominale, il est donc facile de déterminer la valeur correcte de R1. Pour vous faciliter l'existence, nous sommes allés jusqu'à calculer quelques valeurs de référence pour vous (tableau 1). Tableau 1. Quelques valeurs de référence. On notera qu'en l'absence d'accumulateur, la LED reste éteinte. En effet, la disparition du courant de charge provoque une diminution de la tension aux bornes de R1. Le courant à travers R1 qui passait par la LED, va circuler à travers R1 et la jonction base-émetteur de T1 à présent. La version plus élaborée de la figure 2 comporte une diode de protection contre les inversions de polarité. En plus de cela, R3 et R4 surveillent la tension de service. Si celle-ci tombe en-dessous du seuil minimal à partir duquel la source de courant peut fonctionner normalement, T2 se bloque et le chargeur est inactivé. Le tableau 2 donne les valeurs possibles de R3 en fonction du nombre de cellules à charger. Tableau 2. Valeurs possibles de R3 en fonction du nombre de cellules à charger. Comme tension de service, il suffit d'une tension redressée et filtrée comme en fournissent les adaptateurs secteur même les plus médiocres, ou encore la tension d'une batterie de voiture. Tant que le courant de charge reste inférieur à 100 mA, T1 pourra être du type BCXXX. Pour des tensions et par conséquent des courants plus importants, il faudra un transistor du type BDXXX, dissipation oblige. Liste des composants
  • 31.
    CONVERTISSEUR ÉLÉVATEUR DETENSION Lorsque l'on désire disposer d'une tension notablement supérieure au niveau de tension maximal disponible sur un système, le LT1070 de Linear Technology peut apporter une solution à un problème quasi insoluble sinon. Prenons un exemple : la seule tension disponible sur votre ordinateur est de 5 V, et il vous faut du 25 V pour une programmation quelconque, ou du 36 V comme tension de référence pour un convertisseur quelconque. Le schéma peu compliqué proposé ici met à votre disposition n'importe quelle tension comprise entre 12 et 48 V. Pratique n'est-ce pas ? Le courant disponible est bien évidemment fonction du niveau de la tension de sortie désirée. Un coup d'oeil au schéma (figure 1) permet de voir que le LT1070 contient tous les éléments nécessaires à l'obtention d'une tension taillée sur mesure. Entre autres circuits, la puce comporte un oscillateur et un commutateur de puissance protégé. Le courant de crête est surveillé par un dispositif de limitation de manière à ce qu'il reste compris entre 5 et 9 A. Comme indiqué plus haut, la tension de sortie fournie par le circuit intégré est comprise entre 12 et 48 V et cela quelle que soit la tension d'entrée qui lui est appliquée à condition qu'elle soit supérieure à 3 V et qu'elle ne dépasse pas le niveau de la tension de sortie désirée, nous ne sommes pas en présence d'un abaisseur mais d'un élévateur de tension ! De toutes façons une telle situation est techniquement impossible sans modification du circuit ; il faudrait pour cela, entre autres, remplacer L1 par un transformateur. Vous vous doutez bien évidemment que le courant de sortie maximal dépend du niveau de la tension d'entrée. Si cette dernière est de 3 V, le montage est en mesure de fournir une puissance maximale de 10 W. Avec une tension d'entrée et de sortie de 3 et 48 V respectivement, le courant fourni par notre prototype atteignait près de 50 mA. A une tension d'entrée de 24 V, le courant disponible dépasse 1 A. Lors de la réalisation du montage, il est important de tenir compte de l'éventualité de courants de crête importants. Veiller à réaliser des liaisons aussi courtes que possible et à utiliser du câble de forte section (0,8 mm au minimum), pour les connexions d'entrée, de sortie et de masse. Il est bon de ne pas oublier que la sortie peut elle aussi véhiculer des pics de courant, crêtes que l'on peut éliminer assez aisément par l'adjonction d'un filtre LC (L ayant la valeur de L1, C une capacité comprise entre 10 et 100 µ F). Utiliser des composants de bonne qualité de manière à atteindre une résistance série aussi faible que possible pour ce type de signaux. Le tableau 1 donne la valeur de la résistance R3 en fonction de la tension de sortie désirée. Tableau 1. Liste des composants
  • 33.
    INTERRUPTEUR ÉLECTRONIQUE POURAUTO Au cours des dernières années, l'électronique a fait une entrée remarquée dans le monde de l'automobile. Ce qui, il y a moins d'une décennie était encore un domaine réservé aux chaudronniers et autres tourneurs sur métaux est devenu aujourd'hui le domaine privilégié des ingénieurs en blouse blanche, manipulant des instruments plus exotiques les uns que les autres. Le monde de l'automobile n'est plus ce qu'il était vous confirmera tout mécanicien a la retraite. Cependant certains fabricants de voitures, Renault en particulier, se sont lancés à corps perdu dans « l'électronification » de leur production, pour preuve les versions TXE des R9, R11 et autres R21. Pourquoi donc les autres constructeurs hésitent-ils encore ? Ne voient-ils pas les avantages dûs à l'électronique ? Loin de là. C'est bien souvent pour la simple et bonne raison qu'ils doutent encore de la fiabilité à long terme de ces « accessoires ». En dépit de son prix, la voiture est en effet un bien de consommation dont l'entretien est assuré par un personnel bien souvent novice, en ce qui concerne l'électronique du moins. En cas de panne, les instruments les plus convaincants sont le tournevis et le...marteau. Ce qui explique qu'il soit indispensable que l'électronique montée dans une automobile soit très robuste. Le circuit proposé ici est destiné aux personnes plus expertes en électronique qu'en électricité automobile : il s'agit d'un interrupteur électronique (pour auto) indestructible. A quoi cela peut-il bien servir ? Prenons un exemple. Combien de fois vous est-il arrivé de constater que l'un des feux de votre chère (prix) toto ne fonctionnait plus. Démontage, remplacement de l'ampoule, rien, allons voir du côté des fils, pftt, court-circuit... et encore un fusible à remplacer. Cet interrupteur électronique protège le réseau électrique de votre véhicule lors d'une intervention sur celui-ci. Nous vous proposons deux variantes pour ce montage. Les deux comportent un transistor de puissance, T1, le véritable « interrupteur » en fait et un second transistor, T2, chargé de protéger le précédent contre un courant trop élevé. On dispose ainsi d'un ensemble vraiment indestructible, et à condition d'assurer un refroidissement efficace de T1, d'un dispositif capable de supporter un court-circuit de longue durée. Nous avons une préférence pour le circuit de la figure 1a car la chute de tension qu'il entraîne est plus faible. On utilisera le circuit de la figure 1b si l'on ne peut mettre la main sur un modèle en boîtier TO-3P (plastique) du 2N2955, boîtier qui simplifie notablement le montage. On peut aussi mettre le circuit dans un boîtier métallique (!), ou nous avons utilisé des transistors en boîtier TO-3. A noter qu'il s'agit là d'un double interrupteur électronique, les contacts du second interrupteur se trouvent sur l'autre côté du boîtier. Il est très important de vérifier l'isolation parfaite des transistors l'un par rapport à l'autre et par rapport au boîtier. S1, l'interrupteur de commande d'origine de l'organe concerné peut être soit pris dans le montage, soit remplacé par un interrupteur aux caractéristiques répondant aux exigences posées par l'application envisagée. On le constate, sur le schéma de la figure 1a, en fermant S1 on ferme le circuit électrique vers la masse, alors qu'au contraire sur le schéma de la figure 1b, lorsque l'on ferme S1, l'entrée du circuit est mise au + 12 V. Le tableau 1 joint donne les valeurs de R1 et de R2 en fonction de la puissance et du courant correspondent à l'application envisagée ainsi que la nécessité ou non de doter les transistors d'un radiateur. Tableau 1. Les valeurs de R1 et de R2 en fonction de la puissance et du courant. Vous voici en possession d'un dispositif de protection du circuit électrique de votre voiture, de ses fusibles en fait. Note : En cas d'utilisation du circuit imprimé, vérifier que T1 n'est pas un MJE 2955, mais bien un MJE 2955T ou un TIP2955, le brochage du premier nommé est inversé de 180° par rapport à celui des deux derniers. Liste des composants
  • 35.
    SOURCE DE TENSIONAUXILIAIRE NÉGATIVE Certaines applications nécessitent, outre la tension d'alimentation (positive) habituelle, une tension auxiliaire de polarité négative et de faible intensité. Utiliser pour cela un transformateur doté d'un enroulement supplémentaire est loin d'être la solution la plus économique. L'alimentation d'un afficheur à LCD est l'exemple type de ce genre de situations. Bien que la consommation de courant de polarité négative soit négligeable en pratique sa présence est indispensable. Le circuit proposé ici génère une tension auxiliaire négative à partir d'une tension d'alimentation positive et peut dans certains cas, apporter une solution pratique à un problème apparemment insoluble. Ce montage fonctionne avec n'importe quelle tension d'alimentation source comprise entre 5 et 15 volts. Si la charge (consommation) de la tension source est inférieure à 1 mA, la valeur de la tension auxiliaire négative est inférieure de 1,5 V à la valeur de la tension source. Ainsi, à partir d'une tension de + 5V, le circuit fournit une tension auxiliaire de – 3,5 V. Si la consommation est plus importante, 2,5 mA par exemple, le niveau de la tension auxiliaire est diminué de moitié environ. Le schéma du circuit (figure 1) ne demande que fort peu d'éclaircissements. Associé aux portes parallèles N2...N6, l'inverseur/tampon N1 constitue un générateur de signal rectangulaire à sortie tamponnée. La mise en oeuvre d'un circuit intégré CMOS permet d'atteindre pour ce signal une valeur crête à crête assez proche de celle de la tension d'alimentation. Les diodes D1 et D2 constituent un redresseur qui transforme la tension alternative fournie par le générateur en une tension continue négative. Notons au passage qu'en raison du type de redressement utilisé, c'est la valeur crête à crête de la tension alternative qui est prise en compte. Si l'on dispose sur le circuit d'une fréquence d'horloge comprise entre 10 et 50 kHz, on pourra se passer du réseau RC R1/C1 que l'on supprimera alors. Dans ce cas, on applique cette fréquence d'horloge directement à l'entrée de N1 (broche 3 du 4009). Liste des composants
  • 37.
    SOURCE DE TENSIONPROGRAMMABLE Il existe en électronique un certain nombre d'appareils, dont les programmateurs d'EPROM, qui nécessitent une tension d'alimentation commutable entre plusieurs valeurs. Cette source de tension programmable (figure 1) met à disposition de l'utilisateur deux (voire plus) niveaux de tension différents. La configuration adoptée ici met à disposition 21 et 5 V (deux des tensions les plus fréquemment utilisées) (figure 2) . Dès que le transistor de commutation devient conducteur, la résistance R3 est prise en parallèle sur R2, ce qui ne manque pas, on l'imagine, de faire chuter la valeur de la résistance prise entre la broche « adjust » du LM317 et la masse. Cette chute de résistance entraîne à son tour une chute de la tension de sortie fournie par le régulateur. Il est bien évidemment possible d'ajouter à ce montage quelques transistors BC547 supplémentaires (dotés chacun de sa résistance et de son condensateur propres) pour disposer de nouvelles valeurs de, tensions de sortie. La tension de sortie est déterminée par le rapport entre R1 et la valeur équivalente des résistances R2 et R3 mises en parallèle (R2//R3). La tension aux bornes de R1 est toujours égale à 1,2 V. U sor = (1 + ((R2//R3) / R1) x 1,2 V Pour optimiser le comportement en commutation de la source de tension, nous l'avons dotée de deux condensateurs supplémentaires (C1 et C2), dont il faudra déterminer expérimentalement la valeur en s'aidant d'un générateur de signaux rectangulaires et d'un oscilloscope. Les deux photographies d'illustration montrent clairement l'effet de l'implantation de ces deux condensateurs sur la forme de la tension de sortie. L'utilisation d'un régulateur intégré présente un autre avantage, celui de disposer d'une limitation de courant. Si l'on utilise la version « L » du LM317, la limitation de courant entre en fonction à 100 mA environ, intensité plus que suffisante pour une tension de programmation d'EPROM par exemple. Il va sans dire que l'on peut remplacer le transistor T1 et la résistance R4 par une porte TTL à collecteur ouvert pour tension élevée telle que l'une de celles disponibles dans un 7407. Liste des composants
  • 39.
    LIMITATION DE COURANTTEMPORISÉE Voici un moyen très simple pour équiper n'importe quelle alimentation d'un circuit de protection contre les courts-circuits et d'un dispositif d'enclenchement retardé (figure 1) .Ce dernier est très utile dans les alimentations dotées de gros condensateurs de filtrage associés à un transformateur toroïdal. La forte intensité de l'impulsion de courant de démarrage (lors de la mise sous tension) implique souvent la mise en oeuvre d'un fusible de trop forte valeur par rapport au seuil de sécurité optimale souhaitée pour l'enroulement primaire du transformateur. A la mise en route le courant traverse une résistance R1 et charge les condensateurs de filtrage C1, C2 et C3. Au bout de quelques secondes la tension est suffisante pour que le relais Re1 soit excité. Les contacts de travail du relais court-circuitent la résistance R1 et la tension d'alimentation atteint sa pleine valeur. Le même type de montage peut être installé côté primaire du transformateur, mais il nécessite alors une alimentation séparée pour le relais, et l'isolation des contacts de travail doit être prévue pour une tension de 220 V. Le circuit que nous vous proposons ici est donc plus simple. Si un court-circuit intervient, la baisse de tension fera déclencher le relais. Le courant de court-circuit sera moindre et le limiteur de courant du régulateur de tension IC1 n'aura pas à entrer en action, d'où une dissipation plus faible. Si la charge connectée à cette alimentation est très forte, il se peut qu'à la mise en route la tension d'alimentation n'atteigne pas la valeur nécessaire pour exciter le relais Re1. Dans ce cas il faudrait déconnecter, la charge avant d'allumer l'alimentation. L'inverseur S1 permet de choisir une tension fixe de 12 V ou une tension réglable comprise entre 12 V et 15 V. La masse de ce circuit (GND de IC1) est raccordée au châssis et non pas au 0 V de la tension de sortie. Ceci permet de monter le régulateur de tension directement sur le radiateur sans plaquette d'isolation. La masse des circuits alimentés par ce montage ne devra donc pas être connectée au châssis de l'alimentation. Liste des composants
  • 41.
    RÉGULATEUR DE TENSIONDISCRET G. Silberhorn Il est toujours rentable d'économiser de l'énergie. Ceci est particulièrement vrai lorsque l'on envisage une alimentation par pile ; il est préférable alors de rechercher un dispositif de régulation du courant entraînant les pertes les plus faibles possibles. Les régulateurs à faible chute de tension ( low drop ) n'existent pas encore pour des courants supérieurs à 0,4 A. Un circuit simple à 4 transistors peut apporter une solution à ce problème (figure 1) . La source de courant constant que constituent T2, D1, D2 et R6 garantit un gain élevé et une réduction efficace du ronflement. La paire T3/T4 remplit une fonction de transistor darlington commandé par T1. La base et l'émetteur de ce transistor sont tous deux reliés à la tension de sortie. Lors d'une augmentation de cette tension, le potentiel d'émetteur de T1 croît plus que le potentiel de sa base, ce qui provoque un blocage de ce transistor; en conséquence de quoi la tension de commande du darlington T3/T4 diminue progressivement et la tension de sortie retombe. Cependant, comme lors de la mise sous tension la tension de sortie est nulle, T1 maintiendrait en permanence le transistor à l'état bloqué, il faut trouver une échappatoire. Ceci explique l'indispensable présence des diodes D3...D6 si l'on veut garantir le démarrage du circuit. La tension de sortie est déterminée par les caractéristiques de D7 et les valeurs du pont diviseur constitué par les résistances R2 et R3. Sachant que la tolérance des diodes zener est relativement large, on pourra remplacer R2 par un ajustable de 5 k W de manière à pouvoir ajuster précisément la tension de sortie. Le remplacement de D7 par une diode zener aux caractéristiques de tension différentes met bien évidemment à disposition une nouvelle plage de tensions de sortie. Lors de la mise en oeuvre pratique de ce circuit, il ne faudra pas oublier qu'il ne comporte pas de dispositif de limitation de courant et qu'il faut donc éviter les courts-circuits. Liste des composants
  • 43.
    ALIMENTATION À COUPUREAUTOMATIQUE R. Kambach Vous avez peut-être souvenir de la scène d'introduction des différents épisodes de la série TV à grand succès, « Mission impossible », dans laquelle on voyait la bande magnétique qui avait servi à transmettre ses instructions à un agent secret, s'auto-consommer : « cette bande s'auto-détruit 30 s après la fin de ce message » disait-elle, et, littéralement, dans un grand feu d'artifice, elle partait en fumée. Ce circuit-ci (figure 1) appartient à la catégorie des montages auto-nomes : il s'agit en effet d'une alimentation qui se « suicide » (ou plutôt se coupe) dès qu'elle constate que l'on peut se passer d'elle, c'est-à-dire qu'elle n'a plus à fournir de courant. Il est heureux cependant que cette mise hors circuit ne soit pas destructrice. Un exemple d'application typique est une alimentation pour baladeur. Certaines personnes s'endorment au rythme de la musique d'une cassette. Lorsque la bande arrive à sa fin, le baladeur se coupe, ce qui n'est cependant pas le cas de l'alimentation qui reste elle sous tension. Si de plus il s'agit d'une réalisation personnelle, on peut comprendre que l'on ait quelque scrupule à laisser un tel appareil sous tension pendant toute la nuit. Pour éviter que votre bande (voire d'autres pièces du mobilier) ne se transforme en « Impossible Enfer », mais plus encore pour jouir d'un repos bien mérité, vous pourrez doter votre appareil de cette alimentation dont l'automatisme de mise hors fonction travaille de la manière suivante. Lors de la circulation d'un courant, il existe aux bornes des diodes D1 et D2 un potentiel suffisant pour faire passer T2 en conduction. Dans ces conditions, le courant de base rend T1 passant ; à son tour celui-ci excite le relais Re1 (dont le contact re1 est pris dans la ligne du secteur). En cas de disparition de la charge, T2 bloque. Le courant de base de T1 débute la charge de C2, de sorte qu'après un intervalle de quelques secondes, le relais décolle : le contact primaire re1 du relais interrompt la liaison secteur/transformateur d'alimentation. Pour remettre l'alimentation en fonction, il faut une double condition : la reconnexion de la charge à la sortie et une action brève sur le bouton poussoir à contact travail, S1. Par l'implantation d'une résistance entre les points A et B, on ajuste à la valeur requise la tension de sortie. Une liaison pure et simple de ces deux points par un pont de câblage fixe la tension de sortie à 3,5 V environ. Une augmentation de 100 W de cette résistance entraîne une augmentation de la tension de sortie de 1 V environ (il circule par la ligne concernée un courant constant de 10 mA). Par l'adjonction d'un commutateur rotatif associé à plusieurs résistances (figure 2) on peut également envisager un montage à tensions de sortie multiples. Quelques remarques concernant les composants utilisés dans ce montage : le relais doit être en mesure de commuter la tension secteur. Le courant alternatif du secondaire du transformateur Tr1 doit être 1 fois et demie celui requis en sortie. Le courant de sortie ne doit pas dépasser 1 A. Si l'on veut disposer en permanence d'un courant de 1 A en sortie, il est préférable d'augmenter à 1 500 µ F la valeur de C1. Pour allonger le retard de réaction du montage, pour vous laisser le temps de changer de cassette par exemple, il faudra augmenter quelque peu la valeur de C2. En fonction du courant requis en sortie, on dotera ou non IC1 d'un radiateur. Comme boîtier, on optera de préférence pour un boîtier à prise secteur incorporée. Liste des composants
  • 45.
    ALIMENTATION 50 VPOUR TEST DE COMPOSANTS D'après une idée de A. Hölzle Pour vérifier les diodes zener, la tension de claquage de jonctions base-émetteur, les diacs et d'autres composants de ce genre, il faut disposer d'une tension relativement élevée. Les alimentations de laboratoire ne conviennent pas pour cet usage car leur tension maximale ne dépasse généralement pas 20 ou 30 V. Le courant dont nous avons besoin pour procéder à ce genre d'essais est très faible 10 à 15 mA suffisent. Une alimentation de ce genre peut être réalisée au moyen de deux amplificateurs opérationnels 741C placés « en série ». La tension de sortie ainsi obtenue est réglable entre 0 V et 50 V et elle est protégée en cas de court-circuit (figure 1) . Une tension d'environ 6 V (réglée par P2) est appliquée à l'entrée non inverseuse de IC1. A la sortie sur la broche 6 nous disposons d'une tension de 25 V par rapport au noeud C1/C2. Cette tension est inversée dans IC2 dont la sortie broche 6 fournit – 25 V. Nous avons dès lors le choix entre une tension symétrique de ± 25 V par rapport à la masse (noeud C1/C2) et une tension asymétrique de 50 V entre les sorties 6 de IC1 et IC2. Le potentiomètre P1 nous permet de fixer une limite à la tension maximale. L'intensité maximale du courant est limitée à environ 20 mA par le circuit interne des amplificateurs opérationnels. Les composants ne courant vraiment que très peu de risques car la tension de notre alimentation s'effondre avant que le courant n'atteigne 20 mA. Les sorties de IC1 et IC2 sont protégées contre un court-circuit de durée indéterminée. Afin d'une part d'éviter les problèmes liés au taux de réjection en mode commun (CMRR) et d'autre part de permettre le réglage de la tension de sortie à partir de 0 V, les diodes zener D6 et D7 assurent un certain recouvrement des tensions d'alimentation de IC1 et IC2. La tension de référence est prise à la sortie de D6. L'alimentation de IC1 est découplée par un condensateur de 100 nF (C4). Les condensateurs C2 et C3 assurent un découplage suffisant pour IC2. Pour le transformateur d'alimentation on choisira deux enroulements secondaires délivrant chacun 18 V et on les branchera en série. Ils peuvent faire partie d'un même transformateur ou bien de deux transformateurs différents et ils doivent supporter un courant de quelques dizaines de mA. N'inversez pas la phase des deux enroulements : si la tension totale du secondaire est de 0 V au lieu de 36 V, c'est que vous venez de le faire ! Avant de mettre les circuits intégrés en place, mesurez la tension d'alimentation présente entre les broches 3 et 4 des supports de IC1 et de IC2. A vide, la tension du secondaire du transformateur sera assez élevée. La tension d'alimentation d'un 741C (le modèle le plus courant) ne doit pas dépasser 36 V. D'autres modèles (741A, 741E, 741) supportent 44 V. Si votre tension d'alimentation est trop élevée, essayez un transformateur à deux enroulements de 15 V En-dessous de 27 V vous risquez en revanche de ne plus atteindre les 50 V souhaités à la sortie. Liste des composants
  • 47.
    CONVERTISSEUR +5 -– 15 V DISCRET La caractéristique la plus frappante de ce surélévateur/convertisseur de tension positive en tension négative est qu'il se passe de circuit intégré spécialisé. Bien qu'il existe de plus en plus de fabricants de ce type de circuit, il est souvent difficile de mettre la main sur un Maxim... ou autre Analog Device adéquat, alors que, comme le prouve ce schéma, une poignée de composants courants permet d'arriver au résultat recherché : la réalisation d'un convertisseur + 5 --> – 15 V de bon aloi. IC1 constitue un multivibrateur auto-oscillant qui fournit un signal de sortie au rapport cyclique relativement élevé. Le LM311 est conçu pour une alimentation unique de 5 V ; son courant de sortie important lui permet d'attaquer un transistor de découpage T1. Le rapport cyclique du signal de sortie est principalement fonction du diviseur de tension R2/R3 et de la fréquence d'oscillation déterminée par les valeurs de la paire C2/R4. T2 fait partie d'une boucle de régulation qui modifie le rapport cyclique de l'oscillateur de façon à ce que l'on ait en permanence une tension de – 15 V en sortie du convertisseur. La tension de sortie U sor répond à la formule suivante : U sor = – (U D1 + U B – E(T1) ) × (R8 / R9 + 1) [V]. Avec les valeurs du schéma (figure 1) , nous avons relevé les caractéristiques techniques suivantes : Rendement (P sor /P ent ) : 75% max. Fréquence d'oscillation : 6 kHz Rapport cyclique : 0,8 environ Ondulation résiduelle en sortie : 100 mV à I L = 200 mA Courant maximal drainé par la charge : 200 mA T1 doit être doté d'un petit radiateur. Liste des composants
  • 49.
    PROTECTION DES H.P.PAR DÉTECTION ACTIVE DE LA COMPOSANTE CONTINUE Pour isoler la composante continue d'un signal, il faut en éliminer la composante alternative. Dans le circuit (figure 1) , proposé ici notre concepteur a fait appel au taux de réjection en mode commun (CMRR) d'un amplificateur opérationnel pour arriver à ses fins. L'entrée inverseuse de l'amplificateur opérationnel A1 est attaquée par les composantes continue et alternative, tandis que l'entrée non inverseuse n'est attaquée que par la composante alternative à travers le condensateur C1. La fréquence la plus basse qui puisse être détectée ainsi est déterminée par la base de temps du circuit CR d'entrée : C1× (R3 + R4). L'atténuation de la composante alternative obtenue avec les valeurs choisies pour les composants est d'environ 50 dB à 20 Hz. La sortie de A1 est suivie d'un filtre passe-bas qui atténue d'avantage les signaux à fréquence plus élevée. Cette précaution est indispensable car le CMRR diminue énormément avec la fréquence. Le signal attaque ensuite le circuit comparateur construit autour de A2. Les diodes D1 et D2 ont pour fonction de limiter l'action du comparateur aux signaux positifs ou négatifs dépassant 300 mV environ. En considérant le schéma d'une façon globale, on se rend compte que si une tension continue négative est présente à l'entrée du montage, elle donnera lieu à une tension positive à l'entrée inverseuse de A2. De même, une tension continue positive donnera lieu à une tension négative à l'entrée non inverseuse de A2. Dans les deux cas la sortie de A2 sera négative et elle bloquera le transistor de puissance T1 . Le relais qui est normalement excité dès la mise sous tension se décollera dès qu'une tension continue positive ou négative sera présente à l'entrée du montage. Le diviseur de tension R7/P1/R8/R9 est réglé de manière telle que la tension de l'entrée non inverseuse de A2 provoque l'excitation du relais en l'absence de composante continue. Le condensateur C8 retarde l'enclenchement du relais de quelques secondes après la mise sous tension. Le rôle des condensateurs C3 et C4 est de lisser les très basses fréquences pour éviter l'instabilité du relais. Le transistor de puissance BC547B commande le fonctionnement du relais et peut supporter un courant de collecteur d'environ 100 mA. La tension d'alimentation du relais ne doit pas dépasser 18 V. Si l'alimentation du circuit n'est pas parfaitement symétrique, il se peut que la plage de réglage du potentiomètre P1 soit insuffisante. Dans ce cas il faut modifier la valeur de R7. Lorsque ce circuit de protection des haut-parleurs est utilisé dans un système d'enceintes acoustiques actives, chaque étage de sortie doit être pourvu de son propre détecteur. On utilise pour cela la partie du circuit qui va de l'entrée du schéma, en passant par A1 et les diodes D1 et D2, jusqu'aux points A et B. Les sorties des détecteurs sont mises en parallèle aux points A et B. Pour les voies médium et aiguë, la constante de temps du circuit RC d'entrée peut être plus petite que pour la voie grave. De cette façon l'action du relais interviendra plus tôt pour ces fréquences. Sur un système actif, le relais, s'il est à contact unique, pourra par exemple servir à couper la tension d'alimentation du préamplificateur. Mais on peut aussi mettre en oeuvre un relais à plusieurs contacts, voire plusieurs relais pour couper les signaux juste avant les H.P. La consommation du circuit dépendra principalement du courant de maintien de la bobine du (des) relais. Liste des composants
  • 51.
    DÉTECTEUR DE COUPUREDE COURANT Dr. J. Devasundaram / Dr. C. Annaiah 1988 ne restera sans doute pas dans les mémoires comme l'année au cours de laquelle un lecteur d'ELEKTOR a trouvé une nouvelle application du temporisateur 555. L'idée de deux nos lecteurs, Messieurs J. Devasundaram et C. Annaiah (Inde) méritait pourtant que l'on s'y intéresse. Partant d'un circuit publié dans le numéro hors-gabarit de 1983, ils nous proposent un indicateur de chute de tension doté d'une alimentation propre, et capable de faire retentir un signal sonore durant quelques instants même après la disparition totale et durable de la tension d'alimentation. La fonction d'un tel indicateur, rajouté sur un appareil quelconque sensé fonctionner sans interruption, est d'indiquer une coupure (accidentelle et éventuellement passée inaperçue) de la tension d'alimentation de cet appareil. Le temporisateur est monté en multivibrateur astable. Au repos sa sortie (broche 3) est au niveau « 0 ». La LED verte est donc allumée, ce qui indique que tout va bien. Dès que la tension d'alimentation passe sous un seuil critique (réglable à l'aide de P1) (figure 1) , la temporisation du 555 commence, et sa sortie passe au niveau « 1 ». La LED rouge s'allume pour indiquer la coupure de courant, tandis que le relais Re1 est excité, mettant ainsi sous tension le ronfleur Bz1 (ce n'est pas un résonateur passif !). Un signal sonore retentit. Du fait de la valeur élevée du condensateur C5 monté en parallèle sur le ronfleur, le signal continuera de retentir pendant au moins une trentaine de secondes après une coupure générale et durable de la tension d'alimentation. La LED rouge ne reste allumée que durant 7 secondes environ. Entre le curseur de P1 et la masse se trouve un condensateur d'une valeur relativement élevée qui empêche les déclenchements intempestifs du détecteur en cas d'interruptions extrêmement brèves. Sa forte capacité nivelle en effet les dépressions éventuelles de la tension relevée sur P1. Si l'on désire que l'indicateur prenne en compte de telles micro-coupures, il suffit d'omettre C2. On peut aussi agir sur la constante de temps du temporisateur en modifiant la valeur de R2 et/ou C3 (durée de l'impulsion calibrée = 1,1 × R2 × C3). Liste des composants
  • 53.
    GARDE-78XX Si l'on alimenteun régulateur de tension à partir d'un module secteur, on court le risque de voir l'adaptateur secteur fournir une tension trop faible ou, à la suite d'une surcharge, que la tension fournie par le module tombe à une valeur trop faible pour permettre au régulateur de fonctionner correctement. Il est intéressant, que dis-je, vital, que l'utilisateur soit averti immédiatement d'une telle situation. Pour le bon fonctionnement d'un régulateur il est essentiel qu'il existe une différence (plus ou moins grande en fonction des caractéristiques du régulateur) entre les niveaux des tensions d'entrée et de sortie. Dans bien des cas, cette différence doit être de 3 V au minimum (cas extrême, de nombreux régulateurs font mieux aujourd'hui). L'amplificateur opérationnel IC1 surveille la chute de tension aux bornes du régulateur ; à ses entrées arrivent, via deux diviseurs de tension, d'une part la tension d'entrée du régulateur et d'autre part sa tension de sortie. Si le niveau de la tension d'entrée est trop faible, la sortie de IC1 bascule au niveau « haut ». Le condensateur C1 se charge alors et le transistor T1 se met à conduire, produisant l'illumination de la LED D2. On pourra bien entendu, si l'on trouve qu'une LED n'attire pas suffisamment l'attention, remplacer la LED D2 et la résistance R7 par un résonateur piézo-électrique. La charge du condensateur C1 permet une illumination de la LED de 10 ms au minimum de sorte que le circuit réagit également à des chutes de tension brèves à l'entrée du régulateur. Une ondulation résiduelle trop importante qui se traduit par une tension d'entrée trop faible produit elle aussi une alarme indiscutable. Les valeurs données aux composants du schéma (figure 1) sont celles qui conviennent en cas d'utilisation d'un régulateur du type 7805. Pour un régulateur d'un autre type, il faudra modifier la valeur de la résistance R1 en se basant sur la formule suivante : Il faudra en tous cas veiller à ce que la chute de tension ( ) soit supérieure à la chute de tension minimale aux bornes du régulateur pour éliminer tout risque de non fonctionnement du montage. Cette précaution est indispensable car, lorsque le régulateur refuse progressivement de remplir sa fonction, la chute de tension (minimale) à ses bornes reste constante jusqu'à ce que la tension d'entrée se soit totalement effondrée. Le circuit de protection doit réagir à une chute de tension qui est légèrement supérieure à la chute de tension minimale requise. Liste des composants
  • 55.
    INDICATEUR DE TENSIONMINI / MAXI d'après une idée de F. Roth Le TL430/431 de Texas lnstruments est une diode zener active intégrant une source de tension de référence de 2,5 V, un comparateur et un étage de sortie (figure 1) . La tension de service maximale admissible est de 30 V à 100 mA. La combinaison de ce composant avec une résistance ajustable, P1, permet de réaliser un indicateur de tension ajustable. La valeur à donner à la résistance de limitation R1 se calcule à partir de la formule suivante : R1 = (U ent – 4,5 V) / 10 mA, de façon à ce que le courant à travers la LED soit de 10 mA environ. En fonction de la position de l'ajustable P1, la LED s'illumine lorsque la tension d'entrée est trop élevée ou s'éteint lorsque le niveau de la tension est trop bas. Si l'on construit deux circuits identiques dotés de LED de couleur différente, on pourra réaliser un dispositif efficace de surveillance d'une tension d'alimentation ou d'une grandeur de mesure se traduisant sous la forme d'une tension. On étalonne le système double à une valeur limite inférieure et supérieure de façon à ce que, dans le domaine qu'elles délimitent (la tension U ent est correcte), l'indicateur étalonné sur la limite inférieure soit allumé et que celui étalonné sur la limite supérieure soit éteint. Une tension à surveiller trop importante entraîne l'illumination des deux LED, une tension trop faible leur extinction. Liste des composants
  • 57.
    CHARGEUR CdNi DELUXE La tension d'entrée indiquée sur le schéma (figure 1) permet à ce circuit de charger jusqu'à 7 accumulateurs CdNi, montés en série. Si l'on désire recharger simultanément un nombre encore plus grand d'accumulateurs, il suffit tout simplement d'accroître la tension d'entrée de 1,5 V pour chaque accumulateur supplémentaire. À condition de doter le transistor T2 d'un radiateur de caractéristiques convenables, on pourra appliquer au circuit une tension d'entrée pouvant aller jusqu'à 25 V. À l'inverse d'un nombre non négligeable de chargeurs CdNi courants, le circuit simple décrit ici offre une protection contre une erreur de polarité effectuée par exemple lors du branchement des accumulateurs à recharger. Le fonctionnement de cette protection est simple : en cas d'erreur de polarité le circuit refuse tout bonnement de fonctionner. Le fait que, lors de la mise hors fonction du circuit, l'accumulateur qui y est connecté ne représente pas de charge (ce qui entraînerait sa décharge) constitue un avantage additionnel non négligeable. En règle générale, on admet que la recharge des accumulateurs CdNi se fait pendant une période de 14 heures à un courant égal au 1/10 de leur capacité nominale. Prenons un exemple : un accumulateur de 500 mA sera rechargé pendant 14 heures à un courant de 50 mA. Il n'y a pas d'inconvénient, normalement, à prolonger légèrement la durée de recharge. Si l'on augmente le courant de charge, et qu'il dépasse la valeur recommandée (1/10 de la capacité nominale), il faudra raccourcir la période de recharge en conséquence, si l'on veut éviter tout risque d'endommager l'accumulateur. L'ajustable P1 sert à définir ]e courant de charge que venons d'évoquer ; il bat une plage de réglage allant de 0 à près de 1 A. Il est possible de vérifier le courant de charge en connectant un voltmètre aux bornes de la résistance R3. Il n'est pas nécessaire de faire des calculs compliqués puisque cette résistance a une valeur de 1 W très exactement. Le fonctionnement du circuit est relativement simple. Le transistor T1 est conducteur lorsqu'un accumulateur est branché correctement au circuit (polarité) ou lorsqu'il n'y en a pas. Le courant de collecteur de T1 fournit, à travers les diodes D1 à D3, une tension de référence de 2,1 V environ. A travers le dispositif de réglage du courant de charge, que constitue le potentiomètre P1, une partie de cette tension est appliquée au transistor darlington T2. La résistance d'émetteur de T2, R3, fournit le courant constant. N'oubliez surtout pas de doter le transistor T2 d'un radiateur de caractéristiques convenables. En cas de difficultés pour dénicher un BD679, on pourra le remplacer par pratiquement n'importe quel transistor darlington NPN de moyenne puissance à condition que sa caractéristique combinée tension/courant de collecteur soit de 30 V/2 A. La diminution de la valeur de la résistance R3 permet d'obtenir un courant de charge supérieur à 1 A. Le courant de repos du chargeur est de 15 mA environ pour une tension d'entrée de 12 V. Liste des composants
  • 59.
    ALIMENTATION 5 VROBUSTE Le régulateur de tension « standard » du type 7805 (figure 1) a deux avantages importants : il est disponible partout et de plus peu coûteux. Dans certains cas il s'avère que son courant de sortie maximal de 1 A n'est pas suffisant. Pour augmenter l'intensité de ce courant de sortie il suffit tout simplement d'ajouter un transistor de puissance (T3) monté sur un radiateur. Tant que le courant reste assez faible, le 7805 se charge, comme il en a l'habitude, de la régulation. Dès que le courant dépasse quelque 15 mA, il se produit une chute de tension aux bornes de la résistance R4 qui fait alors passer le transistor T3 à l'état passant. Le transistor T2 protège T3 contre des courts-circuits. Si le courant qui circule par le transistor de puissance MJ2955 dépasse 3 A, la chute de tension aux bornes de la résistance prise en série dans sa ligne d'émetteur, R3, prend une valeur telle que T2 devient passant lui aussi. De ce fait, la tension base/émetteur de T3 est limitée et il devient virtuellement impossible que le courant de sortie continue d'augmenter encore plus. On remarquera la présence d'un troisième transistor, T1, pris en parallèle sur T2 ; il sert à la commande de la LED D1, qui visualise l'entrée en fonction du sous-ensemble de limitation de courant. La résistance R5 sert à limiter le courant véhiculé par le 7805 lorsque l'électronique de limitation de courant (T2 et T3) est active. Dans ce cas-là, la résistance R4 est court-circuitée par T2 et si R5 n'avait pas été implantée, le 7805 en aurait vu de toutes les couleurs. L'obtention d'un courant de sortie important se paie. Pour obtenir un courant de sortie de 3 A, il faut que la tension d'entrée soit de 10 V. Un 7805 « ordinaire », c'est-à-dire non doté de cette électronique supplémentaire, se satisfait lui de 8,5 V. L'électronique de limitation du courant présente un fonctionnement progressif. Ceci a pour conséquence que l'on peut observer, en cas de court-circuit des sorties, un courant pouvant grimper jusqu'à 6 A. Il est fortement recommandé, est-il nécessaire d'insister, de limiter à un strict minimum la durée d'un tel court-circuit. Lors de réalisation de ce circuit il faut veiller à ce que les transistors T2 et T3 soient parfaitement isolés galvaniquement des radiateurs (qui auront une résistance thermique de 2 à 3 K/W). Il n'est pas nécessaire de doter le 7805 d'un radiateur. Rien ne s'oppose pourtant à son montage sur le radiateur destiné à T2. L'implantation des autres composants n'appelle pas le moindre commentaire et ne devrait pas poser de problème. Liste des composants
  • 61.
    ALIMENTATION RÉGLABLE LINÉAIRE N.Körber Avec la plupart des alimentations réglables il n'existe pas de rapport linéaire entre la position du curseur du potentiomètre de réglage et la tension de sortie. De ce fait il est indispensable de mesurer la tension de sortie et d'incorporer éventuellement un circuit de mesure associé à un affichage de la tension de sortie. Si ce rapport était linéaire, il suffirait de doter le bouton du potentiomètre d'une échelle linéaire - à l'image de ce que l'on fait sur de nombreux générateurs de fonctions - afin de pouvoir régler facilement et de manière fiable le niveau de la tension de sortie. Le circuit (figure 1) de cet article présente toutes ces caractéristiques. La différence la plus remarquable avec les alimentations réglables habituelles consiste en une connexion directe (en court-circuit) entre le curseur du potentiomètre P1 et son contact relié, à travers la résistance R6, à la masse. À l'aide de ce pont de court-circuit il est possible d'améliorer un nombre important de circuits similaires. Il est indispensable pourtant, inutile de le préciser, d'utiliser un potentiomètre linéaire de très bonne qualité. Le circuit nécessite une tension continue d'entrée de 28 à 37 V pour pouvoir fournir à sa sortie une tension régulée de 2 à 25 V. Le courant maximal de sortie est de 2 A. Remarque importante : La dissipation du transistor MJ3000 peut atteindre 50 W. Il est important de ce fait, de le doter d'un radiateur de caractéristiques et de dimensions convenables (1,5 K / W). Liste des composants
  • 63.
    ALIMENTATIONS À PARTIRDE 0 V L. Nunnink L'astuce de ce circuit de régulation est de permettre une décroissance jusqu'à 0 V de la tension de sortie. La fonction de régulation de ce montage est prise en compte par un circuit intégré du type LM317. Si l'on veut réaliser une alimentation réglable jusqu'à 0 V, en faisant appel à ce composant, on utilise en règle générale une diode zener additionnelle, destinée à fournir une tension de référence négative ayant la valeur de la tension de référence, U R , du régulateur (figure 1) . La tension de sortie se laisse ajuster par action sur le potentiomètre R2, partie intégrante du diviseur de tension R1/R2. Dans ce montage-ci, nous faisons appel à un amplificateur opérationnel pour dériver la tension de référence négative du régulateur LM317 lui-même (figure 2) . L'amplificateur opérationnel remplit une fonction de différentiateur qui mesure la tension aux bornes de la résistance R1. Cette tension est inversée ensuite pour constituer la tension de référence, U R . Contrairement au circuit de la figure 1, une fluctuation de la tension de référence, à des tensions de sortie assez faibles, est sans influence sensible sur la tension de sortie du circuit de la figure 2 ; cette caractéristique constitue un atout important de ce processus de régulation. La figure 3 donne le schéma du montage ; on peut y retrouver les valeurs données aux composants du prototype de cette régulation qui fonctionne à l'entière satisfaction de ses utilisateurs, ici dans le laboratoire d'Elektor. En ce qui concerne le type d'amplificateur opérationnel à utiliser, vous avez liberté de choix totale. On peut fort bien se contenter d'un 741, mais un LF356 donne de meilleurs résultats. Pour fournir une tension d'alimentation négative à l'amplificateur opérationnel vous avez le choix entre trois possibilités : primo, utiliser un transformateur à prise intermédiaire centrale au secondaire, secundo, réaliser un simple circuit d'appoint à l'aide de quelques diodes et condensateurs électrochimiques, ou, tertio, faire appel au montage « TENSION AUXILIAIRE NÉGATlVE » (voir montage n°44 du numéro 145/146). Liste des composants
  • 65.
    ALIMENTATION 3 VPOUR BALADEUR La grande majorité des récepteurs radio et des lecteurs de cassettes portatifs (les « baladeurs ») nécessite une tension de 3 V fournie, en règle générale, par deux piles de 1,5 V. Lors d'une utilisation « in situ » (immobile) d'un tel appareil - au bureau par exemple - il est préférable, des points de vue du coût et de la protection de l'environnement, de renoncer aux piles et de faire appel à un petit module d'alimentation secteur. A cet effet, nous proposons un montage minuscule qui, en raison du faible nombre de composants nécessaires, pourra éventuellement être incorporé dans le compartiment des piles, à l'exception du transformateur bien entendu. Les résistances R1 et R2 fixent la tension de sortie de IC1 (figure 1) , un régulateur de tension du type LM317 (inutile de vous le présenter) à une valeur de 3 V. Le condensateur C2 sert au découplage tandis que C3 effectue un filtrage additionnel. La LED D1 remplit deux fonctions : par son illumination elle visualise l'état de fonctionnement du montage ; elle constitue en outre la charge de base indispensable au régulateur pour en garantir le fonctionnement correct. La présence de cette diode électroluminescente est absolument nécessaire si l'on veut éviter que la tension à vide du transformateur ne puisse grimper à une valeur trop importante. La puissance de 4VA5 du transformateur (un BLOCK* VR 4,5/1/12 par exemple) peut sembler, à première vue, légèrement hors de proportion. Il n'est pas mauvais de se souvenir que les lecteurs de cassettes ou de disques audionumériques ont besoin d'un courant initial de démarrage assez important. Avant de connecter cette alimentation à votre baladeur il faudra vérifier sa tension de sortie. Il n'est jamais exclu qu'un circuit (intégré) soit défectueux, n'est-ce pas ? * BLOCK est représenté en France par TRADELEC, 12 rue Saint Merri, 75004 Paris et en Belgique par HALELECTRONICS, Oudstrijdersplein 6, B 1500 Halle. Liste des composants
  • 67.
    Sommaire Alimentations redressement commutable doubleur detension continue « fitness center » pour accu au plomb alimentation économique à régulation thyristorisée chargeur pour accu modèle réduit commutateur électronique fusible électronique chargeur d'accus CdNi régulateur de tension discret low drop alimentation réglable micro-chargeur d'accus CdNi convertisseur élévateur de tension interrupteur électronique pour auto source de tension auxiliaire négative source de tension programmable limitation de courant temporisée régulateur de tension discret alimentation à coupure automatique alimentation 50 V pour test de composants convertisseur +5 V – > 15 V discret protection des H.P. par détection active de la composante continue détecteur de coupure de courant garde-78XX indicateur de tension mini / maxi chargeur CdNi de luxe alimentation 5 V robuste alimentation réglable linéaire alimentation à partir de 0 V alimentation 3 V pour baladeur
  • 69.
    Figure 1. Sivous cherchez bien, vous trouverez deux redresseurs sur ce schéma ! L ' un est constitué par D1, D2, Th1 et Th2 lorsque ces derniers sont amorcés, l'autre par D1, D2 et D3 lorsque les thyristors sont bloqués. La commutation est effectuée à l'aide d'une tension de commande appliquée sur la base de T2.
  • 71.
    Figure 3. Ramenéà sa plus simple expression, le circuit de la figure 1 n'est rien d'autre qu'un redresseur double alternance lorsque les thyristors sont amorcés.
  • 73.
    Figure 4. Lorsqueles thyristors sont bloqués, le circuit de la figure 1 se présente comme s'ils n'existaient pas : on est alors en présence d'un redresseur simple alternance.
  • 75.
    Figure 2. Lesthyristors Th1 et Th2 sont amorcés par T1 lorsque la base de T2 est à un potentiel compris entre 1 et 10 V : à ce moment, les tensions U1 et U2 s'additionnent. Lorsque les thyristors sont bloqués, elles apparaissent à tour de rôle, d'où il résulte une réduction de moitié de la tension redressée.
  • 77.
    Liste des composants REDRESSEMENTCOMMUTABLE Résistances : R1, R1' = 10 k W (R1' = R6 dans le schéma Ultimate) R2, R4 = 100 k W R3, R5 = 22 k W Semi-conducteurs : D1...D3 =1N4001...1N4007 ou 1N5401...1N5407 D4, D5 = 1N4148 T1 = BC557B T2 = BC547B Divers : Th1, Th2 = TIC106 D ou TIC116D ou TIC126D
  • 79.
    Figure 1. DOUBLEURDE TENSION CONTINUE.
  • 81.
    Liste des composants DOUBLEURDE TENSION CONTINUE Résistances : R1, R3 = 100 W R2 = 10 k W Condensateurs : C1 = 8,2 nF C2 = 10 nF C3, C4 = 10 µF/40 V C5 = 100 µF/16 V Semi-conducteurs : IC1 = NE555 T1 = BC639 T2 = BC640 D1, D2 = 1N4001
  • 83.
    Figure 1. SCHÉMADU « FITNESS CENTER » POUR ACCU AU PLOMB.
  • 85.
    Liste des composants «FITNESS CENTER » POUR ACCU AU PLOMB Résistances : R1 = 10 k W R2 = 68 W (*voir texte) Semi-conducteurs : D1...D4 = B40C10000 D5 = LED D6 = 1N4148 D7 = diode zener 12 V/400 mW (* voir texte) T1 = BC547B T2 = BC337 Divers : F1 = 10 AT Tr1 = transfo 12 V/5 A Re = relais 12 V
  • 87.
    Figure 1. ALIMENTATIONÉCONOMIQUE À RÉGULATION THYRISTORISÉE.
  • 89.
    Liste des composants ALIMENTATIONÉCONOMIQUE À RÉGULATION THYRISTORISÉE Résistances : R1, R3 = 220 W R2 = 10 k W R4 = 560 W P1 = 250 W var. Condensateurs : C1 = 10000 µF/16 V Semi-conducteurs : D1...D4 = B80C2200 D5, D6 = 1N5401 D7 = diode zener 4V7/100 mW T1 = BC547B Th1 = TIC106 Divers : S1 = interrupteur secteur bipolaire F1 = fusible 0,2 AT Tr1 = transfo à quatre bornes au secondaire (10 V, 8 V, 2 V, 0 V)
  • 91.
    Figure 1. CHARGEURPOUR ACCU DE MODÈLE RÉDUIT.
  • 93.
    Liste des composants CHARGEURPOUR ACCU DE MODÈLE RÉDUIT Résistances : R1 = 1 W (*voir texte) R2 = voir tableau 2 R3 = 820 W R4 = 560 W (2,2 k W sous 12 V) R5 = 470 W P1 = 500 W ajustable Condensateurs : C1 = 1000 µF/25 V C2 = 330 nF C3 = 1 µF/16 V Semi-conducteurs : D1...D4, D7, D8 = 1N4001 (* voir tableau 2) D5, D9 = 1N4148 D6 = LED IC1 = L200 Divers : M1 (option) = galvanomètre à bobine mobile 500 mA (* voir tableau 2) Tr1 = transfo secondaire 12 V/ 600 mA (* voir tableau 2) S1 = interrupteur secteur double F1 = fusible lent 100 mA radiateur pour IC1
  • 95.
    Figure 1. COMMUTATEURÉLECTRONIQUE.
  • 97.
    Liste des composants COMMUTATEURÉLECTRONIQUE Résistances : R1...R3 = 10 k W R4...R6 = 470 W R7...R9 = (* voir texte) Condensateurs : C1 = 100 nF C2...C4 = (* voir texte) Semi-conducteurs : D1...D3 = LED T1...T3 = BC547B IC1 = 4028 Divers : S1...S3 = bouton poussoir à contact travail
  • 99.
    Figure 1. FUSIBLEÉLECTRONIQUE.
  • 101.
    Liste des composants FUSIBLEÉLECTRONIQUE Résistances : R1 = 2,2 W (* voir texte) R2, R3 = 10 k W R4 = 560 W R5, R6 = 1 k W R7 = 5,6 k W Condensateurs : C1 = 10 µF/16 V (* voir texte) Semi-conducteurs : D1 = LED D2 = 1N4148 T1 = BC557B T2 = BC161 Divers : S1 = bouton poussoir à contact travail
  • 103.
    Figure 1. CHARGEURD'ACCUS CdNi.
  • 105.
    Liste des composants CHARGEURD'ACCUS CdNi Résistances : R1, R2 = 100 W R3, R5, R7, R9 = 12 W /1 W R4, R6, R8, R10 = 220 W R11 = 470 W P1, P2 = 10 k W var Condensateurs : C1, C2 = 100 nF C3 = 1000 µF/16 V Semi-conducteurs : D1...D4 = 1N4148 D5...D8 = LED T1 = BC547B T2...T5 = BC160 IC1 = 7808 B1 = B80C1500 Divers : Tr1 = transfo 12 V/1 A F1 = fusible 50 mA S1 = triple inverseur S2 = interrupteur secteur bipolaire
  • 107.
    Figure 1. RÉGULATEURDE TENSION DISCRET LOW DROP .
  • 109.
    Figure 2. Courbede la caractéristique de repliement.
  • 111.
    Liste des composants RÉGULATEURDE TENSION DISCRET LOW DROP Résistances : R1 = 100 k W R2 = 390 W R3 = 1 k W R4, R5 = 2,2 k W Condensateurs : C1 = 100 pF Semi-conducteurs : D1 = AA119 D2 = diode zener 4,7 V T1, T2 = BC547B T3 = BD140
  • 113.
  • 115.
    Figure 2. Lebrochage du L 200.
  • 117.
    Liste des composants ALIMENTATIONRÉGLABLE Résistances : R1 = 3,9 k W R2 = 1,2 k W R3 = 1 k W R4 = 0,47 W /5 W R5 = 0 , 33 W /5 W R6 = 0,15 W /5 W R7 = 0,39 W /5 W R8...R11,R20 = 10 k W R12...R15 = 22 k W R16...R19 = 68 W P1 = 10 k W Condensateurs : C1 = 100 nF C2 = 100 µF/63 V C3 = 330 nF Semi-conducteurs : D1...D5 = LED D6...D13 = 1N4148 T1 = BC547 T2...T5 = BC557B T6...T9 = BC547B IC1 = L200 Divers : S1 = interrupteur simple
  • 119.
  • 121.
    Figure 2. VERSIONÉLABORÉE DU MICRO-CHARGEUR D'ACCUS CadNi.
  • 123.
    Liste des composants MICRO-CHARGEURD'ACCUS CadNi Version 1 Résistances : R1, R2 = (* voir texte) Semi-conducteurs : D1 = LED T1 = BC557 Version 2 Résistances : R1, R2, R3 = (* voir texte) R4 = 3,3 k W Semi-conducteurs : D1 = LED D2 = 1N4001 T1 = BC557 ou BD140 T2 = BC547B
  • 125.
    Figure 1. CONVERTISSEURÉLÉVATEUR DE TENSION.
  • 127.
    Liste des composants CONVERTISSEURÉLÉVATEUR DE TENSION Résistances : R1, R2 = 1 k W R3 = (* voir texte) P1 = 500 W var. Condensateurs : C1 = 10 µF/63 V C2 = 1 µF/63 V C3 = 470 µF/63 V Semi-conducteurs : D1 = BYX55 IC1 = LT1070 Divers : L1 = 200...300 µH (* voir texte)
  • 129.
    Figure 1. INTERRUPTEURÉLECTRONIQUE POUR AUTO (VARIANTE 1) .
  • 131.
    Figure 2. INTERRUPTEURÉLECTRONIQUE POUR AUTO (VARIANTE 2).
  • 133.
    Liste des composants INTERRUPTEURÉLECTRONIQUE POUR AUTO Version 1 Résistances : R1, R2 = (*voir texte/ tableau) Semi-conducteurs : T1 = MJE2955T, TIP2955 T2 = BD136, BD140 Divers : S1 = interrupteur unipolaire (caractéristiques en fonction de l' application envisagée) Version 2 Résistances : R1,R2 = (*voir texte/ tableau) Semi-conducteurs : T1 = MJE3055T, TIP3055 T2 = BD135, BD139 Divers : S1 = interrupteur simple
  • 135.
    Figure 1. SOURCEDE TENSION AUXILIAIRE NÉGATIVE.
  • 137.
    Liste des composants SOURCEDE TENSION AUXILIAIRE NÉGATIVE Résistances : R1 = 10 k W (*voir texte) Condensateurs : C1 = 330 pF (*voir texte) C2 = 470 nF C3 = 10 µF/10 V C4 = 100 nF Semi-conducteurs : D1, D2 = 1N4148 IC1 = CD4009
  • 139.
    Figure 1. SOURCEDE TENSION PROGRAMMABLE.
  • 141.
    Figure 2. Niveauxde tension possibles de la source de tension programmable : 5 V et 21 V (deux des tensions les plus fréquemment utilisées).
  • 143.
    Liste des composants SOURCEDE TENSION PROGRAMMABLE Résistances : R1 = 220 W R2 = 3,3 k W R3 = 820 W R4 = 4,7 k W Condensateurs : C1, C3 = 100 nF C2 = 1 nF C4 = 22 nF Semi-conducteurs : T1 = BC547B IC1 = 317
  • 145.
    Figure 1. LIMITATIONDE COURANT TEMPORISÉE.
  • 147.
    Liste des composants LIMITATIONDE COURANT TEMPORISÉE Résistances : R1 = 47 W R2 = 100 W /2 W P1 = 25 W Condensateurs : C1 = 22000 µF/25 V C2 = 100 µF/25 V C3 = 1000 µF/25 V Semi-conducteurs : IC1 = 78H12 B1 = BYW64 Divers : Re1 = 12 V F1 = 5 A S1 = interrupteur simple
  • 149.
    Figure 1. RÉGULATEURDE TENSION DISCRET.
  • 151.
    Liste des composants RÉGULATEURDE TENSION DISCRET Résistances : R1 = 1 k W R2, R3 = 2,7 k W R4 = 220 W R5, R7 = 180 W R6 = 330 W Semi-conducteurs : D1...D6 = 1N4148 D7 = 3,3 V/400 mW, diode zener T1 = BC547B T2, T3 = BC557B T4 = BD242
  • 153.
    Figure 1. ALIMENTATIONÀ COUPURE AUTOMATIQUE.
  • 155.
    Figure 2. DÉTAILLÉALIMENTATION À COUPURE AUTOMATIQUE.
  • 157.
    Liste des composants ALIMENTATIONÀ COUPURE AUTOMATIQUE Résistances : R1 = 1 k W R2 = 4,7 k W R3 = 10 k W R4 = (* voir texte) Condensateurs : C1 = 470...1500 µF/25 V C2 = 100 µF/25 V C3, C4 = 100 nF Semi-conducteurs : D1, D2 = 1N4001 D3 = 1N4148 T1 = BC547B T2 = BC557 B IC1 = 7805 B1 = B40C1500 Divers : F1 = 200 mAT Re1 = 12 V S1 = bouton poussoir à contact travail Tr1 = transfo 12 V
  • 159.
    Figure 1. ALIMENTATION50 V POUR TEST DE COMPOSANTS.
  • 161.
    Liste des composants ALIMENTATION50 V POUR TEST DE COMPOSANTS Résistances : R1, R2 = 4,7 k W R3 = 22 k W R4...R6 = 100 k W P1 = 25 k W P2 = 50 k W Condensateurs : C1, C2 = 100 µF/40 V C3 = 47 µF/16 V C4...C6 = 100 nF Semi-conducteurs : D1...D5 = 1N4148 D6, D7 = 5,6 V, diode zener IC1, IC2 = 741 Divers : Tr 1 = (* voir texte)
  • 163.
    Figure 1. CONVERTISSEUR+5 > – 15 V DISCRET.
  • 165.
    Liste des composants CONVERTISSEUR+5 > – 15 V DISCRET Résistances : R1, R7 = 100 W R2 = 39 k W R3, R4 = 10 k W R5 = 22 k W R6 = 500 W R8, R9 = 56 k W Condensateurs : C1 = 100 µF/10 V C2 = 10 nF C3 = 1000 µF/25 V Semi-conducteurs : D1 = 6,8 V/400 mW, diode zener D2 = 1N5408 T1 = BD438 T2 = 2N2222 IC1 = LM311 Divers : L1 = 1 mH
  • 167.
    Figure 1. PROTECTIONDES H.P. PAR DÉTECTION ACTIVE DE LA COMPOSANTE CONTINUE.
  • 169.
    Liste des composants PROTECTIONDES H.P. PAR DÉTECTION ACTIVE DE LA COMPOSANTE CONTINUE Résistances : R1...R4 = 100 k W , 1 % R5 = 1 k W R6, R8 = 47 k W R7 = 100 k W R9 = 56 k W R10 = 10 k W P1 = 250 W Condensateurs : C1 = 10 µF/40 V (bipolaire) C2 = 1µF/MKT C3, C8 = 22 µF/25 V C4 = 22 µF/25 V (bipolaire) C5 = 1 nF C6, C7 = 100 nF Semi-conducteurs : D1...D4 = 1N4148 T1 = BC547B IC1 = TL072 Divers : Re1 = 12 V
  • 171.
    Figure 1. DÉTECTEURDE COUPURE DE COURANT.
  • 173.
    Liste des composants DÉTECTEURDE COUPURE DE COURANT Résistances : R1 = 4,7 k W R2 = 1,5 M W R3, R4 = 470 W R5 = 22 W P1 = 5 k W var . Condensateurs : C1 = 2200 µF/25 V C2 = 470 µF/16 V C3 = 10 µF/16 V C4 = 100 nF C5 = 4700 µF/25 V Semi-conducteurs : D1 = LED vert D2 = LED rouge D3 = 5,1 V, diode zener D4, D5 = 1N4001 D6 = 15 V/1 W, diode zener B1 = B40C500 IC1 = NE555 Divers : Re1 = 12 V Bz1 = 12 V
  • 175.
  • 177.
    Liste des composants GARDE-78XX Résistances: R1 = 27 k W R2...R4 = 10 k W R5, R6 = 100 k W R 7 = 470 W Condensateurs : C1 = 10 µF/16 V C2 = 100 nF Semi-conducteurs : D1 = 1N4148 D2 = LED T1 = BC517 IC1 = CA3140
  • 179.
    Figure 1. INDICATEURDE TENSION MINI / MAXI.
  • 181.
    Liste des composants INDICATEURDE TENSION MINI / MAXI Résistances : R1 = (* voir texte) R2, R3 = 1 k W P1 = 10 k W Semi-conducteurs : D1 = LED D2 = TL430 / 431
  • 183.
    Figure 1. CHARGEURCdNi DE LUXE.
  • 185.
    Liste des composants CHARGEURCdNi DE LUXE Résistances : R1 = 680 W R2 = 47 k W R3 = 1 W /1 W P1 = 1 k W pot. lin. Semi-conducteurs : D1...D5 = 1N4148 D6 = 1N4001 T1 = BC557B T2 = BD679 (Siemens) Divers : radiateur pour T2
  • 187.
  • 189.
    Liste des composants ALIMENTATION5V ROBUSTE Résistances : R1 = 330 W R2 = 470 W R3 = 0,18 W /5 W R4 = 47 W R5 = 18 W Condensateurs : C1 = 4700 µF/16 V C2 = 10 µF/16 V Semi-conducteurs : D1 = LED rouge T1 = BC557B T2 = BD140 T3 = MJ2955 IC1 = 7805 Divers : K1, K2 = bornier encartable à 2 contacts 2 radiateurs de 2 à 3 K / W de résistance thermique
  • 191.
    Figure 1. ALIMENTATIONRÉGLABLE LINÉAIRE.
  • 193.
    Liste des composants ALIMENTATIONRÉGLABLE LINÉAIRE Résistances : R1 = 0,33 W /4 W R2 = 10 k W R3 = 3,9 k W R4 =3,3 k W R5 = 2,2 k W R6 = 820 W P1 = 10 k W Condensateurs : C1 = 4,7 µF/16 V C2 = 1 nF Semi-conducteurs : T1 = MJ3000 IC1 = 723
  • 195.
    Figure 1. ALIMENTATIONSÀ PARTIR DE 0 V (1).
  • 197.
    Figure 2. ALIMENTATIONSÀ PARTIR DE 0 V (2).
  • 199.
    Figure 3. ALIMENTATIONSÀ PARTIR DE 0 V.
  • 201.
    Liste des composants ALIMENTATIONSÀ PARTIR DE 0 V Résistances : R1 = 240 W R2...R5 = 47 k W P1 = 2,2 k W Condensateurs : C1, C2 = 100 n Semi-conducteurs : IC1 = LF356 (µA741) IC2 = LM317
  • 203.
    Figure 1. ALIMENTATION3 V POUR BALADEUR.
  • 205.
    Liste des composants ALIMENTATION3 V POUR BALADEUR Résistances : R1 = 226 W R2 = 316 W R3 = 220 W Condensateurs : C1 = 1000 µF/25 V C2 = 22 µF/10 V C3 = 100 µF/10 V Semi-conducteurs : B1 = B80C1500 D1 = LED IC1 = LM317 Divers : Tr1 = 12 V/4VA15 (BLOCK VR 4,5/1/12) Contents