Intégrer la présentation
Téléchargé 36 fois
















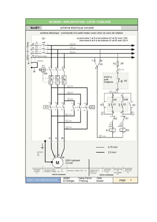
COURS TECHNIQUE DE CÂBLAGE DE CIRCUITS ÉLECTRO-MÉCANIQUES COURS TECHNIQUE DE CÂBLAGE DE CIRCUITS ÉLECTRO-MÉCANIQUES Dans un schema bien fait, chaque fil a un numero et / ou une couleur qui facilite son repérage sw es dftérents documents iste de cablage et schéma )















