Tutorial Autocad 2006 2d                                     1




InfoEasy weber.y avril 2007   Mise à jour le 20 avril 2008
Autocad 2006                                                                                                                                                                       3


Table des matières


1.        UTILISATION DU TUTORIAL ...................................................................................8

1.        LES PROFILS ...........................................................................................................9
1.1.      Profil sans nom .................................................................................................................................................... 9
1.2.      Création d'un Profil personnalisé .................................................................................................................... 10
1.3.      Utilisation d'un Profil personnalisé.................................................................................................................. 13

2.        CREATION D’UN GABARIT PERSONNALISE (PREMIERS PARAMETRES) ......16
2.1.      Limites du dessin ............................................................................................................................................... 16
2.2.      Unités .................................................................................................................................................................. 17
2.3.      Valeur de la résolution et paramètres de la grille ........................................................................................... 17
2.4.      Résolution active ................................................................................................................................................ 18
2.5.      Ortho actif .......................................................................................................................................................... 18
2.6.      Enregistrement d’un fichier Gabarit ............................................................................................................... 19

3.        EXERCICES LIGNES. .............................................................................................20
3.1.      Lignes en absolu................................................................................................................................................. 21
3.2.      Lignes en relatif ................................................................................................................................................. 21
3.3.      Lignes polaire..................................................................................................................................................... 22
3.4.      Exercice escalier................................................................................................................................................. 23

4.        EXERCICES CERCLES. .........................................................................................24
4.1.      Cercle avec centre et rayon............................................................................................................................... 24
4.2.      Un cercle avec centre et diamètre..................................................................................................................... 24
4.3.      Un cercle par 3 points........................................................................................................................................ 24
4.4.      Un cercle par 2 points........................................................................................................................................ 25
4.5.      Un cercle tangent tangent rayon à 2 cercles .................................................................................................... 25
4.6.      Un cercle tangent tangent tangent.................................................................................................................... 26

5.        EXERCICES AJUSTER...........................................................................................27
5.1.      Pour ajuster des objets ...................................................................................................................................... 27
5.2.      Pour ajuster des objets au niveau de l'intersection virtuelle.......................................................................... 27

6.        PROLONGER..........................................................................................................28
6.1.      Pour prolonger un objet.................................................................................................................................... 28
6.2.      Pour prolonger un (des) objet(s) jusqu’au point d’intersection virtuelle ..................................................... 28

7.        EXERCICES ARC ...................................................................................................29
7.1.      Première classe (méthode par défaut).............................................................................................................. 30
     7.1.1.       Arc 3 points................................................................................................................................................. 30
7.2.      Deuxième classe (méthode Départ, centre)...................................................................................................... 30

InfoEasy Weber Yvan                                                                                                                                   20.04.2008
Autocad 2006                                                                                                                                                                      4
     7.2.1.       Départ, centre, fin ....................................................................................................................................... 30
     7.2.2.       Départ, centre, angle ................................................................................................................................... 31
     7.2.3.       Départ, centre, longueur.............................................................................................................................. 31
7.3.      Troisième classe (méthode Départ, fin)............................................................................................................ 32
     7.3.1.       Départ, fin, angle ........................................................................................................................................ 32
     7.3.2.       Départ, fin, direction................................................................................................................................... 32
     7.3.3.       Départ, fin, rayon ........................................................................................................................................ 34
7.4.      Quatrième classe (méthode Centre, départ).................................................................................................... 34
     7.4.1.       Centre, départ, fin ....................................................................................................................................... 34
     7.4.2.       Centre, départ, angle ................................................................................................................................... 35
     7.4.3.       Centre, départ, longueur.............................................................................................................................. 35
7.5.      Autres méthodes ................................................................................................................................................ 36
     7.5.1.       ContArc....................................................................................................................................................... 36
     7.5.2.       ContLin ....................................................................................................................................................... 36

8.        EXERCICES LIGNES ET ARCS .............................................................................37

9.        EXERCICES ELLIPSE ............................................................................................38
9.1.      Ellipse avec grand et petit axe .......................................................................................................................... 38
9.2.      Ellipse avec grand axe et rotation autour du grand axe................................................................................. 38
9.3.      Ellipse avec centre, demi grand axe et petit axe.............................................................................................. 39
9.4.      Ellipse avec centre, demi grand axe et rotation autour du grand axe........................................................... 39
9.5.      Cercles isométriques.......................................................................................................................................... 40

10.       ARCS ELLIPTIQUES ..............................................................................................41

11.       EXERCICES POLYLIGNE.......................................................................................42
11.1.     Droites................................................................................................................................................................. 42
11.2.     Droite et arc........................................................................................................................................................ 42
11.3.     Arc dans une autre direction de la tangente.................................................................................................... 42
11.4.     Droite et arc avec angle ..................................................................................................................................... 43
11.5.     Droite et arc avec rayon .................................................................................................................................... 43
11.6.     Droite et arc avec 2ième point ............................................................................................................................. 44
11.7.     Largeur............................................................................................................................................................... 44
11.8.     Demi-largeur ...................................................................................................................................................... 45

12.       EXERCICES DIVISER .............................................................................................46
12.1.     Pour insérer des points sur un objet, selon un nombre donné de segments ................................................. 46
12.2.     Pour insérer un bloc sur un objet selon un nombre donné de segments....................................................... 46

13.       EXERCICES MESURER .........................................................................................47
13.1.     Pour insérer des points sur un objet à intervalles réguliers........................................................................... 47
13.2.     Pour insérer un bloc sur un objet à intervalles réguliers ............................................................................... 47


InfoEasy Weber Yvan                                                                                                                                  20.04.2008
Autocad 2006                                                                                                                                                                     5
14.       EXERCICES ACCROCHAGE INTERSECTION PROJETEE..................................48

15.       EXERCICES MULTILIGNES ...................................................................................49
15.1.     Création d’un style de multilignes.................................................................................................................... 49

16.       EXERCICES MIROIR ..............................................................................................51

17.       EXERCICES TEXTE................................................................................................53

18.       EXERCICES SPLINE ..............................................................................................54

19.       EXERCICES PERIMETRE, AIRE (ADDITION / SOUSTRACTION)........................55
19.1.     Aire et périmètre................................................................................................................................................ 55
19.2.     Aire d’un objet................................................................................................................................................... 55
19.3.     Addition.............................................................................................................................................................. 56
19.4.     Soustraction........................................................................................................................................................ 56

20.       EXERCICES SOLIDE 2D ........................................................................................58
21.       COTATION EN ESPACE PAPIER ..........................................................................59
21.1.     Paramétrage du style pour la cotation en espace papier................................................................................ 61
21.1.1.       Paramètres pour l'architecture.................................................................................................................... 61
  1.3.1.          Onglet Lignes.............................................................................................................................................. 63
  1.3.2.          Onglet Symboles et flèches......................................................................................................................... 64
  1.3.3.          Onglet Texte ............................................................................................................................................... 65
  1.3.4.          Onglet Ajuster............................................................................................................................................. 66
  1.3.5.          Onglet Unités principales............................................................................................................................ 67
  1.3.6.          Onglet, Unités alternatives, Tolérances ...................................................................................................... 68
21.1.2.       Paramètres pour la mécanique. ................................................................................................................... 69
  1.3.7.          Onglet Lignes.............................................................................................................................................. 71
  1.3.8.          Onglet Symboles et flèches......................................................................................................................... 72
  1.3.9.          Onglet Texte ............................................................................................................................................... 73
  1.3.10.         Onglet Ajuster............................................................................................................................................. 74
  1.3.11.         Onglet Unités principales............................................................................................................................ 75
  1.3.12.         Onglet, Unités alternatives, Tolérances ...................................................................................................... 76
  1.3.13.         Onglet, Tolérances ...................................................................................................................................... 77
21.2.     Cotation en espace papier ................................................................................................................................. 80
21.2.1.       Cotation en architecture. .............................................................................................................................. 80
21.3.     Modification de l'échelle des fenêtres............................................................................................................... 87
21.4.     Cotation de la hauteur des embrasures ........................................................................................................... 88
  1.3.14.         Modification de la cote avec Propriétés ...................................................................................................... 88
21.5.     Solution avec un style de cote supplémentaire ................................................................................................ 90
21.6.     Conseils............................................................................................................................................................... 91

22.       EXERCICES COTATION.........................................................................................92

InfoEasy Weber Yvan                                                                                                                                 20.04.2008
Autocad 2006                                                                                                                                                                 6
23.     DEVELOPPEMENT EXERCICES ARCHITECTURE ............................................102
23.1.   Exercice 1A Lavabo, marche à suivre 1ière solution ...................................................................................... 102
23.2.   Exercice 1A Lavabo, marche à suivre 2ième solution ..................................................................................... 103
23.3.   Exercice 1B WC_1 ........................................................................................................................................... 104
23.4.   Exercice 1c Dou_80.......................................................................................................................................... 105
23.5.   Exercice 1d Bain_180 ...................................................................................................................................... 106
23.6.   Exercice 3b Wc_2 (plan) ................................................................................................................................. 107
23.7.   Exercice 4 Escalier Rez ................................................................................................................................... 108

24.     PRESENTATION...................................................................................................109
24.1.   Préparation de la mise en pages ..................................................................................................................... 109
24.2.   Préparation à l'impression.............................................................................................................................. 115

25.     UTILISATION DES PROPRIETES POUR LA COTATION ASSOCIATIVE ..........120
25.1.   Mettre une cote entre parenthèse ................................................................................................................... 121
25.2.   Mettre une tolérance sur une cote .................................................................................................................. 122
25.3.   Déplacer la position du texte de la cote.......................................................................................................... 124

26.     CREATION ET MODIFICATION DE BARRES D’OUTILS....................................125
26.1.   Création d’une barre d’outils ......................................................................................................................... 125
26.2.   Création d’une barre d’outils ......................................................................................................................... 128

27.     CREATION D’UN DIAPORAMA ...........................................................................133

28.     EXERCICE XREF ..................................................................................................136
28.1.   Préparation ...................................................................................................................................................... 136
28.2.   Insertion de fichiers externes.......................................................................................................................... 136
28.3.   Insérer plusieurs composants identiques....................................................................................................... 137
28.4.   Modifier un composant Xref........................................................................................................................... 138
28.5.   Détacher (supprimer) une référence externe ................................................................................................ 138
28.6.   Supprimer une référence externe tout en conservant le composant dans l’ensemble ............................... 139
28.7.   Décharger une référence Xref ........................................................................................................................ 141

29.     BLOCS DYNAMIQUES .........................................................................................142
29.1.   Déplacement et rotation .................................................................................................................................. 142
29.2.   Permettre l'étirement d'une partie d'un bloc................................................................................................ 147
29.3.   Utiliser des états de visibilité........................................................................................................................... 154
29.4.   Utiliser une table de consultation ................................................................................................................... 159

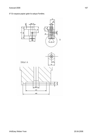
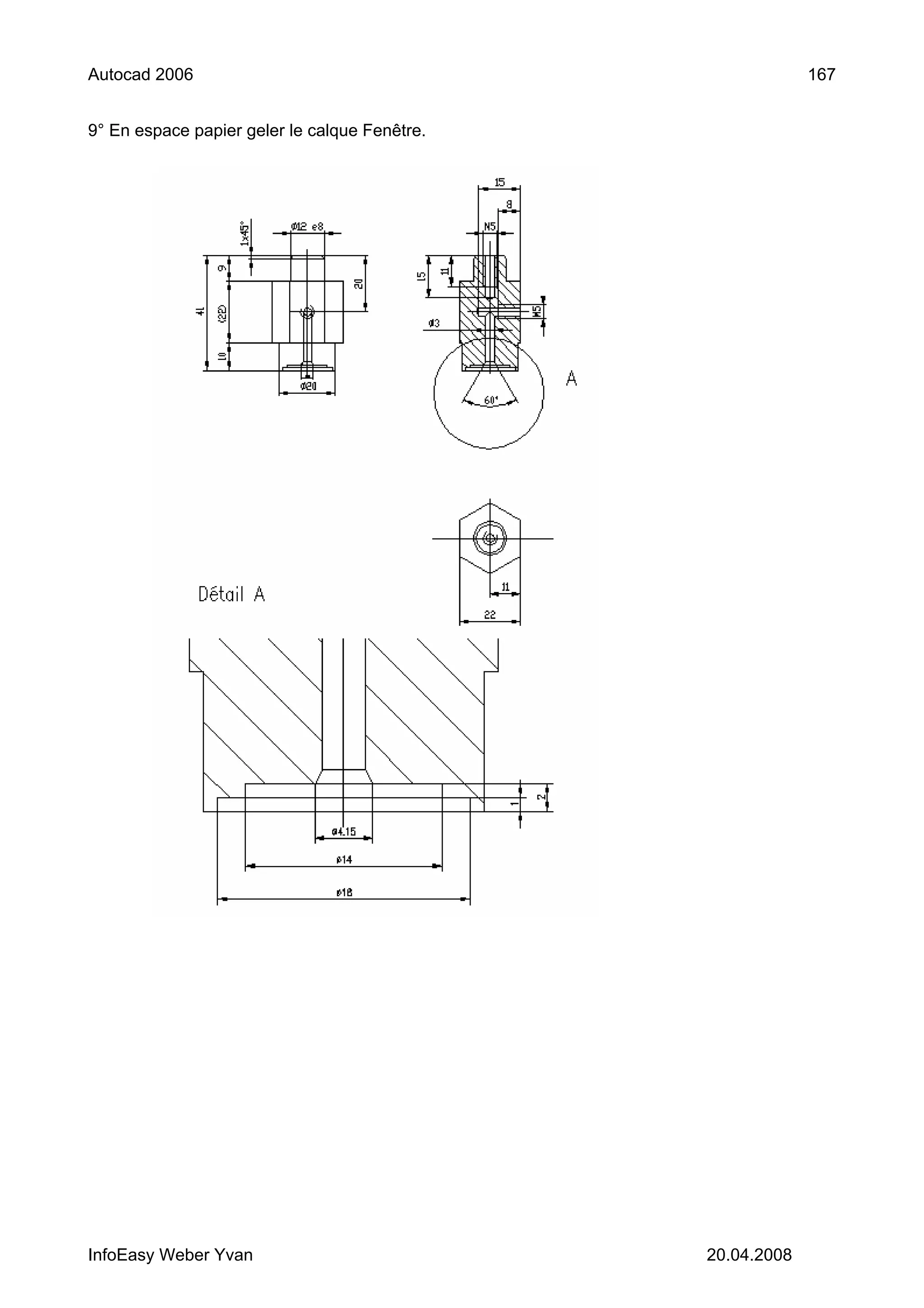
30.     CREATION D’UN DETAIL ECHELLE 5 ................................................................164

31.     GROUPEMENT D'OBJETS ..................................................................................168
31.1.   Groupe.............................................................................................................................................................. 168
31.2.   Editer un groupe.............................................................................................................................................. 169

32.     CREER UN CHAMP AFFICHANT LA SURFACE D'UN POLYGONE..................170
InfoEasy Weber Yvan                                                                                                                             20.04.2008
Autocad 2006                                                                          7
33.   CREER UN CHAMP AFFICHANT LE NOM DE FICHIER.....................................174




InfoEasy Weber Yvan                                                     20.04.2008
Autocad 2006                                                                                 8



                                  1. Utilisation du Tutorial

1° L'utilisation d'une commande est signalée par :


•   Une icône, par exemple l'outil Ligne    .


•   Les menus déroulant, par des caractères gothiques, par exemple Dessin / Arc / Dé-
    part, Centre, Fin




•   Menu écran par



2° Les messages, qui apparaissent sur la ligne de commande (en bas de l'espace graphique) lors-
qu'on clique sur une commande, sont signalés par des guillemets, exemple « Commande : _line
Spécifiez le premier point : ».

3° Les actions à effectuer au clavier ou avec la souris sont signalées en caractères gras, par
exemple, cliquer, 100,150, sélectionner.




InfoEasy Weber Yvan                                                           20.04.2008
Autocad 2006                                                                                       9

                                           1. Les profils

L'onglet Profils de la boîte de dialogue Options permet de définir et d'enregistrer les paramètres de
l'interface utilisateur sous la forme d'un fichier avec l'extension .arg.
Si on partage la station de travail avec plusieurs utilisateurs, on peut charger les options qui sont
personnelles à chaque utilisateur.
Par défaut, Autocad enregistre les options courantes dans un profil nommé PROFIL SANS NOM.
Autocad affiche le nom du profil courant ainsi que celui du dessin actif dans la boîte de dialogue
Options.


    1.1. Profil sans nom


1° Cliquer sur le menu déroulant Outils, puis sur Options, ce qui ouvre la boîte de dialogue sui-
vante :




InfoEasy Weber Yvan                                                                20.04.2008
Autocad 2006                                                                                       10


2° Cliquer sur l'onglet Profils, puis sur Profil sans nom et sur le bouton Définir courant.
L'interface est affichée avec un minimum de barres d'outils.




   1.2. Création d'un Profil personnalisé



1° Créer un dossier nommé Profils Autocad.


2° Cliquer avec le bouton droit de la souris sur un endroit libre de la barre des outils,




InfoEasy Weber Yvan                                                                   20.04.2008
Autocad 2006                                                                                11


puis sur ACAD, ce qui ouvre la boîte de dialogue suivante :




Cocher les barres d'outils qui seront nécessaires par exemple en dessins 2d.


3° Placer les barres d'outils à leur emplacement définitif.




InfoEasy Weber Yvan                                                            20.04.2008
Autocad 2006                       12




InfoEasy Weber Yvan   20.04.2008
Autocad 2006                                                                                    13
4° Cliquer sur le menu Outils / Options /Profils, puis cliquer sur le bouton Exporter.




Saisir un nom évocateur, puis cliquer sur Enregistrer.


   1.3. Utilisation d'un Profil personnalisé


1° Cliquer sur le menu Outils / Options / Profils, puis cliquer sur le bouton Importer.




InfoEasy Weber Yvan                                                                20.04.2008
Autocad 2006                                                                                         14




cliquer sur le bouton Ouvrir, ce qui ouvre la boîte de dialogue suivante :




2° Cliquer sur le bouton Appliquer & Fermer.


3° Cliquer sur le bouton Définir Courant.


Une fois un profil sauvegardé, on peut exporter ou importer le fichier .arg vers ou depuis différents
ordinateurs.
Si on modifie le profil courant au cours d'une session Autocad et qu'on désire enregistrer ces modi-
fications dans le fichier .arg, on doit exporter le profil. Lorsqu'on exporte le profil modifié sous son
nom courant, Autocad met à jour le fichier .arg pour y intégrer les nouvelles données. Ensuite il
faut à nouveau importer ce profil dans Autocad pour actualiser les paramètres du profil courant.

InfoEasy Weber Yvan                                                                   20.04.2008
Autocad 2006                       15




InfoEasy Weber Yvan   20.04.2008
Autocad 2006                                                                                     16



         2. Création d’un gabarit personnalisé (premiers paramètres)

Le gabarit utilisé en début de cours est constitué des paramètres suivants :


   1° Limites du dessin.
   2° Décimale.
   3° Valeur de la résolution et paramètres de la grille.
   4° Résolution active.
   5° Ortho actif.


Les types de gabarit :


   •   Mécaplan pour la mécanique.
   •   Archiplan pour l’architecture.


Paramètres selon le type de gabarit.


       Paramètres                          Mécaplan                            Archiplan

Limites du dessin          0,0 à 210,297                          0,0 à 420,297
Décimale                   2 positions après la virgule           1 position après la virgule
Valeur de la résolution 0.5                                       1
Paramètres de la grille    10x10                                  10x10
Résolution active          Oui                                    Oui
Ortho actif                Oui                                    Oui



   2.1. Limites du dessin


1° Cliquer sur le menu déroulant Format / Limites du dessin.


2° Au message « Spécifiez le coin inférieur gauche ou [Actif / Inactif] <0.0000,0.0000> : »
Tapez return (par défaut).


3° Au message « Spécifiez le coin supérieur droit <420.0000,297.0000> : »
Saisir 210, 297 puis return pour terminer.




InfoEasy Weber Yvan                                                                 20.04.2008
Autocad 2006                                                                                       17



   2.2. Unités


1° Cliquer sur le menu déroulant Format / Contrôle des Unités..., ce qui provoque
l’ouverture de la boîte de dialogue suivante :




2° Sous les rubriques Longueur et Angle choisir une précision de deux positions après la virgule.

   2.3. Valeur de la résolution et paramètres de la grille


1° Cliquer sur le menu déroulant Outils / Aides au dessin, puis cliquer sur l’onglet
Résolution / Grille, ce qui provoque l’ouverture de la boîte de dialogue suivante :




InfoEasy Weber Yvan                                                                   20.04.2008
Autocad 2006                                                                                       18


2° Sous la rubrique « Accrochage »




Saisir 0.5 Espacement X de l’accrochage et Espacement Y de l’accrochage.


3° Laisser l’espacement de la grille à 10mm. Cliquer sur l'icône Grille pour afficher la grille.



   2.4. Résolution active


1° Cliquer l’icône RESOL




2° Dès maintenant, lorsqu’on déplace le curseur les coordonnées X, Y, Z, sont affichées avec une
précision de 2 positions après la virgule et de 0,5 en 0.5. Il est fortement conseillé de dessiner
avec la résolution active pour une meilleure précision.



   2.5. Ortho actif


1° Cliquer l’icône ORTHO




2° En mode ORTHO, les mouvements du curseur sont limités aux directions horizontale et verti-
cale.




InfoEasy Weber Yvan                                                                   20.04.2008
Autocad 2006                                                                                         19



   2.6. Enregistrement d’un fichier Gabarit


Les paramètres du fichier Gabarit étant partiellement définis, il faut l’enregistrer.


1° Ouvrir le dossier Program Files / MDT 2004 / Desktop / Template.


On peut également créer un dossier, par exemple Mes documents / Documents Autocad / Gabarits
personnalisés, dans lequel seront enregistrés les différents gabarits.


2° Enregistrer le fichier avec pour nom Mécaplan.dwt.


Attention : les fichiers gabarits ont l'extension .dwt.




InfoEasy Weber Yvan                                                                     20.04.2008
Autocad 2006                                                                                         20



                                     3. Exercices Lignes.
On utilise les coordonnées cartésiennes (rectangulaires) absolues ou relatives pour définir la posi-
tion de points quand on créé des objets.

Utiliser des coordonnées cartésiennes pour indiquer un point, entrez une valeur X et une valeur Y
séparées par une virgule (X,Y). X est le nombre (positif ou négatif) d'unités mesurant la position du
point le long de l'axe horizontal. Y est le nombre (positif ou négatif) d'unités mesurant la position du
point le long de l'axe vertical.

Les coordonnées absolues sont basées sur l'origine SCG (0,0) située à l'intersection des axes X et
Y. On utilise des coordonnées X et Y absolues pour situer un point isolé dans le système de réfé-
rence.




Origine 0,0




InfoEasy Weber Yvan                                                                   20.04.2008
Autocad 2006                                                                                         21



   3.1. Lignes en absolu



1° Cliquer sur l'icône Ligne    .
2° Au message « Commande : _line Spécifiez le premier point : »                                     P3
                                                                                    P4
Saisir les coordonnées du point P1.
Par exemple 100,220, return.

3° Au message « Spécifiez le point suivant ou (annUler) : »
Saisir les coordonnées du point P2.
Par exemple 150,220, return.

4° Au message « Spécifiez le point suivant ou (Clore / annUler) : »
Saisir les coordonnées du point P3.                                            P1
Par exemple 150,250, return.                                                              P2

5° Au message « Spécifiez le point suivant ou (Clore / annUler) : »
Saisir les coordonnées du point P4.
Tapez c pour Clore ou 100,220, return.



   3.2. Lignes en relatif

Les coordonnées relatives sont calculées par rapport au dernier point défini. Il faut utilisez des
coordonnées relatives pour spécifier l'emplacement d'un point par rapport au précédent.
Pour indiquer qu'une coordonnée est relative, on la précède du symbole @. Par exemple, en en-
trant les coordonnées @50<0, on définit la position d'un point dont les projections sur les axes X et
Y sont respectivement situées à 50 unités dans la direction 0 du dernier point spécifié.

1° Cliquer sur l'icône Ligne .
2° Au message « Commande : _line Spécifiez le premier point : »
Saisir les coordonnées du point P1.
Par exemple 100,140, return.
                                                                                     P3
3° Au message « Spécifiez le point suivant ou (annUler) : »
Saisir les coordonnées du point P2.                                     P4
Par exemple @50<0, return.

4° Au message « Spécifiez le point suivant ou (Clore / annUler) : »
Saisir les coordonnées du point P3.
Par exemple @30<90, return.

5° Au message « Spécifiez le point suivant ou (Clore / annUler) : »
Saisir les coordonnées du point P4.                                                 P1         P2
Tapez c pour Clore.




InfoEasy Weber Yvan                                                                 20.04.2008
Autocad 2006                                                                                 22



   3.3. Lignes polaire



1° Cliquer sur l'icône Ligne     .                                                      P2
2° Au message « Commande : _line Spécifiez le premier point :
Saisir les coordonnées du point P1.
Par exemple 80,80, return.

3° Au message « Spécifiez le point suivant ou (annUler) : »
Saisir les coordonnées du point P2.
Par exemple @60<30, return.

4° Au message « Spécifiez le point suivant ou (Clore / annUler) : »   P1                          P3
Saisir les coordonnées du point P3.
Par exemple @40<300, return.




InfoEasy Weber Yvan                                                        20.04.2008
Autocad 2006                                                                          23



    3.4. Exercice escalier



1° Cliquer sur l'icône Ligne .     .
2° Saisir des lignes en relatif.
3° Pour la ligne oblique, faire une ligne avec l'accrochage Extrémité.




                                              Accrochage Extrémité




InfoEasy Weber Yvan                                                      20.04.2008
Autocad 2006                                                                                    24



                                  4. Exercices Cercles.


   4.1. Cercle avec centre et rayon

1° Cliquer sur l'icône    .
2° Au message « Commande : _circle Spécifiez le centre du cercle ou [3P/2P/TTr (tangente tan-
gente rayon) ] »
Saisir les cordonnées du centre, par ex. 150,240 pour P1, return.

3° Au message « Spécifiez le rayon du cercle ou[Diamètre]: »                 P1
saisir par ex : 20, puis return pour terminer.


   4.2. Un cercle avec centre et diamètre


1° Cliquer sur l'icône    .
2° Au message « Commande : _circle Spécifiez le centre du cercle ou [3P/2P/TTr (tangente tan-
gente rayon) ] »
Saisir les coordonnées, par ex. 150,213 pour P1, return.

3° Au message « Spécifiez le rayon du cercle ou[Diamètre] : »           P1
Tapez d pour diamètre.

4° Au message « Spécifiez le diamètre : »
Saisir par exemple 10, puis return pour terminer.



   4.3. Un cercle par 3 points


1° Cliquer sur l'icône    .
2° Au message « Commande : _circle Spécifiez le centre du cercle ou [3P/2P/TTr (tangente tan-
gente rayon) ] »
Tapez 3p puis return.                                                                  P2

3° Au message « Spécifiez un premier point sur le diamètre : »
Cliquer sur une intersection, une extrémité.

4° Au message « Spécifiez un deuxième point sur le diamètre : »
Cliquer sur une intersection, une extrémité.
                                                                   P1                          P3
5° Au message « Spécifiez un troisième point sur le diamètre : »
Cliquer sur une intersection, une extrémité.




InfoEasy Weber Yvan                                                               20.04.2008
Autocad 2006                                                                                   25



   4.4. Un cercle par 2 points

                                                                           P1
Faire 2 lignes simples

Une ligne 1er point =    125,100
        2ième point =    180,110
Une ligne 1er point =    125,90
        2ième point =    180,80



1° Cliquer sur l'icône     .                                          P2

2° Au message « Commande : _circle Spécifiez le centre du cercle ou [3P/2P/TTr (tangente tan-
gente rayon) ] : » Tapez 2p puis return.

3° Au message « Spécifiez un premier point sur le diamètre: »
Cliquer sur une intersection, une extrémité.

4° Au message « Spécifiez un deuxième point sur le diamètre: »
Cliquer sur une intersection, une extrémité.



   4.5. Un cercle tangent tangent rayon à 2 cercles



Faire 2 cercles simples.                            1ière tangence

Un cercle, centre = 125,50 ; rayon = 10
Un cercle, centre = 150,40 ; diam. = 2.5




                                                     Cercle tangent
                                                                           2ième tangence
1° Cliquer sur l'icône

2° Au message « Commande : _circle Spécifiez le centre du cercle ou [3P/2P/TTr (tangente tan-
gente rayon) ]
Tapez ttr puis return.

3° Au message « Spécifiez un point de l'objet pour la première tangente du cercle : »
Sélectionner la première tangence.

4° Au message « Spécifiez un point de l'objet pour la deuxième tangente du cercle : »
Sélectionner la deuxième tangence.




InfoEasy Weber Yvan                                                               20.04.2008
Autocad 2006                                                                                   26



   4.6. Un cercle tangent tangent tangent

1° Cliquer sur le menu déroulant Dessin / Cercle, 3 points de tangence.

2° Au message « Commande : _circle Spécifiez le centre du cercle ou [3P/2P/TTr (tangente tan-
gente rayon) ] : _3p Spécifiez un premier point sur le cercle : _tan à » Sélectionner la première
tangence.

3° Au message « Spécifiez un deuxième point sur le cercle :_tan à » Sélectionner la deuxième
tangence.

4° Au message « Spécifiez un troisième point sur le cercle :_tan à » Sélectionner la troisième
tangence.


Remarque : le curseur est agrémenté automatiquement

du point d'accrochage Tangence          .
                                                         1ière tangence




                                                2ième tangence


                                                                 3ième tangence




InfoEasy Weber Yvan                                                               20.04.2008
Autocad 2006                                                                                       27



                                    5. Exercices Ajuster.

   5.1. Pour ajuster des objets

1° Cliquer sur l'icône     .

2° Au message
« Sélectionner les bords de coupe... »
« Choix des objets : » Cliquer sur la ligne P1 ou sélectionner tous les objets (lignes), return.

3° Au message « Sélectionnez l'objet à ajuster ou etc. » Cliquer sur la ou les parties à ajuster
(par ex : P2).

4° Esc ou Return pour terminer.                                           Ajuster 4 x

                          P2                   Sélection
      P1




                  Avant                Après                   Avant                Après


   5.2. Pour ajuster des objets au niveau de l'intersection virtuelle

1° Cliquer sur l’icône     .

2° Aux messages
« Sélectionner les bords de coupe... »
« Choix des objets : » Sélectionner un objet par exemple P1, return.

3° Au message « Sélectionnez l'objet à ajuster, etc. » Taper c pour côté.

4° Au message « Entrez un mode de prolongement du côté implicite [Prolongement / Pas de pro-
longement] <Prolongement> : » Return pour prolongement par défaut.

5° Si "Pas de prolongement" est sélectionné par défaut, taper Pr, et entrée.

6° Au message « Sélectionnez l'objet à ajuster, etc. » Sélectionner l'objet à ajuster, par exemple
P2.

                               P1           P2




                                       Avant                   Après



InfoEasy Weber Yvan                                                                 20.04.2008
Autocad 2006                                                                                        28



                                           6. Prolonger

   6.1. Pour prolonger un objet


1° Cliquer sur l’icône

2° Aux messages     « Sélectionnez les limites… »
                    « Choix des objets »
Cliquer sur la ou les limites jusqu'où le ou les objets devront être prolongés, par exemple P1, re-
turn.

3° Au message « Sélectionnez l’objet à prolonger ou etc. »
Cliquer par exemple sur la ligne P2

                    1




                     2



                                           Avant                          Après



   6.2. Pour prolonger un (des) objet(s) jusqu’au point d’intersection virtuelle


1° Cliquer sur l’icône

2° Aux messages      « Sélectionnez les limites… »
                     « Choix des objets » Cliquer sur la ou les limites jusqu'où le ou les objets de-
vront être prolongés, par exemple P1,     return.

3° Au message « Sélectionnez l’objet à prolonger ou la touche Maj pour l’ajuster ou [Projection /
Côté / annUler] : » Tapez c pour côté, return.

Encore une fois return pour accepter <PRolongement> par défaut.

4° Si "Pas de prolongement" est sélectionné par défaut, taper Pr, et entrée.

5° Cliquer par exemple sur les lignes P2 et P3, return pour terminer.

                         1
                                                                               2
                                                                                   3


                                   Avant                      Après

InfoEasy Weber Yvan                                                                    20.04.2008
Autocad 2006                                                                                29



                                    7. Exercices Arc

Sur la barre d’outils Dessin se trouve uniquement la commande Arc 3 points. Sous le menu dérou-
lant Dessin / Arc on trouve 4 classes de commandes Arc.




InfoEasy Weber Yvan                                                           20.04.2008
Autocad 2006                                                                                      30



   7.1. Première classe (méthode par défaut)
       7.1.1. Arc 3 points


1° Cliquer sur l’icône

2° Au message « Commande : _arc Spécifiez le point de départ de l’arc ou [Centre] : »
Cliquer sur une extrémité (par exemple P1), une intersection ou entrez une valeur.

3° Au message « Spécifiez le second point de l’arc ou [Centre / pt Final] : »
Cliquer sur une extrémité (par exemple P2), une intersection ou entrez une valeur.

4° Au message « Spécifiez l’extrémité de l’arc : »
Cliquer sur une extrémité (par exemple P3), une intersection ou entrez une valeur.


                                                              P2 = quadrant

      P1 = extrémité
                                                                                 P3 = extrémité




   7.2. Deuxième classe (méthode Départ, centre)


       7.2.1. Départ, centre, fin

1° Cliquer sur le menu déroulant Dessin / Arc /Départ, Centre, Fin.

2° Au message « Commande : _arc Spécifiez le point de départ de l’arc ou [Centre] : »
Cliquer sur une extrémité (par exemple P1), une intersection ou entrez une valeur.

3° Au message « Spécifiez le second point de l’arc ou [Centre / pt Final] : _c spécifiez le centre de
l’arc : »
Entrez une valeur, par exemple pour P2 @15<270.

4° Au message « Spécifiez l’extrémité de l’arc [Angle / Longueur de corde] : »
Entrez une valeur, par exemple pour P3 @15<180, return.


                                                   P1 = extrémité




                                                      P2 = @15<270



                                         P3 = @15<180

InfoEasy Weber Yvan                                                                20.04.2008
Autocad 2006                                                                                      31


       7.2.2. Départ, centre, angle

1° Cliquer sur le menu déroulant Dessin / Arc /Départ, Centre, Angle.

2° Au message « Commande : _arc Spécifiez le point de départ de l’arc ou [Centre] : »
Cliquer sur une extrémité (par exemple P1), une intersection ou entrez une valeur.

3° Au message « Spécifiez le second point de l’arc ou [Centre / pt Final] : _c spécifiez le centre de
l’arc : »
Entrez une valeur, par exemple pour P2, @15<270.

4° Au message « Spécifiez l’extrémité de l’arc [Angle / Longueur de corde] : _a Spécifiez l’angle
décrit : «
Entrez la valeur de l’angle, par exemple pour P3, 60, return.



                                                       P1 = extrémité




          P3 = 60

                                                              P2 = @15<270
       7.2.3. Départ, centre, longueur

1° Cliquer sur le menu déroulant Dessin / Arc /Départ, Centre, Longueur.

2° Au message « Commande : _arc Spécifiez le point de départ de l’arc ou [Centre] : »
Cliquer sur une extrémité (par exemple P1), une intersection ou entrez une valeur.

3° Au message « Spécifiez le second point de l’arc ou [Centre / pt Final] : _c spécifiez le centre de
l’arc : »
Entrez une valeur, par exemple pour P2, @15<180.

4° Au message « Spécifiez l’extrémité de l’arc [Angle / Longueur de corde] : _l Spécifiez l’angle
décrit : « Entrez la valeur de la corde, par exemple pour P3, 20, return.


                    P3 = 20

                                                            P1 = extrémité
  P2 = @15<180




InfoEasy Weber Yvan                                                                20.04.2008
Autocad 2006                                                                                       32



   7.3. Troisième classe (méthode Départ, fin)


       7.3.1. Départ, fin, angle

1° Cliquer sur le menu déroulant Dessin / Arc /Départ, fin, Angle.

2° Au message « Commande : _arc Spécifiez le point de départ de l’arc ou [Centre] : »
Cliquer sur une extrémité (par exemple P1), une intersection ou entrez une valeur.

3° Au message « Spécifiez le second point de l’arc ou [Centre / pt FInal : _e »
                 « Spécifiez l’extrémité de l’arc : »
Entrez une valeur, par exemple pour P2, @-20,-20.

4° Au message « Spécifiez le centre de l’arc [Angle / Direction / Rayon] : _a Spécifiez l’angle dé-
crit : »
Entrez la valeur de la corde, par exemple pour P3, 60, return.



                  P3 = 60                                                P1 = extrémité



          P2 = @-20,-20



       7.3.2. Départ, fin, direction

1° Cliquer sur le menu déroulant Dessin / Arc /Départ, fin, Direction.

2° Au message « Commande : _arc Spécifiez le point de départ de l’arc ou [Centre] : »
Cliquer sur une extrémité, une intersection (par exemple P1), ou entrez une valeur.

3° Au message « Spécifiez le second point de l’arc ou [Centre / pt FInal : _e »
                  « Spécifiez l’extrémité de l’arc : »
Cliquer sur une intersection, par exemple P2.

4° Au message « Spécifiez le centre de l’arc [Angle / Direction / Rayon] : _d Spécifiez la direction
de la tangente du point de départ de l’arc : »
Montrez la direction et cliquer avec le bouton gauche de la souris pour terminer.


                                                                     P3 = direction
        P2 = intersection




                                                            P1 = intersection




InfoEasy Weber Yvan                                                                   20.04.2008
Autocad 2006                       33




InfoEasy Weber Yvan   20.04.2008
Autocad 2006                                                                                     34


       7.3.3. Départ, fin, rayon

1° Cliquer sur le menu déroulant Dessin / Arc /Départ, fin, Rayon.

2° Au message « Commande : _arc Spécifiez le point de départ de l’arc ou [Centre] : »
Cliquer sur une extrémité, une intersection (par exemple P1), ou entrez une valeur.

3° Au message « Spécifiez le second point de l’arc ou [Centre / pt FInal : _e »
                  « Spécifiez l’extrémité de l’arc : »
Cliquer sur une intersection, par exemple P2.

4° Au message « Spécifiez le centre de l’arc [Angle / Direction / Rayon] : _r Spécifiez le rayon de
l’arc : »
Entrer une valeur par exemple 30 puis return pour terminer.



                                                          P2 = intersection
        Rayon = 30




        P1 = extrémité


   7.4. Quatrième classe (méthode Centre, départ)


       7.4.1. Centre, départ, fin

1° Cliquer sur le menu déroulant Dessin / Arc /Centre, départ, fin.

2° Au message « Commande : _arc Spécifiez le point de départ de l’arc ou [Centre] : _c Spécifiez
le centre de l’arc.
Cliquer sur un centre (par exemple P1), ou entrez une valeur.

3° Au message « Spécifiez le point de départ l’arc : »
Cliquer sur une intersection, une extrémité, par exemple P2.

4° Au message « Spécifiez l’extrémité de l’arc ou [Angle / Longueur de corde] : »
Cliquer sur une intersection, une extrémité, par exemple P3.


           P2 = extrémité                                             P1 = Centre




                                                                  P3 = extrémité




InfoEasy Weber Yvan                                                                 20.04.2008
Autocad 2006                                                                                     35


       7.4.2. Centre, départ, angle

1° Cliquer sur le menu déroulant Dessin / Arc /Centre, départ, angle.

2° Au message « Commande : _arc Spécifiez le point de départ de l’arc ou [Centre] : _c Spécifiez
le centre de l’arc.
Cliquer sur un centre (par exemple P1), ou entrez une valeur.

3° Au message « Spécifiez le point de départ l’arc : »
Cliquer sur une intersection, une extrémité, par exemple P2.

4° Au message « Spécifiez l’extrémité de l’arc ou [Angle / Longueur de corde] : _a Spécifiez l’angle
décrit : »
Saisir la valeur de l’angle, par exemple 150.


                                                                 P2 = extrémité

   Angle = 150



                                                      P1 = Centre




       7.4.3. Centre, départ, longueur

1° Cliquer sur le menu déroulant Dessin / Arc /Centre, départ, longueur.

2° Au message « Commande : _arc Spécifiez le point de départ de l’arc ou [Centre] : _c Spécifiez
le centre de l’arc.
Cliquer sur un centre (par exemple P1), ou entrez une valeur.

3° Au message « Spécifiez le point de départ l’arc : »
Cliquer sur une intersection, une extrémité, par exemple P2.

4° Au message « Spécifiez l’extrémité de l’arc ou [Angle / Longueur de corde] : _l Spécifiez la lon-
gueur de corde : »
Saisir la valeur de la corde, par exemple 20 puis return pour terminer.



                    P3 = 20

                                                            P2 = extrémité
      P1 = centre




InfoEasy Weber Yvan                                                               20.04.2008
Autocad 2006                                                                               36



   7.5. Autres méthodes

Lorsque le menu écran est activé, il y a encore deux commandes disponibles.

ContArc
ContLin



       7.5.1. ContArc

1° Tracer un arc, par exemple 3 points.

2° Cliquer sur la commande ContArc du menu Ecran.

3° Saisir les valeurs du nouvel arc.


                              Arc 3 points


                                                       ContArc




Remarque : le nouvel arc est tangent au premier arc.


       7.5.2. ContLin

1° Tracer un arc, par exemple 3 points.

2° Cliquer sur la commande ContLin du menu Ecran.

3° Saisir les valeurs de la ligne continue.



                               Arc 3 points


                                                         ContLin



                                                                          ContArc




InfoEasy Weber Yvan                                                           20.04.2008
Autocad 2006                                                               37



                               8. Exercices lignes et arcs

Point de départ du 1er (175,180) et pour le 2ième (175,55).




InfoEasy Weber Yvan                                           20.04.2008
Autocad 2006                                                                                   38

                                   9. Exercices Ellipse


   9.1. Ellipse avec grand et petit axe


1° Cliquer sur l’icône

2° Au message « Commande : _ellipse : »
                 « Spécifiez l’extrémité de l’axe de l’ellipse ou [Arc / Centre] : »
Cliquer sur une extrémité, une intersection ou entrez une valeur par exemple 90,250 pour P1.

3° Au message « Spécifiez la deuxième extrémité de l’axe : »
Entrez par exemple @50<0 pour P2 (ou montrez la direction avec le curseur), return.

4° Au message « Spécifiez la distance avec l’autre axe ou [Rotation] : »
Entrez par exemple @10<90 pour P3 (ou montrez la direction avec le curseur), return.

                                                           P3 = @10<90

                                                                                P2 = @50<0

     P1 = 90,250




   9.2. Ellipse avec grand axe et rotation autour du grand axe


1° Cliquer sur l’icône

2° Au message « Commande : _ellipse : »
                 « Spécifiez l’extrémité de l’axe de l’ellipse ou [Arc / Centre] : »
Cliquer sur une extrémité, une intersection ou entrez une valeur par exemple 90,215 pour P1.

3° Au message « Spécifiez la deuxième extrémité de l’axe : »
Entrez par exemple @50<0 pour P2 (ou montrez la direction avec le curseur), return.

4° Au message « Spécifiez la distance avec l’autre axe ou [Rotation] : »
Tapez r pour rotation, return.

5° Au message « Spécifiez la rotation autour du grand axe : »
Tapez par exemple 75, return.
                                                             P3 = 75
                                                                           P2 = @50<0

      P1 = 90,215




InfoEasy Weber Yvan                                                             20.04.2008
Autocad 2006                                                                                    39



   9.3. Ellipse avec centre, demi grand axe et petit axe


1° Cliquer sur l’icône

2 Au message     « Commande : _ellipse : »
                 « Spécifiez l’extrémité de l’axe de l’ellipse ou [Arc / Centre] : »
Cliquer sur une extrémité, une intersection ou entrez une valeur par exemple 115,185 pour P1.

3° Au message « Spécifiez la deuxième extrémité de l’axe : »
Entrez par exemple @25<0 pour P2 (ou montrez la direction avec le curseur), return.

4° Au message « Spécifiez la distance avec l’autre axe ou [Rotation] : »
Entrez par exemple @10<90 pour P3 (ou montrez la direction avec le curseur), return.

                                                                P3 = @10<90

                                                                              P2 = @25<0



               P1 = 115,185



   9.4. Ellipse avec centre, demi grand axe et rotation autour du grand axe


1° Cliquer sur l’icône

2° Au message « Commande : _ellipse : »
                 « Spécifiez l’extrémité de l’axe de l’ellipse ou [Arc / Centre] : »
Tapez c pour centre.
Cliquer sur une extrémité, une intersection, sur un point ou entrez une valeur par exemple 115,150
pour P1.

3 Au message « Spécifiez la deuxième extrémité de l’axe : »
Entrez par exemple @50<0 pour P2 (ou montrez la direction avec le curseur), return.

4° Au message « Spécifiez la distance avec l’autre axe ou [Rotation] : »
Tapez r pour rotation, return.

5° Au message « Spécifiez la rotation autour du grand axe : »
Tapez par exemple 75, return.
                                                           P3 = 75
                                                                           P2 = @25<0



           P1 = 115,150


InfoEasy Weber Yvan                                                              20.04.2008
Autocad 2006                                                                                           40



   9.5. Cercles isométriques


                   P6                                                                Milieu


                                                                           Nodal

                P5                                                           P2 =@27<90


                                                                                     P7
     P4 =@27<150



         P1 =100,200                                                      P3 =@27<30


1° Pour construire le reste du cube, il faut utiliser le commande Copier.
2° Pour trouver le centre des ellipses, il faut utiliser les commandes suivantes :

3° sur l’icône de la commande Point.

4° Au message « Commande : _point »
Au message « « Spécifiez un point : » tapez ‘cal puis return.
Au message « >>Expression : » tapez (int+int)/2 puis return.
Sélectionner des intersections opposées.

5° Pour tracer les cercles elliptiques, il faut activer les commandes suivantes :
Menu déroulant Outils / Aide au dessin / Résolution/Grille.
Cocher l’option Accrochage isométrique.
Pour la vue de gauche laisser l’angle d’accrochage à 0.
Pour la vue de dessus mettre l’angle de l’accrochage à 60.
Pour la vue de droite mettre l’angle de l’accrochage à 120.




6° Choisir la commande Ellipse puis taper i pour isométrique, Pour placer le cercle isométrique
utiliser les accrochages Nodal et Milieu.
InfoEasy Weber Yvan                                                                       20.04.2008
Autocad 2006                                                                                    41



                                    10. Arcs elliptiques

1° Cliquer sur l’icône

2 Au message     « Commande : _ellipse : »
                 « Spécifiez l’extrémité de l’axe de l’ellipse ou [Arc / Centre] : _a »
                 « Spécifiez une extrémité de l’axe de l’arc elliptique ou [Centre] : »
Cliquer sur une extrémité, une intersection, sur un point ou entrez une valeur par exemple 90,120
pour P1.

3° Au message « Spécifiez la deuxième extrémité de l’axe : »
Entrez par exemple @50<0 pour P2 (ou montrez la direction avec le curseur), return.

4° Au message « Spécifiez la distance avec l’autre axe ou [Rotation] : »
Entrez par exemple @10<90 pour P3 (ou montrez la direction avec le curseur), return.

5°Au message « Spécifiez l’angle de départ ou [Paramètre] : »
Entrez par exemple 120 pour P4, return.

6° Au message « Spécifiez l’angle de fin ou [Paramètre / angle Décrit] : »
Entrez par exemple 60 pour P5, return.

                                                                  P3 = @10<90

                                                                                   P2 = @50<0


        P1 = 90,120


              P5 = 60                                                        P4 = 120




                                                                P3 = @10<90
Exercice avec l'option Centre comme point de départ.

                                                                              P4 = 45°


                                                                                   P2 = @25<0

      P5 = 180°


                              P1 = 115,70




InfoEasy Weber Yvan                                                               20.04.2008
Autocad 2006                                                                                        42



                                 11. Exercices Polyligne

   11.1.    Droites

                                                                                 P4                P3
1° Cliquer sur l’icône                                     Clore

2° Au message « Commande : _spline : »
                 « Spécifiez le point de départ : »      P1
                                                                                                   P2
Sélectionner un point d’accrochage ou entrer une valeur.

3° Au message « Spécifiez le point suivant ou [Arc / Clore / Demi-larg / LOngueur / annUler / LAr-
geur] : »
Saisir les points suivants.


   11.2.    Droite et arc

                                                                P1
1° Cliquer sur l’icône                                                           P2

2° Au message « Commande : _spline : »
                 « Spécifiez le point de départ : »
Sélectionner un point d’accrochage ou entrer une valeur P1.
Faire de même pour le point P2.                                             P3

3° Au message « Spécifiez le point suivant ou [Arc / Clore / Demi-larg / LOngueur / annUler / LAr-
geur] : » Tapez a pour Arc puis return.

4° Au message « Spécifiez l’extrémité de l’arc ou [Angle / CEntre / Clore / DIrection / DEmi-larg /
LIgne / Rayon / Second-pt /annUler / LArgeur] : »
Saisir une valeur pour l’extrémité de l’arc par exemple @10<270 (P3) puis return pour terminer.


   11.3.    Arc dans une autre direction de la tangente
                                                                            P3 =@10<30
1° Cliquer sur l’icône

2° Au message « Commande : _spline : »                             P1                 P2
                 « Spécifiez le point de départ : »
Sélectionner un point d’accrochage ou entrer une valeur P1.
Faire de même pour le point P2.
Tapez a pour Arc puis return.                                            P4 = @15<330

4° Au message « Spécifiez l’extrémité de l’arc ou [Angle / CEntre / Clore / DIrection / DEmi-larg /
LIgne / Rayon / Second - pt / annUler / LArgeur] : »
Tapez di pour direction puis return.

5° Au message « Spécifiez la direction de la tangente pour le point de départ de l’arc :
Saisir une valeur par exemple @10<30 pour le point P3 et @15<330 pour P4.



InfoEasy Weber Yvan                                                                   20.04.2008
Autocad 2006                                                                                    43



   11.4.    Droite et arc avec angle


1° Cliquer sur l’icône
                                                              P1           P2
2° Au message « Commande : _spline : »
                 « Spécifiez le point de départ : »
Sélectionner un point d’accrochage ou entrer une valeur P1.
Faire de même pour le point P2.
Tapez a pour Arc puis return.                                   P3 = @25<330

3° Au message « Spécifiez l’extrémité de l’arc ou [Angle / CEntre / Clore / DIrection / DEmi-larg /
LIgne / Rayon / Second - pt /annUler / LArgeur] : »
Tapez a pour angle puis return.

4° Au message « Spécifiez l’angle décrit : »
Saisir la valeur d’un angle par exemple –120, return.

5° Au message « Spécifiez l’extrémité de l’arc ou [CEntre / Rayon] : »
Saisir une valeur par exemple @25<330 pour P3, puis return.




   11.5.    Droite et arc avec rayon



                                                                      P1                P2
1° Cliquer sur l’icône

2° Au message « Commande : _spline : »
                 « Spécifiez le point de départ : »
Sélectionner un point d’accrochage ou entrer une valeur P1.
                                                                   P3 = @20<270
Faire de même pour le point P2.
Tapez a pour Arc puis return.

3° Au message « Spécifiez l’extrémité de l’arc ou [Angle / CEntre / Clore / DIrection / DEmi-larg /
LIgne / Rayon / Second - pt /annUler / LArgeur] : »
Tapez r pour rayon puis return.

4° Au message « Spécifiez le rayon de l’arc : »
Saisir la valeur d’un rayon par exemple 20, return.

5° Au message « Spécifiez l’extrémité de l’arc ou [Angle] : »
Saisir une valeur par exemple @20<270 pour P3, puis return.




InfoEasy Weber Yvan                                                               20.04.2008
Autocad 2006                                                                                     44



   11.6.    Droite et arc avec 2ième point

                                                                                 P4 = @10,5
1° Cliquer sur l’icône
                                                                        P3 = @15,10
2° Au message « Commande : _spline : »
                 « Spécifiez le point de départ : »
Sélectionner un point d’accrochage ou entrer une valeur P1.       P1               P2
Faire de même pour le point P2.
Tapez a pour Arc puis return.

3° Au message « Spécifiez l’extrémité de l’arc ou [Angle / CEntre / Clore / DIrection / DEmi-larg /
LIgne / Rayon / Second-pt /annUler / LArgeur] : »
Tapez s pour Second-pt puis return.

4° Au message « Spécifiez un deuxième point sur l’arc : »
Saisir la valeur d’un rayon par exemple @15,10, return.

5° Au message « Spécifiez l’extrémité de l’arc : »
Saisir une valeur par exemple @10,50 pour P3, puis return.


   11.7.    Largeur
                                                                              P4 = 0
1° Cliquer sur l’icône
                                                                   P1              P2
2° Au message « Commande : _spline : »
                 « Spécifiez le point de départ : »
Sélectionner un point d’accrochage ou entrer une valeur P1.
Faire de même pour le point P2.                                         P3 = 5

3° Au message « Spécifiez le point suivant ou [Arc / Clore / Demi-larg / LOngueur / annUler / LAr-
geur] : »
Saisir la pour largeur, puis return.

4° Au message « Spécifiez la largeur de départ <0.00> :
Saisir par exemple 5 pour P3, puis return.

5° Au message « Spécifiez la largeur de fin <5.00> : »
Saisir par exemple 0 pour P4, puis return.

6° Au message « Spécifiez le point suivant ect. »
Saisir une valeur par exemple @20<0 ou montrez la direction, puis return et Esc pour terminer.




InfoEasy Weber Yvan                                                               20.04.2008
Autocad 2006                                                                                   45



    11.8.   Demi-largeur

1° Cliquer sur l’icône

2° Au message « Commande : _spline : »
                 « Spécifiez le point de départ : »
Sélectionner un point d’accrochage ou entrer une valeur P1.

3° Au message « Spécifiez le point suivant ou [Arc / Clore / Demi-larg / LOngueur / annUler / LAr-
geur] : »
Saisir d pour demi-largeur, puis return.

4° Au message « Spécifiez la demi-largeur de départ <0.00> : »
Saisir par exemple 2 pour le point P1 puis return.

5° Au message « Spécifiez la demi-largeur de fin <2.00> : »
Tapez sur Return pour le point P2.

6° Au message « Spécifiez le point suivant ou etc. »
Saisir une valeur par exemple 30, return.

Et ainsi de suite.

                                                          P3 = 2
                            P2 = 2




                         P1 = 2




                                                                        P4 = 5




InfoEasy Weber Yvan                                                              20.04.2008
Autocad 2006                                                                      46



                                    12. Exercices Diviser

   12.1. Pour insérer des points sur un objet, selon un nombre donné de seg-
       ments

1° Mettre le style de points sur

1° Cliquer sur le menu déroulant Dessin / Point / Diviser.

2° Au message « Commande : _ divide »
                  « Choix de l’objet à diviser : »
Cliquer sur un objet (ligne, cercle…)

3° Au message « Entrez le nombre de segments [Bloc] : »
Saisir par exemple 5, puis return pour terminer.


   12.2.    Pour insérer un bloc sur un objet selon un nombre donné de segments

1° Cliquer sur le menu déroulant Dessin / Point / Diviser.

2° Au message « Commande : _ divide »
                  « Choix de l’objet à diviser : »
Cliquer sur un objet (ligne, cercle…)

3° Au message « Entrez le nombre de segments [Bloc] : »
Tapez b pour Bloc.

4° Au message « Entrez le nom du bloc à insérer : »
Saisir le nom d’un bloc, par exemple Polygone.

5° Au message « Aligner le bloc avec l’objet ? [Oui / Non] <O> : »
Return pour Oui, ou n pour Non, return.

6° Au message « Entrez le nombre de segments : »
Saisir par exemple 6, puis return pour terminer.



              Blocs alignés




         Blocs non alignés




InfoEasy Weber Yvan                                                  20.04.2008
Autocad 2006                                                                            47



13. Exercices Mesurer


   13.1.    Pour insérer des points sur un objet à intervalles réguliers


1° Mettre le style de points sur

1° Cliquer sur le menu déroulant Dessin / Point / Mesurer.

2° Au message « Commande : _ measure »
                  « Choix de l’objet à mesurer : »
Cliquer sur un objet (ligne, cercle…)

3° Au message « Spécifiez la longueur du segment[Bloc] : »
Saisir par exemple 15, puis return pour terminer.




   13.2.    Pour insérer un bloc sur un objet à intervalles réguliers

Commande identique à la commande diviser voir 12.2.




InfoEasy Weber Yvan                                                        20.04.2008
Autocad 2006                                                                                   48



14. Exercices Accrochage intersection projetée

1° Cliquer sur une commande de dessin, par exemple ligne, point, etc.


2° Cliquer sur l’icône Intersection projetée

3° Sélectionner les objets.

                                                                             P2

      P1




                                   P2                                   P1




InfoEasy Weber Yvan                                                               20.04.2008
Autocad 2006                                                                                   49



                               15. Exercices Multilignes

   15.1.    Création d’un style de multilignes

L’exercice consiste à créer un style de multilignes pour la composition du mur de l’EXER7 des
exercices d’architecture.




1° Cliquer sur le menu déroulant Format / Style de multilignes, ce qui provoque l’ouverture de la
boîte de dialogue suivante :




2° Dans la zone « Nom » saisir le nom du nouveau style de multilignes, par exemple
MUR_15_ET_12 (pas d’espace ni de caractères spéciaux).

3° Cliquer sur « Ajouter ».

4° Cliquer sur le bouton Propriétés de l’élément…, ce qui provoque l’ouverture de la boîte de dia-
logue suivante :




InfoEasy Weber Yvan                                                              20.04.2008
Autocad 2006                                                                                     50

5° Supprimer la ligne qui est sélectionnée en cliquant sur le bouton Supprimer, corriger la valeur
de la ligne restante à 0 dans la zone décalage.

6° Saisir une nouvelle valeur dans la zone Décalage, par exemple 12 et cliquer sur le bouton Ajou-
ter. Faire de même pour le mur de 15.
Attention les valeurs sont en absolu depuis la valeur 0, donc il faut créer des éléments de 0, 12,
20, 35.

7° Eventuellement modifier la couleur et le type de ligne de chaque éléments.

8° Cliquer sur OK.

8° Cliquer sur le bouton Propriétés de multilignes pour modifier celles-ci.




9° Cliquer sur le bouton Enregistrer pour conserver ce style de multilignes.




10° Lorsqu’on veut changer de style de multilignes, il faut cliquer sur le bouton Charger.




InfoEasy Weber Yvan                                                                 20.04.2008
Autocad 2006                                                                                            51



                                       16. Exercices Miroir

1° Cliquer sur l’icône

2° Au message « _mirror »
                 « Choix des objets : »
Sélectionner un ou des objet(s), return.

3° Au message « Spécifiez le premier point de la ligne de symétrie : »
Cliquer sur une extrémité P1, une intersection ou saisir une valeur (par exemple avec l’accrochage
Depuis et @20,0

4° Au message « Spécifiez le deuxième point de la ligne de symétrie : »
Cliquer sur une extrémité P2, une intersection ou saisir une valeur.

5° Au message « Effacer les objets source ? [Oui /Non] <N> : »
Return pour non ou tapez o pour oui et return.
                                                                             Résultat si
                    Objet à copier                                           réponse
                                                                             Non
                                      P1                Résultat si
                                                        réponse
                                                        Oui




                                 P2

Copie miroir du texte et des attributs.

La copie miroir a pour effet d'inverser le texte, les attributs et les définitions d'attributs. Elle repro-
duit fidèlement l'effet obtenu à l'aide d'un miroir.
Pour éviter que le texte soit inversé, il faut désactiver la variable MIRRTEXT en la mettant à la va-
leur zéro.

Sur la ligne de commande, taper mirrtext.
Au message « Nouvelle valeur pour MIRRTEXT <1>: », tapez 0.
Return pour terminer.




         MIRRTEXT à 1




         MIRRTEXT à 0

Remarque :
Quelle que soit la valeur de MIRRTEXT, .Autocad inverse automatiquement le texte et les attributs,
lorsqu'ils font partie d'un bloc.

InfoEasy Weber Yvan                                                                     20.04.2008
Autocad 2006                       52




InfoEasy Weber Yvan   20.04.2008
Autocad 2006                                             53



                      17. Exercices texte




InfoEasy Weber Yvan                         20.04.2008
Autocad 2006                                              54



                      18. Exercices spline




InfoEasy Weber Yvan                          20.04.2008
Autocad 2006                                                                                  55



             19. Exercices Périmètre, Aire (addition / soustraction)


   19.1.    Aire et périmètre


Calculer la surface d'un rectangle de 20x50


1. Cliquer sur l'icône Aire.


2. Au message « Spécifiez le premier coin [Objet / Adition / Soustraction] : »
Cliquer sur le point P1 avec intersection.


3. Au message « Spécifiez le coin suivant ou appuyez sur ENTREE pour le total : »
Cliquer sur le point P2 avec intersection.


4. Faire de même pour les points P3 et P4, puis return pour terminer.


Résultat « Aire = 1000.00 Périmètre = 140.00 »

                         P1                                      P2



                           P4                               P3
   19.2.    Aire d’un objet


Calculer la surface d'un cercle de ø 20



1. Cliquer sur l'icône Aire.


2. Au message « Spécifiez le premier coin [Objet / Adition / Soustraction] : »
Taper o pour objet, return.


3. Au message « Choix des objets :
Cliquer sur le cercle.


Résultat « Aire = 314.16 Circonférence = 62.83 »



InfoEasy Weber Yvan                                                              20.04.2008
Autocad 2006                                                                                  56



   19.3.    Addition


Calculer la surface d'un rect de 50x20 + le cercle de ø 20.
                                                               P1                             P2


1° Cliquer sur l'icône Aire

                                                              P4                   P3

2° Au message « Au message « Spécifiez le premier coin [Objet / Adition / Soustraction] : »
Taper a pour addition, return.


3° Au message « Spécifiez le premier coin ou [Objet / Soustraction] : »
Cliquer sur le point P1 avec intersection.


4° Au message « Spécifiez le coin suivant ou appuyez sur ENTREE pour le total : »
Cliquer sur le point P2 avec intersection.


5° Faire de même pour les points P3 et P4, return.


6° Au message « Spécifiez le premier coin ou [Objet /Soustraction] : »
Taper o pour objet, return.


7° Au message « (mode addition) Choix des objets : »
Cliquer sur le cercle.


Résultat « Aire totale= 1314.16 », Esc pour sortir de la commande.



   19.4.    Soustraction


Calculer la surface d'un rectangle de 50x30 moins un carré de 15x15


1° Cliquer sur l'icône Aire



2° Au message « Au message « Spécifiez le premier coin [Objet / Adition / Soustraction] : »
Taper a pour addition, return.
3° Au message « Spécifiez le premier coin ou [Objet / Soustraction] : »

InfoEasy Weber Yvan                                                              20.04.2008
Autocad 2006                                                                                57
Cliquer sur le point P1 avec intersection.
4° Au message « Spécifiez le coin suivant ou appuyez sur ENTREE pour le total : »
Cliquer sur le point P2 avec intersection.
5° Faire de même pour les points P3 et P4, return.
6° Au message « Spécifiez le premier coin ou [Objet /Soustraction] : »
Taper s pour soustraction, return.
Cliquer sur le point P5, P6, P7, P8 avec intersection.
Return pour terminer                            P1         P5            P6
                                                                                    P2
Aire = 225, Périmètre = 60
Aire = 1275
Esc pour sortir de la commande.

                                                 P4                                 P3
                                                         P8              P7




InfoEasy Weber Yvan                                                            20.04.2008
Autocad 2006                                                                                     58



                                20. Exercices Solide 2d

Forme simple


1° Cliquer sur le menu déroulant Dessin /Surfaces / Solide 2d

2° Au message « Commande : _solid Spécifiez le                      1       2
                  premier point : »                                                 4
Cliquer sur le point P1 avec intersection.                  3

3° Au message « Spécifiez un deuxième point : »
Cliquer sur le point P2 avec intersection.
                                                                5               6
4° Faire de même pour les points 3 à 8.                             7       8
Esc pour sortir de la commande.


Forme complexe

1° Cliquer sur le menu déroulant Dessin /Surfaces / Solide 2d

2° Au message « Commande : _solid Spécifiez le premier point : »
Cliquer sur le point P1 avec intersection.

3° Au message « Spécifiez un deuxième point : »
Cliquer sur le point P2 avec intersection.


4° Faire de même pour les points 3 à 8.                 1                   2
Esc pour sortir de la commande.
                                                                                4
                                                       3


                                                                            6
                                                            5

                                                                        8
                                                                7




InfoEasy Weber Yvan                                                                 20.04.2008
Autocad 2006                                                                                       59



                             21. Cotation en espace papier

Définition

Les onglets de présentation permettent d'accéder à une zone nommée espace papier. L'espace
papier permet de placer le cartouche, de créer les fenêtres de présentation pour afficher les vues
et d'ajouter des cotes et des remarques au dessin.

Dans l'espace papier, une unité représente la distance d'une unité sur la feuille de tracé. Les uni-
tés seront le millimètre ou le pouce, selon le profil de traçage du traceur.

Dans l'onglet de présentation, on peut consulter et modifier les objets de l'espace papier tels que
les fenêtres de présentation et les cartouches. Le réticule est actif sur l'ensemble de la zone de
présentation.




Ps : un grand merci aux deux contributeurs "lili2006" et "(gile)" du forum Cadxp.fr, sans qui ce tuto
n'aurait pas pu être élaboré.




InfoEasy Weber Yvan                                                                 20.04.2008
Autocad 2006                                                                                          61



   21.1.    Paramétrage du style pour la cotation en espace papier

       21.1.1.    Paramètres pour l'architecture.


Avant de pouvoir faire la cotation, il faut définir les paramètres d'un style de cotation et ceci dans le
gabarit.


1° Mettre le calque cotation Courant.


2° Cliquer sur l'icône Style de cote.




ce qui ouvre la boîte de dialogue suivante :




InfoEasy Weber Yvan                                                                   20.04.2008
Autocad 2006                                                                                     62


3° Cliquer sur le bouton Nouveau.




Saisir un nom pour le nouveau style. Le nouveau style sera basé sur le style ISO-25 qui est le style
par défaut.


4° Cliquer sur le bouton Continuer.


ce qui ouvre la boîte de dialogue suivante :




InfoEasy Weber Yvan                                                               20.04.2008
Autocad 2006                                                                                  63


       1.3.1. Onglet Lignes


1° Cliquer sur l'onglet Lignes, ce qui ouvre la boîte de dialogue suivante :




2° Modifier les paramètres comme ci-dessous.




                                                                                  Important




InfoEasy Weber Yvan                                                            20.04.2008
Autocad 2006                                                                                   64


       1.3.2. Onglet Symboles et flèches
1° Cliquer sur l'onglet Symboles et flèches, ce qui ouvre la boîte de dialogue suivante :




2° Modifier les paramètres comme ci-dessous.




InfoEasy Weber Yvan                                                               20.04.2008
Autocad 2006                                                                               65


       1.3.3. Onglet Texte
1° Cliquer sur l'onglet Texte, ce qui ouvre la boîte de dialogue suivante :




2° Modifier les paramètres comme ci-dessous.




InfoEasy Weber Yvan                                                           20.04.2008
Autocad 2006                                     66


      1.3.4. Onglet Ajuster




                         Ne pas
                         modifier




InfoEasy Weber Yvan                 20.04.2008
Autocad 2006                                                                                     67


       1.3.5. Onglet Unités principales
1° Cliquer sur l'onglet Unités principales, ce qui ouvre la boîte de dialogue suivante :




2° Modifier les paramètres comme ci-dessous.




InfoEasy Weber Yvan                                                                 20.04.2008
Autocad 2006                                                        68


      1.3.6. Onglet, Unités alternatives, Tolérances


Pas de changement dans ces onglets.




InfoEasy Weber Yvan                                    20.04.2008
Autocad 2006                                                                                          69



       21.1.2.    Paramètres pour la mécanique.


Avant de pouvoir faire la cotation, il faut définir les paramètres d'un style de cotation et ceci dans le
gabarit.


1° Cliquer sur l'icône Style de cote.




ce qui ouvre la boîte de dialogue suivante :




InfoEasy Weber Yvan                                                                   20.04.2008
Autocad 2006                                                                                     70


2° Cliquer sur le bouton Nouveau.




Saisir un nom pour le nouveau style. Le nouveau style sera basé sur le style ISO-25 qui est le style
par défaut.


3° Cliquer sur le bouton Continuer.


ce qui ouvre la boîte de dialogue suivante :




InfoEasy Weber Yvan                                                               20.04.2008
Autocad 2006                                                                                71

       1.3.7. Onglet Lignes


1° Cliquer sur l'onglet Lignes, ce qui ouvre la boîte de dialogue suivante :




2° Modifier les paramètres comme ci-dessous.




                                                                                   Important




InfoEasy Weber Yvan                                                            20.04.2008
Autocad 2006                                                                                   72


       1.3.8. Onglet Symboles et flèches


1° Cliquer sur l'onglet Symboles et flèches, ce qui ouvre la boîte de dialogue suivante :




Aucun changement




InfoEasy Weber Yvan                                                               20.04.2008
Autocad 2006                                                                               73


       1.3.9. Onglet Texte
1° Cliquer sur l'onglet Texte, ce qui ouvre la boîte de dialogue suivante :




2° Modifier les paramètres comme ci-dessous.




InfoEasy Weber Yvan                                                           20.04.2008
Autocad 2006                                                                    74


       1.3.10.   Onglet Ajuster




                         Ne pas modifier, car du fait
                         que la cotation est associa-
                         tive, les paramètres définis
                         dans les onglets précédents


Exemple: si on modifie ce paramètre de 1 à 0.5
                      Valeur à 1                        Valeur à 0.5




InfoEasy Weber Yvan                                                20.04.2008
Autocad 2006                                                                                     75


       1.3.11.   Onglet Unités principales
1° Cliquer sur l'onglet Unités principales, ce qui ouvre la boîte de dialogue suivante :




2° Modifier les paramètres comme ci-dessous.




InfoEasy Weber Yvan                                                                 20.04.2008
Autocad 2006                                                           76


      1.3.12.   Onglet, Unités alternatives, Tolérances


Pas de changement dans cet onglet.




InfoEasy Weber Yvan                                       20.04.2008
Autocad 2006                                                                                  77


       1.3.13.   Onglet, Tolérances


Du fait que la cotation est associative, si on choisit par exemple la méthode "Symétrique", alors
toutes les cotes prennent cette tolérance.




InfoEasy Weber Yvan                                                             20.04.2008
Autocad 2006                                           78


Cotation sans paramètre de tolérance :




Cotation avec paramètres de tolérance :




ce qui n'est pas acceptable.




InfoEasy Weber Yvan                       20.04.2008
Autocad 2006                                                                                     79


La solution est de modifier la cote devant avoir une tolérance avec les propriétés de la cote.




Résultat :




InfoEasy Weber Yvan                                                                 20.04.2008
Autocad 2006                                                                                     80



   21.2.    Cotation en espace papier

       21.2.1.    Cotation en architecture.


Une fois le composant terminé dans l'espace objet, il suffit de cliquer sur l'onglet 'Présentation1'
pour commencer la mise en pages pour l'impression du dessin.


1° Dessiner l'élément dans la fenêtre Objet à l'échelle 1:1.




2°Mettre le calque Fenetre-présentation sur Courant.




InfoEasy Weber Yvan                                                               20.04.2008
Autocad 2006                                                                          81


3° Cliquer sur l'onglet Présentation1, ce qui ouvre la page suivante :




                                               Rester    en
                                               espace




InfoEasy Weber Yvan                                                      20.04.2008
Autocad 2006                                                                                     82


4° Cliquer sur la fenêtre de présentation et mettre l'échelle de l'élément à 1:10 par exemple.




InfoEasy Weber Yvan                                                                 20.04.2008
Autocad 2006                                                                                  83


5° Mettre le style de cotation sur Cotation architecture et faire la cotation.




InfoEasy Weber Yvan                                                              20.04.2008
Autocad 2006                                                                                 84


Eventuellement ouvrir une nouvelle fenêtre pour montrer un détail par exemple le lavabo.


6°Pour cela cliquer sur l'icône Fenêtre unique.




7° Créer une fenêtre.




                                                  1er point




                                                              2ème point



L'élément est entièrement affiché dans cette nouvelle fenêtre.




InfoEasy Weber Yvan                                                             20.04.2008
Autocad 2006                                                                                        85


7° Double-cliquer dans cette nouvelle fenêtre pour basculer en espace Objet, puis modifier pas à
pas l'échelle de l'élément, par exemple à 1:8, 1:4, 1:2, 1:1, 2:1 et ceci en recentrant au fur et à me-
sure le détail que l'on désire afficher et éventuellement coter.




InfoEasy Weber Yvan                                                                  20.04.2008
Autocad 2006                                                                                        86


8°Cliquer sur l'icône pour basculer en espace papier et faire la cotation du détail.




InfoEasy Weber Yvan                                                                    20.04.2008
Autocad 2006                                                                       87



   21.3.    Modification de l'échelle des fenêtres


1° Sélectionner une ou plusieurs fenêtres, puis modifier l'échelle.




2° Taper cotregen au clavier pour mettre à jour la cotation.




InfoEasy Weber Yvan                                                   20.04.2008
Autocad 2006                                                                                   88



   21.4.    Cotation de la hauteur des embrasures


       1.3.14.    Modification de la cote avec Propriétés


Par exemple mettre la hauteur de l'embrasure sous la ligne de cote.


1°Sélectionner la cote avec le bouton droit de la souris et choisir Propriétés.




2° Dans la rubrique Remplacement du texte, saisir la formule <>X115, puis entrer.




InfoEasy Weber Yvan                                                               20.04.2008
Autocad 2006                                                          89


3° Autre exemple, saisir <>/200hXCoulissant, entrer.




InfoEasy Weber Yvan                                      20.04.2008
Autocad 2006                                                                                      90


   21.5.    Solution avec un style de cote supplémentaire
1° Créer un nouveau style de cote nommé par ex. Cotation embrasures.




2° Dans l'onglet Lignes supprimer les lignes de cote 1 et 2 et les lignes d'attache 1 et 2.




cela a pour conséquence d'afficher uniquement le texte de la cotation.

3° Poser la cote sous la ligne de cote d'une embrasure, puis sélectionner cette cote avec le bouton
droit de la souris, puis cliquer sur Propriétés et modifier la valeur de la cote.




InfoEasy Weber Yvan                                                                  20.04.2008
Autocad 2006                                                                                             91


    21.6.   Conseils

1° Avant de poser la cotation, il faut si possible déterminer quelle sera l'échelle définitive, car lors
de la modification des échelles, la cotation subit parfois des modifications (position du texte de la
cote), du fait que l'espace entre les lignes d'attaches est modifié, qu'il faut corriger par la suite.

2° Lors de la pose des cotes, il faut être très rigoureux sur la position de la ligne de cote, je re-
commande de poser la cote en relatif (par ex. @10<0), car sinon lors de la modification de
l'échelle les cotes ne se mettent pas correctement à jour.

3° Il faut éviter de modifier la longueur des lignes d'attache, car cela pose également des problè-
mes de mise à jour.




Certaines cotes sont déplacées ou modifiées !!!



InfoEasy Weber Yvan                                                                     20.04.2008
Autocad 2006                                                                           92



                                      22. Exercices cotation

Pour créer une cote horizontale ou verticale


Horizontale

  1. Cliquer sur l'icône     .
  2. Choisir l'emplacement de la première ligne d'attache P1.
  3. Choisir l'emplacement de la deuxième ligne d'attache P2.
  4. Définir l'emplacement de la ligne de cote, par exemple @10<90.
  5. Return pour terminer.


                                 P1                                      P2

                     P1




Verticale
                                             P2


  1    Cliquer sur l'icône    .
  2    Choisir l'emplacement de la première ligne d'attache P1.
  3    Choisir l'emplacement de la deuxième ligne d'attache P2.
  4    Définir l'emplacement de la ligne de cote, par exemple @10<180.
  5    Return pour terminer.


Pour créer une cotation alignée.



  1.   Cliquer sur l'icône    .
  2    Choisir l'emplacement de la première ligne d'attache P1.
  3    Choisir l'emplacement de la deuxième ligne d'attache P2..
  4    Définir l'emplacement de la ligne de cote, par exemple @10<120.
  5    Return pour terminer.
                                                          P2



                    P1




InfoEasy Weber Yvan                                                       20.04.2008
Autocad 2006                                                          93


Pour créer une cotation angulaire.



  1.   Cliquer sur l'icône     .
  2    Choisir la première ligne P1.
  3    Choisir la deuxième ligne P2.
  4    Définir l'emplacement de la ligne de cote.
  5    Return pour terminer.
                                                    P1



          P2




Pour créer une cotation de rayon.


1. Cliquer sur l'icône     .
2. Choisir un cercle ou un arc.
3. Choisir l'emplacement de la ligne de cote.




InfoEasy Weber Yvan                                      20.04.2008
Autocad 2006                                                                                        94
Pour créer une cotation d'un diamètre.


1. Cliquer sur l'icône     .
                                                             2
2. Choisir un arc ou un cercle.
3. Choisir l'emplacement de la ligne de cote.


                  1




Remarque :
L'option (Texte/Angle) permet de choisir un autre texte ou un autre angle du texte.


Pour créer une cotation en continu.



1.   Cliquer sur l'icône     .
2.   Choisir l'emplacement de la première ligne d'attache P1.
3.   Choisir l'emplacement de la deuxième ligne d'attache P2.
4.   Définir l'emplacement de la ligne de cote.

5.   Cliquer sur l'icône      .
6.   Choisir l'emplacement de la deuxième ligne d'attache.
7.   Répéter jusqu'à la fin des cotes à définir.
8.   Return 2 fois pour terminer.




                                                                                     P1

                                                                                    P2
                            P6                P5     P4          P3
Remarque :

Si la variable dimaso est active, il n'est pas nécessaire de cliquer chaque fois sur l'icône "Continu".




InfoEasy Weber Yvan                                                                  20.04.2008
Autocad 2006                                                                                 95


Pour créer une cotation linéaire en parallèle.



1.   Cliquer sur l'icône         .
2.   Choisir l'emplacement de la première ligne d'attache.
3.   Choisir l'emplacement de la deuxième ligne d'attache.
4.   Choisir la position de la ligne de cote.
5.   Return.


6.   Cliquer sur l'icône      .
7.   Choisir l'emplacement de la troisième ligne d'attache, return.
8.   Répéter jusqu'à la fin des cotes à définir.
9.   Return 2 fois pour terminer.

                                 P4
                           P5



                                                                                P1

                                                                                P2

                                                                                P3



Pour créer une ligne de repère.


1. Cliquer sur l'icône .

2. Au message « Indiquez le premier point de la ligne de repère ou [Paramètres] : ».
3. Cliquer sur un point, par exemple P1.
4. Au message « Indiquer le point suivant : »
5. Cliquer sur le point suivant, par exemple P2.
6. Au message « Spécifiez la largeur de texte <0> : »
7. Entrez par exemple 4.
8. Au message « Entrez la première ligne du texte d’annotation <Textmult> : »
9. Entrez par exemple angle vif, return.
10.Soit entrez une deuxième ligne de texte ou return pour terminer.
                                                                         P2
                                                      P1




InfoEasy Weber Yvan                                                             20.04.2008
Autocad 2006                                                                                          96

Pour représenter un centre d'un cercle ou d'un arc.




1. Cliquer sur l'icône       .
2. Choisir un cercle ou un arc.

          Remarque : pour obtenir un résultat positif, il faut que l'option "Centre" du style de cotation
          / géométrie soit activée.




Pour créer une cotation en ordonnée.

1. Déplacer l'origine (voir page59) à l'endroit où commence la cotation.


2.   Cliquer sur l'icône        .
3.   Au message « Indiquez la position de l’objet : »
4.                   « Indiquez une extrémité de la ligne de repère ou etc…
5.   Cliquer une extrémité, par exemple P1.
6.   Au message « Entrez le texte de cote <0> : »
7.   Return pour terminer la cote.


8. Faire de même pour les cotes suivantes, ou cliquer sur Cotation continue




                                                                                   P1=origine




InfoEasy Weber Yvan                                                                   20.04.2008
Autocad 2006                                                                                                    97

Déplacement de l'origine en 2d pour la cotation superposée (ordonnées)

Les cotes superposées mesurent la distance perpendiculaire entre le point d'origine, appelé référence, et un
élément coté du dessin (un trou dans une pièce, par exemple). En effectuant toutes les mesures à partir du
même point de référence, vous évitez les risques d'erreur et d'imprécision résultant du total cumulé des dis-
tances.




La cote ordonnée, ou cote superposée, est constituée d'une valeur X ou Y et d'une ligne de repère. Les cotes
superposées Xmesurent la distance d'un point à partir de la référence sur l'axe des X. Les cotes superposées
Y mesurent la distance sur l'axe des Y. Si vous spécifiez un point, le programme détermine automatiquement
s'il s'agit d'une cote superposée X ou Y. Cette fonction est appelée "cotes superposées automatiques". Si la
distance est plus importante pour la valeur Y, la cote mesure la valeur X. sinon, elle calcule la valeur Y.




Le programme utilise la valeur de coordonnée absolue du SCU courant pour déterminer les valeurs superpo-
sées. Avant de créer des cotes superposées, vous devez redéfinir l'origine du SCU pour qu'elle coïncide avec
la référence.




Le texte de cote est aligné par rapport à la ligne de repère, quelle que soit l'orientation du texte définie par le
style de cote courant. Vous pouvez accepter la valeur proposée par défaut ou entrer votre propre texte.




InfoEasy Weber Yvan                                                                            20.04.2008
Autocad 2006                                                                                     98


Déplacement de l'origine

Il y a deux possibilités pour déplacer l'origine :


1re possibilité


1° Saisir "scu" au clavier, puis return.


2° Au message :
Entrez une option
[Nouveau/Déplacer/orThogonal/Préc/Restaurer/Sauver/Effacer/Appliquer/ ? /Général]
<Général>:
Saisir D pour déplacer.


3° Au message : Spécifiez une nouvelle origine ou [profondeurZ]<0,0,0>:
cliquer avec la souris sur le nouvel emplacement de l'origine.


Par exemple :




                                                                                 Nouvel origine X,
                                                                                 Y, Z




L'icône SCG (Système de Coordonnées Général)                     ,se transforme en SCU (Système de


Coordonnées Utilisateur)
                                                                       Le W dis-
                                                                       paraît




InfoEasy Weber Yvan                                                                20.04.2008
Autocad 2006                                                                                        99


Pour afficher l'icône SCU sur la nouvelle origine :




2ème possibilité


1° Afficher la barre d'outils SCU.




2° Cliquer sur l'icône Origine       , puis continuer selon le point 3 ci-dessus.



Pour revenir en SCG, cliquer sur l'icône Général              , ou saisir scu au clavier et return pour
<Général>.




InfoEasy Weber Yvan                                                                  20.04.2008
Autocad 2006                                                                                      100
Pour définir des tolérances géométriques.


1. Cliquer sur l'icône      , ce qui provoque l’ouverture de la boîte de dialogue suivante :



         Symbole




                         Tolérance           Référence




2. Dans la boîte de dialogue "Tolérance géométrique", remplir les caractéristiques de la tolérance.
3. Cliquer sur OK.
4. Choisir l'emplacement de la tolérance, par ex. extrémité.




Remarque : pour obtenir la flèche de repère :

1° Cliquer sur la commande Repère rapide.

2° Cliquer sur une extrémité.

3° Indiquer le point suivant : return 2 x.




InfoEasy Weber Yvan                                                                  20.04.2008
Autocad 2006                                                                                      101



Pour éditer une cotation.

Pour éditer une cotation, il faut que la cotation ait été créée avec la variable DIMASO active.

Sur la ligne de commande, tapez Dimaso, return.
Tapez ac pour actif, return.


Pour créer une cotation oblique


1. Cliquer sur l'icône .

2.   Au message « Entrez le type d’édition des cotes [Début / Nouv / Rotation / Oblique] <Début> : »
3.   Tapez o pour oblique puis return.
4.   Au message « Choix des objets : ».
5.   Cliquer sur une cote, return.
6.   Au message « Entrez l’angle de l’inclinaison (appuyez sur Entrée pour aucun) : »
7.   Tapez par exemple 20.
8.   Return pour terminer.




InfoEasy Weber Yvan                                                                 20.04.2008
Autocad 2006                                                                                102



                    23. Développement exercices Architecture

   23.1.    Exercice 1A Lavabo, marche à suivre 1ière solution

a)                                        b)
-Lignes                                   -Pedit (joindre)
-Raccords r20                             -Décaler de 4




c)                                        d)
-Décomposer                               -Ligne (milieu)
-Raccords de 3                            -Copier M ligne du haut de 9 et 19
-Copier 1 ligne + 2r de 3




e)                                        f)
-Cercles de Ø 3 et Ø 5                    Résultat
-Décaler de 2 les cercles
-Ajuster, effacer




InfoEasy Weber Yvan                                                            20.04.2008
Autocad 2006                                                                   103



   23.2.     Exercice 1A Lavabo, marche à suivre 2ième solution

a)                                           b)
-Lignes                                      -Pedit (joindre)
-Cercle ttr de 20                            -Décaler de 4
                                             -Décomposer
                                             -Raccords de 3




c)                                           d)
-Effacer                                     -Miroir
-Prolonger




e)                                           f)
-Cercles de Ø 3 et Ø 5                       Résultat
-Décaler de 2 les cercles
-Ajuster, effacer




InfoEasy Weber Yvan                                               20.04.2008
Autocad 2006                                                                             104



   23.3.    Exercice 1B WC_1

a)                                          b)
-Ligne verticale de ~ 80                    -Ellipse
-Décaler à droite et à gauche de 20 et 25   -Décaler l’ellipse de 5
-Ligne horizontale de ~ 60
-Copier M de 16 et 66




c)                                          d)
-Chanfreins (écart 0)                       -Copier M ligne de 5 et de 15
-Effacer lignes de construction             -Lignes depuis l’ellipse au rectangle




e)                                          f)
-Ajuster les ellipses                       -Raccords de 5




InfoEasy Weber Yvan                                                         20.04.2008
Autocad 2006                                                                               105



   23.4.   Exercice 1c Dou_80

a)                                             b)
-Rectangle de 80x80                            -Décomposer la polyligne ext.
-Décaler de 4                                  -Décaler de 10 (pour centre cercle)
-Raccord de 3 (option polyligne)               -Cercles de 5 et 9




c)                                             d)
-Ajuster les lignes, effacer le cercle de 9    -Ajuster, effacer cercles r6 et r36
-Cercles r6 et r36                             -Réseau polaire, 2 copies à 22.5°
-Ligne depuis centre cercle vers coin opposé   -Réseau polaire, 2 copies à -22.5°




InfoEasy Weber Yvan                                                           20.04.2008
Autocad 2006                                                                         106



   23.5.    Exercice 1d Bain_180

a)                                 b)
-Rectangle de 180x75               -2 cercles ttr de 20
-Décomposer le rectangle           -Arc 3 points (int / milieu / int)
-Décaler de 5, 6,




c)                                 d)
-Ajuster                           -Pedit des arcs (joindre)
-Miroir (de milieu à milieu)       -Décaler de 5
-Ajuster, effacer                  -Décaler de 35




e)                                 f)
-2 cercles ttr de 15               -Ajuster
-Ligne (depuis milieu)
-Décaler de 27
-Cercle de 5




InfoEasy Weber Yvan                                                     20.04.2008
Autocad 2006                                                                                 107



   23.6.    Exercice 3b Wc_2 (plan)

a)                                                b)
-Ligne vert. de ~ 75                              -Arc 3 points
-Décaler à gauche et à droite de 24 et 25         -Copier l’arc de 3 vers le haut
-Cercle r19                                       -Prolonger les deux bouts d’arc




c)                                                d)
-Ajuster et effacer les lignes de construction    -Décaler ligne de centre de 14.5
                                                  -Décaler ligne du haut de 28
                                                  -Lignes (int à tangente)




e)                                               f)
-Ellipse 1er point à int, 2ième point à @34<270, -Copier M ligne du haut à 22, 34, 37
demi-longueur à @15<90                           -Décaler ligne du centre de 4 et de 8
-Ajuster, effacer                                -Ajuster, effacer




InfoEasy Weber Yvan                                                             20.04.2008
Autocad 2006                                                                    108



   23.7.   Exercice 4 Escalier Rez

a)                                   b)
-Cercles de r15, r55, r95 et r100    -Réseau polaire 11 sur 240°
-Ligne (accr. centre / quadrant)     -Ajuster
                                     -Lignes (int à int)




c)                                   d)
-Décaler de 3                        -Poser le texte 1
-Ajuster                             -Réseau polaire des chiffres (centre du réseau à
                                     gauche –7 du centre
                                     -Changer texte avec Editer texte




InfoEasy Weber Yvan                                                20.04.2008
Autocad 2006                                                            109



                                        24. Présentation


   24.1.    Préparation de la mise en pages

1° Ouvrir le fichier base archi.dwt.

2° Afficher la barre d'outils Présentation




3 °Cliquer sur Présentation1.




4° Cliquer sur l'icône "Gestionnaire de mise en page"

ce qui ouvre la fenêtre suivante :




InfoEasy Weber Yvan                                        20.04.2008
Autocad 2006                                                                                   110

5° Cliquer sur le bouton "Nouveau".




6° Saisir un nom (par ex. A4 vertical), sélectionner "<Périphérique par défaut du système>".

7° Cliquer sur ok, ce qui ouvre la boîte de dialogue Mise en page-Objet :




8° Configurer la mise en pages.

Par exemple :
   •   L'orientation du dessin
   •   Le format du papier.
   •   L'imprimante




InfoEasy Weber Yvan                                                               20.04.2008
Autocad 2006                                                                                     111

9° Cliquer sur la boîte déroulante "Table des styles de tracé (attribution des plumes)".




10° Cliquer sur "Nouveau", ce qui ouvre la boîte de dialogue suivante :




11° Cocher "Commencer avec un brouillon" et cliquer sur le bouton Suivant, ce qui ouvre la boîte
de dialogue suivante :




InfoEasy Weber Yvan                                                                 20.04.2008
Autocad 2006                                                                                    112
12° Saisir un nom, puis cliquer sur le bouton Suivant, ce qui ouvre la boîte de dialogue
suivante :




13° Cliquer sur le bouton Terminer, ce qui ouvre la boîte de dialogue "Mise en page-Objet".

14° Cliquer sur le bouton Modifier pour configurer la table de tracé du nouveau style.




ce qui ouvre la boîte de dialogue suivante :




InfoEasy Weber Yvan                                                                20.04.2008
Autocad 2006                                                                               113

15° Cliquer sur l'onglet "Vue de la Table".

16° Modifier les paramètres nécessaires pour que le dessin sorte correctement selon les normes
en vigueur dans l'entreprise.
                                                      Pour une imprimante       Choisir le
                                                      noir/blanc,   choisir     type    de
     Désactiver le                                    noir                      ligne
     panachage




                                                               Choisir
                                                               l'épaisseur




17° Cliquer sur le bouton Enregistrer & Fermer.


18° Cliquer sur Ok dans la boîte de dialogue "Mise en page-Objet".




InfoEasy Weber Yvan                                                           20.04.2008
Autocad 2006                                                                                114


19° Eventuellement cliquer à nouveau sur l'icône "Gestionnaire de mise en page", pour configurer
un format A3.




Il y a donc deux mises en page dans Présentation1.


20° Cliquer sur Fermer.


21° Cliquer sur l'onglet Objet.


22° Enregistrer et fermer le fichier.




InfoEasy Weber Yvan                                                            20.04.2008
Autocad 2006                                                                                   115

   24.2.   Préparation à l'impression


1° Ouvrir un dessin


Remarque :


Si le dessin à été conçu avec un fichier dwt complet, les configurations de mises en page sont dis-
ponibles, sinon il faut ouvrir un nouveau dessin .dwg et faire une copie de fenêtre à fenêtre pour
retrouver les configurations de mises en page.


Par exemple :




2° Créer un calque "fenêtre_présentation", couleur gris et le rendre courant.




InfoEasy Weber Yvan                                                              20.04.2008
Autocad 2006                                                                                     116


3 Cliquer sur l'onglet Présentation1, ce qui ouvre la fenêtre suivante :




4° Cliquer sur l'icône "Gestionnaire de mise en page".




ce qui ouvre la boîte de dialogue suivante :




Sélectionner une mise en page (par ex A4 vertical) et cliquer sur le bouton "Définir courant".



InfoEasy Weber Yvan                                                                20.04.2008
Autocad 2006                                                                               117


5° La fenêtre A4 vertical est activée.




6° Cliquer sur le bouton Fermer.


7° Cliquer sur la fenêtre, et à l'aide des grips, le recentrer.



8° Si l'élément n'apparaît pas complètement, cliquer sur l'icône Papier pour basculer en espace
Objet de la Présentation1, puis avec la commande Panoramique dynamique centrer la vue.




InfoEasy Weber Yvan                                                           20.04.2008
Autocad 2006                                                                                     118


9° Dans l'espace Objet éventuellement agrandir ou diminuer la vue avec la fonction "Contrôle de
l'échelle de la fenêtre.




10° Faire la cotation en n'oubliant pas de mettre le contrôle des styles de cotes à la bonne valeur.




11° Pour basculer de l'espace papier à l'espace objet de Présentation1, il suffit de cliquer sur
l'icône "Agrandir la fenêtre".




12° Basculer en espace Papier en cliquant sur l'icône Objet.




Geler le calque "Fenêtre_présentation" dans la fenêtre courante, insérer le cadre et le cartouche et
imprimer le dessin.




InfoEasy Weber Yvan                                                                 20.04.2008
Autocad 2006                                             119




                      Geler cette fenêtre
                      avant impression




InfoEasy Weber Yvan                         20.04.2008
Autocad 2006                                                                                     120



          25. Utilisation des Propriétés pour la cotation associative
Pour que les cotes soient modifiables individuellement, il faut que la variable dimaso soit active ou
que soit cocher "Rendre associatives les nouvelles cotes" dans la boîte de dialogue Options / Pré-
férences Utilisateur.




InfoEasy Weber Yvan                                                                20.04.2008
Autocad 2006                                                                                    121



   25.1.    Mettre une cote entre parenthèse


1° Sélectionner la cote.


2° cliquer sur la commande Propriété


3° Dans la rubrique "Remplacement du texte", saisir le nouveau texte de la cote.




4° Résultat.




InfoEasy Weber Yvan                                                                20.04.2008
Autocad 2006                                                                                        122



   25.2.    Mettre une tolérance sur une cote


1° Sélectionner la cote.


2° cliquer sur la commande Propriété




3° Cliquer dans la rubrique "Affichage de la tolérance". Cliquer sur la flèche à droite, choisir le type
de tolérance.




InfoEasy Weber Yvan                                                                   20.04.2008
Autocad 2006                                                                                 123


4° Saisir les valeurs de la tolérance




Résultat.




Les valeurs qui sont affichées en gris sont dépendantes du style de cotation.




InfoEasy Weber Yvan                                                             20.04.2008
Autocad 2006                                                                                       124



   25.3.     Déplacer la position du texte de la cote
1° Sélectionner la cote.


2° cliquer sur la commande Propriété




3° Cliquer dans rubrique "Déplacement du texte", puis sur la flèche à droite et choisir "Déplacer le
texte, pas de ligne de repère" ou "Déplacer le texte, ajouter une ligne de repère".
4° Fermer la commande Propriétés, cliquer sur la cote et puis la déplacer.




Résultat :




InfoEasy Weber Yvan                                                                   20.04.2008
Autocad 2006                                                                    125



                 26. Création et modification de barres d’outils


   26.1.   Création d’une barre d’outils


1° Cliquer sur le menu Affichage.




InfoEasy Weber Yvan                                                20.04.2008
Autocad 2006                                                                                 126


2° Sélectionner "Barre d'outils…".




3° Dans la zone "Personnalisations dans tous les fichiers CUI" cliquer sur Barre d'outils avec le
bouton droit de la souris.




InfoEasy Weber Yvan                                                             20.04.2008
Autocad 2006                                                                                      127


4° Cliquer sur Nouveau / Barre d'outils.




5° Renommer "Barre d'outils1" en par exemple Perso.
6° Cliquer sur le bouton "Appliquer".




la nouvelle barre d'outils est affichée, elle n'a pas encore d'outils disponibles.




InfoEasy Weber Yvan                                                                  20.04.2008
Autocad 2006                                                                             128



   26.2.     Création d’une barre d’outils


1° Dans la zone "Liste des commandes", cliquer sur Catégories : et choisir "Commandes person-
nalisées".




2° Cliquer sur le bouton "Nouvelle".




InfoEasy Weber Yvan                                                         20.04.2008
Autocad 2006                                                                           129


3° Dans la zone "Propriétés", saisir le nom de la commande et la macro.




InfoEasy Weber Yvan                                                       20.04.2008
Autocad 2006                                                                             130


4° Sélectionner la nouvelle commande dans la liste des commandes, puis un outil dans la zone
"Icône de bouton" (n'importe lequel).




5° Cliquer sur le bouton Modifier.




InfoEasy Weber Yvan                                                         20.04.2008
Autocad 2006                                                                                     131


6° Avec les outils Gomme et Crayon redessiner l'image du bouton, puis l'enregistrer sous dans un
dossier et cliquer sur les boutons Enregistrer et Fermer.




7° Sélectionner le nouvel icône dans la zone "Icône de bouton", de façon qu'il soit affecté à la nou-
velle commande.




InfoEasy Weber Yvan                                                                20.04.2008
Autocad 2006                                                                                   132


8° Faire un glisser / déposer de la nouvelle commande vers la nouvelle barre d'outils.




9° Cliquer sur le bouton "Appliquer". La nouvelle commande est disponible dans la nouvelle barre
d'outils.




InfoEasy Weber Yvan                                                               20.04.2008
Autocad 2006                                                                                     133



                               27. Création d’un diaporama

Définition


Pour présenter à l'écran une série de clichés de manière automatique, Autocad possède la com-
mande Script, qui permet d'exécuter une série de commandes.
Ce système est très pratique pour présenter un dossier contenant une multitude de vues sans de-
voir ouvrir chaque fichier dessin DWG.
La création du fichier, contenant la suite d'instructions, se fait par un éditeur comme le Bloc-notes
de Windows. L'extension du fichier doit être .SCR.
Pour afficher les différentes vues, il faut les créer préalablement avec la commande Mcliche. Pour
afficher un cliché séparément, il faut employer la commande Affclich.


Mcliche


Permet de sauvegarder des clichés sous forme de fichiers. Ces fichiers ont l'extension .sld.


Procédure :


1. Ouvrir un dessin, faire éventuellement un zoom de la partie pour laquelle on veut créer un cli-
   ché.
2. Taper la commande Mcliche.
3. Choisir l'option Créer, ce qui affiche la boîte de dialogue suivante :




4. Saisir un nom de fichier, par ex. vue1.sld.
5. Répéter les points 1à 4 en nommant par exemple les vues vue2.sld, vue3.sld, etc..


Affclich


Permet d'afficher les fichiers créés par la commande Mcliche.


InfoEasy Weber Yvan                                                                20.04.2008
Autocad 2006                                                                                       134


Procédure :


1. Taper la commande Affclich, ce qui affiche la boîte de dialogue suivante :.




2. Sélectionner un fichier avec l'extension .sld.
3. Cliquer sur Ouvrir, le cliché est affiché.
4. Pour revenir à l'écran graphique précédent cliquer sur l'icône redessiner


Script


Permet d'afficher un fichier script créé dans un éditeur de texte comme par exemple, le bloc-notes
de Windows. Le fichier ainsi créé doit avoir l'extension .scr.


Création d'un fichier Script


Procédure


1. Ouvrir le Bloc-notes des menus Démarrer de Windows /Programmes /Accessoires.
2. Enregistrer le fichier avec l'extension .scr et ceci en cliquant sur le menu Fichier et l'option En-
   registrer sous.




3. Cliquer sur Enregistrer.




InfoEasy Weber Yvan                                                                  20.04.2008
Autocad 2006                                                                                     135


4. Saisir les commandes du fichier Script comme suit :


•   Affclich (↵ pour ligne suivante)                 =Commande Autocad pour afficher un cliché
•   C:Mes documents/Station/vue1.sld↵               =Chemin du fichier cliché
•   Delai 3000↵                                      =Temps d'affichage en millisecondes
•   Faire de même pour les vues suivantes...
•   Rescript                                         =Commande pour créer une boucle d'affi-
    chage
5. Une fois toutes les commandes saisies, enregistrer le fichier encore une fois.


                  Exemple .




Utilisation d'un fichier Script
Procédure :


1. Taper la commande Script, ce qui ouvre la boîte de dialogue suivante.




2. Choisir un fichier .scr et cliquer sur OK.
3. Pour arrêter le déroulement des clichés, cliquer sur Esc du clavier.




InfoEasy Weber Yvan                                                                 20.04.2008
Autocad 2006                                                                                  136



                                        28. Exercice Xref

   28.1.    Préparation

1° Ouvrir un nouveau fichier et dessiner la plaque de base en profil (rectangle de 300x20) et
l’enregistrer sous « Plaque de base ».

2° Création de l’ensemble Station1 avec les commandes Xref. Ouvrir les fichiers pièces et créez
des Wbloc pour les vues nécessaires dans l’ensemble. Enregistrez ces Wbloc dans un sous-
dossier (par exemple « Wbloc pour Station1 »).

3° Ouvrir un fichier et l’enregistrer sous « Station1 ».

4° Activer la barre d’outils Référence.




   28.2.    Insertion de fichiers externes

1° Cliquer sur l’icône Attacher une référence externe          , ce qui provoque l’ouverture de la
boîte de dialogue suivante :




2° Cliquer sur le fichier Plaque de base, ce qui provoque l’ouverture de la boîte de dialogue sui-
vante :




InfoEasy Weber Yvan                                                              20.04.2008
Autocad 2006                                                                                      137

3° Eventuellement activer une ou plusieurs variables selon le besoin (Echelle, Rotation, etc.). La
commande Superposition est utilisée dans le cadre d’un travail en réseau. Cliquer le bouton Ok.

4° Après l’insertion on remarque qu’il y a une adjonction d’un ou de plusieurs calques.




                                                                            Nouveau calque,
                                                                            un l sépare le
                                                                            nom du fichier du
                                                                            nom du calque



5° Répéter les points 4 à 6 pour tous les autres composants de l’ensemble.


   28.3.    Insérer plusieurs composants identiques

Pour les composants qui se trouvent plusieurs fois dans l’ensemble (par exemple les Vis Inbus
M6x30), il faut :

1° Cliquer sur l’icône Référence externe           , ce qui provoque l’ouverture de la boîte de dialo-
gue suivante :




2° Sélectionner le fichier et cliquer sur le bouton Attacher.

3° Répéter les points ci-dessus autant que nécessaire.




InfoEasy Weber Yvan                                                                 20.04.2008
Autocad 2006                                                                                     138



   28.4.      Modifier un composant Xref


1° Cliquer sur l’icône Référence externe          , ce qui provoque l’ouverture de la boîte de dialo-
gue suivante :




2° Sélectionner une référence à modifier et cliquer sur le bouton Ouvrir.

3° Faire les modifications du composant, puis l’enregistrer.

4° Ouvrir à nouveau la boîte de dialogue Gestionnaire des références externes en cliquant

sur l’icône

5° Cliquer sur le bouton Recharger pour mettre à jour le composant modifier. Toutes les occurren-
ces du composant sont misent à jour.

   28.5.      Détacher (supprimer) une référence externe


1° Cliquer sur l’icône Référence externe          , ce qui provoque l’ouverture de la boîte de dialo-
gue suivante :

2° Sélectionner le fichier à supprimer et cliquer sur le bouton Détacher.




InfoEasy Weber Yvan                                                                20.04.2008
Autocad 2006                                                                                      139



   28.6. Supprimer une référence externe tout en conservant le composant dans
       l’ensemble



1° Cliquer sur l’icône Référence externe           , ce qui provoque l’ouverture de la boîte de dialo-
gue suivante :




2° Sélectionner le fichier à supprimer la référence et à conserver le composant dans l’ensemble.

3° Cliquer sur le bouton Lier, ce qui ouvre la boîte de dialogue suivante :




Ajouter =les calques de la référence externes sont disponibles.




Insérer = Rupture totale du lien.



InfoEasy Weber Yvan                                                                 20.04.2008
Autocad 2006                                                                                140

Remarque : la syntaxe des calques correspondant au fichier ajouter est modifiée, le signe $ rem-
place le signe I.




InfoEasy Weber Yvan                                                            20.04.2008
Autocad 2006                                                                                      141



   28.7.    Décharger une référence Xref

Si on désire momentanément masquer une référence externe pour par exemple mieux voir une
autre référence ou simplifier l’affichage, il faut :

1° Cliquer sur l’icône Référence externe           , ce qui provoque l’ouverture de la boîte de dialo-
gue suivante :




2° Sélectionner le fichier à décharger la référence.

3° Cliquer sur le bouton Décharger.

Remarque : le fichier décharger est signalé dans la boîte de dialogue Gestionnaire des références
externes.




4° Pour le recharger, il suffit de sélectionner le fichier décharger et de cliquer sur le bouton Re-
charger.




InfoEasy Weber Yvan                                                                 20.04.2008
Autocad 2006                                                              142



                                      29. Blocs dynamiques

   29.1.    Déplacement et rotation

1° Ouvrir un bloc existant avec Outils / Editeur de blocs




2° Sélectionner le bloc à modifier.




InfoEasy Weber Yvan                                          20.04.2008
Autocad 2006                                                                                   143

ce qui ouvre la boîte de dialogue suivante :




3° Cliquer sur "Paramètre de point", sélectionner le point sur la chaise et tirer le curseur sur la
gauche ou ailleurs et cliquer.




InfoEasy Weber Yvan                                                              20.04.2008
Autocad 2006                                                                                     144

4° Cliquer sur "Paramètre de rotation", cliquer sur le centre de la chaise.

5° Au message : Spécifiez le rayon du paramètre:, tirer le curseur à l'endroit désiré puis cliquer ou
donner une valeur pour le rayon.




6° Au message : Spécifiez un angle de rotation par défaut ou [angle de Base] <0>: taper sur En-
trée au clavier.




Remarque :

Notez la présence de l'icône d'alerte à côté des poignées du paramètre. Cette icône indique
qu'aucune action n'est associée au paramètre.

La prochaine étape consiste donc à ajouter des actions aux paramètres.




InfoEasy Weber Yvan                                                                20.04.2008
Autocad 2006                                                                                     145

6° Dans l'onglet Actions (1) de Palettes de création de blocs, sélectionnez Action de déplacement
(2).




                                                                 2




                                                                         1




7° Au message, "Sélectionnez le paramètre:" cliquer sur la ligne Position (1). Puis au message,
"Choix des objets:" sélectionner la chaise et return. Au message, "Spécifiez l'emplacement de l'ac-
tion ou [Variateur/Décalage]:", positionner l'icône Déplacer (2).




                                                                 1
                                  2




L'action s'affiche sous forme de texte et d'un éclair. Sa position dans la définition du bloc n'a au-
cune incidence sur la fonctionnalité de la référence du bloc. On vient d'associer une action de dé-
placement au paramètre de point.




InfoEasy Weber Yvan                                                                20.04.2008
Autocad 2006                                                                                   146

8° Cliquer sur la commande "Action de rotation", puis cliquer sur le paramètre de rotation (1). Au
message "Choix des objets:" sélectionner la chaise et return. Puis positionner l'icône de rotation
(2).




                                                                                               2




                                                                                           1




9° Voilà, c'est terminé. Cliquer sur la commande "Enregistrer la définition du bloc" et sur "Fermer
l'éditeur de blocs.




10° Lorsqu'on insère le bloc et qu'on le sélectionne, les points de déplacement et de rotation sont
affichés.

11° Cliquer sur un point et faire un déplacement ou une rotation.




InfoEasy Weber Yvan                                                              20.04.2008
Autocad 2006                                                             147



   29.2.    Permettre l'étirement d'une partie d'un bloc

1° Ouvrir un bloc existant avec Outils / Editeur de blocs




2° Sélectionner le bloc à modifier.




InfoEasy Weber Yvan                                         20.04.2008
Autocad 2006                                                                                148

ce qui ouvre la boîte de dialogue suivante :




3° Cliquer sur la commande "Paramètre linéaire" et cliquer sur deux extrémités, déplacer le cur-
seur contre le bas où contre le haut et cliquer.




                         1
                                                                       2




InfoEasy Weber Yvan                                                            20.04.2008
Autocad 2006                                                                                       149

4° Maintenant il faut modifier le paramètre afin de n'afficher qu'une seule poignée. Sélectionner le
paramètre linéaire, avec le bouton droit choisir Affichage des poignées, sélectionner "1".




4° Cliquer sur la ligne "Distance", puis avec le bouton droit de la souris ouvrir le menu contextuel et
cliquer sur "Propriétés".
Sous "Jeu de valeurs", cliquer sur la flèche et choisir "Liste".




InfoEasy Weber Yvan                                                                  20.04.2008
Autocad 2006                                                                                         150


5° Cliquer dans "Liste de valeur de dist".




6° Cliquer sur le bouton à droite      , ce qui ouvre la boîte de dialogue suivante :




Saisir des distances et cliquer sur le bouton "Ajouter" et cliquer sur OK.




InfoEasy Weber Yvan                                                                     20.04.2008
Autocad 2006                                                                                        151

7° Cliquer sur l'onglet "Actions".

8° Cliquer sur "Action d'étirement", sélectionner la ligne "Distance", puis la flèche bleue à droite.




9° Définir le cadre de l'étirement.




                  1




                                                                                             2




InfoEasy Weber Yvan                                                                   20.04.2008
Autocad 2006                                            152

10 Sélectionner les objets à étirer.




                    2




                                       1




11 Cliquer pour poser l'action.




InfoEasy Weber Yvan                        20.04.2008
Autocad 2006                                                                                       153


12° Voilà, c'est terminé. Cliquer sur la commande "Enregistrer la définition du bloc" et sur "Fermer
l'éditeur de blocs.




13° Lorsqu'on insère le bloc et qu'on le sélectionne, le point d'étirement est affiché.


14° Cliquer sur le point et faire un étirement.




InfoEasy Weber Yvan                                                                   20.04.2008
Autocad 2006                                                             154



   29.3.    Utiliser des états de visibilité


1° Ouvrir un bloc existant avec Outils / Editeur de blocs




2° Sélectionner le bloc à modifier.




InfoEasy Weber Yvan                                         20.04.2008
Autocad 2006                                                                           155

ce qui ouvre la boîte de dialogue suivante :




3° Cliquer sur la commande "Paramètre de visibilité" et poser l'action.




InfoEasy Weber Yvan                                                       20.04.2008
Autocad 2006                                                                                        156


4° Double cliquer sur le paramètre "Visibilité" ou sur le bouton "Gérer les états de visibilité.



                                                                                        , ce qui ouvre
la boîte de dialogue suivante :




5° Sélectionner "EtatVisibilité0" et cliquer sur le bouton Renommer et saisir par ex "Bureau et
chaise".




InfoEasy Weber Yvan                                                                    20.04.2008
Autocad 2006                                                                                    157

6° Cliquer sur Nouveau pour ouvrir la boîte de dialogue Nouvel état de visibilité. Attribuer le nom
Bureau à l'état de visibilité et cliquer sur OK.




7° Dans la barre d'outils Editeur de blocs, cliquer sur le bouton Masquer. Sélectionnez la chaise et
appuyer sur la touche ENTREE.




8° Voilà, c'est terminé. Cliquer sur la commande "Enregistrer la définition du bloc" et sur "Fermer
l'éditeur de blocs.




InfoEasy Weber Yvan                                                               20.04.2008
Autocad 2006                                                                                         158


9° Lorsqu'on insère le bloc et qu'on le sélectionne, le point de visibilité est affiché, cliquer dessus et
sélectionner ce qui doit être visible.




InfoEasy Weber Yvan                                                                    20.04.2008
Autocad 2006                                                             159



   29.4.    Utiliser une table de consultation


1° Ouvrir un bloc existant avec Outils / Editeur de blocs




2° Sélectionner le bloc à modifier.




InfoEasy Weber Yvan                                         20.04.2008
Autocad 2006                                                                                       160


ce qui ouvre la boîte de dialogue suivante :




3° Dans l'onglet Paramètres de Palettes de création de blocs, sélectionner Paramètre de consulta-
tion, puis cliquer à l'endroit où on désir afficher la poignée personnalisée dans la référence du bloc.




InfoEasy Weber Yvan                                                                  20.04.2008
Autocad 2006                                                                                      161


4° Dans l'onglet Actions, cliquer sur Action de consultation, puis sur Paramètre de consultation
dans le dessin.
Sélectionner le paramètre de consultation, ce qui ouvre la boîte de dialogue suivante :




5° Cliquer sur le bouton "Ajouter des Propriétés", ce qui ouvre la boîte de dialogue suivante :




InfoEasy Weber Yvan                                                                 20.04.2008
Autocad 2006                                                                                162

6° Sélectionner "Linéaire" et cliquer sur OK.

7° Dans la colonne Propriétés de saisie, toutes les valeurs spécifiées pour la largeur du bureau
sont énumérées dans un menu déroulant. Cliquer sur la flèche de défilement vers le bas et sélec-
tionner une valeur.




8° Entrer une étiquette dans la ligne correspondante sous la colonne Propriétés de consultation.
Attribuer une étiquette à chaque valeur.




                                                                        Etiquettes




InfoEasy Weber Yvan                                                            20.04.2008
Autocad 2006                                                                                         163

9° Sous Propriétés de consultation, cliquer sur la ligne Lecture seule sous Personnaliser et sélec-
tionner Autoriser la consultation inversée.




Cliquer ensuite sur OK.

10° Dans l'éditeur de blocs, cliquer sur le bouton Enregistrer la définition du bloc et fermer l'éditeur.

11° Insérer le bloc et cliquer sur le bloc pour le sélectionner, les paramètres dynamiques sont affi-
chés.




12° Cliquer sur le paramètre "Consultation" et choisir une longueur.




InfoEasy Weber Yvan                                                                   20.04.2008
Autocad 2006                                                                                164


                           30. Création d’un détail échelle 5

1° Dans Présentation1 créer une fenêtre (éventuellement polygonale) avec toutes les vues.

2° En espace objet mettre l’échelle à 1:1.




3° Faire la cotation en espace objet.




InfoEasy Weber Yvan                                                            20.04.2008
Autocad 2006                                                                                       165


4° Créer une nouvelle fenêtre.


5° Mettre l’échelle de l’objet à 5, rechercher la vue que l’on veut coter à l’échelle 5 en déplaçant le
contour de la fenêtre.




                                                                                    Nouvelle
                                                                                    fenêtre

6° Créer un calque Cotation_ech5.




InfoEasy Weber Yvan                                                                  20.04.2008
Autocad 2006                                                                                    166


7° Coter la vue agrandie.




                                                                            Remarque, il faut
                                                                            geler ce calque
                                                                            dans la fenêtre
                                                                            courante éch. 1:1




8° Geler le calque Cotation_ech5 dans la fenêtre courante de la vue à l’échelle 1 :1.




InfoEasy Weber Yvan                                                                20.04.2008
Autocad 2006                                                167


9° En espace papier geler le calque Fenêtre.




InfoEasy Weber Yvan                            20.04.2008
Autocad 2006                                                                                 168



                               31. Groupement d'objets

Un groupe est un ensemble enregistré d'objets que vous pouvez sélectionner et modifier simulta-
nément ou séparément. Les groupes permettent de combiner facilement les éléments du dessin
devant être manipulés comme un tout.


   31.1.   Groupe


1° Sur la ligne de commande, entrer Groupe, ce qui ouvre la boîte de dialogue suivante :




2° Entrer le nom du groupe sous Nom de groupe, éventuellement saisir une description du
groupe.


3° Dans la zone Créer un groupe, cliquer sur Nouveau.




InfoEasy Weber Yvan                                                             20.04.2008
Autocad 2006                                                                                    169
4° Sélectionner les objets et appuyer sur Entrée, ce qui ouvre à nouveau la boîte Grouper des
objets.




   31.2.   Editer un groupe


1° Sur la ligne de commande, entrer Groupe, ce qui ouvre la boîte de dialogue suivante :




2° Sélectionner le groupe puis modifier le groupe avec les commandes, Enlever, Ajouter, Re-
nommer, Réorganiser etc…


InfoEasy Weber Yvan                                                             20.04.2008
Autocad 2006                                                                           170



            32. Créer un champ affichant la surface d'un polygone

1° Créer un polygone.


2° Avec la commande Texte Multiple, créer un texte dans le polygone.




3° Saisir AIRE dans la zone de saisie du texte.


4° Faire un clic droit avec la souris et sélectionner Insérer un champ.




InfoEasy Weber Yvan                                                       20.04.2008
Autocad 2006                                                                                      171


5°Dans la boîte de dialogue Champ, dans la liste Noms de champs, sélectionner Objet.




6° A droite de la liste Type d'objet, cliquer sur le bouton Sélectionner un objet.




InfoEasy Weber Yvan                                                                  20.04.2008
Autocad 2006                                                                                    172


7° Sélectionner le polygone.




8°Dans la liste Propriétés, choisir le champ Aire. Dans la zone aperçu la valeur de l'aire est affi-
chée.


9° Dans la liste Formats, choisir Décimal.


10° Dans la liste Précision, choisir la précision d'affichage.




InfoEasy Weber Yvan                                                               20.04.2008
Autocad 2006                                                                                      173


11° Cliquer sur OK.




12° Cliquer sur OK de la boîte de dialogue Format texte.




13° Si on modifie la géométrie ou la taille du polygone, il suffit de Régénérer le dessin.




InfoEasy Weber Yvan                                                                  20.04.2008
Autocad 2006                                                                              174



                 33. Créer un champ affichant le nom de fichier

1° Dans la barre d'outils Dessin, cliquer sur Texte multiligne.


2° Avec un clic droit de la souris, choisir Insérer un champ.




3° Dans la boîte de dialogue Champ et dans la liste Noms de champs, choisir Nom de fichier.




InfoEasy Weber Yvan                                                          20.04.2008
Autocad 2006                                                                                 175


Sous la rubrique Formats: , choisir l'affichage du texte et à droite cocher quel chemin doit être
affiché.


4° Cliquer sur Ok dans la boîte de dialogue Format du texte..




InfoEasy Weber Yvan                                                             20.04.2008

Tutorial Autocad 2006 2D

  • 1.
    Tutorial Autocad 20062d 1 InfoEasy weber.y avril 2007 Mise à jour le 20 avril 2008
  • 3.
    Autocad 2006 3 Table des matières 1. UTILISATION DU TUTORIAL ...................................................................................8 1. LES PROFILS ...........................................................................................................9 1.1. Profil sans nom .................................................................................................................................................... 9 1.2. Création d'un Profil personnalisé .................................................................................................................... 10 1.3. Utilisation d'un Profil personnalisé.................................................................................................................. 13 2. CREATION D’UN GABARIT PERSONNALISE (PREMIERS PARAMETRES) ......16 2.1. Limites du dessin ............................................................................................................................................... 16 2.2. Unités .................................................................................................................................................................. 17 2.3. Valeur de la résolution et paramètres de la grille ........................................................................................... 17 2.4. Résolution active ................................................................................................................................................ 18 2.5. Ortho actif .......................................................................................................................................................... 18 2.6. Enregistrement d’un fichier Gabarit ............................................................................................................... 19 3. EXERCICES LIGNES. .............................................................................................20 3.1. Lignes en absolu................................................................................................................................................. 21 3.2. Lignes en relatif ................................................................................................................................................. 21 3.3. Lignes polaire..................................................................................................................................................... 22 3.4. Exercice escalier................................................................................................................................................. 23 4. EXERCICES CERCLES. .........................................................................................24 4.1. Cercle avec centre et rayon............................................................................................................................... 24 4.2. Un cercle avec centre et diamètre..................................................................................................................... 24 4.3. Un cercle par 3 points........................................................................................................................................ 24 4.4. Un cercle par 2 points........................................................................................................................................ 25 4.5. Un cercle tangent tangent rayon à 2 cercles .................................................................................................... 25 4.6. Un cercle tangent tangent tangent.................................................................................................................... 26 5. EXERCICES AJUSTER...........................................................................................27 5.1. Pour ajuster des objets ...................................................................................................................................... 27 5.2. Pour ajuster des objets au niveau de l'intersection virtuelle.......................................................................... 27 6. PROLONGER..........................................................................................................28 6.1. Pour prolonger un objet.................................................................................................................................... 28 6.2. Pour prolonger un (des) objet(s) jusqu’au point d’intersection virtuelle ..................................................... 28 7. EXERCICES ARC ...................................................................................................29 7.1. Première classe (méthode par défaut).............................................................................................................. 30 7.1.1. Arc 3 points................................................................................................................................................. 30 7.2. Deuxième classe (méthode Départ, centre)...................................................................................................... 30 InfoEasy Weber Yvan 20.04.2008
  • 4.
    Autocad 2006 4 7.2.1. Départ, centre, fin ....................................................................................................................................... 30 7.2.2. Départ, centre, angle ................................................................................................................................... 31 7.2.3. Départ, centre, longueur.............................................................................................................................. 31 7.3. Troisième classe (méthode Départ, fin)............................................................................................................ 32 7.3.1. Départ, fin, angle ........................................................................................................................................ 32 7.3.2. Départ, fin, direction................................................................................................................................... 32 7.3.3. Départ, fin, rayon ........................................................................................................................................ 34 7.4. Quatrième classe (méthode Centre, départ).................................................................................................... 34 7.4.1. Centre, départ, fin ....................................................................................................................................... 34 7.4.2. Centre, départ, angle ................................................................................................................................... 35 7.4.3. Centre, départ, longueur.............................................................................................................................. 35 7.5. Autres méthodes ................................................................................................................................................ 36 7.5.1. ContArc....................................................................................................................................................... 36 7.5.2. ContLin ....................................................................................................................................................... 36 8. EXERCICES LIGNES ET ARCS .............................................................................37 9. EXERCICES ELLIPSE ............................................................................................38 9.1. Ellipse avec grand et petit axe .......................................................................................................................... 38 9.2. Ellipse avec grand axe et rotation autour du grand axe................................................................................. 38 9.3. Ellipse avec centre, demi grand axe et petit axe.............................................................................................. 39 9.4. Ellipse avec centre, demi grand axe et rotation autour du grand axe........................................................... 39 9.5. Cercles isométriques.......................................................................................................................................... 40 10. ARCS ELLIPTIQUES ..............................................................................................41 11. EXERCICES POLYLIGNE.......................................................................................42 11.1. Droites................................................................................................................................................................. 42 11.2. Droite et arc........................................................................................................................................................ 42 11.3. Arc dans une autre direction de la tangente.................................................................................................... 42 11.4. Droite et arc avec angle ..................................................................................................................................... 43 11.5. Droite et arc avec rayon .................................................................................................................................... 43 11.6. Droite et arc avec 2ième point ............................................................................................................................. 44 11.7. Largeur............................................................................................................................................................... 44 11.8. Demi-largeur ...................................................................................................................................................... 45 12. EXERCICES DIVISER .............................................................................................46 12.1. Pour insérer des points sur un objet, selon un nombre donné de segments ................................................. 46 12.2. Pour insérer un bloc sur un objet selon un nombre donné de segments....................................................... 46 13. EXERCICES MESURER .........................................................................................47 13.1. Pour insérer des points sur un objet à intervalles réguliers........................................................................... 47 13.2. Pour insérer un bloc sur un objet à intervalles réguliers ............................................................................... 47 InfoEasy Weber Yvan 20.04.2008
  • 5.
    Autocad 2006 5 14. EXERCICES ACCROCHAGE INTERSECTION PROJETEE..................................48 15. EXERCICES MULTILIGNES ...................................................................................49 15.1. Création d’un style de multilignes.................................................................................................................... 49 16. EXERCICES MIROIR ..............................................................................................51 17. EXERCICES TEXTE................................................................................................53 18. EXERCICES SPLINE ..............................................................................................54 19. EXERCICES PERIMETRE, AIRE (ADDITION / SOUSTRACTION)........................55 19.1. Aire et périmètre................................................................................................................................................ 55 19.2. Aire d’un objet................................................................................................................................................... 55 19.3. Addition.............................................................................................................................................................. 56 19.4. Soustraction........................................................................................................................................................ 56 20. EXERCICES SOLIDE 2D ........................................................................................58 21. COTATION EN ESPACE PAPIER ..........................................................................59 21.1. Paramétrage du style pour la cotation en espace papier................................................................................ 61 21.1.1. Paramètres pour l'architecture.................................................................................................................... 61 1.3.1. Onglet Lignes.............................................................................................................................................. 63 1.3.2. Onglet Symboles et flèches......................................................................................................................... 64 1.3.3. Onglet Texte ............................................................................................................................................... 65 1.3.4. Onglet Ajuster............................................................................................................................................. 66 1.3.5. Onglet Unités principales............................................................................................................................ 67 1.3.6. Onglet, Unités alternatives, Tolérances ...................................................................................................... 68 21.1.2. Paramètres pour la mécanique. ................................................................................................................... 69 1.3.7. Onglet Lignes.............................................................................................................................................. 71 1.3.8. Onglet Symboles et flèches......................................................................................................................... 72 1.3.9. Onglet Texte ............................................................................................................................................... 73 1.3.10. Onglet Ajuster............................................................................................................................................. 74 1.3.11. Onglet Unités principales............................................................................................................................ 75 1.3.12. Onglet, Unités alternatives, Tolérances ...................................................................................................... 76 1.3.13. Onglet, Tolérances ...................................................................................................................................... 77 21.2. Cotation en espace papier ................................................................................................................................. 80 21.2.1. Cotation en architecture. .............................................................................................................................. 80 21.3. Modification de l'échelle des fenêtres............................................................................................................... 87 21.4. Cotation de la hauteur des embrasures ........................................................................................................... 88 1.3.14. Modification de la cote avec Propriétés ...................................................................................................... 88 21.5. Solution avec un style de cote supplémentaire ................................................................................................ 90 21.6. Conseils............................................................................................................................................................... 91 22. EXERCICES COTATION.........................................................................................92 InfoEasy Weber Yvan 20.04.2008
  • 6.
    Autocad 2006 6 23. DEVELOPPEMENT EXERCICES ARCHITECTURE ............................................102 23.1. Exercice 1A Lavabo, marche à suivre 1ière solution ...................................................................................... 102 23.2. Exercice 1A Lavabo, marche à suivre 2ième solution ..................................................................................... 103 23.3. Exercice 1B WC_1 ........................................................................................................................................... 104 23.4. Exercice 1c Dou_80.......................................................................................................................................... 105 23.5. Exercice 1d Bain_180 ...................................................................................................................................... 106 23.6. Exercice 3b Wc_2 (plan) ................................................................................................................................. 107 23.7. Exercice 4 Escalier Rez ................................................................................................................................... 108 24. PRESENTATION...................................................................................................109 24.1. Préparation de la mise en pages ..................................................................................................................... 109 24.2. Préparation à l'impression.............................................................................................................................. 115 25. UTILISATION DES PROPRIETES POUR LA COTATION ASSOCIATIVE ..........120 25.1. Mettre une cote entre parenthèse ................................................................................................................... 121 25.2. Mettre une tolérance sur une cote .................................................................................................................. 122 25.3. Déplacer la position du texte de la cote.......................................................................................................... 124 26. CREATION ET MODIFICATION DE BARRES D’OUTILS....................................125 26.1. Création d’une barre d’outils ......................................................................................................................... 125 26.2. Création d’une barre d’outils ......................................................................................................................... 128 27. CREATION D’UN DIAPORAMA ...........................................................................133 28. EXERCICE XREF ..................................................................................................136 28.1. Préparation ...................................................................................................................................................... 136 28.2. Insertion de fichiers externes.......................................................................................................................... 136 28.3. Insérer plusieurs composants identiques....................................................................................................... 137 28.4. Modifier un composant Xref........................................................................................................................... 138 28.5. Détacher (supprimer) une référence externe ................................................................................................ 138 28.6. Supprimer une référence externe tout en conservant le composant dans l’ensemble ............................... 139 28.7. Décharger une référence Xref ........................................................................................................................ 141 29. BLOCS DYNAMIQUES .........................................................................................142 29.1. Déplacement et rotation .................................................................................................................................. 142 29.2. Permettre l'étirement d'une partie d'un bloc................................................................................................ 147 29.3. Utiliser des états de visibilité........................................................................................................................... 154 29.4. Utiliser une table de consultation ................................................................................................................... 159 30. CREATION D’UN DETAIL ECHELLE 5 ................................................................164 31. GROUPEMENT D'OBJETS ..................................................................................168 31.1. Groupe.............................................................................................................................................................. 168 31.2. Editer un groupe.............................................................................................................................................. 169 32. CREER UN CHAMP AFFICHANT LA SURFACE D'UN POLYGONE..................170 InfoEasy Weber Yvan 20.04.2008
  • 7.
    Autocad 2006 7 33. CREER UN CHAMP AFFICHANT LE NOM DE FICHIER.....................................174 InfoEasy Weber Yvan 20.04.2008
  • 8.
    Autocad 2006 8 1. Utilisation du Tutorial 1° L'utilisation d'une commande est signalée par : • Une icône, par exemple l'outil Ligne . • Les menus déroulant, par des caractères gothiques, par exemple Dessin / Arc / Dé- part, Centre, Fin • Menu écran par 2° Les messages, qui apparaissent sur la ligne de commande (en bas de l'espace graphique) lors- qu'on clique sur une commande, sont signalés par des guillemets, exemple « Commande : _line Spécifiez le premier point : ». 3° Les actions à effectuer au clavier ou avec la souris sont signalées en caractères gras, par exemple, cliquer, 100,150, sélectionner. InfoEasy Weber Yvan 20.04.2008
  • 9.
    Autocad 2006 9 1. Les profils L'onglet Profils de la boîte de dialogue Options permet de définir et d'enregistrer les paramètres de l'interface utilisateur sous la forme d'un fichier avec l'extension .arg. Si on partage la station de travail avec plusieurs utilisateurs, on peut charger les options qui sont personnelles à chaque utilisateur. Par défaut, Autocad enregistre les options courantes dans un profil nommé PROFIL SANS NOM. Autocad affiche le nom du profil courant ainsi que celui du dessin actif dans la boîte de dialogue Options. 1.1. Profil sans nom 1° Cliquer sur le menu déroulant Outils, puis sur Options, ce qui ouvre la boîte de dialogue sui- vante : InfoEasy Weber Yvan 20.04.2008
  • 10.
    Autocad 2006 10 2° Cliquer sur l'onglet Profils, puis sur Profil sans nom et sur le bouton Définir courant. L'interface est affichée avec un minimum de barres d'outils. 1.2. Création d'un Profil personnalisé 1° Créer un dossier nommé Profils Autocad. 2° Cliquer avec le bouton droit de la souris sur un endroit libre de la barre des outils, InfoEasy Weber Yvan 20.04.2008
  • 11.
    Autocad 2006 11 puis sur ACAD, ce qui ouvre la boîte de dialogue suivante : Cocher les barres d'outils qui seront nécessaires par exemple en dessins 2d. 3° Placer les barres d'outils à leur emplacement définitif. InfoEasy Weber Yvan 20.04.2008
  • 12.
    Autocad 2006 12 InfoEasy Weber Yvan 20.04.2008
  • 13.
    Autocad 2006 13 4° Cliquer sur le menu Outils / Options /Profils, puis cliquer sur le bouton Exporter. Saisir un nom évocateur, puis cliquer sur Enregistrer. 1.3. Utilisation d'un Profil personnalisé 1° Cliquer sur le menu Outils / Options / Profils, puis cliquer sur le bouton Importer. InfoEasy Weber Yvan 20.04.2008
  • 14.
    Autocad 2006 14 cliquer sur le bouton Ouvrir, ce qui ouvre la boîte de dialogue suivante : 2° Cliquer sur le bouton Appliquer & Fermer. 3° Cliquer sur le bouton Définir Courant. Une fois un profil sauvegardé, on peut exporter ou importer le fichier .arg vers ou depuis différents ordinateurs. Si on modifie le profil courant au cours d'une session Autocad et qu'on désire enregistrer ces modi- fications dans le fichier .arg, on doit exporter le profil. Lorsqu'on exporte le profil modifié sous son nom courant, Autocad met à jour le fichier .arg pour y intégrer les nouvelles données. Ensuite il faut à nouveau importer ce profil dans Autocad pour actualiser les paramètres du profil courant. InfoEasy Weber Yvan 20.04.2008
  • 15.
    Autocad 2006 15 InfoEasy Weber Yvan 20.04.2008
  • 16.
    Autocad 2006 16 2. Création d’un gabarit personnalisé (premiers paramètres) Le gabarit utilisé en début de cours est constitué des paramètres suivants : 1° Limites du dessin. 2° Décimale. 3° Valeur de la résolution et paramètres de la grille. 4° Résolution active. 5° Ortho actif. Les types de gabarit : • Mécaplan pour la mécanique. • Archiplan pour l’architecture. Paramètres selon le type de gabarit. Paramètres Mécaplan Archiplan Limites du dessin 0,0 à 210,297 0,0 à 420,297 Décimale 2 positions après la virgule 1 position après la virgule Valeur de la résolution 0.5 1 Paramètres de la grille 10x10 10x10 Résolution active Oui Oui Ortho actif Oui Oui 2.1. Limites du dessin 1° Cliquer sur le menu déroulant Format / Limites du dessin. 2° Au message « Spécifiez le coin inférieur gauche ou [Actif / Inactif] <0.0000,0.0000> : » Tapez return (par défaut). 3° Au message « Spécifiez le coin supérieur droit <420.0000,297.0000> : » Saisir 210, 297 puis return pour terminer. InfoEasy Weber Yvan 20.04.2008
  • 17.
    Autocad 2006 17 2.2. Unités 1° Cliquer sur le menu déroulant Format / Contrôle des Unités..., ce qui provoque l’ouverture de la boîte de dialogue suivante : 2° Sous les rubriques Longueur et Angle choisir une précision de deux positions après la virgule. 2.3. Valeur de la résolution et paramètres de la grille 1° Cliquer sur le menu déroulant Outils / Aides au dessin, puis cliquer sur l’onglet Résolution / Grille, ce qui provoque l’ouverture de la boîte de dialogue suivante : InfoEasy Weber Yvan 20.04.2008
  • 18.
    Autocad 2006 18 2° Sous la rubrique « Accrochage » Saisir 0.5 Espacement X de l’accrochage et Espacement Y de l’accrochage. 3° Laisser l’espacement de la grille à 10mm. Cliquer sur l'icône Grille pour afficher la grille. 2.4. Résolution active 1° Cliquer l’icône RESOL 2° Dès maintenant, lorsqu’on déplace le curseur les coordonnées X, Y, Z, sont affichées avec une précision de 2 positions après la virgule et de 0,5 en 0.5. Il est fortement conseillé de dessiner avec la résolution active pour une meilleure précision. 2.5. Ortho actif 1° Cliquer l’icône ORTHO 2° En mode ORTHO, les mouvements du curseur sont limités aux directions horizontale et verti- cale. InfoEasy Weber Yvan 20.04.2008
  • 19.
    Autocad 2006 19 2.6. Enregistrement d’un fichier Gabarit Les paramètres du fichier Gabarit étant partiellement définis, il faut l’enregistrer. 1° Ouvrir le dossier Program Files / MDT 2004 / Desktop / Template. On peut également créer un dossier, par exemple Mes documents / Documents Autocad / Gabarits personnalisés, dans lequel seront enregistrés les différents gabarits. 2° Enregistrer le fichier avec pour nom Mécaplan.dwt. Attention : les fichiers gabarits ont l'extension .dwt. InfoEasy Weber Yvan 20.04.2008
  • 20.
    Autocad 2006 20 3. Exercices Lignes. On utilise les coordonnées cartésiennes (rectangulaires) absolues ou relatives pour définir la posi- tion de points quand on créé des objets. Utiliser des coordonnées cartésiennes pour indiquer un point, entrez une valeur X et une valeur Y séparées par une virgule (X,Y). X est le nombre (positif ou négatif) d'unités mesurant la position du point le long de l'axe horizontal. Y est le nombre (positif ou négatif) d'unités mesurant la position du point le long de l'axe vertical. Les coordonnées absolues sont basées sur l'origine SCG (0,0) située à l'intersection des axes X et Y. On utilise des coordonnées X et Y absolues pour situer un point isolé dans le système de réfé- rence. Origine 0,0 InfoEasy Weber Yvan 20.04.2008
  • 21.
    Autocad 2006 21 3.1. Lignes en absolu 1° Cliquer sur l'icône Ligne . 2° Au message « Commande : _line Spécifiez le premier point : » P3 P4 Saisir les coordonnées du point P1. Par exemple 100,220, return. 3° Au message « Spécifiez le point suivant ou (annUler) : » Saisir les coordonnées du point P2. Par exemple 150,220, return. 4° Au message « Spécifiez le point suivant ou (Clore / annUler) : » Saisir les coordonnées du point P3. P1 Par exemple 150,250, return. P2 5° Au message « Spécifiez le point suivant ou (Clore / annUler) : » Saisir les coordonnées du point P4. Tapez c pour Clore ou 100,220, return. 3.2. Lignes en relatif Les coordonnées relatives sont calculées par rapport au dernier point défini. Il faut utilisez des coordonnées relatives pour spécifier l'emplacement d'un point par rapport au précédent. Pour indiquer qu'une coordonnée est relative, on la précède du symbole @. Par exemple, en en- trant les coordonnées @50<0, on définit la position d'un point dont les projections sur les axes X et Y sont respectivement situées à 50 unités dans la direction 0 du dernier point spécifié. 1° Cliquer sur l'icône Ligne . 2° Au message « Commande : _line Spécifiez le premier point : » Saisir les coordonnées du point P1. Par exemple 100,140, return. P3 3° Au message « Spécifiez le point suivant ou (annUler) : » Saisir les coordonnées du point P2. P4 Par exemple @50<0, return. 4° Au message « Spécifiez le point suivant ou (Clore / annUler) : » Saisir les coordonnées du point P3. Par exemple @30<90, return. 5° Au message « Spécifiez le point suivant ou (Clore / annUler) : » Saisir les coordonnées du point P4. P1 P2 Tapez c pour Clore. InfoEasy Weber Yvan 20.04.2008
  • 22.
    Autocad 2006 22 3.3. Lignes polaire 1° Cliquer sur l'icône Ligne . P2 2° Au message « Commande : _line Spécifiez le premier point : Saisir les coordonnées du point P1. Par exemple 80,80, return. 3° Au message « Spécifiez le point suivant ou (annUler) : » Saisir les coordonnées du point P2. Par exemple @60<30, return. 4° Au message « Spécifiez le point suivant ou (Clore / annUler) : » P1 P3 Saisir les coordonnées du point P3. Par exemple @40<300, return. InfoEasy Weber Yvan 20.04.2008
  • 23.
    Autocad 2006 23 3.4. Exercice escalier 1° Cliquer sur l'icône Ligne . . 2° Saisir des lignes en relatif. 3° Pour la ligne oblique, faire une ligne avec l'accrochage Extrémité. Accrochage Extrémité InfoEasy Weber Yvan 20.04.2008
  • 24.
    Autocad 2006 24 4. Exercices Cercles. 4.1. Cercle avec centre et rayon 1° Cliquer sur l'icône . 2° Au message « Commande : _circle Spécifiez le centre du cercle ou [3P/2P/TTr (tangente tan- gente rayon) ] » Saisir les cordonnées du centre, par ex. 150,240 pour P1, return. 3° Au message « Spécifiez le rayon du cercle ou[Diamètre]: » P1 saisir par ex : 20, puis return pour terminer. 4.2. Un cercle avec centre et diamètre 1° Cliquer sur l'icône . 2° Au message « Commande : _circle Spécifiez le centre du cercle ou [3P/2P/TTr (tangente tan- gente rayon) ] » Saisir les coordonnées, par ex. 150,213 pour P1, return. 3° Au message « Spécifiez le rayon du cercle ou[Diamètre] : » P1 Tapez d pour diamètre. 4° Au message « Spécifiez le diamètre : » Saisir par exemple 10, puis return pour terminer. 4.3. Un cercle par 3 points 1° Cliquer sur l'icône . 2° Au message « Commande : _circle Spécifiez le centre du cercle ou [3P/2P/TTr (tangente tan- gente rayon) ] » Tapez 3p puis return. P2 3° Au message « Spécifiez un premier point sur le diamètre : » Cliquer sur une intersection, une extrémité. 4° Au message « Spécifiez un deuxième point sur le diamètre : » Cliquer sur une intersection, une extrémité. P1 P3 5° Au message « Spécifiez un troisième point sur le diamètre : » Cliquer sur une intersection, une extrémité. InfoEasy Weber Yvan 20.04.2008
  • 25.
    Autocad 2006 25 4.4. Un cercle par 2 points P1 Faire 2 lignes simples Une ligne 1er point = 125,100 2ième point = 180,110 Une ligne 1er point = 125,90 2ième point = 180,80 1° Cliquer sur l'icône . P2 2° Au message « Commande : _circle Spécifiez le centre du cercle ou [3P/2P/TTr (tangente tan- gente rayon) ] : » Tapez 2p puis return. 3° Au message « Spécifiez un premier point sur le diamètre: » Cliquer sur une intersection, une extrémité. 4° Au message « Spécifiez un deuxième point sur le diamètre: » Cliquer sur une intersection, une extrémité. 4.5. Un cercle tangent tangent rayon à 2 cercles Faire 2 cercles simples. 1ière tangence Un cercle, centre = 125,50 ; rayon = 10 Un cercle, centre = 150,40 ; diam. = 2.5 Cercle tangent 2ième tangence 1° Cliquer sur l'icône 2° Au message « Commande : _circle Spécifiez le centre du cercle ou [3P/2P/TTr (tangente tan- gente rayon) ] Tapez ttr puis return. 3° Au message « Spécifiez un point de l'objet pour la première tangente du cercle : » Sélectionner la première tangence. 4° Au message « Spécifiez un point de l'objet pour la deuxième tangente du cercle : » Sélectionner la deuxième tangence. InfoEasy Weber Yvan 20.04.2008
  • 26.
    Autocad 2006 26 4.6. Un cercle tangent tangent tangent 1° Cliquer sur le menu déroulant Dessin / Cercle, 3 points de tangence. 2° Au message « Commande : _circle Spécifiez le centre du cercle ou [3P/2P/TTr (tangente tan- gente rayon) ] : _3p Spécifiez un premier point sur le cercle : _tan à » Sélectionner la première tangence. 3° Au message « Spécifiez un deuxième point sur le cercle :_tan à » Sélectionner la deuxième tangence. 4° Au message « Spécifiez un troisième point sur le cercle :_tan à » Sélectionner la troisième tangence. Remarque : le curseur est agrémenté automatiquement du point d'accrochage Tangence . 1ière tangence 2ième tangence 3ième tangence InfoEasy Weber Yvan 20.04.2008
  • 27.
    Autocad 2006 27 5. Exercices Ajuster. 5.1. Pour ajuster des objets 1° Cliquer sur l'icône . 2° Au message « Sélectionner les bords de coupe... » « Choix des objets : » Cliquer sur la ligne P1 ou sélectionner tous les objets (lignes), return. 3° Au message « Sélectionnez l'objet à ajuster ou etc. » Cliquer sur la ou les parties à ajuster (par ex : P2). 4° Esc ou Return pour terminer. Ajuster 4 x P2 Sélection P1 Avant Après Avant Après 5.2. Pour ajuster des objets au niveau de l'intersection virtuelle 1° Cliquer sur l’icône . 2° Aux messages « Sélectionner les bords de coupe... » « Choix des objets : » Sélectionner un objet par exemple P1, return. 3° Au message « Sélectionnez l'objet à ajuster, etc. » Taper c pour côté. 4° Au message « Entrez un mode de prolongement du côté implicite [Prolongement / Pas de pro- longement] <Prolongement> : » Return pour prolongement par défaut. 5° Si "Pas de prolongement" est sélectionné par défaut, taper Pr, et entrée. 6° Au message « Sélectionnez l'objet à ajuster, etc. » Sélectionner l'objet à ajuster, par exemple P2. P1 P2 Avant Après InfoEasy Weber Yvan 20.04.2008
  • 28.
    Autocad 2006 28 6. Prolonger 6.1. Pour prolonger un objet 1° Cliquer sur l’icône 2° Aux messages « Sélectionnez les limites… » « Choix des objets » Cliquer sur la ou les limites jusqu'où le ou les objets devront être prolongés, par exemple P1, re- turn. 3° Au message « Sélectionnez l’objet à prolonger ou etc. » Cliquer par exemple sur la ligne P2 1 2 Avant Après 6.2. Pour prolonger un (des) objet(s) jusqu’au point d’intersection virtuelle 1° Cliquer sur l’icône 2° Aux messages « Sélectionnez les limites… » « Choix des objets » Cliquer sur la ou les limites jusqu'où le ou les objets de- vront être prolongés, par exemple P1, return. 3° Au message « Sélectionnez l’objet à prolonger ou la touche Maj pour l’ajuster ou [Projection / Côté / annUler] : » Tapez c pour côté, return. Encore une fois return pour accepter <PRolongement> par défaut. 4° Si "Pas de prolongement" est sélectionné par défaut, taper Pr, et entrée. 5° Cliquer par exemple sur les lignes P2 et P3, return pour terminer. 1 2 3 Avant Après InfoEasy Weber Yvan 20.04.2008
  • 29.
    Autocad 2006 29 7. Exercices Arc Sur la barre d’outils Dessin se trouve uniquement la commande Arc 3 points. Sous le menu dérou- lant Dessin / Arc on trouve 4 classes de commandes Arc. InfoEasy Weber Yvan 20.04.2008
  • 30.
    Autocad 2006 30 7.1. Première classe (méthode par défaut) 7.1.1. Arc 3 points 1° Cliquer sur l’icône 2° Au message « Commande : _arc Spécifiez le point de départ de l’arc ou [Centre] : » Cliquer sur une extrémité (par exemple P1), une intersection ou entrez une valeur. 3° Au message « Spécifiez le second point de l’arc ou [Centre / pt Final] : » Cliquer sur une extrémité (par exemple P2), une intersection ou entrez une valeur. 4° Au message « Spécifiez l’extrémité de l’arc : » Cliquer sur une extrémité (par exemple P3), une intersection ou entrez une valeur. P2 = quadrant P1 = extrémité P3 = extrémité 7.2. Deuxième classe (méthode Départ, centre) 7.2.1. Départ, centre, fin 1° Cliquer sur le menu déroulant Dessin / Arc /Départ, Centre, Fin. 2° Au message « Commande : _arc Spécifiez le point de départ de l’arc ou [Centre] : » Cliquer sur une extrémité (par exemple P1), une intersection ou entrez une valeur. 3° Au message « Spécifiez le second point de l’arc ou [Centre / pt Final] : _c spécifiez le centre de l’arc : » Entrez une valeur, par exemple pour P2 @15<270. 4° Au message « Spécifiez l’extrémité de l’arc [Angle / Longueur de corde] : » Entrez une valeur, par exemple pour P3 @15<180, return. P1 = extrémité P2 = @15<270 P3 = @15<180 InfoEasy Weber Yvan 20.04.2008
  • 31.
    Autocad 2006 31 7.2.2. Départ, centre, angle 1° Cliquer sur le menu déroulant Dessin / Arc /Départ, Centre, Angle. 2° Au message « Commande : _arc Spécifiez le point de départ de l’arc ou [Centre] : » Cliquer sur une extrémité (par exemple P1), une intersection ou entrez une valeur. 3° Au message « Spécifiez le second point de l’arc ou [Centre / pt Final] : _c spécifiez le centre de l’arc : » Entrez une valeur, par exemple pour P2, @15<270. 4° Au message « Spécifiez l’extrémité de l’arc [Angle / Longueur de corde] : _a Spécifiez l’angle décrit : « Entrez la valeur de l’angle, par exemple pour P3, 60, return. P1 = extrémité P3 = 60 P2 = @15<270 7.2.3. Départ, centre, longueur 1° Cliquer sur le menu déroulant Dessin / Arc /Départ, Centre, Longueur. 2° Au message « Commande : _arc Spécifiez le point de départ de l’arc ou [Centre] : » Cliquer sur une extrémité (par exemple P1), une intersection ou entrez une valeur. 3° Au message « Spécifiez le second point de l’arc ou [Centre / pt Final] : _c spécifiez le centre de l’arc : » Entrez une valeur, par exemple pour P2, @15<180. 4° Au message « Spécifiez l’extrémité de l’arc [Angle / Longueur de corde] : _l Spécifiez l’angle décrit : « Entrez la valeur de la corde, par exemple pour P3, 20, return. P3 = 20 P1 = extrémité P2 = @15<180 InfoEasy Weber Yvan 20.04.2008
  • 32.
    Autocad 2006 32 7.3. Troisième classe (méthode Départ, fin) 7.3.1. Départ, fin, angle 1° Cliquer sur le menu déroulant Dessin / Arc /Départ, fin, Angle. 2° Au message « Commande : _arc Spécifiez le point de départ de l’arc ou [Centre] : » Cliquer sur une extrémité (par exemple P1), une intersection ou entrez une valeur. 3° Au message « Spécifiez le second point de l’arc ou [Centre / pt FInal : _e » « Spécifiez l’extrémité de l’arc : » Entrez une valeur, par exemple pour P2, @-20,-20. 4° Au message « Spécifiez le centre de l’arc [Angle / Direction / Rayon] : _a Spécifiez l’angle dé- crit : » Entrez la valeur de la corde, par exemple pour P3, 60, return. P3 = 60 P1 = extrémité P2 = @-20,-20 7.3.2. Départ, fin, direction 1° Cliquer sur le menu déroulant Dessin / Arc /Départ, fin, Direction. 2° Au message « Commande : _arc Spécifiez le point de départ de l’arc ou [Centre] : » Cliquer sur une extrémité, une intersection (par exemple P1), ou entrez une valeur. 3° Au message « Spécifiez le second point de l’arc ou [Centre / pt FInal : _e » « Spécifiez l’extrémité de l’arc : » Cliquer sur une intersection, par exemple P2. 4° Au message « Spécifiez le centre de l’arc [Angle / Direction / Rayon] : _d Spécifiez la direction de la tangente du point de départ de l’arc : » Montrez la direction et cliquer avec le bouton gauche de la souris pour terminer. P3 = direction P2 = intersection P1 = intersection InfoEasy Weber Yvan 20.04.2008
  • 33.
    Autocad 2006 33 InfoEasy Weber Yvan 20.04.2008
  • 34.
    Autocad 2006 34 7.3.3. Départ, fin, rayon 1° Cliquer sur le menu déroulant Dessin / Arc /Départ, fin, Rayon. 2° Au message « Commande : _arc Spécifiez le point de départ de l’arc ou [Centre] : » Cliquer sur une extrémité, une intersection (par exemple P1), ou entrez une valeur. 3° Au message « Spécifiez le second point de l’arc ou [Centre / pt FInal : _e » « Spécifiez l’extrémité de l’arc : » Cliquer sur une intersection, par exemple P2. 4° Au message « Spécifiez le centre de l’arc [Angle / Direction / Rayon] : _r Spécifiez le rayon de l’arc : » Entrer une valeur par exemple 30 puis return pour terminer. P2 = intersection Rayon = 30 P1 = extrémité 7.4. Quatrième classe (méthode Centre, départ) 7.4.1. Centre, départ, fin 1° Cliquer sur le menu déroulant Dessin / Arc /Centre, départ, fin. 2° Au message « Commande : _arc Spécifiez le point de départ de l’arc ou [Centre] : _c Spécifiez le centre de l’arc. Cliquer sur un centre (par exemple P1), ou entrez une valeur. 3° Au message « Spécifiez le point de départ l’arc : » Cliquer sur une intersection, une extrémité, par exemple P2. 4° Au message « Spécifiez l’extrémité de l’arc ou [Angle / Longueur de corde] : » Cliquer sur une intersection, une extrémité, par exemple P3. P2 = extrémité P1 = Centre P3 = extrémité InfoEasy Weber Yvan 20.04.2008
  • 35.
    Autocad 2006 35 7.4.2. Centre, départ, angle 1° Cliquer sur le menu déroulant Dessin / Arc /Centre, départ, angle. 2° Au message « Commande : _arc Spécifiez le point de départ de l’arc ou [Centre] : _c Spécifiez le centre de l’arc. Cliquer sur un centre (par exemple P1), ou entrez une valeur. 3° Au message « Spécifiez le point de départ l’arc : » Cliquer sur une intersection, une extrémité, par exemple P2. 4° Au message « Spécifiez l’extrémité de l’arc ou [Angle / Longueur de corde] : _a Spécifiez l’angle décrit : » Saisir la valeur de l’angle, par exemple 150. P2 = extrémité Angle = 150 P1 = Centre 7.4.3. Centre, départ, longueur 1° Cliquer sur le menu déroulant Dessin / Arc /Centre, départ, longueur. 2° Au message « Commande : _arc Spécifiez le point de départ de l’arc ou [Centre] : _c Spécifiez le centre de l’arc. Cliquer sur un centre (par exemple P1), ou entrez une valeur. 3° Au message « Spécifiez le point de départ l’arc : » Cliquer sur une intersection, une extrémité, par exemple P2. 4° Au message « Spécifiez l’extrémité de l’arc ou [Angle / Longueur de corde] : _l Spécifiez la lon- gueur de corde : » Saisir la valeur de la corde, par exemple 20 puis return pour terminer. P3 = 20 P2 = extrémité P1 = centre InfoEasy Weber Yvan 20.04.2008
  • 36.
    Autocad 2006 36 7.5. Autres méthodes Lorsque le menu écran est activé, il y a encore deux commandes disponibles. ContArc ContLin 7.5.1. ContArc 1° Tracer un arc, par exemple 3 points. 2° Cliquer sur la commande ContArc du menu Ecran. 3° Saisir les valeurs du nouvel arc. Arc 3 points ContArc Remarque : le nouvel arc est tangent au premier arc. 7.5.2. ContLin 1° Tracer un arc, par exemple 3 points. 2° Cliquer sur la commande ContLin du menu Ecran. 3° Saisir les valeurs de la ligne continue. Arc 3 points ContLin ContArc InfoEasy Weber Yvan 20.04.2008
  • 37.
    Autocad 2006 37 8. Exercices lignes et arcs Point de départ du 1er (175,180) et pour le 2ième (175,55). InfoEasy Weber Yvan 20.04.2008
  • 38.
    Autocad 2006 38 9. Exercices Ellipse 9.1. Ellipse avec grand et petit axe 1° Cliquer sur l’icône 2° Au message « Commande : _ellipse : » « Spécifiez l’extrémité de l’axe de l’ellipse ou [Arc / Centre] : » Cliquer sur une extrémité, une intersection ou entrez une valeur par exemple 90,250 pour P1. 3° Au message « Spécifiez la deuxième extrémité de l’axe : » Entrez par exemple @50<0 pour P2 (ou montrez la direction avec le curseur), return. 4° Au message « Spécifiez la distance avec l’autre axe ou [Rotation] : » Entrez par exemple @10<90 pour P3 (ou montrez la direction avec le curseur), return. P3 = @10<90 P2 = @50<0 P1 = 90,250 9.2. Ellipse avec grand axe et rotation autour du grand axe 1° Cliquer sur l’icône 2° Au message « Commande : _ellipse : » « Spécifiez l’extrémité de l’axe de l’ellipse ou [Arc / Centre] : » Cliquer sur une extrémité, une intersection ou entrez une valeur par exemple 90,215 pour P1. 3° Au message « Spécifiez la deuxième extrémité de l’axe : » Entrez par exemple @50<0 pour P2 (ou montrez la direction avec le curseur), return. 4° Au message « Spécifiez la distance avec l’autre axe ou [Rotation] : » Tapez r pour rotation, return. 5° Au message « Spécifiez la rotation autour du grand axe : » Tapez par exemple 75, return. P3 = 75 P2 = @50<0 P1 = 90,215 InfoEasy Weber Yvan 20.04.2008
  • 39.
    Autocad 2006 39 9.3. Ellipse avec centre, demi grand axe et petit axe 1° Cliquer sur l’icône 2 Au message « Commande : _ellipse : » « Spécifiez l’extrémité de l’axe de l’ellipse ou [Arc / Centre] : » Cliquer sur une extrémité, une intersection ou entrez une valeur par exemple 115,185 pour P1. 3° Au message « Spécifiez la deuxième extrémité de l’axe : » Entrez par exemple @25<0 pour P2 (ou montrez la direction avec le curseur), return. 4° Au message « Spécifiez la distance avec l’autre axe ou [Rotation] : » Entrez par exemple @10<90 pour P3 (ou montrez la direction avec le curseur), return. P3 = @10<90 P2 = @25<0 P1 = 115,185 9.4. Ellipse avec centre, demi grand axe et rotation autour du grand axe 1° Cliquer sur l’icône 2° Au message « Commande : _ellipse : » « Spécifiez l’extrémité de l’axe de l’ellipse ou [Arc / Centre] : » Tapez c pour centre. Cliquer sur une extrémité, une intersection, sur un point ou entrez une valeur par exemple 115,150 pour P1. 3 Au message « Spécifiez la deuxième extrémité de l’axe : » Entrez par exemple @50<0 pour P2 (ou montrez la direction avec le curseur), return. 4° Au message « Spécifiez la distance avec l’autre axe ou [Rotation] : » Tapez r pour rotation, return. 5° Au message « Spécifiez la rotation autour du grand axe : » Tapez par exemple 75, return. P3 = 75 P2 = @25<0 P1 = 115,150 InfoEasy Weber Yvan 20.04.2008
  • 40.
    Autocad 2006 40 9.5. Cercles isométriques P6 Milieu Nodal P5 P2 =@27<90 P7 P4 =@27<150 P1 =100,200 P3 =@27<30 1° Pour construire le reste du cube, il faut utiliser le commande Copier. 2° Pour trouver le centre des ellipses, il faut utiliser les commandes suivantes : 3° sur l’icône de la commande Point. 4° Au message « Commande : _point » Au message « « Spécifiez un point : » tapez ‘cal puis return. Au message « >>Expression : » tapez (int+int)/2 puis return. Sélectionner des intersections opposées. 5° Pour tracer les cercles elliptiques, il faut activer les commandes suivantes : Menu déroulant Outils / Aide au dessin / Résolution/Grille. Cocher l’option Accrochage isométrique. Pour la vue de gauche laisser l’angle d’accrochage à 0. Pour la vue de dessus mettre l’angle de l’accrochage à 60. Pour la vue de droite mettre l’angle de l’accrochage à 120. 6° Choisir la commande Ellipse puis taper i pour isométrique, Pour placer le cercle isométrique utiliser les accrochages Nodal et Milieu. InfoEasy Weber Yvan 20.04.2008
  • 41.
    Autocad 2006 41 10. Arcs elliptiques 1° Cliquer sur l’icône 2 Au message « Commande : _ellipse : » « Spécifiez l’extrémité de l’axe de l’ellipse ou [Arc / Centre] : _a » « Spécifiez une extrémité de l’axe de l’arc elliptique ou [Centre] : » Cliquer sur une extrémité, une intersection, sur un point ou entrez une valeur par exemple 90,120 pour P1. 3° Au message « Spécifiez la deuxième extrémité de l’axe : » Entrez par exemple @50<0 pour P2 (ou montrez la direction avec le curseur), return. 4° Au message « Spécifiez la distance avec l’autre axe ou [Rotation] : » Entrez par exemple @10<90 pour P3 (ou montrez la direction avec le curseur), return. 5°Au message « Spécifiez l’angle de départ ou [Paramètre] : » Entrez par exemple 120 pour P4, return. 6° Au message « Spécifiez l’angle de fin ou [Paramètre / angle Décrit] : » Entrez par exemple 60 pour P5, return. P3 = @10<90 P2 = @50<0 P1 = 90,120 P5 = 60 P4 = 120 P3 = @10<90 Exercice avec l'option Centre comme point de départ. P4 = 45° P2 = @25<0 P5 = 180° P1 = 115,70 InfoEasy Weber Yvan 20.04.2008
  • 42.
    Autocad 2006 42 11. Exercices Polyligne 11.1. Droites P4 P3 1° Cliquer sur l’icône Clore 2° Au message « Commande : _spline : » « Spécifiez le point de départ : » P1 P2 Sélectionner un point d’accrochage ou entrer une valeur. 3° Au message « Spécifiez le point suivant ou [Arc / Clore / Demi-larg / LOngueur / annUler / LAr- geur] : » Saisir les points suivants. 11.2. Droite et arc P1 1° Cliquer sur l’icône P2 2° Au message « Commande : _spline : » « Spécifiez le point de départ : » Sélectionner un point d’accrochage ou entrer une valeur P1. Faire de même pour le point P2. P3 3° Au message « Spécifiez le point suivant ou [Arc / Clore / Demi-larg / LOngueur / annUler / LAr- geur] : » Tapez a pour Arc puis return. 4° Au message « Spécifiez l’extrémité de l’arc ou [Angle / CEntre / Clore / DIrection / DEmi-larg / LIgne / Rayon / Second-pt /annUler / LArgeur] : » Saisir une valeur pour l’extrémité de l’arc par exemple @10<270 (P3) puis return pour terminer. 11.3. Arc dans une autre direction de la tangente P3 =@10<30 1° Cliquer sur l’icône 2° Au message « Commande : _spline : » P1 P2 « Spécifiez le point de départ : » Sélectionner un point d’accrochage ou entrer une valeur P1. Faire de même pour le point P2. Tapez a pour Arc puis return. P4 = @15<330 4° Au message « Spécifiez l’extrémité de l’arc ou [Angle / CEntre / Clore / DIrection / DEmi-larg / LIgne / Rayon / Second - pt / annUler / LArgeur] : » Tapez di pour direction puis return. 5° Au message « Spécifiez la direction de la tangente pour le point de départ de l’arc : Saisir une valeur par exemple @10<30 pour le point P3 et @15<330 pour P4. InfoEasy Weber Yvan 20.04.2008
  • 43.
    Autocad 2006 43 11.4. Droite et arc avec angle 1° Cliquer sur l’icône P1 P2 2° Au message « Commande : _spline : » « Spécifiez le point de départ : » Sélectionner un point d’accrochage ou entrer une valeur P1. Faire de même pour le point P2. Tapez a pour Arc puis return. P3 = @25<330 3° Au message « Spécifiez l’extrémité de l’arc ou [Angle / CEntre / Clore / DIrection / DEmi-larg / LIgne / Rayon / Second - pt /annUler / LArgeur] : » Tapez a pour angle puis return. 4° Au message « Spécifiez l’angle décrit : » Saisir la valeur d’un angle par exemple –120, return. 5° Au message « Spécifiez l’extrémité de l’arc ou [CEntre / Rayon] : » Saisir une valeur par exemple @25<330 pour P3, puis return. 11.5. Droite et arc avec rayon P1 P2 1° Cliquer sur l’icône 2° Au message « Commande : _spline : » « Spécifiez le point de départ : » Sélectionner un point d’accrochage ou entrer une valeur P1. P3 = @20<270 Faire de même pour le point P2. Tapez a pour Arc puis return. 3° Au message « Spécifiez l’extrémité de l’arc ou [Angle / CEntre / Clore / DIrection / DEmi-larg / LIgne / Rayon / Second - pt /annUler / LArgeur] : » Tapez r pour rayon puis return. 4° Au message « Spécifiez le rayon de l’arc : » Saisir la valeur d’un rayon par exemple 20, return. 5° Au message « Spécifiez l’extrémité de l’arc ou [Angle] : » Saisir une valeur par exemple @20<270 pour P3, puis return. InfoEasy Weber Yvan 20.04.2008
  • 44.
    Autocad 2006 44 11.6. Droite et arc avec 2ième point P4 = @10,5 1° Cliquer sur l’icône P3 = @15,10 2° Au message « Commande : _spline : » « Spécifiez le point de départ : » Sélectionner un point d’accrochage ou entrer une valeur P1. P1 P2 Faire de même pour le point P2. Tapez a pour Arc puis return. 3° Au message « Spécifiez l’extrémité de l’arc ou [Angle / CEntre / Clore / DIrection / DEmi-larg / LIgne / Rayon / Second-pt /annUler / LArgeur] : » Tapez s pour Second-pt puis return. 4° Au message « Spécifiez un deuxième point sur l’arc : » Saisir la valeur d’un rayon par exemple @15,10, return. 5° Au message « Spécifiez l’extrémité de l’arc : » Saisir une valeur par exemple @10,50 pour P3, puis return. 11.7. Largeur P4 = 0 1° Cliquer sur l’icône P1 P2 2° Au message « Commande : _spline : » « Spécifiez le point de départ : » Sélectionner un point d’accrochage ou entrer une valeur P1. Faire de même pour le point P2. P3 = 5 3° Au message « Spécifiez le point suivant ou [Arc / Clore / Demi-larg / LOngueur / annUler / LAr- geur] : » Saisir la pour largeur, puis return. 4° Au message « Spécifiez la largeur de départ <0.00> : Saisir par exemple 5 pour P3, puis return. 5° Au message « Spécifiez la largeur de fin <5.00> : » Saisir par exemple 0 pour P4, puis return. 6° Au message « Spécifiez le point suivant ect. » Saisir une valeur par exemple @20<0 ou montrez la direction, puis return et Esc pour terminer. InfoEasy Weber Yvan 20.04.2008
  • 45.
    Autocad 2006 45 11.8. Demi-largeur 1° Cliquer sur l’icône 2° Au message « Commande : _spline : » « Spécifiez le point de départ : » Sélectionner un point d’accrochage ou entrer une valeur P1. 3° Au message « Spécifiez le point suivant ou [Arc / Clore / Demi-larg / LOngueur / annUler / LAr- geur] : » Saisir d pour demi-largeur, puis return. 4° Au message « Spécifiez la demi-largeur de départ <0.00> : » Saisir par exemple 2 pour le point P1 puis return. 5° Au message « Spécifiez la demi-largeur de fin <2.00> : » Tapez sur Return pour le point P2. 6° Au message « Spécifiez le point suivant ou etc. » Saisir une valeur par exemple 30, return. Et ainsi de suite. P3 = 2 P2 = 2 P1 = 2 P4 = 5 InfoEasy Weber Yvan 20.04.2008
  • 46.
    Autocad 2006 46 12. Exercices Diviser 12.1. Pour insérer des points sur un objet, selon un nombre donné de seg- ments 1° Mettre le style de points sur 1° Cliquer sur le menu déroulant Dessin / Point / Diviser. 2° Au message « Commande : _ divide » « Choix de l’objet à diviser : » Cliquer sur un objet (ligne, cercle…) 3° Au message « Entrez le nombre de segments [Bloc] : » Saisir par exemple 5, puis return pour terminer. 12.2. Pour insérer un bloc sur un objet selon un nombre donné de segments 1° Cliquer sur le menu déroulant Dessin / Point / Diviser. 2° Au message « Commande : _ divide » « Choix de l’objet à diviser : » Cliquer sur un objet (ligne, cercle…) 3° Au message « Entrez le nombre de segments [Bloc] : » Tapez b pour Bloc. 4° Au message « Entrez le nom du bloc à insérer : » Saisir le nom d’un bloc, par exemple Polygone. 5° Au message « Aligner le bloc avec l’objet ? [Oui / Non] <O> : » Return pour Oui, ou n pour Non, return. 6° Au message « Entrez le nombre de segments : » Saisir par exemple 6, puis return pour terminer. Blocs alignés Blocs non alignés InfoEasy Weber Yvan 20.04.2008
  • 47.
    Autocad 2006 47 13. Exercices Mesurer 13.1. Pour insérer des points sur un objet à intervalles réguliers 1° Mettre le style de points sur 1° Cliquer sur le menu déroulant Dessin / Point / Mesurer. 2° Au message « Commande : _ measure » « Choix de l’objet à mesurer : » Cliquer sur un objet (ligne, cercle…) 3° Au message « Spécifiez la longueur du segment[Bloc] : » Saisir par exemple 15, puis return pour terminer. 13.2. Pour insérer un bloc sur un objet à intervalles réguliers Commande identique à la commande diviser voir 12.2. InfoEasy Weber Yvan 20.04.2008
  • 48.
    Autocad 2006 48 14. Exercices Accrochage intersection projetée 1° Cliquer sur une commande de dessin, par exemple ligne, point, etc. 2° Cliquer sur l’icône Intersection projetée 3° Sélectionner les objets. P2 P1 P2 P1 InfoEasy Weber Yvan 20.04.2008
  • 49.
    Autocad 2006 49 15. Exercices Multilignes 15.1. Création d’un style de multilignes L’exercice consiste à créer un style de multilignes pour la composition du mur de l’EXER7 des exercices d’architecture. 1° Cliquer sur le menu déroulant Format / Style de multilignes, ce qui provoque l’ouverture de la boîte de dialogue suivante : 2° Dans la zone « Nom » saisir le nom du nouveau style de multilignes, par exemple MUR_15_ET_12 (pas d’espace ni de caractères spéciaux). 3° Cliquer sur « Ajouter ». 4° Cliquer sur le bouton Propriétés de l’élément…, ce qui provoque l’ouverture de la boîte de dia- logue suivante : InfoEasy Weber Yvan 20.04.2008
  • 50.
    Autocad 2006 50 5° Supprimer la ligne qui est sélectionnée en cliquant sur le bouton Supprimer, corriger la valeur de la ligne restante à 0 dans la zone décalage. 6° Saisir une nouvelle valeur dans la zone Décalage, par exemple 12 et cliquer sur le bouton Ajou- ter. Faire de même pour le mur de 15. Attention les valeurs sont en absolu depuis la valeur 0, donc il faut créer des éléments de 0, 12, 20, 35. 7° Eventuellement modifier la couleur et le type de ligne de chaque éléments. 8° Cliquer sur OK. 8° Cliquer sur le bouton Propriétés de multilignes pour modifier celles-ci. 9° Cliquer sur le bouton Enregistrer pour conserver ce style de multilignes. 10° Lorsqu’on veut changer de style de multilignes, il faut cliquer sur le bouton Charger. InfoEasy Weber Yvan 20.04.2008
  • 51.
    Autocad 2006 51 16. Exercices Miroir 1° Cliquer sur l’icône 2° Au message « _mirror » « Choix des objets : » Sélectionner un ou des objet(s), return. 3° Au message « Spécifiez le premier point de la ligne de symétrie : » Cliquer sur une extrémité P1, une intersection ou saisir une valeur (par exemple avec l’accrochage Depuis et @20,0 4° Au message « Spécifiez le deuxième point de la ligne de symétrie : » Cliquer sur une extrémité P2, une intersection ou saisir une valeur. 5° Au message « Effacer les objets source ? [Oui /Non] <N> : » Return pour non ou tapez o pour oui et return. Résultat si Objet à copier réponse Non P1 Résultat si réponse Oui P2 Copie miroir du texte et des attributs. La copie miroir a pour effet d'inverser le texte, les attributs et les définitions d'attributs. Elle repro- duit fidèlement l'effet obtenu à l'aide d'un miroir. Pour éviter que le texte soit inversé, il faut désactiver la variable MIRRTEXT en la mettant à la va- leur zéro. Sur la ligne de commande, taper mirrtext. Au message « Nouvelle valeur pour MIRRTEXT <1>: », tapez 0. Return pour terminer. MIRRTEXT à 1 MIRRTEXT à 0 Remarque : Quelle que soit la valeur de MIRRTEXT, .Autocad inverse automatiquement le texte et les attributs, lorsqu'ils font partie d'un bloc. InfoEasy Weber Yvan 20.04.2008
  • 52.
    Autocad 2006 52 InfoEasy Weber Yvan 20.04.2008
  • 53.
    Autocad 2006 53 17. Exercices texte InfoEasy Weber Yvan 20.04.2008
  • 54.
    Autocad 2006 54 18. Exercices spline InfoEasy Weber Yvan 20.04.2008
  • 55.
    Autocad 2006 55 19. Exercices Périmètre, Aire (addition / soustraction) 19.1. Aire et périmètre Calculer la surface d'un rectangle de 20x50 1. Cliquer sur l'icône Aire. 2. Au message « Spécifiez le premier coin [Objet / Adition / Soustraction] : » Cliquer sur le point P1 avec intersection. 3. Au message « Spécifiez le coin suivant ou appuyez sur ENTREE pour le total : » Cliquer sur le point P2 avec intersection. 4. Faire de même pour les points P3 et P4, puis return pour terminer. Résultat « Aire = 1000.00 Périmètre = 140.00 » P1 P2 P4 P3 19.2. Aire d’un objet Calculer la surface d'un cercle de ø 20 1. Cliquer sur l'icône Aire. 2. Au message « Spécifiez le premier coin [Objet / Adition / Soustraction] : » Taper o pour objet, return. 3. Au message « Choix des objets : Cliquer sur le cercle. Résultat « Aire = 314.16 Circonférence = 62.83 » InfoEasy Weber Yvan 20.04.2008
  • 56.
    Autocad 2006 56 19.3. Addition Calculer la surface d'un rect de 50x20 + le cercle de ø 20. P1 P2 1° Cliquer sur l'icône Aire P4 P3 2° Au message « Au message « Spécifiez le premier coin [Objet / Adition / Soustraction] : » Taper a pour addition, return. 3° Au message « Spécifiez le premier coin ou [Objet / Soustraction] : » Cliquer sur le point P1 avec intersection. 4° Au message « Spécifiez le coin suivant ou appuyez sur ENTREE pour le total : » Cliquer sur le point P2 avec intersection. 5° Faire de même pour les points P3 et P4, return. 6° Au message « Spécifiez le premier coin ou [Objet /Soustraction] : » Taper o pour objet, return. 7° Au message « (mode addition) Choix des objets : » Cliquer sur le cercle. Résultat « Aire totale= 1314.16 », Esc pour sortir de la commande. 19.4. Soustraction Calculer la surface d'un rectangle de 50x30 moins un carré de 15x15 1° Cliquer sur l'icône Aire 2° Au message « Au message « Spécifiez le premier coin [Objet / Adition / Soustraction] : » Taper a pour addition, return. 3° Au message « Spécifiez le premier coin ou [Objet / Soustraction] : » InfoEasy Weber Yvan 20.04.2008
  • 57.
    Autocad 2006 57 Cliquer sur le point P1 avec intersection. 4° Au message « Spécifiez le coin suivant ou appuyez sur ENTREE pour le total : » Cliquer sur le point P2 avec intersection. 5° Faire de même pour les points P3 et P4, return. 6° Au message « Spécifiez le premier coin ou [Objet /Soustraction] : » Taper s pour soustraction, return. Cliquer sur le point P5, P6, P7, P8 avec intersection. Return pour terminer P1 P5 P6 P2 Aire = 225, Périmètre = 60 Aire = 1275 Esc pour sortir de la commande. P4 P3 P8 P7 InfoEasy Weber Yvan 20.04.2008
  • 58.
    Autocad 2006 58 20. Exercices Solide 2d Forme simple 1° Cliquer sur le menu déroulant Dessin /Surfaces / Solide 2d 2° Au message « Commande : _solid Spécifiez le 1 2 premier point : » 4 Cliquer sur le point P1 avec intersection. 3 3° Au message « Spécifiez un deuxième point : » Cliquer sur le point P2 avec intersection. 5 6 4° Faire de même pour les points 3 à 8. 7 8 Esc pour sortir de la commande. Forme complexe 1° Cliquer sur le menu déroulant Dessin /Surfaces / Solide 2d 2° Au message « Commande : _solid Spécifiez le premier point : » Cliquer sur le point P1 avec intersection. 3° Au message « Spécifiez un deuxième point : » Cliquer sur le point P2 avec intersection. 4° Faire de même pour les points 3 à 8. 1 2 Esc pour sortir de la commande. 4 3 6 5 8 7 InfoEasy Weber Yvan 20.04.2008
  • 59.
    Autocad 2006 59 21. Cotation en espace papier Définition Les onglets de présentation permettent d'accéder à une zone nommée espace papier. L'espace papier permet de placer le cartouche, de créer les fenêtres de présentation pour afficher les vues et d'ajouter des cotes et des remarques au dessin. Dans l'espace papier, une unité représente la distance d'une unité sur la feuille de tracé. Les uni- tés seront le millimètre ou le pouce, selon le profil de traçage du traceur. Dans l'onglet de présentation, on peut consulter et modifier les objets de l'espace papier tels que les fenêtres de présentation et les cartouches. Le réticule est actif sur l'ensemble de la zone de présentation. Ps : un grand merci aux deux contributeurs "lili2006" et "(gile)" du forum Cadxp.fr, sans qui ce tuto n'aurait pas pu être élaboré. InfoEasy Weber Yvan 20.04.2008
  • 61.
    Autocad 2006 61 21.1. Paramétrage du style pour la cotation en espace papier 21.1.1. Paramètres pour l'architecture. Avant de pouvoir faire la cotation, il faut définir les paramètres d'un style de cotation et ceci dans le gabarit. 1° Mettre le calque cotation Courant. 2° Cliquer sur l'icône Style de cote. ce qui ouvre la boîte de dialogue suivante : InfoEasy Weber Yvan 20.04.2008
  • 62.
    Autocad 2006 62 3° Cliquer sur le bouton Nouveau. Saisir un nom pour le nouveau style. Le nouveau style sera basé sur le style ISO-25 qui est le style par défaut. 4° Cliquer sur le bouton Continuer. ce qui ouvre la boîte de dialogue suivante : InfoEasy Weber Yvan 20.04.2008
  • 63.
    Autocad 2006 63 1.3.1. Onglet Lignes 1° Cliquer sur l'onglet Lignes, ce qui ouvre la boîte de dialogue suivante : 2° Modifier les paramètres comme ci-dessous. Important InfoEasy Weber Yvan 20.04.2008
  • 64.
    Autocad 2006 64 1.3.2. Onglet Symboles et flèches 1° Cliquer sur l'onglet Symboles et flèches, ce qui ouvre la boîte de dialogue suivante : 2° Modifier les paramètres comme ci-dessous. InfoEasy Weber Yvan 20.04.2008
  • 65.
    Autocad 2006 65 1.3.3. Onglet Texte 1° Cliquer sur l'onglet Texte, ce qui ouvre la boîte de dialogue suivante : 2° Modifier les paramètres comme ci-dessous. InfoEasy Weber Yvan 20.04.2008
  • 66.
    Autocad 2006 66 1.3.4. Onglet Ajuster Ne pas modifier InfoEasy Weber Yvan 20.04.2008
  • 67.
    Autocad 2006 67 1.3.5. Onglet Unités principales 1° Cliquer sur l'onglet Unités principales, ce qui ouvre la boîte de dialogue suivante : 2° Modifier les paramètres comme ci-dessous. InfoEasy Weber Yvan 20.04.2008
  • 68.
    Autocad 2006 68 1.3.6. Onglet, Unités alternatives, Tolérances Pas de changement dans ces onglets. InfoEasy Weber Yvan 20.04.2008
  • 69.
    Autocad 2006 69 21.1.2. Paramètres pour la mécanique. Avant de pouvoir faire la cotation, il faut définir les paramètres d'un style de cotation et ceci dans le gabarit. 1° Cliquer sur l'icône Style de cote. ce qui ouvre la boîte de dialogue suivante : InfoEasy Weber Yvan 20.04.2008
  • 70.
    Autocad 2006 70 2° Cliquer sur le bouton Nouveau. Saisir un nom pour le nouveau style. Le nouveau style sera basé sur le style ISO-25 qui est le style par défaut. 3° Cliquer sur le bouton Continuer. ce qui ouvre la boîte de dialogue suivante : InfoEasy Weber Yvan 20.04.2008
  • 71.
    Autocad 2006 71 1.3.7. Onglet Lignes 1° Cliquer sur l'onglet Lignes, ce qui ouvre la boîte de dialogue suivante : 2° Modifier les paramètres comme ci-dessous. Important InfoEasy Weber Yvan 20.04.2008
  • 72.
    Autocad 2006 72 1.3.8. Onglet Symboles et flèches 1° Cliquer sur l'onglet Symboles et flèches, ce qui ouvre la boîte de dialogue suivante : Aucun changement InfoEasy Weber Yvan 20.04.2008
  • 73.
    Autocad 2006 73 1.3.9. Onglet Texte 1° Cliquer sur l'onglet Texte, ce qui ouvre la boîte de dialogue suivante : 2° Modifier les paramètres comme ci-dessous. InfoEasy Weber Yvan 20.04.2008
  • 74.
    Autocad 2006 74 1.3.10. Onglet Ajuster Ne pas modifier, car du fait que la cotation est associa- tive, les paramètres définis dans les onglets précédents Exemple: si on modifie ce paramètre de 1 à 0.5 Valeur à 1 Valeur à 0.5 InfoEasy Weber Yvan 20.04.2008
  • 75.
    Autocad 2006 75 1.3.11. Onglet Unités principales 1° Cliquer sur l'onglet Unités principales, ce qui ouvre la boîte de dialogue suivante : 2° Modifier les paramètres comme ci-dessous. InfoEasy Weber Yvan 20.04.2008
  • 76.
    Autocad 2006 76 1.3.12. Onglet, Unités alternatives, Tolérances Pas de changement dans cet onglet. InfoEasy Weber Yvan 20.04.2008
  • 77.
    Autocad 2006 77 1.3.13. Onglet, Tolérances Du fait que la cotation est associative, si on choisit par exemple la méthode "Symétrique", alors toutes les cotes prennent cette tolérance. InfoEasy Weber Yvan 20.04.2008
  • 78.
    Autocad 2006 78 Cotation sans paramètre de tolérance : Cotation avec paramètres de tolérance : ce qui n'est pas acceptable. InfoEasy Weber Yvan 20.04.2008
  • 79.
    Autocad 2006 79 La solution est de modifier la cote devant avoir une tolérance avec les propriétés de la cote. Résultat : InfoEasy Weber Yvan 20.04.2008
  • 80.
    Autocad 2006 80 21.2. Cotation en espace papier 21.2.1. Cotation en architecture. Une fois le composant terminé dans l'espace objet, il suffit de cliquer sur l'onglet 'Présentation1' pour commencer la mise en pages pour l'impression du dessin. 1° Dessiner l'élément dans la fenêtre Objet à l'échelle 1:1. 2°Mettre le calque Fenetre-présentation sur Courant. InfoEasy Weber Yvan 20.04.2008
  • 81.
    Autocad 2006 81 3° Cliquer sur l'onglet Présentation1, ce qui ouvre la page suivante : Rester en espace InfoEasy Weber Yvan 20.04.2008
  • 82.
    Autocad 2006 82 4° Cliquer sur la fenêtre de présentation et mettre l'échelle de l'élément à 1:10 par exemple. InfoEasy Weber Yvan 20.04.2008
  • 83.
    Autocad 2006 83 5° Mettre le style de cotation sur Cotation architecture et faire la cotation. InfoEasy Weber Yvan 20.04.2008
  • 84.
    Autocad 2006 84 Eventuellement ouvrir une nouvelle fenêtre pour montrer un détail par exemple le lavabo. 6°Pour cela cliquer sur l'icône Fenêtre unique. 7° Créer une fenêtre. 1er point 2ème point L'élément est entièrement affiché dans cette nouvelle fenêtre. InfoEasy Weber Yvan 20.04.2008
  • 85.
    Autocad 2006 85 7° Double-cliquer dans cette nouvelle fenêtre pour basculer en espace Objet, puis modifier pas à pas l'échelle de l'élément, par exemple à 1:8, 1:4, 1:2, 1:1, 2:1 et ceci en recentrant au fur et à me- sure le détail que l'on désire afficher et éventuellement coter. InfoEasy Weber Yvan 20.04.2008
  • 86.
    Autocad 2006 86 8°Cliquer sur l'icône pour basculer en espace papier et faire la cotation du détail. InfoEasy Weber Yvan 20.04.2008
  • 87.
    Autocad 2006 87 21.3. Modification de l'échelle des fenêtres 1° Sélectionner une ou plusieurs fenêtres, puis modifier l'échelle. 2° Taper cotregen au clavier pour mettre à jour la cotation. InfoEasy Weber Yvan 20.04.2008
  • 88.
    Autocad 2006 88 21.4. Cotation de la hauteur des embrasures 1.3.14. Modification de la cote avec Propriétés Par exemple mettre la hauteur de l'embrasure sous la ligne de cote. 1°Sélectionner la cote avec le bouton droit de la souris et choisir Propriétés. 2° Dans la rubrique Remplacement du texte, saisir la formule <>X115, puis entrer. InfoEasy Weber Yvan 20.04.2008
  • 89.
    Autocad 2006 89 3° Autre exemple, saisir <>/200hXCoulissant, entrer. InfoEasy Weber Yvan 20.04.2008
  • 90.
    Autocad 2006 90 21.5. Solution avec un style de cote supplémentaire 1° Créer un nouveau style de cote nommé par ex. Cotation embrasures. 2° Dans l'onglet Lignes supprimer les lignes de cote 1 et 2 et les lignes d'attache 1 et 2. cela a pour conséquence d'afficher uniquement le texte de la cotation. 3° Poser la cote sous la ligne de cote d'une embrasure, puis sélectionner cette cote avec le bouton droit de la souris, puis cliquer sur Propriétés et modifier la valeur de la cote. InfoEasy Weber Yvan 20.04.2008
  • 91.
    Autocad 2006 91 21.6. Conseils 1° Avant de poser la cotation, il faut si possible déterminer quelle sera l'échelle définitive, car lors de la modification des échelles, la cotation subit parfois des modifications (position du texte de la cote), du fait que l'espace entre les lignes d'attaches est modifié, qu'il faut corriger par la suite. 2° Lors de la pose des cotes, il faut être très rigoureux sur la position de la ligne de cote, je re- commande de poser la cote en relatif (par ex. @10<0), car sinon lors de la modification de l'échelle les cotes ne se mettent pas correctement à jour. 3° Il faut éviter de modifier la longueur des lignes d'attache, car cela pose également des problè- mes de mise à jour. Certaines cotes sont déplacées ou modifiées !!! InfoEasy Weber Yvan 20.04.2008
  • 92.
    Autocad 2006 92 22. Exercices cotation Pour créer une cote horizontale ou verticale Horizontale 1. Cliquer sur l'icône . 2. Choisir l'emplacement de la première ligne d'attache P1. 3. Choisir l'emplacement de la deuxième ligne d'attache P2. 4. Définir l'emplacement de la ligne de cote, par exemple @10<90. 5. Return pour terminer. P1 P2 P1 Verticale P2 1 Cliquer sur l'icône . 2 Choisir l'emplacement de la première ligne d'attache P1. 3 Choisir l'emplacement de la deuxième ligne d'attache P2. 4 Définir l'emplacement de la ligne de cote, par exemple @10<180. 5 Return pour terminer. Pour créer une cotation alignée. 1. Cliquer sur l'icône . 2 Choisir l'emplacement de la première ligne d'attache P1. 3 Choisir l'emplacement de la deuxième ligne d'attache P2.. 4 Définir l'emplacement de la ligne de cote, par exemple @10<120. 5 Return pour terminer. P2 P1 InfoEasy Weber Yvan 20.04.2008
  • 93.
    Autocad 2006 93 Pour créer une cotation angulaire. 1. Cliquer sur l'icône . 2 Choisir la première ligne P1. 3 Choisir la deuxième ligne P2. 4 Définir l'emplacement de la ligne de cote. 5 Return pour terminer. P1 P2 Pour créer une cotation de rayon. 1. Cliquer sur l'icône . 2. Choisir un cercle ou un arc. 3. Choisir l'emplacement de la ligne de cote. InfoEasy Weber Yvan 20.04.2008
  • 94.
    Autocad 2006 94 Pour créer une cotation d'un diamètre. 1. Cliquer sur l'icône . 2 2. Choisir un arc ou un cercle. 3. Choisir l'emplacement de la ligne de cote. 1 Remarque : L'option (Texte/Angle) permet de choisir un autre texte ou un autre angle du texte. Pour créer une cotation en continu. 1. Cliquer sur l'icône . 2. Choisir l'emplacement de la première ligne d'attache P1. 3. Choisir l'emplacement de la deuxième ligne d'attache P2. 4. Définir l'emplacement de la ligne de cote. 5. Cliquer sur l'icône . 6. Choisir l'emplacement de la deuxième ligne d'attache. 7. Répéter jusqu'à la fin des cotes à définir. 8. Return 2 fois pour terminer. P1 P2 P6 P5 P4 P3 Remarque : Si la variable dimaso est active, il n'est pas nécessaire de cliquer chaque fois sur l'icône "Continu". InfoEasy Weber Yvan 20.04.2008
  • 95.
    Autocad 2006 95 Pour créer une cotation linéaire en parallèle. 1. Cliquer sur l'icône . 2. Choisir l'emplacement de la première ligne d'attache. 3. Choisir l'emplacement de la deuxième ligne d'attache. 4. Choisir la position de la ligne de cote. 5. Return. 6. Cliquer sur l'icône . 7. Choisir l'emplacement de la troisième ligne d'attache, return. 8. Répéter jusqu'à la fin des cotes à définir. 9. Return 2 fois pour terminer. P4 P5 P1 P2 P3 Pour créer une ligne de repère. 1. Cliquer sur l'icône . 2. Au message « Indiquez le premier point de la ligne de repère ou [Paramètres] : ». 3. Cliquer sur un point, par exemple P1. 4. Au message « Indiquer le point suivant : » 5. Cliquer sur le point suivant, par exemple P2. 6. Au message « Spécifiez la largeur de texte <0> : » 7. Entrez par exemple 4. 8. Au message « Entrez la première ligne du texte d’annotation <Textmult> : » 9. Entrez par exemple angle vif, return. 10.Soit entrez une deuxième ligne de texte ou return pour terminer. P2 P1 InfoEasy Weber Yvan 20.04.2008
  • 96.
    Autocad 2006 96 Pour représenter un centre d'un cercle ou d'un arc. 1. Cliquer sur l'icône . 2. Choisir un cercle ou un arc. Remarque : pour obtenir un résultat positif, il faut que l'option "Centre" du style de cotation / géométrie soit activée. Pour créer une cotation en ordonnée. 1. Déplacer l'origine (voir page59) à l'endroit où commence la cotation. 2. Cliquer sur l'icône . 3. Au message « Indiquez la position de l’objet : » 4. « Indiquez une extrémité de la ligne de repère ou etc… 5. Cliquer une extrémité, par exemple P1. 6. Au message « Entrez le texte de cote <0> : » 7. Return pour terminer la cote. 8. Faire de même pour les cotes suivantes, ou cliquer sur Cotation continue P1=origine InfoEasy Weber Yvan 20.04.2008
  • 97.
    Autocad 2006 97 Déplacement de l'origine en 2d pour la cotation superposée (ordonnées) Les cotes superposées mesurent la distance perpendiculaire entre le point d'origine, appelé référence, et un élément coté du dessin (un trou dans une pièce, par exemple). En effectuant toutes les mesures à partir du même point de référence, vous évitez les risques d'erreur et d'imprécision résultant du total cumulé des dis- tances. La cote ordonnée, ou cote superposée, est constituée d'une valeur X ou Y et d'une ligne de repère. Les cotes superposées Xmesurent la distance d'un point à partir de la référence sur l'axe des X. Les cotes superposées Y mesurent la distance sur l'axe des Y. Si vous spécifiez un point, le programme détermine automatiquement s'il s'agit d'une cote superposée X ou Y. Cette fonction est appelée "cotes superposées automatiques". Si la distance est plus importante pour la valeur Y, la cote mesure la valeur X. sinon, elle calcule la valeur Y. Le programme utilise la valeur de coordonnée absolue du SCU courant pour déterminer les valeurs superpo- sées. Avant de créer des cotes superposées, vous devez redéfinir l'origine du SCU pour qu'elle coïncide avec la référence. Le texte de cote est aligné par rapport à la ligne de repère, quelle que soit l'orientation du texte définie par le style de cote courant. Vous pouvez accepter la valeur proposée par défaut ou entrer votre propre texte. InfoEasy Weber Yvan 20.04.2008
  • 98.
    Autocad 2006 98 Déplacement de l'origine Il y a deux possibilités pour déplacer l'origine : 1re possibilité 1° Saisir "scu" au clavier, puis return. 2° Au message : Entrez une option [Nouveau/Déplacer/orThogonal/Préc/Restaurer/Sauver/Effacer/Appliquer/ ? /Général] <Général>: Saisir D pour déplacer. 3° Au message : Spécifiez une nouvelle origine ou [profondeurZ]<0,0,0>: cliquer avec la souris sur le nouvel emplacement de l'origine. Par exemple : Nouvel origine X, Y, Z L'icône SCG (Système de Coordonnées Général) ,se transforme en SCU (Système de Coordonnées Utilisateur) Le W dis- paraît InfoEasy Weber Yvan 20.04.2008
  • 99.
    Autocad 2006 99 Pour afficher l'icône SCU sur la nouvelle origine : 2ème possibilité 1° Afficher la barre d'outils SCU. 2° Cliquer sur l'icône Origine , puis continuer selon le point 3 ci-dessus. Pour revenir en SCG, cliquer sur l'icône Général , ou saisir scu au clavier et return pour <Général>. InfoEasy Weber Yvan 20.04.2008
  • 100.
    Autocad 2006 100 Pour définir des tolérances géométriques. 1. Cliquer sur l'icône , ce qui provoque l’ouverture de la boîte de dialogue suivante : Symbole Tolérance Référence 2. Dans la boîte de dialogue "Tolérance géométrique", remplir les caractéristiques de la tolérance. 3. Cliquer sur OK. 4. Choisir l'emplacement de la tolérance, par ex. extrémité. Remarque : pour obtenir la flèche de repère : 1° Cliquer sur la commande Repère rapide. 2° Cliquer sur une extrémité. 3° Indiquer le point suivant : return 2 x. InfoEasy Weber Yvan 20.04.2008
  • 101.
    Autocad 2006 101 Pour éditer une cotation. Pour éditer une cotation, il faut que la cotation ait été créée avec la variable DIMASO active. Sur la ligne de commande, tapez Dimaso, return. Tapez ac pour actif, return. Pour créer une cotation oblique 1. Cliquer sur l'icône . 2. Au message « Entrez le type d’édition des cotes [Début / Nouv / Rotation / Oblique] <Début> : » 3. Tapez o pour oblique puis return. 4. Au message « Choix des objets : ». 5. Cliquer sur une cote, return. 6. Au message « Entrez l’angle de l’inclinaison (appuyez sur Entrée pour aucun) : » 7. Tapez par exemple 20. 8. Return pour terminer. InfoEasy Weber Yvan 20.04.2008
  • 102.
    Autocad 2006 102 23. Développement exercices Architecture 23.1. Exercice 1A Lavabo, marche à suivre 1ière solution a) b) -Lignes -Pedit (joindre) -Raccords r20 -Décaler de 4 c) d) -Décomposer -Ligne (milieu) -Raccords de 3 -Copier M ligne du haut de 9 et 19 -Copier 1 ligne + 2r de 3 e) f) -Cercles de Ø 3 et Ø 5 Résultat -Décaler de 2 les cercles -Ajuster, effacer InfoEasy Weber Yvan 20.04.2008
  • 103.
    Autocad 2006 103 23.2. Exercice 1A Lavabo, marche à suivre 2ième solution a) b) -Lignes -Pedit (joindre) -Cercle ttr de 20 -Décaler de 4 -Décomposer -Raccords de 3 c) d) -Effacer -Miroir -Prolonger e) f) -Cercles de Ø 3 et Ø 5 Résultat -Décaler de 2 les cercles -Ajuster, effacer InfoEasy Weber Yvan 20.04.2008
  • 104.
    Autocad 2006 104 23.3. Exercice 1B WC_1 a) b) -Ligne verticale de ~ 80 -Ellipse -Décaler à droite et à gauche de 20 et 25 -Décaler l’ellipse de 5 -Ligne horizontale de ~ 60 -Copier M de 16 et 66 c) d) -Chanfreins (écart 0) -Copier M ligne de 5 et de 15 -Effacer lignes de construction -Lignes depuis l’ellipse au rectangle e) f) -Ajuster les ellipses -Raccords de 5 InfoEasy Weber Yvan 20.04.2008
  • 105.
    Autocad 2006 105 23.4. Exercice 1c Dou_80 a) b) -Rectangle de 80x80 -Décomposer la polyligne ext. -Décaler de 4 -Décaler de 10 (pour centre cercle) -Raccord de 3 (option polyligne) -Cercles de 5 et 9 c) d) -Ajuster les lignes, effacer le cercle de 9 -Ajuster, effacer cercles r6 et r36 -Cercles r6 et r36 -Réseau polaire, 2 copies à 22.5° -Ligne depuis centre cercle vers coin opposé -Réseau polaire, 2 copies à -22.5° InfoEasy Weber Yvan 20.04.2008
  • 106.
    Autocad 2006 106 23.5. Exercice 1d Bain_180 a) b) -Rectangle de 180x75 -2 cercles ttr de 20 -Décomposer le rectangle -Arc 3 points (int / milieu / int) -Décaler de 5, 6, c) d) -Ajuster -Pedit des arcs (joindre) -Miroir (de milieu à milieu) -Décaler de 5 -Ajuster, effacer -Décaler de 35 e) f) -2 cercles ttr de 15 -Ajuster -Ligne (depuis milieu) -Décaler de 27 -Cercle de 5 InfoEasy Weber Yvan 20.04.2008
  • 107.
    Autocad 2006 107 23.6. Exercice 3b Wc_2 (plan) a) b) -Ligne vert. de ~ 75 -Arc 3 points -Décaler à gauche et à droite de 24 et 25 -Copier l’arc de 3 vers le haut -Cercle r19 -Prolonger les deux bouts d’arc c) d) -Ajuster et effacer les lignes de construction -Décaler ligne de centre de 14.5 -Décaler ligne du haut de 28 -Lignes (int à tangente) e) f) -Ellipse 1er point à int, 2ième point à @34<270, -Copier M ligne du haut à 22, 34, 37 demi-longueur à @15<90 -Décaler ligne du centre de 4 et de 8 -Ajuster, effacer -Ajuster, effacer InfoEasy Weber Yvan 20.04.2008
  • 108.
    Autocad 2006 108 23.7. Exercice 4 Escalier Rez a) b) -Cercles de r15, r55, r95 et r100 -Réseau polaire 11 sur 240° -Ligne (accr. centre / quadrant) -Ajuster -Lignes (int à int) c) d) -Décaler de 3 -Poser le texte 1 -Ajuster -Réseau polaire des chiffres (centre du réseau à gauche –7 du centre -Changer texte avec Editer texte InfoEasy Weber Yvan 20.04.2008
  • 109.
    Autocad 2006 109 24. Présentation 24.1. Préparation de la mise en pages 1° Ouvrir le fichier base archi.dwt. 2° Afficher la barre d'outils Présentation 3 °Cliquer sur Présentation1. 4° Cliquer sur l'icône "Gestionnaire de mise en page" ce qui ouvre la fenêtre suivante : InfoEasy Weber Yvan 20.04.2008
  • 110.
    Autocad 2006 110 5° Cliquer sur le bouton "Nouveau". 6° Saisir un nom (par ex. A4 vertical), sélectionner "<Périphérique par défaut du système>". 7° Cliquer sur ok, ce qui ouvre la boîte de dialogue Mise en page-Objet : 8° Configurer la mise en pages. Par exemple : • L'orientation du dessin • Le format du papier. • L'imprimante InfoEasy Weber Yvan 20.04.2008
  • 111.
    Autocad 2006 111 9° Cliquer sur la boîte déroulante "Table des styles de tracé (attribution des plumes)". 10° Cliquer sur "Nouveau", ce qui ouvre la boîte de dialogue suivante : 11° Cocher "Commencer avec un brouillon" et cliquer sur le bouton Suivant, ce qui ouvre la boîte de dialogue suivante : InfoEasy Weber Yvan 20.04.2008
  • 112.
    Autocad 2006 112 12° Saisir un nom, puis cliquer sur le bouton Suivant, ce qui ouvre la boîte de dialogue suivante : 13° Cliquer sur le bouton Terminer, ce qui ouvre la boîte de dialogue "Mise en page-Objet". 14° Cliquer sur le bouton Modifier pour configurer la table de tracé du nouveau style. ce qui ouvre la boîte de dialogue suivante : InfoEasy Weber Yvan 20.04.2008
  • 113.
    Autocad 2006 113 15° Cliquer sur l'onglet "Vue de la Table". 16° Modifier les paramètres nécessaires pour que le dessin sorte correctement selon les normes en vigueur dans l'entreprise. Pour une imprimante Choisir le noir/blanc, choisir type de Désactiver le noir ligne panachage Choisir l'épaisseur 17° Cliquer sur le bouton Enregistrer & Fermer. 18° Cliquer sur Ok dans la boîte de dialogue "Mise en page-Objet". InfoEasy Weber Yvan 20.04.2008
  • 114.
    Autocad 2006 114 19° Eventuellement cliquer à nouveau sur l'icône "Gestionnaire de mise en page", pour configurer un format A3. Il y a donc deux mises en page dans Présentation1. 20° Cliquer sur Fermer. 21° Cliquer sur l'onglet Objet. 22° Enregistrer et fermer le fichier. InfoEasy Weber Yvan 20.04.2008
  • 115.
    Autocad 2006 115 24.2. Préparation à l'impression 1° Ouvrir un dessin Remarque : Si le dessin à été conçu avec un fichier dwt complet, les configurations de mises en page sont dis- ponibles, sinon il faut ouvrir un nouveau dessin .dwg et faire une copie de fenêtre à fenêtre pour retrouver les configurations de mises en page. Par exemple : 2° Créer un calque "fenêtre_présentation", couleur gris et le rendre courant. InfoEasy Weber Yvan 20.04.2008
  • 116.
    Autocad 2006 116 3 Cliquer sur l'onglet Présentation1, ce qui ouvre la fenêtre suivante : 4° Cliquer sur l'icône "Gestionnaire de mise en page". ce qui ouvre la boîte de dialogue suivante : Sélectionner une mise en page (par ex A4 vertical) et cliquer sur le bouton "Définir courant". InfoEasy Weber Yvan 20.04.2008
  • 117.
    Autocad 2006 117 5° La fenêtre A4 vertical est activée. 6° Cliquer sur le bouton Fermer. 7° Cliquer sur la fenêtre, et à l'aide des grips, le recentrer. 8° Si l'élément n'apparaît pas complètement, cliquer sur l'icône Papier pour basculer en espace Objet de la Présentation1, puis avec la commande Panoramique dynamique centrer la vue. InfoEasy Weber Yvan 20.04.2008
  • 118.
    Autocad 2006 118 9° Dans l'espace Objet éventuellement agrandir ou diminuer la vue avec la fonction "Contrôle de l'échelle de la fenêtre. 10° Faire la cotation en n'oubliant pas de mettre le contrôle des styles de cotes à la bonne valeur. 11° Pour basculer de l'espace papier à l'espace objet de Présentation1, il suffit de cliquer sur l'icône "Agrandir la fenêtre". 12° Basculer en espace Papier en cliquant sur l'icône Objet. Geler le calque "Fenêtre_présentation" dans la fenêtre courante, insérer le cadre et le cartouche et imprimer le dessin. InfoEasy Weber Yvan 20.04.2008
  • 119.
    Autocad 2006 119 Geler cette fenêtre avant impression InfoEasy Weber Yvan 20.04.2008
  • 120.
    Autocad 2006 120 25. Utilisation des Propriétés pour la cotation associative Pour que les cotes soient modifiables individuellement, il faut que la variable dimaso soit active ou que soit cocher "Rendre associatives les nouvelles cotes" dans la boîte de dialogue Options / Pré- férences Utilisateur. InfoEasy Weber Yvan 20.04.2008
  • 121.
    Autocad 2006 121 25.1. Mettre une cote entre parenthèse 1° Sélectionner la cote. 2° cliquer sur la commande Propriété 3° Dans la rubrique "Remplacement du texte", saisir le nouveau texte de la cote. 4° Résultat. InfoEasy Weber Yvan 20.04.2008
  • 122.
    Autocad 2006 122 25.2. Mettre une tolérance sur une cote 1° Sélectionner la cote. 2° cliquer sur la commande Propriété 3° Cliquer dans la rubrique "Affichage de la tolérance". Cliquer sur la flèche à droite, choisir le type de tolérance. InfoEasy Weber Yvan 20.04.2008
  • 123.
    Autocad 2006 123 4° Saisir les valeurs de la tolérance Résultat. Les valeurs qui sont affichées en gris sont dépendantes du style de cotation. InfoEasy Weber Yvan 20.04.2008
  • 124.
    Autocad 2006 124 25.3. Déplacer la position du texte de la cote 1° Sélectionner la cote. 2° cliquer sur la commande Propriété 3° Cliquer dans rubrique "Déplacement du texte", puis sur la flèche à droite et choisir "Déplacer le texte, pas de ligne de repère" ou "Déplacer le texte, ajouter une ligne de repère". 4° Fermer la commande Propriétés, cliquer sur la cote et puis la déplacer. Résultat : InfoEasy Weber Yvan 20.04.2008
  • 125.
    Autocad 2006 125 26. Création et modification de barres d’outils 26.1. Création d’une barre d’outils 1° Cliquer sur le menu Affichage. InfoEasy Weber Yvan 20.04.2008
  • 126.
    Autocad 2006 126 2° Sélectionner "Barre d'outils…". 3° Dans la zone "Personnalisations dans tous les fichiers CUI" cliquer sur Barre d'outils avec le bouton droit de la souris. InfoEasy Weber Yvan 20.04.2008
  • 127.
    Autocad 2006 127 4° Cliquer sur Nouveau / Barre d'outils. 5° Renommer "Barre d'outils1" en par exemple Perso. 6° Cliquer sur le bouton "Appliquer". la nouvelle barre d'outils est affichée, elle n'a pas encore d'outils disponibles. InfoEasy Weber Yvan 20.04.2008
  • 128.
    Autocad 2006 128 26.2. Création d’une barre d’outils 1° Dans la zone "Liste des commandes", cliquer sur Catégories : et choisir "Commandes person- nalisées". 2° Cliquer sur le bouton "Nouvelle". InfoEasy Weber Yvan 20.04.2008
  • 129.
    Autocad 2006 129 3° Dans la zone "Propriétés", saisir le nom de la commande et la macro. InfoEasy Weber Yvan 20.04.2008
  • 130.
    Autocad 2006 130 4° Sélectionner la nouvelle commande dans la liste des commandes, puis un outil dans la zone "Icône de bouton" (n'importe lequel). 5° Cliquer sur le bouton Modifier. InfoEasy Weber Yvan 20.04.2008
  • 131.
    Autocad 2006 131 6° Avec les outils Gomme et Crayon redessiner l'image du bouton, puis l'enregistrer sous dans un dossier et cliquer sur les boutons Enregistrer et Fermer. 7° Sélectionner le nouvel icône dans la zone "Icône de bouton", de façon qu'il soit affecté à la nou- velle commande. InfoEasy Weber Yvan 20.04.2008
  • 132.
    Autocad 2006 132 8° Faire un glisser / déposer de la nouvelle commande vers la nouvelle barre d'outils. 9° Cliquer sur le bouton "Appliquer". La nouvelle commande est disponible dans la nouvelle barre d'outils. InfoEasy Weber Yvan 20.04.2008
  • 133.
    Autocad 2006 133 27. Création d’un diaporama Définition Pour présenter à l'écran une série de clichés de manière automatique, Autocad possède la com- mande Script, qui permet d'exécuter une série de commandes. Ce système est très pratique pour présenter un dossier contenant une multitude de vues sans de- voir ouvrir chaque fichier dessin DWG. La création du fichier, contenant la suite d'instructions, se fait par un éditeur comme le Bloc-notes de Windows. L'extension du fichier doit être .SCR. Pour afficher les différentes vues, il faut les créer préalablement avec la commande Mcliche. Pour afficher un cliché séparément, il faut employer la commande Affclich. Mcliche Permet de sauvegarder des clichés sous forme de fichiers. Ces fichiers ont l'extension .sld. Procédure : 1. Ouvrir un dessin, faire éventuellement un zoom de la partie pour laquelle on veut créer un cli- ché. 2. Taper la commande Mcliche. 3. Choisir l'option Créer, ce qui affiche la boîte de dialogue suivante : 4. Saisir un nom de fichier, par ex. vue1.sld. 5. Répéter les points 1à 4 en nommant par exemple les vues vue2.sld, vue3.sld, etc.. Affclich Permet d'afficher les fichiers créés par la commande Mcliche. InfoEasy Weber Yvan 20.04.2008
  • 134.
    Autocad 2006 134 Procédure : 1. Taper la commande Affclich, ce qui affiche la boîte de dialogue suivante :. 2. Sélectionner un fichier avec l'extension .sld. 3. Cliquer sur Ouvrir, le cliché est affiché. 4. Pour revenir à l'écran graphique précédent cliquer sur l'icône redessiner Script Permet d'afficher un fichier script créé dans un éditeur de texte comme par exemple, le bloc-notes de Windows. Le fichier ainsi créé doit avoir l'extension .scr. Création d'un fichier Script Procédure 1. Ouvrir le Bloc-notes des menus Démarrer de Windows /Programmes /Accessoires. 2. Enregistrer le fichier avec l'extension .scr et ceci en cliquant sur le menu Fichier et l'option En- registrer sous. 3. Cliquer sur Enregistrer. InfoEasy Weber Yvan 20.04.2008
  • 135.
    Autocad 2006 135 4. Saisir les commandes du fichier Script comme suit : • Affclich (↵ pour ligne suivante) =Commande Autocad pour afficher un cliché • C:Mes documents/Station/vue1.sld↵ =Chemin du fichier cliché • Delai 3000↵ =Temps d'affichage en millisecondes • Faire de même pour les vues suivantes... • Rescript =Commande pour créer une boucle d'affi- chage 5. Une fois toutes les commandes saisies, enregistrer le fichier encore une fois. Exemple . Utilisation d'un fichier Script Procédure : 1. Taper la commande Script, ce qui ouvre la boîte de dialogue suivante. 2. Choisir un fichier .scr et cliquer sur OK. 3. Pour arrêter le déroulement des clichés, cliquer sur Esc du clavier. InfoEasy Weber Yvan 20.04.2008
  • 136.
    Autocad 2006 136 28. Exercice Xref 28.1. Préparation 1° Ouvrir un nouveau fichier et dessiner la plaque de base en profil (rectangle de 300x20) et l’enregistrer sous « Plaque de base ». 2° Création de l’ensemble Station1 avec les commandes Xref. Ouvrir les fichiers pièces et créez des Wbloc pour les vues nécessaires dans l’ensemble. Enregistrez ces Wbloc dans un sous- dossier (par exemple « Wbloc pour Station1 »). 3° Ouvrir un fichier et l’enregistrer sous « Station1 ». 4° Activer la barre d’outils Référence. 28.2. Insertion de fichiers externes 1° Cliquer sur l’icône Attacher une référence externe , ce qui provoque l’ouverture de la boîte de dialogue suivante : 2° Cliquer sur le fichier Plaque de base, ce qui provoque l’ouverture de la boîte de dialogue sui- vante : InfoEasy Weber Yvan 20.04.2008
  • 137.
    Autocad 2006 137 3° Eventuellement activer une ou plusieurs variables selon le besoin (Echelle, Rotation, etc.). La commande Superposition est utilisée dans le cadre d’un travail en réseau. Cliquer le bouton Ok. 4° Après l’insertion on remarque qu’il y a une adjonction d’un ou de plusieurs calques. Nouveau calque, un l sépare le nom du fichier du nom du calque 5° Répéter les points 4 à 6 pour tous les autres composants de l’ensemble. 28.3. Insérer plusieurs composants identiques Pour les composants qui se trouvent plusieurs fois dans l’ensemble (par exemple les Vis Inbus M6x30), il faut : 1° Cliquer sur l’icône Référence externe , ce qui provoque l’ouverture de la boîte de dialo- gue suivante : 2° Sélectionner le fichier et cliquer sur le bouton Attacher. 3° Répéter les points ci-dessus autant que nécessaire. InfoEasy Weber Yvan 20.04.2008
  • 138.
    Autocad 2006 138 28.4. Modifier un composant Xref 1° Cliquer sur l’icône Référence externe , ce qui provoque l’ouverture de la boîte de dialo- gue suivante : 2° Sélectionner une référence à modifier et cliquer sur le bouton Ouvrir. 3° Faire les modifications du composant, puis l’enregistrer. 4° Ouvrir à nouveau la boîte de dialogue Gestionnaire des références externes en cliquant sur l’icône 5° Cliquer sur le bouton Recharger pour mettre à jour le composant modifier. Toutes les occurren- ces du composant sont misent à jour. 28.5. Détacher (supprimer) une référence externe 1° Cliquer sur l’icône Référence externe , ce qui provoque l’ouverture de la boîte de dialo- gue suivante : 2° Sélectionner le fichier à supprimer et cliquer sur le bouton Détacher. InfoEasy Weber Yvan 20.04.2008
  • 139.
    Autocad 2006 139 28.6. Supprimer une référence externe tout en conservant le composant dans l’ensemble 1° Cliquer sur l’icône Référence externe , ce qui provoque l’ouverture de la boîte de dialo- gue suivante : 2° Sélectionner le fichier à supprimer la référence et à conserver le composant dans l’ensemble. 3° Cliquer sur le bouton Lier, ce qui ouvre la boîte de dialogue suivante : Ajouter =les calques de la référence externes sont disponibles. Insérer = Rupture totale du lien. InfoEasy Weber Yvan 20.04.2008
  • 140.
    Autocad 2006 140 Remarque : la syntaxe des calques correspondant au fichier ajouter est modifiée, le signe $ rem- place le signe I. InfoEasy Weber Yvan 20.04.2008
  • 141.
    Autocad 2006 141 28.7. Décharger une référence Xref Si on désire momentanément masquer une référence externe pour par exemple mieux voir une autre référence ou simplifier l’affichage, il faut : 1° Cliquer sur l’icône Référence externe , ce qui provoque l’ouverture de la boîte de dialo- gue suivante : 2° Sélectionner le fichier à décharger la référence. 3° Cliquer sur le bouton Décharger. Remarque : le fichier décharger est signalé dans la boîte de dialogue Gestionnaire des références externes. 4° Pour le recharger, il suffit de sélectionner le fichier décharger et de cliquer sur le bouton Re- charger. InfoEasy Weber Yvan 20.04.2008
  • 142.
    Autocad 2006 142 29. Blocs dynamiques 29.1. Déplacement et rotation 1° Ouvrir un bloc existant avec Outils / Editeur de blocs 2° Sélectionner le bloc à modifier. InfoEasy Weber Yvan 20.04.2008
  • 143.
    Autocad 2006 143 ce qui ouvre la boîte de dialogue suivante : 3° Cliquer sur "Paramètre de point", sélectionner le point sur la chaise et tirer le curseur sur la gauche ou ailleurs et cliquer. InfoEasy Weber Yvan 20.04.2008
  • 144.
    Autocad 2006 144 4° Cliquer sur "Paramètre de rotation", cliquer sur le centre de la chaise. 5° Au message : Spécifiez le rayon du paramètre:, tirer le curseur à l'endroit désiré puis cliquer ou donner une valeur pour le rayon. 6° Au message : Spécifiez un angle de rotation par défaut ou [angle de Base] <0>: taper sur En- trée au clavier. Remarque : Notez la présence de l'icône d'alerte à côté des poignées du paramètre. Cette icône indique qu'aucune action n'est associée au paramètre. La prochaine étape consiste donc à ajouter des actions aux paramètres. InfoEasy Weber Yvan 20.04.2008
  • 145.
    Autocad 2006 145 6° Dans l'onglet Actions (1) de Palettes de création de blocs, sélectionnez Action de déplacement (2). 2 1 7° Au message, "Sélectionnez le paramètre:" cliquer sur la ligne Position (1). Puis au message, "Choix des objets:" sélectionner la chaise et return. Au message, "Spécifiez l'emplacement de l'ac- tion ou [Variateur/Décalage]:", positionner l'icône Déplacer (2). 1 2 L'action s'affiche sous forme de texte et d'un éclair. Sa position dans la définition du bloc n'a au- cune incidence sur la fonctionnalité de la référence du bloc. On vient d'associer une action de dé- placement au paramètre de point. InfoEasy Weber Yvan 20.04.2008
  • 146.
    Autocad 2006 146 8° Cliquer sur la commande "Action de rotation", puis cliquer sur le paramètre de rotation (1). Au message "Choix des objets:" sélectionner la chaise et return. Puis positionner l'icône de rotation (2). 2 1 9° Voilà, c'est terminé. Cliquer sur la commande "Enregistrer la définition du bloc" et sur "Fermer l'éditeur de blocs. 10° Lorsqu'on insère le bloc et qu'on le sélectionne, les points de déplacement et de rotation sont affichés. 11° Cliquer sur un point et faire un déplacement ou une rotation. InfoEasy Weber Yvan 20.04.2008
  • 147.
    Autocad 2006 147 29.2. Permettre l'étirement d'une partie d'un bloc 1° Ouvrir un bloc existant avec Outils / Editeur de blocs 2° Sélectionner le bloc à modifier. InfoEasy Weber Yvan 20.04.2008
  • 148.
    Autocad 2006 148 ce qui ouvre la boîte de dialogue suivante : 3° Cliquer sur la commande "Paramètre linéaire" et cliquer sur deux extrémités, déplacer le cur- seur contre le bas où contre le haut et cliquer. 1 2 InfoEasy Weber Yvan 20.04.2008
  • 149.
    Autocad 2006 149 4° Maintenant il faut modifier le paramètre afin de n'afficher qu'une seule poignée. Sélectionner le paramètre linéaire, avec le bouton droit choisir Affichage des poignées, sélectionner "1". 4° Cliquer sur la ligne "Distance", puis avec le bouton droit de la souris ouvrir le menu contextuel et cliquer sur "Propriétés". Sous "Jeu de valeurs", cliquer sur la flèche et choisir "Liste". InfoEasy Weber Yvan 20.04.2008
  • 150.
    Autocad 2006 150 5° Cliquer dans "Liste de valeur de dist". 6° Cliquer sur le bouton à droite , ce qui ouvre la boîte de dialogue suivante : Saisir des distances et cliquer sur le bouton "Ajouter" et cliquer sur OK. InfoEasy Weber Yvan 20.04.2008
  • 151.
    Autocad 2006 151 7° Cliquer sur l'onglet "Actions". 8° Cliquer sur "Action d'étirement", sélectionner la ligne "Distance", puis la flèche bleue à droite. 9° Définir le cadre de l'étirement. 1 2 InfoEasy Weber Yvan 20.04.2008
  • 152.
    Autocad 2006 152 10 Sélectionner les objets à étirer. 2 1 11 Cliquer pour poser l'action. InfoEasy Weber Yvan 20.04.2008
  • 153.
    Autocad 2006 153 12° Voilà, c'est terminé. Cliquer sur la commande "Enregistrer la définition du bloc" et sur "Fermer l'éditeur de blocs. 13° Lorsqu'on insère le bloc et qu'on le sélectionne, le point d'étirement est affiché. 14° Cliquer sur le point et faire un étirement. InfoEasy Weber Yvan 20.04.2008
  • 154.
    Autocad 2006 154 29.3. Utiliser des états de visibilité 1° Ouvrir un bloc existant avec Outils / Editeur de blocs 2° Sélectionner le bloc à modifier. InfoEasy Weber Yvan 20.04.2008
  • 155.
    Autocad 2006 155 ce qui ouvre la boîte de dialogue suivante : 3° Cliquer sur la commande "Paramètre de visibilité" et poser l'action. InfoEasy Weber Yvan 20.04.2008
  • 156.
    Autocad 2006 156 4° Double cliquer sur le paramètre "Visibilité" ou sur le bouton "Gérer les états de visibilité. , ce qui ouvre la boîte de dialogue suivante : 5° Sélectionner "EtatVisibilité0" et cliquer sur le bouton Renommer et saisir par ex "Bureau et chaise". InfoEasy Weber Yvan 20.04.2008
  • 157.
    Autocad 2006 157 6° Cliquer sur Nouveau pour ouvrir la boîte de dialogue Nouvel état de visibilité. Attribuer le nom Bureau à l'état de visibilité et cliquer sur OK. 7° Dans la barre d'outils Editeur de blocs, cliquer sur le bouton Masquer. Sélectionnez la chaise et appuyer sur la touche ENTREE. 8° Voilà, c'est terminé. Cliquer sur la commande "Enregistrer la définition du bloc" et sur "Fermer l'éditeur de blocs. InfoEasy Weber Yvan 20.04.2008
  • 158.
    Autocad 2006 158 9° Lorsqu'on insère le bloc et qu'on le sélectionne, le point de visibilité est affiché, cliquer dessus et sélectionner ce qui doit être visible. InfoEasy Weber Yvan 20.04.2008
  • 159.
    Autocad 2006 159 29.4. Utiliser une table de consultation 1° Ouvrir un bloc existant avec Outils / Editeur de blocs 2° Sélectionner le bloc à modifier. InfoEasy Weber Yvan 20.04.2008
  • 160.
    Autocad 2006 160 ce qui ouvre la boîte de dialogue suivante : 3° Dans l'onglet Paramètres de Palettes de création de blocs, sélectionner Paramètre de consulta- tion, puis cliquer à l'endroit où on désir afficher la poignée personnalisée dans la référence du bloc. InfoEasy Weber Yvan 20.04.2008
  • 161.
    Autocad 2006 161 4° Dans l'onglet Actions, cliquer sur Action de consultation, puis sur Paramètre de consultation dans le dessin. Sélectionner le paramètre de consultation, ce qui ouvre la boîte de dialogue suivante : 5° Cliquer sur le bouton "Ajouter des Propriétés", ce qui ouvre la boîte de dialogue suivante : InfoEasy Weber Yvan 20.04.2008
  • 162.
    Autocad 2006 162 6° Sélectionner "Linéaire" et cliquer sur OK. 7° Dans la colonne Propriétés de saisie, toutes les valeurs spécifiées pour la largeur du bureau sont énumérées dans un menu déroulant. Cliquer sur la flèche de défilement vers le bas et sélec- tionner une valeur. 8° Entrer une étiquette dans la ligne correspondante sous la colonne Propriétés de consultation. Attribuer une étiquette à chaque valeur. Etiquettes InfoEasy Weber Yvan 20.04.2008
  • 163.
    Autocad 2006 163 9° Sous Propriétés de consultation, cliquer sur la ligne Lecture seule sous Personnaliser et sélec- tionner Autoriser la consultation inversée. Cliquer ensuite sur OK. 10° Dans l'éditeur de blocs, cliquer sur le bouton Enregistrer la définition du bloc et fermer l'éditeur. 11° Insérer le bloc et cliquer sur le bloc pour le sélectionner, les paramètres dynamiques sont affi- chés. 12° Cliquer sur le paramètre "Consultation" et choisir une longueur. InfoEasy Weber Yvan 20.04.2008
  • 164.
    Autocad 2006 164 30. Création d’un détail échelle 5 1° Dans Présentation1 créer une fenêtre (éventuellement polygonale) avec toutes les vues. 2° En espace objet mettre l’échelle à 1:1. 3° Faire la cotation en espace objet. InfoEasy Weber Yvan 20.04.2008
  • 165.
    Autocad 2006 165 4° Créer une nouvelle fenêtre. 5° Mettre l’échelle de l’objet à 5, rechercher la vue que l’on veut coter à l’échelle 5 en déplaçant le contour de la fenêtre. Nouvelle fenêtre 6° Créer un calque Cotation_ech5. InfoEasy Weber Yvan 20.04.2008
  • 166.
    Autocad 2006 166 7° Coter la vue agrandie. Remarque, il faut geler ce calque dans la fenêtre courante éch. 1:1 8° Geler le calque Cotation_ech5 dans la fenêtre courante de la vue à l’échelle 1 :1. InfoEasy Weber Yvan 20.04.2008
  • 167.
    Autocad 2006 167 9° En espace papier geler le calque Fenêtre. InfoEasy Weber Yvan 20.04.2008
  • 168.
    Autocad 2006 168 31. Groupement d'objets Un groupe est un ensemble enregistré d'objets que vous pouvez sélectionner et modifier simulta- nément ou séparément. Les groupes permettent de combiner facilement les éléments du dessin devant être manipulés comme un tout. 31.1. Groupe 1° Sur la ligne de commande, entrer Groupe, ce qui ouvre la boîte de dialogue suivante : 2° Entrer le nom du groupe sous Nom de groupe, éventuellement saisir une description du groupe. 3° Dans la zone Créer un groupe, cliquer sur Nouveau. InfoEasy Weber Yvan 20.04.2008
  • 169.
    Autocad 2006 169 4° Sélectionner les objets et appuyer sur Entrée, ce qui ouvre à nouveau la boîte Grouper des objets. 31.2. Editer un groupe 1° Sur la ligne de commande, entrer Groupe, ce qui ouvre la boîte de dialogue suivante : 2° Sélectionner le groupe puis modifier le groupe avec les commandes, Enlever, Ajouter, Re- nommer, Réorganiser etc… InfoEasy Weber Yvan 20.04.2008
  • 170.
    Autocad 2006 170 32. Créer un champ affichant la surface d'un polygone 1° Créer un polygone. 2° Avec la commande Texte Multiple, créer un texte dans le polygone. 3° Saisir AIRE dans la zone de saisie du texte. 4° Faire un clic droit avec la souris et sélectionner Insérer un champ. InfoEasy Weber Yvan 20.04.2008
  • 171.
    Autocad 2006 171 5°Dans la boîte de dialogue Champ, dans la liste Noms de champs, sélectionner Objet. 6° A droite de la liste Type d'objet, cliquer sur le bouton Sélectionner un objet. InfoEasy Weber Yvan 20.04.2008
  • 172.
    Autocad 2006 172 7° Sélectionner le polygone. 8°Dans la liste Propriétés, choisir le champ Aire. Dans la zone aperçu la valeur de l'aire est affi- chée. 9° Dans la liste Formats, choisir Décimal. 10° Dans la liste Précision, choisir la précision d'affichage. InfoEasy Weber Yvan 20.04.2008
  • 173.
    Autocad 2006 173 11° Cliquer sur OK. 12° Cliquer sur OK de la boîte de dialogue Format texte. 13° Si on modifie la géométrie ou la taille du polygone, il suffit de Régénérer le dessin. InfoEasy Weber Yvan 20.04.2008
  • 174.
    Autocad 2006 174 33. Créer un champ affichant le nom de fichier 1° Dans la barre d'outils Dessin, cliquer sur Texte multiligne. 2° Avec un clic droit de la souris, choisir Insérer un champ. 3° Dans la boîte de dialogue Champ et dans la liste Noms de champs, choisir Nom de fichier. InfoEasy Weber Yvan 20.04.2008
  • 175.
    Autocad 2006 175 Sous la rubrique Formats: , choisir l'affichage du texte et à droite cocher quel chemin doit être affiché. 4° Cliquer sur Ok dans la boîte de dialogue Format du texte.. InfoEasy Weber Yvan 20.04.2008