Les boites d’encastrement :
Pour une meilleure tenue à l'arrachement
des prises et autres
mécanismes, leur fixation par vis
est conseillée. Il existe un type de
fixation par griffes moins résistant
à l'arrachement.
Elles permettent le raccordement
des fils provenant
des différents circuits ou
gaines.
Ces boîtes existent en
saillie ou à encastrer.
Exemple :
circuit interrupteur.
Il existe des boîtes pour
cloisons pleines : briques,
béton...(a) et pour cloisons
creuses : plaque de plâtre,
lambris...(b).
La profondeur de la boîte
dépend de l'épaisseur de
la cloison.
Prendre garde également
au volume occupé par le
câblage dans la boîte.
N
LES BOÎTES DE DERIVATION
Elles permettent le raccordement
des fils provenant
des différents circuits ou
gaines.
Ces boîtes existent en
saillie ou à encastrer.
Exemple :
circuit interrupteur.
N
1Perforer la boîte d'encastrement en
fonction du diamètre de la gaine.
2Placer chaque boîte dans son logement
en la maintenant avec du plâtre. Le
bord de la boîte doit être au ras de la
cloison.
3Mesurer les longueurs de gaine
nécessaires d'un point à un autre et les
couper en prévoyant de laisser dépasser
1 à 2 cm à l'intérieur de la boîte.
4Enfiler les câbles dans la gaine en les
laissant dépasser d'environ 20 cm. Le
nombre de câbles dépend du type de
branchement effectué (voir la pose).
5Positionner la gaine dans la saignée
et la maintenir avec quelques pointes en
prenant garde de ne pas la perforer.
66 Reboucher les saignées en les
mouillant avant de les garnir de
plâtre. Retirer les pointes au fur et
à mesure.
7Enlever l'excédent de plâtre.
laisser sécher, puis poncer.
Interrupteur
Interrupteur à voyant
Interrupteur va et vient
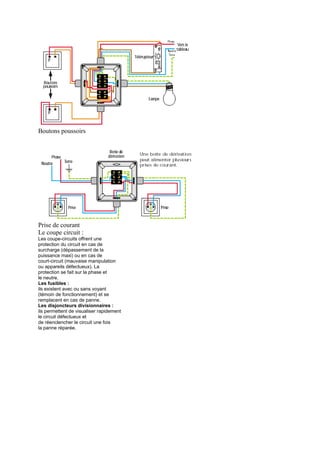
Boutons poussoirs
Prise de courant
Le coupe circuit :
Les coupe-circuits offrent une
protection du circuit en cas de
surcharge (dépassement de la
puissance maxi) ou en cas de
court-circuit (mauvaise manipulation
ou appareils défectueux). La
protection se fait sur la phase et
le neutre.
Les fusibles :
ils existent avec ou sans voyant
(témoin de fonctionnement) et se
remplacent en cas de panne.
Les disjoncteurs divisionnaires :
ils permettent de visualiser rapidement
le circuit défectueux et
de réenclencher le circuit une fois
la panne réparée.
Utilisez un tableau modulaire
standard adapté au nombre de
circuits à alimenter.
1_Fixez le tableau au mur sans
oublier de tenir compte de la longueur
de vos câbles.
1
2_Positionnez le différentiel
30 mA, les portes fusibles ou disjoncteurs
et les autres éléments
modulaires sur le ou les rails du
tableau en respectant le repérage
des différents circuits.
3_Positionnez les 2 peignes
phase et neutre sur les portes
fusibles ou disjoncteurs.
4_Raccordez le neutre puis la
phase venant du disjoncteur général
sur le différentiel 30 mA.
5_Raccordez la sortie du différentiel
aux peignes de répartition
phase et neutre.
6_Reliez chaque phase et chaque
neutre des différents circuits sur
l’élément modulaire correspondant.
7_Reliez tous les fils de terre des
différents circuits au bornier de
terre.
8_Assurez-vous que le bornier est
bien relié au piquet de terre.
9_Fermez le tableau après avoir
découpé les différents passages de
câble.
Parafoudre :
Il limite les surtensions
d’origine
atmosphérique en
les écoulant à la
terre.
Mise à la terre
Pose des moulures :
Fixer les moulures par clouage, coulage ou vissage.
Les principaux symboles électriques :
Le transformateur permet de réduire la tension de
l'alimentation pour alimenter les appareils domestiques
(téléphone, jouet etc..) ou pour assurer la protection des
personnes. Sur ce schéma la première partie du
transformateur est raccordée à la phase et au neutre et
alimentée sans interruption. La deuxième partie délivre une
tension de 12 volts (la tension varie selon le modèle de
transformateur). Cette TBT dit "Trés Basse Tension" nous
permet d'alimenter un circuit dans un milieu humide ou
l'utilisation d'appareils électriques en plein air.
Le tracé violet nous permet de vous vous montrer que le
courant alimente en permanence le transformateur. Il
n'apparaîtrait pas sur un schéma aux normes.
S'il vous plaît, les temps sont durs, économisez l'énergie.
Pensez à éteindre les lumières avant de quitter l'article. Sur
Changimmo on ne rigole pas avec l'environnement. :)
1. Introduction
L’électricité est vieille comme le monde, mais cela fait à peine 200
ans que l’homme a réussi à la maîtriser.
On l’appelle la fée électricité parce que cette magicienne a
transformé notre vie de tous les jours. Et lorsqu’elle vient à manquer,
On réalise alors à quel point elle nous rend service…
Aujourd’hui, l’électricité est indispensable. Sans elle, rien ne
fonctionne !
Imagine-toi un instant de retour à la vie d’autrefois :
Au revoir lumière, adieu télévision, jeux vidéo, radio, chaîne hi-fi,
machine à laver, ordinateurs …
La plupart de nos gestes quotidiens seraient impossibles sans un
système de distribution électrique efficace et sûr.
Toutefois, il n'est pas impossible de vivre sans électricité. En fait,
plus de 1.5 milliards de personnes dans le monde n'y ont toujours pas
accès aujourd'hui. Cependant, vivre sans lumière artificielle ni
énergie est radicalement différent et probablement beaucoup plus
difficile.
1.1. D’où vient l’électricité ?
L’électricité parcourt des dizaines, des centaines de kilomètres et
lorsqu’ elle arrive chez nous, elle a déjà beaucoup voyagé.
Elle est produite dans une usine appelée centrale électrique. Celle-ci
peut fournir de l’électricité à des millions de personnes. Une fois
produite, l’électricité doit être immédiatement transportée vers
l’endroit où elle est utilisée parce qu’on ne peut pas la stocker. Les
centrales doivent donc fonctionner 24h sur 24 de manière à pouvoir
fournir du courant au gré de la demande.
Il existe plusieurs types de centrales. Le nom de celles-ci dépend de
l’énergie primaire qu’elles utilisent pour produire l’électricité:
- Les centrales hydrauliques utilisent les chutes d’eau.
- Les centrales thermiques utilisent le charbon, le pétrole, le gaz.
- Les centrales nucléaires utilisent l’uranium.
Le vent et le soleil, également sources d’énergie primaire, peuvent
produire l’électricité. Mais ces sources d’ « énergies renouvelables »
ne sont pas encore couramment utilisées chez nous.
1.2. Qu’est ce qu’un courant électrique ?
Dans un métal, le courant électrique est du
à un déplacement d’électrons (particule
élémentaire de charge électrique négative
gravitant autour du noyau de l'atome).
HEMES - Institut Gramme
2. La production de l’électricité.
La production d'électricité n'est rien d'autre qu'une conversion.
C'est la transformation d'une énergie mécanique en énergie
électrique. Un exemple nous est familier : c'est la dynamo de
bicyclette. Quand nous pédalons, nous fournissons une énergie
mécanique, transmise à la roue, qui, à son tour, entraîne l'engrenage
de la dynamo. Celle-ci, en tournant, transforme cette énergie
mécanique en électricité qu'un fil transporte vers le phare. En
réalité, une centrale électrique moderne peut être comparée à une
dynamo géante perfectionnée. L'énergie mécanique y est
transformée en énergie électrique grâce à un alternateur.
2.1. Les centrales thermiques classiques.
Dans ces centrales, l'énergie thermique nécessaire est produite par
l'utilisation de combustibles fossiles : le charbon, le gaz ou le fuel.
La chaleur produite par la combustion dans la chaudière vaporise de
l'eau. La vapeur obtenue est véhiculée à haute pression et à haute
température vers une turbine dont les pales se mettent à tourner
sous la pression. L'énergie thermique est transformée en énergie
mécanique. Cette dernière est transformée en électricité par un
alternateur comme dans une dynamo.
Antoine Colen Philippe Hagelstein Xavier Milisen
HEMES - Institut Gramme
2.2. Les centrales nucléaires.
Les centrales nucléaires se différencient des centrales thermiques
classiques par leur mode de production de la chaleur: la combustion
de matières fossiles est remplacée par la fission d'atomes d'uranium.
Dans une centrale nucléaire, l'eau du circuit primaire (en contact
avec le cœur du réacteur) transmet sa chaleur à l'eau du circuit
secondaire (bien séparée du circuit primaire) dans le générateur de
vapeur. Les installations mécaniques et électriques d'une centrale
nucléaire (turbine - alternateur - condenseur) sont, dans leur
principe, les mêmes que celles d'une centrale thermique classique.
Antoine Colen Philippe Hagelstein Xavier Milisen
2.3. Les centrales à énergie renouvelable.
On appelle énergie renouvelable, les technologies qui permettent de
produire de l'électricité ou de la chaleur à partir de sources
renouvelables. Une source d'énergie est renouvelable si le fait d'en
consommer n'en limite pas sa consommation future du fait de son
épuisement ou des dommages impliqués pour l'environnement et la
société.
• les éoliennes transforment l'énergie du vent;
• les centrales hydrauliques transforment l'énergie de l'eau;
• les cellules photovoltaïques utilisent l'énergie du soleil;
• les biocarburants se servent du bois et de certains résidus
organiques;
• la géothermie transforme l'énergie de la chaleur de la terre…
2.4. Les centrales d'accumulation par pompage d'eau.
Le fonctionnement des centrales hydroélectriques repose sur le
principe du moulin à eau : l'eau qui s'écoule fait tourner une turbine,
couplée à un alternateur. Ce principe est mis en application "par
accumulation" à la centrale de pompage de Coo.
La centrale thermique classique.
Les centrales nucléaires.
Les centrales d’accumulation par pompage d’eau.
.
Réseau électrique.
Conclusion
Par cet exposé, nous avons tenté de montrer, de manière fort
simplifiée ce que recèle une maison en matière d'électricité. Il est
clair qu'une approche plus approfondie peut être apportée mais cela
n'était pas notre but. Celui-ci consistait plus en une approche des
différents circuits et équipements rencontrés ainsi que d'informer
sur quelques règles de bonne pratique utilisée en installation
électrique.
Enfin, il faut aussi insister sur le fait que l'installation de tels
circuits doit s'effectuer par des professionnels ou des personnes s'y
connaissant dans le domaine. Des dangers d'électrocution ne sont pas
inexistants dans la maison, ils peuvent aller jusqu'à entraîner la mort
dans certains cas. Alors de grâce, soyez prudents !!!
La minuterie offre les mêmes avantages que le télerupteur
en ce qui concerne le nombre de points de contrôle. La
différence vient du fait que le contact "k" est temporisé. Il
suffira donc d'une impulsion sur l'un des contacts S1, s2 ou
S3, pour enclencher le contact "k" et mettre en marche la
minuterie.
Une fois le temps écoulé (réglage du temps effectué en
fonction de l'utilisateur),le contact "k" se déclenche.
Le trait en pointillé représente la liaison entre la bobine et le
contact.

Elec

  • 1.
    Les boites d’encastrement: Pour une meilleure tenue à l'arrachement des prises et autres mécanismes, leur fixation par vis est conseillée. Il existe un type de fixation par griffes moins résistant à l'arrachement. Elles permettent le raccordement des fils provenant des différents circuits ou gaines. Ces boîtes existent en saillie ou à encastrer. Exemple : circuit interrupteur. Il existe des boîtes pour cloisons pleines : briques, béton...(a) et pour cloisons creuses : plaque de plâtre, lambris...(b). La profondeur de la boîte dépend de l'épaisseur de la cloison. Prendre garde également au volume occupé par le câblage dans la boîte. N LES BOÎTES DE DERIVATION Elles permettent le raccordement
  • 2.
    des fils provenant desdifférents circuits ou gaines. Ces boîtes existent en saillie ou à encastrer. Exemple : circuit interrupteur. N 1Perforer la boîte d'encastrement en fonction du diamètre de la gaine. 2Placer chaque boîte dans son logement en la maintenant avec du plâtre. Le bord de la boîte doit être au ras de la cloison. 3Mesurer les longueurs de gaine nécessaires d'un point à un autre et les couper en prévoyant de laisser dépasser 1 à 2 cm à l'intérieur de la boîte. 4Enfiler les câbles dans la gaine en les laissant dépasser d'environ 20 cm. Le nombre de câbles dépend du type de branchement effectué (voir la pose). 5Positionner la gaine dans la saignée et la maintenir avec quelques pointes en prenant garde de ne pas la perforer. 66 Reboucher les saignées en les mouillant avant de les garnir de plâtre. Retirer les pointes au fur et
  • 3.
    à mesure. 7Enlever l'excédentde plâtre. laisser sécher, puis poncer. Interrupteur Interrupteur à voyant Interrupteur va et vient
  • 4.
    Boutons poussoirs Prise decourant Le coupe circuit : Les coupe-circuits offrent une protection du circuit en cas de surcharge (dépassement de la puissance maxi) ou en cas de court-circuit (mauvaise manipulation ou appareils défectueux). La protection se fait sur la phase et le neutre. Les fusibles : ils existent avec ou sans voyant (témoin de fonctionnement) et se remplacent en cas de panne. Les disjoncteurs divisionnaires : ils permettent de visualiser rapidement le circuit défectueux et de réenclencher le circuit une fois la panne réparée.
  • 5.
    Utilisez un tableaumodulaire standard adapté au nombre de circuits à alimenter. 1_Fixez le tableau au mur sans oublier de tenir compte de la longueur de vos câbles. 1 2_Positionnez le différentiel 30 mA, les portes fusibles ou disjoncteurs et les autres éléments modulaires sur le ou les rails du tableau en respectant le repérage des différents circuits. 3_Positionnez les 2 peignes phase et neutre sur les portes fusibles ou disjoncteurs. 4_Raccordez le neutre puis la phase venant du disjoncteur général sur le différentiel 30 mA. 5_Raccordez la sortie du différentiel aux peignes de répartition phase et neutre. 6_Reliez chaque phase et chaque neutre des différents circuits sur l’élément modulaire correspondant. 7_Reliez tous les fils de terre des différents circuits au bornier de terre. 8_Assurez-vous que le bornier est bien relié au piquet de terre. 9_Fermez le tableau après avoir découpé les différents passages de câble.
  • 6.
    Parafoudre : Il limiteles surtensions d’origine atmosphérique en les écoulant à la terre.
  • 7.
    Mise à laterre Pose des moulures : Fixer les moulures par clouage, coulage ou vissage.
  • 8.
    Les principaux symbolesélectriques : Le transformateur permet de réduire la tension de l'alimentation pour alimenter les appareils domestiques (téléphone, jouet etc..) ou pour assurer la protection des personnes. Sur ce schéma la première partie du transformateur est raccordée à la phase et au neutre et
  • 9.
    alimentée sans interruption.La deuxième partie délivre une tension de 12 volts (la tension varie selon le modèle de transformateur). Cette TBT dit "Trés Basse Tension" nous permet d'alimenter un circuit dans un milieu humide ou l'utilisation d'appareils électriques en plein air. Le tracé violet nous permet de vous vous montrer que le courant alimente en permanence le transformateur. Il n'apparaîtrait pas sur un schéma aux normes. S'il vous plaît, les temps sont durs, économisez l'énergie. Pensez à éteindre les lumières avant de quitter l'article. Sur Changimmo on ne rigole pas avec l'environnement. :) 1. Introduction L’électricité est vieille comme le monde, mais cela fait à peine 200 ans que l’homme a réussi à la maîtriser. On l’appelle la fée électricité parce que cette magicienne a transformé notre vie de tous les jours. Et lorsqu’elle vient à manquer, On réalise alors à quel point elle nous rend service… Aujourd’hui, l’électricité est indispensable. Sans elle, rien ne fonctionne ! Imagine-toi un instant de retour à la vie d’autrefois : Au revoir lumière, adieu télévision, jeux vidéo, radio, chaîne hi-fi,
  • 10.
    machine à laver,ordinateurs … La plupart de nos gestes quotidiens seraient impossibles sans un système de distribution électrique efficace et sûr. Toutefois, il n'est pas impossible de vivre sans électricité. En fait, plus de 1.5 milliards de personnes dans le monde n'y ont toujours pas accès aujourd'hui. Cependant, vivre sans lumière artificielle ni énergie est radicalement différent et probablement beaucoup plus difficile. 1.1. D’où vient l’électricité ? L’électricité parcourt des dizaines, des centaines de kilomètres et lorsqu’ elle arrive chez nous, elle a déjà beaucoup voyagé. Elle est produite dans une usine appelée centrale électrique. Celle-ci peut fournir de l’électricité à des millions de personnes. Une fois produite, l’électricité doit être immédiatement transportée vers l’endroit où elle est utilisée parce qu’on ne peut pas la stocker. Les centrales doivent donc fonctionner 24h sur 24 de manière à pouvoir fournir du courant au gré de la demande. Il existe plusieurs types de centrales. Le nom de celles-ci dépend de l’énergie primaire qu’elles utilisent pour produire l’électricité: - Les centrales hydrauliques utilisent les chutes d’eau. - Les centrales thermiques utilisent le charbon, le pétrole, le gaz. - Les centrales nucléaires utilisent l’uranium. Le vent et le soleil, également sources d’énergie primaire, peuvent produire l’électricité. Mais ces sources d’ « énergies renouvelables » ne sont pas encore couramment utilisées chez nous.
  • 11.
    1.2. Qu’est cequ’un courant électrique ? Dans un métal, le courant électrique est du à un déplacement d’électrons (particule élémentaire de charge électrique négative gravitant autour du noyau de l'atome). HEMES - Institut Gramme 2. La production de l’électricité. La production d'électricité n'est rien d'autre qu'une conversion. C'est la transformation d'une énergie mécanique en énergie électrique. Un exemple nous est familier : c'est la dynamo de bicyclette. Quand nous pédalons, nous fournissons une énergie mécanique, transmise à la roue, qui, à son tour, entraîne l'engrenage de la dynamo. Celle-ci, en tournant, transforme cette énergie
  • 12.
    mécanique en électricitéqu'un fil transporte vers le phare. En réalité, une centrale électrique moderne peut être comparée à une dynamo géante perfectionnée. L'énergie mécanique y est transformée en énergie électrique grâce à un alternateur. 2.1. Les centrales thermiques classiques. Dans ces centrales, l'énergie thermique nécessaire est produite par l'utilisation de combustibles fossiles : le charbon, le gaz ou le fuel. La chaleur produite par la combustion dans la chaudière vaporise de l'eau. La vapeur obtenue est véhiculée à haute pression et à haute température vers une turbine dont les pales se mettent à tourner sous la pression. L'énergie thermique est transformée en énergie mécanique. Cette dernière est transformée en électricité par un alternateur comme dans une dynamo. Antoine Colen Philippe Hagelstein Xavier Milisen HEMES - Institut Gramme 2.2. Les centrales nucléaires. Les centrales nucléaires se différencient des centrales thermiques classiques par leur mode de production de la chaleur: la combustion de matières fossiles est remplacée par la fission d'atomes d'uranium. Dans une centrale nucléaire, l'eau du circuit primaire (en contact avec le cœur du réacteur) transmet sa chaleur à l'eau du circuit secondaire (bien séparée du circuit primaire) dans le générateur de vapeur. Les installations mécaniques et électriques d'une centrale nucléaire (turbine - alternateur - condenseur) sont, dans leur principe, les mêmes que celles d'une centrale thermique classique. Antoine Colen Philippe Hagelstein Xavier Milisen 2.3. Les centrales à énergie renouvelable. On appelle énergie renouvelable, les technologies qui permettent de produire de l'électricité ou de la chaleur à partir de sources
  • 13.
    renouvelables. Une sourced'énergie est renouvelable si le fait d'en consommer n'en limite pas sa consommation future du fait de son épuisement ou des dommages impliqués pour l'environnement et la société. • les éoliennes transforment l'énergie du vent; • les centrales hydrauliques transforment l'énergie de l'eau; • les cellules photovoltaïques utilisent l'énergie du soleil; • les biocarburants se servent du bois et de certains résidus organiques; • la géothermie transforme l'énergie de la chaleur de la terre… 2.4. Les centrales d'accumulation par pompage d'eau. Le fonctionnement des centrales hydroélectriques repose sur le principe du moulin à eau : l'eau qui s'écoule fait tourner une turbine, couplée à un alternateur. Ce principe est mis en application "par accumulation" à la centrale de pompage de Coo. La centrale thermique classique.
  • 14.
    Les centrales nucléaires. Lescentrales d’accumulation par pompage d’eau. .
  • 15.
    Réseau électrique. Conclusion Par cetexposé, nous avons tenté de montrer, de manière fort simplifiée ce que recèle une maison en matière d'électricité. Il est clair qu'une approche plus approfondie peut être apportée mais cela n'était pas notre but. Celui-ci consistait plus en une approche des différents circuits et équipements rencontrés ainsi que d'informer sur quelques règles de bonne pratique utilisée en installation électrique. Enfin, il faut aussi insister sur le fait que l'installation de tels circuits doit s'effectuer par des professionnels ou des personnes s'y
  • 16.
    connaissant dans ledomaine. Des dangers d'électrocution ne sont pas inexistants dans la maison, ils peuvent aller jusqu'à entraîner la mort dans certains cas. Alors de grâce, soyez prudents !!! La minuterie offre les mêmes avantages que le télerupteur en ce qui concerne le nombre de points de contrôle. La différence vient du fait que le contact "k" est temporisé. Il suffira donc d'une impulsion sur l'un des contacts S1, s2 ou S3, pour enclencher le contact "k" et mettre en marche la minuterie. Une fois le temps écoulé (réglage du temps effectué en fonction de l'utilisateur),le contact "k" se déclenche. Le trait en pointillé représente la liaison entre la bobine et le contact.