Intégrer la présentation
Télécharger pour lire hors ligne


































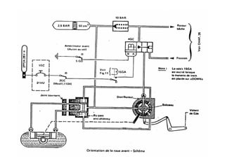
Les commandes et contrôles se trouvent sur le tableau de bord latéral gauche. Ils permettent de gérer l'orientation de la roue avant. Cette information est essentielle pour la conduite du véhicule.

































