Programmation des PIC en C


Microcontrôleur facile pour électronicien amateur

                   PARTIE 1




                     Noxyben
                      2007




                       -1-
Introduction ................................................................................................................................ 3
Intérêt de la programmation en langage C ................................................................................. 4
Choix du compilateur ................................................................................................................. 5
Choix d’un PIC : le 16F877 ....................................................................................................... 6
Choix du programmateur ........................................................................................................... 7
Structure du PIC 16F877............................................................................................................ 8
   Le cœur du PIC : le microprocesseur ..................................................................................... 9
   La mémoire .......................................................................................................................... 11
   La Pile et le Compteur Programme ...................................................................................... 13
   Les Ports d’Entrées/Sorties généraux : PORTA, PORTB, PORTC, PORTD, PORTE....... 15
   Le Port Parallèle Esclave (PSP : Parallel Slave Port) .......................................................... 17
   Le circuit de génération d’horloge ....................................................................................... 18
   Le TIMER0 .......................................................................................................................... 19
   Le TIMER1 .......................................................................................................................... 20
   Le TIMER2 .......................................................................................................................... 22
   Les modules CCP1 et CCP2................................................................................................. 23
   Le convertisseur Analogique – Digital 10bits :.................................................................... 25
   L’USART ............................................................................................................................. 27
   Le SSP, Synchronous Serial Port ......................................................................................... 29
   La logique de RESET........................................................................................................... 31
   L’In-Circuit Debugger.......................................................................................................... 33
   Low-Voltage Programming et ICSP (In-Circuit Serial Programming) ............................... 34
   Les Bits de Configuration .................................................................................................... 36
   Les Interruptions .................................................................................................................. 36
   Le mode SLEEP ................................................................................................................... 37
Brochage du PIC16F877 .......................................................................................................... 38
Conclusion................................................................................................................................ 38




                                                                    -2-
Introduction
Dans un passé pas très lointain, l’électronique pour les amateurs (éclairés) se
résumait essentiellement aux circuits analogiques et éventuellement en logique
câblée (portes logiques, compteurs, registres à décalage…). L’usage des
microprocesseurs était plutôt réservé à un public averti d’ingénieurs sachant les
interfacer avec différents circuits périphériques (eprom, ram…) et programmer en
assembleur.
Au fil du temps on a vu apparaître de nouveaux circuits regroupant dans une seule
puce le microprocesseur et ses circuits périphériques : les microcontrôleurs.
On en trouve maintenant partout : automobile, lave-vaisselle, rasoir, brosse à dent
électrique…
L’offre en microcontrôleurs s’est développée d’autant : plus de périphériques
intégrés, capacité de calcul accrue, plus de mémoire embarquée. Il y a maintenant
de nombreux fabricants de microcontrôleurs, possédant chacun plusieurs gammes
allant du circuit « généraliste », véritable couteau suisse électronique, à la puce
spécialisée dédiée par exemple, à la régulation de vitesse d’un moteur de ventilateur.
La voie royale pour tirer le maximum des performances de ces circuits est toujours la
programmation en assembleur. On accède alors au moindre bit enfoui dans
n’importe quel registre du circuit. Cela nécessite néanmoins un investissement en
temps conséquent, l’assembleur n’étant pas un langage très « naturel ». De plus,
d’un constructeur à l’autre, voire d’un circuit à l’autre dans la même gamme, il existe
des différences qui obligent à réapprendre tout ou partie du langage lorsque l’on
change de microcontrôleur. C’est un investissement intéressant pour un
professionnel qui cherche à produire un code optimisé sur la puce la moins chère
possible, mais pénible pour un amateur qui ne dispose que de relativement peu de
temps pris sur ses loisirs.
Heureusement, avec la montée en puissance des microcontrôleurs, on voit
apparaître actuellement des compilateurs en langage C (voire même C++) qui
permettent de gagner un temps considérable pour le développement et le débogage
des programmes.
Pour tous ceux qui se sont retrouvé largué sur le bord du chemin à cause de ces
            de microcontrôleurs, c’est à mon avis une formidable opportunité de
sauter dans le train de l’électronique numérique et d’apprivoiser ces étranges petites
bêtes. Et pourquoi pas un ampli à tubes piloté par microcontrôleur ? Les capacités
étonnantes de ces circuits vous ouvrent un espace de créativité infini. Ce serait
vraiment dommage de se passer de leurs services…
Une fois la décision prise « je vais me lancer dans les micros ! » se pose la question
du comment. On trouve sur internet toutes les informations nécessaires, la difficulté
serait plutôt de les trier. Vous pouvez commencer par exemple par lire la
documentation de Microchip sur la gamme de PIC « mid-range », c’est une
excellente idée, mais ça va vous prendre du temps (plus de 800 pages !)
Dans le but de vous simplifier la tâche, je vais essayer dans le présent ouvrage de
synthétiser quelque peu ces informations. Et pour éviter la frustration du « je saurais
utiliser un microcontrôleur PIC, mais avant je dois me taper un bouquin de 1000
pages » je vais tâcher d’utiliser une approche progressive permettant de, très
rapidement, créer de véritables petits circuits.




                                         -3-
Intérêt de la programmation en langage C
Tout d’abord, les inconvénients : Un compilateur C produit du code plus volumineux
et moins performant que ce que sait faire un bon programmeur en assembleur. De
plus, selon le compilateur employé, on n’accède plus difficilement, voire pas du tout à
certaines ressources de bas niveau. Et n’ayant plus besoin de plonger les mains
dans le cambouis, on risque également de moins approfondir l’étude du
microcontrôleur utilisé. Un dernier point : les compilateurs C sont souvent payants.
En contrepartie, il y a de sacrés avantages : connaître la programmation en C permet
de créer des programmes sur de multiples plateformes, à commencer par les PC.
Autrement dit, les connaissances utilisées sont en grande partie réutilisables. Le C
est un langage de « haut niveau », comparé à l’assembleur, qui permet d’écrire des
programmes nettement plus intelligibles et donc plus faciles à relire et corriger ou
modifier. Le compilateur contrôle la cohérence du code au moment de la compilation
et signale bon nombre d’erreurs, qui seront autant de bogues en moins à corriger. Le
compilateur prend en charge la gestion d’un certain nombre de mécanismes
fastidieux : par exemple, pas besoin de spécifier la page mémoire dans laquelle on
veut écrire, le compilateur s’en charge ! De plus, certains compilateurs permettent
tout de même d’accéder à des ressources de bas niveau, voir même d’insérer dans
le code des portions d’assembleur. A vrai dire, à moins d’être un « pro » de
l’assembleur, vous pourrez certainement créer avec un bon compilateur C un code
plus propre et plus robuste, en nettement moins de temps. Et, cerise sur le gâteau, le
portage d’un de vos programmes sur un nouveau microcontrôleur sera nettement
simplifié.
Pour bien fixer les idées sur la différence de niveau de langage entre assembleur et
C, je vais donner un exemple. Soit à décrire une action simple : ouvrir la fenêtre de la
pièce dans laquelle vous êtes actuellement.

En assembleur ça donnerait :
       -   soulever pied droit
       -   avancer pied droit
       -   poser pied droit
       -   soulever pied gauche
       -   avancer pied gauche
       -   poser pied gauche
       -   soulever pied droit
       -   avancer pied droit
       -   ….
       -   Sélectionner bras gauche
       -   Soulever bras
       -   Avancer bras
       -   Prendre poignée fenêtre dans main gauche
       -   Tourner poignée de -90°
       -   Tirer poignée
       -   Etc.…

En C ce serait plutôt :

       -   Ouvrir la fenêtre

Et c’est le compilateur qui se chargerait de traduire la fonction « ouvrir la fenêtre » en
instructions élémentaires compréhensibles par le microcontrôleur.
Alors, merci qui ? Merci le C !
                                             -4-
Choix du compilateur
Il y a sur le marché plusieurs compilateurs C. Le microcontrôleur étudié ici étant un
PIC Microchip, la solution la plus évidente consiste à voir ce que propose Microchip :
Si on nous propose bien des compilateurs, ceux-ci sont payants et ne couvrent que
le haut de la gamme des PIC, ce qui est un peu luxueux pour un amateur désirant
s’initier à l’utilisation de ces petites bêtes.
D’autres éditeurs proposent également des compilateurs dont certains sont très
complets, livrés avec des bibliothèques simplifiant l’utilisation des périphériques du
PIC. Malheureusement, ici encore c’est assez cher, jusqu’à plusieurs centaines
d’euros pour un environnement de développement intégré couvrant l’essentiel de la
gamme des PIC.
Heureusement il existe des alternatives moins onéreuses. Par exemple, en
cherchant bien sur internet on peut dénicher des compilateurs freeware en ligne de
commande.
Mon choix s’est porté sur le compilateur BoostC de la société SourceBoost, pour les
raisons suivantes : Il existe une version gratuite avec quelques limitations mineures
(taille du code généré…) permettant de se faire la main et de créer des applications
personnelles, les versions payantes (à des tarifs très raisonnables) permettent de
créer des applications commerciales et d’avoir accès au code source des
bibliothèques. BoostC est livré avec un environnement de développement intégré
facilitant le développement d’applications. Le langage est du C « ANSI », avec
toutefois quelques extensions destinées à tirer pleinement parti de toutes les
spécificités des microcontrôleurs PIC. Et surtout, BoostC reste assez proche du
matériel : on peut très facilement accéder à tous les bits d’un registre quelquonque.
On peut faire l’essentiel de ce qu’il est possible de faire en assembleur, avec les
contraintes en moins. Ce qui sous-entend néanmoins de s’intéresser d’assez près à
la structure du PIC et de des différents sous-ensembles. A noter que SourceBoost
propose également un compilateur C++ pour PIC, ainsi qu’un compilateur Basic.

http://www.sourceboost.com




                                         -5-
Choix d’un PIC : le 16F877
Pour apprendre, la meilleurs solution est de se faire la main sur du concret. On va
donc étudier un vrai microcontrôleur, sachant que ce qui aura été vu sera assez
facilement transposable à d’autres PIC. Le 16F877 est un PIC de la série « Mid-
range » qui se prête particulièrement bien à la programmation en C. Les PIC de la
série inférieure sont un peu justes en performance et en capacité mémoire pour
accueillir un programme issu d’un compilateur C ; mieux vaut les programmer en
assembleur. Les gammes supérieures (16 ou 32 bits) supportent sans problème la
programmation en C, mais comme se sont des circuits plus complexes (et plus
chers), commençons par quelque chose de plus simple et de plus didactique. Le
16F877 (F comme « Flash ») convient parfaitement : mémoire programme de taille
suffisante (8K), nombreux périphériques intégrés, fréquence de fonctionnement
jusqu’à 20 MHz. Tout ce qu’il faut pour créer des applications sympa en s’amusant !




                                        -6-
Choix du programmateur
Une fois le programme créé, il faudra le transférer dans la mémoire programme du
PIC. Pour cela, il existe plusieurs solutions :
Vous pouvez construire votre propre programmateur. De nombreuses variantes
existent, il suffit de faire une recherche sur le net pour s’en rendre compte. Ces
programmateurs se raccordent sur un port série RS232 ou parallèle. A vrai dire la
majorité des circuits ont un air de famille. Pas sûr néanmoins que tous fonctionnent.
Si vous vous engagez dans cette voie, un des « design » les plus rigoureux est
certainement celui proposé par Microchip dans une de ses « Application Note » (à
voir sur le site de Microchip).
Vous pouvez aussi acheter un programmateur tout fait, en état de marche. Il en
existe pour port série, parallèle et, USB ! Sachant que les ports série RS232 et
parallèle tendent à disparaître au profit de l’USB, cette dernière option, bien que
souvent un peu plus onéreuse semble être un bon choix. Il existe en outre des outils
permettant à la fois de programmer le microcontrôleur, mais aussi de le déboguer en
temps réel et tout ça avec le microcontrôleur en place dans son circuit d’application
(voir les outils proposés par Microchip à ce sujet).
Enfin, il y a la solution du programmateur en kit. Après m’être lancé dans un premier
temps dans la réalisation d’un programmateur « home made » (décrit dans un livre
fort onéreux) qui n’a jamais daigné fonctionner, je me suis tourné vers cette dernière
solution : Un programmateur en kit Velleman K8076 pour une quarantaine d’euros
(c'est-à-dire moins cher que le prix des composants de celui que j’ai vainement tenté
de réaliser moi-même), équipé d’un support ZIF (Zéro Insertion Force). Il permet en
outre la programmation « in-circuit », et est livré avec un logiciel de transfert
compatible avec l’essentiel de la gamme des PIC. Des mises à jour étant disponibles
sur le site de Velleman pour les circuits les plus récents. Il faut procéder au montage
soi-même, mais ça marche du premier coup ! (du moins si vous êtes rigoureux au
moment du montage). Le seul inconvénient : il s’agit ici d’un programmateur à
raccorder sur port RS232, donc impossible à raccorder sur un pc portable récent. Un
jour ou l’autre il faudra bien passer par l’USB…

http://www.velleman.be




                                         -7-
Structure du PIC 16F877

                                          13                                      DATA Bus           8     PORTA
                                                Program Counter
                                                                                                                   RA0 /   AN0
                           FLASH                                                                                   RA1 /   AN1
                                                                                                                   RA2 /   AN2 / Vref-
                           Program
                           Memory                                                   RAM                            RA3 /   AN3 / Vref+
                                                  8 Level Stack
                                                     ( 13-bit )                     File                           RA4 /   T0CKl
                                                                                  Registers                        RA5 /   AN4 / SS
              Program      14                                                                              PORTB
                Bus                                                  RAM Addr (1)          9
                                                                                                                   RB0 /   INT
                                                                                  Addr MUX                         RB1
                        Instruction reg
                                                                                                                   RB2
                                               Direct Addr       7                              Indirect
                                                                                           8                       RB3 /   PGM
                                                                                                  Addr
                                                                                                                   RB4
                                                                                           FSR reg                 RB5
                                                                                                                   RB6 /   PGC
                                                                                       STATUS reg                  RB7 /   PGD
                                          8
                                                                                                           PORTC
                                                                                                                   RC0 /   T1OSO / T1CKL
                                                                              3             MUX
                                                  Power-up                                                         RC1 /   T1OSI / CCP2
                                                   Timer                                                           RC2 /   CCP1
                         Instruction                                                                               RC3 /   SCK / SCL
                                                  Oscillator
                          Decode &              Start-up Timer                                                     RC4 /   SDI / SDA
                                                                                    ALU
                           Control                                                                                 RC5 /   SD0
                                                  Power-on                                                         RC6 /   TX / CK
                                                   Reset                  8
                                                                                                                   RC7 /   RX / DT
                          Timing                  Watchdog
                                                                                   W reg
                         Generation                Timer                                                   PORTD
    OSC1 / CLKIN                                 Brown-out                                                         RD0 /   PSP0
    OSC2 / CLKOUT                                  Reset                                                           RD1 /   PSP1
                                                  In-Circuit                                                       RD2 /   PSP2
                                                  Debugger                                                         RD3 /   PSP3
                                                Low-Voltage                                                        RD4 /   PSP4
                                                Programming                         Parallel Slave Port            RD5 /   PSP5
                                                                                                                   RD6 /   PSP6
                                                                                                                   RD7 /   PSP7

                                                                                                           PORTE

                                               MCLR     VDD, Vss                                                   RE0 / AN5 / RD

                                                                                                                   RE1 / AN6 / WR

                                                                                                                   RE2 / AN7 / CS
     Timer0                     Timer1                     Timer2                         10-bit A/D




                                                      Synchronous
  Data EEPROM                   CCP1,2                                                     USART
                                                       Serial Port




   Note 1 : High order bits are from the STATUS register




Le schéma ci-dessus représente les différents modules du PIC 16F877. Ca a l’air un
peu complexe au premier abord, une visite guidée nous permettra d’y voir plus clair.




                                                                         -8-
Le cœur du PIC : le microprocesseur
Un microcontrôleur, c’est avant tout un microprocesseur, une unité de traitement
logique qui effectue l’une après l’autre les opérations contenues dans un
microprogramme stocké en mémoire (la mémoire FLASH). On peut le voir sur le
schéma (en jaune ci-dessous), il est essentiellement composé de l’ « ALU » (Unité
Arithmétique et Logique) qui effectue les opérations sur les donnés, le registre de
travail « W reg. », le multiplexeur « MUX », le registre de statut « status reg », le
registre « FSR reg » utilisé pour l’adressage indirect (en assembleur…), le
multiplexeur d’adresse « Addr mux », le compteur programme « Program Counter »
qui pointe les instructions à exécuter, la pile à 8 niveaux « 8 level Stack », le registre
d’instruction « Instruction reg », ainsi que les différents bus qui relient tous ces
éléments entre eux.


                                           13                                      DATA Bus           8     PORTA
                                                 Program Counter
                                                                                                                    RA0 /   AN0
                            FLASH                                                                                   RA1 /   AN1
                                                                                                                    RA2 /   AN2 / Vref-
                            Program
                            Memory                                                   RAM                            RA3 /   AN3 / Vref+
                                                   8 Level Stack
                                                      ( 13-bit )                     File                           RA4 /   T0CKl
                                                                                   Registers                        RA5 /   AN4 / SS
               Program      14                                                                              PORTB
                 Bus                                                  RAM Addr (1)          9
                                                                                                                    RB0 /   INT
                                                                                   Addr MUX                         RB1
                         Instruction reg
                                                                                                                    RB2
                                                Direct Addr       7                              Indirect
                                                                                            8                       RB3 /   PGM
                                                                                                   Addr
                                                                                                                    RB4
                                                                                            FSR reg                 RB5
                                                                                                                    RB6 /   PGC
                                                                                        STATUS reg                  RB7 /   PGD
                                           8
                                                                                                            PORTC
                                                                                                                    RC0 /   T1OSO / T1CKL
                                                                               3             MUX
                                                   Power-up                                                         RC1 /   T1OSI / CCP2
                                                    Timer                                                           RC2 /   CCP1
                          Instruction                                                                               RC3 /   SCK / SCL
                                                   Oscillator
                           Decode &              Start-up Timer                                                     RC4 /   SDI / SDA
                                                                                     ALU
                            Control                                                                                 RC5 /   SD0
                                                   Power-on                                                         RC6 /   TX / CK
                                                    Reset                  8
                                                                                                                    RC7 /   RX / DT
                           Timing                  Watchdog
                                                                                    W reg
                          Generation                Timer                                                   PORTD
     OSC1 / CLKIN                                 Brown-out                                                         RD0 /   PSP0
     OSC2 / CLKOUT                                  Reset                                                           RD1 /   PSP1
                                                   In-Circuit                                                       RD2 /   PSP2
                                                   Debugger                                                         RD3 /   PSP3
                                                 Low-Voltage                                                        RD4 /   PSP4
                                                 Programming                         Parallel Slave Port            RD5 /   PSP5
                                                                                                                    RD6 /   PSP6
                                                                                                                    RD7 /   PSP7

                                                                                                            PORTE

                                                MCLR     VDD, Vss                                                   RE0 / AN5 / RD

                                                                                                                    RE1 / AN6 / WR

                                                                                                                    RE2 / AN7 / CS
      Timer0                     Timer1                     Timer2                         10-bit A/D




                                                       Synchronous
   Data EEPROM                   CCP1,2                                                     USART
                                                        Serial Port




    Note 1 : High order bits are from the STATUS register




                                                                          -9-
On n’entrera pas ici dans les détails du fonctionnement d’un microprocesseur ; c’est
très intéressant à connaître, indispensable même si on programme en assembleur.
Mais en ce qui nous concerne, on veut programmer en C, et c’est donc le
compilateur qui se chargera de traduire notre code source en instructions de bas-
niveau pour le microprocesseur contenu dans le PIC. C’est là le principal avantage
de la programmation en C : on prend du recul par rapport au fonctionnement intime
du système. On se concentre d’avantage sur « ce que fait le programme » que sur
« comment fonctionne le programme ».
On va tout de même jeter un petit coup d’œil sur le schéma ci-dessus, histoire de
comprendre quelques particularités du PIC, déroutantes au premier abord. On
s’aperçoit que les bus autour de l’ALU ont un format de 8 bits : le PIC 16F877
travaille sur des données de 8 bits, c’est donc bien un microcontrôleur 8 bits !
(logique…).
Pourquoi donc ce cas le « Program Bus » est-il, lui, large de 14 bits ? C’est simple,
certaines instructions peuvent être codées sur plus de 8 bits. Si ce bus n’était large
que de 8 bits, il faudrait plus d’un cycle d’horloge pour transmettre ces instructions,
alors qu’avec un bus plus large, ça passe en une fois. De plus, la mémoire
programme, indépendante du bus de données, est elle-même adressée avec un bus
large : le « Program Counter », qui pointe sur l’instruction en cours, à une largeur de
13 bits. Et avec 13 bits on peut coder environ 8000 adresses. Autrement dit, on à
8000 cases de mémoire programme pouvant contenir chacune 1 instruction
complète. Cette architecture avec bus de données et de programme séparés
(architecture « Harvard ») permet donc d’optimiser le fonctionnement du PIC. La
plupart du temps, votre PIC exécute une instruction et charge la suivante
simultanément en un seul cycle d’horloge. En comparaison, un microcontrôleur 8 bits
construit selon l’architecture concurrente « Von Neumann » (mémoire programme et
données reliés au microprocesseur par un unique bus 8 bits) devra faire plusieurs
cycles pour chercher les instructions en mémoire (en plusieurs fois si c’est une
instruction longues) et les exécuter ensuite. En conséquence, à fréquence d’horloge
égales, un microprocesseur « Harvard » sera plus rapide qu’un « Von Neumann ».




                                         - 10 -
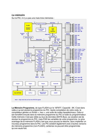
La mémoire
Sur le PIC, il n’y a pas une mais trois mémoires :
                                           13                                      DATA Bus           8     PORTA
                                                 Program Counter
                                                                                                                    RA0 /   AN0
                            FLASH                                                                                   RA1 /   AN1
                                                                                                                    RA2 /   AN2 / Vref-
                            Program
                            Memory                                                   RAM                            RA3 /   AN3 / Vref+
                                                   8 Level Stack
                                                      ( 13-bit )                     File                           RA4 /   T0CKl
                                                                                   Registers                        RA5 /   AN4 / SS
               Program      14                                                                              PORTB
                 Bus                                                  RAM Addr (1)          9
                                                                                                                    RB0 /   INT
                                                                                   Addr MUX                         RB1
                         Instruction reg
                                                                                                                    RB2
                                                Direct Addr       7                              Indirect
                                                                                            8                       RB3 /   PGM
                                                                                                   Addr
                                                                                                                    RB4
                                                                                            FSR reg                 RB5
                                                                                                                    RB6 /   PGC
                                                                                        STATUS reg                  RB7 /   PGD
                                           8
                                                                                                            PORTC
                                                                                                                    RC0 /   T1OSO / T1CKL
                                                                               3             MUX
                                                   Power-up                                                         RC1 /   T1OSI / CCP2
                                                    Timer                                                           RC2 /   CCP1
                          Instruction                                                                               RC3 /   SCK / SCL
                                                   Oscillator
                           Decode &              Start-up Timer                                                     RC4 /   SDI / SDA
                                                                                     ALU
                            Control                                                                                 RC5 /   SD0
                                                   Power-on                                                         RC6 /   TX / CK
                                                    Reset                  8
                                                                                                                    RC7 /   RX / DT
                           Timing                  Watchdog
                                                                                    W reg
                          Generation                Timer                                                   PORTD
     OSC1 / CLKIN                                 Brown-out                                                         RD0 /   PSP0
     OSC2 / CLKOUT                                  Reset                                                           RD1 /   PSP1
                                                   In-Circuit                                                       RD2 /   PSP2
                                                   Debugger                                                         RD3 /   PSP3
                                                 Low-Voltage                                                        RD4 /   PSP4
                                                 Programming                         Parallel Slave Port            RD5 /   PSP5
                                                                                                                    RD6 /   PSP6
                                                                                                                    RD7 /   PSP7

                                                                                                            PORTE

                                                MCLR     VDD, Vss                                                   RE0 / AN5 / RD

                                                                                                                    RE1 / AN6 / WR

                                                                                                                    RE2 / AN7 / CS
      Timer0                     Timer1                     Timer2                         10-bit A/D




                                                       Synchronous
   Data EEPROM                   CCP1,2                                                     USART
                                                        Serial Port




    Note 1 : High order bits are from the STATUS register




La Mémoire Programme, de type FLASH sur le 16F877. Capacité : 8K. C’est dans
celle-ci qu’est stocké le programme du PIC. Après compilation de votre code, le
compilateur génère un fichier « .hex », une suite de codes hexadécimaux. Celui-ci
est transféré ensuite dans la mémoire programme du PIC à l’aide du programmateur.
Cette mémoire n’est pas reliée au bus de données (DATA Bus), sa vocation est de
stocker le programme du PIC, mais PAS les variables de votre programme. Le gros
avantage de la mémoire FLASH c’est que vous pouvez la réécrire, donc implanter un
nouveau programme dans le PIC. Les PIC existent également avec d’autres versions
de mémoire programme (non-FLASH), certaines ne pouvant être programmée
qu’une seule fois.
                                                                         - 11 -
La Mémoire RAM, qui fait partie de la zone d’adressage des données. Elle
comprend tous les registres spéciaux permettant de contrôler le cœur du PIC ainsi
que ses périphériques. Elle contient également des cases mémoires à usage
générique dans lesquelles pourront être stockées les variables de nos futurs
programmes.

La Mémoire EEPROM. L’EEPROM est plutôt une mémoire de stockage de données
à long terme, alors que la RAM est utilisée pour les variables du programme. Sur le
PIC 16F877, on a 256 octets d’EEPROM disponible. Les mémoires de type
EEPROM sont limitées en nombre de cycles d’effacement / écriture. Ce nombre de
cycle est tout de même de l’ordre du million pour le PIC, mais si on l’utilisait pour
stocker des variables modifiées plusieurs milliers de fois par secondes, cette limite
pourrais être atteinte plus vite qu’on ne le croît. Par contre, pour stocker toute les
heures une mesure de température, c’est tout bon !




                                        - 12 -
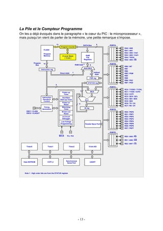
La Pile et le Compteur Programme
On les a déjà évoqués dans le paragraphe « le cœur du PIC : le microprocesseur »,
mais puisqu’on vient de parler de la mémoire, une petite remarque s’impose.

                                          13                                      DATA Bus           8     PORTA
                                                Program Counter
                                                                                                                   RA0 /   AN0
                           FLASH                                                                                   RA1 /   AN1
                                                                                                                   RA2 /   AN2 / Vref-
                           Program
                           Memory                                                   RAM                            RA3 /   AN3 / Vref+
                                                  8 Level Stack
                                                     ( 13-bit )                     File                           RA4 /   T0CKl
                                                                                  Registers                        RA5 /   AN4 / SS
              Program      14                                                                              PORTB
                Bus                                                  RAM Addr (1)          9
                                                                                                                   RB0 /   INT
                                                                                  Addr MUX                         RB1
                        Instruction reg
                                                                                                                   RB2
                                               Direct Addr       7                              Indirect
                                                                                           8                       RB3 /   PGM
                                                                                                  Addr
                                                                                                                   RB4
                                                                                           FSR reg                 RB5
                                                                                                                   RB6 /   PGC
                                                                                       STATUS reg                  RB7 /   PGD
                                          8
                                                                                                           PORTC
                                                                                                                   RC0 /   T1OSO / T1CKL
                                                                              3             MUX
                                                  Power-up                                                         RC1 /   T1OSI / CCP2
                                                   Timer                                                           RC2 /   CCP1
                         Instruction                                                                               RC3 /   SCK / SCL
                                                  Oscillator
                          Decode &              Start-up Timer                                                     RC4 /   SDI / SDA
                                                                                    ALU
                           Control                                                                                 RC5 /   SD0
                                                  Power-on                                                         RC6 /   TX / CK
                                                   Reset                  8
                                                                                                                   RC7 /   RX / DT
                          Timing                  Watchdog
                                                                                   W reg
                         Generation                Timer                                                   PORTD
    OSC1 / CLKIN                                 Brown-out                                                         RD0 /   PSP0
    OSC2 / CLKOUT                                  Reset                                                           RD1 /   PSP1
                                                  In-Circuit                                                       RD2 /   PSP2
                                                  Debugger                                                         RD3 /   PSP3
                                                Low-Voltage                                                        RD4 /   PSP4
                                                Programming                         Parallel Slave Port            RD5 /   PSP5
                                                                                                                   RD6 /   PSP6
                                                                                                                   RD7 /   PSP7

                                                                                                           PORTE

                                               MCLR     VDD, Vss                                                   RE0 / AN5 / RD

                                                                                                                   RE1 / AN6 / WR

                                                                                                                   RE2 / AN7 / CS
     Timer0                     Timer1                     Timer2                         10-bit A/D




                                                      Synchronous
  Data EEPROM                   CCP1,2                                                     USART
                                                       Serial Port




   Note 1 : High order bits are from the STATUS register




                                                                        - 13 -
Le « Program Counter » ou PC est le compteur qui pointe dans la mémoire
programme la prochaine instruction à exécuter. Il est lié à la pile système (Pile =
Stack en anglais) qui est sur le PIC 16F877 une pile 8 niveaux. Qu’est ce que cela
signifie ? Simplement qu’on peut avoir jusqu'à 8 niveaux d’imbrication d’appels de
sous-programme ou fonctions. Ce point est surtout critique pour la programmation en
assembleur : un sous-programme peut appeler un autre sous-programme qui appelle
à son tour un autre sous-programme… jusqu’à une « profondeur » de 8. Au-delà,
c’est la cata : votre programme est buggé et va faire n’importe quoi, étant donné que
le PIC ne peut « dépiler » que 8 niveaux. Le Compteur Programme n’arrivera pas à
revenir à la racine des appels. La programmation en C apporte là un peu de
souplesse : un bon compilateur veillera pour vous à ce que la limite de 8 niveaux ne
soit pas dépassée, quitte à recopier localement une fonction pour éviter un saut à
l’adresse mémoire où cette fonction est déjà présente. Au détriment donc de
l’occupation en mémoire. Ainsi, mieux vaut-il éviter de créer trop de niveaux
d’imbrication d’appels de fonctions dans nos programmes.




                                        - 14 -
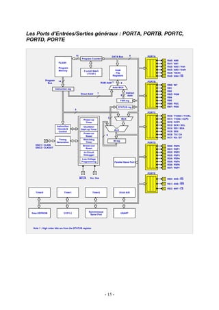
Les Ports d’Entrées/Sorties généraux : PORTA, PORTB, PORTC,
PORTD, PORTE

                                          13                                      DATA Bus           8     PORTA
                                                Program Counter
                                                                                                                   RA0 /   AN0
                           FLASH                                                                                   RA1 /   AN1
                                                                                                                   RA2 /   AN2 / Vref-
                           Program
                           Memory                                                   RAM                            RA3 /   AN3 / Vref+
                                                  8 Level Stack
                                                     ( 13-bit )                     File                           RA4 /   T0CKl
                                                                                  Registers                        RA5 /   AN4 / SS
              Program      14                                                                              PORTB
                Bus                                                  RAM Addr (1)          9
                                                                                                                   RB0 /   INT
                                                                                  Addr MUX                         RB1
                        Instruction reg
                                                                                                                   RB2
                                               Direct Addr       7                              Indirect
                                                                                           8                       RB3 /   PGM
                                                                                                  Addr
                                                                                                                   RB4
                                                                                           FSR reg                 RB5
                                                                                                                   RB6 /   PGC
                                                                                       STATUS reg                  RB7 /   PGD
                                          8
                                                                                                           PORTC
                                                                                                                   RC0 /   T1OSO / T1CKL
                                                                              3             MUX
                                                  Power-up                                                         RC1 /   T1OSI / CCP2
                                                   Timer                                                           RC2 /   CCP1
                         Instruction                                                                               RC3 /   SCK / SCL
                                                  Oscillator
                          Decode &              Start-up Timer                                                     RC4 /   SDI / SDA
                                                                                    ALU
                           Control                                                                                 RC5 /   SD0
                                                  Power-on                                                         RC6 /   TX / CK
                                                   Reset                  8
                                                                                                                   RC7 /   RX / DT
                          Timing                  Watchdog
                                                                                   W reg
                         Generation                Timer                                                   PORTD
    OSC1 / CLKIN                                 Brown-out                                                         RD0 /   PSP0
    OSC2 / CLKOUT                                  Reset                                                           RD1 /   PSP1
                                                  In-Circuit                                                       RD2 /   PSP2
                                                  Debugger                                                         RD3 /   PSP3
                                                Low-Voltage                                                        RD4 /   PSP4
                                                Programming                         Parallel Slave Port            RD5 /   PSP5
                                                                                                                   RD6 /   PSP6
                                                                                                                   RD7 /   PSP7

                                                                                                           PORTE

                                               MCLR     VDD, Vss                                                   RE0 / AN5 / RD

                                                                                                                   RE1 / AN6 / WR

                                                                                                                   RE2 / AN7 / CS
     Timer0                     Timer1                     Timer2                         10-bit A/D




                                                      Synchronous
  Data EEPROM                   CCP1,2                                                     USART
                                                       Serial Port




   Note 1 : High order bits are from the STATUS register




                                                                        - 15 -
Le PIC 16F877 est généreusement doté de 5 ports, ce qui est plutôt confortable. Un
examen plus attentif du schéma ci-dessus nous montre cependant que les lignes
d’entrées/sorties (les pattes du composant) correspondantes sont également
utilisées par d’autres modules du PIC. Ainsi, les pattes du PORTA servent également
au convertisseur Analogique/Numérique, les pattes du PORTD au Port Parallèle
Esclave, etc. Il faudra faire des choix au moment de la conception du schéma
électronique ! On voit également que les ports B, C et D ont 8 lignes d’entrée/sortie,
alors que le port A n’en a que 6 et le port E que 3. Ils sont tous connectés au bus de
donnée (DATA BUS), on pourra donc librement les adresser pour y lire ou écrire des
données, et donc allumer des LED, commander des moteurs pas à pas, des
afficheurs LCD, lire les données envoyées par un clavier ou un bouton poussoir…
On peut configurer les entrées/sorties de chaque port en entrée ou en sortie, grâce à
un registre spécial dédié à chaque port.
De plus, un des ports (le port B) possède des résistances de « pull-up » internes qui
peuvent êtres validées ou non par logiciel.




                                        - 16 -
Le Port Parallèle Esclave (PSP : Parallel Slave Port)

                                           13                                      DATA Bus           8     PORTA
                                                 Program Counter
                                                                                                                    RA0 /   AN0
                            FLASH                                                                                   RA1 /   AN1
                                                                                                                    RA2 /   AN2 / Vref-
                            Program
                            Memory                                                   RAM                            RA3 /   AN3 / Vref+
                                                   8 Level Stack
                                                      ( 13-bit )                     File                           RA4 /   T0CKl
                                                                                   Registers                        RA5 /   AN4 / SS
               Program      14                                                                              PORTB
                 Bus                                                  RAM Addr (1)          9
                                                                                                                    RB0 /   INT
                                                                                   Addr MUX                         RB1
                         Instruction reg
                                                                                                                    RB2
                                                Direct Addr       7                              Indirect
                                                                                            8                       RB3 /   PGM
                                                                                                   Addr
                                                                                                                    RB4
                                                                                            FSR reg                 RB5
                                                                                                                    RB6 /   PGC
                                                                                        STATUS reg                  RB7 /   PGD
                                           8
                                                                                                            PORTC
                                                                                                                    RC0 /   T1OSO / T1CKL
                                                                               3             MUX
                                                   Power-up                                                         RC1 /   T1OSI / CCP2
                                                    Timer                                                           RC2 /   CCP1
                          Instruction                                                                               RC3 /   SCK / SCL
                                                   Oscillator
                           Decode &              Start-up Timer                                                     RC4 /   SDI / SDA
                                                                                     ALU
                            Control                                                                                 RC5 /   SD0
                                                   Power-on                                                         RC6 /   TX / CK
                                                    Reset                  8
                                                                                                                    RC7 /   RX / DT
                           Timing                  Watchdog
                                                                                    W reg
                          Generation                Timer                                                   PORTD
     OSC1 / CLKIN                                 Brown-out                                                         RD0 /   PSP0
     OSC2 / CLKOUT                                  Reset                                                           RD1 /   PSP1
                                                   In-Circuit                                                       RD2 /   PSP2
                                                   Debugger                                                         RD3 /   PSP3
                                                 Low-Voltage                                                        RD4 /   PSP4
                                                 Programming                         Parallel Slave Port            RD5 /   PSP5
                                                                                                                    RD6 /   PSP6
                                                                                                                    RD7 /   PSP7

                                                                                                            PORTE

                                                MCLR     VDD, Vss                                                   RE0 / AN5 / RD

                                                                                                                    RE1 / AN6 / WR

                                                                                                                    RE2 / AN7 / CS
      Timer0                     Timer1                     Timer2                         10-bit A/D




                                                       Synchronous
   Data EEPROM                   CCP1,2                                                     USART
                                                        Serial Port




    Note 1 : High order bits are from the STATUS register




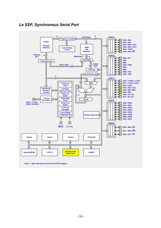
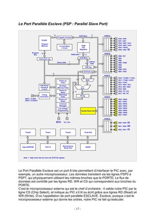
Le Port Parallèle Esclave est un port 8 bits permettant d’interfacer le PIC avec, par
exemple, un autre microprocesseur. Les données transitent via les lignes PSP0 à
PSP7, qui physiquement utilisent les mêmes broches que le PORTD. Le flux de
données est contrôlé par les lignes RD, WR et CS qui correspondent aux broches du
PORTE.
C’est le microprocesseur externe qui est le chef d’orchestre : il valide notre PIC par la
ligne CS (Chip Select), et indique au PIC s’il lit ou écrit grâce aux lignes RD (Read) et
WR (Write). D’où l’appellation de port parallèle ESCLAVE. Esclave, puisque c’est le
microprocesseur externe qui donne les ordres, notre PIC ne fait qu’exécuter.


                                                                         - 17 -
Le circuit de génération d’horloge

                                          13                                      DATA Bus           8     PORTA
                                                Program Counter
                                                                                                                   RA0 /   AN0
                           FLASH                                                                                   RA1 /   AN1
                                                                                                                   RA2 /   AN2 / Vref-
                           Program
                           Memory                                                   RAM                            RA3 /   AN3 / Vref+
                                                  8 Level Stack
                                                     ( 13-bit )                     File                           RA4 /   T0CKl
                                                                                  Registers                        RA5 /   AN4 / SS
              Program      14                                                                              PORTB
                Bus                                                  RAM Addr (1)          9
                                                                                                                   RB0 /   INT
                                                                                  Addr MUX                         RB1
                        Instruction reg
                                                                                                                   RB2
                                               Direct Addr       7                              Indirect
                                                                                           8                       RB3 /   PGM
                                                                                                  Addr
                                                                                                                   RB4
                                                                                           FSR reg                 RB5
                                                                                                                   RB6 /   PGC
                                                                                       STATUS reg                  RB7 /   PGD
                                          8
                                                                                                           PORTC
                                                                                                                   RC0 /   T1OSO / T1CKL
                                                                              3             MUX
                                                  Power-up                                                         RC1 /   T1OSI / CCP2
                                                   Timer                                                           RC2 /   CCP1
                         Instruction                                                                               RC3 /   SCK / SCL
                                                  Oscillator
                          Decode &              Start-up Timer                                                     RC4 /   SDI / SDA
                                                                                    ALU
                           Control                                                                                 RC5 /   SD0
                                                  Power-on                                                         RC6 /   TX / CK
                                                   Reset                  8
                                                                                                                   RC7 /   RX / DT
                          Timing                  Watchdog
                                                                                   W reg
                         Generation                Timer                                                   PORTD
    OSC1 / CLKIN                                 Brown-out                                                         RD0 /   PSP0
    OSC2 / CLKOUT                                  Reset                                                           RD1 /   PSP1
                                                  In-Circuit                                                       RD2 /   PSP2
                                                  Debugger                                                         RD3 /   PSP3
                                                Low-Voltage                                                        RD4 /   PSP4
                                                Programming                         Parallel Slave Port            RD5 /   PSP5
                                                                                                                   RD6 /   PSP6
                                                                                                                   RD7 /   PSP7

                                                                                                           PORTE

                                               MCLR     VDD, Vss                                                   RE0 / AN5 / RD

                                                                                                                   RE1 / AN6 / WR

                                                                                                                   RE2 / AN7 / CS
     Timer0                     Timer1                     Timer2                         10-bit A/D




                                                      Synchronous
  Data EEPROM                   CCP1,2                                                     USART
                                                       Serial Port




   Note 1 : High order bits are from the STATUS register




Pour faire battre le cœur de notre PIC, on a besoin d’un circuit de génération
d’horloge. Avec les PIC « Mid Range », plusieurs options possibles : circuit RC
(résistance + condensateur), ou circuit résonateur céramique, ou oscillateur à
quartz... Le mode de fonctionnement est déterminé au moment de la programmation
du PIC par des « bits de configuration » qui sont en fait des emplacements de
mémoire non-volatile. Pour générer un « cycle d’instruction », il faut 4 cycles
d’horloge. Autrement dit, si votre quartz bat à 20 MHz, les instructions du programme
s’exécutent à une cadence de 5 MHz.



                                                                        - 18 -
Le TIMER0

                                           13                                      DATA Bus           8     PORTA
                                                 Program Counter
                                                                                                                    RA0 /   AN0
                            FLASH                                                                                   RA1 /   AN1
                                                                                                                    RA2 /   AN2 / Vref-
                            Program
                            Memory                                                   RAM                            RA3 /   AN3 / Vref+
                                                   8 Level Stack
                                                      ( 13-bit )                     File                           RA4 /   T0CKl
                                                                                   Registers                        RA5 /   AN4 / SS
               Program      14                                                                              PORTB
                 Bus                                                  RAM Addr (1)          9
                                                                                                                    RB0 /   INT
                                                                                   Addr MUX                         RB1
                         Instruction reg
                                                                                                                    RB2
                                                Direct Addr       7                              Indirect
                                                                                            8                       RB3 /   PGM
                                                                                                   Addr
                                                                                                                    RB4
                                                                                            FSR reg                 RB5
                                                                                                                    RB6 /   PGC
                                                                                        STATUS reg                  RB7 /   PGD
                                           8
                                                                                                            PORTC
                                                                                                                    RC0 /   T1OSO / T1CKL
                                                                               3             MUX
                                                   Power-up                                                         RC1 /   T1OSI / CCP2
                                                    Timer                                                           RC2 /   CCP1
                          Instruction                                                                               RC3 /   SCK / SCL
                                                   Oscillator
                           Decode &              Start-up Timer                                                     RC4 /   SDI / SDA
                                                                                     ALU
                            Control                                                                                 RC5 /   SD0
                                                   Power-on                                                         RC6 /   TX / CK
                                                    Reset                  8
                                                                                                                    RC7 /   RX / DT
                           Timing                  Watchdog
                                                                                    W reg
                          Generation                Timer                                                   PORTD
     OSC1 / CLKIN                                 Brown-out                                                         RD0 /   PSP0
     OSC2 / CLKOUT                                  Reset                                                           RD1 /   PSP1
                                                   In-Circuit                                                       RD2 /   PSP2
                                                   Debugger                                                         RD3 /   PSP3
                                                 Low-Voltage                                                        RD4 /   PSP4
                                                 Programming                         Parallel Slave Port            RD5 /   PSP5
                                                                                                                    RD6 /   PSP6
                                                                                                                    RD7 /   PSP7

                                                                                                            PORTE

                                                MCLR     VDD, Vss                                                   RE0 / AN5 / RD

                                                                                                                    RE1 / AN6 / WR

                                                                                                                    RE2 / AN7 / CS
      Timer0                     Timer1                     Timer2                         10-bit A/D




                                                       Synchronous
   Data EEPROM                   CCP1,2                                                     USART
                                                        Serial Port




    Note 1 : High order bits are from the STATUS register




Dans le passé, le Timer0 s’appelait RTCC. C’est un compteur 8 bits (0 à 255) simple,
qui compte des impulsions soit internes, soit d’une source externe. On peut par
ailleurs lui appliquer une pré-division programmable entre 1 et 256.
On peut librement lire ou écrire dans le registre de comptage associé. On peut donc
le pré charger avec une valeur, à partir de laquelle il comptera jusqu’à atteindre 255.
Une fois le registre de comptage plein, il peut générer une interruption.
Étant donné qu’une fois configuré il fonctionne quasi-indépendamment du
microprocesseur, on pourra s’en servir comme base de temps.




                                                                         - 19 -
Le TIMER1

                                         13                                      DATA Bus           8     PORTA
                                               Program Counter
                                                                                                                  RA0 /   AN0
                          FLASH                                                                                   RA1 /   AN1
                                                                                                                  RA2 /   AN2 / Vref-
                          Program
                          Memory                                                   RAM                            RA3 /   AN3 / Vref+
                                                 8 Level Stack
                                                    ( 13-bit )                     File                           RA4 /   T0CKl
                                                                                 Registers                        RA5 /   AN4 / SS
             Program      14                                                                              PORTB
               Bus                                                  RAM Addr (1)          9
                                                                                                                  RB0 /   INT
                                                                                 Addr MUX                         RB1
                       Instruction reg
                                                                                                                  RB2
                                              Direct Addr       7                              Indirect
                                                                                          8                       RB3 /   PGM
                                                                                                 Addr
                                                                                                                  RB4
                                                                                          FSR reg                 RB5
                                                                                                                  RB6 /   PGC
                                                                                      STATUS reg                  RB7 /   PGD
                                         8
                                                                                                          PORTC
                                                                                                                  RC0 /   T1OSO / T1CKL
                                                                             3             MUX
                                                 Power-up                                                         RC1 /   T1OSI / CCP2
                                                  Timer                                                           RC2 /   CCP1
                        Instruction                                                                               RC3 /   SCK / SCL
                                                 Oscillator
                         Decode &              Start-up Timer                                                     RC4 /   SDI / SDA
                                                                                   ALU
                          Control                                                                                 RC5 /   SD0
                                                 Power-on                                                         RC6 /   TX / CK
                                                  Reset                  8
                                                                                                                  RC7 /   RX / DT
                         Timing                  Watchdog
                                                                                  W reg
                        Generation                Timer                                                   PORTD
   OSC1 / CLKIN                                 Brown-out                                                         RD0 /   PSP0
   OSC2 / CLKOUT                                  Reset                                                           RD1 /   PSP1
                                                 In-Circuit                                                       RD2 /   PSP2
                                                 Debugger                                                         RD3 /   PSP3
                                               Low-Voltage                                                        RD4 /   PSP4
                                               Programming                         Parallel Slave Port            RD5 /   PSP5
                                                                                                                  RD6 /   PSP6
                                                                                                                  RD7 /   PSP7

                                                                                                          PORTE

                                              MCLR     VDD, Vss                                                   RE0 / AN5 / RD

                                                                                                                  RE1 / AN6 / WR

                                                                                                                  RE2 / AN7 / CS
    Timer0                     Timer1                     Timer2                         10-bit A/D




                                                     Synchronous
 Data EEPROM                   CCP1,2                                                     USART
                                                      Serial Port




  Note 1 : High order bits are from the STATUS register




                                                                       - 20 -
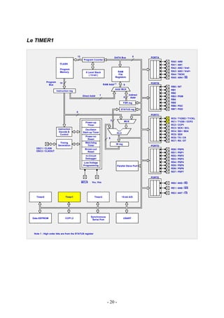
Le Timer1 fonctionne sur le même principe que le Timer0, mais avec un registre de
comptage plus gros : 16 bits au lieu de 8, ce qui étend notablement ces capacités de
comptage. De plus, il possède un mode de fonctionnement particulier : on peut
l’utiliser en association avec un des modules CCP (modules de capture et de
comparaison, voir plus loin). Voyons rapidement le mode « capture » : lorsqu’un
événement survient sur l’entrée du module CCP, la valeur du Timer1 est lue. Comme
on connaît la fréquence de comptage, on peut en quelque sorte « chronométrer » la
survenue d’un événement. Exemple : si l’entrée du module CCP est reliée à un
capteur qui délivre une impulsion à chaque tour de l’arbre d’un moteur, la valeur
contenue dans le registre du Timer1 au moment de l’impulsion est le reflet de la
vitesse de rotation.
Voyons maintenant le mode « comparaison » : Le Timer1 compte en continu, et une
interruption est générée chaque fois que la valeur du compteur est égale à celle
qu’on aura pré chargée dans le registre de comparaison. On peut s’en servir pour,
par exemple, générer un signal carré.




                                       - 21 -
Le TIMER2

                                          13                                      DATA Bus           8     PORTA
                                                Program Counter
                                                                                                                   RA0 /   AN0
                           FLASH                                                                                   RA1 /   AN1
                                                                                                                   RA2 /   AN2 / Vref-
                           Program
                           Memory                                                   RAM                            RA3 /   AN3 / Vref+
                                                  8 Level Stack
                                                     ( 13-bit )                     File                           RA4 /   T0CKl
                                                                                  Registers                        RA5 /   AN4 / SS
              Program      14                                                                              PORTB
                Bus                                                  RAM Addr (1)          9
                                                                                                                   RB0 /   INT
                                                                                  Addr MUX                         RB1
                        Instruction reg
                                                                                                                   RB2
                                               Direct Addr       7                              Indirect
                                                                                           8                       RB3 /   PGM
                                                                                                  Addr
                                                                                                                   RB4
                                                                                           FSR reg                 RB5
                                                                                                                   RB6 /   PGC
                                                                                       STATUS reg                  RB7 /   PGD
                                          8
                                                                                                           PORTC
                                                                                                                   RC0 /   T1OSO / T1CKL
                                                                              3             MUX
                                                  Power-up                                                         RC1 /   T1OSI / CCP2
                                                   Timer                                                           RC2 /   CCP1
                         Instruction                                                                               RC3 /   SCK / SCL
                                                  Oscillator
                          Decode &              Start-up Timer                                                     RC4 /   SDI / SDA
                                                                                    ALU
                           Control                                                                                 RC5 /   SD0
                                                  Power-on                                                         RC6 /   TX / CK
                                                   Reset                  8
                                                                                                                   RC7 /   RX / DT
                          Timing                  Watchdog
                                                                                   W reg
                         Generation                Timer                                                   PORTD
    OSC1 / CLKIN                                 Brown-out                                                         RD0 /   PSP0
    OSC2 / CLKOUT                                  Reset                                                           RD1 /   PSP1
                                                  In-Circuit                                                       RD2 /   PSP2
                                                  Debugger                                                         RD3 /   PSP3
                                                Low-Voltage                                                        RD4 /   PSP4
                                                Programming                         Parallel Slave Port            RD5 /   PSP5
                                                                                                                   RD6 /   PSP6
                                                                                                                   RD7 /   PSP7

                                                                                                           PORTE

                                               MCLR     VDD, Vss                                                   RE0 / AN5 / RD

                                                                                                                   RE1 / AN6 / WR

                                                                                                                   RE2 / AN7 / CS
     Timer0                     Timer1                     Timer2                         10-bit A/D




                                                      Synchronous
  Data EEPROM                   CCP1,2                                                     USART
                                                       Serial Port




   Note 1 : High order bits are from the STATUS register




Le Timer2 a un fonctionnement différent des Timer0 et Timer1. C’est un compteur 8
bits avec pré-diviseur et post-diviseur. On s’en sert pour générer des signaux carrés,
ou, en association avec le module CCP, des signaux PWM.
PWM étant l’acronyme de « Pulse Width Modulation » ou, en français, Modulation de
Largeur d’Impulsion (MLI).




                                                                        - 22 -
Les modules CCP1 et CCP2

                                          13                                      DATA Bus           8     PORTA
                                                Program Counter
                                                                                                                   RA0 /   AN0
                           FLASH                                                                                   RA1 /   AN1
                                                                                                                   RA2 /   AN2 / Vref-
                           Program
                           Memory                                                   RAM                            RA3 /   AN3 / Vref+
                                                  8 Level Stack
                                                     ( 13-bit )                     File                           RA4 /   T0CKl
                                                                                  Registers                        RA5 /   AN4 / SS
              Program      14                                                                              PORTB
                Bus                                                  RAM Addr (1)          9
                                                                                                                   RB0 /   INT
                                                                                  Addr MUX                         RB1
                        Instruction reg
                                                                                                                   RB2
                                               Direct Addr       7                              Indirect
                                                                                           8                       RB3 /   PGM
                                                                                                  Addr
                                                                                                                   RB4
                                                                                           FSR reg                 RB5
                                                                                                                   RB6 /   PGC
                                                                                       STATUS reg                  RB7 /   PGD
                                          8
                                                                                                           PORTC
                                                                                                                   RC0 /   T1OSO / T1CKL
                                                                              3             MUX
                                                  Power-up                                                         RC1 /   T1OSI / CCP2
                                                   Timer                                                           RC2 /   CCP1
                         Instruction                                                                               RC3 /   SCK / SCL
                                                  Oscillator
                          Decode &              Start-up Timer                                                     RC4 /   SDI / SDA
                                                                                    ALU
                           Control                                                                                 RC5 /   SD0
                                                  Power-on                                                         RC6 /   TX / CK
                                                   Reset                  8
                                                                                                                   RC7 /   RX / DT
                          Timing                  Watchdog
                                                                                   W reg
                         Generation                Timer                                                   PORTD
    OSC1 / CLKIN                                 Brown-out                                                         RD0 /   PSP0
    OSC2 / CLKOUT                                  Reset                                                           RD1 /   PSP1
                                                  In-Circuit                                                       RD2 /   PSP2
                                                  Debugger                                                         RD3 /   PSP3
                                                Low-Voltage                                                        RD4 /   PSP4
                                                Programming                         Parallel Slave Port            RD5 /   PSP5
                                                                                                                   RD6 /   PSP6
                                                                                                                   RD7 /   PSP7

                                                                                                           PORTE

                                               MCLR     VDD, Vss                                                   RE0 / AN5 / RD

                                                                                                                   RE1 / AN6 / WR

                                                                                                                   RE2 / AN7 / CS
     Timer0                     Timer1                     Timer2                         10-bit A/D




                                                      Synchronous
  Data EEPROM                   CCP1,2                                                     USART
                                                       Serial Port




   Note 1 : High order bits are from the STATUS register




                                                                        - 23 -
On en a parlé au moment de voir les Timer1 et Timer2 ; on a deux modules CCP sur
le PIC. CCP pour « Capture, Compare, PWM ».
En association avec les deux timers, ils vont nous permettre de générer des signaux
à modulation de largeur d’impulsion (PWM) pour, par exemple, faire varier la vitesse
d’un moteur à courant continu, réguler le courant (et donc la luminosité) dans une
ampoule…
Ils vont également nous permettre de comparer l’occurrence d’un signal en entrée
avec la valeur du compteur Timer1, réalisant ainsi un chronométrage de l’événement
en question (par exemple : indication de la fréquence de rotation d’un moteur).
Ils vont encore nous permettre de générer des signaux carrés, et cela de manière
quasi-indépendante du reste du microcontrôleur qui pourra continuer à vaquer à ses
occupations.




                                       - 24 -
Le convertisseur Analogique – Digital 10bits :

                                          13                                      DATA Bus           8     PORTA
                                                Program Counter
                                                                                                                   RA0 /   AN0
                           FLASH                                                                                   RA1 /   AN1
                                                                                                                   RA2 /   AN2 / Vref-
                           Program
                           Memory                                                   RAM                            RA3 /   AN3 / Vref+
                                                  8 Level Stack
                                                     ( 13-bit )                     File                           RA4 /   T0CKl
                                                                                  Registers                        RA5 /   AN4 / SS
              Program      14                                                                              PORTB
                Bus                                                  RAM Addr (1)          9
                                                                                                                   RB0 /   INT
                                                                                  Addr MUX                         RB1
                        Instruction reg
                                                                                                                   RB2
                                               Direct Addr       7                              Indirect
                                                                                           8                       RB3 /   PGM
                                                                                                  Addr
                                                                                                                   RB4
                                                                                           FSR reg                 RB5
                                                                                                                   RB6 /   PGC
                                                                                       STATUS reg                  RB7 /   PGD
                                          8
                                                                                                           PORTC
                                                                                                                   RC0 /   T1OSO / T1CKL
                                                                              3             MUX
                                                  Power-up                                                         RC1 /   T1OSI / CCP2
                                                   Timer                                                           RC2 /   CCP1
                         Instruction                                                                               RC3 /   SCK / SCL
                                                  Oscillator
                          Decode &              Start-up Timer                                                     RC4 /   SDI / SDA
                                                                                    ALU
                           Control                                                                                 RC5 /   SD0
                                                  Power-on                                                         RC6 /   TX / CK
                                                   Reset                  8
                                                                                                                   RC7 /   RX / DT
                          Timing                  Watchdog
                                                                                   W reg
                         Generation                Timer                                                   PORTD
    OSC1 / CLKIN                                 Brown-out                                                         RD0 /   PSP0
    OSC2 / CLKOUT                                  Reset                                                           RD1 /   PSP1
                                                  In-Circuit                                                       RD2 /   PSP2
                                                  Debugger                                                         RD3 /   PSP3
                                                Low-Voltage                                                        RD4 /   PSP4
                                                Programming                         Parallel Slave Port            RD5 /   PSP5
                                                                                                                   RD6 /   PSP6
                                                                                                                   RD7 /   PSP7

                                                                                                           PORTE

                                               MCLR     VDD, Vss                                                   RE0 / AN5 / RD

                                                                                                                   RE1 / AN6 / WR

                                                                                                                   RE2 / AN7 / CS
     Timer0                     Timer1                     Timer2                         10-bit A/D




                                                      Synchronous
  Data EEPROM                   CCP1,2                                                     USART
                                                       Serial Port




   Note 1 : High order bits are from the STATUS register




                                                                        - 25 -
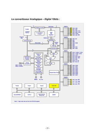
Le convertisseur A/D convertit le signal analogique présent sur une de ses 8 entrées
en son équivalent numérique, codé sur 10 bits. Les pattes AN2 et AN3 peuvent être
utilisées comme références de tension ou comme entrées analogiques standard, les
références de tension étant dans ce dernier cas prises sur les tensions
d’alimentations du PIC : VDD et VSS. (VDD pour le + et VSS pour le -).
On peut donc numériser jusqu’à 8 signaux analogiques. Pas tous en même temps,
bien sûr, étant donné qu’il n’y a qu’un seul module de conversion pour 8 signaux
d’entrée multiplexés. Mais si vos signaux n’évoluent pas trop vite (fréquence basse),
vous pouvez numériser le signal sur la patte AN0, puis celui sur AN1…
Les paramètres important dont il faudra tenir compte sont :
     • La résolution du convertisseur. Ici 10 bits, donc meilleur qu’un convertisseur 8
        bits, mais moins précis qu’un 12 bits…
     • Le temps de conversion.
     • La rapidité d’évolution des signaux présents sur les entrées (leur fréquence
        pour des signaux périodiques).
     • Le nombre de signaux à numériser.

En effet, pour un signal périodique, la fréquence d’échantillonnage doit être au moins
deux fois supérieure à la fréquence du signal ; mais ça tout le monde le sait déjà,
non ?




                                         - 26 -
L’USART

                                         13                                      DATA Bus           8     PORTA
                                               Program Counter
                                                                                                                  RA0 /   AN0
                          FLASH                                                                                   RA1 /   AN1
                                                                                                                  RA2 /   AN2 / Vref-
                          Program
                          Memory                                                   RAM                            RA3 /   AN3 / Vref+
                                                 8 Level Stack
                                                    ( 13-bit )                     File                           RA4 /   T0CKl
                                                                                 Registers                        RA5 /   AN4 / SS
             Program      14                                                                              PORTB
               Bus                                                  RAM Addr (1)          9
                                                                                                                  RB0 /   INT
                                                                                 Addr MUX                         RB1
                       Instruction reg
                                                                                                                  RB2
                                              Direct Addr       7                              Indirect
                                                                                          8                       RB3 /   PGM
                                                                                                 Addr
                                                                                                                  RB4
                                                                                          FSR reg                 RB5
                                                                                                                  RB6 /   PGC
                                                                                      STATUS reg                  RB7 /   PGD
                                         8
                                                                                                          PORTC
                                                                                                                  RC0 /   T1OSO / T1CKL
                                                                             3             MUX
                                                 Power-up                                                         RC1 /   T1OSI / CCP2
                                                  Timer                                                           RC2 /   CCP1
                        Instruction                                                                               RC3 /   SCK / SCL
                                                 Oscillator
                         Decode &              Start-up Timer                                                     RC4 /   SDI / SDA
                                                                                   ALU
                          Control                                                                                 RC5 /   SD0
                                                 Power-on                                                         RC6 /   TX / CK
                                                  Reset                  8
                                                                                                                  RC7 /   RX / DT
                         Timing                  Watchdog
                                                                                  W reg
                        Generation                Timer                                                   PORTD
   OSC1 / CLKIN                                 Brown-out                                                         RD0 /   PSP0
   OSC2 / CLKOUT                                  Reset                                                           RD1 /   PSP1
                                                 In-Circuit                                                       RD2 /   PSP2
                                                 Debugger                                                         RD3 /   PSP3
                                               Low-Voltage                                                        RD4 /   PSP4
                                               Programming                         Parallel Slave Port            RD5 /   PSP5
                                                                                                                  RD6 /   PSP6
                                                                                                                  RD7 /   PSP7

                                                                                                          PORTE

                                              MCLR     VDD, Vss                                                   RE0 / AN5 / RD

                                                                                                                  RE1 / AN6 / WR

                                                                                                                  RE2 / AN7 / CS
    Timer0                     Timer1                     Timer2                         10-bit A/D




                                                     Synchronous
 Data EEPROM                   CCP1,2                                                     USART
                                                      Serial Port




  Note 1 : High order bits are from the STATUS register




                                                                       - 27 -
L’USART ou Universal Synchronous Asynchronous Receiver Transmitter est l’un des
deux modules de communication série du PIC ou SCI en anglais (Serial
Communication Interface).
Comme son nom l’indique, elle peut établir une liaison synchrone ou asynchrone,
recevoir et transmettre des données, selon la manière dont elle est configurée.
C’est son côté « je peux tout faire » qui lui vaut l’attribut « Universal ».
Concrètement, l’USART permet de communiquer avec le reste du monde : un
ordinateur ou tout autre matériel équipé d’une interface série RS232, des circuits
intégrés convertisseurs Numérique/Analogique ou Analogique/Numérique, des
EEPROMs série…
L’USART peut être configurée selon 3 modes :
    • Asynchrone (Full Duplex)
    • Synchrone Maître (Half Duplex)
    • Synchrone Esclave (Half Duplex)




                                      - 28 -
Le SSP, Synchronous Serial Port

                                          13                                      DATA Bus           8     PORTA
                                                Program Counter
                                                                                                                   RA0 /   AN0
                           FLASH                                                                                   RA1 /   AN1
                                                                                                                   RA2 /   AN2 / Vref-
                           Program
                           Memory                                                   RAM                            RA3 /   AN3 / Vref+
                                                  8 Level Stack
                                                     ( 13-bit )                     File                           RA4 /   T0CKl
                                                                                  Registers                        RA5 /   AN4 / SS
              Program      14                                                                              PORTB
                Bus                                                  RAM Addr (1)          9
                                                                                                                   RB0 /   INT
                                                                                  Addr MUX                         RB1
                        Instruction reg
                                                                                                                   RB2
                                               Direct Addr       7                              Indirect
                                                                                           8                       RB3 /   PGM
                                                                                                  Addr
                                                                                                                   RB4
                                                                                           FSR reg                 RB5
                                                                                                                   RB6 /   PGC
                                                                                       STATUS reg                  RB7 /   PGD
                                          8
                                                                                                           PORTC
                                                                                                                   RC0 /   T1OSO / T1CKL
                                                                              3             MUX
                                                  Power-up                                                         RC1 /   T1OSI / CCP2
                                                   Timer                                                           RC2 /   CCP1
                         Instruction                                                                               RC3 /   SCK / SCL
                                                  Oscillator
                          Decode &              Start-up Timer                                                     RC4 /   SDI / SDA
                                                                                    ALU
                           Control                                                                                 RC5 /   SD0
                                                  Power-on                                                         RC6 /   TX / CK
                                                   Reset                  8
                                                                                                                   RC7 /   RX / DT
                          Timing                  Watchdog
                                                                                   W reg
                         Generation                Timer                                                   PORTD
    OSC1 / CLKIN                                 Brown-out                                                         RD0 /   PSP0
    OSC2 / CLKOUT                                  Reset                                                           RD1 /   PSP1
                                                  In-Circuit                                                       RD2 /   PSP2
                                                  Debugger                                                         RD3 /   PSP3
                                                Low-Voltage                                                        RD4 /   PSP4
                                                Programming                         Parallel Slave Port            RD5 /   PSP5
                                                                                                                   RD6 /   PSP6
                                                                                                                   RD7 /   PSP7

                                                                                                           PORTE

                                               MCLR     VDD, Vss                                                   RE0 / AN5 / RD

                                                                                                                   RE1 / AN6 / WR

                                                                                                                   RE2 / AN7 / CS
     Timer0                     Timer1                     Timer2                         10-bit A/D




                                                      Synchronous
  Data EEPROM                   CCP1,2                                                     USART
                                                       Serial Port




   Note 1 : High order bits are from the STATUS register




                                                                        - 29 -
Le module SSP est la deuxième interface de communication série du PIC.
En fait, il s’agit d’un port Maître, donc l’appellation exacte est plutôt MSSP pour
« Master Synchronous Serial Port ».
Il est utile pour communiquer avec d’autres modules ou microcontrôleurs, des
EEPROMs séries, des registres à décalage, des afficheurs, des convertisseurs A/N
ou N/A…
Il peut fonctionner dans deux modes de communication :
    • Le mode SPI (Serial Peripheral Interface)
    • Le mode I²C (Inter-Integrated Circuit)

L’utilisation de l’un de ces deux modules de communication, USART ou MSSP
dépend donc essentiellement du protocole de communication nécessaire.
Schématiquement, l’USART est bien adaptée pour communiquer avec le reste de
l’univers via la célèbre interface RS232 alors que le MSSP permet de communiquer
aisément avec d’autres composants électroniques à interface série.
Une dernière remarque par rapport aux interfaces de communication : certains PIC
(mais pas le 16F877) intègrent une interface USB ou un module de communication
Ethernet.




                                        - 30 -
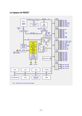
La logique de RESET

                                          13                                      DATA Bus           8     PORTA
                                                Program Counter
                                                                                                                   RA0 /   AN0
                           FLASH                                                                                   RA1 /   AN1
                                                                                                                   RA2 /   AN2 / Vref-
                           Program
                           Memory                                                   RAM                            RA3 /   AN3 / Vref+
                                                  8 Level Stack
                                                     ( 13-bit )                     File                           RA4 /   T0CKl
                                                                                  Registers                        RA5 /   AN4 / SS
              Program      14                                                                              PORTB
                Bus                                                  RAM Addr (1)          9
                                                                                                                   RB0 /   INT
                                                                                  Addr MUX                         RB1
                        Instruction reg
                                                                                                                   RB2
                                               Direct Addr       7                              Indirect
                                                                                           8                       RB3 /   PGM
                                                                                                  Addr
                                                                                                                   RB4
                                                                                           FSR reg                 RB5
                                                                                                                   RB6 /   PGC
                                                                                       STATUS reg                  RB7 /   PGD
                                          8
                                                                                                           PORTC
                                                                                                                   RC0 /   T1OSO / T1CKL
                                                                              3             MUX
                                                  Power-up                                                         RC1 /   T1OSI / CCP2
                                                   Timer                                                           RC2 /   CCP1
                         Instruction                                                                               RC3 /   SCK / SCL
                                                  Oscillator
                          Decode &              Start-up Timer                                                     RC4 /   SDI / SDA
                                                                                    ALU
                           Control                                                                                 RC5 /   SD0
                                                  Power-on                                                         RC6 /   TX / CK
                                                   Reset                  8
                                                                                                                   RC7 /   RX / DT
                          Timing                  Watchdog
                                                                                   W reg
                         Generation                Timer                                                   PORTD
    OSC1 / CLKIN                                 Brown-out                                                         RD0 /   PSP0
    OSC2 / CLKOUT                                  Reset                                                           RD1 /   PSP1
                                                  In-Circuit                                                       RD2 /   PSP2
                                                  Debugger                                                         RD3 /   PSP3
                                                Low-Voltage                                                        RD4 /   PSP4
                                                Programming                         Parallel Slave Port            RD5 /   PSP5
                                                                                                                   RD6 /   PSP6
                                                                                                                   RD7 /   PSP7

                                                                                                           PORTE

                                               MCLR     VDD, Vss                                                   RE0 / AN5 / RD

                                                                                                                   RE1 / AN6 / WR

                                                                                                                   RE2 / AN7 / CS
     Timer0                     Timer1                     Timer2                         10-bit A/D




                                                      Synchronous
  Data EEPROM                   CCP1,2                                                     USART
                                                       Serial Port




   Note 1 : High order bits are from the STATUS register




                                                                        - 31 -
La logique de reset comprend plusieurs modules :

   •   Le POWER-UP TIMER : c’est une temporisation au démarrage. Lors d’un
       démarrage ou redémarrage suite à un reset, cette temporisation permet à la
       tension d’alimentation VDD d’atteindre une valeur suffisante et stable. On
       évite ainsi au PIC de subir les inévitables phénomènes transitoires à la mise
       sous tension. Cette temporisation fonctionne avec son propre circuit RC
       interne.
   •   L’OSCILLATOR START UP TIMER : une fois la temporisation du Power-Up
       Timer écoulée, c’est au tour de l’Oscillator Start Up Timer de prendre le relais.
       Il s’agit d’une temporisation dont le but est de permettre au circuit de
       l’oscillateur de démarrer proprement. En effet, de la même manière que la
       tension d’alimentation met un certain temps à se stabiliser, l’oscillateur a
       besoin de temps pour démarrer et se stabiliser
   •   Le POWER-ON RESET : à la mise sous tension, lorsque VDD est détecté, ce
       module génère une impulsion de reset, ce qui lance le Power-Up Timer et
       remet un certain nombre de registre du PIC dans un état déterminé.
       Habituellement on utilise un circuit externe à résistance / condensateur pour
       générer ce « pulse » de reset. Mais sur le PIC, à condition que l’apparition de
       la tension d’alimentation soit assez « énergique » vous pouvez vous passer de
       ce circuit RC. On ramène juste la tension d’alimentation à travers une
       résistance appropriée sur la patte « MCLR » (Memory CLeaR).
   •   Le BROWN-OUT RESET : ce module surveille la tension d’alimentation. Si
       celle-ci descend en-dessous d’une valeur minimum pour laquelle le
       fonctionnement correct du PIC ne peut plus être assuré, le module Brown-Out
       Reset redémarre (reset) le PIC.
   •   Le WATCHDOG TIMER : C’est le « Chien de garde » (watchdog en anglais)
       du PIC. S’il est utilisé, ce timer doit être périodiquement remis à zéro par le
       programme, car, s’il « déborde », il place le PIC en mode Reset. Ainsi, en cas
       de plantage de votre programme le PIC est redémarré automatiquement.




                                         - 32 -
L’In-Circuit Debugger

                                          13                                      DATA Bus           8     PORTA
                                                Program Counter
                                                                                                                   RA0 /   AN0
                           FLASH                                                                                   RA1 /   AN1
                                                                                                                   RA2 /   AN2 / Vref-
                           Program
                           Memory                                                   RAM                            RA3 /   AN3 / Vref+
                                                  8 Level Stack
                                                     ( 13-bit )                     File                           RA4 /   T0CKl
                                                                                  Registers                        RA5 /   AN4 / SS
              Program      14                                                                              PORTB
                Bus                                                  RAM Addr (1)          9
                                                                                                                   RB0 /   INT
                                                                                  Addr MUX                         RB1
                        Instruction reg
                                                                                                                   RB2
                                               Direct Addr       7                              Indirect
                                                                                           8                       RB3 /   PGM
                                                                                                  Addr
                                                                                                                   RB4
                                                                                           FSR reg                 RB5
                                                                                                                   RB6 /   PGC
                                                                                       STATUS reg                  RB7 /   PGD
                                          8
                                                                                                           PORTC
                                                                                                                   RC0 /   T1OSO / T1CKL
                                                                              3             MUX
                                                  Power-up                                                         RC1 /   T1OSI / CCP2
                                                   Timer                                                           RC2 /   CCP1
                         Instruction                                                                               RC3 /   SCK / SCL
                                                  Oscillator
                          Decode &              Start-up Timer                                                     RC4 /   SDI / SDA
                                                                                    ALU
                           Control                                                                                 RC5 /   SD0
                                                  Power-on                                                         RC6 /   TX / CK
                                                   Reset                  8
                                                                                                                   RC7 /   RX / DT
                          Timing                  Watchdog
                                                                                   W reg
                         Generation                Timer                                                   PORTD
    OSC1 / CLKIN                                 Brown-out                                                         RD0 /   PSP0
    OSC2 / CLKOUT                                  Reset                                                           RD1 /   PSP1
                                                  In-Circuit                                                       RD2 /   PSP2
                                                  Debugger                                                         RD3 /   PSP3
                                                Low-Voltage                                                        RD4 /   PSP4
                                                Programming                         Parallel Slave Port            RD5 /   PSP5
                                                                                                                   RD6 /   PSP6
                                                                                                                   RD7 /   PSP7

                                                                                                           PORTE

                                               MCLR     VDD, Vss                                                   RE0 / AN5 / RD

                                                                                                                   RE1 / AN6 / WR

                                                                                                                   RE2 / AN7 / CS
     Timer0                     Timer1                     Timer2                         10-bit A/D




                                                      Synchronous
  Data EEPROM                   CCP1,2                                                     USART
                                                       Serial Port




   Note 1 : High order bits are from the STATUS register




Ce module permet de simplifier la phase de débogage des programmes. Une fois
activé, il donne accès à des fonctionnalités avancées de débogage. Celles-ci sont
exploitées par le module ICD de MPLAB, l’environnement de développement intégré
de Microchip.
Vous pouvez alors suivre « en live » l’évolution de votre programme entrain de
s’exécuter sur le PIC, poser des points d’arrêt, lire le contenu des registres, etc.




                                                                        - 33 -
Low-Voltage Programming et ICSP (In-Circuit Serial Programming)

                                          13                                      DATA Bus           8     PORTA
                                                Program Counter
                                                                                                                   RA0 /   AN0
                           FLASH                                                                                   RA1 /   AN1
                                                                                                                   RA2 /   AN2 / Vref-
                           Program
                           Memory                                                   RAM                            RA3 /   AN3 / Vref+
                                                  8 Level Stack
                                                     ( 13-bit )                     File                           RA4 /   T0CKl
                                                                                  Registers                        RA5 /   AN4 / SS
              Program      14                                                                              PORTB
                Bus                                                  RAM Addr (1)          9
                                                                                                                   RB0 /   INT
                                                                                  Addr MUX                         RB1
                        Instruction reg
                                                                                                                   RB2
                                               Direct Addr       7                              Indirect
                                                                                           8                       RB3 /   PGM
                                                                                                  Addr
                                                                                                                   RB4
                                                                                           FSR reg                 RB5
                                                                                                                   RB6 /   PGC
                                                                                       STATUS reg                  RB7 /   PGD
                                          8
                                                                                                           PORTC
                                                                                                                   RC0 /   T1OSO / T1CKL
                                                                              3             MUX
                                                  Power-up                                                         RC1 /   T1OSI / CCP2
                                                   Timer                                                           RC2 /   CCP1
                         Instruction                                                                               RC3 /   SCK / SCL
                                                  Oscillator
                          Decode &              Start-up Timer                                                     RC4 /   SDI / SDA
                                                                                    ALU
                           Control                                                                                 RC5 /   SD0
                                                  Power-on                                                         RC6 /   TX / CK
                                                   Reset                  8
                                                                                                                   RC7 /   RX / DT
                          Timing                  Watchdog
                                                                                   W reg
                         Generation                Timer                                                   PORTD
    OSC1 / CLKIN                                 Brown-out                                                         RD0 /   PSP0
    OSC2 / CLKOUT                                  Reset                                                           RD1 /   PSP1
                                                  In-Circuit                                                       RD2 /   PSP2
                                                  Debugger                                                         RD3 /   PSP3
                                                Low-Voltage                                                        RD4 /   PSP4
                                                Programming                         Parallel Slave Port            RD5 /   PSP5
                                                                                                                   RD6 /   PSP6
                                                                                                                   RD7 /   PSP7

                                                                                                           PORTE

                                               MCLR     VDD, Vss                                                   RE0 / AN5 / RD

                                                                                                                   RE1 / AN6 / WR

                                                                                                                   RE2 / AN7 / CS
     Timer0                     Timer1                     Timer2                         10-bit A/D




                                                      Synchronous
  Data EEPROM                   CCP1,2                                                     USART
                                                       Serial Port




   Note 1 : High order bits are from the STATUS register




                                                                        - 34 -
A quoi peut bien servir ce module « Low-Voltage Programming » ?

Tout d’abord, voyons comment le PIC est programmé habituellement. Contrairement
à des modèles de microcontrôleurs plus anciens qui étaient programmés en
« parallèle » (les octets étaient transférés dans la mémoire programme sur 8 lignes),
les modèles récents de PIC se programment en série. C'est-à-dire que les octets
sont transmis bits après bits sur un nombre restreint de lignes. Le grand avantage
c’est qu’on peut, moyennant certaines précautions, programmer le PIC alors qu’il est
déjà implanté sur le circuit imprimé de son application ! Pas besoin de le retirer de
son support à chaque fois (en risquant de tordre des pattes) pour le placer sur le
programmateur. C’est ce qu’on appelle l’ICSP : In-Circuit Serial Programming, ou
autrement dit, en français, Programmation Série En Circuit. On programme le PIC
déjà implanté, en mode de transfert série.
Comment se passe la programmation ICSP ?
       - On alimente le PIC avec sa tension de programmation, généralement 13V
       - On utilise pour transférer le programme les lignes RB6 (qui devient
           l’horloge cadençant le transfert) et RB7 (pour transférer les données en
           écriture ou lecture).
On à donc besoin d’une tension de programmation, plus élevée que la tension
d’alimentation normale.
C’est pour le cas standard, mais grâce au module « Low Voltage Programming », il y
a moyen de faire la même chose en ayant pas besoin de la tension de
programmation.

Il y a également un autre moyen de programmer notre PIC : l’utilisation d’un Boot
loader. Qu’est-ce donc ? Un boot loader (traduction littérale : « chausse-pied ») est
un petit bout de programme que l’on implante dans la mémoire du PIC et qui va
« charger » le programme que vous voulez implanter dans la mémoire du PIC. Ici,
plus besoin de programmateur. Si votre PIC est équipé d’une interface série, ou
USB, ou autre, vous pouvez transférer le programme via cette interface. C’est le boot
loader, en coordination avec le logiciel ad’ hoc sur votre ordinateur, qui va se charger
du transfert et de l’écriture en mémoire programme. Le boot loader reste ensuite
inactif dans la mémoire du PIC pendant que votre programme s’exécute
normalement. Au prochain démarrage du PIC, si le boot loader détecte une nouvelle
tentative de transfert de programme sur l’interface sélectionnée (série, USB,…) il le
charge et remplace l’actuel. Sinon il passe la main au programme actuel.
Ce mécanisme est surtout très pratique dans les phases de prototypage où de
nombreux transferts son nécessaires, d’autant plus que la vitesse de transmission
des données est beaucoup plus rapide qu’avec un programmateur.
Ici encore, la programmation se fait sur un mode série, mais comme on ne passe pas
par un programmateur on à pas accès à la tension de programmation. L’utilisation du
module « Low Voltage Programming » prends ici tout son sens.




                                         - 35 -
Les Bits de Configuration

Pour « customiser » notre PIC, il existe ce que l’on appelle les bits de configuration.
Ce sont des bits spéciaux de la mémoire programme qui permettent de spécifier le
mode de fonctionnement d’un certain nombre de fonctionnalité du PIC. À savoir :
      - L’oscillateur : utilisation d’un quartz ou d’un circuit RC, plage de fréquence
      - Utilisation ou nom du Watchdog
      - Utilisation de la patte MCLR ou non
      - Validation ou non du Power-Up Timer
      - Validation ou non du Brown-Out Reset
      - Protection de la mémoire programme et de la mémoire EEPROM

Ces bits sont programmés au moment du transfert du programme dans le PIC.



Les Interruptions

Un certain nombre d’événements sont susceptible de générer des interruptions : fin
de conversion de signal analogique, écriture en mémoire EEPROM terminée,
débordement de Timer, USART, SSP, changement d’état d’une entrée de port….
Si votre programme comprend une routine de gestion de cette interruption, le
déroulement normal s’interrompt et la routine de gestion de l’interruption est
exécutée.
Le gros avantage de ce mécanisme, c’est que le microcontrôleur peut vaquer à ses
occupations sans être obligé de scruter en permanence si telle ou telle action a eu
lieu. Par exemple, si un clavier est raccordé au PIC, pas besoin de surveiller en
permanence si une touche a été activée. Si c’est le cas, le changement d’état sur le
port générera une interruption. Le PIC sera ainsi mis au courant qu’un changement a
eu lieu et exécutera les actions adéquates.
C’est un peu comme l’alarme sonore de votre micro-onde : celui-ci vous signale par
un BiiiP que le temps de cuisson est écoulé, pas besoin de rester les yeux rivés sur
la vitre avec un chronomètre en main.




                                         - 36 -
Le mode SLEEP

Le mode Sleep est un mode de fonctionnement particulier du PIC dans lequel celui-ci
réduit sa consommation électrique au minimum. Il est presque entièrement
désactivé, son oscillateur est éteint. Le PIC est en mode « veille » !
Pour sortir de cette torpeur, il faut un des événements suivant :
       - Reset du circuit, ou
       - Réveil par le Watch-Dog Timer (ci celui-ci est activé, il continue de
           fonctionner en mode SLEEP)
       - Interruption générée par un module périphérique (Timer, convertisseur
           A/D, changement d’état de port, SSP….)

Ce mode peut être particulièrement intéressant pour une application fonctionnant sur
pile ou batterie et qui ne requiert le fonctionnement du microprocesseur qu’à la
survenue d’événements particuliers. On prolonge ainsi considérablement
l’autonomie.




                                       - 37 -
Brochage du PIC16F877




                          MCLR/Vpp   1                 40   RB7/PGD
                           RA0/AN0   2                 39   RB6/PGC
                           RA1/AN1   3                 38   RB5
                     RA2/AN2/VRef-   4                 37   RB4
                     RA3/AN3/VRef+   5                 36   RB3/PGM
                         RA4/T0CKI   6                 35   RB2
                        RA5/AN4/SS   7                 34   RB1
                                          PIC 16F877
                        RE0/RD/AN5   8                 33   RB0/INT
                       RE1/WR/AN6    9                 32   VDD
                        RE2/CS/AN7   10                31   VSS
                               VDD   11                30   RD7/PSP7
                               VSS   12                29   RD6/PSP6
                       OSC1/CLKIN    13                28   RD5/PSP5
                     OSC2/CLKOUT     14                27   RD4/PSP4
                  RC0/T1OSO/T1CKI    15                26   RC7/RX/DT
                   RC1/T1OSI/CCP2    16                25   RC6/TX/CK
                          RC2/CCP1   17                24   RC5/SDO
                      RC3/SCK/SCL    18                23   RC4/SDI/SDA
                          RD0/PSP0   19                22   RD3/PSP3
                          RD1/PSP1   20                21   RD2/PSP2




Conclusion
Ainsi s’achève notre survol du PIC 16F877. Vous savez maintenant ce qui se cache
dans la boîte, et avec quels outils nous allons le programmer. Notre prochain objectif
sera de le faire fonctionner. On pourra passer ensuite à l’étude un peu plus détaillée
des différents périphériques.




                                          - 38 -

Programmation des pic_en_c_part1

  • 1.
    Programmation des PICen C Microcontrôleur facile pour électronicien amateur PARTIE 1 Noxyben 2007 -1-
  • 2.
    Introduction ................................................................................................................................ 3 Intérêtde la programmation en langage C ................................................................................. 4 Choix du compilateur ................................................................................................................. 5 Choix d’un PIC : le 16F877 ....................................................................................................... 6 Choix du programmateur ........................................................................................................... 7 Structure du PIC 16F877............................................................................................................ 8 Le cœur du PIC : le microprocesseur ..................................................................................... 9 La mémoire .......................................................................................................................... 11 La Pile et le Compteur Programme ...................................................................................... 13 Les Ports d’Entrées/Sorties généraux : PORTA, PORTB, PORTC, PORTD, PORTE....... 15 Le Port Parallèle Esclave (PSP : Parallel Slave Port) .......................................................... 17 Le circuit de génération d’horloge ....................................................................................... 18 Le TIMER0 .......................................................................................................................... 19 Le TIMER1 .......................................................................................................................... 20 Le TIMER2 .......................................................................................................................... 22 Les modules CCP1 et CCP2................................................................................................. 23 Le convertisseur Analogique – Digital 10bits :.................................................................... 25 L’USART ............................................................................................................................. 27 Le SSP, Synchronous Serial Port ......................................................................................... 29 La logique de RESET........................................................................................................... 31 L’In-Circuit Debugger.......................................................................................................... 33 Low-Voltage Programming et ICSP (In-Circuit Serial Programming) ............................... 34 Les Bits de Configuration .................................................................................................... 36 Les Interruptions .................................................................................................................. 36 Le mode SLEEP ................................................................................................................... 37 Brochage du PIC16F877 .......................................................................................................... 38 Conclusion................................................................................................................................ 38 -2-
  • 3.
    Introduction Dans un passépas très lointain, l’électronique pour les amateurs (éclairés) se résumait essentiellement aux circuits analogiques et éventuellement en logique câblée (portes logiques, compteurs, registres à décalage…). L’usage des microprocesseurs était plutôt réservé à un public averti d’ingénieurs sachant les interfacer avec différents circuits périphériques (eprom, ram…) et programmer en assembleur. Au fil du temps on a vu apparaître de nouveaux circuits regroupant dans une seule puce le microprocesseur et ses circuits périphériques : les microcontrôleurs. On en trouve maintenant partout : automobile, lave-vaisselle, rasoir, brosse à dent électrique… L’offre en microcontrôleurs s’est développée d’autant : plus de périphériques intégrés, capacité de calcul accrue, plus de mémoire embarquée. Il y a maintenant de nombreux fabricants de microcontrôleurs, possédant chacun plusieurs gammes allant du circuit « généraliste », véritable couteau suisse électronique, à la puce spécialisée dédiée par exemple, à la régulation de vitesse d’un moteur de ventilateur. La voie royale pour tirer le maximum des performances de ces circuits est toujours la programmation en assembleur. On accède alors au moindre bit enfoui dans n’importe quel registre du circuit. Cela nécessite néanmoins un investissement en temps conséquent, l’assembleur n’étant pas un langage très « naturel ». De plus, d’un constructeur à l’autre, voire d’un circuit à l’autre dans la même gamme, il existe des différences qui obligent à réapprendre tout ou partie du langage lorsque l’on change de microcontrôleur. C’est un investissement intéressant pour un professionnel qui cherche à produire un code optimisé sur la puce la moins chère possible, mais pénible pour un amateur qui ne dispose que de relativement peu de temps pris sur ses loisirs. Heureusement, avec la montée en puissance des microcontrôleurs, on voit apparaître actuellement des compilateurs en langage C (voire même C++) qui permettent de gagner un temps considérable pour le développement et le débogage des programmes. Pour tous ceux qui se sont retrouvé largué sur le bord du chemin à cause de ces de microcontrôleurs, c’est à mon avis une formidable opportunité de sauter dans le train de l’électronique numérique et d’apprivoiser ces étranges petites bêtes. Et pourquoi pas un ampli à tubes piloté par microcontrôleur ? Les capacités étonnantes de ces circuits vous ouvrent un espace de créativité infini. Ce serait vraiment dommage de se passer de leurs services… Une fois la décision prise « je vais me lancer dans les micros ! » se pose la question du comment. On trouve sur internet toutes les informations nécessaires, la difficulté serait plutôt de les trier. Vous pouvez commencer par exemple par lire la documentation de Microchip sur la gamme de PIC « mid-range », c’est une excellente idée, mais ça va vous prendre du temps (plus de 800 pages !) Dans le but de vous simplifier la tâche, je vais essayer dans le présent ouvrage de synthétiser quelque peu ces informations. Et pour éviter la frustration du « je saurais utiliser un microcontrôleur PIC, mais avant je dois me taper un bouquin de 1000 pages » je vais tâcher d’utiliser une approche progressive permettant de, très rapidement, créer de véritables petits circuits. -3-
  • 4.
    Intérêt de laprogrammation en langage C Tout d’abord, les inconvénients : Un compilateur C produit du code plus volumineux et moins performant que ce que sait faire un bon programmeur en assembleur. De plus, selon le compilateur employé, on n’accède plus difficilement, voire pas du tout à certaines ressources de bas niveau. Et n’ayant plus besoin de plonger les mains dans le cambouis, on risque également de moins approfondir l’étude du microcontrôleur utilisé. Un dernier point : les compilateurs C sont souvent payants. En contrepartie, il y a de sacrés avantages : connaître la programmation en C permet de créer des programmes sur de multiples plateformes, à commencer par les PC. Autrement dit, les connaissances utilisées sont en grande partie réutilisables. Le C est un langage de « haut niveau », comparé à l’assembleur, qui permet d’écrire des programmes nettement plus intelligibles et donc plus faciles à relire et corriger ou modifier. Le compilateur contrôle la cohérence du code au moment de la compilation et signale bon nombre d’erreurs, qui seront autant de bogues en moins à corriger. Le compilateur prend en charge la gestion d’un certain nombre de mécanismes fastidieux : par exemple, pas besoin de spécifier la page mémoire dans laquelle on veut écrire, le compilateur s’en charge ! De plus, certains compilateurs permettent tout de même d’accéder à des ressources de bas niveau, voir même d’insérer dans le code des portions d’assembleur. A vrai dire, à moins d’être un « pro » de l’assembleur, vous pourrez certainement créer avec un bon compilateur C un code plus propre et plus robuste, en nettement moins de temps. Et, cerise sur le gâteau, le portage d’un de vos programmes sur un nouveau microcontrôleur sera nettement simplifié. Pour bien fixer les idées sur la différence de niveau de langage entre assembleur et C, je vais donner un exemple. Soit à décrire une action simple : ouvrir la fenêtre de la pièce dans laquelle vous êtes actuellement. En assembleur ça donnerait : - soulever pied droit - avancer pied droit - poser pied droit - soulever pied gauche - avancer pied gauche - poser pied gauche - soulever pied droit - avancer pied droit - …. - Sélectionner bras gauche - Soulever bras - Avancer bras - Prendre poignée fenêtre dans main gauche - Tourner poignée de -90° - Tirer poignée - Etc.… En C ce serait plutôt : - Ouvrir la fenêtre Et c’est le compilateur qui se chargerait de traduire la fonction « ouvrir la fenêtre » en instructions élémentaires compréhensibles par le microcontrôleur. Alors, merci qui ? Merci le C ! -4-
  • 5.
    Choix du compilateur Ily a sur le marché plusieurs compilateurs C. Le microcontrôleur étudié ici étant un PIC Microchip, la solution la plus évidente consiste à voir ce que propose Microchip : Si on nous propose bien des compilateurs, ceux-ci sont payants et ne couvrent que le haut de la gamme des PIC, ce qui est un peu luxueux pour un amateur désirant s’initier à l’utilisation de ces petites bêtes. D’autres éditeurs proposent également des compilateurs dont certains sont très complets, livrés avec des bibliothèques simplifiant l’utilisation des périphériques du PIC. Malheureusement, ici encore c’est assez cher, jusqu’à plusieurs centaines d’euros pour un environnement de développement intégré couvrant l’essentiel de la gamme des PIC. Heureusement il existe des alternatives moins onéreuses. Par exemple, en cherchant bien sur internet on peut dénicher des compilateurs freeware en ligne de commande. Mon choix s’est porté sur le compilateur BoostC de la société SourceBoost, pour les raisons suivantes : Il existe une version gratuite avec quelques limitations mineures (taille du code généré…) permettant de se faire la main et de créer des applications personnelles, les versions payantes (à des tarifs très raisonnables) permettent de créer des applications commerciales et d’avoir accès au code source des bibliothèques. BoostC est livré avec un environnement de développement intégré facilitant le développement d’applications. Le langage est du C « ANSI », avec toutefois quelques extensions destinées à tirer pleinement parti de toutes les spécificités des microcontrôleurs PIC. Et surtout, BoostC reste assez proche du matériel : on peut très facilement accéder à tous les bits d’un registre quelquonque. On peut faire l’essentiel de ce qu’il est possible de faire en assembleur, avec les contraintes en moins. Ce qui sous-entend néanmoins de s’intéresser d’assez près à la structure du PIC et de des différents sous-ensembles. A noter que SourceBoost propose également un compilateur C++ pour PIC, ainsi qu’un compilateur Basic. http://www.sourceboost.com -5-
  • 6.
    Choix d’un PIC: le 16F877 Pour apprendre, la meilleurs solution est de se faire la main sur du concret. On va donc étudier un vrai microcontrôleur, sachant que ce qui aura été vu sera assez facilement transposable à d’autres PIC. Le 16F877 est un PIC de la série « Mid- range » qui se prête particulièrement bien à la programmation en C. Les PIC de la série inférieure sont un peu justes en performance et en capacité mémoire pour accueillir un programme issu d’un compilateur C ; mieux vaut les programmer en assembleur. Les gammes supérieures (16 ou 32 bits) supportent sans problème la programmation en C, mais comme se sont des circuits plus complexes (et plus chers), commençons par quelque chose de plus simple et de plus didactique. Le 16F877 (F comme « Flash ») convient parfaitement : mémoire programme de taille suffisante (8K), nombreux périphériques intégrés, fréquence de fonctionnement jusqu’à 20 MHz. Tout ce qu’il faut pour créer des applications sympa en s’amusant ! -6-
  • 7.
    Choix du programmateur Unefois le programme créé, il faudra le transférer dans la mémoire programme du PIC. Pour cela, il existe plusieurs solutions : Vous pouvez construire votre propre programmateur. De nombreuses variantes existent, il suffit de faire une recherche sur le net pour s’en rendre compte. Ces programmateurs se raccordent sur un port série RS232 ou parallèle. A vrai dire la majorité des circuits ont un air de famille. Pas sûr néanmoins que tous fonctionnent. Si vous vous engagez dans cette voie, un des « design » les plus rigoureux est certainement celui proposé par Microchip dans une de ses « Application Note » (à voir sur le site de Microchip). Vous pouvez aussi acheter un programmateur tout fait, en état de marche. Il en existe pour port série, parallèle et, USB ! Sachant que les ports série RS232 et parallèle tendent à disparaître au profit de l’USB, cette dernière option, bien que souvent un peu plus onéreuse semble être un bon choix. Il existe en outre des outils permettant à la fois de programmer le microcontrôleur, mais aussi de le déboguer en temps réel et tout ça avec le microcontrôleur en place dans son circuit d’application (voir les outils proposés par Microchip à ce sujet). Enfin, il y a la solution du programmateur en kit. Après m’être lancé dans un premier temps dans la réalisation d’un programmateur « home made » (décrit dans un livre fort onéreux) qui n’a jamais daigné fonctionner, je me suis tourné vers cette dernière solution : Un programmateur en kit Velleman K8076 pour une quarantaine d’euros (c'est-à-dire moins cher que le prix des composants de celui que j’ai vainement tenté de réaliser moi-même), équipé d’un support ZIF (Zéro Insertion Force). Il permet en outre la programmation « in-circuit », et est livré avec un logiciel de transfert compatible avec l’essentiel de la gamme des PIC. Des mises à jour étant disponibles sur le site de Velleman pour les circuits les plus récents. Il faut procéder au montage soi-même, mais ça marche du premier coup ! (du moins si vous êtes rigoureux au moment du montage). Le seul inconvénient : il s’agit ici d’un programmateur à raccorder sur port RS232, donc impossible à raccorder sur un pc portable récent. Un jour ou l’autre il faudra bien passer par l’USB… http://www.velleman.be -7-
  • 8.
    Structure du PIC16F877 13 DATA Bus 8 PORTA Program Counter RA0 / AN0 FLASH RA1 / AN1 RA2 / AN2 / Vref- Program Memory RAM RA3 / AN3 / Vref+ 8 Level Stack ( 13-bit ) File RA4 / T0CKl Registers RA5 / AN4 / SS Program 14 PORTB Bus RAM Addr (1) 9 RB0 / INT Addr MUX RB1 Instruction reg RB2 Direct Addr 7 Indirect 8 RB3 / PGM Addr RB4 FSR reg RB5 RB6 / PGC STATUS reg RB7 / PGD 8 PORTC RC0 / T1OSO / T1CKL 3 MUX Power-up RC1 / T1OSI / CCP2 Timer RC2 / CCP1 Instruction RC3 / SCK / SCL Oscillator Decode & Start-up Timer RC4 / SDI / SDA ALU Control RC5 / SD0 Power-on RC6 / TX / CK Reset 8 RC7 / RX / DT Timing Watchdog W reg Generation Timer PORTD OSC1 / CLKIN Brown-out RD0 / PSP0 OSC2 / CLKOUT Reset RD1 / PSP1 In-Circuit RD2 / PSP2 Debugger RD3 / PSP3 Low-Voltage RD4 / PSP4 Programming Parallel Slave Port RD5 / PSP5 RD6 / PSP6 RD7 / PSP7 PORTE MCLR VDD, Vss RE0 / AN5 / RD RE1 / AN6 / WR RE2 / AN7 / CS Timer0 Timer1 Timer2 10-bit A/D Synchronous Data EEPROM CCP1,2 USART Serial Port Note 1 : High order bits are from the STATUS register Le schéma ci-dessus représente les différents modules du PIC 16F877. Ca a l’air un peu complexe au premier abord, une visite guidée nous permettra d’y voir plus clair. -8-
  • 9.
    Le cœur duPIC : le microprocesseur Un microcontrôleur, c’est avant tout un microprocesseur, une unité de traitement logique qui effectue l’une après l’autre les opérations contenues dans un microprogramme stocké en mémoire (la mémoire FLASH). On peut le voir sur le schéma (en jaune ci-dessous), il est essentiellement composé de l’ « ALU » (Unité Arithmétique et Logique) qui effectue les opérations sur les donnés, le registre de travail « W reg. », le multiplexeur « MUX », le registre de statut « status reg », le registre « FSR reg » utilisé pour l’adressage indirect (en assembleur…), le multiplexeur d’adresse « Addr mux », le compteur programme « Program Counter » qui pointe les instructions à exécuter, la pile à 8 niveaux « 8 level Stack », le registre d’instruction « Instruction reg », ainsi que les différents bus qui relient tous ces éléments entre eux. 13 DATA Bus 8 PORTA Program Counter RA0 / AN0 FLASH RA1 / AN1 RA2 / AN2 / Vref- Program Memory RAM RA3 / AN3 / Vref+ 8 Level Stack ( 13-bit ) File RA4 / T0CKl Registers RA5 / AN4 / SS Program 14 PORTB Bus RAM Addr (1) 9 RB0 / INT Addr MUX RB1 Instruction reg RB2 Direct Addr 7 Indirect 8 RB3 / PGM Addr RB4 FSR reg RB5 RB6 / PGC STATUS reg RB7 / PGD 8 PORTC RC0 / T1OSO / T1CKL 3 MUX Power-up RC1 / T1OSI / CCP2 Timer RC2 / CCP1 Instruction RC3 / SCK / SCL Oscillator Decode & Start-up Timer RC4 / SDI / SDA ALU Control RC5 / SD0 Power-on RC6 / TX / CK Reset 8 RC7 / RX / DT Timing Watchdog W reg Generation Timer PORTD OSC1 / CLKIN Brown-out RD0 / PSP0 OSC2 / CLKOUT Reset RD1 / PSP1 In-Circuit RD2 / PSP2 Debugger RD3 / PSP3 Low-Voltage RD4 / PSP4 Programming Parallel Slave Port RD5 / PSP5 RD6 / PSP6 RD7 / PSP7 PORTE MCLR VDD, Vss RE0 / AN5 / RD RE1 / AN6 / WR RE2 / AN7 / CS Timer0 Timer1 Timer2 10-bit A/D Synchronous Data EEPROM CCP1,2 USART Serial Port Note 1 : High order bits are from the STATUS register -9-
  • 10.
    On n’entrera pasici dans les détails du fonctionnement d’un microprocesseur ; c’est très intéressant à connaître, indispensable même si on programme en assembleur. Mais en ce qui nous concerne, on veut programmer en C, et c’est donc le compilateur qui se chargera de traduire notre code source en instructions de bas- niveau pour le microprocesseur contenu dans le PIC. C’est là le principal avantage de la programmation en C : on prend du recul par rapport au fonctionnement intime du système. On se concentre d’avantage sur « ce que fait le programme » que sur « comment fonctionne le programme ». On va tout de même jeter un petit coup d’œil sur le schéma ci-dessus, histoire de comprendre quelques particularités du PIC, déroutantes au premier abord. On s’aperçoit que les bus autour de l’ALU ont un format de 8 bits : le PIC 16F877 travaille sur des données de 8 bits, c’est donc bien un microcontrôleur 8 bits ! (logique…). Pourquoi donc ce cas le « Program Bus » est-il, lui, large de 14 bits ? C’est simple, certaines instructions peuvent être codées sur plus de 8 bits. Si ce bus n’était large que de 8 bits, il faudrait plus d’un cycle d’horloge pour transmettre ces instructions, alors qu’avec un bus plus large, ça passe en une fois. De plus, la mémoire programme, indépendante du bus de données, est elle-même adressée avec un bus large : le « Program Counter », qui pointe sur l’instruction en cours, à une largeur de 13 bits. Et avec 13 bits on peut coder environ 8000 adresses. Autrement dit, on à 8000 cases de mémoire programme pouvant contenir chacune 1 instruction complète. Cette architecture avec bus de données et de programme séparés (architecture « Harvard ») permet donc d’optimiser le fonctionnement du PIC. La plupart du temps, votre PIC exécute une instruction et charge la suivante simultanément en un seul cycle d’horloge. En comparaison, un microcontrôleur 8 bits construit selon l’architecture concurrente « Von Neumann » (mémoire programme et données reliés au microprocesseur par un unique bus 8 bits) devra faire plusieurs cycles pour chercher les instructions en mémoire (en plusieurs fois si c’est une instruction longues) et les exécuter ensuite. En conséquence, à fréquence d’horloge égales, un microprocesseur « Harvard » sera plus rapide qu’un « Von Neumann ». - 10 -
  • 11.
    La mémoire Sur lePIC, il n’y a pas une mais trois mémoires : 13 DATA Bus 8 PORTA Program Counter RA0 / AN0 FLASH RA1 / AN1 RA2 / AN2 / Vref- Program Memory RAM RA3 / AN3 / Vref+ 8 Level Stack ( 13-bit ) File RA4 / T0CKl Registers RA5 / AN4 / SS Program 14 PORTB Bus RAM Addr (1) 9 RB0 / INT Addr MUX RB1 Instruction reg RB2 Direct Addr 7 Indirect 8 RB3 / PGM Addr RB4 FSR reg RB5 RB6 / PGC STATUS reg RB7 / PGD 8 PORTC RC0 / T1OSO / T1CKL 3 MUX Power-up RC1 / T1OSI / CCP2 Timer RC2 / CCP1 Instruction RC3 / SCK / SCL Oscillator Decode & Start-up Timer RC4 / SDI / SDA ALU Control RC5 / SD0 Power-on RC6 / TX / CK Reset 8 RC7 / RX / DT Timing Watchdog W reg Generation Timer PORTD OSC1 / CLKIN Brown-out RD0 / PSP0 OSC2 / CLKOUT Reset RD1 / PSP1 In-Circuit RD2 / PSP2 Debugger RD3 / PSP3 Low-Voltage RD4 / PSP4 Programming Parallel Slave Port RD5 / PSP5 RD6 / PSP6 RD7 / PSP7 PORTE MCLR VDD, Vss RE0 / AN5 / RD RE1 / AN6 / WR RE2 / AN7 / CS Timer0 Timer1 Timer2 10-bit A/D Synchronous Data EEPROM CCP1,2 USART Serial Port Note 1 : High order bits are from the STATUS register La Mémoire Programme, de type FLASH sur le 16F877. Capacité : 8K. C’est dans celle-ci qu’est stocké le programme du PIC. Après compilation de votre code, le compilateur génère un fichier « .hex », une suite de codes hexadécimaux. Celui-ci est transféré ensuite dans la mémoire programme du PIC à l’aide du programmateur. Cette mémoire n’est pas reliée au bus de données (DATA Bus), sa vocation est de stocker le programme du PIC, mais PAS les variables de votre programme. Le gros avantage de la mémoire FLASH c’est que vous pouvez la réécrire, donc implanter un nouveau programme dans le PIC. Les PIC existent également avec d’autres versions de mémoire programme (non-FLASH), certaines ne pouvant être programmée qu’une seule fois. - 11 -
  • 12.
    La Mémoire RAM,qui fait partie de la zone d’adressage des données. Elle comprend tous les registres spéciaux permettant de contrôler le cœur du PIC ainsi que ses périphériques. Elle contient également des cases mémoires à usage générique dans lesquelles pourront être stockées les variables de nos futurs programmes. La Mémoire EEPROM. L’EEPROM est plutôt une mémoire de stockage de données à long terme, alors que la RAM est utilisée pour les variables du programme. Sur le PIC 16F877, on a 256 octets d’EEPROM disponible. Les mémoires de type EEPROM sont limitées en nombre de cycles d’effacement / écriture. Ce nombre de cycle est tout de même de l’ordre du million pour le PIC, mais si on l’utilisait pour stocker des variables modifiées plusieurs milliers de fois par secondes, cette limite pourrais être atteinte plus vite qu’on ne le croît. Par contre, pour stocker toute les heures une mesure de température, c’est tout bon ! - 12 -
  • 13.
    La Pile etle Compteur Programme On les a déjà évoqués dans le paragraphe « le cœur du PIC : le microprocesseur », mais puisqu’on vient de parler de la mémoire, une petite remarque s’impose. 13 DATA Bus 8 PORTA Program Counter RA0 / AN0 FLASH RA1 / AN1 RA2 / AN2 / Vref- Program Memory RAM RA3 / AN3 / Vref+ 8 Level Stack ( 13-bit ) File RA4 / T0CKl Registers RA5 / AN4 / SS Program 14 PORTB Bus RAM Addr (1) 9 RB0 / INT Addr MUX RB1 Instruction reg RB2 Direct Addr 7 Indirect 8 RB3 / PGM Addr RB4 FSR reg RB5 RB6 / PGC STATUS reg RB7 / PGD 8 PORTC RC0 / T1OSO / T1CKL 3 MUX Power-up RC1 / T1OSI / CCP2 Timer RC2 / CCP1 Instruction RC3 / SCK / SCL Oscillator Decode & Start-up Timer RC4 / SDI / SDA ALU Control RC5 / SD0 Power-on RC6 / TX / CK Reset 8 RC7 / RX / DT Timing Watchdog W reg Generation Timer PORTD OSC1 / CLKIN Brown-out RD0 / PSP0 OSC2 / CLKOUT Reset RD1 / PSP1 In-Circuit RD2 / PSP2 Debugger RD3 / PSP3 Low-Voltage RD4 / PSP4 Programming Parallel Slave Port RD5 / PSP5 RD6 / PSP6 RD7 / PSP7 PORTE MCLR VDD, Vss RE0 / AN5 / RD RE1 / AN6 / WR RE2 / AN7 / CS Timer0 Timer1 Timer2 10-bit A/D Synchronous Data EEPROM CCP1,2 USART Serial Port Note 1 : High order bits are from the STATUS register - 13 -
  • 14.
    Le « ProgramCounter » ou PC est le compteur qui pointe dans la mémoire programme la prochaine instruction à exécuter. Il est lié à la pile système (Pile = Stack en anglais) qui est sur le PIC 16F877 une pile 8 niveaux. Qu’est ce que cela signifie ? Simplement qu’on peut avoir jusqu'à 8 niveaux d’imbrication d’appels de sous-programme ou fonctions. Ce point est surtout critique pour la programmation en assembleur : un sous-programme peut appeler un autre sous-programme qui appelle à son tour un autre sous-programme… jusqu’à une « profondeur » de 8. Au-delà, c’est la cata : votre programme est buggé et va faire n’importe quoi, étant donné que le PIC ne peut « dépiler » que 8 niveaux. Le Compteur Programme n’arrivera pas à revenir à la racine des appels. La programmation en C apporte là un peu de souplesse : un bon compilateur veillera pour vous à ce que la limite de 8 niveaux ne soit pas dépassée, quitte à recopier localement une fonction pour éviter un saut à l’adresse mémoire où cette fonction est déjà présente. Au détriment donc de l’occupation en mémoire. Ainsi, mieux vaut-il éviter de créer trop de niveaux d’imbrication d’appels de fonctions dans nos programmes. - 14 -
  • 15.
    Les Ports d’Entrées/Sortiesgénéraux : PORTA, PORTB, PORTC, PORTD, PORTE 13 DATA Bus 8 PORTA Program Counter RA0 / AN0 FLASH RA1 / AN1 RA2 / AN2 / Vref- Program Memory RAM RA3 / AN3 / Vref+ 8 Level Stack ( 13-bit ) File RA4 / T0CKl Registers RA5 / AN4 / SS Program 14 PORTB Bus RAM Addr (1) 9 RB0 / INT Addr MUX RB1 Instruction reg RB2 Direct Addr 7 Indirect 8 RB3 / PGM Addr RB4 FSR reg RB5 RB6 / PGC STATUS reg RB7 / PGD 8 PORTC RC0 / T1OSO / T1CKL 3 MUX Power-up RC1 / T1OSI / CCP2 Timer RC2 / CCP1 Instruction RC3 / SCK / SCL Oscillator Decode & Start-up Timer RC4 / SDI / SDA ALU Control RC5 / SD0 Power-on RC6 / TX / CK Reset 8 RC7 / RX / DT Timing Watchdog W reg Generation Timer PORTD OSC1 / CLKIN Brown-out RD0 / PSP0 OSC2 / CLKOUT Reset RD1 / PSP1 In-Circuit RD2 / PSP2 Debugger RD3 / PSP3 Low-Voltage RD4 / PSP4 Programming Parallel Slave Port RD5 / PSP5 RD6 / PSP6 RD7 / PSP7 PORTE MCLR VDD, Vss RE0 / AN5 / RD RE1 / AN6 / WR RE2 / AN7 / CS Timer0 Timer1 Timer2 10-bit A/D Synchronous Data EEPROM CCP1,2 USART Serial Port Note 1 : High order bits are from the STATUS register - 15 -
  • 16.
    Le PIC 16F877est généreusement doté de 5 ports, ce qui est plutôt confortable. Un examen plus attentif du schéma ci-dessus nous montre cependant que les lignes d’entrées/sorties (les pattes du composant) correspondantes sont également utilisées par d’autres modules du PIC. Ainsi, les pattes du PORTA servent également au convertisseur Analogique/Numérique, les pattes du PORTD au Port Parallèle Esclave, etc. Il faudra faire des choix au moment de la conception du schéma électronique ! On voit également que les ports B, C et D ont 8 lignes d’entrée/sortie, alors que le port A n’en a que 6 et le port E que 3. Ils sont tous connectés au bus de donnée (DATA BUS), on pourra donc librement les adresser pour y lire ou écrire des données, et donc allumer des LED, commander des moteurs pas à pas, des afficheurs LCD, lire les données envoyées par un clavier ou un bouton poussoir… On peut configurer les entrées/sorties de chaque port en entrée ou en sortie, grâce à un registre spécial dédié à chaque port. De plus, un des ports (le port B) possède des résistances de « pull-up » internes qui peuvent êtres validées ou non par logiciel. - 16 -
  • 17.
    Le Port ParallèleEsclave (PSP : Parallel Slave Port) 13 DATA Bus 8 PORTA Program Counter RA0 / AN0 FLASH RA1 / AN1 RA2 / AN2 / Vref- Program Memory RAM RA3 / AN3 / Vref+ 8 Level Stack ( 13-bit ) File RA4 / T0CKl Registers RA5 / AN4 / SS Program 14 PORTB Bus RAM Addr (1) 9 RB0 / INT Addr MUX RB1 Instruction reg RB2 Direct Addr 7 Indirect 8 RB3 / PGM Addr RB4 FSR reg RB5 RB6 / PGC STATUS reg RB7 / PGD 8 PORTC RC0 / T1OSO / T1CKL 3 MUX Power-up RC1 / T1OSI / CCP2 Timer RC2 / CCP1 Instruction RC3 / SCK / SCL Oscillator Decode & Start-up Timer RC4 / SDI / SDA ALU Control RC5 / SD0 Power-on RC6 / TX / CK Reset 8 RC7 / RX / DT Timing Watchdog W reg Generation Timer PORTD OSC1 / CLKIN Brown-out RD0 / PSP0 OSC2 / CLKOUT Reset RD1 / PSP1 In-Circuit RD2 / PSP2 Debugger RD3 / PSP3 Low-Voltage RD4 / PSP4 Programming Parallel Slave Port RD5 / PSP5 RD6 / PSP6 RD7 / PSP7 PORTE MCLR VDD, Vss RE0 / AN5 / RD RE1 / AN6 / WR RE2 / AN7 / CS Timer0 Timer1 Timer2 10-bit A/D Synchronous Data EEPROM CCP1,2 USART Serial Port Note 1 : High order bits are from the STATUS register Le Port Parallèle Esclave est un port 8 bits permettant d’interfacer le PIC avec, par exemple, un autre microprocesseur. Les données transitent via les lignes PSP0 à PSP7, qui physiquement utilisent les mêmes broches que le PORTD. Le flux de données est contrôlé par les lignes RD, WR et CS qui correspondent aux broches du PORTE. C’est le microprocesseur externe qui est le chef d’orchestre : il valide notre PIC par la ligne CS (Chip Select), et indique au PIC s’il lit ou écrit grâce aux lignes RD (Read) et WR (Write). D’où l’appellation de port parallèle ESCLAVE. Esclave, puisque c’est le microprocesseur externe qui donne les ordres, notre PIC ne fait qu’exécuter. - 17 -
  • 18.
    Le circuit degénération d’horloge 13 DATA Bus 8 PORTA Program Counter RA0 / AN0 FLASH RA1 / AN1 RA2 / AN2 / Vref- Program Memory RAM RA3 / AN3 / Vref+ 8 Level Stack ( 13-bit ) File RA4 / T0CKl Registers RA5 / AN4 / SS Program 14 PORTB Bus RAM Addr (1) 9 RB0 / INT Addr MUX RB1 Instruction reg RB2 Direct Addr 7 Indirect 8 RB3 / PGM Addr RB4 FSR reg RB5 RB6 / PGC STATUS reg RB7 / PGD 8 PORTC RC0 / T1OSO / T1CKL 3 MUX Power-up RC1 / T1OSI / CCP2 Timer RC2 / CCP1 Instruction RC3 / SCK / SCL Oscillator Decode & Start-up Timer RC4 / SDI / SDA ALU Control RC5 / SD0 Power-on RC6 / TX / CK Reset 8 RC7 / RX / DT Timing Watchdog W reg Generation Timer PORTD OSC1 / CLKIN Brown-out RD0 / PSP0 OSC2 / CLKOUT Reset RD1 / PSP1 In-Circuit RD2 / PSP2 Debugger RD3 / PSP3 Low-Voltage RD4 / PSP4 Programming Parallel Slave Port RD5 / PSP5 RD6 / PSP6 RD7 / PSP7 PORTE MCLR VDD, Vss RE0 / AN5 / RD RE1 / AN6 / WR RE2 / AN7 / CS Timer0 Timer1 Timer2 10-bit A/D Synchronous Data EEPROM CCP1,2 USART Serial Port Note 1 : High order bits are from the STATUS register Pour faire battre le cœur de notre PIC, on a besoin d’un circuit de génération d’horloge. Avec les PIC « Mid Range », plusieurs options possibles : circuit RC (résistance + condensateur), ou circuit résonateur céramique, ou oscillateur à quartz... Le mode de fonctionnement est déterminé au moment de la programmation du PIC par des « bits de configuration » qui sont en fait des emplacements de mémoire non-volatile. Pour générer un « cycle d’instruction », il faut 4 cycles d’horloge. Autrement dit, si votre quartz bat à 20 MHz, les instructions du programme s’exécutent à une cadence de 5 MHz. - 18 -
  • 19.
    Le TIMER0 13 DATA Bus 8 PORTA Program Counter RA0 / AN0 FLASH RA1 / AN1 RA2 / AN2 / Vref- Program Memory RAM RA3 / AN3 / Vref+ 8 Level Stack ( 13-bit ) File RA4 / T0CKl Registers RA5 / AN4 / SS Program 14 PORTB Bus RAM Addr (1) 9 RB0 / INT Addr MUX RB1 Instruction reg RB2 Direct Addr 7 Indirect 8 RB3 / PGM Addr RB4 FSR reg RB5 RB6 / PGC STATUS reg RB7 / PGD 8 PORTC RC0 / T1OSO / T1CKL 3 MUX Power-up RC1 / T1OSI / CCP2 Timer RC2 / CCP1 Instruction RC3 / SCK / SCL Oscillator Decode & Start-up Timer RC4 / SDI / SDA ALU Control RC5 / SD0 Power-on RC6 / TX / CK Reset 8 RC7 / RX / DT Timing Watchdog W reg Generation Timer PORTD OSC1 / CLKIN Brown-out RD0 / PSP0 OSC2 / CLKOUT Reset RD1 / PSP1 In-Circuit RD2 / PSP2 Debugger RD3 / PSP3 Low-Voltage RD4 / PSP4 Programming Parallel Slave Port RD5 / PSP5 RD6 / PSP6 RD7 / PSP7 PORTE MCLR VDD, Vss RE0 / AN5 / RD RE1 / AN6 / WR RE2 / AN7 / CS Timer0 Timer1 Timer2 10-bit A/D Synchronous Data EEPROM CCP1,2 USART Serial Port Note 1 : High order bits are from the STATUS register Dans le passé, le Timer0 s’appelait RTCC. C’est un compteur 8 bits (0 à 255) simple, qui compte des impulsions soit internes, soit d’une source externe. On peut par ailleurs lui appliquer une pré-division programmable entre 1 et 256. On peut librement lire ou écrire dans le registre de comptage associé. On peut donc le pré charger avec une valeur, à partir de laquelle il comptera jusqu’à atteindre 255. Une fois le registre de comptage plein, il peut générer une interruption. Étant donné qu’une fois configuré il fonctionne quasi-indépendamment du microprocesseur, on pourra s’en servir comme base de temps. - 19 -
  • 20.
    Le TIMER1 13 DATA Bus 8 PORTA Program Counter RA0 / AN0 FLASH RA1 / AN1 RA2 / AN2 / Vref- Program Memory RAM RA3 / AN3 / Vref+ 8 Level Stack ( 13-bit ) File RA4 / T0CKl Registers RA5 / AN4 / SS Program 14 PORTB Bus RAM Addr (1) 9 RB0 / INT Addr MUX RB1 Instruction reg RB2 Direct Addr 7 Indirect 8 RB3 / PGM Addr RB4 FSR reg RB5 RB6 / PGC STATUS reg RB7 / PGD 8 PORTC RC0 / T1OSO / T1CKL 3 MUX Power-up RC1 / T1OSI / CCP2 Timer RC2 / CCP1 Instruction RC3 / SCK / SCL Oscillator Decode & Start-up Timer RC4 / SDI / SDA ALU Control RC5 / SD0 Power-on RC6 / TX / CK Reset 8 RC7 / RX / DT Timing Watchdog W reg Generation Timer PORTD OSC1 / CLKIN Brown-out RD0 / PSP0 OSC2 / CLKOUT Reset RD1 / PSP1 In-Circuit RD2 / PSP2 Debugger RD3 / PSP3 Low-Voltage RD4 / PSP4 Programming Parallel Slave Port RD5 / PSP5 RD6 / PSP6 RD7 / PSP7 PORTE MCLR VDD, Vss RE0 / AN5 / RD RE1 / AN6 / WR RE2 / AN7 / CS Timer0 Timer1 Timer2 10-bit A/D Synchronous Data EEPROM CCP1,2 USART Serial Port Note 1 : High order bits are from the STATUS register - 20 -
  • 21.
    Le Timer1 fonctionnesur le même principe que le Timer0, mais avec un registre de comptage plus gros : 16 bits au lieu de 8, ce qui étend notablement ces capacités de comptage. De plus, il possède un mode de fonctionnement particulier : on peut l’utiliser en association avec un des modules CCP (modules de capture et de comparaison, voir plus loin). Voyons rapidement le mode « capture » : lorsqu’un événement survient sur l’entrée du module CCP, la valeur du Timer1 est lue. Comme on connaît la fréquence de comptage, on peut en quelque sorte « chronométrer » la survenue d’un événement. Exemple : si l’entrée du module CCP est reliée à un capteur qui délivre une impulsion à chaque tour de l’arbre d’un moteur, la valeur contenue dans le registre du Timer1 au moment de l’impulsion est le reflet de la vitesse de rotation. Voyons maintenant le mode « comparaison » : Le Timer1 compte en continu, et une interruption est générée chaque fois que la valeur du compteur est égale à celle qu’on aura pré chargée dans le registre de comparaison. On peut s’en servir pour, par exemple, générer un signal carré. - 21 -
  • 22.
    Le TIMER2 13 DATA Bus 8 PORTA Program Counter RA0 / AN0 FLASH RA1 / AN1 RA2 / AN2 / Vref- Program Memory RAM RA3 / AN3 / Vref+ 8 Level Stack ( 13-bit ) File RA4 / T0CKl Registers RA5 / AN4 / SS Program 14 PORTB Bus RAM Addr (1) 9 RB0 / INT Addr MUX RB1 Instruction reg RB2 Direct Addr 7 Indirect 8 RB3 / PGM Addr RB4 FSR reg RB5 RB6 / PGC STATUS reg RB7 / PGD 8 PORTC RC0 / T1OSO / T1CKL 3 MUX Power-up RC1 / T1OSI / CCP2 Timer RC2 / CCP1 Instruction RC3 / SCK / SCL Oscillator Decode & Start-up Timer RC4 / SDI / SDA ALU Control RC5 / SD0 Power-on RC6 / TX / CK Reset 8 RC7 / RX / DT Timing Watchdog W reg Generation Timer PORTD OSC1 / CLKIN Brown-out RD0 / PSP0 OSC2 / CLKOUT Reset RD1 / PSP1 In-Circuit RD2 / PSP2 Debugger RD3 / PSP3 Low-Voltage RD4 / PSP4 Programming Parallel Slave Port RD5 / PSP5 RD6 / PSP6 RD7 / PSP7 PORTE MCLR VDD, Vss RE0 / AN5 / RD RE1 / AN6 / WR RE2 / AN7 / CS Timer0 Timer1 Timer2 10-bit A/D Synchronous Data EEPROM CCP1,2 USART Serial Port Note 1 : High order bits are from the STATUS register Le Timer2 a un fonctionnement différent des Timer0 et Timer1. C’est un compteur 8 bits avec pré-diviseur et post-diviseur. On s’en sert pour générer des signaux carrés, ou, en association avec le module CCP, des signaux PWM. PWM étant l’acronyme de « Pulse Width Modulation » ou, en français, Modulation de Largeur d’Impulsion (MLI). - 22 -
  • 23.
    Les modules CCP1et CCP2 13 DATA Bus 8 PORTA Program Counter RA0 / AN0 FLASH RA1 / AN1 RA2 / AN2 / Vref- Program Memory RAM RA3 / AN3 / Vref+ 8 Level Stack ( 13-bit ) File RA4 / T0CKl Registers RA5 / AN4 / SS Program 14 PORTB Bus RAM Addr (1) 9 RB0 / INT Addr MUX RB1 Instruction reg RB2 Direct Addr 7 Indirect 8 RB3 / PGM Addr RB4 FSR reg RB5 RB6 / PGC STATUS reg RB7 / PGD 8 PORTC RC0 / T1OSO / T1CKL 3 MUX Power-up RC1 / T1OSI / CCP2 Timer RC2 / CCP1 Instruction RC3 / SCK / SCL Oscillator Decode & Start-up Timer RC4 / SDI / SDA ALU Control RC5 / SD0 Power-on RC6 / TX / CK Reset 8 RC7 / RX / DT Timing Watchdog W reg Generation Timer PORTD OSC1 / CLKIN Brown-out RD0 / PSP0 OSC2 / CLKOUT Reset RD1 / PSP1 In-Circuit RD2 / PSP2 Debugger RD3 / PSP3 Low-Voltage RD4 / PSP4 Programming Parallel Slave Port RD5 / PSP5 RD6 / PSP6 RD7 / PSP7 PORTE MCLR VDD, Vss RE0 / AN5 / RD RE1 / AN6 / WR RE2 / AN7 / CS Timer0 Timer1 Timer2 10-bit A/D Synchronous Data EEPROM CCP1,2 USART Serial Port Note 1 : High order bits are from the STATUS register - 23 -
  • 24.
    On en aparlé au moment de voir les Timer1 et Timer2 ; on a deux modules CCP sur le PIC. CCP pour « Capture, Compare, PWM ». En association avec les deux timers, ils vont nous permettre de générer des signaux à modulation de largeur d’impulsion (PWM) pour, par exemple, faire varier la vitesse d’un moteur à courant continu, réguler le courant (et donc la luminosité) dans une ampoule… Ils vont également nous permettre de comparer l’occurrence d’un signal en entrée avec la valeur du compteur Timer1, réalisant ainsi un chronométrage de l’événement en question (par exemple : indication de la fréquence de rotation d’un moteur). Ils vont encore nous permettre de générer des signaux carrés, et cela de manière quasi-indépendante du reste du microcontrôleur qui pourra continuer à vaquer à ses occupations. - 24 -
  • 25.
    Le convertisseur Analogique– Digital 10bits : 13 DATA Bus 8 PORTA Program Counter RA0 / AN0 FLASH RA1 / AN1 RA2 / AN2 / Vref- Program Memory RAM RA3 / AN3 / Vref+ 8 Level Stack ( 13-bit ) File RA4 / T0CKl Registers RA5 / AN4 / SS Program 14 PORTB Bus RAM Addr (1) 9 RB0 / INT Addr MUX RB1 Instruction reg RB2 Direct Addr 7 Indirect 8 RB3 / PGM Addr RB4 FSR reg RB5 RB6 / PGC STATUS reg RB7 / PGD 8 PORTC RC0 / T1OSO / T1CKL 3 MUX Power-up RC1 / T1OSI / CCP2 Timer RC2 / CCP1 Instruction RC3 / SCK / SCL Oscillator Decode & Start-up Timer RC4 / SDI / SDA ALU Control RC5 / SD0 Power-on RC6 / TX / CK Reset 8 RC7 / RX / DT Timing Watchdog W reg Generation Timer PORTD OSC1 / CLKIN Brown-out RD0 / PSP0 OSC2 / CLKOUT Reset RD1 / PSP1 In-Circuit RD2 / PSP2 Debugger RD3 / PSP3 Low-Voltage RD4 / PSP4 Programming Parallel Slave Port RD5 / PSP5 RD6 / PSP6 RD7 / PSP7 PORTE MCLR VDD, Vss RE0 / AN5 / RD RE1 / AN6 / WR RE2 / AN7 / CS Timer0 Timer1 Timer2 10-bit A/D Synchronous Data EEPROM CCP1,2 USART Serial Port Note 1 : High order bits are from the STATUS register - 25 -
  • 26.
    Le convertisseur A/Dconvertit le signal analogique présent sur une de ses 8 entrées en son équivalent numérique, codé sur 10 bits. Les pattes AN2 et AN3 peuvent être utilisées comme références de tension ou comme entrées analogiques standard, les références de tension étant dans ce dernier cas prises sur les tensions d’alimentations du PIC : VDD et VSS. (VDD pour le + et VSS pour le -). On peut donc numériser jusqu’à 8 signaux analogiques. Pas tous en même temps, bien sûr, étant donné qu’il n’y a qu’un seul module de conversion pour 8 signaux d’entrée multiplexés. Mais si vos signaux n’évoluent pas trop vite (fréquence basse), vous pouvez numériser le signal sur la patte AN0, puis celui sur AN1… Les paramètres important dont il faudra tenir compte sont : • La résolution du convertisseur. Ici 10 bits, donc meilleur qu’un convertisseur 8 bits, mais moins précis qu’un 12 bits… • Le temps de conversion. • La rapidité d’évolution des signaux présents sur les entrées (leur fréquence pour des signaux périodiques). • Le nombre de signaux à numériser. En effet, pour un signal périodique, la fréquence d’échantillonnage doit être au moins deux fois supérieure à la fréquence du signal ; mais ça tout le monde le sait déjà, non ? - 26 -
  • 27.
    L’USART 13 DATA Bus 8 PORTA Program Counter RA0 / AN0 FLASH RA1 / AN1 RA2 / AN2 / Vref- Program Memory RAM RA3 / AN3 / Vref+ 8 Level Stack ( 13-bit ) File RA4 / T0CKl Registers RA5 / AN4 / SS Program 14 PORTB Bus RAM Addr (1) 9 RB0 / INT Addr MUX RB1 Instruction reg RB2 Direct Addr 7 Indirect 8 RB3 / PGM Addr RB4 FSR reg RB5 RB6 / PGC STATUS reg RB7 / PGD 8 PORTC RC0 / T1OSO / T1CKL 3 MUX Power-up RC1 / T1OSI / CCP2 Timer RC2 / CCP1 Instruction RC3 / SCK / SCL Oscillator Decode & Start-up Timer RC4 / SDI / SDA ALU Control RC5 / SD0 Power-on RC6 / TX / CK Reset 8 RC7 / RX / DT Timing Watchdog W reg Generation Timer PORTD OSC1 / CLKIN Brown-out RD0 / PSP0 OSC2 / CLKOUT Reset RD1 / PSP1 In-Circuit RD2 / PSP2 Debugger RD3 / PSP3 Low-Voltage RD4 / PSP4 Programming Parallel Slave Port RD5 / PSP5 RD6 / PSP6 RD7 / PSP7 PORTE MCLR VDD, Vss RE0 / AN5 / RD RE1 / AN6 / WR RE2 / AN7 / CS Timer0 Timer1 Timer2 10-bit A/D Synchronous Data EEPROM CCP1,2 USART Serial Port Note 1 : High order bits are from the STATUS register - 27 -
  • 28.
    L’USART ou UniversalSynchronous Asynchronous Receiver Transmitter est l’un des deux modules de communication série du PIC ou SCI en anglais (Serial Communication Interface). Comme son nom l’indique, elle peut établir une liaison synchrone ou asynchrone, recevoir et transmettre des données, selon la manière dont elle est configurée. C’est son côté « je peux tout faire » qui lui vaut l’attribut « Universal ». Concrètement, l’USART permet de communiquer avec le reste du monde : un ordinateur ou tout autre matériel équipé d’une interface série RS232, des circuits intégrés convertisseurs Numérique/Analogique ou Analogique/Numérique, des EEPROMs série… L’USART peut être configurée selon 3 modes : • Asynchrone (Full Duplex) • Synchrone Maître (Half Duplex) • Synchrone Esclave (Half Duplex) - 28 -
  • 29.
    Le SSP, SynchronousSerial Port 13 DATA Bus 8 PORTA Program Counter RA0 / AN0 FLASH RA1 / AN1 RA2 / AN2 / Vref- Program Memory RAM RA3 / AN3 / Vref+ 8 Level Stack ( 13-bit ) File RA4 / T0CKl Registers RA5 / AN4 / SS Program 14 PORTB Bus RAM Addr (1) 9 RB0 / INT Addr MUX RB1 Instruction reg RB2 Direct Addr 7 Indirect 8 RB3 / PGM Addr RB4 FSR reg RB5 RB6 / PGC STATUS reg RB7 / PGD 8 PORTC RC0 / T1OSO / T1CKL 3 MUX Power-up RC1 / T1OSI / CCP2 Timer RC2 / CCP1 Instruction RC3 / SCK / SCL Oscillator Decode & Start-up Timer RC4 / SDI / SDA ALU Control RC5 / SD0 Power-on RC6 / TX / CK Reset 8 RC7 / RX / DT Timing Watchdog W reg Generation Timer PORTD OSC1 / CLKIN Brown-out RD0 / PSP0 OSC2 / CLKOUT Reset RD1 / PSP1 In-Circuit RD2 / PSP2 Debugger RD3 / PSP3 Low-Voltage RD4 / PSP4 Programming Parallel Slave Port RD5 / PSP5 RD6 / PSP6 RD7 / PSP7 PORTE MCLR VDD, Vss RE0 / AN5 / RD RE1 / AN6 / WR RE2 / AN7 / CS Timer0 Timer1 Timer2 10-bit A/D Synchronous Data EEPROM CCP1,2 USART Serial Port Note 1 : High order bits are from the STATUS register - 29 -
  • 30.
    Le module SSPest la deuxième interface de communication série du PIC. En fait, il s’agit d’un port Maître, donc l’appellation exacte est plutôt MSSP pour « Master Synchronous Serial Port ». Il est utile pour communiquer avec d’autres modules ou microcontrôleurs, des EEPROMs séries, des registres à décalage, des afficheurs, des convertisseurs A/N ou N/A… Il peut fonctionner dans deux modes de communication : • Le mode SPI (Serial Peripheral Interface) • Le mode I²C (Inter-Integrated Circuit) L’utilisation de l’un de ces deux modules de communication, USART ou MSSP dépend donc essentiellement du protocole de communication nécessaire. Schématiquement, l’USART est bien adaptée pour communiquer avec le reste de l’univers via la célèbre interface RS232 alors que le MSSP permet de communiquer aisément avec d’autres composants électroniques à interface série. Une dernière remarque par rapport aux interfaces de communication : certains PIC (mais pas le 16F877) intègrent une interface USB ou un module de communication Ethernet. - 30 -
  • 31.
    La logique deRESET 13 DATA Bus 8 PORTA Program Counter RA0 / AN0 FLASH RA1 / AN1 RA2 / AN2 / Vref- Program Memory RAM RA3 / AN3 / Vref+ 8 Level Stack ( 13-bit ) File RA4 / T0CKl Registers RA5 / AN4 / SS Program 14 PORTB Bus RAM Addr (1) 9 RB0 / INT Addr MUX RB1 Instruction reg RB2 Direct Addr 7 Indirect 8 RB3 / PGM Addr RB4 FSR reg RB5 RB6 / PGC STATUS reg RB7 / PGD 8 PORTC RC0 / T1OSO / T1CKL 3 MUX Power-up RC1 / T1OSI / CCP2 Timer RC2 / CCP1 Instruction RC3 / SCK / SCL Oscillator Decode & Start-up Timer RC4 / SDI / SDA ALU Control RC5 / SD0 Power-on RC6 / TX / CK Reset 8 RC7 / RX / DT Timing Watchdog W reg Generation Timer PORTD OSC1 / CLKIN Brown-out RD0 / PSP0 OSC2 / CLKOUT Reset RD1 / PSP1 In-Circuit RD2 / PSP2 Debugger RD3 / PSP3 Low-Voltage RD4 / PSP4 Programming Parallel Slave Port RD5 / PSP5 RD6 / PSP6 RD7 / PSP7 PORTE MCLR VDD, Vss RE0 / AN5 / RD RE1 / AN6 / WR RE2 / AN7 / CS Timer0 Timer1 Timer2 10-bit A/D Synchronous Data EEPROM CCP1,2 USART Serial Port Note 1 : High order bits are from the STATUS register - 31 -
  • 32.
    La logique dereset comprend plusieurs modules : • Le POWER-UP TIMER : c’est une temporisation au démarrage. Lors d’un démarrage ou redémarrage suite à un reset, cette temporisation permet à la tension d’alimentation VDD d’atteindre une valeur suffisante et stable. On évite ainsi au PIC de subir les inévitables phénomènes transitoires à la mise sous tension. Cette temporisation fonctionne avec son propre circuit RC interne. • L’OSCILLATOR START UP TIMER : une fois la temporisation du Power-Up Timer écoulée, c’est au tour de l’Oscillator Start Up Timer de prendre le relais. Il s’agit d’une temporisation dont le but est de permettre au circuit de l’oscillateur de démarrer proprement. En effet, de la même manière que la tension d’alimentation met un certain temps à se stabiliser, l’oscillateur a besoin de temps pour démarrer et se stabiliser • Le POWER-ON RESET : à la mise sous tension, lorsque VDD est détecté, ce module génère une impulsion de reset, ce qui lance le Power-Up Timer et remet un certain nombre de registre du PIC dans un état déterminé. Habituellement on utilise un circuit externe à résistance / condensateur pour générer ce « pulse » de reset. Mais sur le PIC, à condition que l’apparition de la tension d’alimentation soit assez « énergique » vous pouvez vous passer de ce circuit RC. On ramène juste la tension d’alimentation à travers une résistance appropriée sur la patte « MCLR » (Memory CLeaR). • Le BROWN-OUT RESET : ce module surveille la tension d’alimentation. Si celle-ci descend en-dessous d’une valeur minimum pour laquelle le fonctionnement correct du PIC ne peut plus être assuré, le module Brown-Out Reset redémarre (reset) le PIC. • Le WATCHDOG TIMER : C’est le « Chien de garde » (watchdog en anglais) du PIC. S’il est utilisé, ce timer doit être périodiquement remis à zéro par le programme, car, s’il « déborde », il place le PIC en mode Reset. Ainsi, en cas de plantage de votre programme le PIC est redémarré automatiquement. - 32 -
  • 33.
    L’In-Circuit Debugger 13 DATA Bus 8 PORTA Program Counter RA0 / AN0 FLASH RA1 / AN1 RA2 / AN2 / Vref- Program Memory RAM RA3 / AN3 / Vref+ 8 Level Stack ( 13-bit ) File RA4 / T0CKl Registers RA5 / AN4 / SS Program 14 PORTB Bus RAM Addr (1) 9 RB0 / INT Addr MUX RB1 Instruction reg RB2 Direct Addr 7 Indirect 8 RB3 / PGM Addr RB4 FSR reg RB5 RB6 / PGC STATUS reg RB7 / PGD 8 PORTC RC0 / T1OSO / T1CKL 3 MUX Power-up RC1 / T1OSI / CCP2 Timer RC2 / CCP1 Instruction RC3 / SCK / SCL Oscillator Decode & Start-up Timer RC4 / SDI / SDA ALU Control RC5 / SD0 Power-on RC6 / TX / CK Reset 8 RC7 / RX / DT Timing Watchdog W reg Generation Timer PORTD OSC1 / CLKIN Brown-out RD0 / PSP0 OSC2 / CLKOUT Reset RD1 / PSP1 In-Circuit RD2 / PSP2 Debugger RD3 / PSP3 Low-Voltage RD4 / PSP4 Programming Parallel Slave Port RD5 / PSP5 RD6 / PSP6 RD7 / PSP7 PORTE MCLR VDD, Vss RE0 / AN5 / RD RE1 / AN6 / WR RE2 / AN7 / CS Timer0 Timer1 Timer2 10-bit A/D Synchronous Data EEPROM CCP1,2 USART Serial Port Note 1 : High order bits are from the STATUS register Ce module permet de simplifier la phase de débogage des programmes. Une fois activé, il donne accès à des fonctionnalités avancées de débogage. Celles-ci sont exploitées par le module ICD de MPLAB, l’environnement de développement intégré de Microchip. Vous pouvez alors suivre « en live » l’évolution de votre programme entrain de s’exécuter sur le PIC, poser des points d’arrêt, lire le contenu des registres, etc. - 33 -
  • 34.
    Low-Voltage Programming etICSP (In-Circuit Serial Programming) 13 DATA Bus 8 PORTA Program Counter RA0 / AN0 FLASH RA1 / AN1 RA2 / AN2 / Vref- Program Memory RAM RA3 / AN3 / Vref+ 8 Level Stack ( 13-bit ) File RA4 / T0CKl Registers RA5 / AN4 / SS Program 14 PORTB Bus RAM Addr (1) 9 RB0 / INT Addr MUX RB1 Instruction reg RB2 Direct Addr 7 Indirect 8 RB3 / PGM Addr RB4 FSR reg RB5 RB6 / PGC STATUS reg RB7 / PGD 8 PORTC RC0 / T1OSO / T1CKL 3 MUX Power-up RC1 / T1OSI / CCP2 Timer RC2 / CCP1 Instruction RC3 / SCK / SCL Oscillator Decode & Start-up Timer RC4 / SDI / SDA ALU Control RC5 / SD0 Power-on RC6 / TX / CK Reset 8 RC7 / RX / DT Timing Watchdog W reg Generation Timer PORTD OSC1 / CLKIN Brown-out RD0 / PSP0 OSC2 / CLKOUT Reset RD1 / PSP1 In-Circuit RD2 / PSP2 Debugger RD3 / PSP3 Low-Voltage RD4 / PSP4 Programming Parallel Slave Port RD5 / PSP5 RD6 / PSP6 RD7 / PSP7 PORTE MCLR VDD, Vss RE0 / AN5 / RD RE1 / AN6 / WR RE2 / AN7 / CS Timer0 Timer1 Timer2 10-bit A/D Synchronous Data EEPROM CCP1,2 USART Serial Port Note 1 : High order bits are from the STATUS register - 34 -
  • 35.
    A quoi peutbien servir ce module « Low-Voltage Programming » ? Tout d’abord, voyons comment le PIC est programmé habituellement. Contrairement à des modèles de microcontrôleurs plus anciens qui étaient programmés en « parallèle » (les octets étaient transférés dans la mémoire programme sur 8 lignes), les modèles récents de PIC se programment en série. C'est-à-dire que les octets sont transmis bits après bits sur un nombre restreint de lignes. Le grand avantage c’est qu’on peut, moyennant certaines précautions, programmer le PIC alors qu’il est déjà implanté sur le circuit imprimé de son application ! Pas besoin de le retirer de son support à chaque fois (en risquant de tordre des pattes) pour le placer sur le programmateur. C’est ce qu’on appelle l’ICSP : In-Circuit Serial Programming, ou autrement dit, en français, Programmation Série En Circuit. On programme le PIC déjà implanté, en mode de transfert série. Comment se passe la programmation ICSP ? - On alimente le PIC avec sa tension de programmation, généralement 13V - On utilise pour transférer le programme les lignes RB6 (qui devient l’horloge cadençant le transfert) et RB7 (pour transférer les données en écriture ou lecture). On à donc besoin d’une tension de programmation, plus élevée que la tension d’alimentation normale. C’est pour le cas standard, mais grâce au module « Low Voltage Programming », il y a moyen de faire la même chose en ayant pas besoin de la tension de programmation. Il y a également un autre moyen de programmer notre PIC : l’utilisation d’un Boot loader. Qu’est-ce donc ? Un boot loader (traduction littérale : « chausse-pied ») est un petit bout de programme que l’on implante dans la mémoire du PIC et qui va « charger » le programme que vous voulez implanter dans la mémoire du PIC. Ici, plus besoin de programmateur. Si votre PIC est équipé d’une interface série, ou USB, ou autre, vous pouvez transférer le programme via cette interface. C’est le boot loader, en coordination avec le logiciel ad’ hoc sur votre ordinateur, qui va se charger du transfert et de l’écriture en mémoire programme. Le boot loader reste ensuite inactif dans la mémoire du PIC pendant que votre programme s’exécute normalement. Au prochain démarrage du PIC, si le boot loader détecte une nouvelle tentative de transfert de programme sur l’interface sélectionnée (série, USB,…) il le charge et remplace l’actuel. Sinon il passe la main au programme actuel. Ce mécanisme est surtout très pratique dans les phases de prototypage où de nombreux transferts son nécessaires, d’autant plus que la vitesse de transmission des données est beaucoup plus rapide qu’avec un programmateur. Ici encore, la programmation se fait sur un mode série, mais comme on ne passe pas par un programmateur on à pas accès à la tension de programmation. L’utilisation du module « Low Voltage Programming » prends ici tout son sens. - 35 -
  • 36.
    Les Bits deConfiguration Pour « customiser » notre PIC, il existe ce que l’on appelle les bits de configuration. Ce sont des bits spéciaux de la mémoire programme qui permettent de spécifier le mode de fonctionnement d’un certain nombre de fonctionnalité du PIC. À savoir : - L’oscillateur : utilisation d’un quartz ou d’un circuit RC, plage de fréquence - Utilisation ou nom du Watchdog - Utilisation de la patte MCLR ou non - Validation ou non du Power-Up Timer - Validation ou non du Brown-Out Reset - Protection de la mémoire programme et de la mémoire EEPROM Ces bits sont programmés au moment du transfert du programme dans le PIC. Les Interruptions Un certain nombre d’événements sont susceptible de générer des interruptions : fin de conversion de signal analogique, écriture en mémoire EEPROM terminée, débordement de Timer, USART, SSP, changement d’état d’une entrée de port…. Si votre programme comprend une routine de gestion de cette interruption, le déroulement normal s’interrompt et la routine de gestion de l’interruption est exécutée. Le gros avantage de ce mécanisme, c’est que le microcontrôleur peut vaquer à ses occupations sans être obligé de scruter en permanence si telle ou telle action a eu lieu. Par exemple, si un clavier est raccordé au PIC, pas besoin de surveiller en permanence si une touche a été activée. Si c’est le cas, le changement d’état sur le port générera une interruption. Le PIC sera ainsi mis au courant qu’un changement a eu lieu et exécutera les actions adéquates. C’est un peu comme l’alarme sonore de votre micro-onde : celui-ci vous signale par un BiiiP que le temps de cuisson est écoulé, pas besoin de rester les yeux rivés sur la vitre avec un chronomètre en main. - 36 -
  • 37.
    Le mode SLEEP Lemode Sleep est un mode de fonctionnement particulier du PIC dans lequel celui-ci réduit sa consommation électrique au minimum. Il est presque entièrement désactivé, son oscillateur est éteint. Le PIC est en mode « veille » ! Pour sortir de cette torpeur, il faut un des événements suivant : - Reset du circuit, ou - Réveil par le Watch-Dog Timer (ci celui-ci est activé, il continue de fonctionner en mode SLEEP) - Interruption générée par un module périphérique (Timer, convertisseur A/D, changement d’état de port, SSP….) Ce mode peut être particulièrement intéressant pour une application fonctionnant sur pile ou batterie et qui ne requiert le fonctionnement du microprocesseur qu’à la survenue d’événements particuliers. On prolonge ainsi considérablement l’autonomie. - 37 -
  • 38.
    Brochage du PIC16F877 MCLR/Vpp 1 40 RB7/PGD RA0/AN0 2 39 RB6/PGC RA1/AN1 3 38 RB5 RA2/AN2/VRef- 4 37 RB4 RA3/AN3/VRef+ 5 36 RB3/PGM RA4/T0CKI 6 35 RB2 RA5/AN4/SS 7 34 RB1 PIC 16F877 RE0/RD/AN5 8 33 RB0/INT RE1/WR/AN6 9 32 VDD RE2/CS/AN7 10 31 VSS VDD 11 30 RD7/PSP7 VSS 12 29 RD6/PSP6 OSC1/CLKIN 13 28 RD5/PSP5 OSC2/CLKOUT 14 27 RD4/PSP4 RC0/T1OSO/T1CKI 15 26 RC7/RX/DT RC1/T1OSI/CCP2 16 25 RC6/TX/CK RC2/CCP1 17 24 RC5/SDO RC3/SCK/SCL 18 23 RC4/SDI/SDA RD0/PSP0 19 22 RD3/PSP3 RD1/PSP1 20 21 RD2/PSP2 Conclusion Ainsi s’achève notre survol du PIC 16F877. Vous savez maintenant ce qui se cache dans la boîte, et avec quels outils nous allons le programmer. Notre prochain objectif sera de le faire fonctionner. On pourra passer ensuite à l’étude un peu plus détaillée des différents périphériques. - 38 -