-{
rT1a"Tr-'i n-r-I
i rtfl -]IIl .
tûf*E[iïtrE 11
I NL.JLII I LL Ft
I 'l IFuNItrFFFæ|TF i-**F æi lF1&.
L +.J! ËI Il kl tH! I ** Hh eéill#r.a=
ruËîff #T *fr ilifË*eFil#tJË
,nw
PtlJR t'tBTËt'{Tlff'l
$U TITHE TT
R H Ë1 TETTEFFfr
ElfX [I trlH ! F H
lEll-t gtrg I kl I
rftl Êrnlltr liirFÂfiilnl lr
LIT TJLIIIL IYILLFTIEILTUL
nf,n
I ntt
ilfr fll I Â lf l fifr n!"1 ô trljh,lFR
Itt L, k rIt çt Itt rJ I tr-lt?Ittu-tJ
' I -{ na rt - ' *-DE
ELE l:TF,I#liE ,{ HEGL{GE 1''E[IT*F,IEL
' 'L:U-fr{L-$A"t-l
rES ,{FFÂRETT,S trE LEl,'ÂGE''
*ÛUTEII{IJE LË 311t1/gt DEVAI'Jï tA [$h4l*i$$l*$i û'ËXAil4Ei'l :
"Mr,$Et{Ë*ijztil Ê, FÊ#FE$$rilH , |'Jf{lllËH$lTE ds BtlilA 'FÊE$iÛEriT
"Mr KA$$lnl{ v, MÂlTHf nE f,ftiiFEHEfi*f , UFll:rfR$lTt iie nLlLrA =E}iilMllJiiTfijx
-itlir $TËFAP{Ûtl tl, I'dAiTftE ûË f*ItlFEËËlrj*E , EFJ$ET LAËliûLjAT -iHiÂït4ii'iAiEiiÊ
-ir,lr ZILËFI$HI il, MA|TËE AE CûiïFËËËf,jr;F, Ul',JlVEÊËiTE ds ËtlDÊ -8,-;*idii{nTËUn
-ir,lrFÊYLûY L fdÂITAE ûE ççirltËtËllr.iE, LJfiit/ERFiTf; d* BL!ûê -RÂPF*fiTEljfi
-i,ir $ALli! H. ïdÂiiË[ A$$lËiAlÉi, ilHiYEt$lTE ric $tlûÂ -iliiriii
'U?r -Yto- {$ ''t r8-1- ]
THE$E
^^uvu
FHE$ÊI'ITEE A
I
L'l"fNlvHn$nË FE H-laA
. NSTITUT nffi ffffisÂh$Qt"H
PûIJR L'OBTEfrTISI'I
$u TiTRr ffi
ryAfiffiTgN
lllnullry r ]r r
Ëf{ ûËl{lE MEtA}llolJE
PAfi
MÛUAICI MÛ}IAMMED
''CTMMÀNIJE EI$CTRISUE À EEËLAGE YECTTRIET
T}ES A,PFÂRËILS SA LEYAËK"
$0uTrHuË LE 3 1/$ 1/$S $Erf,f{T Lâ çS}$M[$$r*Fl B rffsfdru :
-Hr Ëfff*û{tn$ û. FR$.FE$$.gli& , tl$lY$fr$lïË de Btlll$ 'pgËslFffiT
-Mr KA$$tSil l, $#$TnË $fr tfrHFËSEHfÊ ,'llffiïfi&$lïH d+ BtlR,* "gï{A}*l*lATEtlÏ
.il{r $TfFAî{*f l, MSIT*Ë tfi *S$ffgg$,$f , Ël{gfT ;gfiHÛl}AT 'EHShdlfiATElJfi
.Hr ITLEH$KI y. MAITRI '$E
tûf{ffrnËff*[ ,ltiltrllEË$TïË Se ELI$& "E]t*ffiffATËt]R
-MrFAyLSt i. tu{Alïfrfi *Ë {.û$lFfrft[ffiûË - UftiVËfr$lïË $,s $LISA "pAFFtllÏ Ëilfl
.Mr $Allllll. f'dA$Rn A$$l$TfiHT , uNtYËft$lTE dç Bt|[A -ll'llilTE
32-530-58-1
"i*l"tl4*r*"ilE
=Lef,îFirGUf 4 Ë[ËL*Ë= FËEûugr{T:=L
LJÊTT*F;:EL T}E= *FPAft:E:-5 *tr LFUÊËtr,,
f:Ë:Er:Tf'JF: lF F;p-C;-;gO"*t= g* F*VL*V T.
I*-tiË[fî[!j* : !'!* tr-t ât-t5;.-r U=
f,ftTTT*ÊJE : F,!* STfF*h!*qi L'"
I
arl
I
I
I
I
I
I
I
I
I
I
I
I
I
I
I
ËE},IEREIEf'IENT5 :
JE TÏENs A REI'IERf,IER LEs EFIËE:ËhIAI{TË_trHEFTHEUFIS T}E LA
trH*TRE tr85 ilATHINES ELECTRIGUES DE L'ThISTITUT I}85 HTruE5 T}E
LENII{EËAË , EN PARTIf,ULTEF H}4 âLEXËËV , FARTAtrU ET RtrUI}AHAV
FTUR LIUR ATûË FENÊANT L'ÊTUTiE EXFERII.!ËHTALE *TN=I EIUE H*
FÊI/LTV ËT I-T- TELEFISHI RESFECTIVEi-IEI{T EIRECTEUR ËT TCI-
trTËECTEUR NE THEËE PTUR LEg CÛNËEILs ET L'âISE GU" TLg ThIT
ËIEI{ VSULU H'ATËSRI}ËR.
JT RET4ERËIE EE*LËPIEFIT FT EE'qEBUZIP F" B'AVSIR âËËEFTE
sE PËEËISER ËE JUHY ET TflUË LEs CALLEËUEs EilJI , SE FFES EU
DE L*IN,I'I'SNT AIDE A REALISER CE TRâVATL ET ËFI FARTTCULIËR
Iç*. PENBUHNAL.
I
I
J
I
501"11'IAIRE
INTRODUCTION ,.1?
I- DESCRIFTIAN HATHEI-IATIBUE DES I'IACHINES ASYNtrHRONES, . .15
A- VECTEURS ESPACES DES VALEURS ELECTRIGUES D'UNE I{Af,HINE
ASYNËHRONE ....15
Ë_ FLUX I"IAGNETIEUE DES ENRTULEI'IENTs (DE FHASE} ET LES VEtr-
TEURS ESPAËES DES FLUX ...23
C- EGIUATIONS D'UNE I"IAf,HINE GENERALISEE. . . . .2?
D_ CCIUPLE ELECTROf,IAGNETIGUE D'UNE I"IACHINE ASYNCHRTNE. . . . . .36
I I_ SYNTHESE DEs SYSTEI{ES A REGLAGE VECTDRIEL DU SY5TEÎ,IE DE
TYPE ''TRANSVECTEUR" . .45
A- LE ËIRCUIT FRINCIPAL (DE FUIS5ANËE) ... ,.45
B_ LE sYsTEI"IE DE REGLACE VECTORIEL. . . .46
lII- ANALYSE DEs SYSTET{ES A REELAGE VECTORIEL DU SYSTEI{E DE
TYFE "TRAhISVEITEUR', ......52
A- CALCUL DES REËULATEURS DU trONTNUR DU FLUX EI"IBRASSE DU
ROTOR. ....S4
Ë- CALCUL DEs REGULATEURS DU CONTAUR DE REËLAEE DE LA
VITESSE DE ROTATION.. ....58
C*CALCUL DEs FRNCESSUS TRANSITOIRES AVEC UN SIEiNAL
D'EFITREE LINEAIRE ..,.63
IV_ ETUDES EXPERIF,IENTALES DE LA CO|'T4ANDE ELECTRIAUE A
REGLAEiE VECTNRIEL... ......6b
V- BLOCS DEs SYSTEITES DE REGLAEiE VECTBFIEL sUR BASE DE
f,IRtrUITS INTEGRES .....?É
A- BASE D'ELEI"IENT DES SYSTEI"IES VEtrTORIELS. . .. . ,. ?6
B_ ELDCS DEs SYSTEPIES VEËTORIELs.. -...8Ê
C- BLOCS DE REGLAEIE DES CONVERTISSEURS FREGIUENTIELS DES
CCII"IFIANDES ELECTFIBUES A REËLAGE VEËTORIEL.. ..ç3
I
I
I
I
I
I
I
I
tl
lr
ll
l_
II
lr
l:
It
ll
I'l
I
VI- PARTItrULARITES ET AVANTAEiES DE LA CCII'II,IANDE ELECTRICIUE A
REELAGE VECTORIEL PtrUR L'ANALYSE DU HEtrANISHE I}E LEVAGE
D'UN PONT ROULANT TRADITIONNEL. I " ..
_ HECANISPIE DE LEVAEE D'UN PBNT DE 125 KN DE trHARËE
troNcLUsION.. .... !..140
ANNEXE, .. r.. ..14?
BIELIOBRAFHIE. ..... ,....145
TABLE DES HAîIERES. ....:147
!2
12
l
.
I
i
t
INTRODUCTION
Les avantages des machines asynchrones à roton à cage d'êcureu
Fer r;rpport aux moteurs à courant continu sontl
- la slmplicité de la construction;
- une durÉe de vie plus grande ;
- un poids et des dirnengions moindres ;
- un rnoment d'inert_ie trLus petit.
Ëes avantages dÉterminent I'utilisation de ces moteuns dans le
commandes électriques des mécanismes-
En sutre r la crÉation de convertisseurs frÉquentiels statique
à thyristors facilitent notablement ce problème puisque à l,aide de
ces convertisseurs r ort peut faire varier la fréquence et la tensio
aux bornes des moteu|^s âsynchrones . Hais la di++iculté de ta divi-
sion du courant du gtator en courant magnÉtisant et en cou-
rant de force des machines asynchrones tromplique la création de la
commande électrique à courant alternatif identique à la commande à
counant continu à réglage subondçrnnê . trette commande Électrique
subordonnée nous permet d'obtenin les procee;sus dynamiques et stati.
ques indispensables sur l'arbre des machines à courant continu
Avec 1'apparition récente des pnincipes d,ohtention deg
protressus dynamiques à l'aide du rêglage vectoriel, la création de
commande électrique à courant alternatif analtrgue à la commande éler
trique à courant continu devient possible
Dans la commande Électnique à rÉglage vectoriel utilisÉe la prr
mière fois en R.F.A par la firme 'SfEF{ENS" , on utilise des mÉthode:
basées sur l'orientation des vecteurs "espatre" des grandeurs Électrr
magnétiquels des machines asynchrones. Ces mÉthodes réalisÉes à base
de système asservi permettent d,obtenir :
les régimes transitoires indispensables de la commande i
- les gammesi indispensables de la variation de fnéquence de
I
I
lr
It
ll
ll
13
rotation avec I'utilisation intégrale de la nachine.
Dans ce travail r cln considÈre et on analyse les principes du
rÉglage vectoriel des machines à rotor à cage d'écureuil . Bn uti-
liser tfl qualité de vect,eur "espace" les grandeurs électromagnétiqur
et électriguets( flux , cour^ant et tensions ) .
BUT DU TRAVAIL
1- l'étude , l'analyse et 1'Élaboration de la commande électri-
que à courant alternatif à rÉglage vectoriel ÉlaborÉes sup la base
d'un moteur'asynchrone à cagei d'Écureuil r un convertis=;etut^ fréquen-
tiel et le =ystÈme asservi correspondant.
2- le calcul et l'utilisation de cette commande électrique sur
le mécanisme de levage d'un pot poulant-
Dans ce travail r on doit résoudre les problÈrnes suivants:
' L'analyse mathématique et la synthèse d'une commande électri-
que à réglage vectoriel utisant un noteur asynchrtrnr à rotor à cage
d'écureui I ;
- l 'analyse et l'optimisation des protrErssus de cette commande
Électri que;
- l' Élaboration deg bl.ocs du systÈme asservi;
l'étude expÉrimentale des caractÉristiguels de ta commande
électrique vectoriel le;
- l 'utilisation pratique de la commande considÉrée sur un nÉca-
nisme de lervage d'un pont.
L,'êvaluation scientifique de ce travail est dêterrninée par les
reJrerques suivantes:
- en utilisant 1a degcription mathÉmatique des proc€lssus
Électromagnêtiques des machines à courant alternatif r o11 fait la
synthèse du sys.tème asservi à réglage vectoriel sur la base d,un mo-
teun asynchrone à rotor à cage d'Écureuil;
. - qn fait l'analyse de cette conmande et on obtient les fonc-
tions de transfert qui dêterminent Ies processus transitoires.
I
t
I
I
I
I
I
I
I
I
ir
lr
lr
lr
lr
lr
lr
ll
LI
r4
L'Évaluation pratique de ce travail est la suivantel
- on obtient la méthode de calcul de ces commandes avGrc la for-
mation des procËlssus dynamiques et statiques indispensables;
- on montre les avantages de l'utiligation des commandes éIec-
triques vectorielles pap ràpport aux commandes Électriques tradition
nelles et à titre d'exemple , sut un.mÉcanisme de levage d'un pont
roul ant.
ft{
15-
I- DEStrRIPTICIN T'IATHEHATIEUE
DES I'IACHINES ASYNCHRONES
A -VECTEURSi ''EsFAtrE" DES VALEURS ELECTRIGIUES D'UNE HACHINE ASYN-
trHRONE
1) Notions EÉnéra1es
Une {orce magnétomotrice d'un champ rnagnÉtique tournant d'une
machine asynchrone polyphasée (en panticulier triphasÉe) peut Ëtre
représentÉe à l'aide d'un vecteur elspece rÉsultant F, qui tourne aver
une vitesse synchrone dont La valeur egt déterminÉe par le nombre de
paires de pËleg et par la fréquence de la tengion d'alimentation. A
son tour ce vecteul. correspond au vecteur "espace" courant I . Les
vecteurs "espace" nésultants sont les sornmes vectonielles des vecteur
"espace" phasÉsr eui sont irnmobiles dans I'espace et varient rn fonc-
tion du temps selon une loi sinugoïdale, Par consÉquent, le vecteun
I
T
c
I
t
"espece" résultant du counant ser^a , fîJ
I- =(2./3) (ia +ais *az ie )
Où 6=sJ2rl3 - OpÉrateur tournant t
(1)
iar isr ie Valeurs instantanÉes des courants de phases. Les
valeurs se dirigent dans la direction de l'axe magnÉtique de La phase
A avec di++érents signes détenminÉs par l'équation suivante:
ia +.is +ic = O (valeurs ingtantanées sang fil neutne).
Sur le desgin 1.1r les droites A, Ë et tr dêsignent les axes des
enrourlements des trois phases
Pour constnuire le vecteur courant rÉgultant f-, , il e=t nÉces-
gaire de fixer dans Ie sens de l'axe A les valeurg instantanÉes en
tenant compte des signes de ces valeurs et de la condition suivante:
ia+is+ie-O
Ensuite suivant la formule (1), on constnuit les vecteuFs:
:
is = iser't'zo' et ic = icer'12o' tournant dang le gens contraire
a-)
{:}
{t
16
des aigr-tilleg d'Ltne montre (seng positi+) pâr rapport au vecteur:
i- = i.q gJ-oc
La somme gÉométriquçl de ces vecteur*s nous donne le vecteun
(3./?) I-
Dans la formule (1)r on introduit le coefficient 2./S poun que
l'amplitr-tde du vecteur "tspaEe" résultant soit êgale à l,amplitude dr
vecteur courant phase. Donc Four détsrminer le vecteur ,,espace',
résultant i1 {aut empl.oyer la {nrmule t1}. Les projections du vecteur
"e5paEe" rÉgultant sur les axes magnÉtiques des phases perrnettent
d'sbtenin les vecteuFs de phases ou Ieg valeuFs instantanées des
courants de phases (voir fig l, l).
Tout cela est valable Fclur le système symétrique des enroulementr
et des courants.
Une conclusisn analogue peut Êtne faite pouF les tensions et Ie:
tlux magnétiques.
U- = (2/31 . ( Lla *âug + a2 uc )
V- = (z/3t.(ll^ + â9/Ë + az!ç |
La transformation d'un systèrne triphasé Eln système biphasé
permet de gimplifier le système des Équatisns déterminant Ies
protrec;sus dynarniques des machines à counant alternatrr.tîJ
Les vecteurs "espeEe" rÉsultants peuvent Ëtre considÉrés dans le
système bipha=é des coordonnéeg rt - B du gtator.
Pour celat iI faut assimiler I'axe c* à l'axe magnétique de Ia
phase rrA, . L'axe F egt perpendiculaire à l'axe ct. En outrer op1 peut
reprÉsenter le vecteur rÉsultant dans le plan cornplexe. On aLrFa donc
I 'axe F quti coingide âvf;3c 1 '*tue i.maginair.e (*j I eL I ,à:.le d{ âvËc I ,à;<e
nÉel t+1). Les prajections du vecteun espace il- =,r, les axeg irnagi-
nair'e et réel, c'est à dire, les parties réelle et imaginaire du
2 - vecteurs nésultant danE le système ElphasÉ des coordonnées.
L7
/-
iÊ
tq
IU
I
I
I
I
I
I
I
I
I
I
I
I
I
I
I
I
I
I
I
iil
Ir
F
;
I
3/'2 | S
(+t) otn
-
..t
t-,
-
I fl
D(- l/1
(+i)
n
fiq 1 -7
fiq 1-1
q
18
vecteur complÊx€t sont des val€!ur"s instantanées des courants
enroulements orientées le long des axes s - B-
trette transformation est repnÉsentée sur le fig 1'2
On peut écrire !
i- = i- * iet
où i- = Re (i-) i ia = Im {ie} = - Re (-ji -}
i- = Re (i-) = Re E(2/3, ( ia + aia + aaic; )
ia = Irnt(?/S) ( ia + aip * atir: )
On peut réÉcrire 1'opÉrateur tournant a = eraaoo
de la maniÈre guivante dans le systÈme des coordsnnées
ra=ertr:ltt-=l-L/?r+(jt3r/2
I
I
L a4 = sJa4oo = t-l/z, |it', /2
En rernplagant (4) dans {2, et (3) on trbtient :
i- = {2/3, f ia - ( is' + ie r/27
Q.'
(3)
et gt = gJ24o'
(+1r+j)
(4)
I
L
Ou au
I
I
L
:
ûi
ia = (is - ie ,/'13
Ces formules nous permettrnt de passer du systètne des cool^-
données triphasée au système biphasé c( - B
puisque i,r + is + ie = 0 (système des courants symÉtFique
enroulemElnts couplÉs entre eux sans fil neutre).
Alors:
tre systàtne permelt- d' obtenir leg
rants phate, c'est à dlre conDent on
au.eyetèae blphasé c - ! .
(5)
valclurs ingtantanées deg cou-
peut pâtter du systèue trlPhasÉ
l- = ir
lc= (il,-
cont|^eire:
ia = i-
is, = 'io/Z
ic = -in/2
i r:) ./"t3
+ (isJ3) /2 (6)
$ a.I3' f2
T9
c'{ (tixe)
iot
el
r
'l
I
I
ll
ll
ll
fiq 1 -3
to,
(+t)
'tournant
'i.j
2o'-
3 - Vecteurg ace" résultants_!-Ën_s__!e système des coordonnÉe:
'L,sur.nant.
On représente te vecteur "espaËe,, f- dans le systÈme des coot^-
donnéeg biphasÉ tournant à une vitesse synchrone. Donc, il est néces-
saire de passer du systÈme deg coordonnées fixe (systèrne bipha=é cr-B)
au systÈme des coordonnÉes tournant à une vitesse de rotation syn-
chnone.
Sur l.a fig- 1-3 sont représentées les systÈmes des coordonnÉes
biphasê fixe (ct - B) et hiphasÉ (A'- B') qui tourne avec une vitesse
de rotation synchrone.
Bn désignEl pa|^ la tettre x l,angle entre les âxcls c* et A,.
La dérivée de cet anglcl en fonction du temps w = dx./dt est la
vitesse aynchr'one de rotatinn.
La valeur o(
Q(r=O(-X
- angle entre I- et l,axe cr
- angle entre I- et l,axe A'
On peut représenter le vecteun i- dans les 2 systÈmes de coon_
donnêes sDlrs forme complexe. Pour cela, les axes rÉels des plans cofir-
plexes coincident avec les axes ct et A'et les axes imaginaines 61vec
les axes B et B' .
Donc !
i- = i- + ji- pour le système fixe.
i-- = ia. + jia. - pour le systÈrne tournant.
i- = Ircos;o( + jlsinu = fr.trq
i-- = I-cctgc(r + jl-sinctr = I-.eJ-r
ou r- egt l'a,mplitude du vecteuF *'space résultant
trn peut réÉcrire l,Équation de i-* ainsi:
i-- = f-.eJ <a-x) = I--eJ*,g-J*
i-* = i-.e-J- puisque i- = f-.eJ-
Donc:
. i- = i-*.eJ*
(gl
L
lr
Ir
It
lr
ll
,f
I
I
I
I
I
I
I
I
I
I
I
t
I !'
II
I
2t
Dans notre cas e-Jx et eJ* reprÉsentent les opérateurg tour_
nants du vecteun nÉsurtant, d,un angrê xr ce qui revient à dine que
cElux sont les opÉrateurs de la transformation des systÈmes de coor-
donnÉes.
L'opÉrateur tournant e-r- effectue Ia transfsrrnstion de ra
rotation du vecteur espace rÉsultant du système des coordonnÉeg tsur-
nant âvec une vitesse w = d:r/dt
On cherche les projections du vecteur espatre f- dans leg
différents systèmes de coordonnéeg:
i^'= rrtro='(r = rrco=(cr-xl = r-cosu coEix r-sinx c.,50(
puisque l:ctso( = i- et l-sino( = is
Alorst
i a, = i o€oscr + i asi nx (?, )
i-, = I-gincrr = I-sin (q-x)= I-sinorcosx I-sinxcosnr
ip, = isCo5x - i-sinx (7,)
En résolvant les dernières Équations pat^ rapport à i- et ic, on
obti ent:
r
I i- = iâ,cosx - is-sihx
I
L
is = i-.sinx - ia_ cosx
En utilisant les relations (El ron
du système des coordsnnées triphasé au
biphasé fournant :
i--ic
i^. = ia c(rsx + -------- ginx
.t3
cosr( - iasinx
CIù:
Re( i-, +jia,).sJx
Refa2 (in, + jiE,,lf.rr*
Rela (i q. + ji r.) l. er-
(7)
peut obtenin la tnansformation
systèrne des coordonnÉes
iA
irt
-e
(9)
22.
Ces dernières formules représentent les parties néelles du v6rc-
teur "espace" résultant exprimê dans une forme complexe et notê dans
le systÈme triphasÉ fixer ou erx - OpÉrateur tounnant faisant les
transformations du système tournant à celui {ixÉ triphasÉ:
Puisque :
eJ-=CO5'X+jSinX
â.eJ- = gjx.gJt:zo-= eJ(t20-+xl=
g2.gJx = eJ(x-12o.t = C,'S(X-lZOo)
cos{12Oo+x) + jsin(l?Oo+x}
+ jsi n (x-l20o )
En substituant ces relations dang le systÈme d,équations (ç) on
obtient 3
irr = Re(i6,gq3s1g + jia.cosx - is,,sinx + jîa.sinx)
= ia,CoSX -i'SinX
ie = Re{lcog(x + 1?oo] + jsin(x + laoo) rtiA. + jis.l]
= ia,cgrs(x + 12Oo) + jia.sin(x + llQol +
+ jin.cox (x + 12Oo ) i e:,gin (x + l20o )
= ia, cos(x + 12Oo) - is. sin(x + lZOo)
ig = Re{lcos(x 1200] + jsin(x 120û]rtia, + jiE'r]
= ia, cos( x 1200) ig, sin( x t?Oo)
Touteg les nelations obtenues gont valables pout* le systèrne lié
àux axÊ5 biphasé du rotor d'une machine synchFone c.à.d. dans le sys-
tàme des coordonnÉes d - q . Pour cela il faut substituer les indices
d - q avec les indices A, et 8,.
Pour le cas du courant, rorsque le systÈne des coordonnéeg
tourne à une vitesge de rotation di+férente de la vitesge synchrone,
la position de ce systÈme est dÉterminÉe paF l,angle X* entre leg
axes tour'nants et les axes du système immobire tfig. l-4).
tre systÈme tourne à une vitegse hfr< = dx*/dt et la position du
vecteur esp;rccl régultant du courant est définie par l,angle
tr*=o(-Xr.
f::
t:
I ::=
t r::=
I"=
l.=
| 'r=
l:=
I
t:--
| 1--=
tr=
t--
I
| :::=
l'-
t_
a,:
='
=
-
æ
=
=
Ë
=
Ë
E
E
E
E
E
E
E
E
E
ei
E'
Æ
Par consÉquent
vitegge synchronel,
les systÈmeg fixÉ et
i:r* = i--e-Jxrc
i- = irL gJxk
et eussi bien dans le cas
les relations du vecteur
tournant seFont l
23.
pt^écédent (w = dx/dt -
"espace" rÉsultant dans
o(rc -o(l ( Xr. -X )
E'est pourquoi pout
l'autre et vice-versa, il
irrc = irx.e-(t(r< xt
i-- = ir*.gJ(Xk x)
( 10)
la transformation d,un systèrne tournant à
{aut utiliser leg relations suivantes !
sy5tème tournant à une vitesse wL
système tournant à une vitesse w
qu'i I
dans
où:
i- vecteur du système f ixe
i-* vecteun du systÈrne toupnant
En analysant re diagFârnrne vectoriel (fig. l-4), ou peut voiF
éxiste une dépendance entrr res anglrs de position du vecteur
le système fixÉ et tournant:
E_-__EL!{ FtAGNErrGruEs DEs ENROULEI,TEI|TS (DE PHASE) ET LES VECTEURT
"ESPAtrE" DEs FLUX.
Tout d'abordr orl peut examiner une machine dont le stator et le
roton compontent des enroulements triphasés. CIn suppos.r qu*, ces
ennoulements pa,r^couFus par des courantg symétriques soient symétri-
ques et que l'entne{er le long de la circonfÉnence de la machine soit
constant
^{5J
on peut écnire les Équations suivantes:
id-a- + icLac -F i-La- + irrLar, * i=La=
+ id'r + icLË'E + iu|-gr, + i-Lp- * ieLs= (11)
+ ial-cs + icJ-s + i-Lc- + ic1-cc -F i=Le=
Pour les flux
l ry^ = iaL,q +
I
lW- = i6l-s.q
I
LV - = iALcA
où:
iar iar icr irr
staton et du roton
it r i= - couFantg dans les enraulements du
de
de
I
I
I
I
I
I
I
I
I
I
I
I
t
I
I
I
t
t
I
lii
I
24'
fnductances des bobines du stator
courants correspondants,
fnductances mutuelles du stator
dÉterrninées par res courants des phases voisines.
Latr Lartr La=r Ls-r Lsrrr L;-r L6-1 '.,. Inductances nutuelles
des enroulements du rotor et du stator qui sont fonctions pÉriodique
de l'angle de rotation de rotor.
La=Ls=Lc=Lr
-
déterminêes par les flux des
Lan=Lac=Lae=Le
*Lr'=L-r*lr-
Où L-r - inductance de fuite
- inductance du flux principal
minÉe par le flux passant dans I'entrefer
enroulements de la machine) -
stator dÉphasés de ZnlS).
Pour analyser leg inductance=
tor et du rotorr trrt représente les
et du rotor tournant ( fig I _ S) _
(cette inductance est dÉten-
et elnbrassant tous les
mutuelles des enroulements du =ta-
axes magnÉtiques du stator fixe
axes magnétiques
* Lee = 1-- cos;l?Oo = - l-^/?, ( axes des enroulementg du
trn dÉsignr paF la lettre ê l,angle entre les
des mEnes phases du stator et du rotor, alors 3
êa- = ërr' = €lc= i Cla- = €lo + Wt
Ëar' = Cla- + 2rt/3 ; €la= = Glao + 4"'/S
Ofi:
w vitesse de rotation du stator
si l'es axes magnÉtigues des mËmes phases du stator et du rotor
coincident, alors l'inductance mutuelle de ces phases es,t Égale â la
valeur maxirnale dÉsignÉe par la lettre i-r= (inductance mutuelle des
mÊmes enroulements du stator et du rotor lorsgue les axes de ces
enroulements coincident). Ëette valeur est toujours la mÊme pour ungr
machine idÉalisÉe.
En outre Lr= =l-- = l-- - c.à.d. les
phase du rotor et du statoF passent par les
flux pnincipaux
mÊmes portions
chaque
la
I
I
I
I
T
t
I
I
I
I
I
t
I
I
I
I
I
I
t
Iii
I
25,
machine et enbrassent tous les enroulements. D3ns le cas gÉnÉral,
quand les axes des mÊmes phases du stator et du rotor ne coincident
Fêsr alors les inductances mutuelles du rotor et du stator sont éga-
les :
= Le= cosÊ)a- = Le= cog(wt + go )
= Lez cos€}ao = Lrz cos (wt + êo + Zn./S)
= Ll= cosêa= = Lr:a cos{wt ç Ë}o + 4n./S} etc.._
utilisant Le système d'Équations (11), nous Ërupons:
V- = iJ-. + {is, + ie}Lrr * i-La- + irrLao + icl.â=
V- = irrl-r + (i.o + ir=)Lrr * i-L;- * irr|-s-.ts i=L-=
9- = id-r + (i6 + irlLrr * i-Lc- * ir,Lea.r i=Lc=
En utiligant r'Équation gD Fa.^ FopÉnateur â, r,équation(pe par
l'opérateur s2 et en additionnant Ur^, lp asv) c,r on obtient:
va + av- + azve = (i.q + aip + aaiclLr + fi;, + ic + (i,a + ic,)a +
+ (ia + ir')allLrr + i-(Lrztrog$ar * al-r=cos€ls- * alLr,:zcosêc-) +
+ iu (Lr=cosêao * a'-r=c.'scL'' * aÊ Lr=cosgbu ) + io (L.=c.,s.rar +
* rl r=ggsC}rl= + al Lr=tros€lee l
Suivant la dÊfinition:
(zfs, {lt^ + agl- + azV., =V- - vecteur espec.. d,un f lux
magnÉtique embrassé de 1'enroulement du stator
En tenant compte des formuleg suivanteg:
i- = (2/3, (i.q + si. + atic)
et
(2/3, (ig + ie + ia.a + ic,a + i*r.â * ia.as + ir,.az) =
= l2f3l (i= + aic + aaia) + (2./J) (i= + ai- + aeis) =
= i-â-= + ire-t = -i-
Alons:
Q.13, (ia + ein + aeiclLr + (Z/]irl(ie, + ie +
+ (i.q + iela + (ia + i'lat lLer=, i-(La _ Lrr)
La relation du flux magnÉtique embnassé du stator dÉterminée par
les courants Ou rotor V-- peut-€tre écrite ainsi !
La-
l-âb
tq=
En
( 12)
tg
tg
=
æ
€
æ
*
G
Ë
€
ë
E
E
Ë
æ
G
G
æl
E
G
26-
W-^ = (i- + air, + a2i=)Le=cos(wt + êo) +
+ (ai- + aaia + i=)Lr=cos(wt + e|o + 4rr/3] +
+ (ae i- + ia + àie ) Lr:accls (wt + gç, + Ar./3)
Puisque ê^- = fu.' = {Jb= = €}o + wt et utirisant ces reration=:
i- = (Z/5, (i-+51ir+a2i-)
ir. â-a = (Z/3, (ai -+sa i r,+i =)
i-s--a - (Z/J, (aa i -+i rrai =)
trn peut Écrire :
V'- = i^Lez f aocos(wt + ç61 * a-rcos{wt + €b + Zn./3} +
+ a-zcos (wt + Clo + 4tt/S) I -
= (2/31 i-Lea. gJ (wù' + ittot
Par conséquent re vecteur résultant du flux du staton peut Ëtne
représenté de t.elle maniàre :
V- = i-(Lr - Lrr) + (zlsri-Lr=.er <w*+€o>
r orr obtient !
( 14t
( 13)
Puisquel Lr.r = -t -^/Z et Ll = L:l * l--
donc' Lr - Lrr = Lrr + L- = L- - inductance totale équivalent
de la phase dÉterrninÉe par le fl.ux du counant de sa phase et les flux
des phases voisines du stator.
L- = (3/2r l-- = (3/2rLr= = (S./Zr1--
- inductance du champ
magnétique principal calculée pour une phase de ra machine triphasÉe
.,u l'inductance mutuelle du stator et du rotor.
En supFoEiant que wt+€lo = or
9)-= i.L-* i-l--.grs
D'une manière analoguer on obtient !
Vl* = i-L-,,e-r- + i-l*
t- = L=-L=z = Lrr + (S/Zll-,' = L-r + L-
où : t* - inductantre totare équivalente de ra phase du
rotor déterminée par les flux de ses courants et des csurants des
phases voisine!s.
l*e - inductence de fuite
l- -inductance mutuelre du stator et du rotor du frux
du
au
ll
I
ll
I
I
I
I
I
I
I
I
t
I
I
I
I
I
I
I
I
lï
I
magnétique principal.
e_J- ,
au sy=tème
vitre-veFsa.
eJ- OpÉrateurs tournants pour passclr"
des coordonnées tournant c.à.d. du stator
27-
système -fixe
rotor et
g_- E0uâTItrNS D'UNE ttACH
Nous suFpo=clns quei !
I - La aachine n'est pas saturée ;
2 - Les pertes par hysténÉsis et les pertes de foucault sont
nul les;
3 - Les lois de changement des forces magnÉtomotrices dont sinu-
soidales-
Pour les valeuFEi instantanÉes et utilisant la loi de KIREHHOFF
on peut écrire les Équations guivantes pouF les enroulements du sta-
tôr des machines syrnétriques :
Des équations analogues peuvent Ftre Écrites pour leg enroule-
nents du rotor
En utilisant la fsrme vectorielle de ces équations et à l.'aide
des vectElurs "Ëspace" rêsultants Fout^ le gtatop on rÉÉcnit le système
( 161 ainsi .:
uj=i-FL +aPJdt ( 17)
U.'a = i--,R- + dVaarldt
Ucrrr = igrafl- + d Vesldt
U:rr==iacR-+dV--/dt
Pour le rotor:
frn = i-R- + all-tdt
où:
r
| ,lr-=i J- + er-i -L-
I
I U-=iJ-.e-r- * i-L-
L
Les équations du stator et du
1e mËme systàne de coordonnées qui
( 1ê)
( lE)
( t9)
rotor doivent Être rÉécrites dans
tourne avec une vitesse de rota-
I
I
I
2t
tion w.. ' Pour cela il faut appliquer la notion.d,opÉrateur tournant.
L'équation (1?) est murtipliÉes par I'opÉrateur e-,Hk. et
1'Équation (lfl) paF er'Hr'-Htt' r Fuisgue le système introduit tourne
à une vitegse de rotation (wu-w) par. r.apport alr rotor,
Par conséquentl
lJ3. g-Jwkt = i -.
g-r*rtR- *
lvlai s: ur . e-Jwkt = Ltrr< ;
Alors:
I
I
I
I
I
I
I
I
I
I
t
t
I
I
I
I
I
I
,
,
s-Jwrtt aV Jat
irr< = i-.g-Jwt<t, ; V-.g-J*kiÈ =V-*
d
U-*=i-r.FL + e-Jwkù, (9_*.eJHkt)
dt
Analogiquement pour le circuit
dv,
= irrcRr * - '* + ir+*!D-* (?0)
dt
du rotor:
dlu-
uæ. g-J (5k--t è = i-. g-J (wk-wt iÈ,FiÊ * g-J (wk-r, È
Hai s: dt
tl-. g-J (Hk-Ht t = upr<
i^. t-J (Hk-Ht t = int
9-. e-l (wk-wt È = ?-æ
Alorsl
dV**
t&^* = i-r.R- + + j (wr-wtV-*
dt
Les équations FouF'Ie flux magnÉtique:
V-=i-L-+gJHG'.i-L-
4l- = i-L- * g-Jæ+'.i-L-
En rnultipliant 9l - p^" s-Jwk-È et g- Far e-r (wk-wrÈ
obtenansl
Ul-*=irrLr+i-*L*
$lnu = i-*L- * ir-r.Lr
rntroduisons la notion de courant d.aimantation:
io = i- * i-
e't du f lux magnÉtique de l'inductance mutuerle :
Ao = ict - (ou f lux magnêtique principal)
(?1)
(2?'
, nËtus
(23)
(24l'
I
I
I
I
I
I
I
I
I
2y
Les Équations (?31 et 124, deviennent 3
(U- = i-(L- - L-) + ioL- (25'
An = i-(L- - L-l + id- (26'
où:
i-(L- - L^) - flux de I'enroulement du stator seulement
(de f uite).
i-(l* - L-) - f lux magnétique de l'enroulement du rotor
(de f uite).
ioL. - flux magnÉtique principal.
Les Équations (21,, {2?l , (23}, (24}, (25} et (26} s'appellent équa
tions O* PAPK-€OREV
Ces Équations déterminent les relations des vecteur-s "espace"
rÊsultant de la tension et du flux magnétique dans les machines à
courant alternatif ayant des enroulementg polyphasÉs disposés dans
leg encoches d'un stator et d'un rotor. Ëes équations sont non-
linêaires parce gu'elles comportent Ie produit w.p . Ê'est pourquoi
c'est trÈe di++icile de trouver une solution gÉnérale analytique de
ces équations. Les moyeng d'analyse de ce système d'équations peut
Etre résolu à l'aide de dif+Érentes mÉthodes qui vont Êtne analysÉes
ci-dessous.
Bn peut passclF de la notion vectorielle des Équations
d'équilibre du stator et du rotor dans le système des coordonnêes
tournant à une vitegse w* à la notion symbolique de ces équationsr
c.à.d. qr'on peut écrire la forme =ymbolique des équations de
PARKÆOREV.En Eupposent que les projections des vecteurs résultants
s;up les axes ct et I dans le système fixe biphasê des coordonnÉes son
connues- Il est nÉcessaire de dÉterminer les projections de ces vec-
teurg dans le systène des coordonnÉeg biphasÉ (X
- Y) qui tounne à
une vitesse wr":
I
I
t
I
I
I
I
I
I
I
til
I
I
I
t
3ù
'l
t
I
I
I
rl
I
t
I
I
rlt
I
Pour le circuit du stator :
r
lt-=u--*jl.tro
I
li-=i*+jirt]
I
I g- = Vo + ill)-c
L
D
t
I
I
û
I
I
I
Pour le rotor, il faut transfsrmer les vecteups rÉsultants du
systÈme A'-E' lié avec le rotor et tournant à la vitesse du eoton w
au systÈme biphasÉ tournant X -Y possÉdant une vitesse de rotation
Wrc .
Bn sait que :
(27'
Notation' des vecteurs "espace"
nésultants dans le systÈme
biphasÉ A'J' liÉ au rotor
dÉrivée d{-ldt sur les axes tournants X-Y
seront !
dQ-.
=
-.Êcrswrct
+
-.sinwxt
llF = l.11-a, + Llh^9..j
i- = i-a, + iFB.. j
Vn=V-^. +P--..i
Les projections de la
(guivant la formule (7') )
dv- d9--
dt (xl
d?-
dt (y)
0ù;
rJV-n
dt
dp-*
dt
aV-'
=-.sinr*rt+-.troswrt
dt
dV-. dv-
et - projections de la dÉrivée
-
dans
dt dt dt
, le sYstène {ixe cr-.s.
Pour transformer ccls dernières équations, il faut considÉrer 1e
dÉrivÉes guivantes :
d dlp--
--tp-gg;clshlrtl
=
-
CoEiw].t - 9-.*t*=inwr.t
dt dt
d dV--
-|:|{.!rsin$rkt)
=
-
sinwr.t + V-grn1",Êcrstdrt
dt dt
I
I
I
I
a
Ë
E
EE
E
E
e
Ei
E
E
E
E
E
I
I
I
I
t
I
T
!
,i
F
g
3r
additionnant ces équations entre
dq- 6itll-.
Cogwkt+ Sinwr.t =
dt dt dt
d9-,"
=
-
- ,*.V-.
dt
+ p--Frr.sinwr.t
-
ll)-".wxc,osuf *t
A son tour :
d dty-n
-(
I '.nsinwrt) =
-
sinhrkt + p-cctrgw*tr{r
dt dt
d dV-'
-(grscosw*t)
=
-
Êoswr<t -V-cwxsinwrt
dt. dt
Alor=:
d9-- dl-u d(-Y--girllafp * Q-sc,Erg;wxtl
- =-ginr**t +
-
CoEWr<t =
-
dt dt dt
elles r of,
d tV-.cosr**t
ohtient :
+?-.slin jwr.t)
+ p--w*sinwrt + {-nw*co=wrt =
o%t
+ wnL-*
dt
Engui te:
r
I o9-
!-
r-
I dt (x)
l4-
t-
I-
ldt
L
Par conséquent :
dV-* . _
dt
dV-w
uf* 9--
H* V-*
I
I
I
L
Donc:
I
I
I
I
L
u-* = R-i-* +
u-a = n-i-y *
dv-
dt (x)
d|/l-
dt (y)
U-* = R-i-- +
d|,l-*
-
wp|/-y
dt
dl)-_
+ w*V--
dt
(28l
t-. = FLi-y +
(29)
I
I
I
I
I
I
I
I
I
I
t
I
t
t
I
I
I
I
I
jl
Siupposons quel l,axe (Xl
evec I 'axe imaginaire (+j I
bolique I
a.
lL = urx + ju-r, = I-FL +
3L
l'axe (+l) et l,axà (y)
{ormule en notation sym-
coincide avec
0n obtient la
d9-
dt
+ jù{4r- (30)
(32)
Fuisquer
w*V-- + jw*V-* = (- w*?-r, + jwkq)-*, jl j =
l- wnlt-.- I
= i - - + h,kV-*i.: = (w*p--j + wxQl-*tj =
ljl
L
= l{kj (V-* * jV-.} = j.** ù-.
D'une rnanière analcrgue on trouve pout^ le circuit du rotor :
. r og_
U^ : Lrnx + jr-r-- = I- Ft- +
-
+ j (r+,. _ wrp- (S1)
où:
dt
dV**
= FL- i-- +
-
_ ( w* _ r+, lg-v.
dt
d|{-t_.
= Fi^ i-r, *
-
+ ( w. _ w, alt__.
dt
llrx
llæy
Si:
En consÉquencet nous avons obtenu deux fornes d'Équations de
PARH-{;0REV, tr.à.d. les Équations d,Équilibre pour le stator et le
roter dans le mÊme système de coordonnÉes tournant evetc une vitesse
quelctrrreur Ffl",
I
I
I
I
I
I
I
I
I
I
I
I
t
I
T
I
I
I
e - eorme Comptexe
t
Ici l'axe cr coincide
i'
*
t-
I dP-n
pouP I r-* = i-Jt- +
-
+ wl/-s
ldt
le t
I dll-.
roton I u-, = i-rR- +
-
+ w(--
ldt
L
35.
Pour la notion vetrtorielle gÉnérale dans te systÈme des troop-
r donnÉes fixe :
dt
V- = i-L- + i-L-
V-= i-L-+ i-L-
d9--
I-*=i-.ff-*;r
dv-,
urlr = i-pRr * -';-
dq-
u-- = i-.JR- + * n.V-u
dt
dP-,
urË = i-pR- -
* - j.w.Y--
avec L'axe (+1)r et l'axe B avec l'axe (+j)
I
I
I
I
I
I
I
I
I
I
I
I
I
I
I
I
I
I
I
ljl
I
trn peut Écri rer
ul-
r L- ,i,
- ,lr- ù-
-K-
l-'- L'-
(L-l e
L-
,tr - ,i-
Lr-
3l+ -
(35)
(36)
;-
I- =
(L-)2
L--
L_
ql-
t-
L-
L- ,p-
__KF
L-
(L- 1z 1-
L--
L-
(L-) 2
L--
L-
En substituant
tions de ParkJioFev
. dv-
U-=-+
dt
. dv-
U-=-+
dt
Les Équations
rotor en fsnction
i- = i-*- *
'-
= ,-*- *
(35) dans la formule
pouF le flux :
R-
(- + jr**)y-- K-
Lr-
d'Êqui I ibre
des courants
d
( I-L_
dt
d'
( r-L-
dt
(34), on obtient les Équa-
n-
-v_
at
L
-
R- -:. R- .
f- + j(w*+l)#- - K- 9-
L'- L'-
pouF les circuits du stator et du
I- et I- sEl^ont l
+ I- L- ) + jw}. ( I-L-+ I- L- )
(3ê'
+ ,- l.- ) + j( wç4r I (i-t- + i-a-,
I'taintenant, on peut représenter les équations de Parkiiot^ev
dans le système des coordonnêes de s - B liÉ au fstaton :
!- neprEsentation pa
o{ -
g.-
dy--
u_- = i-og- *
*
dll-o
pour
le
stator I
I
L
U-!t = i-tfil- =
dt
I
I
I
I
I
I
I
I
I
I
I
I
t
I
I
I
I
I
t
lil
I
35-
pour
1e
rotor
Pour la notion
dsnnées fixe :
U-* = i-Jl- *
dV-n
dt
d?-.
dt
+ vt?-e
Ur! = i-sR- + + wy--
I
L
vectoFielle gÉnérale dans Le systÈme des cotrr*-
U-=
dv-
i.Ft-+
dt
dY_
i-FL+--juV-
dt
iJ- + i-L-
i-L- + iJ-
ll^=
V-=
V-=
u-* = i-onR- +
Urrr = i-cR- +
u-- = i-oJT- +
d9--
dt
dV-o
dt
dq-
,t
dP-o
dt
* n.V--
Ur! = i-6R- +
- j. w.Y--
Ici l'axe c( coincide averc 1'axe (+l) r et 1'axe I avec l,axe (+jl
Z - forme Comptexe
lr
ll
I
It
Ir
It
,l
I
I
t
t
I
I
I
I
I
I
t
I
t
ji
36-
Dsrc :
L: *-
ll^ = lJra
+ jura = i-*-
+ jt-t-g = I-R..
i-,- * i-,*
dV-
dt
aV-
- :w9-
dt
ty-
ry- E I-l* + I-l*
Eonclusion !
En utilisant les Équations de Pank-fiorev dans les di{fÉrentg
systèmes de coordonnÉes r GrFl peut sirnpli{ier ,== O"orGlssus dynami-
gues.
Il est trés commode d'utiliser les axes cr - B pout^ analyser les
procédés dynamiqueg dans les machines ou le stator est symÉtrique et
le rotor asymÉtriquÊ.
D - trBUPLE ELECTRtrHAËNETIEUE D'UNE l"IAtrHINE ASYNCHRBNE.
On peut trouvern d'abond, la nelation de la puissancE] Électro-
magnÉtique des machines à courant alternatif. Pour un système
syrnÉtrique et tenant compte des relations suivantes ,6il
u-* uo +U= - O et i-* iu + i* = O
où u- r llc r tl€ r i- r is et i= - valeuns instantanÉeg
La relation de puissance instantanée de toutes 1es phases peut
Etre écrite de telle manière !
p=u-i-+rrsi5+uoi=
Si les courants et les tensions ne conFtrrtent pas de composante:
nulles (iorttolr orr obtient la valeur de la puie'sance instantanÉe en
utilisant l'équation suivante :
. p = (3/2, Re E u^i I - produit scalaire des vecteups corl^es-
pondants p.oup le système triphasé.
t
.l
I
t
,l
I
I
,l
I
I
I
I
I
I
I
I
I
.J
I
I
I
lii
I
37
Autrerent dit les vecteure; E!Ép:rcesi rÉsultants de i et de u du
systèæ pollphasÉ peuvent Etre reprÉsentÉs dans le système de troor-
données biphasÉ:
p - (a,f?l tu.. . i- + r.rr,. i. )
Si t- * O et u- = Oralors, il est nécesgaire de tenir compte de
la puissance du stator et du rotor c.à.d. de la puissance apparente
P=P-+F-
Puisque les équatisrs de Park-Æorev dans le système de cooF-
dsnnÉes ( X-Y l tsurnantàunevitesgeH=hfr< nougiaurtrns !
d9--
rrx=FL-i--+--w.91-*
dt
dU-.
u-rr-R-i-y,+-**.9--
dt
dïln-
llrx=FL-i--+-
dt
dV-.
ttpy = R^i-rz *
dt
Alors on peut reprÉ=;enteP la puissance apparente de telle
manière !
dv-* 4p--
P =.tm/Z)Ei-*
dt .4 i-w
dt
* irx
dV-- dg-_
+ i-!,
-
+
dt
+ FL{i2-* + i2-y} + R.(i2-* + iz-rz) + w(9-*i-. -V--i-xrt
Par consÉquent , la puiEsantre absorhée du rÉseau extÉrieur
tc.à.d. la puissancel fournie à la machine) est tFengformée en pertes
dans le cuivre des enroulements du stator et du rotor et en variatio
d'Énergie du champ magnétique de la machine (i.dvldt) et en puissanc
ÉlectromagnÉtique dÉterninant le couple életrtromagnétique !
3g
l..
L-t
#-*
dt
I
I
-l
ir
lr
l.:
P =P=- * prm * prm
P=- = (n/21 fR- (ie-- + iâ-wl + Fl,. (i8-* + ia--l I
dg-. dv-^ dY-.
çi-w-+i---4i-w-l
dt dt dt
F-- = (mf?,l wlP-*i-- - 9--i -*l
H - (p--/w) = (mfal c(L*i-v -Y-ri-*l
Pour une machine ayant p - paires de pôles; ou aura !
ttl = (mp/?l (9--i--
- lr-ri-*l
où 9-* , 9l-- ,ti-* et ir:r projections des vecteurs
esFâces r et I- sur les axes des coordonnÉes X- Y tournant avelc une
vitesse w dut r'ntor.
' .À
V-=9--+i(-- i r-=r-** jr-y
On peut écrire le couple électromagnÉtique :
:*.:F
Jyl = (mg/zlr-tV-r-l où P- = Q-- J SV-.
Alsrs :
lvl = (rnp/?) .9-.i- (3?'
Cette relation peut Être Écrite ainsi !
tvl = - (np/Zt i-tt-
En utilisant les âquations obtenues !
ïl-=i-L-+i-L-
I)-=i-L-+iJ-
On trouve :
lrl = (mpf?l (i-L- + i-L-' x i- = lmp/?ï.H-i- x i- (3El)
L-i- x i- =O (produit vectopiel de 2 vecteurg ayant la mÊme
directionl
F-- = (m/2) (i--
m tr V-
l"l =
-
L- .i- (
-
2. l-
mp
i- ) =
-
i-yV-
2
(39)
l*
l*
I
I
I
I
I
I
I
ol,
I
rl
I
t
I
I
I
I
I
I
I
I
i
I
Pui sque
Donc:
AnL
,.
lr = -
-.
lF
39.
(40)
(41)
(43)
(43)
(44'
(45'
L-
rnD
fl=-
2
fiip L-
lvl =
t-l* - L2 -
V- *Q-
17-
i<r =i- * i- êt 9o = I€J--
mF L'
f,f =
-
. -..-^.V- x i-
mp t- tt
lvl = - l-*
?l-
En utilisant 1es formules
trn obtient:
2
mF
Pl = - L-.io x
2
MP MP
H=-.L-.iox i-= Vox i-
1F
,rl 40-
I
I
I
I
I
I I SYNTHESE DES SYSTEI'IES A REELAËE
VECTTIRIEL DU SYSTEHE
DE TYPE ' TRANEiVECTEUR 'I
pour faire la synthèse du système de régtage vectoriel r il. faut
utiliser les Équations des ppoc€rssus transitoires c.a.d. les Équa-
tions de Park-*Giorev dans le système des coordonnÊes tournant lié
avec 1e {l.ux magnÉtique enbnassÉ du rotor. Des fonmules (36} chapi
tre I, il dÉcoulel
tl, -
R.^
D.-
lJ..-
Y
hf
I
I
il
I
I
l.;
ll
l,,t
l':
l-*-
ln
,1"
dl-
=-+
dt
R-'
- K- 9'- '
L'.
+ j(W -
1
-alr,r) l*-
J
où ù- = O tension du rotor d'une rnachine asynchrone à rotor en
court--circuit t
{1ux magnÉtique embrassÉ du rotort
RÉsigtance active du notort
Vitesse asynchrone de rotation de Ft
Vitesse de rotation du roton'
L'- = l* ( 1- K-.K- l ,
L'- = l- ( 1- K--K- l t
coef, du flux embrassÉ du stator
.L-
=-
l-
l*
=-
l-
doncl
o
Puisque
- coef. dt.l flux embra=sÉ du rotor
p Nombre de Paires de Pâles.
4L R- R-
=
-
+
-9t-
+ j(hfg- - pwt/- - K- _ V-
dt l* L',-
de la formule (35) chaPitre I
L
l'
t
I
I
I
ir
It
ll
lr
It
Ir
lr
l:
l:
l:
t:
II
4L
oV- R- . . *-*-rlr-F"- lLl-(lJ(-K-) i-*- . .
=- +
-9
I-K- *:({r -4bt$- -
dt L'- L,- L- (l-fi-.KF)
ap- n.fl- LJ-
=
-
+ (l-K-K-l IJt- + i*lg - PHl/- =
dt L'- L-L-
dV* n-9- ( 1-rd-tÇ
'
.
=
-
+
-
- R-.K-.r- + j ( 1{./- - pht rV- =
dt t* ( l-tÇtL )
g9- R-V-
=- +- R-K-t- + j (hlir--pwl9-.
dt l*
dy- R-. p-
-=
- j (blg--phf lL/- +R-.K-.f-
dt l*
De maniÈre analogu€r on peut Écrire (de la formule (361 chap I):
. t+- ,R-
,L =+ + f *-, v-lv- *ii:'*,
L L'-
En gubstitue dans cette équationr 1'Équation:
a..a
V- = L'-. I- '+ R-.9-
CIn obtient:
V-= L'- I- +
t
atf- R-
0 -
-
+
-V-
+
dt L.-
*-.'i,- , arors
j (ttg- - pnlg- -
Kru, -i -*- *-*JP-R^
L'- Lt-
K- . R- flrl-
Lr-
R-.R-.f -
lJ. = L'-
.: .,t,
dI- dY- . .
+ K-._ + R-.I_ + jhL-.I_ +
dtdt/
*g
K- .lL .r;, -
1
+j -.*-.û -
L'.
Lt-
d9-
dt
I
I
il
Ir
ll
lr
l:
l:
t:
42^
Doncr
dr-
Lt--=
dt
*j$-'t(^'9-
oWr,
R-f J + jhlg-
dt
ç-n-.Y- / L,- )
. R-. *--aià
r- - Lr-
-5pw.9--K- - R-Kr -i- *-i-
K-
+(
l"lais
Alors:
dr-
ta
l-1--
dt
- jt-. i- *
t(-.tÇ1,/-
R-, p- -:.
= -
-
- jwn-.v- * pw.ù- + R-.*-.r-
l*
n^tÇ 9- + jWv.'Y"R'
l*
- j wy-. K-.% - I;*- ,r- +
Lt-
Lr-
dI- K- R-(g-
dt l*L'-
.i **. i-
r- R- I-
-
j P H,p- K- - R- KIF
-
L'- L'-
ù-
Lr-
dI-
-=-
dt
(R-+ x" - RJ l-
(R-*xr -n,)i-
i-
-
jl{yb
-
+
Lr-
Lt-
K- R- 9- jRtLH t/-
L-Lt - Lr-
Lr-
* ù- (L,-)-r
On obtient deux Équations:
dV- R-
---!t_+K-R^
L-
dt
di-
-=-
dt
i- - j (Hr -pwld-.
lqg-r - K-R-p- K-9- u-
-j +--jphl-+-
Lr- L',- L-Lr - Lt- Lt-
En supposant que l'axe rÉel du système des coordonnées tournant
à une vitesse de rotation du flux magnÊtique embrassé du rotor
coïncide avec le vecteun *lux magnétique embrassé du rotor Ç- et en
Ë
E
E
Æ
G
E
G
E
E
€
Ë
E
æ
E
E
g
g
g
Ë
E
E
EI
E
*
â
=
Ë-=
divisant ces
pàsEiEll^ eu
équation5 en parties rêelles et
sy=tème des équationg suivantes:
r rnâg r nar' PEls ,
U-r
4î
on Peu
(4â'
dI-r
-=
dt
dlV-l
dt
tS-
(R-*t<, -R-) r -,
L'.
*_ rsr+
Lr-
K-R-
-1P-
I +
L-L'- Lr-
R-
=--
L-
pLf
lV-l + K--R-- r-r
, l9-l = K-.R-. r-
dt L'- r_,r , Lr- Lr-
gù I:r Projection du courant sup I'exe drV-
fra Frojection du courant suF I'axe imaginaire se diri-
geant sous I'angle h/21 suF I'axe I- ( axe rÉel )
Alors 1e mouvement dans Ie systÈme de coondonnÉes sena:
dt{
J _ = (,3/2, K- l9_l I-_ H-
dt
où H- est le couple de rÉsistance sur I'arbre d'une machine
asynchrone.
En résolvant ces équations avelc l'équation du mouvement pninci-
Fel; on peut déterminen les processus dynamiqueis dans une machine.
l'lais puisque ces équations gont non-linéail^cls;, pour obtenir unÊ!
golution simple et pour construire le systÈme de la commande élec-
trique analogue à la commande Électrique à courant continu, on peut
faire la compensation des liaisons non -linéair.es. trette compensatio
se fait à l'aide de système de rÉglage fournissant les signaux de
commande suivants:
lÇ-R, lt1'4/L- ; hly-. I-=i -qr,- Irr ; -K- phf l?-l (47l
réglage avec de
Ees signaux sont introduits dans le système de
signes négatifs.
41+
E_
I
I
r"J
fr
:
=
=
=
=
:
=
I
I
| -;:
Io"
I
I
I l--
| *.=
IL
I
lÉ=
t=
E
T E-
I
=
I
l-
EE
E-=
EÆ
€:
L-
I
I
I
I
I
I
I
lr-
,nl
l-l
'F I
iu ;
,
r - -r-
"sr
I
I
J
ù
H
lf
t-
: u,
=
o
-,
lq
t-
J
I
t-
I
I
I
I
I
I
I
I
rl
I
I
I
I
I
I
I
I
I
I
I
I
L-l
îL
r lrt
I La fonction principale d'un tel système de rÉglage consiste à
I
varier la vitesge de rotation d'une machine asynchrone et former
f les processus transitoires et statiques selon les lois nÉcessaires
I Par ailleurs r cÊ système doit exÉcuter les fonctions guivantes:
I
10' Transformen leg valeurs de sortie de cette commande électni.
I guer à savoir Ao, i-r [r- rnesurÉs dans le systÈme de coordonnÉes
- tournant liÉ avec le vecteur {lux magnÉtique embrassê du rotor;
I ?o) Optimiser le proceseius transitoire du système tournant ana-
I logiquement aux commandes Électriques à ceurant continu ]
I
3o) Eompenser les composantes non-linéaires des Équations d'une
I rnachine asynchrone;
40) Exercer 1'opération invense du passage du système tqurnan:
I au système fixe;
50) Fittrer le flux magnétique et le courant du stator des har.
I
moni guels supéri eul^ets;;
I âo) Obtenir les impulsions de =srtie de ce système, commoder
r
poup le rÉglage de l'onduleur d'un convertisseur frÉquentiel.
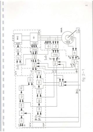
f Le schÉma fonctionnel d'une telle commande Électrique
I frÉquentielle evec le réglage vectoriel est reprÉsentÉ sur la
I
f i gure 2-r..
I A- LE trIRCUIT PRINCIPAL (DE PUISSANCE }
!
C'est un convertisseur de fréquentresi aveltr un redreEiEieup trom-
I mandÉ tCF-1. IL se cclmpose d'un redresseur commandé à thyristsrs
tRCl et à'un onduleur à thyristors Efd.fB|
t
I
I
I
lii
I
Le convertisseur permet de varier l'amplitude et la
fréquence de 1a tension aux bornes d'une machine asynchrone. Le
redresgeur commandé rÉg1e I'amplitude et I'ondul.eur fait varier
la frÉquentre de la tension de sortie.
46-
E_ LE sYsTEI'IE DE REELAGE VEtrTtrRIEL
1)- Les blocs tournants fg,ra
Ees blocg exécutent les opérations de comptage des valeuns
électriques i- ,u- d'un systÈme de coordonnées fixe cr-B à l'autr
système de csondonnÉes lié avec le vecteur tournant au flux
magnétique ernbrassé du rotor et le contraire.
Ils se ct:mposent de deux (O2l trans{ormateurs de phase TFH1 et
TPHZ, de deux (O2) transformateurs de coondonnÉes ( dinect et
inverse )
et AT2.
TCI et TË2, de deux (O?) analyseurs tnigonomÉtriques AT
-
I
)
Les transformateurs de phase transtornent'les counants du sys-
tème triphasér EU système biphasé tTPHl) et vice ver^sê, Ie système
biphasÉ deg signeux de rÉglage au systèrne tniphasÉ (TPH2).
Les transfonmateurs de coordonnÉes recomptent Ie cour.ant du sta
tor du système de coordonnÉes fixe biphasÉ au système de coordonnÉe
tournant liê avec le vecteup du {lux magqrêtique embragsÉ du rotor
L?n3rcns
(TC1) et le contraire, Fecornptent les6u systÈme de coordonnÉes
fixe(TtrZ)
Les analysclur's trigonomÉtriquels assurent 1'obtention du module
du flux magnÉtique embrassÉ du rotor (AT1) rd'un module de tension
(AT2), du sinus et du cosinus de l'angle dÉterminant la position
réelle du vecteur du {lux magnétique emhrassé du rotor (AT1}, de la
position nÉcessaire (AT2' du vecteun de tension de la machine as;yn-
chrone. Par ailleurs ATI et ATZ exercent la fonction de filtrage.
2) Les cincuits de réglaqe
Ees circuits de rÊglage de vitesse de rotatisn tCVl, du module
du flux magnétique embrassé du rotsr tCFl et du rnodule de tension du
stator d'une machinei asynchrone ttrl, rÉali=ent les processus trans-
itoires indispensabres et les processus statiqusls dans ce sys-
tÈme asgervi des commandes électniquels tréquentielLes.
E
47-
3) Bloc des capteurs de coordonnÉes
Ce bloc comporte un capteur de f lux rnagnÉtique ernbrassÉ prin
cipal tEflr ufi capteur de vitesse tCvzlrun capteun de counant ttrCl e
un capteur de tension tGtl. Ie capteur de flux magnÉtique transform
les signaux de deux (O2) capteurs de Hall dispo=És sur les axes cr et
E du stator d'une machine asynchrone.
tres capteluFs de Hall dÉterrninent les composantes instantanÉes
du flux magnétique embrassÉ principal suF les axes ct et E du sta-
tor' A la =ortie du capteur de flux rnagnétieuer on dÉpose deg signau:
proportionnels aux composantes instantanêes du flux magnÉtique
ernbrassÉ du rotor le long des axes cr et B. Un eapteur de vitesse de
rotatisn mesure la valeur instantanée de la vitesse réelle de rota-
tion du rotor.
Le capteur de courant mesurei les valeuFs; instantanées des cou-
rants de chaque phase du rotar, c.a,d. il dÉterrnine la position du
vecteur espâce du courant du stator. I1 reprÊsente un transforrnateur
de courants avec amplificateur. Le capteur de tension (c.a.d. le
tnansformateur de tension evetr un redresseur- non commandé et un
amplificateur) déterrnine la valeur absolue de Ia tension du stator
de la machinel asynchrone.
4) Bloc de compensation
Il cotnpelnse les composanteg non-linÉaires des équations dÉcri-
vant les procestus dans les machines asynchrone (voir relations
(47, ). trn peut considÉrer le principe de fonctionnement de cette
commande électrique à rÉglage vectoriel.
Donc le capteur du flux magnÉtique détermine la position et la
valeur absolue du vecteur du flux magnétique embpessé du rotor le
long de la circonfÉrence du stator de I'entre{er d'une machine asyn-
chrone dans le systÈme des coordonnÉes fixeg (u-B) sous forme de I
compÉsantes de Unn etV-o. Après filtrage dans l,analyseuF
trigonomÉtrique tATllr ces signaux gont divisÉs en casV et gi'nV
Jr
It
lr
ll
I
I
I
I
I
I
I
I
I
I
I
I
I
I
I
ljl
I
I+U
dÉterrninant la position du vecte,r* tIn Glt le module lP-l- dÉterminanl
1'arnplitude de ce vecteur. Les sin et cos sont fournis aux premiè-
res entrÉes des transformateurs de coordonnÉeg tTCll et ETCZI. A son
tour le capteur de courant tCCl et le transformateur de phase tTpHl:
dÉterminent la valeun et la position d'un vecteur espece du courant
du stator I- dans ccr systÈme de coordonnÉes fixe (cr*Bl sous formr
de deux composantes instantanÉes i-* et i-G.
Ees ccmposantes sont trangmiseg à 1'entrÉe de trtrll.
Le trang{onrnateur tTcll transfoFme 1e vecteur du courant du sys-
tème de cotrrdonnÉes fixe s-E au système de coordonnées tounnant lié
âvec Le vecteur du f Lux magnétique emhrassé à,,
"ottr"/-, sous {onmr
de deux composantes frr et Ir=.
trette transforrnation sera selon les équations guivanteg ( voin
chapitre I ):
r
I t-, = r--.cos p + r-4. stnpl
I
I t-= = r-Ë.cos p - r--.=ir P
L
Sur la figure 2-2 ,on montre la position du vecteur du courant
du stator dans les z systÈmes de coordonnêes puisque: ûrgt"1
I-- = ll-l .o=f r et I-o = ll-l =i. f ,
Alors:
r:r = lr-l .o=Y, .o=P + lr-l sintg=inV, = lr-lcos ,tl" -V,
Puisque 1a di+férence ,Y, -V ) ne varie pas dans le temps er
r'égi me stati que n al clrs l es si çlnâ1r,.{ Irr. et Iræ Étant propor.ti pnnel s
aux courants i-r et ,-= sont des signaux à coipant continu.
C'est pourquoi le travail deg canaux ttrVl et tCFl est en couranl
continu. C'est trÈs important, parce que ces cânaux peuvent Êtrs
calculésr de mÊme que les systèmes de négta{e soumis des comrnande:
électriques â courant continu qui sont connur et asgez bien étudiés.
r+9
It
|l
It
It
I
I
I
t
I
I
I
I
I
I
I
tii
I
,[l
t5
,Ê
tJ
U7
U --'/ ,,,
u3f
l^
lD

I tst l
U sot
lsZ
1'
q'
fin 2
-2
rrY / É_
50Û
'l
I
I
t
t
I
I
t
I
I
I
I
I
t
I
I
I
I
I
lil
I
Les signaux f -r et t%l sont *ournis pÊrspectivement aux arnpli+i-
cateurs additionneurs EiE et 54 où des opÉrations de comparaison ge
font entne les valeut^s réeIleg et les valeul^s; données.
A I'aide des nÉgulateurs Rl et R2ron optimise les FFcrtrElssu:;
dynamiques de la variation du flux magnÉtique embrassé du rotor.
Les signâux I-= et 9- sont transmis aux additionneurs Eil et 52
du circuit de vitesse.
€iur les amplificateurs additionneursn on cermp:rre les valErut^s
réelles de la vitesse hL et du courant I:= et leg valeur-s dÉtermi-
nants lrls et Ir:ea
A 1'aide des rÉgulateurg R3 et R4r. otr optimise Ie prtrcessus
dynamique de la vat-iation de vitesse de rotation du rotsr et le
protressus transitoire de la variation du couple électromagnÉtiqu*.
Les additionneurs Ei3 et 56 exercent, avec le bloc de compen-
sation ,une ccrnpeinsation des'composantes non IinÊaires de ce système
de commande Électrique.
A la sortie de Ei3 et 5É, les signaux proportionnels aux ten-
sions ur et u- ( voir fig.2.2 ) dans ce systÈme de coordonnées
tournant, sont transmis à 1'entrÉe de TCl. Ici nous auFons Ia
transformation inverse du vecteur de tension du stator dans le
système fixe biphasé ot-B , c.a.d. que les tensions de sontie de TCZ
sont U- et Uc. Ensuite ceg signaux U* et Up sont transmis au bloc
AT2 où ils 'sertrnt séparés en lu-l , cosVet si nL/ .En outre on f iltre
ici ces signaux.
La valeur lt-l dÉtermine la valeur de la tension de sortie du
redresgeur comrnandÉ par consÉquent 1a valeun de tension de sortie du
redresseur fréquentiel et de tension aux borneg d'une machine asyn-
chrone rÉglable-
Ilang Ie canal de tension ËTr on exÉcute I'opÉration de compa-
raison sur l'amplificateur additisnneur S? du signal de tension
indispensahle et du signal lu-l- de tension réerle. Le rÉgurateur RS
I
I
I
I
51
réalise I'optimisation du processuË tnansitoire dans le redressetr
commandÉ c-à.d. diminue la constante de temps de ce redresseur. A I
sortie du canal ETr le signal est trangmis au système de réglage du
redresseur ( EiRR l.
Les signeux électriques qui sont pnoportionnels aux cog et sin
passent à l'entrée du transfopmateur de phase TpHz où ils sont
transformÉs en systÈme triphasÉ de tension symÉtrique u1 r uz et
tls. Ces tensitrns portent I'informatisn de la fréquence indispensabl
du stator d'une machine ÉlectriquÊ. Le système de rÉglage de
l'onduleur (SiRO) tnansforme les tensions u1, u2! us Etp imputsions de
rêglage de chaque thyristor de l,onduleup.
Doncr ên cor r espondance des valeups dÉterminant lda et |%|.
de ce système de commande électrieuer on détermine une formation d
vecteur de la tension du stator de la rnachine asyntrhrone. En plus
on obtient une optimisation des pt-otressus tnansitoires de ces machi-
nes.
I
I
I
I
I
I
I
I
I
I
I
I
I
I
I
t
I
rI
I
I
I
I
I
I
I
I
I
I
t
I
I
I
I
I
I
I
signaux nÉgatifs suivants: ftl
52
I I I ANALYSE DE€i SYSTEFIES A REELAEE
VECTORIEL DU SYSTEHE
DE TYFE "TRANSVEtrTEUR'
Dans le chapitre IIr j'ai considÉré Ia synthèse de ces systèmes,
l'laintenant il {aut optirniser les circuits de rÉgl.age, analyser
les proc€tssus transitoires, faire le choix deg coe,fficients de négu-
lationr donc aveic I'introduction dans le bloc de comFensetion des
R^
1ç
-;9-l
i wVr-I-= i -wgrrlrr et -f=pw;/-l t
LF
Bn obtient le systàme d'Équationg suivant :
où:
Les
-(
I-r ) = - Tr -aI -t * (L, -) -t. U-r
dt
d
-(
I-:a ) - - Tr -tI -= * (L r
-) -t, U-=
dt
d..
- l?-l = -T=-'l -l -F â=rr:e
dt-
- ttl
(wgr - pw) lY-l = .=I-=
Lr_ L-
R-
= T=-l
t1 T==
I-r (s) (L"1-r
gz = K:zR-
Ke + KzzR-
Sr = Tr-t et Sz
fonctions de tnansfert seront :
S + Sr
(L' -1 -l
S + €i:z
53
r
I
I
I
I'J
.g
F
It
It
It
It
It
Ir
ll
I
I
I
I
I
I
t
I
I
I
I
I
lll
I
5lt
2'
de
I
I
I
I
I
I
I
I
I
I
I
I
lr
ll
lr
lr
ll
lr
lr
Ir
19- | t=r â2
=-
5+S=
Ire (sl
Le schérna egt montrÉ sur la fig 3-1
Les fonctions de transfert hfr (sl seront !
lo) Lorsque Ie convertisseur frÉquentiel aura une êquation
apÉriodique:
(L' -1 -r
ttlr (g) =
(5 + Srl (TFS + 1)
Buant le csnvertisgeur fréquentiel
retard pur :
eçt exprimÉ Per une Équa
tion
(Lr -) -r.e-TFE
hlr, (s) =
Ei+Sir
A -ÆALtrUL DEs REEULATEURS pU trENTttUF DU FLUX EHBRASSE DU RttTtrR.
Dans ce contour on utilise des rÉgulateurs prt3porÇionnels-
intégra1s.
10) ptrur Ie contour du courant : (I-r!
Kr Ei + l(a
hl+r (s) =
s
trela permet, dans le cas de l'utilisation du convertisseur à
équation apÉriodique d'obtenir la rÉaction au signal-unité du trou-
rant 1 (tl dans le contour de courant âvec dépassement de régl'age dt
5 I et une frÉquence maximal'e PPopre.
La fonction de transfert du contour ouvert du néglage du couranl
EiElra :
Tr Kr
-.
Ka. (-. S + 1)
L'r- Rz
ble (sl =
(Tr5 + 1) (T}|5 + 1) 5
56-
I
I
I
I
t
I
t
I
t
I
t
Tr )) Tr.
temps T1
g1
de
On pose 3
Kr.
Tr.=-ett
ld=
peut compensEl|^ Ia composantEl
fonctisn der transfert sera l
on
La
wr (s) -
K:e(TrlL''l
s (T},s + 1)
Hai selon 1e critÊne d'optimisation appelÉ optimum techriqr.rk7
|
L'- |
I
l(2 = zr, T,
I
Al.rs t'-":::-::=:
=transfert
du contour ouvert optimisÉ se.a '
I
zTpS(TrS + 1)
Donc
"
:-::::"=o'
*"'"=*:*' o' ""*"" {ermÉ optimisé sera
I
ZT-age + 2T;'S + t
I
Donc, grâce à I'optimisation, la variation de la valeur de sor- |
tie du contour optimisé dépend seulement de la petite constante de
I
temps Tr.
Pour'= ="Tn:";.oo'"]oo'"":":'=:," ==-'":'
='=r,, I
' z.!o
y=
L=+ =o,ror I
La fonction de passage est caractérisÉe.pan Ia valeur I
;rïï:ïî
nésrase $ = 4rs r er par rernps du premier mâx'
I
I
I
t
T
I
t
I
{:}
I.l
T
,f
I
I
I
t
I
I
I
I
I
I
I
I
I
I
I
I
I
I
:l
$t
t
56r
Le temps de réglage t- = Br4 t.'-.trette optimisation est obtenue
dans des conditions pratiques. Parfois trn appelle ce critère
d'optimisation, l'optimum de
^craùr.f€J
2Û l Pour le contour du rÉglage du {lux raagnÉtique embrassÉ du
rotor lP-l r cln utilise le rÉgulateur suivant 3
K:r€i + 14-
hlnz (s) =
s
La fonction de transfert du contour ouvent
total du rotor sera :
a=T=K+[ (Ks/K.e]S + 1l
l^f ' :e (s) =
si(T=S + 1' (2T'.l5l + 2Tr.,S + l)
En passant à la forme de notation suivante, (forne de Vichne-
gradskii ), on obtient !
hf' :e(p) = otr r
Ps+APl+Bp+1
azT=K*
(&o= - racine gÉométrique moyslnnet
(appelée fréquenctr gÉnénalisÉe)
2T rz
ff=
2T,
a=T=l(*
{fo
B=
D'où
aaT:rlL
B = !z,trTF-!/sAe
du rÉglage de {lux
AoF
En tragant cette courbe sur le diegrâmme de Vichnegradski et en
(
cherchant le rapport d'attÉnuation F r on peut dÉterniner les
t
coe'fficients A et B et Fap ËonsÉquent le coefficient K+ .
I
I En outrer tf, peut dÉtenminer apProximativement 1a valeur du
I
I trt:eff icient l{+ en utilisant les processu=; tran=itoires des chaines
I
ayant les équations!
I
s7
2Trz 5a 2Tl.S +1 et 2TrS + 1
Donc on peut sirnplifier Ia fonction de transfert du circuit du
I
I
{ I t-tx rnâgn ét i qute ernbrassé du rotor !
T
I
I
I
I
I
I
I
I
I
I
I
'I
I'l
I
W'rl, (rr -
1.
2T, I
s2+-s+1
aaT=l{+ a:eT=K+
g;ous 1a forme de Vichnegradski aveË 1'optimum techniquer cette
équation âLtr'â 1a {orrne suivante ,f{
l{'1p (p ) =
p2 + .tzp +1
où:
=J2
d'où !
l{.+ =
1
et flo =
2.12T E
4acTzTp
La fonction de transfert du contour fermé du flux magnÉtique
F a2T:rK*1h Qo'
-ry1-lt
L 2T- J a=T=K+
t total du rotor serâ :
I
--u'-'
' BTl,z 5t + 4TFS +1
58
Avec un contour de deuxiÈme ordre
on peut récr.ir.e cette éqr-ration ainsi :
hJi, tsl =
4Tt,SSs(ZTr, + l) +l
I
2ïrr 5z + 4Tl.,Ei +t
4TrS(?Tgege + 2Tr., +l) + I
BTr:sgs BTrzga + 4T,,S +l
(s
Sr
l,t
lt
Il
I
ll
I
rI
,l
I
I
t
t
t
I
I
I
I
I
I
I
t
ljl
I
DE RtrTATIT]N
1l Le contour du courant (I-a ):
La fonction de transfert de ce contour srt^a :
(L'-1 -r
hlr (sl =
où
B_-=çALzuL _EEX REËULATEURS DU DE REELAEE DE LA VITESSE
qui est supÉrieur
- intégral de f-:
4 Eir) (T}'S + l)
= 1/Tr
Four trornpelnser la grande constante de temps T1
à ï, , i1 faut r-rtiriser' Lrn r.égr-rlateur' propor.tionnel
1fu5 + 14.
lrlH:r =
s
En prenant l,optimum
l(=
Tr=
IL
Alors la {onction de
fermÉ optimisÉ sera :
technique on choisit
Lt-
Kc, =
ZT l.Tp
trangfert du contour de rÉglage de courant
ùlr-:r (s) =
ZT.,agr+ZT},S+l
I
I
I
I
I
I
I
I
I
I
I
I
I
t
I
I
I
I
I
I
ilr
2l Le contour de rÉglage de la vitesse de
Le couple ÉlectromagnÉtique d'une machine
minÉ par:
l{ = (3./2)nn=;ù-|I-=
sù p - nombre de paires de pâles
en posant a
59
rotation.
asynchrone est dÉter-
l'l = l{rrltll_1t-=
Par analogie des contoups des courants, ici on utilisé un régul,
teur proportionnel - intÉgral :
Ith+=Kir+tG/S
La fonction de trangfent du contouF ouveFt du
vitegse de r.otaticrn ser.â !
réglage de la
Jrf '- (gl =
KcKlnl9- | t (K?./KËts +t I
.ldcztraga + zr,s +ll
A treuse du bloc de division (voir fig ll qui gÉnère la normali-
sation de l'erreur de ta vitesse de rotation par le module du flux
rnagnÉtique total du rotor, la fonction de transfert peut Être Écrite
ainsi !
KeK;r r K-
" LË=*']
Jrf'-(g) =
52 (2Tr,2Sz + 2Tr. + 1'
La fonction de transfert du contour fenmÉ de la vitesse g'epe !
Kz
5+1
l(É
hL (s) =
2Tre3 ZT,.,J J
Sa+ g1S+
l("rltr Krfia Kml(c
Les valeups apFroximatives des coefficients
vent Être déterrninées si trn change le polynôrne :
Kz
s2 +_s+1
Ka
des rÉgulateurs Feu-
I
I
t
60r
2T2
',5,z
+ 2T,S +1 peF 2TrS +1
trel.a est possibler puisqucl les procrssus transitoires des 2
O cas sont proches.
I
I Il en résulte :
||{," =
l(z
-s+1
KE
?T'.J J Kz
5s+-52+-S+1
K{Ke Kd(re Kr:r
En gÊnéral le signal d'entrÉe de commande est linéaire, par^
I consÉquent il {aut optimiser ce contoun en ,riifisant 1'optimum
I symétrique té1.
r Selon cet optimumr la variation de la valeur réglable est dÉter-
I
I minée ainsi que! Ftrup l'optimum technique pet^ la petite constante de
I
temps Ty du conventisseur fréquentiet. tret optimum essurË! La rapi-
I dité de {onctionnement nÉcessaire dans le domaine des basses fréquen
I EE!s, et est utilisÉ pour les systèges de double intÉgnation surtout
r pcrur les systÈnres avec objectif de rêgulation ayant un intÉgrateur
I Cela permet de diminuer l'erreur de la vitegse jusqu'à zéro.
I
La fonction de transfert écrite sous la {orne de Vichnegradski
il aur^Ël la f orme suivante , û7
I
I
I
I
I
I
I
lii
I
où:
hL (P) =
2F+1
p"+Zpz+2p+1
(lo =
l{e =
(K-l t.7s(KÉ) t'..'s
(2T'I L/=Jt'.s
J
8*ir (2Tr ) 2
J
Kz=
2KF.2Tt'
+
I
r.)
I
lJ
I
13
I
D
t*{
$..1
I
I
|.fJ
.q
Vç
El ''
o
O
r
I
I
I
I
I
t
I
I
I
I
I
I
I
I
I
I
I
lit
F
ço
.-
9'-
0
$
Ê
I
I
,=
I
I
I
it
ll
Ir
It
ll
^1
fl5 =
4T-
En passant au polynËme
(2T''r 5a + 2Tr'5 +1 ,
de 20 ordre
on obtient:
ET,,S +1
hL (sl =
4 (2Tr, )4gi+
I
+ B (2Tr, l:r5:3
)Qo
+ B(TÂ|)zse + zTr|S +1
clu!
Ifo = Tr/2
2T'.
Â
fl5 = llta tb
Eious la forme de Vichnegradski 3
2ztfr + 1
hL (p) =
p,+ +?Fi'2ps +4pe +F.=p+ I
8Tl,s; +1
hL(P) =
(BT!,a $a + 4Tr,5 + 1) t
2I2p+1
hL(p) =
(P2+J2P+1)g
F = 2{2 TrS - variable :;ans unité Laplace
1
fLô=-=1Oâs-a
2.I2T'.
âvettr Tp =- =
-
= 3133 l0-s s-r
r Zmf= 6.50
Les canactÉristiques des amplitudes et des phases normalisées
la fréquence sont montrÉs sur la fig 3-2
63
I
I
I L'autre type d'action d'entrée est I'action perturbatrice de la
0- charge.
f La fonction de transfert sur la chargel sera :
SZT1,rJ-a!i (2T-t5r + 2T!'g; +1)
ld'r (g) = -
4(2Tr,)4Ei4 + B(ZTr,)sS:r + E(2T1.)aS2 + BT!,S + 1
le engendrÉ par Ie msteur asynchrone pendant le dÉmarrag
linéaiPE! Eere :
I
I
| ==r'"ï";::
I
I
I
t
I
I
I
I
I
I
I
I
Ili
I
J (ET}.si + 1)
H(s) =
t4(zTr.,l4SF + 8(2Tr')s55 + g(zT',)CSl + 8Tr.,S + 1lS
tr CALtrUL DES PRBtrESSUS TRANSITOIRES AVEtr UN SIGNAL D'ENTREE
Pour un signal d'entrÊe linÉaire :
K
hf(rl =-{r
ff.
sù r=llot t
K - vitesse d'augmentation du signal d'entrÉe fs-æl
En utilisant Ie thÉorème de dÉcomposition et la fonction :
EIT},S + I
hL(s) =
(BTtzgt +4Tl'S+1)l
On obtient :
{2
Kr.J2
W(r) =
-
| a + 2re-3,*=tr=reg65 g. - 3"I2e-<{2rzrsSin- Or
{r.L22
'12 l
+ |r Et-<{z/=, -gin _ 0r I
?J
I LINEAIRE.
64
6
5
+
3
7
1
n
tl
I
It
ll
I -wcûnsiq ne (6)
?- v'r(o)
fiq 3-J
W-?rzv K6
'r:Z /Sny6
I
I
I
I
o
I
.l
T
I
it
Ir
lr
l:
l:
65-
L'erreur de poursuite :
K
Ç-(fl = h|o-conna- - hf =
-
,r.
F
e- <r2t2t "
f
.1 2
ZorcoS- a +
7.
J2 {2
+ srz.sin r + csin+ "J
Le processusi transitoire est montrÉ sur la {ig 3 - 3
Le couple ÉlectrornagnÉtique est dÉterminÉ par le thÉorème de
composition de Laplace et par la {ormule suivante :
SZT'rJ-1S (2Trr ge + 2T,S + 1l
tt[.r ts] = -
c.à.d l
4(2Tl.)4Ei4 + El(ZTr,lsS:s + El(zTrrlsSt + gTl,Ei + 1
l'l(c) = Jl<
L'
.t2 .t2 {2 J?
fcos-a-Zsin-c+-rsin-
22?2
{2 .r7
2
or+
,E
i=
t:
t=
l_
l_=
l_..
I'=
l;
E=
E=
E=
E=
F;
E.-
E- 1:
E :
É:
EF :
66-
IV ETUDES EXPERIHENTALES
DE LA CT]HHANDE ELECTRIEUE A REELAGE VEtrTNRIEL
Les expÉriences se sont dÉroulÉes au laboretoire deg ', Eomrnandes
et machines ÉlectriqLles " de I'Institut des Hines de Leningrad Fen-
dant le mois de septembre 1gg"
On a utiligé pouP cela l'installation expérimentale conpor^tant:
- un moteur asynchrone
- un convertissËtut^ fréquentiel à thyristors
- un système de réglage vectoriel
Le schérna fonctionnel de cette installation est montré sur^ le
desgin 2, - t
Le système de rÉglage est conçu paF des bltrcs construits par la
chaire des machines Électriques de t'Institut des Hines de Leningrad.
Le circuit principal de puissance de la commande Électrique est
un moteur asynchrone du type AE lâtf3fâ/+, avec trornme charge une
machine à courant continu de type rH.El5 et un convertiss€luF fréquen-
tiel à thyristors standard de type Tn4-15. Les enroulements secondai-
res de cei tronvelrtisseurg sont hnanchÉs (couplés) en étoile (y) gtu
couplage triangle (A).
Par conséquent la valeur de la tengion de sortie du nednegseur
augmente. Le contrôle de ces valeursi et de la position du vecteur du
{lux magnétique s'exerce par des captçlurs de Hsll de type ffxr-z
installés le long des axes or - I de la machinei asynchrone.
En qualitÉ de capteurs de courant on utilise des capteurs du
typer$TrK-40 à la gortie du convertisseur dans chaque phase.
On dispose à 1'entrÉe du moteur asynchrone d'un capteur de ten-
sion poup le contour du rÉglage de tension.
. Dn a effectuÉ les essais sur cette installation.
l
til
li
ln
læ
lË
lc
lc
l-
I
IE
iT
E
Ë
Ë
G
æ
Ë
€
E
G
Ei
Æ
æ
67-
Les Éxperiences ont étÉ faites dans la gamme de frÉquence de
sortie du convertisseup de 0 à ôO Hz.
Le systàme de commande Électriquei considÉré permet d,exercep un
démarrage doux de la vitesse Égale à O,
Sur les fig 6 - 1 , 6 -z , 6 - 3 on a leg oscillogrammes des
pl EcËlstus transitoires de démarFage du moteur asynchrone. Le dé6ar-
rage est fait selon une loi tinÉaiFe! âvec une accÉlÉration égate à
1950 t/min- - Le couple d'inertie résultant de la cornmande Électnigue
est = OrO4 Kg.m/s
L'expérience a Été {aite pour di+fÉrentes valeurs des coeffi-
cients des régulateurs dans Le contour de rÉgiage de la vitesse.
Le processu€r montrÉ Êur la fig. ê - I possÈde le plus petit
niveau de retard par rapport à la vitesse de consigne . La valeur
mininale du retand dépend des propriÉtÉs de réglage du redresgeur
comrnandÉ
Sur l'sscillogramrne É - 3, pouF la mÊme valeur d,accélÉration,
on montre le dÉmarrag:+:i= valeur de retard ptus grande sup ta
vitesse de consigner à cause de I'absence du contoun de réglage de
ten=i on.
Siur les oscillogrammes â - 4 , le pâssage du moteun asynchrone
d'une fréquence à I'autre s'exerce evetr une accélÉration de gEot./min.
Le processus de fneinérgr dans ce schéma expÉrimentale n,est pâg,
rÉglable à cause de l'utilisation d'un redresselrp non reversible.On
peut voir cela sur la fis é - 5. Toute l'Énergie de la machine evetr
le passage du régime mtrteur au régime alterneur est accurnulé par la
capacitÉ tro du filtre du convertisseur.
Pour obtenir un processus de freinage réglable, il {aut avoi1^ un
redregseur comnandÉ rÉversible.
Le système de réglage vectoriel permet de
mÊrne que pouF le dÉmarFagei . Eiur la f ig 6 _ 6
I 'osci I lograrnrne de I ,augmentation instantanée
nÉg1en le fneinagel, de
nouË avonE;
et de la diminution
6B
i
!
69
I
I-n
I
I
I
I
I
t
I
I
I
I
I
I
I
t
I
t
t
I
I
EI
æ
70
I
I
'ts
I
I
t
I
I
t
t
t
Ë
E
E
I
t
I
I
I
I
I
I
rl
I
7r
lr
tr{ t
I
I
I
. ;--.
It.l
:.
72
I
i
; tl
_..i_
73
t_r'l
I
!
:
f f*r
iTr
::-
-ts
îÈ
:s
I
I
I
I
I
I
I
I
I
I
I
I
I
I
I
I
I
I
75*
instantanée de la charge (couple rÉsistant nominal).
Bn peut voir que le temps du procesisus transitoire est éga1 à
Ot19 seconde . L'eFFeup gtatigue avec l'application instantanÉe du
couple nominal est de LrT X de la vitesse nominale pour une frequenc
de sortie Égale à 43 Hz
l,
lil
I
I
I
I
I
I
I
I
I
I
I
I
t
I
I
I
I
I
I
76
V-BLOtrS DES SYSTEHESi DE REGLAËE VECTT]RIEL SUR
BAgiE DE trTRCUITS INTEERES
A-BASE D'ELEI'IENT DES SYSTEPIES VEtrTORIELS [4 a,gJ
1 ) Flul.tiplicateurs opÉrationnels-intÉgrales
Leg Élérnents des systèmes de rÉglage vectoriel fabriqués; pal^
I'Ingtitut des Flineg de Leningrad sont cnêes sur la base circuits
intÉgrés (CI) de large utilisation : les amplificateurs opérationnel
de type K 153 et K 14O et des paires de transistors (soondonnÉs) K5C
et K 15ç . L'utilisation des circuits intÉgrÉs diminuent la dimengic
et le poids . Efl outre ces trI Augmentent la rapidité de fonctisnne-
ment et la suretÉ des systèmes . Le choix du multiplicateur opéra-
tionnel est déterminÉ par !
- la rapidité de {onctionnement
- et 1'exactitude
L'amplificateur K 153 Y Dl est optimisé suivant ces principaux
paramètresrc'est pourqtroi on peut rÉaliser tout le système vectoriel
à l'aide de cet amplificateur . Pour certains blocs r of, utilige des
amplificateurs de type K 14O . I'amplificateun K 14O Y Dl a des cir-
cuits de correctisn compliquÉs , mais passèdent de grandes valeurg c
ldo et Ko . en cette vertu il peut Être utilisÉ en qualitÉ
d'intégrateur et de rÉgulateur intégrable . La prÉcision des opêna-
tions exÉcutées dÉpend des É1érnents qui rÉalisent leg circuits opÉr:
tionnels . On r{:co,nfiande d'utiliser des condensateuns précis de typt
K 7O-7 et des rÉsistances Ê?-ZqT . Ees résistanc€rs pGr trettent
d'obtenir unei précision statique égale à Or5 *
I
J
I
77-
"l
-l
I
I
I
I
I
I
I
I
I
I
I
I
I
I
I
I
-l
J
I
Tableau t
Tableau 2
paramÈtnes 14û Y Dl 14O V D? 14O Y DE 1s3 Y Dl r53 Y n2
coefficient d'ampli
fication Ho. lOÊ ot3 30 l-5 2-g 10-30
FrÉquence d'ampli-
f ication f - (l'lHz ) 20 0r?. 3
vitegse d'augmenta-
tion du signal VlrtÉ 10 or 1? 2-5 ot I or6
courant d'entrée
I
--. ,lA 5 I 2- 10-3 I 0rl
rÉsistance differen
tielle de sortie
Ro en KO 20 200 1oCI looo
Amplitude du
signal de sor
tie tU-o-q V
avec une rÉ-
R=tt=o
R-
sistance de lR-r-
charge R=r,
-Et5; +lç
-6 r 6; +1O
-3 r B; +16
+tOi -t I
tlO; -11
+lO; -11
Èl3r-14
+12; -14
!lO; -11
+13r-14
t13; -14
+13; -14
t13r 14
+l3r -14
+13i -14
Tensiong nominaleg
d'al imentation
U-r en V
+l?r6 t12r6 +15 +15 +15
Eourant absorbÉ
f-,' en mA B B' 5 5 2
Nbre de circuits de
correction o-? 3-5 0 L-2 I
Erreur statique
â-+,* 'o,55 orol oroB oroS otol
ParamÈtreg K15?HT1 K5O4HT4 K 140 I'tA I
Plage de variation
de U-o-. 1000 500 100
Erreur statique
d-c' {%' 0r? or2 5
Erreur de tempÉra-
ture (f ) ?r5 2rS 10-2s
DérivÉ de zÉro
mV +5 +10 50-250
Entr ée1"
I
I
I
I
I
I
e1
R3
R4
Entrée z
CONTRE-
REACTION
*'+VA L
%
+rT0TA L
w'f
i.-VAL
t
I
:
T
I
t:
I
t
1,,
R21 , Rzz Rzs
FriG k1
I
I
t
ll
lr
lr
lr
ll
lr
79.
2) DiEpositifE de multiplication
Le choix du rnuttiplicateur analogique est plus compliqué que le:
autres opÉrations
Les dispositifs de rnultiplication Étant commodes pour la rÉali-
sation , ils se basent soit sur la méthode Logarithmique r soit sur
la mÊthode de la différence des carrés , soit sur la mÉthode de la
modulation d'amplitude et de fréquence , soit sur la méthode de la
conductance transitoire des tnansistors
Le multiplicateur d'un =ystème vectoriel doit Être asstz rapide
et prÉcis , de nÊme qu'il doit avoir une rÉalisatitrn simple . Le
système vectoriet doit forser les proces=us'transitoines , c'est
pourquoi la bande passante de ces multiplicateurs ne doit pas Etre
infÉrieur^e à 3OOO ra et leur prÉcision doit Etre Égale à ( O'5+1) t.
En sutre r uF multiplicateur doit avoir les paramètres princi-
paux suivants 3
-la gamme de variation des signaux d'entrÉe et de gortie egt de
+10v;
-le crrefficient de transnission est de OrO? + Ortl ;
-la résistance d'entrée siePa supÉeieure à 15 + 20 HA
le multiplicateur choisi Ecircuit intégrÉ type K 14CI l"lA t -
(tableau 2l I ne satisfait pas à ces exigences
Ees exigences sont obtenues par des multiplicateurs baség sur 1i
mÉthode de commande de commande de Ia conductance transitoire des
transistors
$ur Ia figure 4-1 on montre un multiplicateur de ce type réalist
=;ut- la base de deux paires de transistors (coordonnÉs) à effet de
champ avec p-n passage de type K 5O4 HT 4b et sur deux amplificateut
opÉrationnels K 153 YD 1 . Four multiplier deux tensions r le dispo-
sitif de multiplication cornporte un schÉna en pont (résistances R 10
R 11 et les transistors à effet de charnp T2 et T4 )et un schéma de
pont comportant les rÊsigtances RB et R9 et leg transistors à effet
=
-_:
._,
i=
t_
| .-
l,
I
l
t-
E
E=
E=
E:
EJ
E
-
E:=
F ==.1
80
de champ T1 et T3 à D1.
La tensitrn U= (entrÉe 2l est transmise à l'une des diagonaleg d
pont dont le ctrefficient de transmission K est proportionnel à la
tension Ue (entrée l) . La tension de la deuxième diagonale est
proportionnelle à KUr qui est amplifiée par Y2 . Le pont compensant
est branchÉ à pantir du circuit de liaison inverse de 1'amplificateu
Yl qui commande la tension rÉglable des transistsrs à effet de champ
T3 , T4 à D3 . Ee pont est destiné à se débarrasser de l'influence d
la non-linÉaritÉ du coefficient de transmission du pont et de Ia
variation de la résistance du transistsrs à effet de champ . Le
signal Étant proportionnel à la tension d'erttnÉe I est trangnis pat^
l'intermédiaire de la résistance RZ à I'une des entrées de
I'ampli{icateur Yl , mais la tension aux bonnes de la rÉsigtance R12
est transmise à la diagonale du pont . Alons le coefficient de trang
mission du pont compensant est proportionnel à la tension d'entrée 1
Pour assuper unÊ grande prÉcision statique du multiplicateur n i1
faut établin des tensions pnÉalables sur les bases de Tl et T2 . On
choisit te diviseur R3-R4 ainsi que la tension du ct:llecteur-émet-
teur du transigtor T1 qui est inférieure à lOO mV (avec un signal à
l'entrée I Égal à O). La nésistance R2 fait varier Ia tension du col
lecteur-emetteur de T1 qui egt lirnitÉe à t 25 mV avec une variation
du signal d'entrÉe de + 10 V . Ees limites gont dÉterminÉs par 1es
caractéristiqurs tension-cour'ant non-linÉaires des transistors à
effet de champ
L'entrÊe lt permet l'opÉration suivante:
LJront = KU= (Ue + U'r. l
ûù:
K -coefficient de trangmission du multiplicateur ;
LLant , Ur tlll et U'r -tengiong de sortie, de l'entrée 1 ,de
l'entrée L' et de l'entrÉe 2 du multiplicateun
Avec les couplages l-2 , 3-4 et 7-E ,le coe{ficient de trans-
=
=
=
l*
t_
t:
t*-
I
t:
l=_=
l=
t=
t-
l=
E
Æ=
E-
E=
E=
E :
E=
-
E
E=
E=I
E::
81
mission cts't ptrsitif ; âvec les couplages 1-4 , 2-3 et 7-9 ce coeffi-
cient est négatif . La borne 9 ,aveic 1O-1 dÉbranchÉ, peut Ëtre uti-
lisÉe Four accorder à la gortie du multiplicateun 1'amplificateur de
puissance . L'accord du rnultiplicateur est fait de Ia manière sui-
vante !
10) on Établit une tension Êtalon Égale
la rÉsistance R12t
2l' ) on fixe la tengion de gortie zéro
I'entrée 2t
à (6 + 9) V à f 'aide de
avec la tension zÉro de
30 ) r]n Ëgale la tension de ssrtie de Yl qui egt Égale à
(O + 10û) mV à la tension de l'*nt"É= l elle mËme égale à tC
V par l'intermédiaire de la rÉsistance variable R3t
40) à l'aide de Ia rÉsistance Rê trn donne la tension sur la ba=
de T? assunant l'atténuation maximum du signal d'entrée 2
Le csefficient de tnansmission du multiplicateur varie à 1'aide
de la rÉsistance R12 . Dans le tableau 2 on montre les caractéristi-
ques du multiplicateur construif. à l'aide du circuit intÉgré
K SO4 HT 4 . Ees canactÉristiquels sont obtenues expÉrimentalement
Les essais d'échauffement du multiplicateur sont fait dans gamme= de
tempÉrat.r"== A= (5 +.4Olotr . Le rnuLtiplicateuF e unei bonne prÉci=io.n
dans tous les quadrantg (pas moing de OtS X) . La prÉcision du multi
plicateur dépend de la stabilité des tensiong d'alimentation
g;i 1a stabilité des tengion= n'est pas suffisante r alor.s iI
faut fournir des tensisng à la régistance R12 et aux diviseuPs R3-R4
et R5-R7 des stabilisateurs sêparés . Les essais montrent que
I'utilisation des paires de transigtorg (accordÉs) à effet de champ
permet pratiquement de ge dÉbarrasser de l'in{luence des caractéris-
tiques tension-courant non-LinÉaires sur la prÉcision du rnultiptica-
teur et permet d'atténuer entièrement la dépendance de la rÉsistancs
du collecteur-emetteur des transistors à effet de champ de la
tempÉrature
I
I
I
I
I
I
t
I
I
I
I
I
I
I
I
I
I
I
I
I
I
82
Les dispositifs de multiplication sur la base de K 504 HT 4
peuvent Ëtre utilisés pour la rÉal.isatitrn pratiquement de tou= les
blocs du système vectoriel où iI est nÉcessaine d'exécuter des
opÉrations de division n de 1'obtention de module , de la racine
carrÉe etc...
Les multiplicateurs des circuits principaux des génÉratrices
biphasées fonctionnent dans des csnditions spécifiques : En atrPlique
sut I'une des entréeg une tension sinusoidale et sur l'autre une
tension à courant continu avclc une amplitude vaniable de O à 10 V
les multiplicateurs doivent as=iut^er unel gpande prÉcision de La
multiplication dans unei gnande plage de variation de la tension de
sontie p = l:1OOO ce qui correlsFond aux frÉquences de la génératricr
( OrZ + ?OO Hz) -
La valeur absolue de 1'eFreur doit diminuer proportionnellement
à Ia tension de sortie . Dans le cas contraire , pour les frÉquenËes
infÉrieupes à 2 + 1O Hz , iI existent des distsrsions des ondula-
tions sinugoïdales de la gênÉratpi.ce ,ce qui compliquent le démarrag
de la commande électrique . Pour unet commande non réversible r ûf,
peut utiliser un multiplicateur à deux quadrants
Sur la {igure ? on montre le schérna d'un multiplicateur à deux.
quadrantg simple basé gur 1a vaniation du coefficient d'amplificatio
d'un arnpl if icateur dif +Érentiel . tret arnpl if icateur se f ait à I 'aide
d'un paire bipolaire gur Ia hase d'amplificateurs opÉrationnels
(accordÉs) K 159 HT 1-B . La résistance interne d'un tnansistor vani
à cause du signal d'entrÉe 1 . C'est pourquoi le courant de Ia
génÉratrice à courant stable réalisÉ par l'amplificateur Yl est
redistribuÉ et le signal diffÉrentiel entre Ie collecteur de la pair
est arnpli+iÉ par Y2 , Puisque le coe{ficient d'amplification de
l'amplificateur différentiel dépend du ctrurant de la génératrice à
courant stable dÉterrniné par la tension d'entrÉe ? , alons la tengio
de sortie est proportionnelle au produit des signaux des entrÉes du
,i
Ée
'd>
Fl r
i
rutt
iF
iE
iO,
)vt;,,
tt ,l
z.
o
.iF
lo,
;<
IJ"J
tEr
jl r
luri
IE
:t-
'rZ
io,
IO
srt
J
<
+
tr'-1
:i
CI
.l
ll
o
!b
1I
I'
Èl
ç Ë
c{
É.
s I n,gr 'cos'yr
Ms
,!
(u,
FIG 4-3
FIG L.L
I
I
I
I
I
I
I
I
I
I
t
I
I
I
I
I
I
I
86-
L'erreur absolue de la ternpÉrature ne doit pas Ëtre supÉrieiune i
(2O+2OO} mV-
Les essaig du rnultiplicateur constnuit à l'aide de K 159 HT I
mtrntre que celui-ci satisfait aux exigences des circuits principaux
des gÉnÉratrices biphasées du système vectoriel
Girâce à la grande précision statique ,ce multiplicateur sur bag'
du t. I. K 15? HT 1 peut Ftre utilisÉ poun la rÉalisation des opÉna-
tions d'obtention du carrÉ et de la racine carrÉe , de mEJne que la
division
Ce multiplicateur peut {onctionner dang les quatre quadrentg.
Pour cela , le schÉma de la multiptication dàit comporter deux multi'
plicateurs à deux quadrants et deux multiplicateurs.
Le calcul du carrÉ de 1'amplitude de la tension variable peut
Être obtenu en appliquant le gignal eux entrÉes liÉes du multiplica-
teur à deux quadrants par Ie redresisieuF précis Ern pont construit à
l'aide d'amplif icateurs opÉrationnels.
E-E trtrs pEs sysrErlEs vEcrrrRrELS f7r(g,lo7
-tl
1) Blocs des'transformateurs de coordonnées
Les blocg des transformateurs de csoFdonnées rÉalisent la
rnatrice tournante deg vecteurs c.à.d qu'ils transforment les compo-
santes des signaux des axes LiÉs farmant avec le flux magnétique
embrassé du rotor dans le système fixe deg axes; n-B et le contraine.
Le hloc du transformateur de coordonnées (figure 4-3) se compo-
sent de quatne multiplicateurg K 5O4 HT I et de deux amplificateurg
opÉrationnels K 153 YD I {onctionnant tromme des additionneurs. Le
systàme vectoriel comporte d'habitude deux blocs de transformateurs
de coordonnées: 1e transformateur de coordonnÉes du vecteur de ten-
sion et le trans{ormateur de coordonnéeg du vecteur du courant sta-
I
{l
I
torique
I
I
I
I
I
I
I
I
I
I
I
I
I
I
I
I
I
I
8r
Siur le transformateur de coordonnÉes du vecteur tengion r oE
epplique respectivement aux entrées 1 et ? des multiplicateurs Hlrl'12
H3 et l'14 des signaux sin et cos déterrninant la position du vecteur
du {lux embnassé du rotor par rapport au système de coordonnées
cr-F.Sur les deux entrées des multiplicateurs Hl ,1"13 et H? tl'14 on
applique les composantes de la tension du stator orienté suivant le
vecteur
Alors ,eux bornes de La sortie des blocg du trans{ormateur de
coordonnées r En ;rure les composantes du vecteur de tension âux axesi
fixes cr-8:
lJ* = u'sogQ- u==rnV
Ua = U'sinp+ U=cos9
Pour le transformateur de coordonnées du vecteur de courant du
stator ,on appl.ique aux borneg ? des multiplicateurs Hl ,H3 et l"l2,f'l
les composantes du vecteup ,nesur.ées dang le système c*-F , mais à la
sortie du transformateur de coordonnÉes r on obtient des signaux
orientÉs suivant 1e vecteur du flux magnÉtique embnassé du rotsr:
I:. = I-sgir,9 * I--cos I
rra = r-tcosp- r--sin9
2) Elocs des transformateurs de phases
Les transforrnateurs de phases (TPh) gont destinÉg à transfonmer
les systèmes des tensions variables triphaséËi en système biphasés
Équivalents et vicer-verpËa. Sur la figure (4-4a) ,on montFe un trans-
fsrmateur de phases qui à I'aide de deux additionneurs Yl et Yz
transforme les vecteurs ia sis' eit iç déphagÉs de 12Oû en vecteurs i-
et io déphasÉg de 9Oo.La relation entre les valeurs de base et celle
transformées est déterminÉe par les formules i
I
Il
I
lJr,o
tr)
l'1-
92
a
o
(,,
c
0)
o)
t-
,C
LU
t)
c
u
!-
0)
rq.l
.t-
C
tr-I
NE
oË
UO
o
ôl
9c ql
=,:to
'g+
(9
-?
IL
Fr
1l
I
7l
>l
c).
ml
t_
I
I
I
I
t
I
I
I
I
t
t
I
I
I
t
I
t
I
I
I
T
ffi
89
ir = ia'- Ors(ia + ic)
ier = Or5 .fs(ip - ic)
Le transformateur de phases msntré €uF la figune 4-4b ,
co.nptrsÉ de trois additionneurs Y1*Y3 trangforme les vecteurs Uo et
Ên système tt^iphasÉ Ua r LI- et t.[ décalÉ de 12Oo d'aprés les
Équations siuivantes :
Uar = U-
U3=-SrS(Uo-JS.tË'
U= = - srs(tL + .ts.Llg)
Avec cele la valeur de R peut Ëtre égale.à 15-30 KA
La précisisn des tnansformateurs dÉpend des conditiong dt:
l'Égalité des conductanctÉ des circuits branchés aux entrées des
ampl ificateurs
3l Eltrcg de calcul des modules
Ces blocs font le calcul de module de I'amplitude du système
bipha=é de la tension . Le systèrne de rÉglage vectsriel comporte qua
tre blocs de calcul de module (Btrl'l''. Dans Le calculateun du module
du {lux magnÉtique embrassé et le calculateur du module de
l'amplitude des ondulatians des gÉnératrices du systÈrne biphasé, les
tensions fonctionnent dâns une petitl gamme de variatisn d'amplitude
Le calculateur du module de la tengion du statcrr tnavaille avec de
grandes variations d'amplitudes des signàux des entrées dépendant de
la vitesse de Ia commande électrique . C'egt pounquoi le bloc de cal.
cul du module peut Etre dif+érent par la plage d'amplitude de fonc-
tiçrnnement avec une prÉcision donnée .Leg calculateurs de moduleg
sont reprÉsentÉs sur la figure 4-5 par des pointillés . EEr calcula-
teur s;el co,npogent de deux murtiplicateurs HS et Hâ ( circuitg
intÉgrÉs K 5O4 HT 4 )fonctionnant dans le régime des quadrateurs , e
du calculateur de la racine carrÉ basÉ sur I'amplificateur Y=t
(K 153 YDl) avec le quadrateur dans Ie circuit de csntre-rÉaction
6 = lnl.si',f -V", = Inl.si"(f..')f* - si#*..o=V,
lAl - module du systÈme biphasé
sirr(-f-f l n{-Y- avec ({-
d'entrée
tf- t < tt/3
I
.'l
-l
I
T
I
T
I
,rl
-l
I
I
,rt
I
I
(l
I
I
I
I
I
I
90'
Le signal de gortie du calculateur de modulei set^a égal :
Co=JCÊr*El=
où ce , E= signaux de sontie des quadrateurs
La précision du calcul dêpend de Ia prêcigion deg coef{icient d
trangmisgion des multipl icateurs
Pour dininuer les erreurg de calcul des signaux d'entrée (proch
de zéro) , il est nécessaire d'établir 1'amplification dans le cir-
cuit de balancement précis de zÉro
4) Blocs deE analyseurs trigensmétriques
L'analy=Etup trigonomÉtrique est le bloc ie pfus compliquÉ du
système vectoriel de rÊglage . Il détenrnine les harmoniques princi-
pales avec les amplitudes d'unité sin et cos du système biphasés
i* -*
des tensions sinf et cos$ c.à.d que les harmoniques supÉnieiuFEls son
filtrÊes . Le bloc comporte plusieiurs circuits {onctitrnnels (fig
4-5) . Le comparateun trigonomÉtrique basé sur 1es multiplicateurs
H?rl'llO et 1'amplif icateur opÉrationnel additionneur'YB dÉterminent u
signal. proportionnel au sinus de la diffÉrence des phases du système
d'entrée des tensions et du système de sortie c.à.d :
où:
L'augmentation de lAl corr €lsp{rnd à l'augmentation du coeff icien
de transmisgion du comparateur
Le rÉgulateur proportionnel-intégrateur (PI) conçu avec les
amplificateurs Y?-YIO met en pha=e 1e systÈme d'entrée deg tensions
et le système de sortie des tensisns evec une qualité optimale . Le
circuit de lissage rÉalisÉ par l'amplificateur Yll exerce un filtrag
r 9rt
I des harmonique= supérieures et la formation des proccls:iu:; transitoi-
I
l^es-
I Le schÉma principal du bloc de l'analyseun trigonométrique est
I la gÊnératrice du systènre biphasé des tensisns (générateur sinus-
I cssinus ) rÉalisÉ sur^ la base d'un circuit réglable conservatif avec
I la stabilisation dur du cycle limite . tre gont les multiplicateurs
r Hl-l'l? et les arnplificateurs Yl-Y?. Le systèrne de stabilisation du
I système biphasé des tensions egt forrnÉ par les ÉlÉments HJ-HEryS-y?
De type de gÉnérateun sinus-cosinug a beaucoup d'avantages
I L'introduction de l'erreur d'amplitude aux amplificateurs
I intÉgrales Yl-Y? permet de stabiliser I'amplitude âverc prÉcision . Lr
I
calculateur de module (BCH) permet de déterminer lenternent
I l'amplitude deg ondulations qui est proportionnelle au signal de
rÉférence lÀ.o . Le rÉgulateur proportionnel-intégral (y5-yÊ) et la
I nonmalisation du signal d'erreur de I'arnplitude (Y?-YA) dgnne la
I possihitité d'obtenir une qualitÉ optimale de la Etabilisation
I
indépendanment de 1'ampritude du signal de rÉ{érence
I Le gÉnÉrateur fonctionne dans là garnme des fnÉquences O'?-3OO H:
I si les multiplica,teurg t41-l'12 sont basÉe sur les cincuits intÊgrés
r K 15? HTI et les amplificateurs Yl-Y? de C. I. l{ l4O YDZ et H 153 YDl
I Avec cela, l'erreur de l''intÉgration de I'intégrateur formÉ par
I
l'ampli{icateur K 140 YDZ FouF un temps T = 1 seconde sene de OTJSU.
I Pour calculer cette ÊrFeiuF il faut utilisen la formule suivante :
I
I loo ir r I
a=- l- + _+ZC I
2t'.otr| R RD i
ILJ
où:
I E = OIOS lJF - capacitÉ dans le circuit de rÉaction ;
RtD et l{o - sont rnontés sur le tableau...
r
rl
I1
I
I
I
I
I
I
I
I
I
I
I
t
I
I
I
I
t
I
t
t
I'r
I
+l
()(.)
+l
mm
+, 1
m
o
É
)<
@
îs
p-6
(r)
o
o
(o
I
t
(D
rFrr
|r
.()
I
I
It
lr
lr
lr
ll
93
En Établit dans le circuit de contre-rÉactisn des intégrateul^s
YI-YZ des condensateurs prÉcis, mais Foup le rêglage du niveau zérc.
ctn utilise les gchÉmas de balance du zéro.
Pour Établir les conditions initieles on peut utiliser des
résigtanceg sur les entrÉes de Yl et Y2 . Le systÈme vectoriel co{n-
porte deux analyseuF= trigonomÉtriquesi (AT1 et AT2).Le bloc AT1 éla-
bore les signaux des composantes du vecteur du flux magnétique
embrassÉ rotorique âvEltr des amplitudes égales à 1'unité. Ces compo-
santes sont proportionnel.les aux cosinus du vecteun du f lux rnagnéti-
que emhrassÉ du rertor p'- p** rapport aux exes {ixée des coondsnnÉes
ct-B. Le bloc AT2 engendre un systÈmel nor^rnalisÉ sur l'amplitude de=
signaux des cornpssantes du vecteur du staton U* et Ua . tre systèrne
lL - Ua est transformé en systÈrne tniphasé utilisé pouF te réglage
de la fréquence et de phase de la tension de sortie du convertisseur
fnÉquentiel
tr- BLTTtrS DE REELAEE DES CBNVERTISEiEURS; FREGIUENTIELS DES CTT,IHANDES
ELECTRIAUES A REGLAEE VECTBRIEL
1) Eloc de r de l'onduleun autonome du convertisseur fr
ti el
Pour comrnander l.es convertisseurs fréquentiels dans les systÈrne
vectoriels r il {aut avoir un système de régl.age avec deux circuits
séparés . Avec cela r g;i la tension du nedresseur varie âvec les
signaux.du courant continu n alors la fréquence et la phase de Ia
tension de sortie sont rÉ91Éeg à 1'aide du système triphasé des ten-
sions sinusoidaleg . Ees tensions sont engendrÉes par le =ystème
vectoriel et il faut les transforner en impul=ions de réglage des
thyristors de I'onduleur . Four âssur Êu- un démarrage stable du moteur
dans notre cas r il est nÉcessaire d'avoir des irnpulsions de réglage
larges des thyristors de l'onduleur . Eiur la figune 4-6 r e1 montne
le schÉma du bloc qui forme le système triphagÉ d'entrée des tensionr
I
I
I
I
I
I
I
I
I
I
I
I
I
I
I
I
I
I
t
9rr
sinusoidal.eg et le système des irnpulsions nectangulaires d'une durr{
Égale à 600-lEl00 el.
tres impulsions sont décalÉes de 6O0 el. et suivent la frÉquenr
du signal d'entrÉe . En outre , ces irnpulsions sont complétÉes par
des ondulations rectangulaires d'une fréquence porteuse de 1S-ZOKHz
Le bloc de rÉglage de l'onduleuF €l trois entrées et six sorties . t
prend des sorties du bloc les irnpulsions Ëorrespondanteg aux trois
positives et aux trois négatives des demi-ondes des phases ArB et t
de la tension d'entrÉe . Pour assurer une division Électrique du
système vectoriel et du bloc de rÉgtage de 1'onduleur avec la parti
puissance des convertisserrps {réquentiels ,1es impulsi.ons de négIaç
sont fournis âux électrodes de Ia commande électrique par des tnans
formateuns d' impulsion
Le bloc comporte les élÉments guivants !
al les amplificateurs formateurs à base de tr.I.yl-yÉ,
b) les modulateurs formateurs à bage de tr.I.y7-yl2,
c) Ie générateur d'ondulation des grandes fnÉquenceg yl3,
d' les amplificateurs de puissance des impulsions de sortie
T1-T12 et les transforrnateurs de sortie Tr1-T16
Puisque le blotr Ëclnptrrte trois canaux identiqueis (phases) r F
consÉquent il faut considÉrer les éléments du btoc du seul canal de
la phase A.
Les amplificateurs formateuns réalisÉs par les arnplificateurs
Y1-Y2 du type H 14O YDI avec une boucle de contre-nÉaction cruverte
tres ampli{icateurs fsrment des impulsions positives rectangu-
laires aver une durÉe égale à l€l0oel. en utilisant une tension sinu
soïdale de gortie avec l.'absence de tension de sortie dêcalant du
diviscrut R3ê-R37
I'amplificateur Yl crÉe Les irnpulsions des demi-ondes positive
de la tension de gontie de phase . Pour cela le signal est trangmis
I'entrÉe qui ne changei pas la polarité du signal d'entrÉe Far l^appo
I
I
t
I
I
I
I
t
I
t
I
T
t
I
I
I
I
I
I
T
I
I
95.
au signal de gsrtie . L'amplificateur YE fonme les impulsions posi-
tives des demi-ondeg négatives de la tension de sortie . Ë'est pour-
quoi le signal d'entrÉe est transmis à l'entrÉe inverseuse
La rÉsistance R35 asgut^el unei tension nÉgative stable sur
1'entrÉe des amplificateurs Yl-Y? corresFondant à une tension de ssr'
tie nulle du bloc avec l'absence de signaux d'entrÉe. A t'aide de 1,
tengion de polarisation du diviseut^ R3Ë-R37 fournissant eux entrÉes
inverseuses de YI-YZ r Dr peut rÉgler Ia durée de= impulsions dans
les limites êOo-lB0oel.. Par exemple , avec une tension de
polarisation égale à 5 V et une amplitude de la tensitrn d'entrée de
Y1-Y2 égale à 10 V, la durée des impulsions =="* At 12Oo élÉctriquelg
de la période de la fr-ÉquelncÉr d'entrÉe. Les diodes D1-D4 servent de
protection des entrÉes de Yl et Y? contre de très grands signaux
d'entrÉeg
Les msdulateurs formateurs à base d'amplificateurs Y?-YE de typ
K 14O YDl sont destinêg à augmenter le front abrupte deg impulsions
et à cornplÉter ces irnpulsions par .des ondulations de grandes
fréquence= . Pour cela on transmet aux entrées inverseuge de Y7-YB
des impulsions positives qui =uivent avetr une {rÉquence de 15-?O KHz
du gÉnérateur Yl3 r mêis aux entnées non-invtrseuses deg sortieg de
Yl et Y2 on trangmet deg irnpulsions positives dont la durée détermin
la durêe de Ia succes;sion des impulsions positives de grande
{nÉquence engendrÉes aux sorties de Y7 et YB
Le gÉnérateur de tension rectangulaire en modutlatisn de
{réquence porteuse egt construit à l'aide des G. I. Y13 de type K 140
ypl et du pont R4O-R41-R3B-tr13 . La pÉriode des ondulations avec
R41 = R4O = 3O Kfl sera d'environ 5O l.ls tZRSE-El3t.
Les amplificateurs de puissance des irnpulsiong de sortie sont
construits avec des trangigtors doubles (T1-TS et T2-T4 de type
n7gzl. Les transigtors peuvent travailler sut^ des fréqLlenc:es allant
jusqu'à 5I'tHz et ne limitent pas la rapiditÉ du schéma
I
t
I
T
T
I
I
I
I
I
t
I
I
I
I
I
E
I
il
il
æ
æ
96'
En qualité de transforrnateurs de sortie r oR utilise des tnans-
{ormateurs de type rX4 72O-OO2( T 2A&}. La précisisn de la fsrmatian
des impulsions d'unÉ durée de lB0oel. est dÉterminÉe ici per la
frêquence porteuse et par Ie coefficient d'amp1i{icatisn des C, I.
Psur une {réquentrÊ porteuse de 2O KHz , I'rrreuF moyenne de la
forrnation de I'impulsion s;uF Ia {réquence 1OO Hz ser'a de Or3 Z (pour
le redressernent à une demi pÉriode de la tension de sontie des
transftrrrnateurs Trl-T16l . Four un coeff icient d'amplif icatitrn tto =
3-lOF, le retard du front de l'impulgion seFe de OrO1l 3&. La
prÉcision de la {ormatisn des impulsions d'une dunÉe de 6Cr-12 degrÉ=
électriques dépend de la stabil.itÉ de I'amplifude et de la forme deg
tensions d'entrÉes . Pour la formation d'impulgions égales à
l20oel, et des tengions d'entrÉe t+ 10 V + t "Â) gla variation de Ia
durée des impulgion= de sonties sera de t Sr55 f
Les caractÉristiques du bloc de rËglage de I'onduleur d'un ct:n-
vertissÊruF fréquentiel sont !
I'amplitude de la tension d'entrée Égale à 10 V t OrS *;
- la garnrnei des fréquences Égale à O-?OO Hz;
- I' amplitude des impulsions sortiels avec une durÉe Égale à
6S-120 o el. et une fréqutnce de Ot4-?OO Hz sera de 5-1O V.
2) Bloc du capteur de tension du redneEseur commandé du convertiE-
setr fréquentiel
Poir augrnenter la qualitÉ du rÉgl"age de Ia commande êlectrique
frêquentielle , il {aut avoir des dispositifs spÉciaux qui diminuent
I'inertie et linéarisent Ia, caractÉristique de rÉglage du redregseur
commandé
Pour cela r Dfi utilise un contour de rÉglage fermé de Ia tensiot
du redresseur . Le capteur de tension du redresseut^ dait avoin une
petite inertie et doit e=ÉuFeF la division Électrique du système de
réglagei avec la partie puissancel du convertisgeun
ï Mroto
ïz r',|306A
SO RTIE
FIG I,-7
1
T,
I
t
I
I
I
I
I
I
I
I
t
I
I
I
I
I
I
I
l'i
SO RTI E
VA Lr
-'VALt
TO TAL1
* VÂLz
VA LZ
SO RTI E
TOTAL2
I
I
I
I
I
I
I
I
I
I
I
I
I
I
I
I
I
t
t
I
I
w
Sur la {igure 4-? r of, montne le schérna du capteur de tension
construit avec 1'utilisation de mul.tiplicateur suF }a base de K 15?
HTl et d'amplificateun opérationnel K 14O YDl
La tension du redressElur cgrnmandé Éxerce une modulation
d'amplitude des signeux rectangulaires du gÉnÉrateur Yl . La tension
du redresseuF commandÉ est transmise à 1'entrée 2 du multiplicateur
l'11 par I'intermédiaire du diviseur Rl?-R19 .Les signaux rectangulai-
res sont appliquÉs à 1'entrée I de Pl1 .La tension rectangulaire
modulÉe egt renforcÉe per l'amplificateun T1-T? et est transmise à
I'entrÉe du redresselur de précision Y2-Y3 par f intermÉdiaire du
transformateur Trl.On obtient à la sortie de te redre=;seuP un signal
analogique proportisnnel à Ia tension du redresseut commândÉ du trcrn-
vertisseut^ frÉquentiel .Le gÉnérateur de tension rectangulaire se
fait s;ur un schéma analtrgue au schÉma du gênérateur du bloc de
rÉglage de 1'onduleun du convertisseur fréquentiel.
Le circuit Rô-CZ sert à stabiliser Ia tension de ssrtie.
L'amplificateur de puissantrel (fl 3O6A; n ?O1A) assurei le passage du
signal avec une amplitude naximale Égale à 10 V jusqu'à 15 ltH=.
En qualité de transformateur ,on utilige un transformateur
d'impulsion de type rX4.72O.OO2.
le gchéma du redresseur à une onde entière permet d'obtenir la
valeur de seuil du dÉblocage du redresseur à environ I-2 mV. Dans ce
schéma r.or utilise une diode trBtn{ne élément non-linÉaine dans le
circuit de contre-réaction de I'ampli{icateur Y? de type K 14O YD 1.
Les caractÉristiques principales du capteur de tension sont:
al une tension d'entrÉe égale à (0 + 3BOl V;
b) une tension de sortie égale à (O + 1S) V;
c) une précision de Or5 I avetr une gtabilisation de la tension
d'alimentation Égate à t OrOl V de la valeur nominale-
I
I
I
I
I
I
I
I
I
I
I
I
I
I
I
I
t
I
ti'
ti
I
I
99
VI-PARTICT'LARIlES ET AVANTAGES DE LÀ COTI}IÀNDE
ELECTRTgUE À REGLAGE VECTORTEL POÛR L'ÀNALYSE
DU }'ECANISI{E DE LEVÀGE D'UN PONT ROULÀNT TRÀDITIONNEL
Paur évaluer 1'Lnfluence et avolr les avantages de la con-
rande électrLque à réglage vectorLel considérée sur Ia charge des
téesnlsnes , ntrur consldérûns comne exenple le calcul tradLtionnel
du récanine de levage d'un pont roulant
[tEeANrouE pE LEVÂGE DU PONT DE 125 kN DE CHÀRGE
Ce pont est euployé dans les ateliers de naintenance dont les
pararètres sont:
- La vLtesse de levage z L4r5 n/nin
- La vitesse de dtrection : 31'5 m/nin
- La vitesse de translatlon : 7O n/nin
- Hauteur de charge z !2 m
Déplacenent du charLot : 14 n
- du nécanisne de levage : faible
prlnclpale 2- charlot
1- Poutre
3- Gàlets
5- Chenin
de direction d- Galets de translation
de roulement du pont
Paramètres initlaux :
Charge utlle Qu
Vitesse de levage - VI =
I,TECÀNISI,IE DE LEVAGE
= 125 kN
L4 rE n/nLn
schèma du pont
=
,!
!t
(
I
I
It
ll
lr
ll
ll
Hauteurdecharge-H=L2
Réglne de fonctionnenent : I faLble )
Facteur de narche :15*
Le nêcanl-cne de levage est constitué :
- d'un moteur électrique entratnant ce mécanlsne
- d'un réducteur assurant un rapport de transnission
- d'un tambour sur lequel s'enroule Ie câble
- d'un moufle assurant la liaison crochet-poulies et
1- ChoLx et calcul du palan
On choisit un palan double âvec i-
100
constant
câb1e
1 - tanbour
212' - Poulies
Le rendement du
t -l-i-
3 - poulie de guidage
roulenent i i-=
nobl les
palan:
1
Z==
oùr
2-=
2-- =
effort
1--i-
rendemer' d'une poulie
Or98 - poulie ,rontée sur
I - 0,992 1
-
= Or99
l-o,gg 2
rtrâr r'exerçant sur le câble
Qu L25
Le cholx du câble étant
S- = S.11 = 3116.510 =
= 31,50 kN
fatt d'après
158 kN
2.2.O, gg
I'effort de rupture.
-,-Æ
I
I
I
I
I
t
I
-l , Nombre minimal de spires :
I
ll
I
10f
Pour un effont Sr = 1é9rS kN qui est Ie plus proche de
r l'effort calculÉ la gection f du câble egt éga1e à l?4r?mmz
D'après la nonrne GiO€iT Ie diarnÈtre du bobinage du câble
I
D = Dc+ d = e.d = 19.20 = 36O mm
I e = 2O - Eoe{ qui tient compte des dinensiong de la poulie
I Forrr^ un rÉgime faible.
I Diarnètre minirnal admissible du bobinage de câblt sur le tam-
I bours .
I
Dt : Orgs.D = Org5.360 = 3OË mm d'enroulement
I Dans notre cer nous FFelnons les mÊmes diamètres d'enroulement
I des blrrcs et de tambour, mesurÉs au {ond des gorgesr qui sont
r égaux à 4OO mm.
n - Ctref de sécuritÉ pctur un régime faible
D'après le tableau LZ t14l nous pPetnons
d = lEl mm - diamétre du câble-
D = D: * d = 4OO + lBrO = 41El mm.
Foulie folle ( poulie de guidage):
Son diamÈtre peut Être plus petit de 2O * par rapport à D
D+-.e = OrB D = OIB.41E = 334 mm.
En prend D+-.r = 35O mm ;ru fond de= gorges.
Longueur du câble : ,
L- = H.i, = t2.2 = 24 m.
,rl
I
'L=
Z=- +5=
24
*5=24spires
n(Dt+d) n(Or4OO 4 Or0lg)
Parmi ces spires on utilise 3rS spires ptrur la fixation
du câble sur le tambour et 1r5 spiFes trGlmme rêserve de sÉcuritÉ
I ( leun somme est égate à 5 spires ).
Alors la ltrngueuF totale filetÉ du tambour est :
Lç,- = 2.2,t = 2.24.20 = 9ËO mm.
t = 2o mm - entr'axe entre ? spires voisines Tab. 20t13l
I
I
I
I
I
]
I
,l
I
I
t
I
I
I
'l
I
I
I
I
10?
2- Ghoix du rnoteur
7.-t> Calcul d,aprÈs la charge
max imal e;
Fl't = 15 f - rÉgime faible
La puissance du moteuF Eln rÉgime stahle
Buand P = Glu
Avec P - Résistance du dÉplacement de translation
Glu, Vl 125OOO. 14r5
N. = 37 khl
er?oo.2o 6l?00.0rgo
h
Lo = 0rg0 - Rendement du mécanisme
Le msteur le plus proche ËrvElc FFI = 15 f e'st le moteur t"lTH
type 511--a avclc Nd = 45 kw et HTF 4lz-a avec Nd = J4 khf .
Donc nous prenons Ie moteur de 45 khf.
2-2, Calcul d,après la charge équivalente !
Nous pFenons un coe{ficient d'utilisation avrc la charge du
pont roulant K- = 0r5 et quand la charge est max Kr = OrZ
Nombre de dérnanrerges en I heure Zo = IZO
Goe{ oolz s 1155 - troe{ de la surchaFg=r de dÉnar*ages
La durée d'un dÉmarrage Ta-- = I s.
Le rapport du temps de fonctionnement du moteun pendant le
dérnarrage et du temps en régime stable est :
Zo.X 120. I
lÇr-=
="*
=-;;;-=0ro3
Coe{ficient de charge Équivalente:
r0
Y- = { ( Or4.K, + OrÉ } K- * Kgrc,
t-
trharge équivalente
.^
Pr= = FrYt = lzs.0r6s = Blroo
Puigsance nécessaire du moteur si p -
,-
- ooy
= .[ tor4.Ot? + 016 ]OrS + O'OJ lrSSz = O165
KN
Ps
I
Ir
I
P=. Vl Blooo. 14r5
N-
ê1200.0r8 61200. OrE
?[14 khf
I
I
I
I
I
I
I
T
I
I
I
I
I
I
I
I
I
I
I
j
103
On choisit le msteur l4TF 412J| ; Nd = 3O l{hf
rlrpor. = ?OS t/min ; Jl- = 3O N.m2= Sr0CI Kg.mr (tnoment
d'inertie ) ; Hmax = E4O Nm
On vÉri-tie le noteur au lancementl
Coef du lancement -V*.* - 2 ;Vmin = 1r1
l'ln - l'loment nominal du moteur
I'tn = ( 9750.3O)/7tE = 41& Nm
l'loment statique l'ls = Hl = 432 Nm
Homent de lancement max (pic):
f'l--- = l'ln. mex = 4l'6.2 = 6;32 Nm
On fait une vérification supplêmentaiFe pour une tensicrn
rÉduite de l3 *z
lI'--* = or7.l"l--- = Û t7 ' 832 = 58? Nm
Donc H'--* ) t'ls, le démarage est possible.
Le coefficient moyen de Ia surcharge pendant le démarrage du
moteun
P-o. = (P--* *9-.- l/2 = ( ? +.1t1 | /2 = 1-55
H-oy = Hn .?--. = 4lâ.1r55 = ô44 Nm
l{oment d'ineptie de la charge ramenÉe à l'arbre du moteur :
vle
J2= = Or1 x E J =
llâ-oe
l4tse
Or 1. 125OO0 = 5n3 N. mz
7052
Diamètre du frein: D+ = 3OO mm ( par constnuction )
l"loment d'inertie de la poulie du frein sur l'arbre moteur:
Jl+ = ?5 N.ma
I
Hsment
Jzo = (
=(
l'loment
mtrteur=
d'inertie totale du mÉcanisme et de la charge :
J2F + Jzf ) . 1r? + Jt= =
39 + 25 ).1r2 + 5r3 = 7l1O N.me
statique de La masse de La charge ramenée à l'arbre
l'ls = Hr = 432 mm
104
t
I
I
t
t
I
I
I
,l
I
I
'l
t
t
I
t
,l
I
I
Ir
t
Excès du moment :
Hr = Hmoy - l'lg = 644 - 43? = 212 Nm
Temps de dÉmarrage :
J2 o .l.tmaa 71 x 7CI5
ta= = Or7 g.
375. Hr 375 x ?tz
Temps de dÉmarragr adnissible ta 3 (1 + 2) E.
L'accÉIération avec la charge ntrrfiinâle !
vl
a=-=
6O ta
14r5
= Or34 m/se.
é0. or?
Les valelurs admissibleÉ de e : ( ûr3 + t}16 )
Rapport de rÉduction de nombre dt rotatisns
La vitesse linéaire du câble :
V= = Vl x i, = l4r[ x 2 = 29 m/min
Vite=se de rotation du tambour :
v= 29
flr = = 22 t/min.
n(Dr + d) rr(Or4 + Or0lËt)
Donc le rapport de'rêduction de n- pcrur le mécanisme est:
fim 705
:--a., I
-o-
rlr 22
Nous choisisssns un réducteur de ? Étages.
ir = 6125 l-t 't'e-'
i= = 5r2O ?.o- Étage.
i'o = ir x iz = âr25 x 5r2O = 32rS
La vitesse réelle de levage :
io, 3211
V' = Vl
-
= 14rS
-
= 14132 m/min.
i'o 3215
Le rendement total du mécanisme !
h -h, h h h
Lo - L- ?-,'-nr.-. tt.L".[-^
= Or?72.OrPB.Or?9.Or?9 = ûrBE
?-rF-d-hr.-: rendement de ta raueiftrz rendement du tambourl
?o= rendement du palani l-^, nendement de l'embrayage.
c(-
m/ss.
lloor 3
I
I
I
I
I
,l
'l
,l
'l
I
'l
I
ir
ll
lr
lr
lr
ll
I
105
3- tralcu des charqes e! antité de ch
l"lÈ = l*s
(srDcetdont
Le moment guF le
H=
l'12 = 2Ê5O Nm
Z'mr étage du réducteur'
deux i èrne anbre 3
D.+d
=?5
2 f-'
= 2.31600
étÉ calculég Plus
deuxième arbre :
13500
ûr4 + OrOt E
2 x Or?8
haut l
= 135OO Nm.
t=.!: 5'2- 0'eB
aveË
L=
- rendement du
Le nombne de rotation du
nr 7O5
rt2=-= = 113t/min'
ir &r25
Analogiquement pour le premier arbre:
H= 2650
l'lr = = 432 Nm
it.?, âr?'3'Ot9El
(-
rlz 113
rlr =é= =2117t/min.
iz 5t2
La durée d'utilisation
ft = 15 annÉes ( pour les roues dentÉes ) '
T - 10 4EO h (pour les arbres4ignons) '
€h = ?O: nombre de levageis PaF heure'
âcn = 1: nombre de charges
Alorg le nombre de charges de torsion PoulÀ l,arbre4ignon
pendant la rotation avtrc ce nombne de I'evages
Zor=Txârxâch=1084o.2o.1=2||bloE(torgign}.
PourlesautresarbregA=25annéesetTo=3'61.105.
Laquantitédechargessommairegdupremierarbre(Iegchar-
ges à la {lexion ; durée d'utilisation A = 15 années }:
Lo. = êO.T.Dmo:,.€ = 60.1O44O'?O5'Ot 15 = 6'9' LO?(f lexion)
-avElc€=o,15duréede{ongtionnementpendantlheure.
Pour les 2'-- et 316r arbreg !
7oz, = lâr?-LÛvr/âr25 = 1tl-1O7 I
I
I 16
I
I
I
I
t
t
I
t
t
I
I
t
I
I
I
I
I
l
I
Zo::l' = ( 1r 1. l{J^7l /3r? = 2, 12. 10ô
REHAREUES :Les résultats obtenus sont poup une durée
d'utilisation de A = 25 années :
Z'cra = 1r85.L$? i 7'o'o = 3154. 1{:)ê.
4- tralcu1 deg Foues dentÉes
4-1' tralcul des dimensions du 1-- Étage.
On les détermine à Ia base de la solidité de contact.
ir = 6r?5 i nr = R- = 7O5 t/min.
rl:::113 t./min i l'lr = 432 N.m i l'lz = 265O N.m.
Prenong 1es matériaux !
a)- Roue : acien 3E C 4 ; b)- Pignon : acier SEl tr 4
{r'r= FLmr-= 7B15daN./mm2 I oaF Rmrn = ?Bl0daN./rnml
HB=27O+3O0.
Prenons Fréalablement I'ang1e d'hélicei B = 1Oo.
Les paramÉtnes l Z6 = l. 1Or7
(Pour le calcul aux et
contraintes du contact) m = 6 (Tab,6 t131)
eveiË Zb - nombre de cycles de base.
m - taux de fatigue.
troefficients de calculs : (pour le calcul approxirnatif)
.ll
Y-- = (OTBK,' ç OrZ)Kr = (OrB.Or2 + Or2).OrS = Or?Ë
avec Kr = Or5 et K- = Or?. (Tab. tr.24 -tlsl)
Alors les nombres de charge calculÉes :
rl
Pignon= ?o1- = Zo1.f-r = 619. 107.O126 = 1rE}. 1O7 F Z5 = 10?
rô
Roue z 7.2 = Zo1-.Y-- = 1r1.10:7-012Ë = ?r?, 10é' < 7a
Les contraintes de contact permisies ptrur le pignon :
(7-rlZ5)
frJ=, = (Z?O.HB)/Kr* = (2?O.!;â3r/l = 77OOO N/crnr (7?Ol'lFa)
I
I
I
û
t
,l
Four la roue: (Z-= {. Zb ,
zzo.H' '[ *
Erl=-=-ti_=
lÇ* l zF
27CI.285
1
'.i
I
I
I
I
'l
I
I
I
I
I
I
I
I
ll
I
ici Kr* = lr0 (Tab.Z4 - tlSl)
Eontraintes ,noyennes de contact pernises:
frl- = ( Eclee * ftrl=- ll2 = 1:,To + BSo) /2 = glo ttFa
l"toment de calcul pctuF le pignon !
qr = lTr- t(^ = 43Z.lrS = 64g N.rn
avec lÇ = lrs ( troefficient tenant compte du rÉgime de charge
- régirne faible )
L'entr'àxe:a-
5-
+. = 90(ir+l) 64E'. to-a
= 9O (6r25+l ) 
= 2416 cm ( = Or?4& m )
Largeur de la troupclnne : b
En {in de compte !
ây=Or25m (?E0rnm)
;b=O'OTSm(?Smrn)
Diamétre primitif du pignon :
dr = 2a-/( i, +. 1 ) =Z.;25IO4(6'ZE + I ) = 6g mm
Limite à la fatiguGt pouF la matiÈre du pignon (cas de ftexion):
{r-1 = 1y6.HB-1n =l ,â.ZTO = 43? HFa
et leÊ cantraintes permises :
frl+ =(lr4-a-r) /(Enr.K'o,) = (rr4.4J?) /(r14.rr7) = zs4F{pa
ici tnl et K,c, ( Tab. ll-l2 _tt3l )
Paramétre ( my ):
tny = (13'l'l!') / (dt b' ttrr+) = t1g.É4g) / (ât?.Trs.zg4)= or6s
ici dr et b en cm
frJç en l'lpa et H.' en
Pour dr = 6? mm et rny = OrâS !
e2
I
l
o-
Er
I
t.
I'1
HF
V-.
3

av=E V -
= Y^'Êlw =
1o,3.êr25.8102
= Or3 (Tab.16 -tt3l)
Or3. çr24â = OrO?38 m
Nm
rlr = lr5 nm
rro8
Pour arsuFcr une sÉcuritÉ plus Él.evÉe on {ait le chsix :
I
rn=3mm
I Alors le nombre de dentg seil^a :
Pout Ie pignon I Zt = (dr.cos Bt lm = faf .cos(l0" il/3 = ??
I Pour la rouel 7a. = Lt.it = ?'2-6y?5 = 13?rs
On prendra f inalement 7.a = 139
I
Donc faisons la correction de 1'ang1e I
I cos(F)= .n. (Zt +7zl / (?a,"l,l = 3. (22+1391 / 12.?'30, = 01966
d'où B = 14059'
f Les diamÉtres primitifs ( aprÈs correction ):
Pignon! d1= (Zr. ml / cos (B) = ??.s/Qr !66 =6Ê113 mm
I
Roue: dz,= 43117 mm
I 4-2, Calcul à la solidité du 1-- Êtage
Vitesse linÉaire du pignon sut^ le diamÉtre primitif :
f rvf = (n.dr,nr)/êO = (r.OI06E}3.?05) lhû = 2rS m/=
troeffficient dynamique l{., = 1rO
I
f Eonsulten Tah. 2Ê t13l) pour HB = 2OO + 35O ;
I b=75mm
troe'fficient de concentration de charges :
I lL= = 1r4 tTeb- 7S tlsl) , pour b/d'^=73/6El =1r1 l
La valeur rÉelle'du coef{icient de calcul de la charge:
I
K-= = Ka.K=-.Ke' = 1.1r4.1 = 1r4
I avec Ç'= lr0 - coefficient qui tient compte du nêgime de
r harge en fonction de f intensité
f K-= { K- ( tr'Était le mÊme coe{ficient qui Était pris préala-
I blement ) ; l+ = lr5 t13l)
I
Puisque F.*= { l{. on peut prendre les dimensions déterminÉes de
I l'engrenage du 1-* étage cornrne dimensions déf initives.
I
On le moment de calcul Fctur Le pignon est :
I HFr = l'lr.K-= = 43?. 1r4 = âO5rO N.rn
il
I
I
I
I
I
I
I
I
t
I
I
I
I
I
T
I
I
I
I
I
.l
I
Jr
I
Le nombre de dents Équivalentes sera :
Four le pignon : Z-r - Zt./[ (cosF]sl = ?,2/Qr96Ë:r = 24
pour la roue i Zuz, = Zzlf (cosFlsJ = 139./Or966rt =153
Les csefficients de configuratians de dent= respectivement
Z,,r et Z-z ( Tab. SCI -t131):
Yr = Or414 ? Yz = Or515
Les contraintes de flexion 3
. Pour Le pignon:
nrr = (13.l"lprl/(ma.Zr.b.yrl = (13.âo5) f (a13?.2?.7r5,or414)
= 128 HPa
Pour la roue:
trçc = (r-t.y1l /yz, = (128.0r414) /Ot515 = 1O2rS l{Pa
troefficient de transformation aux chatrges de calculs :
,ô
Y'-- = Kr.. Kr'. Hr. = Or5. Or2. I = Or I (Tab. 15 -E 131l
avec Kx = 1 (coefticient de correction qui dépend de
'0 r0
x
I rr; Pour^ Yr orz Kr. = Iro)
Les charges de calculs du pignon !
rfl
7o = Zol-.Y--' = 619. 1O7.Or 1 = êr?. 10ê
Hombre de cycles de base et taux de fatigue3
Limite
t-t' =
7s= 3. 10ê I m=É (Tab.6-t131)
à la fatigue pour le pignon :
o-r.orl(Za/7e] = 432 ê.t(3. 1Oê]./(6r9. 10é) =
376 l"lPa ( Rq-.- = 7BS HPa
Pour la roue:
H
fr-r' = tr-r..-{(Zà/Zp} = 432.
avec:
et
ê.f t3. ltts)/(1r1,10ê) =
= 510 l'lPa { Re-r-
tÀ
7. = z",=.Y-' = 1t1.lo'r'.ot1 = Irl'lod'{ l. -
m=6 (Tab.â-t131'
1o* i
I
I
I
4-3) SÉcuritÉ à la fatigue:
Pour le pignon :
2. R--*. û-r 2. ?8O.432
n=
Û--*. {r-1 +Ko'.R--*} 12,'(43?+1r7.gBO)
tnl à l14 (Tab..tt ttsl )
Les contraintes en tt'tpal:
âvec K'o = 1r7 ( HË > ZSO rTab. 1A - tl3l)
Pour la roue:
2.98O.432
Il= =3t?4
I
I
1O2r3(432 +1rZ.9EO)
Vérif ication à la gol.iditÉ statique
H"t = l'lre.ldcr = éO5- lr} = ??6 Nm
avec l{a = LrZ (troefficient dynamique
Les contraintes de flexion :
= 3115
;tnJ è lr7
(Tab. 11 -E lSl )
;Tab. 2E)
{
I
I
)
I
]
I
I
I
I
I
I
I
I
I
i
I
H'or ZZh
T'+:f+-=12El-:
tLr éo5
153rÉ l"tPa
Analogiquenent trn obtient pour la roue i t, + = IZS HFa
La sêcurité d'élasticitÉ sera pour :
- Le pignon: n = Rr-r-/tr'+ = ?BS./lSSré = Srll
tnl à ? (Tah. tt )
- La t^truet ! n = ZSS.11ZS = 6.5El
tnl Z 2r4 (Tab.. lt )
4-4' DÉterrnination des dimensions du 2ro- étage
E'est un eingr^€lnagel à dentures droites:
i= = 5r? - Taux de rapport i
lTz = Z6FO Nm { Sur l,arbre du pignon }
lTs = 1SSOO Nm (Sur I'arbre de la roue l
Leg matériaux sont identiques à ceux du !-- Étage.
D'après le Tab. â, nous aup{f,n5 les paramétres suivants:
Pour le pignon : Zu = S.lOa ; m=6
m
I
I
I
U
I
I
-l
I
:-t
I
I
]
I
t
,l
I
,l
I
I
I
I
I
Jl
I
240. HRC
Erf= =
K*-
= 1?40 I'lFa
K*. = lr0 (Tab-
240,45
=-
1
Four la roue 2 26 =
Alors Z.a = lrl.lOé
Pour la roue ! Z-s =
Donc pouF le pignon :
3. 10é' I m = ?
Z-,=/iz = 1r1.1Oé./5r2 = = ?r1,lOs
6t-
111 -
5. lo7
1r1,10ê
= 174OOO N./crns
3?8O.10-r
 1CIr35.5n?. 11102
0135.364 = l2B mm.
mr-
lzo
t-
lZ,'=
24 1
Pour la roue
27.H8
Erlo =
-
K*-'
Âr-
27.2=5 - ; l.10-
l- E 111OOO N/cmr
.lt'.  lz, t. loE
H3'r,10-1
= 1O5(5r2+l)
-.i2'frl2=
zb
= 1 llO HPa.
Cette contrainte egt utilisÉe pout le calcul suivant.
Hsment de calcul pouF Ie pignon l
Her = Fla.K- = 2650. lr$ = 39f|0 Nm avË1tr K- = lr5
Alors I'entr'axe â." sçlra !
3
a€ = tOS (ite+l) 

= 3614 cm.
Largeur de la coul^ctnne: ! = -.âw =
En fin de compte nous eupons :
Ew = 4OO mm ; b=14Omm
Le diamétre primitif du pignon sera :
dr = Za-/(iz + I ) = 2.4OO/(5r2 + I ) = 129 rnrn
F-s = 432 l'lPa donc !
frl+ = 114.r-1./(tnl.K'c,) = l14.?,60/Ir4.l14 = lBE Flpa
tn] = 114 iK'o = 1n4 d'après Tab. 11-12.
I
I
I
I
I
I
I
I
I
I
I
I
I
I
I
I
I
I
I
I
t
112
Le paramétre .ny seFa d'aprÈs le Tab. 1ô :
my = 2OÇrf(dt.b.Esl+) = 2O,Z?EO/ (12r9.14.1El5) = ?r4
D'après la fig El et pour my = ?r4 r m I 6.Prenons m = B
La somme des dents des 2 roues s;era 3
7- = Za-lm = Z.4QCI/E = lOO.
7t - L-f(Lz + 1 ) = lOO/( 5tZ + I ) = 16 - pignon
Zz,= lOO-1Ê=g14 -1^oue
Alors dr = z'..m = lâ-8 = 12El mm - pignon
et da = Zz,.m = f|4.8 = 6?2 rnm - Fou.l
Fui=que 7t { 2O on corrige Ie coe$ficient de csrnection :
Xr = Or3 i x:a = -Or3.
4-5) tralcul à la solidité clu zômr Étage
Le tralcul est identique à Ëelui du 1-- Étage , c.à.d. qu'on
utilise les mÊmes désignations et les mËmes tableaux alors :
V = r.dl-.n=lbÛ = rr.Or12B. ll?rFJ/âQ = Or7& mls
âv€lc fiz = Ilelir = 7o3/âr25 = 112.El t/min
donc : l{a =1r 1 ( HB 2OO + 35O }
l(=== 113 ( la disposition est asymétrique;
blor æ 1; HB ! 35O ; denture droite )
Le coefficient lL= = l{.r.lLo.H'|' =1r1.'113. lrO = 1r43
aveic K'. = lr0 donc K-= { K-
Le rnornent de cal cul : flF' r = l"la. l+= = 2650. I ,43 =3?9O Nrn
Les coefficients yr, et ya seront ( Tab. 30 ):
Yr : 01436
Ya = Or47B
(21 =làrxr=0r3 1
( Zz = E4 r x:e = -Or3)
Les contrainteg de flexion :
(rrr = 2rO.F1pr-/ (mr.Z1,b,y1) =
= 2rO.379Af {OrEa.16.14.O143$ = 121r2 HPa { frle
Eçz = nrr.ytlyz = l2lr?.Or439./Ot47fj = 11Ot6 l'lPa
Les charges de calcul:
Pignon i Zo= = Zor. t-- = Irl.lOT .Orl = 1r1-lCIê
I
I
I
I
I
t
I
t
I
I
t
t
I
I
I
I
I
I
I
Jl
t
113
Za = 5. 10?
Roue = Z.s = Zo:r. '-- = 2rl.1Oê.Orl. = 2t1.1O!:'
7a = 3. lF
Er r'-r = f-r.'{(Z,5fZo,=} = 432,â.13. 1æ/1r1.10é'=
= 51O HPa { FL = 785 l'lPa-
Pour la roue ! f '-r = 432 â"[3. Iæ/2r12. lts =
= o72 FlPa { R-
La gÉcurité à la {atigue !
-Pignon:n=
-Roue n=3rÊ5
4-l:,, Vérification à la solidité -statique
H'-= = Hp:a.Ka = 2650. Irl = 2915 Nrn
Les contraintes de {lexion :
t'+ = {r+.H'p=/ltlp= = 121 r2. lrl = 13313 l'lPa
Pour la roue z c'+ = 112175 lIPa
SÉcuritÉ d'ÉlastitritÉ :
2.R--*.t-t/ f{r--*(r-t + K'o.R---}l =
2.?8O.432/t1?112(342 + 117.9BO)l = 3r33
n = R--rn/tr'+ = ]:fjf,/13313 = S'BB
n=7El5/112r?5=&rT
- Pignon !
- Roue :
donc n à ?rt
5- Ealcul des arbres
5-l) Premier
Les charges:
Leg efforts:
- tangentiel
- axial
- radial
arbre
l"lr = 432 Nm
-
- F- = Fc.tgB = f2650.tg(14059')
- F- = Fe.tgg{/cosp =
= l?650.tg (2Oo | lcos (14o59')
1?650 N
= 33?O
=47ô7Nt
1r4
Br
B
(Fo
I
I
I
I
I
I
I
I
I
I
I
I
I
I
I
I
T
I
I
'lt
tl
I
I
Schéma de I'arbre
Deux sections
dangereuses:
( I-I ) et ( ïI-II
$ = 14è59'
c=zOa
l.fa = 432 Nm
dr = 68'3 nm
b=75nm
a=23Omn
c=95nn
fts 1
DéternLnatLon des réactlons et construction des
flexLon:
a) Plan vertical:
tLs 2
F- et F-)
dLagrannes de
Àr +Br
F-.f, llg = O
/
= F-.c+F- -dr/2
a+c=325nn
l* Fa
F==
H=
Àa.r
f=
A
Ft oru
a_ c
I
t
I
I
I
I
T
It
It
ll
l:
l:
r15
Or Aa = (4767.0,O95/O,325,
= 1750 N
81 = 1767 1750 = 3017 N
lloaent de flexLon rnaxinal :
lf.---- = Àr.â = 175O-O.23 =
lfo-<rr-rr) = Ar (a - bl2l =
= 337 Nn
b) Plan horizontal :
Àz - F+..c|{a + c} =
= 1255O.OrO95/O 1325 =
= 3570 N
Bz = 1265O
= B9BO N
3570 =
!f.---- = l..a = 3670.0123
lfsnrrr-rr) = Àz(a-bl2) =
llonent de flexlon total 3
l.fa - )â.li11.1- + i.J Ma'et + !l-t
= 9A2 Nn (Votr fig
Dl.anétre du prenler arbre
Section I-I
+ (339O.O,0683/ (2.O,325) ) =
402,5 Nn
L75O(O,23 -O,O75/21 =
ftg C
= 844 Nn
3670 (O,23 O,A75l2l = 7L6 Nn
ll1.r =f M1'*---t -F !1.----t I !!42 r5' + 844' = 935 Nn
lllcrrï-rtr1 = f 337r + 7L6'
l,lonent de torslon : l{a =
l,iouent Idéal de flexLon :
= 791 Nn
= 432 Nn
!lr
(93512)+ l1f935' + â32,
)
sf
219
4321(O,2.86)
ctrl = 29 mm
aI
dr_- > Et uù./(o,2.[ ]]
I
I
I
I
I
I
I
I
t
I
I
I
I
I
I
I
t
I
I
l'l
I
1i6
Prenong dr-r= 3O mm
Avec fi,1 = 1r4-1-r/(K'otnll = tr4.2lâf (lr4.2r5l = E6 HFa
(Tab.7 - t13l) ( cycle asymétrique )
Ici Ç-, = B.HB-I- = 8.2?O = 21ét bars = ?16 HPa
K'o = 1r4 - tient compte de la forme et du mode de traite-
ment mécanique et thermique.
Inl = 2rS - coefficient de sÉcuritÉ- (Tab- 11 & 12 - t13l)
Section II-II
d r r-r r I sJ' Hl/ (O1 1. [r1ç = lJ 9El2. los/ (O, 1. 123} = 43 mm
Prenong drr-rr = 5O mm
Avec frl+ = tr-ll(K'o.fn)) = 43?/ {1r4.2r5}'= 123 HPa
âvtc o-r = 432 FlPa
b' Vérification du premier arbre à la solidité
+ Nombre de chargeg total de torsion
.^
zor = zot.j'-- E 2116.105.or 1 = ?r16- 1o4
.â
avetr Zor = 2s1é. lF etJ'-- = Orl
Puisque Zrr
statique.
* Contraintes de torsion dans la section I-I
G = M. / (Orz.d:s) = 432/ (CIr2.Or0ss) = BO I'tFa
* Coefficient de sÉcurité dans la section I-I
Cç
tt = €n'?r/ç = O,g5'324'/Bo = 3r4
avecQ- = 12.H8-r- = t?'.27A = 3?r4O bars = 324 l{Fa
Ë'r=O'85(Tabg-E131 )
REI'IARGUE:
Dans la section I-I agit un seul moment le moment de ton-
sion
* La gection II-II est chargÉe par le mornent de torsion et
celui de flexion.
I
I
I
I
I
I
I
I
I
I
t
I
t
I
I
I
I
I
I
,f
I
r17
t Les contraintes de torsion dans la section II-II
d
ç= l4+.1{O12.dt---rr) = !t321(O12.O2O53) = 17r3 }lPa
t Le coeffLclent de sécurLté dens la seetLon II-ff
nc' = €r|.Gtn = or85 -324/L7.3 = 1519 > [n] * 2
'L
* Contraintes de flexl.on denË Ia sectLon II-II
6c = l{rrrt-t-f(O'1.dtrr-tt) = 79Ll(O'1.O7O53) = 63r28 }!Pa
evec !ltr---r = 791 Nm
Le nonbre de cycles de base de I'arbre sera:
nb = 5'10tt
n=g
Z=, = 619:l0tt
Pulgue Zct ) Zu , La linite de résistance à Ia fatigue est
êgale à d-r = !!32 ltlPa-
Le coefficlent de concentration des contralntes de flexion
Pour Ia section II-II ( changement de diamétre et raccordenent)
hfe
T = 2,9 ; d-= fr:0,04
'E-II
vv
ftgr 5
Pour les rapports ( h/r ) et ( rld )
VI rI ( Appendl.ce t 13I )
et d'après le tableau.
Ko = 2 t}O.
Le csefficl-ent Ko = (K. * K,'ll €r. âvec Ko - 2r3O et
l{- = Or25 (1ab-9} ( état de surface }
et €re = OITO (Tab-B) ( dlnenslon de I'arbre )
Ko = (2r3 + Or25 l/Or7 = 316l!-
4l
I
I
,l
,l
I
I
t
I
I
,l
'l
I
,l
,l
I
I
I
I
I
ll
I
Le coefficient de sÉcuritÉ pour les contraintes à la
rÉsistance de flexicrn :
rr- = t-t/(Ko,.trmr*t = 43?,/ ( 3râ4.6312El' = IrB75.
troe{ficient de gÉcuritÉ total :
limite
fi = rlc.nG/ (.f n-a * n 2) =11El75. 1.5r9l(J 118752 +t$rÇr) =
= 1rgê > tnl = 1r4 (Tab.11)
En tenant compte des surcharges du mécanisme de 1evage,
obtient 1e moment calculé suivant:
Hr = lTçrr-rr.Kcr = 7?l.l12 = 94?12 Nm.
Or leg contraintes
{r+ = I'lrr/f O, l. (d r t-r r) sl =
= ?4?r2/(,Qrl.O'OF) = 75r? l'lPa
Le coefficient de sécurité :
n = €-.arl Ee = €-.Re-1 -/trç = OrBl .7Fl;3175 19 = EISB
Le coefficient de sÉcuritÉ rarnenê :
n = (grsE. 1519) / (J BrSBl + 15r?Ê ) = 7r4
5-2) tralcul de I'arbre intermÉdiaire
Remarque: La marche à suivre eÊt la mÊme.
f'f:r = L,rr.H1 = Or?El.c 125 .432 = 265O Nm
l{s = 135OO Nm
dmrn à =J t'lo/ (Or2:t l) = :r.f?65CI./(Or2.g6) = 5136 cm
La roue
vants:
( fig 6 ) du premier étage subit les e{forts
F c,a
F-=
Fr:e
1?é50 N
33?O N
4767 N
H
-
I
I
I
I
I
I
I
I
I
I
t
I
I
I
I
I
I
I
I
I
I
zqearbre
1or arbre
fts 6
plgnon '3' du deuxlène étage subit lç= efforts suivants:
F-= = 2.llzldz = 2.265O1O'L28 = lll-r4 kN
Fgg = Fta.t9 ûn = 4Lr4-Lg(2O" ) = 15rO7 kN
F-s = O (denture droite - I = O )
Déternlnation des réactLons
| ,,,
t., ConsLdérons Ie
f ts 7
plan vertl-cal :
Hn
->+*
Ay+
| 4,,
_>
Fo,
de 1'arbre
fig I
I
I
I
I
t
I
t
I
I
I
I
t
T
I
I
I
I
I
I
:
.r:
I
I
1.20
D' aprèe la figure I
f,!|19 = O
Ar(a+b+c) - F=g(b+c) +
alors :
= - E-â = -3390 N
Fs3.C E-z.dzl2 = Q
âr = [F=r(b+c) - Frz.c * F-a.dz/Zll( a+b+c] =
= [ 15,07 .O1225 â,.767.O,O95 + 3r39.O' â,32/2llA,t25
- 3165 kN
Br = -Àr ' E-z * F-g = 3'65 11767 + L5rQ7 = 61553 kN
r Réactions dens le plan horizontal:
ll -+
At=
= 3,8fxN
fig 9
f,Èl^ = O
Fùgi.â Fo=. (a+b) + 82. (a+b+c) = O
Bz = [F-2.(a+b) - Fgs.â ]/(a+b+c] -
= [12,65.O r23. - 4LrA.O'1llO1325
âa = F+.a - Fot + Bz = ItttA L2265
r Les nonents de flerlon :
- ptan vertlcâl
A
a b
#
ct
6 5Nm
Brx c
= -J'79 kN
3179 = 2â 196 KN
Bt= Ç65 xn/
B
At x a=3
632 Nm 1tg. t0
I
t
I
t
I
I
- pllan horizontal
B2
A.: 24,96rN
Bz= 5,79xN
t
t
I
o
,t
I
I
I
I
I
I
I
I
I
t
:l
* tlonent de flexion total
pignnn ) I
lfor = f (l{t
r l,ionent de
tv * Èltsr.) = J Or355t + 214952
flexLon idéal :
llr = *?lgz + ,1t (t{c)r +(l{+.}r = L,26
= 3 r O?kNrn
+ *f2r52' + 2165' =
* DiarnÉtre de Ia secti{fn s{ft-ts le pign{fn :
d- Z =flttt (O'1.IoJo =3f3'09'LA|5l (O'1'123) > 63'1 mm
Prenons d- = 65 nn ) dnr- = 53'5 mrn
Vériflcation du deuxlène arbre à Ia soltdité
Ren: Les désignatlons sont les nêrnes; que pour le 1-- arbre.
râ
Z=z = Zot.T-- = 1r1.1O7.Or1 = 111.106
Zb = 5.1Oc i tD=9
Z=. < Zb
Donc f'-r = 1!-t 'J ZolZ-= = 1!32.efb'LOoll'1'lOG =
511 t{Pa
Contralntes de flexLon dans la sectlon sous le pignon :
6c = llr/( o,1.d3) = 3rO9.LO6 l (Or1.65=) =lL2'5 [fpa
On fabrlque le deuxiène arbre comlre l'arbre-plgnon c.à.d
qu'll n'y â pas de concentratlon de contral.ntes sous Ie plgnon-
=
À
Or Ie coeffLcient de sécurlté
n = û'-tl 6= = BLL|LL2r5 = 4'54
1ig. ll
( Section danger€lus€! sor.rs le
= 2 r52 kNn
1.21
tnl 2 L,4
â
*
ll
t
I
I
I
I
I
I
t
I
I
I
t
I
o
I
I
o
I
o
;
T
ji
I
Ce eoeffLclent est largenent sufflsant; c'est
fait pas de vérification des sectLons à gauche et
pignon-
pourguoi on
à droite du
5-31 Calcul du troislène
l'l= = 135OS hlm i d-r^ I
F.- = 4114 kN
Fr* = 15rÛ? kN
F-r=O
arbre
sJ135O{r./ (ûr3.Et&} = ??r? rnrn
* Réactions!:
+Br = Frr.a/(a+b) =
= â16â kN
+Àr = 15 rA7-4164
= 10r1t3 kN
Ez = Ftr.a/(a+b)
= L2r74 kN
z = 28'66 kN
ùlonents de flexion:
v - 1Or43.O'1 =
= I rAâ3 kNn
l'fh = 28;66.O11 = 2,866 kNn
-F l'loment idÉa1 de flexion:
Ua = lâl4r. + )tt (Èlr)t + (!l.t.)2 =
= 8'445 kNn
)t(3 ,O5 + {3, Ost + 13,5r ) =
!f-. = fl.O/432 + 21866, = 3rO5 kNn
!lÈ = lfa = 1315 kNm
* Dlaaétre de la sectlon Eoils la r{rrre:
d 2 t{}ltl (o,1-[o].] = rJB,aaïLoBl (o;1.123] =99,2 nn
avec [o]. = 123 MPa
Prenone .d = 95 nrn l d-1- = 92 rZ mn
,043 KNx rn
Mtors lon
:
= {3500 ilxrn
I
I
I
-l
"l
I
I
I
I
t
I
I
t
KN
T
I
I
I
I
t
I
a.3
VÉrif ication du troigièrne arbre à
Ze= = Zos. -- = 2r12. 1OÉ.Or1
1a soliditÉ
=2,12. 105
I
7a = 5. 10Ê.
m=9
Z.:r { 7a alort :
c'- l- = 43?.'".15. 1F/2r1?. lOF = 61317 l'lPa { {rr = 7El5 l'lPa
{r+ = 81445. l$èl (Or1.95:r} = 9ErE l'lPa
Eoncentration des contraintes!
Ko = (K- + K-)./€- = (1r7 * Orl, /Ar7 = ?r37
avec lÇ = lr? ; lL = Orl et €}{ = Or?
n = 613 17/ l2t57.9BrS) = 2147
6- tralcuL des Paliers
La charge dynamique du Palier:
E = P (n. Lr-. AAl l0à, ^
âvtc t-tr = ?OF t/rnin ifl= =113 t/min et rls = 2Lr7 t./min
et m = 1/3 pour les roulements à hilles
m = 3/1O pour les rouletnents à rouleaux coniques-
L+, = lOtO h durÉe de fonctionnement du pelier
( Tab.13 t13l )
P - charge dynamique équivalente
a) Premier arbrel
* Réactions!
R^ - .ttAr)a + (Az)2 - J 1r750z 4 3r&70z = 410É6
= 91473
R-J.f(Brll + (B=)e =J3r017r +Br?E|z
F- = 3t3B kN
Paliers A et B
F^- = 1rO5-R6 = 4127 kN
F-tFn = 3139/4127 = Qr7? > Or35.
Par con=équent il faut utitiser des roulenents à billes à
contact oblique.
P=X.V.F-+Y.F-
I
I
I
I
I
I
I
I
I
I
I
I
t
I
I
I
I
I
I
l'l
I
X - Facteur radial
v - Facteur de rgtation ; v =1 pour^ tous les paliers puisque
les bagues intÉrieures tournent.
Y - Facteur axial
Pour les rsulements à une rangÉe de billes à contact oblique
( angle de contact = 4Oo ), nous âvons :
e = Irl4 {Tah. 31}
Les charges axiales aux points 'A' et ,8, sont :
Ra- = e.FLâ = 1114.4rO&6 = 4t365 kN
Rn- - t.Rs = l0rEl kN
= Re'- Ra'= l0rg - 4.-365 = é1175 l F-
Pour cette raison la {orce axiale F- est dirigÉe vers le
point 'â'.
Donc Fn- = Ra- = 16rg kN
Fa- = Rs'- F- = l0rg - 3139 = 7r4t kN
Fa-/R* =7t41/4t066 ) e = 1114 donc:
X =Or57 Y=ûrg3
Fs-lftg = lÛrE/9-r473 < Ë! = Irl4 donc:
[=1 Y=Or55t14]
Alors
poun le point 'A'i
P = Or57.4rOêê a 0193.41 = ?rZL
donc E = 9121 (7O5. IOOO. 6O/IQ-, i./.:t =
On choisit donc le roulement 40 BT
et Ëo = ?5OO daN
pour le point 'Ê' P = 1.1.?1473
donc E = 15r41.4(7O5. 1OOO.âQ/lOp.rt,/s
On choisit donc le roulement à deux
tact oblique 4O BE 33 avec tr = 54OO
32rO9 kN = 32O? daN
OS avec tr = 345O daN
.t Or55. 10rB
= 53170 kN
rangÉes de
daN et Eo =
= 15r413
=537O daN
billes à cûn-
45OO daN
I
b)
t
,l
I
,l
I
I
I
I
I
I
I
I
I
t
,rl
Arbre intermÉdiaire
F- = 3t3? kN
R..r=J3t&5s +?4rqê2
Rp=Jâ16532+ 31792
Prenons des roulementg
queiavece=OrE}6
Les charges axiales sur les Points
Ra' = e.Ra = 25r23.OrBê = ?1r7
Rn- = e.Rr' - Tsêâ.OrBâ = 6159
A= 6^'- Rp' > F-
Alors Fg- = Rs'= 2tr7 kN et
?5123 kN
7râ6 kN
2 rangÉes de billes à contact obli-
d'appui t
KN
KN
seront:
et
Fo- = 2lr7 '- 3139 =
= 1El131 kN
Fa-lRa = 19t31 /?'3123 = Or?3 < e = 0rBÊ donc
)(=1 et Y=Or73
P.-, = 1.2523 a Or73. 1E3l = 3859tâ daN
E.a, = 3859r6. (113. 1OOO. &O/tOâ, r'/3 2 ?3O5 daN
FD-IRE =7Lr7f7rââ ) e = Orgê donc :
X = O162 et f = 1r1?
F.-, = OrÊ2.7rêâ + 1t17.2tr? = 3Or14 kN = 3O14 daN
E.sr = 3O14. ( 113- 1OOO.60. 1O-è) r"7s = 57O? daN
Pour les 2 points d'appui r oll ch13isit Ie roulement 50 BE 33
avec tr = EOOO daN et Eo = 72OO daN
c) Troisième arbre:
= J1Or4322 +f.Arb&t = 3Or5 kN = 3O5rJ daN
= 14'33 kN = 1433 daN
Rs = .t(Fr)t+(Elz)r = J4 ,â42 +t2r742
F-_= O
Puisque F-
I
I
I
lr
I
P.^t
P.rt
tr
r-iâ
= lTa
=Rs
= Or on pFend deg roulements à billeg aveltr
X-letY=Ot14l
= 3O5O daN
= 1433 daN
F <ar . (?l ,7.lCIO0. êO. 10-61 t t= = 333O daN
ff
I
I
I
I
I
I
I
I
I
I
t
I
t
I
I
I
I
t
lr
I
Cg = Pr-r.LrO92 = 1555 daN
0n prendre pour les 2 palLêrs les
55 BC {)2 avec une chârge dynanlgue
r26
nènes roulenents
Sd = 335O daN et une
charge statlgue S = 255O daN
7- Calcul du tarnbour
llatérlau
Fonte FT 15
RÊ-r- = 15 daN
doo-p= = 75 daN/nm2
[ct]oo-- = 6=o^--ltrrl = 7515 = 15 daN
avec [n] = 5 coefflcl-ent de sêcurlté
La force naxlnale de tenslon du câble !E--* = 3116 kN
donc I'épaisseur de Ia parol du tanbour !
t' = El(t.Iafoo---) = 3L16.LOal(OrO2. 15.lOt) = 1O'5 nn
avec t = OrO2 D .- pas entre 2 spires
Prenonsg=19nn.
L'axe du tanbour: La résultante de tenslon des 2 câbles:
R = 2E = 6312 kN
La charge sur le polnt d'appul 'À':
Rr = R-Lzll11+L2) = = 5312-575/ (735+575)= = 27'7 kN
Rg=P-Rr=35'5kN
Ro = R.le/lg = = 6312.(575-115)/995= = 29'2 kN = 292O daN
Rc = R - Rp = 63,'2 2912 = = 34 kN
735 s
fig 1
I
I
I
I
I
I
t
I
I
I
I
I
I
t
I
I
I0
t
I
lr
I
fLg 2
ftg 3
Les nonents fléchissants:
Àu polnt 'D' :
iltlc = Rr.lr = 27 17 -Or2-LOz = 554O Nm
Àu polnt 'C':
lilr:. - RB.(1= - l=) = 355OO(0,1c76 O7C6O) = 4O9O Nn
donc Mo--* = Mso = 554O Nn = l{rar:r
Puisque sur I'axe aucune charge n'est exercée Hr--- = ltrac-r
donc le dLamètre de l'arbre sera:
d ) 3{Mrar-tl (O'1.IO]r) = 3{5540/ (O,1.93.1OG) - O,O85 n
evec Ia]o = 6-t-l (K'or. [n] ) = 260l (L,â.21 = 93 ]tPa
Ici d-r = 26O MPa limite à la fatigue de flexion pour
L27
I
I
I
t
I
I
ls = 460
DI (n=73s (c=175
I
I
I
I
I
I
I
t
I
I
I
I
I
I
I
I
I
I
1'acier XC sEl.
tnl = 1r4 et K'o = 2 ( tab 11-12)
Prenons la dimension de la section dangereluse d =
les autres dimen=ions sont fixées par construction.
L'embrayage à dents:
toutes
On le choisit d'aprÈs le moment transmis Fl = Fls =135OO Nm ou
hien 'aprÈs le moment de calcul I'l==g.H1.ld2= 135OO. 1n6-1= ?16OO Nm
avec Kr et Kz - coefficientg tenant compte de I'importance et du
régime de {onctionnement du mÉcanisme. Pour cette raisonr on a aug-
mentÉ Kr de 2O*.
On choisit I'embrayage à dents normaliséàs no B (tab XXI) t13l
Les paramètres de cet embrayage sont les suivants:
m=4
Z=à7
- module
- nombre de dents
r-
b = 35 mm largeur de la EouFonne
Le palier du troint d'appui 'A':
* Eherge radiale Ra = 277O daN = Co
On choisit le roulement à 2 nangées de rouleeux supportant de
grandes charges radiales.
* ChaFge dynamique de base:
E = P. (L+'.n/Lâ&â6r=2to où P - charge dynamique Équivalente i
P = Ra = 277O daN ; n = 2117 t/min ;L6 =100O h donc
2770(1OOO.2t r7/16é66)s/'o = SOOO daN.
le roulement 50 Str 22 avec :
Ç=
On choisit alors
d=5Ommi D= 9O mm ; Ê = 23 nm i Co = 54OO daN ;
ê?5O daN et n--* = 4OOO t/rnin.
Fixatisn du câble sur le tambour:
On ef{ectue cette fixation à 1'aide de deux planchettes rnÉtalli-
ques et de boulsns de diamètre d = 16 mm-
6 = 31êOO N - tension du câble.
,f
I
I
I
I
I
I
I
I
I
I
I
t
I
I
I
t
I
I
I,
-'.
II
I
129
L'e'tfort de gerrage de la cre{ pour le= beulsns sEFa:
Pb = 75-P' = 75-2oo = 15ooo N avec p' = 2oo N - effort de la
rain.
t' = af (e--) - effort de calcul à la place de fixation du câblr
avec e = 2171[3 - constante
c = 3r - qngle d'enroulenent du câble sur le tanbour.
f - Or1 - coefficient de frotteuent.
llors l' = 315OO l(eo-''-a-r) = 126ooN
L'effort nécessalre:
Po = t' -yl lz-t-f , = = 125(}(}-(},6.51 (2-11.O,1) = = 1O2OO N
avec w - eoefflcLent tenant corpte de I'effet de dêcharge
dee epiree de flxatLon; rr = Or6E
Le coefflclent de sécurlté de la fLxatLon sera:
n = Z.Pg/P- = 2.L$OOO|1O2OO = 2rga
lnl > L,25
ftg d
8- Calcul et ctroix de I'enbrayage entre
Ie uoteur
Flonent transnle par I'enbrayâge: llo = [r = d32 Nn
D'après les données du moteur électrique tln a le monent naxinal
de dénarrage ! l{--- = g32 Nrn
' Donc d'après les nornes on peut prendre l'enbrayage norûalisé
avec les caractéristiques suLvantes:
I
t
I
I
I
I
t
I
I
I
t
t
I
t
t
I
T
I
T
Dr =- 3OO mm
(GD.o)' = 25 Nmt
(GD.'t)t = 1O Nmt
(GDtr)t = 15 Nnr
l{--- = 8OO Nn
diamère de freinage
rnoment d'inertie total
moment d'inertie de la
i;t
de transnission
partie gauche
' droite
130
Nm2
noteur élec-
fig 1
Les aouents d'Lnertle des nÊcanlsnes sLtués après l.enbrayâge:
(GrL)r = o'2[- (GD-)t +(GDso)2 J - o,2 (3o + 25 ) = 11 Nma avec
(GD=lt = 30 Nn2 - monent d'inertie du moteur érectrique
Ëorent d'LnertLe de Ia charge: (GD-)t - br3 Nmr
Le rorent de freinage préalable : Mg = 6bO Nrn
Le rorent d'inertie totar au derà de I'enbrayage!
(GDrrt = (GD-)r +(GD=;e + (GD-)2 = 8,3+15+11= 31,3
Le rorent d'r.nertle des nasses sr.tuées du côté du
trlque: (GDzlt = (GD=)t + (GD.r)' = 30 + 10 = 4O Nn,
;
r,l
I'
I
I
t
I
I
I
I
t
I
I
I
I
I
I
T
I
I
I
I
I
I
-ii
t
I
131
CnnsidÉrong 2 cas extrÊmes:
al- Levage de la charge nominale
b)- fonctionnement du mécanigme sans charge
Dans le cas a), le moment d'inertie s;et^â t
Hn- = l"l--* - H= = 832 - 432 = 4oo Nm
l'loment tra,nsmis FaF l'embrayage:
Hrr = I'l= * Hr-. (ED!)2./(GiD('la = 43? + 4OO.3113./7113 =
= 6û716 Nm soit l'l-r positif
avec (EiDols = (GDe)â +{EiD=}2
l'loment des forces d'inertie pendant I' arrÊt du levage de la
charge:
l'lr = H= + I'tc = 432 + ê5O = 1OB2 Nm
Donc Ie moment transmis par l'embrayage set^a :
Hr=r = Hr. (ËDz)z /(GDo)a = 1OB2.4U^f?tr3 = 6O7 Nm
Homent des forces d'inentie pendant de 1'abaissement de Ia
charge:
t'lr = l"l+ - fL = 65O - 432 = 218 Nm
donc le moment transmis par 1.'embrayage sera:
l'f-s = Ha. (EDz)2./(GDolz = 21f|.40/7113 = -123 Nm
l'lonent d'inertiel sans charge: l'lr, = H--* = f|32 Nm ou bien:
l'L+ = Fle. (EDa12/(Fno)a = 832.3113/7113 = t 362 Nm
Rem:Le signe du moment dÉpend du sens de rotation du moteur.
D'apnès ceg calculs on peut voir que tous les moments transnis
paF 1'embrayage ( l'l-r, Fl-=, t'l-:r, l"l-* et H=) gont infÉrieut.s âu
msment admis pour la dirnension choisi de 1'embrayage:
H=,^---- nrx E B00Nm
9- tralcul du moufle
9-1) trhoix et calcul du crochet:
D'après la nsrme EOST on a choisi Ie crochet
caractÉri sti gues sui vantes:
les
N 1? en acier avec
a
a
ll
l.
I
I
I
I
lr
lr
It
ll
ll
l:
TJL
R- = 42 daN/nnr
Rrnr- = 25 daN/mm2
On vÉrifie le
* Section I-f
acier XC 18
crochet dan= leg sectisng: I-I, II-II et III-III.
valente.
Prenons pour cette sectlon
le filetage l.l 64 evclc
un diamère intérieur
dr = 5O mn.
ÀIors on déteruLne les
contralntee dans cette
section:
dÈrrer = aQl (adtt )=
= â-125OOOl (ll.-O3O5' )=
= 53r55-1OG Pa =
= 63'65 HPa
f df o=-ot = 7O l{Pa
* Section II-II
On la calcule conne une poutre
On renplace la sgction réelIe
tJ.
fls 1
evec un axe curvLllgne.
par rrne section trapézoïdale équj
= 43,2 (r= 64,8
fLs 2
Gentre de groitté,
h=fia
t
I
l
I
I
I
,l
I
I
I
I
I
I
I
t
I
I
I
I
t
l'l
I
La position du centre du
bure dans la section calculée
133
trapÈze est 'O'.Le coefficient de cour-
sE}PA:
Avec lr = Ét4E cm
etr=lr+D/2=614f|+
( distance entre Ie centre de
centre du crochetl.
1-
12f? = 1214El cm - rayon de courbure
gravité de la section calculée et le
z.r if b2-br
k =
-
llb, *
h (bz+br )
LL
h
'l
I r +lr
r+l r) lln -(bz
| "-t"
J
18,e6 I
ln--(B-2)l 1=Or1
bl
1
I
- br) |
J
= z.rz,4'. fi= - " ,18,eÉ)l
LL -
10'8 I
P = 12 cm ( Voir {iS- 1}
La contrainte de flexion g;epe!
r+ = ZGl.l=/ (k.f .D) = 2.125OOO.OrO432/ {Or1.OrOO54.Or12}=
= 166. 10É Pa = léê l"lPa
avec + = {b1+6.;.h/2 =(O'OZ + OrCIg).Or1OË./2 = OrOO54 ma
Donc le coefficient de gÉcuritÉ par rapport à Ia limite
d'ÉlasticitÉ setra:
n = €--R--r n/Ca =
tnl = 1r2O. Ici €-
* Siecti on I I I-I I I
= 8315. lOô Pa = E3r5 l,lPa
La contrainte supplémentaire
Orgl .23/tb'a = lr??
= OrEll ( tab B)
Le cag de disposition des élingues le plus dÉfavorable
est 45o pât^ FapFort à I'axe vertical.
Eomposante hori zontal e
G!e= ([!./2)tg45o= = (125OOO/2)tg45o= = 625OO N
Les dimensions des sections II-II et III-III sont identiques.
Donc la contrainte de flexion Four la section III-III de Ia force Ee
SGtra:
fr+ = 2Aa.e:z(k,+,D) = 2.62500-4r3?, IO-2/ {CI, 1 . O r CIO54. O, 12} =
(Elr35 daN/mmu )
de la {orce Ele sera:
û =f
rt<tt
J'
I
I
I
It
lr
lr
lr
lr
lr
l:
(= er/f = Lzsooolo,oob4
ContraLnte totale:
(or)t + d.
1E ( R-ar- =
' = J8r35r + 4-213, = 9125 daN/mnt
25 daN/nnr
= 23.1O6 Pa = 23 ltPa
134
( 2,3daN/mn'
Q,= 62,5 5rN
KN
9-2) Calcul de 1.écrou du crochet
Contrainte de clsaillement adnissible:
[-L]-.- - O'5.[oJc=-oa = Ot6-iO = 42 l1Pa ( d2OO N/cni )
Hauteur de 1'écrou:
H = Q/(n-dr-k.-L--fC]) avec d1 = 5o nm; k, = o,g7 tpour
filetage de profil nêtrtque); ktr = O,E6 - coefficient dépendant du
rapport du diamètre du filetage et du pâs.
H l 125OOOl (n-5.O,97 -O,86-r!2OO) = 39 nn
DÀanêtre extérieur de l'écrou:
Do = lr$ d = Lr8.64 = 115 rnn
9-3) Cholx du palLer du crochet
On le falt d'après la chargre statlgue-
Charge de calcul:
F- = Q.Ka = L25 OOO - Lr25 = 156 OOO N
K.r = Lr25 - coefflcient dynanique.
= 125 xN
fts 3
I
I
I
I
I
I
T
I
I
I
I
I
I
I
I
I
I
I
I
I
I
On a pri.s la butée
laquelle Co = 216OO daN
9-dl Calcul de Ia
sinple effet 80 TA Lz
à billes à
traverse
= {56 rM
Contrainte adnissible :
[alr = RrninlLnl = 35,.512'5 = L4r2
tnl = 2r5 ( Voir ci-dessus )
Donc le nonent de réslstance de la
lfs = Èls I taTt = L2,2.1Aâ I (Lll
'2 - lOt )
PrenonsB=12Onn
daN/nmr =L42OOO N/cmt
section à la flexlon sera:
= 8519 cn3
q
l2r2 nV*m
fls 4
La charge est déterninée au poLnt '3'
Le nonent fléchteeant:
!i; = Po.LlA = 156.Or3ll! = L2r2 kNn = 122OOOO Ncn
pour l'âxe prenonr en aeier XC 12
avc!c R- = 63 daN/nnt et R-;1- = 35;5 daN/nnt
135
pour
fts 5
I
I
,l
i36
Hr------- = Jâ.W++l (F - do) = J6'A5,r9/ (L2 - 7t5) =
I = 1CIr7 cm. Prenons H = llO mm
l'loment f 1Échissant dang la section IV-IV:
I H+ = 1.P=/? = OrO?5- t5ft}Oç/? = 5B5O Nm = 5B5OOO Ncm
Eontraintes de f lexion:
I
{r+ = M+/(Or1.ds} = 585OOO/lArl.OrOOg:t} = 91r5. lOê Pa = ?lr5 l'lPa
I Coefficient de sécurité:
n = €r,,r.R--r-/tr+ = OrB.35r3/9I 15 = 3t1
I Enl = / avec Êr =orB ( tab B )
9-5) Palier des Poulies
I
I1 y a 4 roulements à billes.
I La charge sul^ un roulement Eer^a: Glr = Et4 = 1?5OOO./4 = 31?5O N
Le nombre de tour-s du roulement pÉup Dpourrr = 4OO mm et la
r vitesse du câble V = 2? m/min.
trharge dynarnique de base pour. le roulement:
I
E = F- (n.1r- f Lâââârstto
I . avË!tr F- = Gl = 3125O N = 3125 daN
- n =V/tn(Dr, +çl-r51-)l =29/{1r.t0r4çO'O1E}} 3?3t./min
I lr' = 10 OOO h alors:
c = 3125(23, 10000/166êê)tt?to = ?495 daN
I
On choisit le roulement BO Btr O3 avec C = 95OO daN et
-
I Eo = TEOO daN.
do = d+lr-r-ir--enoenrt * (5 + 10) filtn = (â4 + l0]mm =
= 74 mm. Prenons do =75 mm
9-él Chsix du frein
On le choisit d'après le moment de freinage;
f'lç^ = t'L.0o.Blio aveic:
(.
l'L = lrlr = 135OO Nm
io = 32rS - Taux de transmission du rÉducteun'
I
I
I
tia
I
I
I
rIl
t
I
I
I
I
ir
Ir
l:
2- = O'Bg
B = lr5
- Rendement du rÉducteur.
- troefficient de sÉcuritÉ du frein.
Donc l"l*- = IJSOO.0rgg. 1rE/SZrS = S45 mN.
En choigit le frein TKI'-3ûOm { norme Gost l pour lequel on a:
f reineg€l
D=3OOmm - diamÈtre du disque de
et l{+- = BCICI mN - moment de freinage.
Le calcul considÉrÉ supposel qu'après la dÉ{inition des
dif+érentes charges r oD utilise la commande êlectnique idÉalisÉe qu
donne une accéIération linéaire , ce qui limite 1es chocs et les
accêlérations dans les nseuds et les détails du mécanistne.
La commande élertrique utilisÉe actueLJ.ement , y cornpris dans
notne exemple,, ne peut donner les caractÉristiques statiques et
dynamiques idÉales du point de vue de la charge (fig 7-t).
La comrnande électrique actuelle avec des moteurs asynchrone
rotsr bobiné danne les caractÉristiques statiques et dynamiques
dessinÉes sur la fig 7-2.
Pour éliminer les surcharges liÉes à La différence des pro-
cessu:; réel et idéalisê r or-r utiiise dans les {ormules du calcul
mÉcanisme de commande plusieuFs coetficients ( voir calcul ci-
dessus).
Ees coeff icientà , co.nme d'habitude , ont des valeutrs
supérielureis aux valeuns indispensables (pan napport aux valeurs
calculÉes avec précision). Ëe qui mène à l'augmentation du poids
et des dimensions des mécanis,nelsi.
Nsus considÉron= cornmËl exemple quelques coe{ficients du
système:
- dans le calcul du câble r of, peut soit diminueF le coeffi-
cient rrr.trr soit prolonger la durée de vie ( puisquei la charge est
araximum et les contraintes de fatigue diminuent ( ( pâg
d'o=cillatisns du moment ou du couple) ).
- Four le tambour , le coe{{icient rrerr et r'r1 I' diminuent ainsi
du
hJ|
lvl
rr
E
I
I
I
I
I
I
I
I
I
lr
l:
l:
f
fiq 7 -1
trl,tl,tf-tÊrnps de demorroge,levoge et freinr:ge
Md,Ms,Mf- Mornents de demcrroge,stotîque et rJe freînoge
I
+
I
W
ùt ! r
M-r(t)
t
I
w- rLLJ
M
çl
=
td J
+t
LI L tf
fiq 7 -7
Md rnax
Md min
t
I
I
t
I
I
t
I
I
I
I
I
I
I
I
I
I
I
I
j
I
I
I
I
I
I
I
I
I
I
I
I
I
I
I
t
I
I
I
I
I
I
140
que te cha|^ge dynarnique IPI FouF les paliers du tambour.
- plusieurs coe{ficients du réducteur diminuent ( entr'axe t
nombre de dents,.,.) à cauge de la diminution du moment maximum
qui agit dans la transmiggion pendant le dÉnarrage et Ie freinage.
- pout 1'embrayage , les momentg d'inertie transmis à l'arbre
diminuent ,ce qui permet la diminutinn du poids et des dimensisns
de l'embrayage.
Nous obtenong la mËme chose poup le processus de freinage
- etc.. -
Dn a considÉré seulement quelqugs fragments du calcul.
En principe on peut faire cela prtur tous leg mécanismes en
détai 1s.
Donc la commande électrique FroPosÉe nsus permet d'apprÉcier
avgc plus de prÉcision les coefficients , le= forces , les moments
et les couples.
Par consÉquent on rÉduit leg indicês de poids et de dimen-
girrns du mécanisme.
En outre , cette commande Électrique ntrus permet de diminuer
les chocs pendant les dÉrnarrages et les freinages et Ên mÊme temps
il y a Fossibilité d'augmenter 1a productivité de notre mÉcanisme
Far la variation de la vitesse en fonction de la charge.
Far aillg1urs , la commande Êlectrique à rÉglage vectoriel
congidÉrée permet d'utiliser les moteurs asynchrones à rotnn à
trage d'êcureuil r eui à leur tour possèdent des dimensions moin-
dres et un mornent d'inertie PIus petit par rapport aux moteurg
asynchrones à rotor bobinÉ utilisés jugqu'elors
Il {aut noter qu'on peut éliminer le= rhéostatg supplémentai-
res du roton qui empirent les caractéristiques Énergétiques'
Le calcul de la partie Électrique de la commande à rÉglage
vectoriel pour les mécanismes de levege considéré avec le choix
des principaux étéments sont montrés en annexe!'
I
I
I
I
I
I
I
I
I
I
I
I
I
t
I
t
t-
14r
CONCLUSIAN
Le régultat principal de ce travail est l'étude, 1'analyse et
l,Élaboration deg commandes Étectriquet asynchrone frÉquentielles à
réglage vectoriel
Dang ce travail En a régolu les problÈmeg suivants:
l- la description mathÉrnatique des processus ÉlectromagnÉtiques
des machines asynchrones et la synthÈge du systèrne agsenvi à rÉglage
vectoriel;
Z- l,élaboration des é1Érnentg du système de réglage de cette
commande;
3- l,analyse des qualités et la stabilité de ce système et
l'optimigation de= processu=i trangitoiresl
4- l,étude expérimentale des caractÉristigues de commande élec-
trique vectorielle;
S- l,utiligation pratique de la commande électrique ccrnsidÉrée
pour une rnachine de levage.
L'évaluation scientifique de cette thèse est la guivante:
10 ) à I'aide de la description mathématique des processus
Électromagnétiques des'machines asynchrones r Ef, {ait Ia synthège du
système asservi avec le réglage vectoriel;
?o) on fait 1'analyse de cette commande électrique et on obtien'
les fonctions de trangfert dÉterrninant les procelsslls transitoires.
L'Évaluation pratique tronsigte en:
10) I'obtentien de Ia méthode de calcul de ces commandes âveË I
formation des proceËEu=i dynarniques et statiques indispensables;
20) la dÉmonstration deg avantages de 1'utilisation deg cufllrilan-
des Électriques vectorielleg en comparaison aux commandes utiligées
habituellement à I'exemple d'une machine de levage.
l
I
J"
I
I
I
I
I
I
I
I
I
I
I
I
I
t
I
I
I
I
I
I
ANNEXE
CALCUL DES FONCTIONS DE TRANSFERT DE LA COI"II'IANDE VEtrTORIELLE DU
},IEtrANISI{E DE LEVAEiE DU FtrNT FRIS EN EXEFIFLE-
Poun le rnÉcanisme choisi r on prend un moteur à cage d'Ëcuneuil
tytre "4 A 225 l'l Ël43" avec les donnÉes suivantes: {Z.UJ
P^ = 3t) kh,
I{' = 75O t/min
Pl.=OTEST
b = 9ûrS %
.o= f^ = or81
X^=2r3Q
Ra = OrO45 n
Xr = Or12 A
R:: = OrO22 (l
X'z = Or 17 fl
On prend Fat-lr cette csrnrrande le convertisseur #rÉquentiel Tn4-5O
avec les donnÉes suivantes:
S- = 50 kVA
tz,=(O+éO)
Alors les
fr=5OHz
Ur. = 22O./3BO V
Llz=(O+3BOlV
paramÉtres de la commande senrrnt:
parem. unitÉg farmules de calcul nÉsul tats
L- H (X- + X r) /Znf r 7 ,7.10-s
L- H (X- + X'.zl /ant t 7 ,87.lO-s
L'- H L-(1 - K-.K-) g.1Q-4
K- x- {X- + Xr) or?5
K x
or93E
/ {X-+;6
I
I
I
lr
lr.
I 1,,
It
l:
ll
t:
Le moment d'inertie
J = Jr.,r
Tr
_s
L'.
r-a (s)
tLr. (S)
I-2 (s)
U-z (5)
l%l=
I-r {S}
K= Kr
_=_=
l{- l{a
L'-
K3=Y--2.=-=
2T!,Ta
o1356 S + 1
rÉgulateurs des
143
O1356 S + 1
cincuits de csurant seront:
ramené à L'anbne du moteur sena:
+ J- = 1r3 + I = 2r3
4r32, r.O-=
_5
El.10-4 54 5
TtS+1 4132. 1O-=5 + I 4132, 1O-2 S + I
Tr . S/L'- 54S
Tr.S + I
2. 10-2, or356
4132. l0-z 5 + I
â:rTa or?1?. 1û-2
T=S+1
Les csef{icients des
Tr = 4r32. 1O-2
E}.10-4
= Or?2é
2. 1O-2.4r3?. 1O-2
l(s = g. =Tr.lt:e = Tr.l{a =4132. 10-2.0rg?6 = 4. l0-a
Alsrs les fonctisns de trans{ert des boucres de courant sersnt:
ltlr. r. (Sl =
2. 1O-2 Sf: + Z.1O-= g; + 1
La fonction de transfert du circuit du flux magnÉtique du roton en
. pr-enant Ê!n compte I'optimum technique seFa:
T:!
Ta
5
s
L= I R=
L- ( 1 -Ke. W.-r,/Re+R:e. H=z
or356
4r3?, 1O-2
Tr. 3 1{f-=
Jr| kgH= 1r3
€12 ft K-. Rz ?.10-2
r
I
I
I
I
I
I
I
I
I
T
I
I
t
I
I
I
I
I
I ,:i
I
144
l{.r =
4aaT:zT*,
l{=
-=T==Or35&
K4
= 35. 1O2
4.2.1O-2.ûr356. 1O-2
l{= = l.?r25. 1O-2
ss + E.1o-4 E2 + 4.10-2 S + I
transfert dr-r circuit de vitesse en prenant en
I'optimum symÉtnique srFa:
2t3 2t3
F Or 1û?. 1O2
4.3163. 1O-2 22r52.1O-2
1r5.4.CIr93El = 5ré3
Hg{S} =
E}.10-ê
La 'fenctign de
congi dÉrati on
J
l1'
4. Hf,r. Tr.'
F.+r = t].f})pl{- =
P={
2r3 213
=
-
= OrOl?7
180,16
lde =
32, l{r{. Ta ,, 3?.5r63. tO-=
B. lO-2 S
lrlw (5) =
64. 1O-s54 + â4. 1O_.,5=I + 32. 10_45:2 + B. 1O_r25 + I
I
fl6 = = 35rE
?"f2. Tl,
La fonctign de transfert par ra perturbation s;era!
1 ,39. 1O-r. (2. 1O-4fi2 + 2.10-=S +l ) S
tr['r (Si) =
br4.1ûr-7Ei4 ç Ér4. 1O-5S:s .. 3r?. l6-rt5:a + g. lO-zS + 1
I
I
I
I
I
I
I
I
I
I
I
I
I
I
I
t
I
I
I
l
I
{âË
L..tJ
ËÏËLÏÛGËâFI{IE
1) ËË===1,:er=1.:à TJ.*. .Fr:tr=v =.F.
"ThÉr=ri= ds= =y=tènes âg=Er-vis" l{sscsu "Flë.ËLil..:â", 1??3,
=i *s.r'ta,st-i V.A" ,Favl=v V"Ë. ,Ê*ruda.ki:v V,?.
"Sy=tème de :*éç1.*.9= des cr=r*rnand== ÉS.ectriql-isË âvÊr des int:teur=
a=ynchrcns=" " Lsni r:gr'ad , LËhlTP, 1ç??.
3] Ëculçakav Ê.â,
"Réç1age frÉq*e,ntie'1
4l Vagint:v *, ï"
d*= i*atslrrg âËynchr-sne=".t'ls==t:ri "fnÊr-giË"
"T*lachins= É1scÈ-i'iql-r€=", Le::i.ngrad "Ênergie', 1çÉ8.
El lJ-. --
-L
lr' r. r.-
-l-
1
-il FliJvd,l-ll Fl .I- r rs-adl-È:- I'
"FrûEEË=us tran=iti:ireg dsn= leg lnarhines à =eurant alterr':st!f "
t4n=rnr r t 4FlE
&3 Ëiegannv=*i *.U. =t autr'e=,
"Sy=t**:== de rÊglaçe =ubar-dsnnÉ de= =g*:E*andes Élect-riqlisË av=c
csnvgr'tisËgu-!''E de= =*upapE=" I l'la=colrr "FnËrgiF" r ïçF3.
?i Lebedev E" oN=iraarl,: Ç. u Pi=àr'ac FI", 5!.=ç*nt:r.=ki *.
"*Égiag= des cærnr*ands= É1=rtri*Li== à rr=ui''*+r:t cc:n-i.inu â thyris-
È .-.e- =
rl r l.T*e r r,r i ll Fn <i_. .a i
--
li
Lul = 5 l:s=LL:+- I Li a-! Hl -
Ë] âis:<eev V.1.'. rS*,rlt*cu U, n *sudahsv V. rPavlrv V.
"fj.=n:ent= dr-:-
=y=t=*e dç =,=iniir*,*d= É1=ct--iqu= **Éque*tiel âvÊr
r*g1age v=cti=r'iel =ubr:rdsnnÉ"i lTc=csur "EnÊrgiEn'.
?l Ela=rhh:e F.
"Ëâ= pr'irip der *eldsri=ntiÉr'Ll-g , dir-gr-r-:dlage fiir- dir- trans-
vscàcr- -r'egelung vr=n dr'eh$=lsç+=hinerl.; Sierneng Teits=hr-i*t;
1F?1 - t'J 4= - ft 1*.
1i--î] FlËter- S., *ippper-g=r- H.
"ti= tr-si':=v==tai-- r'egeli-ing fiii- den *eld*ri=*ti"=tgn betrieb ein=r.
A=ynchr-' r:r:-r*a==h i r:* "
Eien=n= ?=it==hri+t"" 1?Tl - iii 45 - H 3.J.
I
I
I
I
I
I
I
I
I
I
I
I
I
I
I
I
I
I
!
J
t
11) Lagæeiler- F. , *ichter i"i.
"FluE=rfÉung in Ê=ynchrannaschinsn"
Sie*iens Eeit=chrift ", 1ç"S - lri 4= - H 1+.
l=i Lesnhar-d H. , Gahr.iel Ë. , Nardiy tr.
"Field-ilr'i=nted ssntrç3 *f a, standerd AC rnstsr u=i*g micr::pr*-
ceËsfrrÉrr ; IEEË tr'an=g=tis*s on i*du=try âptrlicatifrnË",
1çA$ - çDL I*-1& - l{û? , i*a,rch/apr-i1.
1=: Pav!.ev lr!.8.
"[:rer*ples ds cal=ul des eppareil= de lÊvage"
i-er:ingr*,d "Pla.chinnstrûËr.:iÊ,, r l??&.
14! trhevslier A.
"Le çiiide du des=ine,teur ind*=tr.ie1 ,,
Hschette t==hnique ; Éditian 1?Eil-1"E}?.
15! ËÊAË J.F.
"vites=e vsria-bis, petit * peiit, 1= nsteur a=ynchrr:ne,,.
ïndu=trie= =t techr:ique ?r] jui* 1?gô
i.5} LËAruHARD W.
"ËE*tr'irl s* *x nachine= r*ith the help sf nicrselectrcriicE,,
IF*C Systp' Esntral in Psr*=r El.ectrr:nic= a*d Electr-ical Erive= ,
Lauganne 1ç43
1?l LEnruHÊRS tÀf.
"C=ntr-el t:f eigctrical Sr-ive="
Ëditign 5FËIh|GER-VEFL*Ë l?gs
:.*} E{JHLËE H.
"Ë1 ectrsni qu=
Editian SUlqtS
:.?i EÛ58 E. H,
de p*ig=srice"
{ ôfr{
t rTtl
"FE$rÊr- ELectri:ni=s s.*d AE Dr-ivE=,'
Editic* :Pc*=ntice-Hal! rErigi=g|c*d Ëriff=rNer* Jer=ey, 1çE'&
1)
2l
3)
rl
I
I
I
I
I
I
I
I
I
I
t
I
I
I
I
t
I
I
f,t
I
L47
TABLE DES I,IATIERES
INTRODUCTION ... tit ..I2
I_ DESCRIFTION PIATHEHATIGIUE DES HAEHINES ASYNtrHRONES. . .15
A- VEtrTEURS ESPAtrES DES VALEURS ELECTRIEUES D'UNE PIACHINE
B-
tr-
1'
2'
D_
ASYNCHRONE ....15
Notions génénal.eg, ......15
Vecteurs nÉsultant dans 1e système biphasé des coor-
donnÉes. ..,..,17
Vecteurs esFacel résultants dang 1e système des ctror-
données. ......2O
FLUX IVIAGNETIEUE DES ENROULEI'TENTS (DE PHASE} ET LES VEC_
TEURS ESFACES DES FLUX ...?3
EGUATIONS D'UNE HAtrHINE GENERALISEE. ....2?
ReprÉsentation pâr les projectiong des vecteurs sur
les axes er-B. .,....34
Forme complexe.
COUPLE ELECTROT4AGNETIGUE D'UNE PIACHINE ASYNEHRONE. . . . . .36
II_ SYNTHESE DEs SYSTEHES A REELAGE VEtrTBRIEL DU SYSTEI,IE DE
TYPE ''TRANSVECTEUR' . ,4O
A- LE CIRtrUIT PRINCIPAL (DE PUISSANCE} .....45
B- LE SYSTEHE DE REBLAEiE VECTORIEL...I" ..'46
1) Les blocs tournantg. ,...46
2) Les canaux de rÉglage ,rr.. ..4Ë
3' Bloc du capteur de coordonnées. .. r i. ...47
4l bloc de compengation., .,47
I I I- "ANALYSE DEs SYSTET,IES A REELAEE VEtrTORIEL DU SYSTEI'IE DE
TYPE 'TRANSVECTEUR" 52
I
I
I
I
I
I
I
I
I
I
T
I
I
I
I
I
I
I
I
lii
t
149
A_ CALCUL DEs REGULATEURS DU CONTBUR DU FLUX ET,IBRASSE DU
FtrTOR. ....54
B- CALtrUL DEs REËULATEURS} DU CBNTOUR DE REËLAEE DE LA
VITESSE DE ROTATITIN.. ....58
C-CALCUL DES FRAtrESSUS TRANSITOIRES AVEtr UN SIEiNAL
D'ENTREE LINEAIRE ....â3
IV- ETUDES EXPERI},IENTALES DE LA CTTFIMANDE ELECTRIEUE A
REGLAËE VEtrTCIRIEL... ......ô6
V_ BLtrCS DES S;YSTE}4Es DE REGLAËE VECTtrRIEL SUR BASE DI
CIRCUIT5 INTEERES . -:.. .....?6
A- BASE D'ELEI-IENT DES SYETEHES VECTORIELS. . . , . . .76
1) Hultiplicateurg opÉrationnels-intégnales. ...76
2) Dispositifs de multiplicatiort. r r r... ...7q
B- BLOCS DES SYSTEHES VECTORIELS.. ....46
1l Blocs des transformateurs de coordonnées.. ..E}ê
7l Blocg des transformateurs de phases. ...E}7
3) Blocs de calcul des modules. ......8?
4, Blocg des analyselurs trigonométriguGts. ... '..9O
C- BLOtrS DE REGLAEE DEs trBNVERTISSEURS FREAUENTIELS DES
trOI4HANDES ELEtrTRIAUES A REGLAEE VECTORIEL.. ..93
1) Eloc de réglage de I'onduleur autonome du
convertisselur {réquentiel - ...93
?, Bloc du capteur de tension du redresseuF
commandé du convertisseur fréquentiel.. ... -.?6
VI_ PARTICULARITES ET AVANTAEES DE LA trBI'II,IANDE ELEtrTRIBUE A
REGLAGiE VEtrTORIEL POUR L'ANALYSE DU I,IECANISI'IE DE LEVAEE
D.'UN PONT ROULANT TRADITIONNEL. I"""t...I"t.....99
- I'IEtrANISHE DE LEVAEE D'UN PONT DE 125 KN DE ËHAREE
lr
It
Ir
lr
I
It
ll
I
I
t
I
I
I
T
I
I
I
I
I
t
LI.I
I
149
1) Choix et calcul du palan.. ..1OO
2l Choix du moteur ...1O3
3) tralcul des charges et qr-rantitÉ de charges.. ' - - - ' 1t15
4) tralcul des routes dentÉeg.., ' 10Ê
4-11 Calcul des dinensisns du 1-* Étage. '....1ÛÉ
4-2) Calcul à la ssliditÉ du 1-- étage, .ltlE
4-3) Sécr-rritÊ à la fatigue. .. ' 1ltl
4-4) DÉter'minatinn des dimensions ?--- étage. .....11Ç
4-51 tralcul à la =oliditÉ dr-l ?16r Étage. ,..,.11?
4-&) VÉrificatisn à la soliditÉ =tatique. ....113
5- f,alcr-rl des arbres.. ...'r ...'113
5-1) Premier arbre. .113
5-2) Ëalcul de l'arbne interrnÉdiaire. '.,118
5-3) Calcul du Srmr arbre.
6l Calcul des palier=. ....123
7l Calcul du tambouF..
8) Calcul et chsix de I'embrayage entre le msteur et le
rÉducteur,.. ..:, -
ç) calcul du mou'f1e... ....131
?-1) Choix et calcul du crschet.. ..131
?-?) tralcul de l'ÉcÈuu du cngchet.. .. '..134
ç-3) rhoix du palier du crochet.. .134
?-4) Calcul de la travense.. ..135
?-5) Palier des ptrulies.. .,,.,136
9-61 Choix du {r'ein... ...13Ë
f,DhrtrLUSION. . ..141
AhINEXE. .. 14?
BIBLIOERAPHIE. .....145
TABLE DES I'IATIERES. .....14?

32-530-58-1-2.pdf

  • 1.
    -{ rT1a"Tr-'i n-r-I i rtfl-]IIl . tûf*E[iïtrE 11 I NL.JLII I LL Ft I 'l IFuNItrFFFæ|TF i-**F æi lF1&. L +.J! ËI Il kl tH! I ** Hh eéill#r.a= ruËîff #T *fr ilifË*eFil#tJË ,nw PtlJR t'tBTËt'{Tlff'l $U TITHE TT R H Ë1 TETTEFFfr ElfX [I trlH ! F H lEll-t gtrg I kl I rftl Êrnlltr liirFÂfiilnl lr LIT TJLIIIL IYILLFTIEILTUL nf,n I ntt ilfr fll I Â lf l fifr n!"1 ô trljh,lFR Itt L, k rIt çt Itt rJ I tr-lt?Ittu-tJ ' I -{ na rt - ' *-DE ELE l:TF,I#liE ,{ HEGL{GE 1''E[IT*F,IEL ' 'L:U-fr{L-$A"t-l rES ,{FFÂRETT,S trE LEl,'ÂGE'' *ÛUTEII{IJE LË 311t1/gt DEVAI'Jï tA [$h4l*i$$l*$i û'ËXAil4Ei'l : "Mr,$Et{Ë*ijztil Ê, FÊ#FE$$rilH , |'Jf{lllËH$lTE ds BtlilA 'FÊE$iÛEriT "Mr KA$$lnl{ v, MÂlTHf nE f,ftiiFEHEfi*f , UFll:rfR$lTt iie nLlLrA =E}iilMllJiiTfijx -itlir $TËFAP{Ûtl tl, I'dAiTftE ûË f*ItlFEËËlrj*E , EFJ$ET LAËliûLjAT -iHiÂït4ii'iAiEiiÊ -ir,lr ZILËFI$HI il, MA|TËE AE CûiïFËËËf,jr;F, Ul',JlVEÊËiTE ds ËtlDÊ -8,-;*idii{nTËUn -ir,lrFÊYLûY L fdÂITAE ûE ççirltËtËllr.iE, LJfiit/ERFiTf; d* BL!ûê -RÂPF*fiTEljfi -i,ir $ALli! H. ïdÂiiË[ A$$lËiAlÉi, ilHiYEt$lTE ric $tlûÂ -iliiriii
  • 2.
    'U?r -Yto- {$''t r8-1- ] THE$E ^^uvu FHE$ÊI'ITEE A I L'l"fNlvHn$nË FE H-laA . NSTITUT nffi ffffisÂh$Qt"H PûIJR L'OBTEfrTISI'I $u TiTRr ffi ryAfiffiTgN lllnullry r ]r r Ëf{ ûËl{lE MEtA}llolJE PAfi MÛUAICI MÛ}IAMMED ''CTMMÀNIJE EI$CTRISUE À EEËLAGE YECTTRIET T}ES A,PFÂRËILS SA LEYAËK" $0uTrHuË LE 3 1/$ 1/$S $Erf,f{T Lâ çS}$M[$$r*Fl B rffsfdru : -Hr Ëfff*û{tn$ û. FR$.FE$$.gli& , tl$lY$fr$lïË de Btlll$ 'pgËslFffiT -Mr KA$$tSil l, $#$TnË $fr tfrHFËSEHfÊ ,'llffiïfi&$lïH d+ BtlR,* "gï{A}*l*lATEtlÏ .il{r $TfFAî{*f l, MSIT*Ë tfi *S$ffgg$,$f , Ël{gfT ;gfiHÛl}AT 'EHShdlfiATElJfi .Hr ITLEH$KI y. MAITRI '$E tûf{ffrnËff*[ ,ltiltrllEË$TïË Se ELI$& "E]t*ffiffATËt]R -MrFAyLSt i. tu{Alïfrfi *Ë {.û$lFfrft[ffiûË - UftiVËfr$lïË $,s $LISA "pAFFtllÏ Ëilfl .Mr $Allllll. f'dA$Rn A$$l$TfiHT , uNtYËft$lTE dç Bt|[A -ll'llilTE 32-530-58-1
  • 3.
    "i*l"tl4*r*"ilE =Lef,îFirGUf 4 Ë[ËL*Ë=FËEûugr{T:=L LJÊTT*F;:EL T}E= *FPAft:E:-5 *tr LFUÊËtr,, f:Ë:Er:Tf'JF: lF F;p-C;-;gO"*t= g* F*VL*V T. I*-tiË[fî[!j* : !'!* tr-t ât-t5;.-r U= f,ftTTT*ÊJE : F,!* STfF*h!*qi L'"
  • 4.
    I arl I I I I I I I I I I I I I I I ËE},IEREIEf'IENT5 : JE TÏENsA REI'IERf,IER LEs EFIËE:ËhIAI{TË_trHEFTHEUFIS T}E LA trH*TRE tr85 ilATHINES ELECTRIGUES DE L'ThISTITUT I}85 HTruE5 T}E LENII{EËAË , EN PARTIf,ULTEF H}4 âLEXËËV , FARTAtrU ET RtrUI}AHAV FTUR LIUR ATûË FENÊANT L'ÊTUTiE EXFERII.!ËHTALE *TN=I EIUE H* FÊI/LTV ËT I-T- TELEFISHI RESFECTIVEi-IEI{T EIRECTEUR ËT TCI- trTËECTEUR NE THEËE PTUR LEg CÛNËEILs ET L'âISE GU" TLg ThIT ËIEI{ VSULU H'ATËSRI}ËR. JT RET4ERËIE EE*LËPIEFIT FT EE'qEBUZIP F" B'AVSIR âËËEFTE sE PËEËISER ËE JUHY ET TflUË LEs CALLEËUEs EilJI , SE FFES EU DE L*IN,I'I'SNT AIDE A REALISER CE TRâVATL ET ËFI FARTTCULIËR Iç*. PENBUHNAL. I I J I
  • 5.
    501"11'IAIRE INTRODUCTION ,.1? I- DESCRIFTIANHATHEI-IATIBUE DES I'IACHINES ASYNtrHRONES, . .15 A- VECTEURS ESPACES DES VALEURS ELECTRIGUES D'UNE I{Af,HINE ASYNËHRONE ....15 Ë_ FLUX I"IAGNETIEUE DES ENRTULEI'IENTs (DE FHASE} ET LES VEtr- TEURS ESPAËES DES FLUX ...23 C- EGIUATIONS D'UNE I"IAf,HINE GENERALISEE. . . . .2? D_ CCIUPLE ELECTROf,IAGNETIGUE D'UNE I"IACHINE ASYNCHRTNE. . . . . .36 I I_ SYNTHESE DEs SYSTEI{ES A REGLAGE VECTDRIEL DU SY5TEÎ,IE DE TYPE ''TRANSVECTEUR" . .45 A- LE ËIRCUIT FRINCIPAL (DE FUIS5ANËE) ... ,.45 B_ LE sYsTEI"IE DE REGLACE VECTORIEL. . . .46 lII- ANALYSE DEs SYSTET{ES A REELAGE VECTORIEL DU SYSTEI{E DE TYFE "TRAhISVEITEUR', ......52 A- CALCUL DES REËULATEURS DU trONTNUR DU FLUX EI"IBRASSE DU ROTOR. ....S4 Ë- CALCUL DEs REGULATEURS DU CONTAUR DE REËLAEE DE LA VITESSE DE ROTATION.. ....58 C*CALCUL DEs FRNCESSUS TRANSITOIRES AVEC UN SIEiNAL D'EFITREE LINEAIRE ..,.63 IV_ ETUDES EXPERIF,IENTALES DE LA CO|'T4ANDE ELECTRIAUE A REGLAEiE VECTNRIEL... ......6b V- BLOCS DEs SYSTEITES DE REGLAEiE VECTBFIEL sUR BASE DE f,IRtrUITS INTEGRES .....?É A- BASE D'ELEI"IENT DES SYSTEI"IES VEtrTORIELS. . .. . ,. ?6 B_ ELDCS DEs SYSTEPIES VEËTORIELs.. -...8Ê C- BLOCS DE REGLAEIE DES CONVERTISSEURS FREGIUENTIELS DES CCII"IFIANDES ELECTFIBUES A REËLAGE VEËTORIEL.. ..ç3
  • 6.
    I I I I I I I I tl lr ll l_ II lr l: It ll I'l I VI- PARTItrULARITES ETAVANTAEiES DE LA CCII'II,IANDE ELECTRICIUE A REELAGE VECTORIEL PtrUR L'ANALYSE DU HEtrANISHE I}E LEVAGE D'UN PONT ROULANT TRADITIONNEL. I " .. _ HECANISPIE DE LEVAEE D'UN PBNT DE 125 KN DE trHARËE troNcLUsION.. .... !..140 ANNEXE, .. r.. ..14? BIELIOBRAFHIE. ..... ,....145 TABLE DES HAîIERES. ....:147
  • 7.
    !2 12 l . I i t INTRODUCTION Les avantages desmachines asynchrones à roton à cage d'êcureu Fer r;rpport aux moteurs à courant continu sontl - la slmplicité de la construction; - une durÉe de vie plus grande ; - un poids et des dirnengions moindres ; - un rnoment d'inert_ie trLus petit. Ëes avantages dÉterminent I'utilisation de ces moteuns dans le commandes électriques des mécanismes- En sutre r la crÉation de convertisseurs frÉquentiels statique à thyristors facilitent notablement ce problème puisque à l,aide de ces convertisseurs r ort peut faire varier la fréquence et la tensio aux bornes des moteu|^s âsynchrones . Hais la di++iculté de ta divi- sion du courant du gtator en courant magnÉtisant et en cou- rant de force des machines asynchrones tromplique la création de la commande électrique à courant alternatif identique à la commande à counant continu à réglage subondçrnnê . trette commande Électrique subordonnée nous permet d'obtenin les procee;sus dynamiques et stati. ques indispensables sur l'arbre des machines à courant continu Avec 1'apparition récente des pnincipes d,ohtention deg protressus dynamiques à l'aide du rêglage vectoriel, la création de commande électrique à courant alternatif analtrgue à la commande éler trique à courant continu devient possible Dans la commande Électnique à rÉglage vectoriel utilisÉe la prr mière fois en R.F.A par la firme 'SfEF{ENS" , on utilise des mÉthode: basées sur l'orientation des vecteurs "espatre" des grandeurs Électrr magnétiquels des machines asynchrones. Ces mÉthodes réalisÉes à base de système asservi permettent d,obtenir : les régimes transitoires indispensables de la commande i - les gammesi indispensables de la variation de fnéquence de
  • 8.
    I I lr It ll ll 13 rotation avec I'utilisationintégrale de la nachine. Dans ce travail r cln considÈre et on analyse les principes du rÉglage vectoriel des machines à rotor à cage d'écureuil . Bn uti- liser tfl qualité de vect,eur "espace" les grandeurs électromagnétiqur et électriguets( flux , cour^ant et tensions ) . BUT DU TRAVAIL 1- l'étude , l'analyse et 1'Élaboration de la commande électri- que à courant alternatif à rÉglage vectoriel ÉlaborÉes sup la base d'un moteur'asynchrone à cagei d'Écureuil r un convertis=;etut^ fréquen- tiel et le =ystÈme asservi correspondant. 2- le calcul et l'utilisation de cette commande électrique sur le mécanisme de levage d'un pot poulant- Dans ce travail r on doit résoudre les problÈrnes suivants: ' L'analyse mathématique et la synthèse d'une commande électri- que à réglage vectoriel utisant un noteur asynchrtrnr à rotor à cage d'écureui I ; - l 'analyse et l'optimisation des protrErssus de cette commande Électri que; - l' Élaboration deg bl.ocs du systÈme asservi; l'étude expÉrimentale des caractÉristiguels de ta commande électrique vectoriel le; - l 'utilisation pratique de la commande considÉrée sur un nÉca- nisme de lervage d'un pont. L,'êvaluation scientifique de ce travail est dêterrninée par les reJrerques suivantes: - en utilisant 1a degcription mathÉmatique des proc€lssus Électromagnêtiques des machines à courant alternatif r o11 fait la synthèse du sys.tème asservi à réglage vectoriel sur la base d,un mo- teun asynchrone à rotor à cage d'Écureuil; . - qn fait l'analyse de cette conmande et on obtient les fonc- tions de transfert qui dêterminent Ies processus transitoires.
  • 9.
    I t I I I I I I I I ir lr lr lr lr lr lr ll LI r4 L'Évaluation pratique dece travail est la suivantel - on obtient la méthode de calcul de ces commandes avGrc la for- mation des procËlssus dynamiques et statiques indispensables; - on montre les avantages de l'utiligation des commandes éIec- triques vectorielles pap ràpport aux commandes Électriques tradition nelles et à titre d'exemple , sut un.mÉcanisme de levage d'un pont roul ant.
  • 10.
    ft{ 15- I- DEStrRIPTICIN T'IATHEHATIEUE DESI'IACHINES ASYNCHRONES A -VECTEURSi ''EsFAtrE" DES VALEURS ELECTRIGIUES D'UNE HACHINE ASYN- trHRONE 1) Notions EÉnéra1es Une {orce magnétomotrice d'un champ rnagnÉtique tournant d'une machine asynchrone polyphasée (en panticulier triphasÉe) peut Ëtre représentÉe à l'aide d'un vecteur elspece rÉsultant F, qui tourne aver une vitesse synchrone dont La valeur egt déterminÉe par le nombre de paires de pËleg et par la fréquence de la tengion d'alimentation. A son tour ce vecteul. correspond au vecteur "espace" courant I . Les vecteurs "espace" nésultants sont les sornmes vectonielles des vecteur "espace" phasÉsr eui sont irnmobiles dans I'espace et varient rn fonc- tion du temps selon une loi sinugoïdale, Par consÉquent, le vecteun I T c I t "espece" résultant du counant ser^a , fîJ I- =(2./3) (ia +ais *az ie ) Où 6=sJ2rl3 - OpÉrateur tournant t (1) iar isr ie Valeurs instantanÉes des courants de phases. Les valeurs se dirigent dans la direction de l'axe magnÉtique de La phase A avec di++érents signes détenminÉs par l'équation suivante: ia +.is +ic = O (valeurs ingtantanées sang fil neutne). Sur le desgin 1.1r les droites A, Ë et tr dêsignent les axes des enrourlements des trois phases Pour constnuire le vecteur courant rÉgultant f-, , il e=t nÉces- gaire de fixer dans Ie sens de l'axe A les valeurg instantanÉes en tenant compte des signes de ces valeurs et de la condition suivante: ia+is+ie-O Ensuite suivant la formule (1), on constnuit les vecteuFs: : is = iser't'zo' et ic = icer'12o' tournant dang le gens contraire
  • 11.
    a-) {:} {t 16 des aigr-tilleg d'Ltnemontre (seng positi+) pâr rapport au vecteur: i- = i.q gJ-oc La somme gÉométriquçl de ces vecteur*s nous donne le vecteun (3./?) I- Dans la formule (1)r on introduit le coefficient 2./S poun que l'amplitr-tde du vecteur "tspaEe" résultant soit êgale à l,amplitude dr vecteur courant phase. Donc Four détsrminer le vecteur ,,espace', résultant i1 {aut empl.oyer la {nrmule t1}. Les projections du vecteur "e5paEe" rÉgultant sur les axes magnÉtiques des phases perrnettent d'sbtenin les vecteuFs de phases ou Ieg valeuFs instantanées des courants de phases (voir fig l, l). Tout cela est valable Fclur le système symétrique des enroulementr et des courants. Une conclusisn analogue peut Êtne faite pouF les tensions et Ie: tlux magnétiques. U- = (2/31 . ( Lla *âug + a2 uc ) V- = (z/3t.(ll^ + â9/Ë + az!ç | La transformation d'un systèrne triphasé Eln système biphasé permet de gimplifier le système des Équatisns déterminant Ies protrec;sus dynarniques des machines à counant alternatrr.tîJ Les vecteurs "espeEe" rÉsultants peuvent Ëtre considÉrés dans le système bipha=é des coordonnéeg rt - B du gtator. Pour celat iI faut assimiler I'axe c* à l'axe magnétique de Ia phase rrA, . L'axe F egt perpendiculaire à l'axe ct. En outrer op1 peut reprÉsenter le vecteur rÉsultant dans le plan cornplexe. On aLrFa donc I 'axe F quti coingide âvf;3c 1 '*tue i.maginair.e (*j I eL I ,à:.le d{ âvËc I ,à;<e nÉel t+1). Les prajections du vecteun espace il- =,r, les axeg irnagi- nair'e et réel, c'est à dire, les parties réelle et imaginaire du 2 - vecteurs nésultant danE le système ElphasÉ des coordonnées.
  • 12.
    L7 /- iÊ tq IU I I I I I I I I I I I I I I I I I I I iil Ir F ; I 3/'2 | S (+t)otn - ..t t-, - I fl D(- l/1 (+i) n fiq 1 -7 fiq 1-1 q
  • 13.
    18 vecteur complÊx€t sontdes val€!ur"s instantanées des courants enroulements orientées le long des axes s - B- trette transformation est repnÉsentée sur le fig 1'2 On peut écrire ! i- = i- * iet où i- = Re (i-) i ia = Im {ie} = - Re (-ji -} i- = Re (i-) = Re E(2/3, ( ia + aia + aaic; ) ia = Irnt(?/S) ( ia + aip * atir: ) On peut réÉcrire 1'opÉrateur tournant a = eraaoo de la maniÈre guivante dans le systÈme des coordsnnées ra=ertr:ltt-=l-L/?r+(jt3r/2 I I L a4 = sJa4oo = t-l/z, |it', /2 En rernplagant (4) dans {2, et (3) on trbtient : i- = {2/3, f ia - ( is' + ie r/27 Q.' (3) et gt = gJ24o' (+1r+j) (4) I L Ou au I I L : ûi ia = (is - ie ,/'13 Ces formules nous permettrnt de passer du systètne des cool^- données triphasée au système biphasé c( - B puisque i,r + is + ie = 0 (système des courants symÉtFique enroulemElnts couplÉs entre eux sans fil neutre). Alors: tre systàtne permelt- d' obtenir leg rants phate, c'est à dlre conDent on au.eyetèae blphasé c - ! . (5) valclurs ingtantanées deg cou- peut pâtter du systèue trlPhasÉ l- = ir lc= (il,- cont|^eire: ia = i- is, = 'io/Z ic = -in/2 i r:) ./"t3 + (isJ3) /2 (6) $ a.I3' f2
  • 14.
  • 15.
    'i.j 2o'- 3 - Vecteurgace" résultants_!-Ën_s__!e système des coordonnÉe: 'L,sur.nant. On représente te vecteur "espaËe,, f- dans le systÈme des coot^- donnéeg biphasÉ tournant à une vitesse synchrone. Donc, il est néces- saire de passer du systÈme deg coordonnées fixe (systèrne bipha=é cr-B) au systÈme des coordonnÉes tournant à une vitesse de rotation syn- chnone. Sur l.a fig- 1-3 sont représentées les systÈmes des coordonnÉes biphasê fixe (ct - B) et hiphasÉ (A'- B') qui tourne avec une vitesse de rotation synchrone. Bn désignEl pa|^ la tettre x l,angle entre les âxcls c* et A,. La dérivée de cet anglcl en fonction du temps w = dx./dt est la vitesse aynchr'one de rotatinn. La valeur o( Q(r=O(-X - angle entre I- et l,axe cr - angle entre I- et l,axe A' On peut représenter le vecteun i- dans les 2 systÈmes de coon_ donnêes sDlrs forme complexe. Pour cela, les axes rÉels des plans cofir- plexes coincident avec les axes ct et A'et les axes imaginaines 61vec les axes B et B' . Donc ! i- = i- + ji- pour le système fixe. i-- = ia. + jia. - pour le systÈrne tournant. i- = Ircos;o( + jlsinu = fr.trq i-- = I-cctgc(r + jl-sinctr = I-.eJ-r ou r- egt l'a,mplitude du vecteuF *'space résultant trn peut réÉcrire l,Équation de i-* ainsi: i-- = f-.eJ <a-x) = I--eJ*,g-J* i-* = i-.e-J- puisque i- = f-.eJ- Donc: . i- = i-*.eJ*
  • 16.
    (gl L lr Ir It lr ll ,f I I I I I I I I I I I t I !' II I 2t Dans notrecas e-Jx et eJ* reprÉsentent les opérateurg tour_ nants du vecteun nÉsurtant, d,un angrê xr ce qui revient à dine que cElux sont les opÉrateurs de la transformation des systÈmes de coor- donnÉes. L'opÉrateur tournant e-r- effectue Ia transfsrrnstion de ra rotation du vecteur espace rÉsultant du système des coordonnÉeg tsur- nant âvec une vitesse w = d:r/dt On cherche les projections du vecteur espatre f- dans leg différents systèmes de coordonnéeg: i^'= rrtro='(r = rrco=(cr-xl = r-cosu coEix r-sinx c.,50( puisque l:ctso( = i- et l-sino( = is Alorst i a, = i o€oscr + i asi nx (?, ) i-, = I-gincrr = I-sin (q-x)= I-sinorcosx I-sinxcosnr ip, = isCo5x - i-sinx (7,) En résolvant les dernières Équations pat^ rapport à i- et ic, on obti ent: r I i- = iâ,cosx - is-sihx I L is = i-.sinx - ia_ cosx En utilisant les relations (El ron du système des coordsnnées triphasé au biphasé fournant : i--ic i^. = ia c(rsx + -------- ginx .t3 cosr( - iasinx CIù: Re( i-, +jia,).sJx Refa2 (in, + jiE,,lf.rr* Rela (i q. + ji r.) l. er- (7) peut obtenin la tnansformation systèrne des coordonnÉes iA irt -e (9)
  • 17.
    22. Ces dernières formulesreprésentent les parties néelles du v6rc- teur "espace" résultant exprimê dans une forme complexe et notê dans le systÈme triphasÉ fixer ou erx - OpÉrateur tounnant faisant les transformations du système tournant à celui {ixÉ triphasÉ: Puisque : eJ-=CO5'X+jSinX â.eJ- = gjx.gJt:zo-= eJ(t20-+xl= g2.gJx = eJ(x-12o.t = C,'S(X-lZOo) cos{12Oo+x) + jsin(l?Oo+x} + jsi n (x-l20o ) En substituant ces relations dang le systÈme d,équations (ç) on obtient 3 irr = Re(i6,gq3s1g + jia.cosx - is,,sinx + jîa.sinx) = ia,CoSX -i'SinX ie = Re{lcog(x + 1?oo] + jsin(x + laoo) rtiA. + jis.l] = ia,cgrs(x + 12Oo) + jia.sin(x + llQol + + jin.cox (x + 12Oo ) i e:,gin (x + l20o ) = ia, cos(x + 12Oo) - is. sin(x + lZOo) ig = Re{lcos(x 1200] + jsin(x 120û]rtia, + jiE'r] = ia, cos( x 1200) ig, sin( x t?Oo) Touteg les nelations obtenues gont valables pout* le systèrne lié àux axÊ5 biphasé du rotor d'une machine synchFone c.à.d. dans le sys- tàme des coordonnÉes d - q . Pour cela il faut substituer les indices d - q avec les indices A, et 8,. Pour le cas du courant, rorsque le systÈne des coordonnéeg tourne à une vitesge de rotation di+férente de la vitesge synchrone, la position de ce systÈme est dÉterminÉe paF l,angle X* entre leg axes tour'nants et les axes du système immobire tfig. l-4). tre systÈme tourne à une vitegse hfr< = dx*/dt et la position du vecteur esp;rccl régultant du courant est définie par l,angle tr*=o(-Xr.
  • 18.
    f:: t: I ::= t r::= I"= l.= |'r= l:= I t:-- | 1--= tr= t-- I | :::= l'- t_ a,: =' = - æ = = Ë = Ë E E E E E E E E E ei E' Æ Par consÉquent vitegge synchronel, les systÈmeg fixÉ et i:r* = i--e-Jxrc i- = irL gJxk et eussi bien dans le cas les relations du vecteur tournant seFont l 23. pt^écédent (w = dx/dt - "espace" rÉsultant dans o(rc -o(l ( Xr. -X ) E'est pourquoi pout l'autre et vice-versa, il irrc = irx.e-(t(r< xt i-- = ir*.gJ(Xk x) ( 10) la transformation d,un systèrne tournant à {aut utiliser leg relations suivantes ! sy5tème tournant à une vitesse wL système tournant à une vitesse w qu'i I dans où: i- vecteur du système f ixe i-* vecteun du systÈrne toupnant En analysant re diagFârnrne vectoriel (fig. l-4), ou peut voiF éxiste une dépendance entrr res anglrs de position du vecteur le système fixÉ et tournant: E_-__EL!{ FtAGNErrGruEs DEs ENROULEI,TEI|TS (DE PHASE) ET LES VECTEURT "ESPAtrE" DEs FLUX. Tout d'abordr orl peut examiner une machine dont le stator et le roton compontent des enroulements triphasés. CIn suppos.r qu*, ces ennoulements pa,r^couFus par des courantg symétriques soient symétri- ques et que l'entne{er le long de la circonfÉnence de la machine soit constant ^{5J on peut écnire les Équations suivantes: id-a- + icLac -F i-La- + irrLar, * i=La= + id'r + icLË'E + iu|-gr, + i-Lp- * ieLs= (11) + ial-cs + icJ-s + i-Lc- + ic1-cc -F i=Le= Pour les flux l ry^ = iaL,q + I lW- = i6l-s.q I LV - = iALcA où: iar iar icr irr staton et du roton it r i= - couFantg dans les enraulements du
  • 19.
    de de I I I I I I I I I I I I t I I I t t I lii I 24' fnductances des bobinesdu stator courants correspondants, fnductances mutuelles du stator dÉterrninées par res courants des phases voisines. Latr Lartr La=r Ls-r Lsrrr L;-r L6-1 '.,. Inductances nutuelles des enroulements du rotor et du stator qui sont fonctions pÉriodique de l'angle de rotation de rotor. La=Ls=Lc=Lr - déterminêes par les flux des Lan=Lac=Lae=Le *Lr'=L-r*lr- Où L-r - inductance de fuite - inductance du flux principal minÉe par le flux passant dans I'entrefer enroulements de la machine) - stator dÉphasés de ZnlS). Pour analyser leg inductance= tor et du rotorr trrt représente les et du rotor tournant ( fig I _ S) _ (cette inductance est dÉten- et elnbrassant tous les mutuelles des enroulements du =ta- axes magnÉtiques du stator fixe axes magnétiques * Lee = 1-- cos;l?Oo = - l-^/?, ( axes des enroulementg du trn dÉsignr paF la lettre ê l,angle entre les des mEnes phases du stator et du rotor, alors 3 êa- = ërr' = €lc= i Cla- = €lo + Wt Ëar' = Cla- + 2rt/3 ; €la= = Glao + 4"'/S Ofi: w vitesse de rotation du stator si l'es axes magnÉtigues des mËmes phases du stator et du rotor coincident, alors l'inductance mutuelle de ces phases es,t Égale â la valeur maxirnale dÉsignÉe par la lettre i-r= (inductance mutuelle des mÊmes enroulements du stator et du rotor lorsgue les axes de ces enroulements coincident). Ëette valeur est toujours la mÊme pour ungr machine idÉalisÉe. En outre Lr= =l-- = l-- - c.à.d. les phase du rotor et du statoF passent par les flux pnincipaux mÊmes portions chaque la
  • 20.
    I I I I T t I I I I I t I I I I I I t Iii I 25, machine et enbrassenttous les enroulements. D3ns le cas gÉnÉral, quand les axes des mÊmes phases du stator et du rotor ne coincident Fêsr alors les inductances mutuelles du rotor et du stator sont éga- les : = Le= cosÊ)a- = Le= cog(wt + go ) = Lez cos€}ao = Lrz cos (wt + êo + Zn./S) = Ll= cosêa= = Lr:a cos{wt ç Ë}o + 4n./S} etc.._ utilisant Le système d'Équations (11), nous Ërupons: V- = iJ-. + {is, + ie}Lrr * i-La- + irrLao + icl.â= V- = irrl-r + (i.o + ir=)Lrr * i-L;- * irr|-s-.ts i=L-= 9- = id-r + (i6 + irlLrr * i-Lc- * ir,Lea.r i=Lc= En utiligant r'Équation gD Fa.^ FopÉnateur â, r,équation(pe par l'opérateur s2 et en additionnant Ur^, lp asv) c,r on obtient: va + av- + azve = (i.q + aip + aaiclLr + fi;, + ic + (i,a + ic,)a + + (ia + ir')allLrr + i-(Lrztrog$ar * al-r=cos€ls- * alLr,:zcosêc-) + + iu (Lr=cosêao * a'-r=c.'scL'' * aÊ Lr=cosgbu ) + io (L.=c.,s.rar + * rl r=ggsC}rl= + al Lr=tros€lee l Suivant la dÊfinition: (zfs, {lt^ + agl- + azV., =V- - vecteur espec.. d,un f lux magnÉtique embrassé de 1'enroulement du stator En tenant compte des formuleg suivanteg: i- = (2/3, (i.q + si. + atic) et (2/3, (ig + ie + ia.a + ic,a + i*r.â * ia.as + ir,.az) = = l2f3l (i= + aic + aaia) + (2./J) (i= + ai- + aeis) = = i-â-= + ire-t = -i- Alons: Q.13, (ia + ein + aeiclLr + (Z/]irl(ie, + ie + + (i.q + iela + (ia + i'lat lLer=, i-(La _ Lrr) La relation du flux magnÉtique embnassé du stator dÉterminée par les courants Ou rotor V-- peut-€tre écrite ainsi ! La- l-âb tq= En ( 12)
  • 21.
    tg tg = æ € æ * G Ë € ë E E Ë æ G G æl E G 26- W-^ = (i-+ air, + a2i=)Le=cos(wt + êo) + + (ai- + aaia + i=)Lr=cos(wt + e|o + 4rr/3] + + (ae i- + ia + àie ) Lr:accls (wt + gç, + Ar./3) Puisque ê^- = fu.' = {Jb= = €}o + wt et utirisant ces reration=: i- = (Z/5, (i-+51ir+a2i-) ir. â-a = (Z/3, (ai -+sa i r,+i =) i-s--a - (Z/J, (aa i -+i rrai =) trn peut Écrire : V'- = i^Lez f aocos(wt + ç61 * a-rcos{wt + €b + Zn./3} + + a-zcos (wt + Clo + 4tt/S) I - = (2/31 i-Lea. gJ (wù' + ittot Par conséquent re vecteur résultant du flux du staton peut Ëtne représenté de t.elle maniàre : V- = i-(Lr - Lrr) + (zlsri-Lr=.er <w*+€o> r orr obtient ! ( 14t ( 13) Puisquel Lr.r = -t -^/Z et Ll = L:l * l-- donc' Lr - Lrr = Lrr + L- = L- - inductance totale équivalent de la phase dÉterrninÉe par le fl.ux du counant de sa phase et les flux des phases voisines du stator. L- = (3/2r l-- = (3/2rLr= = (S./Zr1-- - inductance du champ magnétique principal calculée pour une phase de ra machine triphasÉe .,u l'inductance mutuelle du stator et du rotor. En supFoEiant que wt+€lo = or 9)-= i.L-* i-l--.grs D'une manière analoguer on obtient ! Vl* = i-L-,,e-r- + i-l* t- = L=-L=z = Lrr + (S/Zll-,' = L-r + L- où : t* - inductantre totare équivalente de ra phase du rotor déterminée par les flux de ses courants et des csurants des phases voisine!s. l*e - inductence de fuite l- -inductance mutuelre du stator et du rotor du frux
  • 22.
    du au ll I ll I I I I I I I I t I I I I I I I I lï I magnétique principal. e_J- , ausy=tème vitre-veFsa. eJ- OpÉrateurs tournants pour passclr" des coordonnées tournant c.à.d. du stator 27- système -fixe rotor et g_- E0uâTItrNS D'UNE ttACH Nous suFpo=clns quei ! I - La aachine n'est pas saturée ; 2 - Les pertes par hysténÉsis et les pertes de foucault sont nul les; 3 - Les lois de changement des forces magnÉtomotrices dont sinu- soidales- Pour les valeuFEi instantanÉes et utilisant la loi de KIREHHOFF on peut écrire les Équations guivantes pouF les enroulements du sta- tôr des machines syrnétriques : Des équations analogues peuvent Ftre Écrites pour leg enroule- nents du rotor En utilisant la fsrme vectorielle de ces équations et à l.'aide des vectElurs "Ëspace" rêsultants Fout^ le gtatop on rÉÉcnit le système ( 161 ainsi .: uj=i-FL +aPJdt ( 17) U.'a = i--,R- + dVaarldt Ucrrr = igrafl- + d Vesldt U:rr==iacR-+dV--/dt Pour le rotor: frn = i-R- + all-tdt où: r | ,lr-=i J- + er-i -L- I I U-=iJ-.e-r- * i-L- L Les équations du stator et du 1e mËme systàne de coordonnées qui ( 1ê) ( lE) ( t9) rotor doivent Être rÉécrites dans tourne avec une vitesse de rota-
  • 23.
    I I I 2t tion w.. 'Pour cela il faut appliquer la notion.d,opÉrateur tournant. L'équation (1?) est murtipliÉes par I'opÉrateur e-,Hk. et 1'Équation (lfl) paF er'Hr'-Htt' r Fuisgue le système introduit tourne à une vitegse de rotation (wu-w) par. r.apport alr rotor, Par conséquentl lJ3. g-Jwkt = i -. g-r*rtR- * lvlai s: ur . e-Jwkt = Ltrr< ; Alors: I I I I I I I I I I t t I I I I I I , , s-Jwrtt aV Jat irr< = i-.g-Jwt<t, ; V-.g-J*kiÈ =V-* d U-*=i-r.FL + e-Jwkù, (9_*.eJHkt) dt Analogiquement pour le circuit dv, = irrcRr * - '* + ir+*!D-* (?0) dt du rotor: dlu- uæ. g-J (5k--t è = i-. g-J (wk-wt iÈ,FiÊ * g-J (wk-r, È Hai s: dt tl-. g-J (Hk-Ht t = upr< i^. t-J (Hk-Ht t = int 9-. e-l (wk-wt È = ?-æ Alorsl dV** t&^* = i-r.R- + + j (wr-wtV-* dt Les équations FouF'Ie flux magnÉtique: V-=i-L-+gJHG'.i-L- 4l- = i-L- * g-Jæ+'.i-L- En rnultipliant 9l - p^" s-Jwk-È et g- Far e-r (wk-wrÈ obtenansl Ul-*=irrLr+i-*L* $lnu = i-*L- * ir-r.Lr rntroduisons la notion de courant d.aimantation: io = i- * i- e't du f lux magnÉtique de l'inductance mutuerle : Ao = ict - (ou f lux magnêtique principal) (?1) (2?' , nËtus (23) (24l'
  • 24.
    I I I I I I I I I 2y Les Équations (?31et 124, deviennent 3 (U- = i-(L- - L-) + ioL- (25' An = i-(L- - L-l + id- (26' où: i-(L- - L^) - flux de I'enroulement du stator seulement (de f uite). i-(l* - L-) - f lux magnétique de l'enroulement du rotor (de f uite). ioL. - flux magnÉtique principal. Les Équations (21,, {2?l , (23}, (24}, (25} et (26} s'appellent équa tions O* PAPK-€OREV Ces Équations déterminent les relations des vecteur-s "espace" rÊsultant de la tension et du flux magnétique dans les machines à courant alternatif ayant des enroulementg polyphasÉs disposés dans leg encoches d'un stator et d'un rotor. Ëes équations sont non- linêaires parce gu'elles comportent Ie produit w.p . Ê'est pourquoi c'est trÈe di++icile de trouver une solution gÉnérale analytique de ces équations. Les moyeng d'analyse de ce système d'équations peut Etre résolu à l'aide de dif+Érentes mÉthodes qui vont Êtne analysÉes ci-dessous. Bn peut passclF de la notion vectorielle des Équations d'équilibre du stator et du rotor dans le système des coordonnêes tournant à une vitegse w* à la notion symbolique de ces équationsr c.à.d. qr'on peut écrire la forme =ymbolique des équations de PARKÆOREV.En Eupposent que les projections des vecteurs résultants s;up les axes ct et I dans le système fixe biphasê des coordonnÉes son connues- Il est nÉcessaire de dÉterminer les projections de ces vec- teurg dans le systène des coordonnÉeg biphasÉ (X - Y) qui tounne à une vitesse wr": I I t I I I I I I I til
  • 25.
    I I I t 3ù 'l t I I I rl I t I I rlt I Pour le circuitdu stator : r lt-=u--*jl.tro I li-=i*+jirt] I I g- = Vo + ill)-c L D t I I û I I I Pour le rotor, il faut transfsrmer les vecteups rÉsultants du systÈme A'-E' lié avec le rotor et tournant à la vitesse du eoton w au systÈme biphasÉ tournant X -Y possÉdant une vitesse de rotation Wrc . Bn sait que : (27' Notation' des vecteurs "espace" nésultants dans le systÈme biphasÉ A'J' liÉ au rotor dÉrivée d{-ldt sur les axes tournants X-Y seront ! dQ-. = -.Êcrswrct + -.sinwxt llF = l.11-a, + Llh^9..j i- = i-a, + iFB.. j Vn=V-^. +P--..i Les projections de la (guivant la formule (7') ) dv- d9-- dt (xl d?- dt (y) 0ù; rJV-n dt dp-* dt aV-' =-.sinr*rt+-.troswrt dt dV-. dv- et - projections de la dÉrivée - dans dt dt dt , le sYstène {ixe cr-.s. Pour transformer ccls dernières équations, il faut considÉrer 1e dÉrivÉes guivantes : d dlp-- --tp-gg;clshlrtl = - CoEiw].t - 9-.*t*=inwr.t dt dt d dV-- -|:|{.!rsin$rkt) = - sinwr.t + V-grn1",Êcrstdrt dt dt
  • 26.
    I I I I a Ë E EE E E e Ei E E E E E I I I I t I T ! ,i F g 3r additionnant ces équationsentre dq- 6itll-. Cogwkt+ Sinwr.t = dt dt dt d9-," = - - ,*.V-. dt + p--Frr.sinwr.t - ll)-".wxc,osuf *t A son tour : d dty-n -( I '.nsinwrt) = - sinhrkt + p-cctrgw*tr{r dt dt d dV-' -(grscosw*t) = - Êoswr<t -V-cwxsinwrt dt. dt Alor=: d9-- dl-u d(-Y--girllafp * Q-sc,Erg;wxtl - =-ginr**t + - CoEWr<t = - dt dt dt elles r of, d tV-.cosr**t ohtient : +?-.slin jwr.t) + p--w*sinwrt + {-nw*co=wrt = o%t + wnL-* dt Engui te: r I o9- !- r- I dt (x) l4- t- I- ldt L Par conséquent : dV-* . _ dt dV-w uf* 9-- H* V-* I I I L Donc: I I I I L u-* = R-i-* + u-a = n-i-y * dv- dt (x) d|/l- dt (y) U-* = R-i-- + d|,l-* - wp|/-y dt dl)-_ + w*V-- dt (28l t-. = FLi-y + (29)
  • 27.
    I I I I I I I I I I t I t t I I I I I jl Siupposons quel l,axe(Xl evec I 'axe imaginaire (+j I bolique I a. lL = urx + ju-r, = I-FL + 3L l'axe (+l) et l,axà (y) {ormule en notation sym- coincide avec 0n obtient la d9- dt + jù{4r- (30) (32) Fuisquer w*V-- + jw*V-* = (- w*?-r, + jwkq)-*, jl j = l- wnlt-.- I = i - - + h,kV-*i.: = (w*p--j + wxQl-*tj = ljl L = l{kj (V-* * jV-.} = j.** ù-. D'une rnanière analcrgue on trouve pout^ le circuit du rotor : . r og_ U^ : Lrnx + jr-r-- = I- Ft- + - + j (r+,. _ wrp- (S1) où: dt dV** = FL- i-- + - _ ( w* _ r+, lg-v. dt d|{-t_. = Fi^ i-r, * - + ( w. _ w, alt__. dt llrx llæy Si: En consÉquencet nous avons obtenu deux fornes d'Équations de PARH-{;0REV, tr.à.d. les Équations d,Équilibre pour le stator et le roter dans le mÊme système de coordonnÉes tournant evetc une vitesse quelctrrreur Ffl", I
  • 28.
    I I I I I I I I I I I t I T I I I e - eormeComptexe t Ici l'axe cr coincide i' * t- I dP-n pouP I r-* = i-Jt- + - + wl/-s ldt le t I dll-. roton I u-, = i-rR- + - + w(-- ldt L 35. Pour la notion vetrtorielle gÉnérale dans te systÈme des troop- r donnÉes fixe : dt V- = i-L- + i-L- V-= i-L-+ i-L- d9-- I-*=i-.ff-*;r dv-, urlr = i-pRr * -';- dq- u-- = i-.JR- + * n.V-u dt dP-, urË = i-pR- - * - j.w.Y-- avec L'axe (+1)r et l'axe B avec l'axe (+j)
  • 29.
    I I I I I I I I I I I I I I I I I I I ljl I trn peut Écrirer ul- r L- ,i, - ,lr- ù- -K- l-'- L'- (L-l e L- ,tr - ,i- Lr- 3l+ - (35) (36) ;- I- = (L-)2 L-- L_ ql- t- L- L- ,p- __KF L- (L- 1z 1- L-- L- (L-) 2 L-- L- En substituant tions de ParkJioFev . dv- U-=-+ dt . dv- U-=-+ dt Les Équations rotor en fsnction i- = i-*- * '- = ,-*- * (35) dans la formule pouF le flux : R- (- + jr**)y-- K- Lr- d'Êqui I ibre des courants d ( I-L_ dt d' ( r-L- dt (34), on obtient les Équa- n- -v_ at L - R- -:. R- . f- + j(w*+l)#- - K- 9- L'- L'- pouF les circuits du stator et du I- et I- sEl^ont l + I- L- ) + jw}. ( I-L-+ I- L- ) (3ê' + ,- l.- ) + j( wç4r I (i-t- + i-a-, I'taintenant, on peut représenter les équations de Parkiiot^ev dans le système des coordonnêes de s - B liÉ au fstaton : !- neprEsentation pa o{ - g.- dy-- u_- = i-og- * * dll-o pour le stator I I L U-!t = i-tfil- = dt
  • 30.
    I I I I I I I I I I I I t I I I I I t lil I 35- pour 1e rotor Pour la notion dsnnéesfixe : U-* = i-Jl- * dV-n dt d?-. dt + vt?-e Ur! = i-sR- + + wy-- I L vectoFielle gÉnérale dans Le systÈme des cotrr*- U-= dv- i.Ft-+ dt dY_ i-FL+--juV- dt iJ- + i-L- i-L- + iJ- ll^= V-= V-= u-* = i-onR- + Urrr = i-cR- + u-- = i-oJT- + d9-- dt dV-o dt dq- ,t dP-o dt * n.V-- Ur! = i-6R- + - j. w.Y-- Ici l'axe c( coincide averc 1'axe (+l) r et 1'axe I avec l,axe (+jl Z - forme Comptexe
  • 31.
    lr ll I It Ir It ,l I I t t I I I I I I t I t ji 36- Dsrc : L: *- ll^= lJra + jura = i-*- + jt-t-g = I-R.. i-,- * i-,* dV- dt aV- - :w9- dt ty- ry- E I-l* + I-l* Eonclusion ! En utilisant les Équations de Pank-fiorev dans les di{fÉrentg systèmes de coordonnÉes r GrFl peut sirnpli{ier ,== O"orGlssus dynami- gues. Il est trés commode d'utiliser les axes cr - B pout^ analyser les procédés dynamiqueg dans les machines ou le stator est symÉtrique et le rotor asymÉtriquÊ. D - trBUPLE ELECTRtrHAËNETIEUE D'UNE l"IAtrHINE ASYNCHRBNE. On peut trouvern d'abond, la nelation de la puissancE] Électro- magnÉtique des machines à courant alternatif. Pour un système syrnÉtrique et tenant compte des relations suivantes ,6il u-* uo +U= - O et i-* iu + i* = O où u- r llc r tl€ r i- r is et i= - valeuns instantanÉeg La relation de puissance instantanée de toutes 1es phases peut Etre écrite de telle manière ! p=u-i-+rrsi5+uoi= Si les courants et les tensions ne conFtrrtent pas de composante: nulles (iorttolr orr obtient la valeur de la puie'sance instantanÉe en utilisant l'équation suivante : . p = (3/2, Re E u^i I - produit scalaire des vecteups corl^es- pondants p.oup le système triphasé. t
  • 32.
    .l I t ,l I I ,l I I I I I I I I I .J I I I lii I 37 Autrerent dit lesvecteure; E!Ép:rcesi rÉsultants de i et de u du systèæ pollphasÉ peuvent Etre reprÉsentÉs dans le système de troor- données biphasÉ: p - (a,f?l tu.. . i- + r.rr,. i. ) Si t- * O et u- = Oralors, il est nécesgaire de tenir compte de la puissance du stator et du rotor c.à.d. de la puissance apparente P=P-+F- Puisque les équatisrs de Park-Æorev dans le système de cooF- dsnnÉes ( X-Y l tsurnantàunevitesgeH=hfr< nougiaurtrns ! d9-- rrx=FL-i--+--w.91-* dt dU-. u-rr-R-i-y,+-**.9-- dt dïln- llrx=FL-i--+- dt dV-. ttpy = R^i-rz * dt Alors on peut reprÉ=;enteP la puissance apparente de telle manière ! dv-* 4p-- P =.tm/Z)Ei-* dt .4 i-w dt * irx dV-- dg-_ + i-!, - + dt + FL{i2-* + i2-y} + R.(i2-* + iz-rz) + w(9-*i-. -V--i-xrt Par consÉquent , la puiEsantre absorhée du rÉseau extÉrieur tc.à.d. la puissancel fournie à la machine) est tFengformée en pertes dans le cuivre des enroulements du stator et du rotor et en variatio d'Énergie du champ magnétique de la machine (i.dvldt) et en puissanc ÉlectromagnÉtique dÉterninant le couple életrtromagnétique !
  • 33.
    3g l.. L-t #-* dt I I -l ir lr l.: P =P=- *prm * prm P=- = (n/21 fR- (ie-- + iâ-wl + Fl,. (i8-* + ia--l I dg-. dv-^ dY-. çi-w-+i---4i-w-l dt dt dt F-- = (mf?,l wlP-*i-- - 9--i -*l H - (p--/w) = (mfal c(L*i-v -Y-ri-*l Pour une machine ayant p - paires de pôles; ou aura ! ttl = (mp/?l (9--i-- - lr-ri-*l où 9-* , 9l-- ,ti-* et ir:r projections des vecteurs esFâces r et I- sur les axes des coordonnÉes X- Y tournant avelc une vitesse w dut r'ntor. ' .À V-=9--+i(-- i r-=r-** jr-y On peut écrire le couple électromagnÉtique : :*.:F Jyl = (mg/zlr-tV-r-l où P- = Q-- J SV-. Alsrs : lvl = (rnp/?) .9-.i- (3?' Cette relation peut Être Écrite ainsi ! tvl = - (np/Zt i-tt- En utilisant les âquations obtenues ! ïl-=i-L-+i-L- I)-=i-L-+iJ- On trouve : lrl = (mpf?l (i-L- + i-L-' x i- = lmp/?ï.H-i- x i- (3El) L-i- x i- =O (produit vectopiel de 2 vecteurg ayant la mÊme directionl F-- = (m/2) (i-- m tr V- l"l = - L- .i- ( - 2. l- mp i- ) = - i-yV- 2 (39)
  • 34.
    l* l* I I I I I I I ol, I rl I t I I I I I I I I i I Pui sque Donc: AnL ,. lr =- -. lF 39. (40) (41) (43) (43) (44' (45' L- rnD fl=- 2 fiip L- lvl = t-l* - L2 - V- *Q- 17- i<r =i- * i- êt 9o = I€J-- mF L' f,f = - . -..-^.V- x i- mp t- tt lvl = - l-* ?l- En utilisant 1es formules trn obtient: 2 mF Pl = - L-.io x 2 MP MP H=-.L-.iox i-= Vox i- 1F
  • 35.
    ,rl 40- I I I I I I ISYNTHESE DES SYSTEI'IES A REELAËE VECTTIRIEL DU SYSTEHE DE TYPE ' TRANEiVECTEUR 'I pour faire la synthèse du système de régtage vectoriel r il. faut utiliser les Équations des ppoc€rssus transitoires c.a.d. les Équa- tions de Park-*Giorev dans le système des coordonnÊes tournant lié avec 1e {l.ux magnÉtique enbnassÉ du rotor. Des fonmules (36} chapi tre I, il dÉcoulel tl, - R.^ D.- lJ..- Y hf I I il I I l.; ll l,,t l': l-*- ln ,1" dl- =-+ dt R-' - K- 9'- ' L'. + j(W - 1 -alr,r) l*- J où ù- = O tension du rotor d'une rnachine asynchrone à rotor en court--circuit t {1ux magnÉtique embrassÉ du rotort RÉsigtance active du notort Vitesse asynchrone de rotation de Ft Vitesse de rotation du roton' L'- = l* ( 1- K-.K- l , L'- = l- ( 1- K--K- l t coef, du flux embrassÉ du stator .L- =- l- l* =- l- doncl o Puisque - coef. dt.l flux embra=sÉ du rotor p Nombre de Paires de Pâles. 4L R- R- = - + -9t- + j(hfg- - pwt/- - K- _ V- dt l* L',- de la formule (35) chaPitre I
  • 36.
    L l' t I I I ir It ll lr It Ir lr l: l: l: t: II 4L oV- R- .. *-*-rlr-F"- lLl-(lJ(-K-) i-*- . . =- + -9 I-K- *:({r -4bt$- - dt L'- L,- L- (l-fi-.KF) ap- n.fl- LJ- = - + (l-K-K-l IJt- + i*lg - PHl/- = dt L'- L-L- dV* n-9- ( 1-rd-tÇ ' . = - + - - R-.K-.r- + j ( 1{./- - pht rV- = dt t* ( l-tÇtL ) g9- R-V- =- +- R-K-t- + j (hlir--pwl9-. dt l* dy- R-. p- -= - j (blg--phf lL/- +R-.K-.f- dt l* De maniÈre analogu€r on peut Écrire (de la formule (361 chap I): . t+- ,R- ,L =+ + f *-, v-lv- *ii:'*, L L'- En gubstitue dans cette équationr 1'Équation: a..a V- = L'-. I- '+ R-.9- CIn obtient: V-= L'- I- + t atf- R- 0 - - + -V- + dt L.- *-.'i,- , arors j (ttg- - pnlg- - Kru, -i -*- *-*JP-R^ L'- Lt- K- . R- flrl- Lr- R-.R-.f - lJ. = L'- .: .,t, dI- dY- . . + K-._ + R-.I_ + jhL-.I_ + dtdt/ *g K- .lL .r;, - 1 +j -.*-.û - L'. Lt-
  • 37.
    d9- dt I I il Ir ll lr l: l: t: 42^ Doncr dr- Lt--= dt *j$-'t(^'9- oWr, R-f J +jhlg- dt ç-n-.Y- / L,- ) . R-. *--aià r- - Lr- -5pw.9--K- - R-Kr -i- *-i- K- +( l"lais Alors: dr- ta l-1-- dt - jt-. i- * t(-.tÇ1,/- R-, p- -:. = - - - jwn-.v- * pw.ù- + R-.*-.r- l* n^tÇ 9- + jWv.'Y"R' l* - j wy-. K-.% - I;*- ,r- + Lt- Lr- dI- K- R-(g- dt l*L'- .i **. i- r- R- I- - j P H,p- K- - R- KIF - L'- L'- ù- Lr- dI- -=- dt (R-+ x" - RJ l- (R-*xr -n,)i- i- - jl{yb - + Lr- Lt- K- R- 9- jRtLH t/- L-Lt - Lr- Lr- * ù- (L,-)-r On obtient deux Équations: dV- R- ---!t_+K-R^ L- dt di- -=- dt i- - j (Hr -pwld-. lqg-r - K-R-p- K-9- u- -j +--jphl-+- Lr- L',- L-Lr - Lt- Lt- En supposant que l'axe rÉel du système des coordonnées tournant à une vitesse de rotation du flux magnÊtique embrassé du rotor coïncide avec le vecteun *lux magnétique embrassé du rotor Ç- et en
  • 38.
    Ë E E Æ G E G E E € Ë E æ E E g g g Ë E E EI E * â = Ë-= divisant ces pàsEiEll^ eu équation5en parties rêelles et sy=tème des équationg suivantes: r rnâg r nar' PEls , U-r 4î on Peu (4â' dI-r -= dt dlV-l dt tS- (R-*t<, -R-) r -, L'. *_ rsr+ Lr- K-R- -1P- I + L-L'- Lr- R- =-- L- pLf lV-l + K--R-- r-r , l9-l = K-.R-. r- dt L'- r_,r , Lr- Lr- gù I:r Projection du courant sup I'exe drV- fra Frojection du courant suF I'axe imaginaire se diri- geant sous I'angle h/21 suF I'axe I- ( axe rÉel ) Alors 1e mouvement dans Ie systÈme de coondonnÉes sena: dt{ J _ = (,3/2, K- l9_l I-_ H- dt où H- est le couple de rÉsistance sur I'arbre d'une machine asynchrone. En résolvant ces équations avelc l'équation du mouvement pninci- Fel; on peut déterminen les processus dynamiqueis dans une machine. l'lais puisque ces équations gont non-linéail^cls;, pour obtenir unÊ! golution simple et pour construire le systÈme de la commande élec- trique analogue à la commande Électrique à courant continu, on peut faire la compensation des liaisons non -linéair.es. trette compensatio se fait à l'aide de système de rÉglage fournissant les signaux de commande suivants: lÇ-R, lt1'4/L- ; hly-. I-=i -qr,- Irr ; -K- phf l?-l (47l réglage avec de Ees signaux sont introduits dans le système de signes négatifs.
  • 39.
    41+ E_ I I r"J fr : = = = = : = I I | -;: Io" I I I l-- |*.= IL I lÉ= t= E T E- I = I l- EE E-= EÆ €: L- I I I I I I I lr- ,nl l-l 'F I iu ; , r - -r- "sr I I J ù H lf t- : u, = o -, lq t- J I t- I I I I I I I I rl I I I I I I I I I I I I L-l îL
  • 40.
    r lrt I Lafonction principale d'un tel système de rÉglage consiste à I varier la vitesge de rotation d'une machine asynchrone et former f les processus transitoires et statiques selon les lois nÉcessaires I Par ailleurs r cÊ système doit exÉcuter les fonctions guivantes: I 10' Transformen leg valeurs de sortie de cette commande électni. I guer à savoir Ao, i-r [r- rnesurÉs dans le systÈme de coordonnÉes - tournant liÉ avec le vecteur {lux magnÉtique embrassê du rotor; I ?o) Optimiser le proceseius transitoire du système tournant ana- I logiquement aux commandes Électriques à ceurant continu ] I 3o) Eompenser les composantes non-linéaires des Équations d'une I rnachine asynchrone; 40) Exercer 1'opération invense du passage du système tqurnan: I au système fixe; 50) Fittrer le flux magnétique et le courant du stator des har. I moni guels supéri eul^ets;; I âo) Obtenir les impulsions de =srtie de ce système, commoder r poup le rÉglage de l'onduleur d'un convertisseur frÉquentiel. f Le schÉma fonctionnel d'une telle commande Électrique I frÉquentielle evec le réglage vectoriel est reprÉsentÉ sur la I f i gure 2-r.. I A- LE trIRCUIT PRINCIPAL (DE PUISSANCE } ! C'est un convertisseur de fréquentresi aveltr un redreEiEieup trom- I mandÉ tCF-1. IL se cclmpose d'un redresseur commandé à thyristsrs tRCl et à'un onduleur à thyristors Efd.fB| t I I I lii I Le convertisseur permet de varier l'amplitude et la fréquence de 1a tension aux bornes d'une machine asynchrone. Le redresgeur commandé rÉg1e I'amplitude et I'ondul.eur fait varier la frÉquentre de la tension de sortie.
  • 41.
    46- E_ LE sYsTEI'IEDE REELAGE VEtrTtrRIEL 1)- Les blocs tournants fg,ra Ees blocg exécutent les opérations de comptage des valeuns électriques i- ,u- d'un systÈme de coordonnées fixe cr-B à l'autr système de csondonnÉes lié avec le vecteur tournant au flux magnétique ernbrassé du rotor et le contraire. Ils se ct:mposent de deux (O2l trans{ormateurs de phase TFH1 et TPHZ, de deux (O2) transformateurs de coondonnÉes ( dinect et inverse ) et AT2. TCI et TË2, de deux (O?) analyseurs tnigonomÉtriques AT - I ) Les transformateurs de phase transtornent'les counants du sys- tème triphasér EU système biphasé tTPHl) et vice ver^sê, Ie système biphasÉ deg signeux de rÉglage au systèrne tniphasÉ (TPH2). Les transfonmateurs de coordonnÉes recomptent Ie cour.ant du sta tor du système de coordonnÉes fixe biphasÉ au système de coordonnÉe tournant liê avec le vecteup du {lux magqrêtique embragsÉ du rotor L?n3rcns (TC1) et le contraire, Fecornptent les6u systÈme de coordonnÉes fixe(TtrZ) Les analysclur's trigonomÉtriquels assurent 1'obtention du module du flux magnÉtique embrassÉ du rotor (AT1) rd'un module de tension (AT2), du sinus et du cosinus de l'angle dÉterminant la position réelle du vecteur du {lux magnétique emhrassé du rotor (AT1}, de la position nÉcessaire (AT2' du vecteun de tension de la machine as;yn- chrone. Par ailleurs ATI et ATZ exercent la fonction de filtrage. 2) Les cincuits de réglaqe Ees circuits de rÊglage de vitesse de rotatisn tCVl, du module du flux magnétique embrassé du rotsr tCFl et du rnodule de tension du stator d'une machinei asynchrone ttrl, rÉali=ent les processus trans- itoires indispensabres et les processus statiqusls dans ce sys- tÈme asgervi des commandes électniquels tréquentielLes.
  • 42.
    E 47- 3) Bloc descapteurs de coordonnÉes Ce bloc comporte un capteur de f lux rnagnÉtique ernbrassÉ prin cipal tEflr ufi capteur de vitesse tCvzlrun capteun de counant ttrCl e un capteur de tension tGtl. Ie capteur de flux magnÉtique transform les signaux de deux (O2) capteurs de Hall dispo=És sur les axes cr et E du stator d'une machine asynchrone. tres capteluFs de Hall dÉterrninent les composantes instantanÉes du flux magnétique embrassÉ principal suF les axes ct et E du sta- tor' A la =ortie du capteur de flux rnagnétieuer on dÉpose deg signau: proportionnels aux composantes instantanêes du flux magnÉtique ernbrassÉ du rotor le long des axes cr et B. Un eapteur de vitesse de rotatisn mesure la valeur instantanée de la vitesse réelle de rota- tion du rotor. Le capteur de courant mesurei les valeuFs; instantanées des cou- rants de chaque phase du rotar, c.a,d. il dÉterrnine la position du vecteur espâce du courant du stator. I1 reprÊsente un transforrnateur de courants avec amplificateur. Le capteur de tension (c.a.d. le tnansformateur de tension evetr un redresseur- non commandé et un amplificateur) déterrnine la valeur absolue de Ia tension du stator de la machinel asynchrone. 4) Bloc de compensation Il cotnpelnse les composanteg non-linÉaires des équations dÉcri- vant les procestus dans les machines asynchrone (voir relations (47, ). trn peut considÉrer le principe de fonctionnement de cette commande électrique à rÉglage vectoriel. Donc le capteur du flux magnÉtique détermine la position et la valeur absolue du vecteur du flux magnétique embpessé du rotor le long de la circonfÉrence du stator de I'entre{er d'une machine asyn- chrone dans le systÈme des coordonnÉes fixeg (u-B) sous forme de I compÉsantes de Unn etV-o. Après filtrage dans l,analyseuF trigonomÉtrique tATllr ces signaux gont divisÉs en casV et gi'nV
  • 43.
    Jr It lr ll I I I I I I I I I I I I I I I ljl I I+U dÉterrninant la positiondu vecte,r* tIn Glt le module lP-l- dÉterminanl 1'arnplitude de ce vecteur. Les sin et cos sont fournis aux premiè- res entrÉes des transformateurs de coordonnÉeg tTCll et ETCZI. A son tour le capteur de courant tCCl et le transformateur de phase tTpHl: dÉterminent la valeun et la position d'un vecteur espece du courant du stator I- dans ccr systÈme de coordonnÉes fixe (cr*Bl sous formr de deux composantes instantanÉes i-* et i-G. Ees ccmposantes sont trangmiseg à 1'entrÉe de trtrll. Le trang{onrnateur tTcll transfoFme 1e vecteur du courant du sys- tème de cotrrdonnÉes fixe s-E au système de coordonnées tounnant lié âvec Le vecteur du f Lux magnétique emhrassé à,, "ottr"/-, sous {onmr de deux composantes frr et Ir=. trette transforrnation sera selon les équations guivanteg ( voin chapitre I ): r I t-, = r--.cos p + r-4. stnpl I I t-= = r-Ë.cos p - r--.=ir P L Sur la figure 2-2 ,on montre la position du vecteur du courant du stator dans les z systÈmes de coordonnêes puisque: ûrgt"1 I-- = ll-l .o=f r et I-o = ll-l =i. f , Alors: r:r = lr-l .o=Y, .o=P + lr-l sintg=inV, = lr-lcos ,tl" -V, Puisque 1a di+férence ,Y, -V ) ne varie pas dans le temps er r'égi me stati que n al clrs l es si çlnâ1r,.{ Irr. et Iræ Étant propor.ti pnnel s aux courants i-r et ,-= sont des signaux à coipant continu. C'est pourquoi le travail deg canaux ttrVl et tCFl est en couranl continu. C'est trÈs important, parce que ces cânaux peuvent Êtrs calculésr de mÊme que les systèmes de négta{e soumis des comrnande: électriques â courant continu qui sont connur et asgez bien étudiés.
  • 44.
  • 45.
    50Û 'l I I t t I I t I I I I I t I I I I I lil I Les signaux f-r et t%l sont *ournis pÊrspectivement aux arnpli+i- cateurs additionneurs EiE et 54 où des opÉrations de comparaison ge font entne les valeut^s réeIleg et les valeul^s; données. A I'aide des nÉgulateurs Rl et R2ron optimise les FFcrtrElssu:; dynamiques de la variation du flux magnÉtique embrassé du rotor. Les signâux I-= et 9- sont transmis aux additionneurs Eil et 52 du circuit de vitesse. €iur les amplificateurs additionneursn on cermp:rre les valErut^s réelles de la vitesse hL et du courant I:= et leg valeur-s dÉtermi- nants lrls et Ir:ea A 1'aide des rÉgulateurg R3 et R4r. otr optimise Ie prtrcessus dynamique de la vat-iation de vitesse de rotation du rotsr et le protressus transitoire de la variation du couple électromagnÉtiqu*. Les additionneurs Ei3 et 56 exercent, avec le bloc de compen- sation ,une ccrnpeinsation des'composantes non IinÊaires de ce système de commande Électrique. A la sortie de Ei3 et 5É, les signaux proportionnels aux ten- sions ur et u- ( voir fig.2.2 ) dans ce systÈme de coordonnées tournant, sont transmis à 1'entrÉe de TCl. Ici nous auFons Ia transformation inverse du vecteur de tension du stator dans le système fixe biphasé ot-B , c.a.d. que les tensions de sontie de TCZ sont U- et Uc. Ensuite ceg signaux U* et Up sont transmis au bloc AT2 où ils 'sertrnt séparés en lu-l , cosVet si nL/ .En outre on f iltre ici ces signaux. La valeur lt-l dÉtermine la valeur de la tension de sortie du redresgeur comrnandÉ par consÉquent 1a valeun de tension de sortie du redresseur fréquentiel et de tension aux borneg d'une machine asyn- chrone rÉglable- Ilang Ie canal de tension ËTr on exÉcute I'opÉration de compa- raison sur l'amplificateur additisnneur S? du signal de tension indispensahle et du signal lu-l- de tension réerle. Le rÉgurateur RS
  • 46.
    I I I I 51 réalise I'optimisation duprocessuË tnansitoire dans le redressetr commandÉ c-à.d. diminue la constante de temps de ce redresseur. A I sortie du canal ETr le signal est trangmis au système de réglage du redresseur ( EiRR l. Les signeux électriques qui sont pnoportionnels aux cog et sin passent à l'entrée du transfopmateur de phase TpHz où ils sont transformÉs en systÈme triphasÉ de tension symÉtrique u1 r uz et tls. Ces tensitrns portent I'informatisn de la fréquence indispensabl du stator d'une machine ÉlectriquÊ. Le système de rÉglage de l'onduleur (SiRO) tnansforme les tensions u1, u2! us Etp imputsions de rêglage de chaque thyristor de l,onduleup. Doncr ên cor r espondance des valeups dÉterminant lda et |%|. de ce système de commande électrieuer on détermine une formation d vecteur de la tension du stator de la rnachine asyntrhrone. En plus on obtient une optimisation des pt-otressus tnansitoires de ces machi- nes. I I I I I I I I I I I I I I I t I
  • 47.
    rI I I I I I I I I I I t I I I I I I I signaux nÉgatifs suivants:ftl 52 I I I ANALYSE DE€i SYSTEFIES A REELAEE VECTORIEL DU SYSTEHE DE TYFE "TRANSVEtrTEUR' Dans le chapitre IIr j'ai considÉré Ia synthèse de ces systèmes, l'laintenant il {aut optirniser les circuits de rÉgl.age, analyser les proc€tssus transitoires, faire le choix deg coe,fficients de négu- lationr donc aveic I'introduction dans le bloc de comFensetion des R^ 1ç -;9-l i wVr-I-= i -wgrrlrr et -f=pw;/-l t LF Bn obtient le systàme d'Équationg suivant : où: Les -( I-r ) = - Tr -aI -t * (L, -) -t. U-r dt d -( I-:a ) - - Tr -tI -= * (L r -) -t, U-= dt d.. - l?-l = -T=-'l -l -F â=rr:e dt- - ttl (wgr - pw) lY-l = .=I-= Lr_ L- R- = T=-l t1 T== I-r (s) (L"1-r gz = K:zR- Ke + KzzR- Sr = Tr-t et Sz fonctions de tnansfert seront : S + Sr (L' -1 -l S + €i:z
  • 48.
  • 49.
    5lt 2' de I I I I I I I I I I I I lr ll lr lr ll lr lr Ir 19- | t=râ2 =- 5+S= Ire (sl Le schérna egt montrÉ sur la fig 3-1 Les fonctions de transfert hfr (sl seront ! lo) Lorsque Ie convertisseur frÉquentiel aura une êquation apÉriodique: (L' -1 -r ttlr (g) = (5 + Srl (TFS + 1) Buant le csnvertisgeur fréquentiel retard pur : eçt exprimÉ Per une Équa tion (Lr -) -r.e-TFE hlr, (s) = Ei+Sir A -ÆALtrUL DEs REEULATEURS pU trENTttUF DU FLUX EHBRASSE DU RttTtrR. Dans ce contour on utilise des rÉgulateurs prt3porÇionnels- intégra1s. 10) ptrur Ie contour du courant : (I-r! Kr Ei + l(a hl+r (s) = s trela permet, dans le cas de l'utilisation du convertisseur à équation apÉriodique d'obtenir la rÉaction au signal-unité du trou- rant 1 (tl dans le contour de courant âvec dépassement de régl'age dt 5 I et une frÉquence maximal'e PPopre. La fonction de transfert du contour ouvert du néglage du couranl EiElra : Tr Kr -. Ka. (-. S + 1) L'r- Rz ble (sl = (Tr5 + 1) (T}|5 + 1) 5
  • 50.
    56- I I I I t I t I t I t Tr )) Tr. tempsT1 g1 de On pose 3 Kr. Tr.=-ett ld= peut compensEl|^ Ia composantEl fonctisn der transfert sera l on La wr (s) - K:e(TrlL''l s (T},s + 1) Hai selon 1e critÊne d'optimisation appelÉ optimum techriqr.rk7 | L'- | I l(2 = zr, T, I Al.rs t'-":::-::=: =transfert du contour ouvert optimisÉ se.a ' I zTpS(TrS + 1) Donc " :-::::"=o' *"'"=*:*' o' ""*"" {ermÉ optimisé sera I ZT-age + 2T;'S + t I Donc, grâce à I'optimisation, la variation de la valeur de sor- | tie du contour optimisé dépend seulement de la petite constante de I temps Tr. Pour'= ="Tn:";.oo'"]oo'"":":'=:," ==-'":' ='=r,, I ' z.!o y= L=+ =o,ror I La fonction de passage est caractérisÉe.pan Ia valeur I ;rïï:ïî nésrase $ = 4rs r er par rernps du premier mâx' I I I t T I t I {:} I.l T ,f
  • 51.
    I I I t I I I I I I I I I I I I I I :l $t t 56r Le temps deréglage t- = Br4 t.'-.trette optimisation est obtenue dans des conditions pratiques. Parfois trn appelle ce critère d'optimisation, l'optimum de ^craùr.f€J 2Û l Pour le contour du rÉglage du {lux raagnÉtique embrassÉ du rotor lP-l r cln utilise le rÉgulateur suivant 3 K:r€i + 14- hlnz (s) = s La fonction de transfert du contour ouvent total du rotor sera : a=T=K+[ (Ks/K.e]S + 1l l^f ' :e (s) = si(T=S + 1' (2T'.l5l + 2Tr.,S + l) En passant à la forme de notation suivante, (forne de Vichne- gradskii ), on obtient ! hf' :e(p) = otr r Ps+APl+Bp+1 azT=K* (&o= - racine gÉométrique moyslnnet (appelée fréquenctr gÉnénalisÉe) 2T rz ff= 2T, a=T=l(* {fo B= D'où aaT:rlL B = !z,trTF-!/sAe du rÉglage de {lux AoF En tragant cette courbe sur le diegrâmme de Vichnegradski et en ( cherchant le rapport d'attÉnuation F r on peut dÉterniner les t coe'fficients A et B et Fap ËonsÉquent le coefficient K+ .
  • 52.
    I I En outrertf, peut dÉtenminer apProximativement 1a valeur du I I trt:eff icient l{+ en utilisant les processu=; tran=itoires des chaines I ayant les équations! I s7 2Trz 5a 2Tl.S +1 et 2TrS + 1 Donc on peut sirnplifier Ia fonction de transfert du circuit du I I { I t-tx rnâgn ét i qute ernbrassé du rotor ! T I I I I I I I I I I I 'I I'l I W'rl, (rr - 1. 2T, I s2+-s+1 aaT=l{+ a:eT=K+ g;ous 1a forme de Vichnegradski aveË 1'optimum techniquer cette équation âLtr'â 1a {orrne suivante ,f{ l{'1p (p ) = p2 + .tzp +1 où: =J2 d'où ! l{.+ = 1 et flo = 2.12T E 4acTzTp La fonction de transfert du contour fermé du flux magnÉtique F a2T:rK*1h Qo' -ry1-lt L 2T- J a=T=K+ t total du rotor serâ : I --u'-' ' BTl,z 5t + 4TFS +1
  • 53.
    58 Avec un contourde deuxiÈme ordre on peut récr.ir.e cette éqr-ration ainsi : hJi, tsl = 4Tt,SSs(ZTr, + l) +l I 2ïrr 5z + 4Tl.,Ei +t 4TrS(?Tgege + 2Tr., +l) + I BTr:sgs BTrzga + 4T,,S +l (s Sr l,t lt Il I ll I rI ,l I I t t t I I I I I I I t ljl I DE RtrTATIT]N 1l Le contour du courant (I-a ): La fonction de transfert de ce contour srt^a : (L'-1 -r hlr (sl = où B_-=çALzuL _EEX REËULATEURS DU DE REELAEE DE LA VITESSE qui est supÉrieur - intégral de f-: 4 Eir) (T}'S + l) = 1/Tr Four trornpelnser la grande constante de temps T1 à ï, , i1 faut r-rtiriser' Lrn r.égr-rlateur' propor.tionnel 1fu5 + 14. lrlH:r = s En prenant l,optimum l(= Tr= IL Alors la {onction de fermÉ optimisÉ sera : technique on choisit Lt- Kc, = ZT l.Tp trangfert du contour de rÉglage de courant ùlr-:r (s) = ZT.,agr+ZT},S+l
  • 54.
    I I I I I I I I I I I I I t I I I I I I ilr 2l Le contourde rÉglage de la vitesse de Le couple ÉlectromagnÉtique d'une machine minÉ par: l{ = (3./2)nn=;ù-|I-= sù p - nombre de paires de pâles en posant a 59 rotation. asynchrone est dÉter- l'l = l{rrltll_1t-= Par analogie des contoups des courants, ici on utilisé un régul, teur proportionnel - intÉgral : Ith+=Kir+tG/S La fonction de trangfent du contouF ouveFt du vitegse de r.otaticrn ser.â ! réglage de la Jrf '- (gl = KcKlnl9- | t (K?./KËts +t I .ldcztraga + zr,s +ll A treuse du bloc de division (voir fig ll qui gÉnère la normali- sation de l'erreur de ta vitesse de rotation par le module du flux rnagnÉtique total du rotor, la fonction de transfert peut Être Écrite ainsi ! KeK;r r K- " LË=*'] Jrf'-(g) = 52 (2Tr,2Sz + 2Tr. + 1' La fonction de transfert du contour fenmÉ de la vitesse g'epe ! Kz 5+1 l(É hL (s) = 2Tre3 ZT,.,J J Sa+ g1S+ l("rltr Krfia Kml(c Les valeups apFroximatives des coefficients vent Être déterrninées si trn change le polynôrne : Kz s2 +_s+1 Ka des rÉgulateurs Feu-
  • 55.
    I I t 60r 2T2 ',5,z + 2T,S +1peF 2TrS +1 trel.a est possibler puisqucl les procrssus transitoires des 2 O cas sont proches. I I Il en résulte : ||{," = l(z -s+1 KE ?T'.J J Kz 5s+-52+-S+1 K{Ke Kd(re Kr:r En gÊnéral le signal d'entrÉe de commande est linéaire, par^ I consÉquent il {aut optimiser ce contoun en ,riifisant 1'optimum I symétrique té1. r Selon cet optimumr la variation de la valeur réglable est dÉter- I I minée ainsi que! Ftrup l'optimum technique pet^ la petite constante de I temps Ty du conventisseur fréquentiet. tret optimum essurË! La rapi- I dité de {onctionnement nÉcessaire dans le domaine des basses fréquen I EE!s, et est utilisÉ pour les systèges de double intÉgnation surtout r pcrur les systÈnres avec objectif de rêgulation ayant un intÉgrateur I Cela permet de diminuer l'erreur de la vitegse jusqu'à zéro. I La fonction de transfert écrite sous la {orne de Vichnegradski il aur^Ël la f orme suivante , û7 I I I I I I I lii I où: hL (P) = 2F+1 p"+Zpz+2p+1 (lo = l{e = (K-l t.7s(KÉ) t'..'s (2T'I L/=Jt'.s J 8*ir (2Tr ) 2 J Kz= 2KF.2Tt'
  • 56.
  • 57.
    I I I it ll Ir It ll ^1 fl5 = 4T- En passantau polynËme (2T''r 5a + 2Tr'5 +1 , de 20 ordre on obtient: ET,,S +1 hL (sl = 4 (2Tr, )4gi+ I + B (2Tr, l:r5:3 )Qo + B(TÂ|)zse + zTr|S +1 clu! Ifo = Tr/2 2T'. Â fl5 = llta tb Eious la forme de Vichnegradski 3 2ztfr + 1 hL (p) = p,+ +?Fi'2ps +4pe +F.=p+ I 8Tl,s; +1 hL(P) = (BT!,a $a + 4Tr,5 + 1) t 2I2p+1 hL(p) = (P2+J2P+1)g F = 2{2 TrS - variable :;ans unité Laplace 1 fLô=-=1Oâs-a 2.I2T'. âvettr Tp =- = - = 3133 l0-s s-r r Zmf= 6.50 Les canactÉristiques des amplitudes et des phases normalisées la fréquence sont montrÉs sur la fig 3-2
  • 58.
    63 I I I L'autre typed'action d'entrée est I'action perturbatrice de la 0- charge. f La fonction de transfert sur la chargel sera : SZT1,rJ-a!i (2T-t5r + 2T!'g; +1) ld'r (g) = - 4(2Tr,)4Ei4 + B(ZTr,)sS:r + E(2T1.)aS2 + BT!,S + 1 le engendrÉ par Ie msteur asynchrone pendant le dÉmarrag linéaiPE! Eere : I I | ==r'"ï";:: I I I t I I I I I I I I Ili I J (ET}.si + 1) H(s) = t4(zTr.,l4SF + 8(2Tr')s55 + g(zT',)CSl + 8Tr.,S + 1lS tr CALtrUL DES PRBtrESSUS TRANSITOIRES AVEtr UN SIGNAL D'ENTREE Pour un signal d'entrÊe linÉaire : K hf(rl =-{r ff. sù r=llot t K - vitesse d'augmentation du signal d'entrÉe fs-æl En utilisant Ie thÉorème de dÉcomposition et la fonction : EIT},S + I hL(s) = (BTtzgt +4Tl'S+1)l On obtient : {2 Kr.J2 W(r) = - | a + 2re-3,*=tr=reg65 g. - 3"I2e-<{2rzrsSin- Or {r.L22 '12 l + |r Et-<{z/=, -gin _ 0r I ?J I LINEAIRE.
  • 59.
    64 6 5 + 3 7 1 n tl I It ll I -wcûnsiq ne(6) ?- v'r(o) fiq 3-J W-?rzv K6 'r:Z /Sny6
  • 60.
    I I I I o I .l T I it Ir lr l: l: 65- L'erreur de poursuite: K Ç-(fl = h|o-conna- - hf = - ,r. F e- <r2t2t " f .1 2 ZorcoS- a + 7. J2 {2 + srz.sin r + csin+ "J Le processusi transitoire est montrÉ sur la {ig 3 - 3 Le couple ÉlectrornagnÉtique est dÉterminÉ par le thÉorème de composition de Laplace et par la {ormule suivante : SZT'rJ-1S (2Trr ge + 2T,S + 1l tt[.r ts] = - c.à.d l 4(2Tl.)4Ei4 + El(ZTr,lsS:s + El(zTrrlsSt + gTl,Ei + 1 l'l(c) = Jl< L' .t2 .t2 {2 J? fcos-a-Zsin-c+-rsin- 22?2 {2 .r7 2 or+
  • 61.
    ,E i= t: t= l_ l_= l_.. I'= l; E= E= E= E= F; E.- E- 1: E : É: EF: 66- IV ETUDES EXPERIHENTALES DE LA CT]HHANDE ELECTRIEUE A REELAGE VEtrTNRIEL Les expÉriences se sont dÉroulÉes au laboretoire deg ', Eomrnandes et machines ÉlectriqLles " de I'Institut des Hines de Leningrad Fen- dant le mois de septembre 1gg" On a utiligé pouP cela l'installation expérimentale conpor^tant: - un moteur asynchrone - un convertissËtut^ fréquentiel à thyristors - un système de réglage vectoriel Le schérna fonctionnel de cette installation est montré sur^ le desgin 2, - t Le système de rÉglage est conçu paF des bltrcs construits par la chaire des machines Électriques de t'Institut des Hines de Leningrad. Le circuit principal de puissance de la commande Électrique est un moteur asynchrone du type AE lâtf3fâ/+, avec trornme charge une machine à courant continu de type rH.El5 et un convertiss€luF fréquen- tiel à thyristors standard de type Tn4-15. Les enroulements secondai- res de cei tronvelrtisseurg sont hnanchÉs (couplés) en étoile (y) gtu couplage triangle (A). Par conséquent la valeur de la tengion de sortie du nednegseur augmente. Le contrôle de ces valeursi et de la position du vecteur du {lux magnétique s'exerce par des captçlurs de Hsll de type ffxr-z installés le long des axes or - I de la machinei asynchrone. En qualitÉ de capteurs de courant on utilise des capteurs du typer$TrK-40 à la gortie du convertisseur dans chaque phase. On dispose à 1'entrÉe du moteur asynchrone d'un capteur de ten- sion poup le contour du rÉglage de tension. . Dn a effectuÉ les essais sur cette installation.
  • 62.
    l til li ln læ lË lc lc l- I IE iT E Ë Ë G æ Ë € E G Ei Æ æ 67- Les Éxperiences ontétÉ faites dans la gamme de frÉquence de sortie du convertisseup de 0 à ôO Hz. Le systàme de commande Électriquei considÉré permet d,exercep un démarrage doux de la vitesse Égale à O, Sur les fig 6 - 1 , 6 -z , 6 - 3 on a leg oscillogrammes des pl EcËlstus transitoires de démarFage du moteur asynchrone. Le dé6ar- rage est fait selon une loi tinÉaiFe! âvec une accÉlÉration égate à 1950 t/min- - Le couple d'inertie résultant de la cornmande Électnigue est = OrO4 Kg.m/s L'expérience a Été {aite pour di+fÉrentes valeurs des coeffi- cients des régulateurs dans Le contour de rÉgiage de la vitesse. Le processu€r montrÉ Êur la fig. ê - I possÈde le plus petit niveau de retard par rapport à la vitesse de consigne . La valeur mininale du retand dépend des propriÉtÉs de réglage du redresgeur comrnandÉ Sur l'sscillogramrne É - 3, pouF la mÊme valeur d,accélÉration, on montre le dÉmarrag:+:i= valeur de retard ptus grande sup ta vitesse de consigner à cause de I'absence du contoun de réglage de ten=i on. Siur les oscillogrammes â - 4 , le pâssage du moteun asynchrone d'une fréquence à I'autre s'exerce evetr une accélÉration de gEot./min. Le processus de fneinérgr dans ce schéma expÉrimentale n,est pâg, rÉglable à cause de l'utilisation d'un redresselrp non reversible.On peut voir cela sur la fis é - 5. Toute l'Énergie de la machine evetr le passage du régime mtrteur au régime alterneur est accurnulé par la capacitÉ tro du filtre du convertisseur. Pour obtenir un processus de freinage réglable, il {aut avoi1^ un redregseur comnandÉ rÉversible. Le système de réglage vectoriel permet de mÊrne que pouF le dÉmarFagei . Eiur la f ig 6 _ 6 I 'osci I lograrnrne de I ,augmentation instantanée nÉg1en le fneinagel, de nouË avonE; et de la diminution
  • 63.
  • 64.
  • 65.
  • 66.
  • 67.
  • 68.
  • 70.
    I I I I I I I I I I I I I I I I I I 75* instantanée de lacharge (couple rÉsistant nominal). Bn peut voir que le temps du procesisus transitoire est éga1 à Ot19 seconde . L'eFFeup gtatigue avec l'application instantanÉe du couple nominal est de LrT X de la vitesse nominale pour une frequenc de sortie Égale à 43 Hz l, lil I
  • 71.
    I I I I I I I I I I I t I I I I I I 76 V-BLOtrS DES SYSTEHESiDE REGLAËE VECTT]RIEL SUR BAgiE DE trTRCUITS INTEERES A-BASE D'ELEI'IENT DES SYSTEPIES VEtrTORIELS [4 a,gJ 1 ) Flul.tiplicateurs opÉrationnels-intÉgrales Leg Élérnents des systèmes de rÉglage vectoriel fabriqués; pal^ I'Ingtitut des Flineg de Leningrad sont cnêes sur la base circuits intÉgrés (CI) de large utilisation : les amplificateurs opérationnel de type K 153 et K 14O et des paires de transistors (soondonnÉs) K5C et K 15ç . L'utilisation des circuits intÉgrÉs diminuent la dimengic et le poids . Efl outre ces trI Augmentent la rapidité de fonctisnne- ment et la suretÉ des systèmes . Le choix du multiplicateur opéra- tionnel est déterminÉ par ! - la rapidité de {onctionnement - et 1'exactitude L'amplificateur K 153 Y Dl est optimisé suivant ces principaux paramètresrc'est pourqtroi on peut rÉaliser tout le système vectoriel à l'aide de cet amplificateur . Pour certains blocs r of, utilige des amplificateurs de type K 14O . I'amplificateun K 14O Y Dl a des cir- cuits de correctisn compliquÉs , mais passèdent de grandes valeurg c ldo et Ko . en cette vertu il peut Être utilisÉ en qualitÉ d'intégrateur et de rÉgulateur intégrable . La prÉcision des opêna- tions exÉcutées dÉpend des É1érnents qui rÉalisent leg circuits opÉr: tionnels . On r{:co,nfiande d'utiliser des condensateuns précis de typt K 7O-7 et des rÉsistances Ê?-ZqT . Ees résistanc€rs pGr trettent d'obtenir unei précision statique égale à Or5 * I J I
  • 72.
    77- "l -l I I I I I I I I I I I I I I I I -l J I Tableau t Tableau 2 paramÈtnes14û Y Dl 14O V D? 14O Y DE 1s3 Y Dl r53 Y n2 coefficient d'ampli fication Ho. lOÊ ot3 30 l-5 2-g 10-30 FrÉquence d'ampli- f ication f - (l'lHz ) 20 0r?. 3 vitegse d'augmenta- tion du signal VlrtÉ 10 or 1? 2-5 ot I or6 courant d'entrée I --. ,lA 5 I 2- 10-3 I 0rl rÉsistance differen tielle de sortie Ro en KO 20 200 1oCI looo Amplitude du signal de sor tie tU-o-q V avec une rÉ- R=tt=o R- sistance de lR-r- charge R=r, -Et5; +lç -6 r 6; +1O -3 r B; +16 +tOi -t I tlO; -11 +lO; -11 Èl3r-14 +12; -14 !lO; -11 +13r-14 t13; -14 +13; -14 t13r 14 +l3r -14 +13i -14 Tensiong nominaleg d'al imentation U-r en V +l?r6 t12r6 +15 +15 +15 Eourant absorbÉ f-,' en mA B B' 5 5 2 Nbre de circuits de correction o-? 3-5 0 L-2 I Erreur statique â-+,* 'o,55 orol oroB oroS otol ParamÈtreg K15?HT1 K5O4HT4 K 140 I'tA I Plage de variation de U-o-. 1000 500 100 Erreur statique d-c' {%' 0r? or2 5 Erreur de tempÉra- ture (f ) ?r5 2rS 10-2s DérivÉ de zÉro mV +5 +10 50-250
  • 73.
    Entr ée1" I I I I I I e1 R3 R4 Entrée z CONTRE- REACTION *'+VAL % +rT0TA L w'f i.-VAL t I : T I t: I t 1,, R21 , Rzz Rzs FriG k1
  • 74.
    I I t ll lr lr lr ll lr 79. 2) DiEpositifE demultiplication Le choix du rnuttiplicateur analogique est plus compliqué que le: autres opÉrations Les dispositifs de rnultiplication Étant commodes pour la rÉali- sation , ils se basent soit sur la méthode Logarithmique r soit sur la mÊthode de la différence des carrés , soit sur la mÉthode de la modulation d'amplitude et de fréquence , soit sur la méthode de la conductance transitoire des tnansistors Le multiplicateur d'un =ystème vectoriel doit Être asstz rapide et prÉcis , de nÊme qu'il doit avoir une rÉalisatitrn simple . Le système vectoriet doit forser les proces=us'transitoines , c'est pourquoi la bande passante de ces multiplicateurs ne doit pas Etre infÉrieur^e à 3OOO ra et leur prÉcision doit Etre Égale à ( O'5+1) t. En sutre r uF multiplicateur doit avoir les paramètres princi- paux suivants 3 -la gamme de variation des signaux d'entrÉe et de gortie egt de +10v; -le crrefficient de transnission est de OrO? + Ortl ; -la résistance d'entrée siePa supÉeieure à 15 + 20 HA le multiplicateur choisi Ecircuit intégrÉ type K 14CI l"lA t - (tableau 2l I ne satisfait pas à ces exigences Ees exigences sont obtenues par des multiplicateurs baség sur 1i mÉthode de commande de commande de Ia conductance transitoire des transistors $ur Ia figure 4-1 on montre un multiplicateur de ce type réalist =;ut- la base de deux paires de transistors (coordonnÉs) à effet de champ avec p-n passage de type K 5O4 HT 4b et sur deux amplificateut opÉrationnels K 153 YD 1 . Four multiplier deux tensions r le dispo- sitif de multiplication cornporte un schÉna en pont (résistances R 10 R 11 et les transistors à effet de charnp T2 et T4 )et un schéma de pont comportant les rÊsigtances RB et R9 et leg transistors à effet
  • 75.
    = -_: ._, i= t_ | .- l, I l t- E E= E= E: EJ E - E:= F ==.1 80 dechamp T1 et T3 à D1. La tensitrn U= (entrÉe 2l est transmise à l'une des diagonaleg d pont dont le ctrefficient de transmission K est proportionnel à la tension Ue (entrée l) . La tension de la deuxième diagonale est proportionnelle à KUr qui est amplifiée par Y2 . Le pont compensant est branchÉ à pantir du circuit de liaison inverse de 1'amplificateu Yl qui commande la tension rÉglable des transistsrs à effet de champ T3 , T4 à D3 . Ee pont est destiné à se débarrasser de l'influence d la non-linÉaritÉ du coefficient de transmission du pont et de Ia variation de la résistance du transistsrs à effet de champ . Le signal Étant proportionnel à la tension d'erttnÉe I est trangnis pat^ l'intermédiaire de la résistance RZ à I'une des entrées de I'ampli{icateur Yl , mais la tension aux bonnes de la rÉsigtance R12 est transmise à la diagonale du pont . Alons le coefficient de trang mission du pont compensant est proportionnel à la tension d'entrée 1 Pour assuper unÊ grande prÉcision statique du multiplicateur n i1 faut établin des tensions pnÉalables sur les bases de Tl et T2 . On choisit te diviseur R3-R4 ainsi que la tension du ct:llecteur-émet- teur du transigtor T1 qui est inférieure à lOO mV (avec un signal à l'entrée I Égal à O). La nésistance R2 fait varier Ia tension du col lecteur-emetteur de T1 qui egt lirnitÉe à t 25 mV avec une variation du signal d'entrÉe de + 10 V . Ees limites gont dÉterminÉs par 1es caractéristiqurs tension-cour'ant non-linÉaires des transistors à effet de champ L'entrÊe lt permet l'opÉration suivante: LJront = KU= (Ue + U'r. l ûù: K -coefficient de trangmission du multiplicateur ; LLant , Ur tlll et U'r -tengiong de sortie, de l'entrée 1 ,de l'entrée L' et de l'entrÉe 2 du multiplicateun Avec les couplages l-2 , 3-4 et 7-E ,le coe{ficient de trans-
  • 76.
    = = = l* t_ t: t*- I t: l=_= l= t= t- l= E Æ= E- E= E= E : E= - E E= E=I E:: 81 mission cts'tptrsitif ; âvec les couplages 1-4 , 2-3 et 7-9 ce coeffi- cient est négatif . La borne 9 ,aveic 1O-1 dÉbranchÉ, peut Ëtre uti- lisÉe Four accorder à la gortie du multiplicateun 1'amplificateur de puissance . L'accord du rnultiplicateur est fait de Ia manière sui- vante ! 10) on Établit une tension Êtalon Égale la rÉsistance R12t 2l' ) on fixe la tengion de gortie zéro I'entrée 2t à (6 + 9) V à f 'aide de avec la tension zÉro de 30 ) r]n Ëgale la tension de ssrtie de Yl qui egt Égale à (O + 10û) mV à la tension de l'*nt"É= l elle mËme égale à tC V par l'intermédiaire de la rÉsistance variable R3t 40) à l'aide de Ia rÉsistance Rê trn donne la tension sur la ba= de T? assunant l'atténuation maximum du signal d'entrée 2 Le csefficient de tnansmission du multiplicateur varie à 1'aide de la rÉsistance R12 . Dans le tableau 2 on montre les caractéristi- ques du multiplicateur construif. à l'aide du circuit intÉgré K SO4 HT 4 . Ees canactÉristiquels sont obtenues expÉrimentalement Les essais d'échauffement du multiplicateur sont fait dans gamme= de tempÉrat.r"== A= (5 +.4Olotr . Le rnuLtiplicateuF e unei bonne prÉci=io.n dans tous les quadrantg (pas moing de OtS X) . La prÉcision du multi plicateur dépend de la stabilité des tensiong d'alimentation g;i 1a stabilité des tengion= n'est pas suffisante r alor.s iI faut fournir des tensisng à la régistance R12 et aux diviseuPs R3-R4 et R5-R7 des stabilisateurs sêparés . Les essais montrent que I'utilisation des paires de transigtorg (accordÉs) à effet de champ permet pratiquement de ge dÉbarrasser de l'in{luence des caractéris- tiques tension-courant non-LinÉaires sur la prÉcision du rnultiptica- teur et permet d'atténuer entièrement la dépendance de la rÉsistancs du collecteur-emetteur des transistors à effet de champ de la tempÉrature
  • 77.
    I I I I I I t I I I I I I I I I I I I I I 82 Les dispositifs demultiplication sur la base de K 504 HT 4 peuvent Ëtre utilisés pour la rÉal.isatitrn pratiquement de tou= les blocs du système vectoriel où iI est nÉcessaine d'exécuter des opÉrations de division n de 1'obtention de module , de la racine carrÉe etc... Les multiplicateurs des circuits principaux des génÉratrices biphasées fonctionnent dans des csnditions spécifiques : En atrPlique sut I'une des entréeg une tension sinusoidale et sur l'autre une tension à courant continu avclc une amplitude vaniable de O à 10 V les multiplicateurs doivent as=iut^er unel gpande prÉcision de La multiplication dans unei gnande plage de variation de la tension de sontie p = l:1OOO ce qui correlsFond aux frÉquences de la génératricr ( OrZ + ?OO Hz) - La valeur absolue de 1'eFreur doit diminuer proportionnellement à Ia tension de sortie . Dans le cas contraire , pour les frÉquenËes infÉrieupes à 2 + 1O Hz , iI existent des distsrsions des ondula- tions sinugoïdales de la gênÉratpi.ce ,ce qui compliquent le démarrag de la commande électrique . Pour unet commande non réversible r ûf, peut utiliser un multiplicateur à deux quadrants Sur la {igure ? on montre le schérna d'un multiplicateur à deux. quadrantg simple basé gur 1a vaniation du coefficient d'amplificatio d'un arnpl if icateur dif +Érentiel . tret arnpl if icateur se f ait à I 'aide d'un paire bipolaire gur Ia hase d'amplificateurs opÉrationnels (accordÉs) K 159 HT 1-B . La résistance interne d'un tnansistor vani à cause du signal d'entrÉe 1 . C'est pourquoi le courant de Ia génÉratrice à courant stable réalisÉ par l'amplificateur Yl est redistribuÉ et le signal diffÉrentiel entre Ie collecteur de la pair est arnpli+iÉ par Y2 , Puisque le coe{ficient d'amplification de l'amplificateur différentiel dépend du ctrurant de la génératrice à courant stable dÉterrniné par la tension d'entrÉe ? , alons la tengio de sortie est proportionnelle au produit des signaux des entrÉes du
  • 78.
    ,i Ée 'd> Fl r i rutt iF iE iO, )vt;,, tt ,l z. o .iF lo, ;< IJ"J tEr jlr luri IE :t- 'rZ io, IO srt J < + tr'-1 :i CI .l ll o !b 1I I' Èl ç Ë c{ É.
  • 79.
    s I n,gr'cos'yr Ms ,! (u, FIG 4-3 FIG L.L
  • 80.
    I I I I I I I I I I t I I I I I I I 86- L'erreur absolue dela ternpÉrature ne doit pas Ëtre supÉrieiune i (2O+2OO} mV- Les essaig du rnultiplicateur constnuit à l'aide de K 159 HT I mtrntre que celui-ci satisfait aux exigences des circuits principaux des gÉnÉratrices biphasées du système vectoriel Girâce à la grande précision statique ,ce multiplicateur sur bag' du t. I. K 15? HT 1 peut Ftre utilisÉ poun la rÉalisation des opÉna- tions d'obtention du carrÉ et de la racine carrÉe , de mEJne que la division Ce multiplicateur peut {onctionner dang les quatre quadrentg. Pour cela , le schÉma de la multiptication dàit comporter deux multi' plicateurs à deux quadrants et deux multiplicateurs. Le calcul du carrÉ de 1'amplitude de la tension variable peut Être obtenu en appliquant le gignal eux entrÉes liÉes du multiplica- teur à deux quadrants par Ie redresisieuF précis Ern pont construit à l'aide d'amplif icateurs opÉrationnels. E-E trtrs pEs sysrErlEs vEcrrrRrELS f7r(g,lo7 -tl 1) Blocs des'transformateurs de coordonnées Les blocg des transformateurs de csoFdonnées rÉalisent la rnatrice tournante deg vecteurs c.à.d qu'ils transforment les compo- santes des signaux des axes LiÉs farmant avec le flux magnétique embrassé du rotor dans le système fixe deg axes; n-B et le contraine. Le hloc du transformateur de coordonnées (figure 4-3) se compo- sent de quatne multiplicateurg K 5O4 HT I et de deux amplificateurg opÉrationnels K 153 YD I {onctionnant tromme des additionneurs. Le systàme vectoriel comporte d'habitude deux blocs de transformateurs de coordonnées: 1e transformateur de coordonnÉes du vecteur de ten- sion et le trans{ormateur de coordonnéeg du vecteur du courant sta- I {l I torique
  • 81.
    I I I I I I I I I I I I I I I I I I 8r Siur le transformateurde coordonnÉes du vecteur tengion r oE epplique respectivement aux entrées 1 et ? des multiplicateurs Hlrl'12 H3 et l'14 des signaux sin et cos déterrninant la position du vecteur du {lux embnassé du rotor par rapport au système de coordonnées cr-F.Sur les deux entrées des multiplicateurs Hl ,1"13 et H? tl'14 on applique les composantes de la tension du stator orienté suivant le vecteur Alors ,eux bornes de La sortie des blocg du trans{ormateur de coordonnées r En ;rure les composantes du vecteur de tension âux axesi fixes cr-8: lJ* = u'sogQ- u==rnV Ua = U'sinp+ U=cos9 Pour le transformateur de coordonnées du vecteur de courant du stator ,on appl.ique aux borneg ? des multiplicateurs Hl ,H3 et l"l2,f'l les composantes du vecteup ,nesur.ées dang le système c*-F , mais à la sortie du transformateur de coordonnÉes r on obtient des signaux orientÉs suivant 1e vecteur du flux magnÉtique embnassé du rotsr: I:. = I-sgir,9 * I--cos I rra = r-tcosp- r--sin9 2) Elocs des transformateurs de phases Les transforrnateurs de phases (TPh) gont destinÉg à transfonmer les systèmes des tensions variables triphaséËi en système biphasés Équivalents et vicer-verpËa. Sur la figure (4-4a) ,on montFe un trans- fsrmateur de phases qui à I'aide de deux additionneurs Yl et Yz transforme les vecteurs ia sis' eit iç déphagÉs de 12Oû en vecteurs i- et io déphasÉg de 9Oo.La relation entre les valeurs de base et celle transformées est déterminÉe par les formules i I Il I
  • 82.
  • 83.
    t_ I I I I t I I I I t t I I I t I t I I I T ffi 89 ir = ia'-Ors(ia + ic) ier = Or5 .fs(ip - ic) Le transformateur de phases msntré €uF la figune 4-4b , co.nptrsÉ de trois additionneurs Y1*Y3 trangforme les vecteurs Uo et Ên système tt^iphasÉ Ua r LI- et t.[ décalÉ de 12Oo d'aprés les Équations siuivantes : Uar = U- U3=-SrS(Uo-JS.tË' U= = - srs(tL + .ts.Llg) Avec cele la valeur de R peut Ëtre égale.à 15-30 KA La précisisn des tnansformateurs dÉpend des conditiong dt: l'Égalité des conductanctÉ des circuits branchés aux entrées des ampl ificateurs 3l Eltrcg de calcul des modules Ces blocs font le calcul de module de I'amplitude du système bipha=é de la tension . Le systèrne de rÉglage vectsriel comporte qua tre blocs de calcul de module (Btrl'l''. Dans Le calculateun du module du {lux magnÉtique embrassé et le calculateur du module de l'amplitude des ondulatians des gÉnératrices du systÈrne biphasé, les tensions fonctionnent dâns une petitl gamme de variatisn d'amplitude Le calculateur du module de la tengion du statcrr tnavaille avec de grandes variations d'amplitudes des signàux des entrées dépendant de la vitesse de Ia commande électrique . C'egt pounquoi le bloc de cal. cul du module peut Etre dif+érent par la plage d'amplitude de fonc- tiçrnnement avec une prÉcision donnée .Leg calculateurs de moduleg sont reprÉsentÉs sur la figure 4-5 par des pointillés . EEr calcula- teur s;el co,npogent de deux murtiplicateurs HS et Hâ ( circuitg intÉgrÉs K 5O4 HT 4 )fonctionnant dans le régime des quadrateurs , e du calculateur de la racine carrÉ basÉ sur I'amplificateur Y=t (K 153 YDl) avec le quadrateur dans Ie circuit de csntre-rÉaction
  • 84.
    6 = lnl.si',f-V", = Inl.si"(f..')f* - si#*..o=V, lAl - module du systÈme biphasé sirr(-f-f l n{-Y- avec ({- d'entrée tf- t < tt/3 I .'l -l I T I T I ,rl -l I I ,rt I I (l I I I I I I 90' Le signal de gortie du calculateur de modulei set^a égal : Co=JCÊr*El= où ce , E= signaux de sontie des quadrateurs La précision du calcul dêpend de Ia prêcigion deg coef{icient d trangmisgion des multipl icateurs Pour dininuer les erreurg de calcul des signaux d'entrée (proch de zéro) , il est nécessaire d'établir 1'amplification dans le cir- cuit de balancement précis de zÉro 4) Blocs deE analyseurs trigensmétriques L'analy=Etup trigonomÉtrique est le bloc ie pfus compliquÉ du système vectoriel de rÊglage . Il détenrnine les harmoniques princi- pales avec les amplitudes d'unité sin et cos du système biphasés i* -* des tensions sinf et cos$ c.à.d que les harmoniques supÉnieiuFEls son filtrÊes . Le bloc comporte plusieiurs circuits {onctitrnnels (fig 4-5) . Le comparateun trigonomÉtrique basé sur 1es multiplicateurs H?rl'llO et 1'amplif icateur opÉrationnel additionneur'YB dÉterminent u signal. proportionnel au sinus de la diffÉrence des phases du système d'entrée des tensions et du système de sortie c.à.d : où: L'augmentation de lAl corr €lsp{rnd à l'augmentation du coeff icien de transmisgion du comparateur Le rÉgulateur proportionnel-intégrateur (PI) conçu avec les amplificateurs Y?-YIO met en pha=e 1e systÈme d'entrée deg tensions et le système de sortie des tensisns evec une qualité optimale . Le circuit de lissage rÉalisÉ par l'amplificateur Yll exerce un filtrag
  • 85.
    r 9rt I desharmonique= supérieures et la formation des proccls:iu:; transitoi- I l^es- I Le schÉma principal du bloc de l'analyseun trigonométrique est I la gÊnératrice du systènre biphasé des tensisns (générateur sinus- I cssinus ) rÉalisÉ sur^ la base d'un circuit réglable conservatif avec I la stabilisation dur du cycle limite . tre gont les multiplicateurs r Hl-l'l? et les arnplificateurs Yl-Y?. Le systèrne de stabilisation du I système biphasé des tensions egt forrnÉ par les ÉlÉments HJ-HEryS-y? De type de gÉnérateun sinus-cosinug a beaucoup d'avantages I L'introduction de l'erreur d'amplitude aux amplificateurs I intÉgrales Yl-Y? permet de stabiliser I'amplitude âverc prÉcision . Lr I calculateur de module (BCH) permet de déterminer lenternent I l'amplitude deg ondulations qui est proportionnelle au signal de rÉférence lÀ.o . Le rÉgulateur proportionnel-intégral (y5-yÊ) et la I nonmalisation du signal d'erreur de I'arnplitude (Y?-YA) dgnne la I possihitité d'obtenir une qualitÉ optimale de la Etabilisation I indépendanment de 1'ampritude du signal de rÉ{érence I Le gÉnÉrateur fonctionne dans là garnme des fnÉquences O'?-3OO H: I si les multiplica,teurg t41-l'12 sont basÉe sur les cincuits intÊgrés r K 15? HTI et les amplificateurs Yl-Y? de C. I. l{ l4O YDZ et H 153 YDl I Avec cela, l'erreur de l''intÉgration de I'intégrateur formÉ par I l'ampli{icateur K 140 YDZ FouF un temps T = 1 seconde sene de OTJSU. I Pour calculer cette ÊrFeiuF il faut utilisen la formule suivante : I I loo ir r I a=- l- + _+ZC I 2t'.otr| R RD i ILJ où: I E = OIOS lJF - capacitÉ dans le circuit de rÉaction ; RtD et l{o - sont rnontés sur le tableau... r rl I1 I I
  • 86.
  • 87.
    I I It lr lr lr ll 93 En Établit dansle circuit de contre-rÉactisn des intégrateul^s YI-YZ des condensateurs prÉcis, mais Foup le rêglage du niveau zérc. ctn utilise les gchÉmas de balance du zéro. Pour Établir les conditions initieles on peut utiliser des résigtanceg sur les entrÉes de Yl et Y2 . Le systÈme vectoriel co{n- porte deux analyseuF= trigonomÉtriquesi (AT1 et AT2).Le bloc AT1 éla- bore les signaux des composantes du vecteur du flux magnétique embrassÉ rotorique âvEltr des amplitudes égales à 1'unité. Ces compo- santes sont proportionnel.les aux cosinus du vecteun du f lux rnagnéti- que emhrassÉ du rertor p'- p** rapport aux exes {ixée des coondsnnÉes ct-B. Le bloc AT2 engendre un systÈmel nor^rnalisÉ sur l'amplitude de= signaux des cornpssantes du vecteur du staton U* et Ua . tre systèrne lL - Ua est transformé en systÈrne tniphasé utilisé pouF te réglage de la fréquence et de phase de la tension de sortie du convertisseur fnÉquentiel tr- BLTTtrS DE REELAEE DES CBNVERTISEiEURS; FREGIUENTIELS DES CTT,IHANDES ELECTRIAUES A REGLAEE VECTBRIEL 1) Eloc de r de l'onduleun autonome du convertisseur fr ti el Pour comrnander l.es convertisseurs fréquentiels dans les systÈrne vectoriels r il {aut avoir un système de régl.age avec deux circuits séparés . Avec cela r g;i la tension du nedresseur varie âvec les signaux.du courant continu n alors la fréquence et la phase de Ia tension de sortie sont rÉ91Éeg à 1'aide du système triphasé des ten- sions sinusoidaleg . Ees tensions sont engendrÉes par le =ystème vectoriel et il faut les transforner en impul=ions de réglage des thyristors de I'onduleur . Four âssur Êu- un démarrage stable du moteur dans notre cas r il est nÉcessaire d'avoir des irnpulsions de réglage larges des thyristors de l'onduleur . Eiur la figune 4-6 r e1 montne le schÉma du bloc qui forme le système triphagÉ d'entrée des tensionr
  • 88.
    I I I I I I I I I I I I I I I I I I t 9rr sinusoidal.eg et lesystème des irnpulsions nectangulaires d'une durr{ Égale à 600-lEl00 el. tres impulsions sont décalÉes de 6O0 el. et suivent la frÉquenr du signal d'entrÉe . En outre , ces irnpulsions sont complétÉes par des ondulations rectangulaires d'une fréquence porteuse de 1S-ZOKHz Le bloc de rÉglage de l'onduleuF €l trois entrées et six sorties . t prend des sorties du bloc les irnpulsions Ëorrespondanteg aux trois positives et aux trois négatives des demi-ondes des phases ArB et t de la tension d'entrÉe . Pour assurer une division Électrique du système vectoriel et du bloc de rÉgtage de 1'onduleur avec la parti puissance des convertisserrps {réquentiels ,1es impulsi.ons de négIaç sont fournis âux électrodes de Ia commande électrique par des tnans formateuns d' impulsion Le bloc comporte les élÉments guivants ! al les amplificateurs formateurs à base de tr.I.yl-yÉ, b) les modulateurs formateurs à bage de tr.I.y7-yl2, c) Ie générateur d'ondulation des grandes fnÉquenceg yl3, d' les amplificateurs de puissance des impulsions de sortie T1-T12 et les transforrnateurs de sortie Tr1-T16 Puisque le blotr Ëclnptrrte trois canaux identiqueis (phases) r F consÉquent il faut considÉrer les éléments du btoc du seul canal de la phase A. Les amplificateurs formateuns réalisÉs par les arnplificateurs Y1-Y2 du type H 14O YDI avec une boucle de contre-nÉaction cruverte tres ampli{icateurs fsrment des impulsions positives rectangu- laires aver une durÉe égale à l€l0oel. en utilisant une tension sinu soïdale de gortie avec l.'absence de tension de sortie dêcalant du diviscrut R3ê-R37 I'amplificateur Yl crÉe Les irnpulsions des demi-ondes positive de la tension de gontie de phase . Pour cela le signal est trangmis I'entrÉe qui ne changei pas la polarité du signal d'entrÉe Far l^appo I
  • 89.
    I t I I I I t I t I T t I I I I I I T I I 95. au signal degsrtie . L'amplificateur YE fonme les impulsions posi- tives des demi-ondeg négatives de la tension de sortie . Ë'est pour- quoi le signal d'entrÉe est transmis à l'entrÉe inverseuse La rÉsistance R35 asgut^el unei tension nÉgative stable sur 1'entrÉe des amplificateurs Yl-Y? corresFondant à une tension de ssr' tie nulle du bloc avec l'absence de signaux d'entrÉe. A t'aide de 1, tengion de polarisation du diviseut^ R3Ë-R37 fournissant eux entrÉes inverseuses de YI-YZ r Dr peut rÉgler Ia durée de= impulsions dans les limites êOo-lB0oel.. Par exemple , avec une tension de polarisation égale à 5 V et une amplitude de la tensitrn d'entrée de Y1-Y2 égale à 10 V, la durée des impulsions =="* At 12Oo élÉctriquelg de la période de la fr-ÉquelncÉr d'entrÉe. Les diodes D1-D4 servent de protection des entrÉes de Yl et Y? contre de très grands signaux d'entrÉeg Les msdulateurs formateurs à base d'amplificateurs Y?-YE de typ K 14O YDl sont destinêg à augmenter le front abrupte deg impulsions et à cornplÉter ces irnpulsions par .des ondulations de grandes fréquence= . Pour cela on transmet aux entrées inverseuge de Y7-YB des impulsions positives qui =uivent avetr une {rÉquence de 15-?O KHz du gÉnérateur Yl3 r mêis aux entnées non-invtrseuses deg sortieg de Yl et Y2 on trangmet deg irnpulsions positives dont la durée détermin la durêe de Ia succes;sion des impulsions positives de grande {nÉquence engendrÉes aux sorties de Y7 et YB Le gÉnérateur de tension rectangulaire en modutlatisn de {réquence porteuse egt construit à l'aide des G. I. Y13 de type K 140 ypl et du pont R4O-R41-R3B-tr13 . La pÉriode des ondulations avec R41 = R4O = 3O Kfl sera d'environ 5O l.ls tZRSE-El3t. Les amplificateurs de puissance des irnpulsiong de sortie sont construits avec des trangigtors doubles (T1-TS et T2-T4 de type n7gzl. Les transigtors peuvent travailler sut^ des fréqLlenc:es allant jusqu'à 5I'tHz et ne limitent pas la rapiditÉ du schéma
  • 90.
    I t I T T I I I I I t I I I I I E I il il æ æ 96' En qualité detransforrnateurs de sortie r oR utilise des tnans- {ormateurs de type rX4 72O-OO2( T 2A&}. La précisisn de la fsrmatian des impulsions d'unÉ durée de lB0oel. est dÉterminÉe ici per la frêquence porteuse et par Ie coefficient d'amp1i{icatisn des C, I. Psur une {réquentrÊ porteuse de 2O KHz , I'rrreuF moyenne de la forrnation de I'impulsion s;uF Ia {réquence 1OO Hz ser'a de Or3 Z (pour le redressernent à une demi pÉriode de la tension de sontie des transftrrrnateurs Trl-T16l . Four un coeff icient d'amplif icatitrn tto = 3-lOF, le retard du front de l'impulgion seFe de OrO1l 3&. La prÉcision de la {ormatisn des impulsions d'une dunÉe de 6Cr-12 degrÉ= électriques dépend de la stabil.itÉ de I'amplifude et de la forme deg tensions d'entrÉes . Pour la formation d'impulgions égales à l20oel, et des tengions d'entrÉe t+ 10 V + t "Â) gla variation de Ia durée des impulgion= de sonties sera de t Sr55 f Les caractÉristiques du bloc de rËglage de I'onduleur d'un ct:n- vertissÊruF fréquentiel sont ! I'amplitude de la tension d'entrée Égale à 10 V t OrS *; - la garnrnei des fréquences Égale à O-?OO Hz; - I' amplitude des impulsions sortiels avec une durÉe Égale à 6S-120 o el. et une fréqutnce de Ot4-?OO Hz sera de 5-1O V. 2) Bloc du capteur de tension du redneEseur commandé du convertiE- setr fréquentiel Poir augrnenter la qualitÉ du rÉgl"age de Ia commande êlectrique frêquentielle , il {aut avoir des dispositifs spÉciaux qui diminuent I'inertie et linéarisent Ia, caractÉristique de rÉglage du redregseur commandé Pour cela r Dfi utilise un contour de rÉglage fermé de Ia tensiot du redresseur . Le capteur de tension du redresseut^ dait avoin une petite inertie et doit e=ÉuFeF la division Électrique du système de réglagei avec la partie puissancel du convertisgeun
  • 91.
    ï Mroto ïz r',|306A SORTIE FIG I,-7 1 T, I t I I I I I I I I t I I I I I I I l'i SO RTI E VA Lr -'VALt TO TAL1 * VÂLz VA LZ SO RTI E TOTAL2
  • 92.
    I I I I I I I I I I I I I I I I I t t I I w Sur la {igure4-? r of, montne le schérna du capteur de tension construit avec 1'utilisation de mul.tiplicateur suF }a base de K 15? HTl et d'amplificateun opérationnel K 14O YDl La tension du redressElur cgrnmandé Éxerce une modulation d'amplitude des signeux rectangulaires du gÉnÉrateur Yl . La tension du redresseuF commandÉ est transmise à 1'entrée 2 du multiplicateur l'11 par I'intermédiaire du diviseur Rl?-R19 .Les signaux rectangulai- res sont appliquÉs à 1'entrée I de Pl1 .La tension rectangulaire modulÉe egt renforcÉe per l'amplificateun T1-T? et est transmise à I'entrÉe du redresselur de précision Y2-Y3 par f intermÉdiaire du transformateur Trl.On obtient à la sortie de te redre=;seuP un signal analogique proportisnnel à Ia tension du redresseut commândÉ du trcrn- vertisseut^ frÉquentiel .Le gÉnérateur de tension rectangulaire se fait s;ur un schéma analtrgue au schÉma du gênérateur du bloc de rÉglage de 1'onduleun du convertisseur fréquentiel. Le circuit Rô-CZ sert à stabiliser Ia tension de ssrtie. L'amplificateur de puissantrel (fl 3O6A; n ?O1A) assurei le passage du signal avec une amplitude naximale Égale à 10 V jusqu'à 15 ltH=. En qualité de transformateur ,on utilige un transformateur d'impulsion de type rX4.72O.OO2. le gchéma du redresseur à une onde entière permet d'obtenir la valeur de seuil du dÉblocage du redresseur à environ I-2 mV. Dans ce schéma r.or utilise une diode trBtn{ne élément non-linÉaine dans le circuit de contre-réaction de I'ampli{icateur Y? de type K 14O YD 1. Les caractÉristiques principales du capteur de tension sont: al une tension d'entrÉe égale à (0 + 3BOl V; b) une tension de sortie égale à (O + 1S) V; c) une précision de Or5 I avetr une gtabilisation de la tension d'alimentation Égate à t OrOl V de la valeur nominale-
  • 93.
    I I I I I I I I I I I I I I I I t I ti' ti I I 99 VI-PARTICT'LARIlES ET AVANTAGESDE LÀ COTI}IÀNDE ELECTRTgUE À REGLAGE VECTORTEL POÛR L'ÀNALYSE DU }'ECANISI{E DE LEVÀGE D'UN PONT ROULÀNT TRÀDITIONNEL Paur évaluer 1'Lnfluence et avolr les avantages de la con- rande électrLque à réglage vectorLel considérée sur Ia charge des téesnlsnes , ntrur consldérûns comne exenple le calcul tradLtionnel du récanine de levage d'un pont roulant [tEeANrouE pE LEVÂGE DU PONT DE 125 kN DE CHÀRGE Ce pont est euployé dans les ateliers de naintenance dont les pararètres sont: - La vLtesse de levage z L4r5 n/nin - La vitesse de dtrection : 31'5 m/nin - La vitesse de translatlon : 7O n/nin - Hauteur de charge z !2 m Déplacenent du charLot : 14 n - du nécanisne de levage : faible prlnclpale 2- charlot 1- Poutre 3- Gàlets 5- Chenin de direction d- Galets de translation de roulement du pont Paramètres initlaux : Charge utlle Qu Vitesse de levage - VI = I,TECÀNISI,IE DE LEVAGE = 125 kN L4 rE n/nLn schèma du pont
  • 94.
    = ,! !t ( I I It ll lr ll ll Hauteurdecharge-H=L2 Réglne de fonctionnenent: I faLble ) Facteur de narche :15* Le nêcanl-cne de levage est constitué : - d'un moteur électrique entratnant ce mécanlsne - d'un réducteur assurant un rapport de transnission - d'un tambour sur lequel s'enroule Ie câble - d'un moufle assurant la liaison crochet-poulies et 1- ChoLx et calcul du palan On choisit un palan double âvec i- 100 constant câb1e 1 - tanbour 212' - Poulies Le rendement du t -l-i- 3 - poulie de guidage roulenent i i-= nobl les palan: 1 Z== oùr 2-= 2-- = effort 1--i- rendemer' d'une poulie Or98 - poulie ,rontée sur I - 0,992 1 - = Or99 l-o,gg 2 rtrâr r'exerçant sur le câble Qu L25 Le cholx du câble étant S- = S.11 = 3116.510 = = 31,50 kN fatt d'après 158 kN 2.2.O, gg I'effort de rupture. -,-Æ
  • 95.
    I I I I I t I -l , Nombreminimal de spires : I ll I 10f Pour un effont Sr = 1é9rS kN qui est Ie plus proche de r l'effort calculÉ la gection f du câble egt éga1e à l?4r?mmz D'après la nonrne GiO€iT Ie diarnÈtre du bobinage du câble I D = Dc+ d = e.d = 19.20 = 36O mm I e = 2O - Eoe{ qui tient compte des dinensiong de la poulie I Forrr^ un rÉgime faible. I Diarnètre minirnal admissible du bobinage de câblt sur le tam- I bours . I Dt : Orgs.D = Org5.360 = 3OË mm d'enroulement I Dans notre cer nous FFelnons les mÊmes diamètres d'enroulement I des blrrcs et de tambour, mesurÉs au {ond des gorgesr qui sont r égaux à 4OO mm. n - Ctref de sécuritÉ pctur un régime faible D'après le tableau LZ t14l nous pPetnons d = lEl mm - diamétre du câble- D = D: * d = 4OO + lBrO = 41El mm. Foulie folle ( poulie de guidage): Son diamÈtre peut Être plus petit de 2O * par rapport à D D+-.e = OrB D = OIB.41E = 334 mm. En prend D+-.r = 35O mm ;ru fond de= gorges. Longueur du câble : , L- = H.i, = t2.2 = 24 m. ,rl I 'L= Z=- +5= 24 *5=24spires n(Dt+d) n(Or4OO 4 Or0lg) Parmi ces spires on utilise 3rS spires ptrur la fixation du câble sur le tambour et 1r5 spiFes trGlmme rêserve de sÉcuritÉ I ( leun somme est égate à 5 spires ). Alors la ltrngueuF totale filetÉ du tambour est : Lç,- = 2.2,t = 2.24.20 = 9ËO mm. t = 2o mm - entr'axe entre ? spires voisines Tab. 20t13l
  • 96.
    I I I I I ] I ,l I I t I I I 'l I I I I 10? 2- Ghoix durnoteur 7.-t> Calcul d,aprÈs la charge max imal e; Fl't = 15 f - rÉgime faible La puissance du moteuF Eln rÉgime stahle Buand P = Glu Avec P - Résistance du dÉplacement de translation Glu, Vl 125OOO. 14r5 N. = 37 khl er?oo.2o 6l?00.0rgo h Lo = 0rg0 - Rendement du mécanisme Le msteur le plus proche ËrvElc FFI = 15 f e'st le moteur t"lTH type 511--a avclc Nd = 45 kw et HTF 4lz-a avec Nd = J4 khf . Donc nous prenons Ie moteur de 45 khf. 2-2, Calcul d,après la charge équivalente ! Nous pFenons un coe{ficient d'utilisation avrc la charge du pont roulant K- = 0r5 et quand la charge est max Kr = OrZ Nombre de dérnanrerges en I heure Zo = IZO Goe{ oolz s 1155 - troe{ de la surchaFg=r de dÉnar*ages La durée d'un dÉmarrage Ta-- = I s. Le rapport du temps de fonctionnement du moteun pendant le dérnarrage et du temps en régime stable est : Zo.X 120. I lÇr-= ="* =-;;;-=0ro3 Coe{ficient de charge Équivalente: r0 Y- = { ( Or4.K, + OrÉ } K- * Kgrc, t- trharge équivalente .^ Pr= = FrYt = lzs.0r6s = Blroo Puigsance nécessaire du moteur si p - ,- - ooy = .[ tor4.Ot? + 016 ]OrS + O'OJ lrSSz = O165 KN Ps I Ir I P=. Vl Blooo. 14r5 N- ê1200.0r8 61200. OrE ?[14 khf
  • 97.
    I I I I I I I T I I I I I I I I I I I j 103 On choisit lemsteur l4TF 412J| ; Nd = 3O l{hf rlrpor. = ?OS t/min ; Jl- = 3O N.m2= Sr0CI Kg.mr (tnoment d'inertie ) ; Hmax = E4O Nm On vÉri-tie le noteur au lancementl Coef du lancement -V*.* - 2 ;Vmin = 1r1 l'ln - l'loment nominal du moteur I'tn = ( 9750.3O)/7tE = 41& Nm l'loment statique l'ls = Hl = 432 Nm Homent de lancement max (pic): f'l--- = l'ln. mex = 4l'6.2 = 6;32 Nm On fait une vérification supplêmentaiFe pour une tensicrn rÉduite de l3 *z lI'--* = or7.l"l--- = Û t7 ' 832 = 58? Nm Donc H'--* ) t'ls, le démarage est possible. Le coefficient moyen de Ia surcharge pendant le démarrage du moteun P-o. = (P--* *9-.- l/2 = ( ? +.1t1 | /2 = 1-55 H-oy = Hn .?--. = 4lâ.1r55 = ô44 Nm l{oment d'ineptie de la charge ramenÉe à l'arbre du moteur : vle J2= = Or1 x E J = llâ-oe l4tse Or 1. 125OO0 = 5n3 N. mz 7052 Diamètre du frein: D+ = 3OO mm ( par constnuction ) l"loment d'inertie de la poulie du frein sur l'arbre moteur: Jl+ = ?5 N.ma I Hsment Jzo = ( =( l'loment mtrteur= d'inertie totale du mÉcanisme et de la charge : J2F + Jzf ) . 1r? + Jt= = 39 + 25 ).1r2 + 5r3 = 7l1O N.me statique de La masse de La charge ramenée à l'arbre l'ls = Hr = 432 mm
  • 98.
    104 t I I t t I I I ,l I I 'l t t I t ,l I I Ir t Excès du moment: Hr = Hmoy - l'lg = 644 - 43? = 212 Nm Temps de dÉmarrage : J2 o .l.tmaa 71 x 7CI5 ta= = Or7 g. 375. Hr 375 x ?tz Temps de dÉmarragr adnissible ta 3 (1 + 2) E. L'accÉIération avec la charge ntrrfiinâle ! vl a=-= 6O ta 14r5 = Or34 m/se. é0. or? Les valelurs admissibleÉ de e : ( ûr3 + t}16 ) Rapport de rÉduction de nombre dt rotatisns La vitesse linéaire du câble : V= = Vl x i, = l4r[ x 2 = 29 m/min Vite=se de rotation du tambour : v= 29 flr = = 22 t/min. n(Dr + d) rr(Or4 + Or0lËt) Donc le rapport de'rêduction de n- pcrur le mécanisme est: fim 705 :--a., I -o- rlr 22 Nous choisisssns un réducteur de ? Étages. ir = 6125 l-t 't'e-' i= = 5r2O ?.o- Étage. i'o = ir x iz = âr25 x 5r2O = 32rS La vitesse réelle de levage : io, 3211 V' = Vl - = 14rS - = 14132 m/min. i'o 3215 Le rendement total du mécanisme ! h -h, h h h Lo - L- ?-,'-nr.-. tt.L".[-^ = Or?72.OrPB.Or?9.Or?9 = ûrBE ?-rF-d-hr.-: rendement de ta raueiftrz rendement du tambourl ?o= rendement du palani l-^, nendement de l'embrayage. c(- m/ss. lloor 3
  • 99.
    I I I I I ,l 'l ,l 'l I 'l I ir ll lr lr lr ll I 105 3- tralcu descharqes e! antité de ch l"lÈ = l*s (srDcetdont Le moment guF le H= l'12 = 2Ê5O Nm Z'mr étage du réducteur' deux i èrne anbre 3 D.+d =?5 2 f-' = 2.31600 étÉ calculég Plus deuxième arbre : 13500 ûr4 + OrOt E 2 x Or?8 haut l = 135OO Nm. t=.!: 5'2- 0'eB aveË L= - rendement du Le nombne de rotation du nr 7O5 rt2=-= = 113t/min' ir &r25 Analogiquement pour le premier arbre: H= 2650 l'lr = = 432 Nm it.?, âr?'3'Ot9El (- rlz 113 rlr =é= =2117t/min. iz 5t2 La durée d'utilisation ft = 15 annÉes ( pour les roues dentÉes ) ' T - 10 4EO h (pour les arbres4ignons) ' €h = ?O: nombre de levageis PaF heure' âcn = 1: nombre de charges Alorg le nombre de charges de torsion PoulÀ l,arbre4ignon pendant la rotation avtrc ce nombne de I'evages Zor=Txârxâch=1084o.2o.1=2||bloE(torgign}. PourlesautresarbregA=25annéesetTo=3'61.105. Laquantitédechargessommairegdupremierarbre(Iegchar- ges à la {lexion ; durée d'utilisation A = 15 années }: Lo. = êO.T.Dmo:,.€ = 60.1O44O'?O5'Ot 15 = 6'9' LO?(f lexion) -avElc€=o,15duréede{ongtionnementpendantlheure. Pour les 2'-- et 316r arbreg ! 7oz, = lâr?-LÛvr/âr25 = 1tl-1O7 I
  • 100.
    I I 16 I I I I t t I t t I I t I I I I I l I Zo::l' =( 1r 1. l{J^7l /3r? = 2, 12. 10ô REHAREUES :Les résultats obtenus sont poup une durée d'utilisation de A = 25 années : Z'cra = 1r85.L$? i 7'o'o = 3154. 1{:)ê. 4- tralcu1 deg Foues dentÉes 4-1' tralcul des dimensions du 1-- Étage. On les détermine à Ia base de la solidité de contact. ir = 6r?5 i nr = R- = 7O5 t/min. rl:::113 t./min i l'lr = 432 N.m i l'lz = 265O N.m. Prenong 1es matériaux ! a)- Roue : acien 3E C 4 ; b)- Pignon : acier SEl tr 4 {r'r= FLmr-= 7B15daN./mm2 I oaF Rmrn = ?Bl0daN./rnml HB=27O+3O0. Prenons Fréalablement I'ang1e d'hélicei B = 1Oo. Les paramÉtnes l Z6 = l. 1Or7 (Pour le calcul aux et contraintes du contact) m = 6 (Tab,6 t131) eveiË Zb - nombre de cycles de base. m - taux de fatigue. troefficients de calculs : (pour le calcul approxirnatif) .ll Y-- = (OTBK,' ç OrZ)Kr = (OrB.Or2 + Or2).OrS = Or?Ë avec Kr = Or5 et K- = Or?. (Tab. tr.24 -tlsl) Alors les nombres de charge calculÉes : rl Pignon= ?o1- = Zo1.f-r = 619. 107.O126 = 1rE}. 1O7 F Z5 = 10? rô Roue z 7.2 = Zo1-.Y-- = 1r1.10:7-012Ë = ?r?, 10é' < 7a Les contraintes de contact permisies ptrur le pignon : (7-rlZ5) frJ=, = (Z?O.HB)/Kr* = (2?O.!;â3r/l = 77OOO N/crnr (7?Ol'lFa)
  • 101.
    I I I û t ,l Four la roue:(Z-= {. Zb , zzo.H' '[ * Erl=-=-ti_= lÇ* l zF 27CI.285 1 '.i I I I I 'l I I I I I I I I ll I ici Kr* = lr0 (Tab.Z4 - tlSl) Eontraintes ,noyennes de contact pernises: frl- = ( Eclee * ftrl=- ll2 = 1:,To + BSo) /2 = glo ttFa l"toment de calcul pctuF le pignon ! qr = lTr- t(^ = 43Z.lrS = 64g N.rn avec lÇ = lrs ( troefficient tenant compte du rÉgime de charge - régirne faible ) L'entr'àxe:a- 5- +. = 90(ir+l) 64E'. to-a = 9O (6r25+l ) = 2416 cm ( = Or?4& m ) Largeur de la troupclnne : b En {in de compte ! ây=Or25m (?E0rnm) ;b=O'OTSm(?Smrn) Diamétre primitif du pignon : dr = 2a-/( i, +. 1 ) =Z.;25IO4(6'ZE + I ) = 6g mm Limite à la fatiguGt pouF la matiÈre du pignon (cas de ftexion): {r-1 = 1y6.HB-1n =l ,â.ZTO = 43? HFa et leÊ cantraintes permises : frl+ =(lr4-a-r) /(Enr.K'o,) = (rr4.4J?) /(r14.rr7) = zs4F{pa ici tnl et K,c, ( Tab. ll-l2 _tt3l ) Paramétre ( my ): tny = (13'l'l!') / (dt b' ttrr+) = t1g.É4g) / (ât?.Trs.zg4)= or6s ici dr et b en cm frJç en l'lpa et H.' en Pour dr = 6? mm et rny = OrâS ! e2 I l o- Er I t. I'1 HF V-. 3 av=E V - = Y^'Êlw = 1o,3.êr25.8102 = Or3 (Tab.16 -tt3l) Or3. çr24â = OrO?38 m Nm rlr = lr5 nm
  • 102.
    rro8 Pour arsuFcr unesÉcuritÉ plus Él.evÉe on {ait le chsix : I rn=3mm I Alors le nombre de dentg seil^a : Pout Ie pignon I Zt = (dr.cos Bt lm = faf .cos(l0" il/3 = ?? I Pour la rouel 7a. = Lt.it = ?'2-6y?5 = 13?rs On prendra f inalement 7.a = 139 I Donc faisons la correction de 1'ang1e I I cos(F)= .n. (Zt +7zl / (?a,"l,l = 3. (22+1391 / 12.?'30, = 01966 d'où B = 14059' f Les diamÉtres primitifs ( aprÈs correction ): Pignon! d1= (Zr. ml / cos (B) = ??.s/Qr !66 =6Ê113 mm I Roue: dz,= 43117 mm I 4-2, Calcul à la solidité du 1-- Êtage Vitesse linÉaire du pignon sut^ le diamÉtre primitif : f rvf = (n.dr,nr)/êO = (r.OI06E}3.?05) lhû = 2rS m/= troeffficient dynamique l{., = 1rO I f Eonsulten Tah. 2Ê t13l) pour HB = 2OO + 35O ; I b=75mm troe'fficient de concentration de charges : I lL= = 1r4 tTeb- 7S tlsl) , pour b/d'^=73/6El =1r1 l La valeur rÉelle'du coef{icient de calcul de la charge: I K-= = Ka.K=-.Ke' = 1.1r4.1 = 1r4 I avec Ç'= lr0 - coefficient qui tient compte du nêgime de r harge en fonction de f intensité f K-= { K- ( tr'Était le mÊme coe{ficient qui Était pris préala- I blement ) ; l+ = lr5 t13l) I Puisque F.*= { l{. on peut prendre les dimensions déterminÉes de I l'engrenage du 1-* étage cornrne dimensions déf initives. I On le moment de calcul Fctur Le pignon est : I HFr = l'lr.K-= = 43?. 1r4 = âO5rO N.rn il I I
  • 103.
    I I I I I I t I I I I I T I I I I I .l I Jr I Le nombre dedents Équivalentes sera : Four le pignon : Z-r - Zt./[ (cosF]sl = ?,2/Qr96Ë:r = 24 pour la roue i Zuz, = Zzlf (cosFlsJ = 139./Or966rt =153 Les csefficients de configuratians de dent= respectivement Z,,r et Z-z ( Tab. SCI -t131): Yr = Or414 ? Yz = Or515 Les contraintes de flexion 3 . Pour Le pignon: nrr = (13.l"lprl/(ma.Zr.b.yrl = (13.âo5) f (a13?.2?.7r5,or414) = 128 HPa Pour la roue: trçc = (r-t.y1l /yz, = (128.0r414) /Ot515 = 1O2rS l{Pa troefficient de transformation aux chatrges de calculs : ,ô Y'-- = Kr.. Kr'. Hr. = Or5. Or2. I = Or I (Tab. 15 -E 131l avec Kx = 1 (coefticient de correction qui dépend de '0 r0 x I rr; Pour^ Yr orz Kr. = Iro) Les charges de calculs du pignon ! rfl 7o = Zol-.Y--' = 619. 1O7.Or 1 = êr?. 10ê Hombre de cycles de base et taux de fatigue3 Limite t-t' = 7s= 3. 10ê I m=É (Tab.6-t131) à la fatigue pour le pignon : o-r.orl(Za/7e] = 432 ê.t(3. 1Oê]./(6r9. 10é) = 376 l"lPa ( Rq-.- = 7BS HPa Pour la roue: H fr-r' = tr-r..-{(Zà/Zp} = 432. avec: et ê.f t3. ltts)/(1r1,10ê) = = 510 l'lPa { Re-r- tÀ 7. = z",=.Y-' = 1t1.lo'r'.ot1 = Irl'lod'{ l. - m=6 (Tab.â-t131' 1o* i
  • 104.
    I I I 4-3) SÉcuritÉ àla fatigue: Pour le pignon : 2. R--*. û-r 2. ?8O.432 n= Û--*. {r-1 +Ko'.R--*} 12,'(43?+1r7.gBO) tnl à l14 (Tab..tt ttsl ) Les contraintes en tt'tpal: âvec K'o = 1r7 ( HË > ZSO rTab. 1A - tl3l) Pour la roue: 2.98O.432 Il= =3t?4 I I 1O2r3(432 +1rZ.9EO) Vérif ication à la gol.iditÉ statique H"t = l'lre.ldcr = éO5- lr} = ??6 Nm avec l{a = LrZ (troefficient dynamique Les contraintes de flexion : = 3115 ;tnJ è lr7 (Tab. 11 -E lSl ) ;Tab. 2E) { I I ) I ] I I I I I I I I I i I H'or ZZh T'+:f+-=12El-: tLr éo5 153rÉ l"tPa Analogiquenent trn obtient pour la roue i t, + = IZS HFa La sêcurité d'élasticitÉ sera pour : - Le pignon: n = Rr-r-/tr'+ = ?BS./lSSré = Srll tnl à ? (Tah. tt ) - La t^truet ! n = ZSS.11ZS = 6.5El tnl Z 2r4 (Tab.. lt ) 4-4' DÉterrnination des dimensions du 2ro- étage E'est un eingr^€lnagel à dentures droites: i= = 5r? - Taux de rapport i lTz = Z6FO Nm { Sur l,arbre du pignon } lTs = 1SSOO Nm (Sur I'arbre de la roue l Leg matériaux sont identiques à ceux du !-- Étage. D'après le Tab. â, nous aup{f,n5 les paramétres suivants: Pour le pignon : Zu = S.lOa ; m=6
  • 105.
    m I I I U I I -l I :-t I I ] I t ,l I ,l I I I I I Jl I 240. HRC Erf= = K*- =1?40 I'lFa K*. = lr0 (Tab- 240,45 =- 1 Four la roue 2 26 = Alors Z.a = lrl.lOé Pour la roue ! Z-s = Donc pouF le pignon : 3. 10é' I m = ? Z-,=/iz = 1r1.1Oé./5r2 = = ?r1,lOs 6t- 111 - 5. lo7 1r1,10ê = 174OOO N./crns 3?8O.10-r 1CIr35.5n?. 11102 0135.364 = l2B mm. mr- lzo t- lZ,'= 24 1 Pour la roue 27.H8 Erlo = - K*-' Âr- 27.2=5 - ; l.10- l- E 111OOO N/cmr .lt'. lz, t. loE H3'r,10-1 = 1O5(5r2+l) -.i2'frl2= zb = 1 llO HPa. Cette contrainte egt utilisÉe pout le calcul suivant. Hsment de calcul pouF Ie pignon l Her = Fla.K- = 2650. lr$ = 39f|0 Nm avË1tr K- = lr5 Alors I'entr'axe â." sçlra ! 3 a€ = tOS (ite+l) = 3614 cm. Largeur de la coul^ctnne: ! = -.âw = En fin de compte nous eupons : Ew = 4OO mm ; b=14Omm Le diamétre primitif du pignon sera : dr = Za-/(iz + I ) = 2.4OO/(5r2 + I ) = 129 rnrn F-s = 432 l'lPa donc ! frl+ = 114.r-1./(tnl.K'c,) = l14.?,60/Ir4.l14 = lBE Flpa tn] = 114 iK'o = 1n4 d'après Tab. 11-12.
  • 106.
    I I I I I I I I I I I I I I I I I I I I t 112 Le paramétre .nyseFa d'aprÈs le Tab. 1ô : my = 2OÇrf(dt.b.Esl+) = 2O,Z?EO/ (12r9.14.1El5) = ?r4 D'après la fig El et pour my = ?r4 r m I 6.Prenons m = B La somme des dents des 2 roues s;era 3 7- = Za-lm = Z.4QCI/E = lOO. 7t - L-f(Lz + 1 ) = lOO/( 5tZ + I ) = 16 - pignon Zz,= lOO-1Ê=g14 -1^oue Alors dr = z'..m = lâ-8 = 12El mm - pignon et da = Zz,.m = f|4.8 = 6?2 rnm - Fou.l Fui=que 7t { 2O on corrige Ie coe$ficient de csrnection : Xr = Or3 i x:a = -Or3. 4-5) tralcul à la solidité clu zômr Étage Le tralcul est identique à Ëelui du 1-- Étage , c.à.d. qu'on utilise les mÊmes désignations et les mËmes tableaux alors : V = r.dl-.n=lbÛ = rr.Or12B. ll?rFJ/âQ = Or7& mls âv€lc fiz = Ilelir = 7o3/âr25 = 112.El t/min donc : l{a =1r 1 ( HB 2OO + 35O } l(=== 113 ( la disposition est asymétrique; blor æ 1; HB ! 35O ; denture droite ) Le coefficient lL= = l{.r.lLo.H'|' =1r1.'113. lrO = 1r43 aveic K'. = lr0 donc K-= { K- Le rnornent de cal cul : flF' r = l"la. l+= = 2650. I ,43 =3?9O Nrn Les coefficients yr, et ya seront ( Tab. 30 ): Yr : 01436 Ya = Or47B (21 =làrxr=0r3 1 ( Zz = E4 r x:e = -Or3) Les contrainteg de flexion : (rrr = 2rO.F1pr-/ (mr.Z1,b,y1) = = 2rO.379Af {OrEa.16.14.O143$ = 121r2 HPa { frle Eçz = nrr.ytlyz = l2lr?.Or439./Ot47fj = 11Ot6 l'lPa Les charges de calcul: Pignon i Zo= = Zor. t-- = Irl.lOT .Orl = 1r1-lCIê
  • 107.
    I I I I I t I t I I t t I I I I I I I Jl t 113 Za = 5.10? Roue = Z.s = Zo:r. '-- = 2rl.1Oê.Orl. = 2t1.1O!:' 7a = 3. lF Er r'-r = f-r.'{(Z,5fZo,=} = 432,â.13. 1æ/1r1.10é'= = 51O HPa { FL = 785 l'lPa- Pour la roue ! f '-r = 432 â"[3. Iæ/2r12. lts = = o72 FlPa { R- La gÉcurité à la {atigue ! -Pignon:n= -Roue n=3rÊ5 4-l:,, Vérification à la solidité -statique H'-= = Hp:a.Ka = 2650. Irl = 2915 Nrn Les contraintes de {lexion : t'+ = {r+.H'p=/ltlp= = 121 r2. lrl = 13313 l'lPa Pour la roue z c'+ = 112175 lIPa SÉcuritÉ d'ÉlastitritÉ : 2.R--*.t-t/ f{r--*(r-t + K'o.R---}l = 2.?8O.432/t1?112(342 + 117.9BO)l = 3r33 n = R--rn/tr'+ = ]:fjf,/13313 = S'BB n=7El5/112r?5=&rT - Pignon ! - Roue : donc n à ?rt 5- Ealcul des arbres 5-l) Premier Les charges: Leg efforts: - tangentiel - axial - radial arbre l"lr = 432 Nm - - F- = Fc.tgB = f2650.tg(14059') - F- = Fe.tgg{/cosp = = l?650.tg (2Oo | lcos (14o59') 1?650 N = 33?O =47ô7Nt
  • 108.
    1r4 Br B (Fo I I I I I I I I I I I I I I I I T I I 'lt tl I I Schéma de I'arbre Deuxsections dangereuses: ( I-I ) et ( ïI-II $ = 14è59' c=zOa l.fa = 432 Nm dr = 68'3 nm b=75nm a=23Omn c=95nn fts 1 DéternLnatLon des réactlons et construction des flexLon: a) Plan vertical: tLs 2 F- et F-) dLagrannes de Àr +Br F-.f, llg = O / = F-.c+F- -dr/2 a+c=325nn l* Fa F== H= Àa.r f= A Ft oru a_ c
  • 109.
    I t I I I I T It It ll l: l: r15 Or Aa =(4767.0,O95/O,325, = 1750 N 81 = 1767 1750 = 3017 N lloaent de flexLon rnaxinal : lf.---- = Àr.â = 175O-O.23 = lfo-<rr-rr) = Ar (a - bl2l = = 337 Nn b) Plan horizontal : Àz - F+..c|{a + c} = = 1255O.OrO95/O 1325 = = 3570 N Bz = 1265O = B9BO N 3570 = !f.---- = l..a = 3670.0123 lfsnrrr-rr) = Àz(a-bl2) = llonent de flexlon total 3 l.fa - )â.li11.1- + i.J Ma'et + !l-t = 9A2 Nn (Votr fig Dl.anétre du prenler arbre Section I-I + (339O.O,0683/ (2.O,325) ) = 402,5 Nn L75O(O,23 -O,O75/21 = ftg C = 844 Nn 3670 (O,23 O,A75l2l = 7L6 Nn ll1.r =f M1'*---t -F !1.----t I !!42 r5' + 844' = 935 Nn lllcrrï-rtr1 = f 337r + 7L6' l,lonent de torslon : l{a = l,iouent Idéal de flexLon : = 791 Nn = 432 Nn !lr (93512)+ l1f935' + â32, ) sf 219 4321(O,2.86) ctrl = 29 mm aI dr_- > Et uù./(o,2.[ ]]
  • 110.
    I I I I I I I I t I I I I I I I t I I l'l I 1i6 Prenong dr-r= 3Omm Avec fi,1 = 1r4-1-r/(K'otnll = tr4.2lâf (lr4.2r5l = E6 HFa (Tab.7 - t13l) ( cycle asymétrique ) Ici Ç-, = B.HB-I- = 8.2?O = 21ét bars = ?16 HPa K'o = 1r4 - tient compte de la forme et du mode de traite- ment mécanique et thermique. Inl = 2rS - coefficient de sÉcuritÉ- (Tab- 11 & 12 - t13l) Section II-II d r r-r r I sJ' Hl/ (O1 1. [r1ç = lJ 9El2. los/ (O, 1. 123} = 43 mm Prenong drr-rr = 5O mm Avec frl+ = tr-ll(K'o.fn)) = 43?/ {1r4.2r5}'= 123 HPa âvtc o-r = 432 FlPa b' Vérification du premier arbre à la solidité + Nombre de chargeg total de torsion .^ zor = zot.j'-- E 2116.105.or 1 = ?r16- 1o4 .â avetr Zor = 2s1é. lF etJ'-- = Orl Puisque Zrr statique. * Contraintes de torsion dans la section I-I G = M. / (Orz.d:s) = 432/ (CIr2.Or0ss) = BO I'tFa * Coefficient de sÉcurité dans la section I-I Cç tt = €n'?r/ç = O,g5'324'/Bo = 3r4 avecQ- = 12.H8-r- = t?'.27A = 3?r4O bars = 324 l{Fa Ë'r=O'85(Tabg-E131 ) REI'IARGUE: Dans la section I-I agit un seul moment le moment de ton- sion * La gection II-II est chargÉe par le mornent de torsion et celui de flexion.
  • 111.
    I I I I I I I I I I t I t I I I I I I ,f I r17 t Les contraintesde torsion dans la section II-II d ç= l4+.1{O12.dt---rr) = !t321(O12.O2O53) = 17r3 }lPa t Le coeffLclent de sécurLté dens la seetLon II-ff nc' = €r|.Gtn = or85 -324/L7.3 = 1519 > [n] * 2 'L * Contraintes de flexl.on denË Ia sectLon II-II 6c = l{rrrt-t-f(O'1.dtrr-tt) = 79Ll(O'1.O7O53) = 63r28 }!Pa evec !ltr---r = 791 Nm Le nonbre de cycles de base de I'arbre sera: nb = 5'10tt n=g Z=, = 619:l0tt Pulgue Zct ) Zu , La linite de résistance à Ia fatigue est êgale à d-r = !!32 ltlPa- Le coefficlent de concentration des contralntes de flexion Pour Ia section II-II ( changement de diamétre et raccordenent) hfe T = 2,9 ; d-= fr:0,04 'E-II vv ftgr 5 Pour les rapports ( h/r ) et ( rld ) VI rI ( Appendl.ce t 13I ) et d'après le tableau. Ko = 2 t}O. Le csefficl-ent Ko = (K. * K,'ll €r. âvec Ko - 2r3O et l{- = Or25 (1ab-9} ( état de surface } et €re = OITO (Tab-B) ( dlnenslon de I'arbre ) Ko = (2r3 + Or25 l/Or7 = 316l!- 4l
  • 112.
    I I ,l ,l I I t I I ,l 'l I ,l ,l I I I I I ll I Le coefficient desÉcuritÉ pour les contraintes à la rÉsistance de flexicrn : rr- = t-t/(Ko,.trmr*t = 43?,/ ( 3râ4.6312El' = IrB75. troe{ficient de gÉcuritÉ total : limite fi = rlc.nG/ (.f n-a * n 2) =11El75. 1.5r9l(J 118752 +t$rÇr) = = 1rgê > tnl = 1r4 (Tab.11) En tenant compte des surcharges du mécanisme de 1evage, obtient 1e moment calculé suivant: Hr = lTçrr-rr.Kcr = 7?l.l12 = 94?12 Nm. Or leg contraintes {r+ = I'lrr/f O, l. (d r t-r r) sl = = ?4?r2/(,Qrl.O'OF) = 75r? l'lPa Le coefficient de sécurité : n = €-.arl Ee = €-.Re-1 -/trç = OrBl .7Fl;3175 19 = EISB Le coefficient de sÉcuritÉ rarnenê : n = (grsE. 1519) / (J BrSBl + 15r?Ê ) = 7r4 5-2) tralcul de I'arbre intermÉdiaire Remarque: La marche à suivre eÊt la mÊme. f'f:r = L,rr.H1 = Or?El.c 125 .432 = 265O Nm l{s = 135OO Nm dmrn à =J t'lo/ (Or2:t l) = :r.f?65CI./(Or2.g6) = 5136 cm La roue vants: ( fig 6 ) du premier étage subit les e{forts F c,a F-= Fr:e 1?é50 N 33?O N 4767 N
  • 113.
    H - I I I I I I I I I I t I I I I I I I I I I zqearbre 1or arbre fts 6 plgnon'3' du deuxlène étage subit lç= efforts suivants: F-= = 2.llzldz = 2.265O1O'L28 = lll-r4 kN Fgg = Fta.t9 ûn = 4Lr4-Lg(2O" ) = 15rO7 kN F-s = O (denture droite - I = O ) Déternlnation des réactLons | ,,, t., ConsLdérons Ie f ts 7 plan vertl-cal : Hn ->+* Ay+ | 4,, _> Fo, de 1'arbre fig I
  • 114.
    I I I I t I t I I I I t T I I I I I I : .r: I I 1.20 D' aprèe lafigure I f,!|19 = O Ar(a+b+c) - F=g(b+c) + alors : = - E-â = -3390 N Fs3.C E-z.dzl2 = Q âr = [F=r(b+c) - Frz.c * F-a.dz/Zll( a+b+c] = = [ 15,07 .O1225 â,.767.O,O95 + 3r39.O' â,32/2llA,t25 - 3165 kN Br = -Àr ' E-z * F-g = 3'65 11767 + L5rQ7 = 61553 kN r Réactions dens le plan horizontal: ll -+ At= = 3,8fxN fig 9 f,Èl^ = O Fùgi.â Fo=. (a+b) + 82. (a+b+c) = O Bz = [F-2.(a+b) - Fgs.â ]/(a+b+c] - = [12,65.O r23. - 4LrA.O'1llO1325 âa = F+.a - Fot + Bz = ItttA L2265 r Les nonents de flerlon : - ptan vertlcâl A a b # ct 6 5Nm Brx c = -J'79 kN 3179 = 2â 196 KN Bt= Ç65 xn/ B At x a=3 632 Nm 1tg. t0
  • 115.
    I t I t I I - pllan horizontal B2 A.:24,96rN Bz= 5,79xN t t I o ,t I I I I I I I I I t :l * tlonent de flexion total pignnn ) I lfor = f (l{t r l,ionent de tv * Èltsr.) = J Or355t + 214952 flexLon idéal : llr = *?lgz + ,1t (t{c)r +(l{+.}r = L,26 = 3 r O?kNrn + *f2r52' + 2165' = * DiarnÉtre de Ia secti{fn s{ft-ts le pign{fn : d- Z =flttt (O'1.IoJo =3f3'09'LA|5l (O'1'123) > 63'1 mm Prenons d- = 65 nn ) dnr- = 53'5 mrn Vériflcation du deuxlène arbre à Ia soltdité Ren: Les désignatlons sont les nêrnes; que pour le 1-- arbre. râ Z=z = Zot.T-- = 1r1.1O7.Or1 = 111.106 Zb = 5.1Oc i tD=9 Z=. < Zb Donc f'-r = 1!-t 'J ZolZ-= = 1!32.efb'LOoll'1'lOG = 511 t{Pa Contralntes de flexLon dans la sectlon sous le pignon : 6c = llr/( o,1.d3) = 3rO9.LO6 l (Or1.65=) =lL2'5 [fpa On fabrlque le deuxiène arbre comlre l'arbre-plgnon c.à.d qu'll n'y â pas de concentratlon de contral.ntes sous Ie plgnon- = À Or Ie coeffLcient de sécurlté n = û'-tl 6= = BLL|LL2r5 = 4'54 1ig. ll ( Section danger€lus€! sor.rs le = 2 r52 kNn 1.21 tnl 2 L,4
  • 116.
    â * ll t I I I I I I t I I I t I o I I o I o ; T ji I Ce eoeffLclent estlargenent sufflsant; c'est fait pas de vérification des sectLons à gauche et pignon- pourguoi on à droite du 5-31 Calcul du troislène l'l= = 135OS hlm i d-r^ I F.- = 4114 kN Fr* = 15rÛ? kN F-r=O arbre sJ135O{r./ (ûr3.Et&} = ??r? rnrn * Réactions!: +Br = Frr.a/(a+b) = = â16â kN +Àr = 15 rA7-4164 = 10r1t3 kN Ez = Ftr.a/(a+b) = L2r74 kN z = 28'66 kN ùlonents de flexion: v - 1Or43.O'1 = = I rAâ3 kNn l'fh = 28;66.O11 = 2,866 kNn -F l'loment idÉa1 de flexion: Ua = lâl4r. + )tt (Èlr)t + (!l.t.)2 = = 8'445 kNn )t(3 ,O5 + {3, Ost + 13,5r ) = !f-. = fl.O/432 + 21866, = 3rO5 kNn !lÈ = lfa = 1315 kNm * Dlaaétre de la sectlon Eoils la r{rrre: d 2 t{}ltl (o,1-[o].] = rJB,aaïLoBl (o;1.123] =99,2 nn avec [o]. = 123 MPa Prenone .d = 95 nrn l d-1- = 92 rZ mn ,043 KNx rn Mtors lon : = {3500 ilxrn
  • 117.
    I I I -l "l I I I I t I I t KN T I I I I t I a.3 VÉrif ication dutroigièrne arbre à Ze= = Zos. -- = 2r12. 1OÉ.Or1 1a soliditÉ =2,12. 105 I 7a = 5. 10Ê. m=9 Z.:r { 7a alort : c'- l- = 43?.'".15. 1F/2r1?. lOF = 61317 l'lPa { {rr = 7El5 l'lPa {r+ = 81445. l$èl (Or1.95:r} = 9ErE l'lPa Eoncentration des contraintes! Ko = (K- + K-)./€- = (1r7 * Orl, /Ar7 = ?r37 avec lÇ = lr? ; lL = Orl et €}{ = Or? n = 613 17/ l2t57.9BrS) = 2147 6- tralcuL des Paliers La charge dynamique du Palier: E = P (n. Lr-. AAl l0à, ^ âvtc t-tr = ?OF t/rnin ifl= =113 t/min et rls = 2Lr7 t./min et m = 1/3 pour les roulements à hilles m = 3/1O pour les rouletnents à rouleaux coniques- L+, = lOtO h durÉe de fonctionnement du pelier ( Tab.13 t13l ) P - charge dynamique équivalente a) Premier arbrel * Réactions! R^ - .ttAr)a + (Az)2 - J 1r750z 4 3r&70z = 410É6 = 91473 R-J.f(Brll + (B=)e =J3r017r +Br?E|z F- = 3t3B kN Paliers A et B F^- = 1rO5-R6 = 4127 kN F-tFn = 3139/4127 = Qr7? > Or35. Par con=équent il faut utitiser des roulenents à billes à contact oblique. P=X.V.F-+Y.F-
  • 118.
    I I I I I I I I I I I I t I I I I I I l'l I X - Facteurradial v - Facteur de rgtation ; v =1 pour^ tous les paliers puisque les bagues intÉrieures tournent. Y - Facteur axial Pour les rsulements à une rangÉe de billes à contact oblique ( angle de contact = 4Oo ), nous âvons : e = Irl4 {Tah. 31} Les charges axiales aux points 'A' et ,8, sont : Ra- = e.FLâ = 1114.4rO&6 = 4t365 kN Rn- - t.Rs = l0rEl kN = Re'- Ra'= l0rg - 4.-365 = é1175 l F- Pour cette raison la {orce axiale F- est dirigÉe vers le point 'â'. Donc Fn- = Ra- = 16rg kN Fa- = Rs'- F- = l0rg - 3139 = 7r4t kN Fa-/R* =7t41/4t066 ) e = 1114 donc: X =Or57 Y=ûrg3 Fs-lftg = lÛrE/9-r473 < Ë! = Irl4 donc: [=1 Y=Or55t14] Alors poun le point 'A'i P = Or57.4rOêê a 0193.41 = ?rZL donc E = 9121 (7O5. IOOO. 6O/IQ-, i./.:t = On choisit donc le roulement 40 BT et Ëo = ?5OO daN pour le point 'Ê' P = 1.1.?1473 donc E = 15r41.4(7O5. 1OOO.âQ/lOp.rt,/s On choisit donc le roulement à deux tact oblique 4O BE 33 avec tr = 54OO 32rO9 kN = 32O? daN OS avec tr = 345O daN .t Or55. 10rB = 53170 kN rangÉes de daN et Eo = = 15r413 =537O daN billes à cûn- 45OO daN
  • 119.
    I b) t ,l I ,l I I I I I I I I I t ,rl Arbre intermÉdiaire F- =3t3? kN R..r=J3t&5s +?4rqê2 Rp=Jâ16532+ 31792 Prenons des roulementg queiavece=OrE}6 Les charges axiales sur les Points Ra' = e.Ra = 25r23.OrBê = ?1r7 Rn- = e.Rr' - Tsêâ.OrBâ = 6159 A= 6^'- Rp' > F- Alors Fg- = Rs'= 2tr7 kN et ?5123 kN 7râ6 kN 2 rangÉes de billes à contact obli- d'appui t KN KN seront: et Fo- = 2lr7 '- 3139 = = 1El131 kN Fa-lRa = 19t31 /?'3123 = Or?3 < e = 0rBÊ donc )(=1 et Y=Or73 P.-, = 1.2523 a Or73. 1E3l = 3859tâ daN E.a, = 3859r6. (113. 1OOO. &O/tOâ, r'/3 2 ?3O5 daN FD-IRE =7Lr7f7rââ ) e = Orgê donc : X = O162 et f = 1r1? F.-, = OrÊ2.7rêâ + 1t17.2tr? = 3Or14 kN = 3O14 daN E.sr = 3O14. ( 113- 1OOO.60. 1O-è) r"7s = 57O? daN Pour les 2 points d'appui r oll ch13isit Ie roulement 50 BE 33 avec tr = EOOO daN et Eo = 72OO daN c) Troisième arbre: = J1Or4322 +f.Arb&t = 3Or5 kN = 3O5rJ daN = 14'33 kN = 1433 daN Rs = .t(Fr)t+(Elz)r = J4 ,â42 +t2r742 F-_= O Puisque F- I I I lr I P.^t P.rt tr r-iâ = lTa =Rs = Or on pFend deg roulements à billeg aveltr X-letY=Ot14l = 3O5O daN = 1433 daN F <ar . (?l ,7.lCIO0. êO. 10-61 t t= = 333O daN
  • 120.
    ff I I I I I I I I I I t I t I I I I t lr I Cg = Pr-r.LrO92= 1555 daN 0n prendre pour les 2 palLêrs les 55 BC {)2 avec une chârge dynanlgue r26 nènes roulenents Sd = 335O daN et une charge statlgue S = 255O daN 7- Calcul du tarnbour llatérlau Fonte FT 15 RÊ-r- = 15 daN doo-p= = 75 daN/nm2 [ct]oo-- = 6=o^--ltrrl = 7515 = 15 daN avec [n] = 5 coefflcl-ent de sêcurlté La force naxlnale de tenslon du câble !E--* = 3116 kN donc I'épaisseur de Ia parol du tanbour ! t' = El(t.Iafoo---) = 3L16.LOal(OrO2. 15.lOt) = 1O'5 nn avec t = OrO2 D .- pas entre 2 spires Prenonsg=19nn. L'axe du tanbour: La résultante de tenslon des 2 câbles: R = 2E = 6312 kN La charge sur le polnt d'appul 'À': Rr = R-Lzll11+L2) = = 5312-575/ (735+575)= = 27'7 kN Rg=P-Rr=35'5kN Ro = R.le/lg = = 6312.(575-115)/995= = 29'2 kN = 292O daN Rc = R - Rp = 63,'2 2912 = = 34 kN 735 s fig 1
  • 121.
    I I I I I I t I I I I I I t I I I0 t I lr I fLg 2 ftg 3 Lesnonents fléchissants: Àu polnt 'D' : iltlc = Rr.lr = 27 17 -Or2-LOz = 554O Nm Àu polnt 'C': lilr:. - RB.(1= - l=) = 355OO(0,1c76 O7C6O) = 4O9O Nn donc Mo--* = Mso = 554O Nn = l{rar:r Puisque sur I'axe aucune charge n'est exercée Hr--- = ltrac-r donc le dLamètre de l'arbre sera: d ) 3{Mrar-tl (O'1.IO]r) = 3{5540/ (O,1.93.1OG) - O,O85 n evec Ia]o = 6-t-l (K'or. [n] ) = 260l (L,â.21 = 93 ]tPa Ici d-r = 26O MPa limite à la fatigue de flexion pour L27 I I I t I I ls = 460 DI (n=73s (c=175
  • 122.
    I I I I I I I t I I I I I I I I I I 1'acier XC sEl. tnl= 1r4 et K'o = 2 ( tab 11-12) Prenons la dimension de la section dangereluse d = les autres dimen=ions sont fixées par construction. L'embrayage à dents: toutes On le choisit d'aprÈs le moment transmis Fl = Fls =135OO Nm ou hien 'aprÈs le moment de calcul I'l==g.H1.ld2= 135OO. 1n6-1= ?16OO Nm avec Kr et Kz - coefficientg tenant compte de I'importance et du régime de {onctionnement du mÉcanisme. Pour cette raisonr on a aug- mentÉ Kr de 2O*. On choisit I'embrayage à dents normaliséàs no B (tab XXI) t13l Les paramètres de cet embrayage sont les suivants: m=4 Z=à7 - module - nombre de dents r- b = 35 mm largeur de la EouFonne Le palier du troint d'appui 'A': * Eherge radiale Ra = 277O daN = Co On choisit le roulement à 2 nangées de rouleeux supportant de grandes charges radiales. * ChaFge dynamique de base: E = P. (L+'.n/Lâ&â6r=2to où P - charge dynamique Équivalente i P = Ra = 277O daN ; n = 2117 t/min ;L6 =100O h donc 2770(1OOO.2t r7/16é66)s/'o = SOOO daN. le roulement 50 Str 22 avec : Ç= On choisit alors d=5Ommi D= 9O mm ; Ê = 23 nm i Co = 54OO daN ; ê?5O daN et n--* = 4OOO t/rnin. Fixatisn du câble sur le tambour: On ef{ectue cette fixation à 1'aide de deux planchettes rnÉtalli- ques et de boulsns de diamètre d = 16 mm- 6 = 31êOO N - tension du câble. ,f I
  • 123.
    I I I I I I I I I I t I I I t I I I, -'. II I 129 L'e'tfort de gerragede la cre{ pour le= beulsns sEFa: Pb = 75-P' = 75-2oo = 15ooo N avec p' = 2oo N - effort de la rain. t' = af (e--) - effort de calcul à la place de fixation du câblr avec e = 2171[3 - constante c = 3r - qngle d'enroulenent du câble sur le tanbour. f - Or1 - coefficient de frotteuent. llors l' = 315OO l(eo-''-a-r) = 126ooN L'effort nécessalre: Po = t' -yl lz-t-f , = = 125(}(}-(},6.51 (2-11.O,1) = = 1O2OO N avec w - eoefflcLent tenant corpte de I'effet de dêcharge dee epiree de flxatLon; rr = Or6E Le coefflclent de sécurlté de la fLxatLon sera: n = Z.Pg/P- = 2.L$OOO|1O2OO = 2rga lnl > L,25 ftg d 8- Calcul et ctroix de I'enbrayage entre Ie uoteur Flonent transnle par I'enbrayâge: llo = [r = d32 Nn D'après les données du moteur électrique tln a le monent naxinal de dénarrage ! l{--- = g32 Nrn ' Donc d'après les nornes on peut prendre l'enbrayage norûalisé avec les caractéristiques suLvantes:
  • 124.
    I t I I I I t I I I t t I t t I T I T Dr =- 3OOmm (GD.o)' = 25 Nmt (GD.'t)t = 1O Nmt (GDtr)t = 15 Nnr l{--- = 8OO Nn diamère de freinage rnoment d'inertie total moment d'inertie de la i;t de transnission partie gauche ' droite 130 Nm2 noteur élec- fig 1 Les aouents d'Lnertle des nÊcanlsnes sLtués après l.enbrayâge: (GrL)r = o'2[- (GD-)t +(GDso)2 J - o,2 (3o + 25 ) = 11 Nma avec (GD=lt = 30 Nn2 - monent d'inertie du moteur érectrique Ëorent d'LnertLe de Ia charge: (GD-)t - br3 Nmr Le rorent de freinage préalable : Mg = 6bO Nrn Le rorent d'inertie totar au derà de I'enbrayage! (GDrrt = (GD-)r +(GD=;e + (GD-)2 = 8,3+15+11= 31,3 Le rorent d'r.nertle des nasses sr.tuées du côté du trlque: (GDzlt = (GD=)t + (GD.r)' = 30 + 10 = 4O Nn, ; r,l I' I I
  • 125.
    t I I I I t I I I I I I T I I I I I I -ii t I 131 CnnsidÉrong 2 casextrÊmes: al- Levage de la charge nominale b)- fonctionnement du mécanigme sans charge Dans le cas a), le moment d'inertie s;et^â t Hn- = l"l--* - H= = 832 - 432 = 4oo Nm l'loment tra,nsmis FaF l'embrayage: Hrr = I'l= * Hr-. (ED!)2./(GiD('la = 43? + 4OO.3113./7113 = = 6û716 Nm soit l'l-r positif avec (EiDols = (GDe)â +{EiD=}2 l'loment des forces d'inertie pendant I' arrÊt du levage de la charge: l'lr = H= + I'tc = 432 + ê5O = 1OB2 Nm Donc Ie moment transmis par l'embrayage set^a : Hr=r = Hr. (ËDz)z /(GDo)a = 1OB2.4U^f?tr3 = 6O7 Nm Homent des forces d'inentie pendant de 1'abaissement de Ia charge: t'lr = l"l+ - fL = 65O - 432 = 218 Nm donc le moment transmis par 1.'embrayage sera: l'f-s = Ha. (EDz)2./(GDolz = 21f|.40/7113 = -123 Nm l'lonent d'inertiel sans charge: l'lr, = H--* = f|32 Nm ou bien: l'L+ = Fle. (EDa12/(Fno)a = 832.3113/7113 = t 362 Nm Rem:Le signe du moment dÉpend du sens de rotation du moteur. D'apnès ceg calculs on peut voir que tous les moments transnis paF 1'embrayage ( l'l-r, Fl-=, t'l-:r, l"l-* et H=) gont infÉrieut.s âu msment admis pour la dirnension choisi de 1'embrayage: H=,^---- nrx E B00Nm 9- tralcul du moufle 9-1) trhoix et calcul du crochet: D'après la nsrme EOST on a choisi Ie crochet caractÉri sti gues sui vantes: les N 1? en acier avec
  • 126.
    a a ll l. I I I I lr lr It ll ll l: TJL R- = 42daN/nnr Rrnr- = 25 daN/mm2 On vÉrifie le * Section I-f acier XC 18 crochet dan= leg sectisng: I-I, II-II et III-III. valente. Prenons pour cette sectlon le filetage l.l 64 evclc un diamère intérieur dr = 5O mn. ÀIors on déteruLne les contralntee dans cette section: dÈrrer = aQl (adtt )= = â-125OOOl (ll.-O3O5' )= = 53r55-1OG Pa = = 63'65 HPa f df o=-ot = 7O l{Pa * Section II-II On la calcule conne une poutre On renplace la sgction réelIe tJ. fls 1 evec un axe curvLllgne. par rrne section trapézoïdale équj = 43,2 (r= 64,8 fLs 2 Gentre de groitté, h=fia
  • 127.
    t I l I I I ,l I I I I I I I t I I I I t l'l I La position ducentre du bure dans la section calculée 133 trapÈze est 'O'.Le coefficient de cour- sE}PA: Avec lr = Ét4E cm etr=lr+D/2=614f|+ ( distance entre Ie centre de centre du crochetl. 1- 12f? = 1214El cm - rayon de courbure gravité de la section calculée et le z.r if b2-br k = - llb, * h (bz+br ) LL h 'l I r +lr r+l r) lln -(bz | "-t" J 18,e6 I ln--(B-2)l 1=Or1 bl 1 I - br) | J = z.rz,4'. fi= - " ,18,eÉ)l LL - 10'8 I P = 12 cm ( Voir {iS- 1} La contrainte de flexion g;epe! r+ = ZGl.l=/ (k.f .D) = 2.125OOO.OrO432/ {Or1.OrOO54.Or12}= = 166. 10É Pa = léê l"lPa avec + = {b1+6.;.h/2 =(O'OZ + OrCIg).Or1OË./2 = OrOO54 ma Donc le coefficient de gÉcuritÉ par rapport à Ia limite d'ÉlasticitÉ setra: n = €--R--r n/Ca = tnl = 1r2O. Ici €- * Siecti on I I I-I I I = 8315. lOô Pa = E3r5 l,lPa La contrainte supplémentaire Orgl .23/tb'a = lr?? = OrEll ( tab B) Le cag de disposition des élingues le plus dÉfavorable est 45o pât^ FapFort à I'axe vertical. Eomposante hori zontal e G!e= ([!./2)tg45o= = (125OOO/2)tg45o= = 625OO N Les dimensions des sections II-II et III-III sont identiques. Donc la contrainte de flexion Four la section III-III de Ia force Ee SGtra: fr+ = 2Aa.e:z(k,+,D) = 2.62500-4r3?, IO-2/ {CI, 1 . O r CIO54. O, 12} = (Elr35 daN/mmu ) de la {orce Ele sera:
  • 128.
    û =f rt<tt J' I I I It lr lr lr lr lr l: (= er/f= Lzsooolo,oob4 ContraLnte totale: (or)t + d. 1E ( R-ar- = ' = J8r35r + 4-213, = 9125 daN/mnt 25 daN/nnr = 23.1O6 Pa = 23 ltPa 134 ( 2,3daN/mn' Q,= 62,5 5rN KN 9-2) Calcul de 1.écrou du crochet Contrainte de clsaillement adnissible: [-L]-.- - O'5.[oJc=-oa = Ot6-iO = 42 l1Pa ( d2OO N/cni ) Hauteur de 1'écrou: H = Q/(n-dr-k.-L--fC]) avec d1 = 5o nm; k, = o,g7 tpour filetage de profil nêtrtque); ktr = O,E6 - coefficient dépendant du rapport du diamètre du filetage et du pâs. H l 125OOOl (n-5.O,97 -O,86-r!2OO) = 39 nn DÀanêtre extérieur de l'écrou: Do = lr$ d = Lr8.64 = 115 rnn 9-3) Cholx du palLer du crochet On le falt d'après la chargre statlgue- Charge de calcul: F- = Q.Ka = L25 OOO - Lr25 = 156 OOO N K.r = Lr25 - coefflcient dynanique. = 125 xN fts 3
  • 129.
    I I I I I I T I I I I I I I I I I I I I I On a pri.sla butée laquelle Co = 216OO daN 9-dl Calcul de Ia sinple effet 80 TA Lz à billes à traverse = {56 rM Contrainte adnissible : [alr = RrninlLnl = 35,.512'5 = L4r2 tnl = 2r5 ( Voir ci-dessus ) Donc le nonent de réslstance de la lfs = Èls I taTt = L2,2.1Aâ I (Lll '2 - lOt ) PrenonsB=12Onn daN/nmr =L42OOO N/cmt section à la flexlon sera: = 8519 cn3 q l2r2 nV*m fls 4 La charge est déterninée au poLnt '3' Le nonent fléchteeant: !i; = Po.LlA = 156.Or3ll! = L2r2 kNn = 122OOOO Ncn pour l'âxe prenonr en aeier XC 12 avc!c R- = 63 daN/nnt et R-;1- = 35;5 daN/nnt 135 pour fts 5
  • 130.
    I I ,l i36 Hr------- = Jâ.W++l(F - do) = J6'A5,r9/ (L2 - 7t5) = I = 1CIr7 cm. Prenons H = llO mm l'loment f 1Échissant dang la section IV-IV: I H+ = 1.P=/? = OrO?5- t5ft}Oç/? = 5B5O Nm = 5B5OOO Ncm Eontraintes de f lexion: I {r+ = M+/(Or1.ds} = 585OOO/lArl.OrOOg:t} = 91r5. lOê Pa = ?lr5 l'lPa I Coefficient de sécurité: n = €r,,r.R--r-/tr+ = OrB.35r3/9I 15 = 3t1 I Enl = / avec Êr =orB ( tab B ) 9-5) Palier des Poulies I I1 y a 4 roulements à billes. I La charge sul^ un roulement Eer^a: Glr = Et4 = 1?5OOO./4 = 31?5O N Le nombre de tour-s du roulement pÉup Dpourrr = 4OO mm et la r vitesse du câble V = 2? m/min. trharge dynarnique de base pour. le roulement: I E = F- (n.1r- f Lâââârstto I . avË!tr F- = Gl = 3125O N = 3125 daN - n =V/tn(Dr, +çl-r51-)l =29/{1r.t0r4çO'O1E}} 3?3t./min I lr' = 10 OOO h alors: c = 3125(23, 10000/166êê)tt?to = ?495 daN I On choisit le roulement BO Btr O3 avec C = 95OO daN et - I Eo = TEOO daN. do = d+lr-r-ir--enoenrt * (5 + 10) filtn = (â4 + l0]mm = = 74 mm. Prenons do =75 mm 9-él Chsix du frein On le choisit d'après le moment de freinage; f'lç^ = t'L.0o.Blio aveic: (. l'L = lrlr = 135OO Nm io = 32rS - Taux de transmission du rÉducteun' I I I tia I I
  • 131.
    I rIl t I I I I ir Ir l: 2- = O'Bg B= lr5 - Rendement du rÉducteur. - troefficient de sÉcuritÉ du frein. Donc l"l*- = IJSOO.0rgg. 1rE/SZrS = S45 mN. En choigit le frein TKI'-3ûOm { norme Gost l pour lequel on a: f reineg€l D=3OOmm - diamÈtre du disque de et l{+- = BCICI mN - moment de freinage. Le calcul considÉrÉ supposel qu'après la dÉ{inition des dif+érentes charges r oD utilise la commande êlectnique idÉalisÉe qu donne une accéIération linéaire , ce qui limite 1es chocs et les accêlérations dans les nseuds et les détails du mécanistne. La commande élertrique utilisÉe actueLJ.ement , y cornpris dans notne exemple,, ne peut donner les caractÉristiques statiques et dynamiques idÉales du point de vue de la charge (fig 7-t). La comrnande électrique actuelle avec des moteurs asynchrone rotsr bobiné danne les caractÉristiques statiques et dynamiques dessinÉes sur la fig 7-2. Pour éliminer les surcharges liÉes à La différence des pro- cessu:; réel et idéalisê r or-r utiiise dans les {ormules du calcul mÉcanisme de commande plusieuFs coetficients ( voir calcul ci- dessus). Ees coeff icientà , co.nme d'habitude , ont des valeutrs supérielureis aux valeuns indispensables (pan napport aux valeurs calculÉes avec précision). Ëe qui mène à l'augmentation du poids et des dimensions des mécanis,nelsi. Nsus considÉron= cornmËl exemple quelques coe{ficients du système: - dans le calcul du câble r of, peut soit diminueF le coeffi- cient rrr.trr soit prolonger la durée de vie ( puisquei la charge est araximum et les contraintes de fatigue diminuent ( ( pâg d'o=cillatisns du moment ou du couple) ). - Four le tambour , le coe{{icient rrerr et r'r1 I' diminuent ainsi du
  • 132.
    hJ| lvl rr E I I I I I I I I I lr l: l: f fiq 7 -1 trl,tl,tf-tÊrnpsde demorroge,levoge et freinr:ge Md,Ms,Mf- Mornents de demcrroge,stotîque et rJe freînoge I + I W ùt ! r M-r(t) t I w- rLLJ M çl = td J +t LI L tf
  • 133.
    fiq 7 -7 Mdrnax Md min t I I t I I t I I I I I I I I I I I I j I
  • 134.
    I I I I I I I I I I I I I I t I I I I I I 140 que te cha|^gedynarnique IPI FouF les paliers du tambour. - plusieurs coe{ficients du réducteur diminuent ( entr'axe t nombre de dents,.,.) à cauge de la diminution du moment maximum qui agit dans la transmiggion pendant le dÉnarrage et Ie freinage. - pout 1'embrayage , les momentg d'inertie transmis à l'arbre diminuent ,ce qui permet la diminutinn du poids et des dimensisns de l'embrayage. Nous obtenong la mËme chose poup le processus de freinage - etc.. - Dn a considÉré seulement quelqugs fragments du calcul. En principe on peut faire cela prtur tous leg mécanismes en détai 1s. Donc la commande électrique FroPosÉe nsus permet d'apprÉcier avgc plus de prÉcision les coefficients , le= forces , les moments et les couples. Par consÉquent on rÉduit leg indicês de poids et de dimen- girrns du mécanisme. En outre , cette commande Électrique ntrus permet de diminuer les chocs pendant les dÉrnarrages et les freinages et Ên mÊme temps il y a Fossibilité d'augmenter 1a productivité de notre mÉcanisme Far la variation de la vitesse en fonction de la charge. Far aillg1urs , la commande Êlectrique à rÉglage vectoriel congidÉrée permet d'utiliser les moteurs asynchrones à rotnn à trage d'êcureuil r eui à leur tour possèdent des dimensions moin- dres et un mornent d'inertie PIus petit par rapport aux moteurg asynchrones à rotor bobinÉ utilisés jugqu'elors Il {aut noter qu'on peut éliminer le= rhéostatg supplémentai- res du roton qui empirent les caractéristiques Énergétiques' Le calcul de la partie Électrique de la commande à rÉglage vectoriel pour les mécanismes de levege considéré avec le choix des principaux étéments sont montrés en annexe!'
  • 135.
    I I I I I I I I I I I I I t I t t- 14r CONCLUSIAN Le régultat principalde ce travail est l'étude, 1'analyse et l,Élaboration deg commandes Étectriquet asynchrone frÉquentielles à réglage vectoriel Dang ce travail En a régolu les problÈmeg suivants: l- la description mathÉrnatique des processus ÉlectromagnÉtiques des machines asynchrones et la synthÈge du systèrne agsenvi à rÉglage vectoriel; Z- l,élaboration des é1Érnentg du système de réglage de cette commande; 3- l,analyse des qualités et la stabilité de ce système et l'optimigation de= processu=i trangitoiresl 4- l,étude expérimentale des caractÉristigues de commande élec- trique vectorielle; S- l,utiligation pratique de la commande électrique ccrnsidÉrée pour une rnachine de levage. L'évaluation scientifique de cette thèse est la guivante: 10 ) à I'aide de la description mathématique des processus Électromagnétiques des'machines asynchrones r Ef, {ait Ia synthège du système asservi avec le réglage vectoriel; ?o) on fait 1'analyse de cette commande électrique et on obtien' les fonctions de trangfert dÉterrninant les procelsslls transitoires. L'Évaluation pratique tronsigte en: 10) I'obtentien de Ia méthode de calcul de ces commandes âveË I formation des proceËEu=i dynarniques et statiques indispensables; 20) la dÉmonstration deg avantages de 1'utilisation deg cufllrilan- des Électriques vectorielleg en comparaison aux commandes utiligées habituellement à I'exemple d'une machine de levage. l I
  • 136.
    J" I I I I I I I I I I I I I t I I I I I I ANNEXE CALCUL DES FONCTIONSDE TRANSFERT DE LA COI"II'IANDE VEtrTORIELLE DU },IEtrANISI{E DE LEVAEiE DU FtrNT FRIS EN EXEFIFLE- Poun le rnÉcanisme choisi r on prend un moteur à cage d'Ëcuneuil tytre "4 A 225 l'l Ël43" avec les donnÉes suivantes: {Z.UJ P^ = 3t) kh, I{' = 75O t/min Pl.=OTEST b = 9ûrS % .o= f^ = or81 X^=2r3Q Ra = OrO45 n Xr = Or12 A R:: = OrO22 (l X'z = Or 17 fl On prend Fat-lr cette csrnrrande le convertisseur #rÉquentiel Tn4-5O avec les donnÉes suivantes: S- = 50 kVA tz,=(O+éO) Alors les fr=5OHz Ur. = 22O./3BO V Llz=(O+3BOlV paramÉtres de la commande senrrnt: parem. unitÉg farmules de calcul nÉsul tats L- H (X- + X r) /Znf r 7 ,7.10-s L- H (X- + X'.zl /ant t 7 ,87.lO-s L'- H L-(1 - K-.K-) g.1Q-4 K- x- {X- + Xr) or?5 K x or93E / {X-+;6
  • 137.
    I I I lr lr. I 1,, It l: ll t: Le momentd'inertie J = Jr.,r Tr _s L'. r-a (s) tLr. (S) I-2 (s) U-z (5) l%l= I-r {S} K= Kr _=_= l{- l{a L'- K3=Y--2.=-= 2T!,Ta o1356 S + 1 rÉgulateurs des 143 O1356 S + 1 cincuits de csurant seront: ramené à L'anbne du moteur sena: + J- = 1r3 + I = 2r3 4r32, r.O-= _5 El.10-4 54 5 TtS+1 4132. 1O-=5 + I 4132, 1O-2 S + I Tr . S/L'- 54S Tr.S + I 2. 10-2, or356 4132. l0-z 5 + I â:rTa or?1?. 1û-2 T=S+1 Les csef{icients des Tr = 4r32. 1O-2 E}.10-4 = Or?2é 2. 1O-2.4r3?. 1O-2 l(s = g. =Tr.lt:e = Tr.l{a =4132. 10-2.0rg?6 = 4. l0-a Alsrs les fonctisns de trans{ert des boucres de courant sersnt: ltlr. r. (Sl = 2. 1O-2 Sf: + Z.1O-= g; + 1 La fonction de transfert du circuit du flux magnÉtique du roton en . pr-enant Ê!n compte I'optimum technique seFa: T:! Ta 5 s L= I R= L- ( 1 -Ke. W.-r,/Re+R:e. H=z or356 4r3?, 1O-2 Tr. 3 1{f-= Jr| kgH= 1r3 €12 ft K-. Rz ?.10-2
  • 138.
    r I I I I I I I I I T I I t I I I I I I ,:i I 144 l{.r = 4aaT:zT*, l{= -=T==Or35& K4 =35. 1O2 4.2.1O-2.ûr356. 1O-2 l{= = l.?r25. 1O-2 ss + E.1o-4 E2 + 4.10-2 S + I transfert dr-r circuit de vitesse en prenant en I'optimum symÉtnique srFa: 2t3 2t3 F Or 1û?. 1O2 4.3163. 1O-2 22r52.1O-2 1r5.4.CIr93El = 5ré3 Hg{S} = E}.10-ê La 'fenctign de congi dÉrati on J l1' 4. Hf,r. Tr.' F.+r = t].f})pl{- = P={ 2r3 213 = - = OrOl?7 180,16 lde = 32, l{r{. Ta ,, 3?.5r63. tO-= B. lO-2 S lrlw (5) = 64. 1O-s54 + â4. 1O_.,5=I + 32. 10_45:2 + B. 1O_r25 + I I fl6 = = 35rE ?"f2. Tl, La fonctign de transfert par ra perturbation s;era! 1 ,39. 1O-r. (2. 1O-4fi2 + 2.10-=S +l ) S tr['r (Si) = br4.1ûr-7Ei4 ç Ér4. 1O-5S:s .. 3r?. l6-rt5:a + g. lO-zS + 1
  • 139.
    I I I I I I I I I I I I I I I t I I I l I {âË L..tJ ËÏËLÏÛGËâFI{IE 1) ËË===1,:er=1.:à TJ.*..Fr:tr=v =.F. "ThÉr=ri= ds= =y=tènes âg=Er-vis" l{sscsu "Flë.ËLil..:â", 1??3, =i *s.r'ta,st-i V.A" ,Favl=v V"Ë. ,Ê*ruda.ki:v V,?. "Sy=tème de :*éç1.*.9= des cr=r*rnand== ÉS.ectriql-isË âvÊr des int:teur= a=ynchrcns=" " Lsni r:gr'ad , LËhlTP, 1ç??. 3] Ëculçakav Ê.â, "Réç1age frÉq*e,ntie'1 4l Vagint:v *, ï" d*= i*atslrrg âËynchr-sne=".t'ls==t:ri "fnÊr-giË" "T*lachins= É1scÈ-i'iql-r€=", Le::i.ngrad "Ênergie', 1çÉ8. El lJ-. -- -L lr' r. r.- -l- 1 -il FliJvd,l-ll Fl .I- r rs-adl-È:- I' "FrûEEË=us tran=iti:ireg dsn= leg lnarhines à =eurant alterr':st!f " t4n=rnr r t 4FlE &3 Ëiegannv=*i *.U. =t autr'e=, "Sy=t**:== de rÊglaçe =ubar-dsnnÉ de= =g*:E*andes Élect-riqlisË av=c csnvgr'tisËgu-!''E de= =*upapE=" I l'la=colrr "FnËrgiF" r ïçF3. ?i Lebedev E" oN=iraarl,: Ç. u Pi=àr'ac FI", 5!.=ç*nt:r.=ki *. "*Égiag= des cærnr*ands= É1=rtri*Li== à rr=ui''*+r:t cc:n-i.inu â thyris- È .-.e- = rl r l.T*e r r,r i ll Fn <i_. .a i -- li Lul = 5 l:s=LL:+- I Li a-! Hl - Ë] âis:<eev V.1.'. rS*,rlt*cu U, n *sudahsv V. rPavlrv V. "fj.=n:ent= dr-:- =y=t=*e dç =,=iniir*,*d= É1=ct--iqu= **Éque*tiel âvÊr r*g1age v=cti=r'iel =ubr:rdsnnÉ"i lTc=csur "EnÊrgiEn'. ?l Ela=rhh:e F. "Ëâ= pr'irip der *eldsri=ntiÉr'Ll-g , dir-gr-r-:dlage fiir- dir- trans- vscàcr- -r'egelung vr=n dr'eh$=lsç+=hinerl.; Sierneng Teits=hr-i*t; 1F?1 - t'J 4= - ft 1*. 1i--î] FlËter- S., *ippper-g=r- H. "ti= tr-si':=v==tai-- r'egeli-ing fiii- den *eld*ri=*ti"=tgn betrieb ein=r. A=ynchr-' r:r:-r*a==h i r:* " Eien=n= ?=it==hri+t"" 1?Tl - iii 45 - H 3.J.
  • 140.
    I I I I I I I I I I I I I I I I I I ! J t 11) Lagæeiler- F., *ichter i"i. "FluE=rfÉung in Ê=ynchrannaschinsn" Sie*iens Eeit=chrift ", 1ç"S - lri 4= - H 1+. l=i Lesnhar-d H. , Gahr.iel Ë. , Nardiy tr. "Field-ilr'i=nted ssntrç3 *f a, standerd AC rnstsr u=i*g micr::pr*- ceËsfrrÉrr ; IEEË tr'an=g=tis*s on i*du=try âptrlicatifrnË", 1çA$ - çDL I*-1& - l{û? , i*a,rch/apr-i1. 1=: Pav!.ev lr!.8. "[:rer*ples ds cal=ul des eppareil= de lÊvage" i-er:ingr*,d "Pla.chinnstrûËr.:iÊ,, r l??&. 14! trhevslier A. "Le çiiide du des=ine,teur ind*=tr.ie1 ,, Hschette t==hnique ; Éditian 1?Eil-1"E}?. 15! ËÊAË J.F. "vites=e vsria-bis, petit * peiit, 1= nsteur a=ynchrr:ne,,. ïndu=trie= =t techr:ique ?r] jui* 1?gô i.5} LËAruHARD W. "ËE*tr'irl s* *x nachine= r*ith the help sf nicrselectrcriicE,, IF*C Systp' Esntral in Psr*=r El.ectrr:nic= a*d Electr-ical Erive= , Lauganne 1ç43 1?l LEnruHÊRS tÀf. "C=ntr-el t:f eigctrical Sr-ive=" Ëditign 5FËIh|GER-VEFL*Ë l?gs :.*} E{JHLËE H. "Ë1 ectrsni qu= Editian SUlqtS :.?i EÛ58 E. H, de p*ig=srice" { ôfr{ t rTtl "FE$rÊr- ELectri:ni=s s.*d AE Dr-ivE=,' Editic* :Pc*=ntice-Hal! rErigi=g|c*d Ëriff=rNer* Jer=ey, 1çE'&
  • 141.
    1) 2l 3) rl I I I I I I I I I I t I I I I t I I f,t I L47 TABLE DES I,IATIERES INTRODUCTION... tit ..I2 I_ DESCRIFTION PIATHEHATIGIUE DES HAEHINES ASYNtrHRONES. . .15 A- VEtrTEURS ESPAtrES DES VALEURS ELECTRIEUES D'UNE PIACHINE B- tr- 1' 2' D_ ASYNCHRONE ....15 Notions génénal.eg, ......15 Vecteurs nÉsultant dans 1e système biphasé des coor- donnÉes. ..,..,17 Vecteurs esFacel résultants dang 1e système des ctror- données. ......2O FLUX IVIAGNETIEUE DES ENROULEI'TENTS (DE PHASE} ET LES VEC_ TEURS ESFACES DES FLUX ...?3 EGUATIONS D'UNE HAtrHINE GENERALISEE. ....2? ReprÉsentation pâr les projectiong des vecteurs sur les axes er-B. .,....34 Forme complexe. COUPLE ELECTROT4AGNETIGUE D'UNE PIACHINE ASYNEHRONE. . . . . .36 II_ SYNTHESE DEs SYSTEHES A REELAGE VEtrTBRIEL DU SYSTEI,IE DE TYPE ''TRANSVECTEUR' . ,4O A- LE CIRtrUIT PRINCIPAL (DE PUISSANCE} .....45 B- LE SYSTEHE DE REBLAEiE VECTORIEL...I" ..'46 1) Les blocs tournantg. ,...46 2) Les canaux de rÉglage ,rr.. ..4Ë 3' Bloc du capteur de coordonnées. .. r i. ...47 4l bloc de compengation., .,47 I I I- "ANALYSE DEs SYSTET,IES A REELAEE VEtrTORIEL DU SYSTEI'IE DE TYPE 'TRANSVECTEUR" 52
  • 142.
    I I I I I I I I I I T I I I I I I I I lii t 149 A_ CALCUL DEsREGULATEURS DU CONTBUR DU FLUX ET,IBRASSE DU FtrTOR. ....54 B- CALtrUL DEs REËULATEURS} DU CBNTOUR DE REËLAEE DE LA VITESSE DE ROTATITIN.. ....58 C-CALCUL DES FRAtrESSUS TRANSITOIRES AVEtr UN SIEiNAL D'ENTREE LINEAIRE ....â3 IV- ETUDES EXPERI},IENTALES DE LA CTTFIMANDE ELECTRIEUE A REGLAËE VEtrTCIRIEL... ......ô6 V_ BLtrCS DES S;YSTE}4Es DE REGLAËE VECTtrRIEL SUR BASE DI CIRCUIT5 INTEERES . -:.. .....?6 A- BASE D'ELEI-IENT DES SYETEHES VECTORIELS. . . , . . .76 1) Hultiplicateurg opÉrationnels-intégnales. ...76 2) Dispositifs de multiplicatiort. r r r... ...7q B- BLOCS DES SYSTEHES VECTORIELS.. ....46 1l Blocs des transformateurs de coordonnées.. ..E}ê 7l Blocg des transformateurs de phases. ...E}7 3) Blocs de calcul des modules. ......8? 4, Blocg des analyselurs trigonométriguGts. ... '..9O C- BLOtrS DE REGLAEE DEs trBNVERTISSEURS FREAUENTIELS DES trOI4HANDES ELEtrTRIAUES A REGLAEE VECTORIEL.. ..93 1) Eloc de réglage de I'onduleur autonome du convertisselur {réquentiel - ...93 ?, Bloc du capteur de tension du redresseuF commandé du convertisseur fréquentiel.. ... -.?6 VI_ PARTICULARITES ET AVANTAEES DE LA trBI'II,IANDE ELEtrTRIBUE A REGLAGiE VEtrTORIEL POUR L'ANALYSE DU I,IECANISI'IE DE LEVAEE D.'UN PONT ROULANT TRADITIONNEL. I"""t...I"t.....99 - I'IEtrANISHE DE LEVAEE D'UN PONT DE 125 KN DE ËHAREE
  • 143.
    lr It Ir lr I It ll I I t I I I T I I I I I t LI.I I 149 1) Choix etcalcul du palan.. ..1OO 2l Choix du moteur ...1O3 3) tralcul des charges et qr-rantitÉ de charges.. ' - - - ' 1t15 4) tralcul des routes dentÉeg.., ' 10Ê 4-11 Calcul des dinensisns du 1-* Étage. '....1ÛÉ 4-2) Calcul à la ssliditÉ du 1-- étage, .ltlE 4-3) Sécr-rritÊ à la fatigue. .. ' 1ltl 4-4) DÉter'minatinn des dimensions ?--- étage. .....11Ç 4-51 tralcul à la =oliditÉ dr-l ?16r Étage. ,..,.11? 4-&) VÉrificatisn à la soliditÉ =tatique. ....113 5- f,alcr-rl des arbres.. ...'r ...'113 5-1) Premier arbre. .113 5-2) Ëalcul de l'arbne interrnÉdiaire. '.,118 5-3) Calcul du Srmr arbre. 6l Calcul des palier=. ....123 7l Calcul du tambouF.. 8) Calcul et chsix de I'embrayage entre le msteur et le rÉducteur,.. ..:, - ç) calcul du mou'f1e... ....131 ?-1) Choix et calcul du crschet.. ..131 ?-?) tralcul de l'ÉcÈuu du cngchet.. .. '..134 ç-3) rhoix du palier du crochet.. .134 ?-4) Calcul de la travense.. ..135 ?-5) Palier des ptrulies.. .,,.,136 9-61 Choix du {r'ein... ...13Ë f,DhrtrLUSION. . ..141 AhINEXE. .. 14? BIBLIOERAPHIE. .....145 TABLE DES I'IATIERES. .....14?