Préparé Par S.C.
Université libanaise – faculté
de génie II
S.C. ULFG2-2009
2
Introduction:
Ce projet a pour but l'étude de la commande d'une machine a courant
continu a vitesse variable.
L'alimentation de cette machine, sera à travers un pont redresseur
commandé qui fournira à cette machine un courant continu.
Nous cherchons dans ce travail à asservir deux paramètres de la machine:
le courant absorbéqui ne doit pas dépasser en aucun cas le courant
maximale supportepar la machine; ainsi que la vitesse de rotation qu'on
cherche à varier.
Dans ce but là; ce projet comporteratrois parties principales:
1- Choix et modélisation de la machine
2- Modélisation du convertisseur utilisé (pont redresseur a thyristors)
3- Correction du système asservi.
I- Choix et modélisation de la machine a courant
continu.
1- Modélisation et schéma bloc.
La commande de cette machine est effectuée à travers la variation
de la tension d'induit; le flux inducteur est donc considéré constant
égale au flux maximal.
- Machine fonctionnant a vide:
Deux équations fondamentales régissent le fonctionnement d'une
machine à courant continu:
S.C. ULFG2-2009
3
Soit E la force électromotrice à vide; Ω la vitesse de rotation du
rotor; Ce le couple électromagnétique développé par la machine; et
Ia le courant circulant dans l'induit.





Ia.kCe
.kE
max
max
Avec c
te
 maxmax kk
La tension Va aux bornes de l'induit serait:
dt
dI
LIREV a
aaaa 
Appliquons la transformée de Laplace sur ces équations:








)()().()(
)(.)(
)(.)(
max
max
pEpIpLRpV
pIkpC
pkpE
aaaa
ae
D’où le schéma bloc de la machine a courant continu a vide
commande par la tension d'induit
- Machine fonctionnant en charge:
L'équation mécanique fondamentale régissant la rotation de l'arbre du
moteur en charge s'écrit:
S.C. ULFG2-2009
4



dt
d
JCCe tresis tan Avec CrfC tresis  .tan
Ou :
f est le coefficient de frottement fluides de l'ensemble moteur + charge
J est le moment d'inertie de l'ensemble moteur + charge
- Schéma bloc final:
Le schéma bloc fonctionnel du moteur a courant continu pilote par
tension d'induit est le suivant:
2- Simulation du modèle de la machine sur Matlab-Simulink
Pour simuler le modèle de la machine nous allons appliquer comme
entrée du système une tension en échelon et visualiser comme sortie la
vitesse de rotation ainsi que le couple fourni par la machine et le courant
absorbe. Les caractéristiques de la machine choisie sont:
- Tension d'alimentation nominale: Un=260V
- Vitesse de rotation nominale: Nn=2150 tr/min= 225 rad/s
- Résistance d'induit: Ra=1.26 Ω
- Inductance d'induit: La=34 mH
- Couple nominal fourni par la machine en charge: Cn=14 N.m
- Courant nominal absorbeIan=13.5 A
- Coefficient de frottement visqueux f = 0.01
- Moment d'inertie du rotor J = 0.02 kg.m2
S.C. ULFG2-2009
5
- A vide:
S.C. ULFG2-2009
6
- En charge
S.C. ULFG2-2009
7
S.C. ULFG2-2009
8
Dans la suite du travail nous allons modéliser la machine par un
'subsystem' dontles entrées sont la tension d'alimentation et le couple de
charge les sorties étant la vitesse de rotation, le couple et le courant.
II- Modélisation du convertisseur
1- Schéma du circuit
Le convertisseur utilisé n'est autre qu'un pont complet commande c.à.d.
un pont de six thyristors.
S.C. ULFG2-2009
9
De même nous allons utiliser un subsystempour modéliser ce circuit
2- Commande des thyristors
La commande des thyristors sera à travers un générateur de 6 pulses qui
fourni en sortie six vecteurs dont chacun commande un seul thyristor
R
S
T
Pulse1
Pulse2
Pulse3
Pulse4
Pulse5
Pulse6
V-
V+
ThyristorSubsystem
S.C. ULFG2-2009
10
De nouveau ce circuit sera regroupe en un subsystem
3- Simulation de l'ensemble
Simulons ce circuit à l'aide du logiciel Matlab-Simulink:
S.C. ULFG2-2009
11
S.C. ULFG2-2009
12
Finalement nous allons regrouper toutes les parties du redresseur en
un seul bloc :
S.C. ULFG2-2009
13
4- Simulation du système complet (machine et convertisseur)
Pour mieux clarifier les idées nous allons utiliser ce bloc pour alimenter
la machine à courant continu et simuler notre système sans correction
Alpha_deg
R
S
T
V-
V+
mes_pulses
TriggeredPontThyristor
S.C. ULFG2-2009
14
S.C. ULFG2-2009
15
S.C. ULFG2-2009
16
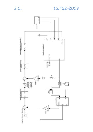
III- Correction du système
1- Structure de la correction
La correction utilisée est une correction en cascade;les deux
grandeurs corrigées sont le courant et la vitesse de rotation du moteur
le système corrigé aura la forme suivante:
S.C. ULFG2-2009
17
S.C. ULFG2-2009
18
Cahier de charge :
Boucle de courant :
tm=0.35ms
εs <4%
D%<10%
Boucle de Vitesse :
tm=0.2s
εs =0
D%<15%
Régulateurs :
Remarque : Lors de l'alimentation de l'inducteur d’une machine à courant
continu, les convertisseurs généralement utilisés sont de type hacheur ou
pont à thyristors. Ils sont généralement assimilés en première approcheà
un gain constant. On dit alors qu'onutilise un modèle à valeur moyenne
instantanée, c'est-à-dire que l'on assimile la tension de sortie sur une
période de fonctionnement du convertisseur à sa valeur moyenne. Un tel
type de modélisation est satisfaisant si le circuit alimenté par cette source
de tension présente une constante de temps relativement grande devant la
période de fonctionnement du convertisseur. Dans le cas contraire, il faut
rechercher une modélisation rendant compte du fonctionnement
échantillonné du convertisseur, ainsi que des retards pouvant être
introduit par le mode de commande.
Le principe du réglage est le suivant:
1- Introduction d'un correcteur proportionnel. C1(p) K
2- Réglage de K (temps de réponse, dépassement, marge de phase...)
3- Introduction d'un correcteur Proportionnel intégrale. C(p) =
1+τp
τp
4- Réglage de 1/τ à une valeur << c où creprésente la pulsation de
coupure en boucle ouverte du système avec la correction
proportionnelle.
Note : il est possible de prendre une valeur de 1/τ inférieur à
c/10, mais la vitesse d'intégration est alors plus lente, et on
obtient une réponse du type:
S.C. ULFG2-2009
19
Remarque : Il est alors plus simple de traiter l’asservissement comme un
système à retour unitaire, puis de prendre en comptedans un deuxième
temps le gain du capteur.
Etude de la boucle de courant :
Le schéma bloc suivant représentatif de la fonction de transfert en
courant du moteur :
A partir du schéma bloc au dessus il est possible de calculer (en
effectuant des simplifications) la fonction de transfert C(p)=I(p)/U(p),
représentative du comportement en courant de la machine :
C(p) = K0.
1 +
p
w1
(1 +
p
w4
). (1 +
p
w3
)
Avec W1 = 1/τm = f/J = 0.5 rd/s
CeN (rd/s)
1
Ia
1
J.s+f
Transfer Fcn1
1
La.s+Ra
Transfer Fcn
K
Kmax1
K
Kmax
1
U
S.C. ULFG2-2009
20
W2 = Sqrt( Kmax2 +Rf / LJ ) = 44 rd/s [=(W3+W4)/2]
W3 = 1/τe = R/L = 37 rd/s
W4 = 1/τem = Kmax2/RJ = 52.5 rd/s
K0 = f/Kmax2 = 7.56e-3
Les diagrammes asymptotiques de Bode sontalors les suivants :
Sur MatLab:
>> H = TF([15.12e-3 7.56e-3] , [5.15e-4 0.046 1])
Transfer function:
0.01512 s + 0.00756
--------------------------
0.000515 s^2 + 0.046 s + 1
>> bode(H)
Va Donner :
S.C. ULFG2-2009
21
Le schéma bloc de la boucle de courant est donné ci-dessous
On assimilera le convertisseur à un gain de valeur Go, le correcteur à un
gain de valeur Kp et le capteur de courant à un gain unitaire. Il est alors
possible d’évaluer la fonction de transfert en boucle fermée H(p)=I(p) /
Ic(p).
Notons Kbo=Kp.Go.Ko (gain boucle ouverte), il vient alors :
-50
-40
-30
-20
-10
0
Magnitude(dB)
10
-2
10
-1
10
0
10
1
10
2
10
3
10
4
-90
-45
0
45
90
Phase(deg)
Bode Diagram
Frequency (rad/sec)
e
I*
ec U I
1
I
In1 Out1
Correcteur de courant
In1 Out1
Convertisseur
In1Out1
Capteur
In1 Out1
C(p)
1
Ic
S.C. ULFG2-2009
22
H(p) =
1
(1 +
w1p
Kbo. (w2)2)
Il apparaît que la fonction de transfert en boucle fermée est de type
premier ordre, dont la constante de temps est :
Pour obtenir un temps de monté tm=0.35ms c.à.d. s Wc= 8.8Krd/s, Il
Faut Choisir :
Kp.Go = 300.
D’où Kbo= 2.268 ( = 7.11db)
Diagramme de bodede la boucle ouverte de courant corrigée par un
correcteur proportionnel simulé sur matlab :
Pour annuler l’erreur statique en courant on ajoute un correcteur Pi.
Tic est calculé de sorte que le système sera plus prochede l’ordre 1.
Soit Tic = τe = 0.027 = 1/w3
(Voire Bode asymptotique : La pente entre W1 et W3 Devient 0)
10
-2
10
-1
10
0
10
1
10
2
10
3
10
4
-90
-45
0
45
90
Phase(deg)
0
10
20
30
40
Magnitude(dB)
System: untitled1
Frequency (rad/sec): 8.8e+003
Magnitude (dB): 0.00421
Bode Diagram
Frequency (rad/sec)
S.C. ULFG2-2009
23
Ci(p) =
1 + τip
τip
Transfer function of PI:
Tic s + 1
----------- =
Tic s
0.027 s + 1
-----------
0.027 s
Diagramme de bodede la boucle ouverte de courant corrigée par le
correcteur proportionnel Integrale PI simulé sur matlab :
La réponse (du boucle de courant corrigé) à un échelon va donner :
0
20
40
60
80
Magnitude (dB)
10
-2
10
-1
10
0
10
1
10
2
10
3
-90
-45
0
Phase (deg)
Bode Diagram
Frequency (rad/sec)
S.C. ULFG2-2009
24
On remarque que le temps de monté tm=0.35ms (plus ou moins car
calcule approché) et l’erreur Statique est nulle ce qui vérifie le calcule
déjà fait.
Remarque : Sans le correcteur PI l’erreur statique est de 2% (très
acceptable) donc on peut seulement utiliser un correcteur Proportionnel P
pour réguler le courant.
Etude de la boucle de vitesse
Le schéma bloc de la boucle de vitesse est donné ci-dessous :
En reprenant l’application du principe fondamental de la dynamique, et
en supposantle correcteur de type proportionnel, on obtient le schéma
bloc suivant :
0 0.001 0.002 0.003 0.004 0.005 0.006 0.007 0.008 0.009 0.01
0
0.1
0.2
0.3
0.4
0.5
0.6
0.7
0.8
0.9
1
Temps en s
Courant
(A)
S.C. ULFG2-2009
25
En boucle ouverte, la fonction de transfert de vitesse est donc :
𝛺(𝑝)
𝛺𝑐(𝑝)
=
1
𝑓 + ( 𝑓𝜏 𝑒
′ + 𝐽) 𝑝 + 𝜏 𝑒
′ 𝐽𝑝2
Rappelons que la fonction de transfert en boucle fermée du courant est :
H(p) =
1
(1 +
w1p
Kbo. (w2)2)
Avec :
Il est alors possible de calculer la fonction de transfert en boucle fermée
/c:
Il apparaît alors un dilemme entre stabilité et précision. En effet, une
augmentation de KBO, ayant pour objectif de réduire l’erreur statique
entraîne une diminution de z, et donc déstabilise le système. Il va donc
S.C. ULFG2-2009
26
être nécessaire d’introduire un le correcteur PI ayant pour rôle d’annuler
l’erreur statique, sans pour autant déstabiliser le système.
AN : K= 0.7 τe’= 3.69e-4
Reprenons l’étude de la fonction de transfert de vitesse en boucle
ouverte :
𝛺(𝑝)
𝛺𝑐(𝑝)
=
1
𝑓 + ( 𝑓𝜏 𝑒
′ + 𝐽) 𝑝 + 𝜏 𝑒
′ 𝐽𝑝2
=
1
0.01 + 0.02𝑝+ (7.378𝑒 − 006)𝑝2
Calcule du correcteur de vitesse :
peut prendre 1/Tv =15.7rd/s ou Tv = 0.06
pour réduire le temps de monté qui est 0.05s a 0.02s par exemple on peut
ajoute un correcteur proportionnel qu’on peut encore calculer
graphiquement :
À 157 rd/s on a -9.95 db donc il faut ajouter 9.95 db d’où Kp =3.14
On peut prendre 1/Tv = Wc/10 =15.7rd/s ou Tv = 0.06
D’où le correcteur PI de Vitesse :
C(p) = Kp
1+τvp
τvp
= 3.14
1+0.06p
0.06p
10
-2
10
-1
10
0
10
1
10
2
10
3
10
4
10
5
-180
-135
-90
-45
0
Phase(deg)
-100
-50
0
50
Magnitude(dB)
System: G
Frequency (rad/sec): 49.9
Magnitude (dB): 0.0125
Bode Diagram
Frequency (rad/sec)
S.C. ULFG2-2009
27
Bode de la boucle de Vitesse corrigée est alors :
La réponse à un échelon de Wc (consigne) nous donne :
On remarque que le tm= 0.02s, εs =0 et le dépassement est de 6%
(acceptable)
10
-2
10
-1
10
0
10
1
10
2
10
3
10
4
10
5
-180
-135
-90
Phase(deg)
-100
-50
0
50
100
150
System: untitled1
Frequency (rad/sec): 136
Magnitude (dB): 1.27
System: untitled1
Frequency (rad/sec): 157
Magnitude (dB): 0.0586
Magnitude(dB) Bode Diagram
Frequency (rad/sec)
0 0.02 0.04 0.06 0.08 0.1 0.12 0.14 0.16 0.18 0.2
0
0.2
0.4
0.6
0.8
1
1.2
1.4
S.C. ULFG2-2009
28
Dans ce cas la réponse du courant (à vide) devient :
I* : le courant de consigne (a la sortie du régulateur de vitesse)
I : le courant absorbépar la machine.
Si on ajoute un couple 4 N.m après 0.5 secondes les courbes seront :
0 0.02 0.04 0.06 0.08 0.1 0.12 0.14 0.16 0.18 0.2
-0.5
0
0.5
1
1.5
2
2.5
3
I*
I
S.C. ULFG2-2009
29
Avec « Saturation block » :
Si on ajoute un couple 4 N.m après 2.5 secondes et pour Nc=100rd/s, les
courbes seront :
0 0.1 0.2 0.3 0.4 0.5 0.6 0.7 0.8 0.9 1
-0.5
0
0.5
1
1.5
2
2.5
3
3.5
4
Temps en s
CourantenA
I
I*
0 0.1 0.2 0.3 0.4 0.5 0.6 0.7 0.8 0.9 1
0
0.2
0.4
0.6
0.8
1
1.2
1.4
Temps en s
Nenrd/s
N
N*
S.C. ULFG2-2009
30
Ic : le courant de consigne (a la sortie du régulateur de vitesse)
I : le courant absorbépar la machine.
Nc: Vitesse de consigne en rd/s
N : Vitesse de rotation de la machine
« Saturation block » : Limite Ic entre 0 et 13 A
Finalement on a obtenu :
Boucle de courant :
Tm = 0.35ms
εs =2% (si correction proportionnelle), εs =0% (si correction PI)
Pas de dépassement lorsqu’onapplique un échelon (I*=U(t) page 23)
Le courant de consigne sera limité par un « Saturation block »
Boucle de Vitesse :
Tm = 0.02s sans « Saturation block » (ou pour I*<Ilimite si avec)
Entre 0.02s et 0.25s avec « Saturation block »
εs =0
D% = 6%
0 1 2 3 4 5
0
50
100
150
200Vitesseenrd/s
0 1 2 3 4 5
-5
0
5
10
15
Temps en s
courantenA
N
Nc
Ic
I
S.C. ULFG2-2009
31

17281795 commande-d-une-machine-a-courant-continu-a-vitesse-variable

  • 1.
    Préparé Par S.C. Universitélibanaise – faculté de génie II
  • 2.
    S.C. ULFG2-2009 2 Introduction: Ce projeta pour but l'étude de la commande d'une machine a courant continu a vitesse variable. L'alimentation de cette machine, sera à travers un pont redresseur commandé qui fournira à cette machine un courant continu. Nous cherchons dans ce travail à asservir deux paramètres de la machine: le courant absorbéqui ne doit pas dépasser en aucun cas le courant maximale supportepar la machine; ainsi que la vitesse de rotation qu'on cherche à varier. Dans ce but là; ce projet comporteratrois parties principales: 1- Choix et modélisation de la machine 2- Modélisation du convertisseur utilisé (pont redresseur a thyristors) 3- Correction du système asservi. I- Choix et modélisation de la machine a courant continu. 1- Modélisation et schéma bloc. La commande de cette machine est effectuée à travers la variation de la tension d'induit; le flux inducteur est donc considéré constant égale au flux maximal. - Machine fonctionnant a vide: Deux équations fondamentales régissent le fonctionnement d'une machine à courant continu:
  • 3.
    S.C. ULFG2-2009 3 Soit Ela force électromotrice à vide; Ω la vitesse de rotation du rotor; Ce le couple électromagnétique développé par la machine; et Ia le courant circulant dans l'induit.      Ia.kCe .kE max max Avec c te  maxmax kk La tension Va aux bornes de l'induit serait: dt dI LIREV a aaaa  Appliquons la transformée de Laplace sur ces équations:         )()().()( )(.)( )(.)( max max pEpIpLRpV pIkpC pkpE aaaa ae D’où le schéma bloc de la machine a courant continu a vide commande par la tension d'induit - Machine fonctionnant en charge: L'équation mécanique fondamentale régissant la rotation de l'arbre du moteur en charge s'écrit:
  • 4.
    S.C. ULFG2-2009 4    dt d JCCe tresistan Avec CrfC tresis  .tan Ou : f est le coefficient de frottement fluides de l'ensemble moteur + charge J est le moment d'inertie de l'ensemble moteur + charge - Schéma bloc final: Le schéma bloc fonctionnel du moteur a courant continu pilote par tension d'induit est le suivant: 2- Simulation du modèle de la machine sur Matlab-Simulink Pour simuler le modèle de la machine nous allons appliquer comme entrée du système une tension en échelon et visualiser comme sortie la vitesse de rotation ainsi que le couple fourni par la machine et le courant absorbe. Les caractéristiques de la machine choisie sont: - Tension d'alimentation nominale: Un=260V - Vitesse de rotation nominale: Nn=2150 tr/min= 225 rad/s - Résistance d'induit: Ra=1.26 Ω - Inductance d'induit: La=34 mH - Couple nominal fourni par la machine en charge: Cn=14 N.m - Courant nominal absorbeIan=13.5 A - Coefficient de frottement visqueux f = 0.01 - Moment d'inertie du rotor J = 0.02 kg.m2
  • 5.
  • 6.
  • 7.
  • 8.
    S.C. ULFG2-2009 8 Dans lasuite du travail nous allons modéliser la machine par un 'subsystem' dontles entrées sont la tension d'alimentation et le couple de charge les sorties étant la vitesse de rotation, le couple et le courant. II- Modélisation du convertisseur 1- Schéma du circuit Le convertisseur utilisé n'est autre qu'un pont complet commande c.à.d. un pont de six thyristors.
  • 9.
    S.C. ULFG2-2009 9 De mêmenous allons utiliser un subsystempour modéliser ce circuit 2- Commande des thyristors La commande des thyristors sera à travers un générateur de 6 pulses qui fourni en sortie six vecteurs dont chacun commande un seul thyristor R S T Pulse1 Pulse2 Pulse3 Pulse4 Pulse5 Pulse6 V- V+ ThyristorSubsystem
  • 10.
    S.C. ULFG2-2009 10 De nouveauce circuit sera regroupe en un subsystem 3- Simulation de l'ensemble Simulons ce circuit à l'aide du logiciel Matlab-Simulink:
  • 11.
  • 12.
    S.C. ULFG2-2009 12 Finalement nousallons regrouper toutes les parties du redresseur en un seul bloc :
  • 13.
    S.C. ULFG2-2009 13 4- Simulationdu système complet (machine et convertisseur) Pour mieux clarifier les idées nous allons utiliser ce bloc pour alimenter la machine à courant continu et simuler notre système sans correction Alpha_deg R S T V- V+ mes_pulses TriggeredPontThyristor
  • 14.
  • 15.
  • 16.
    S.C. ULFG2-2009 16 III- Correctiondu système 1- Structure de la correction La correction utilisée est une correction en cascade;les deux grandeurs corrigées sont le courant et la vitesse de rotation du moteur le système corrigé aura la forme suivante:
  • 17.
  • 18.
    S.C. ULFG2-2009 18 Cahier decharge : Boucle de courant : tm=0.35ms εs <4% D%<10% Boucle de Vitesse : tm=0.2s εs =0 D%<15% Régulateurs : Remarque : Lors de l'alimentation de l'inducteur d’une machine à courant continu, les convertisseurs généralement utilisés sont de type hacheur ou pont à thyristors. Ils sont généralement assimilés en première approcheà un gain constant. On dit alors qu'onutilise un modèle à valeur moyenne instantanée, c'est-à-dire que l'on assimile la tension de sortie sur une période de fonctionnement du convertisseur à sa valeur moyenne. Un tel type de modélisation est satisfaisant si le circuit alimenté par cette source de tension présente une constante de temps relativement grande devant la période de fonctionnement du convertisseur. Dans le cas contraire, il faut rechercher une modélisation rendant compte du fonctionnement échantillonné du convertisseur, ainsi que des retards pouvant être introduit par le mode de commande. Le principe du réglage est le suivant: 1- Introduction d'un correcteur proportionnel. C1(p) K 2- Réglage de K (temps de réponse, dépassement, marge de phase...) 3- Introduction d'un correcteur Proportionnel intégrale. C(p) = 1+τp τp 4- Réglage de 1/τ à une valeur << c où creprésente la pulsation de coupure en boucle ouverte du système avec la correction proportionnelle. Note : il est possible de prendre une valeur de 1/τ inférieur à c/10, mais la vitesse d'intégration est alors plus lente, et on obtient une réponse du type:
  • 19.
    S.C. ULFG2-2009 19 Remarque :Il est alors plus simple de traiter l’asservissement comme un système à retour unitaire, puis de prendre en comptedans un deuxième temps le gain du capteur. Etude de la boucle de courant : Le schéma bloc suivant représentatif de la fonction de transfert en courant du moteur : A partir du schéma bloc au dessus il est possible de calculer (en effectuant des simplifications) la fonction de transfert C(p)=I(p)/U(p), représentative du comportement en courant de la machine : C(p) = K0. 1 + p w1 (1 + p w4 ). (1 + p w3 ) Avec W1 = 1/τm = f/J = 0.5 rd/s CeN (rd/s) 1 Ia 1 J.s+f Transfer Fcn1 1 La.s+Ra Transfer Fcn K Kmax1 K Kmax 1 U
  • 20.
    S.C. ULFG2-2009 20 W2 =Sqrt( Kmax2 +Rf / LJ ) = 44 rd/s [=(W3+W4)/2] W3 = 1/τe = R/L = 37 rd/s W4 = 1/τem = Kmax2/RJ = 52.5 rd/s K0 = f/Kmax2 = 7.56e-3 Les diagrammes asymptotiques de Bode sontalors les suivants : Sur MatLab: >> H = TF([15.12e-3 7.56e-3] , [5.15e-4 0.046 1]) Transfer function: 0.01512 s + 0.00756 -------------------------- 0.000515 s^2 + 0.046 s + 1 >> bode(H) Va Donner :
  • 21.
    S.C. ULFG2-2009 21 Le schémabloc de la boucle de courant est donné ci-dessous On assimilera le convertisseur à un gain de valeur Go, le correcteur à un gain de valeur Kp et le capteur de courant à un gain unitaire. Il est alors possible d’évaluer la fonction de transfert en boucle fermée H(p)=I(p) / Ic(p). Notons Kbo=Kp.Go.Ko (gain boucle ouverte), il vient alors : -50 -40 -30 -20 -10 0 Magnitude(dB) 10 -2 10 -1 10 0 10 1 10 2 10 3 10 4 -90 -45 0 45 90 Phase(deg) Bode Diagram Frequency (rad/sec) e I* ec U I 1 I In1 Out1 Correcteur de courant In1 Out1 Convertisseur In1Out1 Capteur In1 Out1 C(p) 1 Ic
  • 22.
    S.C. ULFG2-2009 22 H(p) = 1 (1+ w1p Kbo. (w2)2) Il apparaît que la fonction de transfert en boucle fermée est de type premier ordre, dont la constante de temps est : Pour obtenir un temps de monté tm=0.35ms c.à.d. s Wc= 8.8Krd/s, Il Faut Choisir : Kp.Go = 300. D’où Kbo= 2.268 ( = 7.11db) Diagramme de bodede la boucle ouverte de courant corrigée par un correcteur proportionnel simulé sur matlab : Pour annuler l’erreur statique en courant on ajoute un correcteur Pi. Tic est calculé de sorte que le système sera plus prochede l’ordre 1. Soit Tic = τe = 0.027 = 1/w3 (Voire Bode asymptotique : La pente entre W1 et W3 Devient 0) 10 -2 10 -1 10 0 10 1 10 2 10 3 10 4 -90 -45 0 45 90 Phase(deg) 0 10 20 30 40 Magnitude(dB) System: untitled1 Frequency (rad/sec): 8.8e+003 Magnitude (dB): 0.00421 Bode Diagram Frequency (rad/sec)
  • 23.
    S.C. ULFG2-2009 23 Ci(p) = 1+ τip τip Transfer function of PI: Tic s + 1 ----------- = Tic s 0.027 s + 1 ----------- 0.027 s Diagramme de bodede la boucle ouverte de courant corrigée par le correcteur proportionnel Integrale PI simulé sur matlab : La réponse (du boucle de courant corrigé) à un échelon va donner : 0 20 40 60 80 Magnitude (dB) 10 -2 10 -1 10 0 10 1 10 2 10 3 -90 -45 0 Phase (deg) Bode Diagram Frequency (rad/sec)
  • 24.
    S.C. ULFG2-2009 24 On remarqueque le temps de monté tm=0.35ms (plus ou moins car calcule approché) et l’erreur Statique est nulle ce qui vérifie le calcule déjà fait. Remarque : Sans le correcteur PI l’erreur statique est de 2% (très acceptable) donc on peut seulement utiliser un correcteur Proportionnel P pour réguler le courant. Etude de la boucle de vitesse Le schéma bloc de la boucle de vitesse est donné ci-dessous : En reprenant l’application du principe fondamental de la dynamique, et en supposantle correcteur de type proportionnel, on obtient le schéma bloc suivant : 0 0.001 0.002 0.003 0.004 0.005 0.006 0.007 0.008 0.009 0.01 0 0.1 0.2 0.3 0.4 0.5 0.6 0.7 0.8 0.9 1 Temps en s Courant (A)
  • 25.
    S.C. ULFG2-2009 25 En boucleouverte, la fonction de transfert de vitesse est donc : 𝛺(𝑝) 𝛺𝑐(𝑝) = 1 𝑓 + ( 𝑓𝜏 𝑒 ′ + 𝐽) 𝑝 + 𝜏 𝑒 ′ 𝐽𝑝2 Rappelons que la fonction de transfert en boucle fermée du courant est : H(p) = 1 (1 + w1p Kbo. (w2)2) Avec : Il est alors possible de calculer la fonction de transfert en boucle fermée /c: Il apparaît alors un dilemme entre stabilité et précision. En effet, une augmentation de KBO, ayant pour objectif de réduire l’erreur statique entraîne une diminution de z, et donc déstabilise le système. Il va donc
  • 26.
    S.C. ULFG2-2009 26 être nécessaired’introduire un le correcteur PI ayant pour rôle d’annuler l’erreur statique, sans pour autant déstabiliser le système. AN : K= 0.7 τe’= 3.69e-4 Reprenons l’étude de la fonction de transfert de vitesse en boucle ouverte : 𝛺(𝑝) 𝛺𝑐(𝑝) = 1 𝑓 + ( 𝑓𝜏 𝑒 ′ + 𝐽) 𝑝 + 𝜏 𝑒 ′ 𝐽𝑝2 = 1 0.01 + 0.02𝑝+ (7.378𝑒 − 006)𝑝2 Calcule du correcteur de vitesse : peut prendre 1/Tv =15.7rd/s ou Tv = 0.06 pour réduire le temps de monté qui est 0.05s a 0.02s par exemple on peut ajoute un correcteur proportionnel qu’on peut encore calculer graphiquement : À 157 rd/s on a -9.95 db donc il faut ajouter 9.95 db d’où Kp =3.14 On peut prendre 1/Tv = Wc/10 =15.7rd/s ou Tv = 0.06 D’où le correcteur PI de Vitesse : C(p) = Kp 1+τvp τvp = 3.14 1+0.06p 0.06p 10 -2 10 -1 10 0 10 1 10 2 10 3 10 4 10 5 -180 -135 -90 -45 0 Phase(deg) -100 -50 0 50 Magnitude(dB) System: G Frequency (rad/sec): 49.9 Magnitude (dB): 0.0125 Bode Diagram Frequency (rad/sec)
  • 27.
    S.C. ULFG2-2009 27 Bode dela boucle de Vitesse corrigée est alors : La réponse à un échelon de Wc (consigne) nous donne : On remarque que le tm= 0.02s, εs =0 et le dépassement est de 6% (acceptable) 10 -2 10 -1 10 0 10 1 10 2 10 3 10 4 10 5 -180 -135 -90 Phase(deg) -100 -50 0 50 100 150 System: untitled1 Frequency (rad/sec): 136 Magnitude (dB): 1.27 System: untitled1 Frequency (rad/sec): 157 Magnitude (dB): 0.0586 Magnitude(dB) Bode Diagram Frequency (rad/sec) 0 0.02 0.04 0.06 0.08 0.1 0.12 0.14 0.16 0.18 0.2 0 0.2 0.4 0.6 0.8 1 1.2 1.4
  • 28.
    S.C. ULFG2-2009 28 Dans cecas la réponse du courant (à vide) devient : I* : le courant de consigne (a la sortie du régulateur de vitesse) I : le courant absorbépar la machine. Si on ajoute un couple 4 N.m après 0.5 secondes les courbes seront : 0 0.02 0.04 0.06 0.08 0.1 0.12 0.14 0.16 0.18 0.2 -0.5 0 0.5 1 1.5 2 2.5 3 I* I
  • 29.
    S.C. ULFG2-2009 29 Avec «Saturation block » : Si on ajoute un couple 4 N.m après 2.5 secondes et pour Nc=100rd/s, les courbes seront : 0 0.1 0.2 0.3 0.4 0.5 0.6 0.7 0.8 0.9 1 -0.5 0 0.5 1 1.5 2 2.5 3 3.5 4 Temps en s CourantenA I I* 0 0.1 0.2 0.3 0.4 0.5 0.6 0.7 0.8 0.9 1 0 0.2 0.4 0.6 0.8 1 1.2 1.4 Temps en s Nenrd/s N N*
  • 30.
    S.C. ULFG2-2009 30 Ic :le courant de consigne (a la sortie du régulateur de vitesse) I : le courant absorbépar la machine. Nc: Vitesse de consigne en rd/s N : Vitesse de rotation de la machine « Saturation block » : Limite Ic entre 0 et 13 A Finalement on a obtenu : Boucle de courant : Tm = 0.35ms εs =2% (si correction proportionnelle), εs =0% (si correction PI) Pas de dépassement lorsqu’onapplique un échelon (I*=U(t) page 23) Le courant de consigne sera limité par un « Saturation block » Boucle de Vitesse : Tm = 0.02s sans « Saturation block » (ou pour I*<Ilimite si avec) Entre 0.02s et 0.25s avec « Saturation block » εs =0 D% = 6% 0 1 2 3 4 5 0 50 100 150 200Vitesseenrd/s 0 1 2 3 4 5 -5 0 5 10 15 Temps en s courantenA N Nc Ic I
  • 31.