GE Power Systems University
g
Générateurs
Électriques
GE Power Systems University
g
Conversion de la puissance mécanique en puissance électrique
Rôle d'un générateur électrique
Générateur
Puissance
Mécanique
Puissance
Electrique
Pertes
Fuel
Charge
réseaux
Transmission Moteurs Réducteurs
Générateur
Turbine
Production
GE Power Systems University
g
Génération de la force électromotrice
(f.e.m.)
‰ Lorsqu’un conducteur de longueur L
coupe un champ d'induction B à la vitesse V,
la f.e.m induite dans ce conducteur est :
E = K.N.φ.f = K.N.φ.p.ns = K1.φ.ns
K: coefficient de Kapp (caractéristique de la machine)
N: nombre de conducteurs d’une phase de la machine (1 spire = 2 conducteurs)
φ: flux maximum à travers un enroulement (Wb)
f: fréquence du courant stator
p: nombre de paires de pôles
ns: vitesse de rotation (tr.s-1)
Combien de fois on vérifie les balais?
A chaque changement ………………………………
Flux proportionnelle au ………………..
………………
…………
………..
Courant d'excitation
…………….
……….
Chercher le sens du courant?
Chercher le sens du courant?
Du collecteur
Du collecteur ………
……….. vers le
.. vers le ………
………..
..
……….
Quel est l'inconvénient des machines a balais?
Changement fréquent des balais
bobine
Principe du GénérateurGE Power Systems University
g
…….
Tension induite
GE Power Systems University
g
‰ La partie tournante ou rotor supporte l'enroulement créateur du
champ magnétique : inducteur.
‰La partie fixe ou stator supporte l'enroulement où apparaît la
puissance électrique induite : induit.
Composition d'un générateur
…………
………………
……….
……………..
Bobinage stator
Tension induite
Ea
T
GE Power Systems University
g
A
Emax
Emin
Tension simples et composées GE Power Systems University
g
CUBICLES CONNECT GENERATOR
TO SITE EQUIPMENT AND GROUND
PHASE & TERMINAL NUMBERS
Couplage de l’induit
…….
……..
GE Power Systems University
g
…………………. …………… ………………..
utilisateurs
GNAC
GLAC
Puissance d’un AlternateurGE Power Systems University
g
En Monophasé En Triphasée
Puissance active :
P = U I Cos ϕ (MW). P = . U I Cos ϕ
Puissance réactive :
Q = U I Sinus ϕ (MVAR). Q = U I Sinus ϕ
Puissance apparente :
S = U I (MVA). S = U I
3
3
3
ϕ est l'angle de déphasage entre les vecteurs tension et intensité.
Cos ϕ : facteur de puissance
S Q
P
Exploitation du générateur
Réseau
……………
…………..
Phase A
Phase C
Phase B R
…….
GE Power Systems University
g
Type de Rotor GE Power Systems University
g
Rotor a pole ……….
Rotor a pole …… Rotor a pole ………
Pôles d'un générateur
Pôles saillant
Pôles lisse
GE Power Systems University
g
vitesse
X ………………..
120
Poles = ….-poles
….-poles
Volt
Temps
Frequency 50 60 50 60
Speed 3000 3600 1500 1800
# Poles 2 2 4 4
Fossil Fired Nuclear
Générateur a balais GE Power Systems University
g
…………………
Ajusteur de
balancement
Ventilateur -
collecteur
Bague collectrice
……………..
…………
…………..
balais ƒ Résiste au frictions
ƒ Auto lubrification
ƒ Bonne conduction
Générateur sans balais GE Power Systems University
g
…………
……………
…………
g
Construction d'un générateur
Rotor
Collecteur
Excitatrice
Bobinages
stator
GE Power Systems University
Stator
Orifices de ventilation du rotor
Bus bar triphasé -stator
g Rotor a 2 pôles
Le rotor est un cylindre en …………… a haute résistance
mécanique avec des encoches longitudinales pour loger les
enroulement inducteurs
……….
…………….
GE Power Systems University
………..
Construction du rotor
GE Power Systems University
g
Corp du rotor
………….
…….
……………
Orifice de ……………..
GE Power Systems University
g
Quel est la fonction des trous dans les barres d’enroulement ? …………..
Bobinages du Rotor
Construction du stator GE Power Systems University
g
……….
Isolation
entre
barres
Isolation barres
et tôles
…………..
GE Power Systems University
g Noyau du stator
Pièce laminaire stator
Corps du stator
………….. des slots des pièces laminaire
Assemblement pièce laminaire.
Générateur TA30-131
Stator
− Tension ............................................................... 14 000 V
− Intensité .............................................................. 6 155 A
− Classe d'isolation ................................................ F
− Echauffement ...................................................... Classe B
Rotor
− Tension d'excitation ............................................ 181 V
− Intensité d'excitation ............................................ 2 076 A
− Résistance à 20° ................................................. 0,0616 Ohm
− Classe d'isolation ................................................ F
− Echauffement ...................................................... Classe B
S = 149.25MVA
Refroidissement du Générateur
S T A T O R
R O T O R
”O N C E T H R O U G H F L O W " M A C H IN E C O O L IN G
C IR C U IT
: S et-O u t A xia l F an
H eat
E xch an ger
H eat
E xch an ger
(3) M a in P ara lle l F low S p lits fro m Fa n: S tator E ndturns , A irgap , R otor
R otor F ie ld C o ils: R ad ia l D ucts, U niform S pac ing, A xia l Inlet M a nifo ld
S tator C ore : R ad ia l D ucts, D iffere nt P acka ge S izes, A ll O utlet S ectio ns
A ir G ap : E xit M a nifo ld for R oto r, Inlet M anifo ld for S tato r, S w irling A xia l F low M ixing w / R otating R adia l Jets
Circuit TEWAC refroidissement Générateur
T> WG2 2/3 A.N
T> EXHA2
Reduction
charge
T> CA2 A.N
T> HA2
A.N Defaut 2/3
GE Power Systems University
g
OPERATION ET CONTROL DES
GENERATEURS
Conditions de synchronisation
GE Power Systems University
g
Citer les conditions de synchronization?
1) ____________________________________
2) ____________________________________
3) ____________________________________
Système GE de control turbine donne permissive de synchronisation pour:
1) ____________________________________
Tension …………. V tension ………… + 2%
2) ____________________________________
Fréquence ………….. V fréquence ……. a .4 hertz max
Quel est la procédure correct d'arrêter le générateur?
………………………………………………
Synchronisation
GE Power Systems University
g
Principe de Synchronisation
TTUR
……………..
VTUR/PTUR
K25 …….
K25P
P125VDC
…….
UCV/UCSA
ƒ A/M
ƒ SEQ, status
ƒ +/- F,V
…….
GENERATOR
UDH
…..
52G/A
Vérification
tension
GE Power Systems University
g
Séquence Démarrage GE Power Systems University
g
…………
…………………….
……………
Arrêt du GénérateurGE Power Systems University
g
…………
…………..
GE Power Systems University
g
Nécessité de régulation de la tension
La tension doit être réglée :
‰ Pour procéder au couplage de l'alternateur sur le réseau à la même
valeur les tensions à coupler.
‰ Au cours de la montée en puissance de l'alternateur, il faut en général
augmenter l'excitation pour compenser les chutes de tension internes et
externes dues à la circulation du courant.
‰ A la demande du centre de contrôle du réseau pour fournir ou absorber
la puissance réactive suivant les besoins du réseau.
‰ La tension doit être maintenue à son niveau nominale qui tend à
s’effondrer lors d’une demande de puissance, dans ce cas le courant
d'excitation augmente mais limité par protection de surexcitation.
‰ Pour protéger contre la perte d’excitation quand la tension augmente
énormément, la diminution du courant d’excitation est limiter par la protection
de sous excitation.
g
GE Power Systems University
Modele du Générateur
En ligne
FLUX
Marche a vide
Pôles
En fonctionnement en ligne du générateur, a quoi est du la variation de l'angle interne?
Changement de charge
Changement en fuel
Changement du courant d’excitation
Réglage de la puissance réactive
Eu
Ev
Ew
vΦ
XS
R
ES
SYS
LOAD
I
Qmax
(MVAR)
VNL
VFL
(V)
GE Power Systems University
g
vΦ = Eu - ES : Si charge inductive, la tension sortie générateur diminue le
générateur produit du MVAR, control de l’excitation augmente la tension de
sortie .
vΦ = Eu + Es : Si charge capacitive, la tension sortie générateur augmente, le
générateur consomme du MVAR, control de l’excitation diminue la tension de
sortie
Control MW GE Power Systems University
g
La puissance Active MW sortie Générateur est générée par la
puissance mécanique de la turbine (couple x vitesse)
MW est proportionnel au débit fuel d’une TG
La chute de vitesse (fréquence) dans une turbine est proportionnelle a
l’augmentation de demande de charge
le contrôleur turbine augmente le débit fuel pour corriger la vitesse et
donc augmenter la puissance turbine.
FNL
FFL
(F)
PFL
MW
Diagramme P-Q
Diagramme
P-Q
OP représente la puissance active
OQ représente la puissance réactive
OM représente la puissance apparente
ϕ représente le déphasage de I sur U
δ représente l'angle interne de la machine
KM représente l'image de la force électromotrice générée par le
courant d'excitation (déphasage entre les champs rotor et stator).
………..
…………….
………………..
GE Power Systems University
g
Diagramme P-Q
Control de vitesse - Charge
GE Power Systems University
g
Control ………. Control …….
TNR= 95% - 100.3%
Control de charge nominale
GE Power Systems University
g
Mode de régulation de charge
GE Power Systems University
g
Alternateur couplé a un
petit réseau isolé
Alternateur couplé a un
grand réseau
le groupe va imposer la
fréquence, la puissance dépend
de la charge du réseau
fréquence contrôlée par vitesse du groupe
Mode Isochrone
Réseau va imposer la
fréquence, la puissance dépend
de la charge du réseau
fréquence groupe = fréquence réseau
Mode Synchrone
Mode de control synchrone
TNR
DROOP
FSRN
GE Power Systems University
g
101.8%
45
Réponse d'un groupe TG en Synchrone
50HZ
50.5HZ
51HZ
51.5HZ
52HZ
48HZ
GE Power Systems University
g
50.9 HZ
Réponse d'un groupe TG en Synchrone
GE Power Systems University
g
Demande de puissance dépasse l’offre actuelle de puissance
Fréquence chute et les groupes réagissent
Fréquence réseaux = fréquence actuelle – (% droop) x (changement puissance )x fn
( capacité puissance réseaux )
Puissance groupe = puissance actuelle + (puissance nominale) x (changement puissance)
( capacité puissance réseaux )
Correcte fréquence rétablîtes
Participation de charge dans le réseau
GE Power Systems University
g
Puissance générée
=
Puissance demandée
Demande de charge
GE Power Systems University
g
Nouvelle demande = 15MW
G
G
G
Effet de surcharge sur la fréquence
GE Power Systems University
g
Calcul de la nouvelle fréquence suite a une augmentation de charge
Réponse d'un groupe TG en Synchrone
G
GE Power Systems University
g
Excitation statique vis a vis sans balais
Principe des excitatrices AC
L’excitatrice a diodes tournantes est un petit générateur couplée sur
le même arbre du générateur principale
Avantages:
Moins de routine de maintenance
Moins de consommation électrique et d'encombrement
inducteur
Stator
induit
Inducteur
Induit
Stator
AVR
PCM
Production
puissance
Rotor
Excitatrice Générateur
Excitatrice
Inducteur
− Tension ................................................................................. 55,2 V
− Intensité ................................................................................ 103 A
− Classe d'isolation .................................................................. F
Induit
− Tension ................................................................................. 181 V
− Intensité ................................................................................ 2 076 A
− Classe d'isolation .................................................................. F
Courbe de saturation
Détection Masse Rotor
100%
0%
Redresseur
tournant
Thyne4
IF,VF
Excitatrice
Inducteur fixe
Description fonctionnelle
Induit
Boucles de control d'excitation
PMG
Inducteur Inducteur
Boucle de regulation AVR
AVR
Boucle de regulation FCR
FCR
Modes d’excitation
Le but de participation en MVAR par les générateurs est de stabiliser la
tension réseau en fonction des fluctuation de charge:
‰ AVR: Mode de régulation automatique de tension par compensation des
courants réactives . Le MVAR est proportionnel au déviation de tension
autour du nominal. Le coefficient de réglage typique est de 10%
‰ P.F : Mode facteur de puissance MVAR varie proportionnellement au
MW réglé par contrôleur turbine
‰ MVAR : Mode réactive AVR maintien constant la référence du MVAR
PSS : Option utilisée pour stabiliser les perturbations réseaux
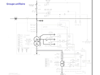
Groupe uinifilaire
Groupe unifilaire

présentation sur les Alternateurs Tome 1.pdf

  • 1.
    GE Power SystemsUniversity g Générateurs Électriques
  • 2.
    GE Power SystemsUniversity g Conversion de la puissance mécanique en puissance électrique Rôle d'un générateur électrique Générateur Puissance Mécanique Puissance Electrique Pertes Fuel Charge réseaux Transmission Moteurs Réducteurs Générateur Turbine Production
  • 3.
    GE Power SystemsUniversity g Génération de la force électromotrice (f.e.m.) ‰ Lorsqu’un conducteur de longueur L coupe un champ d'induction B à la vitesse V, la f.e.m induite dans ce conducteur est : E = K.N.φ.f = K.N.φ.p.ns = K1.φ.ns K: coefficient de Kapp (caractéristique de la machine) N: nombre de conducteurs d’une phase de la machine (1 spire = 2 conducteurs) φ: flux maximum à travers un enroulement (Wb) f: fréquence du courant stator p: nombre de paires de pôles ns: vitesse de rotation (tr.s-1)
  • 4.
    Combien de foison vérifie les balais? A chaque changement ……………………………… Flux proportionnelle au ……………….. ……………… ………… ……….. Courant d'excitation ……………. ………. Chercher le sens du courant? Chercher le sens du courant? Du collecteur Du collecteur ……… ……….. vers le .. vers le ……… ……….. .. ………. Quel est l'inconvénient des machines a balais? Changement fréquent des balais bobine Principe du GénérateurGE Power Systems University g ……. Tension induite
  • 5.
    GE Power SystemsUniversity g ‰ La partie tournante ou rotor supporte l'enroulement créateur du champ magnétique : inducteur. ‰La partie fixe ou stator supporte l'enroulement où apparaît la puissance électrique induite : induit. Composition d'un générateur ………… ……………… ………. …………….. Bobinage stator
  • 6.
    Tension induite Ea T GE PowerSystems University g A Emax Emin
  • 7.
    Tension simples etcomposées GE Power Systems University g
  • 8.
    CUBICLES CONNECT GENERATOR TOSITE EQUIPMENT AND GROUND PHASE & TERMINAL NUMBERS Couplage de l’induit ……. …….. GE Power Systems University g …………………. …………… ……………….. utilisateurs GNAC GLAC
  • 9.
    Puissance d’un AlternateurGEPower Systems University g En Monophasé En Triphasée Puissance active : P = U I Cos ϕ (MW). P = . U I Cos ϕ Puissance réactive : Q = U I Sinus ϕ (MVAR). Q = U I Sinus ϕ Puissance apparente : S = U I (MVA). S = U I 3 3 3 ϕ est l'angle de déphasage entre les vecteurs tension et intensité. Cos ϕ : facteur de puissance S Q P
  • 10.
    Exploitation du générateur Réseau …………… ………….. PhaseA Phase C Phase B R ……. GE Power Systems University g
  • 11.
    Type de RotorGE Power Systems University g Rotor a pole ………. Rotor a pole …… Rotor a pole ………
  • 12.
    Pôles d'un générateur Pôlessaillant Pôles lisse GE Power Systems University g vitesse X ……………….. 120 Poles = ….-poles ….-poles Volt Temps Frequency 50 60 50 60 Speed 3000 3600 1500 1800 # Poles 2 2 4 4 Fossil Fired Nuclear
  • 13.
    Générateur a balaisGE Power Systems University g ………………… Ajusteur de balancement Ventilateur - collecteur Bague collectrice …………….. ………… ………….. balais ƒ Résiste au frictions ƒ Auto lubrification ƒ Bonne conduction
  • 14.
    Générateur sans balaisGE Power Systems University g ………… …………… …………
  • 15.
    g Construction d'un générateur Rotor Collecteur Excitatrice Bobinages stator GEPower Systems University Stator Orifices de ventilation du rotor Bus bar triphasé -stator
  • 16.
    g Rotor a2 pôles Le rotor est un cylindre en …………… a haute résistance mécanique avec des encoches longitudinales pour loger les enroulement inducteurs ………. ……………. GE Power Systems University ………..
  • 17.
    Construction du rotor GEPower Systems University g Corp du rotor …………. ……. …………… Orifice de ……………..
  • 18.
    GE Power SystemsUniversity g Quel est la fonction des trous dans les barres d’enroulement ? ………….. Bobinages du Rotor
  • 19.
    Construction du statorGE Power Systems University g ………. Isolation entre barres Isolation barres et tôles …………..
  • 20.
    GE Power SystemsUniversity g Noyau du stator Pièce laminaire stator Corps du stator ………….. des slots des pièces laminaire Assemblement pièce laminaire.
  • 21.
    Générateur TA30-131 Stator − Tension............................................................... 14 000 V − Intensité .............................................................. 6 155 A − Classe d'isolation ................................................ F − Echauffement ...................................................... Classe B Rotor − Tension d'excitation ............................................ 181 V − Intensité d'excitation ............................................ 2 076 A − Résistance à 20° ................................................. 0,0616 Ohm − Classe d'isolation ................................................ F − Echauffement ...................................................... Classe B S = 149.25MVA
  • 22.
    Refroidissement du Générateur ST A T O R R O T O R ”O N C E T H R O U G H F L O W " M A C H IN E C O O L IN G C IR C U IT : S et-O u t A xia l F an H eat E xch an ger H eat E xch an ger (3) M a in P ara lle l F low S p lits fro m Fa n: S tator E ndturns , A irgap , R otor R otor F ie ld C o ils: R ad ia l D ucts, U niform S pac ing, A xia l Inlet M a nifo ld S tator C ore : R ad ia l D ucts, D iffere nt P acka ge S izes, A ll O utlet S ectio ns A ir G ap : E xit M a nifo ld for R oto r, Inlet M anifo ld for S tato r, S w irling A xia l F low M ixing w / R otating R adia l Jets
  • 23.
    Circuit TEWAC refroidissementGénérateur T> WG2 2/3 A.N T> EXHA2 Reduction charge T> CA2 A.N T> HA2 A.N Defaut 2/3
  • 24.
    GE Power SystemsUniversity g OPERATION ET CONTROL DES GENERATEURS
  • 25.
    Conditions de synchronisation GEPower Systems University g Citer les conditions de synchronization? 1) ____________________________________ 2) ____________________________________ 3) ____________________________________ Système GE de control turbine donne permissive de synchronisation pour: 1) ____________________________________ Tension …………. V tension ………… + 2% 2) ____________________________________ Fréquence ………….. V fréquence ……. a .4 hertz max Quel est la procédure correct d'arrêter le générateur? ………………………………………………
  • 26.
  • 27.
    Principe de Synchronisation TTUR …………….. VTUR/PTUR K25……. K25P P125VDC ……. UCV/UCSA ƒ A/M ƒ SEQ, status ƒ +/- F,V ……. GENERATOR UDH ….. 52G/A Vérification tension GE Power Systems University g
  • 28.
    Séquence Démarrage GEPower Systems University g ………… ……………………. ……………
  • 29.
    Arrêt du GénérateurGEPower Systems University g ………… …………..
  • 30.
    GE Power SystemsUniversity g Nécessité de régulation de la tension La tension doit être réglée : ‰ Pour procéder au couplage de l'alternateur sur le réseau à la même valeur les tensions à coupler. ‰ Au cours de la montée en puissance de l'alternateur, il faut en général augmenter l'excitation pour compenser les chutes de tension internes et externes dues à la circulation du courant. ‰ A la demande du centre de contrôle du réseau pour fournir ou absorber la puissance réactive suivant les besoins du réseau. ‰ La tension doit être maintenue à son niveau nominale qui tend à s’effondrer lors d’une demande de puissance, dans ce cas le courant d'excitation augmente mais limité par protection de surexcitation. ‰ Pour protéger contre la perte d’excitation quand la tension augmente énormément, la diminution du courant d’excitation est limiter par la protection de sous excitation.
  • 31.
    g GE Power SystemsUniversity Modele du Générateur En ligne FLUX Marche a vide Pôles En fonctionnement en ligne du générateur, a quoi est du la variation de l'angle interne? Changement de charge Changement en fuel Changement du courant d’excitation
  • 32.
    Réglage de lapuissance réactive Eu Ev Ew vΦ XS R ES SYS LOAD I Qmax (MVAR) VNL VFL (V) GE Power Systems University g vΦ = Eu - ES : Si charge inductive, la tension sortie générateur diminue le générateur produit du MVAR, control de l’excitation augmente la tension de sortie . vΦ = Eu + Es : Si charge capacitive, la tension sortie générateur augmente, le générateur consomme du MVAR, control de l’excitation diminue la tension de sortie
  • 33.
    Control MW GEPower Systems University g La puissance Active MW sortie Générateur est générée par la puissance mécanique de la turbine (couple x vitesse) MW est proportionnel au débit fuel d’une TG La chute de vitesse (fréquence) dans une turbine est proportionnelle a l’augmentation de demande de charge le contrôleur turbine augmente le débit fuel pour corriger la vitesse et donc augmenter la puissance turbine. FNL FFL (F) PFL MW
  • 34.
    Diagramme P-Q Diagramme P-Q OP représentela puissance active OQ représente la puissance réactive OM représente la puissance apparente ϕ représente le déphasage de I sur U δ représente l'angle interne de la machine KM représente l'image de la force électromotrice générée par le courant d'excitation (déphasage entre les champs rotor et stator). ……….. ……………. ……………….. GE Power Systems University g
  • 35.
  • 36.
    Control de vitesse- Charge GE Power Systems University g Control ………. Control ……. TNR= 95% - 100.3%
  • 37.
    Control de chargenominale GE Power Systems University g
  • 38.
    Mode de régulationde charge GE Power Systems University g Alternateur couplé a un petit réseau isolé Alternateur couplé a un grand réseau le groupe va imposer la fréquence, la puissance dépend de la charge du réseau fréquence contrôlée par vitesse du groupe Mode Isochrone Réseau va imposer la fréquence, la puissance dépend de la charge du réseau fréquence groupe = fréquence réseau Mode Synchrone
  • 39.
    Mode de controlsynchrone TNR DROOP FSRN GE Power Systems University g
  • 40.
    101.8% 45 Réponse d'un groupeTG en Synchrone 50HZ 50.5HZ 51HZ 51.5HZ 52HZ 48HZ GE Power Systems University g 50.9 HZ
  • 41.
    Réponse d'un groupeTG en Synchrone GE Power Systems University g Demande de puissance dépasse l’offre actuelle de puissance Fréquence chute et les groupes réagissent Fréquence réseaux = fréquence actuelle – (% droop) x (changement puissance )x fn ( capacité puissance réseaux ) Puissance groupe = puissance actuelle + (puissance nominale) x (changement puissance) ( capacité puissance réseaux ) Correcte fréquence rétablîtes
  • 42.
    Participation de chargedans le réseau GE Power Systems University g Puissance générée = Puissance demandée
  • 43.
    Demande de charge GEPower Systems University g Nouvelle demande = 15MW G G G
  • 44.
    Effet de surchargesur la fréquence GE Power Systems University g Calcul de la nouvelle fréquence suite a une augmentation de charge
  • 45.
    Réponse d'un groupeTG en Synchrone G GE Power Systems University g
  • 46.
    Excitation statique visa vis sans balais
  • 47.
    Principe des excitatricesAC L’excitatrice a diodes tournantes est un petit générateur couplée sur le même arbre du générateur principale Avantages: Moins de routine de maintenance Moins de consommation électrique et d'encombrement inducteur Stator induit Inducteur Induit Stator AVR PCM Production puissance Rotor Excitatrice Générateur
  • 48.
    Excitatrice Inducteur − Tension .................................................................................55,2 V − Intensité ................................................................................ 103 A − Classe d'isolation .................................................................. F Induit − Tension ................................................................................. 181 V − Intensité ................................................................................ 2 076 A − Classe d'isolation .................................................................. F
  • 49.
  • 50.
  • 51.
  • 52.
    Boucles de controld'excitation PMG Inducteur Inducteur
  • 53.
  • 54.
  • 55.
    Modes d’excitation Le butde participation en MVAR par les générateurs est de stabiliser la tension réseau en fonction des fluctuation de charge: ‰ AVR: Mode de régulation automatique de tension par compensation des courants réactives . Le MVAR est proportionnel au déviation de tension autour du nominal. Le coefficient de réglage typique est de 10% ‰ P.F : Mode facteur de puissance MVAR varie proportionnellement au MW réglé par contrôleur turbine ‰ MVAR : Mode réactive AVR maintien constant la référence du MVAR PSS : Option utilisée pour stabiliser les perturbations réseaux
  • 56.
  • 57.