03/01/2016
Présente par :
Doudou Walid & Rouighi Rafik
Année scolaire : 2015/2016
Rapport de stage
Cycle de fin d’étude licence
Aperçu générale du champ
gazier de Hassi R’mel
Avant-propos
Avant d’entamer l’exposé qui fait l’objet de ce rapport de stage, nous sommes heureux de
pouvoir remercier tous ceux qui nous ont aidées à le mener à terme.
Tout d’abord, nos respectueux remerciements à notre encadreur qui nous fait l’honneur de
participer à l’évaluation de ce travail.
A tous ceux qui nous font l’honneur d’évaluer ce modeste travail, on est certain de pouvoir
compter sur leurs vastes connaissances et leur esprit critique constructif pour nous aider,
par leurs commentaires et leurs remarques, à mieux comprendre certains problèmes
rencontrés au cours de notre stage.
Mes plus vifs remerciements à Mr Hacini Said, qui nous a soutenues tout au long de ce
travail, et à la direction avisée fidèle et exigeante de laquelle ce rapport doit beaucoup.
Un grand merci à toute l’équipe du C.S.T.F sans exception qui nous accueillis le cœur
grand ouvert, qui ne sait jamais retenue de nous donner une parcelle d’information, De
notre mentor le chef de service Moussa, à Youcef notre encadreur dans le C.S.T.F, Anes
notre encadreur dans le module 4, Mademoiselle Dibe notre encadreuse dans le module 1,
Oncle Soussa qui a partagé avec nous son expérience de 35 ans de métier !! Les recrues de
l’IAP avec leurs esprit fraiche et serviable…… jusqu’au chauffeur de bus 
Un grand merci à vous tous !
Il ne nous était guère facile d’accomplir ce travail sans ces êtres si chers, qui de près ou de
loin nous ont aidées, vous vous reconnaitrez certainement, je vous en saurai gré.
Ce modeste travail n’aurait jamais pu se réaliser sans le soutien continu de nos petites
familles et sans leur éducation basée sur des valeurs morales fondées sur le respect des
autres et du travail.
Que ce rapport apporte la fierté méritée à nos maman, nos papa, nos frères, nos sœurs
et à ‘Nous-même’ !
Introduction générale
La découverte du gaz naturel remonte au IVe
siècle av. J.-C par les chinois, le forage
systématique de puits pour l'extraction de la saumure au Ier
siècle av. J.-C. (Dynastie Han) mena
à la découverte de beaucoup de « puits à feu » au Sichuan qui produisaient du gaz naturel.
Les Chinois conduisaient d'abord le gaz dans un grand réservoir en bois de forme conique, placé
3 m sous le niveau du sol, où un autre conduit amenait l'air. Ce qui transformait le réservoir en
grand carburateur.
Les premiers gaz combustibles utilisés en Europe, à partir de 1785, date de leur invention, seront
des gaz manufacturés, principalement extrait à partir de la houille. Ils sont d'abord utilisés
comme gaz d'éclairage, par la suite comme combustible pour les turbines et moteurs, pour le
chauffage ainsi que la cuisson. L’appellation gaz de ville apparaît à cette occasion.
Les premières utilisations modernes du gaz naturel sont apparues aux États-Unis vers 1820 pour
l'éclairage public et devra attendre les années 1950 pour susciter un intérêt mondial. Ses
réserves et ressources, voire sa production, était mal connues en dehors des États-Unis jusqu'à
la fin des années 1960. Son commerce sous forme liquéfiée (GNL) n'a commencé qu'en 1964
dans des volumes très modestes.
À partir de la fin de Seconde Guerre mondiale mais surtout à partir des années 1960, l'usage du
gaz naturel se répand à travers le monde et supplante progressivement les gaz manufacturés. Le
gaz naturel a de nombreuses qualités, dont l'absence de toxicité. Le pouvoir calorifique du gaz
naturel est double de celui du gaz de houille (9 000 cal/m3
contre 4 250).
Le gaz naturel nécessitera des aménagements particuliers de tout son réseau de distribution,
appareils de chauffe et autres, méthode de stockage (thème de notre stage) et de transport :
canalisations, gazoducs, bateaux et port méthaniers.
A travers ce document nous tacherons de donner un aperçu générale sur la zone de hassi R’mel,
lieu du plus grand gisement gazier de tout le continent africain. Nous aborderons en détails les
techniques de stockage du gaz naturel et les moyens mis œuvre pour éviter toute incident
nuisible.
Sommaire
Sommaire
Chapitre I : Présentation du site
I-1 Introduction : .................................................................................................................................. 1
I-Présentation du site :.......................................................................................................................... 1
I-1 Description de la région de Hassi R’mel :...................................................................................... 1
I-2 Historique du développement de champ de Hassi R’mel :............................................................. 2
I-3 Développement du champ de Hassi R’mel : .................................................................................. 2
I-4 Installations gazières à Hassi-R’mel : ............................................................................................ 3
Chapitre II : Généralité sur le gaz Naturel
II-1 généralité sur le GPL :................................................................................................................... 5
II-1-1 Définition des GPL :.................................................................................................................. 5
II-1-2 Les sources des GPL :................................................................................................................ 5
II-2 Le GPL dans le monde :................................................................................................................ 6
II-2-1 La production mondiale du GPL : ............................................................................................. 6
II-3 Le GPL en Algérie : ...................................................................................................................... 6
II-3-1 La production nationale du GPL :.............................................................................................. 6
II-4 Les caractéristiques générales des GPL :...................................................................................... 7
II-5 Spécifications des GPL de Hassi R’mel : ..................................................................................... 8
II-6 Domaines d’utilisation du GPL :................................................................................................... 8
II-7 Exportation du GPL : .................................................................................................................... 9
II-8 généralité sur le condensat : .......................................................................................................... 9
II-8-1 Définition du Condensât :.......................................................................................................... 9
II-8-2 Caractéristiques du Condensât :................................................................................................. 9
II-9 Domaines d’utilisation du Condensât : ....................................................................................... 10
II-9-1 Utilisation du Condensât dans la pétrochimie : ....................................................................... 11
II-9-2 Utilisation du Condensât dans le raffinage :............................................................................ 11
Sommaire
Chapitre III : Notre stage en détails
III-1 Description du CSTF :................................................................................................................ 12
III-1-1 Localisation du site CSTF et installations voisines : .............................................................. 12
III-2 Principales installations de stockage :........................................................................................ 13
III-3 Description du fonctionnement du site de Stockage et de transfert du condensat :................... 14
III-3-1 Section de stockage et de transfert du condensat :.................................................................. 14
III-4 Description du fonctionnement du site de Stockage et de transfert du GPL : ........................... 15
III-4-1 Section de stockage et de transfert du GPL : .......................................................................... 16
III-4-2 Section de compression du GPL :........................................................................................... 17
III-5 Section de torche :...................................................................................................................... 18
III-6 Section de vide-vite :.................................................................................................................. 18
III-7 Utilités :...................................................................................................................................... 18
III-8 Description générale de la sphère de stockage GPL (50-T016) :............................................... 19
III-8-1 Caractéristiques technique de la sphère 50-T016 : ................................................................. 19
III-8-2 Équipements des sphères de stockage GPL :.......................................................................... 20
III-9 Eléments et dispositifs de Sécurité de la Sphère de stockage GPL :.......................................... 26
III-9-1 Unité de compression du GPL (BOIL OFF) : ........................................................................ 26
III-9-2 Vanne régulatrice de pression PIC 019 : vers torche.............................................................. 29
III-9-3 La vanne HXCV 014 : vers torche :........................................................................................ 29
III-9-4 Soupapes PSV vers torche : .................................................................................................... 29
III-9-5 Soupapes PSV vers atmosphère :............................................................................................ 29
III-9-6 Vannes pneumatique de la ligne de remplissage et de vidange de la sphère :........................ 30
Sommaire
Liste des figures
Figure 1 : les lignes d’exportations gazières de hassi r’mel
Figure 2 : Le champ de Hassi-R’mel
Figure 3 : Emplacement du CSTF (Google Maps)
Figure 4: les bacs du CSTF (Google Maps)
Figure 5 : les sphères du CSTF pour le stockage du GPL ( Google Maps)
Figure 6 : sphère de stockage n° 50-T016
Figure 7 : Équipements de sécurité de la sphere
Figure 8 : vannes, soupapes et conduites de la sphère
Figure 9 : Unité de Compression du GPL : BOIL OFF
Sommaire
Liste des tableaux
Tableau 1 : Composition molaire du GPL
Tableau 2 : Principales installations de stockage CSTF
Tableau 3 : Pressions dans les différents points de la sphére
Tableau 4 : Caractéristiques des soupapes PSV
Chapitre I : Présentation du site
p. 1
I-1 Introduction :
L’Algérie une importe industrie du gaz naturel, et un important producteur de gaz au niveau
mondial à la fin de 1953, plusieurs compagnes de sismiques aboutirent a la mise en évidence d’une
zone haute pouvant constituer un anticlinal, notamment dans la région de Hassi R’Mel, un premier
forage (HR1) a été réalisé en 1956. Huit puits sont alors réalises, délimitant ainsi une structure
anticlinale constituant un grand réservoir de gaz.
Figure 1 : les lignes d’exportations gazières de hassi r’mel
I-Présentation du site :
I-1 Description de la région de Hassi R’mel :
Hassi R’mèl, porte du désert se trouve à 550 Km au sud de la capitale à une altitude moyenne
de 760 m, il se situe sur un vaste plateau rocailleux ou ne pousse qu’une faible végétation composée.
Le champ de Hassi-R’mel est une vaste étendue de 3500 Km2
(70 Km de long sur 50 Km de
large).
Le climat est caractérisé par une faible pluviométrie (140 mm/an), une humidité de 19% en été
et de 34% en hiver en moyenne. Les températures varient de –5°C en hiver à 45°C en été, et les vents
dominants sont de direction nord-ouest pouvant atteindre des vitesses de 100 km/h.
Chapitre I : Présentation du site
p. 2
Les études du gisement ont prouvé que le réservoir contenait du gaz, du condensât et du GPL,
les richesses initiales étaient de 200 g/m3
pour le condensât et de 80 g/m3
pour le GPL.
D’autres études ont mis en évidence la présence du pétrole brut tout autour du gisement, mais
plus particulièrement dans les parties « Est »et « Sud »du champ. On parle ainsi de présence d’anneau
d’huile (pétrole brut).
I-2 Historique du développement de champ de Hassi R’mel :
La première compagnie intéressant la région a eu lieu en1951, le forage du premier puits
d’exploitation a eu lieu en 1952 à quelques Km de BERRIANE.
Dans le champ de Hassi R’mel, le premier puit HR1 a été foré en 1956 sous le sommet de
l’anticlinal que constitue le gisement de Hassi-R’mel. Ce puit a mis en évidence la présence de gaz
riche en condensât dans le trias gréseux à une pression de 310 ATM et 90°C.
La profondeur atteinte est de 2332m, révélant la présence d’un réservoir de gaz humide.
Réservoir A : S’étend sur tout le champ de Hassi-R’mel, son épaisseur varie de 15 à 30m. Ses
caractéristiques sont : Porosité : 15%, Perméabilité : 270.10-3 Darcys, Teneur en eau : 24%
Réservoir B : Il est limité à la zone centrale et la zone nord du champ. Ses caractéristiques sont :
Porosité : 15%, Perméabilité : 250.10-3 Darcys, Teneur en eau : 28%
Réservoir C : Il s’étend sur la majeure partie du champ sauf la zone sud, c’est le plus épais des trois
niveaux et le plus important. Ses caractéristiques sont : Porosité : 08%, Perméabilité : 800.10-3 Darcys,
Teneur en eau : 13%.
I-3 Développement du champ de Hassi R’mel :
Le développement de Hassi R’mel s’est trouvé étroitement lié au développement de l’industrie
du gaz dans le monde et les importantes réserves recelées par ce gisement, plus de
2000 milliards de m3 ont constitué un atout important pour lancer une politique d’industrie gazière de
grande envergure pour le pays.
Des étapes importantes ont marqué le développement du champ de Hassi-R’mel :
De 1957-1960  furent forés huit autres puits pour la délimitation du gisement et l’évaluation des
réserves estimées initialement à 2 800 milliards de m3, sous une superficie de 3500 kilomètres carrés.
1961 Mise en exploitation de 02 unités de traitement de gaz d’une capacité de 1.3 milliards de m3
par an.
Chapitre I : Présentation du site
p. 3
1969  Mise en exploitation de 04 unités supplémentaires pour augmenter la capacité à
4 milliards m3 par an.
Le 24-02-1971  Nationalisation historique des hydrocarbures qui permet l’augmentation de la
capacité de traitement de Hassi R’mel à 14 milliards de m3
par an.
1975  SONATRACH : met en oeuvre un plan directeur de développement pour augmenter la
capacité de production à 94 milliards de m3 par an et maximiser la récupération des hydrocarbures
liquides par un recyclage partiel du gaz.
1985  Réalisation et mise en oeuvre de l’usine des communs pour récupérer les gaz moyenne et
basse pression et produire le GPL à partir des modules 0 et 1.
Juin 1987  Démarrage du centre de traitement de gaz CTG/Djebel-Bissa d’une capacité de 1,4
milliards m3 par an.
Avril 1999  Démarrage de la Station de récupération des gaz associés (SRGA) d’une capacité de
1,4 milliards m3 par an.
Janvier 2000  Démarrage du centre de traitement de gaz CTG/HR-Sud d’une capacité de 2,4
milliards m3 par an.
2003  Réalisation du projet Boosting qui est sensé d'augmenter la pression d'entrée des modules
dans le but est de maximiser la récupération des liquides.
Actuellement la capacité totale de traitement est de 98 milliards m3 par an.
I-4 Installations gazières à Hassi-R’mel :
Plan d’ensemble des installations gazières implantées sur le champ de Hassi-R’mel est élaboré
de façon à avoir une exploitation rationnelle du gisement et pouvoir récupérer le maximum de liquide.
(Voir FIG 1)
Chapitre I : Présentation du site
p. 4
Figure 2 : Le champ de Hassi-R’mel
SECTEUR CENTRE
 Module 0
 Module 1
 Module 4
 CSTF  Lieu d’affectation durant notre stage
 CNDG
 SBC (Station BOOSTING Centre)
SECTEUR NORD
 Module3
 Station de compression (SCS)
 SBN (Station BOOSTING Nord)
 SECTEUR SUD
 Module
 Station de compression (SCS)
 Djebel-Bessa
 HR sud
 SBS (Station BOOSTING Sud)
Chapitre II : Généralité sur le gaz Naturel
p. 5
II-1 généralité sur le GPL :
II-1-1 Définition des GPL :
Le GPL (gaz du pétrole liquéfié) est un mélange gazeux constitue essentiellement de propane
(C3H8), et de butane (C4H10), et un peu de traces de méthane (CH4), de l’éthane (C2H6) et le pentane
(C5H12).
Le GPL est un produit gazeux à la température ambiante et pression atmosphérique.
Il est liquéfié à faible pression (4 à 5 bar) et une température très basse pour faciliter son
transport, stockage et sa commercialisation, il se gazéifie au moment de son utilisation.
La composition molaire du GPL est variable selon leur source.
Tableau 1 : Composition molaire du GPL
LES COMPOSANTS DU GPL % MOLAIRE
Méthane 0,32
Éthane 1,12
Propane 60,95
Iso butane 15,46
Normal butane 22,14
Iso pentane 0,01
II-1-2 Les sources des GPL :
Le GPL est obtenu principalement :
Dans les raffineries, soit au cours de distillation du pétrole brut ou lors cracking ou de
Reforming des produits en vue de la production des essences.
Au cours des séparations du gaz naturel (GN) qui a pour but de séparer et de récupérer les
condensats et GPL (propane, butane, C5+) dans les champs.
Par liquéfaction du gaz naturel.
Chapitre II : Généralité sur le gaz Naturel
p. 6
II-2 Le GPL dans le monde :
II-2-1 La production mondiale du GPL :
La production mondiale en 2004, a atteint 213 millions de t. La production mondiale du GPL
croit à un rythme de 5% par an.60 % de la production mondiale provient du gaz naturel, 40 % du
raffinage du pétrole brut (1 t de pétrole donne de 20 à 30 kg de GPL).
Au Moyen Orient, la production des GPL s’est considérablement développée à la fin des années
70 lorsque l’augmentation du prix de l’énergie a rendu attractive la récupération du propane et du
butane. Auparavant, ces produits étaient brules avec le gaz associe. Cette région est actuellement la
principale source d’exportation de GPL dans le monde.
En Algérie et en Afrique du Nord, ou les GPL sont surtout récupères à partir du gaz naturel
dans les unités de liquéfaction.
II-3 Le GPL en Algérie :
II-3-1 La production nationale du GPL :
Puisque l’Algérie est un pays pétrolier et gazier, l’industrie du GPL est très importante, sa
production suivie une croissance soutenue en raison de l’intérêt suscite chez les pays industrialisés par
cette forme d’énergie idéale pour la protection de l’environnement.
Depuis la mise en exploitation du champ gazier de Hamra en 1996, la production du GPL en
Algérie connue un développement rapide.
Le niveau de l’offre national du GPL est de l’ordre de 5,5 millions de tonnes en 1996, et plus
de 7,3 millions de tonnes en 1998, et environ 9 millions de tonnes en 2001, et de 12,5 millions de
tonnes en 2006 lorsque les projets développes sont été mise en service.
Cette offre provenant de trois sources différentes :
_ 10% obtenus à la suite du raffinage du pétrole brut aux raffineries de Skikda, Arzew, Alger.
_ 11% sont obtenus à l’issue de la liquéfaction du gaz naturel aux complexes de liquéfaction de
Sonatrach GL2Z, GL1K.
_79% sont produits à partir des gisements d’hydrocarbures, suite à la séparation du gaz et le traitement
du pétrole brut ; soit 4,35 millions de tonnes.
Chapitre II : Généralité sur le gaz Naturel
p. 7
II-4 Les caractéristiques générales des GPL :
♦ Odeur : le GPL est inodore a l’état naturel, mais on doit ajouter un odorant, ce sont des composes
sulfures tel que le diethylmercaptane ou le diméthyle sulfite pour des raisons de sécurité, dans des
limites à des fin des commercialisations.
♦ Tension de vapeur : la TVR du GPL est de 8 et 2 bars pour le propane et le butane respectivement
à 20°C.
♦ Dilatation : à l’état liquide, le GPL a un haut coefficient de dilatation dont il faut tenir compte lors
de leur stockage (les sphères ne doivent jamais être complètement remplies).
♦ Densité : aux conditions normales de température et pression, le GPL sont plus lourds que l’air, il
est diminué avec l’augmentation de la température a titre exemple :
À 38°C la densité est égale 0,534, la densité est très importante dans le GPL commerciale.
De petites quantités de GPL dans l’eau peuvent former un mélange, c’est pour cela que’il n’est pas
tolère de négliger la moindre consigne de sécurité dans l’industrie du gaz
♦ Température d’ébullition : à la pression atmosphérique la température d’ébullition de propane est
de –42°C, celle de butane est de –6°C.
♦ Pouvoir calorifique : c’est la propriété la plus intéressante étant que le GPL est traditionnellement
utilise pour les besoins domestiques :
Iso-butane : PC = 29460 (kcal/kg).
Normal butane : PC = 29622 (kcal/kg).
Propane : PC = 22506 (kcal/ kg).
♦ Impuretés : le plus important est le soufre, la teneur en soufre est inférieure ou égale à 0,005 % en
masse, ainsi l’eau l’un des impuretés importants.
♦ Le GPL est non corrosif à l’acier mais généralement aux cuivres et ces alliages ou l’aluminium.
♦ Le GPL n’est aucune propriété de lubrification et cet effet doit être pris en considération lors de la
conception des équipements du GPL (pompes et compresseurs)
♦ Le GPL est incolore, que ce soit phase liquide ou gazeux.
II-5 Spécifications des GPL de Hassi R’mel :
Cette fraction doit répondre aux spécifications :
-Teneur en C2- ≤ 3% molaire.
Chapitre II : Généralité sur le gaz Naturel
p. 8
-Teneur en C5+≤ 0.4% molaire.
II-6 Domaines d’utilisation du GPL :
Le GPL comme carburant :
La combustion du GPL est assez propre, elle ne produit pas de suies, peu de monoxyde de
carbone, relativement peu d'hydrocarbures imbrulés, et assez peu de dioxyde de carbone, par rapport
aux autres carburants et combustibles dérives du pétrole.
Par ailleurs, les hydrocarbures imbrulés issus de la combustion du GPL sont des chaines
carbonées courtes, donc moins toxiques que leurs homologues issus de l'essence, du gasoil, ou du fuel.
C’est un carburant qui préserve les performances du véhicule et réduit même l'usure du moteur.
Le GPL dans la pétrochimie :
La demande pétrochimique globale du GPL enregistre un taux de croissance de l’ordre 10%.Il
est utilisé dans ce domaine comme charge de vapocraqueur afin d’obtenir des oléfines.
Le butane et le propane qui ont obtenu par la séparation du GPL utilisent pour la
déshydrogénation dans la production de butadiène et le propylène qui vont servir comme matière
première pour la synthèse des caoutchoucs.
Le butane utilise dans la fabrication MTBE qui sert comme booster d’octane des essences en
substitution au plomb, il ainsi utilise comme charge des unités d’alcoylation Le propane et le butane
sont utilisés pour la production d’acétaldéhyde, formaldéhyde, l’acide acétique et l’acétone.
Le GPL dans la production d’électricité :
Il est utilisé pour la génération d’électricité pourrait être important si les conditions de nature
économique venaient à être favorable, les marches cibles à cet effet, et qui sont attractive pour le GPL.
II-7 Exportation du GPL :
Accroissement substantiel des quantités a l’exportation en 2005, 8,5 millions de tonnes dont 6
millions de tonnes en propane.
Méditerranée : 80% (France, Italie, Espagne, Portugal, Maroc, Turquie, Égypte, Liban, Tunisie,
Syrie).
USA : 14%
Amérique latine : 3% (Brésil, Mexique, Équateur, Guatemala, Porto Rico)
Asie : 2% (Corée, Chine, Japon, Singapour, Australie)
Chapitre II : Généralité sur le gaz Naturel
p. 9
Europe du Nord : 1% (Hollande, Suède, Belgique, Finlande, Angleterre).
II-8 généralité sur le condensat :
II-8-1 Définition du Condensât :
Le condensat est constitué d’un mélange d’hydrocarbures paraffinées, de (iC5H12) jusque’au
(C12H26) et plus, généralement extrait des gisements du gaz a condensat. Il est sous forme liquide dans
les conditions normales de température et de pression.
II-8-2 Caractéristiques du Condensât :
Les principales caractéristiques du condensat sont :
- Aspect : C’est un liquide incolore, avec une odeur d’essence.
- Poids spécifique : Poids spécifique du condensat est compris entre 0,7 à 0,8.
- Point d’éclair : Son point d’éclaire est inferieure a –40°C.
- Limites d’inflammabilités : Il est très inflammable, car il a un point d’éclaire inferieur à zéro, ses
limites d’inflammabilités sont approximativement : 1,4 et 7,6% (dans l’air).
- Densité de vapeur : Les vapeurs du condensat sont plus lourdes que l’air, la densité de ces vapeurs
est de 3 à 4 plus grande que celle de l’air.
- Explosivité et d’inflammabilités : Le condensat est un fluide hautement inflammable et évaporable
a une température et pression normales, du fait que’il n’est pas électro conducteur, présente un danger
d’inflammation ou explosion du fait de l’étincelage électrostatique amorce par coulage, filtration,
chute, pulvérisation,...etc.
On devra faire attention car les vapeurs du condensat constituent un mélange gazeux explosif
se répondant par terre du fait de sa densité plus élevée que celle de l’air.
- Toxicité physiologique : Les vapeurs du condensat sont toxiques. Lorsque’un Homme s’y expose
le premier symptôme constate sera l’irritation des yeux ce qui sera suivie de symptômes névropathies
(étourdissement).
La victime peut éventuellement se mettre à crier, rire stupidement et finir à avoir du mal à
marcher.
Lorsque la concentration des vapeurs du condensat est de l’ordre de 0,025% à 0,05%
volumique dans l’air, elle ne peut pas causer des symptômes heures d’inhalation.
Chapitre II : Généralité sur le gaz Naturel
p. 10
- Précautions hygiéniques : Pour prévenir l’intoxication, on doit réaliser une ventilation convenable
des locaux de travail et maintenir la concentration des vapeurs du condensat à moins de 300 ppm.
II-9 Domaines d’utilisation du Condensât :
La particularité du condensat résidu dans son utilisation dans deux secteurs Industriels
entièrement stratégiques : le raffinage et la pétrochimie.
Elle confère à ce produit une valeur différente par secteur d’utilisation, qui représente en fait
un cout d’opportunité par rapport à la charge classique dans une raffinerie ou un Craquer.
II-9-1 Utilisation du Condensât dans la pétrochimie :
La valorisation du condensat, se fait principalement dans le domaine de la pétrochimie ou la
demande est très importante Il est principalement utilise pour la production des oléfines par le
vapocraquage.
II-9-2 Utilisation du Condensât dans le raffinage :
Le condensat est utilisé dans la production des carburants notamment les essences, leurs prix
de revient est plus bas que les essences produites à partir du pétrole brut car la
Chapitre III : Présentation du CSTF
p. 12
III- Description du CSTF :
Le CSTF a pour but de stocker le GPL et le condensat en provenance des modules de traitement
de gaz MPP 0, I, II, III, IV et le centre de traitement de gaz Djebel Bissa, et de transférer ces deux
produits vers le terminal d’ARZEW à travers les deux oléoducs LZ1 et NZ1
Le CSTF a une capacité de stockage totale de 78000 m3
de GPL et de 285000 m3
de Condensât.
III-1-1 Localisation du site CSTF et installations voisines :
Figure 3 : Emplacement du CSTF (Google Maps)
Chapitre III : Présentation du CSTF
p. 13
III-2 Principales installations de stockage :
Le Centre de Stockage et de Transfert Facilité CSTF dispose 12 Sphères de stockage de GPL
et 07 Bacs de stockage du Condensât désignées dans le tableau suivant :
Tableau 2 : Principales installations de stockage CSTF
Identification du réservoir de
stockage
Désignation Capacité en m3
Sphère de stockage GPL 50-T001 6500
Sphère de stockage GPL 50-T002 6500
Sphère de stockage GPL 50-T003 6500
Sphère de stockage GPL 50-T004 6500
Sphère de stockage GPL 50-T005 6500
Sphère de stockage GPL 50-T016 6500
Sphère de stockage GPL 60-T001 6500
Sphère de stockage GPL 60-T002 6500
Sphère de stockage GPL 60-T003 6500
Sphère de stockage GPL 60-T004 6500
Sphère de stockage GPL 60-T005 6500
Sphère de stockage GPL 60-T006 6500
Bac de stockage Condensât 50-T006 45000
Bac de stockage Condensât 50-T007 45000
Bac de stockage Condensât 50-T008 45000
Bac de stockage Condensât 50-T009 45000
Bac de stockage Condensât S-101A 35000
Bac de stockage Condensât S-101B 35000
Bac de stockage Condensât S-101C 35000
Le CSTF est composé en trois sections :
 Section de stockage et de transfert du condensat
 Section de stockage et de transfert du GPL
 Section de compression du GPL
Chapitre III : Présentation du CSTF
p. 14
III-3 Description du fonctionnement du site de Stockage et de transfert du condensat :
Le site de stockage et de transfert de condensat est composé des installations suivantes :
 7 bacs (4 bacs côté japonais, 3 bac côté américain) d’une capacité nominal de 45000 m3
pour le côté japonais et 35000 m3
pour le côté américain avec une capacité totale de
stockage des bacs de 285000 m3
 3 pompes américaine P-102 A/B/C : débit 1135 m3
/h à P = 5 à 25 bar
6 pompes japonaise 3 P003 A/B/C : débit 575 m3
/h à P = 5 à 15 bar et 3 P004 A/B/C :
débit 575 m3
/h à P = 15 à 25 bar Pour le remplissage et le vidange.
Figure 4 : les bacs de CSTF (Google Maps)
III-3-1 Section de stockage et de transfert du condensat :
a) Fonctionnement normal :
Lors du fonctionnement normal, le condensat sortant des modules II, III circule vers le pipeline
à travers l’unité de comptage en évitant les bacs de stockage après avoir été pompé à l’aide de la pompe
de pipeline à condensat.
Lorsque la pression d’aspiration de la pompe s’élève suffisamment, une partie de condensat se
dirige vers les bacs de stockage.
Chapitre III : Présentation du CSTF
p. 15
Les vannes de remplissage des bacs de stockage du condensat sont toujours laissés ouvertes.
La soupape de contrôle fonctionne pour parer à toute anomalie imprévu au cours de l’aspiration
ou le refoulement de la pompe. En réponse au signale « basse puissance de sortie », l’écoulement des
condensats est réagi de manière à éviter toute cavitation de la pompe de pipeline à condensats et toute
hausse de la pression sur la canalisation de refoulement de cette pompe.
b) Remplissage et vidange :
Si le condensat en provenance des modules ne peut être transférer du fait d’une interruption du
pipeline, d’une anomalie de la pompe ou d’une diminution de la demande de SONATRACH TRC, il
se dirige vers les bacs de stockage.
Après la remise en état du pipeline ou de la pompe, le condensat contenu dans les bacs de stockage
circule vers la conduite d’aspiration de la pompe sous l’action d’un régulateur de débit, après avoir été
pressurisé par la pompe surcompression à condensat.
En règle générale, on ne doit pas pomper du condensat de deux bacs de stockage simultanément
au cours d’une opération de vidange. De plus, il est interdit d’effectuer simultanément le remplissage
et la vidange du même bac en même temps.
Dans le cas où l’on retirerait le volume totale des condensats de leur bac à l’aide des pompes, on
a deux régulateur de débit sur une des deux conduites ; il est donc conseillé de fixer le point de tarage
du régulateur 1 légèrement au-dessus de celui de 2.
c) transfert du condensat entre les réservoirs de stockage :
Lorsqu’on veut effectuer des travaux sur un bac de stockage contenant du condensat, on fait le
transfert du condensat à un autre bac au moyen des trois pompes. Ce transfert peut être effectué
parallèlement à d’autres opérations.
III-4 Description du fonctionnement du site de Stockage et de transfert du GPL :
Le site de stockage et de transfert de GPL est composé des installations suivantes :
 12 sphères d’une capacité nominal de 6500 m3
chacune avec une capacité totale de stockage
de l’ordre de 78000 m3
 6 pompes boosters P001 A/B/C/D/E/F : débit 165 m3
/h à P = 15 à 18 bar chacune dont 3
pompes ont une deuxième fonction de transfert de GPL entre les sphères.
Chapitre III : Présentation du CSTF
p. 16
 3 pompes P002 A/B/C: débit 350 m3
/h à P = 25 à 34 bar chacune, d’expédition GPL vers
la ligne 24’’ avec un débit de 350 m3
/h chacune
 5 groupes turbocompresseurs avec 12 aéroréfrigérants de GPL
III-4-1 Section de stockage et de transfert du GPL :
a) Fonctionnement normal :
Lors du fonctionnement normal, le GPL sortant des modules II , III et IV circule vers le
pipeline à travers l’unité de comptage du GPL en évitant les sphères de stockage après avoir été pompé
à l’aide de la pompe de pipeline à GPL.
Lorsque la pression d’aspiration de la pompe s’élève suffisamment, une partie de GPL se dirige
vers les sphères de stockage.
Figure 5 : les sphères de CSTF pour stockage de GPL (Google Maps)
Chapitre III : Présentation du CSTF
p. 17
Les vannes de remplissage des sphères de stockage du GPL sont toujours laissés ouvertes.
b) Remplissage et vidange :
Si le GPL en provenance des modules ne peut être transférer du fait d’une interruption du pipeline,
d’une anomalie de la pompe ou d’une diminution de la demande de SONATRACH TRC, il se dirige
vers les sphères de stockage.
Après la remise en état du pipeline ou de la pompe, le GPL contenu dans les sphères de stockage
circule vers la conduite d’aspiration de la pompe sous l’action d’un régulateur de débit, après avoir été
pressurisé par la pompe surcompression à GPL.
En règle générale, on ne doit pas pomper du GPL de deux sphères de stockage simultanément au
cours d’une opération de vidange. De plus, il est interdit d’effectuer simultanément le remplissage et
la vidange de la même sphère.
c) transfert du GPL entre les sphères de stockage :
Lorsqu’on veut effectuer des travaux sur une sphère de stockage contenant du GPL, on fait le
transfert du GPL à une autre sphère au moyen des trois pompes. Ce transfert peut être effectué
parallèlement à d’autres opérations.
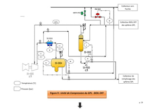
III-4-2 Section de compression du GPL :
Cette section a pour fonction de maintenir la pression et la température des sphères de GPL
dans une gamme déterminée, par compression, condensation, dilatation et circulation des gaz qui se
dégagent par ébullition à l’intérieur des sphères de GPL sous l’effet de :
- la convection et la radiation de la chaleur atmosphérique
- l’échauffement dû à la perte par friction des canalisations
- la différence de température entre les liquides stockés et ceux à introduire
Les gaz chassés par ébullition des sphères GPL sont comprimés dans les compresseurs
(groupes turbocompresseur) et condensés dans un condenseur de vapeur GPL, d’où ils se dirigent
vers un accumulateur. Le liquide contenu dans cet accumulateur est renvoyé enfin vers les sphères.
Toutefois, l’opération de remplissage nécessite au moins deux compresseurs.
Lorsqu’il est impossible de faire fonctionner les compresseurs à GPL pour une raison
quelconque, les gaz dégagés par ébullition dans les sphères GPL sont envoyés vers la torche.
Chapitre III : Présentation du CSTF
p. 18
III-5 Section de torche :
Le CSTF est doté d’un système de torche HP (haut pression) qui permet de bruler les gaz
résiduaires dégagés en cas d’anomalie.
Le système de torche se compose de collecteurs de torche, d’un dispositif de récupération des
brouillards (ballon-tampon, ballon draineur et purgeurs à pompage) et d’une torche proprement dite.
Les gaz résiduaires ne circulent pas dans le système de torche au cours de l’exploitation
normale de l’usine. Donc, du gaz combustible est injecté en amont du collecteur de torche.
III-6 Section de vide-vite :
L’hydrocarbure liquide déchargé à partir de chaque section se dirige vers la fosse de brûlage
pour combustion. Cette fosse de brûlage, réservée aux besoins du MPP I, est située dans la zone du
CSTF.
L’hydrocarbure déchargé est d’abord recueilli dans un ballon tampon, qui permet de le séparer
en phases gazeuse et liquide. Après avoir été pressurisé par la pompe de vidange, l’hydrocarbure
liquide se dirige finalement vers la fosse de brûlage.
III-7 Utilités :
Eau :
 eau de service
 eau anti incendie
 eau de refroidissement
 eau potable
Air :
 Air de service
 Air instrument
Les deux types d’air sont assurés par un compresseur d’air d’un débit de 855 Nm3
/h et une
pression de 7 bars
Gaz inerte
Système de drainage eau
Système de gaz combustible
Chapitre III : Présentation du CSTF
p. 19
Séparateur d’huile
Énergie électrique
III-8 Description générale de la sphère de stockage GPL (50-T016) :
III-8-1 Caractéristiques technique de la sphère 50-T016 :
Diamètre intérieur : D = 23,9314 m
Tolérance de Corrosion : 3,175 mm
Température de calcul : -17,8 – 93,3 °C
Matériel : SA – 537 CL. 2
Pression nominal PN = 5,34 Kg/Cm2
Température nominale TN = 21 Kg/Cm2
Pression de calcul P = 5,98 Kg/Cm2
:
Figure 6 : sphère de stockage n° 50-T016
Chapitre III : Présentation du CSTF
p. 20
Tableau 3 : Pressions dans les différents points de la sphère
N° Zone : angle θ° Pression total
(bar)
Épaisseur de plaque
(mm)
1 0 – 26,1236 5,98 29,3
2 26,1236 – 31,8750 5,98 29,5
3 31,8750 – 69,00 6,150 31,7
4 69,00 – 117,00 6,670 33,7
5 117,00 – 148,1250 6,923 34,2
6 148,1250 – 160,8750 6,984 34,3
7 160,8750 – 180,00 7,019 34,4
Températures critiques : -Basse température critique : -17,8°C
-Haute température critique : +93,3°C
Capacité totale : 7170 m3
Capacité de service : 6500 m3
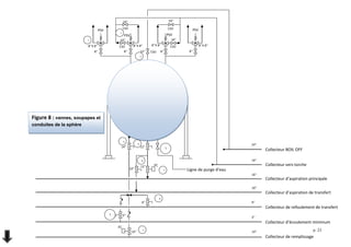
III-8-2 Équipements des sphères de stockage GPL :
 Ligne de remplissage 14’’
 Ligne de vidange 12‘’ : calorifugée
 Ligne de purge d’eau : calorifugée et équipée de deux résistances (traçage électrique) pour
éviter le givrage de la conduite
 Ligne de prise d’échantillon
 Ligne de récupération des vapeurs GPL : BOIL OFF
 2 Soupapes PSV vers atmosphère
 2 Soupapes PSV vers torche
 2 Trou d’homme : un trou en bas et l’autre en haut équipés d’une conduite de vidange
 2 Indicateurs de pression PG (haut et bas)
 2 Indicateurs de température TG (haut et bas)
Chapitre III : Présentation du CSTF
p. 21
 2 jauges avec indicateur local
 LIA H : alarme haut niveau
 LZH : alarme très haut niveau
 LIA L : alarme bas niveau
 LZL : alarme très bas niveau
 2 Éclairages ATEX haut et bas
 Une mise à la terre
 Une passerelle pour accès au sommet de la sphère
p. 22
Figure 7 : Équipements de sécurité de la
sphere
Mise à la terre
Ligne de purge d’eau
Collecteur BOIL OFF
10’’
CSO
8’’X 8’’
3/4’’
16’’
24’’
12’’
16’’
Collecteur vers torche
P
G
T
G
P
G
H
L
LI
A
Vapeur GPL
Liquide GPL
Distributeur
LZ
H
LZ
L
14’’
12’’
T
G
CSO
PSV
10’’
CSO
10’’
8’’X 8’’
8’’8’’
PSV
10’’
CSO
CSO
PSV
8’’X 8’’ 8’’X 8’’
8’’ 8’’
PSV
Ligne de prise d’échantillon
p. 23
Ligne de purge d’eau
14’’
3’’
6’’
10’’
12’’
14’’ 12’’
16’’
24’’
CSO12’’
10’’
10’’
CSO
CSO
PSV
CSO
PSV
10’’
CSO
10’’
8’’X 8’’ 8’’X 8’’ 8’’X 8’’8’’X 8’’
8’’ 8’’ 8’’8’’
PSVPSV
FC
FC
10’’
16’’
3’’
6’’
14’’
Collecteur BOIL OFF
Collecteur de refoulement de transfert
Collecteur d’écoulement minimum
Collecteur de remplissage
Collecteur vers torche
Collecteur d’aspiration principale
Collecteur d’aspiration de transfert
1
2
3
4
6
1
1
7
8
9
5
1
0
Figure 8 : vannes, soupapes et
conduites de la sphère
Chapitre III : Présentation du CSTF
p. 24
Comme montre le schéma, notre sphère est connectée aux différentes conduites, vannes
et soupapes suivantes :
1 - Soupape PSV vers atmosphère
2 - Soupape PSV vers torche
3 - Vanne de la conduite de BOIL OFF
4 - Vanne de remplissage
5 - Vanne de sécurité de remplissage
6 - Vanne de vidange
7 - Vanne de sécurité de vidange
8 - Vanne du collecteur d’aspiration de transfert
9 - Vanne du collecteur de refoulement de transfert
10 - Vanne du collecteur d’écoulement minimum
11 - Vanne de la ligne de purge d’eau
FC : FAIL CLOSED : vanne fermé en cas de panne
CSO : CAR SEAL OPEN : vanne en position ouverte à dispositif de sécurité
Vanne à boisseau à bille
Vanne TOR à boisseau à bille
Vanne manuel
Clapet de non-retour
Chapitre III : Présentation du CSTF
p. 25
Chaque sphère GPL est raccordée aux canalisations de Remplissage, Vidange et de
BOIL OFF.
La ligne remplissage est raccordée au collecteur de remplissage, collecteur de
refoulement de transfert et au collecteur d’écoulement minimum
Collecteur de remplissage 14 ‘’ : Ce collecteur est raccordé directement au pipeline GPL
en provenance des modules de traitement de gaz.
Collecteur de refoulement de transfert 6 ‘’ : Lors de l’opération de transfert du GPL
d’une sphère à une autre pour des raisons de sécurité (anomalie, fuite …), le GPL refoulé à
partir de la pompe de transfert se dirige vers le collecteur de refoulement de transfert pour
alimenter l’autre sphère à l’aide de la vanne 6 ‘’.
Collecteur d’écoulement minimum 3 ‘’ : Lorsqu’on a un excès de débit au refoulement
des pompes booster et afin de protéger les pompes d’expédition, le GPL se dirige vers le
collecteur d’écoulement minimum à partir d’une vanne de régulation de débit. Le GPL contenu
dans ce collecteur est renvoyé vers la sphère par l’ouverture de la vanne 3 ‘’.
La ligne de vidange est raccordée au collecteur d’aspiration principale des pompes
d’expédition et au collecteur d’aspiration de transfert
Collecteur d’aspiration principale : Chaque conduite de vidange de la sphère est
raccordée au collecteur d’aspiration principale des pompes d’expédition.
Collecteur d’aspiration de transfert : Lors de l’opération de transfert du GPL d’une
sphère à une autre pour des raisons de sécurité (anomalie, fuite …), on ouvre la vanne 10 ‘’ de
la conduite raccordée à la ligne de remplissage de la sphère qu’on veut vidanger afin d’envoyer
le GPL vers le collecteur d’aspiration de transfert qui alimente la conduite d’aspiration des
pompes de transfert.
Cuvette de rétention :
Les sphères GPL sont situées à l’intérieur de cuvettes de rétention qui sont
séparées. La surface de chaque cuvette de rétention est de 4225 m2
elle est calculée pour
contenir 20 % du volume utile de stockage.
Chapitre III : Présentation du CSTF
p. 26
III-9 Eléments et dispositifs de Sécurité de la Sphère de stockage GPL :
III-9-1 Unité de compression du GPL (BOIL OFF) :
Cet élément a pour fonction de maintenir la pression et la température des sphères de
GPL dans une gamme déterminée (P = 5,34 bar, T = 21°C). Les gaz chassés par ébullition
passent par quatre étapes successives : Épuration – Compression – Refroidissement –
Condensation.
Épuration :
Les gaz chassés par ébullition des sphères GPL (P = 4,2 bar – 5,4 bar) passent à travers
la conduite BOIL OFF vers le ballon épurateur (50-D003) (2 ballons épurateurs) qui a deux
fonctions :
- Récupérer le liquide GPL condensé et le renvoyer vers les sphères à l’aide des pompes de
récupération GPL (P005)
- C’est un élément important pour la sécurité du compresseur du fait qu’il élimine les fractions
liquides du GPL à l’aspiration du compresseur.
Compression :
Ensuite les gaz GPL entre dans le compresseur (50-K002) (5 compresseurs GPL)
entrainé par une turbine à gaz, dans les conditions suivantes :
-Aspiration : Pression = 4,2 – 5,4 bar, Température = 21 °C
-Refoulement : Pression = 19,7 bar, Température = 83 °C
Refroidissement :
Après l’opération de compression, les vapeurs GPL subit une augmentation de
température, alors ils se dirigent vers les aéroréfrigérants (50-E001) (12 aéroréfrigérants) d’où
leurs température baisse jusqu’à 54 °C.
Condensation :
Ensuite les vapeurs GPL entrent dans l’accumulateur (50-D004) (2 accumulateurs) et du fait de
la détente, le liquide est récupéré en bas de l’accumulateur et renvoyé finalement vers les
sphères
Chapitre III : Présentation du CSTF
p. 27
Dans le fonctionnement normal, un compresseur GPL (groupe turbocompresseur) est
toujours en marche. Quand la pression dans la sphère augmente jusqu’à 5,4 Kg/Cm2
, on fait
démarrer un deuxième compresseur pour diminuer l’excès en pression dans la sphère de GPL.
p. 28
HXCV 014
PIC 019
Collecteur BOIL OFF
des sphères GPL
Collecteur de
remplissage des
sphères GPL
Collecteur vers
Torche
L
FI
50-E001
A - H
TI
PI
LI
83
19,7
54
19,0
21
Température (°C)
Pression (bar)
Figure 9 : Unité de Compression du GPL : BOIL OFF
PI
21°c
Chapitre III : Présentation du CSTF
p. 29
III-9-2 Vanne régulatrice de pression PIC 019 : vers torche
Cette vanne s’ouvre automatiquement lorsque la pression à l’intérieur de la sphère et
dans la conduite de BOIL OFF atteint 5,5 Kg/Cm2 au cours du fonctionnement du compresseur
de GPL.
Elle permet d’envoyer les gaz dégagés par ébullition vers torche
III-9-3 La vanne HXCV 014 : vers torche :
Cette vanne (TOR) est commandée par l’exploitant à partir de la salle de contrôle.
Elle est utilisée dans les conditions extrêmes d’exploitation (défaillance des
compresseurs et de la vanne PIC-019) Généralement on évite l’ouverture de cette vanne pour
éviter de perdre des quantités importantes de GPL vers torche.
III-9-4 Soupapes PSV vers torche :
Chaque sphère a deux soupapes PSV qui assure la circulation des gaz vers torche quand
la pression dans la sphère atteint 5,98 Kg/Cm2.
III-9-5 Soupapes PSV vers atmosphère :
Installées sur partie haute de chaque sphère, ces deux soupapes PSV s’ouvre pour
chasser les gaz vers l’atmosphère lorsque la pression à l’intérieur de la sphère augmente jusqu’à
6,28 Kg/Cm2
.
Tableau 4 : Caractéristiques des soupapes PSV
Désignation
du Soupape
Diamètre
Pression de
tarage (bar)
Débit (Kg/h) Destination
PSV 032A 8’’X 8’’ 5,98 107200 Torche
PSV 032B 8’’X 8’’ 5,98 107200 Torche
PSV 030A 8’’X 8’’ 6,28 118000 Atmosphère
PSV 030B 8’’X 8’’ 6,28 118000 Atmosphère
Chapitre III : Présentation du CSTF
p. 30
III-9-6 Vannes pneumatique de la ligne de remplissage et de vidange de la sphère :
Les conduites de remplissage et de vidange sont équipées de deux vannes en série.
La première, montée directement sous les réservoirs est toujours ouvert ; il n'a qu’une
fonction de sécurité.
La deuxième placée en limite de cuvette est normalement manœuvré durant les opérations
d'exploitation.
 La vanne de sécurité de remplissage se ferme automatiquement en cas de :
- Alarme très haut niveau de la sphère
- Manque d’air instrument
 La vanne de sécurité de vidange se ferme automatiquement en cas de :
- Alarme très bas niveau de la sphère
- Manque d’air instrument
Ces vannes sont à sécurité positive (fermeture par manque d 'air) et asservies au système
d'alarme. Hors exploitation, elles sont fermées, ce qui assure l'isolement du réservoir des autres
parties de l'installation.
Elles sont aussi reliées à un petit réservoir auxiliaire d’air qui maintient la pression d’air d’une
durée de 30 minutes en cas de manque d’air.
Pour éviter la vidange accidentelle des réservoirs en cas de rupture de tuyauterie il est installé
un clapet anti retour sur la tuyauterie de remplissage.
En plus des éléments de sécurité mentionnés précédemment, chaque sphère GPL a les
instrumentations de sécurité suivantes :
 Les jaugeurs déposés sur les sphères, sont chargés de contrôler le niveau maximum
de remplissage. Si ce niveau est atteint, ils déclenchent l’alarme dans l’unité, ce qui
permet d’éviter le risque de sur-remplissage.
 LIA H : alarme haut niveau : 19 m.
 LZH : alarme très haut niveau : 20 m Déclenchement : fermeture de la vanne de
sécurité de remplissage (FC).
 LIA L : alarme bas niveau : 1,5 m.
Chapitre III : Présentation du CSTF
p. 31
 LZL : alarme très bas niveau : 0,86 m Déclenchement : arrêt de la pompe boosté et
fermeture de la vanne de sécurité de vidange (FC).
Ces indications permettent aux exploitants dans la salle de contrôle de faire les mesures
nécessaires et d’effectuer une intervention juste à temps.
Conclusion
A travers ce stage nous avons eu un aperçu global de la base de traitement du gaz Hassi R’mel :
 La compréhension de plusieurs process de traitement du gaz brut :
Le procédé HUDSON du module 4.
Le procédé PRTICHARD utilisé au module 1.
 Le gaz traité mène a plusieurs produits :
 Le gaz sec (CH3,C2H6)
Ce produit s’obtient en majorité dans le circuit HP, acheminée ensuite vers le C.N.D.G qui
l’expédie à travers des gazoducs.
Le gaz sec est certes très utile dans la vie quotidienne mais celui-ci n’est pas très rentable par
rapport aux autres produits extrait.
 Le gaz GPL (C3H8 , C4H10)
Ce produit S’obtient dans le circuit BP, stocké ensuite dans le C.S.T.F dans des sphères, et
acheminée ensuite vers les différents point de vente au nord du pays.
Similaire dans ces utilisation au gaz sec, on soulignera surtout l’immense danger que représente
ce produit qui est l’un des plus volatils et inflammable a T° ambiante, les mesures de sécurité
des sphères sont les plus importante du C.S.T.F à cause de ses propriétés.
 Le Condensat (C5
+
)
Tout comme le GPL ce produit s’obtient dans le circuit BP, et acheminée ensuite vers le C.S.T.F
ou il est stocké dans des Bacs a toit flottant.
Ce produit est la perle du champ de Hassi R’mel, utilisé dans divers industries
pharmaceutiques, cosmétiques, automobiles, pétrochimiques…C’est par excellence le produit le
plus rentable et le plus important qu’on peut extraire du gaz brute.
 Le C.S.T.F a été créé pour jouer le rôle d’intermédiaire entre le secteur amont (hassi R’mel) et
aval (Arzew), en cas de problème dans le secteur aval, le C.S.T.F joue un rôle primordiale puisqu’il
permet de continuer la production en attendant la résolution de ce dernier.

Hassi R'mel

  • 1.
    03/01/2016 Présente par : DoudouWalid & Rouighi Rafik Année scolaire : 2015/2016 Rapport de stage Cycle de fin d’étude licence Aperçu générale du champ gazier de Hassi R’mel
  • 2.
    Avant-propos Avant d’entamer l’exposéqui fait l’objet de ce rapport de stage, nous sommes heureux de pouvoir remercier tous ceux qui nous ont aidées à le mener à terme. Tout d’abord, nos respectueux remerciements à notre encadreur qui nous fait l’honneur de participer à l’évaluation de ce travail. A tous ceux qui nous font l’honneur d’évaluer ce modeste travail, on est certain de pouvoir compter sur leurs vastes connaissances et leur esprit critique constructif pour nous aider, par leurs commentaires et leurs remarques, à mieux comprendre certains problèmes rencontrés au cours de notre stage. Mes plus vifs remerciements à Mr Hacini Said, qui nous a soutenues tout au long de ce travail, et à la direction avisée fidèle et exigeante de laquelle ce rapport doit beaucoup. Un grand merci à toute l’équipe du C.S.T.F sans exception qui nous accueillis le cœur grand ouvert, qui ne sait jamais retenue de nous donner une parcelle d’information, De notre mentor le chef de service Moussa, à Youcef notre encadreur dans le C.S.T.F, Anes notre encadreur dans le module 4, Mademoiselle Dibe notre encadreuse dans le module 1, Oncle Soussa qui a partagé avec nous son expérience de 35 ans de métier !! Les recrues de l’IAP avec leurs esprit fraiche et serviable…… jusqu’au chauffeur de bus  Un grand merci à vous tous ! Il ne nous était guère facile d’accomplir ce travail sans ces êtres si chers, qui de près ou de loin nous ont aidées, vous vous reconnaitrez certainement, je vous en saurai gré. Ce modeste travail n’aurait jamais pu se réaliser sans le soutien continu de nos petites familles et sans leur éducation basée sur des valeurs morales fondées sur le respect des autres et du travail. Que ce rapport apporte la fierté méritée à nos maman, nos papa, nos frères, nos sœurs et à ‘Nous-même’ !
  • 3.
    Introduction générale La découvertedu gaz naturel remonte au IVe siècle av. J.-C par les chinois, le forage systématique de puits pour l'extraction de la saumure au Ier siècle av. J.-C. (Dynastie Han) mena à la découverte de beaucoup de « puits à feu » au Sichuan qui produisaient du gaz naturel. Les Chinois conduisaient d'abord le gaz dans un grand réservoir en bois de forme conique, placé 3 m sous le niveau du sol, où un autre conduit amenait l'air. Ce qui transformait le réservoir en grand carburateur. Les premiers gaz combustibles utilisés en Europe, à partir de 1785, date de leur invention, seront des gaz manufacturés, principalement extrait à partir de la houille. Ils sont d'abord utilisés comme gaz d'éclairage, par la suite comme combustible pour les turbines et moteurs, pour le chauffage ainsi que la cuisson. L’appellation gaz de ville apparaît à cette occasion. Les premières utilisations modernes du gaz naturel sont apparues aux États-Unis vers 1820 pour l'éclairage public et devra attendre les années 1950 pour susciter un intérêt mondial. Ses réserves et ressources, voire sa production, était mal connues en dehors des États-Unis jusqu'à la fin des années 1960. Son commerce sous forme liquéfiée (GNL) n'a commencé qu'en 1964 dans des volumes très modestes. À partir de la fin de Seconde Guerre mondiale mais surtout à partir des années 1960, l'usage du gaz naturel se répand à travers le monde et supplante progressivement les gaz manufacturés. Le gaz naturel a de nombreuses qualités, dont l'absence de toxicité. Le pouvoir calorifique du gaz naturel est double de celui du gaz de houille (9 000 cal/m3 contre 4 250). Le gaz naturel nécessitera des aménagements particuliers de tout son réseau de distribution, appareils de chauffe et autres, méthode de stockage (thème de notre stage) et de transport : canalisations, gazoducs, bateaux et port méthaniers. A travers ce document nous tacherons de donner un aperçu générale sur la zone de hassi R’mel, lieu du plus grand gisement gazier de tout le continent africain. Nous aborderons en détails les techniques de stockage du gaz naturel et les moyens mis œuvre pour éviter toute incident nuisible.
  • 4.
    Sommaire Sommaire Chapitre I :Présentation du site I-1 Introduction : .................................................................................................................................. 1 I-Présentation du site :.......................................................................................................................... 1 I-1 Description de la région de Hassi R’mel :...................................................................................... 1 I-2 Historique du développement de champ de Hassi R’mel :............................................................. 2 I-3 Développement du champ de Hassi R’mel : .................................................................................. 2 I-4 Installations gazières à Hassi-R’mel : ............................................................................................ 3 Chapitre II : Généralité sur le gaz Naturel II-1 généralité sur le GPL :................................................................................................................... 5 II-1-1 Définition des GPL :.................................................................................................................. 5 II-1-2 Les sources des GPL :................................................................................................................ 5 II-2 Le GPL dans le monde :................................................................................................................ 6 II-2-1 La production mondiale du GPL : ............................................................................................. 6 II-3 Le GPL en Algérie : ...................................................................................................................... 6 II-3-1 La production nationale du GPL :.............................................................................................. 6 II-4 Les caractéristiques générales des GPL :...................................................................................... 7 II-5 Spécifications des GPL de Hassi R’mel : ..................................................................................... 8 II-6 Domaines d’utilisation du GPL :................................................................................................... 8 II-7 Exportation du GPL : .................................................................................................................... 9 II-8 généralité sur le condensat : .......................................................................................................... 9 II-8-1 Définition du Condensât :.......................................................................................................... 9 II-8-2 Caractéristiques du Condensât :................................................................................................. 9 II-9 Domaines d’utilisation du Condensât : ....................................................................................... 10 II-9-1 Utilisation du Condensât dans la pétrochimie : ....................................................................... 11 II-9-2 Utilisation du Condensât dans le raffinage :............................................................................ 11
  • 5.
    Sommaire Chapitre III :Notre stage en détails III-1 Description du CSTF :................................................................................................................ 12 III-1-1 Localisation du site CSTF et installations voisines : .............................................................. 12 III-2 Principales installations de stockage :........................................................................................ 13 III-3 Description du fonctionnement du site de Stockage et de transfert du condensat :................... 14 III-3-1 Section de stockage et de transfert du condensat :.................................................................. 14 III-4 Description du fonctionnement du site de Stockage et de transfert du GPL : ........................... 15 III-4-1 Section de stockage et de transfert du GPL : .......................................................................... 16 III-4-2 Section de compression du GPL :........................................................................................... 17 III-5 Section de torche :...................................................................................................................... 18 III-6 Section de vide-vite :.................................................................................................................. 18 III-7 Utilités :...................................................................................................................................... 18 III-8 Description générale de la sphère de stockage GPL (50-T016) :............................................... 19 III-8-1 Caractéristiques technique de la sphère 50-T016 : ................................................................. 19 III-8-2 Équipements des sphères de stockage GPL :.......................................................................... 20 III-9 Eléments et dispositifs de Sécurité de la Sphère de stockage GPL :.......................................... 26 III-9-1 Unité de compression du GPL (BOIL OFF) : ........................................................................ 26 III-9-2 Vanne régulatrice de pression PIC 019 : vers torche.............................................................. 29 III-9-3 La vanne HXCV 014 : vers torche :........................................................................................ 29 III-9-4 Soupapes PSV vers torche : .................................................................................................... 29 III-9-5 Soupapes PSV vers atmosphère :............................................................................................ 29 III-9-6 Vannes pneumatique de la ligne de remplissage et de vidange de la sphère :........................ 30
  • 6.
    Sommaire Liste des figures Figure1 : les lignes d’exportations gazières de hassi r’mel Figure 2 : Le champ de Hassi-R’mel Figure 3 : Emplacement du CSTF (Google Maps) Figure 4: les bacs du CSTF (Google Maps) Figure 5 : les sphères du CSTF pour le stockage du GPL ( Google Maps) Figure 6 : sphère de stockage n° 50-T016 Figure 7 : Équipements de sécurité de la sphere Figure 8 : vannes, soupapes et conduites de la sphère Figure 9 : Unité de Compression du GPL : BOIL OFF
  • 7.
    Sommaire Liste des tableaux Tableau1 : Composition molaire du GPL Tableau 2 : Principales installations de stockage CSTF Tableau 3 : Pressions dans les différents points de la sphére Tableau 4 : Caractéristiques des soupapes PSV
  • 8.
    Chapitre I :Présentation du site p. 1 I-1 Introduction : L’Algérie une importe industrie du gaz naturel, et un important producteur de gaz au niveau mondial à la fin de 1953, plusieurs compagnes de sismiques aboutirent a la mise en évidence d’une zone haute pouvant constituer un anticlinal, notamment dans la région de Hassi R’Mel, un premier forage (HR1) a été réalisé en 1956. Huit puits sont alors réalises, délimitant ainsi une structure anticlinale constituant un grand réservoir de gaz. Figure 1 : les lignes d’exportations gazières de hassi r’mel I-Présentation du site : I-1 Description de la région de Hassi R’mel : Hassi R’mèl, porte du désert se trouve à 550 Km au sud de la capitale à une altitude moyenne de 760 m, il se situe sur un vaste plateau rocailleux ou ne pousse qu’une faible végétation composée. Le champ de Hassi-R’mel est une vaste étendue de 3500 Km2 (70 Km de long sur 50 Km de large). Le climat est caractérisé par une faible pluviométrie (140 mm/an), une humidité de 19% en été et de 34% en hiver en moyenne. Les températures varient de –5°C en hiver à 45°C en été, et les vents dominants sont de direction nord-ouest pouvant atteindre des vitesses de 100 km/h.
  • 9.
    Chapitre I :Présentation du site p. 2 Les études du gisement ont prouvé que le réservoir contenait du gaz, du condensât et du GPL, les richesses initiales étaient de 200 g/m3 pour le condensât et de 80 g/m3 pour le GPL. D’autres études ont mis en évidence la présence du pétrole brut tout autour du gisement, mais plus particulièrement dans les parties « Est »et « Sud »du champ. On parle ainsi de présence d’anneau d’huile (pétrole brut). I-2 Historique du développement de champ de Hassi R’mel : La première compagnie intéressant la région a eu lieu en1951, le forage du premier puits d’exploitation a eu lieu en 1952 à quelques Km de BERRIANE. Dans le champ de Hassi R’mel, le premier puit HR1 a été foré en 1956 sous le sommet de l’anticlinal que constitue le gisement de Hassi-R’mel. Ce puit a mis en évidence la présence de gaz riche en condensât dans le trias gréseux à une pression de 310 ATM et 90°C. La profondeur atteinte est de 2332m, révélant la présence d’un réservoir de gaz humide. Réservoir A : S’étend sur tout le champ de Hassi-R’mel, son épaisseur varie de 15 à 30m. Ses caractéristiques sont : Porosité : 15%, Perméabilité : 270.10-3 Darcys, Teneur en eau : 24% Réservoir B : Il est limité à la zone centrale et la zone nord du champ. Ses caractéristiques sont : Porosité : 15%, Perméabilité : 250.10-3 Darcys, Teneur en eau : 28% Réservoir C : Il s’étend sur la majeure partie du champ sauf la zone sud, c’est le plus épais des trois niveaux et le plus important. Ses caractéristiques sont : Porosité : 08%, Perméabilité : 800.10-3 Darcys, Teneur en eau : 13%. I-3 Développement du champ de Hassi R’mel : Le développement de Hassi R’mel s’est trouvé étroitement lié au développement de l’industrie du gaz dans le monde et les importantes réserves recelées par ce gisement, plus de 2000 milliards de m3 ont constitué un atout important pour lancer une politique d’industrie gazière de grande envergure pour le pays. Des étapes importantes ont marqué le développement du champ de Hassi-R’mel : De 1957-1960  furent forés huit autres puits pour la délimitation du gisement et l’évaluation des réserves estimées initialement à 2 800 milliards de m3, sous une superficie de 3500 kilomètres carrés. 1961 Mise en exploitation de 02 unités de traitement de gaz d’une capacité de 1.3 milliards de m3 par an.
  • 10.
    Chapitre I :Présentation du site p. 3 1969  Mise en exploitation de 04 unités supplémentaires pour augmenter la capacité à 4 milliards m3 par an. Le 24-02-1971  Nationalisation historique des hydrocarbures qui permet l’augmentation de la capacité de traitement de Hassi R’mel à 14 milliards de m3 par an. 1975  SONATRACH : met en oeuvre un plan directeur de développement pour augmenter la capacité de production à 94 milliards de m3 par an et maximiser la récupération des hydrocarbures liquides par un recyclage partiel du gaz. 1985  Réalisation et mise en oeuvre de l’usine des communs pour récupérer les gaz moyenne et basse pression et produire le GPL à partir des modules 0 et 1. Juin 1987  Démarrage du centre de traitement de gaz CTG/Djebel-Bissa d’une capacité de 1,4 milliards m3 par an. Avril 1999  Démarrage de la Station de récupération des gaz associés (SRGA) d’une capacité de 1,4 milliards m3 par an. Janvier 2000  Démarrage du centre de traitement de gaz CTG/HR-Sud d’une capacité de 2,4 milliards m3 par an. 2003  Réalisation du projet Boosting qui est sensé d'augmenter la pression d'entrée des modules dans le but est de maximiser la récupération des liquides. Actuellement la capacité totale de traitement est de 98 milliards m3 par an. I-4 Installations gazières à Hassi-R’mel : Plan d’ensemble des installations gazières implantées sur le champ de Hassi-R’mel est élaboré de façon à avoir une exploitation rationnelle du gisement et pouvoir récupérer le maximum de liquide. (Voir FIG 1)
  • 11.
    Chapitre I :Présentation du site p. 4 Figure 2 : Le champ de Hassi-R’mel SECTEUR CENTRE  Module 0  Module 1  Module 4  CSTF  Lieu d’affectation durant notre stage  CNDG  SBC (Station BOOSTING Centre) SECTEUR NORD  Module3  Station de compression (SCS)  SBN (Station BOOSTING Nord)  SECTEUR SUD  Module  Station de compression (SCS)  Djebel-Bessa  HR sud  SBS (Station BOOSTING Sud)
  • 12.
    Chapitre II :Généralité sur le gaz Naturel p. 5 II-1 généralité sur le GPL : II-1-1 Définition des GPL : Le GPL (gaz du pétrole liquéfié) est un mélange gazeux constitue essentiellement de propane (C3H8), et de butane (C4H10), et un peu de traces de méthane (CH4), de l’éthane (C2H6) et le pentane (C5H12). Le GPL est un produit gazeux à la température ambiante et pression atmosphérique. Il est liquéfié à faible pression (4 à 5 bar) et une température très basse pour faciliter son transport, stockage et sa commercialisation, il se gazéifie au moment de son utilisation. La composition molaire du GPL est variable selon leur source. Tableau 1 : Composition molaire du GPL LES COMPOSANTS DU GPL % MOLAIRE Méthane 0,32 Éthane 1,12 Propane 60,95 Iso butane 15,46 Normal butane 22,14 Iso pentane 0,01 II-1-2 Les sources des GPL : Le GPL est obtenu principalement : Dans les raffineries, soit au cours de distillation du pétrole brut ou lors cracking ou de Reforming des produits en vue de la production des essences. Au cours des séparations du gaz naturel (GN) qui a pour but de séparer et de récupérer les condensats et GPL (propane, butane, C5+) dans les champs. Par liquéfaction du gaz naturel.
  • 13.
    Chapitre II :Généralité sur le gaz Naturel p. 6 II-2 Le GPL dans le monde : II-2-1 La production mondiale du GPL : La production mondiale en 2004, a atteint 213 millions de t. La production mondiale du GPL croit à un rythme de 5% par an.60 % de la production mondiale provient du gaz naturel, 40 % du raffinage du pétrole brut (1 t de pétrole donne de 20 à 30 kg de GPL). Au Moyen Orient, la production des GPL s’est considérablement développée à la fin des années 70 lorsque l’augmentation du prix de l’énergie a rendu attractive la récupération du propane et du butane. Auparavant, ces produits étaient brules avec le gaz associe. Cette région est actuellement la principale source d’exportation de GPL dans le monde. En Algérie et en Afrique du Nord, ou les GPL sont surtout récupères à partir du gaz naturel dans les unités de liquéfaction. II-3 Le GPL en Algérie : II-3-1 La production nationale du GPL : Puisque l’Algérie est un pays pétrolier et gazier, l’industrie du GPL est très importante, sa production suivie une croissance soutenue en raison de l’intérêt suscite chez les pays industrialisés par cette forme d’énergie idéale pour la protection de l’environnement. Depuis la mise en exploitation du champ gazier de Hamra en 1996, la production du GPL en Algérie connue un développement rapide. Le niveau de l’offre national du GPL est de l’ordre de 5,5 millions de tonnes en 1996, et plus de 7,3 millions de tonnes en 1998, et environ 9 millions de tonnes en 2001, et de 12,5 millions de tonnes en 2006 lorsque les projets développes sont été mise en service. Cette offre provenant de trois sources différentes : _ 10% obtenus à la suite du raffinage du pétrole brut aux raffineries de Skikda, Arzew, Alger. _ 11% sont obtenus à l’issue de la liquéfaction du gaz naturel aux complexes de liquéfaction de Sonatrach GL2Z, GL1K. _79% sont produits à partir des gisements d’hydrocarbures, suite à la séparation du gaz et le traitement du pétrole brut ; soit 4,35 millions de tonnes.
  • 14.
    Chapitre II :Généralité sur le gaz Naturel p. 7 II-4 Les caractéristiques générales des GPL : ♦ Odeur : le GPL est inodore a l’état naturel, mais on doit ajouter un odorant, ce sont des composes sulfures tel que le diethylmercaptane ou le diméthyle sulfite pour des raisons de sécurité, dans des limites à des fin des commercialisations. ♦ Tension de vapeur : la TVR du GPL est de 8 et 2 bars pour le propane et le butane respectivement à 20°C. ♦ Dilatation : à l’état liquide, le GPL a un haut coefficient de dilatation dont il faut tenir compte lors de leur stockage (les sphères ne doivent jamais être complètement remplies). ♦ Densité : aux conditions normales de température et pression, le GPL sont plus lourds que l’air, il est diminué avec l’augmentation de la température a titre exemple : À 38°C la densité est égale 0,534, la densité est très importante dans le GPL commerciale. De petites quantités de GPL dans l’eau peuvent former un mélange, c’est pour cela que’il n’est pas tolère de négliger la moindre consigne de sécurité dans l’industrie du gaz ♦ Température d’ébullition : à la pression atmosphérique la température d’ébullition de propane est de –42°C, celle de butane est de –6°C. ♦ Pouvoir calorifique : c’est la propriété la plus intéressante étant que le GPL est traditionnellement utilise pour les besoins domestiques : Iso-butane : PC = 29460 (kcal/kg). Normal butane : PC = 29622 (kcal/kg). Propane : PC = 22506 (kcal/ kg). ♦ Impuretés : le plus important est le soufre, la teneur en soufre est inférieure ou égale à 0,005 % en masse, ainsi l’eau l’un des impuretés importants. ♦ Le GPL est non corrosif à l’acier mais généralement aux cuivres et ces alliages ou l’aluminium. ♦ Le GPL n’est aucune propriété de lubrification et cet effet doit être pris en considération lors de la conception des équipements du GPL (pompes et compresseurs) ♦ Le GPL est incolore, que ce soit phase liquide ou gazeux. II-5 Spécifications des GPL de Hassi R’mel : Cette fraction doit répondre aux spécifications : -Teneur en C2- ≤ 3% molaire.
  • 15.
    Chapitre II :Généralité sur le gaz Naturel p. 8 -Teneur en C5+≤ 0.4% molaire. II-6 Domaines d’utilisation du GPL : Le GPL comme carburant : La combustion du GPL est assez propre, elle ne produit pas de suies, peu de monoxyde de carbone, relativement peu d'hydrocarbures imbrulés, et assez peu de dioxyde de carbone, par rapport aux autres carburants et combustibles dérives du pétrole. Par ailleurs, les hydrocarbures imbrulés issus de la combustion du GPL sont des chaines carbonées courtes, donc moins toxiques que leurs homologues issus de l'essence, du gasoil, ou du fuel. C’est un carburant qui préserve les performances du véhicule et réduit même l'usure du moteur. Le GPL dans la pétrochimie : La demande pétrochimique globale du GPL enregistre un taux de croissance de l’ordre 10%.Il est utilisé dans ce domaine comme charge de vapocraqueur afin d’obtenir des oléfines. Le butane et le propane qui ont obtenu par la séparation du GPL utilisent pour la déshydrogénation dans la production de butadiène et le propylène qui vont servir comme matière première pour la synthèse des caoutchoucs. Le butane utilise dans la fabrication MTBE qui sert comme booster d’octane des essences en substitution au plomb, il ainsi utilise comme charge des unités d’alcoylation Le propane et le butane sont utilisés pour la production d’acétaldéhyde, formaldéhyde, l’acide acétique et l’acétone. Le GPL dans la production d’électricité : Il est utilisé pour la génération d’électricité pourrait être important si les conditions de nature économique venaient à être favorable, les marches cibles à cet effet, et qui sont attractive pour le GPL. II-7 Exportation du GPL : Accroissement substantiel des quantités a l’exportation en 2005, 8,5 millions de tonnes dont 6 millions de tonnes en propane. Méditerranée : 80% (France, Italie, Espagne, Portugal, Maroc, Turquie, Égypte, Liban, Tunisie, Syrie). USA : 14% Amérique latine : 3% (Brésil, Mexique, Équateur, Guatemala, Porto Rico) Asie : 2% (Corée, Chine, Japon, Singapour, Australie)
  • 16.
    Chapitre II :Généralité sur le gaz Naturel p. 9 Europe du Nord : 1% (Hollande, Suède, Belgique, Finlande, Angleterre). II-8 généralité sur le condensat : II-8-1 Définition du Condensât : Le condensat est constitué d’un mélange d’hydrocarbures paraffinées, de (iC5H12) jusque’au (C12H26) et plus, généralement extrait des gisements du gaz a condensat. Il est sous forme liquide dans les conditions normales de température et de pression. II-8-2 Caractéristiques du Condensât : Les principales caractéristiques du condensat sont : - Aspect : C’est un liquide incolore, avec une odeur d’essence. - Poids spécifique : Poids spécifique du condensat est compris entre 0,7 à 0,8. - Point d’éclair : Son point d’éclaire est inferieure a –40°C. - Limites d’inflammabilités : Il est très inflammable, car il a un point d’éclaire inferieur à zéro, ses limites d’inflammabilités sont approximativement : 1,4 et 7,6% (dans l’air). - Densité de vapeur : Les vapeurs du condensat sont plus lourdes que l’air, la densité de ces vapeurs est de 3 à 4 plus grande que celle de l’air. - Explosivité et d’inflammabilités : Le condensat est un fluide hautement inflammable et évaporable a une température et pression normales, du fait que’il n’est pas électro conducteur, présente un danger d’inflammation ou explosion du fait de l’étincelage électrostatique amorce par coulage, filtration, chute, pulvérisation,...etc. On devra faire attention car les vapeurs du condensat constituent un mélange gazeux explosif se répondant par terre du fait de sa densité plus élevée que celle de l’air. - Toxicité physiologique : Les vapeurs du condensat sont toxiques. Lorsque’un Homme s’y expose le premier symptôme constate sera l’irritation des yeux ce qui sera suivie de symptômes névropathies (étourdissement). La victime peut éventuellement se mettre à crier, rire stupidement et finir à avoir du mal à marcher. Lorsque la concentration des vapeurs du condensat est de l’ordre de 0,025% à 0,05% volumique dans l’air, elle ne peut pas causer des symptômes heures d’inhalation.
  • 17.
    Chapitre II :Généralité sur le gaz Naturel p. 10 - Précautions hygiéniques : Pour prévenir l’intoxication, on doit réaliser une ventilation convenable des locaux de travail et maintenir la concentration des vapeurs du condensat à moins de 300 ppm. II-9 Domaines d’utilisation du Condensât : La particularité du condensat résidu dans son utilisation dans deux secteurs Industriels entièrement stratégiques : le raffinage et la pétrochimie. Elle confère à ce produit une valeur différente par secteur d’utilisation, qui représente en fait un cout d’opportunité par rapport à la charge classique dans une raffinerie ou un Craquer. II-9-1 Utilisation du Condensât dans la pétrochimie : La valorisation du condensat, se fait principalement dans le domaine de la pétrochimie ou la demande est très importante Il est principalement utilise pour la production des oléfines par le vapocraquage. II-9-2 Utilisation du Condensât dans le raffinage : Le condensat est utilisé dans la production des carburants notamment les essences, leurs prix de revient est plus bas que les essences produites à partir du pétrole brut car la
  • 18.
    Chapitre III :Présentation du CSTF p. 12 III- Description du CSTF : Le CSTF a pour but de stocker le GPL et le condensat en provenance des modules de traitement de gaz MPP 0, I, II, III, IV et le centre de traitement de gaz Djebel Bissa, et de transférer ces deux produits vers le terminal d’ARZEW à travers les deux oléoducs LZ1 et NZ1 Le CSTF a une capacité de stockage totale de 78000 m3 de GPL et de 285000 m3 de Condensât. III-1-1 Localisation du site CSTF et installations voisines : Figure 3 : Emplacement du CSTF (Google Maps)
  • 19.
    Chapitre III :Présentation du CSTF p. 13 III-2 Principales installations de stockage : Le Centre de Stockage et de Transfert Facilité CSTF dispose 12 Sphères de stockage de GPL et 07 Bacs de stockage du Condensât désignées dans le tableau suivant : Tableau 2 : Principales installations de stockage CSTF Identification du réservoir de stockage Désignation Capacité en m3 Sphère de stockage GPL 50-T001 6500 Sphère de stockage GPL 50-T002 6500 Sphère de stockage GPL 50-T003 6500 Sphère de stockage GPL 50-T004 6500 Sphère de stockage GPL 50-T005 6500 Sphère de stockage GPL 50-T016 6500 Sphère de stockage GPL 60-T001 6500 Sphère de stockage GPL 60-T002 6500 Sphère de stockage GPL 60-T003 6500 Sphère de stockage GPL 60-T004 6500 Sphère de stockage GPL 60-T005 6500 Sphère de stockage GPL 60-T006 6500 Bac de stockage Condensât 50-T006 45000 Bac de stockage Condensât 50-T007 45000 Bac de stockage Condensât 50-T008 45000 Bac de stockage Condensât 50-T009 45000 Bac de stockage Condensât S-101A 35000 Bac de stockage Condensât S-101B 35000 Bac de stockage Condensât S-101C 35000 Le CSTF est composé en trois sections :  Section de stockage et de transfert du condensat  Section de stockage et de transfert du GPL  Section de compression du GPL
  • 20.
    Chapitre III :Présentation du CSTF p. 14 III-3 Description du fonctionnement du site de Stockage et de transfert du condensat : Le site de stockage et de transfert de condensat est composé des installations suivantes :  7 bacs (4 bacs côté japonais, 3 bac côté américain) d’une capacité nominal de 45000 m3 pour le côté japonais et 35000 m3 pour le côté américain avec une capacité totale de stockage des bacs de 285000 m3  3 pompes américaine P-102 A/B/C : débit 1135 m3 /h à P = 5 à 25 bar 6 pompes japonaise 3 P003 A/B/C : débit 575 m3 /h à P = 5 à 15 bar et 3 P004 A/B/C : débit 575 m3 /h à P = 15 à 25 bar Pour le remplissage et le vidange. Figure 4 : les bacs de CSTF (Google Maps) III-3-1 Section de stockage et de transfert du condensat : a) Fonctionnement normal : Lors du fonctionnement normal, le condensat sortant des modules II, III circule vers le pipeline à travers l’unité de comptage en évitant les bacs de stockage après avoir été pompé à l’aide de la pompe de pipeline à condensat. Lorsque la pression d’aspiration de la pompe s’élève suffisamment, une partie de condensat se dirige vers les bacs de stockage.
  • 21.
    Chapitre III :Présentation du CSTF p. 15 Les vannes de remplissage des bacs de stockage du condensat sont toujours laissés ouvertes. La soupape de contrôle fonctionne pour parer à toute anomalie imprévu au cours de l’aspiration ou le refoulement de la pompe. En réponse au signale « basse puissance de sortie », l’écoulement des condensats est réagi de manière à éviter toute cavitation de la pompe de pipeline à condensats et toute hausse de la pression sur la canalisation de refoulement de cette pompe. b) Remplissage et vidange : Si le condensat en provenance des modules ne peut être transférer du fait d’une interruption du pipeline, d’une anomalie de la pompe ou d’une diminution de la demande de SONATRACH TRC, il se dirige vers les bacs de stockage. Après la remise en état du pipeline ou de la pompe, le condensat contenu dans les bacs de stockage circule vers la conduite d’aspiration de la pompe sous l’action d’un régulateur de débit, après avoir été pressurisé par la pompe surcompression à condensat. En règle générale, on ne doit pas pomper du condensat de deux bacs de stockage simultanément au cours d’une opération de vidange. De plus, il est interdit d’effectuer simultanément le remplissage et la vidange du même bac en même temps. Dans le cas où l’on retirerait le volume totale des condensats de leur bac à l’aide des pompes, on a deux régulateur de débit sur une des deux conduites ; il est donc conseillé de fixer le point de tarage du régulateur 1 légèrement au-dessus de celui de 2. c) transfert du condensat entre les réservoirs de stockage : Lorsqu’on veut effectuer des travaux sur un bac de stockage contenant du condensat, on fait le transfert du condensat à un autre bac au moyen des trois pompes. Ce transfert peut être effectué parallèlement à d’autres opérations. III-4 Description du fonctionnement du site de Stockage et de transfert du GPL : Le site de stockage et de transfert de GPL est composé des installations suivantes :  12 sphères d’une capacité nominal de 6500 m3 chacune avec une capacité totale de stockage de l’ordre de 78000 m3  6 pompes boosters P001 A/B/C/D/E/F : débit 165 m3 /h à P = 15 à 18 bar chacune dont 3 pompes ont une deuxième fonction de transfert de GPL entre les sphères.
  • 22.
    Chapitre III :Présentation du CSTF p. 16  3 pompes P002 A/B/C: débit 350 m3 /h à P = 25 à 34 bar chacune, d’expédition GPL vers la ligne 24’’ avec un débit de 350 m3 /h chacune  5 groupes turbocompresseurs avec 12 aéroréfrigérants de GPL III-4-1 Section de stockage et de transfert du GPL : a) Fonctionnement normal : Lors du fonctionnement normal, le GPL sortant des modules II , III et IV circule vers le pipeline à travers l’unité de comptage du GPL en évitant les sphères de stockage après avoir été pompé à l’aide de la pompe de pipeline à GPL. Lorsque la pression d’aspiration de la pompe s’élève suffisamment, une partie de GPL se dirige vers les sphères de stockage. Figure 5 : les sphères de CSTF pour stockage de GPL (Google Maps)
  • 23.
    Chapitre III :Présentation du CSTF p. 17 Les vannes de remplissage des sphères de stockage du GPL sont toujours laissés ouvertes. b) Remplissage et vidange : Si le GPL en provenance des modules ne peut être transférer du fait d’une interruption du pipeline, d’une anomalie de la pompe ou d’une diminution de la demande de SONATRACH TRC, il se dirige vers les sphères de stockage. Après la remise en état du pipeline ou de la pompe, le GPL contenu dans les sphères de stockage circule vers la conduite d’aspiration de la pompe sous l’action d’un régulateur de débit, après avoir été pressurisé par la pompe surcompression à GPL. En règle générale, on ne doit pas pomper du GPL de deux sphères de stockage simultanément au cours d’une opération de vidange. De plus, il est interdit d’effectuer simultanément le remplissage et la vidange de la même sphère. c) transfert du GPL entre les sphères de stockage : Lorsqu’on veut effectuer des travaux sur une sphère de stockage contenant du GPL, on fait le transfert du GPL à une autre sphère au moyen des trois pompes. Ce transfert peut être effectué parallèlement à d’autres opérations. III-4-2 Section de compression du GPL : Cette section a pour fonction de maintenir la pression et la température des sphères de GPL dans une gamme déterminée, par compression, condensation, dilatation et circulation des gaz qui se dégagent par ébullition à l’intérieur des sphères de GPL sous l’effet de : - la convection et la radiation de la chaleur atmosphérique - l’échauffement dû à la perte par friction des canalisations - la différence de température entre les liquides stockés et ceux à introduire Les gaz chassés par ébullition des sphères GPL sont comprimés dans les compresseurs (groupes turbocompresseur) et condensés dans un condenseur de vapeur GPL, d’où ils se dirigent vers un accumulateur. Le liquide contenu dans cet accumulateur est renvoyé enfin vers les sphères. Toutefois, l’opération de remplissage nécessite au moins deux compresseurs. Lorsqu’il est impossible de faire fonctionner les compresseurs à GPL pour une raison quelconque, les gaz dégagés par ébullition dans les sphères GPL sont envoyés vers la torche.
  • 24.
    Chapitre III :Présentation du CSTF p. 18 III-5 Section de torche : Le CSTF est doté d’un système de torche HP (haut pression) qui permet de bruler les gaz résiduaires dégagés en cas d’anomalie. Le système de torche se compose de collecteurs de torche, d’un dispositif de récupération des brouillards (ballon-tampon, ballon draineur et purgeurs à pompage) et d’une torche proprement dite. Les gaz résiduaires ne circulent pas dans le système de torche au cours de l’exploitation normale de l’usine. Donc, du gaz combustible est injecté en amont du collecteur de torche. III-6 Section de vide-vite : L’hydrocarbure liquide déchargé à partir de chaque section se dirige vers la fosse de brûlage pour combustion. Cette fosse de brûlage, réservée aux besoins du MPP I, est située dans la zone du CSTF. L’hydrocarbure déchargé est d’abord recueilli dans un ballon tampon, qui permet de le séparer en phases gazeuse et liquide. Après avoir été pressurisé par la pompe de vidange, l’hydrocarbure liquide se dirige finalement vers la fosse de brûlage. III-7 Utilités : Eau :  eau de service  eau anti incendie  eau de refroidissement  eau potable Air :  Air de service  Air instrument Les deux types d’air sont assurés par un compresseur d’air d’un débit de 855 Nm3 /h et une pression de 7 bars Gaz inerte Système de drainage eau Système de gaz combustible
  • 25.
    Chapitre III :Présentation du CSTF p. 19 Séparateur d’huile Énergie électrique III-8 Description générale de la sphère de stockage GPL (50-T016) : III-8-1 Caractéristiques technique de la sphère 50-T016 : Diamètre intérieur : D = 23,9314 m Tolérance de Corrosion : 3,175 mm Température de calcul : -17,8 – 93,3 °C Matériel : SA – 537 CL. 2 Pression nominal PN = 5,34 Kg/Cm2 Température nominale TN = 21 Kg/Cm2 Pression de calcul P = 5,98 Kg/Cm2 : Figure 6 : sphère de stockage n° 50-T016
  • 26.
    Chapitre III :Présentation du CSTF p. 20 Tableau 3 : Pressions dans les différents points de la sphère N° Zone : angle θ° Pression total (bar) Épaisseur de plaque (mm) 1 0 – 26,1236 5,98 29,3 2 26,1236 – 31,8750 5,98 29,5 3 31,8750 – 69,00 6,150 31,7 4 69,00 – 117,00 6,670 33,7 5 117,00 – 148,1250 6,923 34,2 6 148,1250 – 160,8750 6,984 34,3 7 160,8750 – 180,00 7,019 34,4 Températures critiques : -Basse température critique : -17,8°C -Haute température critique : +93,3°C Capacité totale : 7170 m3 Capacité de service : 6500 m3 III-8-2 Équipements des sphères de stockage GPL :  Ligne de remplissage 14’’  Ligne de vidange 12‘’ : calorifugée  Ligne de purge d’eau : calorifugée et équipée de deux résistances (traçage électrique) pour éviter le givrage de la conduite  Ligne de prise d’échantillon  Ligne de récupération des vapeurs GPL : BOIL OFF  2 Soupapes PSV vers atmosphère  2 Soupapes PSV vers torche  2 Trou d’homme : un trou en bas et l’autre en haut équipés d’une conduite de vidange  2 Indicateurs de pression PG (haut et bas)  2 Indicateurs de température TG (haut et bas)
  • 27.
    Chapitre III :Présentation du CSTF p. 21  2 jauges avec indicateur local  LIA H : alarme haut niveau  LZH : alarme très haut niveau  LIA L : alarme bas niveau  LZL : alarme très bas niveau  2 Éclairages ATEX haut et bas  Une mise à la terre  Une passerelle pour accès au sommet de la sphère
  • 28.
    p. 22 Figure 7: Équipements de sécurité de la sphere Mise à la terre Ligne de purge d’eau Collecteur BOIL OFF 10’’ CSO 8’’X 8’’ 3/4’’ 16’’ 24’’ 12’’ 16’’ Collecteur vers torche P G T G P G H L LI A Vapeur GPL Liquide GPL Distributeur LZ H LZ L 14’’ 12’’ T G CSO PSV 10’’ CSO 10’’ 8’’X 8’’ 8’’8’’ PSV 10’’ CSO CSO PSV 8’’X 8’’ 8’’X 8’’ 8’’ 8’’ PSV Ligne de prise d’échantillon
  • 29.
    p. 23 Ligne depurge d’eau 14’’ 3’’ 6’’ 10’’ 12’’ 14’’ 12’’ 16’’ 24’’ CSO12’’ 10’’ 10’’ CSO CSO PSV CSO PSV 10’’ CSO 10’’ 8’’X 8’’ 8’’X 8’’ 8’’X 8’’8’’X 8’’ 8’’ 8’’ 8’’8’’ PSVPSV FC FC 10’’ 16’’ 3’’ 6’’ 14’’ Collecteur BOIL OFF Collecteur de refoulement de transfert Collecteur d’écoulement minimum Collecteur de remplissage Collecteur vers torche Collecteur d’aspiration principale Collecteur d’aspiration de transfert 1 2 3 4 6 1 1 7 8 9 5 1 0 Figure 8 : vannes, soupapes et conduites de la sphère
  • 30.
    Chapitre III :Présentation du CSTF p. 24 Comme montre le schéma, notre sphère est connectée aux différentes conduites, vannes et soupapes suivantes : 1 - Soupape PSV vers atmosphère 2 - Soupape PSV vers torche 3 - Vanne de la conduite de BOIL OFF 4 - Vanne de remplissage 5 - Vanne de sécurité de remplissage 6 - Vanne de vidange 7 - Vanne de sécurité de vidange 8 - Vanne du collecteur d’aspiration de transfert 9 - Vanne du collecteur de refoulement de transfert 10 - Vanne du collecteur d’écoulement minimum 11 - Vanne de la ligne de purge d’eau FC : FAIL CLOSED : vanne fermé en cas de panne CSO : CAR SEAL OPEN : vanne en position ouverte à dispositif de sécurité Vanne à boisseau à bille Vanne TOR à boisseau à bille Vanne manuel Clapet de non-retour
  • 31.
    Chapitre III :Présentation du CSTF p. 25 Chaque sphère GPL est raccordée aux canalisations de Remplissage, Vidange et de BOIL OFF. La ligne remplissage est raccordée au collecteur de remplissage, collecteur de refoulement de transfert et au collecteur d’écoulement minimum Collecteur de remplissage 14 ‘’ : Ce collecteur est raccordé directement au pipeline GPL en provenance des modules de traitement de gaz. Collecteur de refoulement de transfert 6 ‘’ : Lors de l’opération de transfert du GPL d’une sphère à une autre pour des raisons de sécurité (anomalie, fuite …), le GPL refoulé à partir de la pompe de transfert se dirige vers le collecteur de refoulement de transfert pour alimenter l’autre sphère à l’aide de la vanne 6 ‘’. Collecteur d’écoulement minimum 3 ‘’ : Lorsqu’on a un excès de débit au refoulement des pompes booster et afin de protéger les pompes d’expédition, le GPL se dirige vers le collecteur d’écoulement minimum à partir d’une vanne de régulation de débit. Le GPL contenu dans ce collecteur est renvoyé vers la sphère par l’ouverture de la vanne 3 ‘’. La ligne de vidange est raccordée au collecteur d’aspiration principale des pompes d’expédition et au collecteur d’aspiration de transfert Collecteur d’aspiration principale : Chaque conduite de vidange de la sphère est raccordée au collecteur d’aspiration principale des pompes d’expédition. Collecteur d’aspiration de transfert : Lors de l’opération de transfert du GPL d’une sphère à une autre pour des raisons de sécurité (anomalie, fuite …), on ouvre la vanne 10 ‘’ de la conduite raccordée à la ligne de remplissage de la sphère qu’on veut vidanger afin d’envoyer le GPL vers le collecteur d’aspiration de transfert qui alimente la conduite d’aspiration des pompes de transfert. Cuvette de rétention : Les sphères GPL sont situées à l’intérieur de cuvettes de rétention qui sont séparées. La surface de chaque cuvette de rétention est de 4225 m2 elle est calculée pour contenir 20 % du volume utile de stockage.
  • 32.
    Chapitre III :Présentation du CSTF p. 26 III-9 Eléments et dispositifs de Sécurité de la Sphère de stockage GPL : III-9-1 Unité de compression du GPL (BOIL OFF) : Cet élément a pour fonction de maintenir la pression et la température des sphères de GPL dans une gamme déterminée (P = 5,34 bar, T = 21°C). Les gaz chassés par ébullition passent par quatre étapes successives : Épuration – Compression – Refroidissement – Condensation. Épuration : Les gaz chassés par ébullition des sphères GPL (P = 4,2 bar – 5,4 bar) passent à travers la conduite BOIL OFF vers le ballon épurateur (50-D003) (2 ballons épurateurs) qui a deux fonctions : - Récupérer le liquide GPL condensé et le renvoyer vers les sphères à l’aide des pompes de récupération GPL (P005) - C’est un élément important pour la sécurité du compresseur du fait qu’il élimine les fractions liquides du GPL à l’aspiration du compresseur. Compression : Ensuite les gaz GPL entre dans le compresseur (50-K002) (5 compresseurs GPL) entrainé par une turbine à gaz, dans les conditions suivantes : -Aspiration : Pression = 4,2 – 5,4 bar, Température = 21 °C -Refoulement : Pression = 19,7 bar, Température = 83 °C Refroidissement : Après l’opération de compression, les vapeurs GPL subit une augmentation de température, alors ils se dirigent vers les aéroréfrigérants (50-E001) (12 aéroréfrigérants) d’où leurs température baisse jusqu’à 54 °C. Condensation : Ensuite les vapeurs GPL entrent dans l’accumulateur (50-D004) (2 accumulateurs) et du fait de la détente, le liquide est récupéré en bas de l’accumulateur et renvoyé finalement vers les sphères
  • 33.
    Chapitre III :Présentation du CSTF p. 27 Dans le fonctionnement normal, un compresseur GPL (groupe turbocompresseur) est toujours en marche. Quand la pression dans la sphère augmente jusqu’à 5,4 Kg/Cm2 , on fait démarrer un deuxième compresseur pour diminuer l’excès en pression dans la sphère de GPL.
  • 34.
    p. 28 HXCV 014 PIC019 Collecteur BOIL OFF des sphères GPL Collecteur de remplissage des sphères GPL Collecteur vers Torche L FI 50-E001 A - H TI PI LI 83 19,7 54 19,0 21 Température (°C) Pression (bar) Figure 9 : Unité de Compression du GPL : BOIL OFF PI 21°c
  • 35.
    Chapitre III :Présentation du CSTF p. 29 III-9-2 Vanne régulatrice de pression PIC 019 : vers torche Cette vanne s’ouvre automatiquement lorsque la pression à l’intérieur de la sphère et dans la conduite de BOIL OFF atteint 5,5 Kg/Cm2 au cours du fonctionnement du compresseur de GPL. Elle permet d’envoyer les gaz dégagés par ébullition vers torche III-9-3 La vanne HXCV 014 : vers torche : Cette vanne (TOR) est commandée par l’exploitant à partir de la salle de contrôle. Elle est utilisée dans les conditions extrêmes d’exploitation (défaillance des compresseurs et de la vanne PIC-019) Généralement on évite l’ouverture de cette vanne pour éviter de perdre des quantités importantes de GPL vers torche. III-9-4 Soupapes PSV vers torche : Chaque sphère a deux soupapes PSV qui assure la circulation des gaz vers torche quand la pression dans la sphère atteint 5,98 Kg/Cm2. III-9-5 Soupapes PSV vers atmosphère : Installées sur partie haute de chaque sphère, ces deux soupapes PSV s’ouvre pour chasser les gaz vers l’atmosphère lorsque la pression à l’intérieur de la sphère augmente jusqu’à 6,28 Kg/Cm2 . Tableau 4 : Caractéristiques des soupapes PSV Désignation du Soupape Diamètre Pression de tarage (bar) Débit (Kg/h) Destination PSV 032A 8’’X 8’’ 5,98 107200 Torche PSV 032B 8’’X 8’’ 5,98 107200 Torche PSV 030A 8’’X 8’’ 6,28 118000 Atmosphère PSV 030B 8’’X 8’’ 6,28 118000 Atmosphère
  • 36.
    Chapitre III :Présentation du CSTF p. 30 III-9-6 Vannes pneumatique de la ligne de remplissage et de vidange de la sphère : Les conduites de remplissage et de vidange sont équipées de deux vannes en série. La première, montée directement sous les réservoirs est toujours ouvert ; il n'a qu’une fonction de sécurité. La deuxième placée en limite de cuvette est normalement manœuvré durant les opérations d'exploitation.  La vanne de sécurité de remplissage se ferme automatiquement en cas de : - Alarme très haut niveau de la sphère - Manque d’air instrument  La vanne de sécurité de vidange se ferme automatiquement en cas de : - Alarme très bas niveau de la sphère - Manque d’air instrument Ces vannes sont à sécurité positive (fermeture par manque d 'air) et asservies au système d'alarme. Hors exploitation, elles sont fermées, ce qui assure l'isolement du réservoir des autres parties de l'installation. Elles sont aussi reliées à un petit réservoir auxiliaire d’air qui maintient la pression d’air d’une durée de 30 minutes en cas de manque d’air. Pour éviter la vidange accidentelle des réservoirs en cas de rupture de tuyauterie il est installé un clapet anti retour sur la tuyauterie de remplissage. En plus des éléments de sécurité mentionnés précédemment, chaque sphère GPL a les instrumentations de sécurité suivantes :  Les jaugeurs déposés sur les sphères, sont chargés de contrôler le niveau maximum de remplissage. Si ce niveau est atteint, ils déclenchent l’alarme dans l’unité, ce qui permet d’éviter le risque de sur-remplissage.  LIA H : alarme haut niveau : 19 m.  LZH : alarme très haut niveau : 20 m Déclenchement : fermeture de la vanne de sécurité de remplissage (FC).  LIA L : alarme bas niveau : 1,5 m.
  • 37.
    Chapitre III :Présentation du CSTF p. 31  LZL : alarme très bas niveau : 0,86 m Déclenchement : arrêt de la pompe boosté et fermeture de la vanne de sécurité de vidange (FC). Ces indications permettent aux exploitants dans la salle de contrôle de faire les mesures nécessaires et d’effectuer une intervention juste à temps.
  • 38.
    Conclusion A travers cestage nous avons eu un aperçu global de la base de traitement du gaz Hassi R’mel :  La compréhension de plusieurs process de traitement du gaz brut : Le procédé HUDSON du module 4. Le procédé PRTICHARD utilisé au module 1.  Le gaz traité mène a plusieurs produits :  Le gaz sec (CH3,C2H6) Ce produit s’obtient en majorité dans le circuit HP, acheminée ensuite vers le C.N.D.G qui l’expédie à travers des gazoducs. Le gaz sec est certes très utile dans la vie quotidienne mais celui-ci n’est pas très rentable par rapport aux autres produits extrait.  Le gaz GPL (C3H8 , C4H10) Ce produit S’obtient dans le circuit BP, stocké ensuite dans le C.S.T.F dans des sphères, et acheminée ensuite vers les différents point de vente au nord du pays. Similaire dans ces utilisation au gaz sec, on soulignera surtout l’immense danger que représente ce produit qui est l’un des plus volatils et inflammable a T° ambiante, les mesures de sécurité des sphères sont les plus importante du C.S.T.F à cause de ses propriétés.  Le Condensat (C5 + ) Tout comme le GPL ce produit s’obtient dans le circuit BP, et acheminée ensuite vers le C.S.T.F ou il est stocké dans des Bacs a toit flottant. Ce produit est la perle du champ de Hassi R’mel, utilisé dans divers industries pharmaceutiques, cosmétiques, automobiles, pétrochimiques…C’est par excellence le produit le plus rentable et le plus important qu’on peut extraire du gaz brute.  Le C.S.T.F a été créé pour jouer le rôle d’intermédiaire entre le secteur amont (hassi R’mel) et aval (Arzew), en cas de problème dans le secteur aval, le C.S.T.F joue un rôle primordiale puisqu’il permet de continuer la production en attendant la résolution de ce dernier.