18/04/2016
Présente par :
Doudou Walid & Rouighi Rafik
Année scolaire : 2015/2016
Rapport de stage
Cycle de fin d’étude licence
Aperçu générale du
Raffinerie d’Arzew
Sommaire
Sommaire
Chapitre I : Généralités
I - Généralités :.................................................................................................................................................1
I-1 Généralités sur le pétrole :........................................................................................................................1
I-1.2 Origine : ...................................................................................................................................................1
I-1.3 Etapes de formation : .............................................................................................................................2
I-1.4 Composition du pétrole brute : .............................................................................................................3
I-1.5 Principaux types : ...................................................................................................................................4
I-2 Raffinage du pétrole :................................................................................................................................4
I-2.1 Procédés de raffinage :...........................................................................................................................5
I-2.1.1 Les procédés de séparation :................................................................................................. 5
I-2.1.2 Les procédés de conversion :................................................................................................ 6
I-3.1.3 Les procédés d'épuration : .................................................................................................... 7
Chapitre II : présentation du site
II- Le complexe de la raffinerie d’Arzew .....................................................................................................9
II-1. Description du complexe : .....................................................................................................................9
II-2. Situation géographique :.........................................................................................................................9
II-3 Capacités de production : ......................................................................................................................10
II–4. Importance du raffinage : ....................................................................................................................11
II-6. Présentation des installations de production :....................................................................................12
Chapitre III : Processus en détail
III-1 Les carburans (zone 4) .........................................................................................................................16
III-1.1 Unité 11 la distillation atmosphérique et système torche : ................................................. 16
Sommaire
III-1.2 Section de fractionnement principal : ................................................................................. 16
III-1.3 fractionnement du naphta et du GPL :................................................................................ 18
III-1.4 UNITE 17 unité d’isomérisation (PENEX) :...................................................................... 21
III-1.5 Unité 12 de reformage catalytique :.................................................................................... 25
III-1.6 Unité 13 Unité de récupération et traitement des LPG :................................................... 28
III-2 Les lubrifiants (Zone 07) : ..................................................................................................................28
III-2.1 Distillation sous vide (U 21 ) :............................................................................................ 28
III-2.2 Desasphaltage au propane (U 22 ) :.................................................................................... 29
III-2.3 Extraction au furfural (U 23 ) : ........................................................................................... 29
III-2.4 Déparaffinage des huiles au Mectoluène, et déshuilage (U24 ) : ....................................... 29
III-2.5 L’hydrofinishing (U25 ) : ................................................................................................... 30
III-3 Zone 06 : ................................................................................................................................................30
III-4 Zone 10 (les bitumes) :.........................................................................................................................30
III-4.1 Caractérisation des bitumes : .............................................................................................. 30
III-4.2 Unité 14 Bitume routier (distillation sous vide - Fabrication du bitume routier) :............ 31
A)...................................................................................................................... Section flashing sous
vide................................................................................................................................................. 31
B).................................................................................................................................. Section semi-
Blowing.......................................................................................................................................... 33
III-4.3 Unité 15 Bitume oxydé :..................................................................................................... 33
Liste des figures
Figure 01 : Ressemblance entre les composés naturelles et pétroliers.
Figure 2 : Principe d'une raffinerie simple
Figure 03: raffinerie d'arzew vu GOOGLE MAPS
Figure 04 : schéma représente l’objectifs de la raffinerie
Sommaire
Figure 05: LE PLAN DE MASSE DE LA RAFFINERIE D'ARZEW
Figure 06 : Section de fractionnement principal Unité 11
Figure 07 : section de fractionnement du naphta et GPL
Figure 08 : section d’hydrotraitement L.S.R.N
Figure 09: section PENEX
Figure 10 : section PENEX
Figure 11 : section Platforming
Liste des tableaux
Tableau I : les différentes gammes des produits de RA1Z
Chapitre I : Généralités
p. 1
I - Généralités :
I-1 Généralités sur le pétrole :
Le pétrole brut est un fluide constitué principalement d'hydrocarbures ; il contient également
des composés organiques soufrés, oxygénés et azotés. On le rencontre dans les bassins
sédimentaires, où il occupe les vides de roches poreuses appelées réservoirs. Les gisements de pétrole
correspondent à une accumulation dans une zone où le réservoir présente des caractéristiques
favorables et constitue un piège : la fuite du pétrole – moins dense que l'eau – est rendue impossible
vers le haut par la présence d'une couverture imperméable (argiles, sel) et latéralement par une
géométrie favorable (dôme anticlinal, biseau de sables dans des argiles).
Le pétrole a pour origine la substance des êtres, animaux ou végétaux, vivant à la surface du
globe et particulièrement en milieu aquatique. La matière organique ainsi produite se dépose au fond
des mers et des lacs et est incorporée aux sédiments. À mesure que ceux-ci sont enfouis, les
constituants organiques se transforment, principalement sous l'action de la température, en
hydrocarbures dont une partie vient progressivement se concentrer dans les pièges des réservoirs
poreux.
Si la composition élémentaire globale des pétroles est relativement fixe, la structure chimique
de leurs constituants varie plus largement, ce qui entraîne une grande diversité des propriétés
physiques (densité, viscosité) ainsi que des teneurs très variables dans les différents types de produits
obtenus par raffinage. En particulier, la présence de soufre dans certains pétroles pose des problèmes
de corrosion et dépollution atmosphérique, tant au stade du raffinage qu'à celui de l'utilisation
industrielle ou domestique de leurs dérivés.
I-1.2 Origine :
L'explication de l'origine du pétrole par l'évolution géologique de la matière organique a été
formulée dès le XIXe siècle ; mais elle était alors fortement concurrencée par des théories impliquant
des mécanismes inorganiques, par exemple l'action de l'eau sur des carbures métalliques. Quelques
chercheurs en ex-U.R.S.S. font appel soit à des théories cosmiques dans lesquelles les hydrocarbures
sont les restes d'une atmosphère primitive de la Terre, soit à des synthèses de type minéral, comme
dans le procédé Fischer Tropsch, qui seraient réalisées à grande profondeur dans le sous-sol. En fait,
l'hypothèse cosmique n'est guère soutenable, car il s'agit d'une étape cosmologique transitoire dont on
n'est pas certain et qui est en tout cas ancienne ; d'autre part, quel que soit le mécanisme chimique
envisagé dans le sous-sol, la quasi-totalité du carbone de l'écorce terrestre est représentée par la matière
Chapitre I : Généralités
p. 2
organique contenue dans les roches sédimentaires. De plus, des traces de l'origine organique des
pétroles bruts peuvent être décelées ; en premier lieu, on y trouve des corps optiquement actifs, qui ne
peuvent pratiquement être synthétisés que par les êtres vivants ; on y trouve également : des
porphyrines, dont la structure dérive directement de celle de la chlorophylle des plantes ou de l'hémine
; des isoprénoïdes, hydrocarbures issus de la chaîne phytol de la chlorophylle ; des stéroïdes et
triterpénoïdes, composés caractéristiques de la matière vivante . Il semble donc que l'essentiel des
gisements de pétrole dérive, directement ou non, de la substance des êtres vivants incorporée dans les
sédiments lors de leur dépôt.
Figure 01 : Ressemblance entre les composés naturelles et pétroliers.
I-1.3 Etapes de formation :
Sans trop s’attarder sur ce point on peut résumer la formation en divers étapes.
A savoir que la majorité du pétrole s’est formé dans les fonds océanique on a :
 Le déposement des algues et composés organiques de la surface vers les fonds océaniques.
 Formation de plusieurs couches successives du fait de ce déposement continue qui a durée des
millions d’années.
 Création d’une pression sur les couches inférieures (un phénomène de subduction) qui les
entrainent encore plus en profondeur.
Chapitre I : Généralités
p. 3
 A partir de 1000 m de profondeur une décomposition, transformation s’enclenche, sous
l’effet des bactéries anaérobies les restes organique se transforme en Kérogène (précurseur
du pétrole)
 Le Kérogène s’enfonce encore plus en profondeur pour donner naissance au pétrole et gaz sous
l’effet de la haute température et pression de l’écorce terrestre.
 Migration du pétrole et gaz formé à travers les couches vers la surface jusqu'à atteindre des
roches imperméable ou il est stocké sous forme de réservoir.
I-1.4 Composition du pétrole brute :
Un pétrole brut contient certainement des centaines de milliers de types moléculaires
différents, dont seuls quelques centaines ont été séparés et dûment identifiés :
Les alcanes sont en général abondants, tant les formes normales que les formes ramifiées ;
parmi celles-ci, les plus remarquables sont les isoprénoïdes, qui possèdent un groupement méthyle sur
chaque quatrième atome de carbone.
Les cyclanes sont en quantité assez variable : parmi eux les molécules tétracycliques et
pentacycliques sont responsables de l'activité optique des hydrocarbures saturés (stéranes, triterpanes
; ).
Les aromatiques comprennent principalement le benzène, le naphtalène, le phénanthrène et
leurs dérivés alkyl ; parmi ceux-ci les molécules à chaînes courtes et peu nombreuses sont les plus
abondantes (méthyl, diméthyl, méthyléthyl).
Les molécules cyclano-aromatiques, formées d'un noyau comprenant un ou plusieurs cycles
aromatiques, un ou plusieurs cycles saturés et des chaînes, sont assez abondantes ; parmi les plus
remarquables, on peut signaler les stéroïdes et triterpénoïdes (un cycle aromatique, trois ou quatre
cycles saturés ).
Une grande partie des composés de poids moléculaire élevé (résines et asphaltènes) présente
une structure complexe :
Empilement irrégulier de quelques feuillets, à structure le plus souvent aromatique condensée, portant
quelques chaînes saturées. Oxygène, soufre et azote sont présents, ces deux derniers étant
préférentiellement intégrés dans des structures cycliques. Le poids moléculaire peut alors atteindre
plusieurs milliers.
Les teneurs en soufre varient de moins de 0,2 p. 100 à plus de 5 p. 100. C'est l'élément le plus
abondant dans les pétroles après le carbone et l'hydrogène. L'origine du soufre peut être discutée, mais
Chapitre I : Généralités
p. 4
il est probablement en partie acquis par la matière organique après son dépôt ou encore par les
hydrocarbures eux-mêmes.
Les thiols ou mercaptans, sulfures et disulfures sont peu abondants, sauf parmi les composés
légers. Dans les gaz de pétrole, l'hydrogène sulfuré peut être en teneur assez élevée pour justifier une
exploitation (Lacq). Dans le pétrole liquide les composés soufrés les plus importants sont
généralement les thiophènes et en particulier les familles du benzothiophène et dibenzothiophène.
I-1.5 Principaux types :
On observe généralement une certaine parenté, dans un même bassin, entre les pétroles qui
dérivent de la même roche mère. Cette parenté s'exprime parfois par des caractéristiques chimiques
très particulières (pétroles soufrés). Par contre, à l'intérieur d'une même famille d'huiles, ainsi
définie, on note des variations au travers du bassin, en particulier du fait de l'histoire géologique
locale.
Dans les bassins du Moyen-Orient (Arabie Saoudite, Koweit, Irak, Iran), les pétroles
contiennent 1 à 5 p. 100 de soufre. Il en est de même pour certains pétroles du Venezuela et du sud-
ouest de la France. On a noté une liaison fréquente entre la présence de séries géologiques
carbonatées et de pétroles soufrés, et tenté de rechercher l'origine du soufre dans les sulfates
(évaporites) qui sont fréquents dans ces séries sédimentaires. Cependant, on trouve également des
pétroles riches en soufre dans des séries détritiques (sables, argiles).
Dans d'autres types de sédiments, déposés dans des eaux où les influences marines sont
faibles ou nulles, on a remarqué l'abondance des alcanes normaux de rang élevé, que l'on rapporte
aux végétaux supérieurs, et des hydrocarbures aromatiques.
À côté de ces caractères communs à une zone pétrolière, on observe des variations liées à l'âge
et à la profondeur des gisements. Les teneurs en hydrocarbures saturés, et surtout en composés légers,
augmentent avec la profondeur des gisements, c'est-à-dire avec leur température. À très grande
profondeur, on trouve essentiellement du méthane. En effet, le temps, et surtout la température, sont
deux paramètres essentiels de la cinétique de transformation de la matière organique dans le sous-sol,
et en particulier des réactions de craquage qui sont à l'origine des hydrocarbures légers.
I-2 Raffinage du pétrole :
Le raffinage du pétrole est une industrie lourde qui transforme un mélange d'hydrocarbures,
appelé pétrole brut, en produits énergétiques, tels que carburant et combustibles, et en produits non
énergétiques, tels que matières premières pétrochimiques, lubrifiants, paraffines et bitumes. Les
Chapitre I : Généralités
p. 5
produits sont ensuite acheminés vers le consommateur final, soit directement, soit à travers un réseau
de distribution comprenant notamment des dépôts et des stations-service. La transformation des
pétroles bruts s'effectue dans les raffineries, usines à feux continus et très automatisées, qui sont plus
ou moins complexes selon la gamme des produits fabriqués et selon la qualité des pétroles bruts
comparée aux exigences du marché.
I-2.1 Procédés de raffinage :
La complexité d'une raffinerie se traduit par le nombre d'unités de fabrication. Ces unités
utilisent des procédés physiques ou chimiques que l'on peut classer en trois catégories :
 Les procédés de séparation
 Les procédés de conversion
 Les procédés d'épuration.
I-2.1.1 Les procédés de séparation :
a) Distillation atmosphérique :
La distillation atmosphérique du pétrole brut s'effectue par le procédé de séparation le plus
classique. On crée par vaporisation partielle du pétrole brut liquide une phase vapeur et une phase
liquide. La phase vapeur, plus légère, est ensuite recueillie par condensation.
Figure 2 : Principe d'une raffinerie simple
Chapitre I : Généralités
p. 6
Les constituants sont séparés en fonction de la différence de leurs températures d’ébullition.
b) Distillation sous vide :
La distillation sous vide du résidu atmosphérique s'effectue après la distillation sous vide, c’est
aussi par une séparation liquide-vapeur en function de la temperature d’ebulition, mais pour provoquer
la vaporisation partielle sans décomposer le produit par la chaleur, il est nécessaire d'opérer sous vide
et d'injecter de la vapeur surchauffée.
c) Le désalphatage :
Le désasphaltage du résidu sous vide est une étape ultime de séparation qui permet d'obtenir
l'huile désasphaltée, produit jaune-orangé, et un asphalte utilisable comme combustible malgré sa
concentration en composés soufrés et métalliques.
d) L'extraction :
L'extraction des aromatiques est un procédé qui, par l'action d'un solvant sélectif, provoque la
création de deux phases liquides grâce à la miscibilité partielle dans ce solvant de certains constituants
du produit à raffiner. Les deux phases sont aussitôt séparées par décantation et le solvant recyclé après
récupération par distillation. Des deux produits obtenus, l'un, riche en aromatiques, s'appelle l'extrait,
l'autre le raffinat.
e) La cristallisation :
Un autre procédé de séparation pour la fabrication des lubrifiants consiste à provoquer, par
refroidissement, la cristallisation spontanée des paraffines ou cires et à créer ainsi une phase solide et
une phase liquide. La séparation de ces deux phases s'effectue en continu, avec l'aide d'un solvant
sélectif, par filtration sous vide.
I-2.1.2 Les procédés de conversion :
Les proportions des produits obtenus par séparation à partir des pétroles bruts ne coïncident
avec le profil des besoins du marché ni en quantité ni en qualité. Les procédés de conversion effectuent
des transformations moléculaires qui accomplissent cette adéquation. Ils utilisent essentiellement des
réactions chimiques que l'on peut classer en trois catégories suivant que les liaisons carbone-carbone
des molécules sont :
 Rompues (craquage)
D'une façon générale, ces transformations sont soit purement thermiques, soit aidées par un
catalyseur, soit réalisées en présence d'hydrogène.
 regroupées (synthèse)  conservées (réarrangement)
Chapitre I : Généralités
p. 7
a) Le reformage et l'isomérisation :
 Reformage :
Le reformage des distillats légers dont le point d'ébullition est supérieur à 80 °C est le procédé
le plus classique pour fabriquer des fractions d'essences riches en hydrocarbures aromatiques qui ont
un très haut indice d'octane. Il s'effectue vers 530 °C, donc à plus haute température que le craquage.
D'abord exclusivement thermique jusque vers 1939, le reformage a ensuite utilisé comme catalyseur
de l'oxyde de molybdène, puis, vers 1948, du platine, d'où le nom de Platforming donné à ce type de
procédé.
On obtient de 75 à 80 p. 100 d'essence reformée à haut indice d'octane, des gaz liquéfiés et
environ 1 p. 100 en poids d'hydrogène, considéré aujourd'hui comme un précieux réactif pour
l'épuration des produits par désulfuration.
L'opération de reformage catalytique est conduite sous une pression de 20 à 40 atmosphères
en présence d'hydrogène fabriqué par la réaction, ce qui évite la formation de coke. Il s'en dépose
néanmoins un peu sur le catalyseur qui doit être régénéré par combustion tous les six à neuf mois.
Plusieurs unités utilisent maintenant un catalyseur bimétallique et une technologie permettant
sa régénération continue.
 Isomérisation :
Les distillats légers dont le point d'ébullition est inférieur à 80 °C ne sont pas transformables par
le reformage catalytique car leurs molécules contiennent moins de six atomes de carbone, seuil des
hydrocarbures aromatiques. S'il s'avère nécessaire d'améliorer leur indice d'octane, on fait appel au
procédé d'isomérisation qui transforme les hydrocarbures paraffiniques à chaîne droite en
hydrocarbures paraffiniques ramifiés dont l'indice d'octane est meilleur.
L'opération s'effectue avec des produits sous forme liquide ou gazeuse, entre 20 et 70 atmosphères,
à une température de 120 à 200 °C, en présence d'hydrogène pour éviter les réactions parasites de
craquage, et avec comme catalyseur un métal noble activé par de l'acide chlorhydrique.
I-3.1.3 Les procédés d'épuration :
Les procédés d'épuration ont pour but de débarrasser les produits traités, ainsi que les effluents
liquides et gazeux, des composés indésirables qui y sont contenus en faibles proportions. Ces procédés
séparent ou transforment les composés qui pourraient s'avérer nocifs pour les opérations de raffinage,
pour les utilisateurs des produits fabriqués ou pour l'environnement.
Chapitre I : Généralités
p. 8
 Le dessalage :
Le dessalage du pétrole brut avant sa distillation évite des dépôts de sels dans les tubes des
fours et des corrosions acides en tête des colonnes de fractionnement.
Même s'il a été préalablement dessalé sur le champ de production, le pétrole brut a recueilli au
cours de son transport des chlorures de sodium, de magnésium et de calcium – d'une dizaine de
grammes à plusieurs kilogrammes par tonne, suivant son origine – qu'on dissout en y injectant de 7 à
8 p. 100 d'eau douce et en formant une émulsion chaude.
Cette émulsion s'écoule dans un récipient cylindrique horizontal où elle est soumise à l'action
d'un champ électrostatique de 20 000 à 35 000 volts, qui favorise l'agglomération des gouttes d'eau
chargées de sels et leur séparation par décantation.
 La désulfuration :
La désulfuration est un traitement très répandu qui utilise les procédés les plus variés.
Les gaz incondensables ou liquéfiés sont épurés de leur hydrogène sulfuré par les
éthanolamines ou propylamines qui le dissolvent à froid, le rejettent à chaud et sont recyclés un grand
nombre de fois.
Les gaz liquéfiés sont ensuite séchés par passage sur les tamis moléculaires. Les distillats légers
sont, le plus souvent, totalement désulfurés avant même d'être séparés, par une hydrogénation à 350
°C sous 30 atmosphères en présence d'un alliage de cobalt et de molybdène.
Les carburéacteurs et les gazoles sont hydrogénés séparément à 400 °C et sous une pression
de 30 à 70 atmosphères. Les huiles déparaffinées et les paraffines brutes, qui autrefois étaient épurées
à l'acide sulfurique et à la terre décolorante, sont maintenant hydrogénées en présence de catalyseur
pour éliminer les composés sulfurés, oxygénés et azotés et améliorer ainsi leur couleur et leur stabilité.
Comme les composés sulfurés auxquels s'attaquent tous ces traitements d'hydrogénation sont
en faibles proportions, l'hydrogène requis n'a besoin d'être ni très abondant ni très pur, si bien que le
gaz hydrogéné produit en excédent par le reformage catalytique convient tout à fait.
Chapitre II : Présentation du site
p. 9
II- Le complexe de la raffinerie d’Arzew
II-1. Description du complexe :
La raffinerie d’Arzew par sa diversité de production se classe au premier rang des complexes
édifiés sur le territoire national. Elle a été implantée dans le cadre quinquennal 1970-1973 par la
société Japan Gasoline Company (JGC) et s’est étendue par une extension de ces unités de production
de bitumes en 1975 ; ainsi elle a été suivie par une autre extension de ses unités de lubrifiants en 1983.
Depuis 1987, La raffinerie d’Arzew est gérée par la société NAFTEC.
La raffinerie d’Arzew s’étend sur une superficie de 150 hectares, au niveau de la zone
industrielle. Le démarrage des unités a été réalisé à partir de juillet 1972, et la mise en service était
pour mars 1973.
En 1978, suite aux besoins importants de lubrifiants, la réalisation d’un ensemble intégré de
production d’huiles de base fut lancée.
La raffinerie est devisée en unités de production :
Production 1 qui englobe les zones: 03, 04, 06,07 et 10.
Production 2 englobe la zone : 05 et 19.
Production 3englobe la zone : 3000 ; 3900.
Production 4 englobe la zone : 27 et 28.
II-2. Situation géographique :
La raffinerie d’Arzew est implantée dans la zone industrielle à 2 km d’Arzew ; elle est située
sur le plateau de la localité d’El Mohgan au carrefour de la route nationale N° 11 (Oran – Arzew) et
la route Nationale N°13 (Arzew – Sidi-Bel-Abbès) et à environ 40 km d’Oran.
Chapitre II : Présentation du site
p. 10
Figure 03: raffinerie d'arzew vu GOOGLE MAPS
II-3 Capacités de production :
La raffinerie dispose d’une capacité de traitement de 3,5 millions de tonnes/an de pétrole brut
saharien (HASSI-MESSAOUD) et de 280.000 tonnes/an de brut réduit importé (BRI) pour satisfaire
les besoins de consommations internes en carburants, lubrifiants, bitumes et aussi exporter les produits
excédentaires (Naphta, Kérosène, Fiouls).
La production de la raffinerie est très diversifiée, elle se compose comme suit:
La gamme Le produit
GPL
Propane
Butane
CARBURANTS
Essence super
Essence normale
Chapitre II : Présentation du site
p. 11
Naphta
Kérosène
Gasoil
Fuel HTS
Fuel BTS
LUBRIFIANTS
Huiles de base
Huiles finies
Paraffines
Graisses
BITUMES
Bitumes routiers
Bitumes oxydés
Tableau I : les différentes gammes des produits de RA1Z
II–4. Importance du raffinage :
L’importance du raffinage est d’assurer, à partir d’une matière première unique (PETROLE).
La fabrication d’une gamme très étendue de produits finis qui doivent satisfaire l’utilisateur en
répondant a des nombreuses spécifications et couvrir la demande quantitative exigée par le marché.
L’industrie du raffinage met en œuvre des techniques de séparation et de transformation
permettant de produire à partir du pétrole des produits commerciaux allant du gaz au carburant,
lubrifiants et bitumes.
Les objectifs du raffinage :
 Transformer le pétrole brut en produits pétroliers.
Chapitre II : Présentation du site
p. 12
 Ajuster les rendements pour satisfaire la demande en produits pétroliers
 Ajuster la qualité de ces produits pétroliers pour répondre aux spécifications requises.
Figure 04 : schéma représente l’objectifs de la raffinerie
II-6. Présentation des installations de production :
Le complexe est constitué de plusieurs zones ayant comme activités spécifiques suivantes :
 Parking (Zone 1)
 Station de veille (Zone 2)
 Zone 9 : Cette zone est destinée au stockage du brut et des résidus.
Chapitre II : Présentation du site
p. 13
 Zone 11, 12,13: Elles sont destinées à stocker le brut provenant de «HASSI-MESSAOUD»
 Administration générale (Zone 14) .
 Laboratoire (Zone 15).
L’utilité (zones 3 &19) :
Les utilités constituent une zone importante au sein de la raffinerie d’Arzew, elles assurent la
production de la vapeur, l’électricité, air et de l’eau distillée.
Les lubrifiants (Zones 07 & 05) :
Ces deux zones ont pour but d’obtenir des huiles de base considérées comme matière première
pour la fabrication des lubrifiants à partir du (BRA).Ce dernier est un composé pétrolier lourd et
visqueux recueilli au fond du topping.
Département Production P1
Les installations sont constituées de :
 Zone 3 : Utilités
Elle comprend les unités suivantes :
- Unité 31 : Production de vapeur et d’électricité.
- Unité 32 : Production de l’eau distillée.
- Unité 33 : Circuit d’eau de refroidissement.
- Unité 34 : Station de pompage eau.
- Unité 35 : Récupération et distribution du gaz combustible.
- Unité 36 : Unité d'air comprimé.
- Unité 67 : Pomperies du Réseau d’eau anti-incendie.
Chapitre II : Présentation du site
p. 14
 Les carburants (Zone 4) :
Le brut algérien provenant de Hassi Messaoud est utilisé comme charge principale dans la zone
4, elle est constituée des unités suivantes :
Elle comprend les unités suivantes :
- Unité 11 : Unité de distillation atmosphérique « Topping »
- Unité 12 : Unité de reforming.
- Unité 13 : Séparation des gaz « Gas Plant »
- Unité 17 : Unité d’isomérisation.
- Unité 18 : Huile chaude « hot oïl »
- Unité 65 : Torche des gaz.
 Zone 7 : Lubrifiants
Elle comprend les unités suivantes :
- Unité 21 : Distillation sous vide.
- Unité 22 : Désasphaltage au propane.
- Unité 23 : Extraction au furfural des aromatiques.
- Unité 24 : Déparaffinage au MEK-Toluène.
- Unité 25 : Hydrofinishing.
 Zone 10 : Bitumes
Cette zone est destinée à la fabrication des bitumes de pétrole brut réduit importé
Cette zone est composée de trois unités :
- Unité 14 : Bitumes routiers.
Chapitre II : Présentation du site
p. 15
- Unité 15 : Bitumes Oxydés.
- Unité 45 : Conditionnement et de stockage des bitumes.
Figure 05: LE PLAN DE MASSE DE LA RAFFINERIE D'ARZEW
Chapitre III : Processus en détail
p. 16
III-1 Les carburans (zone 4)
La zone 4 est la zone des carburants, elle comprend trois unités :
 Unité de distillation atmosphérique
 unité de reforming catalytique
 unité de traitement des gaz
III-1.1 Unité 11 la distillation atmosphérique et système torche :
Cette unité d’une capacité annuelle de 3,5 millions de tonnes est calculée pour produire ce qui
suit à partir du brut de Hassi-Messaoud.
 GPL
 LSRN
 HSRN
 KEROSENE
 GAS.OIL LEGER
 GAS OIL LOURD
 BRUT REDUIT
Cette unité comprend 2 sections :
- Section de fractionnement principal
- Section de stabilisation des gaz de tête.
III-1.2 Section de fractionnement principal :
Dans cette section le brut est aspiré par la pompe de charge 11G1A ou B à travers la vanne
automatique de charge 11 FRC17 à partir du réservoir de stockage. Il est chauffé à 148°C par échange
de chaleur à travers une batterie de préchauffage,
a) Par échange de chaleur dans l’échangeur brut / Naphta 11E1 A.B.C.D
b) Dans l’échangeur brut / Kérosène 11E2.
c) Dans l’échangeur brut / Brut réduit 11 E3 A/B
d) Dans l’échangeur brut / Gasoils (LGO-HGO) 11 E4 A/B.
Ensuite le brut entre dans le ballon de flash 11D1 dont la pression de service est de 3,1kg /cm2
là il y a séparation par détente.
Chapitre III : Processus en détail
p. 17
Le liquide est pompé par la pompe de fond du ballon de flash 11G2 A ou B passe à travers
l’échangeur brut / reflux de gasoil léger 11E5 et de l’échangeur brut / brut réduit 11E6 A/B puis est
renvoyé au four 11F1.
Le serpentin de four est de 4 passes, et le débit est contrôlé sur chacune de ces passes par 11
FRC (2, 3, 4,5) de façon à régulariser les débits sur les 4 passes.
Le brut entre dans le four 11F1 à une température de 216° pour être chauffé à 332°C.
La charge mélangée à la phase vapeur provenant du ballon de flash 11D1 est chargée dans la
zone de flash du fractionnaire principal 11C1 entre les plateaux n°44 et 45.
Le fractionneur principal 11C1 est équipé de 48 plateaux à clapets.
Une injection de vapeur de stripping surchauffée à 316°C au niveau de la zone de convection
du 11F1 est prévue au fond de la colonne.
A) _ Produit de la colonne de distillation atmosphérique :
 La charge au fond de la colonne 11C1 appelée le BRA est pompée par la pompe 11G10 (A ou
B) vers les échangeurs 11 E6A/B et 11 E3 A/B (pour les échanges thermiques), puis refroidie
à 75°C dans le condenseur 11E15d’ou elle sera envoyée au stockage dans un bac.
 Le BRA est utilisé comme charge dans les unités des lubrifiants et aussi comme composant
dans le mélange des fuels oïl.
 Kérosène : plateau n°14
 Gasoil léger : plateau accumulateur n°2 entre les plateaux n°30 et 31
 Gasoil lourd : plateau n°37.
La coupe latérale soutirée du plateau accumulateur n°1 situé entre les plateaux n°3 et n°4 est
renvoyée comme reflux de tête (11FR16) avec le liquide du receveur de tête de la colonne 11C appelé
11D2.
B) _ Purification des coupes gasoil et kérosène à travers les strippers :
Les autres coupes latérales passent dans les strippers 11C3 et 11C4.
Gasoil léger et Gasoil lourd sont séparés de leurs composants légers par la vapeur de stripping,
par contre le kérosène est séparé par la chaleur de rebouilleur à l’aide du reflux de Gasoil. Et dans tous
les cas, La partie légère est renvoyée au fractionnateur.
Chapitre III : Processus en détail
p. 18
Chaque niveau au fond du stripper est contrôlé par L.I.C ainsi que chaque fond de stripper
pompé est refroidi dans les échangeurs de chaleur, les aéroréfrigérants et les condenseurs pour être
envoyé au stockage.
Les quantités soutirées du Kérosène, du Gasoil léger, Gasoil lourd sont contrôlées
respectivement par FRC 15,14, 9,8.
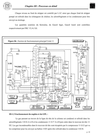
III-1.3 fractionnement du naphta et du GPL :
Le gaz passant au travers de la ligne de tête de la colonne est condensé et refroidi dans les
aéroréfrigérants 11E16 A à H et les condenseurs 11 E17 A à D puis entre dans le receveur de tête 11
D2. Les gaz incondensables dans le receveur de tête sont récupérés par le compresseur 11 G12 qui va
les comprimer pour les envoyer au ballon 11D3 après être refroidi dans le condenseur 11E18.
Figure 06 : Section de fractionnement principal Unité 11
Chapitre III : Processus en détail
p. 19
La partie liquide provenant du receveur de tête11D2 est utilisée comme charge du splitter11C5
avec le liquide provenant du compresseur (à travers le ballon 11D3), le liquide provenant du receveur
de tête du stripper 12C2 (12FR4) et le liquide provenant du fond de l’absorbeur 11C7. Cette charge
est chauffée jusqu’à 127°C par l’intermédiaire de l’échangeur charge / fond du splitter 11E19 A/B.
La colonne de splitter 11C5 est équipée de 27 plateaux, ainsi que la pression de service est de
8,1 kg /cm2.
L’essence de fond du splitter est rebouillie à 226°C dans le réchauffeur du fond 11 F2 et elle
passe à travers de l’échangeur charge / résidu du splitter 11 E19 A/ B l’aérorifrigérant 11 E20 et le
condenseur 11 E21 d’où une partie est utilisée dans l’absorbeur11C7, comme huile d’absorption et le
reste est envoyé au réservoir de stockage de Naphta lourd (HSRN) comme charge de l’unité reforming
catalytique (unité12).
Les vapeurs de tête du splitter11C5 sont refroidies dans le réfrigérant à ailettes 11 E22 A/B
ensuite dans le condenseur 11 E23, après elles sont envoyées au receveur de tête du splitter 11 D5.
Une partie est renvoyée comme reflux et le reste est réchauffé à 82°C dans les échangeurs charge /
résidu du stabilisateur 11 E24 A / B puis envoyé au stabilisateur où il est séparé en GPL et C5+. Le
stabilisateur 11 C6 est équipé de 40 plateaux et fonctionne sous une pression de 10,6 Kg /cm2.
Une partie du résidu du stabilisateur est chauffé à 153°C par échange de chaleur avec le reflux
de gasoil dans le rebouilleur du stabilisateur 11E27 et le reste est envoyé au réservoir de stockage de
Naphta léger (LSRN) à travers le condenseur 11E25 pour être utilisé comme composant pour le
mélange des essences. Les gaz de tête du
stabilisateur sont refroidis dans le condenseur de tête du stabilisateur 11 E26 A / B puis passent dans
le receveur de tête 11 D6. Une partie est utilisée comme reflux de la 11C6, le reste passe à l’unité de
récupération de gaz (unité 13) à travers 11FR31.
Les gaz provenant des receveurs de têtes du stabilisateur 11D6, de la colonne 12C6 et du
stripper 12C2 (12FR12 ; 12FR3) de l’unité de reforming catalytique et de l’unité de récupération de
gaz (13FR3) sont envoyés à l’absorbeur (11 C7) alimentant 35D1en gaz raffinerie.
L’absorbeur est équipé de 29 plateaux et fonctionne sous une pression de 7,1 Kg/cm2
. Un
soutirage est effectué au niveau du plateau n°14 et après refroidissement par le condenseur 11E28, il
est renvoyé au plateau n°15.
Chapitre III : Processus en détail
p. 20
Unité de purification et moyen préventif :
Le traitement des bruts provoque de nombreux problèmes de corrosion, parmi ceux-ci, la
corrosion en tête des unités de distillation atmosphérique, donc il est impératif de contrôler cette
corrosion et la minimiser afin de prolonger au maximum la durée de vie des parties sensibles des unités
de distillation. Pour lutter contre cette corrosion il y a deux moyens :
 Moyens de prévention :
Réduire le taux de chlorures par dessalage du brut, et les stabiliser grâce à une injection de soude à
5% de concentration dans le brut à la sortie du dessaleur .
 Moyens de lutte :
Figure 07 : section
de fractionnement
du naphta et GPL
Chapitre III : Processus en détail
p. 21
Neutraliser les vapeurs de tête pour transformer l’acide chlorhydrique gazeux en sels moins agressifs
en injection des inhibiteurs de corrosion (filmant et neutralisant) pour maintenir un ph quasi neutre.
III-1.4 UNITE 17 unité d’isomérisation (PENEX) :
Elle est constituée en deux sections :
A)_ La section naphta hydrotraitement :
Le Naphta léger LSRN( light straight run naphta ) provenant de l’unité de distillation
atmosphérique contient du soufre, de l’azote, de l’oxygène et d’autres composants constituant un
poison pour le catalyseur du PENEX (platine sur alumine chlore ) .
C’est pour ça la section naphta hydrotraitement est destinée à transformer et à éliminer les
composants indésirables par hydrogénation et en même temps à saturer les oléfines pour obtenir des
produits de haute qualité. Le réacteur NHT 17R-01 est chargé avec le catalyseur S-120 de type Co et
Mo sur le support d’alumine, la capacité de l’unité naphta hydrotraitement est de 50 m3
/h.
A)_1. Process de la section d’hydrotraitement :
Le Naphta léger est mélangé à un gaz riche en hydrogène qui s’écoule de l’unité de PENEX
passe à travers les échangeurs de chaleur de la charge combinée 17-E1 A à H et entre dans le four
17H-01.
La charge d’alimentation chauffée dans le four jusqu’à la température requise est envoyée
vers le réacteur NHT 17R-01 où se produisent la désulfuration, la dénitrification ainsi que l’élimination
des métaux
Le four17H-01 est composer par une cabine pour une section équipée des serpentins de
charge naphta léger.
L’effluent du réacteur17R-01 est envoyé à travers l’échangeur de chaleur 17E1- A à H et
aéroréfrigérants 17E 2 vers le séparateur NHT 17D-02.
La pression de service du séparateur est réglée à 17,6 kg/cm2
sous contrôle de la PRCV
4A. La quantité de gaz riche en hydrogène sortant de l’unité NHT est envoyé vers le ballon tampon
du fuel gaz 17D-03 pour être recycler yers NHT a travers le compresseur de recyclage 17K1-A/B .
Une injection d’eau distillée est prévue périodiquement de la sortie du 17E1C vers 17D-02,
afin d’éliminer le chlorures d’ammonium (NH4CL) formés au niveau du 17R-01.
Chapitre III : Processus en détail
p. 22
Tout le liquide sortant de la tête du stripper 17C-01 excepté celui du reflux et partie envoyé
vers unité de topping pour être retraité. Après être chauffé dans le hot-oil , le fond du stripper 17C-01
est envoyé vers la section PENEX après être envoyer vers le sécheur liquide .
B)_ Section Isomérisation :
L'invention concerne un procédé d'isomérisation des n-paraffines en isoparaffines, ayant
notamment pour but d'améliorer l'indice d'octane de certaines coupes pétrolières, plus particulièrement
de celles qui contiennent des pentanes et des hexanes normaux ainsi que des pentanes et des hexanes
ramifiés (coupes C5/C6).
B)_1 Caractéristiques du process :
Le processus de PENEX est un processus à lit fixe dont les catalyseurs à base de platine
favorisent une forte activité et une grande sélectivité en composés branchés avec un indice d’octane
élevé ; il se caractérise aussi par :
-La charge et l’hydrogène de make-up passées à travers les sécheurs est exempté de toute trace d’eau
et/ou de CO+CO2.
-L’opération est thermiquement modérée.
Figure 08 : section
d’hydrotraitement
L.S.R.N
Chapitre III : Processus en détail
p. 23
-Le benzène dans l’isomérat final est presque absent.
-La teneur en soufre est négligeable dans le produit isomérat.
-Les composés chlorés les plus couramment utilisés sont le tétrachlorure de carbone (CCl4) ou le
perchloroéthylène (C2Cl4) moins toxique.
-Les conditions opératoires sont : température 120 à 180°C, pression 20 à 30 bars et vitesse spatiale
supérieure à celle du platforming 1 à 2 h-1.
-Le rapport d’hydrogène sur l’hydrocarbure est de 0,1 à 2, le RON du produit étant de 88 favorise
l’isomérisation et réduit au minimum l’hydrocraquage.
B)_2 Description du process :
L’unité isomérisation comprend :
- Section Séchage de la charge
- Section Séchage de l’hydrogène
- Section Mécanisme réactionnel
- Section Stabilisation
- Section neutralisation et lavage des gaz acides
- Section Désohexanisation
Vue la sensibilité du catalyseur d’isomérisation à base de Pt/Al2O3 (I-82), le naphta
hydrotraité dont la teneur en soufre et azote sont respectivement 0,5 et 0,1 ppm devra subir un autre
traitement et purification avant de passer dans le catalyseur d’isomérisation.
C’est la section de séchage (Adsorption) qui devra éliminer toute trace d’eau contenu dans le
naphta, par deux adsorbeurs 17D-55/56, dont un en service et l’autre en régénération.
Le naphta après être séché est pompé à une pression 39,91 Kg/cm2, est envoyé vers les réacteurs
d’isomérisation et ce après être chauffé par les échangeurs :
 17E-55 charge/effluant R 53,
 17E-56 A/B charge/effluant R 52,
 17E-57 charge/effluent R 51,
 17-E58 charge/HOT OIL,
Jusqu’à une température de 130 °C. Le naphta avant d’être chauffé et mélanger avec H2
(Recyclé et séché par deux adsorbeurs 17D- 53/54).
Chapitre III : Processus en détail
p. 24
A l’entrée de l’échangeur 17-E58, on injecte le PERC (perchloroethylène) C2Cl4 afin
D’assurer la fonction acide du catalyseur.
Le catalyseur d’isomérisation I-82 devra isomérer les paraffines du naphta léger (C5/C6) et saturer
les aromatiques pour un isomerat de 88 RON (88,5). Les effluents réactionnels sont stabilisés après
d’être refroidis à 96 °C.
La colonne de stabilisation 17C-51 fonctionnant à une pression de 17,58 Kg/cm2 est équipée de
30 plateaux. La fraction légère de la tête de colonne est condenser puis envoyée au ballon receveur
17D-59 d’où la phase condensée retourne comme reflux de tête au stabilisateur et la phase vapeur du
ballon riche en gaz acide tel que le HCl est envoyée vers la colonne de neutralisation et lavage (Net
gaz scrubber 17C-52) afin de traiter le HCl par la soude caustique (NaOH). Le fond de colonne de
stabilisateur est envoyé vers le DEISOHEXANISEUR 17C-53 (DIH) à une température de 184°C.
Après un passage du fond de colonne du stabilisateur à travers l’échangeur 17E-62 (charge /coupe
latérale), la charge entre au DIH à une température de 134°C.
Le DIH comprend 80 plateaux et fonctionnent sous une pression de 3,5 Kg/cm2 a pour but de
séparer et recycler les N-C6 et IC6 mono branchés non convertis à bas NO vers la section réactionnelle
à travers les sécheurs et ce dans le but d’augmenter la production des iso à un NO plus élevé (88).
L’isomérat riche en IC5 et IC6 (MCP, 2.2BMB et 2.3DMB) est envoyé au stockage comme
composant de base dans la formulation de l’essence sans plomb.
Figure 09: section PENEX
Chapitre III : Processus en détail
p. 25
Avantage du procédé penex :
Le processus de penex est spécifiquement conçu pour l’isomérisation catalytique continue du
naphta léger ; certains des avantages principaux de cette technologie sont :
-L’isomérat élevé rapporté.
-Le procédé penex utilise le catalyseur le plus commercialement disponible.
-L’activité de ce catalyseur permet de fonctionner à basse température que n’importe
quel autre catalyseur.
-Bas produit de soufre, d’oléfine et benzène pour le mélange d’essence.
-Capacités de traitement courantes d’alimentations flexible.
-L’injection de l’agent corrosif de chlorure n’est pas exigée, éliminant le besoin de frottement
caustique des gaz résiduaires.
III-1.5 Unité 12 de reformage catalytique :
Cette unité sert à produire du plat format à partir du HSRN de l’unité 11.
A cause du souffre , de l’oxygène ,de l’azote et d’autres composés indésirables qui sont des poisons
pour le catalyseur du reforming qu’une section Hydrobon est destinée à éliminer ces poisons par
hydrogénation et en même temps la saturation des oléfines . Elle est Composée de deux sections :
Section Hydrobon:
C’est une section d’hydrotraitement du naphta lourd (HSRN) provenant de l’unité11 afin
d’éliminer les éléments nuisibles tels que le soufre, l’oxygène, l’azote et d’autre composés indésirables
qui sont des poisons pour le catalyseur du reforming et de ce fait, on obtiendra un naphta propre
dénommée « Unifinat » destiné à la section reforming. La capacité de traitement est de 56 m3/ heure.
Chapitre III : Processus en détail
p. 26
Section platforming :
Le platforming est un procédé catalytique où on emploi un catalyseur sélectif afin de transformer
en présence de l’hydrogène, l’unifinat en produit de base de meilleure qualité pour la fabrication
des essences. La capacité de l’unité de platforming est de 56 M3
/h.
Les réacteurs de platforming 12C3, 12C4 et 12C5 sont chargés avec le catalyseur R62
bimétallique à base de Platine et Rhénium sur le support d’alumine Al 2 O3.
Dans l’unité de platforming, la charge pompée du fond 12C2 par la pompe 12G8
venant de l’unité d’hydrobon est mélangée au gaz riche en hydrogène comprimé par le
compresseur du gaz de recyclage 12G7 puis passe à travers les échangeurs de chaleur de la charge
combinée 12E8 A à H et est envoyée vers le four 12F2. La pompe 12G8 d’alimentation s’arrêtera
d’elle même dans le cas où les débits de la charge et du gaz de recyclage sont très faibles
Le four de platforming 12F2 comprend 3 chambres de combustions :
La zone de convection est utilisée comme source de chaleur pour le Rebouillage du débutaniseur
12C6. La charge d’alimentation chauffée jusqu’à la température désirée est envoyée dans les trois
réacteurs de platforming. Comme les réactions sont endothermiques, il est nécessaire de réchauffer
la charge.
Figure 10 : section PENEX
Chapitre III : Processus en détail
p. 27
 Dans le réacteur n°1 12C3 on a principalement la déshydrogénation des Naphtènes.
 Dans le réacteur n°2 12C4 on a l’isomérisation et la cyclisation des paraffines.
 Dans le réacteur n°3 12C5 se produisent les mêmes réactions que celles qui se
produisent dans le réacteur n°2 (12C4) ainsi que l’hydrocraquage des paraffines.
L’effluent du réacteur 12C5 est séparé en liquide et en gaz dans le séparateur du
platforming 12D5 dont la pression est réglée à 17,5 kg/cm2
.
Le gaz d’hydrogène ainsi séparé est comprimé par le compresseur 12G7 et est utilisé
comme gaz de recyclage. Tous les gaz en excès sont envoyés vers l’hydrobon. Le
liquide est envoyé vers le débutaniseur 12C6 et les gaz sortant de la tête de la colonne sont
refroidis au niveau de l’aéroréfrigérant 12E14 et le condenseur 12E15 pour être récupéré dans
le receveur 12D6.
Une partie de ces gaz condensés est envoyée comme reflux et le reste est récupéré dans
l’unité 13.le fond de la colonne 12C6est soutiré comme réformât vers stockage, après être
refroidi au niveau de l’aéroréfrigérants 12E12 et le condenseur 12E13.
Afin de maintenir la teneur en chlorure requise du catalyseur, il faut injecter du
trichloréthylène (TCE) dans la charge d’alimentation du platforming, pour assurer la fonction
acide, de même que l’injection d’eau pour le maintien de la balance eau/chlore du catalyseur.
Aussi, un réservoir de stockage d’hydrogène 12D9 est prévu pour le démarrage de
l’unité.
Figure 11 : section Platforming
Chapitre III : Processus en détail
p. 28
III-1.6 Unité 13 Unité de récupération et traitement des LPG :
Description du process
Cette unité a pour but de récupérer le propane et le butane à partir des produits de tête du
stabilisateur de l’unité de distillation atmosphérique et de tête du débutaniseur de l’unité de
reforming catalytique.
La charge passe dans le réservoir tampon de GPL (13D1) où le gaz est séparé et le liquide
aspiré par la pompe d’alimentation du dé-éthaniseur (13G1) puis est réchauffé jusqu’à 75 °C par
échange de chaleur avec les effluents du dépropaniseur et ensuite chargé dans le 12° plateau du dé-
éthaniseur.
Le dé-éthaniseur (13C2) garni de 30 plateaux fonctionne à une pression de 34,8 Kg/cm2
et
sépare la charge en C3, C4 et composants légers.
Les vapeurs de tête sortantes du dé-éthaniseur sont refroidies dans le condenseur de tête
(13E2) puis passent dans le receveur de tête (13D2) d’où le liquide est envoyé comme reflux et le
reste est envoyé à l’absorbeur de l’unité 11 (11C7). Le fond est rebouilli puis envoyé au
dépropaniseur, la source de chaleur du rebouilleur du dé-éthaniseur est la vapeur 3 bars dont la
température est contrôlée par la 13TRC2.
Le dépropaniseur fonctionne à 17 Kg/cm2
est garni de 40 plateaux séparant la charge en
propane et butane. La charge entre au niveau du plateau n°22. La vapeur sortante du sommet du
dépropaniseur est refroidie dans les condenseurs de tête (13E5) entre dans le ballon (13D3) d’où une
partie est envoyée comme reflux par la pompe (13G3). La température de tête étant contrôlée par la
TRC 3 et le reste est envoyé au réservoir de stockage du propane.
Le liquide au fond du dépropaniseur est rebouilli par la vapeur 3 bars puis après passe par
l’échangeur de chaleur de charge du dé-éthaniseur (13E1), il est refroidi dans le réfrigérant à eau
(13E4) puis est envoyé au réservoir de butane.
La vapeur de Rebouillage est contrôlée par la 13FRC 8.
III-2 Les lubrifiants (Zone 07) :
III-2.1 Distillation sous vide (U 21 ) :
le brut réduit atmosphérique (BRA) est fractionné dans cette unité sous vide, afin d’obtenir
les coupes nécessaires à la production des huiles de base (semi-finis). Ces coupes sont :
Chapitre III : Processus en détail
p. 29
- Au sommet on obtient les gasoils (VGO).
- Latéralement on soutire les huiles (SPO (spindle), l’huile mi-visqueusess (MVO) et l’huile
visqueuse (VO).
- Au fond de colonne on aura le résidu court sous vide, le Short Résidus (RSV).
III-2.2 Desasphaltage au propane (U 22 ) :
le short résidus venant de la distillation sous vide, est traité avec un solvant sélectif qui est le
propane, afin d’éliminer l’asphalte et obtenir l’huile DAO, qui alimentera l’unité 23 / unité 300. elle
inclut les étapes suivantes :
- Mélange charge (RSV) et propane.
- extraction de l’huile désasphalté DAO.
- Extraction de l’asphalte.
- Récupération du propane.
III-2.3 Extraction au furfural (U 23 ) :
Elle a pour rôle l’élimination des aromatiques et des naphtènes afin d’améliorer le VI (indice
de viscosité) des huiles (spindle, MVO, VO, DAO). Elle comprend les étapes suivantes :
- La désaération (évite l’oxydation du solvant en éliminant l’air dans la charge).
- L’extraction.
- La récupération du raffinat .
- La récupération de l’extrait (solvant mélangé aux aromatiques).
- La récupération du solvant.
Quatre raffinats sont ainsi obtenus : spindle, mi-visqueux (SAE 10), visqueux (SAE 30),et la
Bright stock.
III-2.4 Déparaffinage des huiles au Mectoluène, et déshuilage (U24 ) :
Le mec-toluène (méthyle éthyle cétone et toluène) est utilisé comme solvant sélectif pour les
4 coupes d’huiles à déparaffiner, afin d’éliminer les paraffines, et pour améliorer le point d’écoulement
(même point d’écoulement à n’importe qu’elle période de l’année, surtout en temps d’hiver).elle
comprend les étapes suivantes :
- mélange charge / solvent
- refroidissement du mélange à –26 °C (batteries de réfrigération au propane (shilers) ).
- filtration entre paraffine cristallisée et huile déparaffinée, en utilisant des filtres rotatif sous
vide créer par les compresseurs de gaz inerte.
Chapitre III : Processus en détail
p. 30
- récupération du solvant par filtration
En aura enfin l’huile déparaffinée (DO) d’un coté et de la paraffine dure, et molle déshuilée
(amélioration de sa consistance et de son point de fusion ) d’un autre.
La paraffine non déshuilée est aspirée par pompage, tout en étant réchauffée par vapeur (3kg/cm2) à
60°c, afin de faciliter le pompage.
III-2.5 L’hydrofinishing (U25 ) :
Les huiles déparaffinées sont traitées alternativement à l’hydrogène dans un réacteur contenant
un catalyseur à base de fer, de cobalt, et de molybdène (enlever le soufre, l’azote, oxygéné etc..) , Afin
d’améliorer la couleur , l’odeur, la stabilité thermique et la résistance à l’oxydation. En obtient l’huile
de base BO.
III-3 Zone 06 :
c’est la production (formulation) et le conditionnement des huiles finis et de graisse à partir de
la zone 7 en ajoutant des additifs importés.
III-4 Zone 10 (les bitumes) :
Vu la faible teneur en asphalte dans le brut Algérien, les bitumes sont fabriqués à partir
d’un brut réduis importé c’est à dire un brut qui à déjà subit une distillation atmosphérique
, c’est le résidu à cette première opération qui va servir à cette production.
La zone bitume est composée de trois principales unités :
Unité 14 : unité de fabrication bitumes routiers comporte deux sections.
 Section de sous vide
 Section semi-blowing (oxydation)
Unité 15 : unité de fabrication bitumes oxydés par oxydation poussée.
Unité 45 : Une troisième unité permet le conditionnement les bitumes oxydés + stockage
et expéditions des bitumes commercialisés.
III-4.1 Caractérisation des bitumes :
Les bitumes sont de couleur noir solides ou semi solides à la température ambiante, ils sont
caractérisés par :
La pénétration :
Chapitre III : Processus en détail
p. 31
Elle représente l’enfoncement mesuré en 1/10 de mm d’une aiguille d’un calibre donné sous
une charge donnée pendant un temps donné. Le plus généralement la mesure est faite à 25°C avec une
charge de 100g et pendant une durée de 5 secondes.
Le point de ramollissement :
C’est la température à laquelle le bitume passe de l’état solide à l’état liquide. La méthode
courante utilisée est la méthode (bille et anneau).
Le point de flash :
C’est la température à laquelle les vapeurs émises par une éprouvette de bitume peuvent être
enflammés par l’approche d’une flamme, ce point d’inflammabilité varie entre environ 220°C et
320°C pour les différents types de bitumes.
La ductilité :
C’est la propriété qui caractérise la résistance du bitume à l’effort mécanique de traction, et se
mesure par un essai d’étirement.
III-4.2 Unité 14 Bitume routier (distillation sous vide - Fabrication du bitume routier) :
Cette unité d’une capacité de traitement de 278520 T/An, est calculée pour produire à partir d’un
brut réduit importé BRI les produits suivants :
Après une série de préchauffage par des échangeurs et un four, la charge BRI alimente la colonne
de flash sous vide où on obtient les coupes de gasoil
 LVGO (gasoil léger).
 MVGO (gasoil moyen).
 HVGO (gasoil lourd).
 Résidu sous vide par oxydation permettra d’obtenir du bitume routier.
Cette unité comprend deux sections :
A) Section flashing sous vide
Dans cette section le BRI est aspiré des bacs T525/T526 à 80-90°C par la pompe de charge
14G1A/B est refoulé à 18Kg/cm2
passe à travers la vanne automatique 14FIC-4, le produit peut être
jusqu’au 245°C par échange de chaleur par l’intermédiaire d’une batterie d’échangeurs :
a) Dans l’échangeur du gaz oil moyen (14E1)
b) Dans l’échangeur du gaz oil lourd (14E2)
c) Dans l’échangeur fond 14C2 (14E11)
Chapitre III : Processus en détail
p. 32
d) Dans les échangeurs de fond 14C1 (14E3A/B/C)
Puis passe à travers le four 14F1, le four est composé d’une seule passe. Le BRI pénètre dans le
four à une température de 245°C pour être réchauffé à une température variable suivant le brut réduit
importé, à la sortie du four le produit subit une injection de vapeur de dilution qui à pour rôle d’activer
la vitesse du BRI et sort du four entre 330-360°C cette température est contrôlée par 14TIC-1 (sortie
14F1)
- Les brûleurs du 14F1 sont de type mixte (fuel gaz, fuel oil et gaz de tête)
- La charge provenant du four pénètre en zone de flash de la colonne sous vide en deux phases, les gaz
s’acheminent vers le haut et le liquide se dirige vers le fond de la colonne 14C1.
- La colonne sous vide est composée de plateaux et d’une injection de vapeur de stripping (3bar)
surchauffée à travers le four à 320°C
- Le fond C1 est un mélange bitume + gaz oil très lourd aspiré par la pompe 14G2A/B traverse les
échangeurs 14E3A/B/C côté calandre/ BRI côté faisceaux et passe à travers la vanne de
charge14FIC103A, puis entre dans le ballon 14D1 (amortisseur) et s’écoule dans la colonne
d’oxydation 14C2, cette charge provenant du fond de la sous vide servira pour l’obtention des bitumes
routiers.
- Les coupes latérales sont soutirées des plateaux suivants :
Gaz oil léger (LVGO) plateau N°6
Gaz oil moyen (MVGO) plateau N°12
Gaz oil lourd (HVGO) plateau N°18
Les gaz passant à travers la ligne de tête 14C1 est aspiré par une batterie d’éjecteurs
14K1A/B/C/D à une pression de vapeur de 17kg/cm2
puis refroidi successivement dans les
condenseurs 14E4A/B/C le gaz condensât est recueilli par les jambes barométriques puis acheminés
vers le HOT-WELL et se dirige vers le PPI-API , les incondensables seront recueillis par un reniflard
et se dirigent vers atmosphère ou utilisés comme combustible dans le four 14F1 par l’intermédiaire de
l’éjecteur 14K2.
- Le vide dans le flashing 14C1 est de 30mmHg en tête et de 50mmHg en zone de flash.
Chapitre III : Processus en détail
p. 33
B) Section semi- Blowing
Cette section est alimentée par le fond 14C1 et après échange de chaleur dans les 14E3 A/B/C côté
calandre et contrôlé par 14FIC-103 ( vanne de charge) et traverse le 14D1 amortisseur équipe du
régulateur du niveau de la 14C2 ( colonne d’oxydation) le 14LIC-101. Après oxydation à l’air
provenant des compresseurs 14G7A/B/C, le produit de fond est aspiré par la pompe 14G8A/B et après
passage dans l’échangeur 14E11 côté calandre est stocké par la vanne de niveau la 14LICV-101 dans
les bacs T501/T502/T511/T106/T523 à une température de 160°C
- L’échangeur de chaleur le 14E10 continuellement by passé car on évite de faire passer le bitume
dans cet échangeur après sa sortie du 14E11 et ceci pour gagner le maximum de calorie au niveau des
bacs de stockages.
- La colonne d’oxydation 14C2 munie d’une injection d’air en fond de colonne et dont le débit est
contrôlé par la vanne 14FIC-103 suivant l’indication de température du bain du produit représenté par
la 14TIC-102.
Il y a également deux injections de vapeur contrôlées par la 14FIC-102, l’une en surface du
bain a pour rôle l’étouffement du bain et l’autre en tête de colonne a pour but d’éviter les entraînements
du produit par la tête de colonne.
- Les gaz de tête de la colonne d’oxydation 14C2 composés de gaz d’HC + vapeur d’eau sont
acheminés vers la colonne d’épuration 14C3 pour une condensation maximale des gaz d’HC en
utilisant les pompes 14G9A/B de fond de la 14C3 et l’aero-réfrigerant 14E12 dont le débit est contrôlé
par la 14FIC-104 et la température assurée par 14TRC-108 et reflux vers la tête de colonne à 95°C
- Les gaz de tête de 14C3 composés de vapeur d’H2O et des traces d’HC sous forme de vapeur sont
envoyés vers le ballon séparateur 14D2 pour une meilleur retenu des condensats puis dirigés sur le
14K4 (incinérateur) pour être brûlé au maxi à une température supérieur à 750°C afin d’éliminer les
odeurs (H2S) résultant des gaz d’oxydation.
III-4.3 Unité 15 Bitume oxydé :
L’unité est destinée à produire des bitumes à haut point de ramollissement, elle traite une
charge appelée BLOWING-STOCK qui est un mélange approprié de bitume et de gaz-oil lourd
provenant tous deux l’unité de flashing sous vide. Le principe de son fonctionnement est de traiter la
charge en injectant de l’air ( réaction exothermique)
Cette unité peut produire trois sortes de bitumes :
Chapitre III : Processus en détail
p. 34
Le bitume oxydé de spécification 85/25, 90/40 et 115/15 avec une production annuelle de
20.000T/an.
Le produit ( BLOWING-STOCK ) provenant du T520/T521 à 160°C est aspiré par la 15G1A/B
(pompe volumétrique) Il est refoulé vers la ligne de charge, une partie revient vers le bac de charge
pour recyclage contrôlé par FRFC-1 et une partie contrôlée par HC-1 se dirige vers le 15F1( four en
forme de poire ) et sort à 225°C et ensuite le produit alimente le 15F2 et sort à 235°C et s’achemine
vers le ballon amortisseur 15D1 puis alimente la colonne d’oxydation 15C3.
Circuits d’oxydation
Dans l’appareil de soufflage l’air est introduit par le fond 15C3, il circule à contre courant de
la charge ce qui accélère la réaction d’oxydation.
Comme ces réactions sont exothermiques on peut régler la température de surface 15C3 en
contrôlant la quantité d’air introduite.
Circuit de fond 15C3
Le produit de spécifications voulues sort du fond 15C3 est aspiré par la pompe 15G3A/B et
refoulé vers les bacs de stockage T508/T503/T504/T506/T507/T509, après avoir été contrôlé par le
niveau du bain 15LICAHL-1, ce dernier agit sur la 15LICV-B (vanne de retour de l’aspiration
15G3A/B )
Circuit d’air de soufflage 15C3
L’air de soufflage pour l’oxydation provient des compresseurs 14G7A/B/C, le débit est régulé
par la 15 FIC-4 le contrôle s’effectue suivant une chaîne en cascade 15TIC-3, 15FIC-4.
Circuit de vapeur soufflage 15C3
Au sommet de la colonne, il y a deux injections de vapeur qui introduisent de la vapeur pour
éviter la combustion spontanée des huiles de décomposition ou l’explosion des gaz emmenant de la
charge et mélangés à l’air.
Les deux injections de vapeur sont contrôlées par la 15FIC-3, les orifices des injections à
vapeur sont dirigés vers le bas fond face au bain de la colonne, le débit est indiqué par le FI-2 et une
injection en tête, pour éliminer les gouttelettes montantes vers la tête.
Les gaz du 15D1 et 15C3 se dirigent vers 15C1 La 15G5 aspire du fond de la 15C1 et refoule
vers l’aero-réfrigérant 14E2 ensuite vers la tête de la 15C1.
Chapitre III : Processus en détail
p. 35
Epurateur- séparateur 15C2
Cette colonne sert à épurer, refroidir le gaz de rejet sortant de la tête 15C1.
- L’épurateur et le déshumidificateur sont installés à l’intérieur d’une même tour ; l’épurateur
comprend 05 étages de plateaux perforés.
- Pour avoir un niveau, l’eau de refroidissement est introduit par la partie supérieure et descend
les 5 étages, tendis que les gaz de rejet entrent par le bas et s’échappent à travers les plateaux
perforés.
- La 15G6 aspire du fond 15C2 et refoule vers l’aero-réfrigérant 15E3
- Le surplus dirige vers l’oil séparateur.
- Les gaz de tête s’acheminent vers le ballon 14D2 et ensuite vers l’incinérateur des gaz 14K4.
REMAQUE:
Le mélange 85% du résidu sous vide et 15% de HVGO alimente la colonne d’oxydation pour
obtenir des bitumes oxydés
14 -
FRFC-
LIC-
FRFC-
FUE
14 - LIC-
14-
14 -
14 -
14 -
14 - LIC
14 - LIC
-1
14 -E
14 - E
14 - G1
14 - E
14 - E
14 -
14 -
14 -
14 -
14 - E 5
14 -
14 -G 5
VERS
STOCKAGE
CHARGE
14 -
14 -
14 -
14 -
BITUME
14 -
UNITE-14 :
VAPEUR
K-1A
E- E- E-
K-1D
K-
1C
K-
HOT-
14 -
H.V.G.O
VERS
PIC-
PD
VERS
SWITCH
LIC-
PD 14
FR
14 - G7 A/
B/C
14 -
14 -14 -
VERS
V
E
R
D
E
14-
14 -
14
VERS 15
14-
STOCKAGE T-524
14 -
C-1 : COLONNE DISTILLATION SOUS VIDE
C-2 : COLONNE SEMI-OXYDATION C-3 :
SCRUBBER DE GAS OIL
F-1 : FOUR RECHAUFFEUR CHARGE D-1 :
BALLON AMORTISSEUR
E-1/3 ,E-11 : ECHANGEURS DE CHALEUR CHARGE
E-4 : CONDENSEUR DE TETE 14-C1 E-5/8, E12 : AERO-
REFRIGERANT
K-1 : EJECTEURS K-4 : INCINERATEUR DE GAZ G-
7 : COMPRESSEUR D’AIR G-1/6 : POMPES

Raffinerie d'Arzew

  • 1.
    18/04/2016 Présente par : DoudouWalid & Rouighi Rafik Année scolaire : 2015/2016 Rapport de stage Cycle de fin d’étude licence Aperçu générale du Raffinerie d’Arzew
  • 2.
    Sommaire Sommaire Chapitre I :Généralités I - Généralités :.................................................................................................................................................1 I-1 Généralités sur le pétrole :........................................................................................................................1 I-1.2 Origine : ...................................................................................................................................................1 I-1.3 Etapes de formation : .............................................................................................................................2 I-1.4 Composition du pétrole brute : .............................................................................................................3 I-1.5 Principaux types : ...................................................................................................................................4 I-2 Raffinage du pétrole :................................................................................................................................4 I-2.1 Procédés de raffinage :...........................................................................................................................5 I-2.1.1 Les procédés de séparation :................................................................................................. 5 I-2.1.2 Les procédés de conversion :................................................................................................ 6 I-3.1.3 Les procédés d'épuration : .................................................................................................... 7 Chapitre II : présentation du site II- Le complexe de la raffinerie d’Arzew .....................................................................................................9 II-1. Description du complexe : .....................................................................................................................9 II-2. Situation géographique :.........................................................................................................................9 II-3 Capacités de production : ......................................................................................................................10 II–4. Importance du raffinage : ....................................................................................................................11 II-6. Présentation des installations de production :....................................................................................12 Chapitre III : Processus en détail III-1 Les carburans (zone 4) .........................................................................................................................16 III-1.1 Unité 11 la distillation atmosphérique et système torche : ................................................. 16
  • 3.
    Sommaire III-1.2 Section defractionnement principal : ................................................................................. 16 III-1.3 fractionnement du naphta et du GPL :................................................................................ 18 III-1.4 UNITE 17 unité d’isomérisation (PENEX) :...................................................................... 21 III-1.5 Unité 12 de reformage catalytique :.................................................................................... 25 III-1.6 Unité 13 Unité de récupération et traitement des LPG :................................................... 28 III-2 Les lubrifiants (Zone 07) : ..................................................................................................................28 III-2.1 Distillation sous vide (U 21 ) :............................................................................................ 28 III-2.2 Desasphaltage au propane (U 22 ) :.................................................................................... 29 III-2.3 Extraction au furfural (U 23 ) : ........................................................................................... 29 III-2.4 Déparaffinage des huiles au Mectoluène, et déshuilage (U24 ) : ....................................... 29 III-2.5 L’hydrofinishing (U25 ) : ................................................................................................... 30 III-3 Zone 06 : ................................................................................................................................................30 III-4 Zone 10 (les bitumes) :.........................................................................................................................30 III-4.1 Caractérisation des bitumes : .............................................................................................. 30 III-4.2 Unité 14 Bitume routier (distillation sous vide - Fabrication du bitume routier) :............ 31 A)...................................................................................................................... Section flashing sous vide................................................................................................................................................. 31 B).................................................................................................................................. Section semi- Blowing.......................................................................................................................................... 33 III-4.3 Unité 15 Bitume oxydé :..................................................................................................... 33 Liste des figures Figure 01 : Ressemblance entre les composés naturelles et pétroliers. Figure 2 : Principe d'une raffinerie simple Figure 03: raffinerie d'arzew vu GOOGLE MAPS Figure 04 : schéma représente l’objectifs de la raffinerie
  • 4.
    Sommaire Figure 05: LEPLAN DE MASSE DE LA RAFFINERIE D'ARZEW Figure 06 : Section de fractionnement principal Unité 11 Figure 07 : section de fractionnement du naphta et GPL Figure 08 : section d’hydrotraitement L.S.R.N Figure 09: section PENEX Figure 10 : section PENEX Figure 11 : section Platforming Liste des tableaux Tableau I : les différentes gammes des produits de RA1Z
  • 5.
    Chapitre I :Généralités p. 1 I - Généralités : I-1 Généralités sur le pétrole : Le pétrole brut est un fluide constitué principalement d'hydrocarbures ; il contient également des composés organiques soufrés, oxygénés et azotés. On le rencontre dans les bassins sédimentaires, où il occupe les vides de roches poreuses appelées réservoirs. Les gisements de pétrole correspondent à une accumulation dans une zone où le réservoir présente des caractéristiques favorables et constitue un piège : la fuite du pétrole – moins dense que l'eau – est rendue impossible vers le haut par la présence d'une couverture imperméable (argiles, sel) et latéralement par une géométrie favorable (dôme anticlinal, biseau de sables dans des argiles). Le pétrole a pour origine la substance des êtres, animaux ou végétaux, vivant à la surface du globe et particulièrement en milieu aquatique. La matière organique ainsi produite se dépose au fond des mers et des lacs et est incorporée aux sédiments. À mesure que ceux-ci sont enfouis, les constituants organiques se transforment, principalement sous l'action de la température, en hydrocarbures dont une partie vient progressivement se concentrer dans les pièges des réservoirs poreux. Si la composition élémentaire globale des pétroles est relativement fixe, la structure chimique de leurs constituants varie plus largement, ce qui entraîne une grande diversité des propriétés physiques (densité, viscosité) ainsi que des teneurs très variables dans les différents types de produits obtenus par raffinage. En particulier, la présence de soufre dans certains pétroles pose des problèmes de corrosion et dépollution atmosphérique, tant au stade du raffinage qu'à celui de l'utilisation industrielle ou domestique de leurs dérivés. I-1.2 Origine : L'explication de l'origine du pétrole par l'évolution géologique de la matière organique a été formulée dès le XIXe siècle ; mais elle était alors fortement concurrencée par des théories impliquant des mécanismes inorganiques, par exemple l'action de l'eau sur des carbures métalliques. Quelques chercheurs en ex-U.R.S.S. font appel soit à des théories cosmiques dans lesquelles les hydrocarbures sont les restes d'une atmosphère primitive de la Terre, soit à des synthèses de type minéral, comme dans le procédé Fischer Tropsch, qui seraient réalisées à grande profondeur dans le sous-sol. En fait, l'hypothèse cosmique n'est guère soutenable, car il s'agit d'une étape cosmologique transitoire dont on n'est pas certain et qui est en tout cas ancienne ; d'autre part, quel que soit le mécanisme chimique envisagé dans le sous-sol, la quasi-totalité du carbone de l'écorce terrestre est représentée par la matière
  • 6.
    Chapitre I :Généralités p. 2 organique contenue dans les roches sédimentaires. De plus, des traces de l'origine organique des pétroles bruts peuvent être décelées ; en premier lieu, on y trouve des corps optiquement actifs, qui ne peuvent pratiquement être synthétisés que par les êtres vivants ; on y trouve également : des porphyrines, dont la structure dérive directement de celle de la chlorophylle des plantes ou de l'hémine ; des isoprénoïdes, hydrocarbures issus de la chaîne phytol de la chlorophylle ; des stéroïdes et triterpénoïdes, composés caractéristiques de la matière vivante . Il semble donc que l'essentiel des gisements de pétrole dérive, directement ou non, de la substance des êtres vivants incorporée dans les sédiments lors de leur dépôt. Figure 01 : Ressemblance entre les composés naturelles et pétroliers. I-1.3 Etapes de formation : Sans trop s’attarder sur ce point on peut résumer la formation en divers étapes. A savoir que la majorité du pétrole s’est formé dans les fonds océanique on a :  Le déposement des algues et composés organiques de la surface vers les fonds océaniques.  Formation de plusieurs couches successives du fait de ce déposement continue qui a durée des millions d’années.  Création d’une pression sur les couches inférieures (un phénomène de subduction) qui les entrainent encore plus en profondeur.
  • 7.
    Chapitre I :Généralités p. 3  A partir de 1000 m de profondeur une décomposition, transformation s’enclenche, sous l’effet des bactéries anaérobies les restes organique se transforme en Kérogène (précurseur du pétrole)  Le Kérogène s’enfonce encore plus en profondeur pour donner naissance au pétrole et gaz sous l’effet de la haute température et pression de l’écorce terrestre.  Migration du pétrole et gaz formé à travers les couches vers la surface jusqu'à atteindre des roches imperméable ou il est stocké sous forme de réservoir. I-1.4 Composition du pétrole brute : Un pétrole brut contient certainement des centaines de milliers de types moléculaires différents, dont seuls quelques centaines ont été séparés et dûment identifiés : Les alcanes sont en général abondants, tant les formes normales que les formes ramifiées ; parmi celles-ci, les plus remarquables sont les isoprénoïdes, qui possèdent un groupement méthyle sur chaque quatrième atome de carbone. Les cyclanes sont en quantité assez variable : parmi eux les molécules tétracycliques et pentacycliques sont responsables de l'activité optique des hydrocarbures saturés (stéranes, triterpanes ; ). Les aromatiques comprennent principalement le benzène, le naphtalène, le phénanthrène et leurs dérivés alkyl ; parmi ceux-ci les molécules à chaînes courtes et peu nombreuses sont les plus abondantes (méthyl, diméthyl, méthyléthyl). Les molécules cyclano-aromatiques, formées d'un noyau comprenant un ou plusieurs cycles aromatiques, un ou plusieurs cycles saturés et des chaînes, sont assez abondantes ; parmi les plus remarquables, on peut signaler les stéroïdes et triterpénoïdes (un cycle aromatique, trois ou quatre cycles saturés ). Une grande partie des composés de poids moléculaire élevé (résines et asphaltènes) présente une structure complexe : Empilement irrégulier de quelques feuillets, à structure le plus souvent aromatique condensée, portant quelques chaînes saturées. Oxygène, soufre et azote sont présents, ces deux derniers étant préférentiellement intégrés dans des structures cycliques. Le poids moléculaire peut alors atteindre plusieurs milliers. Les teneurs en soufre varient de moins de 0,2 p. 100 à plus de 5 p. 100. C'est l'élément le plus abondant dans les pétroles après le carbone et l'hydrogène. L'origine du soufre peut être discutée, mais
  • 8.
    Chapitre I :Généralités p. 4 il est probablement en partie acquis par la matière organique après son dépôt ou encore par les hydrocarbures eux-mêmes. Les thiols ou mercaptans, sulfures et disulfures sont peu abondants, sauf parmi les composés légers. Dans les gaz de pétrole, l'hydrogène sulfuré peut être en teneur assez élevée pour justifier une exploitation (Lacq). Dans le pétrole liquide les composés soufrés les plus importants sont généralement les thiophènes et en particulier les familles du benzothiophène et dibenzothiophène. I-1.5 Principaux types : On observe généralement une certaine parenté, dans un même bassin, entre les pétroles qui dérivent de la même roche mère. Cette parenté s'exprime parfois par des caractéristiques chimiques très particulières (pétroles soufrés). Par contre, à l'intérieur d'une même famille d'huiles, ainsi définie, on note des variations au travers du bassin, en particulier du fait de l'histoire géologique locale. Dans les bassins du Moyen-Orient (Arabie Saoudite, Koweit, Irak, Iran), les pétroles contiennent 1 à 5 p. 100 de soufre. Il en est de même pour certains pétroles du Venezuela et du sud- ouest de la France. On a noté une liaison fréquente entre la présence de séries géologiques carbonatées et de pétroles soufrés, et tenté de rechercher l'origine du soufre dans les sulfates (évaporites) qui sont fréquents dans ces séries sédimentaires. Cependant, on trouve également des pétroles riches en soufre dans des séries détritiques (sables, argiles). Dans d'autres types de sédiments, déposés dans des eaux où les influences marines sont faibles ou nulles, on a remarqué l'abondance des alcanes normaux de rang élevé, que l'on rapporte aux végétaux supérieurs, et des hydrocarbures aromatiques. À côté de ces caractères communs à une zone pétrolière, on observe des variations liées à l'âge et à la profondeur des gisements. Les teneurs en hydrocarbures saturés, et surtout en composés légers, augmentent avec la profondeur des gisements, c'est-à-dire avec leur température. À très grande profondeur, on trouve essentiellement du méthane. En effet, le temps, et surtout la température, sont deux paramètres essentiels de la cinétique de transformation de la matière organique dans le sous-sol, et en particulier des réactions de craquage qui sont à l'origine des hydrocarbures légers. I-2 Raffinage du pétrole : Le raffinage du pétrole est une industrie lourde qui transforme un mélange d'hydrocarbures, appelé pétrole brut, en produits énergétiques, tels que carburant et combustibles, et en produits non énergétiques, tels que matières premières pétrochimiques, lubrifiants, paraffines et bitumes. Les
  • 9.
    Chapitre I :Généralités p. 5 produits sont ensuite acheminés vers le consommateur final, soit directement, soit à travers un réseau de distribution comprenant notamment des dépôts et des stations-service. La transformation des pétroles bruts s'effectue dans les raffineries, usines à feux continus et très automatisées, qui sont plus ou moins complexes selon la gamme des produits fabriqués et selon la qualité des pétroles bruts comparée aux exigences du marché. I-2.1 Procédés de raffinage : La complexité d'une raffinerie se traduit par le nombre d'unités de fabrication. Ces unités utilisent des procédés physiques ou chimiques que l'on peut classer en trois catégories :  Les procédés de séparation  Les procédés de conversion  Les procédés d'épuration. I-2.1.1 Les procédés de séparation : a) Distillation atmosphérique : La distillation atmosphérique du pétrole brut s'effectue par le procédé de séparation le plus classique. On crée par vaporisation partielle du pétrole brut liquide une phase vapeur et une phase liquide. La phase vapeur, plus légère, est ensuite recueillie par condensation. Figure 2 : Principe d'une raffinerie simple
  • 10.
    Chapitre I :Généralités p. 6 Les constituants sont séparés en fonction de la différence de leurs températures d’ébullition. b) Distillation sous vide : La distillation sous vide du résidu atmosphérique s'effectue après la distillation sous vide, c’est aussi par une séparation liquide-vapeur en function de la temperature d’ebulition, mais pour provoquer la vaporisation partielle sans décomposer le produit par la chaleur, il est nécessaire d'opérer sous vide et d'injecter de la vapeur surchauffée. c) Le désalphatage : Le désasphaltage du résidu sous vide est une étape ultime de séparation qui permet d'obtenir l'huile désasphaltée, produit jaune-orangé, et un asphalte utilisable comme combustible malgré sa concentration en composés soufrés et métalliques. d) L'extraction : L'extraction des aromatiques est un procédé qui, par l'action d'un solvant sélectif, provoque la création de deux phases liquides grâce à la miscibilité partielle dans ce solvant de certains constituants du produit à raffiner. Les deux phases sont aussitôt séparées par décantation et le solvant recyclé après récupération par distillation. Des deux produits obtenus, l'un, riche en aromatiques, s'appelle l'extrait, l'autre le raffinat. e) La cristallisation : Un autre procédé de séparation pour la fabrication des lubrifiants consiste à provoquer, par refroidissement, la cristallisation spontanée des paraffines ou cires et à créer ainsi une phase solide et une phase liquide. La séparation de ces deux phases s'effectue en continu, avec l'aide d'un solvant sélectif, par filtration sous vide. I-2.1.2 Les procédés de conversion : Les proportions des produits obtenus par séparation à partir des pétroles bruts ne coïncident avec le profil des besoins du marché ni en quantité ni en qualité. Les procédés de conversion effectuent des transformations moléculaires qui accomplissent cette adéquation. Ils utilisent essentiellement des réactions chimiques que l'on peut classer en trois catégories suivant que les liaisons carbone-carbone des molécules sont :  Rompues (craquage) D'une façon générale, ces transformations sont soit purement thermiques, soit aidées par un catalyseur, soit réalisées en présence d'hydrogène.  regroupées (synthèse)  conservées (réarrangement)
  • 11.
    Chapitre I :Généralités p. 7 a) Le reformage et l'isomérisation :  Reformage : Le reformage des distillats légers dont le point d'ébullition est supérieur à 80 °C est le procédé le plus classique pour fabriquer des fractions d'essences riches en hydrocarbures aromatiques qui ont un très haut indice d'octane. Il s'effectue vers 530 °C, donc à plus haute température que le craquage. D'abord exclusivement thermique jusque vers 1939, le reformage a ensuite utilisé comme catalyseur de l'oxyde de molybdène, puis, vers 1948, du platine, d'où le nom de Platforming donné à ce type de procédé. On obtient de 75 à 80 p. 100 d'essence reformée à haut indice d'octane, des gaz liquéfiés et environ 1 p. 100 en poids d'hydrogène, considéré aujourd'hui comme un précieux réactif pour l'épuration des produits par désulfuration. L'opération de reformage catalytique est conduite sous une pression de 20 à 40 atmosphères en présence d'hydrogène fabriqué par la réaction, ce qui évite la formation de coke. Il s'en dépose néanmoins un peu sur le catalyseur qui doit être régénéré par combustion tous les six à neuf mois. Plusieurs unités utilisent maintenant un catalyseur bimétallique et une technologie permettant sa régénération continue.  Isomérisation : Les distillats légers dont le point d'ébullition est inférieur à 80 °C ne sont pas transformables par le reformage catalytique car leurs molécules contiennent moins de six atomes de carbone, seuil des hydrocarbures aromatiques. S'il s'avère nécessaire d'améliorer leur indice d'octane, on fait appel au procédé d'isomérisation qui transforme les hydrocarbures paraffiniques à chaîne droite en hydrocarbures paraffiniques ramifiés dont l'indice d'octane est meilleur. L'opération s'effectue avec des produits sous forme liquide ou gazeuse, entre 20 et 70 atmosphères, à une température de 120 à 200 °C, en présence d'hydrogène pour éviter les réactions parasites de craquage, et avec comme catalyseur un métal noble activé par de l'acide chlorhydrique. I-3.1.3 Les procédés d'épuration : Les procédés d'épuration ont pour but de débarrasser les produits traités, ainsi que les effluents liquides et gazeux, des composés indésirables qui y sont contenus en faibles proportions. Ces procédés séparent ou transforment les composés qui pourraient s'avérer nocifs pour les opérations de raffinage, pour les utilisateurs des produits fabriqués ou pour l'environnement.
  • 12.
    Chapitre I :Généralités p. 8  Le dessalage : Le dessalage du pétrole brut avant sa distillation évite des dépôts de sels dans les tubes des fours et des corrosions acides en tête des colonnes de fractionnement. Même s'il a été préalablement dessalé sur le champ de production, le pétrole brut a recueilli au cours de son transport des chlorures de sodium, de magnésium et de calcium – d'une dizaine de grammes à plusieurs kilogrammes par tonne, suivant son origine – qu'on dissout en y injectant de 7 à 8 p. 100 d'eau douce et en formant une émulsion chaude. Cette émulsion s'écoule dans un récipient cylindrique horizontal où elle est soumise à l'action d'un champ électrostatique de 20 000 à 35 000 volts, qui favorise l'agglomération des gouttes d'eau chargées de sels et leur séparation par décantation.  La désulfuration : La désulfuration est un traitement très répandu qui utilise les procédés les plus variés. Les gaz incondensables ou liquéfiés sont épurés de leur hydrogène sulfuré par les éthanolamines ou propylamines qui le dissolvent à froid, le rejettent à chaud et sont recyclés un grand nombre de fois. Les gaz liquéfiés sont ensuite séchés par passage sur les tamis moléculaires. Les distillats légers sont, le plus souvent, totalement désulfurés avant même d'être séparés, par une hydrogénation à 350 °C sous 30 atmosphères en présence d'un alliage de cobalt et de molybdène. Les carburéacteurs et les gazoles sont hydrogénés séparément à 400 °C et sous une pression de 30 à 70 atmosphères. Les huiles déparaffinées et les paraffines brutes, qui autrefois étaient épurées à l'acide sulfurique et à la terre décolorante, sont maintenant hydrogénées en présence de catalyseur pour éliminer les composés sulfurés, oxygénés et azotés et améliorer ainsi leur couleur et leur stabilité. Comme les composés sulfurés auxquels s'attaquent tous ces traitements d'hydrogénation sont en faibles proportions, l'hydrogène requis n'a besoin d'être ni très abondant ni très pur, si bien que le gaz hydrogéné produit en excédent par le reformage catalytique convient tout à fait.
  • 13.
    Chapitre II :Présentation du site p. 9 II- Le complexe de la raffinerie d’Arzew II-1. Description du complexe : La raffinerie d’Arzew par sa diversité de production se classe au premier rang des complexes édifiés sur le territoire national. Elle a été implantée dans le cadre quinquennal 1970-1973 par la société Japan Gasoline Company (JGC) et s’est étendue par une extension de ces unités de production de bitumes en 1975 ; ainsi elle a été suivie par une autre extension de ses unités de lubrifiants en 1983. Depuis 1987, La raffinerie d’Arzew est gérée par la société NAFTEC. La raffinerie d’Arzew s’étend sur une superficie de 150 hectares, au niveau de la zone industrielle. Le démarrage des unités a été réalisé à partir de juillet 1972, et la mise en service était pour mars 1973. En 1978, suite aux besoins importants de lubrifiants, la réalisation d’un ensemble intégré de production d’huiles de base fut lancée. La raffinerie est devisée en unités de production : Production 1 qui englobe les zones: 03, 04, 06,07 et 10. Production 2 englobe la zone : 05 et 19. Production 3englobe la zone : 3000 ; 3900. Production 4 englobe la zone : 27 et 28. II-2. Situation géographique : La raffinerie d’Arzew est implantée dans la zone industrielle à 2 km d’Arzew ; elle est située sur le plateau de la localité d’El Mohgan au carrefour de la route nationale N° 11 (Oran – Arzew) et la route Nationale N°13 (Arzew – Sidi-Bel-Abbès) et à environ 40 km d’Oran.
  • 14.
    Chapitre II :Présentation du site p. 10 Figure 03: raffinerie d'arzew vu GOOGLE MAPS II-3 Capacités de production : La raffinerie dispose d’une capacité de traitement de 3,5 millions de tonnes/an de pétrole brut saharien (HASSI-MESSAOUD) et de 280.000 tonnes/an de brut réduit importé (BRI) pour satisfaire les besoins de consommations internes en carburants, lubrifiants, bitumes et aussi exporter les produits excédentaires (Naphta, Kérosène, Fiouls). La production de la raffinerie est très diversifiée, elle se compose comme suit: La gamme Le produit GPL Propane Butane CARBURANTS Essence super Essence normale
  • 15.
    Chapitre II :Présentation du site p. 11 Naphta Kérosène Gasoil Fuel HTS Fuel BTS LUBRIFIANTS Huiles de base Huiles finies Paraffines Graisses BITUMES Bitumes routiers Bitumes oxydés Tableau I : les différentes gammes des produits de RA1Z II–4. Importance du raffinage : L’importance du raffinage est d’assurer, à partir d’une matière première unique (PETROLE). La fabrication d’une gamme très étendue de produits finis qui doivent satisfaire l’utilisateur en répondant a des nombreuses spécifications et couvrir la demande quantitative exigée par le marché. L’industrie du raffinage met en œuvre des techniques de séparation et de transformation permettant de produire à partir du pétrole des produits commerciaux allant du gaz au carburant, lubrifiants et bitumes. Les objectifs du raffinage :  Transformer le pétrole brut en produits pétroliers.
  • 16.
    Chapitre II :Présentation du site p. 12  Ajuster les rendements pour satisfaire la demande en produits pétroliers  Ajuster la qualité de ces produits pétroliers pour répondre aux spécifications requises. Figure 04 : schéma représente l’objectifs de la raffinerie II-6. Présentation des installations de production : Le complexe est constitué de plusieurs zones ayant comme activités spécifiques suivantes :  Parking (Zone 1)  Station de veille (Zone 2)  Zone 9 : Cette zone est destinée au stockage du brut et des résidus.
  • 17.
    Chapitre II :Présentation du site p. 13  Zone 11, 12,13: Elles sont destinées à stocker le brut provenant de «HASSI-MESSAOUD»  Administration générale (Zone 14) .  Laboratoire (Zone 15). L’utilité (zones 3 &19) : Les utilités constituent une zone importante au sein de la raffinerie d’Arzew, elles assurent la production de la vapeur, l’électricité, air et de l’eau distillée. Les lubrifiants (Zones 07 & 05) : Ces deux zones ont pour but d’obtenir des huiles de base considérées comme matière première pour la fabrication des lubrifiants à partir du (BRA).Ce dernier est un composé pétrolier lourd et visqueux recueilli au fond du topping. Département Production P1 Les installations sont constituées de :  Zone 3 : Utilités Elle comprend les unités suivantes : - Unité 31 : Production de vapeur et d’électricité. - Unité 32 : Production de l’eau distillée. - Unité 33 : Circuit d’eau de refroidissement. - Unité 34 : Station de pompage eau. - Unité 35 : Récupération et distribution du gaz combustible. - Unité 36 : Unité d'air comprimé. - Unité 67 : Pomperies du Réseau d’eau anti-incendie.
  • 18.
    Chapitre II :Présentation du site p. 14  Les carburants (Zone 4) : Le brut algérien provenant de Hassi Messaoud est utilisé comme charge principale dans la zone 4, elle est constituée des unités suivantes : Elle comprend les unités suivantes : - Unité 11 : Unité de distillation atmosphérique « Topping » - Unité 12 : Unité de reforming. - Unité 13 : Séparation des gaz « Gas Plant » - Unité 17 : Unité d’isomérisation. - Unité 18 : Huile chaude « hot oïl » - Unité 65 : Torche des gaz.  Zone 7 : Lubrifiants Elle comprend les unités suivantes : - Unité 21 : Distillation sous vide. - Unité 22 : Désasphaltage au propane. - Unité 23 : Extraction au furfural des aromatiques. - Unité 24 : Déparaffinage au MEK-Toluène. - Unité 25 : Hydrofinishing.  Zone 10 : Bitumes Cette zone est destinée à la fabrication des bitumes de pétrole brut réduit importé Cette zone est composée de trois unités : - Unité 14 : Bitumes routiers.
  • 19.
    Chapitre II :Présentation du site p. 15 - Unité 15 : Bitumes Oxydés. - Unité 45 : Conditionnement et de stockage des bitumes. Figure 05: LE PLAN DE MASSE DE LA RAFFINERIE D'ARZEW
  • 20.
    Chapitre III :Processus en détail p. 16 III-1 Les carburans (zone 4) La zone 4 est la zone des carburants, elle comprend trois unités :  Unité de distillation atmosphérique  unité de reforming catalytique  unité de traitement des gaz III-1.1 Unité 11 la distillation atmosphérique et système torche : Cette unité d’une capacité annuelle de 3,5 millions de tonnes est calculée pour produire ce qui suit à partir du brut de Hassi-Messaoud.  GPL  LSRN  HSRN  KEROSENE  GAS.OIL LEGER  GAS OIL LOURD  BRUT REDUIT Cette unité comprend 2 sections : - Section de fractionnement principal - Section de stabilisation des gaz de tête. III-1.2 Section de fractionnement principal : Dans cette section le brut est aspiré par la pompe de charge 11G1A ou B à travers la vanne automatique de charge 11 FRC17 à partir du réservoir de stockage. Il est chauffé à 148°C par échange de chaleur à travers une batterie de préchauffage, a) Par échange de chaleur dans l’échangeur brut / Naphta 11E1 A.B.C.D b) Dans l’échangeur brut / Kérosène 11E2. c) Dans l’échangeur brut / Brut réduit 11 E3 A/B d) Dans l’échangeur brut / Gasoils (LGO-HGO) 11 E4 A/B. Ensuite le brut entre dans le ballon de flash 11D1 dont la pression de service est de 3,1kg /cm2 là il y a séparation par détente.
  • 21.
    Chapitre III :Processus en détail p. 17 Le liquide est pompé par la pompe de fond du ballon de flash 11G2 A ou B passe à travers l’échangeur brut / reflux de gasoil léger 11E5 et de l’échangeur brut / brut réduit 11E6 A/B puis est renvoyé au four 11F1. Le serpentin de four est de 4 passes, et le débit est contrôlé sur chacune de ces passes par 11 FRC (2, 3, 4,5) de façon à régulariser les débits sur les 4 passes. Le brut entre dans le four 11F1 à une température de 216° pour être chauffé à 332°C. La charge mélangée à la phase vapeur provenant du ballon de flash 11D1 est chargée dans la zone de flash du fractionnaire principal 11C1 entre les plateaux n°44 et 45. Le fractionneur principal 11C1 est équipé de 48 plateaux à clapets. Une injection de vapeur de stripping surchauffée à 316°C au niveau de la zone de convection du 11F1 est prévue au fond de la colonne. A) _ Produit de la colonne de distillation atmosphérique :  La charge au fond de la colonne 11C1 appelée le BRA est pompée par la pompe 11G10 (A ou B) vers les échangeurs 11 E6A/B et 11 E3 A/B (pour les échanges thermiques), puis refroidie à 75°C dans le condenseur 11E15d’ou elle sera envoyée au stockage dans un bac.  Le BRA est utilisé comme charge dans les unités des lubrifiants et aussi comme composant dans le mélange des fuels oïl.  Kérosène : plateau n°14  Gasoil léger : plateau accumulateur n°2 entre les plateaux n°30 et 31  Gasoil lourd : plateau n°37. La coupe latérale soutirée du plateau accumulateur n°1 situé entre les plateaux n°3 et n°4 est renvoyée comme reflux de tête (11FR16) avec le liquide du receveur de tête de la colonne 11C appelé 11D2. B) _ Purification des coupes gasoil et kérosène à travers les strippers : Les autres coupes latérales passent dans les strippers 11C3 et 11C4. Gasoil léger et Gasoil lourd sont séparés de leurs composants légers par la vapeur de stripping, par contre le kérosène est séparé par la chaleur de rebouilleur à l’aide du reflux de Gasoil. Et dans tous les cas, La partie légère est renvoyée au fractionnateur.
  • 22.
    Chapitre III :Processus en détail p. 18 Chaque niveau au fond du stripper est contrôlé par L.I.C ainsi que chaque fond de stripper pompé est refroidi dans les échangeurs de chaleur, les aéroréfrigérants et les condenseurs pour être envoyé au stockage. Les quantités soutirées du Kérosène, du Gasoil léger, Gasoil lourd sont contrôlées respectivement par FRC 15,14, 9,8. III-1.3 fractionnement du naphta et du GPL : Le gaz passant au travers de la ligne de tête de la colonne est condensé et refroidi dans les aéroréfrigérants 11E16 A à H et les condenseurs 11 E17 A à D puis entre dans le receveur de tête 11 D2. Les gaz incondensables dans le receveur de tête sont récupérés par le compresseur 11 G12 qui va les comprimer pour les envoyer au ballon 11D3 après être refroidi dans le condenseur 11E18. Figure 06 : Section de fractionnement principal Unité 11
  • 23.
    Chapitre III :Processus en détail p. 19 La partie liquide provenant du receveur de tête11D2 est utilisée comme charge du splitter11C5 avec le liquide provenant du compresseur (à travers le ballon 11D3), le liquide provenant du receveur de tête du stripper 12C2 (12FR4) et le liquide provenant du fond de l’absorbeur 11C7. Cette charge est chauffée jusqu’à 127°C par l’intermédiaire de l’échangeur charge / fond du splitter 11E19 A/B. La colonne de splitter 11C5 est équipée de 27 plateaux, ainsi que la pression de service est de 8,1 kg /cm2. L’essence de fond du splitter est rebouillie à 226°C dans le réchauffeur du fond 11 F2 et elle passe à travers de l’échangeur charge / résidu du splitter 11 E19 A/ B l’aérorifrigérant 11 E20 et le condenseur 11 E21 d’où une partie est utilisée dans l’absorbeur11C7, comme huile d’absorption et le reste est envoyé au réservoir de stockage de Naphta lourd (HSRN) comme charge de l’unité reforming catalytique (unité12). Les vapeurs de tête du splitter11C5 sont refroidies dans le réfrigérant à ailettes 11 E22 A/B ensuite dans le condenseur 11 E23, après elles sont envoyées au receveur de tête du splitter 11 D5. Une partie est renvoyée comme reflux et le reste est réchauffé à 82°C dans les échangeurs charge / résidu du stabilisateur 11 E24 A / B puis envoyé au stabilisateur où il est séparé en GPL et C5+. Le stabilisateur 11 C6 est équipé de 40 plateaux et fonctionne sous une pression de 10,6 Kg /cm2. Une partie du résidu du stabilisateur est chauffé à 153°C par échange de chaleur avec le reflux de gasoil dans le rebouilleur du stabilisateur 11E27 et le reste est envoyé au réservoir de stockage de Naphta léger (LSRN) à travers le condenseur 11E25 pour être utilisé comme composant pour le mélange des essences. Les gaz de tête du stabilisateur sont refroidis dans le condenseur de tête du stabilisateur 11 E26 A / B puis passent dans le receveur de tête 11 D6. Une partie est utilisée comme reflux de la 11C6, le reste passe à l’unité de récupération de gaz (unité 13) à travers 11FR31. Les gaz provenant des receveurs de têtes du stabilisateur 11D6, de la colonne 12C6 et du stripper 12C2 (12FR12 ; 12FR3) de l’unité de reforming catalytique et de l’unité de récupération de gaz (13FR3) sont envoyés à l’absorbeur (11 C7) alimentant 35D1en gaz raffinerie. L’absorbeur est équipé de 29 plateaux et fonctionne sous une pression de 7,1 Kg/cm2 . Un soutirage est effectué au niveau du plateau n°14 et après refroidissement par le condenseur 11E28, il est renvoyé au plateau n°15.
  • 24.
    Chapitre III :Processus en détail p. 20 Unité de purification et moyen préventif : Le traitement des bruts provoque de nombreux problèmes de corrosion, parmi ceux-ci, la corrosion en tête des unités de distillation atmosphérique, donc il est impératif de contrôler cette corrosion et la minimiser afin de prolonger au maximum la durée de vie des parties sensibles des unités de distillation. Pour lutter contre cette corrosion il y a deux moyens :  Moyens de prévention : Réduire le taux de chlorures par dessalage du brut, et les stabiliser grâce à une injection de soude à 5% de concentration dans le brut à la sortie du dessaleur .  Moyens de lutte : Figure 07 : section de fractionnement du naphta et GPL
  • 25.
    Chapitre III :Processus en détail p. 21 Neutraliser les vapeurs de tête pour transformer l’acide chlorhydrique gazeux en sels moins agressifs en injection des inhibiteurs de corrosion (filmant et neutralisant) pour maintenir un ph quasi neutre. III-1.4 UNITE 17 unité d’isomérisation (PENEX) : Elle est constituée en deux sections : A)_ La section naphta hydrotraitement : Le Naphta léger LSRN( light straight run naphta ) provenant de l’unité de distillation atmosphérique contient du soufre, de l’azote, de l’oxygène et d’autres composants constituant un poison pour le catalyseur du PENEX (platine sur alumine chlore ) . C’est pour ça la section naphta hydrotraitement est destinée à transformer et à éliminer les composants indésirables par hydrogénation et en même temps à saturer les oléfines pour obtenir des produits de haute qualité. Le réacteur NHT 17R-01 est chargé avec le catalyseur S-120 de type Co et Mo sur le support d’alumine, la capacité de l’unité naphta hydrotraitement est de 50 m3 /h. A)_1. Process de la section d’hydrotraitement : Le Naphta léger est mélangé à un gaz riche en hydrogène qui s’écoule de l’unité de PENEX passe à travers les échangeurs de chaleur de la charge combinée 17-E1 A à H et entre dans le four 17H-01. La charge d’alimentation chauffée dans le four jusqu’à la température requise est envoyée vers le réacteur NHT 17R-01 où se produisent la désulfuration, la dénitrification ainsi que l’élimination des métaux Le four17H-01 est composer par une cabine pour une section équipée des serpentins de charge naphta léger. L’effluent du réacteur17R-01 est envoyé à travers l’échangeur de chaleur 17E1- A à H et aéroréfrigérants 17E 2 vers le séparateur NHT 17D-02. La pression de service du séparateur est réglée à 17,6 kg/cm2 sous contrôle de la PRCV 4A. La quantité de gaz riche en hydrogène sortant de l’unité NHT est envoyé vers le ballon tampon du fuel gaz 17D-03 pour être recycler yers NHT a travers le compresseur de recyclage 17K1-A/B . Une injection d’eau distillée est prévue périodiquement de la sortie du 17E1C vers 17D-02, afin d’éliminer le chlorures d’ammonium (NH4CL) formés au niveau du 17R-01.
  • 26.
    Chapitre III :Processus en détail p. 22 Tout le liquide sortant de la tête du stripper 17C-01 excepté celui du reflux et partie envoyé vers unité de topping pour être retraité. Après être chauffé dans le hot-oil , le fond du stripper 17C-01 est envoyé vers la section PENEX après être envoyer vers le sécheur liquide . B)_ Section Isomérisation : L'invention concerne un procédé d'isomérisation des n-paraffines en isoparaffines, ayant notamment pour but d'améliorer l'indice d'octane de certaines coupes pétrolières, plus particulièrement de celles qui contiennent des pentanes et des hexanes normaux ainsi que des pentanes et des hexanes ramifiés (coupes C5/C6). B)_1 Caractéristiques du process : Le processus de PENEX est un processus à lit fixe dont les catalyseurs à base de platine favorisent une forte activité et une grande sélectivité en composés branchés avec un indice d’octane élevé ; il se caractérise aussi par : -La charge et l’hydrogène de make-up passées à travers les sécheurs est exempté de toute trace d’eau et/ou de CO+CO2. -L’opération est thermiquement modérée. Figure 08 : section d’hydrotraitement L.S.R.N
  • 27.
    Chapitre III :Processus en détail p. 23 -Le benzène dans l’isomérat final est presque absent. -La teneur en soufre est négligeable dans le produit isomérat. -Les composés chlorés les plus couramment utilisés sont le tétrachlorure de carbone (CCl4) ou le perchloroéthylène (C2Cl4) moins toxique. -Les conditions opératoires sont : température 120 à 180°C, pression 20 à 30 bars et vitesse spatiale supérieure à celle du platforming 1 à 2 h-1. -Le rapport d’hydrogène sur l’hydrocarbure est de 0,1 à 2, le RON du produit étant de 88 favorise l’isomérisation et réduit au minimum l’hydrocraquage. B)_2 Description du process : L’unité isomérisation comprend : - Section Séchage de la charge - Section Séchage de l’hydrogène - Section Mécanisme réactionnel - Section Stabilisation - Section neutralisation et lavage des gaz acides - Section Désohexanisation Vue la sensibilité du catalyseur d’isomérisation à base de Pt/Al2O3 (I-82), le naphta hydrotraité dont la teneur en soufre et azote sont respectivement 0,5 et 0,1 ppm devra subir un autre traitement et purification avant de passer dans le catalyseur d’isomérisation. C’est la section de séchage (Adsorption) qui devra éliminer toute trace d’eau contenu dans le naphta, par deux adsorbeurs 17D-55/56, dont un en service et l’autre en régénération. Le naphta après être séché est pompé à une pression 39,91 Kg/cm2, est envoyé vers les réacteurs d’isomérisation et ce après être chauffé par les échangeurs :  17E-55 charge/effluant R 53,  17E-56 A/B charge/effluant R 52,  17E-57 charge/effluent R 51,  17-E58 charge/HOT OIL, Jusqu’à une température de 130 °C. Le naphta avant d’être chauffé et mélanger avec H2 (Recyclé et séché par deux adsorbeurs 17D- 53/54).
  • 28.
    Chapitre III :Processus en détail p. 24 A l’entrée de l’échangeur 17-E58, on injecte le PERC (perchloroethylène) C2Cl4 afin D’assurer la fonction acide du catalyseur. Le catalyseur d’isomérisation I-82 devra isomérer les paraffines du naphta léger (C5/C6) et saturer les aromatiques pour un isomerat de 88 RON (88,5). Les effluents réactionnels sont stabilisés après d’être refroidis à 96 °C. La colonne de stabilisation 17C-51 fonctionnant à une pression de 17,58 Kg/cm2 est équipée de 30 plateaux. La fraction légère de la tête de colonne est condenser puis envoyée au ballon receveur 17D-59 d’où la phase condensée retourne comme reflux de tête au stabilisateur et la phase vapeur du ballon riche en gaz acide tel que le HCl est envoyée vers la colonne de neutralisation et lavage (Net gaz scrubber 17C-52) afin de traiter le HCl par la soude caustique (NaOH). Le fond de colonne de stabilisateur est envoyé vers le DEISOHEXANISEUR 17C-53 (DIH) à une température de 184°C. Après un passage du fond de colonne du stabilisateur à travers l’échangeur 17E-62 (charge /coupe latérale), la charge entre au DIH à une température de 134°C. Le DIH comprend 80 plateaux et fonctionnent sous une pression de 3,5 Kg/cm2 a pour but de séparer et recycler les N-C6 et IC6 mono branchés non convertis à bas NO vers la section réactionnelle à travers les sécheurs et ce dans le but d’augmenter la production des iso à un NO plus élevé (88). L’isomérat riche en IC5 et IC6 (MCP, 2.2BMB et 2.3DMB) est envoyé au stockage comme composant de base dans la formulation de l’essence sans plomb. Figure 09: section PENEX
  • 29.
    Chapitre III :Processus en détail p. 25 Avantage du procédé penex : Le processus de penex est spécifiquement conçu pour l’isomérisation catalytique continue du naphta léger ; certains des avantages principaux de cette technologie sont : -L’isomérat élevé rapporté. -Le procédé penex utilise le catalyseur le plus commercialement disponible. -L’activité de ce catalyseur permet de fonctionner à basse température que n’importe quel autre catalyseur. -Bas produit de soufre, d’oléfine et benzène pour le mélange d’essence. -Capacités de traitement courantes d’alimentations flexible. -L’injection de l’agent corrosif de chlorure n’est pas exigée, éliminant le besoin de frottement caustique des gaz résiduaires. III-1.5 Unité 12 de reformage catalytique : Cette unité sert à produire du plat format à partir du HSRN de l’unité 11. A cause du souffre , de l’oxygène ,de l’azote et d’autres composés indésirables qui sont des poisons pour le catalyseur du reforming qu’une section Hydrobon est destinée à éliminer ces poisons par hydrogénation et en même temps la saturation des oléfines . Elle est Composée de deux sections : Section Hydrobon: C’est une section d’hydrotraitement du naphta lourd (HSRN) provenant de l’unité11 afin d’éliminer les éléments nuisibles tels que le soufre, l’oxygène, l’azote et d’autre composés indésirables qui sont des poisons pour le catalyseur du reforming et de ce fait, on obtiendra un naphta propre dénommée « Unifinat » destiné à la section reforming. La capacité de traitement est de 56 m3/ heure.
  • 30.
    Chapitre III :Processus en détail p. 26 Section platforming : Le platforming est un procédé catalytique où on emploi un catalyseur sélectif afin de transformer en présence de l’hydrogène, l’unifinat en produit de base de meilleure qualité pour la fabrication des essences. La capacité de l’unité de platforming est de 56 M3 /h. Les réacteurs de platforming 12C3, 12C4 et 12C5 sont chargés avec le catalyseur R62 bimétallique à base de Platine et Rhénium sur le support d’alumine Al 2 O3. Dans l’unité de platforming, la charge pompée du fond 12C2 par la pompe 12G8 venant de l’unité d’hydrobon est mélangée au gaz riche en hydrogène comprimé par le compresseur du gaz de recyclage 12G7 puis passe à travers les échangeurs de chaleur de la charge combinée 12E8 A à H et est envoyée vers le four 12F2. La pompe 12G8 d’alimentation s’arrêtera d’elle même dans le cas où les débits de la charge et du gaz de recyclage sont très faibles Le four de platforming 12F2 comprend 3 chambres de combustions : La zone de convection est utilisée comme source de chaleur pour le Rebouillage du débutaniseur 12C6. La charge d’alimentation chauffée jusqu’à la température désirée est envoyée dans les trois réacteurs de platforming. Comme les réactions sont endothermiques, il est nécessaire de réchauffer la charge. Figure 10 : section PENEX
  • 31.
    Chapitre III :Processus en détail p. 27  Dans le réacteur n°1 12C3 on a principalement la déshydrogénation des Naphtènes.  Dans le réacteur n°2 12C4 on a l’isomérisation et la cyclisation des paraffines.  Dans le réacteur n°3 12C5 se produisent les mêmes réactions que celles qui se produisent dans le réacteur n°2 (12C4) ainsi que l’hydrocraquage des paraffines. L’effluent du réacteur 12C5 est séparé en liquide et en gaz dans le séparateur du platforming 12D5 dont la pression est réglée à 17,5 kg/cm2 . Le gaz d’hydrogène ainsi séparé est comprimé par le compresseur 12G7 et est utilisé comme gaz de recyclage. Tous les gaz en excès sont envoyés vers l’hydrobon. Le liquide est envoyé vers le débutaniseur 12C6 et les gaz sortant de la tête de la colonne sont refroidis au niveau de l’aéroréfrigérant 12E14 et le condenseur 12E15 pour être récupéré dans le receveur 12D6. Une partie de ces gaz condensés est envoyée comme reflux et le reste est récupéré dans l’unité 13.le fond de la colonne 12C6est soutiré comme réformât vers stockage, après être refroidi au niveau de l’aéroréfrigérants 12E12 et le condenseur 12E13. Afin de maintenir la teneur en chlorure requise du catalyseur, il faut injecter du trichloréthylène (TCE) dans la charge d’alimentation du platforming, pour assurer la fonction acide, de même que l’injection d’eau pour le maintien de la balance eau/chlore du catalyseur. Aussi, un réservoir de stockage d’hydrogène 12D9 est prévu pour le démarrage de l’unité. Figure 11 : section Platforming
  • 32.
    Chapitre III :Processus en détail p. 28 III-1.6 Unité 13 Unité de récupération et traitement des LPG : Description du process Cette unité a pour but de récupérer le propane et le butane à partir des produits de tête du stabilisateur de l’unité de distillation atmosphérique et de tête du débutaniseur de l’unité de reforming catalytique. La charge passe dans le réservoir tampon de GPL (13D1) où le gaz est séparé et le liquide aspiré par la pompe d’alimentation du dé-éthaniseur (13G1) puis est réchauffé jusqu’à 75 °C par échange de chaleur avec les effluents du dépropaniseur et ensuite chargé dans le 12° plateau du dé- éthaniseur. Le dé-éthaniseur (13C2) garni de 30 plateaux fonctionne à une pression de 34,8 Kg/cm2 et sépare la charge en C3, C4 et composants légers. Les vapeurs de tête sortantes du dé-éthaniseur sont refroidies dans le condenseur de tête (13E2) puis passent dans le receveur de tête (13D2) d’où le liquide est envoyé comme reflux et le reste est envoyé à l’absorbeur de l’unité 11 (11C7). Le fond est rebouilli puis envoyé au dépropaniseur, la source de chaleur du rebouilleur du dé-éthaniseur est la vapeur 3 bars dont la température est contrôlée par la 13TRC2. Le dépropaniseur fonctionne à 17 Kg/cm2 est garni de 40 plateaux séparant la charge en propane et butane. La charge entre au niveau du plateau n°22. La vapeur sortante du sommet du dépropaniseur est refroidie dans les condenseurs de tête (13E5) entre dans le ballon (13D3) d’où une partie est envoyée comme reflux par la pompe (13G3). La température de tête étant contrôlée par la TRC 3 et le reste est envoyé au réservoir de stockage du propane. Le liquide au fond du dépropaniseur est rebouilli par la vapeur 3 bars puis après passe par l’échangeur de chaleur de charge du dé-éthaniseur (13E1), il est refroidi dans le réfrigérant à eau (13E4) puis est envoyé au réservoir de butane. La vapeur de Rebouillage est contrôlée par la 13FRC 8. III-2 Les lubrifiants (Zone 07) : III-2.1 Distillation sous vide (U 21 ) : le brut réduit atmosphérique (BRA) est fractionné dans cette unité sous vide, afin d’obtenir les coupes nécessaires à la production des huiles de base (semi-finis). Ces coupes sont :
  • 33.
    Chapitre III :Processus en détail p. 29 - Au sommet on obtient les gasoils (VGO). - Latéralement on soutire les huiles (SPO (spindle), l’huile mi-visqueusess (MVO) et l’huile visqueuse (VO). - Au fond de colonne on aura le résidu court sous vide, le Short Résidus (RSV). III-2.2 Desasphaltage au propane (U 22 ) : le short résidus venant de la distillation sous vide, est traité avec un solvant sélectif qui est le propane, afin d’éliminer l’asphalte et obtenir l’huile DAO, qui alimentera l’unité 23 / unité 300. elle inclut les étapes suivantes : - Mélange charge (RSV) et propane. - extraction de l’huile désasphalté DAO. - Extraction de l’asphalte. - Récupération du propane. III-2.3 Extraction au furfural (U 23 ) : Elle a pour rôle l’élimination des aromatiques et des naphtènes afin d’améliorer le VI (indice de viscosité) des huiles (spindle, MVO, VO, DAO). Elle comprend les étapes suivantes : - La désaération (évite l’oxydation du solvant en éliminant l’air dans la charge). - L’extraction. - La récupération du raffinat . - La récupération de l’extrait (solvant mélangé aux aromatiques). - La récupération du solvant. Quatre raffinats sont ainsi obtenus : spindle, mi-visqueux (SAE 10), visqueux (SAE 30),et la Bright stock. III-2.4 Déparaffinage des huiles au Mectoluène, et déshuilage (U24 ) : Le mec-toluène (méthyle éthyle cétone et toluène) est utilisé comme solvant sélectif pour les 4 coupes d’huiles à déparaffiner, afin d’éliminer les paraffines, et pour améliorer le point d’écoulement (même point d’écoulement à n’importe qu’elle période de l’année, surtout en temps d’hiver).elle comprend les étapes suivantes : - mélange charge / solvent - refroidissement du mélange à –26 °C (batteries de réfrigération au propane (shilers) ). - filtration entre paraffine cristallisée et huile déparaffinée, en utilisant des filtres rotatif sous vide créer par les compresseurs de gaz inerte.
  • 34.
    Chapitre III :Processus en détail p. 30 - récupération du solvant par filtration En aura enfin l’huile déparaffinée (DO) d’un coté et de la paraffine dure, et molle déshuilée (amélioration de sa consistance et de son point de fusion ) d’un autre. La paraffine non déshuilée est aspirée par pompage, tout en étant réchauffée par vapeur (3kg/cm2) à 60°c, afin de faciliter le pompage. III-2.5 L’hydrofinishing (U25 ) : Les huiles déparaffinées sont traitées alternativement à l’hydrogène dans un réacteur contenant un catalyseur à base de fer, de cobalt, et de molybdène (enlever le soufre, l’azote, oxygéné etc..) , Afin d’améliorer la couleur , l’odeur, la stabilité thermique et la résistance à l’oxydation. En obtient l’huile de base BO. III-3 Zone 06 : c’est la production (formulation) et le conditionnement des huiles finis et de graisse à partir de la zone 7 en ajoutant des additifs importés. III-4 Zone 10 (les bitumes) : Vu la faible teneur en asphalte dans le brut Algérien, les bitumes sont fabriqués à partir d’un brut réduis importé c’est à dire un brut qui à déjà subit une distillation atmosphérique , c’est le résidu à cette première opération qui va servir à cette production. La zone bitume est composée de trois principales unités : Unité 14 : unité de fabrication bitumes routiers comporte deux sections.  Section de sous vide  Section semi-blowing (oxydation) Unité 15 : unité de fabrication bitumes oxydés par oxydation poussée. Unité 45 : Une troisième unité permet le conditionnement les bitumes oxydés + stockage et expéditions des bitumes commercialisés. III-4.1 Caractérisation des bitumes : Les bitumes sont de couleur noir solides ou semi solides à la température ambiante, ils sont caractérisés par : La pénétration :
  • 35.
    Chapitre III :Processus en détail p. 31 Elle représente l’enfoncement mesuré en 1/10 de mm d’une aiguille d’un calibre donné sous une charge donnée pendant un temps donné. Le plus généralement la mesure est faite à 25°C avec une charge de 100g et pendant une durée de 5 secondes. Le point de ramollissement : C’est la température à laquelle le bitume passe de l’état solide à l’état liquide. La méthode courante utilisée est la méthode (bille et anneau). Le point de flash : C’est la température à laquelle les vapeurs émises par une éprouvette de bitume peuvent être enflammés par l’approche d’une flamme, ce point d’inflammabilité varie entre environ 220°C et 320°C pour les différents types de bitumes. La ductilité : C’est la propriété qui caractérise la résistance du bitume à l’effort mécanique de traction, et se mesure par un essai d’étirement. III-4.2 Unité 14 Bitume routier (distillation sous vide - Fabrication du bitume routier) : Cette unité d’une capacité de traitement de 278520 T/An, est calculée pour produire à partir d’un brut réduit importé BRI les produits suivants : Après une série de préchauffage par des échangeurs et un four, la charge BRI alimente la colonne de flash sous vide où on obtient les coupes de gasoil  LVGO (gasoil léger).  MVGO (gasoil moyen).  HVGO (gasoil lourd).  Résidu sous vide par oxydation permettra d’obtenir du bitume routier. Cette unité comprend deux sections : A) Section flashing sous vide Dans cette section le BRI est aspiré des bacs T525/T526 à 80-90°C par la pompe de charge 14G1A/B est refoulé à 18Kg/cm2 passe à travers la vanne automatique 14FIC-4, le produit peut être jusqu’au 245°C par échange de chaleur par l’intermédiaire d’une batterie d’échangeurs : a) Dans l’échangeur du gaz oil moyen (14E1) b) Dans l’échangeur du gaz oil lourd (14E2) c) Dans l’échangeur fond 14C2 (14E11)
  • 36.
    Chapitre III :Processus en détail p. 32 d) Dans les échangeurs de fond 14C1 (14E3A/B/C) Puis passe à travers le four 14F1, le four est composé d’une seule passe. Le BRI pénètre dans le four à une température de 245°C pour être réchauffé à une température variable suivant le brut réduit importé, à la sortie du four le produit subit une injection de vapeur de dilution qui à pour rôle d’activer la vitesse du BRI et sort du four entre 330-360°C cette température est contrôlée par 14TIC-1 (sortie 14F1) - Les brûleurs du 14F1 sont de type mixte (fuel gaz, fuel oil et gaz de tête) - La charge provenant du four pénètre en zone de flash de la colonne sous vide en deux phases, les gaz s’acheminent vers le haut et le liquide se dirige vers le fond de la colonne 14C1. - La colonne sous vide est composée de plateaux et d’une injection de vapeur de stripping (3bar) surchauffée à travers le four à 320°C - Le fond C1 est un mélange bitume + gaz oil très lourd aspiré par la pompe 14G2A/B traverse les échangeurs 14E3A/B/C côté calandre/ BRI côté faisceaux et passe à travers la vanne de charge14FIC103A, puis entre dans le ballon 14D1 (amortisseur) et s’écoule dans la colonne d’oxydation 14C2, cette charge provenant du fond de la sous vide servira pour l’obtention des bitumes routiers. - Les coupes latérales sont soutirées des plateaux suivants : Gaz oil léger (LVGO) plateau N°6 Gaz oil moyen (MVGO) plateau N°12 Gaz oil lourd (HVGO) plateau N°18 Les gaz passant à travers la ligne de tête 14C1 est aspiré par une batterie d’éjecteurs 14K1A/B/C/D à une pression de vapeur de 17kg/cm2 puis refroidi successivement dans les condenseurs 14E4A/B/C le gaz condensât est recueilli par les jambes barométriques puis acheminés vers le HOT-WELL et se dirige vers le PPI-API , les incondensables seront recueillis par un reniflard et se dirigent vers atmosphère ou utilisés comme combustible dans le four 14F1 par l’intermédiaire de l’éjecteur 14K2. - Le vide dans le flashing 14C1 est de 30mmHg en tête et de 50mmHg en zone de flash.
  • 37.
    Chapitre III :Processus en détail p. 33 B) Section semi- Blowing Cette section est alimentée par le fond 14C1 et après échange de chaleur dans les 14E3 A/B/C côté calandre et contrôlé par 14FIC-103 ( vanne de charge) et traverse le 14D1 amortisseur équipe du régulateur du niveau de la 14C2 ( colonne d’oxydation) le 14LIC-101. Après oxydation à l’air provenant des compresseurs 14G7A/B/C, le produit de fond est aspiré par la pompe 14G8A/B et après passage dans l’échangeur 14E11 côté calandre est stocké par la vanne de niveau la 14LICV-101 dans les bacs T501/T502/T511/T106/T523 à une température de 160°C - L’échangeur de chaleur le 14E10 continuellement by passé car on évite de faire passer le bitume dans cet échangeur après sa sortie du 14E11 et ceci pour gagner le maximum de calorie au niveau des bacs de stockages. - La colonne d’oxydation 14C2 munie d’une injection d’air en fond de colonne et dont le débit est contrôlé par la vanne 14FIC-103 suivant l’indication de température du bain du produit représenté par la 14TIC-102. Il y a également deux injections de vapeur contrôlées par la 14FIC-102, l’une en surface du bain a pour rôle l’étouffement du bain et l’autre en tête de colonne a pour but d’éviter les entraînements du produit par la tête de colonne. - Les gaz de tête de la colonne d’oxydation 14C2 composés de gaz d’HC + vapeur d’eau sont acheminés vers la colonne d’épuration 14C3 pour une condensation maximale des gaz d’HC en utilisant les pompes 14G9A/B de fond de la 14C3 et l’aero-réfrigerant 14E12 dont le débit est contrôlé par la 14FIC-104 et la température assurée par 14TRC-108 et reflux vers la tête de colonne à 95°C - Les gaz de tête de 14C3 composés de vapeur d’H2O et des traces d’HC sous forme de vapeur sont envoyés vers le ballon séparateur 14D2 pour une meilleur retenu des condensats puis dirigés sur le 14K4 (incinérateur) pour être brûlé au maxi à une température supérieur à 750°C afin d’éliminer les odeurs (H2S) résultant des gaz d’oxydation. III-4.3 Unité 15 Bitume oxydé : L’unité est destinée à produire des bitumes à haut point de ramollissement, elle traite une charge appelée BLOWING-STOCK qui est un mélange approprié de bitume et de gaz-oil lourd provenant tous deux l’unité de flashing sous vide. Le principe de son fonctionnement est de traiter la charge en injectant de l’air ( réaction exothermique) Cette unité peut produire trois sortes de bitumes :
  • 38.
    Chapitre III :Processus en détail p. 34 Le bitume oxydé de spécification 85/25, 90/40 et 115/15 avec une production annuelle de 20.000T/an. Le produit ( BLOWING-STOCK ) provenant du T520/T521 à 160°C est aspiré par la 15G1A/B (pompe volumétrique) Il est refoulé vers la ligne de charge, une partie revient vers le bac de charge pour recyclage contrôlé par FRFC-1 et une partie contrôlée par HC-1 se dirige vers le 15F1( four en forme de poire ) et sort à 225°C et ensuite le produit alimente le 15F2 et sort à 235°C et s’achemine vers le ballon amortisseur 15D1 puis alimente la colonne d’oxydation 15C3. Circuits d’oxydation Dans l’appareil de soufflage l’air est introduit par le fond 15C3, il circule à contre courant de la charge ce qui accélère la réaction d’oxydation. Comme ces réactions sont exothermiques on peut régler la température de surface 15C3 en contrôlant la quantité d’air introduite. Circuit de fond 15C3 Le produit de spécifications voulues sort du fond 15C3 est aspiré par la pompe 15G3A/B et refoulé vers les bacs de stockage T508/T503/T504/T506/T507/T509, après avoir été contrôlé par le niveau du bain 15LICAHL-1, ce dernier agit sur la 15LICV-B (vanne de retour de l’aspiration 15G3A/B ) Circuit d’air de soufflage 15C3 L’air de soufflage pour l’oxydation provient des compresseurs 14G7A/B/C, le débit est régulé par la 15 FIC-4 le contrôle s’effectue suivant une chaîne en cascade 15TIC-3, 15FIC-4. Circuit de vapeur soufflage 15C3 Au sommet de la colonne, il y a deux injections de vapeur qui introduisent de la vapeur pour éviter la combustion spontanée des huiles de décomposition ou l’explosion des gaz emmenant de la charge et mélangés à l’air. Les deux injections de vapeur sont contrôlées par la 15FIC-3, les orifices des injections à vapeur sont dirigés vers le bas fond face au bain de la colonne, le débit est indiqué par le FI-2 et une injection en tête, pour éliminer les gouttelettes montantes vers la tête. Les gaz du 15D1 et 15C3 se dirigent vers 15C1 La 15G5 aspire du fond de la 15C1 et refoule vers l’aero-réfrigérant 14E2 ensuite vers la tête de la 15C1.
  • 39.
    Chapitre III :Processus en détail p. 35 Epurateur- séparateur 15C2 Cette colonne sert à épurer, refroidir le gaz de rejet sortant de la tête 15C1. - L’épurateur et le déshumidificateur sont installés à l’intérieur d’une même tour ; l’épurateur comprend 05 étages de plateaux perforés. - Pour avoir un niveau, l’eau de refroidissement est introduit par la partie supérieure et descend les 5 étages, tendis que les gaz de rejet entrent par le bas et s’échappent à travers les plateaux perforés. - La 15G6 aspire du fond 15C2 et refoule vers l’aero-réfrigérant 15E3 - Le surplus dirige vers l’oil séparateur. - Les gaz de tête s’acheminent vers le ballon 14D2 et ensuite vers l’incinérateur des gaz 14K4. REMAQUE: Le mélange 85% du résidu sous vide et 15% de HVGO alimente la colonne d’oxydation pour obtenir des bitumes oxydés 14 - FRFC- LIC- FRFC- FUE 14 - LIC- 14- 14 - 14 - 14 - 14 - LIC 14 - LIC -1 14 -E 14 - E 14 - G1 14 - E 14 - E 14 - 14 - 14 - 14 - 14 - E 5 14 - 14 -G 5 VERS STOCKAGE CHARGE 14 - 14 - 14 - 14 - BITUME 14 - UNITE-14 : VAPEUR K-1A E- E- E- K-1D K- 1C K- HOT- 14 - H.V.G.O VERS PIC- PD VERS SWITCH LIC- PD 14 FR 14 - G7 A/ B/C 14 - 14 -14 - VERS V E R D E 14- 14 - 14 VERS 15 14- STOCKAGE T-524 14 - C-1 : COLONNE DISTILLATION SOUS VIDE C-2 : COLONNE SEMI-OXYDATION C-3 : SCRUBBER DE GAS OIL F-1 : FOUR RECHAUFFEUR CHARGE D-1 : BALLON AMORTISSEUR E-1/3 ,E-11 : ECHANGEURS DE CHALEUR CHARGE E-4 : CONDENSEUR DE TETE 14-C1 E-5/8, E12 : AERO- REFRIGERANT K-1 : EJECTEURS K-4 : INCINERATEUR DE GAZ G- 7 : COMPRESSEUR D’AIR G-1/6 : POMPES