Chapitre3 Les procédés de démarrage
Sghaier.N & Mbarek.M
20
hapitre III
Les procédés de démarrage
Contenu
I.INTRODUCTION.............................................................................................................................................21
II.DEMARRAGE DIRECTE..............................................................................................................................21
II.1. PRINCIPE..........................................................................................................................................21
II.2. DEMARRAGE DIRECTE SEMI AUTOMATIQUE A UN SEUL SENS DE MARCHE........................................21
II.2.1. Objectif ................................................................................................................................................21
II.2.2. Circuit de commande...........................................................................................................................22
II.2.3. Circuit de puissance:...........................................................................................................................22
II.3. DEMARRAGE DIRECTE SEMI AUTOMATIQUE A UN SEUL SENS DE MARCHE DE DEUX ENDROITS.........23
II.3.1.Objectif .................................................................................................................................................23
II.3.2. Circuit de commande...........................................................................................................................23
II.3.3. Circuit de puissance ............................................................................................................................23
II.4. DEMARRAGE DIRECTE SEMI AUTOMATIQUE A DEUX SENS DE MARCHE ............................................24
II.4.1. Objectif ................................................................................................................................................24
II.4.2. Circuit de commande...........................................................................................................................24
II.4.3. Circuit de puissance:...........................................................................................................................25
II.5. DEMARRAGE DIRECTE SEMI AUTOMATIQUE A DEUX SENS DE MARCHE DE DEUX ENDROITS .............25
II.5.1. Objectif ................................................................................................................................................25
II.5.2. Circuit de commande...........................................................................................................................25
II.5.3. Circuit de puissance ............................................................................................................................26
II.6. DEMARRAGE DIRECTE SEMI AUTOMATIQUE A DEUX SENS DE MARCHE AVEC BUTEE DE FIN DE COURSE
................................................................................................................................................................27
II.6.1. Objectif ................................................................................................................................................27
II.6.2. Circuit de commande...........................................................................................................................27
II.6.3. Circuit de puissance:...........................................................................................................................28
II.7. DEMARRAGE DIRECTE SEMI AUTOMATIQUE A DEUX SENS DE MARCHE AVEC BUTEE DE FIN DE COURSE ET
INVERSION DU SENS DE ROTATION...........................................................................................................28
II.7.1. Objectif ................................................................................................................................................28
II.7.2. Circuit de commande...........................................................................................................................28
II.7.3. Circuit de puissance:...........................................................................................................................29
II.8. DEMARRAGE PAR ELIMINATION DE RESISTANCES STATORIQUES A UN SEUL SENS DE MARCHE.........29
II.8.1. Circuit de commande: .........................................................................................................................29
II.8.2. Circuit de puissance:...........................................................................................................................30
II.9. DEMARRAGE PAR ELIMINATION DE RESISTANCES STATORIQUES A DEUX SENS DE MARCHE .............30
II.9.1. Circuit de commande: .........................................................................................................................30
II.9.2. Circuit de puissance:...........................................................................................................................32
II.10. DEMARRAGE PAR ELIMINATION DE RESISTANCES ROTORIQUES A UN SEUL SENS DE MARCHE ........32
II.10.1. Principe:............................................................................................................................................32
II.10.2. Circuit de commande: .......................................................................................................................33
II.10.3. Circuit de puissance:.........................................................................................................................35
II.11. DEMARRAGE PAR ELIMINATION DE RESISTANCES ROTORIQUES A DEUX SENS DE MARCHE.............36
II.11.1. Circuit de commande: .......................................................................................................................36
II.11.2. Circuit de puissance:.........................................................................................................................36
II.12. DEMARRAGE ETOILE-TRIANGLE.....................................................................................................37
II.12.1. Principe:............................................................................................................................................37
II.12.2. Démarrage étoile-triangle semi automatique à un sens de marche:.................................................38
II.12.2. Démarrage étoile-triangle semi automatique à deux sens de marche:..............................................40
C
Chapitre3 Les procédés de démarrage
Sghaier.N & Mbarek.M
21
I.INTRODUCTION
Un moteur asynchrone possède un fort couple de démarrage mais il a l'inconvénient
d'absorber de 4 à 8 fois son intensité nominale. Pour réduire cet appel de courant on dispose
de plusieurs procédés de démarrage. Il existe deux types d'actions: action sur le stator et
action sur le rotor.
• Action sur le stator: Dans ce cas 3 types de démarrage sont possibles:
- démarrage étoile triangle.
- démarrage par élimination des résistances statoriques.
- démarrage par autotransformateurs.
L'inconvénient de ces démarrages c'est que: le couple moteur qui est proportionnel au carré de
la tension est réduit dans le même rapport.
• Action sur le rotor:
- démarrage par élimination des résistances rotoriques.
Cette seconde façon de procéder ne présente pas d’inconvénient sur le plan fonctionnel,
l’augmentation de la résistance du rotor se traduit par une augmentation du couple de
démarrage et une diminution du courant de démarrage.
II.DEMARRAGE DIRECTE
II.1. Principe
Dans ce procédé de démarrage, le moteur asynchrone est directement branché au réseau
d'alimentation le démarrage s'effectue en un seul temps. Le courant de démarrage peut
atteindre 4 à 8 fois le courant nominal du moteur. Le couple de trés important: il peut
atteindre 1.5 fois le couple nominale.
II.2. Démarrage directe semi automatique à un seul sens de marche
II.2.1. Objectif
On veut démarrer un moteur asynchrone triphasée dans un seul sens de marche. L'arrêt
s'effectue en appuyant sur un bouton poussoir S0 et la mise en marche sur un bouton poussoir
S1.
Chapitre3 Les procédés de démarrage
Sghaier.N & Mbarek.M
22
II.2.2. Circuit de commande
II.2.3. Circuit de puissance:
F
95
96
S0
1
2
S1
3
4
KM11
13
14
KM1
A1
A2
Q
1
N
2
L1
N
F
1/L1 3/L2 5/L3
2/T1 4/T2 6/T3
Q
5
6
31
2 4
KM1
5/L3
6/T3
3/L21/L1
2/T1 4/T2
M1
M
3 ~
U V W
L1 L2 L3
Q: Sectionneur
F: Relais thermique
S0: Bouton poussoir arrêt
S1: Bouton poussoir marche
KM1: Contacteur principale
KM11: contact de maintien
L1,L2,L3: Alimentation triphasée
Q: Sectionneur fusible
F: Relais thermique
KM1: Contacteur principale
M1: Moteur asynchrone triphasée
Chapitre3 Les procédés de démarrage
Sghaier.N & Mbarek.M
23
II.3. Démarrage directe semi automatique à un seul sens de marche
de deux endroits
II.3.1.Objectif
On veut démarrer un moteur asynchrone triphasée dans un seul sens de marche de deux
endroits. L'arrêt s'effectue en appuyant sur le bouton poussoir S0 ou S1 et la mise en marche
sur un bouton poussoir S2 ou S3.
II.3.2. Circuit de commande
II.3.3. Circuit de puissance
Le circuit de puissance est identique à celui du montage précédent.
F
95
96
S0
1
2
S2
3
4
KM11
13
14
Q
1
N
2
S3
3
4
S1
1
2
KM1
A1
A2
L1
N
Q: Sectionneur fusible
F: Relais thermique
S0, S1: Boutons poussoir arrêt
S2, S3: Boutons poussoir marche
KM1: Contacteur principale
KM11: Contact de maintien
Chapitre3 Les procédés de démarrage
Sghaier.N & Mbarek.M
24
II.4. Démarrage directe semi automatique à deux sens de marche
II.4.1. Objectif
On veut démarrer un moteur asynchrone triphasée dans deux sens de rotation. L'arrêt
s'effectue en appuyant sur un bouton poussoir S0 et la mise en marche dans le sens 1
s'effectue en appuyant sur un bouton poussoir S1 et dans le sens 2 en appuyant sur un bouton
poussoir S2.
II.4.2. Circuit de commande
Avec,
Q: Sectionneur
F: Relais thermique
S0: Bouton poussoir arrêt
S1: Bouton poussoir marche sens1
S2: Bouton poussoir marche sens2
KM1,KM2: Contacteur principale
KM11, KM12: Contact de maintien
KM21, KM22: Contact de verrouillage électrique
F
95
96
KM11
13
14
KM1
A1
A2
Q
1
N
2
KM2
A1
A2
KM21
13
14
KM22
21
22
KM12
21
22
S0
1
2
S2
3
4
S1
3
4
L1
N
Chapitre3 Les procédés de démarrage
Sghaier.N & Mbarek.M
25
II.4.3. Circuit de puissance:
II.5. Démarrage directe semi automatique à deux sens de marche de
deux endroits
II.5.1. Objectif
On veut démarrer un moteur asynchrone triphasée dans deux sens de rotation de deux endroits
différents. L'arrêt s'effectue en appuyant sur l'un des deux boutons poussoirs S0 ou S1 et la
mise en marche dans le sens 1 s'effectue en appuyant sur l'un des bouton poussoirs S2 ou S3
et dans le sens 2 en appuyant sur l'un des boutons poussoir S4 ou S5.
II.5.2. Circuit de commande
F
1/L1 3/L2 5/L3
2/T1 4/T2 6/T3
Q
5
6
31
2 4
KM1
5/L3
6/T3
3/L21/L1
2/T1 4/T2
M1
M
3 ~
U V W
KM2
5/L3
6/T3
3/L21/L1
2/T1 4/T2
L1,L2,L3: Alimentation triphasée
Q: Sectionneur fusible
F: Relais thermique
KM1: Contacteur principale sens1
KM2: Contacteur principale sens2
M1: Moteur asynchrone triphasée
Chapitre3 Les procédés de démarrage
Sghaier.N & Mbarek.M
26
Avec,
Q: Sectionneur
F: Relais thermique
S0, S1: Boutons poussoirs arrêt
S2, S3: Boutons poussoirs marche sens1
S4,S5: Boutons poussoirs marche sens2
KM1,KM2: Contacteur principale
KM11, KM12: Contact de maintien
KM21, KM22: Contact de verrouillage électrique
II.5.3. Circuit de puissance
Le circuit de puissance est identique à celui du montage précédent.
F
95
96
S1
1
2
S3
3
4
KM11
13
14
KM1
A1
A2
Q
1
N
2
KM2
A1
A2
S5
3
4
KM21
13
14
KM22
21
22
KM12
21
22
S0
1
2
S4
3
4
S2
3
4
L1
N
Chapitre3 Les procédés de démarrage
Sghaier.N & Mbarek.M
27
II.6. Démarrage directe semi automatique à deux sens de marche
avec butée de fin de course
II.6.1. Objectif
On veut démarrer un moteur asynchrone triphasée dans deux sens de rotation. L'arrêt
s'effectue en appuyant sur un bouton poussoir S0 et la mise en marche dans le sens 1
s'effectue en appuyant sur un bouton poussoir S1 et dans le sens 2 en appuyant sur un bouton
poussoir S2. Chaque sens est arrêté par une butée de fin de course, respectivement S3 pour le
sens 1 et S4 pour le sens 2.
II.6.2. Circuit de commande
Avec,
Q: Sectionneur
F: Relais thermique
S0: Bouton poussoir arrêt
S1: Bouton poussoir marche sens1
F
95
96
KM11
13
14
KM1
A1
A2
Q
1
N
2
KM2
A1
A2
KM21
13
14
KM22
21
22
KM12
21
22
S0
1
2
S2
3
4
S1
3
4
S3
21
22
S4
21
22
L1
N
Chapitre3 Les procédés de démarrage
Sghaier.N & Mbarek.M
28
S2: Bouton poussoir marche sens2
S3,S4: Deux butées de fin de courses
KM1,KM2: Contacteur principale
KM11, KM12: Contact de maintien
KM21, KM22: Contact de verrouillage électrique
II.6.3. Circuit de puissance:
Le circuit de puissance est identique à celui du montage II.4.
II.7. Démarrage directe semi automatique à deux sens de marche
avec butée de fin de course et inversion du sens de rotation
II.7.1. Objectif
Dans ce cas de démarrage, la butée S3 ou S4 une fois actionnée, elle change le sens de marche
du moteur.
II.7.2. Circuit de commande
F
95
96
KM11
13
14
KM1
A1
A2
Q
1
N
2
KM2
A1
A2
KM21
13
14
KM22
21
22
KM12
21
22
S0
1
2
S2
3
4
S1
3
4
S3
21
22
S4
21
22
S4
13
14
S3
13
14
L1
N
Chapitre3 Les procédés de démarrage
Sghaier.N & Mbarek.M
29
II.7.3. Circuit de puissance:
Le circuit de puissance est identique à celui du montage II.4.
II.8. Démarrage par élimination de résistances statoriques à un seul
sens de marche
II.8.1. Circuit de commande:
F
95
96
KA1
A1
A2
KM1
A1
A2
KM2
A1
A2
KM11
13
14
Q
1
N
2
S0
1
2
S1
3
4
KA11
67
68
L1
N
Q: Sectionneur fusible
F: Relais thermique
S0: Boutons poussoir arrêt
S1: Boutons poussoir marche
KM1: Contacteur principale
KM11: Contact de maintien
KM2: Contacteur de court circuit
KA1: Contacteur auxiliaire
KA11: Contact auxiliaire temporisé
Chapitre3 Les procédés de démarrage
Sghaier.N & Mbarek.M
30
II.8.2. Circuit de puissance:
II.9. Démarrage par élimination de résistances statoriques à deux
sens de marche
II.9.1. Circuit de commande:
F
1/L1 3/L2 5/L3
2/T1 4/T2 6/T3
KM1
5/L3
6/T3
3/L21/L1
2/T1 4/T2
KM2
5/L3
6/T3
3/L21/L1
2/T1 4/T2
M1
M
3 ~
U V W
Q
5
6
31
2 4
(Ru,Rv,Rw)
1 3 5
2 4 6
L1 L2 L3
L1,L2,L3: Alimentation triphasée
Q: Sectionneur fusible
F: Relais thermique
KM1: Contacteur principale sens1
KM2: Contacteur de court-circuit des
résistances (Ru,Rv,Rw).
(Ru,Rv,Rw): Résistance statoriques
M1: Moteur asynchrone triphasée
Chapitre3 Les procédés de démarrage
Sghaier.N & Mbarek.M
31
Avec :
Q: Sectionneur fusible
F: Relais thermique
S0: Boutons poussoir arrêt
S1: Boutons poussoir marche sens1
S2: Boutons poussoir marche sens1
KM1: Contacteur principale sens1
KM2: Contacteur principale sens2
KM11: Contact de maintien
KM12: Contact de maintien
KM3: Contacteur de court circuit
KA1: Contacteur auxiliaire
KA11: Contact auxiliaire temporisé
F
95
96
KA1
A1
A2
KM1
A1
A2
KM3
A1
A2
KM11
13
14
Q
1
N
2
S0
1
2
S1
3
4
KA11
67
68
S2
3
4
KM12
13
14
KM21
13
14
KM11
13
14
KM2
A1
A2
KM22
21
22
KM12
21
22
L1
N
Chapitre3 Les procédés de démarrage
Sghaier.N & Mbarek.M
32
II.9.2. Circuit de puissance:
II.10. Démarrage par élimination de résistances rotoriques à un seul
sens de marche
II.10.1. Principe:
Ce type de démarrage est utilisé pour les moteurs à rotor bobiné dont les enroulements sont
couplés en Y et les trois sont soudés à des bagues fixées sur l'arbre du moteur auxquels on
peut insérer des résistances à l'aide de balais frotteurs.
Ce démarrage consiste à alimenter le stator du moteur par la tension nominale et éliminer les
résistances rotoriques en plusieurs temps (3 temps au minimum).
1er
temps: On insère la totalité des résistances dans les enroulements du rotor.
F
1/L1 3/L2 5/L3
2/T1 4/T2 6/T3
KM1
5/L3
6/T3
3/L21/L1
2/T1 4/T2
KM3
5/L3
6/T3
3/L21/L1
2/T1 4/T2
M1
M
3 ~
U V W
Q
5
6
31
2 4
(Ru,Rv,Rw)
1 3 5
2 4 6
KM2
5/L3
6/T3
3/L21/L1
2/T1 4/T2
L1 L2 L3
L1,L2,L3: Alimentation triphasée
Q: Sectionneur fusible
F: Relais thermique
KM1: Contacteur principale sens1
KM2: Contacteur principale sens2
KM3: Contacteur de court-circuit
des résistances (Ru,Rv,Rw).
(Ru,Rv,Rw): Résistance statoriques
M1: Moteur asynchrone triphasée
Chapitre3 Les procédés de démarrage
Sghaier.N & Mbarek.M
33
2éme
temps: On diminue la résistance du circuit rotor en éliminant une partie des résistances
insérées.
3éme
temps: On élimine toutes les résistances rotoriques en court-circuitant les enroulements
du rotor.
II.10.2. Circuit de commande:
M1
M
3 ~
U V W
XZ Y
R1
1 3 5
2 4 6
R2
1 3 5
2 4 6
L1 L2 L3
1er temps
M1
M
3 ~
U V W
XZ Y
R1
1 3 5
2 4 6
L1 L2 L3
2eme temps
M1
M
3 ~
U V W
XZ Y
L1 L2 L3
3eme temps
Chapitre3 Les procédés de démarrage
Sghaier.N & Mbarek.M
34
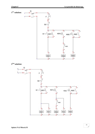
1ére
solution:
2éme
solution:
F
95
96
KM2
A1
A2
KM1
A1
A2
KM3
A1
A2
KM11
13
14
Q
1
N
2
S0
1
2
S1
3
4
KA1
67
68
KM3
21
22
KA2
67
68
KM3
13
14
KA1
A1
A2
KA2
A1
A2
L1
N
F
95
96
KM2
A1
A2
KM1
A1
A2
KM3
A1
A2
KM11
13
14
Q
1
N
2
S0
1
2
S1
3
4
KM1
67
68
KM3
21
22
KM2
67
68
KM3
13
14
Chapitre3 Les procédés de démarrage
Sghaier.N & Mbarek.M
35
II.10.3. Circuit de puissance:
KM1
5/L3
6/T3
3/L21/L1
2/T1 4/T2
KM3
5/
6/T
3/L21/L1
2/T1 4/T2
Q
5
6
31
2 4
KM2
5/
6/
3/L21/L1
2/T1 4/T2
F
1/L1 3/L2 5/L3
2/T1 4/T2 6/T3
M M
3 ~
U V W
XZ Y
R1
1 3 5
2 4 6
R2
1 3 5
2 4 6
L1 L2 L3
L1,L2,L3: Alimentation triphasée
Q: Sectionneur fusible
F: Relais thermique
KM1: Contacteur principale sens1
KM2: Contacteur 2éme temps
KM3: Contacteur 3éme temps
R1,R2: Deux groupes de résistances
M: Moteur à rotor bobiné
Chapitre3 Les procédés de démarrage
Sghaier.N & Mbarek.M
36
II.11. Démarrage par élimination de résistances rotoriques à deux
sens de marche
II.11.1. Circuit de commande:
II.11.2. Circuit de puissance:
F
95
96
KM2
A1
A2
KM1
A1
A2
KM3
A1
A2
KM11
13
14
Q
1
N
2
S0
1
2
S1
3
4
KM12
21
22
KA1
67
68
KM21
13
14
KM22
21
22
KA1
A1
A2
KM11
13
14
S2
3
4
KM21
13
14
L1
N
Chapitre3 Les procédés de démarrage
Sghaier.N & Mbarek.M
37
II.12. Démarrage étoile-triangle
II.12.1. Principe:
Le démarrage s'effectue en deux temps:
• 1er temps: Chaque enroulement du stator est alimenté sous une tension réduite en
utilisant le couplage Y. Il est le temps nécessaire pour que la vitesse du moteur
atteigne 80% de sa vitesse nominale.
• Chaque enroulement du stator est alimenté par sa tension nominale changeant le
couplage au triangle.
KM1 5/L3
6/T3
3/L21/L1
2/T1 4/T2
Q
5
6
31
2 4
KM2
5/L3
6/T3
3/L21/L1
2/T1 4/T2
F
1/L1 3/L2 5/L3
2/T1 4/T2 6/T3
M M
3 ~
U V W
XZ Y
R1
1 3 5
2 4 6
KM3
5/L3
6/T3
3/L21/L1
2/T1 4/T2
L1 L2 L3
L1,L2,L3: Alimentation triphasée
Q: Sectionneur fusible
F: Relais thermique
KM1: Contacteur principale sens1
KM2: Contacteur principale sens2
KM3: Contacteur 2éme temps
R1: Groupe de résistances
M: Moteur à rotor bobiné
Chapitre3 Les procédés de démarrage
Sghaier.N & Mbarek.M
38
Remarque:
Pour ce type de démarrage, il faut donc utiliser un moteur normalement couplé en triangle
∆ et dont toutes les extrémités d’enroulement sont sorties sur la plaque à bornes.
II.12.2. Démarrage étoile-triangle semi automatique à un sens de marche:
a- Objectif:
On veut démarrer un moteur asynchrone triphasée en étoile triangle dans un sens de rotation
en appuyant sur un bouton poussoir S1 et l'arrêt s'effectue en appuyant sur un bouton poussoir
S0.
b- Circuit de commande:
1ére solution:
F
95
96
S0
1
2
S1
3
4
KM11
13
14
KM1
A1
A2
Q
1
N
2
KM3
A1
A2
KM2
A1
A2
KM22
55
56
KM32
21
22
KM12
21
22
KM21
L1
N
Chapitre3 Les procédés de démarrage
Sghaier.N & Mbarek.M
39
2éme solution:
c- Circuit de puissance
F
95
96
S0
1
2
S1
3
4
KM11
13
14
KM1
A1
A2
Q
1
N
2
KM3
A1
A2
KM2
A1
A2
KA1
55
56
KM32
21
22
KM12
21
22
KM21
KA1
A1
A2
KA1
L1
N
Chapitre3 Les procédés de démarrage
Sghaier.N & Mbarek.M
40
II.12.2. Démarrage étoile-triangle semi automatique à deux sens de
marche:
a- Objectif:
On veut démarrer un moteur asynchrone triphasée en étoile triangle dans un sens de rotation
en appuyant sur un bouton poussoir S1 pour le sens 1 et S2 pour le sens 2. L'arrêt s'effectue en
appuyant sur un bouton poussoir S0.
b- Circuit de commande:
Q
5
6
31
2 4
KM1
5/L3
6/T3
3/L21/L1
2/T1 4/T2
M1
M
3 ~
U V W
F
1/L1 3/L2 5/L3
2/T1 4/T2 6/T3
KM3
5/L3
6/T3
3/L21/L1
2/T1 4/T2
KM2
5/L3
6/T3
3/L21/L1
2/T1 4/T2
L1 L2 L3
L1,L2,L3: Alimentation triphasée
Q: Sectionneur fusible
F: Relais thermique
KM1: Contacteur ligne
KM2: Contacteur étoile
KM3: Contacteur triangle
M1: Moteur asynchrone triphasée
Chapitre3 Les procédés de démarrage
Sghaier.N & Mbarek.M
41
c- Circuit de puissance:
F
95
96
S0
1
2
S1
3
4
KM11
13
14
KM1
A1
A2
Q
1
N
2
KM2
A1
A2
S2
3
4
KM21
13
14
KM22
21
22
KM12
21
22
KM12
13
14
KM21
13
14
KA1
53
54
KM3
A1
A2
KM4
A1
A2
KA1
A1
A2
KM32
21
22
KM42
21
22
KM31
13
14
KA1
55
56
L1
N
Q
5
6
31
2 4
KM1
5/L3
6/T3
3/L21/L1
2/T1 4/T2
M1
M
3 ~
U V W
F
1/L1 3/L2 5/L3
2/T1 4/T2 6/T3
KM4
5/L3
6/T3
3/L21/L1
2/T1 4/T2
KM3
5/L3
6/T3
3/L21/L1
2/T1 4/T2
KM2
5/L3
6/T3
3/L21/L1
2/T1 4/T2
L1 L2 L3
L1,L2,L3: Alimentation triphasée
Q: Sectionneur fusible
F: Relais thermique
KM1: Contacteur sens1
KM2: Contacteur sens 2
KM3: Contacteur étoile
KM4: Contacteur triangle
M1: Moteur asynchrone triphasée

Les procédés de démarrage

  • 1.
    Chapitre3 Les procédésde démarrage Sghaier.N & Mbarek.M 20 hapitre III Les procédés de démarrage Contenu I.INTRODUCTION.............................................................................................................................................21 II.DEMARRAGE DIRECTE..............................................................................................................................21 II.1. PRINCIPE..........................................................................................................................................21 II.2. DEMARRAGE DIRECTE SEMI AUTOMATIQUE A UN SEUL SENS DE MARCHE........................................21 II.2.1. Objectif ................................................................................................................................................21 II.2.2. Circuit de commande...........................................................................................................................22 II.2.3. Circuit de puissance:...........................................................................................................................22 II.3. DEMARRAGE DIRECTE SEMI AUTOMATIQUE A UN SEUL SENS DE MARCHE DE DEUX ENDROITS.........23 II.3.1.Objectif .................................................................................................................................................23 II.3.2. Circuit de commande...........................................................................................................................23 II.3.3. Circuit de puissance ............................................................................................................................23 II.4. DEMARRAGE DIRECTE SEMI AUTOMATIQUE A DEUX SENS DE MARCHE ............................................24 II.4.1. Objectif ................................................................................................................................................24 II.4.2. Circuit de commande...........................................................................................................................24 II.4.3. Circuit de puissance:...........................................................................................................................25 II.5. DEMARRAGE DIRECTE SEMI AUTOMATIQUE A DEUX SENS DE MARCHE DE DEUX ENDROITS .............25 II.5.1. Objectif ................................................................................................................................................25 II.5.2. Circuit de commande...........................................................................................................................25 II.5.3. Circuit de puissance ............................................................................................................................26 II.6. DEMARRAGE DIRECTE SEMI AUTOMATIQUE A DEUX SENS DE MARCHE AVEC BUTEE DE FIN DE COURSE ................................................................................................................................................................27 II.6.1. Objectif ................................................................................................................................................27 II.6.2. Circuit de commande...........................................................................................................................27 II.6.3. Circuit de puissance:...........................................................................................................................28 II.7. DEMARRAGE DIRECTE SEMI AUTOMATIQUE A DEUX SENS DE MARCHE AVEC BUTEE DE FIN DE COURSE ET INVERSION DU SENS DE ROTATION...........................................................................................................28 II.7.1. Objectif ................................................................................................................................................28 II.7.2. Circuit de commande...........................................................................................................................28 II.7.3. Circuit de puissance:...........................................................................................................................29 II.8. DEMARRAGE PAR ELIMINATION DE RESISTANCES STATORIQUES A UN SEUL SENS DE MARCHE.........29 II.8.1. Circuit de commande: .........................................................................................................................29 II.8.2. Circuit de puissance:...........................................................................................................................30 II.9. DEMARRAGE PAR ELIMINATION DE RESISTANCES STATORIQUES A DEUX SENS DE MARCHE .............30 II.9.1. Circuit de commande: .........................................................................................................................30 II.9.2. Circuit de puissance:...........................................................................................................................32 II.10. DEMARRAGE PAR ELIMINATION DE RESISTANCES ROTORIQUES A UN SEUL SENS DE MARCHE ........32 II.10.1. Principe:............................................................................................................................................32 II.10.2. Circuit de commande: .......................................................................................................................33 II.10.3. Circuit de puissance:.........................................................................................................................35 II.11. DEMARRAGE PAR ELIMINATION DE RESISTANCES ROTORIQUES A DEUX SENS DE MARCHE.............36 II.11.1. Circuit de commande: .......................................................................................................................36 II.11.2. Circuit de puissance:.........................................................................................................................36 II.12. DEMARRAGE ETOILE-TRIANGLE.....................................................................................................37 II.12.1. Principe:............................................................................................................................................37 II.12.2. Démarrage étoile-triangle semi automatique à un sens de marche:.................................................38 II.12.2. Démarrage étoile-triangle semi automatique à deux sens de marche:..............................................40 C
  • 2.
    Chapitre3 Les procédésde démarrage Sghaier.N & Mbarek.M 21 I.INTRODUCTION Un moteur asynchrone possède un fort couple de démarrage mais il a l'inconvénient d'absorber de 4 à 8 fois son intensité nominale. Pour réduire cet appel de courant on dispose de plusieurs procédés de démarrage. Il existe deux types d'actions: action sur le stator et action sur le rotor. • Action sur le stator: Dans ce cas 3 types de démarrage sont possibles: - démarrage étoile triangle. - démarrage par élimination des résistances statoriques. - démarrage par autotransformateurs. L'inconvénient de ces démarrages c'est que: le couple moteur qui est proportionnel au carré de la tension est réduit dans le même rapport. • Action sur le rotor: - démarrage par élimination des résistances rotoriques. Cette seconde façon de procéder ne présente pas d’inconvénient sur le plan fonctionnel, l’augmentation de la résistance du rotor se traduit par une augmentation du couple de démarrage et une diminution du courant de démarrage. II.DEMARRAGE DIRECTE II.1. Principe Dans ce procédé de démarrage, le moteur asynchrone est directement branché au réseau d'alimentation le démarrage s'effectue en un seul temps. Le courant de démarrage peut atteindre 4 à 8 fois le courant nominal du moteur. Le couple de trés important: il peut atteindre 1.5 fois le couple nominale. II.2. Démarrage directe semi automatique à un seul sens de marche II.2.1. Objectif On veut démarrer un moteur asynchrone triphasée dans un seul sens de marche. L'arrêt s'effectue en appuyant sur un bouton poussoir S0 et la mise en marche sur un bouton poussoir S1.
  • 3.
    Chapitre3 Les procédésde démarrage Sghaier.N & Mbarek.M 22 II.2.2. Circuit de commande II.2.3. Circuit de puissance: F 95 96 S0 1 2 S1 3 4 KM11 13 14 KM1 A1 A2 Q 1 N 2 L1 N F 1/L1 3/L2 5/L3 2/T1 4/T2 6/T3 Q 5 6 31 2 4 KM1 5/L3 6/T3 3/L21/L1 2/T1 4/T2 M1 M 3 ~ U V W L1 L2 L3 Q: Sectionneur F: Relais thermique S0: Bouton poussoir arrêt S1: Bouton poussoir marche KM1: Contacteur principale KM11: contact de maintien L1,L2,L3: Alimentation triphasée Q: Sectionneur fusible F: Relais thermique KM1: Contacteur principale M1: Moteur asynchrone triphasée
  • 4.
    Chapitre3 Les procédésde démarrage Sghaier.N & Mbarek.M 23 II.3. Démarrage directe semi automatique à un seul sens de marche de deux endroits II.3.1.Objectif On veut démarrer un moteur asynchrone triphasée dans un seul sens de marche de deux endroits. L'arrêt s'effectue en appuyant sur le bouton poussoir S0 ou S1 et la mise en marche sur un bouton poussoir S2 ou S3. II.3.2. Circuit de commande II.3.3. Circuit de puissance Le circuit de puissance est identique à celui du montage précédent. F 95 96 S0 1 2 S2 3 4 KM11 13 14 Q 1 N 2 S3 3 4 S1 1 2 KM1 A1 A2 L1 N Q: Sectionneur fusible F: Relais thermique S0, S1: Boutons poussoir arrêt S2, S3: Boutons poussoir marche KM1: Contacteur principale KM11: Contact de maintien
  • 5.
    Chapitre3 Les procédésde démarrage Sghaier.N & Mbarek.M 24 II.4. Démarrage directe semi automatique à deux sens de marche II.4.1. Objectif On veut démarrer un moteur asynchrone triphasée dans deux sens de rotation. L'arrêt s'effectue en appuyant sur un bouton poussoir S0 et la mise en marche dans le sens 1 s'effectue en appuyant sur un bouton poussoir S1 et dans le sens 2 en appuyant sur un bouton poussoir S2. II.4.2. Circuit de commande Avec, Q: Sectionneur F: Relais thermique S0: Bouton poussoir arrêt S1: Bouton poussoir marche sens1 S2: Bouton poussoir marche sens2 KM1,KM2: Contacteur principale KM11, KM12: Contact de maintien KM21, KM22: Contact de verrouillage électrique F 95 96 KM11 13 14 KM1 A1 A2 Q 1 N 2 KM2 A1 A2 KM21 13 14 KM22 21 22 KM12 21 22 S0 1 2 S2 3 4 S1 3 4 L1 N
  • 6.
    Chapitre3 Les procédésde démarrage Sghaier.N & Mbarek.M 25 II.4.3. Circuit de puissance: II.5. Démarrage directe semi automatique à deux sens de marche de deux endroits II.5.1. Objectif On veut démarrer un moteur asynchrone triphasée dans deux sens de rotation de deux endroits différents. L'arrêt s'effectue en appuyant sur l'un des deux boutons poussoirs S0 ou S1 et la mise en marche dans le sens 1 s'effectue en appuyant sur l'un des bouton poussoirs S2 ou S3 et dans le sens 2 en appuyant sur l'un des boutons poussoir S4 ou S5. II.5.2. Circuit de commande F 1/L1 3/L2 5/L3 2/T1 4/T2 6/T3 Q 5 6 31 2 4 KM1 5/L3 6/T3 3/L21/L1 2/T1 4/T2 M1 M 3 ~ U V W KM2 5/L3 6/T3 3/L21/L1 2/T1 4/T2 L1,L2,L3: Alimentation triphasée Q: Sectionneur fusible F: Relais thermique KM1: Contacteur principale sens1 KM2: Contacteur principale sens2 M1: Moteur asynchrone triphasée
  • 7.
    Chapitre3 Les procédésde démarrage Sghaier.N & Mbarek.M 26 Avec, Q: Sectionneur F: Relais thermique S0, S1: Boutons poussoirs arrêt S2, S3: Boutons poussoirs marche sens1 S4,S5: Boutons poussoirs marche sens2 KM1,KM2: Contacteur principale KM11, KM12: Contact de maintien KM21, KM22: Contact de verrouillage électrique II.5.3. Circuit de puissance Le circuit de puissance est identique à celui du montage précédent. F 95 96 S1 1 2 S3 3 4 KM11 13 14 KM1 A1 A2 Q 1 N 2 KM2 A1 A2 S5 3 4 KM21 13 14 KM22 21 22 KM12 21 22 S0 1 2 S4 3 4 S2 3 4 L1 N
  • 8.
    Chapitre3 Les procédésde démarrage Sghaier.N & Mbarek.M 27 II.6. Démarrage directe semi automatique à deux sens de marche avec butée de fin de course II.6.1. Objectif On veut démarrer un moteur asynchrone triphasée dans deux sens de rotation. L'arrêt s'effectue en appuyant sur un bouton poussoir S0 et la mise en marche dans le sens 1 s'effectue en appuyant sur un bouton poussoir S1 et dans le sens 2 en appuyant sur un bouton poussoir S2. Chaque sens est arrêté par une butée de fin de course, respectivement S3 pour le sens 1 et S4 pour le sens 2. II.6.2. Circuit de commande Avec, Q: Sectionneur F: Relais thermique S0: Bouton poussoir arrêt S1: Bouton poussoir marche sens1 F 95 96 KM11 13 14 KM1 A1 A2 Q 1 N 2 KM2 A1 A2 KM21 13 14 KM22 21 22 KM12 21 22 S0 1 2 S2 3 4 S1 3 4 S3 21 22 S4 21 22 L1 N
  • 9.
    Chapitre3 Les procédésde démarrage Sghaier.N & Mbarek.M 28 S2: Bouton poussoir marche sens2 S3,S4: Deux butées de fin de courses KM1,KM2: Contacteur principale KM11, KM12: Contact de maintien KM21, KM22: Contact de verrouillage électrique II.6.3. Circuit de puissance: Le circuit de puissance est identique à celui du montage II.4. II.7. Démarrage directe semi automatique à deux sens de marche avec butée de fin de course et inversion du sens de rotation II.7.1. Objectif Dans ce cas de démarrage, la butée S3 ou S4 une fois actionnée, elle change le sens de marche du moteur. II.7.2. Circuit de commande F 95 96 KM11 13 14 KM1 A1 A2 Q 1 N 2 KM2 A1 A2 KM21 13 14 KM22 21 22 KM12 21 22 S0 1 2 S2 3 4 S1 3 4 S3 21 22 S4 21 22 S4 13 14 S3 13 14 L1 N
  • 10.
    Chapitre3 Les procédésde démarrage Sghaier.N & Mbarek.M 29 II.7.3. Circuit de puissance: Le circuit de puissance est identique à celui du montage II.4. II.8. Démarrage par élimination de résistances statoriques à un seul sens de marche II.8.1. Circuit de commande: F 95 96 KA1 A1 A2 KM1 A1 A2 KM2 A1 A2 KM11 13 14 Q 1 N 2 S0 1 2 S1 3 4 KA11 67 68 L1 N Q: Sectionneur fusible F: Relais thermique S0: Boutons poussoir arrêt S1: Boutons poussoir marche KM1: Contacteur principale KM11: Contact de maintien KM2: Contacteur de court circuit KA1: Contacteur auxiliaire KA11: Contact auxiliaire temporisé
  • 11.
    Chapitre3 Les procédésde démarrage Sghaier.N & Mbarek.M 30 II.8.2. Circuit de puissance: II.9. Démarrage par élimination de résistances statoriques à deux sens de marche II.9.1. Circuit de commande: F 1/L1 3/L2 5/L3 2/T1 4/T2 6/T3 KM1 5/L3 6/T3 3/L21/L1 2/T1 4/T2 KM2 5/L3 6/T3 3/L21/L1 2/T1 4/T2 M1 M 3 ~ U V W Q 5 6 31 2 4 (Ru,Rv,Rw) 1 3 5 2 4 6 L1 L2 L3 L1,L2,L3: Alimentation triphasée Q: Sectionneur fusible F: Relais thermique KM1: Contacteur principale sens1 KM2: Contacteur de court-circuit des résistances (Ru,Rv,Rw). (Ru,Rv,Rw): Résistance statoriques M1: Moteur asynchrone triphasée
  • 12.
    Chapitre3 Les procédésde démarrage Sghaier.N & Mbarek.M 31 Avec : Q: Sectionneur fusible F: Relais thermique S0: Boutons poussoir arrêt S1: Boutons poussoir marche sens1 S2: Boutons poussoir marche sens1 KM1: Contacteur principale sens1 KM2: Contacteur principale sens2 KM11: Contact de maintien KM12: Contact de maintien KM3: Contacteur de court circuit KA1: Contacteur auxiliaire KA11: Contact auxiliaire temporisé F 95 96 KA1 A1 A2 KM1 A1 A2 KM3 A1 A2 KM11 13 14 Q 1 N 2 S0 1 2 S1 3 4 KA11 67 68 S2 3 4 KM12 13 14 KM21 13 14 KM11 13 14 KM2 A1 A2 KM22 21 22 KM12 21 22 L1 N
  • 13.
    Chapitre3 Les procédésde démarrage Sghaier.N & Mbarek.M 32 II.9.2. Circuit de puissance: II.10. Démarrage par élimination de résistances rotoriques à un seul sens de marche II.10.1. Principe: Ce type de démarrage est utilisé pour les moteurs à rotor bobiné dont les enroulements sont couplés en Y et les trois sont soudés à des bagues fixées sur l'arbre du moteur auxquels on peut insérer des résistances à l'aide de balais frotteurs. Ce démarrage consiste à alimenter le stator du moteur par la tension nominale et éliminer les résistances rotoriques en plusieurs temps (3 temps au minimum). 1er temps: On insère la totalité des résistances dans les enroulements du rotor. F 1/L1 3/L2 5/L3 2/T1 4/T2 6/T3 KM1 5/L3 6/T3 3/L21/L1 2/T1 4/T2 KM3 5/L3 6/T3 3/L21/L1 2/T1 4/T2 M1 M 3 ~ U V W Q 5 6 31 2 4 (Ru,Rv,Rw) 1 3 5 2 4 6 KM2 5/L3 6/T3 3/L21/L1 2/T1 4/T2 L1 L2 L3 L1,L2,L3: Alimentation triphasée Q: Sectionneur fusible F: Relais thermique KM1: Contacteur principale sens1 KM2: Contacteur principale sens2 KM3: Contacteur de court-circuit des résistances (Ru,Rv,Rw). (Ru,Rv,Rw): Résistance statoriques M1: Moteur asynchrone triphasée
  • 14.
    Chapitre3 Les procédésde démarrage Sghaier.N & Mbarek.M 33 2éme temps: On diminue la résistance du circuit rotor en éliminant une partie des résistances insérées. 3éme temps: On élimine toutes les résistances rotoriques en court-circuitant les enroulements du rotor. II.10.2. Circuit de commande: M1 M 3 ~ U V W XZ Y R1 1 3 5 2 4 6 R2 1 3 5 2 4 6 L1 L2 L3 1er temps M1 M 3 ~ U V W XZ Y R1 1 3 5 2 4 6 L1 L2 L3 2eme temps M1 M 3 ~ U V W XZ Y L1 L2 L3 3eme temps
  • 15.
    Chapitre3 Les procédésde démarrage Sghaier.N & Mbarek.M 34 1ére solution: 2éme solution: F 95 96 KM2 A1 A2 KM1 A1 A2 KM3 A1 A2 KM11 13 14 Q 1 N 2 S0 1 2 S1 3 4 KA1 67 68 KM3 21 22 KA2 67 68 KM3 13 14 KA1 A1 A2 KA2 A1 A2 L1 N F 95 96 KM2 A1 A2 KM1 A1 A2 KM3 A1 A2 KM11 13 14 Q 1 N 2 S0 1 2 S1 3 4 KM1 67 68 KM3 21 22 KM2 67 68 KM3 13 14
  • 16.
    Chapitre3 Les procédésde démarrage Sghaier.N & Mbarek.M 35 II.10.3. Circuit de puissance: KM1 5/L3 6/T3 3/L21/L1 2/T1 4/T2 KM3 5/ 6/T 3/L21/L1 2/T1 4/T2 Q 5 6 31 2 4 KM2 5/ 6/ 3/L21/L1 2/T1 4/T2 F 1/L1 3/L2 5/L3 2/T1 4/T2 6/T3 M M 3 ~ U V W XZ Y R1 1 3 5 2 4 6 R2 1 3 5 2 4 6 L1 L2 L3 L1,L2,L3: Alimentation triphasée Q: Sectionneur fusible F: Relais thermique KM1: Contacteur principale sens1 KM2: Contacteur 2éme temps KM3: Contacteur 3éme temps R1,R2: Deux groupes de résistances M: Moteur à rotor bobiné
  • 17.
    Chapitre3 Les procédésde démarrage Sghaier.N & Mbarek.M 36 II.11. Démarrage par élimination de résistances rotoriques à deux sens de marche II.11.1. Circuit de commande: II.11.2. Circuit de puissance: F 95 96 KM2 A1 A2 KM1 A1 A2 KM3 A1 A2 KM11 13 14 Q 1 N 2 S0 1 2 S1 3 4 KM12 21 22 KA1 67 68 KM21 13 14 KM22 21 22 KA1 A1 A2 KM11 13 14 S2 3 4 KM21 13 14 L1 N
  • 18.
    Chapitre3 Les procédésde démarrage Sghaier.N & Mbarek.M 37 II.12. Démarrage étoile-triangle II.12.1. Principe: Le démarrage s'effectue en deux temps: • 1er temps: Chaque enroulement du stator est alimenté sous une tension réduite en utilisant le couplage Y. Il est le temps nécessaire pour que la vitesse du moteur atteigne 80% de sa vitesse nominale. • Chaque enroulement du stator est alimenté par sa tension nominale changeant le couplage au triangle. KM1 5/L3 6/T3 3/L21/L1 2/T1 4/T2 Q 5 6 31 2 4 KM2 5/L3 6/T3 3/L21/L1 2/T1 4/T2 F 1/L1 3/L2 5/L3 2/T1 4/T2 6/T3 M M 3 ~ U V W XZ Y R1 1 3 5 2 4 6 KM3 5/L3 6/T3 3/L21/L1 2/T1 4/T2 L1 L2 L3 L1,L2,L3: Alimentation triphasée Q: Sectionneur fusible F: Relais thermique KM1: Contacteur principale sens1 KM2: Contacteur principale sens2 KM3: Contacteur 2éme temps R1: Groupe de résistances M: Moteur à rotor bobiné
  • 19.
    Chapitre3 Les procédésde démarrage Sghaier.N & Mbarek.M 38 Remarque: Pour ce type de démarrage, il faut donc utiliser un moteur normalement couplé en triangle ∆ et dont toutes les extrémités d’enroulement sont sorties sur la plaque à bornes. II.12.2. Démarrage étoile-triangle semi automatique à un sens de marche: a- Objectif: On veut démarrer un moteur asynchrone triphasée en étoile triangle dans un sens de rotation en appuyant sur un bouton poussoir S1 et l'arrêt s'effectue en appuyant sur un bouton poussoir S0. b- Circuit de commande: 1ére solution: F 95 96 S0 1 2 S1 3 4 KM11 13 14 KM1 A1 A2 Q 1 N 2 KM3 A1 A2 KM2 A1 A2 KM22 55 56 KM32 21 22 KM12 21 22 KM21 L1 N
  • 20.
    Chapitre3 Les procédésde démarrage Sghaier.N & Mbarek.M 39 2éme solution: c- Circuit de puissance F 95 96 S0 1 2 S1 3 4 KM11 13 14 KM1 A1 A2 Q 1 N 2 KM3 A1 A2 KM2 A1 A2 KA1 55 56 KM32 21 22 KM12 21 22 KM21 KA1 A1 A2 KA1 L1 N
  • 21.
    Chapitre3 Les procédésde démarrage Sghaier.N & Mbarek.M 40 II.12.2. Démarrage étoile-triangle semi automatique à deux sens de marche: a- Objectif: On veut démarrer un moteur asynchrone triphasée en étoile triangle dans un sens de rotation en appuyant sur un bouton poussoir S1 pour le sens 1 et S2 pour le sens 2. L'arrêt s'effectue en appuyant sur un bouton poussoir S0. b- Circuit de commande: Q 5 6 31 2 4 KM1 5/L3 6/T3 3/L21/L1 2/T1 4/T2 M1 M 3 ~ U V W F 1/L1 3/L2 5/L3 2/T1 4/T2 6/T3 KM3 5/L3 6/T3 3/L21/L1 2/T1 4/T2 KM2 5/L3 6/T3 3/L21/L1 2/T1 4/T2 L1 L2 L3 L1,L2,L3: Alimentation triphasée Q: Sectionneur fusible F: Relais thermique KM1: Contacteur ligne KM2: Contacteur étoile KM3: Contacteur triangle M1: Moteur asynchrone triphasée
  • 22.
    Chapitre3 Les procédésde démarrage Sghaier.N & Mbarek.M 41 c- Circuit de puissance: F 95 96 S0 1 2 S1 3 4 KM11 13 14 KM1 A1 A2 Q 1 N 2 KM2 A1 A2 S2 3 4 KM21 13 14 KM22 21 22 KM12 21 22 KM12 13 14 KM21 13 14 KA1 53 54 KM3 A1 A2 KM4 A1 A2 KA1 A1 A2 KM32 21 22 KM42 21 22 KM31 13 14 KA1 55 56 L1 N Q 5 6 31 2 4 KM1 5/L3 6/T3 3/L21/L1 2/T1 4/T2 M1 M 3 ~ U V W F 1/L1 3/L2 5/L3 2/T1 4/T2 6/T3 KM4 5/L3 6/T3 3/L21/L1 2/T1 4/T2 KM3 5/L3 6/T3 3/L21/L1 2/T1 4/T2 KM2 5/L3 6/T3 3/L21/L1 2/T1 4/T2 L1 L2 L3 L1,L2,L3: Alimentation triphasée Q: Sectionneur fusible F: Relais thermique KM1: Contacteur sens1 KM2: Contacteur sens 2 KM3: Contacteur étoile KM4: Contacteur triangle M1: Moteur asynchrone triphasée