UNIVERSITÉ CADI AYYAD 
FACULTÉ DES SCIENCES ET TECHNIQUES 
MARRAKECH 
جامعة القاضي عياض 
كلية العلوم و التقنيات 
مراكش 
Département de Physique Appliquée 
Filière d’Ingénieurs d’Etat en Systèmes Electriques 
et Télécommunications (ISET) 
RAPPORT DE PROJET 
Conception et réalisation des interfaces de puissances entre le calculateur de bord et les moteurs électriques d'un micro drone et la Gestion de son Alimentation 
Effectué par : 
NIDBELKACEM Mouhcine 
UWASEKURU Gisa Jean De Dieu 
Sous la direction de : 
M. ELWARRAKI (FSTG Marrakech) 
N° 3 Année Universitaire 2012 /2013
Rapport de fin d’année 
2 
REMERCIEMENT 
Avant de présenter ce rapport, nous souhaitons remercier chaleureusement les personnes qui nous ont aidés à mener à bien nos objectifs pour notre projet. 
Nous exprimons notre profonde gratitude à Monsieur M.ELWARRAKI, qui est à la fois notre encadrant, Chef de la filière ISET et Chef des projets pour sa disponibilité, son suivi, ses efforts considérables et ses orientations lors du déroulement de ce projet. 
Nous adressons également nos remerciements à M. Doubabi et à M. Achour et toutes les personnes du laboratoire, pour leurs chaleureux accueils et pour leur aide considérable. 
Nous tenons à remercier aussi tous les membres du jury pour leur bienveillance à bien vouloir évaluer notre travail.
Rapport de fin d’année 
3 
LISTE DES FIGURES 
Numéro de la figure 
Nom de la figure 
Page de la figure 
1 
Accumulateur NiMH 
6 
2 
Brochage du PIC16F877 
8 
3 
Régulateur 5v 
9 
4 
Montage finale, partie alimentation 
11 
5 
Batterie chargée 
12 
6 
Etat intermédiaire 
13 
7 
Etat critique d la batterie 
13 
8 
Symbole de l’hacheur 
14 
9 
Schéma de principe d’un hacheur dévolteur 
15 
10 
Chronogramme de H 
15 
11 
Chronogramme d’Uc (dévolteur) 
15 
12 
Schéma de principe du survolteur 
16 
13 
Chronogramme d’Uc (survolteur) 
16 
14 
Fonctionnement quatre quadrants 
17 
15 
Etat des interrupteurs de l’hacheur quatre quadrants 
17 
16 
Brochage du L298 
19 
17 
Structure interne du L298 
19 
18 
Montage complet de la partie de puissance 
20 
19 
Schéma complet de simulation 
21 
20 
Signaux d’entrée (jaune) et de sortie (rose), sens direct 
22 
21 
Signaux d’entrée (bleu) et de sortie (vert), sens inverse 
22 
22 
Batterie à l’état critique (Led rouge s’allume) 
23 
23 
Batterie à l’état intermédiaire (Led jaune s’allume) 
24 
24 
Batterie Chargée (Led verte s’allume) 
25 
LISTE DES TABLEAUX 
Numéro du tableau 
Nom du tableau 
Page du tableau 
1 Logique décrivant le fonctionnement du pont en H 
18 
2 
Fonctionnement du L298 
20
Rapport de fin d’année 
4 
SOMMAIRE 
Chapitre I : ALIMENTATION DE LA BATTERIE D’UN MICRODRONE ................... 6 
I.Dimensionnement De La Batterie Du Micro Drone : .......................................................... 6 
I.1. Définition de la Technologie : ..................................................................................... 6 
I.2. La Charge : ................................................................................................................... 6 
I.3. Les points forts du NiMH : ............................................... Erreur ! Signet non défini. 
I.4. La tension de la batterie .................................................... Erreur ! Signet non défini. 
I.5. Le courant nominal ........................................................... Erreur ! Signet non défini. 
I.6. Puissance consommée : ................................................................................................ 8 II.Carte d’adaptation de le la tension: .................................................................................... 8 II.1. Choix d’un PIC : le 16F877 : ...................................................................................... 8 II.2. Choix de Régulateurs: ................................................................................................ 9 
II.3. Programmation et configuration de l’ADC: ............................................................. 10 
II.4. Programmation et Configuration du LCD : ............................................................. 10 
II.5. Montage final et solution retenue: ............................................................................ 11 
II.6. Algorithme du programme du Pic : .......................................................................... 11 
II.7. Différentes Situations Rencontrées lors de la Simulation : ...................................... 12 
Chapitre II : CONCEPTION ET REALISATION DES INTERFACES DE PUISSANCES ENTRE LE CALCULATEUR DE BORD ET LES MOTEURS ELECTRIQUES ..................................................................................................................... 13 
I.INTRODUCTION .................................................................................................. 14 
II.PRINCIPE ........................................................................................................................ 14 
III.ETUDE DE L’HACHEUR ............................................................................................. 14 
III.1. Définition ................................................................................................................ 14 
III.2. Les types de l’hacheur ............................................................................................. 14 
III.3. Technologie des interrupteurs ................................................................................. 16 
IV. HACHEUR QUATRE QUADRANTS ........................................................................ 17 
IV.1. Fonctionnement quatre quadrants ........................................................................... 17 
IV.2. La carte de puissance. ............................................................................................. 17 
V.LE ETAGE DE PUISSANCE ................................................. Erreur ! Signet non défini. 
V.1.Définition ................................................................................................................... 18 
V.2. Diagramme bloque du L298 ..................................................................................... 19 
V.3. Le modèle utilisé ...................................................................................................... 20 
VI.SIMULATION ................................................................................................................ 21 
Chapitre III. REALISATION ............................................................................................... 23 
I.MATERIELS UTILISES ................................................................................................... 23 
II.Résultat de la réalisation : ................................................................................................. 23 
CONCLUSION ........................................................................................................................ 26 
LA BIBLIOGRAPHIE ............................................................................................................. 27 
ANNEXE ................................................................................................................................. 28
Rapport de fin d’année 
5 
INTRODUCTION 
La réalisation d'un micro drone nécessite la réalisation de plusieurs parties fonctionnelles indispensables au bon fonctionnement de ce robot. Dans ce rapport on se concentrera sur l’étude de la carte d’alimentation et de l’interface de puissance entre le calculateur de bord(le microcontrôleur) et les moteurs électriques (moteur à courant continu). Ce rapport est subdivisé en trois grandes parties : 
La première partie se focalise sur l’étude de la carte d’alimentation. En effet cette partie ne doit pas être négligée car une mauvaise alimentation entraine bien des conséquences non souhaitables. On s’attache alors à présenter les étapes que nous avons suivi pour dimensionner la batterie , à adapter la tension avec les différentes charges et à contrôler le niveau de charge de la batterie afin d’informer l’utilisateur du micro drone du niveau de la puissance dans la batterie. 
La deuxième partie concerne l’étude de l’interface de puissance entre le microcontrôleur (le calculateur) et les moteurs électriques. L’interface de puissance étudiée est un variateur de vitesse pour un moteur à courant continu(MCC), son rôle est de faire amplifier la sortie du calculateur et de varier la vitesse du moteur. En effet un signal continu (Pulse Width Modulation : le PWM) bien avant synthétisé par le calculateur sera amplifié par un circuit de puissance afin d’alimenter le MCC. Cette partie se concentre alors sur l’étude et le choix de ce circuit de puissance qui permettrait de faire varier la vitesse du moteur et ainsi le faire tourner dans les deux sens. 
Dans la troisième partie, nous présentons une réalisation concernant la gestion de l’alimentation.
Rapport de fin d’année 
6 
Chapitre I : ALIMENTATION EN PUISSANCE D’UN MICRODRONE 
I. DIMENSIONNEMENT DE LA BATTERIE DU MICRO DRONE 
Il est recommandé de déterminer les caractéristiques chimiques et électriques de la batterie qui va servir comme alimentation du Quadri rotor. 
I.1. Définition de la Technologie 
Fig.1 Accumulateur NiMH 
I.2. La Charge 
Il est recommandé en pratique d'utiliser un chargeur qui détecte automatiquement la fin de charge. Pour les chargeurs non équipés de détection de température, la détection n'est fiable que pour une charge rapide, soit de l'ordre de C/1h ou même de C/15min [8] . 
Les caractéristiques d’un chargeur sont : 
1. Temps de charge (rapide t < 1 h, normal 14 h ou combiné). 
2. Détection de fin de charge par (δv/δt) < 0, ou par le point d'inflexion (δ²v/δt²) = 0 (valable uniquement pour les charges rapides). 
3. Surveillance de la température de l'accumulateur. 
4. Temporisation de sécurité. 
5. Détection des accumulateurs défectueux. 
6. Cycle de décharge puis de charge. 
Lors de la conception de notre projet nous avons choisi de travailler avec la technologie du Nickel-hydrure métallique ou NiMH qui représente un type d’accumulateur électrique rechargeable utilisant l’hydrure métallique [8] .
Rapport de fin d’année 
7 
Contient beaucoup plus d'énergie que le nickel-cadmium 
Peu sensible à l'effet mémoire 
Simple à stocker et à transporter 
Ne contient pas de cadmium (élément toxique) 
I.4. La tension de la batterie 
On sait que la tension maximale dans le quadri rotor est de 5V, donc la tension nominale de la batterie doit être supérieure à 5V. On sait que La tension nominale d’un élément NiMH est de 1,2V. 
On en déduit que cette batterie doit être constituée de 8 éléments de NiMH donc 
La tension nominale de la batterie est : 
I.5. Le courant nominal : 
D’après la plaque signalétique de la batterie utilisée on peut voir que le courant 
Nominal est : 
Notre quadri rotor est constituée de 5 éléments principaux: 
4 moteurs électriques (mcc) 
Autres composants (microcontroleurs, capteurs, recepteurs) 
Un=8*1,2=9,6V 
In = 1350mA
Rapport de fin d’année 
8 
I.6. Puissance consommée Tout d’abord il faut savoir les puissances maximales consommées par chaque équipement du micro drone à savoir qu’on va utiliser 4 batteries en parallèle ce qui veut dire que la tension nominale reste la même : Un=9.6V Alors que le courant nominal résultant sera égal bien évidemment à : In = 4*1.35 = 5.4 A On en déduit : Puissances absorbées par les moteurs= (5V.1A).4=20W Puissances absorbées par les autres équipements =1.4A.5V=7W II. CARTE D’ADAPTATION DE LE LA TENSION II.1. Choix d’un PIC : le 16F877 
Dans notre projet nous avons choisi de travailler avec le PIC16F877A c’est un type de microcontrôleur de la série « Midrange », qui se prête particulièrement bien à la programmation en C. Les PIC de la série inférieure sont un peu justes en performance et en capacité mémoire pour accueillir un programme issu d’un compilateur C ; mieux vaut les programmer en assembleur. Les gammes supérieures (16 ou 32 bits) supportent sans problème la programmation en C, mais comme ils sont des circuits plus complexes (et plus chers), Le 16F877 (F comme « Flash ») semble le meilleur pour notre projet en terme de : mémoire programme de taille suffisante (8K), nombreux périphériques intégrés et fréquence de fonctionnement jusqu’à 20 MHz. Le brochage du pic16F877 est représenté sur la figure 2 [3]. 
Fig.2.Brochage du PIC16F877
Rapport de fin d’année 
9 
II.2. Choix de Régulateurs  Puisque la tension de fonctionnement du PIC, selon la fiche technique varie entre 2 à 5V, il faut choisir un régulateur qui va adapter la tension de la batterie à celle qu’on ne peut pas dépasser aux bornes du microcontrôleur.  Dans notre cas on va essayer de travailler avec le circuit LM317S pour avoir une tension variable en agissant seulement sur les valeurs des résistances pour choisir la tension désirée. 
Fig.3 Régulateur 5V L’objectif de notre projet c’est la détection des différents niveaux de fonctionnement de la batterie afin de permettre à l’utilisateur de savoir quand la batterie est chargée, moyennement chargée ou lorsqu’elle est déchargée. Pour se faire on va établir un programme en langage C qui permet de calculer pour n’importe quelle valeur de la tension appliquée à l’entrée, sa puissance correspondante tout en faisant l’image en courant de cette tension qui vient de l’alimentation et l’afficher sur un Afficheur LCD. Pour réaliser cette solution, le PIC16F877 permettra de contrôler la tension et le courant de la batterie à travers le convertisseur analogique numérique interne du PIC (ADC).
Rapport de fin d’année 
10 
Cette solution est établie sur 3 étapes 
II.3. Programmation et configuration de l’ADC Pour programmer l’ADC, il est nécessaire de passer par les 5 étapes suivantes (A, B, C, D, E) [10]: 
II.4. Programmation et Configuration du LCD 
Pour visualiser un caractère, il suffit de le positionner sur le bus de données (codé en ASCII), de mettre RS au niveau haut (caractère), R/W au niveau bas (écriture), et de provoquer un front descendant sur l'entrée de validation de l'afficheur (E). 
Après chaque action sur l'afficheur, il faut vérifier que celui-ci est en mesure de traiter l'information suivante. Pour cela il faut aller lire l'adresse de la position du curseur (RS=0,
Rapport de fin d’année 
11 
R/W=1) et tester l'indicateur flag "Busy" (BF). Lorsque BF=1 l'affichage est en cours et lorsque BF=0, l'affichage est terminé. 
Si l'on tente d'écrire des données ou d'envoyer une commande à l'afficheur pendant que ce dernier est en cours de traitement des données ou d'une commande précédente, le système peut se planter, l'affichage s'affole et les deux circuits intégrés voient leurs températures entrain de s’augmenter brutalement. 
Avant cette procédure d'écriture, il faut tout d'abord initialiser l'afficheur de façon à définir son mode de fonctionnement (dialogue en 4 ou 8 bits, sens de déplacement, visualisation du curseur) [10]. 
II.5. Montage final et solution retenue 
L'entrée AN1 du PIC reçoit la tension de la batterie, atténuée avec un rapport de 0.5208 par le pont diviseur constitué de R4 et R5, ce qui signifie qu'une tension de la batterie de 9.6V se traduit par une tension mesurée de 5V. 
L’entrée AN0 reçoit l’image du courant converti en tension à travers une résistance. 
Nous avons utilisé deux diodes Zener (D4) et (D5) de 5V crête pour tout dépassement qui pourrait se produire pour diverses raisons (surtension ou une surintensité). 
Pour la partie Affichage, le LCD est lié avec le PORTB, les 3 LEDs sont directement liées aux 3 bornes (RD0-RD1-RD2) du PORTD. Le PORTC sera dédié pour générer les signaux PWM, RD6 et RD7 seront configurés comme entrées commandés par 2 Switch pour faire tourner le moteur dans les 2 sens. 
Fig.4 Montage de la simulation finale, partie alimentation
Rapport de fin d’année 
12 
II.6. Algorithme du programme du Pic 
Les différentes fonctions dont on aura besoin dans le programme principal (Voir Annexe) sont les suivantes : 
 Affichage sur LCD : 
Lcd_Init(); Initiation du LCD 
Lcd_Cmd(_LCD_CLEAR); Effacement du LCD 
Lcd_Cmd(_LCD_CURSOR_OFF);Déplacement du curseur 
Lecture du résultat de conversion analogique numérique : 
 ADC_Read(0); Procédure qui permet de lire en une seule ligne de code la valeur de l’image du courant qui signifie en même temps la puissance fournie par la batterie, et de le convertir en une valeur numérique. 
 ADC_Read(1); Procédure qui permet de lire en une seule ligne de code la valeur d’une tension analogique et de la convertir en une valeur numérique. 
II.7. Différentes Situations Rencontrées lors de la Simulation : 
Dans la pratique la grandeur qui varie lors de l’utilisation d’une batterie c’est sa capacité et vu que dans la simulation sur ISIS on ne peut agir que sur la tension de la batterie variant entre [0V – 9.6V] donc on essayer de varier cette tension afin de vérifier notre programme et d’une part, et d’autre part de voir les différents cas possibles : 
 Si la tension est comprise entre [9.15 V – 9.6V] 
Pour une tension = 9.20V Niveau de Puissance sera à 95% 
Une LED Verte s’allume montrant que la batterie est encore chargée. 
Fig.5 Batterie chargée
Rapport de fin d’année 
13 
Si la tension est comprise entre [8.55 V – 9.15V] 
Pour une tension = 8.60V Niveau de Puissance sera à 89% 
Une LED Orange s’allume montrant que la batterie est encore chargée. 
Fig.6 Etat intermédiaire 
Si la tension est inférieure à 9.15 V : 
Pour une tension = 7.50V Niveau de Puissance sera à 78% 
Une LED Rouge s’allume montrant que la batterie a atteint le niveau critique et il faut la recharger. 
Fig.7 Etat critique de la batterie
Rapport de fin d’année 
14 
Chapitre II : CONCEPTION ET REALISATION DES INTERFACES DE PUISSANCES ENTRE LE CALCULATEUR DE BORD ET LE MOTEUR ELECTRIQUE 
I. INTRODUCTION 
Cette deuxième partie de notre projet consiste à concevoir et à réaliser les interfaces de puissances entre le calculateur de bord et le moteur électrique. Pour cela, nous allons réaliser un variateur de vitesse pour le moteur à courant continu basé sur le principe de la modulation de largeur d’impulsion MLI dite aussi PWM (pulse width modulation) et commandé par un microcontrôleur PIC16F877. 
II. PRINCIPE 
Pour faire varier la vitesse d'un moteur à courant continu, on peut faire varier la tension d'alimentation à ses bornes mais dans ce cas une partie importante de l'énergie est consommée par le dispositif d’alimentation. C’est pourquoi nous préférons d'alimenter de façon discontinue avec un hacheur , un circuit de puissance permettant non seulement de convertir une tension continue en une tension continue variable mais aussi de l’amplifier selon l’application, et faire ainsi varier la tension moyenne à ses bornes. On parle alors de Modulation par Largeur d'impulsions (MLI). 
III. ETUDE DE L’HACHEUR 
III.1. Définition 
Un hacheur peut être réalisé à l’aide d’interrupteurs électroniques commandables à l’ouverture et à la fermeture tels que les thyristors GTO ou les transistors bipolaires ou à effet de champs à grille isolée [9]. 
Fig. 8: Symbole de l’hacheur 
III.2. Les types de l’hacheur 
III.2.1. Hacheur « dévolteur » ou hacheur « série » 
Il est appelé hacheur série car l’élément commandé est placé en série avec la source. 
Le schéma de principe d’un hacheur « abaisseur de tension » ou « dévolteur » est représenté dans la figure 2 
H est un interrupteur commandé et D une diode qui permet de transférer de la puissance de la source à la charge [1].
Rapport de fin d’année 
15 
Fig. 9: Schéma de principe d’un hacheur dévolteur 
Supposons que l’on ait pour H le chronogramme suivant (par un choix arbitraire de l’origine des temps) : 
Fig. 10 : Chronogramme de H 
H est commandé périodiquement par un signal tel que : 
H est fermé pour 0<t< αT 
H est ouvert pour αT<t<T 
On obtient pour la tension aux bornes de la charge le chronogramme suivant : 
Fig 11 : chronogramme de Uc (dévolteur) 
Alors la valeur moyenne de la tension de sortie : 
< Uc >= α<Us> , 0< α<1 
Donc on remarque que la valeur moyenne de Uc peut être ajustée en jouant sur la valeur de α donc sur la commande de H. 
Quelque soit la nature de la charge on aura : Uc = α<Us >, donc l’hacheur série est bien un abaisseur de tension « dévolteur ». 
III.2.2. Hacheur « survolteur » ou hacheur «parallèle » : 
Il est appelé hacheur parallèle car l’élément commandé est placé en parallèle avec la source.
Rapport de fin d’année 
16 
Le schéma de principe d’un hacheur « élévateur de tension » ou « survolteur » est représente dans la figure 12. 
. 
Fig. 12 : Schéma de principe du survolteur. 
On obtient pour la tension aux bornes de la source le chronogramme suivant : 
Fig. 13 : Chronogramme de Uc (survolteur) 
Ce qui donne pour la valeur moyenne Uc: Uc=<Us>/ α) 
Donc l’hacheur parallèle est bien un élévateur de tension « survolteur ». 
Il existe bien évidement d’autres types de hacheur comme le hacheur survolteur- dévolteur... 
III.3. Technologie des interrupteurs 
Les « interrupteurs » que l’on rencontre dans l’hacheur sont des semi-conducteurs utilisés en régime de commutation. L’état de l’interrupteur, fermé ou ouvert, peut souvent être commandé grâce à un signal adéquat appliqué à une électrode de commande. 
La conduction est le plus souvent unidirectionnelle, c'est-à-dire que l’interrupteur ne peut laisser passer le courant que dans un seul sens (sous peine de détérioration du composant).Ils peuvent être des transistors bipolaires, des MOSFET, des IGBT ou des thyristors….[9].
Rapport de fin d’année 
17 
IV. HACHEUR QUATRE QUADRANTS 
IV.1. Fonctionnement quatre quadrants 
Nous allons étudier un convertisseur qui assure non seulement la réversibilité en courant, mais également la réversibilité en tension. Il s’agit alors de définir une structure qui permet de travailler dans les quatre quadrants. Voir figure 14 [9]. 
Fig.14. Fonctionnement quatre quadrants 
IV.2. La carte de puissance. 
La carte de puissance joue le rôle d'une carte d'interface entre la carte de commande (le microcontrôleur) et la partie motrice (le moteur) comportant des composants mécaniques, elle nous permet de commander les moteurs à courant continu suivant les ordres fournis par la carte de commande. 
Notre carte de puissance est composée de quatre ponts en H, ce dernier est constitué de quatre transistors qui travaillent comme des interrupteurs et permettent d'obtenir quatre états selon la façon dont ils sont commandés, ce principe est représenté par la figure 15 [8]. 
Fig. 15: Fonctionnement d’un Pont H. 
Cas 1: La roue est libre, tous les interrupteurs sont commandés ouverts (T1, T2, T3 et T4 ouverts), aucune tension n'est appliquée au moteur : il est déconnecté.
Rapport de fin d’année 
18 
Cas 2: La marche avant(Sens1), deux interrupteurs sont commandés fermés et deux autres ouverts (T1 et T4 fermés et T2 et T3 ouvert), on applique au moteur la tension de la batterie. 
Cas 3: La marche arrière(Sens2), deux interrupteurs sont commandés fermés et deux autres ouverts (T2 et T3 fermés et T1 et T4 ouverts), mais, à l'inverse du cas précédent, on applique au moteur la tension de la batterie, avec une polarité inverse. 
Cas 4 : Le frein, deux interrupteurs de la même polarité du pont en H sont commandés fermés (T1, T2, T3 et T4), les pôles du moteur sont court-circuités, ce qui freine le moteur. Cet état est rarement utilisé. (Cas non représenté sur la figure). 
Un pont en H est donc simplement un interrupteur qui relie la batterie au moteur. Cet interrupteur est généralement commandé par deux entrées logiques : In1 et In2. Tableau.1.Logique décrivant le fonctionnement du pont en H In1 In2 
Moteur 
0 
0 Arrêt 
0 
1 Sens1 
1 
0 Sens2 
1 
1 Arrêt 
Dans ce projet, nous ne connectons pas directement le moteur à l’alimentation via le Pont H car cela provoquerait d’une part une consommation importante de l’énergie, d’autre part le Pont H constitué généralement de quatre transistors de rapport cyclique différent, ceci provoque un retard du signal de sortie. C’est ainsi que l’utilisation du circuit de puissance intégrant deux Pont H de même rapport cyclique et qui amplifie le signal d’entrée semble le plus convenable pour notre projet. 
V. ETAGE DE PUISSANCE 
V.1.Définition 
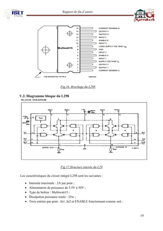
L’étage de puissance (driver) utilisé est un circuit intégré L298 pour les moteurs à courant continu. Ce circuit offre un double pont en H pour former une interface avec microcontrôleur. 
Le L298N se décline dans un boîtier Multi watt à 15 pins schématisé dans la figure 17 [6]
Rapport de fin d’année 
19 
Fig.16. Brochage du L298 
V.2. Diagramme bloque du L298 
Fig.17.Structure interne du L29 
Les caractéristiques du circuit intégré L298 sont les suivantes : 
 Intensité maximale : 2A par pont ; 
 Alimentation de puissance de 5.5V à 50V ; 
 Type de boîtier : Multiwatt15 ; 
 Dissipation puissance totale : 25w ; 
 Trois entrées par pont : In1, In2 et ENABLE fonctionnant comme suit :
Rapport de fin d’année 
20 
Tableau 2.Fonctionnement du L298 
Entrées 
Sorties 
Fonction 
ENA = 1 
In1=1 ; In2=0 
Out1=1 ; Out2=0 
La marche avant 
In1=0 ; In2=1 
Out1=0 ; Out2=1 
La marche arrière 
In1=In2 
Out1=1 ; Out2=1 ou Out1=0 ; Out2=0 
Le frein 
ENA=0 
In1=X ; In2=X 
Rien 
Pas de rotation 
V.3. Le modèle utilisé 
Fig.18.Montage complet de la partie de puissance. 
L'interface utilisée entre la commande (sortie du microcontrôleur) et la puissance (entrée du moteur) se base sur le circuit intégré de puissance L298. La sortie du microcontrôleur (le signal PWM) est reçue et amplifié par le L298. C’est la sortie du L298 qui est utilisée pour alimenter la MCC. Pour changer le sens de rotation du moteur, il suffira de fermer ou ouvrir les switchs SW3 et SW4 selon les besoins comme le montre la table de vérité, tableau 2. La vitesse de rotation du moteur varie selon la puissance de la batterie, selon qu’elle chargée ou pas en d’autre terme selon le rapport cyclique du PWM puisque, il est définit par le niveau de la batterie.
Rapport de fin d’année 
21 
VI. SIMULATION 
Pour faire la simulation de notre conception à l’interface de puissance déjà proposé qui est bien un hacheur quatre quadrants. Nous avons fait la simulation sur ISIS afin de pouvoir relier la partie alimentation avec la partie de puissance. Pour cela nous avons fait intégrer le programme qui concerne la partie puissance dans celui de l’alimentation. Au niveau du pic 16F877A, nous avons utilisé le port D pour gérer la partie puissance. 
Fig.19. Schéma complet de simulation.
Rapport de fin d’année 
22 
Fig.20. Signaux d’entrée (jaune) et de sortie (rose), le moteur tourne en sens direct. 
- Amplitude du signal d’entrée=2.5*2=5v, 
-Amplitude du signal de sortie=6*2=12v 
On remarque que le signal est bien amplifié. 
Fig.21. Signaux d’entrée (bleu) et de sortie (vert), le moteur tourne dans le sens inverse. 
De même -Amplitude du signal d’entrée=2.5*2=5v, 
-Amplitude du signal de sortie=6*2=12v. 
On remarque que le signal est bien amplifié. 
Ainsi, nous avons réalisé une interface de puissance entre le calculateur (le microcontrôleur) et le moteur courant continu.
Rapport de fin d’année 
23 
Chapitre III. REALISATION 
I. MATERIELS UTILISE 
Pour la réalisation de notre projet nous aurons besoin des composants suivants : 
PIC16F877A. 
Potentiomètre 1K. 
Quartz 4MHz. 
2 capacités de 20pF. 
3 Leds (Verte-Jaune-Rouge). 
Afficheur LCD (ECM1602A). 
3 Résistances 50. 
1 Résistance 100. 
Les fils. 
Générateur de tension. 
II. Résultat de la réalisation : 
Lors de la mise en énergie nous avons rencontré les situations suivantes : 
Fig.22.Batterie à l’état critique (Led rouge s’allume)
Rapport de fin d’année 
24 
Fig.23.Batterie à l’état intermédiaire (Led jaune s’allume)
Rapport de fin d’année 
25 
Fig.24.Batterie chargée (Led verte s’allume)
Rapport de fin d’année 
26 
CONCLUSION 
Au cours de ce projet, nous avons procédé à l’étude de la carte d’alimentation (la batterie, les régulateurs de tension et les éléments qui vont nous aider à visualiser le niveau de la batterie comme le PIC et le LCD) et de l’interface de puissance entre le microcontrôleur et les quatre moteurs électriques du micro drone. 
Pour ce faire nous avons conçu un schéma électronique traduisant notre cahier des charges tout en commençant par le développement d’un programme permettant de gérer les différents niveaux de la batterie et de générer un signal PWM qui a servi comme outil important dans la deuxième partie de ce projet. Ce signal a été reçu et amplifié par un circuit de puissance afin d’alimenter le MCC ; permettant ainsi de varier la vitesse du moteur et sa rotation dans les deux sens. 
Après différentes simulations à l’aide du logiciel Isis, nous sommes passés à la réalisation ; Malgré les difficultés rencontrées nous avons pu réaliser la partie gérant l’alimentation de la batterie mais suite à non disponibilté du matériel et la contrainte du temps nous n’avons pas pu réaliser la partie concernant l’interface de puissance. 
En dépit des problèmes rencontrés, ce projet nous a permis d’enrichir les connaissances théoriques acquises au sein de la faculté et de toucher à la réalité de la vie professionnelle ainsi de chercher des solutions pratiques aux problématiques rencontrées
Rapport de fin d’année 
27 
LA BIBLIOGRAPHIE 
Les livres consultés : 
[1]. Luc LASNE : Professeur agrégé à l’Université de Bordeaux 1, DUNOD. Rappel de cours, exercices et problèmes d’électrotechnique. 
[2] Christophe François : Professeur agrégé de génie électrique en TS1 et TS2 au lycée Louis Rascol d’Albi, Ingénieur de l’Ecole Supérieure de l’électricité et de l’Ecole Centrale de Nantes. 
Liens : 
[3] www.technologuepro.com 
[4] www.technologuepro.com/montages-electroniques/variateur-vitesse-moteur-16.html 
[5]www.memoireonline.com/10/08/1600/m_mise-en-oeuvre-partie-perception-d-un- robot9.html 
[6] www.robosapiensindia.com/resources/L298.pdf 
www.robot-maker.com/index.php/blog/11/entry-11-schema-de-principe-de-la-carte-de- puissance/ 
[7] fr.farnell.com/national-semiconductor/lmd18200t/pont-3a-55v/dp/9488030 
[8] fr.wikipedia.org/wiki/Pont_en_H 
Anciens rapports : 
[9] Conception et réalisation des interfaces de puissances entre le calculateur de bord et les moteurs électriques d'un micro drone. 
[10] Réalisation et gestion de l’alimentation du micro drone.
Rapport de fin d’année 
28 
ANNEXE 
Le programme utilisé 
#include <built_in.h> 
// LCD module connections 
sbit LCD_RS at RB4_bit; 
sbit LCD_EN at RB5_bit; 
sbit LCD_D4 at RB0_bit; 
sbit LCD_D5 at RB1_bit; 
sbit LCD_D6 at RB2_bit; 
sbit LCD_D7 at RB3_bit; 
sbit LCD_RS_Direction at TRISB4_bit; 
sbit LCD_EN_Direction at TRISB5_bit; 
sbit LCD_D4_Direction at TRISB0_bit; 
sbit LCD_D5_Direction at TRISB1_bit; 
sbit LCD_D6_Direction at TRISB2_bit; 
sbit LCD_D7_Direction at TRISB3_bit; 
// End LCD module connections 
void main() { 
unsigned short current_duty; // Déclaration des variables utilisées 
float c; 
float i; 
float v; 
float x; 
int u; 
float y; 
float a; 
int b; 
int unit; 
int diz; 
int diz1; 
int f1; 
int unit1; 
CCP1CON=0; // Activation du signal PWM1 ; 
CCP2CON=0;// // Activation du signal PWM2 ; 
ADCON1 = 0x00; 
TRISA3_bit = 1; 
TRISA2_bit = 1; 
TRISC = 0; //Déclaration du PORTC comme sortie 
PORTC = 0; // Initialisation duPORTC; 
TRISB = 0; 
TRISD6_bit=1; 
TRISD7_bit=1; 
TRISD0_bit=0; 
TRISD1_bit=0; 
TRISD2_bit=0; 
adc_init(); 
a= ADC_Read(0); 
a= ADC_Read(0); 
if ( a >=972 ){ 
PORTD= 0x01; 
} 
else if ( a>=910 & a <972 ) { 
PORTD= 0x02; 
} 
else { 
PORTD=0X00; 
delay_ms(10); 
PORTD= 0x04; 
} 
Lcd_Init(); 
Lcd_Cmd(_LCD_CLEAR); // Clear display 
Lcd_Cmd(_LCD_CURSOR_OFF); 
PWM1_Init(5000); // Initialisation du 1er signal PWM1; 
PWM2_Init(5000); // Initialisation du 2ème signal PWM2; 
PWM1_Start(); // Génération du 1er signal PWM1; 
PWM2_Start(); // Génération du 2éme signal PWM2; 
while(1){ 
a= ADC_Read(0); 
if ( a >=972 ){ 
PORTD= 0x01;
Rapport de fin d’année 
29 
} 
else if ( a>=910 & a <972 ) { 
PORTD= 0x02; 
} 
else { 
PORTD=0X00; 
delay_ms(10); 
PORTD= 0x04; 
} 
v= ADC_Read(1); // lecture du pin RA1; 
x=5*v/1023; 
current_duty =x*255/5; // Conversion da la valeur lue; 
if(PORTD.F6==1 & PORTD.F7==0){ // Faire tourner le moteur dans le 1er sens si le switch est à 1 0; 
PWM1_Set_Duty(current_duty); 
PWM2_Set_Duty(0); 
} 
else if(PORTD.F6==0 & PORTD.F7==0){ // Arreter le moteur si le switch est à 0 0; 
PWM2_Set_Duty(0); 
PWM1_Set_Duty(0); 
} 
else if(PORTD.F6==1 & PORTD.F7==1){ // Arreter le moteur si le switch est à 1 1; 
PWM2_Set_Duty(0); 
PWM1_Set_Duty(0); 
} 
else if(PORTD.F6==0 & PORTD.F7==1) { // Faire tourner le moteur dans le 2ème sens si le switch est à 0 1 ou 1 1; 
PWM2_Set_Duty(current_duty); 
PWM1_Set_Duty(0); 
} 
x=(9.7)*v/1023; 
u=x*10; 
unit= (u % 10) ; 
diz=(u/10)% 10; 
y=1*a/1023; 
b=y*100; 
unit1= (b % 10) ; 
diz1=(b/10)% 10; 
f1=(b/100)% 10; 
Lcd_Chr(1, 1,'P'); 
Lcd_Chr(1, 2,'u'); 
Lcd_Chr(1, 3,'i'); 
Lcd_Chr(1, 4,'s'); 
Lcd_Chr(1, 5,'s'); 
Lcd_Chr(1, 6,'a'); 
Lcd_Chr(1, 7,'n'); 
Lcd_Chr(1, 8,'c'); 
Lcd_Chr(1, 9,'e'); 
Lcd_Chr(1, 10,':'); 
Lcd_Chr(1, 12, f1+48); 
Lcd_Chr(1, 13,diz1+48); 
Lcd_Chr(1, 14, unit1+48); 
Lcd_Chr(1, 15,'%'); 
} }

Rapportpfanidbelkacem 140305043828-phpapp01

  • 1.
    UNIVERSITÉ CADI AYYAD FACULTÉ DES SCIENCES ET TECHNIQUES MARRAKECH جامعة القاضي عياض كلية العلوم و التقنيات مراكش Département de Physique Appliquée Filière d’Ingénieurs d’Etat en Systèmes Electriques et Télécommunications (ISET) RAPPORT DE PROJET Conception et réalisation des interfaces de puissances entre le calculateur de bord et les moteurs électriques d'un micro drone et la Gestion de son Alimentation Effectué par : NIDBELKACEM Mouhcine UWASEKURU Gisa Jean De Dieu Sous la direction de : M. ELWARRAKI (FSTG Marrakech) N° 3 Année Universitaire 2012 /2013
  • 2.
    Rapport de find’année 2 REMERCIEMENT Avant de présenter ce rapport, nous souhaitons remercier chaleureusement les personnes qui nous ont aidés à mener à bien nos objectifs pour notre projet. Nous exprimons notre profonde gratitude à Monsieur M.ELWARRAKI, qui est à la fois notre encadrant, Chef de la filière ISET et Chef des projets pour sa disponibilité, son suivi, ses efforts considérables et ses orientations lors du déroulement de ce projet. Nous adressons également nos remerciements à M. Doubabi et à M. Achour et toutes les personnes du laboratoire, pour leurs chaleureux accueils et pour leur aide considérable. Nous tenons à remercier aussi tous les membres du jury pour leur bienveillance à bien vouloir évaluer notre travail.
  • 3.
    Rapport de find’année 3 LISTE DES FIGURES Numéro de la figure Nom de la figure Page de la figure 1 Accumulateur NiMH 6 2 Brochage du PIC16F877 8 3 Régulateur 5v 9 4 Montage finale, partie alimentation 11 5 Batterie chargée 12 6 Etat intermédiaire 13 7 Etat critique d la batterie 13 8 Symbole de l’hacheur 14 9 Schéma de principe d’un hacheur dévolteur 15 10 Chronogramme de H 15 11 Chronogramme d’Uc (dévolteur) 15 12 Schéma de principe du survolteur 16 13 Chronogramme d’Uc (survolteur) 16 14 Fonctionnement quatre quadrants 17 15 Etat des interrupteurs de l’hacheur quatre quadrants 17 16 Brochage du L298 19 17 Structure interne du L298 19 18 Montage complet de la partie de puissance 20 19 Schéma complet de simulation 21 20 Signaux d’entrée (jaune) et de sortie (rose), sens direct 22 21 Signaux d’entrée (bleu) et de sortie (vert), sens inverse 22 22 Batterie à l’état critique (Led rouge s’allume) 23 23 Batterie à l’état intermédiaire (Led jaune s’allume) 24 24 Batterie Chargée (Led verte s’allume) 25 LISTE DES TABLEAUX Numéro du tableau Nom du tableau Page du tableau 1 Logique décrivant le fonctionnement du pont en H 18 2 Fonctionnement du L298 20
  • 4.
    Rapport de find’année 4 SOMMAIRE Chapitre I : ALIMENTATION DE LA BATTERIE D’UN MICRODRONE ................... 6 I.Dimensionnement De La Batterie Du Micro Drone : .......................................................... 6 I.1. Définition de la Technologie : ..................................................................................... 6 I.2. La Charge : ................................................................................................................... 6 I.3. Les points forts du NiMH : ............................................... Erreur ! Signet non défini. I.4. La tension de la batterie .................................................... Erreur ! Signet non défini. I.5. Le courant nominal ........................................................... Erreur ! Signet non défini. I.6. Puissance consommée : ................................................................................................ 8 II.Carte d’adaptation de le la tension: .................................................................................... 8 II.1. Choix d’un PIC : le 16F877 : ...................................................................................... 8 II.2. Choix de Régulateurs: ................................................................................................ 9 II.3. Programmation et configuration de l’ADC: ............................................................. 10 II.4. Programmation et Configuration du LCD : ............................................................. 10 II.5. Montage final et solution retenue: ............................................................................ 11 II.6. Algorithme du programme du Pic : .......................................................................... 11 II.7. Différentes Situations Rencontrées lors de la Simulation : ...................................... 12 Chapitre II : CONCEPTION ET REALISATION DES INTERFACES DE PUISSANCES ENTRE LE CALCULATEUR DE BORD ET LES MOTEURS ELECTRIQUES ..................................................................................................................... 13 I.INTRODUCTION .................................................................................................. 14 II.PRINCIPE ........................................................................................................................ 14 III.ETUDE DE L’HACHEUR ............................................................................................. 14 III.1. Définition ................................................................................................................ 14 III.2. Les types de l’hacheur ............................................................................................. 14 III.3. Technologie des interrupteurs ................................................................................. 16 IV. HACHEUR QUATRE QUADRANTS ........................................................................ 17 IV.1. Fonctionnement quatre quadrants ........................................................................... 17 IV.2. La carte de puissance. ............................................................................................. 17 V.LE ETAGE DE PUISSANCE ................................................. Erreur ! Signet non défini. V.1.Définition ................................................................................................................... 18 V.2. Diagramme bloque du L298 ..................................................................................... 19 V.3. Le modèle utilisé ...................................................................................................... 20 VI.SIMULATION ................................................................................................................ 21 Chapitre III. REALISATION ............................................................................................... 23 I.MATERIELS UTILISES ................................................................................................... 23 II.Résultat de la réalisation : ................................................................................................. 23 CONCLUSION ........................................................................................................................ 26 LA BIBLIOGRAPHIE ............................................................................................................. 27 ANNEXE ................................................................................................................................. 28
  • 5.
    Rapport de find’année 5 INTRODUCTION La réalisation d'un micro drone nécessite la réalisation de plusieurs parties fonctionnelles indispensables au bon fonctionnement de ce robot. Dans ce rapport on se concentrera sur l’étude de la carte d’alimentation et de l’interface de puissance entre le calculateur de bord(le microcontrôleur) et les moteurs électriques (moteur à courant continu). Ce rapport est subdivisé en trois grandes parties : La première partie se focalise sur l’étude de la carte d’alimentation. En effet cette partie ne doit pas être négligée car une mauvaise alimentation entraine bien des conséquences non souhaitables. On s’attache alors à présenter les étapes que nous avons suivi pour dimensionner la batterie , à adapter la tension avec les différentes charges et à contrôler le niveau de charge de la batterie afin d’informer l’utilisateur du micro drone du niveau de la puissance dans la batterie. La deuxième partie concerne l’étude de l’interface de puissance entre le microcontrôleur (le calculateur) et les moteurs électriques. L’interface de puissance étudiée est un variateur de vitesse pour un moteur à courant continu(MCC), son rôle est de faire amplifier la sortie du calculateur et de varier la vitesse du moteur. En effet un signal continu (Pulse Width Modulation : le PWM) bien avant synthétisé par le calculateur sera amplifié par un circuit de puissance afin d’alimenter le MCC. Cette partie se concentre alors sur l’étude et le choix de ce circuit de puissance qui permettrait de faire varier la vitesse du moteur et ainsi le faire tourner dans les deux sens. Dans la troisième partie, nous présentons une réalisation concernant la gestion de l’alimentation.
  • 6.
    Rapport de find’année 6 Chapitre I : ALIMENTATION EN PUISSANCE D’UN MICRODRONE I. DIMENSIONNEMENT DE LA BATTERIE DU MICRO DRONE Il est recommandé de déterminer les caractéristiques chimiques et électriques de la batterie qui va servir comme alimentation du Quadri rotor. I.1. Définition de la Technologie Fig.1 Accumulateur NiMH I.2. La Charge Il est recommandé en pratique d'utiliser un chargeur qui détecte automatiquement la fin de charge. Pour les chargeurs non équipés de détection de température, la détection n'est fiable que pour une charge rapide, soit de l'ordre de C/1h ou même de C/15min [8] . Les caractéristiques d’un chargeur sont : 1. Temps de charge (rapide t < 1 h, normal 14 h ou combiné). 2. Détection de fin de charge par (δv/δt) < 0, ou par le point d'inflexion (δ²v/δt²) = 0 (valable uniquement pour les charges rapides). 3. Surveillance de la température de l'accumulateur. 4. Temporisation de sécurité. 5. Détection des accumulateurs défectueux. 6. Cycle de décharge puis de charge. Lors de la conception de notre projet nous avons choisi de travailler avec la technologie du Nickel-hydrure métallique ou NiMH qui représente un type d’accumulateur électrique rechargeable utilisant l’hydrure métallique [8] .
  • 7.
    Rapport de find’année 7 Contient beaucoup plus d'énergie que le nickel-cadmium Peu sensible à l'effet mémoire Simple à stocker et à transporter Ne contient pas de cadmium (élément toxique) I.4. La tension de la batterie On sait que la tension maximale dans le quadri rotor est de 5V, donc la tension nominale de la batterie doit être supérieure à 5V. On sait que La tension nominale d’un élément NiMH est de 1,2V. On en déduit que cette batterie doit être constituée de 8 éléments de NiMH donc La tension nominale de la batterie est : I.5. Le courant nominal : D’après la plaque signalétique de la batterie utilisée on peut voir que le courant Nominal est : Notre quadri rotor est constituée de 5 éléments principaux: 4 moteurs électriques (mcc) Autres composants (microcontroleurs, capteurs, recepteurs) Un=8*1,2=9,6V In = 1350mA
  • 8.
    Rapport de find’année 8 I.6. Puissance consommée Tout d’abord il faut savoir les puissances maximales consommées par chaque équipement du micro drone à savoir qu’on va utiliser 4 batteries en parallèle ce qui veut dire que la tension nominale reste la même : Un=9.6V Alors que le courant nominal résultant sera égal bien évidemment à : In = 4*1.35 = 5.4 A On en déduit : Puissances absorbées par les moteurs= (5V.1A).4=20W Puissances absorbées par les autres équipements =1.4A.5V=7W II. CARTE D’ADAPTATION DE LE LA TENSION II.1. Choix d’un PIC : le 16F877 Dans notre projet nous avons choisi de travailler avec le PIC16F877A c’est un type de microcontrôleur de la série « Midrange », qui se prête particulièrement bien à la programmation en C. Les PIC de la série inférieure sont un peu justes en performance et en capacité mémoire pour accueillir un programme issu d’un compilateur C ; mieux vaut les programmer en assembleur. Les gammes supérieures (16 ou 32 bits) supportent sans problème la programmation en C, mais comme ils sont des circuits plus complexes (et plus chers), Le 16F877 (F comme « Flash ») semble le meilleur pour notre projet en terme de : mémoire programme de taille suffisante (8K), nombreux périphériques intégrés et fréquence de fonctionnement jusqu’à 20 MHz. Le brochage du pic16F877 est représenté sur la figure 2 [3]. Fig.2.Brochage du PIC16F877
  • 9.
    Rapport de find’année 9 II.2. Choix de Régulateurs  Puisque la tension de fonctionnement du PIC, selon la fiche technique varie entre 2 à 5V, il faut choisir un régulateur qui va adapter la tension de la batterie à celle qu’on ne peut pas dépasser aux bornes du microcontrôleur.  Dans notre cas on va essayer de travailler avec le circuit LM317S pour avoir une tension variable en agissant seulement sur les valeurs des résistances pour choisir la tension désirée. Fig.3 Régulateur 5V L’objectif de notre projet c’est la détection des différents niveaux de fonctionnement de la batterie afin de permettre à l’utilisateur de savoir quand la batterie est chargée, moyennement chargée ou lorsqu’elle est déchargée. Pour se faire on va établir un programme en langage C qui permet de calculer pour n’importe quelle valeur de la tension appliquée à l’entrée, sa puissance correspondante tout en faisant l’image en courant de cette tension qui vient de l’alimentation et l’afficher sur un Afficheur LCD. Pour réaliser cette solution, le PIC16F877 permettra de contrôler la tension et le courant de la batterie à travers le convertisseur analogique numérique interne du PIC (ADC).
  • 10.
    Rapport de find’année 10 Cette solution est établie sur 3 étapes II.3. Programmation et configuration de l’ADC Pour programmer l’ADC, il est nécessaire de passer par les 5 étapes suivantes (A, B, C, D, E) [10]: II.4. Programmation et Configuration du LCD Pour visualiser un caractère, il suffit de le positionner sur le bus de données (codé en ASCII), de mettre RS au niveau haut (caractère), R/W au niveau bas (écriture), et de provoquer un front descendant sur l'entrée de validation de l'afficheur (E). Après chaque action sur l'afficheur, il faut vérifier que celui-ci est en mesure de traiter l'information suivante. Pour cela il faut aller lire l'adresse de la position du curseur (RS=0,
  • 11.
    Rapport de find’année 11 R/W=1) et tester l'indicateur flag "Busy" (BF). Lorsque BF=1 l'affichage est en cours et lorsque BF=0, l'affichage est terminé. Si l'on tente d'écrire des données ou d'envoyer une commande à l'afficheur pendant que ce dernier est en cours de traitement des données ou d'une commande précédente, le système peut se planter, l'affichage s'affole et les deux circuits intégrés voient leurs températures entrain de s’augmenter brutalement. Avant cette procédure d'écriture, il faut tout d'abord initialiser l'afficheur de façon à définir son mode de fonctionnement (dialogue en 4 ou 8 bits, sens de déplacement, visualisation du curseur) [10]. II.5. Montage final et solution retenue L'entrée AN1 du PIC reçoit la tension de la batterie, atténuée avec un rapport de 0.5208 par le pont diviseur constitué de R4 et R5, ce qui signifie qu'une tension de la batterie de 9.6V se traduit par une tension mesurée de 5V. L’entrée AN0 reçoit l’image du courant converti en tension à travers une résistance. Nous avons utilisé deux diodes Zener (D4) et (D5) de 5V crête pour tout dépassement qui pourrait se produire pour diverses raisons (surtension ou une surintensité). Pour la partie Affichage, le LCD est lié avec le PORTB, les 3 LEDs sont directement liées aux 3 bornes (RD0-RD1-RD2) du PORTD. Le PORTC sera dédié pour générer les signaux PWM, RD6 et RD7 seront configurés comme entrées commandés par 2 Switch pour faire tourner le moteur dans les 2 sens. Fig.4 Montage de la simulation finale, partie alimentation
  • 12.
    Rapport de find’année 12 II.6. Algorithme du programme du Pic Les différentes fonctions dont on aura besoin dans le programme principal (Voir Annexe) sont les suivantes :  Affichage sur LCD : Lcd_Init(); Initiation du LCD Lcd_Cmd(_LCD_CLEAR); Effacement du LCD Lcd_Cmd(_LCD_CURSOR_OFF);Déplacement du curseur Lecture du résultat de conversion analogique numérique :  ADC_Read(0); Procédure qui permet de lire en une seule ligne de code la valeur de l’image du courant qui signifie en même temps la puissance fournie par la batterie, et de le convertir en une valeur numérique.  ADC_Read(1); Procédure qui permet de lire en une seule ligne de code la valeur d’une tension analogique et de la convertir en une valeur numérique. II.7. Différentes Situations Rencontrées lors de la Simulation : Dans la pratique la grandeur qui varie lors de l’utilisation d’une batterie c’est sa capacité et vu que dans la simulation sur ISIS on ne peut agir que sur la tension de la batterie variant entre [0V – 9.6V] donc on essayer de varier cette tension afin de vérifier notre programme et d’une part, et d’autre part de voir les différents cas possibles :  Si la tension est comprise entre [9.15 V – 9.6V] Pour une tension = 9.20V Niveau de Puissance sera à 95% Une LED Verte s’allume montrant que la batterie est encore chargée. Fig.5 Batterie chargée
  • 13.
    Rapport de find’année 13 Si la tension est comprise entre [8.55 V – 9.15V] Pour une tension = 8.60V Niveau de Puissance sera à 89% Une LED Orange s’allume montrant que la batterie est encore chargée. Fig.6 Etat intermédiaire Si la tension est inférieure à 9.15 V : Pour une tension = 7.50V Niveau de Puissance sera à 78% Une LED Rouge s’allume montrant que la batterie a atteint le niveau critique et il faut la recharger. Fig.7 Etat critique de la batterie
  • 14.
    Rapport de find’année 14 Chapitre II : CONCEPTION ET REALISATION DES INTERFACES DE PUISSANCES ENTRE LE CALCULATEUR DE BORD ET LE MOTEUR ELECTRIQUE I. INTRODUCTION Cette deuxième partie de notre projet consiste à concevoir et à réaliser les interfaces de puissances entre le calculateur de bord et le moteur électrique. Pour cela, nous allons réaliser un variateur de vitesse pour le moteur à courant continu basé sur le principe de la modulation de largeur d’impulsion MLI dite aussi PWM (pulse width modulation) et commandé par un microcontrôleur PIC16F877. II. PRINCIPE Pour faire varier la vitesse d'un moteur à courant continu, on peut faire varier la tension d'alimentation à ses bornes mais dans ce cas une partie importante de l'énergie est consommée par le dispositif d’alimentation. C’est pourquoi nous préférons d'alimenter de façon discontinue avec un hacheur , un circuit de puissance permettant non seulement de convertir une tension continue en une tension continue variable mais aussi de l’amplifier selon l’application, et faire ainsi varier la tension moyenne à ses bornes. On parle alors de Modulation par Largeur d'impulsions (MLI). III. ETUDE DE L’HACHEUR III.1. Définition Un hacheur peut être réalisé à l’aide d’interrupteurs électroniques commandables à l’ouverture et à la fermeture tels que les thyristors GTO ou les transistors bipolaires ou à effet de champs à grille isolée [9]. Fig. 8: Symbole de l’hacheur III.2. Les types de l’hacheur III.2.1. Hacheur « dévolteur » ou hacheur « série » Il est appelé hacheur série car l’élément commandé est placé en série avec la source. Le schéma de principe d’un hacheur « abaisseur de tension » ou « dévolteur » est représenté dans la figure 2 H est un interrupteur commandé et D une diode qui permet de transférer de la puissance de la source à la charge [1].
  • 15.
    Rapport de find’année 15 Fig. 9: Schéma de principe d’un hacheur dévolteur Supposons que l’on ait pour H le chronogramme suivant (par un choix arbitraire de l’origine des temps) : Fig. 10 : Chronogramme de H H est commandé périodiquement par un signal tel que : H est fermé pour 0<t< αT H est ouvert pour αT<t<T On obtient pour la tension aux bornes de la charge le chronogramme suivant : Fig 11 : chronogramme de Uc (dévolteur) Alors la valeur moyenne de la tension de sortie : < Uc >= α<Us> , 0< α<1 Donc on remarque que la valeur moyenne de Uc peut être ajustée en jouant sur la valeur de α donc sur la commande de H. Quelque soit la nature de la charge on aura : Uc = α<Us >, donc l’hacheur série est bien un abaisseur de tension « dévolteur ». III.2.2. Hacheur « survolteur » ou hacheur «parallèle » : Il est appelé hacheur parallèle car l’élément commandé est placé en parallèle avec la source.
  • 16.
    Rapport de find’année 16 Le schéma de principe d’un hacheur « élévateur de tension » ou « survolteur » est représente dans la figure 12. . Fig. 12 : Schéma de principe du survolteur. On obtient pour la tension aux bornes de la source le chronogramme suivant : Fig. 13 : Chronogramme de Uc (survolteur) Ce qui donne pour la valeur moyenne Uc: Uc=<Us>/ α) Donc l’hacheur parallèle est bien un élévateur de tension « survolteur ». Il existe bien évidement d’autres types de hacheur comme le hacheur survolteur- dévolteur... III.3. Technologie des interrupteurs Les « interrupteurs » que l’on rencontre dans l’hacheur sont des semi-conducteurs utilisés en régime de commutation. L’état de l’interrupteur, fermé ou ouvert, peut souvent être commandé grâce à un signal adéquat appliqué à une électrode de commande. La conduction est le plus souvent unidirectionnelle, c'est-à-dire que l’interrupteur ne peut laisser passer le courant que dans un seul sens (sous peine de détérioration du composant).Ils peuvent être des transistors bipolaires, des MOSFET, des IGBT ou des thyristors….[9].
  • 17.
    Rapport de find’année 17 IV. HACHEUR QUATRE QUADRANTS IV.1. Fonctionnement quatre quadrants Nous allons étudier un convertisseur qui assure non seulement la réversibilité en courant, mais également la réversibilité en tension. Il s’agit alors de définir une structure qui permet de travailler dans les quatre quadrants. Voir figure 14 [9]. Fig.14. Fonctionnement quatre quadrants IV.2. La carte de puissance. La carte de puissance joue le rôle d'une carte d'interface entre la carte de commande (le microcontrôleur) et la partie motrice (le moteur) comportant des composants mécaniques, elle nous permet de commander les moteurs à courant continu suivant les ordres fournis par la carte de commande. Notre carte de puissance est composée de quatre ponts en H, ce dernier est constitué de quatre transistors qui travaillent comme des interrupteurs et permettent d'obtenir quatre états selon la façon dont ils sont commandés, ce principe est représenté par la figure 15 [8]. Fig. 15: Fonctionnement d’un Pont H. Cas 1: La roue est libre, tous les interrupteurs sont commandés ouverts (T1, T2, T3 et T4 ouverts), aucune tension n'est appliquée au moteur : il est déconnecté.
  • 18.
    Rapport de find’année 18 Cas 2: La marche avant(Sens1), deux interrupteurs sont commandés fermés et deux autres ouverts (T1 et T4 fermés et T2 et T3 ouvert), on applique au moteur la tension de la batterie. Cas 3: La marche arrière(Sens2), deux interrupteurs sont commandés fermés et deux autres ouverts (T2 et T3 fermés et T1 et T4 ouverts), mais, à l'inverse du cas précédent, on applique au moteur la tension de la batterie, avec une polarité inverse. Cas 4 : Le frein, deux interrupteurs de la même polarité du pont en H sont commandés fermés (T1, T2, T3 et T4), les pôles du moteur sont court-circuités, ce qui freine le moteur. Cet état est rarement utilisé. (Cas non représenté sur la figure). Un pont en H est donc simplement un interrupteur qui relie la batterie au moteur. Cet interrupteur est généralement commandé par deux entrées logiques : In1 et In2. Tableau.1.Logique décrivant le fonctionnement du pont en H In1 In2 Moteur 0 0 Arrêt 0 1 Sens1 1 0 Sens2 1 1 Arrêt Dans ce projet, nous ne connectons pas directement le moteur à l’alimentation via le Pont H car cela provoquerait d’une part une consommation importante de l’énergie, d’autre part le Pont H constitué généralement de quatre transistors de rapport cyclique différent, ceci provoque un retard du signal de sortie. C’est ainsi que l’utilisation du circuit de puissance intégrant deux Pont H de même rapport cyclique et qui amplifie le signal d’entrée semble le plus convenable pour notre projet. V. ETAGE DE PUISSANCE V.1.Définition L’étage de puissance (driver) utilisé est un circuit intégré L298 pour les moteurs à courant continu. Ce circuit offre un double pont en H pour former une interface avec microcontrôleur. Le L298N se décline dans un boîtier Multi watt à 15 pins schématisé dans la figure 17 [6]
  • 19.
    Rapport de find’année 19 Fig.16. Brochage du L298 V.2. Diagramme bloque du L298 Fig.17.Structure interne du L29 Les caractéristiques du circuit intégré L298 sont les suivantes :  Intensité maximale : 2A par pont ;  Alimentation de puissance de 5.5V à 50V ;  Type de boîtier : Multiwatt15 ;  Dissipation puissance totale : 25w ;  Trois entrées par pont : In1, In2 et ENABLE fonctionnant comme suit :
  • 20.
    Rapport de find’année 20 Tableau 2.Fonctionnement du L298 Entrées Sorties Fonction ENA = 1 In1=1 ; In2=0 Out1=1 ; Out2=0 La marche avant In1=0 ; In2=1 Out1=0 ; Out2=1 La marche arrière In1=In2 Out1=1 ; Out2=1 ou Out1=0 ; Out2=0 Le frein ENA=0 In1=X ; In2=X Rien Pas de rotation V.3. Le modèle utilisé Fig.18.Montage complet de la partie de puissance. L'interface utilisée entre la commande (sortie du microcontrôleur) et la puissance (entrée du moteur) se base sur le circuit intégré de puissance L298. La sortie du microcontrôleur (le signal PWM) est reçue et amplifié par le L298. C’est la sortie du L298 qui est utilisée pour alimenter la MCC. Pour changer le sens de rotation du moteur, il suffira de fermer ou ouvrir les switchs SW3 et SW4 selon les besoins comme le montre la table de vérité, tableau 2. La vitesse de rotation du moteur varie selon la puissance de la batterie, selon qu’elle chargée ou pas en d’autre terme selon le rapport cyclique du PWM puisque, il est définit par le niveau de la batterie.
  • 21.
    Rapport de find’année 21 VI. SIMULATION Pour faire la simulation de notre conception à l’interface de puissance déjà proposé qui est bien un hacheur quatre quadrants. Nous avons fait la simulation sur ISIS afin de pouvoir relier la partie alimentation avec la partie de puissance. Pour cela nous avons fait intégrer le programme qui concerne la partie puissance dans celui de l’alimentation. Au niveau du pic 16F877A, nous avons utilisé le port D pour gérer la partie puissance. Fig.19. Schéma complet de simulation.
  • 22.
    Rapport de find’année 22 Fig.20. Signaux d’entrée (jaune) et de sortie (rose), le moteur tourne en sens direct. - Amplitude du signal d’entrée=2.5*2=5v, -Amplitude du signal de sortie=6*2=12v On remarque que le signal est bien amplifié. Fig.21. Signaux d’entrée (bleu) et de sortie (vert), le moteur tourne dans le sens inverse. De même -Amplitude du signal d’entrée=2.5*2=5v, -Amplitude du signal de sortie=6*2=12v. On remarque que le signal est bien amplifié. Ainsi, nous avons réalisé une interface de puissance entre le calculateur (le microcontrôleur) et le moteur courant continu.
  • 23.
    Rapport de find’année 23 Chapitre III. REALISATION I. MATERIELS UTILISE Pour la réalisation de notre projet nous aurons besoin des composants suivants : PIC16F877A. Potentiomètre 1K. Quartz 4MHz. 2 capacités de 20pF. 3 Leds (Verte-Jaune-Rouge). Afficheur LCD (ECM1602A). 3 Résistances 50. 1 Résistance 100. Les fils. Générateur de tension. II. Résultat de la réalisation : Lors de la mise en énergie nous avons rencontré les situations suivantes : Fig.22.Batterie à l’état critique (Led rouge s’allume)
  • 24.
    Rapport de find’année 24 Fig.23.Batterie à l’état intermédiaire (Led jaune s’allume)
  • 25.
    Rapport de find’année 25 Fig.24.Batterie chargée (Led verte s’allume)
  • 26.
    Rapport de find’année 26 CONCLUSION Au cours de ce projet, nous avons procédé à l’étude de la carte d’alimentation (la batterie, les régulateurs de tension et les éléments qui vont nous aider à visualiser le niveau de la batterie comme le PIC et le LCD) et de l’interface de puissance entre le microcontrôleur et les quatre moteurs électriques du micro drone. Pour ce faire nous avons conçu un schéma électronique traduisant notre cahier des charges tout en commençant par le développement d’un programme permettant de gérer les différents niveaux de la batterie et de générer un signal PWM qui a servi comme outil important dans la deuxième partie de ce projet. Ce signal a été reçu et amplifié par un circuit de puissance afin d’alimenter le MCC ; permettant ainsi de varier la vitesse du moteur et sa rotation dans les deux sens. Après différentes simulations à l’aide du logiciel Isis, nous sommes passés à la réalisation ; Malgré les difficultés rencontrées nous avons pu réaliser la partie gérant l’alimentation de la batterie mais suite à non disponibilté du matériel et la contrainte du temps nous n’avons pas pu réaliser la partie concernant l’interface de puissance. En dépit des problèmes rencontrés, ce projet nous a permis d’enrichir les connaissances théoriques acquises au sein de la faculté et de toucher à la réalité de la vie professionnelle ainsi de chercher des solutions pratiques aux problématiques rencontrées
  • 27.
    Rapport de find’année 27 LA BIBLIOGRAPHIE Les livres consultés : [1]. Luc LASNE : Professeur agrégé à l’Université de Bordeaux 1, DUNOD. Rappel de cours, exercices et problèmes d’électrotechnique. [2] Christophe François : Professeur agrégé de génie électrique en TS1 et TS2 au lycée Louis Rascol d’Albi, Ingénieur de l’Ecole Supérieure de l’électricité et de l’Ecole Centrale de Nantes. Liens : [3] www.technologuepro.com [4] www.technologuepro.com/montages-electroniques/variateur-vitesse-moteur-16.html [5]www.memoireonline.com/10/08/1600/m_mise-en-oeuvre-partie-perception-d-un- robot9.html [6] www.robosapiensindia.com/resources/L298.pdf www.robot-maker.com/index.php/blog/11/entry-11-schema-de-principe-de-la-carte-de- puissance/ [7] fr.farnell.com/national-semiconductor/lmd18200t/pont-3a-55v/dp/9488030 [8] fr.wikipedia.org/wiki/Pont_en_H Anciens rapports : [9] Conception et réalisation des interfaces de puissances entre le calculateur de bord et les moteurs électriques d'un micro drone. [10] Réalisation et gestion de l’alimentation du micro drone.
  • 28.
    Rapport de find’année 28 ANNEXE Le programme utilisé #include <built_in.h> // LCD module connections sbit LCD_RS at RB4_bit; sbit LCD_EN at RB5_bit; sbit LCD_D4 at RB0_bit; sbit LCD_D5 at RB1_bit; sbit LCD_D6 at RB2_bit; sbit LCD_D7 at RB3_bit; sbit LCD_RS_Direction at TRISB4_bit; sbit LCD_EN_Direction at TRISB5_bit; sbit LCD_D4_Direction at TRISB0_bit; sbit LCD_D5_Direction at TRISB1_bit; sbit LCD_D6_Direction at TRISB2_bit; sbit LCD_D7_Direction at TRISB3_bit; // End LCD module connections void main() { unsigned short current_duty; // Déclaration des variables utilisées float c; float i; float v; float x; int u; float y; float a; int b; int unit; int diz; int diz1; int f1; int unit1; CCP1CON=0; // Activation du signal PWM1 ; CCP2CON=0;// // Activation du signal PWM2 ; ADCON1 = 0x00; TRISA3_bit = 1; TRISA2_bit = 1; TRISC = 0; //Déclaration du PORTC comme sortie PORTC = 0; // Initialisation duPORTC; TRISB = 0; TRISD6_bit=1; TRISD7_bit=1; TRISD0_bit=0; TRISD1_bit=0; TRISD2_bit=0; adc_init(); a= ADC_Read(0); a= ADC_Read(0); if ( a >=972 ){ PORTD= 0x01; } else if ( a>=910 & a <972 ) { PORTD= 0x02; } else { PORTD=0X00; delay_ms(10); PORTD= 0x04; } Lcd_Init(); Lcd_Cmd(_LCD_CLEAR); // Clear display Lcd_Cmd(_LCD_CURSOR_OFF); PWM1_Init(5000); // Initialisation du 1er signal PWM1; PWM2_Init(5000); // Initialisation du 2ème signal PWM2; PWM1_Start(); // Génération du 1er signal PWM1; PWM2_Start(); // Génération du 2éme signal PWM2; while(1){ a= ADC_Read(0); if ( a >=972 ){ PORTD= 0x01;
  • 29.
    Rapport de find’année 29 } else if ( a>=910 & a <972 ) { PORTD= 0x02; } else { PORTD=0X00; delay_ms(10); PORTD= 0x04; } v= ADC_Read(1); // lecture du pin RA1; x=5*v/1023; current_duty =x*255/5; // Conversion da la valeur lue; if(PORTD.F6==1 & PORTD.F7==0){ // Faire tourner le moteur dans le 1er sens si le switch est à 1 0; PWM1_Set_Duty(current_duty); PWM2_Set_Duty(0); } else if(PORTD.F6==0 & PORTD.F7==0){ // Arreter le moteur si le switch est à 0 0; PWM2_Set_Duty(0); PWM1_Set_Duty(0); } else if(PORTD.F6==1 & PORTD.F7==1){ // Arreter le moteur si le switch est à 1 1; PWM2_Set_Duty(0); PWM1_Set_Duty(0); } else if(PORTD.F6==0 & PORTD.F7==1) { // Faire tourner le moteur dans le 2ème sens si le switch est à 0 1 ou 1 1; PWM2_Set_Duty(current_duty); PWM1_Set_Duty(0); } x=(9.7)*v/1023; u=x*10; unit= (u % 10) ; diz=(u/10)% 10; y=1*a/1023; b=y*100; unit1= (b % 10) ; diz1=(b/10)% 10; f1=(b/100)% 10; Lcd_Chr(1, 1,'P'); Lcd_Chr(1, 2,'u'); Lcd_Chr(1, 3,'i'); Lcd_Chr(1, 4,'s'); Lcd_Chr(1, 5,'s'); Lcd_Chr(1, 6,'a'); Lcd_Chr(1, 7,'n'); Lcd_Chr(1, 8,'c'); Lcd_Chr(1, 9,'e'); Lcd_Chr(1, 10,':'); Lcd_Chr(1, 12, f1+48); Lcd_Chr(1, 13,diz1+48); Lcd_Chr(1, 14, unit1+48); Lcd_Chr(1, 15,'%'); } }