‫ادس‬‫ر‬‫ب‬ ‫ـوجية‬‫ـ‬‫ل‬‫التكنو‬ ‫ـات‬‫ـ‬‫س‬‫ا‬‫ر‬‫للد‬ ‫ـالي‬‫ـ‬‫ع‬‫ال‬ ‫المعهد‬
‫قس‬‫ـ‬‫ـ‬‫الهندس‬ ‫م‬‫ـ‬‫ـ‬‫ـ‬‫ـ‬‫ب‬‫ر‬‫الكه‬ ‫ة‬‫ـ‬‫ـ‬‫ـ‬‫ـ‬‫ـ‬‫ـ‬‫ـ‬‫ـ‬‫ـ‬‫ـ‬‫ـ‬‫ـ‬‫ـ‬‫ائية‬
République Tunisienne
Ministère de l'enseignement Supérieur
et de la recherche Scientifique
Rapport de Stage de Fin du Parcours
LICENCE APPLIQUEE EN GENIE ELECTRIQUE
Entreprise d’accueil: Société tunisienne d’émaillage SOTUMAIL
Réalisé par : MOHSEN SADOK
Encadré par :
Encadreur Entreprise : OMAR WANNES
Encadreur ISET : HSSAN ELABED
Année universitaire : 2015/2016 Code : S79/2016
Etude et conception du système automatique
pour alimentation four
SFP : Etude et supervision d’une chaine d’alimentation four par des carreaux de céramique
Réalisé par :Mohsen Sadok (L3 AII) ISET RADES : département GE
2
Je dédie ce travail :
A mes chers parents
Eux qui m’ont offert l’un des plus beaux cadeaux de la vie : le savoir.
Je leurs dis merci pour tout ce qu’ils ont fait et continuent à faire pour moi.
Je souhaite que Dieu leurs préserve une longue vie.
A tous les membres de ma famille,
eux qui m’ont soutenue dans les moments difficiles tout au long de mes études.
A tous mes collègues et ami(e) s
Pour les moments agréables et inoubliables que nous avons passés ensemble.
A eux tous, je souhaite un avenir plein de joie, de bonheur et de succès.
SFP : Etude et supervision d’une chaine d’alimentation four par des carreaux de céramique
Réalisé par :Mohsen Sadok (L3 AII) ISET RADES : département GE
3
Remerciement
Je tiens en premier lieu à remercier Dieu Tout-puissant pour tout l’Amour qu’Il m’a
partagé à travers la réalisation de ce rapport de stage, et C'est avec grand plaisir que je
tiens à exprimer ma profonde gratitude, reconnaissance et remerciements distingués à
tous ceux qui m’a aidé de près ou de loin et plus particulièrement à:
A mon encadreur Mr OMAR WANNES ingénieur et chef de service de production qui
malgré ses maintes occupations, m’a partagé ses connaissances et son précieux temps
pour l’élaboration à terme et à bien de ce travail.
Mr HASSEN ELABED mon encadreur pour ses précieux conseils et
recommandations durant cette formation.
Mes remerciements s’adressent aussi à tout le personnel du SOTEMAIL qui m’a donné
de l’aide continue pendant La période de mon stage.
A tous les membres de ma famille, pour leur soutien moral, affectif et financier.
Je remercie particulièrement les membres de jury pour avoir accepté d’examiner et de
juger ce travail.
SFP : Etude et supervision d’une chaine d’alimentation four par des carreaux de céramique
Réalisé par :Mohsen Sadok (L3 AII) ISET RADES : département GE
4
Sommaire
Introduction générale ..................................................................................................... 10
Chapitre 1 : contexte du projet...................................................................................... 12
I. Introduction :...................................................................................................... 13
II. Présentation de la société ................................................................................... 13
1) Fiche d’identité de SOTEMAIL......................................................................... 13
2) La raison sociale :............................................................................................... 14
3) Secteur d’activité................................................................................................ 14
4) Les exportations de la société SOTEMAIL : ..................................................... 14
5) Organigramme de la société............................................................................... 14
III. Service de production ..................................................................................... 15
1) Matière première : .............................................................................................. 15
2) Triage de poudre: ............................................................................................... 15
3) Stockage de barbotine : ...................................................................................... 15
4) Atomisation :...................................................................................................... 16
5) Cuve d’attente : .................................................................................................. 16
6) Pressage :............................................................................................................ 16
7) Séchage : ............................................................................................................ 16
8) Transporteur : ..................................................................................................... 17
9) Emaillage :.......................................................................................................... 17
10) Four :............................................................................................................... 18
11) Triage et emballage: ....................................................................................... 18
IV. Etude du système existant : ............................................................................ 19
1) Fonctionnement de la chaine d’entrée four........................................................ 19
2) méthode existante de remplissage du réservoir d’eau........................................ 21
V. Problématique : .................................................................................................. 21
VI. Les solutions proposées et la solution retenue: ............................................. 21
SFP : Etude et supervision d’une chaine d’alimentation four par des carreaux de céramique
Réalisé par :Mohsen Sadok (L3 AII) ISET RADES : département GE
5
VII. Développement de la solution retenue : ......................................................... 22
1) Choix de l’API : ................................................................................................. 22
2) Choix de l’environnement de programmation : ................................................ 23
3) Choix de l’outil de supervision : ........................................................................ 23
IX. Conclusion...................................................................................................... 24
Chapitre 2 : programmation API.................................................................................. 25
I. Introduction........................................................................................................ 26
II. Généralités :........................................................................................................ 26
III. Améliorations réalisées : ................................................................................ 26
1) Cycle de fonctionnement de la chaine proposé:................................................. 27
2) Améliorations pour le réservoir : ...................................................................... 30
IV. Initiation à TIA PORTAL............................................................................... 30
V. Programmation :................................................................................................. 30
1) Système chaine :................................................................................................. 30
2) le reservoire d’eau :............................................................................................ 39
VI. Câblage :......................................................................................................... 43
1) Câblage de module d’entré :............................................................................... 43
2) Câblage de module de sortie : ............................................................................ 43
3) Câblage des modules analogique : ..................................................................... 44
VII. Etude économique : ........................................................................................ 45
VIII. Conclusion :.................................................................................................... 45
Chapitre 3 : supervision ................................................................................................. 46
I. Introduction........................................................................................................ 47
II. Le logiciel LABVIEW :..................................................................................... 47
1) Introduction a LabVIEW :.................................................................................. 47
2) Objectif de l’interface LabVIEW....................................................................... 47
3) Modules LabVIEW nécessaires :....................................................................... 47
4) Constitutions de notre projet LabVIEW........................................................... 48
SFP : Etude et supervision d’une chaine d’alimentation four par des carreaux de céramique
Réalisé par :Mohsen Sadok (L3 AII) ISET RADES : département GE
6
III. Communication avec LABVIEW :................................................................. 48
IV. Les protocoles de communication :................................................................ 50
1) TCP/IP :.............................................................................................................. 50
2) Profinet :............................................................................................................. 51
3) Communication wifi avec Tablette : .................................................................. 51
4) Synoptique de communication :........................................................................ 52
1) Interface principale :........................................................................................... 55
2) Interface USER : ................................................................................................ 56
3) Interface CONTROL :........................................................................................ 57
4) Interface MOTEURS : ....................................................................................... 58
5) Interface Energie :................................................................................................ 59
6) Interface statistique :........................................................................................... 62
7) Interface PID RES : ............................................................................................ 64
8) Interface INFO : ................................................................................................. 66
VI. Diagramme d’utilisation :............................................................................... 67
VII. Diagramme des classes et des interfaces ........................................................ 68
VIII. Conclusion :.................................................................................................... 68
Conclusion général.......................................................................................................... 69
Bibliographie ................................................................................................................... 70
1) Ouvrage :............................................................................................................ 70
2) Nétographie ........................................................................................................ 70
3) Logiciels............................................................................................................. 70
ANNEXES ....................................................................................................................... 71
ANNEXE 1................................................................................................................ 72
ANNEXE 2................................................................................................................ 74
ANNEXE 3................................................................................................................ 76
ANNEXE 4................................................................................................................ 78
ANNEXE 5................................................................................................................ 79
INDEXE........................................................................................................................... 80
SFP : Etude et supervision d’une chaine d’alimentation four par des carreaux de céramique
Réalisé par :Mohsen Sadok (L3 AII) ISET RADES : département GE
7
Liste des tableaux
Tableau 1:Fiche d'identité de SOTEMAIL....................................................................... 14
Tableau 2: Les exportations de SOTEMAIL.................................................................... 14
Tableau 3:les entrées/sorties de système........................................................................... 20
Tableau 4:gamme s400d'API Siemens ............................................................................. 22
Tableau 5:les nouveaux éléments d'entrées/sorties........................................................... 28
Tableau 6:varibles et leur mémento.................................................................................. 31
Tableau 7:variables du système ........................................................................................ 32
Tableau 8:variable de décompteur.................................................................................... 34
Tableau 9:éléments de SCALE......................................................................................... 36
Tableau 10:représentation des valeurs analogiques.......................................................... 37
Tableau 11:variable d'UNSCALE .................................................................................... 38
Tableau 12:variables de PID............................................................................................. 39
Tableau 13:Paramètres d'entrée de régulateur .................................................................. 41
Tableau 14:Paramètres de sortie de régulateur ................................................................. 41
Tableau 15:variables API.................................................................................................. 73
SFP : Etude et supervision d’une chaine d’alimentation four par des carreaux de céramique
Réalisé par :Mohsen Sadok (L3 AII) ISET RADES : département GE
8
Liste des figures
Figure 1:organigramme de société.................................................................................... 14
Figure 2 : cycle de production .......................................................................................... 15
Figure 3:matière première................................................................................................. 15
Figure 4:melengeur de barbotine ...................................................................................... 15
Figure 5:reservoir de stockage de barbotine ..................................................................... 15
Figure 6: atomiseur ........................................................................................................... 16
Figure 7:plateau de presse................................................................................................. 16
Figure 8:la presse .............................................................................................................. 16
Figure 9:le séchoir............................................................................................................. 16
Figure 10:machine de chargement et déchargement de bacs............................................ 17
Figure 11:robot LGV ........................................................................................................ 17
Figure 12:méthode de vernissage...................................................................................... 17
Figure 13:méthode de cascade.......................................................................................... 17
Figure 14:méthode de tanisage ......................................................................................... 17
Figure 15:méthode de vaporisation................................................................................... 17
Figure 16:les ROTOSCREEN .......................................................................................... 18
Figure 17:entré four .......................................................................................................... 18
Figure 18:zone de triage.................................................................................................... 18
Figure 19:les palettes ........................................................................................................ 18
Figure 20:réservoir d'eau .................................................................................................. 19
Figure 21:Grafcet exsistant de la chaine........................................................................... 20
Figure 22:le Motopompe................................................................................................... 21
Figure 23:API 416-3 PN/DP............................................................................................. 23
Figure 24:GRAFCET conduit et sécurité ......................................................................... 28
Figure 25:GRAFCET manuel proposée............................................................................ 29
Figure 26:GRAFCET automatique proposé ..................................................................... 29
Figure 27:procedure de remplissage ................................................................................. 30
Figure 28:blocs de programme ......................................................................................... 33
Figure 29:les éléments de programme .............................................................................. 33
Figure 30:appel de blocs ................................................................................................... 33
Figure 31:décompteur Simatic.......................................................................................... 34
Figure 32:compteur CTU.................................................................................................. 34
SFP : Etude et supervision d’une chaine d’alimentation four par des carreaux de céramique
Réalisé par :Mohsen Sadok (L3 AII) ISET RADES : département GE
9
Figure 33:chronogramme de compteur............................................................................. 35
Figure 34:UNSCALE........................................................................................................ 37
Figure 35:operation move................................................................................................. 38
Figure 36:regulateur PID ................................................................................................. 39
Figure 37:Schéma fonctionnelle du régulateur................................................................. 40
Figure 38:visualisation des paramètres de PID................................................................. 42
Figure 39:NI OPC SERVER............................................................................................. 49
Figure 40:NETtoPLCsim.................................................................................................. 50
Figure 41:configuration Profinet....................................................................................... 51
Figure 42:interface pour simulation des capteurs de la vitesse......................................... 51
Figure 43:interface principale pour contrôle du systeme................................................ 51
Figure 44:iterface pour controle du vitesse des moteurs .................................................. 51
SFP : Etude et supervision d’une chaine d’alimentation four par des carreaux de céramique
Réalisé par :Mohsen Sadok (L3 AII) ISET RADES : département GE
10
Introduction générale
L'automatisation industrielle est l'art d’utiliser les machines afin de réduire la charge de
travail des ouvriers tout en gardant la productivité et la qualité.
Elle fait appel à des systèmes électroniques qui englobent toute la hiérarchie de
contrôle-commande depuis les capteurs de mesure, en passant par les automates, les bus de
communication, la visualisation, l’archivage jusqu’à la gestion de production et des
ressources de l’entreprise. Sur le plan industriel, pour être compétitif tous les processus
doivent être obligatoirement automatisés. En effet, la compétitivité exige de maintenir le
système le plus près possible de son optimum de fonctionnement prédéfini par un cahier
des charges.
SFP : Etude et supervision d’une chaine d’alimentation four par des carreaux de céramique
Réalisé par :Mohsen Sadok (L3 AII) ISET RADES : département GE
11
Cahier des charges :
“ Etude et conception du système automatique pour alimentation four en rangées de
carreaux de céramique “.
Interprétation de cahier de charge :
Dans ce cadre, j’ai tout d’abord commencé dans le premier chapitre par la présentation de
la société d’accueil, étude du système existant, énoncer la problématique enfin les
solutions proposées et la solution retenu.
Ensuite, le 2è𝑚𝑒
chapitre contient les critères qui ont fixé le choix de l’automate
programmable industrielle Siemens cpu-416 et l’ensemble des programmes écrit par
l’environnement de programmation TIA PORTAL.
Enfin le dernier chapitre contient la conception de l’interface graphique et la visualisation
des paramètres du système par le langage de programmation graphique LABVIEW.
SFP : Etude et supervision d’une chaine d’alimentation four par des carreaux de céramique
Réalisé par :Mohsen Sadok (L3 AII) ISET RADES : département GE
12
Chapitre 1 : contexte du projet
Objectif :
 Présenter la société d’accueil
 Présenter le cycle de production des carreaux de céramiques
 Etude de système existant
 Décrire la problématique de système existant
 Présenter les solutions proposées et énoncer la solution retenue
SFP : Etude et supervision d’une chaine d’alimentation four par des carreaux de céramique
Réalisé par :Mohsen Sadok (L3 AII) ISET RADES : département GE
13
I. Introduction :
Afin de mettre le projet dans son contexte, on commence par un petit aperçu sur l’entreprise
d’accueil et une description du système existant en énonçant ses différentes problématiques
ainsi que les solutions proposées et la solution retenu.
II. Présentation de la société
La société SOTEMAIL, filiale de la société Moderne Céramique SOMOCER est
spécialisée dans la fabrication et la commercialisation des grés porcelaine pour le
revêtement sol et mur. Elle a démarré sa production en septembre 2006.
SOTEMAIL, est la société Tunisienne d’émaillage, elle produit principalement de
céramique et grés.
Le programme de développement de SOTEMAIL se caractérise par son exhaustivité
puisqu’il englobe tous les domaines d’activité de l’entreprise : production,
commercialisation, formation, gestion et restructuration.
1) Fiche d’identité de SOTEMAIL
Non de l’entreprise : SOTEMAIL
Forme juridique : société anonyme
Secteurs Activités : la fabrication du grès
Année de création : 2006
Produit fabriqué : carreaux en céramique
Type de fabrication : carreaux de type 15*15/15*30 / 20*20/25*40
P.D.G : AHMED SGHAIER
Siège social : route de Sfax, Menzel Hayat5033Monastir.
Lieu d’usine : Zone industrielle de Soussi 5140 Mahdia.
Code Postal : 5140
Téléphone : 00216 73 610 772
Fax : 00216 73 610 778
SFP : Etude et supervision d’une chaine d’alimentation four par des carreaux de céramique
Réalisé par :Mohsen Sadok (L3 AII) ISET RADES : département GE
14
Capital Social : xxx
Effective : 50 cadres supérieurs & moyens
: 400 ouvriers
Tableau 1:Fiche d'identité de SOTEMAIL
2) La raison sociale :
Cette société fait la transformation, la production, la distribution et le stockage de céramique.
3) Secteur d’activité
Cette entreprise compte 450 employeurs, son domaine d’activité recouvre notamment la
production des carreaux en céramique. Elle s’occupe également de ce qu’on appelle les travaux
spéciaux c'est-à-dire les produits que l’usine fabrique exceptionnellement à partir d’une
commande spéciale provenant du client.
4) Les exportations de la société
SOTEMAIL :
L’export de la société SOTEMAIL « groupe SOMOCER » a pour destination
L’Algérie, L’Italie, La France, Surie, Lybie et Liban.
30% Lybie
70% Algérie, Italie, France, Syrie, Liban
Tableau 2: Les exportations de SOTEMAIL
5) Organigramme de la société
Figure 1:organigramme de société
SFP : Etude et supervision d’une chaine d’alimentation four par des carreaux de céramique
Réalisé par :Mohsen Sadok (L3 AII) ISET RADES : département GE
15
III. Service de production
Le cycle de production comporte les six grandes étapes suivantes (fig.2) :
1) Matière première :
Les carreaux sont fabriqués à partir de matière première que l’on trouve facilement dans
la nature (fig.3). Elle est constituée à base de :
 Sable
 Argile blanche
 Talc
 Feldspath
 Argile Kaolin que
2) Triage de poudre:
La matière première est transportée à l’usine où elle est entreposée avant de le mélanger
dans des aires de stockage et où elle est classée par
type au moyen de système de référence numérique
simple. La matière première est mélangée en
proportion bien précise au poids.
Apres avoir été déversé dans un réservoir de stockage
.le mélange de matière première et ensuite transférée
dans divers réservoirs mélangeurs avec de l’eau et des
billes de céramique (fig.4), afin de former une matière
liquide, la barbotine,
Il y a quatre réservoirs mélangeurs dans l’usine pour la barbotine.
3) Stockage de barbotine :
La barbotine est ensuite transférée dans
des grands réservoirs de stockage souterrain (fig.5). Elle est
ensuite transférée dans l’atomiseur.
Figure 2 : cycle de production
Figure 3:matière première
Figure 4:melengeur de barbotine
Figure 5:reservoir de stockage de
barbotine
SFP : Etude et supervision d’une chaine d’alimentation four par des carreaux de céramique
Réalisé par :Mohsen Sadok (L3 AII) ISET RADES : département GE
16
4) Atomisation :
L’atomiseur est muni du pistolet qui vaporise la barbotine au milieu dans un grand
réservoir qui traverse un courant d’air chaud (fig.6).
La barbotine se décompose alors en particule en suspension qui sèche rapidement pour
former une poudre atomisée.
5) Cuve d’attente :
La poudre atomisée est ensuite versée dans une cuve
d’attente qui se trouve derrière la presse.
Cette cuve laisse échapper des quantités bien précises de
poudre atomisé sur plateau (fig.7) (dépendant des
dimensions des carreaux). La cuve distribue la poudre de
manière égale dans la moule.
6) Pressage :
Au moyen d’une grande presse hydraulique (fig.8), une
force de 340 à 400 kilogramme par centimètre carre est
appliquée sur chaque rangée de quatre carreaux.
La poudre se transforme en une masse solide.
7) Séchage :
Une fois le corps de céramique est formé, il est chauffé dans
le séchoir (fig.9) pour retirer le maximum d’humidité.
Cette étape est importante pour assurer la stabilité du
produit pendant sa cuisson au four.
Le séchage des carreaux passe par trois zones de
température :
 Zone 1 : 130 °C.
 Zone 2 : 200 °C.
 Zone 3 : 200 °C.
 Zone 4 : 110 °C
Figure 6: atomiseur
Figure 7:plateau de presse
Figure 8:la presse
Figure 9:le séchoir
SFP : Etude et supervision d’une chaine d’alimentation four par des carreaux de céramique
Réalisé par :Mohsen Sadok (L3 AII) ISET RADES : département GE
17
La partie séchoir est constituée par :
 Des Brûleurs.
 Des Ventilateurs.
 Des Capteur de température.
 Deux élévateurs.
 Pupitre de commande
Les carreaux sont placés dans des bacs de stockage temporaire à divers stades de
processus de production jusqu’à la prochaine étape, ou ils seront requis.
Le stockage se fait par la machine de chargement (fig.10) : C’est
une machine qui comporte deux bras en mouvement vertical et
horizontal. Ces bras comportent des axes tournant pour faire
tourner les rouleaux des bacs. Les sens de rotation des axes
tournant sont en inverse du sens de rotation d’une montre.
8) Transporteur :
Si les bacs sont requis pour la station d’émaillage, ils seront transportés vers la machine
de déchargement à l’aide de LGV (véhicule à guide laser) (fig.11)
LGV : C’est un robot qui sert à déplacer les bacs entre la zone de chargement et la zone
de déchargement.
Machine de déchargement : Elle est consacrée pour la
décharge des bacs, elle a les mêmes composantes que
celles de chargement mais à l’envers ainsi tout le système
est réversible.
9) Emaillage :
L’email est essentiellement une substance rassemblant au verre appliqué à la surface des
carreaux par des méthodes de vaporisation, des cascades, de tanisage ou de vernissage.
La sérigraphie, le vernissage et la vaporisation sont essentiels au produit fini soumis aux
conditions de :
 Propriétés esthétiques
 Imperméabilité
 Durabilité
 Hygiène
Figure 10:machine de chargement
et déchargement de bacs
Figure 11:robot LGV
Figure 15:méthode de
vaporisation
Figure 14:méthode de
tanisage
Figure 13:méthode de
cascade
Figure 12:méthode de
vernissage
SFP : Etude et supervision d’une chaine d’alimentation four par des carreaux de céramique
Réalisé par :Mohsen Sadok (L3 AII) ISET RADES : département GE
18
Les ROTOSCREEN (fig.16) sont couramment utilisés
pour l’application des motifs et des couleurs sur les corps
des carreaux est ce sur 3 étapes en dégradant les couleurs.
De nombreux tests permettent de vérifier la qualité
définie (1ére
, 2éme ou 3éme
choix), la précision du motif et
la définition de couleur avant la qualification et
l’acceptation du produit.
10) Four :
Une fois l’email est appliqué, les carreaux sont transportés à l’entré four 2 par une chaine
à rouleaux (fig.17)(page 55)
Le four utilisé est un four à rouleaux, la température dans ce type de four peut atteindre
les 1190 degrés Celsius, l’usine contient trois fours à rouleaux de constructeur SACMI.
Le four solidifie l’émail et fait disparaitre tout l’humidité résiduelle.
Ainsi le produit à la sortie du four est une matière solide et homogène sans faiblesse.
Une fois cette étape est terminée, on obtient le produit final.
11) Triage et emballage:
Pour garantir la qualité du produit fini, le choix de carreau est validé par un opérateur et
par la suite trié automatiquement par camera (fig18).
Les précisions (la qualité et la teinte) sont indiquées sur les boites de carreaux en carton
puis elles sont placées sur la palette appropriée fig.19). Une fois la palette est empilée,
elle est placée dans la cour prête à la vente ou exportation.
La chaine
Entrée four
Convoyeur
Figure 16:les ROTOSCREEN
Figure 17:entré
four
Figure 19:les palettes Figure 18:zone de triage
SFP : Etude et supervision d’une chaine d’alimentation four par des carreaux de céramique
Réalisé par :Mohsen Sadok (L3 AII) ISET RADES : département GE
19
IV. Etude du système existant :
Notre système est composé de deux sous-systèmes :
Le premier : Une chaine à rouleaux (voir fig. 17)(voir page 55) qui
alimente le four par les carreaux de céramique.
Remarque : l’usine contient trois fours à rouleaux, notre étude concerne
la chaine d’entrée four 2 car les fours 1 et 3 sont récents et supervisés
donc ne nécessitent actuellement aucune intervention.
Le deuxième : 8 Réservoirs d’eau (voir fig.20) qui distribuent l’eau aux 4
réservoirs mélangeurs de billes de céramique (voir fig.4) afin de former
la barbotine.
Remarque : Une partie de notre projet consiste à contrôler la procédure
de remplissage pour un seul réservoir (et ça sera de même pour les autres
réservoirs).
Description du fonctionnement du système existant :
1) Fonctionnement de la chaine d’entrée four
Voir (page 55)
Un appui sur le bouton poussoir « Start », départ de cycle avec l’enclenchement du
capteur de présence carreau C3(C5 est actuellement condamné) provoquent le démarrage
des moteurs convoyeurs à chaines M1 et M2 en même temps avec une vitesse constante
(configurée dans le variateur de vitesse de chaque moteur) jusqu’à la détection des
carreaux par le capteur C2 qui provoque le démarrage du moteur M3 et le sortie de vérin
V qui déplace les carreaux longitudinalement jusqu’à la détection de capteur suivant C8
de fin de course puis le démarrage de moteur M4 jusqu’à l’enclenchement de C11 fin de
cycle.
Le système s’arrête lorsqu’on appuis sur le bouton « STOP ».
Un appui sur le bouton reset « RESET» provoque l’initialisation immédiate de tout le
système et retour vers l’étape 0.
Remarques :
 Les boutons arrêt d’urgence, AUTO/MAN existent dans le pupitre de commande
mais ne sont pas câblés (hors service) ainsi que les capteurs C5, C6, C7, C9 et
C10.
 Le GRAFCET de la chaine d’entrée four a été modifié et programmé dans l’API
OMRON « CPM2A » plusieurs fois par les automaticiens selon la taille des
carreaux.
 La chaine d’alimentation four a été dépannée plusieurs fois(les causes sont
nombreuses que j’essayerais de limiter lors de la proposition de la solution.
Figure 20:réservoir
d'eau
SFP : Etude et supervision d’une chaine d’alimentation four par des carreaux de céramique
Réalisé par :Mohsen Sadok (L3 AII) ISET RADES : département GE
20
Table d’Entrées /sorties existant
Entrées
Start bouton « marche »
Stop Bouton poussoir « arrêt »
RESET Bouton poussoir (reset le système)
C3 Capteur capacitif (présence de carreau)
C2 Capteur capacitif (fin de convoyeur
longitudinal)
C8 Capteur de fin de course du vérin V
C11 Capteur capacitif (fin de convoyeur
transversal)
Sorties
M1 Moteur triphasé (convoyeur 1)
M2 Moteur triphasé (convoyeur 2)
M3 Moteur triphasé (convoyeur 3)
M4 Moteur triphasé (convoyeur 4)
V Vérin simple effet (monter le convoyeur 3)
H3 Voyant marche
Tableau 3:les entrées/sorties de système
GRAFCET existant de la chaine à l’entrée four 2 :
Figure 21:Grafcet exsistant de la chaine
SFP : Etude et supervision d’une chaine d’alimentation four par des carreaux de céramique
Réalisé par :Mohsen Sadok (L3 AII) ISET RADES : département GE
21
2) méthode existante de remplissage du réservoir d’eau
L’opération de remplissage d’eau du réservoir se fait automatiquement mais sans
commande par automate. L’opérateur doit appuyer sur le bouton
‘ marche ‘ pour activer le motopompe (fig.26) .Une fois le niveau d’eau
atteint la limite préréglée, un flotteur ouvre le circuit de commande du
motopompe. Il est à signaler que ce type de capteur à part l’erreur de
mesure de niveau d’eau qu’il présente, il est la cause de défiances.
Un bouton « stop » va arrêter notre système.
V. Problématique :
L’étude de l’existant révèle les problèmes suivants :
 Réglage manuel de la vitesse du moteur chaque fois où la taille des carreaux
change (carreaux de type 15*15/15*30 / 20*20/25*40.
 En cas de de panne d’un moteur, le système continue le cycle de production sans
arrêt.
 Le système reste sans supervision industrielle.
 plusieurs problèmes agissent sur la procédure de remplissage du réservoir d’eau
qui est aussi commandé manuellement sans automate et contrôlé par flotteur.
VI. Les solutions proposées et la solution retenue:
 Solution 1 : étude de tout le système et réaliser une solution câblé se reposant sur
la méthode d’Huffman avec l’utilisation des excitations secondaires et des
temporisateurs. Cette solution ne permet pas la supervision du système n’offre pas
une grande sécurité sinon le cout sera plus élève avec l’augmentation des
exigences.
 Solution 2 : Introduire des améliorations sur le système actuel tout en gardant
l’automate OMRON utilisé :
Avantage : Cout réduit
Inconvénient : Absence de port de communication PROFINET permettant
l’échange de données avec l’interface de supervision LabVIEW.
 Solution 3 : Choix d’un automate (voir annexe 1) qui à part la commande et le
contrôle du système, offre la possibilité de commination PROFINET.
Inconvénient : Cout élevé.
Avantage : Solution fiable, souple, possibilité de faire une télécommande (par
Tablette ) et offre une garantie sur tous les plans.
 Solution retenue :Il est claire que la troisième solution permettra de mener à belle
et bien ce projet.
Figure 22:le Motopompe
SFP : Etude et supervision d’une chaine d’alimentation four par des carreaux de céramique
Réalisé par :Mohsen Sadok (L3 AII) ISET RADES : département GE
22
VII. Développement de la solution retenue :
1) Choix de l’API :
Le choix de l’API (voir annexe2) se fait selon les critères suivants :
 Possibilité d’utilisation comme contrôleur central des lignes de production (la
chaine d’entrer four, réservoirs, gérer les E/ S...)
 Interface communication MPI / interface PROFIBUS DP (maître / esclave)
 Interface PROFINET (2 au minimum)
 Intelligence distribuée dans Component Base Automation (CBA) sur PROFINET
(protocole de communication entre les API a grand vitesse 12 Mbits/s)
 Interface TCP/IP
 Serveur web intégrer
 Mémoire donnés au minimum 3 MB
 Mémoire programme au minimum 5MB
 Emplacement pour carte mémoire
Tableau 4:gamme s400d'API Siemens
SFP : Etude et supervision d’une chaine d’alimentation four par des carreaux de céramique
Réalisé par :Mohsen Sadok (L3 AII) ISET RADES : département GE
23
Selon les critères indiqués on peut dire que la gamme des
automates Siemens peut répondre à notre besoin d’où la
nécessité de consulter le tableau ci-dessus (Tableau 3) :
D’où le choix de l’automate Siemens S7-416(de CPU
416-3 PN/DP) dont les principales caractéristiques tirées à
partir du tableau de la (Tableau 3) sont les suivantes :
 MPI/PROFIBUS DP-Master-Interface
 additionnel PROFIBUS DP-Interface
 additionnel PROFINET Interface
 emplacement pour carte mémoire
 16MB mémoire intégrer (donner +programme)
2) Choix de l’environnement de programmation :
Pour programmer cet automate on a utilisé l’environnement de programmation TIA
PORTAL qui par rapport au logiciel STEP7 offre les avantages suivants :
 Programmation API Configuration et programmation des contrôleurs
SIMATIC S7-1200, S7-400(CPU 416-3 PN/DN), la nouvelle gamme S7-
1500.
 Configuration des appareils et du réseau pour tous les composants
d'automatisation.
 éditeurs de programmation efficaces, programmation symbolique cohérente
 HW-Detect, SW-Upload, simulation S7-1500 (PLCSim)
 Objets de technologie pour mouvements et fonctions de régulation PID
 Fonction de protection intégrée pour protéger le programme : Protection du
savoir-faire (protection contre la copie et l’accès)
3) Choix de l’outil de supervision :
On peut choisir comme outil de supervision WINCC (intègre à l’environnement de
programmation TIA PORTAL), LABVIEW (programmation graphique) …
Mais LabVIEW offre plusieurs avantages par rapport aux autres outils de
supervision :
 Des diverses bibliothèques de symbole pour représenter notre système.
 Interface de supervision dynamique
 Vitesse de communication très élevé avec l’automate
 Plusieurs moyens de communication (PROFINET, MODBUS, TCP/IP, Bluetooth,
WIFI…) avec différents gammes d’automates.
Figure 23:API 416-3 PN/DP
SFP : Etude et supervision d’une chaine d’alimentation four par des carreaux de céramique
Réalisé par :Mohsen Sadok (L3 AII) ISET RADES : département GE
24
VIII. Architecture de système de supervision:
IX. Conclusion
L’étude du système a abouti au choix de l’automate S7-416-3-PN/DP et l’environnement
de programmation TIA PORTAL et l’outil de supervision LABVIEW avec toutes les
fonctionnalités qu’ils offrent.
Communication
TCP/IP
Capteur ultrason
Coffret de commande
API S7-416-3
PN/DP
4 *Capteurs vitesse
SFP : Etude et supervision d’une chaine d’alimentation four par des carreaux de céramique
Réalisé par :Mohsen Sadok (L3 AII) ISET RADES : département GE
25
Chapitre 2 : programmation API
Objectif :
 Amélioration réalisé sur le système étudié
 Représenter le nouveau fonctionnement de système
 Câblage des entrées/sorties de système
 Etude économique
SFP : Etude et supervision d’une chaine d’alimentation four par des carreaux de céramique
Réalisé par :Mohsen Sadok (L3 AII) ISET RADES : département GE
26
I. Introduction
Après avoir présenté et analyser le fonctionnement du système, on veut lui apporter des
améliorations pour résoudre ses problèmes et passer dans une première phase à la
programmation de l’automate.
II. Généralités :
Des points importants concernant les API sont donnés en annexe1
III. Améliorations réalisées :
Proposition d’un nouveau GRAFCET qui décrit le fonctionnement du cycle et tient
compte des améliorations suivantes :
a) Ajout d’un sélecteur de choix de mode du cycle de fonctionnement : manuel ou
automatique
b) Nécessité d’ajout d’un nouveau GRAFCET qui tient compte du « conduit système :
GRAFCET conduit et sécurité » en mode automatique ou manuel.
c) Remise en fonctionnement des capteurs suivants et qui étaient hors programme
Sachant qu’ils sont très importants dans la garantie de la continuité et l’alignement
des rangées de carreaux alimentant le four (6 carreaux par rangée) :
 C9-C10 : capteurs de présence des carreaux se trouvant au-dessus de convoyeur 3
 C5 : capteur de présence des carreaux se trouve au-dessus de convoyeur 1
 C6-C7 : capteurs de présence des carreaux se trouvant au-dessus de convoyeur 2
Remarque : Ces capteurs sont mis hors programme par négligence et dans le but de
réaliser des économies d’argent et de temps de maintenance et de dépannage choses qui
ne sont pas vraies.
d) Nécessité de tenir compte dans le GRAFCET (GRAFCET manuel et automatique
page 28) des fonctions des capteurs C5, C6, C7, C9 et C10 réintroduits dans le
programme.
e) Organiser le défilement des rangées des carreaux en fixant une temporisation entre
chaque rangée el la suivante sachant que ce défilement est à présent aléatoire.
f) Possibilité de varier la vitesse des 4 moteurs par interface graphique qui envoie un
signal numérique vers le module CNA de l’automate et qui à son tour envoie un
signal analogique approprié (généralement de 0 à 10V) vers le variateur du moteur
correspondant.
g) Comptage du nombre de carreaux à l’entrée four en utilisant les impulsions reçues des
capteurs déjà installés sur les convoyeurs d’amenées des carreaux au four.
SFP : Etude et supervision d’une chaine d’alimentation four par des carreaux de céramique
Réalisé par :Mohsen Sadok (L3 AII) ISET RADES : département GE
27
h) Apporter des sécurités supplémentaires au fonctionnement de la chaine (par exemple
arrêt de toute la chaine en cas de défaillance d’un des moteurs, déclencher une alarme
sonore et visuelle lorsque l’eau dans le réservoir atteint un niveau critique…)
i) Installer un capteur ultrason (analogique) pour la détection de niveau d’eau dans le
réservoir à la place du capteur mécanique de niveau d’eau (flotteur mécanique).
j) Installer une électrovanne à commande analogique pour commander le remplissage du
réservoir.
Nouveau cycle de fonctionnement :
1) Cycle de fonctionnement de la chaine proposé:
 Appuis sur le bouton « Start » et la détection de présence d’une range entière des
carreaux par les capteurs C3 et C5 (front montant) (permet de réaliser
l’amélioration c (-voir paragraphe 2.3)
 Démarrage de moteur M2
 Attendre 2 secondes (pour séparer et laisser une distance entre un carreau et un
autre
 Démarrage ensuite de moteur M1
 Jusqu’à C1 égale le nombre des carreaux configurer avec l’enclenchement de C6
(front montant)
 Arrêt de moteur M1 pour 4 seconds afin de séparer chaque 6 carreau
 Redémarrage de M1 jusqu’à l’arriver au capteur C2
 Sortie de vérin V et moteur M3 pour déplacer les 6 carreaux longitudinal vers le
convoyeur perpendiculaire
 Enclenchement de C8 (fin de course pour vérin v) et C9 (front montant) et C10
(front descendant)
 Démarrage de moteur M4 jusqu’à C11 détecter
 Retour de vérin v
 Fin de cycle
Nouveau éléments Entrer/sortie
ENTRER
AU Bouton d’Arrêt d’urgence
Auto/man Sélecteur de cycle automatique ou manuel
Start Bouton poussoir « marche »
SFP : Etude et supervision d’une chaine d’alimentation four par des carreaux de céramique
Réalisé par :Mohsen Sadok (L3 AII) ISET RADES : département GE
28
Sortie
H1 Voyant d’initialisation
H2 Voyant cycle automatique
H3, arrêt Voyant arrêt d’urgence
M1 Moteur triphasé convoyeur 1
M2 Moteur triphasé convoyeur 2
M3 Moteur triphasé convoyeur 3
M4 Moteur triphasé convoyeur 4
V Vérin simple effet « monter convoyeur 3 »
Tableau 5:les nouveaux éléments d'entrées/sorties
Grafcet conduit et sécurité proposer
Le sélecteur AUTO/MAN permet à l’utilisateur
de choisir le mode de fonctionnement, soit
automatique ou manuelle.
L’appui sur le bouton « AU » arrête d’urgence
provoque l’arrête de système et l’activation de
l’étape x100.
Equations des étapes X100, X200, X300
stop Bouton poussoir « arrêt »
Reset Bouton poussoir « initialisation de système »
C3, C5 Capteur capacitif « présence de carreau convoyeur 1 »
C1 Capteur capacitif « compte le nombre de carreau »
C6 Capteur capacitif « fin de convoyeur 1 »
C7, C2 Capteur capacitif « début de convoyeur 3 »
C8 Capteur de fin de course « sortie de vérin »
C9, C10 Capteur capacitif « début de convoyeur 4 »
C11 Capteur capacitif « fin de cycle »
Figure
24:GRAFCET
conduit et sécurité
SFP : Etude et supervision d’une chaine d’alimentation four par des carreaux de céramique
Réalisé par :Mohsen Sadok (L3 AII) ISET RADES : département GE
29
GRAFCET manuel proposé Grafcet automatique proposé
Les équations des étapes X1, X3, X6 de GRAFCET automatique
X1=X0.C3.C5 .Stop. Start+X2.X1
X3=X2.C1 .C6 .Stop + X4.X3
X6=X5.C8.C9 .C10 .Stop+X0.X6
Les équations des étapes X2, X3, X5 de GRAFCET manuel
X2=X1.T1.Stop.Start+X3.X2
X3=X2.C1.C6 .Stop.Start+X4.X3
X5=X4.C2.C7.Stop.Start+X6.X5
Figure 25:GRAFCET manuel proposée
Figure 26:GRAFCET
automatique proposé
SFP : Etude et supervision d’une chaine d’alimentation four par des carreaux de céramique
Réalisé par :Mohsen Sadok (L3 AII) ISET RADES : département GE
30
2) Améliorations pour le réservoir :
Nous avons introduit une électrovanne et un capteur ultrason au réservoir afin de rendre la
procédure de remplissage d’eau de ce réservoir (fig.27) plus stable, précise et contrôlable
automatiquement par une API. Donc la démarche suivante explique la procédure de
remplissage :
Légende :
LT101 : Transmetteur de niveau du réservoir
LIC101 : Contrôleur de niveau d’eau
LCV101 : Vanne de contrôle de niveau dans le réservoir
HV102 : Vanne de régulation manuelle de réservoir
IV. Initiation à TIA PORTAL
(Voir annexe 3)
V. Programmation :
1) Système chaine :
Après avoir créé les équations des étapes de GRAFCET conduit, sécurité, automatique et
manuel on a traduit ses équations en LADDER. Exemple LADDER des étapes X3et X5.
1
• Arrivée de l'eau depuis la SONEDE
vers le motopompe
2
• pompage de l'eau vers le réservoir à
l'intermédiaire de la vanne LCV101
3
• lecture du niveau d'eau par le capteur
ultrason LT101
4
• Ecoulement de l'eau vers la mélangeur
de barboutine en utilisant la vanne
HV102
5
• traitement des données par l'automate
Figure 27:procedure de
remplissage
SFP : Etude et supervision d’une chaine d’alimentation four par des carreaux de céramique
Réalisé par :Mohsen Sadok (L3 AII) ISET RADES : département GE
31
Affectation des sorties : exemple le moteur M3 et le vérin V
Pour simuler les entrées physiques de système sur l’interface de visualisation on a créé
des variables mémento liées aux entrées physiques de l’API. Exemple C2 est un capteur
physique réel et son mémento est E C2 (capteur virtuel se trouvant dans l’interface)…
Ainsi les sorties physique de l’API sont liées aux mémentos afin de visualiser l’état réel
de chaque sortie physique. Exemple pour la visualisation de voyant H1 (réel) on a ajouté
le mémento M H1 d’adresse M7.0 sur l’interface en parallèle avec ce voyant.
Exemple des variables et leur mémento correspondant sur notre application de
supervision :
Type Variables physique
réel
Variables correspondant
sur interfaces (mémento)
Variables
résultants
entré Stop E Stop S Stop
entré Reset E Reset S Reset
entré AU E AU S AU
entré C1 E C1 S C1
entré C8 E C8 S C8
sortie M1 M M1 M M1
sortie V M V MV
Tableau 6:varibles et leur mémento
SFP : Etude et supervision d’une chaine d’alimentation four par des carreaux de céramique
Réalisé par :Mohsen Sadok (L3 AII) ISET RADES : département GE
32
Table des variables : elle contient 135 variables :
Table d’affectation : La table d’affectation
est très utile pour connaître les entrées,
sorties, mémoires déjà utilisées.
Tableau 7:variables du système
SFP : Etude et supervision d’une chaine d’alimentation four par des carreaux de céramique
Réalisé par :Mohsen Sadok (L3 AII) ISET RADES : département GE
33
Blocs des programmes : L’automate met à disposition différents types de blocs qui
contiennent les programmes et les données correspondants. Selon les exigences et la
complexité du processus, il est possible de structurer le programme en différents blocs :
OB, FB et FC (fig.28).
OB : bloc d’organisation : Les OB sont appelés par le système d’exploitation en liaison
avec l’événement d’exécution du programme.
FC : fonction : Ce sont des blocs de code sans mémoire
FB : bloc fonctionnel : Ce sont des blocs de code qui
mémorisent durablement leurs paramètres d'entrée/sortie
dans des blocs de données.
DB : bloc de donner : Les blocs de donnée (DB) sont des
zones données du programme utilisateur qui contiennent des données
utilisateur.
Notre programme contient 4 blocs : (fig.28)(fig.29)
 Main(OB1) : contient le programme principal
 Auto(FC1) : contient le mode automatique
 MAN(FC2) : contient le mode manuel
 VARIATION VITESSE(FC3) : contient la commande des
variateurs des vitesses.
 CYC-INT5(OB35) : contient le programme de procédure de
remplissage de réservoir.
On fait l’appel au bloc AUTO (FC1), MAN(FC2), VARIATION DE VITESSE(FC3)
(fig.30) dans le bloc Main(OB1) d’exécution cyclique du programme et l’affectation des
sorties. Il contient 31 réseaux.
Figure 28:blocs de
programme
Figure 30:appel de blocs
Figure 29:les éléments de programme
SFP : Etude et supervision d’une chaine d’alimentation four par des carreaux de céramique
Réalisé par :Mohsen Sadok (L3 AII) ISET RADES : département GE
34
Le bloc AUTO(FC1) assure l’enchainement de système sans présence de l’opérateur, il
contient 12 réseaux.
Le comptage des carreaux se fait en intégrant deux décompteurs :
 Décompteur SIMATIC (comptage de 6 carreaux dans la rangée) (fig.31)
Quand l'état logique passe de "0" à "1" à l'entrée
"s c1" (front montant) et que la valeur de
comptage actuelle est supérieure à "0", elle est
décrémentée de un. Si l'état logique à l'entrée
"X0" passe de "0" à "1", la valeur de comptage
prend la valeur de l'opérande "NB CARREAU".
" La valeur de comptage est remise à zéro quand
l'opérande "X4"ou S RESET est à l'état logique
"1".
Variable de décompteur :
 Compteur CTU (comptage de nombre de
carreaux total fabriqué) (fig.32)
Description et graphique du compteur CTU
- CU : Entrée de comptage, lorsque l’état logique de
l’entrée CU passe de l’état 0 à l’état 1 (front montant), le
compteur est incrémenté de 1.
- R : Entrée reset, lorsque l’état logique de l’entrée R passe de l’état 0
à l’état 1, la valeur du compteur est forcée à 0 quelle que soit l’état de
l’entrée CU.
- PV : Réglage de la valeur du compteur.
- CV : Mot de mémento pour l’affichage de la valeur du compteur ou l’utilisation de la
valeur du compteur ailleurs dans le programme.
-Q: Q est à l’état logique 1 si la valeur de comptage actuelle (CV) est égale ou supérieure
à la valeur allouée à l’entrée PV. (CV≥PV)
Remarque : Le compteur CTU ne dispose pas de l’entrée LD (LOAD).
Attention !
Souvent, lorsque l’on transfert dans l’API un nouveau bloc fonctionnel système (SFB) on
oublie de transférer son bloc de donnée d’instance, ceci a pour effet de mettre l’API en
STOP, on peut utiliser un grand nombre de compteurs. Cependant il faut à chaque fois
Paramètre Déclaration Type de données Description
CD S C1 BOOL Capteur de présence carreaux
S X0 BOOL Initialisation de compteur
PV NB carreau WORD Nombre des carreaux chargés
R X4 +S reset BOOL Entrée de réinitialisation
CV Cv compt WORD Valeur de comptage actuelle
(hexadécimale)
Q sortie BOOL Etat du compteur
Tableau 8:variable de décompteur
Figure 31:décompteur Simatic
Figure 32:compteur CTU
SFP : Etude et supervision d’une chaine d’alimentation four par des carreaux de céramique
Réalisé par :Mohsen Sadok (L3 AII) ISET RADES : département GE
35
leur assigner un DB différent ! On peut visualiser les DB créés, lors des appels des SFB,
dans TIA Portal sous le menu déroulant « Blocs de programme »
En générale le logiciel TIA met à disposition trois types de compteur :
Compteur (CTU : Compteur UP)
Décompteur (CTD : Compteur DOWN)
Compteur/Décompteur (CTUD : compteur UP/DOWN)
Si le nombre de carreaux compté est égale au nombre désiré, le moteur M1 attend une
durée configurée en secondes avant qu’il redémarre à nouveau c’est pourquoi un
temporisateur est ajouté à notre programme.
Temporisateur Ton :
La sortie de cette temporisation passe à « 1 » après une durée définie pour autant que son
entrée soit toujours à « 1 ». Aussitôt que l’entrée revient à « 0 », la sortie revient à
« 0 ».L’équivalent de cette temporisation est le relais temporisé à l’enclenchement.
Remarque :Lorsqu’une coupure de tension se produit lors de l’écoulement du temps, le
temps restant est sauvegardé, puis reprendra au retour de la tension pour autant que les
entrées IN et EN soient toujours à 1.
*ET = Elapse Time (Temps écoulé).
De même que Ton, TIA PORTAL offre autres
types de temporisateurs comme
Toff ,Tpulse qui sont couramment utilisées.
(Voir annexe 4)
Le contenue du bloc MAN(FC2) est le même que le bloc AUTO(FC1) mais en ajoutant la
condition bouton Start (doit être activé) pour passer d’une étape à un autre.
la variation de vitesse se fait au niveau du bloc VARIATION VITESSE(FC3) qui traite
les informations reçues du capteur de vitesse ou de simulateur de capteur de vitesse citués
à l’interface de visualisation , puis l’envoyer vers les variateurs de vitesses pour chaque
moteur.
Figure 33:chronogramme de compteur
SFP : Etude et supervision d’une chaine d’alimentation four par des carreaux de céramique
Réalisé par :Mohsen Sadok (L3 AII) ISET RADES : département GE
36
Il y a different type de capteur de vitesse comme les codeurs de rotation , les capteur
analogiques , capteur à impulsion mais dans notre cas le capteur utilisé est un capteur
analogique car il est installé sur chaque moteur.
D’après l’association française de normalisation AFNOR un capteur analogique émet à
sa sortie un signal analogique qui varie de 0 à 10 VDC ou de -10VDC à + 10VDC ou de
0 à 20 mA ou de 4 à 20 mA, notre capteur émet à sa sortie un courant analogique variant
de 4 à 20 mA.
Remarque : ce capteur de vitesse doit être relié au module d’entrée/sortie analogique de
l’automate.
L’automate n’est pas capable d’interpréter un signal analogique c’est pour cela
le« Convertisseur A/N » est intégré dans le module analogique permettant de convertir
ce signal analogique en un signal numérique.
Les codes numériques sont nécessaires pour les rendre compréhensibles par le
programme d’un API. Le nombre de bit d’un convertisseur A/N défini le nombre de
codes numériques possibles et par conséquent sa résolution et donc la qualité du signal
converti.
Nous pouvons utiliser les blocs de conversion « mise à l’échelle » « SCALE » pour
mettre à l’échelle des valeurs analogiques. Ces blocs se trouvent dans le catalogue des
« instruction de base » à la rubrique « conversion ».
Pour le traitement des valeurs analogiques reçues des capteurs, les types de
données INT et REAL jouent un rôle important. En effet, les valeurs analogiques sont
présentes sous forme d'entiers au format INT et du fait des erreurs d'arrondi que l'on
rencontre avec INT, seuls les nombres à virgule flottante de type REAL sont utilisables
pour assurer un traitement précis.
Tableau 9:éléments de SCALE
SFP : Etude et supervision d’une chaine d’alimentation four par des carreaux de céramique
Réalisé par :Mohsen Sadok (L3 AII) ISET RADES : département GE
37
La valeur entière (INT) appliquée à l’entrée est comprise entre 0 et 27648(si la plage de
mesure est unipolaire). Cette valeur INT de 27648 correspond à la valeur nominale d’un
courant de 20 mA et la valeur 0 à celle d’un courant de 0 mA.
Remarque : La valeur 27648 a simplement été sélectionnée en tant que valeur de la plage
normale maximale de tout signal analogique transféré à la CPU par un module analogique
Siemens. Cette valeur numérique est indépendante
de la résolution du module particulier analogique
utilisé (ce qui est une façon de normaliser tous les
redimensionnements des lectures analogiques dans
le processeur).
après la lecture et le traitement de valeur de vitesse
de moteur , une commande numerique à virgule
flottant compri entre 0 te 100 qui correspond au 0
tr/min et 3000 tr/min doit etre envoyeé au variateur
de vitesse afin de changer la vitesse de chacue
moteur ce pour cela on a on utilisé l’operation
« annuler la mise à l’echelle » ce qui est operation inverse
de SCALE autrement dit c est UNSCALE (fig.35)
Avec l'instruction "Annuler mise à l'échelle", nous annulons la mise à l'échelle en unités
physiques entre une valeur limite inférieure et une valeur limite supérieure du nombre à
virgule flottante au paramètre IN et nous le convertissons en nombre entier puis il est
converti en un courant analogique variant entre 4 à 20mA à l’aide de moduel
d’entré/sortie analogique afin d étre envoyé vers le variateur de vitesse de moteur.
L'instruction "Annuler mise à l'échelle" utilise l'équation suivante :
OUT = [ ((IN–LO_LIM)/(HI_LIM–LO_LIM)) ∗ (K2–K1) ] + K1
Les valeurs des constantes "K1" et "K2" sont déterminées par l'état logique du paramètre
BIPOLAR. Le paramètre BIPOLAR peut prendre les états logiques suivants :
 Etat logique "1" : on suppose que la valeur du paramètre IN est bipolaire et se
situe dans une plage de valeurs allant de -27648 à 27648. Dans ce cas, la
constante "K1" a la valeur "-27648,0" et la constante "K2" à la valeur "+27648,0".
 Etat logique "0" : on suppose que la valeur du paramètre IN est unipolaire et se
situe dans une plage de valeurs allant de 0 à 27648. Dans ce cas, la constante
"K1" a la valeur "0,0" et la constante "K2" la valeur "+27648,0".
Tableau 10:représentation des
valeurs analogiques
Figure 34:UNSCALE
SFP : Etude et supervision d’une chaine d’alimentation four par des carreaux de céramique
Réalisé par :Mohsen Sadok (L3 AII) ISET RADES : département GE
38
Paramètre Déclaration Type de
données
Description
EN BOOL Entrée de validation
ENO BOOL Sortie de validation
IN Control speed REAL Valeur d'entrée dont la mise à l'échelle doit être
annulée pour obtenir une valeur entière
HI_LIM 100 REAL Valeur limite supérieure
LO_LIM 0 REAL Valeur limite inférieure
BIPOLAR bipolaire BOOL Indique si la valeur du paramètre IN est interprétée
comme bipolaire ou unipolaire. Ce paramètre peut
prendre les valeurs suivantes :
1: bipolaire
0: unipolaire
OUT SM vitesse INT Résultat de l'instruction
RET_VAL Erreur unscal WORD Informations d'erreur
Tableau 11:variable d'UNSCALE
L'opération MOVE est très utile afin d'échanger les
données avec l’interface de visualisation ainsi
l’affectation de la sortie analogique ,elle permet de
copier un nombre vers un autre. Il est possible de
copier une entrée vers une sortie, une entrée vers une
mémoire, une mémoire vers une sortie ou encore une
mémoire vers une mémoire.
Remarque : Il n’est pas possible de copier un nombre
d’une taille plus grande que la mémoire de
destination.
Exemple : Le transfert de IW0 => MB10 n’est par
exemple pas possible !
Figure 35:operation move
SFP : Etude et supervision d’une chaine d’alimentation four par des carreaux de céramique
Réalisé par :Mohsen Sadok (L3 AII) ISET RADES : département GE
39
2) le reservoire d’eau :
Pour rendre la procédure de remplissage de
réservoir d’eau automatisé on a ajouté dans
notre programme un régulateur PID qui sert à
régler le niveau d’eau dans le réservoir de
manière automatique.
Ce régulateur PID est intégré dans
l’automate SIEMENS. Sa méthode de travail
se base sur l'algorithme PID du régulateur
d'échantillonnage à sortie analogique.
L'instruction CONT_C sert à la régulation de
processus de remplissage de réservoir. En
paramétrant ce bloc, nous pouvons activer ou
désactiver des fonctions partielles du
régulateur PID afin de l'adapter au système
réglé. En complément des fonctions de la
branche de consigne et de mesure,
l'instruction réalise un régulateur
PID opérationnel doté d'une sortie continue
pour contrôlé l’électrovanne .de plus il est
possible de modifier manuellement la valeur
de réglage en activant la bite « MAN_ON »et
on ajustant le paramètre d’entré « MAN »
Table de variable :
Tableau 12:variables de PID
Figure 36:regulateur PID
SFP : Etude et supervision d’une chaine d’alimentation four par des carreaux de céramique
Réalisé par :Mohsen Sadok (L3 AII) ISET RADES : département GE
40
Schéma fonctionnel du régulateur :
Paramètres d'entrée de régulateur CONT_C :
Paramètre Type de
données
déclaration Description
COM_RST BOOL FALSE L'instruction possède une routine d'initialisation qui est
exécutée quand l'entrée "Démarrage" est à 1.
MAN_ON BOOL manon La mise à 1 de l'entrée "activation du mode manuel"
interrompt la boucle de régulation. C'est une valeur
manuelle qui est introduite comme valeur de réglage.
P_SEL BOOL P sel Dans l'algorithme PID, les actions PID peuvent être
activées et désactivées individuellement. L'action P est
active quand cette entrée est à 1.
I_SEL BOOL I sel Dans l'algorithme PID, les actions PID peuvent être
activées et désactivées individuellement. L'action I est
active quand cette entrée est à 1.
Figure 37:Schéma fonctionnelle du régulateur
SFP : Etude et supervision d’une chaine d’alimentation four par des carreaux de céramique
Réalisé par :Mohsen Sadok (L3 AII) ISET RADES : département GE
41
D_SEL BOOL S sel Dans l'algorithme PID, les actions PID peuvent être
activées et désactivées individuellement. L'action D est
active quand cette entrée est à 1.
CYCLE TIME T#100ms Le temps entre deux appels du bloc doit être constant. Il est
indiqué par cette entrée.
CYCLE >= 1ms
SP_INT REAL Set point L'entrée "consigne interne" permet de spécifier une
consigne.
Les valeurs autorisées sont comprises entre 0et 100
PV_IN REAL Hmi entré ana Entré de capteur ultrason.
Les valeurs comprises entre 0 et 100
MAN REAL manuel Cette entrée sert à introduire une valeur manuelle
Les valeurs sont comprises entre et 100
GAIN REAL gain L'entrée "Coefficient d'action proportionnelle" indique le
gain du régulateur.
TI TIME ti L'entrée "Temps d'intégration" détermine la réponse
temporelle de l'intégrateur.
TI >= CYCLE
TD TIME td L'entrée "Temps de dérivation" détermine la réponse
temporelle du dérivateur.
TD >= CYCLE
LMN_HLM REAL Lmn h La valeur de réglage possède toujours une limite supérieure
et inférieure. L’entrée "Limitation supérieure de la valeur
de réglage" indique sa limitation supérieure.
LMN_LLM REAL Lmn l La valeur de réglage possède toujours une limite supérieure
et inférieure. L’entrée "Limitation inférieure de la valeur de
réglage" indique sa limitation inférieure.
Tableau 13:Paramètres d'entrée de régulateur
Paramètres de sortie de régulateur CONT_C :
Paramètre Type de
données
Valeur par
défaut
Description
LMN REAL lmn Valeur de sortie de correcteur qui commande
l’electrovanne analogique
Tableau 14:Paramètres de sortie de régulateur
Remarque : L'instruction CONT_C dispose d'une routine d'initialisation exécutée
lorsque le paramètre d'entrée COM_RST = TRUE. Au moment de l'initialisation,
SFP : Etude et supervision d’une chaine d’alimentation four par des carreaux de céramique
Réalisé par :Mohsen Sadok (L3 AII) ISET RADES : département GE
42
l'intégrateur est mis sur la valeur I_ITVAL. Toutes les autres sorties sont mises à zéro.
Après exécution de la routine d'initialisation, il faut mettre COM_RST = FALSE.
Très important : Les valeurs des blocs de régulation ne sont
calculées correctement que si le bloc est appelé à intervalles réguliers.
C'est pourquoi il convient d'appeler les blocs de régulation dans un
OB d'alarme cyclique (OB 30 à OB 38). Vous spécifiez le temps
d'échantillonnage au paramètre CYCLE.
Remarque : Lorsque nous appelons l'instruction CONT_C comme
DB multi instance, un objet technologique n'est pas créé. Nous ne
disposons pas d'une interface de paramétrage et de mise en service. Nous devons
paramétrer CONT_C directement dans le DB multi instance et le mettre en service via
une table de visualisation (fig.38)
Figure 38:visualisation des paramètres de PID
SFP : Etude et supervision d’une chaine d’alimentation four par des carreaux de céramique
Réalisé par :Mohsen Sadok (L3 AII) ISET RADES : département GE
43
VI. Câblage :
1) Câblage de module d’entré :
2) Câblage de module de sortie :
Figure 29:cablage des éléments
des sorties
SFP : Etude et supervision d’une chaine d’alimentation four par des carreaux de céramique
Réalisé par :Mohsen Sadok (L3 AII) ISET RADES : département GE
44
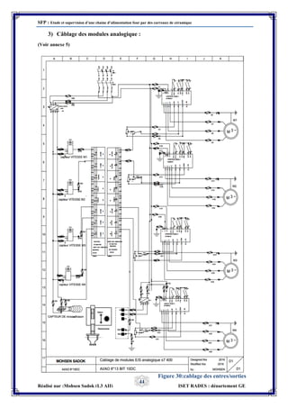
3) Câblage des modules analogique :
(Voir annexe 5)
Figure 28 : câblage des entrés
Figure 30:cablage des entres/sorties
analogique
SFP : Etude et supervision d’une chaine d’alimentation four par des carreaux de céramique
Réalisé par :Mohsen Sadok (L3 AII) ISET RADES : département GE
45
VII. Etude économique :
Les équipements nécessaires pour réaliser notre projet et qui n’existent pas dans le
magasin des pièces d’échanges de l’usine sont : une API S7-416-3, un capteur ultrason
analogique de niveau d’eau pour le réservoir et une électrovanne à commande
analogique.
Prix de l’API s7-416-3PN/DP 6499 eur
Prix de l’électrovanne analogique 79.9eur Prix de capteur ultrason Siemens 90eur
Prix totale des équipements sera 6668.9 euro
VIII. Conclusion :
Le TIA Portal (Totally Integrated Automation portal) optimise l’ensemble des
procédures au niveau planification, machine et processus. Son interface utilisateur
intuitive, ses fonctions simples et sa transparence totale des données le rendent
extrêmement convivial ce qui rendra la programmation de notre projet très facile.
SFP : Etude et supervision d’une chaine d’alimentation four par des carreaux de céramique
Réalisé par :Mohsen Sadok (L3 AII) ISET RADES : département GE
46
Chapitre 3 : supervision
Objectif :
 Présentation de LabVIEW
 Présentation des protocoles de communication avec LabVIEW
 présentation des interfaces de notre application de supervision
SFP : Etude et supervision d’une chaine d’alimentation four par des carreaux de céramique
Réalisé par :Mohsen Sadok (L3 AII) ISET RADES : département GE
47
I. Introduction
Dans ce chapitre on présente les interfaces graphiques de supervision réalisées par le
logiciel LABVIEW avec lequel nous pouvons visualiser et contrôler les paramètres de
système.
II. Le logiciel LABVIEW :
1) Introduction a LabVIEW :
(Contraction de Laboratory Virtual Instrument Engineering Workbench) est le cœur
d’une plate-forme de conception de systèmes de mesure et de contrôle, basée sur un
environnement de développement graphique de National Instruments. Le langage
graphique utilisé dans cette plate-forme est appelé « G ». Créé à l’origine sur Apple
Macintosh en 1986, LabVIEW est utilisé principalement pour la mesure par acquisition
de données, pour le contrôle d’instruments et pour l’automatisme industriel. La plate-
forme de développement s’exécute sous différents systèmes d’exploitation comme
Microsoft Windows, Linux et Mac OS X. LabVIEW peut générer du code sur ces
systèmes d’exploitation mais également sur des plates-formes temps réel, des systèmes
embarqués ou des composants reprogrammables FPGA. La dernière version de
LabVIEW est sortie en août 2015. Le diagramme de LabVIEW est lié à une interface
utilisateur graphique nommée face-avant. Les programmes et sous-programmes sous
forme d’icônes sont appelés des instruments virtuels (VI) et les fichiers source enregistrés
sur disque ont l’extension de nom de fichier .VI.
2) Objectif de l’interface LabVIEW
Dans ce projet, on utilise LABVIEW qui consiste à :
- contrôler et surveiller notre système.
-Représenter les données acquises par des graphes.
-Conserver ces données en fichier lorsque l’application est fermée
-Gestion des utilisateurs de l’application LABVIEW.
- Le nombre d’heure de fonctionnement du système
- La consommation énergétique de chaque moteur et du système total
-Calculer le prix de l’énergie consommée par le système en temps réel.
-modifier le paramètre de correcteur PID (pour le réservoir)
- Gestion des alarmes du système
3) Modules LabVIEW nécessaires :
Pour mener à ce travail on doit ajouter des toolkits LabVIEW qui sont distribués
séparément :
 Real Time : module pour la programmation temps-réel
 Datalogging and Supervisory Control : pour le développement de superviseur
pour les automates programmables industriels (Siemens, Télémécanique,
Mitsubishi...)
 Touch Panel : gestion avancée des écrans tactiles
SFP : Etude et supervision d’une chaine d’alimentation four par des carreaux de céramique
Réalisé par :Mohsen Sadok (L3 AII) ISET RADES : département GE
48
 NI OPC SERVER : assure la connectivité à une grande variété de dispositifs
d'automatisation industrielle et réseau industriel
 PID control and fuzzy logic : toolkit pour la régulation PID et logique floue
4) Constitutions de notre projet LabVIEW
La fenêtre ci-contre présente les éléments de notre projet LabVIEW crée :
III. Communication avec LABVIEW :
Pour échanger les donner d’une manière synchronisée entre l’API et LABVIEW il faut un
server et un client ce pour cela il existe NI OPC SERVER (fig.39).
NI OPC SERVER : OPC est une interface standard pour communiquer entre de
nombreuses sources de données, du matériel de laboratoire, les appareils du système de
test, et les bases de données. Pour atténuer les efforts de duplication dans l'élaboration de
protocoles spécifiques à l'appareil, éliminer les incohérences entre les périphériques,
fournir un soutien pour les modifications des fonctionnalités du matériel, et d'éviter les
conflits d'accès dans les systèmes de contrôle industriel, la Fondation OPC a défini un
ensemble d'interfaces standard qui permettent à tout client d'accéder à un OPC- appareil
compatible. La plupart des fournisseurs de dispositifs d'acquisition et de contrôle des
données industrielles, telles que les automates Programmables (PLC) et des contrôleurs
d'automatismes programmables (PAC), sont conçus pour fonctionner avec la norme OPC
Fondation.
SFP : Etude et supervision d’une chaine d’alimentation four par des carreaux de céramique
Réalisé par :Mohsen Sadok (L3 AII) ISET RADES : département GE
49
NI OPC SERVER communique avec l’API d’une manière indirecte à l’intermédiaire de
logiciel NetToPLCsim (fig.40).
NetToPLCsim : NetToPLCsim nous permet d'utiliser la communication réseau avec le
PLC-Simulation S7-PLCSIM, en utilisant l'interface réseau de l'ordinateur TCP/IP sur
lequel la simulation est en cours d'exécution. Par exemple, nous pouvons tester notre
application client avec S7-PLCSIM, sans un automate réel(PLC).
NetToPLCsim supporte la plupart des fonctions qui sont prises en charge par S7-
PLCSIM, comme:
 Variable : lecture et l'écriture des zones de données
 Bloquer de service : téléchargement du programme, bloc de programme en ligne.
 Bloquer les messages spécifiques avec Alarme.
Figure 39:NI OPC SERVER
SFP : Etude et supervision d’une chaine d’alimentation four par des carreaux de céramique
Réalisé par :Mohsen Sadok (L3 AII) ISET RADES : département GE
50
1. Nom unique pour la station
2. Adresse IP de l'interface LAN où ce
serveur doit être accessible
3. Adresse IP de l'PLC Sim
4. Rack / position de l'emplacement de
la CPU il est possible de se connecter à
TIA-Portal PLCSIM pour 1200/1500
CPU
5. Si cette option est cochée les TSAP-
paramètres de côté client et le rack / Slot
doivent être compatibles
Très important : il faut Démarrez
Nettoplcsim avec les droits
administratifs, et si un message
apparaisse qui contient « GET PORT
102 » choisi oui.
Port 102 : port de communication
standard pour les API SIEMENS via
TCP/IP
Le protocole Ethernet TCP/IP conçu pour l’échange de données entre PLC Sim ---
Nettoplcsim et Nettoplcsim---NI OPC SERVER
IV. Les protocoles de communication :
1) TCP/IP :
Le protocole Ethernet TCP/IP s’est aujourd’hui imposé comme standard utilisé dans
l’industrie. Il est conçu pour l’échange de données dans un réseau local (LAN) et peut
également communiquer avec d’autres réseaux ainsi qu’avec Internet. Pour
l’identification des abonnés du réseau, une adresse IP univoque est attribuée à chaque
station d’abonné.
Figure 40:NETtoPLCsim
SFP : Etude et supervision d’une chaine d’alimentation four par des carreaux de céramique
Réalisé par :Mohsen Sadok (L3 AII) ISET RADES : département GE
51
PLC Sim (v5.4) est une automate virtuel (comme WINPLC ENGINE) de SIMATIC pour
la simulation de API SIEMENS seulement S7-300 et S7-400. La communication avec le
programme crée par TIA PORTAL se fait via le PROFINET (fig41).
2) Profinet :
Représente une extension d’Ethernet TCP/IP et permet de
communiquer jusqu’au niveau de terrain. Complété d’un
protocole industriel, Ethernet classique a fait l’objet de
nouveaux développements qui ont abouti au protocole
PROFINET (PROcess Fields EtherNET). Les données des
applications en temps réel standard sont transférées avec le
protocole standard TCP/IP. Grâce au protocole
supplémentaire (protocole industriel), les données d’entrée et
de sortie peuvent être traitées beaucoup plus rapidement, le
Profinet est de ce fait capable de traiter les données en temps
réel.
3) Communication wifi avec Tablette :
Avec NI OPC SERVER on peut également communiquer LabVIEW avec un smartphone
ou une Tablette via le wifi en utilisant l’application Android DATADASHBORD qui
nous permet de crée des interfaces graphique afin de superviser un système automatique.
Ce pour cette raison on a créé les interfaces suivantes de notre projet :
Figure 41:configuration Profinet
Figure 44:iterface pour controle
du vitesse des moteurs
Figure 42:interface pour
simulation des capteurs de la
vitesse
Figure 43:interface principale
pour contrôle du systeme
SFP : Etude et supervision d’une chaine d’alimentation four par des carreaux de céramique
Réalisé par :Mohsen Sadok (L3 AII) ISET RADES : département GE
52
4) Synoptique de communication :
SFP : Etude et supervision d’une chaine d’alimentation four par des carreaux de céramique
Réalisé par :Mohsen Sadok (L3 AII) ISET RADES : département GE
53
V. Interfaces de l’application :
Interface 1 : « USER »
Pour la gestion d’utilisateur,
nous avons créé seulement
deux utilisateurs :
 Mohsen
 Cortex
Interface 2 : « Supervision de
système » :
Supervision de chaine d’entrer
four.
Interface 3 : « contrôle »
 visualisation et suivie d’étapes
de système
 Test et simulation des capteurs
de système
Interface 4 : « Moteurs »
 Contrôle la vitesse de
chaque moteur triphasé de
système.
 Simulation des capteurs de
vitesse lie au rotor de
chaque moteur.
 Alarme est déclencher si
un moteur tombe en panne
SFP : Etude et supervision d’une chaine d’alimentation four par des carreaux de céramique
Réalisé par :Mohsen Sadok (L3 AII) ISET RADES : département GE
54
Interface 5 : « Energie » :
 la consommation
d’énergie pour chaque moteur
 le temps de
fonctionnement
 choix d’unité d’énergie
soit en joule ou en w/h
Interface 6 : « Statistique » :
 la durée totale de
fonctionnement de
notre système
 énergie totale
consommé par notre
système avec prix en
DT
 nombre de panne
pour chaque moteur
Interface 7 : « PID RES » :
 supervision de réservoir d’eau
 contrôle de vanne LCV101
automatique ou manuelle
 choix de PID LabVIEW ou
PID API
 Simulation d’un réservoir
virtuel
 Alarme de niveau critique de
réservoir d’eau.
Interface 8 : « INFO » :
Contient des informations
supplémentaires sur notre
projet :
 Titre
 Société
 Encadreur
 Etudient
 Parcoure
SFP : Etude et supervision d’une chaine d’alimentation four par des carreaux de céramique
Réalisé par :Mohsen Sadok (L3 AII) ISET RADES : département GE
55
1) Interface principale :
SFP : Etude et supervision d’une chaine d’alimentation four par des carreaux de céramique
Réalisé par :Mohsen Sadok (L3 AII) ISET RADES : département GE
56
Diagramme de cas d’utilisation
2) Interface USER :
Si le nom d’utilisateur et mot de passe sont correcte un message apparaisse dans le champ
USERNAME « valide » et l’indicateur REMEBRE ME va s’allumer en vert.
Diagramme d’utilisation :
SFP : Etude et supervision d’une chaine d’alimentation four par des carreaux de céramique
Réalisé par :Mohsen Sadok (L3 AII) ISET RADES : département GE
57
3) Interface CONTROL :
Important : il faut activer le mode TEST pour pouvoir simuler les capteurs.
SFP : Etude et supervision d’une chaine d’alimentation four par des carreaux de céramique
Réalisé par :Mohsen Sadok (L3 AII) ISET RADES : département GE
58
Diagramme d’utilisation :
4) Interface MOTEURS :
Cette interface rend la configuration de vitesse a tous moment qui l operateur veut. La
vitesse allant de 0% à 100% ce qui correspond de 0 tr/min à 3000 tr/min.
Remarque : si le bouton n’est pas active les moteurs tourne à la vitesse
configure par défaut.
Diagramme d’utilisation :
SFP : Etude et supervision d’une chaine d’alimentation four par des carreaux de céramique
Réalisé par :Mohsen Sadok (L3 AII) ISET RADES : département GE
59
Si la vitesse de moteur choisie est différent a 0 et le bouton RUN active c’est à dire la
valeur de vitesse configurer est envoyer vers le variateur de vitesse et le capteur de
vitesse lue au rotor de cette moteur indique 4 mA au sortie qui signifie le moteur est en
arrêt ou l’arbre moteur est bloquée implique l’enclenchement d’une alarme visuelle et
sonore pour alerter l’opérateur qu’il y a un moteur en panne.
Remarque : La valeur 27648 a simplement été sélectionnée en tant que valeur de la plage
normale maximale de tout signal analogique transféré à la CPU par un module analogique
Siemens.
Cette valeur numérique est indépendante de la résolution du module particulier
analogique utilisé (ce qui est une façon de normaliser tous les redimensionnements des
lectures analogiques dans le processeur).
5) Interface Energie :
Interface pour compter l’énergie consommée par chaque moteur pendant le
fonctionnement. L'énergie électrique consommée par un appareil est égale au produit de
sa puissance P consommée par la durée t de son fonctionnement : E=P*t
La technique utilisée pour calculer la consommation d’énergie pour chaque moteur sur
LABVIEW est innovante par nous, elle est baser sur le compteur de temps seulement,
aucun équipement de comptage d’énergie utiliser.
SFP : Etude et supervision d’une chaine d’alimentation four par des carreaux de céramique
Réalisé par :Mohsen Sadok (L3 AII) ISET RADES : département GE
60
Diagramme d’utilisation :
Unités d'énergie
Unité légale d'énergie (système international)
P est exprimé en watt (W) E est exprimée en joule (J)
t est exprimée en seconde (s)
Unité usuelle d'énergie électrique
P est exprimée en watt (W) E est exprimée en watt-heure (Wh)
t est exprimée en heure (h)
1 Wh = 3600 J
SFP : Etude et supervision d’une chaine d’alimentation four par des carreaux de céramique
Réalisé par :Mohsen Sadok (L3 AII) ISET RADES : département GE
61
Très important : Notre technique est testée sur les plans réels durant une heure avec un
seul moteur triphasé en présence d’un compteur d’énergie électrique numérique portable.
La plaque signalétique de moteur testé :
Le moteur triphasé a une puissance 1500 w (indiqué sur ca plaque signalétique), coupler
en Etoile et tourne a ca vitesse nominal à vide pendant 22 minutes. A la fin de cette
expérience nous collectons le résultat.
Les résultats : le compteur d’énergie numérique indique une consommation de 553.4 w/h
par contre notre technique indique une consommation de 551.7 w/h.
Remarque : la différence entre les valeurs trouvées (1.7 w/h) à cause de l’arbre moteur
qui fait beaucoup de bruit due au frottement des roulements par suite l’augmentation de
consommation d’énergie.
Le principe de notre technique est de multiplier le temps de fonctionnement par la
puissance, ce pour cela on utiliser de compteur pour la compter les seconde de
fonctionnemnet .
SFP : Etude et supervision d’une chaine d’alimentation four par des carreaux de céramique
Réalisé par :Mohsen Sadok (L3 AII) ISET RADES : département GE
62
Ensuit cette durer de fonctionnement sera multiplier par la puissance électrique de moteur
puis on ajoute la valeur ancien d’énergie calculé s’il y a. donc on a conservé ces valeurs
même l’application est rouvert.
6) Interface statistique :
Interface pour calculer le prix d’énergie totale consommer par notre système et affiche
le nombre de pannes pour chaque moteur.
Le Nombre de carreau total est calculé à l’aide d’un compteur de l’automate. L’énergie
totale consommée est la somme d’énergie de chaque appareil électrique intégré dans le
système.
Diagramme d’utilisation:
SFP : Etude et supervision d’une chaine d’alimentation four par des carreaux de céramique
Réalisé par :Mohsen Sadok (L3 AII) ISET RADES : département GE
63
Remarque : l’arrêt de l’application ne cause pas la perte de donner, car ils sont conservé
dans un fichier :
Pour la réinitialisation, stopper l’application,
entre le code 1234 puis clique sur
Ce fichier est créé lors de
l’exécution de l’application à
l’aide des icônes LabVIEW comme :
Remarque :les donnees enregistres dans le fichier sont des chaines de caracteres donc il
est obligatoirement de les convertis en des valeur dicimales pour la manupilation puis
inversement pour l enregistrer a nouveau .
SFP : Etude et supervision d’une chaine d’alimentation four par des carreaux de céramique
Réalisé par :Mohsen Sadok (L3 AII) ISET RADES : département GE
64
7) Interface PID RES :
Diagramme d’utilisation :
L’asservissement de niveau d’eau dans le réservoir nécessite un régulateur industriel qui
permet d’effectuer un asservissement en boucle fermée ce pour cela LabVIEW dispose a
ca bibliothèque des régulateur PID des diffèrent algorithme. On a intégré PID où le
contrôle de cette PID se fait manuellement ou automatiquement.
Notre correcteur PID agit de trois manières :
Action proportionnelle : l'erreur est multipliée par un gain kC
action intégrale : l'erreur est intégrée et divisée par un gain Ti
action dérivée : l'erreur est dérivée et multipliée par un gain Td
Ces trois paramètres sont introduits par le
champ de PID :
SFP : Etude et supervision d’une chaine d’alimentation four par des carreaux de céramique
Réalisé par :Mohsen Sadok (L3 AII) ISET RADES : département GE
65
Très important : il faut appuis sur le bouton avant de valider les
paramètres de PID (KC, Ti, Td) .pour des raisons de sécurité on a créé un system virtuel
pour simulée la réponse d’un réservoir réel.
Cette système virtuel est appelée PLANT (VI de LabVIEW)
qui on a utilisé pour simuler la réponse réel de notre réservoir.
SI le niveau d’eau dans réservoir dépasse la limite supérieure
92% et la limites inferieur 10% une alarme sonore va être
enclenche et couleur bleu de niveau d’eau dans le réservoir
devient rouge et clignotante pour alerter ainsi la motopompe sera en arrêt afin d’éviter les
risque de défiance de motopompe.
La vanne de sortie sert à l’écoulement de l’eau vers l’utilisation.
Ce bouton nous permet de choisir le régulateur par défaut, soit le PID de LABVIEW
soit le PID de l’automate de Siemens. C’est un avantage pour l’utilisateur s’il veut
charger ou modifier le programme de notre chaine d entré four qui est intégré dans la
même automate sans l’arrêt de l’asservissement de niveau pour le réservoir.
SFP : Etude et supervision d’une chaine d’alimentation four par des carreaux de céramique
Réalisé par :Mohsen Sadok (L3 AII) ISET RADES : département GE
66
8) Interface INFO :
Et finalement l’interface qui contient le titre de notre projet et des informations
supplémentaires sur nous (programmeur de l’application) :
Diagramme d’utilisation :
SFP : Etude et supervision d’une chaine d’alimentation four par des carreaux de céramique
Réalisé par :Mohsen Sadok (L3 AII) ISET RADES : département GE
67
VI. Diagramme d’utilisation :
SFP : Etude et supervision d’une chaine d’alimentation four par des carreaux de céramique
Réalisé par :Mohsen Sadok (L3 AII) ISET RADES : département GE
68
VII. Diagramme des classes et des interfaces
le diagramme suivant represennte les classes et les interfaces qui constituennt notre
application :
VIII. Conclusion :
LabVIEW est la nouvelle génération de supervision industrielle (SCADA) ces avantages
de programmation graphique pour le développement, acquisition, contrôle et
enregistrement des données. Ainsi c’est un outil très puissant pour communiquer aux
contrôleurs logiques programmables (PLC) et les automates programmable industriel
(API).de plus il offre des moyens pour la gestion des bases de données, gestion des
alarmes et des événements, et de créer des interfaces homme-machine (IHM).
SFP : Etude et supervision d’une chaine d’alimentation four par des carreaux de céramique
Réalisé par :Mohsen Sadok (L3 AII) ISET RADES : département GE
69
Conclusion général
Dans le cadre de ce projet de fin d’études, on s’est intéressé à la conception et la
réalisation d’un système de supervision d’une chaine d’entrée four et un réservoir d’eau,
qui constitue une plateforme d’acquisition des données provenant des capteurs des chaine
et réservoir et de les traiter puis afficher les résultats dans une interface graphique.
Pour la réalisation de ce projet, on a recouru les outils de simulation et de programmation
LabVIEW et TIA PORTAL pour mettre en œuvre le système.
Pour débuter, il s’est avéré nécessaire d’étudier la chaine ainsi le réservoir. Suite à cette
première étude et en se basant sur les consignes du cahier des charges, on est arrivé à
concevoir les constituants nécessaires de notre système superviseur.
Afin de bien s’assurer de l’atteinte des spécifications, on a simulé plusieurs fois le code
de l’application avec l’outil PLCsim de simulation de l’API Siemens aussi on a réalisé
un essai avec un compteur d’énergie numérique.
Ainsi, on a pu mener notre travail à terme. Cependant, des améliorations de l’application
peuvent être envisagées. En effet, on peut modifier notre système de façon qu’il devien
capable de prendre des décisions et d’envoyer des consignes à des actionneurs. De plus
on peut ajouter à une option d’émission des notifications à travers l’internet en se
connectant à des serveurs, afin que le responsable reçoive des informations à distance par
exemple des alarmes.
Ce projet de fin d’étude était une occasion pour appliquer des connaissances acquises en
matière de programmation, de gestion et de planification des différentes tâches du projet.
Ce travail présente pour nous une première expérience dans un domaine vaste et
complexe qui est les systèmes automatique. En fait, ce projet a été très bénéfique en
matière d’acquis techniques et en matière de confrontations de problèmes réels en
interaction avec l’informatique.
Ce projet de fin d’étude a représenté pour moi une opportunité pour exploiter mon
potentiel en termes de connaissances en automatisme industriel, c’est une expérience et
un point d’appui dans ma future vie professionnel
SFP : Etude et supervision d’une chaine d’alimentation four par des carreaux de céramique
Réalisé par :Mohsen Sadok (L3 AII) ISET RADES : département GE
70
Bibliographie
1) Ouvrage :
[1] « Automatismes industriels », William bolt, bibliothèque iset Rades.
[2]« TIA PORTAL manuel d’utilisation», Siemens
[3]«CPU 416 user manuel», Siemens
[4]« LabVIEW user manuel », National instrument
[5]« LABVIEW PID Control Toolkit User Manual » National instrument
[6]« Ni OPC SERVER user manuel”, National instrument »
2) Nétographie
[7] .http://www.ni.com (site LABVIEW)
[8].http://www.Siemens.com
[9] .www.typonrelais.com (site du logiciel de saisie des schémas d’installation électrique
BT-MT-HT : WINRELAIS)
[10] .http://www.realgames.pt (site du logiciel de simulation des systèmes industrielle en
3d : FACTORY IO)
[11] .http://www.mhg-tools.com (site des logiciels de programmation API Siemens)
[12] .https://www.youtube.com/channel/UCaEEm-0s0x3MHg9jzFcHuQQ (chaine
YouTube des API Siemens)
3) Logiciels
[13] TIA PORTAL (environnement de programmation et supervision des API Siemens)
[14] LABVIEW (langage de programmation graphique et supervision industrielle)
[15 NI OPC SERVER (logiciel de partage des variables entre interface graphique et PLC)
[16] NETTOPLCSIM (serveur des variables de PLCsim vers NI OPC SERVER)
[17] PLCSIM (automate virtuel de Siemens)
[18] EDIT GRAPH (éditeur de GRAFCET)
[19] Simatic manager step7(programmation ladder de API Siemens S200/s300/S400)
[20] WIN RELAIS, XRelais (logiciel de saisie des schémas d’installation électrique BT-
MT-HT)
[21] WIN PLC ENGINE (automate virtuel de MHG-Edition)
[22] FACTORY IO (logiciel de simulation du système industriel en 3d)
[23] VIRTUAL BOX (utilisé pour générer une adresse IP virtuelle fixé pour NI OPC
SERVER)
[24] CAMTASIA STUDIO (logiciel de capture écran)
[25] WINDOWS CAPTURE (outil de capture de Windows)
[26] starUML(logiciel de création de diagramme des classes)
SFP : Etude et supervision d’une chaine d’alimentation four par des carreaux de céramique
Réalisé par :Mohsen Sadok (L3 AII) ISET RADES : département GE
71
ANNEXES
SFP : Etude et supervision d’une chaine d’alimentation four par des carreaux de céramique
Réalisé par :Mohsen Sadok (L3 AII) ISET RADES : département GE
72
ANNEXE 1
Sélecteur de mode
MRES = Effacement général (Module Reset)
STOP = Arrêt : le programme n’est pas exécuté.
RUN = Le programme est exécuté : accès en lecture seule avec une PG.
Signalisation d’état (LED)
SF = Signalisation groupée des défauts : défaut interne de la CPU ou d’un module avec
fonction de diagnostic.
BATF = Défaut de pile : pile à plat ou absente.
DC5V = Signalisation de la tension d’alimentation interne 5 V
FRCE = Forçage : signalisation indiquant qu’une entrée ou une sortie au moins est
forcée.
RUN = Clignotement à la mise en route de la CPU, allumage continu en mode Run.
STOP : - Allumage continu en mode Stop
Clignotement lent lorsqu’une requête d’effacement général est lancée (par ex. en cas
de retrait de la carte mémoire en cours d’exploitation)
- Clignotement rapide lorsqu’un effacement général est en cours
Variables :
Dans les systèmes automatisés, la notion de bit, byte, Word ou double Word est souvent
utilisée. Il est donc nécessaire de connaître la signification de ces termes.
Bit : Un bit correspond à une position ou un caractère binaire. Il s’agit de la plus petite
unité en matière d’information et elle n’admet que l’un des deux états suivants : "0" ou
"1". Plusieurs bits peuvent être regroupés sous la forme d’unités plus importantes.
Byte (ou octet) : Un byte est une unité de 8 bits. Il est utilisé par exemple pour regrouper
les états logiques de 8 entrées ou de 8 sorties.
Word (ou Mot) : Un Word se compose de 2 bytes, soit 16 bits. Un mot permet de
regrouper 16 entrées ou 16 sorties.
Double Word (ou double mot) : Un double Word se compose de 2 mots, ou 4 bytes, ou
32 bits. Un double mot est la plus grande unité qu’un automate soit capable de traiter.
Résumé:
SFP : Etude et supervision d’une chaine d’alimentation four par des carreaux de céramique
Réalisé par :Mohsen Sadok (L3 AII) ISET RADES : département GE
73
- 8 bits = 1 byte
- 16 bits = 2 byte = 1 Word
- 32 bits = 4 byte = 2 Word = 1 double word
Type
symbolique
Type Valeur min Valeur max Mémoire
requise
bo BOOL FALSE ou « 0 » TRUE ou « 1 » 1/8 bit
by BYTE 0 255 8 bit
wo WORD 0 65535 16 bits
dw DWORD 0 4294967295 32 bits
si SINT -128 127 8 bits
us USINT 0 255 8 bits
in INT -32768 32767 16 bits
ui UINT 0 65535 16 bits
re REAL ~ -3.402823 x 1038 ~ 3.402823 x 1038 32 bits
ti TIME T#0ms T#71582m47s295ms 32 bits
ch CHAR -128 127 8 bits
tr TIMER Temporisation
cr COUNTER Compteur
Tableau 15:variables API
Adressage:
Avant de commencer à programmer, il est très important de connaître l’adressage d’un
automate. L’adressage permet de connaître le nombre d’entrées / sorties à disposition, le
genre d’entrée (rapide ou standard), le genre de byte, entier ou double entier que l’on va
pouvoir former
SFP : Etude et supervision d’une chaine d’alimentation four par des carreaux de céramique
Réalisé par :Mohsen Sadok (L3 AII) ISET RADES : département GE
74
ANNEXE 2
Comparaison de différents systèmes et IDE (interface de développement)
Gamme d’API SIEMENS
SFP : Etude et supervision d’une chaine d’alimentation four par des carreaux de céramique
Réalisé par :Mohsen Sadok (L3 AII) ISET RADES : département GE
75
SFP : Etude et supervision d’une chaine d’alimentation four par des carreaux de céramique
Réalisé par :Mohsen Sadok (L3 AII) ISET RADES : département GE
76
ANNEXE 3
Pour commencer à utiliser TIA PORTAL il faut créer un projet.
La création d’un projet commence toujours par la configuration du
matériel.La configuration du matériel revient à lister tous les
modules présents dans le projet. Par exemple l’alimentation, le
CPU, les entrées-sorties, les modules de communications, tous ces
éléments se trouvent dans la bibliothèque du projet.
Double-cliquer sur l'icône de TIA portal puis sélectionner :
« Créer un projet », Entrer le nom du projet Le chemin et l'auteur
Cliquez sur « Créer »
Lorsque le projet est créé, cliquez
sur
« Vue du projet »
Sélectionner « Ajouter un appareil »
Sélectionner « Contrôleurs »
Jusqu'ici la procédure est la même pour tous les automates.
Dans le dossier « Projet », vous trouvez les objets requis dans le
projet. Parmi ces objets figurent les éléments suivants :
 Le CPU utilisé
 Le programme
 Information sur le programme
SFP : Etude et supervision d’une chaine d’alimentation four par des carreaux de céramique
Réalisé par :Mohsen Sadok (L3 AII) ISET RADES : département GE
77
Les onglets affichés sur la droite de l’écran peuvent être ouverts
ou fermés à tout moment. Les onglets disponibles à l’écran sont fonction des
produits installés et de l’objet ouvert dans la fenêtre de travail ou en cours de
traitement. Ces onglets permettent d’exécuter différentes actions :
• Catalogue du matériel : Il contient les composants matériels disponibles,
comme la CPU, les modules, etc.
• Outils en ligne : Lorsqu’une liaison en ligne est établie, des informations en ligne
et des données de diagnostic peuvent être consultées
(le temps de cycle actuel de la CPU ou la configuration de la mémoire de travail
et de chargement dans la CPU). Par ailleurs, la CPU peut être basculé en mode
STOP et RUN.
• Tâches : Cet onglet permet d’accéder aux fonctions classiques des différents
éditeurs : chercher/remplacer des variables, des instructions, etc.
• Bibliothèques : Pour enregistrer des objets susceptibles d’être réutilisés, il faut
utiliser les bibliothèques locales (relatives au projet) et globales.
Elles permettent de mémoriser et de réutiliser (copier) des objets de tout
type (stations complètes, blocs, listes de variables, etc.).
• Simulation :
On peut simuler des pupitres opérateurs et des CPU du S7-300 / 400,
mais pas celles du S7- 1200. La simulation porte sur le matériel sélectionné dans
le navigateur du projet.
Ensuite pour la configuration matérielle, ouvrir le catalogue du matériel puis glisser et
déposer le module choisi à l’emplacement indiqué.
Pour TIA Portal, la table des variables est « l’outil » qui permet de créer un adressage
symbolique. Une fois la table ouverte, il suffit de saisir un identificateur symbolique pour
chaque variable
.
SFP : Etude et supervision d’une chaine d’alimentation four par des carreaux de céramique
Réalisé par :Mohsen Sadok (L3 AII) ISET RADES : département GE
78
ANNEX 4
SFP : Etude et supervision d’une chaine d’alimentation four par des carreaux de céramique
Réalisé par :Mohsen Sadok (L3 AII) ISET RADES : département GE
79
Annexe 5
SFP : Etude et supervision d’une chaine d’alimentation four par des carreaux de céramique
Réalisé par :Mohsen Sadok (L3 AII) ISET RADES : département GE
80
INDEXE
Améliorations, 24
API, 21
API S7-416-3, 44
Atomisation, 14
AUTO/MAN, 27
bouton poussoir, 18
Câblage, 42
Compteur CEI, 33
Compteur SIMATIC, 33
CONT_C, 38
Convertisseur A/N, 35
CPU 416-3 PN/DP, 22
CTD, 34
électrovanne, 44
Equations, 27
étape, 28
Four, 17
gain, 40
GRAFCET, 19
Grafcet conduit, 27
l’association française, 35
LADDER, 30
LGV (véhicule à guide laser), 16
Matière première, 13
mémento, 30
module analogique, 35
MOVE, 37
multi instance, 41
OB, 32
OMRON, 20
PID, 38
Prix, 44
REA, 35
REAL, 40
remplissage, 20
réservoir, 29
ROTOSCREEN, 16
salle de contrôle, 29
SCALE, 35
Set point, 40
solutions, 20
supervision, 45
Table d’affectation, 31
Table de variables, 31
TIA PORTAL, 22
Ton, 34
Une chaine à rouleaux, 18
unipolaire, 36
VARIATION DE VITESSE, 33
visualisation, 41
WINCC, 22
SFP : Etude et supervision d’une chaine d’alimentation four par des carreaux de céramique
Réalisé par :Mohsen Sadok (L3 AII) ISET RADES : département GE
81

Rapport PFE Génie Electrique (2016)

  • 1.
    ‫ادس‬‫ر‬‫ب‬ ‫ـوجية‬‫ـ‬‫ل‬‫التكنو‬ ‫ـات‬‫ـ‬‫س‬‫ا‬‫ر‬‫للد‬‫ـالي‬‫ـ‬‫ع‬‫ال‬ ‫المعهد‬ ‫قس‬‫ـ‬‫ـ‬‫الهندس‬ ‫م‬‫ـ‬‫ـ‬‫ـ‬‫ـ‬‫ب‬‫ر‬‫الكه‬ ‫ة‬‫ـ‬‫ـ‬‫ـ‬‫ـ‬‫ـ‬‫ـ‬‫ـ‬‫ـ‬‫ـ‬‫ـ‬‫ـ‬‫ـ‬‫ـ‬‫ائية‬ République Tunisienne Ministère de l'enseignement Supérieur et de la recherche Scientifique Rapport de Stage de Fin du Parcours LICENCE APPLIQUEE EN GENIE ELECTRIQUE Entreprise d’accueil: Société tunisienne d’émaillage SOTUMAIL Réalisé par : MOHSEN SADOK Encadré par : Encadreur Entreprise : OMAR WANNES Encadreur ISET : HSSAN ELABED Année universitaire : 2015/2016 Code : S79/2016 Etude et conception du système automatique pour alimentation four
  • 2.
    SFP : Etudeet supervision d’une chaine d’alimentation four par des carreaux de céramique Réalisé par :Mohsen Sadok (L3 AII) ISET RADES : département GE 2 Je dédie ce travail : A mes chers parents Eux qui m’ont offert l’un des plus beaux cadeaux de la vie : le savoir. Je leurs dis merci pour tout ce qu’ils ont fait et continuent à faire pour moi. Je souhaite que Dieu leurs préserve une longue vie. A tous les membres de ma famille, eux qui m’ont soutenue dans les moments difficiles tout au long de mes études. A tous mes collègues et ami(e) s Pour les moments agréables et inoubliables que nous avons passés ensemble. A eux tous, je souhaite un avenir plein de joie, de bonheur et de succès.
  • 3.
    SFP : Etudeet supervision d’une chaine d’alimentation four par des carreaux de céramique Réalisé par :Mohsen Sadok (L3 AII) ISET RADES : département GE 3 Remerciement Je tiens en premier lieu à remercier Dieu Tout-puissant pour tout l’Amour qu’Il m’a partagé à travers la réalisation de ce rapport de stage, et C'est avec grand plaisir que je tiens à exprimer ma profonde gratitude, reconnaissance et remerciements distingués à tous ceux qui m’a aidé de près ou de loin et plus particulièrement à: A mon encadreur Mr OMAR WANNES ingénieur et chef de service de production qui malgré ses maintes occupations, m’a partagé ses connaissances et son précieux temps pour l’élaboration à terme et à bien de ce travail. Mr HASSEN ELABED mon encadreur pour ses précieux conseils et recommandations durant cette formation. Mes remerciements s’adressent aussi à tout le personnel du SOTEMAIL qui m’a donné de l’aide continue pendant La période de mon stage. A tous les membres de ma famille, pour leur soutien moral, affectif et financier. Je remercie particulièrement les membres de jury pour avoir accepté d’examiner et de juger ce travail.
  • 4.
    SFP : Etudeet supervision d’une chaine d’alimentation four par des carreaux de céramique Réalisé par :Mohsen Sadok (L3 AII) ISET RADES : département GE 4 Sommaire Introduction générale ..................................................................................................... 10 Chapitre 1 : contexte du projet...................................................................................... 12 I. Introduction :...................................................................................................... 13 II. Présentation de la société ................................................................................... 13 1) Fiche d’identité de SOTEMAIL......................................................................... 13 2) La raison sociale :............................................................................................... 14 3) Secteur d’activité................................................................................................ 14 4) Les exportations de la société SOTEMAIL : ..................................................... 14 5) Organigramme de la société............................................................................... 14 III. Service de production ..................................................................................... 15 1) Matière première : .............................................................................................. 15 2) Triage de poudre: ............................................................................................... 15 3) Stockage de barbotine : ...................................................................................... 15 4) Atomisation :...................................................................................................... 16 5) Cuve d’attente : .................................................................................................. 16 6) Pressage :............................................................................................................ 16 7) Séchage : ............................................................................................................ 16 8) Transporteur : ..................................................................................................... 17 9) Emaillage :.......................................................................................................... 17 10) Four :............................................................................................................... 18 11) Triage et emballage: ....................................................................................... 18 IV. Etude du système existant : ............................................................................ 19 1) Fonctionnement de la chaine d’entrée four........................................................ 19 2) méthode existante de remplissage du réservoir d’eau........................................ 21 V. Problématique : .................................................................................................. 21 VI. Les solutions proposées et la solution retenue: ............................................. 21
  • 5.
    SFP : Etudeet supervision d’une chaine d’alimentation four par des carreaux de céramique Réalisé par :Mohsen Sadok (L3 AII) ISET RADES : département GE 5 VII. Développement de la solution retenue : ......................................................... 22 1) Choix de l’API : ................................................................................................. 22 2) Choix de l’environnement de programmation : ................................................ 23 3) Choix de l’outil de supervision : ........................................................................ 23 IX. Conclusion...................................................................................................... 24 Chapitre 2 : programmation API.................................................................................. 25 I. Introduction........................................................................................................ 26 II. Généralités :........................................................................................................ 26 III. Améliorations réalisées : ................................................................................ 26 1) Cycle de fonctionnement de la chaine proposé:................................................. 27 2) Améliorations pour le réservoir : ...................................................................... 30 IV. Initiation à TIA PORTAL............................................................................... 30 V. Programmation :................................................................................................. 30 1) Système chaine :................................................................................................. 30 2) le reservoire d’eau :............................................................................................ 39 VI. Câblage :......................................................................................................... 43 1) Câblage de module d’entré :............................................................................... 43 2) Câblage de module de sortie : ............................................................................ 43 3) Câblage des modules analogique : ..................................................................... 44 VII. Etude économique : ........................................................................................ 45 VIII. Conclusion :.................................................................................................... 45 Chapitre 3 : supervision ................................................................................................. 46 I. Introduction........................................................................................................ 47 II. Le logiciel LABVIEW :..................................................................................... 47 1) Introduction a LabVIEW :.................................................................................. 47 2) Objectif de l’interface LabVIEW....................................................................... 47 3) Modules LabVIEW nécessaires :....................................................................... 47 4) Constitutions de notre projet LabVIEW........................................................... 48
  • 6.
    SFP : Etudeet supervision d’une chaine d’alimentation four par des carreaux de céramique Réalisé par :Mohsen Sadok (L3 AII) ISET RADES : département GE 6 III. Communication avec LABVIEW :................................................................. 48 IV. Les protocoles de communication :................................................................ 50 1) TCP/IP :.............................................................................................................. 50 2) Profinet :............................................................................................................. 51 3) Communication wifi avec Tablette : .................................................................. 51 4) Synoptique de communication :........................................................................ 52 1) Interface principale :........................................................................................... 55 2) Interface USER : ................................................................................................ 56 3) Interface CONTROL :........................................................................................ 57 4) Interface MOTEURS : ....................................................................................... 58 5) Interface Energie :................................................................................................ 59 6) Interface statistique :........................................................................................... 62 7) Interface PID RES : ............................................................................................ 64 8) Interface INFO : ................................................................................................. 66 VI. Diagramme d’utilisation :............................................................................... 67 VII. Diagramme des classes et des interfaces ........................................................ 68 VIII. Conclusion :.................................................................................................... 68 Conclusion général.......................................................................................................... 69 Bibliographie ................................................................................................................... 70 1) Ouvrage :............................................................................................................ 70 2) Nétographie ........................................................................................................ 70 3) Logiciels............................................................................................................. 70 ANNEXES ....................................................................................................................... 71 ANNEXE 1................................................................................................................ 72 ANNEXE 2................................................................................................................ 74 ANNEXE 3................................................................................................................ 76 ANNEXE 4................................................................................................................ 78 ANNEXE 5................................................................................................................ 79 INDEXE........................................................................................................................... 80
  • 7.
    SFP : Etudeet supervision d’une chaine d’alimentation four par des carreaux de céramique Réalisé par :Mohsen Sadok (L3 AII) ISET RADES : département GE 7 Liste des tableaux Tableau 1:Fiche d'identité de SOTEMAIL....................................................................... 14 Tableau 2: Les exportations de SOTEMAIL.................................................................... 14 Tableau 3:les entrées/sorties de système........................................................................... 20 Tableau 4:gamme s400d'API Siemens ............................................................................. 22 Tableau 5:les nouveaux éléments d'entrées/sorties........................................................... 28 Tableau 6:varibles et leur mémento.................................................................................. 31 Tableau 7:variables du système ........................................................................................ 32 Tableau 8:variable de décompteur.................................................................................... 34 Tableau 9:éléments de SCALE......................................................................................... 36 Tableau 10:représentation des valeurs analogiques.......................................................... 37 Tableau 11:variable d'UNSCALE .................................................................................... 38 Tableau 12:variables de PID............................................................................................. 39 Tableau 13:Paramètres d'entrée de régulateur .................................................................. 41 Tableau 14:Paramètres de sortie de régulateur ................................................................. 41 Tableau 15:variables API.................................................................................................. 73
  • 8.
    SFP : Etudeet supervision d’une chaine d’alimentation four par des carreaux de céramique Réalisé par :Mohsen Sadok (L3 AII) ISET RADES : département GE 8 Liste des figures Figure 1:organigramme de société.................................................................................... 14 Figure 2 : cycle de production .......................................................................................... 15 Figure 3:matière première................................................................................................. 15 Figure 4:melengeur de barbotine ...................................................................................... 15 Figure 5:reservoir de stockage de barbotine ..................................................................... 15 Figure 6: atomiseur ........................................................................................................... 16 Figure 7:plateau de presse................................................................................................. 16 Figure 8:la presse .............................................................................................................. 16 Figure 9:le séchoir............................................................................................................. 16 Figure 10:machine de chargement et déchargement de bacs............................................ 17 Figure 11:robot LGV ........................................................................................................ 17 Figure 12:méthode de vernissage...................................................................................... 17 Figure 13:méthode de cascade.......................................................................................... 17 Figure 14:méthode de tanisage ......................................................................................... 17 Figure 15:méthode de vaporisation................................................................................... 17 Figure 16:les ROTOSCREEN .......................................................................................... 18 Figure 17:entré four .......................................................................................................... 18 Figure 18:zone de triage.................................................................................................... 18 Figure 19:les palettes ........................................................................................................ 18 Figure 20:réservoir d'eau .................................................................................................. 19 Figure 21:Grafcet exsistant de la chaine........................................................................... 20 Figure 22:le Motopompe................................................................................................... 21 Figure 23:API 416-3 PN/DP............................................................................................. 23 Figure 24:GRAFCET conduit et sécurité ......................................................................... 28 Figure 25:GRAFCET manuel proposée............................................................................ 29 Figure 26:GRAFCET automatique proposé ..................................................................... 29 Figure 27:procedure de remplissage ................................................................................. 30 Figure 28:blocs de programme ......................................................................................... 33 Figure 29:les éléments de programme .............................................................................. 33 Figure 30:appel de blocs ................................................................................................... 33 Figure 31:décompteur Simatic.......................................................................................... 34 Figure 32:compteur CTU.................................................................................................. 34
  • 9.
    SFP : Etudeet supervision d’une chaine d’alimentation four par des carreaux de céramique Réalisé par :Mohsen Sadok (L3 AII) ISET RADES : département GE 9 Figure 33:chronogramme de compteur............................................................................. 35 Figure 34:UNSCALE........................................................................................................ 37 Figure 35:operation move................................................................................................. 38 Figure 36:regulateur PID ................................................................................................. 39 Figure 37:Schéma fonctionnelle du régulateur................................................................. 40 Figure 38:visualisation des paramètres de PID................................................................. 42 Figure 39:NI OPC SERVER............................................................................................. 49 Figure 40:NETtoPLCsim.................................................................................................. 50 Figure 41:configuration Profinet....................................................................................... 51 Figure 42:interface pour simulation des capteurs de la vitesse......................................... 51 Figure 43:interface principale pour contrôle du systeme................................................ 51 Figure 44:iterface pour controle du vitesse des moteurs .................................................. 51
  • 10.
    SFP : Etudeet supervision d’une chaine d’alimentation four par des carreaux de céramique Réalisé par :Mohsen Sadok (L3 AII) ISET RADES : département GE 10 Introduction générale L'automatisation industrielle est l'art d’utiliser les machines afin de réduire la charge de travail des ouvriers tout en gardant la productivité et la qualité. Elle fait appel à des systèmes électroniques qui englobent toute la hiérarchie de contrôle-commande depuis les capteurs de mesure, en passant par les automates, les bus de communication, la visualisation, l’archivage jusqu’à la gestion de production et des ressources de l’entreprise. Sur le plan industriel, pour être compétitif tous les processus doivent être obligatoirement automatisés. En effet, la compétitivité exige de maintenir le système le plus près possible de son optimum de fonctionnement prédéfini par un cahier des charges.
  • 11.
    SFP : Etudeet supervision d’une chaine d’alimentation four par des carreaux de céramique Réalisé par :Mohsen Sadok (L3 AII) ISET RADES : département GE 11 Cahier des charges : “ Etude et conception du système automatique pour alimentation four en rangées de carreaux de céramique “. Interprétation de cahier de charge : Dans ce cadre, j’ai tout d’abord commencé dans le premier chapitre par la présentation de la société d’accueil, étude du système existant, énoncer la problématique enfin les solutions proposées et la solution retenu. Ensuite, le 2è𝑚𝑒 chapitre contient les critères qui ont fixé le choix de l’automate programmable industrielle Siemens cpu-416 et l’ensemble des programmes écrit par l’environnement de programmation TIA PORTAL. Enfin le dernier chapitre contient la conception de l’interface graphique et la visualisation des paramètres du système par le langage de programmation graphique LABVIEW.
  • 12.
    SFP : Etudeet supervision d’une chaine d’alimentation four par des carreaux de céramique Réalisé par :Mohsen Sadok (L3 AII) ISET RADES : département GE 12 Chapitre 1 : contexte du projet Objectif :  Présenter la société d’accueil  Présenter le cycle de production des carreaux de céramiques  Etude de système existant  Décrire la problématique de système existant  Présenter les solutions proposées et énoncer la solution retenue
  • 13.
    SFP : Etudeet supervision d’une chaine d’alimentation four par des carreaux de céramique Réalisé par :Mohsen Sadok (L3 AII) ISET RADES : département GE 13 I. Introduction : Afin de mettre le projet dans son contexte, on commence par un petit aperçu sur l’entreprise d’accueil et une description du système existant en énonçant ses différentes problématiques ainsi que les solutions proposées et la solution retenu. II. Présentation de la société La société SOTEMAIL, filiale de la société Moderne Céramique SOMOCER est spécialisée dans la fabrication et la commercialisation des grés porcelaine pour le revêtement sol et mur. Elle a démarré sa production en septembre 2006. SOTEMAIL, est la société Tunisienne d’émaillage, elle produit principalement de céramique et grés. Le programme de développement de SOTEMAIL se caractérise par son exhaustivité puisqu’il englobe tous les domaines d’activité de l’entreprise : production, commercialisation, formation, gestion et restructuration. 1) Fiche d’identité de SOTEMAIL Non de l’entreprise : SOTEMAIL Forme juridique : société anonyme Secteurs Activités : la fabrication du grès Année de création : 2006 Produit fabriqué : carreaux en céramique Type de fabrication : carreaux de type 15*15/15*30 / 20*20/25*40 P.D.G : AHMED SGHAIER Siège social : route de Sfax, Menzel Hayat5033Monastir. Lieu d’usine : Zone industrielle de Soussi 5140 Mahdia. Code Postal : 5140 Téléphone : 00216 73 610 772 Fax : 00216 73 610 778
  • 14.
    SFP : Etudeet supervision d’une chaine d’alimentation four par des carreaux de céramique Réalisé par :Mohsen Sadok (L3 AII) ISET RADES : département GE 14 Capital Social : xxx Effective : 50 cadres supérieurs & moyens : 400 ouvriers Tableau 1:Fiche d'identité de SOTEMAIL 2) La raison sociale : Cette société fait la transformation, la production, la distribution et le stockage de céramique. 3) Secteur d’activité Cette entreprise compte 450 employeurs, son domaine d’activité recouvre notamment la production des carreaux en céramique. Elle s’occupe également de ce qu’on appelle les travaux spéciaux c'est-à-dire les produits que l’usine fabrique exceptionnellement à partir d’une commande spéciale provenant du client. 4) Les exportations de la société SOTEMAIL : L’export de la société SOTEMAIL « groupe SOMOCER » a pour destination L’Algérie, L’Italie, La France, Surie, Lybie et Liban. 30% Lybie 70% Algérie, Italie, France, Syrie, Liban Tableau 2: Les exportations de SOTEMAIL 5) Organigramme de la société Figure 1:organigramme de société
  • 15.
    SFP : Etudeet supervision d’une chaine d’alimentation four par des carreaux de céramique Réalisé par :Mohsen Sadok (L3 AII) ISET RADES : département GE 15 III. Service de production Le cycle de production comporte les six grandes étapes suivantes (fig.2) : 1) Matière première : Les carreaux sont fabriqués à partir de matière première que l’on trouve facilement dans la nature (fig.3). Elle est constituée à base de :  Sable  Argile blanche  Talc  Feldspath  Argile Kaolin que 2) Triage de poudre: La matière première est transportée à l’usine où elle est entreposée avant de le mélanger dans des aires de stockage et où elle est classée par type au moyen de système de référence numérique simple. La matière première est mélangée en proportion bien précise au poids. Apres avoir été déversé dans un réservoir de stockage .le mélange de matière première et ensuite transférée dans divers réservoirs mélangeurs avec de l’eau et des billes de céramique (fig.4), afin de former une matière liquide, la barbotine, Il y a quatre réservoirs mélangeurs dans l’usine pour la barbotine. 3) Stockage de barbotine : La barbotine est ensuite transférée dans des grands réservoirs de stockage souterrain (fig.5). Elle est ensuite transférée dans l’atomiseur. Figure 2 : cycle de production Figure 3:matière première Figure 4:melengeur de barbotine Figure 5:reservoir de stockage de barbotine
  • 16.
    SFP : Etudeet supervision d’une chaine d’alimentation four par des carreaux de céramique Réalisé par :Mohsen Sadok (L3 AII) ISET RADES : département GE 16 4) Atomisation : L’atomiseur est muni du pistolet qui vaporise la barbotine au milieu dans un grand réservoir qui traverse un courant d’air chaud (fig.6). La barbotine se décompose alors en particule en suspension qui sèche rapidement pour former une poudre atomisée. 5) Cuve d’attente : La poudre atomisée est ensuite versée dans une cuve d’attente qui se trouve derrière la presse. Cette cuve laisse échapper des quantités bien précises de poudre atomisé sur plateau (fig.7) (dépendant des dimensions des carreaux). La cuve distribue la poudre de manière égale dans la moule. 6) Pressage : Au moyen d’une grande presse hydraulique (fig.8), une force de 340 à 400 kilogramme par centimètre carre est appliquée sur chaque rangée de quatre carreaux. La poudre se transforme en une masse solide. 7) Séchage : Une fois le corps de céramique est formé, il est chauffé dans le séchoir (fig.9) pour retirer le maximum d’humidité. Cette étape est importante pour assurer la stabilité du produit pendant sa cuisson au four. Le séchage des carreaux passe par trois zones de température :  Zone 1 : 130 °C.  Zone 2 : 200 °C.  Zone 3 : 200 °C.  Zone 4 : 110 °C Figure 6: atomiseur Figure 7:plateau de presse Figure 8:la presse Figure 9:le séchoir
  • 17.
    SFP : Etudeet supervision d’une chaine d’alimentation four par des carreaux de céramique Réalisé par :Mohsen Sadok (L3 AII) ISET RADES : département GE 17 La partie séchoir est constituée par :  Des Brûleurs.  Des Ventilateurs.  Des Capteur de température.  Deux élévateurs.  Pupitre de commande Les carreaux sont placés dans des bacs de stockage temporaire à divers stades de processus de production jusqu’à la prochaine étape, ou ils seront requis. Le stockage se fait par la machine de chargement (fig.10) : C’est une machine qui comporte deux bras en mouvement vertical et horizontal. Ces bras comportent des axes tournant pour faire tourner les rouleaux des bacs. Les sens de rotation des axes tournant sont en inverse du sens de rotation d’une montre. 8) Transporteur : Si les bacs sont requis pour la station d’émaillage, ils seront transportés vers la machine de déchargement à l’aide de LGV (véhicule à guide laser) (fig.11) LGV : C’est un robot qui sert à déplacer les bacs entre la zone de chargement et la zone de déchargement. Machine de déchargement : Elle est consacrée pour la décharge des bacs, elle a les mêmes composantes que celles de chargement mais à l’envers ainsi tout le système est réversible. 9) Emaillage : L’email est essentiellement une substance rassemblant au verre appliqué à la surface des carreaux par des méthodes de vaporisation, des cascades, de tanisage ou de vernissage. La sérigraphie, le vernissage et la vaporisation sont essentiels au produit fini soumis aux conditions de :  Propriétés esthétiques  Imperméabilité  Durabilité  Hygiène Figure 10:machine de chargement et déchargement de bacs Figure 11:robot LGV Figure 15:méthode de vaporisation Figure 14:méthode de tanisage Figure 13:méthode de cascade Figure 12:méthode de vernissage
  • 18.
    SFP : Etudeet supervision d’une chaine d’alimentation four par des carreaux de céramique Réalisé par :Mohsen Sadok (L3 AII) ISET RADES : département GE 18 Les ROTOSCREEN (fig.16) sont couramment utilisés pour l’application des motifs et des couleurs sur les corps des carreaux est ce sur 3 étapes en dégradant les couleurs. De nombreux tests permettent de vérifier la qualité définie (1ére , 2éme ou 3éme choix), la précision du motif et la définition de couleur avant la qualification et l’acceptation du produit. 10) Four : Une fois l’email est appliqué, les carreaux sont transportés à l’entré four 2 par une chaine à rouleaux (fig.17)(page 55) Le four utilisé est un four à rouleaux, la température dans ce type de four peut atteindre les 1190 degrés Celsius, l’usine contient trois fours à rouleaux de constructeur SACMI. Le four solidifie l’émail et fait disparaitre tout l’humidité résiduelle. Ainsi le produit à la sortie du four est une matière solide et homogène sans faiblesse. Une fois cette étape est terminée, on obtient le produit final. 11) Triage et emballage: Pour garantir la qualité du produit fini, le choix de carreau est validé par un opérateur et par la suite trié automatiquement par camera (fig18). Les précisions (la qualité et la teinte) sont indiquées sur les boites de carreaux en carton puis elles sont placées sur la palette appropriée fig.19). Une fois la palette est empilée, elle est placée dans la cour prête à la vente ou exportation. La chaine Entrée four Convoyeur Figure 16:les ROTOSCREEN Figure 17:entré four Figure 19:les palettes Figure 18:zone de triage
  • 19.
    SFP : Etudeet supervision d’une chaine d’alimentation four par des carreaux de céramique Réalisé par :Mohsen Sadok (L3 AII) ISET RADES : département GE 19 IV. Etude du système existant : Notre système est composé de deux sous-systèmes : Le premier : Une chaine à rouleaux (voir fig. 17)(voir page 55) qui alimente le four par les carreaux de céramique. Remarque : l’usine contient trois fours à rouleaux, notre étude concerne la chaine d’entrée four 2 car les fours 1 et 3 sont récents et supervisés donc ne nécessitent actuellement aucune intervention. Le deuxième : 8 Réservoirs d’eau (voir fig.20) qui distribuent l’eau aux 4 réservoirs mélangeurs de billes de céramique (voir fig.4) afin de former la barbotine. Remarque : Une partie de notre projet consiste à contrôler la procédure de remplissage pour un seul réservoir (et ça sera de même pour les autres réservoirs). Description du fonctionnement du système existant : 1) Fonctionnement de la chaine d’entrée four Voir (page 55) Un appui sur le bouton poussoir « Start », départ de cycle avec l’enclenchement du capteur de présence carreau C3(C5 est actuellement condamné) provoquent le démarrage des moteurs convoyeurs à chaines M1 et M2 en même temps avec une vitesse constante (configurée dans le variateur de vitesse de chaque moteur) jusqu’à la détection des carreaux par le capteur C2 qui provoque le démarrage du moteur M3 et le sortie de vérin V qui déplace les carreaux longitudinalement jusqu’à la détection de capteur suivant C8 de fin de course puis le démarrage de moteur M4 jusqu’à l’enclenchement de C11 fin de cycle. Le système s’arrête lorsqu’on appuis sur le bouton « STOP ». Un appui sur le bouton reset « RESET» provoque l’initialisation immédiate de tout le système et retour vers l’étape 0. Remarques :  Les boutons arrêt d’urgence, AUTO/MAN existent dans le pupitre de commande mais ne sont pas câblés (hors service) ainsi que les capteurs C5, C6, C7, C9 et C10.  Le GRAFCET de la chaine d’entrée four a été modifié et programmé dans l’API OMRON « CPM2A » plusieurs fois par les automaticiens selon la taille des carreaux.  La chaine d’alimentation four a été dépannée plusieurs fois(les causes sont nombreuses que j’essayerais de limiter lors de la proposition de la solution. Figure 20:réservoir d'eau
  • 20.
    SFP : Etudeet supervision d’une chaine d’alimentation four par des carreaux de céramique Réalisé par :Mohsen Sadok (L3 AII) ISET RADES : département GE 20 Table d’Entrées /sorties existant Entrées Start bouton « marche » Stop Bouton poussoir « arrêt » RESET Bouton poussoir (reset le système) C3 Capteur capacitif (présence de carreau) C2 Capteur capacitif (fin de convoyeur longitudinal) C8 Capteur de fin de course du vérin V C11 Capteur capacitif (fin de convoyeur transversal) Sorties M1 Moteur triphasé (convoyeur 1) M2 Moteur triphasé (convoyeur 2) M3 Moteur triphasé (convoyeur 3) M4 Moteur triphasé (convoyeur 4) V Vérin simple effet (monter le convoyeur 3) H3 Voyant marche Tableau 3:les entrées/sorties de système GRAFCET existant de la chaine à l’entrée four 2 : Figure 21:Grafcet exsistant de la chaine
  • 21.
    SFP : Etudeet supervision d’une chaine d’alimentation four par des carreaux de céramique Réalisé par :Mohsen Sadok (L3 AII) ISET RADES : département GE 21 2) méthode existante de remplissage du réservoir d’eau L’opération de remplissage d’eau du réservoir se fait automatiquement mais sans commande par automate. L’opérateur doit appuyer sur le bouton ‘ marche ‘ pour activer le motopompe (fig.26) .Une fois le niveau d’eau atteint la limite préréglée, un flotteur ouvre le circuit de commande du motopompe. Il est à signaler que ce type de capteur à part l’erreur de mesure de niveau d’eau qu’il présente, il est la cause de défiances. Un bouton « stop » va arrêter notre système. V. Problématique : L’étude de l’existant révèle les problèmes suivants :  Réglage manuel de la vitesse du moteur chaque fois où la taille des carreaux change (carreaux de type 15*15/15*30 / 20*20/25*40.  En cas de de panne d’un moteur, le système continue le cycle de production sans arrêt.  Le système reste sans supervision industrielle.  plusieurs problèmes agissent sur la procédure de remplissage du réservoir d’eau qui est aussi commandé manuellement sans automate et contrôlé par flotteur. VI. Les solutions proposées et la solution retenue:  Solution 1 : étude de tout le système et réaliser une solution câblé se reposant sur la méthode d’Huffman avec l’utilisation des excitations secondaires et des temporisateurs. Cette solution ne permet pas la supervision du système n’offre pas une grande sécurité sinon le cout sera plus élève avec l’augmentation des exigences.  Solution 2 : Introduire des améliorations sur le système actuel tout en gardant l’automate OMRON utilisé : Avantage : Cout réduit Inconvénient : Absence de port de communication PROFINET permettant l’échange de données avec l’interface de supervision LabVIEW.  Solution 3 : Choix d’un automate (voir annexe 1) qui à part la commande et le contrôle du système, offre la possibilité de commination PROFINET. Inconvénient : Cout élevé. Avantage : Solution fiable, souple, possibilité de faire une télécommande (par Tablette ) et offre une garantie sur tous les plans.  Solution retenue :Il est claire que la troisième solution permettra de mener à belle et bien ce projet. Figure 22:le Motopompe
  • 22.
    SFP : Etudeet supervision d’une chaine d’alimentation four par des carreaux de céramique Réalisé par :Mohsen Sadok (L3 AII) ISET RADES : département GE 22 VII. Développement de la solution retenue : 1) Choix de l’API : Le choix de l’API (voir annexe2) se fait selon les critères suivants :  Possibilité d’utilisation comme contrôleur central des lignes de production (la chaine d’entrer four, réservoirs, gérer les E/ S...)  Interface communication MPI / interface PROFIBUS DP (maître / esclave)  Interface PROFINET (2 au minimum)  Intelligence distribuée dans Component Base Automation (CBA) sur PROFINET (protocole de communication entre les API a grand vitesse 12 Mbits/s)  Interface TCP/IP  Serveur web intégrer  Mémoire donnés au minimum 3 MB  Mémoire programme au minimum 5MB  Emplacement pour carte mémoire Tableau 4:gamme s400d'API Siemens
  • 23.
    SFP : Etudeet supervision d’une chaine d’alimentation four par des carreaux de céramique Réalisé par :Mohsen Sadok (L3 AII) ISET RADES : département GE 23 Selon les critères indiqués on peut dire que la gamme des automates Siemens peut répondre à notre besoin d’où la nécessité de consulter le tableau ci-dessus (Tableau 3) : D’où le choix de l’automate Siemens S7-416(de CPU 416-3 PN/DP) dont les principales caractéristiques tirées à partir du tableau de la (Tableau 3) sont les suivantes :  MPI/PROFIBUS DP-Master-Interface  additionnel PROFIBUS DP-Interface  additionnel PROFINET Interface  emplacement pour carte mémoire  16MB mémoire intégrer (donner +programme) 2) Choix de l’environnement de programmation : Pour programmer cet automate on a utilisé l’environnement de programmation TIA PORTAL qui par rapport au logiciel STEP7 offre les avantages suivants :  Programmation API Configuration et programmation des contrôleurs SIMATIC S7-1200, S7-400(CPU 416-3 PN/DN), la nouvelle gamme S7- 1500.  Configuration des appareils et du réseau pour tous les composants d'automatisation.  éditeurs de programmation efficaces, programmation symbolique cohérente  HW-Detect, SW-Upload, simulation S7-1500 (PLCSim)  Objets de technologie pour mouvements et fonctions de régulation PID  Fonction de protection intégrée pour protéger le programme : Protection du savoir-faire (protection contre la copie et l’accès) 3) Choix de l’outil de supervision : On peut choisir comme outil de supervision WINCC (intègre à l’environnement de programmation TIA PORTAL), LABVIEW (programmation graphique) … Mais LabVIEW offre plusieurs avantages par rapport aux autres outils de supervision :  Des diverses bibliothèques de symbole pour représenter notre système.  Interface de supervision dynamique  Vitesse de communication très élevé avec l’automate  Plusieurs moyens de communication (PROFINET, MODBUS, TCP/IP, Bluetooth, WIFI…) avec différents gammes d’automates. Figure 23:API 416-3 PN/DP
  • 24.
    SFP : Etudeet supervision d’une chaine d’alimentation four par des carreaux de céramique Réalisé par :Mohsen Sadok (L3 AII) ISET RADES : département GE 24 VIII. Architecture de système de supervision: IX. Conclusion L’étude du système a abouti au choix de l’automate S7-416-3-PN/DP et l’environnement de programmation TIA PORTAL et l’outil de supervision LABVIEW avec toutes les fonctionnalités qu’ils offrent. Communication TCP/IP Capteur ultrason Coffret de commande API S7-416-3 PN/DP 4 *Capteurs vitesse
  • 25.
    SFP : Etudeet supervision d’une chaine d’alimentation four par des carreaux de céramique Réalisé par :Mohsen Sadok (L3 AII) ISET RADES : département GE 25 Chapitre 2 : programmation API Objectif :  Amélioration réalisé sur le système étudié  Représenter le nouveau fonctionnement de système  Câblage des entrées/sorties de système  Etude économique
  • 26.
    SFP : Etudeet supervision d’une chaine d’alimentation four par des carreaux de céramique Réalisé par :Mohsen Sadok (L3 AII) ISET RADES : département GE 26 I. Introduction Après avoir présenté et analyser le fonctionnement du système, on veut lui apporter des améliorations pour résoudre ses problèmes et passer dans une première phase à la programmation de l’automate. II. Généralités : Des points importants concernant les API sont donnés en annexe1 III. Améliorations réalisées : Proposition d’un nouveau GRAFCET qui décrit le fonctionnement du cycle et tient compte des améliorations suivantes : a) Ajout d’un sélecteur de choix de mode du cycle de fonctionnement : manuel ou automatique b) Nécessité d’ajout d’un nouveau GRAFCET qui tient compte du « conduit système : GRAFCET conduit et sécurité » en mode automatique ou manuel. c) Remise en fonctionnement des capteurs suivants et qui étaient hors programme Sachant qu’ils sont très importants dans la garantie de la continuité et l’alignement des rangées de carreaux alimentant le four (6 carreaux par rangée) :  C9-C10 : capteurs de présence des carreaux se trouvant au-dessus de convoyeur 3  C5 : capteur de présence des carreaux se trouve au-dessus de convoyeur 1  C6-C7 : capteurs de présence des carreaux se trouvant au-dessus de convoyeur 2 Remarque : Ces capteurs sont mis hors programme par négligence et dans le but de réaliser des économies d’argent et de temps de maintenance et de dépannage choses qui ne sont pas vraies. d) Nécessité de tenir compte dans le GRAFCET (GRAFCET manuel et automatique page 28) des fonctions des capteurs C5, C6, C7, C9 et C10 réintroduits dans le programme. e) Organiser le défilement des rangées des carreaux en fixant une temporisation entre chaque rangée el la suivante sachant que ce défilement est à présent aléatoire. f) Possibilité de varier la vitesse des 4 moteurs par interface graphique qui envoie un signal numérique vers le module CNA de l’automate et qui à son tour envoie un signal analogique approprié (généralement de 0 à 10V) vers le variateur du moteur correspondant. g) Comptage du nombre de carreaux à l’entrée four en utilisant les impulsions reçues des capteurs déjà installés sur les convoyeurs d’amenées des carreaux au four.
  • 27.
    SFP : Etudeet supervision d’une chaine d’alimentation four par des carreaux de céramique Réalisé par :Mohsen Sadok (L3 AII) ISET RADES : département GE 27 h) Apporter des sécurités supplémentaires au fonctionnement de la chaine (par exemple arrêt de toute la chaine en cas de défaillance d’un des moteurs, déclencher une alarme sonore et visuelle lorsque l’eau dans le réservoir atteint un niveau critique…) i) Installer un capteur ultrason (analogique) pour la détection de niveau d’eau dans le réservoir à la place du capteur mécanique de niveau d’eau (flotteur mécanique). j) Installer une électrovanne à commande analogique pour commander le remplissage du réservoir. Nouveau cycle de fonctionnement : 1) Cycle de fonctionnement de la chaine proposé:  Appuis sur le bouton « Start » et la détection de présence d’une range entière des carreaux par les capteurs C3 et C5 (front montant) (permet de réaliser l’amélioration c (-voir paragraphe 2.3)  Démarrage de moteur M2  Attendre 2 secondes (pour séparer et laisser une distance entre un carreau et un autre  Démarrage ensuite de moteur M1  Jusqu’à C1 égale le nombre des carreaux configurer avec l’enclenchement de C6 (front montant)  Arrêt de moteur M1 pour 4 seconds afin de séparer chaque 6 carreau  Redémarrage de M1 jusqu’à l’arriver au capteur C2  Sortie de vérin V et moteur M3 pour déplacer les 6 carreaux longitudinal vers le convoyeur perpendiculaire  Enclenchement de C8 (fin de course pour vérin v) et C9 (front montant) et C10 (front descendant)  Démarrage de moteur M4 jusqu’à C11 détecter  Retour de vérin v  Fin de cycle Nouveau éléments Entrer/sortie ENTRER AU Bouton d’Arrêt d’urgence Auto/man Sélecteur de cycle automatique ou manuel Start Bouton poussoir « marche »
  • 28.
    SFP : Etudeet supervision d’une chaine d’alimentation four par des carreaux de céramique Réalisé par :Mohsen Sadok (L3 AII) ISET RADES : département GE 28 Sortie H1 Voyant d’initialisation H2 Voyant cycle automatique H3, arrêt Voyant arrêt d’urgence M1 Moteur triphasé convoyeur 1 M2 Moteur triphasé convoyeur 2 M3 Moteur triphasé convoyeur 3 M4 Moteur triphasé convoyeur 4 V Vérin simple effet « monter convoyeur 3 » Tableau 5:les nouveaux éléments d'entrées/sorties Grafcet conduit et sécurité proposer Le sélecteur AUTO/MAN permet à l’utilisateur de choisir le mode de fonctionnement, soit automatique ou manuelle. L’appui sur le bouton « AU » arrête d’urgence provoque l’arrête de système et l’activation de l’étape x100. Equations des étapes X100, X200, X300 stop Bouton poussoir « arrêt » Reset Bouton poussoir « initialisation de système » C3, C5 Capteur capacitif « présence de carreau convoyeur 1 » C1 Capteur capacitif « compte le nombre de carreau » C6 Capteur capacitif « fin de convoyeur 1 » C7, C2 Capteur capacitif « début de convoyeur 3 » C8 Capteur de fin de course « sortie de vérin » C9, C10 Capteur capacitif « début de convoyeur 4 » C11 Capteur capacitif « fin de cycle » Figure 24:GRAFCET conduit et sécurité
  • 29.
    SFP : Etudeet supervision d’une chaine d’alimentation four par des carreaux de céramique Réalisé par :Mohsen Sadok (L3 AII) ISET RADES : département GE 29 GRAFCET manuel proposé Grafcet automatique proposé Les équations des étapes X1, X3, X6 de GRAFCET automatique X1=X0.C3.C5 .Stop. Start+X2.X1 X3=X2.C1 .C6 .Stop + X4.X3 X6=X5.C8.C9 .C10 .Stop+X0.X6 Les équations des étapes X2, X3, X5 de GRAFCET manuel X2=X1.T1.Stop.Start+X3.X2 X3=X2.C1.C6 .Stop.Start+X4.X3 X5=X4.C2.C7.Stop.Start+X6.X5 Figure 25:GRAFCET manuel proposée Figure 26:GRAFCET automatique proposé
  • 30.
    SFP : Etudeet supervision d’une chaine d’alimentation four par des carreaux de céramique Réalisé par :Mohsen Sadok (L3 AII) ISET RADES : département GE 30 2) Améliorations pour le réservoir : Nous avons introduit une électrovanne et un capteur ultrason au réservoir afin de rendre la procédure de remplissage d’eau de ce réservoir (fig.27) plus stable, précise et contrôlable automatiquement par une API. Donc la démarche suivante explique la procédure de remplissage : Légende : LT101 : Transmetteur de niveau du réservoir LIC101 : Contrôleur de niveau d’eau LCV101 : Vanne de contrôle de niveau dans le réservoir HV102 : Vanne de régulation manuelle de réservoir IV. Initiation à TIA PORTAL (Voir annexe 3) V. Programmation : 1) Système chaine : Après avoir créé les équations des étapes de GRAFCET conduit, sécurité, automatique et manuel on a traduit ses équations en LADDER. Exemple LADDER des étapes X3et X5. 1 • Arrivée de l'eau depuis la SONEDE vers le motopompe 2 • pompage de l'eau vers le réservoir à l'intermédiaire de la vanne LCV101 3 • lecture du niveau d'eau par le capteur ultrason LT101 4 • Ecoulement de l'eau vers la mélangeur de barboutine en utilisant la vanne HV102 5 • traitement des données par l'automate Figure 27:procedure de remplissage
  • 31.
    SFP : Etudeet supervision d’une chaine d’alimentation four par des carreaux de céramique Réalisé par :Mohsen Sadok (L3 AII) ISET RADES : département GE 31 Affectation des sorties : exemple le moteur M3 et le vérin V Pour simuler les entrées physiques de système sur l’interface de visualisation on a créé des variables mémento liées aux entrées physiques de l’API. Exemple C2 est un capteur physique réel et son mémento est E C2 (capteur virtuel se trouvant dans l’interface)… Ainsi les sorties physique de l’API sont liées aux mémentos afin de visualiser l’état réel de chaque sortie physique. Exemple pour la visualisation de voyant H1 (réel) on a ajouté le mémento M H1 d’adresse M7.0 sur l’interface en parallèle avec ce voyant. Exemple des variables et leur mémento correspondant sur notre application de supervision : Type Variables physique réel Variables correspondant sur interfaces (mémento) Variables résultants entré Stop E Stop S Stop entré Reset E Reset S Reset entré AU E AU S AU entré C1 E C1 S C1 entré C8 E C8 S C8 sortie M1 M M1 M M1 sortie V M V MV Tableau 6:varibles et leur mémento
  • 32.
    SFP : Etudeet supervision d’une chaine d’alimentation four par des carreaux de céramique Réalisé par :Mohsen Sadok (L3 AII) ISET RADES : département GE 32 Table des variables : elle contient 135 variables : Table d’affectation : La table d’affectation est très utile pour connaître les entrées, sorties, mémoires déjà utilisées. Tableau 7:variables du système
  • 33.
    SFP : Etudeet supervision d’une chaine d’alimentation four par des carreaux de céramique Réalisé par :Mohsen Sadok (L3 AII) ISET RADES : département GE 33 Blocs des programmes : L’automate met à disposition différents types de blocs qui contiennent les programmes et les données correspondants. Selon les exigences et la complexité du processus, il est possible de structurer le programme en différents blocs : OB, FB et FC (fig.28). OB : bloc d’organisation : Les OB sont appelés par le système d’exploitation en liaison avec l’événement d’exécution du programme. FC : fonction : Ce sont des blocs de code sans mémoire FB : bloc fonctionnel : Ce sont des blocs de code qui mémorisent durablement leurs paramètres d'entrée/sortie dans des blocs de données. DB : bloc de donner : Les blocs de donnée (DB) sont des zones données du programme utilisateur qui contiennent des données utilisateur. Notre programme contient 4 blocs : (fig.28)(fig.29)  Main(OB1) : contient le programme principal  Auto(FC1) : contient le mode automatique  MAN(FC2) : contient le mode manuel  VARIATION VITESSE(FC3) : contient la commande des variateurs des vitesses.  CYC-INT5(OB35) : contient le programme de procédure de remplissage de réservoir. On fait l’appel au bloc AUTO (FC1), MAN(FC2), VARIATION DE VITESSE(FC3) (fig.30) dans le bloc Main(OB1) d’exécution cyclique du programme et l’affectation des sorties. Il contient 31 réseaux. Figure 28:blocs de programme Figure 30:appel de blocs Figure 29:les éléments de programme
  • 34.
    SFP : Etudeet supervision d’une chaine d’alimentation four par des carreaux de céramique Réalisé par :Mohsen Sadok (L3 AII) ISET RADES : département GE 34 Le bloc AUTO(FC1) assure l’enchainement de système sans présence de l’opérateur, il contient 12 réseaux. Le comptage des carreaux se fait en intégrant deux décompteurs :  Décompteur SIMATIC (comptage de 6 carreaux dans la rangée) (fig.31) Quand l'état logique passe de "0" à "1" à l'entrée "s c1" (front montant) et que la valeur de comptage actuelle est supérieure à "0", elle est décrémentée de un. Si l'état logique à l'entrée "X0" passe de "0" à "1", la valeur de comptage prend la valeur de l'opérande "NB CARREAU". " La valeur de comptage est remise à zéro quand l'opérande "X4"ou S RESET est à l'état logique "1". Variable de décompteur :  Compteur CTU (comptage de nombre de carreaux total fabriqué) (fig.32) Description et graphique du compteur CTU - CU : Entrée de comptage, lorsque l’état logique de l’entrée CU passe de l’état 0 à l’état 1 (front montant), le compteur est incrémenté de 1. - R : Entrée reset, lorsque l’état logique de l’entrée R passe de l’état 0 à l’état 1, la valeur du compteur est forcée à 0 quelle que soit l’état de l’entrée CU. - PV : Réglage de la valeur du compteur. - CV : Mot de mémento pour l’affichage de la valeur du compteur ou l’utilisation de la valeur du compteur ailleurs dans le programme. -Q: Q est à l’état logique 1 si la valeur de comptage actuelle (CV) est égale ou supérieure à la valeur allouée à l’entrée PV. (CV≥PV) Remarque : Le compteur CTU ne dispose pas de l’entrée LD (LOAD). Attention ! Souvent, lorsque l’on transfert dans l’API un nouveau bloc fonctionnel système (SFB) on oublie de transférer son bloc de donnée d’instance, ceci a pour effet de mettre l’API en STOP, on peut utiliser un grand nombre de compteurs. Cependant il faut à chaque fois Paramètre Déclaration Type de données Description CD S C1 BOOL Capteur de présence carreaux S X0 BOOL Initialisation de compteur PV NB carreau WORD Nombre des carreaux chargés R X4 +S reset BOOL Entrée de réinitialisation CV Cv compt WORD Valeur de comptage actuelle (hexadécimale) Q sortie BOOL Etat du compteur Tableau 8:variable de décompteur Figure 31:décompteur Simatic Figure 32:compteur CTU
  • 35.
    SFP : Etudeet supervision d’une chaine d’alimentation four par des carreaux de céramique Réalisé par :Mohsen Sadok (L3 AII) ISET RADES : département GE 35 leur assigner un DB différent ! On peut visualiser les DB créés, lors des appels des SFB, dans TIA Portal sous le menu déroulant « Blocs de programme » En générale le logiciel TIA met à disposition trois types de compteur : Compteur (CTU : Compteur UP) Décompteur (CTD : Compteur DOWN) Compteur/Décompteur (CTUD : compteur UP/DOWN) Si le nombre de carreaux compté est égale au nombre désiré, le moteur M1 attend une durée configurée en secondes avant qu’il redémarre à nouveau c’est pourquoi un temporisateur est ajouté à notre programme. Temporisateur Ton : La sortie de cette temporisation passe à « 1 » après une durée définie pour autant que son entrée soit toujours à « 1 ». Aussitôt que l’entrée revient à « 0 », la sortie revient à « 0 ».L’équivalent de cette temporisation est le relais temporisé à l’enclenchement. Remarque :Lorsqu’une coupure de tension se produit lors de l’écoulement du temps, le temps restant est sauvegardé, puis reprendra au retour de la tension pour autant que les entrées IN et EN soient toujours à 1. *ET = Elapse Time (Temps écoulé). De même que Ton, TIA PORTAL offre autres types de temporisateurs comme Toff ,Tpulse qui sont couramment utilisées. (Voir annexe 4) Le contenue du bloc MAN(FC2) est le même que le bloc AUTO(FC1) mais en ajoutant la condition bouton Start (doit être activé) pour passer d’une étape à un autre. la variation de vitesse se fait au niveau du bloc VARIATION VITESSE(FC3) qui traite les informations reçues du capteur de vitesse ou de simulateur de capteur de vitesse citués à l’interface de visualisation , puis l’envoyer vers les variateurs de vitesses pour chaque moteur. Figure 33:chronogramme de compteur
  • 36.
    SFP : Etudeet supervision d’une chaine d’alimentation four par des carreaux de céramique Réalisé par :Mohsen Sadok (L3 AII) ISET RADES : département GE 36 Il y a different type de capteur de vitesse comme les codeurs de rotation , les capteur analogiques , capteur à impulsion mais dans notre cas le capteur utilisé est un capteur analogique car il est installé sur chaque moteur. D’après l’association française de normalisation AFNOR un capteur analogique émet à sa sortie un signal analogique qui varie de 0 à 10 VDC ou de -10VDC à + 10VDC ou de 0 à 20 mA ou de 4 à 20 mA, notre capteur émet à sa sortie un courant analogique variant de 4 à 20 mA. Remarque : ce capteur de vitesse doit être relié au module d’entrée/sortie analogique de l’automate. L’automate n’est pas capable d’interpréter un signal analogique c’est pour cela le« Convertisseur A/N » est intégré dans le module analogique permettant de convertir ce signal analogique en un signal numérique. Les codes numériques sont nécessaires pour les rendre compréhensibles par le programme d’un API. Le nombre de bit d’un convertisseur A/N défini le nombre de codes numériques possibles et par conséquent sa résolution et donc la qualité du signal converti. Nous pouvons utiliser les blocs de conversion « mise à l’échelle » « SCALE » pour mettre à l’échelle des valeurs analogiques. Ces blocs se trouvent dans le catalogue des « instruction de base » à la rubrique « conversion ». Pour le traitement des valeurs analogiques reçues des capteurs, les types de données INT et REAL jouent un rôle important. En effet, les valeurs analogiques sont présentes sous forme d'entiers au format INT et du fait des erreurs d'arrondi que l'on rencontre avec INT, seuls les nombres à virgule flottante de type REAL sont utilisables pour assurer un traitement précis. Tableau 9:éléments de SCALE
  • 37.
    SFP : Etudeet supervision d’une chaine d’alimentation four par des carreaux de céramique Réalisé par :Mohsen Sadok (L3 AII) ISET RADES : département GE 37 La valeur entière (INT) appliquée à l’entrée est comprise entre 0 et 27648(si la plage de mesure est unipolaire). Cette valeur INT de 27648 correspond à la valeur nominale d’un courant de 20 mA et la valeur 0 à celle d’un courant de 0 mA. Remarque : La valeur 27648 a simplement été sélectionnée en tant que valeur de la plage normale maximale de tout signal analogique transféré à la CPU par un module analogique Siemens. Cette valeur numérique est indépendante de la résolution du module particulier analogique utilisé (ce qui est une façon de normaliser tous les redimensionnements des lectures analogiques dans le processeur). après la lecture et le traitement de valeur de vitesse de moteur , une commande numerique à virgule flottant compri entre 0 te 100 qui correspond au 0 tr/min et 3000 tr/min doit etre envoyeé au variateur de vitesse afin de changer la vitesse de chacue moteur ce pour cela on a on utilisé l’operation « annuler la mise à l’echelle » ce qui est operation inverse de SCALE autrement dit c est UNSCALE (fig.35) Avec l'instruction "Annuler mise à l'échelle", nous annulons la mise à l'échelle en unités physiques entre une valeur limite inférieure et une valeur limite supérieure du nombre à virgule flottante au paramètre IN et nous le convertissons en nombre entier puis il est converti en un courant analogique variant entre 4 à 20mA à l’aide de moduel d’entré/sortie analogique afin d étre envoyé vers le variateur de vitesse de moteur. L'instruction "Annuler mise à l'échelle" utilise l'équation suivante : OUT = [ ((IN–LO_LIM)/(HI_LIM–LO_LIM)) ∗ (K2–K1) ] + K1 Les valeurs des constantes "K1" et "K2" sont déterminées par l'état logique du paramètre BIPOLAR. Le paramètre BIPOLAR peut prendre les états logiques suivants :  Etat logique "1" : on suppose que la valeur du paramètre IN est bipolaire et se situe dans une plage de valeurs allant de -27648 à 27648. Dans ce cas, la constante "K1" a la valeur "-27648,0" et la constante "K2" à la valeur "+27648,0".  Etat logique "0" : on suppose que la valeur du paramètre IN est unipolaire et se situe dans une plage de valeurs allant de 0 à 27648. Dans ce cas, la constante "K1" a la valeur "0,0" et la constante "K2" la valeur "+27648,0". Tableau 10:représentation des valeurs analogiques Figure 34:UNSCALE
  • 38.
    SFP : Etudeet supervision d’une chaine d’alimentation four par des carreaux de céramique Réalisé par :Mohsen Sadok (L3 AII) ISET RADES : département GE 38 Paramètre Déclaration Type de données Description EN BOOL Entrée de validation ENO BOOL Sortie de validation IN Control speed REAL Valeur d'entrée dont la mise à l'échelle doit être annulée pour obtenir une valeur entière HI_LIM 100 REAL Valeur limite supérieure LO_LIM 0 REAL Valeur limite inférieure BIPOLAR bipolaire BOOL Indique si la valeur du paramètre IN est interprétée comme bipolaire ou unipolaire. Ce paramètre peut prendre les valeurs suivantes : 1: bipolaire 0: unipolaire OUT SM vitesse INT Résultat de l'instruction RET_VAL Erreur unscal WORD Informations d'erreur Tableau 11:variable d'UNSCALE L'opération MOVE est très utile afin d'échanger les données avec l’interface de visualisation ainsi l’affectation de la sortie analogique ,elle permet de copier un nombre vers un autre. Il est possible de copier une entrée vers une sortie, une entrée vers une mémoire, une mémoire vers une sortie ou encore une mémoire vers une mémoire. Remarque : Il n’est pas possible de copier un nombre d’une taille plus grande que la mémoire de destination. Exemple : Le transfert de IW0 => MB10 n’est par exemple pas possible ! Figure 35:operation move
  • 39.
    SFP : Etudeet supervision d’une chaine d’alimentation four par des carreaux de céramique Réalisé par :Mohsen Sadok (L3 AII) ISET RADES : département GE 39 2) le reservoire d’eau : Pour rendre la procédure de remplissage de réservoir d’eau automatisé on a ajouté dans notre programme un régulateur PID qui sert à régler le niveau d’eau dans le réservoir de manière automatique. Ce régulateur PID est intégré dans l’automate SIEMENS. Sa méthode de travail se base sur l'algorithme PID du régulateur d'échantillonnage à sortie analogique. L'instruction CONT_C sert à la régulation de processus de remplissage de réservoir. En paramétrant ce bloc, nous pouvons activer ou désactiver des fonctions partielles du régulateur PID afin de l'adapter au système réglé. En complément des fonctions de la branche de consigne et de mesure, l'instruction réalise un régulateur PID opérationnel doté d'une sortie continue pour contrôlé l’électrovanne .de plus il est possible de modifier manuellement la valeur de réglage en activant la bite « MAN_ON »et on ajustant le paramètre d’entré « MAN » Table de variable : Tableau 12:variables de PID Figure 36:regulateur PID
  • 40.
    SFP : Etudeet supervision d’une chaine d’alimentation four par des carreaux de céramique Réalisé par :Mohsen Sadok (L3 AII) ISET RADES : département GE 40 Schéma fonctionnel du régulateur : Paramètres d'entrée de régulateur CONT_C : Paramètre Type de données déclaration Description COM_RST BOOL FALSE L'instruction possède une routine d'initialisation qui est exécutée quand l'entrée "Démarrage" est à 1. MAN_ON BOOL manon La mise à 1 de l'entrée "activation du mode manuel" interrompt la boucle de régulation. C'est une valeur manuelle qui est introduite comme valeur de réglage. P_SEL BOOL P sel Dans l'algorithme PID, les actions PID peuvent être activées et désactivées individuellement. L'action P est active quand cette entrée est à 1. I_SEL BOOL I sel Dans l'algorithme PID, les actions PID peuvent être activées et désactivées individuellement. L'action I est active quand cette entrée est à 1. Figure 37:Schéma fonctionnelle du régulateur
  • 41.
    SFP : Etudeet supervision d’une chaine d’alimentation four par des carreaux de céramique Réalisé par :Mohsen Sadok (L3 AII) ISET RADES : département GE 41 D_SEL BOOL S sel Dans l'algorithme PID, les actions PID peuvent être activées et désactivées individuellement. L'action D est active quand cette entrée est à 1. CYCLE TIME T#100ms Le temps entre deux appels du bloc doit être constant. Il est indiqué par cette entrée. CYCLE >= 1ms SP_INT REAL Set point L'entrée "consigne interne" permet de spécifier une consigne. Les valeurs autorisées sont comprises entre 0et 100 PV_IN REAL Hmi entré ana Entré de capteur ultrason. Les valeurs comprises entre 0 et 100 MAN REAL manuel Cette entrée sert à introduire une valeur manuelle Les valeurs sont comprises entre et 100 GAIN REAL gain L'entrée "Coefficient d'action proportionnelle" indique le gain du régulateur. TI TIME ti L'entrée "Temps d'intégration" détermine la réponse temporelle de l'intégrateur. TI >= CYCLE TD TIME td L'entrée "Temps de dérivation" détermine la réponse temporelle du dérivateur. TD >= CYCLE LMN_HLM REAL Lmn h La valeur de réglage possède toujours une limite supérieure et inférieure. L’entrée "Limitation supérieure de la valeur de réglage" indique sa limitation supérieure. LMN_LLM REAL Lmn l La valeur de réglage possède toujours une limite supérieure et inférieure. L’entrée "Limitation inférieure de la valeur de réglage" indique sa limitation inférieure. Tableau 13:Paramètres d'entrée de régulateur Paramètres de sortie de régulateur CONT_C : Paramètre Type de données Valeur par défaut Description LMN REAL lmn Valeur de sortie de correcteur qui commande l’electrovanne analogique Tableau 14:Paramètres de sortie de régulateur Remarque : L'instruction CONT_C dispose d'une routine d'initialisation exécutée lorsque le paramètre d'entrée COM_RST = TRUE. Au moment de l'initialisation,
  • 42.
    SFP : Etudeet supervision d’une chaine d’alimentation four par des carreaux de céramique Réalisé par :Mohsen Sadok (L3 AII) ISET RADES : département GE 42 l'intégrateur est mis sur la valeur I_ITVAL. Toutes les autres sorties sont mises à zéro. Après exécution de la routine d'initialisation, il faut mettre COM_RST = FALSE. Très important : Les valeurs des blocs de régulation ne sont calculées correctement que si le bloc est appelé à intervalles réguliers. C'est pourquoi il convient d'appeler les blocs de régulation dans un OB d'alarme cyclique (OB 30 à OB 38). Vous spécifiez le temps d'échantillonnage au paramètre CYCLE. Remarque : Lorsque nous appelons l'instruction CONT_C comme DB multi instance, un objet technologique n'est pas créé. Nous ne disposons pas d'une interface de paramétrage et de mise en service. Nous devons paramétrer CONT_C directement dans le DB multi instance et le mettre en service via une table de visualisation (fig.38) Figure 38:visualisation des paramètres de PID
  • 43.
    SFP : Etudeet supervision d’une chaine d’alimentation four par des carreaux de céramique Réalisé par :Mohsen Sadok (L3 AII) ISET RADES : département GE 43 VI. Câblage : 1) Câblage de module d’entré : 2) Câblage de module de sortie : Figure 29:cablage des éléments des sorties
  • 44.
    SFP : Etudeet supervision d’une chaine d’alimentation four par des carreaux de céramique Réalisé par :Mohsen Sadok (L3 AII) ISET RADES : département GE 44 3) Câblage des modules analogique : (Voir annexe 5) Figure 28 : câblage des entrés Figure 30:cablage des entres/sorties analogique
  • 45.
    SFP : Etudeet supervision d’une chaine d’alimentation four par des carreaux de céramique Réalisé par :Mohsen Sadok (L3 AII) ISET RADES : département GE 45 VII. Etude économique : Les équipements nécessaires pour réaliser notre projet et qui n’existent pas dans le magasin des pièces d’échanges de l’usine sont : une API S7-416-3, un capteur ultrason analogique de niveau d’eau pour le réservoir et une électrovanne à commande analogique. Prix de l’API s7-416-3PN/DP 6499 eur Prix de l’électrovanne analogique 79.9eur Prix de capteur ultrason Siemens 90eur Prix totale des équipements sera 6668.9 euro VIII. Conclusion : Le TIA Portal (Totally Integrated Automation portal) optimise l’ensemble des procédures au niveau planification, machine et processus. Son interface utilisateur intuitive, ses fonctions simples et sa transparence totale des données le rendent extrêmement convivial ce qui rendra la programmation de notre projet très facile.
  • 46.
    SFP : Etudeet supervision d’une chaine d’alimentation four par des carreaux de céramique Réalisé par :Mohsen Sadok (L3 AII) ISET RADES : département GE 46 Chapitre 3 : supervision Objectif :  Présentation de LabVIEW  Présentation des protocoles de communication avec LabVIEW  présentation des interfaces de notre application de supervision
  • 47.
    SFP : Etudeet supervision d’une chaine d’alimentation four par des carreaux de céramique Réalisé par :Mohsen Sadok (L3 AII) ISET RADES : département GE 47 I. Introduction Dans ce chapitre on présente les interfaces graphiques de supervision réalisées par le logiciel LABVIEW avec lequel nous pouvons visualiser et contrôler les paramètres de système. II. Le logiciel LABVIEW : 1) Introduction a LabVIEW : (Contraction de Laboratory Virtual Instrument Engineering Workbench) est le cœur d’une plate-forme de conception de systèmes de mesure et de contrôle, basée sur un environnement de développement graphique de National Instruments. Le langage graphique utilisé dans cette plate-forme est appelé « G ». Créé à l’origine sur Apple Macintosh en 1986, LabVIEW est utilisé principalement pour la mesure par acquisition de données, pour le contrôle d’instruments et pour l’automatisme industriel. La plate- forme de développement s’exécute sous différents systèmes d’exploitation comme Microsoft Windows, Linux et Mac OS X. LabVIEW peut générer du code sur ces systèmes d’exploitation mais également sur des plates-formes temps réel, des systèmes embarqués ou des composants reprogrammables FPGA. La dernière version de LabVIEW est sortie en août 2015. Le diagramme de LabVIEW est lié à une interface utilisateur graphique nommée face-avant. Les programmes et sous-programmes sous forme d’icônes sont appelés des instruments virtuels (VI) et les fichiers source enregistrés sur disque ont l’extension de nom de fichier .VI. 2) Objectif de l’interface LabVIEW Dans ce projet, on utilise LABVIEW qui consiste à : - contrôler et surveiller notre système. -Représenter les données acquises par des graphes. -Conserver ces données en fichier lorsque l’application est fermée -Gestion des utilisateurs de l’application LABVIEW. - Le nombre d’heure de fonctionnement du système - La consommation énergétique de chaque moteur et du système total -Calculer le prix de l’énergie consommée par le système en temps réel. -modifier le paramètre de correcteur PID (pour le réservoir) - Gestion des alarmes du système 3) Modules LabVIEW nécessaires : Pour mener à ce travail on doit ajouter des toolkits LabVIEW qui sont distribués séparément :  Real Time : module pour la programmation temps-réel  Datalogging and Supervisory Control : pour le développement de superviseur pour les automates programmables industriels (Siemens, Télémécanique, Mitsubishi...)  Touch Panel : gestion avancée des écrans tactiles
  • 48.
    SFP : Etudeet supervision d’une chaine d’alimentation four par des carreaux de céramique Réalisé par :Mohsen Sadok (L3 AII) ISET RADES : département GE 48  NI OPC SERVER : assure la connectivité à une grande variété de dispositifs d'automatisation industrielle et réseau industriel  PID control and fuzzy logic : toolkit pour la régulation PID et logique floue 4) Constitutions de notre projet LabVIEW La fenêtre ci-contre présente les éléments de notre projet LabVIEW crée : III. Communication avec LABVIEW : Pour échanger les donner d’une manière synchronisée entre l’API et LABVIEW il faut un server et un client ce pour cela il existe NI OPC SERVER (fig.39). NI OPC SERVER : OPC est une interface standard pour communiquer entre de nombreuses sources de données, du matériel de laboratoire, les appareils du système de test, et les bases de données. Pour atténuer les efforts de duplication dans l'élaboration de protocoles spécifiques à l'appareil, éliminer les incohérences entre les périphériques, fournir un soutien pour les modifications des fonctionnalités du matériel, et d'éviter les conflits d'accès dans les systèmes de contrôle industriel, la Fondation OPC a défini un ensemble d'interfaces standard qui permettent à tout client d'accéder à un OPC- appareil compatible. La plupart des fournisseurs de dispositifs d'acquisition et de contrôle des données industrielles, telles que les automates Programmables (PLC) et des contrôleurs d'automatismes programmables (PAC), sont conçus pour fonctionner avec la norme OPC Fondation.
  • 49.
    SFP : Etudeet supervision d’une chaine d’alimentation four par des carreaux de céramique Réalisé par :Mohsen Sadok (L3 AII) ISET RADES : département GE 49 NI OPC SERVER communique avec l’API d’une manière indirecte à l’intermédiaire de logiciel NetToPLCsim (fig.40). NetToPLCsim : NetToPLCsim nous permet d'utiliser la communication réseau avec le PLC-Simulation S7-PLCSIM, en utilisant l'interface réseau de l'ordinateur TCP/IP sur lequel la simulation est en cours d'exécution. Par exemple, nous pouvons tester notre application client avec S7-PLCSIM, sans un automate réel(PLC). NetToPLCsim supporte la plupart des fonctions qui sont prises en charge par S7- PLCSIM, comme:  Variable : lecture et l'écriture des zones de données  Bloquer de service : téléchargement du programme, bloc de programme en ligne.  Bloquer les messages spécifiques avec Alarme. Figure 39:NI OPC SERVER
  • 50.
    SFP : Etudeet supervision d’une chaine d’alimentation four par des carreaux de céramique Réalisé par :Mohsen Sadok (L3 AII) ISET RADES : département GE 50 1. Nom unique pour la station 2. Adresse IP de l'interface LAN où ce serveur doit être accessible 3. Adresse IP de l'PLC Sim 4. Rack / position de l'emplacement de la CPU il est possible de se connecter à TIA-Portal PLCSIM pour 1200/1500 CPU 5. Si cette option est cochée les TSAP- paramètres de côté client et le rack / Slot doivent être compatibles Très important : il faut Démarrez Nettoplcsim avec les droits administratifs, et si un message apparaisse qui contient « GET PORT 102 » choisi oui. Port 102 : port de communication standard pour les API SIEMENS via TCP/IP Le protocole Ethernet TCP/IP conçu pour l’échange de données entre PLC Sim --- Nettoplcsim et Nettoplcsim---NI OPC SERVER IV. Les protocoles de communication : 1) TCP/IP : Le protocole Ethernet TCP/IP s’est aujourd’hui imposé comme standard utilisé dans l’industrie. Il est conçu pour l’échange de données dans un réseau local (LAN) et peut également communiquer avec d’autres réseaux ainsi qu’avec Internet. Pour l’identification des abonnés du réseau, une adresse IP univoque est attribuée à chaque station d’abonné. Figure 40:NETtoPLCsim
  • 51.
    SFP : Etudeet supervision d’une chaine d’alimentation four par des carreaux de céramique Réalisé par :Mohsen Sadok (L3 AII) ISET RADES : département GE 51 PLC Sim (v5.4) est une automate virtuel (comme WINPLC ENGINE) de SIMATIC pour la simulation de API SIEMENS seulement S7-300 et S7-400. La communication avec le programme crée par TIA PORTAL se fait via le PROFINET (fig41). 2) Profinet : Représente une extension d’Ethernet TCP/IP et permet de communiquer jusqu’au niveau de terrain. Complété d’un protocole industriel, Ethernet classique a fait l’objet de nouveaux développements qui ont abouti au protocole PROFINET (PROcess Fields EtherNET). Les données des applications en temps réel standard sont transférées avec le protocole standard TCP/IP. Grâce au protocole supplémentaire (protocole industriel), les données d’entrée et de sortie peuvent être traitées beaucoup plus rapidement, le Profinet est de ce fait capable de traiter les données en temps réel. 3) Communication wifi avec Tablette : Avec NI OPC SERVER on peut également communiquer LabVIEW avec un smartphone ou une Tablette via le wifi en utilisant l’application Android DATADASHBORD qui nous permet de crée des interfaces graphique afin de superviser un système automatique. Ce pour cette raison on a créé les interfaces suivantes de notre projet : Figure 41:configuration Profinet Figure 44:iterface pour controle du vitesse des moteurs Figure 42:interface pour simulation des capteurs de la vitesse Figure 43:interface principale pour contrôle du systeme
  • 52.
    SFP : Etudeet supervision d’une chaine d’alimentation four par des carreaux de céramique Réalisé par :Mohsen Sadok (L3 AII) ISET RADES : département GE 52 4) Synoptique de communication :
  • 53.
    SFP : Etudeet supervision d’une chaine d’alimentation four par des carreaux de céramique Réalisé par :Mohsen Sadok (L3 AII) ISET RADES : département GE 53 V. Interfaces de l’application : Interface 1 : « USER » Pour la gestion d’utilisateur, nous avons créé seulement deux utilisateurs :  Mohsen  Cortex Interface 2 : « Supervision de système » : Supervision de chaine d’entrer four. Interface 3 : « contrôle »  visualisation et suivie d’étapes de système  Test et simulation des capteurs de système Interface 4 : « Moteurs »  Contrôle la vitesse de chaque moteur triphasé de système.  Simulation des capteurs de vitesse lie au rotor de chaque moteur.  Alarme est déclencher si un moteur tombe en panne
  • 54.
    SFP : Etudeet supervision d’une chaine d’alimentation four par des carreaux de céramique Réalisé par :Mohsen Sadok (L3 AII) ISET RADES : département GE 54 Interface 5 : « Energie » :  la consommation d’énergie pour chaque moteur  le temps de fonctionnement  choix d’unité d’énergie soit en joule ou en w/h Interface 6 : « Statistique » :  la durée totale de fonctionnement de notre système  énergie totale consommé par notre système avec prix en DT  nombre de panne pour chaque moteur Interface 7 : « PID RES » :  supervision de réservoir d’eau  contrôle de vanne LCV101 automatique ou manuelle  choix de PID LabVIEW ou PID API  Simulation d’un réservoir virtuel  Alarme de niveau critique de réservoir d’eau. Interface 8 : « INFO » : Contient des informations supplémentaires sur notre projet :  Titre  Société  Encadreur  Etudient  Parcoure
  • 55.
    SFP : Etudeet supervision d’une chaine d’alimentation four par des carreaux de céramique Réalisé par :Mohsen Sadok (L3 AII) ISET RADES : département GE 55 1) Interface principale :
  • 56.
    SFP : Etudeet supervision d’une chaine d’alimentation four par des carreaux de céramique Réalisé par :Mohsen Sadok (L3 AII) ISET RADES : département GE 56 Diagramme de cas d’utilisation 2) Interface USER : Si le nom d’utilisateur et mot de passe sont correcte un message apparaisse dans le champ USERNAME « valide » et l’indicateur REMEBRE ME va s’allumer en vert. Diagramme d’utilisation :
  • 57.
    SFP : Etudeet supervision d’une chaine d’alimentation four par des carreaux de céramique Réalisé par :Mohsen Sadok (L3 AII) ISET RADES : département GE 57 3) Interface CONTROL : Important : il faut activer le mode TEST pour pouvoir simuler les capteurs.
  • 58.
    SFP : Etudeet supervision d’une chaine d’alimentation four par des carreaux de céramique Réalisé par :Mohsen Sadok (L3 AII) ISET RADES : département GE 58 Diagramme d’utilisation : 4) Interface MOTEURS : Cette interface rend la configuration de vitesse a tous moment qui l operateur veut. La vitesse allant de 0% à 100% ce qui correspond de 0 tr/min à 3000 tr/min. Remarque : si le bouton n’est pas active les moteurs tourne à la vitesse configure par défaut. Diagramme d’utilisation :
  • 59.
    SFP : Etudeet supervision d’une chaine d’alimentation four par des carreaux de céramique Réalisé par :Mohsen Sadok (L3 AII) ISET RADES : département GE 59 Si la vitesse de moteur choisie est différent a 0 et le bouton RUN active c’est à dire la valeur de vitesse configurer est envoyer vers le variateur de vitesse et le capteur de vitesse lue au rotor de cette moteur indique 4 mA au sortie qui signifie le moteur est en arrêt ou l’arbre moteur est bloquée implique l’enclenchement d’une alarme visuelle et sonore pour alerter l’opérateur qu’il y a un moteur en panne. Remarque : La valeur 27648 a simplement été sélectionnée en tant que valeur de la plage normale maximale de tout signal analogique transféré à la CPU par un module analogique Siemens. Cette valeur numérique est indépendante de la résolution du module particulier analogique utilisé (ce qui est une façon de normaliser tous les redimensionnements des lectures analogiques dans le processeur). 5) Interface Energie : Interface pour compter l’énergie consommée par chaque moteur pendant le fonctionnement. L'énergie électrique consommée par un appareil est égale au produit de sa puissance P consommée par la durée t de son fonctionnement : E=P*t La technique utilisée pour calculer la consommation d’énergie pour chaque moteur sur LABVIEW est innovante par nous, elle est baser sur le compteur de temps seulement, aucun équipement de comptage d’énergie utiliser.
  • 60.
    SFP : Etudeet supervision d’une chaine d’alimentation four par des carreaux de céramique Réalisé par :Mohsen Sadok (L3 AII) ISET RADES : département GE 60 Diagramme d’utilisation : Unités d'énergie Unité légale d'énergie (système international) P est exprimé en watt (W) E est exprimée en joule (J) t est exprimée en seconde (s) Unité usuelle d'énergie électrique P est exprimée en watt (W) E est exprimée en watt-heure (Wh) t est exprimée en heure (h) 1 Wh = 3600 J
  • 61.
    SFP : Etudeet supervision d’une chaine d’alimentation four par des carreaux de céramique Réalisé par :Mohsen Sadok (L3 AII) ISET RADES : département GE 61 Très important : Notre technique est testée sur les plans réels durant une heure avec un seul moteur triphasé en présence d’un compteur d’énergie électrique numérique portable. La plaque signalétique de moteur testé : Le moteur triphasé a une puissance 1500 w (indiqué sur ca plaque signalétique), coupler en Etoile et tourne a ca vitesse nominal à vide pendant 22 minutes. A la fin de cette expérience nous collectons le résultat. Les résultats : le compteur d’énergie numérique indique une consommation de 553.4 w/h par contre notre technique indique une consommation de 551.7 w/h. Remarque : la différence entre les valeurs trouvées (1.7 w/h) à cause de l’arbre moteur qui fait beaucoup de bruit due au frottement des roulements par suite l’augmentation de consommation d’énergie. Le principe de notre technique est de multiplier le temps de fonctionnement par la puissance, ce pour cela on utiliser de compteur pour la compter les seconde de fonctionnemnet .
  • 62.
    SFP : Etudeet supervision d’une chaine d’alimentation four par des carreaux de céramique Réalisé par :Mohsen Sadok (L3 AII) ISET RADES : département GE 62 Ensuit cette durer de fonctionnement sera multiplier par la puissance électrique de moteur puis on ajoute la valeur ancien d’énergie calculé s’il y a. donc on a conservé ces valeurs même l’application est rouvert. 6) Interface statistique : Interface pour calculer le prix d’énergie totale consommer par notre système et affiche le nombre de pannes pour chaque moteur. Le Nombre de carreau total est calculé à l’aide d’un compteur de l’automate. L’énergie totale consommée est la somme d’énergie de chaque appareil électrique intégré dans le système. Diagramme d’utilisation:
  • 63.
    SFP : Etudeet supervision d’une chaine d’alimentation four par des carreaux de céramique Réalisé par :Mohsen Sadok (L3 AII) ISET RADES : département GE 63 Remarque : l’arrêt de l’application ne cause pas la perte de donner, car ils sont conservé dans un fichier : Pour la réinitialisation, stopper l’application, entre le code 1234 puis clique sur Ce fichier est créé lors de l’exécution de l’application à l’aide des icônes LabVIEW comme : Remarque :les donnees enregistres dans le fichier sont des chaines de caracteres donc il est obligatoirement de les convertis en des valeur dicimales pour la manupilation puis inversement pour l enregistrer a nouveau .
  • 64.
    SFP : Etudeet supervision d’une chaine d’alimentation four par des carreaux de céramique Réalisé par :Mohsen Sadok (L3 AII) ISET RADES : département GE 64 7) Interface PID RES : Diagramme d’utilisation : L’asservissement de niveau d’eau dans le réservoir nécessite un régulateur industriel qui permet d’effectuer un asservissement en boucle fermée ce pour cela LabVIEW dispose a ca bibliothèque des régulateur PID des diffèrent algorithme. On a intégré PID où le contrôle de cette PID se fait manuellement ou automatiquement. Notre correcteur PID agit de trois manières : Action proportionnelle : l'erreur est multipliée par un gain kC action intégrale : l'erreur est intégrée et divisée par un gain Ti action dérivée : l'erreur est dérivée et multipliée par un gain Td Ces trois paramètres sont introduits par le champ de PID :
  • 65.
    SFP : Etudeet supervision d’une chaine d’alimentation four par des carreaux de céramique Réalisé par :Mohsen Sadok (L3 AII) ISET RADES : département GE 65 Très important : il faut appuis sur le bouton avant de valider les paramètres de PID (KC, Ti, Td) .pour des raisons de sécurité on a créé un system virtuel pour simulée la réponse d’un réservoir réel. Cette système virtuel est appelée PLANT (VI de LabVIEW) qui on a utilisé pour simuler la réponse réel de notre réservoir. SI le niveau d’eau dans réservoir dépasse la limite supérieure 92% et la limites inferieur 10% une alarme sonore va être enclenche et couleur bleu de niveau d’eau dans le réservoir devient rouge et clignotante pour alerter ainsi la motopompe sera en arrêt afin d’éviter les risque de défiance de motopompe. La vanne de sortie sert à l’écoulement de l’eau vers l’utilisation. Ce bouton nous permet de choisir le régulateur par défaut, soit le PID de LABVIEW soit le PID de l’automate de Siemens. C’est un avantage pour l’utilisateur s’il veut charger ou modifier le programme de notre chaine d entré four qui est intégré dans la même automate sans l’arrêt de l’asservissement de niveau pour le réservoir.
  • 66.
    SFP : Etudeet supervision d’une chaine d’alimentation four par des carreaux de céramique Réalisé par :Mohsen Sadok (L3 AII) ISET RADES : département GE 66 8) Interface INFO : Et finalement l’interface qui contient le titre de notre projet et des informations supplémentaires sur nous (programmeur de l’application) : Diagramme d’utilisation :
  • 67.
    SFP : Etudeet supervision d’une chaine d’alimentation four par des carreaux de céramique Réalisé par :Mohsen Sadok (L3 AII) ISET RADES : département GE 67 VI. Diagramme d’utilisation :
  • 68.
    SFP : Etudeet supervision d’une chaine d’alimentation four par des carreaux de céramique Réalisé par :Mohsen Sadok (L3 AII) ISET RADES : département GE 68 VII. Diagramme des classes et des interfaces le diagramme suivant represennte les classes et les interfaces qui constituennt notre application : VIII. Conclusion : LabVIEW est la nouvelle génération de supervision industrielle (SCADA) ces avantages de programmation graphique pour le développement, acquisition, contrôle et enregistrement des données. Ainsi c’est un outil très puissant pour communiquer aux contrôleurs logiques programmables (PLC) et les automates programmable industriel (API).de plus il offre des moyens pour la gestion des bases de données, gestion des alarmes et des événements, et de créer des interfaces homme-machine (IHM).
  • 69.
    SFP : Etudeet supervision d’une chaine d’alimentation four par des carreaux de céramique Réalisé par :Mohsen Sadok (L3 AII) ISET RADES : département GE 69 Conclusion général Dans le cadre de ce projet de fin d’études, on s’est intéressé à la conception et la réalisation d’un système de supervision d’une chaine d’entrée four et un réservoir d’eau, qui constitue une plateforme d’acquisition des données provenant des capteurs des chaine et réservoir et de les traiter puis afficher les résultats dans une interface graphique. Pour la réalisation de ce projet, on a recouru les outils de simulation et de programmation LabVIEW et TIA PORTAL pour mettre en œuvre le système. Pour débuter, il s’est avéré nécessaire d’étudier la chaine ainsi le réservoir. Suite à cette première étude et en se basant sur les consignes du cahier des charges, on est arrivé à concevoir les constituants nécessaires de notre système superviseur. Afin de bien s’assurer de l’atteinte des spécifications, on a simulé plusieurs fois le code de l’application avec l’outil PLCsim de simulation de l’API Siemens aussi on a réalisé un essai avec un compteur d’énergie numérique. Ainsi, on a pu mener notre travail à terme. Cependant, des améliorations de l’application peuvent être envisagées. En effet, on peut modifier notre système de façon qu’il devien capable de prendre des décisions et d’envoyer des consignes à des actionneurs. De plus on peut ajouter à une option d’émission des notifications à travers l’internet en se connectant à des serveurs, afin que le responsable reçoive des informations à distance par exemple des alarmes. Ce projet de fin d’étude était une occasion pour appliquer des connaissances acquises en matière de programmation, de gestion et de planification des différentes tâches du projet. Ce travail présente pour nous une première expérience dans un domaine vaste et complexe qui est les systèmes automatique. En fait, ce projet a été très bénéfique en matière d’acquis techniques et en matière de confrontations de problèmes réels en interaction avec l’informatique. Ce projet de fin d’étude a représenté pour moi une opportunité pour exploiter mon potentiel en termes de connaissances en automatisme industriel, c’est une expérience et un point d’appui dans ma future vie professionnel
  • 70.
    SFP : Etudeet supervision d’une chaine d’alimentation four par des carreaux de céramique Réalisé par :Mohsen Sadok (L3 AII) ISET RADES : département GE 70 Bibliographie 1) Ouvrage : [1] « Automatismes industriels », William bolt, bibliothèque iset Rades. [2]« TIA PORTAL manuel d’utilisation», Siemens [3]«CPU 416 user manuel», Siemens [4]« LabVIEW user manuel », National instrument [5]« LABVIEW PID Control Toolkit User Manual » National instrument [6]« Ni OPC SERVER user manuel”, National instrument » 2) Nétographie [7] .http://www.ni.com (site LABVIEW) [8].http://www.Siemens.com [9] .www.typonrelais.com (site du logiciel de saisie des schémas d’installation électrique BT-MT-HT : WINRELAIS) [10] .http://www.realgames.pt (site du logiciel de simulation des systèmes industrielle en 3d : FACTORY IO) [11] .http://www.mhg-tools.com (site des logiciels de programmation API Siemens) [12] .https://www.youtube.com/channel/UCaEEm-0s0x3MHg9jzFcHuQQ (chaine YouTube des API Siemens) 3) Logiciels [13] TIA PORTAL (environnement de programmation et supervision des API Siemens) [14] LABVIEW (langage de programmation graphique et supervision industrielle) [15 NI OPC SERVER (logiciel de partage des variables entre interface graphique et PLC) [16] NETTOPLCSIM (serveur des variables de PLCsim vers NI OPC SERVER) [17] PLCSIM (automate virtuel de Siemens) [18] EDIT GRAPH (éditeur de GRAFCET) [19] Simatic manager step7(programmation ladder de API Siemens S200/s300/S400) [20] WIN RELAIS, XRelais (logiciel de saisie des schémas d’installation électrique BT- MT-HT) [21] WIN PLC ENGINE (automate virtuel de MHG-Edition) [22] FACTORY IO (logiciel de simulation du système industriel en 3d) [23] VIRTUAL BOX (utilisé pour générer une adresse IP virtuelle fixé pour NI OPC SERVER) [24] CAMTASIA STUDIO (logiciel de capture écran) [25] WINDOWS CAPTURE (outil de capture de Windows) [26] starUML(logiciel de création de diagramme des classes)
  • 71.
    SFP : Etudeet supervision d’une chaine d’alimentation four par des carreaux de céramique Réalisé par :Mohsen Sadok (L3 AII) ISET RADES : département GE 71 ANNEXES
  • 72.
    SFP : Etudeet supervision d’une chaine d’alimentation four par des carreaux de céramique Réalisé par :Mohsen Sadok (L3 AII) ISET RADES : département GE 72 ANNEXE 1 Sélecteur de mode MRES = Effacement général (Module Reset) STOP = Arrêt : le programme n’est pas exécuté. RUN = Le programme est exécuté : accès en lecture seule avec une PG. Signalisation d’état (LED) SF = Signalisation groupée des défauts : défaut interne de la CPU ou d’un module avec fonction de diagnostic. BATF = Défaut de pile : pile à plat ou absente. DC5V = Signalisation de la tension d’alimentation interne 5 V FRCE = Forçage : signalisation indiquant qu’une entrée ou une sortie au moins est forcée. RUN = Clignotement à la mise en route de la CPU, allumage continu en mode Run. STOP : - Allumage continu en mode Stop Clignotement lent lorsqu’une requête d’effacement général est lancée (par ex. en cas de retrait de la carte mémoire en cours d’exploitation) - Clignotement rapide lorsqu’un effacement général est en cours Variables : Dans les systèmes automatisés, la notion de bit, byte, Word ou double Word est souvent utilisée. Il est donc nécessaire de connaître la signification de ces termes. Bit : Un bit correspond à une position ou un caractère binaire. Il s’agit de la plus petite unité en matière d’information et elle n’admet que l’un des deux états suivants : "0" ou "1". Plusieurs bits peuvent être regroupés sous la forme d’unités plus importantes. Byte (ou octet) : Un byte est une unité de 8 bits. Il est utilisé par exemple pour regrouper les états logiques de 8 entrées ou de 8 sorties. Word (ou Mot) : Un Word se compose de 2 bytes, soit 16 bits. Un mot permet de regrouper 16 entrées ou 16 sorties. Double Word (ou double mot) : Un double Word se compose de 2 mots, ou 4 bytes, ou 32 bits. Un double mot est la plus grande unité qu’un automate soit capable de traiter. Résumé:
  • 73.
    SFP : Etudeet supervision d’une chaine d’alimentation four par des carreaux de céramique Réalisé par :Mohsen Sadok (L3 AII) ISET RADES : département GE 73 - 8 bits = 1 byte - 16 bits = 2 byte = 1 Word - 32 bits = 4 byte = 2 Word = 1 double word Type symbolique Type Valeur min Valeur max Mémoire requise bo BOOL FALSE ou « 0 » TRUE ou « 1 » 1/8 bit by BYTE 0 255 8 bit wo WORD 0 65535 16 bits dw DWORD 0 4294967295 32 bits si SINT -128 127 8 bits us USINT 0 255 8 bits in INT -32768 32767 16 bits ui UINT 0 65535 16 bits re REAL ~ -3.402823 x 1038 ~ 3.402823 x 1038 32 bits ti TIME T#0ms T#71582m47s295ms 32 bits ch CHAR -128 127 8 bits tr TIMER Temporisation cr COUNTER Compteur Tableau 15:variables API Adressage: Avant de commencer à programmer, il est très important de connaître l’adressage d’un automate. L’adressage permet de connaître le nombre d’entrées / sorties à disposition, le genre d’entrée (rapide ou standard), le genre de byte, entier ou double entier que l’on va pouvoir former
  • 74.
    SFP : Etudeet supervision d’une chaine d’alimentation four par des carreaux de céramique Réalisé par :Mohsen Sadok (L3 AII) ISET RADES : département GE 74 ANNEXE 2 Comparaison de différents systèmes et IDE (interface de développement) Gamme d’API SIEMENS
  • 75.
    SFP : Etudeet supervision d’une chaine d’alimentation four par des carreaux de céramique Réalisé par :Mohsen Sadok (L3 AII) ISET RADES : département GE 75
  • 76.
    SFP : Etudeet supervision d’une chaine d’alimentation four par des carreaux de céramique Réalisé par :Mohsen Sadok (L3 AII) ISET RADES : département GE 76 ANNEXE 3 Pour commencer à utiliser TIA PORTAL il faut créer un projet. La création d’un projet commence toujours par la configuration du matériel.La configuration du matériel revient à lister tous les modules présents dans le projet. Par exemple l’alimentation, le CPU, les entrées-sorties, les modules de communications, tous ces éléments se trouvent dans la bibliothèque du projet. Double-cliquer sur l'icône de TIA portal puis sélectionner : « Créer un projet », Entrer le nom du projet Le chemin et l'auteur Cliquez sur « Créer » Lorsque le projet est créé, cliquez sur « Vue du projet » Sélectionner « Ajouter un appareil » Sélectionner « Contrôleurs » Jusqu'ici la procédure est la même pour tous les automates. Dans le dossier « Projet », vous trouvez les objets requis dans le projet. Parmi ces objets figurent les éléments suivants :  Le CPU utilisé  Le programme  Information sur le programme
  • 77.
    SFP : Etudeet supervision d’une chaine d’alimentation four par des carreaux de céramique Réalisé par :Mohsen Sadok (L3 AII) ISET RADES : département GE 77 Les onglets affichés sur la droite de l’écran peuvent être ouverts ou fermés à tout moment. Les onglets disponibles à l’écran sont fonction des produits installés et de l’objet ouvert dans la fenêtre de travail ou en cours de traitement. Ces onglets permettent d’exécuter différentes actions : • Catalogue du matériel : Il contient les composants matériels disponibles, comme la CPU, les modules, etc. • Outils en ligne : Lorsqu’une liaison en ligne est établie, des informations en ligne et des données de diagnostic peuvent être consultées (le temps de cycle actuel de la CPU ou la configuration de la mémoire de travail et de chargement dans la CPU). Par ailleurs, la CPU peut être basculé en mode STOP et RUN. • Tâches : Cet onglet permet d’accéder aux fonctions classiques des différents éditeurs : chercher/remplacer des variables, des instructions, etc. • Bibliothèques : Pour enregistrer des objets susceptibles d’être réutilisés, il faut utiliser les bibliothèques locales (relatives au projet) et globales. Elles permettent de mémoriser et de réutiliser (copier) des objets de tout type (stations complètes, blocs, listes de variables, etc.). • Simulation : On peut simuler des pupitres opérateurs et des CPU du S7-300 / 400, mais pas celles du S7- 1200. La simulation porte sur le matériel sélectionné dans le navigateur du projet. Ensuite pour la configuration matérielle, ouvrir le catalogue du matériel puis glisser et déposer le module choisi à l’emplacement indiqué. Pour TIA Portal, la table des variables est « l’outil » qui permet de créer un adressage symbolique. Une fois la table ouverte, il suffit de saisir un identificateur symbolique pour chaque variable .
  • 78.
    SFP : Etudeet supervision d’une chaine d’alimentation four par des carreaux de céramique Réalisé par :Mohsen Sadok (L3 AII) ISET RADES : département GE 78 ANNEX 4
  • 79.
    SFP : Etudeet supervision d’une chaine d’alimentation four par des carreaux de céramique Réalisé par :Mohsen Sadok (L3 AII) ISET RADES : département GE 79 Annexe 5
  • 80.
    SFP : Etudeet supervision d’une chaine d’alimentation four par des carreaux de céramique Réalisé par :Mohsen Sadok (L3 AII) ISET RADES : département GE 80 INDEXE Améliorations, 24 API, 21 API S7-416-3, 44 Atomisation, 14 AUTO/MAN, 27 bouton poussoir, 18 Câblage, 42 Compteur CEI, 33 Compteur SIMATIC, 33 CONT_C, 38 Convertisseur A/N, 35 CPU 416-3 PN/DP, 22 CTD, 34 électrovanne, 44 Equations, 27 étape, 28 Four, 17 gain, 40 GRAFCET, 19 Grafcet conduit, 27 l’association française, 35 LADDER, 30 LGV (véhicule à guide laser), 16 Matière première, 13 mémento, 30 module analogique, 35 MOVE, 37 multi instance, 41 OB, 32 OMRON, 20 PID, 38 Prix, 44 REA, 35 REAL, 40 remplissage, 20 réservoir, 29 ROTOSCREEN, 16 salle de contrôle, 29 SCALE, 35 Set point, 40 solutions, 20 supervision, 45 Table d’affectation, 31 Table de variables, 31 TIA PORTAL, 22 Ton, 34 Une chaine à rouleaux, 18 unipolaire, 36 VARIATION DE VITESSE, 33 visualisation, 41 WINCC, 22
  • 81.
    SFP : Etudeet supervision d’une chaine d’alimentation four par des carreaux de céramique Réalisé par :Mohsen Sadok (L3 AII) ISET RADES : département GE 81