Degrés de libertés d’un solide
La mise en position d’une pièce :
Mettre en position une pièce sur un ensemble de fabrication
ou de contrôle (table de machine ; porte-pièce d’usinage, de
contrôle ou d’assemblage appelé montage d’usinage etc...;
appareillage standard), c’est trouver un système de positionnement
dit isostatique.
Le positionnement de la pièce est isostatique si le nombre de
degrés de liberté supprimés est égal à 6.
La mise en position d’une pièce :
Pour que la mise en position soit correcte, il faut que :
- en replaçant la pièce sur le référentiel, elle retrouve la même
position qu’avant,
- les écarts de forme ou de position, appartenant aux différentes
pièces qui vont se succéder sur le référentiel, entraînent des mises
en position identiques avec de très faibles dispersions,
- ces dispersions doivent être très nettement inférieures aux
intervalles de tolérance des cotes à respecter et des tolérances
géométriques indiquées.
Le maintien en position d’une pièce :
Une fois la pièce mise en position, il faut la maintenir dans cette
position.
Le maintien en position sur le référentiel est assuré par des
dispositifs dits de maintien de contact, de serrage.
Ceux-ci assurent la stabilité de la pièce, malgré les efforts de coupe
parfois très importants, tout en limitant la déformation de la pièce.
Choix des liaisons
Remarque : Les surfaces appuis sont les surfaces d’où partent au
moins une des cotes de fabrications.
Application à des cas courants
Application à des cas courants
Liaison Nbr de normales
Rotations
supprimées
Translations
supprimées
Ponctuelle 1 0 1
Linéaire rectiligne 2 1 1
Linéaire annulaire 2 0 2
Appui plan 3 2 1
Pivot glissant 4 2 2
Pivot 5 2 3
Elimination des Degrés de libertés d’un solide
Elimination des Degrés de libertés d’un solide
Symbolisation technologique (NF E 04-013)
1 Type de technologie
2 Nature de la surface repérée
3 Fonction de l’élément technologique
4 Nature de la surface de contact
Exemple de symboles composés
Exemple
Exemple
Règles principales
• Choix du brut: A partir du dessin définition, donc de la forme générale de la pièce il faut choisir le brut
de départ. On essayera de limiter le volume de matière à enlever par usinage, on limite les
surépaisseurs d’usinage.
• Association des surfaces: On réalise dans la même phase les surfaces liées entre elle par des « cotes
serrée » ou des spécifications géométriques (coaxialité, perpendicularité …)
• Création des phases: On minimise le nombre de montage/démontage de la pièce. On réalise un
maximum de surface pour une mise en position donnée.
• Mise en position sur surfaces usinées: L’isostatisme sera mis en place afin que la mise en position de la
pièce soit unique, surtout si vous devez réaliser plusieurs fois la même pièce.
Pour mettre la pièce en position sur le porte-pièce choisie, on s’appuie sur des surfaces usinées.
On élimine le plus grand nombre de degré de liberté sur les plus grandes surfaces.
• Choix des machines pour réalisation: Par rapport aux associations de surfaces définies, il faut choisir la
machine qui permet de réaliser les usinages définis
1- choix du brut
On doit vérifier qu’il existe ce type de matière au magasin : soit une barre pleine
de Ø 65 dont on coupera une longueur de 30 mm
2- association des surfaces
On met la pièce en position
d’usinage, d’où
l’orientation de la pièce en
phase 20.
Attention, le dessin
représente la pièce finale
(toutes surfaces usinées).
3- Création des phases en associant un maximum de surfaces
A chaque opération, il faut bien choisir l’outil.
Suivant la qualité désirée, réaliser les
surfaces en ébauche, ½ finition et finition
(exemple cas de réalisation d’un Ø de
tolérance H7)
4- mise en position de la pièce
Attention, la pièce est en cours
d’usinage, dessiner la pièce
correspondant aux usinages à
réaliser :
dans la phase 10, les appuis
sont sur du brut
dans la phase 20 : les appuis
sont sur des surfaces usinées
5- rédaction de la
gamme d’usinage
5- rédaction de la
gamme d’usinage
6- rédaction du
contrat de la
phase 10
4
2
3
1
5
21
5
4
3
6
LES COTES DE FABRICATION
• Les cotes machine : Cm
Une cote machine est une cote entre la surface référentielle
pièce et la surface à usiner.
4
3
2
5
1
21 3
4
5 6
321
4
5
6
LES COTES DE FABRICATION
• Les cotes outil : Co
Une cote outil est une cote qui ne dépend que de la
dimension d'un outil.
canon de perçage
pièce
LES COTES DE FABRICATION
• Les cotes appareillage : Ca
Une cote appareillage est une
cote obtenue à partir d’un
appareil (montage d’usinage,
masque de perçage, gabarit
de copiage ...
ANALYSE DES CONTRAINTES D’ANTÉRIORITÉ
Lors de l’analyse de fabrication d’une pièce, un certain nombre de
contraintes imposent un ordre chronologique pour les opérations d’usinage.
On distingue :
• Les contraintes géométriques et dimensionnelles : données par le respect
des formes et des positions prescrites par le dessin de définition.
• Les contraintes technologiques : imposées par les moyens de fabrication.
• Les contraintes économiques : liées à la réduction des coûts de la
fabrication.
Contrainte d’antériorité : c’est l’obligation
d’usinage d’une telle surface avant une autre
Dessin de définition Ordre d’usinage Justification Type de contrainte
………………...
………………..
ensuite
………………..
………………..
La fente (1;2) rend la pièce flexible donc il faut
l’exécuter après le perçage (3).
…………………..
………………...
………………..
ensuite
………………..
………………..
La tolérance de perpendicularité impose la réalisation du
perçage (1) avant le dressage de (B).
…………………..
………………...
………………..
ensuite
………………..
………………..
L’usinage de (2) va provoquer un affaiblissement de la
section de la pièce la résistance à la flexion de la pièce
diminuera.
…………………..
1
2
3
0 ,05
1
B
2 1
Dessin de définition Ordre d’usinage Justification Type de contrainte
………………...
………………..
………………...
L’association de deux outils, permet le respect en « cote
directe » de la cote du dessin de définition et permet de
gagner un temps appréciable par rapport à l’utilisation
d’un seul outil.
…………………..
………………...
………………..
ensuite
………………..
………………..
la surface (B) doit précéder la surface (1). Elles sont liées
par la cote 35 0..2 …………………..
2 1
Application
GAMME D’USINAGE
Ensemble :……………………………………………………………………
…
Matière :…………………...
Organe :……………………………………………………………………….. Nombre : 500 pièces/mois
Elément :……………………………………………………………………….
.
Brut : Usiné
N° Ph Désignation M.O
Outillage
vérificateurs
Croquis
10 Contrôle du brut P.C au 1/50  401 ; L = 241
20 Tournage
Le référentiel est défini par :
- Appui plan (1, 2, 3) sur (7)
- Centrage court (4, 5) sur (8)
- Serrage concentrique (S)
a- Dressage de (1) en :
Cf1 = 210,2
b- Dressage et chariotage
simultané de
(2) et (3) en :
2Cf2 =  380,2
Cf3 = 120,2
T.P
P.C au 1/50
Outil coudé
Outil couteau
2
3 1
8
7
GAMME D’USINAGE
Ensemble :……………………………………………………………………… Matière :…………………...
Organe :……………………………………………………………………….. Nombre : 500 pièces/mois
Elément :……………………………………………………………………….. Brut : Usiné
N° Ph Désignation M.O
Outillage
vérificateurs
Croquis
30 Tournage
Le référentiel est défini par :
………………………………………………
………………………………………………
………………………………………
a- …………………………………………
……………………………………………
b- …………………………………………
………………………………………………
………………………………………………
………………………………………………
………………………………………………
………………………………………………
………………………………………………
……………………………
T.P
P.C au 1/50
Outil coudé
Outil couteau
5
6 4
№ Phase :
20
Phase :
Tournage
Machine :
Tour P.
Ensemble : ……………
Organe : ………………..
Elément : ………………
Nombre : 500/mois
Matière : C35
Brut : Scié de la barre.
Opération Eléments de coupe Appareillages
a, b, c,…etc… E F/2 F
V
m/mn
f
mm/tr
N
tr/mn
VA
mm/mn
Outils de coupe Vér.
CONTRAT DE PHASE
Référentiel défini par :
Ensemble : Matière : Acierdoux
Elément : Nombre :
N°PH Désignation M.O Outillage et verificateurs Croquis
10 Contrôle du brut P.C au 1/50 Ø 40±0.5 ; L = 65±0.5
20 TP
Outil à charioter
Outil couteau
P.C au 1/50
30 TP
Outil à charioter
Outil couteau
P.C au 1/50
Partout 6,3 avec Tolérance Géométrique : ±0,5 ;
1° sauf indications.
Embase
Référentiel de mise en position
• Centrage long (1, 2, 3, 4) + serrage par les 3
mors durs
• Appui ponctuel (5) par butée broche
N ° Phase
20
Phase
TOURNAGE
Machine
TP
Ensemble :
Organe :
Matière :
Elément : Embase
Nombre:
Brut :
Opérations Eléments de coupe Appareillages
a, b,c,…,etc…… E F/2 F V Va N Outils
coupants
Vérificateurs
a
b
c
N ° Phase
30
Phase
TOURNAGE
Machine
TP
Ensemble :
Organe :
Matière :
Elément : Embase
Nombre:
Brut :
Référentiel de mise en position
•Centrage long (1, 2, 3, 4) + serrage par les 3 mors durs
•Appui ponctuel (5) par butée broche
Opérations Eléments de coupe Appareillages
a, b,c,…,etc…… E F/2 F V Va N Outils coupants Vérificateurs
a
b
CONTRAT DE PHASE
№ Phase :
20
Phase :
Fraisage
Machine :
Tour
Ensemble : Tour.
Organe : Porte outil.
Elément : Corps.
Nombre : 50/mois/2ans
Matière : C45
Brut : Usiné.
CONTRAT DE PHASE
1 2
4
1
B
E
54 ±0.1
27
±0.1
3
65
3
2
18 ±0.1
Référentiel défini par :
- Appui plan (1,2,3) sur B.
- Appui linéaire (4,5) sur E.
- Butée (6) sur C.
- Serrage contre l’appui linéaire
Opération Eléments de coupe Appareillages
a, b, c,…etc… E F/2 F
V
m/mn
a
mm/dt
N
tr/mn
A
mm/mn
Outils
coupants
Vér.
a) Surfaçage
de (1) et
(3). X …… ……. …… …….
-Fraise 2T
Ø 20
-P.C
-J.P
b) Surfaçage de
(2). X …… ……. …… ……..
- Fraise 2T
Ø 20
-P.C
-J.P
Établissement d'une simulation d'usinage
Établissement d'une simulation d'usinage
Établissement d'une simulation d'usinage
Établissement d'une simulation d'usinage
Établissement d'une simulation d'usinage
Établissement d'une simulation d'usinage
Établissement d'une simulation d'usinage
Établissement d'une simulation d'usinage
Établissement d'une simulation d'usinage
Établissement d'une simulation d'usinage
Établissement d'une simulation d'usinage
Établissement d'une simulation d'usinage
Établissement d'une simulation d'usinage
05 gamme
05 gamme
05 gamme
05 gamme
05 gamme
05 gamme
05 gamme
05 gamme
05 gamme
05 gamme
05 gamme

05 gamme

  • 2.
    Degrés de libertésd’un solide
  • 3.
    La mise enposition d’une pièce : Mettre en position une pièce sur un ensemble de fabrication ou de contrôle (table de machine ; porte-pièce d’usinage, de contrôle ou d’assemblage appelé montage d’usinage etc...; appareillage standard), c’est trouver un système de positionnement dit isostatique. Le positionnement de la pièce est isostatique si le nombre de degrés de liberté supprimés est égal à 6.
  • 4.
    La mise enposition d’une pièce : Pour que la mise en position soit correcte, il faut que : - en replaçant la pièce sur le référentiel, elle retrouve la même position qu’avant, - les écarts de forme ou de position, appartenant aux différentes pièces qui vont se succéder sur le référentiel, entraînent des mises en position identiques avec de très faibles dispersions, - ces dispersions doivent être très nettement inférieures aux intervalles de tolérance des cotes à respecter et des tolérances géométriques indiquées.
  • 5.
    Le maintien enposition d’une pièce : Une fois la pièce mise en position, il faut la maintenir dans cette position. Le maintien en position sur le référentiel est assuré par des dispositifs dits de maintien de contact, de serrage. Ceux-ci assurent la stabilité de la pièce, malgré les efforts de coupe parfois très importants, tout en limitant la déformation de la pièce.
  • 6.
    Choix des liaisons Remarque: Les surfaces appuis sont les surfaces d’où partent au moins une des cotes de fabrications.
  • 7.
    Application à descas courants
  • 8.
    Application à descas courants
  • 10.
    Liaison Nbr denormales Rotations supprimées Translations supprimées Ponctuelle 1 0 1 Linéaire rectiligne 2 1 1 Linéaire annulaire 2 0 2 Appui plan 3 2 1 Pivot glissant 4 2 2 Pivot 5 2 3 Elimination des Degrés de libertés d’un solide
  • 11.
    Elimination des Degrésde libertés d’un solide
  • 12.
    Symbolisation technologique (NFE 04-013) 1 Type de technologie 2 Nature de la surface repérée 3 Fonction de l’élément technologique 4 Nature de la surface de contact
  • 14.
  • 15.
  • 16.
  • 17.
    Règles principales • Choixdu brut: A partir du dessin définition, donc de la forme générale de la pièce il faut choisir le brut de départ. On essayera de limiter le volume de matière à enlever par usinage, on limite les surépaisseurs d’usinage. • Association des surfaces: On réalise dans la même phase les surfaces liées entre elle par des « cotes serrée » ou des spécifications géométriques (coaxialité, perpendicularité …) • Création des phases: On minimise le nombre de montage/démontage de la pièce. On réalise un maximum de surface pour une mise en position donnée. • Mise en position sur surfaces usinées: L’isostatisme sera mis en place afin que la mise en position de la pièce soit unique, surtout si vous devez réaliser plusieurs fois la même pièce. Pour mettre la pièce en position sur le porte-pièce choisie, on s’appuie sur des surfaces usinées. On élimine le plus grand nombre de degré de liberté sur les plus grandes surfaces. • Choix des machines pour réalisation: Par rapport aux associations de surfaces définies, il faut choisir la machine qui permet de réaliser les usinages définis
  • 20.
    1- choix dubrut On doit vérifier qu’il existe ce type de matière au magasin : soit une barre pleine de Ø 65 dont on coupera une longueur de 30 mm
  • 21.
  • 22.
    On met lapièce en position d’usinage, d’où l’orientation de la pièce en phase 20. Attention, le dessin représente la pièce finale (toutes surfaces usinées). 3- Création des phases en associant un maximum de surfaces
  • 23.
    A chaque opération,il faut bien choisir l’outil. Suivant la qualité désirée, réaliser les surfaces en ébauche, ½ finition et finition (exemple cas de réalisation d’un Ø de tolérance H7)
  • 24.
    4- mise enposition de la pièce Attention, la pièce est en cours d’usinage, dessiner la pièce correspondant aux usinages à réaliser : dans la phase 10, les appuis sont sur du brut dans la phase 20 : les appuis sont sur des surfaces usinées
  • 25.
    5- rédaction dela gamme d’usinage
  • 26.
    5- rédaction dela gamme d’usinage
  • 27.
  • 30.
    4 2 3 1 5 21 5 4 3 6 LES COTES DEFABRICATION • Les cotes machine : Cm Une cote machine est une cote entre la surface référentielle pièce et la surface à usiner.
  • 31.
    4 3 2 5 1 21 3 4 5 6 321 4 5 6 LESCOTES DE FABRICATION • Les cotes outil : Co Une cote outil est une cote qui ne dépend que de la dimension d'un outil.
  • 32.
    canon de perçage pièce LESCOTES DE FABRICATION • Les cotes appareillage : Ca Une cote appareillage est une cote obtenue à partir d’un appareil (montage d’usinage, masque de perçage, gabarit de copiage ...
  • 33.
    ANALYSE DES CONTRAINTESD’ANTÉRIORITÉ Lors de l’analyse de fabrication d’une pièce, un certain nombre de contraintes imposent un ordre chronologique pour les opérations d’usinage. On distingue : • Les contraintes géométriques et dimensionnelles : données par le respect des formes et des positions prescrites par le dessin de définition. • Les contraintes technologiques : imposées par les moyens de fabrication. • Les contraintes économiques : liées à la réduction des coûts de la fabrication. Contrainte d’antériorité : c’est l’obligation d’usinage d’une telle surface avant une autre
  • 34.
    Dessin de définitionOrdre d’usinage Justification Type de contrainte ………………... ……………….. ensuite ……………….. ……………….. La fente (1;2) rend la pièce flexible donc il faut l’exécuter après le perçage (3). ………………….. ………………... ……………….. ensuite ……………….. ……………….. La tolérance de perpendicularité impose la réalisation du perçage (1) avant le dressage de (B). ………………….. ………………... ……………….. ensuite ……………….. ……………….. L’usinage de (2) va provoquer un affaiblissement de la section de la pièce la résistance à la flexion de la pièce diminuera. ………………….. 1 2 3 0 ,05 1 B 2 1
  • 35.
    Dessin de définitionOrdre d’usinage Justification Type de contrainte ………………... ……………….. ………………... L’association de deux outils, permet le respect en « cote directe » de la cote du dessin de définition et permet de gagner un temps appréciable par rapport à l’utilisation d’un seul outil. ………………….. ………………... ……………….. ensuite ……………….. ……………….. la surface (B) doit précéder la surface (1). Elles sont liées par la cote 35 0..2 ………………….. 2 1
  • 36.
  • 37.
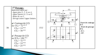
    GAMME D’USINAGE Ensemble :…………………………………………………………………… … Matière:…………………... Organe :……………………………………………………………………….. Nombre : 500 pièces/mois Elément :………………………………………………………………………. . Brut : Usiné N° Ph Désignation M.O Outillage vérificateurs Croquis 10 Contrôle du brut P.C au 1/50  401 ; L = 241 20 Tournage Le référentiel est défini par : - Appui plan (1, 2, 3) sur (7) - Centrage court (4, 5) sur (8) - Serrage concentrique (S) a- Dressage de (1) en : Cf1 = 210,2 b- Dressage et chariotage simultané de (2) et (3) en : 2Cf2 =  380,2 Cf3 = 120,2 T.P P.C au 1/50 Outil coudé Outil couteau 2 3 1 8 7
  • 38.
    GAMME D’USINAGE Ensemble :………………………………………………………………………Matière :…………………... Organe :……………………………………………………………………….. Nombre : 500 pièces/mois Elément :……………………………………………………………………….. Brut : Usiné N° Ph Désignation M.O Outillage vérificateurs Croquis 30 Tournage Le référentiel est défini par : ……………………………………………… ……………………………………………… ……………………………………… a- ………………………………………… …………………………………………… b- ………………………………………… ……………………………………………… ……………………………………………… ……………………………………………… ……………………………………………… ……………………………………………… ……………………………………………… …………………………… T.P P.C au 1/50 Outil coudé Outil couteau 5 6 4
  • 39.
    № Phase : 20 Phase: Tournage Machine : Tour P. Ensemble : …………… Organe : ……………….. Elément : ……………… Nombre : 500/mois Matière : C35 Brut : Scié de la barre. Opération Eléments de coupe Appareillages a, b, c,…etc… E F/2 F V m/mn f mm/tr N tr/mn VA mm/mn Outils de coupe Vér. CONTRAT DE PHASE Référentiel défini par :
  • 40.
    Ensemble : Matière: Acierdoux Elément : Nombre : N°PH Désignation M.O Outillage et verificateurs Croquis 10 Contrôle du brut P.C au 1/50 Ø 40±0.5 ; L = 65±0.5 20 TP Outil à charioter Outil couteau P.C au 1/50 30 TP Outil à charioter Outil couteau P.C au 1/50 Partout 6,3 avec Tolérance Géométrique : ±0,5 ; 1° sauf indications. Embase
  • 41.
    Référentiel de miseen position • Centrage long (1, 2, 3, 4) + serrage par les 3 mors durs • Appui ponctuel (5) par butée broche N ° Phase 20 Phase TOURNAGE Machine TP Ensemble : Organe : Matière : Elément : Embase Nombre: Brut :
  • 42.
    Opérations Eléments decoupe Appareillages a, b,c,…,etc…… E F/2 F V Va N Outils coupants Vérificateurs a b c
  • 43.
    N ° Phase 30 Phase TOURNAGE Machine TP Ensemble: Organe : Matière : Elément : Embase Nombre: Brut : Référentiel de mise en position •Centrage long (1, 2, 3, 4) + serrage par les 3 mors durs •Appui ponctuel (5) par butée broche
  • 44.
    Opérations Eléments decoupe Appareillages a, b,c,…,etc…… E F/2 F V Va N Outils coupants Vérificateurs a b CONTRAT DE PHASE
  • 50.
    № Phase : 20 Phase: Fraisage Machine : Tour Ensemble : Tour. Organe : Porte outil. Elément : Corps. Nombre : 50/mois/2ans Matière : C45 Brut : Usiné. CONTRAT DE PHASE 1 2 4 1 B E 54 ±0.1 27 ±0.1 3 65 3 2 18 ±0.1 Référentiel défini par : - Appui plan (1,2,3) sur B. - Appui linéaire (4,5) sur E. - Butée (6) sur C. - Serrage contre l’appui linéaire Opération Eléments de coupe Appareillages a, b, c,…etc… E F/2 F V m/mn a mm/dt N tr/mn A mm/mn Outils coupants Vér. a) Surfaçage de (1) et (3). X …… ……. …… ……. -Fraise 2T Ø 20 -P.C -J.P b) Surfaçage de (2). X …… ……. …… …….. - Fraise 2T Ø 20 -P.C -J.P
  • 53.
  • 54.
  • 55.
  • 56.
  • 57.
  • 58.
  • 59.
  • 60.
  • 61.
  • 62.
  • 63.
  • 64.
  • 65.