ELECTRICITE BATIMENT
: Les dangers de l’électricité
Voici, à l’intention des services de sécurité incendie, quelques points à aborder avec
les citoyens au sujet des dangers de l’électricité.
Tous les appareillages électriques
• Faire vérifier régulièrement les installations électriques par un maître électricien.
• Faire remplacer les appareillages trop vieux, endommagés ou non conformes.
• Remplacer les couvercles protecteurs des boîtes de jonction, des prises électriques
et des commutateurs dès qu’ils sont endommagés.
• Éviter d’appliquer de la peinture ou tout autre produit sur les installations
électriques.
• Faire installer le câblage électrique bien en vue de façon à ce que les rongeurs ne
puissent l’atteindre, soit plus de 30 cm de toute surface pouvant leur donner appui.
Si le câblage doit passer sur le côté d’une poutre, respecter une distance de 10 cm à
partir du dessus de la poutre.
• Ne pas tolérer des fils électriques fixés par des clous ou tout autre moyen
inadéquat. Utiliser des attaches prévues à cette fin.
.Ne jamais dénuder les fils électriques •
Panneau électrique :
Entretien du panneau
• Laisser toujours en place le couvercle protecteur du panneau électrique afin
d’éviter les risques d’électrisation et
d’empêcher la poussière et l’humidité d’endommager les contacts électriques.
• Serrer une fois par année les fusibles.
• Vérifier occasionnellement les panneaux à disjoncteurs, car ils peuvent aussi se
desserrer.
• Faire inspecter le panneau électrique par un maître-électricien dès qu’on
emménage dans une nouvelle demeure.
Remplacement d’un fusible ou d’un disjoncteur
• Si un fusible saute, vérifier s’il n’y a pas trop d’appareils branchés sur ce circuit. Si
c’est le cas, brancher moins d’appareils.
• Si un fusible saute sans raison apparente, ne pas le remplacer par un autre de
calibre supérieur; communiqué plutôt avec un maître-électricien.
• Éviter de remplacer un fusible ou un disjoncteur à la noirceur ni lorsque le plancher
est humide, et éviter de toucher du métal.
• Ouvrir l’interrupteur principal (mettre à OFF) avant de remplacer un fusible ou un
disjoncteur.
• Éviter de recourir à une pièce de monnaie pour remplacer un fusible ou à un bout
de broche pour faire fonctionner un disjoncteur. Ce sont les fusibles et les
disjoncteurs qui détectent les surcharges et empêchent le câble de prendre feu.
Type et calibre des fusibles
Vérifier que les fusibles sont du calibre approprié :
• Pour les circuits d’éclairage et les prises de courant, utiliser des fusibles de 15
ampères.
• Employer un fusible D, à action différée, pour les appareils demandant beaucoup
de courant au démarrage comme le réfrigérateur, le congélateur et le climatiseur.
Utiliser un fusible P, réagissant aux surcharges et sensible à la chaleur, pour les •
autres circuits comme le chauffe-eau, la sécheuse à linge, le lave-vaisselle, les
.plinthes chauffantes et les calorifères
Cordons de rallonge et cables​ :
• Utiliser des rallonges avec disjoncteur incorporé.
• Ne pas employer les cordons de rallonge de façon permanente, débrancher-les
après usage.
• Garder les cordons de rallonge à la vue. Éviter de les cacher sous les tapis ou
derrière les meubles, et de les faire passer à travers un mur ou sous une porte.
• Éviter d’enrouler un cordon de rallonge lorsqu’il est branché. La chaleur dégagée au
coeur de l’enroulement peut endommager la gaine protectrice et provoquer un arc
électrique. Utiliser un cordon de rallonge plus court.
• Remplacer tout cordon endommagé ou dégageant de la chaleur.
• Ne pas suspendre un cordon de rallonge sur un crochet ou un clou.
• Faire installer des prises supplémentaires par un maître-électricien si une rallonge
en permanence ou une prise multiple est nécessaire.
• Cesser d’utiliser un appareil dont le câble dégage de la chaleur et dont la gaine
présente des signes d’usure.
Ne pas laisser pendre un appareil électrique à son cable •.
Fiches, prises de courant simples et prises multiples​ :
• Tirer sur la fiche pour débrancher un appareil et non sur le câble.
• Ne pas couper la troisième dent d’une fiche, elle est nécessaire pour la mise à la
terre de l’appareil.
• S’assurer que les prises de courant de la salle de bain et celles de l’extérieur
possèdent un disjoncteur intégré. Les prises de courant extérieures doivent aussi
posséder un couvert protecteur.
• S’assurer qu’aucune fiche n’est coincée ou écrasée derrière un meuble.
Ne brancher sur des prises multiples que des appareils à faible consommation •
.comme les lampes de table, les radios-réveils ou la télévision
Appareils de chauffage portatifs :
• Placer la chaufferette loin des meubles, des rideaux et des autres tissus.
• Garder la chaufferette hors du passage afin d’éviter qu’elle se renverse
• Brancher la chaufferette dans une prise, et non à un cordon de rallonge.
• S’assurer que la chaufferette possède un dispositif de sécurité intégré qui arrête
l’appareil lorsqu’il est renversé.
• Ne jamais utiliser une chaufferette de chantier de façon permanente. Faire plutôt
installer un système de chauffage conforme.
Plinthes de chauffage​ :
• Éloigner les rideaux et les meubles à une distance de dix centimètres des plinthes
électriques.
• S’assurer l’intérieur des plinthes est vide de tout objet, comme du papier du
journal, et éloigner tout ce qui pourrait s’y retrouver accidentellement.
Autres appareils​ :
• Utiliser des appareils portant le sceau d’un organisme d’homologation reconnu
comme CSA ou ULc.
• Utiliser des ampoules du calibre indiqué sur la lampe.
• Éviter de déposer du tissu sur les abat-jour des lampes. Les 200 °C de l’ampoule
pourraient l’enflammer.
• Nettoyer régulièrement l’enroulement des condensateurs et le mécanisme derrière
le réfrigérateur. La poussière et les dépôts graisseux peuvent prendre feu.
• Sortir les appareils électriques comme une radio ou un radiateur de la salle de bain​.
Appareillages extérieurs​ :
• S’assurer que les prises de courant et les commutateurs situés à l’extérieur sont
étanches.
• Installer un appareil d’éclairage extérieur à l’épreuve des intempéries.
• Employer un cordon de rallonge conçu pour l’extérieur.
• Ranger les lumières de Noël dès que les Fêtes sont terminées. En les laissant sur
place, la chaleur de l’été peut ramollir la gaine du câble qui s’encastre dans les clous
ou les supports utilisés. Une gaine endommagée, combine aux intempéries, peut
provoquer un arc électrique. Ce dernier dégageant plus de
3 000 °C, un incendie est donc à craindre.
• Éloigner les appareils électriques comme une radio de la piscine.
TRANSPORT ET DISTRIBUTION DE L’ELECTRICITE
: I-TRANSPORT
.L’électricité est facile à transporter et à utiliser ; c’est son principal intérêt
.Mais elle ne peut pas être stockée ; c’est son principal inconvénient
: Les tensions sont classées de la manière suivante
Très basse
tension
TBT
Basse tension
BT
Moyenne
tension
MT
Haute tension
HT
Très haute
tension
THT
Valeur limite
des tensions
V 50 500V-1kV 20kV 50kV 400kV
Le rendement d’une chaîne électrique s’améliore lorsque le transport a lieu en haute
tension​, ​car les pertes dans la ligne haute tension est plus faible
Le transport de l’énergie électrique s’effectue sous des tensions 225kV et 400kV
: II- DISTRIBUTION
D’après source EDF
.Le transport et la distribution sont effectués en régime triphasé
.Les entreprises sont alimentées en triphasé, les particuliers en courant monophasé
Les installations sont donc réparties selon les trois phases, afin 
d’équilibrer au mieux le réseau 
 
 
 
 
 
 
 
: Puissance apparente
En courant alternatif, le produit de la tension U par l’intensité I est appelée
..………………… …………………….…………………… ​de symbole
L’unité SI est le
Calcul des pertes par effet joule :compléter le tableau
Résistance de la ligne : r= 0,5
Puissance : 500k VA
Tension de départ en BT : 1000V
Tension de départ en MT : 20 kV
Nature du câble : alliage d’aluminium qui présente l’avantage d’être léger et d’offrir
.une grande stabilité thermique et une forte résistance mécanique
: III-TRANSFORMATEUR
I= S/U Pertes : RI​2
BT
MT
Rôle du - 1°
: transformateur
Un transformateur est constitué de deux enroulements​ ​de cuivre placés sur un noyau
.de fer qui assure le passage du champ magnétique entre les enroulements
Les deux bobines n’ont pas de liaison électrique entre​ ells ;
Le nombre de spires est différent pour chaque bobine
l’un des enroulements est alimenté par une​ ​tension sinusoïdale : c’est un récepteur ;
..……………………………………il est appelé
.…………………… l’autre joue le rôle d’un générateur : c’est le
Remarques : toutes les grandeurs liées au ​primaire​ sont affectées de l’indice 1, toutes
.celles liées au ​secondaire​ de l’indice 2
2° - Description : 
u​1​ et u​2​ sont des tensions alternatives ! ! Ne jamais utiliser un transformateur en ! !
.tension continue
: Symbolisation-3°
Les symboles du transformateur sont
: Étude expérimentale-4°
a. Rapport de transformation :
Alimenter le transformateur avec une tension primaire U​1​ de 6V et relever les
différentes tensions U​2 ​aux bornes du secondaire du transformateur ( 3 cas
possibles)
Remplir le tableau suivant :
N​1 N​2 U​1 U​2
1000 500
1000 250
500 250
b. Visualisation des tensions aux bornes du transformateur
Après réalisation du montage ci-dessus, compléter l’oscillogramme suivant (on
: (utilisera deux couleurs différentes pour u​1​ et u​2
Déterminer pour chaque
tension la valeur maximale, la
valeur efficace, la période et la
.fréquence
c. Puissance apparente d’un transformateur
Lorsque que le transformateur est en charge, le produit S= U​1​ x I​1​= U​2​ x I​2​ est
appelée …………………..………………………………….., S s’exprime en
………………………………………………………
Les intensités observées au primaire et au secondaire sont dans le rapport
inverse des tensions. On a alors : =
d. Plaque signalétique d’un transformateur
: Observons la plaque signalétique d’un transformateur
Ce transformateur est-il un abaisseur ou un élévateur de tension ?
………………………………………………………………………………………
Quelle est la tension nominale du primaire ?.................................. Quelle est la
tension nominale en charge du secondaire ? …………………………………….
Quelle est la puissance apparente ? ………………………………………….
Déterminer le rapport de transformation.
………………………………………………………………………………………………………
………………………………………………………………………
Déterminer l’intensité du courant au secondaire.
………………………………………………………………………………………
Le courant électrique
Pour comprendre ce qu'est le courant électrique, il nous faut commencer par nous
faire une idée plus précise de ​ce qu'est l'électricité​, au sens large. Où prend-elle sa
source et dans quel milieu évolue-t-elle ?
Nous allons tenter de décrire ces phénomènes par comparaison avec d'autres
phénomènes connus, et n'en déplaise aux puristes, en prenant parfois quelques
raccourcis. Il est toutefois quelques notions fondamentales qui n'ont pas
d'équivalents dans d'autres domaines et qu'il nous faudra aborder.
.Ce premier cours est en quelque sorte une introduction aux rouages de l'électricité
: ​…LE COURANT
Nous connaissons d'autres formes de courant, comme le courant d'air ou encore
celui de l'eau. C'est le déplacement d'un groupe d'éléments de même nature (eau,
.air,...) et dans une même direction
Un courant peut être généré de manière naturelle, notamment par gravité terrestre
et des écarts de température. Il peut aussi être créé de manière artificielle, soit par
reproduction des phénomènes naturels, soit en appliquant aux éléments des
contraintes mécaniques ou chimiques.
Un simple balayage de la main est une contrainte mécanique capable de déplacer de
l'air comme de l'eau. Ici à droite ce sont les volumes d'eau qui associés à la gravité
vont être à l'origine de la formation d'un courant entre les deux réservoirs.
TRANSFORMATEUR MONOPHASE
S= 1kVA
PRI : 230 V
50Hz
SEC : 130 V
Un phénomène électrique naturel bien connu est la foudre, et nous savons
également produire de l'électricité par procédés chimiques et mécaniques, mais il est
.encore trop tôt pour en parler
: ÉLECTRIQUE …
Les mots « électrique » ou « électricité » nous viennent de l'une des plus petites
particules qui soient, ​l'électron​.
Le monde est un peu comme une gigantesque cuisine avec ses différents ingrédients,
dont certains comme le chocolat sont eux-mêmes des mélanges d'autres éléments
(sucre, cacao, etc.), à leur tour constitués de sous-éléments plus primaires encore. La
matière telle que nous la connaissons est ainsi constituée, de sous-éléments
imbriqués, chauffés, compressés... lui donnant son aspect et ses propriétés finales :
solide, liquide, gazeux, lisse, poreux, opaque, translucide, …, conducteur et isolant.
Pour trouver notre fameux électron, il nous faut descendre jusque dans les éléments
.de base qui constituent la matière, les atomes
C'est dans l'atome que l'électricité prend sa source.
Les électrons tournent inlassablement autour d'un noyau central et ne peuvent pour
la plupart s'en échapper.
Noyau et électrons sont chargés électriquement. Les électrons sont des charges
négatives (-) attirées par le noyau, lui de charge positive (+). Les charges électriques
se comportent comme en magnétisme :
+ et - s'attirent
+ et + se repoussent
- et - se repoussent
Le nombre d'électrons dépend de la nature du noyau, et lorsqu'un atome comporte
tous ses électrons ont dit de lui qu'il est électriquement neutre (autant de + que de -).
Les électrons ayant la faculté de s'échapper sont appelés "​électrons libres​".
Le courant électrique résulte d'un déplacement plus ou moins massif d'électrons
.(charges électriques) dans une certaine direction
Certains lecteurs seront peut-être surpris du ​sens du courant​ représenté sur le circuit
ci-dessus, ​du moins​ en partie basse (charge électrique négative) ​vers le plus​ en haut
(charge positive). Il ne s'agit pas d'une erreur mais bien du ​sens réel du courant
électrique​.
Le sens conventionnel​, donc​ du plus vers le moins​, fut déterminé jadis pensant que
les particules en déplacement, les électrons, étaient chargées positivement hors c'est
l'inverse qui se produit. Les scientifiques de l'époque ont néanmoins jugé bon de
conserver cette convention déjà trop bien établie.
ISOLANTS ET CONDUCTEURS​ :
Un isolant est de la matière (matériau) dont les atomes ne comportent pas
d'électrons libres. Leur nombre reste constant et équilibré, les rendant hermétiques
au passage d'autres électrons. L'air, le verre et le plastique sont des matières
isolantes.
Les matériaux conducteurs ont quant à eux de ces électrons libres, et plus ils en
auront plus la « conduction » s'en trouvera facilitée. Nous pouvons comparer les
électrons libres d'un conducteur à de l'eau stagnante dans un ​tuyau​ (un conduit).
Circuit fermé ils sont présents dans le conducteur, mais à l'arrêt, attendant d'être de
nouveau soumis ​à une force, la ​tension​ comparable à la pression des fluides.
Tous les conducteurs n'ont pas les mêmes propriétés conductrices. Les métaux sont
connus pour être de bons conducteurs, notamment l'or, le cuivre et l'aluminium, ces
deux derniers étant les plus largement utilisés.
L'or​ est le meilleur conducteur des trois, mais il est rare donc cher. Il est aussi plus
dense que les deux autres le rendant impossible à manipuler à froid. On en trouvera
sur certains circuits imprimés en petites quantités (électronique).
Le cuivre​ est bon conducteur et souple, constituant la majorité de nos ​câbles et fils
électriques​.
L’aluminium​ est moins bon conducteur que le cuivre, mais est aussi plus abondant,
souple, léger et fragile. Il est possible de compenser cette moins bonne conduction
en augmentant sa surface. Les conducteurs en aluminium étant moins chers et plus
volumineux que ceux en cuivre, ils seront davantage utilisés pour les forts besoins en
courant et les longues distances (réseau ERDF et grosses alimentations).
L'eau​ connue pour être conductrice du courant ne l'est en réalité que si elle est
impure. L'eau peut en effet se charger d'autres particules (molécules pour être
exacte) conductrices comme le fer.
L'air​ quant à lui, bien qu'il puisse également contenir toutes sortes de particules, la
gravité terrestre fait que les métaux restent en grande partie cloués au sol. L'eau en
s'évaporant laisse donc derrière elle ses propriétés conductrices, faisant de l'air un
très bon isolant.
RÉSISTANCE​ :
Comme évoqué précédemment tous les matériaux, métaux y compris, ne se valent
pas. Certains conduisent mieux le courant électrique que d'autres, et leur capacité à
faciliter le passage du courant fait appel à la notion de conductivité (conduit plus ou
moins bien).
La conductivité du cuivre est meilleure que celle de l'aluminium​, mais elle n'est pas
parfaite, tout comme l'air bien qu'offrant moins de résistance que l'eau nous freine
également dans nos déplacements, nous amenant également à la notion de
résistivité.
Le courant est donc ralenti dans sa course, quel que soit le matériau parcouru. Cela
s'explique en partie du fait que les électrons ne se déplacent pas de manière linéaire.
Ils se frayent un chemin entre les atomes et se gênent mutuellement. Plus ils
progressent difficilement plus ils gaspillent de l'énergie, dissipée sous forme de
chaleur.
SYNTHÈSE​ :
Les électrons sont partout et en quantité infinie. Certains ont la faculté de se
déplacer (matériaux conducteurs) d'autres non (matériaux isolants).
Lorsqu'ils sont soumis à un champ électrique (attraction / répulsion) les électrons
libres dans leur déplacement forment un flux d'électrons plus ou moins dense
(intensité), appelé « courant électrique ».
La tension électrique
Un premier cours nous a montré ​qu'elle est ​la nature du courant électrique​,
un​ déplacement d'électrons libres au sein de matériaux conducteurs. Pour se
déplacer, les électrons doivent être soumis à des forces d'attraction ou de répulsion
formant un ​champ électrique​, telles de multiples et minuscules billes métalliques
entrainées par le champ magnétique d'un aimant.
Les atomes auxquels nous aurons extrait des électrons vont générer un champ
d'attraction qui happera les électrons libres voisins s'il en est, jusqu'à retrouver leur
niveau d'équilibre, autant d'électrons (charges négatives) que de protons (charges
positives contenues dans le noyau). En injectant des électrons à de la matière qui en
.est déjà saturée, celle-ci devient chargée négativement et tendra à les rejeter
La tension électrique est la résultante de cette différence de concentration
d'électrons entre deux points, par exemple les polarités d'une pile électrique. La
tension aux bornes d'une pile est nulle (pile usagée) lorsque le nombre d'électrons y
.est équilibré
UNITÉ DE MESURE DE LA TENSION : LE VOLT (V)
Il ne nous est pas possible de mesurer directement les forces engendrées par un
champ électrique. On se contente alors de mesurer les effets du passage du courant,
et d'en déduire une nouvelle unité physique, le volt. Ainsi il eu été décidé en 1880
qu'un volt serait la tension nécessaire à la dissipation d'un watt de puissance pour
une intensité du courant de un ampère, autres unités connues mais qui ne seront pas
développées dans le présent cours.
Cette unité symbolisée par la lettre ​V​ doit son nom à Alessandro Volta, inventeur de
la pile électrique 80 ans plus tôt. La tension est quant à elle symbolisée par la
lettre ​U​.
L'appareil servant à mesurer la tension est le voltmètre (mesure des volts), et le
multimètre (​appareil de mesure​ multifonction) intégrant la fonction voltmètre
LA DIFFÉRENCE DE POTENTIEL​ :
La « différence de potentiel » est simplement, à notre niveau, une autre manière
d'exprimer la tension entre deux points. Cette notion de "potentiel" va nous aider à
mieux en comprendre les mécanismes.
Nous-mêmes en tant qu'individus avons nos propres potentiels physiques,
intellectuels, humoristiques, etc​.​ Ces potentiels réunis forment nos atouts, notre
capacité à nous sortir de certaines situations par exemple.
Une pile électrique à deux potentiels électriques, l'un attractif (+) et l'autre répulsif
(-). En soustrayant les deux nous obtenons la différence de potentiel, la tension
globale excercée.
Un potentiel positif​ de 0,75 V ​moins un potentiel négatif​ équivalent (- 0,75 V)
.nous ​donne un résultat positif​ de 1,5 volts
Analogie de la tension entre les bornes d'une pile et la pression de l'eau
répartie dans deux réservoirs
Deux réservoirs sont reliés par un conduit en partie basse (conducteur), lui-même
équipé d'une vanne (interrupteur).
Le premier réservoir contient 100 litres d'eau et le second 40 litres. La contenance de
chacun, compte tenu de la masse volumique de l'eau et de la gravité, détermine son
potentiel à repousser l'eau qu'il contient vers sa seule échappatoire possible, le
réservoir voisin.
La pression sur la vanne est plus forte côté gauche que côté droit.
Dès l'ouverture de la vanne l'eau circule naturellement de la gauche vers la droite
(formation d'un courant dans le conduit), bien que le réservoir de droite ne soit pas
.vide
Le niveau d'eau équivaut au niveau de charge électrique de chacune des bornes de
notre pile.
L'eau ne circule plus une fois les niveaux stabilisés. Il n'y a plus de courant donc plus
d'effets dans le conduit bien qu'il en contienne toujours.
Nos ​fils électriques​, même lorsqu'ils ne sont traversés par aucun courant,
comportent des électrons libres en quantités démesurées.
Nous-mêmes en sommes remplis, mais tant qu'ils ne sont soumis à aucun autre
potentiel que le nôtre (attractif ou repulsif) nous ne risquons rien. Nous y
reviendrons.
Pourquoi ne pas avoir débuté notre illustration avec l'un des réservoirs vides ?
Simplement pour démontrer qu'il n'est pas nécessaire d'avoir deux potentiels
opposés pour qu'il y ait formation d'un courant. Une différence aussi infime soit-elle
suffit, mais à mesure que les niveaux vont s'équilibrer le débit va diminuer.
Un oiseau perché sur une ligne à haute tension ne court aucun risque, car il se met au
potentiel de son perchoir, comme s'il se posait sur un objet flottant sur une eau
calme (lac).
Le même objet placé cette fois sur le cours d'un fleuve serait emporté par le courant,
allant des hauteurs vers le niveau de la mer. Notre oiseau serait donc lui aussi
.emporté par le courant et en ressentirait les effets
: COURANT CONTINU ET ALTERNATIF
Le courant continu​ :
Une pile électrique ou un accumulateur (batterie) délivre une tension relativement
stable dans la durée. Elle ne baisse qu'à mesure que les potentiels des bornes + et -
s'équilibrent, tout comme la différence de pression de l'eau répartie dans nos deux
réservoirs. Le flux d'électrons entre les deux polarités est donc continu et le sens du
courant toujours le même, donnant lieu à ce que l'on appelle un ​courant continu​,
un flux continu d'électrons.
Représentation graphique d'une tension continue aux bornes d'une batterie de voiture
Le courant continu est symbolisé par les lettres ​CC​ ou ​DC​ (de l'anglais Direct Courant),
ou encore par deux barres parallèles (​=​).
Ainsi, pour distinguer une ​tension continue​ on l'exprimera de ces différentes
manières : ​12 VCC​, ​12 VDC​ ou ​12V=
Le courant alternatif​ :
La tension délivrée sur notre réseau national est toute autre (230V, 400V, 20 000V,
etc.).
Cela s'explique par la manière dont est générée cette tension, différente de celle
d'une ​pile. Outre les effets calorifiques énoncés précédemment, le passage
du ​courant électrique​ à des effets magnétiques et inversement. Cette interaction
entre magnétisme et électricité porte un nom, ​l'électromagnétisme​.
Ces phénomènes sont exploités par ce l'on appelle des génératrices. Retenons
simplement qu'une génératrice est entrainée en rotation mécaniquement (eau d'un
barrage, vapeur d'une centrale nucléaire, vent d'une éolienne ou encore moteur à
explosion d'un ​groupe électrogène​), que cette rotation va générer des champs
électromagnétiques en son sein, transformés à leur tour en énergie électrique.
Voici ce à quoi ressemble la tension présente aux bornes des prises de courant de nos
habitations
Comme nous pouvons le voir la tension varie dans le temps, passant d'une valeur
positive à une valeur négative à une fréquence de 50 fois par seconde (50Hz),
représentant sur la durée la forme d'une sinusoïde (~).
La tension atteint en instantané (à un temps T) la valeur maximale de 325 volts, et
-325 volts en valeur minimale.
Pourquoi dit-on que la tension est de 230 volts ?
230V est la valeur dite « efficace » de la tension, car elle n'est ni constamment à son
paroxysme ni à 0. Du courant circule entre chaque passage à zéro et génère donc des
effets, qu'il aille dans un sens ou dans l'autre.
La tension efficace​ en alternatif est l'équivalent de ce qu'elle serait en courant
continu pour obtenir les mêmes effets (puissance dissipée).
Mais au fait, la tension entre quoi et quoi ?
Nous avons vu que la tension est une différence de potentiel, et la "différence" fait
appel à deux points de référence, deux "potentiels".
La sinusoïde ici représentée en rouge est le potentiel délivré sur la phase de nos
habitations par nos centrales de production d'électricité.
Le fil de neutre de nos installations est à un potentiel nul (0V), ici représenté par un
trait bleu, car relié à la terre en amont de notre installation. C'est d'ailleurs pour cela
qu'il est appelé « neutre».
La terre (notre planète) nous sert en effet de potentiel de référence, tout comme le
niveau de la mer nous sert de référence pour mesurer l'altitude.
Tout ce qui se situe sous le niveau de la mer à une altitude négative, et au dessus une
altitude positive.
Phases et neutres (bleu) sont des conducteurs dits « actifs »​, car nécessaires au
fonctionnement de nos appareils électriques.
Les fils de terre (vert et jaune) sont des conducteurs dits « de protection »​,
notamment contre les ​défauts d'isolement​.
Le courant alternatif est symbolisé par les lettres ​AC​ (Alternative Courant) ou une
sinusoïde (​~​).
Une ​tension alternative ​s'exprime donc ainsi : ​230 VAC​ ou ​230V~
Les tensions alternatives et continues ne se mesurent pas de la même manière. Les
multimètres disposent de deux types de réglages pour la mesure d'une tension, selon
que nous soyons confrontés à de l'​alternatif (V~) ou du continu (V=)​.
Symboles électriques normalisés et intuitifs
Symboles électriques des commandes​ :
Symboles électriques des éclairages​ :
Symboles électriques de prise de courant, réseau et antenne​ :
Symboles électriques des équipements et des circuits specialisés​ :
Autres symboles électriques​ :
L'intensité
Le courant électrique​ est un déplacement de particules chargées
électriquement, les électrons, au sein de matériaux conducteurs.
Ces déplacements sont occasionnés par la présence de ​tension, ou différence
de potentiel entre deux points​.
L'intensité du courant désigne la quantité de charge électrique véhiculée dans le
temps. Voyons concrètement de quoi il s'agit au travers quelques exemples et
...comparaisons
: ANALOGIE DE L'INTENSITÉ AVEC LE TRAFIC ROUTIER
L'illustration de droite nous donne un aperçu du trafic routier sur une portion de voie
à un instant précis. Nous constatons que le trafic est dense, mais est-il « intense » ?
Pas nécessairement...
On voit qu'il y a un bon nombre de véhicules. Nous pouvons même les compter, mais
ne savons pas à quelle allure ils se déplacent. Ils pourraient tout aussi bien être à
l'arrêt, pris dans un bouchon, au moment de la prise de vue.
C'est d'ailleurs ce que nous verrions dans tous matériaux conducteurs : une
fourchette, une règle métallique, etc.
Les électrons libres y sont en quantités démesurées, mais restent bien sagement à
leur place (avec leurs atomes respectifs) tant qu'ils ne sont soumis à aucune
différence de potentiel.
L'intensité fait référence à trois éléments : une quantité dans le temps et en
un point (lieu).
Pour connaître l'intensité du trafic, il nous faut comptabiliser tous les véhicules qui
transitent en un point sur une certaine plage de temps, par exemple sur 24 heures,
puis ramener le tout dans l'unité de temps qui nous intéresse pour en ressortir des
moyennes.
L'intensité du trafic s'exprime donc en nombre de véhicules par unité de
temps​ (seconde, heure, jour, semaine, etc.)​
Puisqu'en électricité ce sont des électrons qui se déplacent, nous pourrions en
déduire que l'intensité du courant électrique est la quantité d'électrons qui transitent
en un point et en un temps donné.
Eh bien non, du moins pas exactement, car même s'il nous était possible de les
comptabiliser un à un au moyen d'un ​appareil de mesure​, leur nombre serait tel
que les résultats seraient tout bonnement inexploitables.
Pour se donner un ordre d'idée, pas moins de 1 250 000 000 000 000 000 électrons
par seconde sont nécessaires à l'alimentation d'une ampoule de 50 watts sous une
tension de 230 volts.
(UNITÉ DE MESURE DE L'INTENSITÉ : L'AMPÈRE (A
Un courant de un ampère est le passage en un point de un coulomb et en une
.seconde​, un coulomb équivalant à 6,24x10​18​
électrons
L'intensité est symbolisée par la lettre I et s'exprime en ampères (A)​, du nom
d'​André-Marie Ampère​ (1775-1836).
Pour un courant, ou plutôt pour une intensité du courant de 2A, nous l'exprimerons
ainsi : ​I = 2A
L'intensité se mesure au moyen d'un ampèremètre​, ​d'un multimètre​ ​équipé de la
.fonction ampèremètre, ou encore d'une pince ampèrmétrique
: QU'EST-CE QUI DÉTERMINE LA VALEUR DE L'INTENSITÉ
Dit autrement, qu'est-ce qui fait qu'un courant sera de 0,5 plutôt que de 20 ampères
? L'intensité dépend essentiellement de deux choses​, ​la tension​ ​et​ ​la résistance dans
un circuit:
​La ​tension​ est ce qui anime nos électrons, ce qui provoque leur déplacement. Plus la
tension entre deux points est élevée plus ils seront nombreux à y transiter et plus de
fait l'intensité du courant sera élevée elle aussi.
La résistance​ désigne au contraire tout ce qui s'oppose au passage du courant, ce qui
freine les électrons dans leur course effrénée. La résistance agit en quelques-sortes
comme un ​entonnoir​ à électrons, ou encore à l'image d'un sablier. A tension égale,
par exemple le 230V de nos installations domestiques, c'est la différence de
résistance des différents appareils électriques alimentés qui déterminera la valeur de
l'intensité au travers des différents circuits. Plus la résistance est faible plus l'intensité
du courant est élevée.
Il existe d'autres facteurs, plus complexes à appréhender, mais le trio
"tension​-​intensité-résistance​" ​sont les plus importants et régissent en très grande
part les lois de l'électricité, aussi nous nous arrêteront à ces derniers dans le cadre de
.ce cours
Analogie de l'eau de et l'électricité​ :
La gravité est à tout corps solide, liquide ou gazeux ce que la
tension est à l'électricité, une force invisible qui provoque
des déplacements.
Pour une même force de gravité, l'eau descendant par un
conduit ne s'écoulera pas aussi vite selon son degré
d'inclinaison, qu'il soit droit ou en serpentin, qu'il ait des
parois lisses ou irrégulières, selon son diamètre, etc.
Ces différents paramètres réunis forment une résistance
globale à l'écoulement, et auront une incidence sur le débit
d'eau (litres par secondes).
A contenance de départ égale et soumis aux mêmes forces (gravité), le réservoir n°1
se remplira plus rapidement que le n°2 du fait d'une résistance plus importante dans
.le second conduit. Le débit dans le 1er conduit est donc plus important
Le débit hydraulique est l'analogue de l'intensité du courant électrique
La gravité n'est en fait pas un si bon exemple pour illustrer la tension, car elle est fixe,
or nous pouvons soumettre à nos circuits électriques différentes formes et valeurs de
tension, comme le 12 volts continu ou le 230 volts alternatif.
La tension serait donc davantage comparable à la pression, une force elle aussi,
exercée sur notre liquide.
Pressons maintenant l'eau au moyen d'un piston, et ajoutons une turbine comme
.récepteur, à l'image d'un moteur électrique
L'eau va s'écouler plus vite, et donc le débit va augmenter, à mesure que nous
augmentons la pression exercée sur le piston. En outre, la turbine va opposer une
résistance au passage de l'eau. A pression égale, le débit serait plus important sans la
turbine, mais à quoi nous servirait un tel montage sinon pour "alimenter" un
? récépteur
La pression hydraulique est l'analogue de la tension électrique
SURINTENSITÉ ET COURT-CIRCUIT :
C'est là l'une des particularités de l'électricité. En hydraulique comme en
pneumatique, une pression trop importante risque de rompre ou faire exploser une
canalisation, et nous venons de faire l'analogie entre la pression et la tension.
Le plus gros facteur de risque pour un conducteur électrique (comme pour nous)
n'est pas la tension, mais l'intensité.
En effet, il faut avoir à l'esprit que les électrons se déplacent non pas dans le vide
d'un conduit comme l'eau ou l'air, mais dans la matière elle-même (cuivre,
aluminium, etc.), et ce à une vitesse oscillant autour des 250 000 km/s selon la
conductivité du matériau !
En se déplaçant, les électrons dégagent de la chaleur, et de fait, plus l'intensité est
élevée au sein d'un conducteur, plus celui-ci va chauffer, jusqu'à entrer en fusion
dans le pire des cas.
La surintensité​ :
Une surintensité désigne comme son nom l'indique une intensité plus importante
que ce pour quoi le matériel à été prévu (canalisations, appareillages, générateurs...
).
Tout matériel électrique est donc limité selon son usage à un seuil d'intensité
maximum, conducteurs y compris, au-delà duquel et en cas de dépassement
.prolongé il risque d'être endommagé
: Le court-circuit
Le court-circuit est en quelque sorte une «
mégasurintensité », pouvant atteindre
plusieurs centaines voir milliers d'ampères,
sachant que 1 ampère suffit à provoquer
un arrêt du cœur.
Un court-circuit se produit lorsque le courant ne rencontre aucune (ou infime)
résistance. Nous avons vu plus haut que les récepteurs jouent un rôle de résistance.
En reliant par exemple accidentellement une phase et un neutre (prise, éclairage,
etc.), le courant s'emballe moyennant de sérieux dégâts s'il n'est pas interrompu très
vite.
Il s'accompagne d'un « flash » très nocif pour les yeux (ultraviolets) et parfois de
projections de matière en fusion (métaux, plastiques... ).
Ce sont encore les fusibles et disjoncteurs qui jouent le rôle de protecteur, le
disjoncteur étant le plus efficace car plus rapide.
C'est n'est non plus l'échauffement du bilame qui provoquera l'ouverture du circuit,
.(mais les effets magnétiques du courant (disjoncteur magnétothermique
Lampes concernées
:Les lampes concernées par le recyclage
sources lumineuses autres que les ampoules à filament
:​ familles 3
: Tubes fluorescents ①
..,éclairage bureaux, supermarchés, habitat
Efficacité lumineuse de 100 lm/W
Durée de vie : 10 000 h
Utilisation courante : trottoirs, tunnels
: Lampes fluo-compactes ​②
… ,éclairage de locaux tertiaires, habitat privé
Efficacité lumineuse de 80 lm/W
Durée de vie : 8 000 h
(Utilisation courante : cheminements, espaces publics (développement
: Lampes à vapeur de mercure, lampes à vapeur de sodium HP et BP
..,éclairage extérieur, horticulture
:Autres lampes ③
Lampes à iodures métalliques
..,commerces, monuments
:générations 2
-
(à brûleur à quartz (obsolète
-
à brûleur céramique
-
Efficacité lumineuse de 110 lm/W
-
Durée de vie : 10 000 h
-
Utilisation courante : espaces publics, trottoirs, mises en valeur
-
Utilisation spécifique : signalement de points singuliers (giratoires, arrêts bus
(…
: ( Lampes à L.E.D (Diodes électroluminescentes
…,balisage, signalétique
Durée de vie : > 20 000 h
Utilisation courante : balisage, illuminations, éclairage public
(développement)
:​ ​(Sodium Haute Pression (SHP
Efficacité lumineuse de 120 lm/W
(Durée de vie économique : 12 000 h (3 ans
Utilisation courante : voiries, tunnels, espaces publics
Simple allumage avec voyant lumineux
.…La lumière, c’est la vie
Pour le schéma d'un simple allumage sans voyant et obtenir des informations sur la
réglementation en matière d'éclairage, reportez-vous au schéma du ​simple
.allumage classique
VOYANT PERMANENT OU TÉMOIN LUMINEUX ?
Les voyants peuvent être utilisés de différentes manières pour un même
interrupteur.
On parle de voyant permanent lorsque l'on souhaite que le voyant reste allumé en
permanence, afin de localiser l'interrupteur dans l'obscurité.
Le témoin lumineux est quant à lui allumé quand les lampes désservies par
l'interrupteur en question sont elles-même allumées.
SCHÉMA DU SIMPLE ALLUMAGE À VOYANT PERMANENT​ :
Ce 1er schéma est rarement mis en application du fait que les lieux nécessitant la
localisation des interrupteurs sont le plus souvent des lieux de passage, offrant donc
plusieurs accès et par conséquents plusieurs points d'allumage. Il s'agira alors le plus
.souvent de c​ircuits ​va-et-vient​, ​télérupteur​ ou encore par ​permutateur
Principe utilisé pour localiser facilement les ​interrupteurs​ situés dans des lieux sombres comme les
escaliers ou circulations
:​ SCHÉMA DU SIMPLE ALLUMAGE À TÉMOIN LUMINEUX
Les interrupteurs à voyant classiques nécessitent l'ajout d'un fil de neutre.
Cependant, certaines marques proposent des systèmes à voyants sans neutre, et
évitent ainsi l'ajout d'un fil supplémentaire. Dans ce cas de figure il ne faut pas tenir
compte du schéma qui suit et vous référer à la documentation de l'appareil.
Legrand par exemple propose des voyants enfichables. Il suffit alors de choisir la
.bonne référence de voyant selon le mode de fonctionnement souhaité
Le voyant est allumé en même temps que les luminaires commandés par l'interrupteur, utilisé généralement
(..,pour éviter de laisser un lieu éclairé inutilement (grenier, placard, sous-sol
: Simple allumage avec deux lampes
Double allumage
Le double allumage fonctionne selon le même principe que le ​simple allumage​, mais il permet ​de
.commander deux points lumineux à partir d'un interrupteur double
: Schéma simplifié du double allumage
: Schéma dévellopé du double allumage
Va et vient
Allumage par minuterie
La minuterie est de la famille des relais temporisés. Son ou ses contacts internes se
ferment au moment de la commande (impulsion sur un bouton poussoir) et pour une
durée déterminée, généralement de l’ordre de quelques minutes.
De ce fait, contrairement à des modes d’allumages classiques (simples interrupteurs)
ou des télérupteurs, aucune action n’est requise pour permettre l’extinction des
.appareils d’éclairage
Elle permet de fait de réaliser des économies d’énergies, la lumière ne pouvant rester
allumée par simple négligenceLa minuterie est principalement utilisée dans des lieux
... ,publics et de passage tels que des cages d’escaliers, parkings
Il convient d’adapter la durée d’allumage à l’environnement sans négliger le confort
des utilisateurs. Il n’est par exemple pas très agréable de devoir appuyer à deux ou 3
reprises sur un bouton poussoir pour monter 4 étages les bras chargés de courses.
A l’inverse une minuterie présente moins d’intérêt lorsque la durée est largement
.surévaluée
PRINCIPE DE FONCTIONNEMENT
La minuterie est composée d’une bobine pour la partie commande et d’un contact
utilisé pour l’alimentation des appareils (puissance).
Les boutons poussoirs ont pour rôle d’alimenter brièvement - par impulsion - la
bobine de la minuterie, provoquant ainsi la fermeture de son contact et amorçant le
début de la temporisation.
Un commutateur en façade de l’appareil permet au besoin de forcer l’allumage des
lampes desservies, symbolisée par une ampoule. La position de marche normale est
.symbolisée par un bouton poussoir
Branchements 3 et 4 fils
Deux modes de raccordement sont proposés par les constructeurs. Les branchements
à 3 ou 4 fils qui désignent le nombre de conducteurs nécessaires en sortie du tableau
(vers boutons poussoir et lampes), mais 4 fils sont toujours nécessaires aux bornes de
la minuterie pour le fonctionnement de celle-ci. Sur les schémas de principe qui
suivent il n'est volontairement pas fait état du fonctionnement interne de la
.minuterie afin d'en simplifier la lecture
En branchement 4 fils​ ​ : la phase est envoyée aux ​boutons poussoirs​ puis rejoint
.la bobine elle-même raccordée à son autre extrémité au neutre
Deux fils sont nécessaires à la commande (phase et retourBP), et deux autres fils à
l’alimentation des lampes (sortie contact et neutre), soit 4 fils
En branchement 3 fils​ : nous obtenons le chemin inverse. La bobine est reliée à la
phase et le bouton poussoir au neutre. Le fonctionnement est identique la bobine
.étant bien alimentée dans les deux cas
Le fil de neutre est désormais commun à l’alimentation de lampes et à la commande
par les boutons poussoirs. La phase n’est par conséquent plus requise à l’extérieur du
tableau.
Nous obtenons ainsi un fil de neutre commun aux deux circuits, le retour du contact
de la minuterie pour l’alimentation des lampes, et le retour de la bobine pour la
commande soit 3 fils en sortie du tableau, bien que pour rappel le neutre est toujours
.nécessaire aux bornes de la minuterie pour son fonctionnement
Auparavant les minuteries disposaient d’un second commutateur pour le ​choix
entre un branchement 3 ou 4 fils​, reliant soit le ​neutre soit la phase​ à la
bobine. Les minuteries récentes de certains constructeurs reconnaissent le mode de
raccordement de manière automatique. Les commutateurs ne sont dans ces cas
.précis plus de mise
SCHÉMAS DE RACCORDEMENT​ :
Les schémas qui suivent reprennent la disposition des connexions et
repères utilisés par les constructeurs des minuteries les plus répandues. Si
le modèle recherché ne correspond à aucun de ces schémas vous pouvez
rejoindre le ​forum de discussion​ et​ demander conseil.
Sont représentés sur ces schémas des boites de dérivation. Celles-ci sont
optionnelles. Il existe en effet bien de configurations possibles. Lorsque
plusieurs circuits sont desservis par un même disjoncteur ils peuvent être
répartis depuis le tableau directement, au sein des appareillages ou
encore depuis une boite de dérivation regroupant différentes sources
d'alimentation (autres éclairages, prises, ..).
Seuls deux lampes et boutons poussoirs sont représentés. D'autres lampes
peuvent bien entendu être ajoutées, reprises les unes aux autres comme
ici, dans le tableau ou la boite de dérivation. Il en va de même pour les
boutons poussoirs (BP).
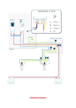
: Branchement minuteries 4 fils
– (CONNEXIONS HAGER, THEBEN ET SCHNEIDER (MERLIN GERIN -
– CONNEXIONS LEGRAND -
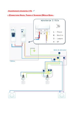
:​ Branchement minuteries 3 fils
– (CONNECTIONS HAGER, THEBEN ET SCHNEIDER (MERLIN GERIN -
– CONNEXIONS LEGRAND -
INFORMATIONS COMPLÉMENTAIRES​ :
Boutons poussoirs​ :
Les boutons poussoirs utilisés peuvent être à voyant pour permettre de les localiser
dans l’obscurité. Ces derniers ne nécessitent pas câblage supplémentaire. Le voyant
est intégré et relié de part et d’autre du contact du bouton.
Le nombre de boutons poussoirs n’est pas limité.
Préavis d'extinction​ :
Il existe des minuteries avec préavis d'extinction intégré avertissant de l’extinction
proche des lampes, soit par clignotement de celles-ci soit par diminution de
l’intensité lumineuse. Les modules de préavis d’extinction peuvent être installés
séparément.
Dans les deux cas, renseignez-vous avant d'acheter sur la compatibilité de la
minuterie ou du préavis d'extinction avec les lampes basse consommation (LED et
fluorescentes). Nombreux sont encore les appareils qui ne supportent que les
ampoules à incandescence ou hallogènes.
Les plus évoluées comme la ​Rex800 Multi de chez Legrand​ (ref 047 04) offrent
en outre bien d'autres possibilités.
Télérupteur-minuterie​ :
Il existe également des télérupteurs-minuterie qui associent les avantages du
télérupteur et de la minuterie. Ils permettent de commander l’extinction des lampes
par une nouvelle impulsion sur un bouton poussoir, ou à défaut les éteignent
automatiquement si le temps de réglage est atteint.
(Allumage par Boutons Poussoirs (télérupteur
Le principal atout du télérupteur est qu'il permet l'implantation de nombreux points
de commandes (boutons poussoirs), contrairement aux interrupteurs classiques de
type ​simple allumage​ ou ​va-et-vient​ limitant respectivement à un ou à deux le
nombre de points de commandes (interrupteurs).
Une solution alternative au télérupteur existe pour la commande depuis plus de deux
points d'allumage, ​le permutateur​, mais qui présente des inconvénients
notamment au niveau du câblage (liaisons entre les commandes) et est de fait de
moins en moins utilisé, au profit du télérupteur offrant davantage de souplesse.
Comme pour tous dispositifs d'éclairage le nombre de points lumineux est limité à 8
par protection (​Circuits d'éclairage - normes et recommandations​) sous
disjoncteur 10 ou 16A ou encore fusible 10A, avec des conducteurs de section
.(1,5mm² (​protections et sections normalisées par circuits
: PRINCIPE DE FONCTIONNEMENT DU TÉLÉRUPTEUR
Un télérupteur est un relais "mémorisant" sa position (contact ouvert ou fermé). La
bobine du relais est alimentée par le biais des boutons poussoir (BP). Chaque fois que
la bobine est alimentée (impulsion sur un bouton poussoir), elle change l'état de son
.contact qui à son tour permettra l'alimentation des appareils d'éclairage
Impulsion sur l'un des BP​ :​ Le contact du télérupteur se ferme, les lampes ​
s'allument
​Nouvelle impulsion sur l'un des BP ​:​ Le contact du télérupteur s'ouvre, les lampes
s'éteignent
​Nouvelle impulsion sur l'un des BP ​:​ Le contact se ferme à nouveau, les lampes
s'allument
Tous les boutons poussoirs remplissent la même fonction. Il est dès lors possible
d'éteindre et allumer depuis n'importe quel BP du circuit.
Ainsi par exemple dans une circulation nous pourront placer un bouton poussoir par
lieux d'accès.
Un même télérupteur ne peut être employé pour plusieurs allumages différents. Il
vous faudra autant de télérupteurs que de circuits d'éclairage à alimenter (éclairage
.(.extérieur, circulation, etc
: DIFFÉRENCE ENTRE TÉLÉRUPTEURS UNIPOLAIRES ET BIPOLAIRES
Il existe en effet deux familles de télérupteurs. Le télérupteur​ ​unipolaire (1 seul pôle)
lors de l'extinction des appareils d'éclairage coupe uniquement la phase, tandis que
le télérupteur​ ​bipolaire coupe les deux polarités, la phase et le neutre (2 pôles).
Il s'agit simplement d'une sécurité supplémentaire, les différents éclairages se
trouvant totalement isolés de l'installation lorsqu'ils sont éteints.
Pourquoi dans ce cas ne pas limiter à la vente que le télérupteur bipolaire ? Du fait
que les interrupteurs classiques (simple allumage, va et vient) ne coupent eux aussi
que la phase. Cela ne signifie par pour autant que ces autres modes d'allumage soient
réellement dangereux. Il est simplement plus aisé de passer au bipolaire pour un
télérupteur puisque ne nécessitant pas de passage de fils supplémentaires pour son
fonctionnement. Le seul coût de revient supplémentaire se situe au niveau du prix
l'appareil (maigre différence), et un peu de câblage en plus dans le tableau
électrique.
Le télérupteur bipolaire sera généralement préféré pour des éclairages en milieux
.humides, en extérieur notamment
SCHÉMAS ÉLECTRIQUES​ :
La disposition des bornes de connexion peuvent différer d'une marque de
télérupteur à une autre. Il convient donc lorsque l'on ne dispose pas de la notice de
son matériel d'être davantage attentif aux repères qu'à la disposition, encore que les
reprères peuvent eux aussi quelque-peu différer. En cas de doute ​le forum de
.discussion​ est là pour vous aider
Raccordement d'un télérupteur unipolaire​ :
La bobine est matérialisée par les bornes aux repères A1 et A2 du télérupteur,
comme sur la grande majorité des relais électromécaniques comme les contacteurs.
Les boutons poussoirs sont d'une part reliés à la phase, puis en sortie à la borne A1
du télérupteur, de sorte à ce que chaque pression sur l'un des BP conduira le courant
électrique jusqu'à la bobine.
La borne A2 est elle reliée au neutre refermant ainsi le circuit de commande (bobine).
Le circuit puissance (les lampes) chemine depuis la phase en sortie du disjoncteur
vers le contact du télérupteur. La sortie de celui-ci regagne les lampes, elles-mêmes
.reliées au neutre
Télérupteur unipolaire en branchement 3 fils​ :
Le schéma précédant est en "branchement 4 fils​", du fait que 4 fils extérieurs au
tableau électrique sont nécessaires au fonctionnement, deux fils de commande
(​boutons poussoirs​) et deux pour l'alimentation des lampes.
Une autre mode de raccordement permet de faire l'économie du fil de phase (rouge),
d'où l'intitulé "branchement​ ​3 fils​".
Le principe est simple. Nous envoyons cette fois la phase directement à la borne A1
du télérupteur, en créant un pont entre cette dernière et la borne 1.
C'est alors non plus la phase qui dessert les BP mais le neutre. Le retour BP regagne
alors la borne A2 pour refermer le circuit commande
Raccordement d'un télérupteur bipolaire​ :
 
Même principe que précédemment, à la seule différence que le télérupteur
comporte deux contacts internes.
Le contact de gauche sera réservé au passage du neutre et celui de droite à la phase.
Le neutre n'est donc plus relié aux lampes directement depuis le disjoncteur mais est
à présent lui aussi commandé par le télérupteur (bornes 1 et 2). La borne A2 de la
.bobine reste quant à elle reliée au neutre en sortie du disjoncteur
Pour davantage de clareté la liaison du neutre vers la borne A2 du télérupteur est ici
reprise au disjoncteur, hors celle-ci peut être reprise sur la borne 1, elle-même étant
reliée au neutre du disjonteur (​schéma avec pontage du neutre​).
Schéma développé - télérupteur bipolaire avec derivation​ ;
Le schéma de gauche donne un exemple de câblage de télérupteur en situation
réelle, avec les connexions au disjoncteur et au télérupteur, raccordement en boite
de dérivation et repiquage des lampes en pot de centre (boitier de connexion au
plafond).
A noter que l'emploi d'une boite de dérivation n'est pas obligatoire, ou cette boite
peut-être commune à d'autres circuits distincts.
La phase (fil rouge) qui part du tableau vers la boite de dérivation est ici reliée en aval
du disjoncteur mais peut tout aussi bien être prise en tête du télérupteur (repère 3),
de même que le pont reliant la sortie de la bobine du télérupteur (A2) au neutre du
disjoncteur peut être réalisé entre A2 et le repère 1 du télérupteur.
L'essentiel est dans les deux cas que phase et neutre soient repris entre le disjoncteur
et le télérupteur. Nous les avons disposés ainsi pour plus de clarté.
Retenez que la norme limite à deux le nombre de fils sur chacun des points de
connexion (disjoncteur et télérupteur), donc si ce même disjoncteur dessert
également d'autres éclairages, les fils seront à répartir en conséquence. S'il venait à
vous manquer de la place, passer alors par un bornier, dominos ou bornes rapides
.((de type Wago
Enfin, selon la configuration de notre installation, les lampes et boutons poussoirs
peuvent être reliés dans la boite de dérivation et pas nécessairement repris les uns
.aux autres comme sur ce schéma
AVANTAGES DU TÉLÉRUPTEUR​ :
L'allumage par télérupteur est utilisé pour les pièces ou circulations nécessitant plus
de 2 points de commande d'éclairage. Une circulation par définition donne accès à
plusieurs pièces différentes et/ou accès divers (escalier, etc.).
Il est possible d'utiliser des boutons poussoirs pourvus de voyants lumineux
permettant de les visualiser dans l'obscurité sans passage de fils supplémentaires,
donc sans avoir à modifier le câblage de l'installation.
Le voyant est simplement raccordé en parallèle du contact du bouton poussoir. Il est
alors alimenté en permanence, à la différence d'un témoin lumineux indiquant d'une
lampe est restée allumée (ex: grenier, sous-sol, ...).
Allumage par interrupteur crépusculaire
L​'​interrupteur crépusculaire​ permet la commande d'appareils électriques, des éclairages le plus
souvent, en fonction de la luminosité ambiante, le seuil de luminosité étant réglable.
Ils sont généralement de types modulaires (fixation sur rails DIN pour ​tableaux électriques​),
mais existent aussi en boitiers de types micromodules pour être câblés en milieux restreints tels
que boites de dérivation ou boitiers de cloison sèche.
Ces schémas de raccordement viennent compléter notre article sur le sujet ​: ​Interrupteur
crépusculaire, choix et mise en oeuvre
: RACCORDEMENT D'UN INTERRUPTEUR CRÉPUSCULAIRE SEUL
: RACCORDEMENT D'UN INTERRUPTEUR CRÉPUSCULAIRE AVEC CONTACTEUR
Le contacteur de puissance permet l'alimentation d'un ou plusieurs appareils
électriques avec une puissance globale importante. Le pouvoir de coupure (exprimé
en ampères) du contacteur sera par conséquent déterminé en fonction des appareils
alimentés.
Un montage avec contacteur permet également d'alimenter commande (inter
crépusculaire) et puissance (lampes) avec des tensions différentes ​(non représenté
.​(sur le schéma
: RACCORDEMENT D'UN INTERRUPTEUR CRÉPUSCULAIRE AVEC CONTACTEUR ET HORLOGE
L'horloge programmable permettra de n'autoriser l'allumage des appareils seulement
pour des jours et horaires déterminées, par exemple du lundi au vendredi entre 7h30
et 19h00. Bien entendu ces appareils ne seront également alimentés dans ces plages
.horaires qu'en cas de franchissement du seuil de luminosité préréglé
: INTERRUPTEUR CRÉPUSCULAIRE POUR BOITES DE DÉRIVATION ET BOITIERS D'APPAREILLAGES
Il ne s'agit plus là d'interrupteurs modulaires (placés sur rails dans un tableau).
Ceux-ci sont conçus pour être disposés dans des boites de dérivation ou boitiers
d'appareillages encastrés.
Il sera difficile de leur associer minuteries et contacteurs. Bien qu'existant également
en format micromodules pour boitiers, ces autres modules ajoutés à l'interrupteur
n'auront plus rien de "micro", aussi ils seront bien souvent réservés à des applications
simples.
Pour ces raisons nous nous contenterons sur les schémas qui suivent de relier les
interrupteurs crépusculaires directement aux lampes desservies.
Ces types d'interrupteurs étant encore une fois destinés à des applications
généralement plus simplistes, il est fréquent de n'avoir qu'un report d'alimentation
pour piloter les lampes ou autres appareils électriques. Le contact interne à l'appareil
.est déjà relié à la phase servant d'alimentation
.Même schéma avec cette fois un contact sec pour l'alimentation des appareils
CAS PARTICULIERS​ :
Cette page ne présente que les cas les plus fréquents, aussi peut-être avez-vous un
cas spécifique à votre installation que vous ne savez résoudre. Le ​forum​ rubrique
électricité pourra vous y aider. Il vous suffit ensuite de lancer une nouvelle discussion
.pour y exposer votre problématique
Allumage par détecteur de présence – movement
Les​ ​détecteurs​ ​de​ ​présence aussi appelés détecteurs​ ​de mouvement, permettent
l’alimentation automatique d’appareils électriques pour une durée déterminée
(réglable), le plus souvent de l’éclairage et dans des lieux de passage (circulations,
escaliers) ou en extérieur. Il est également fréquent d'en trouver pour des raisons
d'hygiène dans les sanitaires, permettant l'allumage sans contact physique.
Les détecteurs offrent de nombreuses possibilités, comme la commande d’ouverture
d’un portail automatique, prévenir d’une intrusion, etc. Nous n’aborderons dans ce
présent article que les bases de l’utilisation d’un détecteur de présence à 3 fils.
D’autres articles suivront pour des applications plus avancées comme l’ajout de
... ,commandes d’arrêt ou de marche forcée, association d’une horloge
Les détecteurs 3 fils ont pour fonctionner besoin d'une alimentation permanente
(phase et neutre). Bien que ce soit en d’infimes proportions, nous pouvons dès lors
affirmer qu'ils consomment de l'énergie électrique en permanence (lumières
éteintes) contrairement à des allumages via des interrupteurs classiques.
Le détecteur comporte donc deux bornes pour son alimentation électrique (L et N),
et une troisième appelée "retour de lampe" (L1), qui sera à relier aux appareils à
commander. Lorsqu'une présence est détectée, un contact interne relie la phase de
l'alimentation (L) à cette troisième borne, la sortie (L1).
*​ L'appellation ​L1​ peut prêter à confusion du fait que la lette ​L​ soit généralement
réservée à la phase. Ce ​L1​ est justement fait pour rappeler qu'il s'agit bien d'une
phase lorsque l'appareil ferme son contact interne, et que donc il y a risque de
.court-circuit si un neutre y était raccordé
Mise en garde​ :
Il existe des détecteurs ne nécessitant pas la présence du neutre (2 fils), mais ces
derniers posent des problèmes avec la majorité des lampes à économie d’énergie
tandis que les ampoules à incandescence se verront très prochainement retirées du
marché. Les ampoules fluocompactes posent en outre des problèmes qui cette fois
concerne tous les modes de commande « temporisés », ayant besoin d’une durée
minimale de fonctionnement pour bien éclairer et voient leur durée de vie
.nettement compromise par des allumages courts et à répétition
: SCHÉMA DE RACCORDEMENT D'UN DÉTECTEUR DE PRÉSENCE
Le contact interne à l’appareil est ici représenté entre les bornes L et L1, montrant
que le détecteur agit comme un interrupteur de type ​simple allumage​. Dès
qu’une présence est détectée, le contact se ferme pour une durée donnée,
.permettant ainsi l’alimentation des lampes
: ​(SCHÉMA DÉVELOPPÉ ​(​DÉRIVATION
Voici un exemple de raccordement pouvant vous aider au raccordement de vos
circuits d'éclairage. La répartition des fils s'effectue par bornes de type Wago ou
.dominos généralement dans les boites de dérivation
:PLUSIEURS DÉTECTEURS POUR LE MÊME CIRCUIT
Il est possible d’associer plusieurs détecteurs de présence pour l’alimentation d’un
même circuit. Il convient simplement de relier (ponter) la phase, le neutre et le
retour de lampe entre les différents détecteurs.
Le nombre de détecteurs est illimité, tandis que le nombre de lampes est limité à
huit, quelque-soit le type de commande utilisé (Cf. ​Normes et
.(recommandations en matière d’éclairage
POUR PLUS DE PUISSANCE …​ :
Les contacts internes aux détecteurs de présence sont limités en pouvoir de coupure.
En d'autres termes ils ne sont pas conçus pour supporter de fortes puissances. La
puissance maximum exprimée en Watts (W) admise est indiquée sur les détecteurs,
et si vos besoins sont plus importants il vous faudra alimenter les appareils par le
biais d'un relais appelé « contacteur de puissance ».
Le contacteur sert d'intermédiaire entre le détecteur et les appareils à alimenter. Il
est constitué d'une bobine électromagnétique et de contacts. Lorsque la bobine est
alimentée (bornes A1 et A2), les contacts internes au contacteur se ferment agissant
à leur tour comme des interrupteurs par lesquels nous feront passer l’alimentation
.de nos appareils
Les contacteurs se déclinent en plusieurs gammes de tension et d’intensité, et types
de contacts.
- Veillez à ce que le pouvoir de coupure (capacité à ouvrir un contact pour une
intensité donnée) du contacteur choisi convienne au calibre du disjoncteur et de fait
à la puissance des appareils en aval.
- Les contacts utilisés ici sont de type NO (Normally Open), ouverts au repos. A
l’inverse les contacts NC (Normally Closed) sont fermés à l’état repos et s’ouvrent
quand la bobine est alimentée. Certains contacteurs peuvent associer contacts NO et
contacts NC.
- La tension de la bobine du contacteur doit être ici conçue pour supporter du 230V
alternatif. Il existe des contacteurs pour toutes sortent de tensions en courant
alternatif comme en courant continu.
- La tension des contacts à également sont importance car pouvant différer de la
tension d’alimentation de la bobine. S’assurer qu’ils supportent la tension
d’utilisation concernée.
Comme le montre ce schéma, deux protections sont alors requises. Nous avons un
disjoncteur pour protéger la partie commande (détecteur + bobine du contacteur) et
un autre pour la partie puissance (contacts de puissance et appareils). Pour
davantage de clarté de la partie commande et de la partie puissance ont été dessinés
de couleurs différentes. Dans la pratique ils auront la même colorie.
Nous pourrions tout aussi bien utiliser ce mode de câblage pour alimenter autre
chose que des appareils d’éclairage, auquel cas il faudra adapter pour la partie
.puissance ​le calibre du disjoncteur​ et la section des fils utilisés
ALIMENTER PLUSIEURS CIRCUITS D’ÉCLAIRAGE À PARTIR D’UN MÊME DÉTECTEUR​:
La norme NF C 15-100 autorise la non coupure du neutre pour des appareils
d’éclairage (et éclairages seulement !), comme c’est le cas avec des interrupteurs
classiques, hors sur le schéma précédant nous avons également fait passer le neutre
par le contacteur de puissance.
Il nous est alors possible comme l’illustre le schéma suivant de n’y faire passer que
.notre phase, rendant le 1er contact disponible pour l’alimentation d’un autre circuit
Pour plus de commodité le deuxième circuit est différencié, cette fois par des
pointillés.
Ce câblage ne s’applique encore une fois que pour le cas de deux circuits d’éclairage,
la coupure du neutre étant obligatoire dans tous les autres cas de figure !
La solution présentée ci-après montre comment alimenter des circuits de natures
différentes (coupure du neutre) avec un contacteur par circuit, mais il est tout aussi
possible de remplacer le contacteur bipolaire (2 contacts) ci-dessus par un contacteur
tétrapolaire (4 contacts), laissant ainsi deux contacts par circuits. Un contacteur
tripolaire donc 3 contacts permettrait en outre d’alimenter un circuit d’éclairage sans
.coupure du neutre et un circuit autre avec coupure du neutre
DÉTECTEUR ET CIRCUITS DE NATURES DIFFÉRENTES​ :
Voyons maintenant comment utiliser une même commande, ici le détecteur, pour
alimenter différents circuits électriques. Les prises de courant sur le schéma qui suit
symbolisent toutes sortes d’appareils pourvu que section, calibre du disjoncteur et
.que le pouvoir de coupure du contacteur associé soient adaptés
Nous avons là un disjoncteur 2A pour la commande, un disjoncteur 10A pour les
appareils d’éclairage et enfin un 16A pour notre circuit prises. Imaginons qu’une prise
desserve l’​arrosage du jardin​ en cas d’intrusion d’un animal ennemi (mieux
vaudrait alors y associer une horloge et un interrupteur pour éviter certains
désagréments), etc. Ce que l’on veut du moment que vous ne tuiez rien ni personne
! avec votre système
Allumage par permutateur
Un permutateur est un interrupteur pour commande d'éclairage en voie de
disparition mais toujours commercialisé.
Il permet la mise en place de 3 points d'allumage ou plus. ​Le télérupteur​, autre
mode de commande d'éclairage à points multiples est généralement préféré au
.permutateur
Il est possible de mettre en place plusieurs permutateurs disposés en série entre les
deux ​interrupteurs va et vient​, de manière à augmenter le nombre de point de
: commande
La prise commandée
: Schéma électrique de la prise commandée
La prise commandée telle que représentée sur ce schéma fonctionne selon le même
principe qu'une commande d'éclairage en "​simple allumage​", ​à la seule
différence que nous n'agissons pas directement sur une ​applique ou une lampe​,
mais sur une ​prise de courant​.
Il est également possible de commander une prise en montage ​va et vient​, ou
autres méthodes employées pour de la commande d'éclairage, pourvu que son usage
... reste de l'éclairage
Selon la norme (nfc 15-100), les prises de courant commandées sont considérées
comme étant des points d'éclairage fixes et seront de ce fait alimentées par les
circuits d'éclairage de l'installation. Les prises commandées ne doivent par
conséquent servir qu'à alimenter des appareils d'éclairage.
Pour la commande d'appareils de puissance, comme l'extinction d'un téléviseur et
autres appareils annexes, préférez par exemple des appareils de type "coupe veille
infrarouge".
Rappel des protections pour les circuits éclairage
- 10A par fusible ou disjoncteur (8 prises commandées maximum).
- 16A par disjoncteur uniquement (8 prises commandées maximum)​.
- Chaque prise commandée est comptée comme un point d’éclairage.
- Ne devront y être branchés que des appareils d'éclairage mobiles, tel que lampes de
chevet, veilleuses, ...
- Un interrupteur (comme ceux utilisés pour le schéma de ​va et vient​, ​simple
allumage​, ​permutateur​), peut commander au maximum deux prises
commandées, et à condition que ces prises soient dans la même pièce du logement.
- Pour commander plus de deux prises à la fois il faut utiliser le montage par
.télérupteur
Circuits prises de courant
: Réglementations generals
Toutes les prises d'une habitation doivent être à éclipse. Leurs orifices sont obstrués -
de manière à empêcher l'introduction d'objets.
- Les prises doivent être fixées au boitier d'encastrement par les vis spécialement
prévues à cette effet.
Exit les anciennes prises à griffes qui se prenent sur les cotés du boitier
d'encastrement.
- La hauteur minimum entre le sol et les orifices d'une prise de courant est de 5 cm
dans le cas où leur courant assigné est inférieur à 20A, sinon la hauteur minimale sera
.de 12cm
Protections et répartition​ :
Les prises de courant peuvent être protégés de différentes manières. Via des
disjoncteurs 16 ou 20 ampères, ou encore par des fusibles. A chaque type de
: protection ses restrictions
Nombre de prises minimum dans les pièces d'une habitation​ :
- ​Chambres​ ​: 3 prises minimum répartie en périphérie de celle ci;
- ​Salon/Séjour​ : 1 prise par tranche de 4m², 5 prises au minimum;
- ​Cuisine​ : 6 prises dont 4 dans l'espace de travail (hors circuits spéciaux);
Ces socles ne sont installés ni au-dessus du bac d'un évier, ni au-dessus des feux ou
plaques de cuisson ;
Toutefois, l'exception est admise pour un socle supplémentaire au-dessus des
plaques
de cuisson sous condition que ce socle soit identifié pour la hotte et qu'il soit placé au
minimum à 1,80 m du sol fini.
Au niveau des surfaces de travail, les prises de courant sont répartis au mieux pour
éviter la
circulation des câbles des appareils ménagers au-dessus de l'évier ou de la plaque de
cuisson.
Dans le cas particulier des cuisines de surface inférieure ou égale à 4 m², il est admis
de
.ne prévoir que trois prises de courant
Toutes les autres surfaces de plus de 4m²​ : couloirs et circulations: au moins 1 prise -
Le nombre de prises maximum provenants d'un même circuit est clairement défini
sur le schéma mais il faut noter que leur décompte se fait de manière particulière, en
fonction de si elles sont seules ou jumelées​.
- 1 prise seule ou 2 prises jumelées comptent pour 1 prise.
- 3 ou 4 prises jumelées comptent pour 2 prises.
. - 5 prises jumelées ou plus comptent pour 3 prises
Ce qui permet​ :
Dans un salon/séjour de 40 m² où la norme impose 10 prises (1 prise par tranche de
4m²), de ne créer qu'un circuit en disposant stratégiquement les prises comme ceci
par exemple:
2 prises uniques et quatre prises doubles, qui nous font 10 prises comme la norme
l'exige, mais simplement 6 prises décomptées sur ce circuit.
Un seul circuit est nécessaire pour cette pièce et en prime, une marge permettant
.d'ajouter deux prises sur ce circuit en cas de besoin dans le futur
LE ​délesteur
Le délesteur est un dispositif de commande électrique dont le rôle est de limiter la
puissance globale consommée par une installation, de sorte à ne pas dépasser celle
souscrite auprès du fournisseur d’électricité (abonnement).
Il permet par conséquent de minimiser son abonnement électrique sans risquer de
coupures de courant intempestives qui résulteraient d’une montée ponctuelle de la
consommation. C’est en somme un moyen simple et efficace d’optimiser son
installation électrique, en neuf comme en rénovation.
Préambule​ :
Tous les éléments techniques de ce présent article ne sauraient de substituer aux
documentations des différents modèles de délesteurs, chaque marque ayant ses
propres particularités. L'objet de ce document est d'en exposer les principaux
avantages et de dresser un panorama des caractéristiques les plus communes, et
ainsi peut-être vous guider dans le choix de votre futur délesteur.
Tous les constructeurs n'emploient d'ailleurs pas les mêmes termes pour définir une
même fonctionnalité. Nous avons donc essayé de faire une synthèse de tout cela ...
Principe de fonctionnement​ :
Les appareils d’une installation ordinaire sont tous placés au même rang
d’importance. C'est-à-dire qu’en cas de dépassement de l’intensité de réglage du
disjoncteur général (disjoncteur de branchement), toute l’installation est coupée.
Pour rétablir le courant, et donc réenclencher le disjoncteur de branchement, il faut
commencer par éliminer certains des appareils de forte puissance qui étaient en
fonctionnement au moment de la coupure (l’on pense généralement au four,
lave-linge, …), sans quoi le disjoncteur refuserait de se réenclencher.
Avec un délesteur, on commence par définir un ou des circuits non prioritaires,
généralement des appareils de chauffage électrique. Ils seront alimentés par
l’intermédiaire du délesteur qui contrôlera l’intensité globale du réseau domestique.
Si l’intensité est trop importante, autrement-dit qu’elle atteint le seuil de réglage du
disjoncteur de branchement (15, 30, 45 ampères, ..), il coupera l’alimentation des
appareils jugés non prioritaire (le chauffage le plus souvent) jusqu’au retour à des
valeurs acceptables.
Les appareils sont ainsi répartis sur 2 niveaux. Le 1er niveau (prioritaire) comporte
les appareils qui nécessitent d’être maintenus en fonctionnement, et le 2ème niveau
(non prioritaire) les appareils à délester en cas de surconsommation.
Les délesteurs peuvent desservir indépendamment plusieurs séries d’appareils, ces
séries étant exprimées en nombre de voies. Ainsi nous trouverons des délesteurs 1
voie, 2 voies et plus.
Les délesteurs de 2 voies et plus se déclinent eux-mêmes en 2 catégories, le
délestage hiérarchisé et le délestage tournant.
Le délestage hiérarchisé / en cascade​ :
Avec un délestage hiérarchisé à 2 voies, nous nous retrouvons avec une répartition à
3 niveaux. Le niveau prioritaire et 2 niveaux différents de délestage. Nous obtenons
ainsi en cas de surconsommation un 1er circuit délesté (le moins important des
deux), suivi du second si le délestage de 1er niveau n’est pas suffisant.
Cela évite de devoir couper un trop grand nombre d’appareils en une seule fois en se
limitant au strict nécessaire, et nous faisant ainsi gagner en confort si la
surconsommation devait durer.
Le délestage tournant, ou "cascadocyclique"​ :
Le terme ​cascadocyclique​ vient du constructeur Delta Dore qui en fit une marque
déposée.
Le délestage tournant, ou cascadocyclique, met quant à lui toutes les voies asservies
au même niveau, et permute périodiquement les alimentations de l’une et l’autre (si
2 voies) en cas surconsommation prolongée.
Nous pouvons ainsi imaginer une voie de délestage comprenant le chauffage des
chambres et circulations, sur l’autre cuisine, salon, .. Les deux groupes d’appareils
seront alimentés à tour de rôle de sorte à garantir un confort minimum dans chacune
des zones de la maison.
Si alors une seule voie ne suffit pas, les deux seront interrompues le temps
nécessaire.
Délesteurs triphasés​ :
Il existe également des délesteurs dédiés aux installations triphasées, avec une
particularité intéressante, le délestage de chacune des phases de manière autonome.
Si une seule des trois phases voit sont intensité atteindre le seuil critique, le
délestage pourra s’opérer uniquement sur celle-ci. Il convient donc dans ce cas de
desservir via le délestage des équipements monophasés.
Contrôle du seuil de déclenchement​ :
Les moyens de commande peuvent eux aussi différer selon que l'on soit équipé d'un
compteur électromécanique (anciens modèles) ou d'un compteur électronique.
- ​Délesteurs ​pour compteurs​ électromécaniques​ (avec transformateurs
d'intensité)​:
Le transformateur d'intensité permet de mesurer l’intensité et donc de la contrôler,
pour ordonner ou non le délestage.
Les délesteurs pour compteurs électromécaniques intègrent ou sont fournis avec un
tranformateur d'intensité ( TI ou tore magnétique) séparé. Les TI séparés sont à
placer sur la phase en sortie du disjoncteur de branchement et reliés par 2 fils au
délesteur. Pour les TI intégrés la phase devra alors passer par le délesteur
accompagnée du neutre mais lui ne servant qu'à l'alimentation du délesteur, comme
le 038 10 de chez Legrand.
​Avec TI séparé​ ​Avec TI intégré
Délesteurs pour compteurs électroniques​ :
Les compteurs électroniques sont en mesure de fournir divers informations sur notre
consommation pour peu que l’on dispose des appareils pour les exploitées, via ce
que l’on appel la télé-information (téléinfo). Les délesteurs fonctionnant avec la
téléinfo n’ont plus besoin du transformateur d’intensité cité précédemment. Le
compteur transmet un signal au délesteur l’avertissant de l’arrivée au seuil critique.
Un câble avec 2 fils torsadés de 6/10 de millimètre suffit à relier le compteur au
délesteur.
Types de sorties​ :
- Contacts​ :
Certains délesteurs peuvent disposer de contacts à intégrer dans le circuit
d'alimentation des appareils (circuit puissance), comme la gamme M15 de chez Delta
Dore.
Les contacts internes doivent dans ce cas pouvoir supporter l'intensité, inhérent de la
puissance des appareils. A titre d'exemple ceux des M15 précités peuvent supporter
jusqu'à 15A, soit une puissance totale de 3450 watts ​(Puissance = Tension x Intensité ;
P=230x15​)​.
Bien que les contacts des délesteurs de ce type soient conçus pour cela, nous
recommandons d'alimenter vos appareils par l'intermédiaire d'un contacteur de
puissance ​(voir ci-après)​. Des arcs électriques formés à chaque ouverture et
fermeture des contacts de part les forts passages de courant risquent d'écourter la
durée de vie du délesteur, plus onéreux qu'un contacteur.
Un contacteur bipolaire (2 contacts) permettra en outre de couper phase et neutre,
contrairement à ces délesteur.
- Commande par ​contacteur​ :
D'autres délesteurs, comme les Delestar de la marque Flash envoient directement
une tension en sortie. L'emploi d'un contacteur est dans ce cas inévitable ces sorties
ne supportant que de très faibles passages de courant, 1A pour le Delestar.
La sortie du délesteur alimentera la bobine du contacteur associé, qui à son tour
alimentera les appareils de puissance.
Comme évoqué précédemment, il est tout aussi possible de passer par le biais d'un
contacteur de puissance lorsque le délesteur fourni un contact et non une tension,
auquel cas il suffira d'amener la phase à l'une des bornes du contact et envoyer la
sortie vers la bobine du contacteur.
.​ ​Sortie auto-alimentée​ ​Sortie contact
Commande par fil pilote
Les appareils de chauffage disposent le plus souvent d’une entrée appelée fil pilote, un fil
noir qui accompagne la phase (marron) et neutre (bleu) des appareils.
Comme pour le compteur électronique, avec des appareils adaptés le fil pilote permet
d’envoyer des informations aux appareils de chauffage afin qu’ils passent automatiquement
en mode hors gel, confort, … et arrêt.
Mais ces fils pilotes doivent êtres amenés au tableau électrique, ce qui n’est pas toujours le
cas.
Les délesteurs avec sortie fil pilote saurons commander l’arrêt des appareils sollicités sans
avoir à passer par des contacteurs de puissance​.
Rentabilité du délesteur
Le​ délesteur est un produit qui reste assez onéreux, mais qui néanmoins peut très
.rapidement devenir rentable
Détecteurs de présence - Partie II
Le présent document fait suite à notre première publication sur les ​détecteurs de
.présence​ ou figurent les schémas de raccordement de base
Dans cette seconde partie nous allons inclure des commandes manuelles d’arrêt
et/ou de marche forcée de sorte à empêcher ou à l’inverse forcer l’alimentation des
.​lampes
DÉTECTEUR DE PRÉSENCE AVEC MARCHE FORCÉE​ :
La marche forcée consiste à ajouter une commande manuelle pour forcer
l’alimentation de nos lampes ou autres appareils électriques.
Plusieurs possibilités nous sont offertes, la plus simple et la moins onéreuse étant la
mise en place d’un interrupteur de type ​simple allumage​, raccordé entre la phase
.et le retour de lampe ici en orange
Lorsque l’interrupteur est fermé la phase regagne directement les lampes sans tenir
compte du détecteur. En cas de détection la fermeture du contact interne au
.détecteur n’aura aucune incidence sur le fonctionnement
Exemples d’applications plus complètes avec marche forcée du même type
Le schéma ci-contre inclut une horloge.
L’interrupteur doit être comme énoncé plus haut
relié entre phase et retour de lampe, cette fois
représenté en violet. Le fil orange ne regagne pas les
lampes mais se contente de relier les contacts du
.détecteur et de l’horloge
Cet autre schéma illustre l’association de plusieurs détecteurs avec une commande
par contacteurs de puissance. L’interrupteur toujours relié à la phase d’une part
dessert dans le cas présent les bobines des contacteurs (bornes A1) et non plus les
.lampes
: MARCHE FORCÉE PAR UN SYSTÈME VA-ET-VIENT
Le principe du câblage pour un allumage par ​interrupteurs va-et-vient​ est le
même que précédemment. L'ensemble des deux interrupteurs forment une entité
qui équivaut à un seul interrupteur avec toujours une arrivée (ici en rouge) et un
départ (orange), à ceci près que ces deux fils sont envoyés à deux endroits différents
.(puisque deux interrupteurs, reliés entre eux par les navettes (en noir
Pour les câblages plus avancés comme l'ajout d'une horloge ou l'alimentation via un
contacteur reportez-vous aux schémas précédents (avec interrupteur classique) en
appliquant ce même principe. L'ensemble des deux interrupteurs va-et-vient vient en
.lieu et place de l'interrupteur de type simple allumage
: DÉTECTEUR AVEC COMMANDE D’ARRÊT
Il peut être tout aussi intéressant de bénéficier d’une commande d’arrêt, le temps
par exemple que Rex se dégourdisse un peu dans le jardin avant l’heure du couché. Il
n’y a pas de petites économies surtout lorsqu’il s’agit d’un rituel journalier.
Comme pour une commande de marche forcée un simple interrupteur de type
.simple allumage suffit, placé en série entre la sortie du détecteur et les lampes
Nous pourrions placer cet interrupteur entre le disjoncteur et le détecteur,
seulement nous serions confronté à un nouveau cycle du détecteur à chaque remise
sous tension. En d’autres termes les lampes s’allumeraient chaque fois que nous
replacerions l’interrupteur en position « marche » pour la durée de la temporisation
définie. Nous verrons plus loin qu’il est possible de tourner ce cycle de démarrage à
notre avantage avec une commande par boutons poussoirs pour un allumage
.​temporize
: LA COMMANDE D’ARRÊT COMBINÉE À LA MARCHE FORCÉE
Ce schéma est fonctionnel mais peu pratique car nous avons là deux commandes
distinctes qui interagissent sur le fonctionnement de l’ensemble. Admettons que l’on
veuille mettre en marche forcée : « Zut l’autre inter était à l’arrêt », appuis sur l’autre
interrupteur. Inversement, nous enlevons la commande d’arrêt et nous apercevons
passé 30mn que l’autre inter était en marche forcée. Résultat les lampes ont été
allumées pour rien.
Voyons une manière plus « pro » et surtout plus fonctionnelle d’opérer, avec cette
fois un seul interrupteur remplissant nos 3 fonctions : Arrêt - Marche automatique –
.Marche force
: COMMANDE MARCHE/ARRÊT PAR INTERRUPTEUR 3 POSITIONS
Nous utilisons dans l’exemple qui suit un interrupteur rotatif 3 positions. Il existe
d’autres types d’interrupteurs 3 positions mais celui-ci nous est paru être le plus
judicieux, permettant d’avoir un aperçu de l’état de notre petite installation sans
.ajout de signalisation
Ce type d’interrupteur (ou commutateur) ne se trouve généralement pas dans les
grandes enseignes de bricolage. Il faudra le commander en ligne ou se rendre dans
un magasin spécialisé de type « comptoir électrique ». Certains ne vendent qu’aux
professionnels aussi mieux vaut par précaution appeler avant de se déplacer.
Ces interrupteurs sont composés en plusieurs parties et sont modulables. Il faut un
support (​étrier​) pouvant accueillir au moins deux contacts (​blocs NO et NF​) et notre
interrupteur 3 positions fixes​ (il en existe avec rappel au centre donc ne pas se
.tromper), le tout dans une ​boite à boutons​ 1 trou
Les références Legrand sont fournies à titre indicatif. En cas de doute sur le choix des
matériels vous pouvez imprimer et présenter l’image ci-contre à un vendeur qui sera
alors en mesure de vous fournir l’équivalent dans une autre marque.
Si la boite ne vous paraît pas suffisamment esthétique ce type de bouton prévu pour
être installé en façade d’armoire peut tout aussi bien se loger dans un boitier
encastré d’intérieur avec une plaque pleine percée au bon diamètre (à condition que
la profondeur du boitier soit suffisante). L’encombrement peu dépendre des
.fabricants
Venons-en à nos branchements. Deux schémas vous sont proposés…
Le 1er avec position automatique (allumage par détecteur) au centre. L’interrupteur
doit dans ce cas précis être équipé d’un contact NF pour la position 0 (arrêt) et d’un
.(contact NO pour la position 1 (marche forcée
L’état des contacts est représenté selon la position choisie. On voit par exemple sur
celui du haut à droite qu’en position 0 les deux contacts sont ouverts (aucun retour
possible vers les lampes), et qu’en position 1 les deux sont fermés, l’un d’eux
.envoyant la phase directement aux lampes
Nous ne sommes pas limités à celle seule disposition de l’interrupteur. Si l’on préfère
avoir par défaut l’inter sur la position 0 et au centre, les deux contacts seront alors
de type NO.
C’est le principal avantage des interrupteurs modulables en plus du fait qu’ils soient
étanches car destinés à des applications industrielles. Ils sont aussi robustes, et si
.toutefois il y avait une anomalie seul l’élément en cause serait à remplacer
COMMANDE PAR BOUTONS POUSSOIRS​ :
Dernier volet de cette deuxième partie consacrée au détecteurs de présence, nous
allons maintenant tirer profit de leur mode de fonctionnement qui tous semble-t-il
amorcent un cycle d’allumage à chaque remise sous tension.
L’idée est donc de simplement interrompre l’alimentation du détecteur et ainsi forcer
l’allumage temporisé des lampes. Nous simulons en quelque-sorte une détection en
.(faisant l’économie d’une ​minuterie​ (voir plus loin pour l’emploi d’une minuterie
Comme indiqué sur ce schéma les boutons poussoirs doivent être normalement
fermés (NC ou NF) de sorte à ce que l’alimentation du détecteur soit assurée en
permanence et rompue à chaque pression sur l’un des boutons poussoir (placés en
série).
Dans le cadre d’une rénovation ou des boutons poussoirs sont déjà en place avec une
minuterie​ (cage d’escalier par exemple) il ne faut surtout pas procéder de la sorte
d’autant que vous êtes déjà équipé d’une minuterie. Le détecteur est dans ce cas très
simple à ajouter. L’utilisation d’une minuterie est d’ailleurs tout aussi valable pour du
.neuf
 
Chauffage électrique avec fil pilote
L'utilisation du fil pilote dans la gestion du chauffage électrique est encardrée par la
norme.
Ne seront traités dans le présent document que ces aspects de la norme en vigueur,
.illustrations à l'appui
? QUE NOUS DIT LA NORME
La NFC 15-100 précise que le sectionnement du fil pilote doit être prévu. La
protection des fils pilotes étant différente de celles des radiateurs, les directives
détaillées ci-après évitent de se croire protégé lors d’une intervention en ayant
simplement coupé la protection du circuit chauffage désiré, le fil pilote continuant à
.émettre des signaux électriques basse tension
LES DIFFÉRENTES OPTIONS QUI S'OFFRENT À NOUS :
Marquage des protections et boites de connexion
La solution la plus simple et la moins onéreuse est d’apposer ​des marquages ​«
Attention, fil pilote à sectionner »​. Un au niveau des protections des circuits
chauffage (ici les disj. 20A) sur le tableau de répartition, puis dans chacune des boites
de connexion des appareils de chauffage desservis par un fil pilote :
La norme ne précise pas de dimensions ni de couleurs pour les étiquetages,
.néanmoins préférez des couleurs qui ne passerons pas inaperçues
Evitez le noir sur fond blanc, surtout si vos autres repères le sont aussi.
.Le blanc sur fond rouge convient très bien au moyen d’une étiqueteuse
Bien que non spécifié, il n’est pas inutile d’identifier les modules propres à la
.protection et la commande des fils pilote
Sectionnement du fil pilote via des contacts auxiliaires​ :
En d’autres termes, ajouter aux disjoncteurs des différents circuits chauffage des
contacts auxiliaires. Ce sont de simple contacts venant se clipser au côté des
disjoncteurs. Les contacts changeront d’état selon que ​le disjoncteur​ soit levé ou
.baissé
Le contact utilisé sera de type NO (Normalement Ouvert, fermé lorsque le disjoncteur
est enclenché), ici entre les bornes 11 et 14.
Le fil pilote passe par le contact auxiliaire avant de rejoindre les radiateurs.
Disjoncteur baissé, le contact auxiliaire associé est lui aussi ouvert sectionnant ainsi le
.fil pilote
 
Sectionnement associé un interrupteur général de chauffage (2 possibilités)​ :
Interrupteur Différentiel dédié aux circuits chauffage​ ​ :
En regroupant sous un même interrupteur différentiel (ID) tous les circuits chauffage
avec la protection et le programmateur fil pilote, l’interrupteur différentiel fera alors
office d’interrupteur général chauffage, coupant du même coup l’alimentation du fil
pilote.
Aucun autre type de circuit ne doit être repris sous ce même ID, et il convient
naturellement de ne pas se contenter de déclencher l’un des disjoncteurs chauffage
lors d’une intervention sans quoi le fil pilote serait toujours alimenté. Bien que la
norme ne l’impose pas le bon sens nous conduit à identifier l’interrupteur différentiel
comme étant dédié au chauffage, ce afin de ne pas l’oublier lors de nos futurs
interventions.
Bien que non spécifié dans la norme, les marquages « ​Attention, fil pilote à sectionner​ » serait un gage de sécurité
.pour les intervenants non-avertis. Il en va de même pour la possibilité suivante
Interrupteur Sectionneur en amont des circuits chauffage ​:
Le principe est identique au précédant à ceci près qu’il permet à l’interrupteur
différentiel de desservir des circuits autres que voués au chauffage (éclairages, prises,
etc.).
L’interrupteur sectionneur est moins onéreux qu’un interrupteur différentiel, d’où
cette option. L’interrupteur sera raccordé en aval de l’ID (afin de conserver la
protection contre les courants résiduels) et en amont des circuits chauffage et fil
.pilote servant ainsi de coupure générale chauffage
Montage en cascade​ :
La dernière possibilité, celle-ci beaucoup plus limitée, consiste à se servir d’un
disjoncteur chauffage comme dispositif de sectionnement. Le disjoncteur 2A de la
partie commande est raccordé en aval d’un disjoncteur chauffage, montage dit « en
: « cascade
Ce montage ne permet l’asservissement que d’un seul circuit chauffage par fil pilote,
.puisqu’un seul disjoncteur chauffage assure le sectionnement du fil pilote
Commande VMC par hygrostat
:SCHÉMA ÉLECTRIQUE ET PRINCIPE DE FONCTIONNEMENT DE L'HYGROSTAT
L​'hygrostat​ est, à l'instar du thermostat, un dispositif de commande électrique
automatique qui agit selon le taux d'humidité ambiant, tandis que le thermostat
dépend de la température.
L'hygrostat classique ne nécessite pas d'alimentation. Celui-ci ne fait que fermer ou
ouvrir mécaniquement un contact interne. Ainsi un contact ouvert au repos ​(contact
NO - Normalement Ouvert)​ se fermera chaque fois que le seuil d'humidité réglé sera
dépassé, à ne pas confondre avec un hygromètre qui est un appareil de mesure,
comme le thermomètre, qui lorsqu'il permet de faire de l'asservissement
(commande) à besoin le plus souvent d'une alimentation électrique pour fonctionner.
Des hygrostats un peu plus évolués proposent notamment une minuterie (timer) qui
retardera le retour en petite vitesse afin que le taux d'humidité redescende
suffisamment pour éviter les permutations petites et grandes vitesses trop
rapprochées. Dans le cas du hygrostat avec timer, une alimentation électrique sera
.alors nécessaire
Commande d'une VMC 2 vitesses par hygrostat​ :
L'hygrostat délivre un contact sec 2 positions et s'utilise comme un interrupteur
classique .
Tel que représenté sur les schémas qui suivent, la position I du contact de l'hygrostat
est à l'état repos, autrement-dit fermé lorsque le taux d'humidité est inférieur au
seuil de réglage.
Lorsque le taux d'humidité dépasse ce seuil, le contact bascule en position II et active
.la grande vitesse du groupe de ventilation
Commande d'une VMC 2 vitesses par hygrostat avec marche forcée​ ​:
Le montage précédant est entièrement automatique et ne laisse aucun moyen de
contrôle à l'utilisateur, si ce n'est en diminuant significativement le réglage du taux
d'humidité souhaité de sorte à forcer le passage en grande vitesse.
L'ajout d'un interrupteur 2 positions, type va et vient, permet de forcer le passage en
grande vitesse du groupe VMC.
L'interrupteur en position I ​(fil marron sur le schéma)​ correspond à la marche
automatique par hygrostat. En position II l'interrupteur alimente directement la
.grande vitesse du groupe VMC, sans passer par l'hygrostat
: Commande d'une VMC 2 vitesses par hygrostat nécessistant une alimentation
Comme énoncé en introduction, certains hygrostats nécessistent une alimentation
230v.
Il faudra dans ce cas un fil supplémentaire, le neutre, en provenance de la boite de
dérivation, du groupe VMC ou du tableau électrique selon la configuration de votre
installation.
.La phase sera simplement shuntée avec le commun du contact de l'hygrostat
Commande par hygrostat avec forçage grande vitesse temporisé ​(par bouton
:​ ​(poussoir
Ce nouvel exemple d'application permet de lancer la grande vitesse pour un temps
.donné, depuis plusieurs points de commandes, des boutons poussoirs
L'hygrostat continu à jouer son rôle en automatique, et l'association d'un relais
temporisé permettra depuis la cuisine, les toilettes ou encore la salle de bain de
.forcer le passage en grande vitesse pour la durée de son choix
Nous utiliserons pour illustrer ce montage un ​relais temporisé​ de marque Legrand,
.série ​Lexic 04 741
Le contact du relais temporisé est représenté à l'état repos, sans intervention de
l'utilisateur. Lors d'une impulsion sur l'un des boutons poussoirs, le contact passe en
position 15-18 alimentant la grande vitesse du groupe VMC sans passer par le contact
de l'hygrostat.
A l'issue de la temporisation, le contact du relais revient en position 15-16 laissant de
.nouveau l'hygrostat prendre le contrôle sur la ventilation
Raccordement d'une VMC
: Schéma de raccordement d'un groupe VMC - ​Ventilation Mécanique Contrôlée
Les schémas de raccordement qui suivent viennent compléter nos articles sur les
: groupes VMC
La VMC simple flux -
- ​La VMC hygroréglable
- ​La VMC double flux
Indications préalables​ :
La protection d'un groupe VMC doit être obligatoirement un disjoncteur, le
porte-fusible étant interdit pour la ventilation.
La section des conducteurs en aval d'un disjoncteur 2A seront en 1.5 mm².
Schéma de principe
Schéma de raccordement dévellopé
Raccordement d'un groupe VMC avec hygrostat
: Schéma de principe
: Schéma développé
Raccordement d'un chauffe-eau en heures creuses
Le chauffe-eau électrique, aussi appelé ballon d’eau chaude ou cumulus, est un
appareil à forte puissance (2000 à 3000W en moyenne) et fonctionne à années
entières pour maintenir l’eau chaude sanitaire à bonne température, ce qui le place
aux plus hautes marches du podium des énergivores domestiques avec le chauffage
.pour qui est en tout électrique. Il mérite donc toute notre attention
PRINCIPE DU CHAUFFE-EAU ÉLECTRIQUE :
Un chauffe-eau électrique est composé d’un réservoir (ballon), d’un relais
thermostatique et d’une résistance chauffante. A l’instar d’un convecteur électrique,
le thermostat du chauffe-eau va alimenter la résistance électrique chaque fois que la
température de l'eau qu'il contient aura atteint un niveau insuffisant. Une fois qu'elle
aura de nouveau atteint la température désirée la résistance ne sera plus alimentée,
etc.
L’eau chaude utilisée est remplacée au sein du réservoir par de l’eau froide, se
mélangeant à celle restante et diminuant ainsi la température globale du
chauffe-eau. De fait, plus nous tirons d’eau plus la température en son sein aura
diminuée et plus il faudra de temps pour que la résistance parvienne à remonter
celle-ci jusqu’au seuil de réglage du thermostat, généralement entre 55°C et 70°C.
Bien que le réservoir soit isolé des pertes de chaleur sont également à prendre en
considération. Elle seront plus ou moins importantes selon la qualité du chauffe-eau,
sa capacité (volume donc surface extérieure) et la température environnante, le cas
le plus défavorable étant d’avoir un chauffe-eau de premier prix et à grande capacité
.dans un garage non-isolé donc très froid en hivers
PRINCIPE DU CHAUFFE-EAU EN DOUBLE TARIF (HEURES CREUSES)​ :
Les fournisseurs d’électricité proposent des abonnements à double tarif.
L’abonnement annuel est plus cher qu’en simple tarif et nous bénéficions de deux
prix du kWh selon l’heure de consommation, les heures pleines et les heures creuses
(horaires définies par le fournisseur). En heures pleines le prix kWh sera plus élevé
.qu’en simple tarif et inversement en heures creuses
CHAUFFE-EAU AVEC RELAIS HEURES CREUSES ET CONTACT ERDF​ :
Lorsque nous souscrivons à un abonnement d’électricité avec double tarif, des
signaux électriques cheminent par le biais du réseau jusqu’à notre installation. Notre
compteur, ou à défaut un appareil appelé relais de découplage et installé par ERDF,
 
se charge d’interpréter ces signaux et nous délivre un contact (bornes C1 et C2),
.ouvert ou fermé selon que l’on soit en heures pleines ou en heures creuses
Le relais heures creuses, dont le ​principe de fonctionnement détaillé vous
est dressé dans cette autre publication​, sert d’intermédiaire entre ce
contact et le chauffe-eau. En heures creuses le contact se ferme alimentant ainsi la
bobine du relais heures creuses, qui à son tour commutera deux contacts de
puissance pour l’alimentation du chauffe-eau. Il est comporte en façade un
commutateur trois positions : ​I​ (marche forcée), Auto (heures creuses) et ​0​ (Arrêt).
La marche forcée permet de passer outre les heures creuses en forçant la mise sous
tension du chauffe-eau si l'eau chaude venait à manquer, et à l'inverse la position
arrêt empêche la mise en marche du chauffe-eau lors de son prochain cycle ou
interrompt le cycle en cours. Attention, dans les deux cas le relais reprendra sa
position "auto" pour les prochains cycles, ce afin de nous éviter la douche froide (si
arrêt) ou de voir notre facture d'électricité exploser (marche forcée). En cas d'arrêt
prolongé souhaité (vacances) il faudra donc baisser le disjoncteur de notre
chauffe-eau.
Chauffe-eau monophasé avec relais heures creuses​ :
 
La partie commande comprenant le contact ERDF et la bobine du relais (bornes A1 et
A2) est protégée par disjoncteur 2A. La partie puissance part d’un disjoncteur 20A,
transite par le relais heures creuses pour finalement rejoindre le chauffe-eau.
Chauffe-eau triphasé avec relais heures creuses​ :
Même principe de précédemment avec cette fois un chauffe-eau triphasé. En réseau
triphasé + neutre les tensions sont de 400V entre phases et de 230V entre phase et
neutre.
Il convient avant de prendre exemple sur le schéma qui suit de s’assurer que la
.tension d’alimentation de la bobine du relais est bien en 230V
 
La partie commande reste inchangée avec notre disjoncteur 2A repris entre l’une des
phases et le neutre (230V) de l’interrupteur différentiel. Pour la puissance nous avons
maintenant un disjoncteur et un relais heures creuses à trois pôles (triphasés). En
somme seul ici l’interrupteur différentiel est tetrapolaire (3 phases + neutre) avec en
aval deux circuits bien distincts, la commande en monophasé et la puissance en
triphasé (pas de neutre requis).
CHAUFFE-EAU EN HEURES CREUSES AVEC HORLOGE PROGRAMMABLE​ :
Il nous est en effet tout à fait possible de commander notre chauffe-eau sans le
contact ERDF, dès lors que nous connaissons les horaires de passage en heures
creuses. Celles-ci diffèrent d’une région à l’autre et sont imposées par le distributeur
(ERDF dans 95% des cas). Votre fournisseur d’électricité ne fait que s’y conformer et
ne pourra en aucun cas les modifier. Les plages horaires vous concernant sont
indiquées sur la facture d’électricité. Le relais heures creuses est là encore de mise
pour pouvoir bénéficier des positions de marche forcée (1), automatique (Auto) et
arrêt (0). A l’instar du contact ERDF, l’horloge nous fournie un contact cette fois
programmé à heures fixes, contrairement au contact ERDF qui commute aux heures
précises des passages d’un tarif à l’autre. Il peut en effet y avoir un décalage de
quelques minutes en les horaires théoriques et celles effectives. L’horloge qui
nécessite une alimentation 230V sera protégée par disjoncteur 2A. La phase de ce
même circuit est envoyée parallèlement au contact de l’horloge (commun). Sa sortie
NO (contact ​N​ormalement ​O​uvert donc fermé lorsqu’il est activé par l’horloge en
heures creuses) regagne la borne A1 du relais heures creuses, et retour vers le neutre
.depuis la borne A2
Radiateurs électriques à accumulation en heures creuses
On appel radiateurs à accumulation les radiateurs ayant la particularité
d'emmagasiner et de stocker de la chaleur pour ensuite pouvoir la restituer
lentement dans le temps. On dit alors qu'ils possèdent une forte inertie thermique,
.mettant beaucoup de temps à chauffer puis à se refroidir
PRINCIPE DE FONCTIONNEMENT D'UN RADIATEUR ÉLECTRIQUE À ACCUMULATION :
Le principe est de mettre en fonctionnement nos radiateurs à accumulation durant
les heures creuses, heures ou le courant électrique est facturé le moins cher, et de les
couper en heures pleines. Les radiateurs auront accumulés des calories et chauffés
votre habitât durant toute la nuit, et continuerons à chauffer durant la journée en
dissipant tranquillement les calories stockées.
Les chauffe-eau électriques fonctionnent selon le même principe. Les compteurs
récents disposent de bornes C1 et C2, ou à défaut par l'intermédiaire d'un relais de
découplage situé à proximité du compteur. Derrière ces bornes se cache un simple
contact laissant passer le courant électrique durant les heures creuses. Quand ce
contact est fermé, le courant traverse la bobine du contacteur de puissance (relais
heures creuses) fermant à son tour les contacts qui alimentent les radiateurs
.électriques
Certains radiateurs à accumulation intègrent déjà leur contacteur pour la mise en
fonctionnement en heures creuses. Pour ce type de radiateurs, reportez-vous au
deuxième schéma : ​radiateurs électriques à accumulation avec
contacteur intégré
: RADIATEURS ÉLECTRIQUES À ACCUMULATION SANS CONTACTEUR HEURES CREUSES INTÉGRÉ
Le schéma qui suit illustre la manière la plus fréquente de raccorder des radiateurs
électriques à accumulation en heures creuses. Certains constructeurs intègrent directement
à leurs appareils les contacteurs de puissance servant à commander la mise en
fonctionnement et l'arrêt des radiateurs (​radiateurs électriques à accumulation
.(avec contacteur intégré
: RADIATEURS ÉLECTRIQUES À ACCUMULATION AVEC CONTACTEUR HEURES CREUSES INTÉGRÉ
Pour les radiateurs intégrant leurs propres contacteurs, le raccordement de la
puissance (alimentation 20 A) ne nécessite aucune modification du tableau
.électrique. Le câblage est identique aux convecteurs électriques standards
En contre-partie il faut envoyer le fil pilote (sortie C2 du contact heures creuses) aux
.radiateurs pour la commande du contacteur intégré
Il est très important dans ce cas que tous les circuits chauffage avec fil pilote soient
sous le même interrupteur différentiel que le disjoncteur 2A servant à protéger la
commande des heures creuses, sans quoi lors des passages en heures creuses le
mélange des circuits provoquerait un déséquilibre de passage de courant entre phase
et neutre de chacun des interrupteurs différentiels. Ce déséquilibre, s'il dépasse le
seuil de déclenchement d'un DDR 30mA (entre 15 et 30mA) fera alors se couper le ou
.les interrupteurs différentiels concernés
.Le schéma de gauche vous donne l'exemple de ce qu'il ne faut pas faire
A noter également qu'un interrupteur différentiel 40A supporte au maximum une
puissance de 8 kW. Au delà prévoir en remplacement un interrupteur différentiel 63A
.
Vous aurez remarqué la présence des étiquettes "​Attention, fil pilote à sectionner​" sur les disjoncteurs chauffage et au
niveau des radiateurs eux-mêmes (dans leurs boîtiers de connexion). ​La norme impose le sectionnement du fil pilote
ou à défaut ce type de marquage afin de s'assurer que lors d'une intervention sur un appareil celui-ci soit isolé de
.toutes sources d'alimentation
BAES - Bloc Autonome d'Eclairage de Sécurité
Le BAES, appelé aussi BS pour "bloc​ ​de​ ​secours" ou encore "bloc​ ​de​ ​sécurité", est un
éclairage de sécurité visant à faciliter l'évacuation des bâtiments notamment en cas
d'incendie, ou plus simplement d'offrir un éclairage d'appoint dans les lieux de
passage (circulations, escaliers, hall, ..) en cas de coupure d'électricité de tout ou
.partie de l'installation, et ainsi pouvoir se déplacer sans risquer d'accidents corporels
Schéma général, un seul circuit d'éclairage alimenté :
Pour la maintenance des BAES, un dispositif de télécommande devra être installé,
permettant des commandes d'allumage et d'extinction à distance. Tous les BAES y
seront reliés par le biais de 2 fils de télécommande (+ et -), généralement de couleur
noir.
Lorsque des câbles sont utilisés plutôt que du fil sous gaine ICT, les BAES seront
alimentés en 5G1,5.
Marron​ ​et Bleu pour l'alimentation, Noir (+) et Gris (-) pour la télécommande, le
.(Vert/Jaune n'étant pas à raccorder (appareils classe II
Schéma général, plusieurs circuits d'éclairage alimentés​ :
La télécommande sera la même pour tous les circuits d'éclairage nécessitant l'emploi
de BAES
Exemple d'application​ :
Mise en place de BAES dans un escalier, dont l'éclairage fonctionne par télérupteur et
.boutons poussoirs
Centralisation de volets avec micromodules Yokis
Les micromodules Yokis​ ​présentent l’avantage de pouvoir centraliser la commande
de ses volets roulants (entre autre) de manière simple, rapide et économique. Petits,
.ils se placent dans les boitiers d’appareillage, derrière les commandes des volets
Le schéma est donné à titre d’exemple. Il existe d’autres manières de câbler de tels
.modules, par exemple avec doubles poussoirs en commande locale
Matériels nécessaires :
Boutons poussoirs NO (Normalement Ouvert) simple ou double pour les commandes
locales, bouton poussoir simple ou double pour la commande centralisée (le double
.(poussoir est préconisé
Fonctionnement des micromodules​ ​:
La commande des volets s’effectue grâce des poussoirs NO simples (commande
locale) ou doubles touches (commande centralisée).
En commande locale :​ ​une impulsion sur la touche d’un poussoir et le volet
correspondant s’ouvre ou se ferme suivant sa précédente position.
En commande centralisée :​ ​une impulsion sur une des touches du double poussoir
(suivant la fonction désirée par l’utilisateur) et tous les volets se ferment ou s’ouvrent
: Schéma de raccordement
Le disjoncteur de branchement ou AGCP
Le ​disjoncteur de branchement​ ​(​DB​ ou ​AGCP​ pour Appareil​ ​Général de​ ​Commande
et de Protection) est le point de liaison entre le réseau ERDF et l'installation
électrique d'un abonné, appelé point de livraison.
Ces troix expressions (disjoncteur de branchement, DB et AGCP) seront employées au
.long de cet article, mais il s'agit bien du seul et même appareil
Tout ce qui figure en amont du disjoncteur est régi par la norme NF C 14-100,
exclusivement du ressort des intervenants ERDF et des entreprises sous-traitantes.
Ces entreprises réalisent des travaux sur les réseaux électriques appartenant à ERDF
après avoir répondu à un appel d'offre et obtenu le marché. Elles sont spécialisées et
sont choisies pour leurs qualifications et leurs compétences. En somme un
installateur bien qu'électricien ne peut en aucun cas intervenir en amont du
disjoncteur général. Toute intervention devra passer par ERDF.
Physiquement l'amont correspond à la partie haute du disjoncteur et est plombée.
.L'aval (partie basse) est du domaine de la NF C 15-100 et est accessible à l'abonné
L'AGCP dispose d'un réglage du seuil d'intensité permettant au distributeur de limiter
la puissance absorbée par l'installation (puissance souscrite), et assure par la même
occasion une protection globale de celle-ci contre courts-circuits et sur-intensités
(protection magnétothermique, selon l'abonnement - 15, 30, 45 ampères ...), et
contre les défauts d'isolement (protection différentielle, 500mA pour une terre de
100 ohms maxi).
Dans le cas de défauts d'isolement supérieurs à 500mA, l'AGCP pourrait couper toute
l'installation avant qu'une des protections situées en aval n'aient eu le temps d'agir
pour ne couper que la partie en défaut (différentiels 30mA). Arrive alors la notion de
sélectivité. Pour être sélectifs les disjoncteurs de branchement doivent comporter la
mention "type S", indiquant qu'ils sont retardés au déclenchement.
Dès lors, si un seul circuit de l'habitation est en défaut, l'interrupteur différentiel
situé directement en amont de celui-ci coupera l'ensemble des circuits qu'il dessert
.avant que le disjoncteur n'ai eu le temps de couper toute l'installation
L'AGPC permet en outre d'isoler l'installation du réseau électrique en le basculant
manuellement, ce qui lui ajoute la fonction de coupure d'urgence lorsqu'il est
implanté dans le logement.
Couplé avec le compteur électrique, ils forment ce que l'on nomme le panneau de
.contrôle​, ​ou​ ​tableau de comptage
Rappel des fonctions premières du disjoncteur de branchement​ :
- Il est le point de liaison entre le réseau de distribution et l'installation de l'abonné.
Lui comme tout ce qui est en dessous est propriété de l'abonné, au dessus la
propriété d'ERDF.
- Permet la coupure d'urgence de toute l'installation si placé dans le logement, ou
simplement de l'isoler pour intervention. Dans le cas contraire un autre dispositif
devra remplir cette fonction au sein du logement, disjoncteur ou
interrupteur-sectionneur.
- Protection générale contre les sur-intensités, courts-circuits et défauts d'isolement
de l'installation.
TYPES DE DISJONCTEURS​ :
Nombre de poles :
Il existe des disjoncteurs de branchement bipolaires (phase et neutre) et
tétrapolaires (trois phases et un neutre), selon que l'abonnement soit en monophasé
ou triphasé.
La grande majorité des installations domestiques est alimentée en monophasé, pour
une tension de service de 230V.
Le triphasé concerne les exploitations agricoles, industries, commerces, ... ou
habitations disposant de matériels électriques fonctionnant eux-mêmes en triphasé.
Il peut s'agir de machines tournantes (moteurs tri), de chauffe-eau, pompes à
chaleur, ...
La tension est de 400 volts entre phases et de 230 volts entre chacune des phases et
les neutre.
Il est possible d'alimenter des équipements monophasés depuis un réseau triphasé
en prenant leur alimentation entre une des phases et le neutre.
Une installation tri peut-être ramenées en mono pour notamment minimiser ses frais
d'abonnement, mais il faut alors prévoir le remplacement du compteur, disjoncteur
et des câbles d'alimentation. Le tableau de répartition devra lui aussi être modifié en
conséquence, et bien entendu ne plus avoir de matériels triphasés à alimenter.
.L'inverse est également possible mais plus rare
Calibre​ :
Le calibre désigne le seuil maximal d'intensité que tolérera le disjoncteur. L'intensité
dépendant de la puissance absorbée par l'installation et de la tension, limiter
l'intensité revient à en limiter également la puissance.
La puissance des abonnements est exprimée en voltampères (VA), unité de mesure
de la "puissance apparente". Celle-ci tient compte de phénomènes appelés
"déphasages" générés par certains appareils tels que moteurs, ordinateurs, lampes
fluorescentes, etc. Pour faire simple ils occasionnent des échauffements
supplémentaires dans les câbles de distribution contraignant à les sur-dimensionner.
La puissance active, exprimée en Watts (W) correspond quant à elle à la puissance
réellement consommée. Elle est égale à la puissance apparente pour les appareils
purement résistifs (aucun déphasage) comme les ampoules à incandescence,
chauffage​ électrique, ​chauffe-eau​, etc.
Vous l'aurez compris, les disjoncteurs de branchement sont réglables, mais dans
certaines mesures.
Les disjoncteurs ont des plages de réglage limitées du fait qu'ils devront être en
mesure de résister à de plus ou moins forts passages de courant, de même pour les
câbles d'alimentation qui devront être dimensionnés en tenant compte du cas le plus
défavorable, à savoir le seuil de réglage le plus haut d'un même disjoncteur​.
: Modèles de ​disjoncteurs​ les plus fréquents par types d'abonnements
Comme nous l'avons évoqué, ​la ​section des câbles d'alimentation​ devra tenir
compte du calibre le plus important du disjoncteur, dans le cas d'un changement
d'abonnement ultérieur.
Nous aborderons plus loin la section de conducteurs puisque dépendant de leur
longueur et par conséquent de l'emplacement du disjoncteur par rapport au tableau
de repartition
Emplacement du disjoncteur​ :
Le panneau de comptage lorsqu'il est dans l'habitation doit être placé dans la GTL
(voir notre article sur la ​Gaine Technique de Logement​).
Deux cas de figure​ :
Il sera effectivement placé dans la GTL s'il est à 30 mètres ou moins du coffret de
distribution d'ERDF (contenant un appareil de sectionnement ou fusibles). Il remplira
aussi sa fonction de coupure d'urgence puisque qu'accessible depuis l'intérieur du
logement.
Le passage du câble d'alimentation et son raccordement sera assuré et facturé par
.ERDF
Il faut dans ce cas ajouter un dispositif de coupure d'urgence au sein le logement, qui
peut être un autre disjoncteur de branchement (cette fois non sélectif) ou un simple
interrupteur sectionneur qui lui n'assurera aucune autre protection que l'isolation
manuelle de l'installation.
C'est le client ou son électricien qui devra se charger du passage du câble
.d'alimentation et du raccordement côté logement
Certains centres ERDF tolèrent des distances plus importantes pour l'intégration du
tableau de comptage à la GTL. Pour s'en assurer il est préférable de leur demander
.une étude préalable
SECTIONS DES CÂBLES D'ALIMENTATION​ :
La section des conducteurs est déterminée selon ces principaux critères :
● intensité (calibre max du disjoncteur soit 45A si DB 15-45, même s'il est reglé
sur 15 ou 30A)
● tension et type de réseau (ex : 230V monophasé ou 400V triphasé)
● longueur des conducteurs
● matériaux conducteurs utilisés (cuivre ou aluminium)
● chute de tension admissible (2% pour une liaison du DB au tableau de
répartition)
Vous y trouverez toutes les informations requises quant au choix des
conducteurs à utiliser.
Les tableaux qui suivent dressent les longueurs maximales par types de
disjoncteurs et par sections pour une chute de tension de 2%, en réseau
monophasé puis en triphasé. Ils n'ont pas la prétention de fournir "la
solution", sur ce site comme ailleurs.
De faibles dépassements de chute de tension sont tolérés dans certains cas,
tandis que pour certaines installations il serait parfois préférable de ne pas
atteindre ces 2%, si par exemple nous avons à alimenter une dépendance
(tableau divisionnaire) auquel cas une section plus importante sur la plus
courte des longueurs (DB à TR = 30m) pourrait nous faire descendre d'une
section pour une longueur plus importante (TR à TD > 30m).
: Longueurs maximales entre AGCP et tableau de repartition
Tableau électrique avec chauffe-eau en heures creuses
Le schéma qui suit n'est qu'un exemple de réalisation possible d'un tableau de
répartition. Certains élements sont imposés par la norme NFC 15-100 et d'autres
seulement recommandés. Des explications sont fournies à la suite du schéma.
Il devra être adapté au mode de chauffage si électrique, à la quantité de circuits
nécessaires pour vos éclairages et prises de courant, à la surface habitable (ici plus de
.. ,(100m²
Ce tableau possède 3 interrupteurs différentiels de type "AC" où sont répartis les
principaux circuits prises, lampes et circuits spécialisés (four, sèche linge, ... ceux
.protégés par des disjoncteurs 20A). Ce sont les trois premières rangées du tableau
Répartition :​Il est important de répartir les différents types de circuits sur les
différents ​interrupteurs​ différentiels (ID), de sorte à ce qu'un défaut survenant sur
l'un des circuits ne provoque l'arrêt des autres circuits de même type.
Si par exemple tous les circuits d'éclairage étaient repris sous un même interrupteur
différentiel​, un défaut d'isolement sur un seul de ces circuits plongerait tout le
logement dans l'oscurité.
Un autre avantage d'une bonne répartition des circuits est qu'il sera plus aisé d'en
répartir également la puissance. Une rangée (interrupteur différentiel) trop chargée
pourra être soulagée d'un circuit prise ou éclairage, au profit d'une autre rangée
moins étoffée.
En bout de la deuxième rangée, un disjoncteur​ ​différentiel HI (Haute Immunité)
servant à l'alimentation d'un congélateur. Ce disjoncteur à la particularité d'éviter les
disjonctions intempestives.
Le disjoncteur différentiel à haute immunité n'est pas obligatoire mais vivement
recommandé lorsque la prise congélateur et prédéfinie à l'avance, en somme s'il est
déjà prévu de dédier un disjoncteur au congélateur.
Ce type de disjoncteur est également recommandé pour le matériel informatique
et/ou autres appareils nécessitant une continuité de service.
La quatrième rangée​ débute avec un quatrième interrupteur différentiel, cette fois
de type "A". Il a la même fonction que les ID de type AC, mais protège en outre des
fuites de courant continu générées par certains appareils.
Il est obligatoire, les deux seuls appareils que la norme impose de protéger avec un
interrupteur type A étant le lave-linge et les plaques de cuisson.
Lors de l'emploi d'un interrupteur différentiel de type A tolérant une intensité de 40A
comme sur ce schéma, il est possible d'y ajouter deux circuits supplémentaires.
Ce devront être des circuits non spécialisés, comme des circuits lampes ou prises de
courant (pas de prise ​GTL​).
Il sera possible d'ajouter au type A davantage de circuits ou y mettre des circuits
spécialisés en obtant pour un interrupteur différentiel de 63A.
La quatrième rangée comporte deux prises modulaires, prises conçues pour être
intégrée aux tableaux. Ces prises sont obligatoires mais ne sont pas nécessairement
placées à l'intérieur du tableau.
Prises GTL :​ ​La norme impose deux prises à proximité de la ​GTL​ (Gaine technique
logement) alimentées depuis un disjoncteur spécifique, ce qui en fait un circuit
spécialisé. Ce disjoncteur ne devra par conséquent servir à l'alimentation d'autres
prises de courant.
Ces prises pourront être séparées du tableau ou intégrées.
Ajout d'un tableau électrique supplémentaire
Le tableau divisionnaire est un ​tableau électrique​ annexe prenant son
alimentation dans le tableau principal d'un logement. Il est généralement utilisé pour
alimenter électriquement des dépendances (garage, atelier, ..), des extensions ou
.étages
Le tableau divisionnaire (ou tableau secondaire) comporte des dispositifs de
protection habituels tels que des disjoncteurs 10 et 16 ampères pour l'éclairage et les
prises de courant des zones concernées et éventuellement d'autres circuits pour des
alimentations spécifiques (électroménager, chauffage, chauffe-eau annexe, prises
pour les machines d'un atelier,..).
Le principal avantage de ces tableaux est que leurs circuits sont isolés du reste de la
maison, dans le sens ou par exemple un défaut sur un circuit prise ne viendra pas
déclencher de protections sur le tableau principal, ne perturbant pas l'installation
générale.
Il sera également plus facile et rapide de réagir en cas de coupure d'un ciruit, le
tableau divisionnaire étant à proximité de la zone qu'il protège.
Il sera néanmoins toujours possible de couper l'alimentation du tableau divisionnaire
via un disjoncteur situé dans le tableau principal, ou directement depuis le
disjoncteur général de l'installation.
Le calibre du disjoncteur​ placé dans le tableau principal et protégeant
l'alimentation du tableau divisionnaire dépendra de la puissance nécessaire et donc
des appareils à alimenter via le tableau secondaire, au même titre que le type de
câble servant à alimenter votre tableau principale via le disjoncteur de branchement
EDF.
Pour connaître le type et la section des câbles d'alimentation à utiliser, un ​outil de
calcul de chutes de tension​ ​est à votre disposition, avec les explications sur son
utilité et sur la méthode employée, ainsi qu'un exemple d'étude complet pour le
.(choix des différents câbles (alimentation principale et vers le tableau secondaire
La mise à la terre
La mise à la terre​ ​est essentielle à la sécurité des personnes, et des biens lorsqu'il est fait usage
d'un ​parafoudre​. Son rôle est de dissiper des défauts d’isolement (fuites de courants) et
surtensions vers la terre. Nos tableaux électriques sont munis de dispositifs de protection
appelés "différentiels" chargés de détecter ces fuites de courant. Une mauvaise mise à la terre
conduirait à bloquer un courant de fuite le rendant de fait non détectable par le différentiel, au
risque que ce soit nous qui véhiculions ce courant vers la terre en entrant en contact avec le
matériel en défaut.
Le menu qui suit dresse la liste des différents éléments constituant la mise à la terre d'une
.installation, suivi d'un schéma détaillant ce à quoi ils correspondent
 
LA PRISE DE TERRE​ ​:
Il existe plusieurs méthodes: l’une consiste à enfouir un conducteur nu de manière
horizontale ou en fond de fouilles (généralement du cuivre 25mm²), l’autre à planter
un piquet (ou plusieurs) verticalement dans le sol (généralement un piquet en
galvanisé) ou encore une grille de terre (en cuivre).
La valeur de la prise de terre doit être inférieure à 100 ohms. Dans le cas ou
l'installation est protégée par un ​parafoudre​, une valeur de terre inférieure à 10
ohms est fortement conseillée.
Des additifs spécifiques permettent d'améliorer une valeur de prise de terre dans des
conditions difficiles.
Conducteur enfoui dans le sol​ :
Le conducteur enfoui dans une tranchée horizontale à un mètre de profondeur
environ. Il faudra veiller à recouvrir le conducteur de terre sans pierres ni cailloux qui
pourraient nuire à l’efficacité de la prise de terre (valeur ohmique trop élevée).
.Le conducteur sera en cuivre 25mm²
Conducteur enfoui en fond de fouilles ​:
Le conducteur enfoui en fond de fouilles (aussi appelé boucle à fond de fouilles) est
utilisé en construction neuve, sous la fondation. Cette méthode est la plus efficace
(par rapport à la tranchée verticale).
Le conducteur sera en cuivre 25mm². Il est aussi possible d’utiliser du feuillard en
galvanisé d’une section de 100mm² et de 3mm d’épaisseur ou un conducteur en
.galvanisé avec une section de 95mm² minimum
Piquet vertical ​:
Le piquet de terre doit être d’une longueur d’au moins 1.5 mètre et enterré à 2
mètres de la surface du sol (afin de garder une valeur de terre correcte en cas de
sècheresse ou de gel).
La valeur de terre peut être améliorée en interconnectant plusieurs piquets qui
seront distants entre eux d’au moins une fois leur longueur.
Conseil : le piquet s’installe de préférence dans un sous sol ou une cave, ce qui en
plus de le rendre plus accessible, le protège encore mieux des intempéries donc
.contribuera à sa bonne efficacité en toute saison
A noter que le regard n’est pas obligatoire mais conseillé car il faut pouvoir en vérifier
.périodiquement le bon état du raccordement
La grille de terre​ :
La grille de terre permet d'obtenir une très bonne valeur de terre. C'est important
notamment lorsque l'installation est protégée par un parafoudre.
Elle s'installe dans une tranchée horizontale, à une distance de 60 à 80 cm de la
surface du sol. La connexion sera faite avec des raccords auto-cassants ou avec
l'aluminothermie pour obtenir une connexion fiable et durable.
 
Reportez-vous au schéma du conducteur enfoui dans le sol. La tranchée devra être
plus large pour accueillir la grille et respecter les 20 cm d'écart avec les différentes
canalisations.
LE CONDUCTEUR DE TERRE​ :
Il assure la liaison entre la barrette de coupure et la prise de terre.
Sa section sera en générale 25mm² (cuivre nu) ou au minimum 16mm² en cuivre isolé
vert/jaune. Il peut être protégé par une gaine.
Il est possible de réaliser la connexion en galvanisé, sa section minimal sera alors de
.50mm²
LA BARRETTE DE COUPURE (OU BARRETTE DE MESURE)​ :
Elle permet de déconnecter l’installation de la prise de terre afin d’effectuer la
mesure de la résistance de cette dernière.
La barrette peut être installée dans ​la ​GTL​ (Gaine Technique de Logement) ou proche
de la prise de terre.
En temps normal, la barrette doit rester fermée, accessible et la déconnexion ne doit
.pouvoir se faire qu’à l’aide d’un outil
LA BORNE PRINCIPALE DE TERRE :
Elle assure la connexion entre le conducteur principal de protection et la liaison
.équipotentielle principale
LA LIAISON ÉQUIPOTENTIELLE PRINCIPALE (LEP)​ :
La LEP assure la mise à la terre des éléments métalliques et canalisations :
- d’eau (si possible avant compteur)
- de gaz de ville
- de chauffage central
- de gaz liquéfié et fuel (si les citernes sont en dehors de l’habitation)
- les parties métalliques accessibles de la structure de l’habitation (charpente
métallique).
La section de la LEP doit être au minimum 6mm² ou au moins la moitié de la plus
grande section des conducteurs de protection de l’installation.
Les connexions aux parties métalliques seront assurées notamment avec des
.connecteurs spécifiques
LE CONDUCTEUR PRINCIPAL DE PROTECTION​ :
Sa section dépend des conducteurs alimentant l’installation. Le conducteur principal
de protection doit avoir :
- la même section que les conducteurs d’alimentation si ceux-ci ont une section
inférieure ou égale à 16mm²
- une section de 16mm² si les conducteurs d’alimentation ont une section de 25 ou
35mm²
- une section minimale égale à la moitié de celle des conducteurs d’alimentation s’ils
ont une section supérieure à 35 mm²
Cas les plus fréquents
Si votre disjoncteur de branchement à un calibre maximum de 45 ampères, la section
des conducteurs d'alimentation devrait être au minimum de 10 mm².
Si le calibre maximum est de 60 ampères, la section des conducteurs d'alimentation
sera de 16 mm².
Dans les 2 cas la section du conducteur principal de protection sera identique à celle
.de l'alimentation
LE BORNIER TERRE​ :
Le bornier terre du tableau regroupe le conducteur principal de protection, les conducteurs
.de protection ainsi que les liaisons équipotentielles supplémentaires
LES CONDUCTEURS DE PROTECTION ;
Les circuits de l’installation comportent des conducteurs de protection (conducteurs
.vert/jaune), leur section devant être identique à celle des conducteurs actifs
LES LIAISONS ÉQUIPOTENTIELLES SUPPLÉMENTAIRES (LES)​ :
Une liaison équipotentielle dite "locale" est requise dans les salles de bain, consistant
à relier entre eux les différents conducteurs de protections et autres éléments
conducteurs, tels que canalisations d'eau, huisseries métalliques, etc. La section
minimale des liaisons équipotentielles doit être de 2.5mm² pour un​ ​conducteur isolé
vert/jaune​ , ​ou de 4mm² pour un conducteur nu.
Les connexions des LES aux parties métalliques sont assurées par des connecteurs
spécifiques, des colliers d'équipotentialité ou par soudure.
Plusieurs modes de réalisation sont possibles. Dans l'exemple qui suit tous les
éléments conducteurs sont interconnectés dans une boite de dérivation. Il n'est pas
nécessaire d'envoyer depuis cette boite de dérivation un conducteur de protection
supplémentaire vers le tableau électrique, la liaison équipotentielle étant assurée par
les conducteurs de protection des circuits électriques.
Il est également possible d'interconnecter directement les éléments conducteurs
sans passer par une boite de dérivation, dans la mesure ou la section minimale de 2,5
mm² est assurée et que tous soient bien reliés entre eux. Les circuits d'éclairage étant
de section 1,5 mm², leurs conducteurs de protection ne peuvent se suffir à assurer
les liaisons équipotentielles. Cela ne nous dispense pas néanmoins de devoir les relier
aux autres éléments conducteurs :
schema_contacteur_jour_nuit_a _22h
: Equipement_Minimum
: Tableau_de_sections_de_cables_ou_fils_electriques_par_type_d_utilisation
: Abaque_section_de_cable_electrique_puissance_longueur _tension_220V_mono
: Abaque_section_de_cable_electrique_puissance_longueur_tension_380V_tri
:​ formule_electricite_electrotechnique_electrique_calcul
: formule_electrique_electrotechnique_electricite_calcul puissance
: formule_electrotechnique_electrique_electricite_calcul
Electricité batiment

Electricité batiment

  • 1.
  • 2.
    : Les dangersde l’électricité Voici, à l’intention des services de sécurité incendie, quelques points à aborder avec les citoyens au sujet des dangers de l’électricité. Tous les appareillages électriques • Faire vérifier régulièrement les installations électriques par un maître électricien. • Faire remplacer les appareillages trop vieux, endommagés ou non conformes. • Remplacer les couvercles protecteurs des boîtes de jonction, des prises électriques et des commutateurs dès qu’ils sont endommagés. • Éviter d’appliquer de la peinture ou tout autre produit sur les installations électriques. • Faire installer le câblage électrique bien en vue de façon à ce que les rongeurs ne puissent l’atteindre, soit plus de 30 cm de toute surface pouvant leur donner appui. Si le câblage doit passer sur le côté d’une poutre, respecter une distance de 10 cm à partir du dessus de la poutre. • Ne pas tolérer des fils électriques fixés par des clous ou tout autre moyen inadéquat. Utiliser des attaches prévues à cette fin. .Ne jamais dénuder les fils électriques • Panneau électrique : Entretien du panneau • Laisser toujours en place le couvercle protecteur du panneau électrique afin d’éviter les risques d’électrisation et d’empêcher la poussière et l’humidité d’endommager les contacts électriques. • Serrer une fois par année les fusibles. • Vérifier occasionnellement les panneaux à disjoncteurs, car ils peuvent aussi se desserrer. • Faire inspecter le panneau électrique par un maître-électricien dès qu’on emménage dans une nouvelle demeure. Remplacement d’un fusible ou d’un disjoncteur • Si un fusible saute, vérifier s’il n’y a pas trop d’appareils branchés sur ce circuit. Si c’est le cas, brancher moins d’appareils. • Si un fusible saute sans raison apparente, ne pas le remplacer par un autre de calibre supérieur; communiqué plutôt avec un maître-électricien. • Éviter de remplacer un fusible ou un disjoncteur à la noirceur ni lorsque le plancher est humide, et éviter de toucher du métal. • Ouvrir l’interrupteur principal (mettre à OFF) avant de remplacer un fusible ou un disjoncteur. • Éviter de recourir à une pièce de monnaie pour remplacer un fusible ou à un bout de broche pour faire fonctionner un disjoncteur. Ce sont les fusibles et les disjoncteurs qui détectent les surcharges et empêchent le câble de prendre feu.
  • 3.
    Type et calibredes fusibles Vérifier que les fusibles sont du calibre approprié : • Pour les circuits d’éclairage et les prises de courant, utiliser des fusibles de 15 ampères. • Employer un fusible D, à action différée, pour les appareils demandant beaucoup de courant au démarrage comme le réfrigérateur, le congélateur et le climatiseur. Utiliser un fusible P, réagissant aux surcharges et sensible à la chaleur, pour les • autres circuits comme le chauffe-eau, la sécheuse à linge, le lave-vaisselle, les .plinthes chauffantes et les calorifères Cordons de rallonge et cables​ : • Utiliser des rallonges avec disjoncteur incorporé. • Ne pas employer les cordons de rallonge de façon permanente, débrancher-les après usage. • Garder les cordons de rallonge à la vue. Éviter de les cacher sous les tapis ou derrière les meubles, et de les faire passer à travers un mur ou sous une porte. • Éviter d’enrouler un cordon de rallonge lorsqu’il est branché. La chaleur dégagée au coeur de l’enroulement peut endommager la gaine protectrice et provoquer un arc électrique. Utiliser un cordon de rallonge plus court. • Remplacer tout cordon endommagé ou dégageant de la chaleur. • Ne pas suspendre un cordon de rallonge sur un crochet ou un clou. • Faire installer des prises supplémentaires par un maître-électricien si une rallonge en permanence ou une prise multiple est nécessaire. • Cesser d’utiliser un appareil dont le câble dégage de la chaleur et dont la gaine présente des signes d’usure. Ne pas laisser pendre un appareil électrique à son cable •. Fiches, prises de courant simples et prises multiples​ : • Tirer sur la fiche pour débrancher un appareil et non sur le câble. • Ne pas couper la troisième dent d’une fiche, elle est nécessaire pour la mise à la terre de l’appareil. • S’assurer que les prises de courant de la salle de bain et celles de l’extérieur possèdent un disjoncteur intégré. Les prises de courant extérieures doivent aussi posséder un couvert protecteur. • S’assurer qu’aucune fiche n’est coincée ou écrasée derrière un meuble. Ne brancher sur des prises multiples que des appareils à faible consommation • .comme les lampes de table, les radios-réveils ou la télévision Appareils de chauffage portatifs : • Placer la chaufferette loin des meubles, des rideaux et des autres tissus. • Garder la chaufferette hors du passage afin d’éviter qu’elle se renverse
  • 4.
    • Brancher lachaufferette dans une prise, et non à un cordon de rallonge. • S’assurer que la chaufferette possède un dispositif de sécurité intégré qui arrête l’appareil lorsqu’il est renversé. • Ne jamais utiliser une chaufferette de chantier de façon permanente. Faire plutôt installer un système de chauffage conforme. Plinthes de chauffage​ : • Éloigner les rideaux et les meubles à une distance de dix centimètres des plinthes électriques. • S’assurer l’intérieur des plinthes est vide de tout objet, comme du papier du journal, et éloigner tout ce qui pourrait s’y retrouver accidentellement. Autres appareils​ : • Utiliser des appareils portant le sceau d’un organisme d’homologation reconnu comme CSA ou ULc. • Utiliser des ampoules du calibre indiqué sur la lampe. • Éviter de déposer du tissu sur les abat-jour des lampes. Les 200 °C de l’ampoule pourraient l’enflammer. • Nettoyer régulièrement l’enroulement des condensateurs et le mécanisme derrière le réfrigérateur. La poussière et les dépôts graisseux peuvent prendre feu. • Sortir les appareils électriques comme une radio ou un radiateur de la salle de bain​. Appareillages extérieurs​ : • S’assurer que les prises de courant et les commutateurs situés à l’extérieur sont étanches. • Installer un appareil d’éclairage extérieur à l’épreuve des intempéries. • Employer un cordon de rallonge conçu pour l’extérieur. • Ranger les lumières de Noël dès que les Fêtes sont terminées. En les laissant sur place, la chaleur de l’été peut ramollir la gaine du câble qui s’encastre dans les clous ou les supports utilisés. Une gaine endommagée, combine aux intempéries, peut provoquer un arc électrique. Ce dernier dégageant plus de 3 000 °C, un incendie est donc à craindre. • Éloigner les appareils électriques comme une radio de la piscine.
  • 5.
    TRANSPORT ET DISTRIBUTIONDE L’ELECTRICITE : I-TRANSPORT .L’électricité est facile à transporter et à utiliser ; c’est son principal intérêt .Mais elle ne peut pas être stockée ; c’est son principal inconvénient : Les tensions sont classées de la manière suivante Très basse tension TBT Basse tension BT Moyenne tension MT Haute tension HT Très haute tension THT Valeur limite des tensions V 50 500V-1kV 20kV 50kV 400kV Le rendement d’une chaîne électrique s’améliore lorsque le transport a lieu en haute tension​, ​car les pertes dans la ligne haute tension est plus faible Le transport de l’énergie électrique s’effectue sous des tensions 225kV et 400kV : II- DISTRIBUTION D’après source EDF .Le transport et la distribution sont effectués en régime triphasé .Les entreprises sont alimentées en triphasé, les particuliers en courant monophasé Les installations sont donc réparties selon les trois phases, afin  d’équilibrer au mieux le réseau     
  • 6.
              : Puissance apparente Encourant alternatif, le produit de la tension U par l’intensité I est appelée ..………………… …………………….…………………… ​de symbole L’unité SI est le Calcul des pertes par effet joule :compléter le tableau Résistance de la ligne : r= 0,5 Puissance : 500k VA Tension de départ en BT : 1000V Tension de départ en MT : 20 kV Nature du câble : alliage d’aluminium qui présente l’avantage d’être léger et d’offrir .une grande stabilité thermique et une forte résistance mécanique : III-TRANSFORMATEUR I= S/U Pertes : RI​2 BT MT Rôle du - 1° : transformateur
  • 7.
    Un transformateur estconstitué de deux enroulements​ ​de cuivre placés sur un noyau .de fer qui assure le passage du champ magnétique entre les enroulements Les deux bobines n’ont pas de liaison électrique entre​ ells ; Le nombre de spires est différent pour chaque bobine l’un des enroulements est alimenté par une​ ​tension sinusoïdale : c’est un récepteur ; ..……………………………………il est appelé .…………………… l’autre joue le rôle d’un générateur : c’est le Remarques : toutes les grandeurs liées au ​primaire​ sont affectées de l’indice 1, toutes .celles liées au ​secondaire​ de l’indice 2 2° - Description :  u​1​ et u​2​ sont des tensions alternatives ! ! Ne jamais utiliser un transformateur en ! ! .tension continue : Symbolisation-3° Les symboles du transformateur sont : Étude expérimentale-4° a. Rapport de transformation :
  • 8.
    Alimenter le transformateuravec une tension primaire U​1​ de 6V et relever les différentes tensions U​2 ​aux bornes du secondaire du transformateur ( 3 cas possibles) Remplir le tableau suivant : N​1 N​2 U​1 U​2 1000 500 1000 250 500 250 b. Visualisation des tensions aux bornes du transformateur Après réalisation du montage ci-dessus, compléter l’oscillogramme suivant (on : (utilisera deux couleurs différentes pour u​1​ et u​2 Déterminer pour chaque tension la valeur maximale, la valeur efficace, la période et la .fréquence
  • 9.
    c. Puissance apparented’un transformateur Lorsque que le transformateur est en charge, le produit S= U​1​ x I​1​= U​2​ x I​2​ est appelée …………………..………………………………….., S s’exprime en ……………………………………………………… Les intensités observées au primaire et au secondaire sont dans le rapport inverse des tensions. On a alors : = d. Plaque signalétique d’un transformateur : Observons la plaque signalétique d’un transformateur Ce transformateur est-il un abaisseur ou un élévateur de tension ? ……………………………………………………………………………………… Quelle est la tension nominale du primaire ?.................................. Quelle est la tension nominale en charge du secondaire ? ……………………………………. Quelle est la puissance apparente ? …………………………………………. Déterminer le rapport de transformation. ……………………………………………………………………………………………………… ……………………………………………………………………… Déterminer l’intensité du courant au secondaire. ………………………………………………………………………………………
  • 10.
    Le courant électrique Pourcomprendre ce qu'est le courant électrique, il nous faut commencer par nous faire une idée plus précise de ​ce qu'est l'électricité​, au sens large. Où prend-elle sa source et dans quel milieu évolue-t-elle ? Nous allons tenter de décrire ces phénomènes par comparaison avec d'autres phénomènes connus, et n'en déplaise aux puristes, en prenant parfois quelques raccourcis. Il est toutefois quelques notions fondamentales qui n'ont pas d'équivalents dans d'autres domaines et qu'il nous faudra aborder. .Ce premier cours est en quelque sorte une introduction aux rouages de l'électricité : ​…LE COURANT Nous connaissons d'autres formes de courant, comme le courant d'air ou encore celui de l'eau. C'est le déplacement d'un groupe d'éléments de même nature (eau, .air,...) et dans une même direction Un courant peut être généré de manière naturelle, notamment par gravité terrestre et des écarts de température. Il peut aussi être créé de manière artificielle, soit par reproduction des phénomènes naturels, soit en appliquant aux éléments des contraintes mécaniques ou chimiques. Un simple balayage de la main est une contrainte mécanique capable de déplacer de l'air comme de l'eau. Ici à droite ce sont les volumes d'eau qui associés à la gravité vont être à l'origine de la formation d'un courant entre les deux réservoirs.
  • 11.
    TRANSFORMATEUR MONOPHASE S= 1kVA PRI: 230 V 50Hz SEC : 130 V Un phénomène électrique naturel bien connu est la foudre, et nous savons également produire de l'électricité par procédés chimiques et mécaniques, mais il est .encore trop tôt pour en parler : ÉLECTRIQUE … Les mots « électrique » ou « électricité » nous viennent de l'une des plus petites particules qui soient, ​l'électron​. Le monde est un peu comme une gigantesque cuisine avec ses différents ingrédients, dont certains comme le chocolat sont eux-mêmes des mélanges d'autres éléments (sucre, cacao, etc.), à leur tour constitués de sous-éléments plus primaires encore. La matière telle que nous la connaissons est ainsi constituée, de sous-éléments imbriqués, chauffés, compressés... lui donnant son aspect et ses propriétés finales : solide, liquide, gazeux, lisse, poreux, opaque, translucide, …, conducteur et isolant. Pour trouver notre fameux électron, il nous faut descendre jusque dans les éléments .de base qui constituent la matière, les atomes
  • 12.
    C'est dans l'atomeque l'électricité prend sa source. Les électrons tournent inlassablement autour d'un noyau central et ne peuvent pour la plupart s'en échapper. Noyau et électrons sont chargés électriquement. Les électrons sont des charges négatives (-) attirées par le noyau, lui de charge positive (+). Les charges électriques se comportent comme en magnétisme : + et - s'attirent + et + se repoussent - et - se repoussent Le nombre d'électrons dépend de la nature du noyau, et lorsqu'un atome comporte tous ses électrons ont dit de lui qu'il est électriquement neutre (autant de + que de -). Les électrons ayant la faculté de s'échapper sont appelés "​électrons libres​". Le courant électrique résulte d'un déplacement plus ou moins massif d'électrons .(charges électriques) dans une certaine direction
  • 13.
    Certains lecteurs serontpeut-être surpris du ​sens du courant​ représenté sur le circuit ci-dessus, ​du moins​ en partie basse (charge électrique négative) ​vers le plus​ en haut (charge positive). Il ne s'agit pas d'une erreur mais bien du ​sens réel du courant électrique​. Le sens conventionnel​, donc​ du plus vers le moins​, fut déterminé jadis pensant que les particules en déplacement, les électrons, étaient chargées positivement hors c'est l'inverse qui se produit. Les scientifiques de l'époque ont néanmoins jugé bon de conserver cette convention déjà trop bien établie. ISOLANTS ET CONDUCTEURS​ : Un isolant est de la matière (matériau) dont les atomes ne comportent pas d'électrons libres. Leur nombre reste constant et équilibré, les rendant hermétiques au passage d'autres électrons. L'air, le verre et le plastique sont des matières isolantes.
  • 14.
    Les matériaux conducteursont quant à eux de ces électrons libres, et plus ils en auront plus la « conduction » s'en trouvera facilitée. Nous pouvons comparer les électrons libres d'un conducteur à de l'eau stagnante dans un ​tuyau​ (un conduit). Circuit fermé ils sont présents dans le conducteur, mais à l'arrêt, attendant d'être de nouveau soumis ​à une force, la ​tension​ comparable à la pression des fluides. Tous les conducteurs n'ont pas les mêmes propriétés conductrices. Les métaux sont connus pour être de bons conducteurs, notamment l'or, le cuivre et l'aluminium, ces deux derniers étant les plus largement utilisés. L'or​ est le meilleur conducteur des trois, mais il est rare donc cher. Il est aussi plus dense que les deux autres le rendant impossible à manipuler à froid. On en trouvera sur certains circuits imprimés en petites quantités (électronique). Le cuivre​ est bon conducteur et souple, constituant la majorité de nos ​câbles et fils électriques​. L’aluminium​ est moins bon conducteur que le cuivre, mais est aussi plus abondant, souple, léger et fragile. Il est possible de compenser cette moins bonne conduction en augmentant sa surface. Les conducteurs en aluminium étant moins chers et plus volumineux que ceux en cuivre, ils seront davantage utilisés pour les forts besoins en courant et les longues distances (réseau ERDF et grosses alimentations). L'eau​ connue pour être conductrice du courant ne l'est en réalité que si elle est impure. L'eau peut en effet se charger d'autres particules (molécules pour être exacte) conductrices comme le fer. L'air​ quant à lui, bien qu'il puisse également contenir toutes sortes de particules, la gravité terrestre fait que les métaux restent en grande partie cloués au sol. L'eau en s'évaporant laisse donc derrière elle ses propriétés conductrices, faisant de l'air un très bon isolant. RÉSISTANCE​ : Comme évoqué précédemment tous les matériaux, métaux y compris, ne se valent pas. Certains conduisent mieux le courant électrique que d'autres, et leur capacité à
  • 15.
    faciliter le passagedu courant fait appel à la notion de conductivité (conduit plus ou moins bien). La conductivité du cuivre est meilleure que celle de l'aluminium​, mais elle n'est pas parfaite, tout comme l'air bien qu'offrant moins de résistance que l'eau nous freine également dans nos déplacements, nous amenant également à la notion de résistivité. Le courant est donc ralenti dans sa course, quel que soit le matériau parcouru. Cela s'explique en partie du fait que les électrons ne se déplacent pas de manière linéaire. Ils se frayent un chemin entre les atomes et se gênent mutuellement. Plus ils progressent difficilement plus ils gaspillent de l'énergie, dissipée sous forme de chaleur. SYNTHÈSE​ : Les électrons sont partout et en quantité infinie. Certains ont la faculté de se déplacer (matériaux conducteurs) d'autres non (matériaux isolants). Lorsqu'ils sont soumis à un champ électrique (attraction / répulsion) les électrons libres dans leur déplacement forment un flux d'électrons plus ou moins dense (intensité), appelé « courant électrique ». La tension électrique
  • 16.
    Un premier coursnous a montré ​qu'elle est ​la nature du courant électrique​, un​ déplacement d'électrons libres au sein de matériaux conducteurs. Pour se déplacer, les électrons doivent être soumis à des forces d'attraction ou de répulsion formant un ​champ électrique​, telles de multiples et minuscules billes métalliques entrainées par le champ magnétique d'un aimant. Les atomes auxquels nous aurons extrait des électrons vont générer un champ d'attraction qui happera les électrons libres voisins s'il en est, jusqu'à retrouver leur niveau d'équilibre, autant d'électrons (charges négatives) que de protons (charges positives contenues dans le noyau). En injectant des électrons à de la matière qui en .est déjà saturée, celle-ci devient chargée négativement et tendra à les rejeter La tension électrique est la résultante de cette différence de concentration d'électrons entre deux points, par exemple les polarités d'une pile électrique. La tension aux bornes d'une pile est nulle (pile usagée) lorsque le nombre d'électrons y .est équilibré UNITÉ DE MESURE DE LA TENSION : LE VOLT (V) Il ne nous est pas possible de mesurer directement les forces engendrées par un champ électrique. On se contente alors de mesurer les effets du passage du courant,
  • 17.
    et d'en déduireune nouvelle unité physique, le volt. Ainsi il eu été décidé en 1880 qu'un volt serait la tension nécessaire à la dissipation d'un watt de puissance pour une intensité du courant de un ampère, autres unités connues mais qui ne seront pas développées dans le présent cours. Cette unité symbolisée par la lettre ​V​ doit son nom à Alessandro Volta, inventeur de la pile électrique 80 ans plus tôt. La tension est quant à elle symbolisée par la lettre ​U​. L'appareil servant à mesurer la tension est le voltmètre (mesure des volts), et le multimètre (​appareil de mesure​ multifonction) intégrant la fonction voltmètre LA DIFFÉRENCE DE POTENTIEL​ : La « différence de potentiel » est simplement, à notre niveau, une autre manière d'exprimer la tension entre deux points. Cette notion de "potentiel" va nous aider à mieux en comprendre les mécanismes. Nous-mêmes en tant qu'individus avons nos propres potentiels physiques, intellectuels, humoristiques, etc​.​ Ces potentiels réunis forment nos atouts, notre capacité à nous sortir de certaines situations par exemple. Une pile électrique à deux potentiels électriques, l'un attractif (+) et l'autre répulsif (-). En soustrayant les deux nous obtenons la différence de potentiel, la tension globale excercée. Un potentiel positif​ de 0,75 V ​moins un potentiel négatif​ équivalent (- 0,75 V) .nous ​donne un résultat positif​ de 1,5 volts Analogie de la tension entre les bornes d'une pile et la pression de l'eau répartie dans deux réservoirs Deux réservoirs sont reliés par un conduit en partie basse (conducteur), lui-même équipé d'une vanne (interrupteur). Le premier réservoir contient 100 litres d'eau et le second 40 litres. La contenance de chacun, compte tenu de la masse volumique de l'eau et de la gravité, détermine son potentiel à repousser l'eau qu'il contient vers sa seule échappatoire possible, le réservoir voisin. La pression sur la vanne est plus forte côté gauche que côté droit. Dès l'ouverture de la vanne l'eau circule naturellement de la gauche vers la droite (formation d'un courant dans le conduit), bien que le réservoir de droite ne soit pas .vide
  • 18.
    Le niveau d'eauéquivaut au niveau de charge électrique de chacune des bornes de notre pile. L'eau ne circule plus une fois les niveaux stabilisés. Il n'y a plus de courant donc plus d'effets dans le conduit bien qu'il en contienne toujours. Nos ​fils électriques​, même lorsqu'ils ne sont traversés par aucun courant, comportent des électrons libres en quantités démesurées. Nous-mêmes en sommes remplis, mais tant qu'ils ne sont soumis à aucun autre potentiel que le nôtre (attractif ou repulsif) nous ne risquons rien. Nous y reviendrons. Pourquoi ne pas avoir débuté notre illustration avec l'un des réservoirs vides ? Simplement pour démontrer qu'il n'est pas nécessaire d'avoir deux potentiels opposés pour qu'il y ait formation d'un courant. Une différence aussi infime soit-elle suffit, mais à mesure que les niveaux vont s'équilibrer le débit va diminuer. Un oiseau perché sur une ligne à haute tension ne court aucun risque, car il se met au potentiel de son perchoir, comme s'il se posait sur un objet flottant sur une eau calme (lac). Le même objet placé cette fois sur le cours d'un fleuve serait emporté par le courant,
  • 19.
    allant des hauteursvers le niveau de la mer. Notre oiseau serait donc lui aussi .emporté par le courant et en ressentirait les effets : COURANT CONTINU ET ALTERNATIF Le courant continu​ : Une pile électrique ou un accumulateur (batterie) délivre une tension relativement stable dans la durée. Elle ne baisse qu'à mesure que les potentiels des bornes + et - s'équilibrent, tout comme la différence de pression de l'eau répartie dans nos deux réservoirs. Le flux d'électrons entre les deux polarités est donc continu et le sens du courant toujours le même, donnant lieu à ce que l'on appelle un ​courant continu​, un flux continu d'électrons. Représentation graphique d'une tension continue aux bornes d'une batterie de voiture Le courant continu est symbolisé par les lettres ​CC​ ou ​DC​ (de l'anglais Direct Courant), ou encore par deux barres parallèles (​=​). Ainsi, pour distinguer une ​tension continue​ on l'exprimera de ces différentes manières : ​12 VCC​, ​12 VDC​ ou ​12V=
  • 20.
    Le courant alternatif​: La tension délivrée sur notre réseau national est toute autre (230V, 400V, 20 000V, etc.). Cela s'explique par la manière dont est générée cette tension, différente de celle d'une ​pile. Outre les effets calorifiques énoncés précédemment, le passage du ​courant électrique​ à des effets magnétiques et inversement. Cette interaction entre magnétisme et électricité porte un nom, ​l'électromagnétisme​. Ces phénomènes sont exploités par ce l'on appelle des génératrices. Retenons simplement qu'une génératrice est entrainée en rotation mécaniquement (eau d'un barrage, vapeur d'une centrale nucléaire, vent d'une éolienne ou encore moteur à explosion d'un ​groupe électrogène​), que cette rotation va générer des champs électromagnétiques en son sein, transformés à leur tour en énergie électrique. Voici ce à quoi ressemble la tension présente aux bornes des prises de courant de nos habitations Comme nous pouvons le voir la tension varie dans le temps, passant d'une valeur positive à une valeur négative à une fréquence de 50 fois par seconde (50Hz), représentant sur la durée la forme d'une sinusoïde (~). La tension atteint en instantané (à un temps T) la valeur maximale de 325 volts, et -325 volts en valeur minimale.
  • 21.
    Pourquoi dit-on quela tension est de 230 volts ? 230V est la valeur dite « efficace » de la tension, car elle n'est ni constamment à son paroxysme ni à 0. Du courant circule entre chaque passage à zéro et génère donc des effets, qu'il aille dans un sens ou dans l'autre. La tension efficace​ en alternatif est l'équivalent de ce qu'elle serait en courant continu pour obtenir les mêmes effets (puissance dissipée). Mais au fait, la tension entre quoi et quoi ? Nous avons vu que la tension est une différence de potentiel, et la "différence" fait appel à deux points de référence, deux "potentiels". La sinusoïde ici représentée en rouge est le potentiel délivré sur la phase de nos habitations par nos centrales de production d'électricité. Le fil de neutre de nos installations est à un potentiel nul (0V), ici représenté par un trait bleu, car relié à la terre en amont de notre installation. C'est d'ailleurs pour cela qu'il est appelé « neutre». La terre (notre planète) nous sert en effet de potentiel de référence, tout comme le niveau de la mer nous sert de référence pour mesurer l'altitude. Tout ce qui se situe sous le niveau de la mer à une altitude négative, et au dessus une altitude positive. Phases et neutres (bleu) sont des conducteurs dits « actifs »​, car nécessaires au fonctionnement de nos appareils électriques. Les fils de terre (vert et jaune) sont des conducteurs dits « de protection »​, notamment contre les ​défauts d'isolement​. Le courant alternatif est symbolisé par les lettres ​AC​ (Alternative Courant) ou une sinusoïde (​~​). Une ​tension alternative ​s'exprime donc ainsi : ​230 VAC​ ou ​230V~ Les tensions alternatives et continues ne se mesurent pas de la même manière. Les multimètres disposent de deux types de réglages pour la mesure d'une tension, selon que nous soyons confrontés à de l'​alternatif (V~) ou du continu (V=)​.
  • 22.
    Symboles électriques normaliséset intuitifs Symboles électriques des commandes​ : Symboles électriques des éclairages​ :
  • 23.
    Symboles électriques deprise de courant, réseau et antenne​ :
  • 24.
    Symboles électriques deséquipements et des circuits specialisés​ : Autres symboles électriques​ :
  • 25.
    L'intensité Le courant électrique​est un déplacement de particules chargées électriquement, les électrons, au sein de matériaux conducteurs. Ces déplacements sont occasionnés par la présence de ​tension, ou différence de potentiel entre deux points​. L'intensité du courant désigne la quantité de charge électrique véhiculée dans le temps. Voyons concrètement de quoi il s'agit au travers quelques exemples et ...comparaisons : ANALOGIE DE L'INTENSITÉ AVEC LE TRAFIC ROUTIER L'illustration de droite nous donne un aperçu du trafic routier sur une portion de voie à un instant précis. Nous constatons que le trafic est dense, mais est-il « intense » ? Pas nécessairement... On voit qu'il y a un bon nombre de véhicules. Nous pouvons même les compter, mais ne savons pas à quelle allure ils se déplacent. Ils pourraient tout aussi bien être à l'arrêt, pris dans un bouchon, au moment de la prise de vue. C'est d'ailleurs ce que nous verrions dans tous matériaux conducteurs : une fourchette, une règle métallique, etc.
  • 26.
    Les électrons libresy sont en quantités démesurées, mais restent bien sagement à leur place (avec leurs atomes respectifs) tant qu'ils ne sont soumis à aucune différence de potentiel. L'intensité fait référence à trois éléments : une quantité dans le temps et en un point (lieu). Pour connaître l'intensité du trafic, il nous faut comptabiliser tous les véhicules qui transitent en un point sur une certaine plage de temps, par exemple sur 24 heures, puis ramener le tout dans l'unité de temps qui nous intéresse pour en ressortir des moyennes. L'intensité du trafic s'exprime donc en nombre de véhicules par unité de temps​ (seconde, heure, jour, semaine, etc.)​ Puisqu'en électricité ce sont des électrons qui se déplacent, nous pourrions en déduire que l'intensité du courant électrique est la quantité d'électrons qui transitent en un point et en un temps donné. Eh bien non, du moins pas exactement, car même s'il nous était possible de les comptabiliser un à un au moyen d'un ​appareil de mesure​, leur nombre serait tel que les résultats seraient tout bonnement inexploitables. Pour se donner un ordre d'idée, pas moins de 1 250 000 000 000 000 000 électrons par seconde sont nécessaires à l'alimentation d'une ampoule de 50 watts sous une tension de 230 volts. (UNITÉ DE MESURE DE L'INTENSITÉ : L'AMPÈRE (A Un courant de un ampère est le passage en un point de un coulomb et en une .seconde​, un coulomb équivalant à 6,24x10​18​ électrons L'intensité est symbolisée par la lettre I et s'exprime en ampères (A)​, du nom d'​André-Marie Ampère​ (1775-1836). Pour un courant, ou plutôt pour une intensité du courant de 2A, nous l'exprimerons ainsi : ​I = 2A L'intensité se mesure au moyen d'un ampèremètre​, ​d'un multimètre​ ​équipé de la .fonction ampèremètre, ou encore d'une pince ampèrmétrique
  • 27.
    : QU'EST-CE QUIDÉTERMINE LA VALEUR DE L'INTENSITÉ Dit autrement, qu'est-ce qui fait qu'un courant sera de 0,5 plutôt que de 20 ampères ? L'intensité dépend essentiellement de deux choses​, ​la tension​ ​et​ ​la résistance dans un circuit: ​La ​tension​ est ce qui anime nos électrons, ce qui provoque leur déplacement. Plus la tension entre deux points est élevée plus ils seront nombreux à y transiter et plus de fait l'intensité du courant sera élevée elle aussi. La résistance​ désigne au contraire tout ce qui s'oppose au passage du courant, ce qui freine les électrons dans leur course effrénée. La résistance agit en quelques-sortes comme un ​entonnoir​ à électrons, ou encore à l'image d'un sablier. A tension égale, par exemple le 230V de nos installations domestiques, c'est la différence de résistance des différents appareils électriques alimentés qui déterminera la valeur de l'intensité au travers des différents circuits. Plus la résistance est faible plus l'intensité du courant est élevée. Il existe d'autres facteurs, plus complexes à appréhender, mais le trio "tension​-​intensité-résistance​" ​sont les plus importants et régissent en très grande part les lois de l'électricité, aussi nous nous arrêteront à ces derniers dans le cadre de .ce cours Analogie de l'eau de et l'électricité​ : La gravité est à tout corps solide, liquide ou gazeux ce que la tension est à l'électricité, une force invisible qui provoque des déplacements. Pour une même force de gravité, l'eau descendant par un conduit ne s'écoulera pas aussi vite selon son degré d'inclinaison, qu'il soit droit ou en serpentin, qu'il ait des parois lisses ou irrégulières, selon son diamètre, etc. Ces différents paramètres réunis forment une résistance globale à l'écoulement, et auront une incidence sur le débit d'eau (litres par secondes). A contenance de départ égale et soumis aux mêmes forces (gravité), le réservoir n°1
  • 28.
    se remplira plusrapidement que le n°2 du fait d'une résistance plus importante dans .le second conduit. Le débit dans le 1er conduit est donc plus important Le débit hydraulique est l'analogue de l'intensité du courant électrique La gravité n'est en fait pas un si bon exemple pour illustrer la tension, car elle est fixe, or nous pouvons soumettre à nos circuits électriques différentes formes et valeurs de tension, comme le 12 volts continu ou le 230 volts alternatif. La tension serait donc davantage comparable à la pression, une force elle aussi, exercée sur notre liquide. Pressons maintenant l'eau au moyen d'un piston, et ajoutons une turbine comme .récepteur, à l'image d'un moteur électrique L'eau va s'écouler plus vite, et donc le débit va augmenter, à mesure que nous augmentons la pression exercée sur le piston. En outre, la turbine va opposer une résistance au passage de l'eau. A pression égale, le débit serait plus important sans la turbine, mais à quoi nous servirait un tel montage sinon pour "alimenter" un ? récépteur La pression hydraulique est l'analogue de la tension électrique SURINTENSITÉ ET COURT-CIRCUIT : C'est là l'une des particularités de l'électricité. En hydraulique comme en pneumatique, une pression trop importante risque de rompre ou faire exploser une canalisation, et nous venons de faire l'analogie entre la pression et la tension. Le plus gros facteur de risque pour un conducteur électrique (comme pour nous) n'est pas la tension, mais l'intensité.
  • 29.
    En effet, ilfaut avoir à l'esprit que les électrons se déplacent non pas dans le vide d'un conduit comme l'eau ou l'air, mais dans la matière elle-même (cuivre, aluminium, etc.), et ce à une vitesse oscillant autour des 250 000 km/s selon la conductivité du matériau ! En se déplaçant, les électrons dégagent de la chaleur, et de fait, plus l'intensité est élevée au sein d'un conducteur, plus celui-ci va chauffer, jusqu'à entrer en fusion dans le pire des cas. La surintensité​ : Une surintensité désigne comme son nom l'indique une intensité plus importante que ce pour quoi le matériel à été prévu (canalisations, appareillages, générateurs... ). Tout matériel électrique est donc limité selon son usage à un seuil d'intensité maximum, conducteurs y compris, au-delà duquel et en cas de dépassement .prolongé il risque d'être endommagé : Le court-circuit Le court-circuit est en quelque sorte une « mégasurintensité », pouvant atteindre plusieurs centaines voir milliers d'ampères, sachant que 1 ampère suffit à provoquer un arrêt du cœur.
  • 30.
    Un court-circuit seproduit lorsque le courant ne rencontre aucune (ou infime) résistance. Nous avons vu plus haut que les récepteurs jouent un rôle de résistance. En reliant par exemple accidentellement une phase et un neutre (prise, éclairage, etc.), le courant s'emballe moyennant de sérieux dégâts s'il n'est pas interrompu très vite. Il s'accompagne d'un « flash » très nocif pour les yeux (ultraviolets) et parfois de projections de matière en fusion (métaux, plastiques... ). Ce sont encore les fusibles et disjoncteurs qui jouent le rôle de protecteur, le disjoncteur étant le plus efficace car plus rapide. C'est n'est non plus l'échauffement du bilame qui provoquera l'ouverture du circuit, .(mais les effets magnétiques du courant (disjoncteur magnétothermique Lampes concernées :Les lampes concernées par le recyclage sources lumineuses autres que les ampoules à filament :​ familles 3 : Tubes fluorescents ① ..,éclairage bureaux, supermarchés, habitat Efficacité lumineuse de 100 lm/W Durée de vie : 10 000 h Utilisation courante : trottoirs, tunnels : Lampes fluo-compactes ​②
  • 31.
    … ,éclairage delocaux tertiaires, habitat privé Efficacité lumineuse de 80 lm/W Durée de vie : 8 000 h (Utilisation courante : cheminements, espaces publics (développement : Lampes à vapeur de mercure, lampes à vapeur de sodium HP et BP ..,éclairage extérieur, horticulture :Autres lampes ③ Lampes à iodures métalliques ..,commerces, monuments :générations 2 - (à brûleur à quartz (obsolète - à brûleur céramique - Efficacité lumineuse de 110 lm/W - Durée de vie : 10 000 h - Utilisation courante : espaces publics, trottoirs, mises en valeur - Utilisation spécifique : signalement de points singuliers (giratoires, arrêts bus (… : ( Lampes à L.E.D (Diodes électroluminescentes …,balisage, signalétique Durée de vie : > 20 000 h Utilisation courante : balisage, illuminations, éclairage public (développement)
  • 32.
    :​ ​(Sodium HautePression (SHP Efficacité lumineuse de 120 lm/W (Durée de vie économique : 12 000 h (3 ans Utilisation courante : voiries, tunnels, espaces publics Simple allumage avec voyant lumineux .…La lumière, c’est la vie Pour le schéma d'un simple allumage sans voyant et obtenir des informations sur la réglementation en matière d'éclairage, reportez-vous au schéma du ​simple .allumage classique
  • 33.
    VOYANT PERMANENT OUTÉMOIN LUMINEUX ? Les voyants peuvent être utilisés de différentes manières pour un même interrupteur. On parle de voyant permanent lorsque l'on souhaite que le voyant reste allumé en permanence, afin de localiser l'interrupteur dans l'obscurité. Le témoin lumineux est quant à lui allumé quand les lampes désservies par l'interrupteur en question sont elles-même allumées. SCHÉMA DU SIMPLE ALLUMAGE À VOYANT PERMANENT​ : Ce 1er schéma est rarement mis en application du fait que les lieux nécessitant la localisation des interrupteurs sont le plus souvent des lieux de passage, offrant donc plusieurs accès et par conséquents plusieurs points d'allumage. Il s'agira alors le plus .souvent de c​ircuits ​va-et-vient​, ​télérupteur​ ou encore par ​permutateur Principe utilisé pour localiser facilement les ​interrupteurs​ situés dans des lieux sombres comme les escaliers ou circulations :​ SCHÉMA DU SIMPLE ALLUMAGE À TÉMOIN LUMINEUX Les interrupteurs à voyant classiques nécessitent l'ajout d'un fil de neutre. Cependant, certaines marques proposent des systèmes à voyants sans neutre, et évitent ainsi l'ajout d'un fil supplémentaire. Dans ce cas de figure il ne faut pas tenir compte du schéma qui suit et vous référer à la documentation de l'appareil. Legrand par exemple propose des voyants enfichables. Il suffit alors de choisir la .bonne référence de voyant selon le mode de fonctionnement souhaité
  • 34.
    Le voyant estallumé en même temps que les luminaires commandés par l'interrupteur, utilisé généralement (..,pour éviter de laisser un lieu éclairé inutilement (grenier, placard, sous-sol : Simple allumage avec deux lampes Double allumage
  • 35.
    Le double allumagefonctionne selon le même principe que le ​simple allumage​, mais il permet ​de .commander deux points lumineux à partir d'un interrupteur double : Schéma simplifié du double allumage : Schéma dévellopé du double allumage
  • 36.
  • 38.
    Allumage par minuterie Laminuterie est de la famille des relais temporisés. Son ou ses contacts internes se ferment au moment de la commande (impulsion sur un bouton poussoir) et pour une durée déterminée, généralement de l’ordre de quelques minutes. De ce fait, contrairement à des modes d’allumages classiques (simples interrupteurs) ou des télérupteurs, aucune action n’est requise pour permettre l’extinction des .appareils d’éclairage Elle permet de fait de réaliser des économies d’énergies, la lumière ne pouvant rester allumée par simple négligenceLa minuterie est principalement utilisée dans des lieux ... ,publics et de passage tels que des cages d’escaliers, parkings Il convient d’adapter la durée d’allumage à l’environnement sans négliger le confort des utilisateurs. Il n’est par exemple pas très agréable de devoir appuyer à deux ou 3 reprises sur un bouton poussoir pour monter 4 étages les bras chargés de courses. A l’inverse une minuterie présente moins d’intérêt lorsque la durée est largement .surévaluée PRINCIPE DE FONCTIONNEMENT La minuterie est composée d’une bobine pour la partie commande et d’un contact utilisé pour l’alimentation des appareils (puissance). Les boutons poussoirs ont pour rôle d’alimenter brièvement - par impulsion - la bobine de la minuterie, provoquant ainsi la fermeture de son contact et amorçant le début de la temporisation. Un commutateur en façade de l’appareil permet au besoin de forcer l’allumage des
  • 39.
    lampes desservies, symboliséepar une ampoule. La position de marche normale est .symbolisée par un bouton poussoir Branchements 3 et 4 fils Deux modes de raccordement sont proposés par les constructeurs. Les branchements à 3 ou 4 fils qui désignent le nombre de conducteurs nécessaires en sortie du tableau (vers boutons poussoir et lampes), mais 4 fils sont toujours nécessaires aux bornes de la minuterie pour le fonctionnement de celle-ci. Sur les schémas de principe qui suivent il n'est volontairement pas fait état du fonctionnement interne de la .minuterie afin d'en simplifier la lecture En branchement 4 fils​ ​ : la phase est envoyée aux ​boutons poussoirs​ puis rejoint .la bobine elle-même raccordée à son autre extrémité au neutre Deux fils sont nécessaires à la commande (phase et retourBP), et deux autres fils à l’alimentation des lampes (sortie contact et neutre), soit 4 fils
  • 40.
    En branchement 3fils​ : nous obtenons le chemin inverse. La bobine est reliée à la phase et le bouton poussoir au neutre. Le fonctionnement est identique la bobine .étant bien alimentée dans les deux cas Le fil de neutre est désormais commun à l’alimentation de lampes et à la commande par les boutons poussoirs. La phase n’est par conséquent plus requise à l’extérieur du tableau. Nous obtenons ainsi un fil de neutre commun aux deux circuits, le retour du contact de la minuterie pour l’alimentation des lampes, et le retour de la bobine pour la commande soit 3 fils en sortie du tableau, bien que pour rappel le neutre est toujours .nécessaire aux bornes de la minuterie pour son fonctionnement Auparavant les minuteries disposaient d’un second commutateur pour le ​choix entre un branchement 3 ou 4 fils​, reliant soit le ​neutre soit la phase​ à la bobine. Les minuteries récentes de certains constructeurs reconnaissent le mode de raccordement de manière automatique. Les commutateurs ne sont dans ces cas .précis plus de mise
  • 41.
    SCHÉMAS DE RACCORDEMENT​: Les schémas qui suivent reprennent la disposition des connexions et repères utilisés par les constructeurs des minuteries les plus répandues. Si le modèle recherché ne correspond à aucun de ces schémas vous pouvez rejoindre le ​forum de discussion​ et​ demander conseil. Sont représentés sur ces schémas des boites de dérivation. Celles-ci sont optionnelles. Il existe en effet bien de configurations possibles. Lorsque plusieurs circuits sont desservis par un même disjoncteur ils peuvent être répartis depuis le tableau directement, au sein des appareillages ou encore depuis une boite de dérivation regroupant différentes sources d'alimentation (autres éclairages, prises, ..). Seuls deux lampes et boutons poussoirs sont représentés. D'autres lampes peuvent bien entendu être ajoutées, reprises les unes aux autres comme ici, dans le tableau ou la boite de dérivation. Il en va de même pour les boutons poussoirs (BP).
  • 42.
    : Branchement minuteries4 fils – (CONNEXIONS HAGER, THEBEN ET SCHNEIDER (MERLIN GERIN -
  • 43.
  • 45.
    :​ Branchement minuteries3 fils – (CONNECTIONS HAGER, THEBEN ET SCHNEIDER (MERLIN GERIN -
  • 46.
  • 47.
    INFORMATIONS COMPLÉMENTAIRES​ : Boutonspoussoirs​ : Les boutons poussoirs utilisés peuvent être à voyant pour permettre de les localiser dans l’obscurité. Ces derniers ne nécessitent pas câblage supplémentaire. Le voyant est intégré et relié de part et d’autre du contact du bouton. Le nombre de boutons poussoirs n’est pas limité. Préavis d'extinction​ : Il existe des minuteries avec préavis d'extinction intégré avertissant de l’extinction proche des lampes, soit par clignotement de celles-ci soit par diminution de l’intensité lumineuse. Les modules de préavis d’extinction peuvent être installés séparément. Dans les deux cas, renseignez-vous avant d'acheter sur la compatibilité de la minuterie ou du préavis d'extinction avec les lampes basse consommation (LED et fluorescentes). Nombreux sont encore les appareils qui ne supportent que les ampoules à incandescence ou hallogènes. Les plus évoluées comme la ​Rex800 Multi de chez Legrand​ (ref 047 04) offrent en outre bien d'autres possibilités. Télérupteur-minuterie​ : Il existe également des télérupteurs-minuterie qui associent les avantages du télérupteur et de la minuterie. Ils permettent de commander l’extinction des lampes par une nouvelle impulsion sur un bouton poussoir, ou à défaut les éteignent automatiquement si le temps de réglage est atteint.
  • 48.
    (Allumage par BoutonsPoussoirs (télérupteur Le principal atout du télérupteur est qu'il permet l'implantation de nombreux points de commandes (boutons poussoirs), contrairement aux interrupteurs classiques de type ​simple allumage​ ou ​va-et-vient​ limitant respectivement à un ou à deux le nombre de points de commandes (interrupteurs). Une solution alternative au télérupteur existe pour la commande depuis plus de deux points d'allumage, ​le permutateur​, mais qui présente des inconvénients notamment au niveau du câblage (liaisons entre les commandes) et est de fait de moins en moins utilisé, au profit du télérupteur offrant davantage de souplesse. Comme pour tous dispositifs d'éclairage le nombre de points lumineux est limité à 8 par protection (​Circuits d'éclairage - normes et recommandations​) sous disjoncteur 10 ou 16A ou encore fusible 10A, avec des conducteurs de section .(1,5mm² (​protections et sections normalisées par circuits : PRINCIPE DE FONCTIONNEMENT DU TÉLÉRUPTEUR Un télérupteur est un relais "mémorisant" sa position (contact ouvert ou fermé). La bobine du relais est alimentée par le biais des boutons poussoir (BP). Chaque fois que la bobine est alimentée (impulsion sur un bouton poussoir), elle change l'état de son .contact qui à son tour permettra l'alimentation des appareils d'éclairage Impulsion sur l'un des BP​ :​ Le contact du télérupteur se ferme, les lampes ​ s'allument ​Nouvelle impulsion sur l'un des BP ​:​ Le contact du télérupteur s'ouvre, les lampes s'éteignent ​Nouvelle impulsion sur l'un des BP ​:​ Le contact se ferme à nouveau, les lampes s'allument Tous les boutons poussoirs remplissent la même fonction. Il est dès lors possible d'éteindre et allumer depuis n'importe quel BP du circuit.
  • 49.
    Ainsi par exempledans une circulation nous pourront placer un bouton poussoir par lieux d'accès. Un même télérupteur ne peut être employé pour plusieurs allumages différents. Il vous faudra autant de télérupteurs que de circuits d'éclairage à alimenter (éclairage .(.extérieur, circulation, etc : DIFFÉRENCE ENTRE TÉLÉRUPTEURS UNIPOLAIRES ET BIPOLAIRES Il existe en effet deux familles de télérupteurs. Le télérupteur​ ​unipolaire (1 seul pôle) lors de l'extinction des appareils d'éclairage coupe uniquement la phase, tandis que le télérupteur​ ​bipolaire coupe les deux polarités, la phase et le neutre (2 pôles). Il s'agit simplement d'une sécurité supplémentaire, les différents éclairages se trouvant totalement isolés de l'installation lorsqu'ils sont éteints. Pourquoi dans ce cas ne pas limiter à la vente que le télérupteur bipolaire ? Du fait que les interrupteurs classiques (simple allumage, va et vient) ne coupent eux aussi que la phase. Cela ne signifie par pour autant que ces autres modes d'allumage soient réellement dangereux. Il est simplement plus aisé de passer au bipolaire pour un télérupteur puisque ne nécessitant pas de passage de fils supplémentaires pour son fonctionnement. Le seul coût de revient supplémentaire se situe au niveau du prix l'appareil (maigre différence), et un peu de câblage en plus dans le tableau électrique. Le télérupteur bipolaire sera généralement préféré pour des éclairages en milieux .humides, en extérieur notamment SCHÉMAS ÉLECTRIQUES​ : La disposition des bornes de connexion peuvent différer d'une marque de télérupteur à une autre. Il convient donc lorsque l'on ne dispose pas de la notice de son matériel d'être davantage attentif aux repères qu'à la disposition, encore que les reprères peuvent eux aussi quelque-peu différer. En cas de doute ​le forum de .discussion​ est là pour vous aider Raccordement d'un télérupteur unipolaire​ :
  • 50.
    La bobine estmatérialisée par les bornes aux repères A1 et A2 du télérupteur, comme sur la grande majorité des relais électromécaniques comme les contacteurs. Les boutons poussoirs sont d'une part reliés à la phase, puis en sortie à la borne A1 du télérupteur, de sorte à ce que chaque pression sur l'un des BP conduira le courant électrique jusqu'à la bobine. La borne A2 est elle reliée au neutre refermant ainsi le circuit de commande (bobine). Le circuit puissance (les lampes) chemine depuis la phase en sortie du disjoncteur vers le contact du télérupteur. La sortie de celui-ci regagne les lampes, elles-mêmes .reliées au neutre
  • 51.
    Télérupteur unipolaire enbranchement 3 fils​ : Le schéma précédant est en "branchement 4 fils​", du fait que 4 fils extérieurs au tableau électrique sont nécessaires au fonctionnement, deux fils de commande (​boutons poussoirs​) et deux pour l'alimentation des lampes. Une autre mode de raccordement permet de faire l'économie du fil de phase (rouge), d'où l'intitulé "branchement​ ​3 fils​". Le principe est simple. Nous envoyons cette fois la phase directement à la borne A1 du télérupteur, en créant un pont entre cette dernière et la borne 1. C'est alors non plus la phase qui dessert les BP mais le neutre. Le retour BP regagne alors la borne A2 pour refermer le circuit commande Raccordement d'un télérupteur bipolaire​ :
  • 52.
      Même principe queprécédemment, à la seule différence que le télérupteur comporte deux contacts internes. Le contact de gauche sera réservé au passage du neutre et celui de droite à la phase. Le neutre n'est donc plus relié aux lampes directement depuis le disjoncteur mais est à présent lui aussi commandé par le télérupteur (bornes 1 et 2). La borne A2 de la .bobine reste quant à elle reliée au neutre en sortie du disjoncteur Pour davantage de clareté la liaison du neutre vers la borne A2 du télérupteur est ici reprise au disjoncteur, hors celle-ci peut être reprise sur la borne 1, elle-même étant reliée au neutre du disjonteur (​schéma avec pontage du neutre​). Schéma développé - télérupteur bipolaire avec derivation​ ;
  • 53.
    Le schéma degauche donne un exemple de câblage de télérupteur en situation réelle, avec les connexions au disjoncteur et au télérupteur, raccordement en boite de dérivation et repiquage des lampes en pot de centre (boitier de connexion au plafond). A noter que l'emploi d'une boite de dérivation n'est pas obligatoire, ou cette boite peut-être commune à d'autres circuits distincts. La phase (fil rouge) qui part du tableau vers la boite de dérivation est ici reliée en aval du disjoncteur mais peut tout aussi bien être prise en tête du télérupteur (repère 3), de même que le pont reliant la sortie de la bobine du télérupteur (A2) au neutre du disjoncteur peut être réalisé entre A2 et le repère 1 du télérupteur. L'essentiel est dans les deux cas que phase et neutre soient repris entre le disjoncteur et le télérupteur. Nous les avons disposés ainsi pour plus de clarté. Retenez que la norme limite à deux le nombre de fils sur chacun des points de connexion (disjoncteur et télérupteur), donc si ce même disjoncteur dessert également d'autres éclairages, les fils seront à répartir en conséquence. S'il venait à vous manquer de la place, passer alors par un bornier, dominos ou bornes rapides .((de type Wago Enfin, selon la configuration de notre installation, les lampes et boutons poussoirs peuvent être reliés dans la boite de dérivation et pas nécessairement repris les uns .aux autres comme sur ce schéma AVANTAGES DU TÉLÉRUPTEUR​ : L'allumage par télérupteur est utilisé pour les pièces ou circulations nécessitant plus
  • 54.
    de 2 pointsde commande d'éclairage. Une circulation par définition donne accès à plusieurs pièces différentes et/ou accès divers (escalier, etc.). Il est possible d'utiliser des boutons poussoirs pourvus de voyants lumineux permettant de les visualiser dans l'obscurité sans passage de fils supplémentaires, donc sans avoir à modifier le câblage de l'installation. Le voyant est simplement raccordé en parallèle du contact du bouton poussoir. Il est alors alimenté en permanence, à la différence d'un témoin lumineux indiquant d'une lampe est restée allumée (ex: grenier, sous-sol, ...). Allumage par interrupteur crépusculaire L​'​interrupteur crépusculaire​ permet la commande d'appareils électriques, des éclairages le plus souvent, en fonction de la luminosité ambiante, le seuil de luminosité étant réglable. Ils sont généralement de types modulaires (fixation sur rails DIN pour ​tableaux électriques​), mais existent aussi en boitiers de types micromodules pour être câblés en milieux restreints tels que boites de dérivation ou boitiers de cloison sèche. Ces schémas de raccordement viennent compléter notre article sur le sujet ​: ​Interrupteur crépusculaire, choix et mise en oeuvre : RACCORDEMENT D'UN INTERRUPTEUR CRÉPUSCULAIRE SEUL
  • 55.
    : RACCORDEMENT D'UNINTERRUPTEUR CRÉPUSCULAIRE AVEC CONTACTEUR Le contacteur de puissance permet l'alimentation d'un ou plusieurs appareils électriques avec une puissance globale importante. Le pouvoir de coupure (exprimé en ampères) du contacteur sera par conséquent déterminé en fonction des appareils alimentés. Un montage avec contacteur permet également d'alimenter commande (inter crépusculaire) et puissance (lampes) avec des tensions différentes ​(non représenté .​(sur le schéma
  • 56.
    : RACCORDEMENT D'UNINTERRUPTEUR CRÉPUSCULAIRE AVEC CONTACTEUR ET HORLOGE L'horloge programmable permettra de n'autoriser l'allumage des appareils seulement pour des jours et horaires déterminées, par exemple du lundi au vendredi entre 7h30 et 19h00. Bien entendu ces appareils ne seront également alimentés dans ces plages .horaires qu'en cas de franchissement du seuil de luminosité préréglé
  • 57.
    : INTERRUPTEUR CRÉPUSCULAIREPOUR BOITES DE DÉRIVATION ET BOITIERS D'APPAREILLAGES Il ne s'agit plus là d'interrupteurs modulaires (placés sur rails dans un tableau). Ceux-ci sont conçus pour être disposés dans des boites de dérivation ou boitiers d'appareillages encastrés. Il sera difficile de leur associer minuteries et contacteurs. Bien qu'existant également en format micromodules pour boitiers, ces autres modules ajoutés à l'interrupteur
  • 58.
    n'auront plus riende "micro", aussi ils seront bien souvent réservés à des applications simples. Pour ces raisons nous nous contenterons sur les schémas qui suivent de relier les interrupteurs crépusculaires directement aux lampes desservies. Ces types d'interrupteurs étant encore une fois destinés à des applications généralement plus simplistes, il est fréquent de n'avoir qu'un report d'alimentation pour piloter les lampes ou autres appareils électriques. Le contact interne à l'appareil .est déjà relié à la phase servant d'alimentation .Même schéma avec cette fois un contact sec pour l'alimentation des appareils
  • 59.
    CAS PARTICULIERS​ : Cettepage ne présente que les cas les plus fréquents, aussi peut-être avez-vous un cas spécifique à votre installation que vous ne savez résoudre. Le ​forum​ rubrique électricité pourra vous y aider. Il vous suffit ensuite de lancer une nouvelle discussion .pour y exposer votre problématique
  • 60.
    Allumage par détecteurde présence – movement Les​ ​détecteurs​ ​de​ ​présence aussi appelés détecteurs​ ​de mouvement, permettent l’alimentation automatique d’appareils électriques pour une durée déterminée (réglable), le plus souvent de l’éclairage et dans des lieux de passage (circulations, escaliers) ou en extérieur. Il est également fréquent d'en trouver pour des raisons d'hygiène dans les sanitaires, permettant l'allumage sans contact physique. Les détecteurs offrent de nombreuses possibilités, comme la commande d’ouverture d’un portail automatique, prévenir d’une intrusion, etc. Nous n’aborderons dans ce présent article que les bases de l’utilisation d’un détecteur de présence à 3 fils. D’autres articles suivront pour des applications plus avancées comme l’ajout de ... ,commandes d’arrêt ou de marche forcée, association d’une horloge Les détecteurs 3 fils ont pour fonctionner besoin d'une alimentation permanente (phase et neutre). Bien que ce soit en d’infimes proportions, nous pouvons dès lors affirmer qu'ils consomment de l'énergie électrique en permanence (lumières éteintes) contrairement à des allumages via des interrupteurs classiques. Le détecteur comporte donc deux bornes pour son alimentation électrique (L et N), et une troisième appelée "retour de lampe" (L1), qui sera à relier aux appareils à commander. Lorsqu'une présence est détectée, un contact interne relie la phase de l'alimentation (L) à cette troisième borne, la sortie (L1). *​ L'appellation ​L1​ peut prêter à confusion du fait que la lette ​L​ soit généralement réservée à la phase. Ce ​L1​ est justement fait pour rappeler qu'il s'agit bien d'une phase lorsque l'appareil ferme son contact interne, et que donc il y a risque de .court-circuit si un neutre y était raccordé
  • 61.
    Mise en garde​: Il existe des détecteurs ne nécessitant pas la présence du neutre (2 fils), mais ces derniers posent des problèmes avec la majorité des lampes à économie d’énergie tandis que les ampoules à incandescence se verront très prochainement retirées du marché. Les ampoules fluocompactes posent en outre des problèmes qui cette fois concerne tous les modes de commande « temporisés », ayant besoin d’une durée minimale de fonctionnement pour bien éclairer et voient leur durée de vie .nettement compromise par des allumages courts et à répétition : SCHÉMA DE RACCORDEMENT D'UN DÉTECTEUR DE PRÉSENCE Le contact interne à l’appareil est ici représenté entre les bornes L et L1, montrant que le détecteur agit comme un interrupteur de type ​simple allumage​. Dès qu’une présence est détectée, le contact se ferme pour une durée donnée, .permettant ainsi l’alimentation des lampes
  • 62.
    : ​(SCHÉMA DÉVELOPPÉ​(​DÉRIVATION Voici un exemple de raccordement pouvant vous aider au raccordement de vos circuits d'éclairage. La répartition des fils s'effectue par bornes de type Wago ou .dominos généralement dans les boites de dérivation :PLUSIEURS DÉTECTEURS POUR LE MÊME CIRCUIT Il est possible d’associer plusieurs détecteurs de présence pour l’alimentation d’un même circuit. Il convient simplement de relier (ponter) la phase, le neutre et le retour de lampe entre les différents détecteurs. Le nombre de détecteurs est illimité, tandis que le nombre de lampes est limité à
  • 63.
    huit, quelque-soit letype de commande utilisé (Cf. ​Normes et .(recommandations en matière d’éclairage POUR PLUS DE PUISSANCE …​ : Les contacts internes aux détecteurs de présence sont limités en pouvoir de coupure. En d'autres termes ils ne sont pas conçus pour supporter de fortes puissances. La puissance maximum exprimée en Watts (W) admise est indiquée sur les détecteurs, et si vos besoins sont plus importants il vous faudra alimenter les appareils par le biais d'un relais appelé « contacteur de puissance ». Le contacteur sert d'intermédiaire entre le détecteur et les appareils à alimenter. Il est constitué d'une bobine électromagnétique et de contacts. Lorsque la bobine est alimentée (bornes A1 et A2), les contacts internes au contacteur se ferment agissant à leur tour comme des interrupteurs par lesquels nous feront passer l’alimentation .de nos appareils Les contacteurs se déclinent en plusieurs gammes de tension et d’intensité, et types de contacts. - Veillez à ce que le pouvoir de coupure (capacité à ouvrir un contact pour une intensité donnée) du contacteur choisi convienne au calibre du disjoncteur et de fait à la puissance des appareils en aval. - Les contacts utilisés ici sont de type NO (Normally Open), ouverts au repos. A l’inverse les contacts NC (Normally Closed) sont fermés à l’état repos et s’ouvrent quand la bobine est alimentée. Certains contacteurs peuvent associer contacts NO et contacts NC. - La tension de la bobine du contacteur doit être ici conçue pour supporter du 230V alternatif. Il existe des contacteurs pour toutes sortent de tensions en courant alternatif comme en courant continu. - La tension des contacts à également sont importance car pouvant différer de la tension d’alimentation de la bobine. S’assurer qu’ils supportent la tension d’utilisation concernée.
  • 64.
    Comme le montrece schéma, deux protections sont alors requises. Nous avons un disjoncteur pour protéger la partie commande (détecteur + bobine du contacteur) et un autre pour la partie puissance (contacts de puissance et appareils). Pour davantage de clarté de la partie commande et de la partie puissance ont été dessinés de couleurs différentes. Dans la pratique ils auront la même colorie. Nous pourrions tout aussi bien utiliser ce mode de câblage pour alimenter autre chose que des appareils d’éclairage, auquel cas il faudra adapter pour la partie .puissance ​le calibre du disjoncteur​ et la section des fils utilisés
  • 65.
    ALIMENTER PLUSIEURS CIRCUITSD’ÉCLAIRAGE À PARTIR D’UN MÊME DÉTECTEUR​: La norme NF C 15-100 autorise la non coupure du neutre pour des appareils d’éclairage (et éclairages seulement !), comme c’est le cas avec des interrupteurs classiques, hors sur le schéma précédant nous avons également fait passer le neutre par le contacteur de puissance. Il nous est alors possible comme l’illustre le schéma suivant de n’y faire passer que .notre phase, rendant le 1er contact disponible pour l’alimentation d’un autre circuit Pour plus de commodité le deuxième circuit est différencié, cette fois par des pointillés. Ce câblage ne s’applique encore une fois que pour le cas de deux circuits d’éclairage, la coupure du neutre étant obligatoire dans tous les autres cas de figure ! La solution présentée ci-après montre comment alimenter des circuits de natures différentes (coupure du neutre) avec un contacteur par circuit, mais il est tout aussi possible de remplacer le contacteur bipolaire (2 contacts) ci-dessus par un contacteur tétrapolaire (4 contacts), laissant ainsi deux contacts par circuits. Un contacteur
  • 66.
    tripolaire donc 3contacts permettrait en outre d’alimenter un circuit d’éclairage sans .coupure du neutre et un circuit autre avec coupure du neutre DÉTECTEUR ET CIRCUITS DE NATURES DIFFÉRENTES​ : Voyons maintenant comment utiliser une même commande, ici le détecteur, pour alimenter différents circuits électriques. Les prises de courant sur le schéma qui suit symbolisent toutes sortes d’appareils pourvu que section, calibre du disjoncteur et .que le pouvoir de coupure du contacteur associé soient adaptés Nous avons là un disjoncteur 2A pour la commande, un disjoncteur 10A pour les appareils d’éclairage et enfin un 16A pour notre circuit prises. Imaginons qu’une prise desserve l’​arrosage du jardin​ en cas d’intrusion d’un animal ennemi (mieux vaudrait alors y associer une horloge et un interrupteur pour éviter certains
  • 67.
    désagréments), etc. Ceque l’on veut du moment que vous ne tuiez rien ni personne ! avec votre système Allumage par permutateur Un permutateur est un interrupteur pour commande d'éclairage en voie de disparition mais toujours commercialisé. Il permet la mise en place de 3 points d'allumage ou plus. ​Le télérupteur​, autre mode de commande d'éclairage à points multiples est généralement préféré au .permutateur
  • 68.
    Il est possiblede mettre en place plusieurs permutateurs disposés en série entre les deux ​interrupteurs va et vient​, de manière à augmenter le nombre de point de : commande
  • 69.
  • 70.
    : Schéma électriquede la prise commandée La prise commandée telle que représentée sur ce schéma fonctionne selon le même principe qu'une commande d'éclairage en "​simple allumage​", ​à la seule différence que nous n'agissons pas directement sur une ​applique ou une lampe​, mais sur une ​prise de courant​. Il est également possible de commander une prise en montage ​va et vient​, ou autres méthodes employées pour de la commande d'éclairage, pourvu que son usage ... reste de l'éclairage Selon la norme (nfc 15-100), les prises de courant commandées sont considérées
  • 71.
    comme étant despoints d'éclairage fixes et seront de ce fait alimentées par les circuits d'éclairage de l'installation. Les prises commandées ne doivent par conséquent servir qu'à alimenter des appareils d'éclairage. Pour la commande d'appareils de puissance, comme l'extinction d'un téléviseur et autres appareils annexes, préférez par exemple des appareils de type "coupe veille infrarouge". Rappel des protections pour les circuits éclairage - 10A par fusible ou disjoncteur (8 prises commandées maximum). - 16A par disjoncteur uniquement (8 prises commandées maximum)​. - Chaque prise commandée est comptée comme un point d’éclairage. - Ne devront y être branchés que des appareils d'éclairage mobiles, tel que lampes de chevet, veilleuses, ... - Un interrupteur (comme ceux utilisés pour le schéma de ​va et vient​, ​simple allumage​, ​permutateur​), peut commander au maximum deux prises commandées, et à condition que ces prises soient dans la même pièce du logement. - Pour commander plus de deux prises à la fois il faut utiliser le montage par .télérupteur
  • 72.
    Circuits prises decourant : Réglementations generals Toutes les prises d'une habitation doivent être à éclipse. Leurs orifices sont obstrués - de manière à empêcher l'introduction d'objets. - Les prises doivent être fixées au boitier d'encastrement par les vis spécialement prévues à cette effet. Exit les anciennes prises à griffes qui se prenent sur les cotés du boitier d'encastrement. - La hauteur minimum entre le sol et les orifices d'une prise de courant est de 5 cm dans le cas où leur courant assigné est inférieur à 20A, sinon la hauteur minimale sera .de 12cm Protections et répartition​ : Les prises de courant peuvent être protégés de différentes manières. Via des disjoncteurs 16 ou 20 ampères, ou encore par des fusibles. A chaque type de : protection ses restrictions
  • 73.
    Nombre de prisesminimum dans les pièces d'une habitation​ : - ​Chambres​ ​: 3 prises minimum répartie en périphérie de celle ci; - ​Salon/Séjour​ : 1 prise par tranche de 4m², 5 prises au minimum; - ​Cuisine​ : 6 prises dont 4 dans l'espace de travail (hors circuits spéciaux); Ces socles ne sont installés ni au-dessus du bac d'un évier, ni au-dessus des feux ou plaques de cuisson ; Toutefois, l'exception est admise pour un socle supplémentaire au-dessus des plaques de cuisson sous condition que ce socle soit identifié pour la hotte et qu'il soit placé au minimum à 1,80 m du sol fini. Au niveau des surfaces de travail, les prises de courant sont répartis au mieux pour éviter la circulation des câbles des appareils ménagers au-dessus de l'évier ou de la plaque de cuisson. Dans le cas particulier des cuisines de surface inférieure ou égale à 4 m², il est admis
  • 74.
    de .ne prévoir quetrois prises de courant Toutes les autres surfaces de plus de 4m²​ : couloirs et circulations: au moins 1 prise - Le nombre de prises maximum provenants d'un même circuit est clairement défini sur le schéma mais il faut noter que leur décompte se fait de manière particulière, en fonction de si elles sont seules ou jumelées​. - 1 prise seule ou 2 prises jumelées comptent pour 1 prise. - 3 ou 4 prises jumelées comptent pour 2 prises. . - 5 prises jumelées ou plus comptent pour 3 prises Ce qui permet​ : Dans un salon/séjour de 40 m² où la norme impose 10 prises (1 prise par tranche de 4m²), de ne créer qu'un circuit en disposant stratégiquement les prises comme ceci par exemple: 2 prises uniques et quatre prises doubles, qui nous font 10 prises comme la norme l'exige, mais simplement 6 prises décomptées sur ce circuit.
  • 75.
    Un seul circuitest nécessaire pour cette pièce et en prime, une marge permettant .d'ajouter deux prises sur ce circuit en cas de besoin dans le futur LE ​délesteur Le délesteur est un dispositif de commande électrique dont le rôle est de limiter la puissance globale consommée par une installation, de sorte à ne pas dépasser celle souscrite auprès du fournisseur d’électricité (abonnement). Il permet par conséquent de minimiser son abonnement électrique sans risquer de coupures de courant intempestives qui résulteraient d’une montée ponctuelle de la consommation. C’est en somme un moyen simple et efficace d’optimiser son installation électrique, en neuf comme en rénovation. Préambule​ : Tous les éléments techniques de ce présent article ne sauraient de substituer aux documentations des différents modèles de délesteurs, chaque marque ayant ses propres particularités. L'objet de ce document est d'en exposer les principaux avantages et de dresser un panorama des caractéristiques les plus communes, et ainsi peut-être vous guider dans le choix de votre futur délesteur. Tous les constructeurs n'emploient d'ailleurs pas les mêmes termes pour définir une même fonctionnalité. Nous avons donc essayé de faire une synthèse de tout cela ... Principe de fonctionnement​ : Les appareils d’une installation ordinaire sont tous placés au même rang d’importance. C'est-à-dire qu’en cas de dépassement de l’intensité de réglage du disjoncteur général (disjoncteur de branchement), toute l’installation est coupée. Pour rétablir le courant, et donc réenclencher le disjoncteur de branchement, il faut commencer par éliminer certains des appareils de forte puissance qui étaient en fonctionnement au moment de la coupure (l’on pense généralement au four, lave-linge, …), sans quoi le disjoncteur refuserait de se réenclencher.
  • 76.
    Avec un délesteur,on commence par définir un ou des circuits non prioritaires, généralement des appareils de chauffage électrique. Ils seront alimentés par l’intermédiaire du délesteur qui contrôlera l’intensité globale du réseau domestique. Si l’intensité est trop importante, autrement-dit qu’elle atteint le seuil de réglage du disjoncteur de branchement (15, 30, 45 ampères, ..), il coupera l’alimentation des appareils jugés non prioritaire (le chauffage le plus souvent) jusqu’au retour à des valeurs acceptables.
  • 77.
    Les appareils sontainsi répartis sur 2 niveaux. Le 1er niveau (prioritaire) comporte les appareils qui nécessitent d’être maintenus en fonctionnement, et le 2ème niveau (non prioritaire) les appareils à délester en cas de surconsommation. Les délesteurs peuvent desservir indépendamment plusieurs séries d’appareils, ces séries étant exprimées en nombre de voies. Ainsi nous trouverons des délesteurs 1 voie, 2 voies et plus. Les délesteurs de 2 voies et plus se déclinent eux-mêmes en 2 catégories, le délestage hiérarchisé et le délestage tournant. Le délestage hiérarchisé / en cascade​ : Avec un délestage hiérarchisé à 2 voies, nous nous retrouvons avec une répartition à 3 niveaux. Le niveau prioritaire et 2 niveaux différents de délestage. Nous obtenons ainsi en cas de surconsommation un 1er circuit délesté (le moins important des deux), suivi du second si le délestage de 1er niveau n’est pas suffisant. Cela évite de devoir couper un trop grand nombre d’appareils en une seule fois en se limitant au strict nécessaire, et nous faisant ainsi gagner en confort si la surconsommation devait durer.
  • 78.
    Le délestage tournant,ou "cascadocyclique"​ : Le terme ​cascadocyclique​ vient du constructeur Delta Dore qui en fit une marque déposée. Le délestage tournant, ou cascadocyclique, met quant à lui toutes les voies asservies au même niveau, et permute périodiquement les alimentations de l’une et l’autre (si 2 voies) en cas surconsommation prolongée. Nous pouvons ainsi imaginer une voie de délestage comprenant le chauffage des chambres et circulations, sur l’autre cuisine, salon, .. Les deux groupes d’appareils seront alimentés à tour de rôle de sorte à garantir un confort minimum dans chacune des zones de la maison. Si alors une seule voie ne suffit pas, les deux seront interrompues le temps nécessaire. Délesteurs triphasés​ : Il existe également des délesteurs dédiés aux installations triphasées, avec une particularité intéressante, le délestage de chacune des phases de manière autonome. Si une seule des trois phases voit sont intensité atteindre le seuil critique, le délestage pourra s’opérer uniquement sur celle-ci. Il convient donc dans ce cas de desservir via le délestage des équipements monophasés.
  • 79.
    Contrôle du seuilde déclenchement​ : Les moyens de commande peuvent eux aussi différer selon que l'on soit équipé d'un compteur électromécanique (anciens modèles) ou d'un compteur électronique. - ​Délesteurs ​pour compteurs​ électromécaniques​ (avec transformateurs d'intensité)​: Le transformateur d'intensité permet de mesurer l’intensité et donc de la contrôler, pour ordonner ou non le délestage. Les délesteurs pour compteurs électromécaniques intègrent ou sont fournis avec un tranformateur d'intensité ( TI ou tore magnétique) séparé. Les TI séparés sont à placer sur la phase en sortie du disjoncteur de branchement et reliés par 2 fils au délesteur. Pour les TI intégrés la phase devra alors passer par le délesteur accompagnée du neutre mais lui ne servant qu'à l'alimentation du délesteur, comme le 038 10 de chez Legrand. ​Avec TI séparé​ ​Avec TI intégré Délesteurs pour compteurs électroniques​ : Les compteurs électroniques sont en mesure de fournir divers informations sur notre consommation pour peu que l’on dispose des appareils pour les exploitées, via ce que l’on appel la télé-information (téléinfo). Les délesteurs fonctionnant avec la
  • 80.
    téléinfo n’ont plusbesoin du transformateur d’intensité cité précédemment. Le compteur transmet un signal au délesteur l’avertissant de l’arrivée au seuil critique. Un câble avec 2 fils torsadés de 6/10 de millimètre suffit à relier le compteur au délesteur. Types de sorties​ : - Contacts​ : Certains délesteurs peuvent disposer de contacts à intégrer dans le circuit d'alimentation des appareils (circuit puissance), comme la gamme M15 de chez Delta Dore. Les contacts internes doivent dans ce cas pouvoir supporter l'intensité, inhérent de la puissance des appareils. A titre d'exemple ceux des M15 précités peuvent supporter jusqu'à 15A, soit une puissance totale de 3450 watts ​(Puissance = Tension x Intensité ; P=230x15​)​. Bien que les contacts des délesteurs de ce type soient conçus pour cela, nous recommandons d'alimenter vos appareils par l'intermédiaire d'un contacteur de puissance ​(voir ci-après)​. Des arcs électriques formés à chaque ouverture et fermeture des contacts de part les forts passages de courant risquent d'écourter la durée de vie du délesteur, plus onéreux qu'un contacteur. Un contacteur bipolaire (2 contacts) permettra en outre de couper phase et neutre, contrairement à ces délesteur. - Commande par ​contacteur​ :
  • 81.
    D'autres délesteurs, commeles Delestar de la marque Flash envoient directement une tension en sortie. L'emploi d'un contacteur est dans ce cas inévitable ces sorties ne supportant que de très faibles passages de courant, 1A pour le Delestar. La sortie du délesteur alimentera la bobine du contacteur associé, qui à son tour alimentera les appareils de puissance. Comme évoqué précédemment, il est tout aussi possible de passer par le biais d'un contacteur de puissance lorsque le délesteur fourni un contact et non une tension, auquel cas il suffira d'amener la phase à l'une des bornes du contact et envoyer la sortie vers la bobine du contacteur. .​ ​Sortie auto-alimentée​ ​Sortie contact Commande par fil pilote Les appareils de chauffage disposent le plus souvent d’une entrée appelée fil pilote, un fil noir qui accompagne la phase (marron) et neutre (bleu) des appareils. Comme pour le compteur électronique, avec des appareils adaptés le fil pilote permet d’envoyer des informations aux appareils de chauffage afin qu’ils passent automatiquement en mode hors gel, confort, … et arrêt. Mais ces fils pilotes doivent êtres amenés au tableau électrique, ce qui n’est pas toujours le cas. Les délesteurs avec sortie fil pilote saurons commander l’arrêt des appareils sollicités sans avoir à passer par des contacteurs de puissance​. Rentabilité du délesteur
  • 82.
    Le​ délesteur estun produit qui reste assez onéreux, mais qui néanmoins peut très .rapidement devenir rentable Détecteurs de présence - Partie II Le présent document fait suite à notre première publication sur les ​détecteurs de .présence​ ou figurent les schémas de raccordement de base Dans cette seconde partie nous allons inclure des commandes manuelles d’arrêt et/ou de marche forcée de sorte à empêcher ou à l’inverse forcer l’alimentation des .​lampes DÉTECTEUR DE PRÉSENCE AVEC MARCHE FORCÉE​ : La marche forcée consiste à ajouter une commande manuelle pour forcer l’alimentation de nos lampes ou autres appareils électriques. Plusieurs possibilités nous sont offertes, la plus simple et la moins onéreuse étant la mise en place d’un interrupteur de type ​simple allumage​, raccordé entre la phase .et le retour de lampe ici en orange
  • 83.
    Lorsque l’interrupteur estfermé la phase regagne directement les lampes sans tenir compte du détecteur. En cas de détection la fermeture du contact interne au .détecteur n’aura aucune incidence sur le fonctionnement Exemples d’applications plus complètes avec marche forcée du même type Le schéma ci-contre inclut une horloge. L’interrupteur doit être comme énoncé plus haut relié entre phase et retour de lampe, cette fois représenté en violet. Le fil orange ne regagne pas les lampes mais se contente de relier les contacts du .détecteur et de l’horloge
  • 84.
    Cet autre schémaillustre l’association de plusieurs détecteurs avec une commande par contacteurs de puissance. L’interrupteur toujours relié à la phase d’une part dessert dans le cas présent les bobines des contacteurs (bornes A1) et non plus les .lampes : MARCHE FORCÉE PAR UN SYSTÈME VA-ET-VIENT Le principe du câblage pour un allumage par ​interrupteurs va-et-vient​ est le même que précédemment. L'ensemble des deux interrupteurs forment une entité qui équivaut à un seul interrupteur avec toujours une arrivée (ici en rouge) et un départ (orange), à ceci près que ces deux fils sont envoyés à deux endroits différents .(puisque deux interrupteurs, reliés entre eux par les navettes (en noir
  • 85.
    Pour les câblagesplus avancés comme l'ajout d'une horloge ou l'alimentation via un contacteur reportez-vous aux schémas précédents (avec interrupteur classique) en appliquant ce même principe. L'ensemble des deux interrupteurs va-et-vient vient en .lieu et place de l'interrupteur de type simple allumage : DÉTECTEUR AVEC COMMANDE D’ARRÊT Il peut être tout aussi intéressant de bénéficier d’une commande d’arrêt, le temps par exemple que Rex se dégourdisse un peu dans le jardin avant l’heure du couché. Il n’y a pas de petites économies surtout lorsqu’il s’agit d’un rituel journalier.
  • 86.
    Comme pour unecommande de marche forcée un simple interrupteur de type .simple allumage suffit, placé en série entre la sortie du détecteur et les lampes Nous pourrions placer cet interrupteur entre le disjoncteur et le détecteur, seulement nous serions confronté à un nouveau cycle du détecteur à chaque remise sous tension. En d’autres termes les lampes s’allumeraient chaque fois que nous replacerions l’interrupteur en position « marche » pour la durée de la temporisation définie. Nous verrons plus loin qu’il est possible de tourner ce cycle de démarrage à notre avantage avec une commande par boutons poussoirs pour un allumage .​temporize : LA COMMANDE D’ARRÊT COMBINÉE À LA MARCHE FORCÉE
  • 87.
    Ce schéma estfonctionnel mais peu pratique car nous avons là deux commandes distinctes qui interagissent sur le fonctionnement de l’ensemble. Admettons que l’on veuille mettre en marche forcée : « Zut l’autre inter était à l’arrêt », appuis sur l’autre interrupteur. Inversement, nous enlevons la commande d’arrêt et nous apercevons passé 30mn que l’autre inter était en marche forcée. Résultat les lampes ont été allumées pour rien. Voyons une manière plus « pro » et surtout plus fonctionnelle d’opérer, avec cette fois un seul interrupteur remplissant nos 3 fonctions : Arrêt - Marche automatique – .Marche force : COMMANDE MARCHE/ARRÊT PAR INTERRUPTEUR 3 POSITIONS Nous utilisons dans l’exemple qui suit un interrupteur rotatif 3 positions. Il existe d’autres types d’interrupteurs 3 positions mais celui-ci nous est paru être le plus judicieux, permettant d’avoir un aperçu de l’état de notre petite installation sans .ajout de signalisation
  • 88.
    Ce type d’interrupteur(ou commutateur) ne se trouve généralement pas dans les grandes enseignes de bricolage. Il faudra le commander en ligne ou se rendre dans un magasin spécialisé de type « comptoir électrique ». Certains ne vendent qu’aux professionnels aussi mieux vaut par précaution appeler avant de se déplacer. Ces interrupteurs sont composés en plusieurs parties et sont modulables. Il faut un support (​étrier​) pouvant accueillir au moins deux contacts (​blocs NO et NF​) et notre interrupteur 3 positions fixes​ (il en existe avec rappel au centre donc ne pas se .tromper), le tout dans une ​boite à boutons​ 1 trou Les références Legrand sont fournies à titre indicatif. En cas de doute sur le choix des matériels vous pouvez imprimer et présenter l’image ci-contre à un vendeur qui sera alors en mesure de vous fournir l’équivalent dans une autre marque. Si la boite ne vous paraît pas suffisamment esthétique ce type de bouton prévu pour être installé en façade d’armoire peut tout aussi bien se loger dans un boitier encastré d’intérieur avec une plaque pleine percée au bon diamètre (à condition que la profondeur du boitier soit suffisante). L’encombrement peu dépendre des .fabricants Venons-en à nos branchements. Deux schémas vous sont proposés… Le 1er avec position automatique (allumage par détecteur) au centre. L’interrupteur doit dans ce cas précis être équipé d’un contact NF pour la position 0 (arrêt) et d’un .(contact NO pour la position 1 (marche forcée
  • 89.
    L’état des contactsest représenté selon la position choisie. On voit par exemple sur celui du haut à droite qu’en position 0 les deux contacts sont ouverts (aucun retour possible vers les lampes), et qu’en position 1 les deux sont fermés, l’un d’eux .envoyant la phase directement aux lampes Nous ne sommes pas limités à celle seule disposition de l’interrupteur. Si l’on préfère avoir par défaut l’inter sur la position 0 et au centre, les deux contacts seront alors de type NO. C’est le principal avantage des interrupteurs modulables en plus du fait qu’ils soient étanches car destinés à des applications industrielles. Ils sont aussi robustes, et si .toutefois il y avait une anomalie seul l’élément en cause serait à remplacer
  • 90.
    COMMANDE PAR BOUTONSPOUSSOIRS​ : Dernier volet de cette deuxième partie consacrée au détecteurs de présence, nous allons maintenant tirer profit de leur mode de fonctionnement qui tous semble-t-il amorcent un cycle d’allumage à chaque remise sous tension. L’idée est donc de simplement interrompre l’alimentation du détecteur et ainsi forcer l’allumage temporisé des lampes. Nous simulons en quelque-sorte une détection en .(faisant l’économie d’une ​minuterie​ (voir plus loin pour l’emploi d’une minuterie
  • 91.
    Comme indiqué surce schéma les boutons poussoirs doivent être normalement fermés (NC ou NF) de sorte à ce que l’alimentation du détecteur soit assurée en permanence et rompue à chaque pression sur l’un des boutons poussoir (placés en série). Dans le cadre d’une rénovation ou des boutons poussoirs sont déjà en place avec une minuterie​ (cage d’escalier par exemple) il ne faut surtout pas procéder de la sorte d’autant que vous êtes déjà équipé d’une minuterie. Le détecteur est dans ce cas très simple à ajouter. L’utilisation d’une minuterie est d’ailleurs tout aussi valable pour du .neuf
  • 92.
      Chauffage électrique avecfil pilote L'utilisation du fil pilote dans la gestion du chauffage électrique est encardrée par la norme. Ne seront traités dans le présent document que ces aspects de la norme en vigueur, .illustrations à l'appui ? QUE NOUS DIT LA NORME La NFC 15-100 précise que le sectionnement du fil pilote doit être prévu. La protection des fils pilotes étant différente de celles des radiateurs, les directives détaillées ci-après évitent de se croire protégé lors d’une intervention en ayant simplement coupé la protection du circuit chauffage désiré, le fil pilote continuant à .émettre des signaux électriques basse tension LES DIFFÉRENTES OPTIONS QUI S'OFFRENT À NOUS : Marquage des protections et boites de connexion La solution la plus simple et la moins onéreuse est d’apposer ​des marquages ​« Attention, fil pilote à sectionner »​. Un au niveau des protections des circuits chauffage (ici les disj. 20A) sur le tableau de répartition, puis dans chacune des boites de connexion des appareils de chauffage desservis par un fil pilote : La norme ne précise pas de dimensions ni de couleurs pour les étiquetages, .néanmoins préférez des couleurs qui ne passerons pas inaperçues Evitez le noir sur fond blanc, surtout si vos autres repères le sont aussi. .Le blanc sur fond rouge convient très bien au moyen d’une étiqueteuse Bien que non spécifié, il n’est pas inutile d’identifier les modules propres à la .protection et la commande des fils pilote
  • 94.
    Sectionnement du filpilote via des contacts auxiliaires​ : En d’autres termes, ajouter aux disjoncteurs des différents circuits chauffage des contacts auxiliaires. Ce sont de simple contacts venant se clipser au côté des disjoncteurs. Les contacts changeront d’état selon que ​le disjoncteur​ soit levé ou .baissé Le contact utilisé sera de type NO (Normalement Ouvert, fermé lorsque le disjoncteur est enclenché), ici entre les bornes 11 et 14. Le fil pilote passe par le contact auxiliaire avant de rejoindre les radiateurs. Disjoncteur baissé, le contact auxiliaire associé est lui aussi ouvert sectionnant ainsi le .fil pilote
  • 95.
      Sectionnement associé uninterrupteur général de chauffage (2 possibilités)​ : Interrupteur Différentiel dédié aux circuits chauffage​ ​ : En regroupant sous un même interrupteur différentiel (ID) tous les circuits chauffage avec la protection et le programmateur fil pilote, l’interrupteur différentiel fera alors office d’interrupteur général chauffage, coupant du même coup l’alimentation du fil pilote. Aucun autre type de circuit ne doit être repris sous ce même ID, et il convient naturellement de ne pas se contenter de déclencher l’un des disjoncteurs chauffage lors d’une intervention sans quoi le fil pilote serait toujours alimenté. Bien que la norme ne l’impose pas le bon sens nous conduit à identifier l’interrupteur différentiel comme étant dédié au chauffage, ce afin de ne pas l’oublier lors de nos futurs interventions.
  • 96.
    Bien que nonspécifié dans la norme, les marquages « ​Attention, fil pilote à sectionner​ » serait un gage de sécurité .pour les intervenants non-avertis. Il en va de même pour la possibilité suivante Interrupteur Sectionneur en amont des circuits chauffage ​: Le principe est identique au précédant à ceci près qu’il permet à l’interrupteur différentiel de desservir des circuits autres que voués au chauffage (éclairages, prises, etc.). L’interrupteur sectionneur est moins onéreux qu’un interrupteur différentiel, d’où cette option. L’interrupteur sera raccordé en aval de l’ID (afin de conserver la protection contre les courants résiduels) et en amont des circuits chauffage et fil .pilote servant ainsi de coupure générale chauffage
  • 97.
    Montage en cascade​: La dernière possibilité, celle-ci beaucoup plus limitée, consiste à se servir d’un disjoncteur chauffage comme dispositif de sectionnement. Le disjoncteur 2A de la partie commande est raccordé en aval d’un disjoncteur chauffage, montage dit « en : « cascade
  • 98.
    Ce montage nepermet l’asservissement que d’un seul circuit chauffage par fil pilote, .puisqu’un seul disjoncteur chauffage assure le sectionnement du fil pilote Commande VMC par hygrostat :SCHÉMA ÉLECTRIQUE ET PRINCIPE DE FONCTIONNEMENT DE L'HYGROSTAT
  • 99.
    L​'hygrostat​ est, àl'instar du thermostat, un dispositif de commande électrique automatique qui agit selon le taux d'humidité ambiant, tandis que le thermostat dépend de la température. L'hygrostat classique ne nécessite pas d'alimentation. Celui-ci ne fait que fermer ou ouvrir mécaniquement un contact interne. Ainsi un contact ouvert au repos ​(contact NO - Normalement Ouvert)​ se fermera chaque fois que le seuil d'humidité réglé sera dépassé, à ne pas confondre avec un hygromètre qui est un appareil de mesure, comme le thermomètre, qui lorsqu'il permet de faire de l'asservissement (commande) à besoin le plus souvent d'une alimentation électrique pour fonctionner. Des hygrostats un peu plus évolués proposent notamment une minuterie (timer) qui retardera le retour en petite vitesse afin que le taux d'humidité redescende suffisamment pour éviter les permutations petites et grandes vitesses trop rapprochées. Dans le cas du hygrostat avec timer, une alimentation électrique sera .alors nécessaire
  • 100.
    Commande d'une VMC2 vitesses par hygrostat​ : L'hygrostat délivre un contact sec 2 positions et s'utilise comme un interrupteur classique . Tel que représenté sur les schémas qui suivent, la position I du contact de l'hygrostat est à l'état repos, autrement-dit fermé lorsque le taux d'humidité est inférieur au seuil de réglage. Lorsque le taux d'humidité dépasse ce seuil, le contact bascule en position II et active .la grande vitesse du groupe de ventilation
  • 101.
    Commande d'une VMC2 vitesses par hygrostat avec marche forcée​ ​: Le montage précédant est entièrement automatique et ne laisse aucun moyen de contrôle à l'utilisateur, si ce n'est en diminuant significativement le réglage du taux d'humidité souhaité de sorte à forcer le passage en grande vitesse. L'ajout d'un interrupteur 2 positions, type va et vient, permet de forcer le passage en grande vitesse du groupe VMC. L'interrupteur en position I ​(fil marron sur le schéma)​ correspond à la marche automatique par hygrostat. En position II l'interrupteur alimente directement la .grande vitesse du groupe VMC, sans passer par l'hygrostat
  • 102.
    : Commande d'uneVMC 2 vitesses par hygrostat nécessistant une alimentation Comme énoncé en introduction, certains hygrostats nécessistent une alimentation 230v. Il faudra dans ce cas un fil supplémentaire, le neutre, en provenance de la boite de dérivation, du groupe VMC ou du tableau électrique selon la configuration de votre installation. .La phase sera simplement shuntée avec le commun du contact de l'hygrostat Commande par hygrostat avec forçage grande vitesse temporisé ​(par bouton :​ ​(poussoir Ce nouvel exemple d'application permet de lancer la grande vitesse pour un temps .donné, depuis plusieurs points de commandes, des boutons poussoirs
  • 103.
    L'hygrostat continu àjouer son rôle en automatique, et l'association d'un relais temporisé permettra depuis la cuisine, les toilettes ou encore la salle de bain de .forcer le passage en grande vitesse pour la durée de son choix Nous utiliserons pour illustrer ce montage un ​relais temporisé​ de marque Legrand, .série ​Lexic 04 741 Le contact du relais temporisé est représenté à l'état repos, sans intervention de l'utilisateur. Lors d'une impulsion sur l'un des boutons poussoirs, le contact passe en position 15-18 alimentant la grande vitesse du groupe VMC sans passer par le contact de l'hygrostat. A l'issue de la temporisation, le contact du relais revient en position 15-16 laissant de .nouveau l'hygrostat prendre le contrôle sur la ventilation
  • 104.
    Raccordement d'une VMC :Schéma de raccordement d'un groupe VMC - ​Ventilation Mécanique Contrôlée Les schémas de raccordement qui suivent viennent compléter nos articles sur les : groupes VMC La VMC simple flux - - ​La VMC hygroréglable - ​La VMC double flux
  • 105.
    Indications préalables​ : Laprotection d'un groupe VMC doit être obligatoirement un disjoncteur, le porte-fusible étant interdit pour la ventilation. La section des conducteurs en aval d'un disjoncteur 2A seront en 1.5 mm². Schéma de principe Schéma de raccordement dévellopé Raccordement d'un groupe VMC avec hygrostat : Schéma de principe
  • 106.
  • 107.
    Raccordement d'un chauffe-eauen heures creuses Le chauffe-eau électrique, aussi appelé ballon d’eau chaude ou cumulus, est un appareil à forte puissance (2000 à 3000W en moyenne) et fonctionne à années entières pour maintenir l’eau chaude sanitaire à bonne température, ce qui le place aux plus hautes marches du podium des énergivores domestiques avec le chauffage .pour qui est en tout électrique. Il mérite donc toute notre attention PRINCIPE DU CHAUFFE-EAU ÉLECTRIQUE : Un chauffe-eau électrique est composé d’un réservoir (ballon), d’un relais thermostatique et d’une résistance chauffante. A l’instar d’un convecteur électrique, le thermostat du chauffe-eau va alimenter la résistance électrique chaque fois que la température de l'eau qu'il contient aura atteint un niveau insuffisant. Une fois qu'elle aura de nouveau atteint la température désirée la résistance ne sera plus alimentée, etc. L’eau chaude utilisée est remplacée au sein du réservoir par de l’eau froide, se mélangeant à celle restante et diminuant ainsi la température globale du chauffe-eau. De fait, plus nous tirons d’eau plus la température en son sein aura diminuée et plus il faudra de temps pour que la résistance parvienne à remonter celle-ci jusqu’au seuil de réglage du thermostat, généralement entre 55°C et 70°C. Bien que le réservoir soit isolé des pertes de chaleur sont également à prendre en considération. Elle seront plus ou moins importantes selon la qualité du chauffe-eau, sa capacité (volume donc surface extérieure) et la température environnante, le cas le plus défavorable étant d’avoir un chauffe-eau de premier prix et à grande capacité .dans un garage non-isolé donc très froid en hivers PRINCIPE DU CHAUFFE-EAU EN DOUBLE TARIF (HEURES CREUSES)​ : Les fournisseurs d’électricité proposent des abonnements à double tarif. L’abonnement annuel est plus cher qu’en simple tarif et nous bénéficions de deux prix du kWh selon l’heure de consommation, les heures pleines et les heures creuses (horaires définies par le fournisseur). En heures pleines le prix kWh sera plus élevé .qu’en simple tarif et inversement en heures creuses CHAUFFE-EAU AVEC RELAIS HEURES CREUSES ET CONTACT ERDF​ : Lorsque nous souscrivons à un abonnement d’électricité avec double tarif, des signaux électriques cheminent par le biais du réseau jusqu’à notre installation. Notre compteur, ou à défaut un appareil appelé relais de découplage et installé par ERDF,
  • 108.
      se charge d’interpréterces signaux et nous délivre un contact (bornes C1 et C2), .ouvert ou fermé selon que l’on soit en heures pleines ou en heures creuses Le relais heures creuses, dont le ​principe de fonctionnement détaillé vous est dressé dans cette autre publication​, sert d’intermédiaire entre ce contact et le chauffe-eau. En heures creuses le contact se ferme alimentant ainsi la bobine du relais heures creuses, qui à son tour commutera deux contacts de puissance pour l’alimentation du chauffe-eau. Il est comporte en façade un commutateur trois positions : ​I​ (marche forcée), Auto (heures creuses) et ​0​ (Arrêt). La marche forcée permet de passer outre les heures creuses en forçant la mise sous tension du chauffe-eau si l'eau chaude venait à manquer, et à l'inverse la position arrêt empêche la mise en marche du chauffe-eau lors de son prochain cycle ou interrompt le cycle en cours. Attention, dans les deux cas le relais reprendra sa position "auto" pour les prochains cycles, ce afin de nous éviter la douche froide (si arrêt) ou de voir notre facture d'électricité exploser (marche forcée). En cas d'arrêt prolongé souhaité (vacances) il faudra donc baisser le disjoncteur de notre chauffe-eau. Chauffe-eau monophasé avec relais heures creuses​ :
  • 109.
      La partie commandecomprenant le contact ERDF et la bobine du relais (bornes A1 et A2) est protégée par disjoncteur 2A. La partie puissance part d’un disjoncteur 20A, transite par le relais heures creuses pour finalement rejoindre le chauffe-eau. Chauffe-eau triphasé avec relais heures creuses​ : Même principe de précédemment avec cette fois un chauffe-eau triphasé. En réseau triphasé + neutre les tensions sont de 400V entre phases et de 230V entre phase et neutre. Il convient avant de prendre exemple sur le schéma qui suit de s’assurer que la .tension d’alimentation de la bobine du relais est bien en 230V
  • 110.
      La partie commandereste inchangée avec notre disjoncteur 2A repris entre l’une des phases et le neutre (230V) de l’interrupteur différentiel. Pour la puissance nous avons maintenant un disjoncteur et un relais heures creuses à trois pôles (triphasés). En somme seul ici l’interrupteur différentiel est tetrapolaire (3 phases + neutre) avec en aval deux circuits bien distincts, la commande en monophasé et la puissance en triphasé (pas de neutre requis). CHAUFFE-EAU EN HEURES CREUSES AVEC HORLOGE PROGRAMMABLE​ : Il nous est en effet tout à fait possible de commander notre chauffe-eau sans le contact ERDF, dès lors que nous connaissons les horaires de passage en heures creuses. Celles-ci diffèrent d’une région à l’autre et sont imposées par le distributeur (ERDF dans 95% des cas). Votre fournisseur d’électricité ne fait que s’y conformer et ne pourra en aucun cas les modifier. Les plages horaires vous concernant sont indiquées sur la facture d’électricité. Le relais heures creuses est là encore de mise pour pouvoir bénéficier des positions de marche forcée (1), automatique (Auto) et
  • 111.
    arrêt (0). Al’instar du contact ERDF, l’horloge nous fournie un contact cette fois programmé à heures fixes, contrairement au contact ERDF qui commute aux heures précises des passages d’un tarif à l’autre. Il peut en effet y avoir un décalage de quelques minutes en les horaires théoriques et celles effectives. L’horloge qui nécessite une alimentation 230V sera protégée par disjoncteur 2A. La phase de ce même circuit est envoyée parallèlement au contact de l’horloge (commun). Sa sortie NO (contact ​N​ormalement ​O​uvert donc fermé lorsqu’il est activé par l’horloge en heures creuses) regagne la borne A1 du relais heures creuses, et retour vers le neutre .depuis la borne A2 Radiateurs électriques à accumulation en heures creuses On appel radiateurs à accumulation les radiateurs ayant la particularité d'emmagasiner et de stocker de la chaleur pour ensuite pouvoir la restituer
  • 112.
    lentement dans letemps. On dit alors qu'ils possèdent une forte inertie thermique, .mettant beaucoup de temps à chauffer puis à se refroidir PRINCIPE DE FONCTIONNEMENT D'UN RADIATEUR ÉLECTRIQUE À ACCUMULATION : Le principe est de mettre en fonctionnement nos radiateurs à accumulation durant les heures creuses, heures ou le courant électrique est facturé le moins cher, et de les couper en heures pleines. Les radiateurs auront accumulés des calories et chauffés votre habitât durant toute la nuit, et continuerons à chauffer durant la journée en dissipant tranquillement les calories stockées. Les chauffe-eau électriques fonctionnent selon le même principe. Les compteurs récents disposent de bornes C1 et C2, ou à défaut par l'intermédiaire d'un relais de découplage situé à proximité du compteur. Derrière ces bornes se cache un simple contact laissant passer le courant électrique durant les heures creuses. Quand ce contact est fermé, le courant traverse la bobine du contacteur de puissance (relais heures creuses) fermant à son tour les contacts qui alimentent les radiateurs .électriques Certains radiateurs à accumulation intègrent déjà leur contacteur pour la mise en fonctionnement en heures creuses. Pour ce type de radiateurs, reportez-vous au
  • 113.
    deuxième schéma :​radiateurs électriques à accumulation avec contacteur intégré : RADIATEURS ÉLECTRIQUES À ACCUMULATION SANS CONTACTEUR HEURES CREUSES INTÉGRÉ Le schéma qui suit illustre la manière la plus fréquente de raccorder des radiateurs électriques à accumulation en heures creuses. Certains constructeurs intègrent directement à leurs appareils les contacteurs de puissance servant à commander la mise en fonctionnement et l'arrêt des radiateurs (​radiateurs électriques à accumulation .(avec contacteur intégré
  • 114.
    : RADIATEURS ÉLECTRIQUESÀ ACCUMULATION AVEC CONTACTEUR HEURES CREUSES INTÉGRÉ Pour les radiateurs intégrant leurs propres contacteurs, le raccordement de la puissance (alimentation 20 A) ne nécessite aucune modification du tableau .électrique. Le câblage est identique aux convecteurs électriques standards En contre-partie il faut envoyer le fil pilote (sortie C2 du contact heures creuses) aux .radiateurs pour la commande du contacteur intégré Il est très important dans ce cas que tous les circuits chauffage avec fil pilote soient sous le même interrupteur différentiel que le disjoncteur 2A servant à protéger la commande des heures creuses, sans quoi lors des passages en heures creuses le mélange des circuits provoquerait un déséquilibre de passage de courant entre phase et neutre de chacun des interrupteurs différentiels. Ce déséquilibre, s'il dépasse le seuil de déclenchement d'un DDR 30mA (entre 15 et 30mA) fera alors se couper le ou .les interrupteurs différentiels concernés .Le schéma de gauche vous donne l'exemple de ce qu'il ne faut pas faire A noter également qu'un interrupteur différentiel 40A supporte au maximum une puissance de 8 kW. Au delà prévoir en remplacement un interrupteur différentiel 63A .
  • 115.
    Vous aurez remarquéla présence des étiquettes "​Attention, fil pilote à sectionner​" sur les disjoncteurs chauffage et au niveau des radiateurs eux-mêmes (dans leurs boîtiers de connexion). ​La norme impose le sectionnement du fil pilote ou à défaut ce type de marquage afin de s'assurer que lors d'une intervention sur un appareil celui-ci soit isolé de .toutes sources d'alimentation
  • 116.
    BAES - BlocAutonome d'Eclairage de Sécurité Le BAES, appelé aussi BS pour "bloc​ ​de​ ​secours" ou encore "bloc​ ​de​ ​sécurité", est un éclairage de sécurité visant à faciliter l'évacuation des bâtiments notamment en cas d'incendie, ou plus simplement d'offrir un éclairage d'appoint dans les lieux de passage (circulations, escaliers, hall, ..) en cas de coupure d'électricité de tout ou .partie de l'installation, et ainsi pouvoir se déplacer sans risquer d'accidents corporels Schéma général, un seul circuit d'éclairage alimenté : Pour la maintenance des BAES, un dispositif de télécommande devra être installé, permettant des commandes d'allumage et d'extinction à distance. Tous les BAES y seront reliés par le biais de 2 fils de télécommande (+ et -), généralement de couleur noir. Lorsque des câbles sont utilisés plutôt que du fil sous gaine ICT, les BAES seront alimentés en 5G1,5. Marron​ ​et Bleu pour l'alimentation, Noir (+) et Gris (-) pour la télécommande, le .(Vert/Jaune n'étant pas à raccorder (appareils classe II
  • 117.
    Schéma général, plusieurscircuits d'éclairage alimentés​ : La télécommande sera la même pour tous les circuits d'éclairage nécessitant l'emploi de BAES
  • 118.
  • 119.
    Mise en placede BAES dans un escalier, dont l'éclairage fonctionne par télérupteur et .boutons poussoirs
  • 120.
    Centralisation de voletsavec micromodules Yokis Les micromodules Yokis​ ​présentent l’avantage de pouvoir centraliser la commande de ses volets roulants (entre autre) de manière simple, rapide et économique. Petits, .ils se placent dans les boitiers d’appareillage, derrière les commandes des volets Le schéma est donné à titre d’exemple. Il existe d’autres manières de câbler de tels .modules, par exemple avec doubles poussoirs en commande locale Matériels nécessaires : Boutons poussoirs NO (Normalement Ouvert) simple ou double pour les commandes locales, bouton poussoir simple ou double pour la commande centralisée (le double .(poussoir est préconisé Fonctionnement des micromodules​ ​: La commande des volets s’effectue grâce des poussoirs NO simples (commande locale) ou doubles touches (commande centralisée). En commande locale :​ ​une impulsion sur la touche d’un poussoir et le volet correspondant s’ouvre ou se ferme suivant sa précédente position. En commande centralisée :​ ​une impulsion sur une des touches du double poussoir (suivant la fonction désirée par l’utilisateur) et tous les volets se ferment ou s’ouvrent : Schéma de raccordement
  • 122.
    Le disjoncteur debranchement ou AGCP Le ​disjoncteur de branchement​ ​(​DB​ ou ​AGCP​ pour Appareil​ ​Général de​ ​Commande et de Protection) est le point de liaison entre le réseau ERDF et l'installation électrique d'un abonné, appelé point de livraison. Ces troix expressions (disjoncteur de branchement, DB et AGCP) seront employées au .long de cet article, mais il s'agit bien du seul et même appareil Tout ce qui figure en amont du disjoncteur est régi par la norme NF C 14-100, exclusivement du ressort des intervenants ERDF et des entreprises sous-traitantes. Ces entreprises réalisent des travaux sur les réseaux électriques appartenant à ERDF après avoir répondu à un appel d'offre et obtenu le marché. Elles sont spécialisées et sont choisies pour leurs qualifications et leurs compétences. En somme un installateur bien qu'électricien ne peut en aucun cas intervenir en amont du disjoncteur général. Toute intervention devra passer par ERDF. Physiquement l'amont correspond à la partie haute du disjoncteur et est plombée. .L'aval (partie basse) est du domaine de la NF C 15-100 et est accessible à l'abonné L'AGCP dispose d'un réglage du seuil d'intensité permettant au distributeur de limiter la puissance absorbée par l'installation (puissance souscrite), et assure par la même occasion une protection globale de celle-ci contre courts-circuits et sur-intensités (protection magnétothermique, selon l'abonnement - 15, 30, 45 ampères ...), et contre les défauts d'isolement (protection différentielle, 500mA pour une terre de 100 ohms maxi). Dans le cas de défauts d'isolement supérieurs à 500mA, l'AGCP pourrait couper toute l'installation avant qu'une des protections situées en aval n'aient eu le temps d'agir pour ne couper que la partie en défaut (différentiels 30mA). Arrive alors la notion de sélectivité. Pour être sélectifs les disjoncteurs de branchement doivent comporter la mention "type S", indiquant qu'ils sont retardés au déclenchement. Dès lors, si un seul circuit de l'habitation est en défaut, l'interrupteur différentiel situé directement en amont de celui-ci coupera l'ensemble des circuits qu'il dessert .avant que le disjoncteur n'ai eu le temps de couper toute l'installation
  • 123.
    L'AGPC permet enoutre d'isoler l'installation du réseau électrique en le basculant manuellement, ce qui lui ajoute la fonction de coupure d'urgence lorsqu'il est implanté dans le logement. Couplé avec le compteur électrique, ils forment ce que l'on nomme le panneau de .contrôle​, ​ou​ ​tableau de comptage Rappel des fonctions premières du disjoncteur de branchement​ : - Il est le point de liaison entre le réseau de distribution et l'installation de l'abonné. Lui comme tout ce qui est en dessous est propriété de l'abonné, au dessus la propriété d'ERDF. - Permet la coupure d'urgence de toute l'installation si placé dans le logement, ou simplement de l'isoler pour intervention. Dans le cas contraire un autre dispositif devra remplir cette fonction au sein du logement, disjoncteur ou interrupteur-sectionneur. - Protection générale contre les sur-intensités, courts-circuits et défauts d'isolement de l'installation. TYPES DE DISJONCTEURS​ : Nombre de poles : Il existe des disjoncteurs de branchement bipolaires (phase et neutre) et tétrapolaires (trois phases et un neutre), selon que l'abonnement soit en monophasé ou triphasé. La grande majorité des installations domestiques est alimentée en monophasé, pour une tension de service de 230V. Le triphasé concerne les exploitations agricoles, industries, commerces, ... ou habitations disposant de matériels électriques fonctionnant eux-mêmes en triphasé. Il peut s'agir de machines tournantes (moteurs tri), de chauffe-eau, pompes à chaleur, ... La tension est de 400 volts entre phases et de 230 volts entre chacune des phases et les neutre. Il est possible d'alimenter des équipements monophasés depuis un réseau triphasé en prenant leur alimentation entre une des phases et le neutre.
  • 124.
    Une installation tripeut-être ramenées en mono pour notamment minimiser ses frais d'abonnement, mais il faut alors prévoir le remplacement du compteur, disjoncteur et des câbles d'alimentation. Le tableau de répartition devra lui aussi être modifié en conséquence, et bien entendu ne plus avoir de matériels triphasés à alimenter. .L'inverse est également possible mais plus rare Calibre​ : Le calibre désigne le seuil maximal d'intensité que tolérera le disjoncteur. L'intensité dépendant de la puissance absorbée par l'installation et de la tension, limiter l'intensité revient à en limiter également la puissance. La puissance des abonnements est exprimée en voltampères (VA), unité de mesure de la "puissance apparente". Celle-ci tient compte de phénomènes appelés "déphasages" générés par certains appareils tels que moteurs, ordinateurs, lampes fluorescentes, etc. Pour faire simple ils occasionnent des échauffements supplémentaires dans les câbles de distribution contraignant à les sur-dimensionner. La puissance active, exprimée en Watts (W) correspond quant à elle à la puissance réellement consommée. Elle est égale à la puissance apparente pour les appareils purement résistifs (aucun déphasage) comme les ampoules à incandescence, chauffage​ électrique, ​chauffe-eau​, etc. Vous l'aurez compris, les disjoncteurs de branchement sont réglables, mais dans certaines mesures. Les disjoncteurs ont des plages de réglage limitées du fait qu'ils devront être en mesure de résister à de plus ou moins forts passages de courant, de même pour les câbles d'alimentation qui devront être dimensionnés en tenant compte du cas le plus défavorable, à savoir le seuil de réglage le plus haut d'un même disjoncteur​. : Modèles de ​disjoncteurs​ les plus fréquents par types d'abonnements
  • 125.
    Comme nous l'avonsévoqué, ​la ​section des câbles d'alimentation​ devra tenir compte du calibre le plus important du disjoncteur, dans le cas d'un changement d'abonnement ultérieur. Nous aborderons plus loin la section de conducteurs puisque dépendant de leur longueur et par conséquent de l'emplacement du disjoncteur par rapport au tableau de repartition Emplacement du disjoncteur​ : Le panneau de comptage lorsqu'il est dans l'habitation doit être placé dans la GTL (voir notre article sur la ​Gaine Technique de Logement​). Deux cas de figure​ : Il sera effectivement placé dans la GTL s'il est à 30 mètres ou moins du coffret de distribution d'ERDF (contenant un appareil de sectionnement ou fusibles). Il remplira aussi sa fonction de coupure d'urgence puisque qu'accessible depuis l'intérieur du logement. Le passage du câble d'alimentation et son raccordement sera assuré et facturé par .ERDF
  • 126.
    Il faut dansce cas ajouter un dispositif de coupure d'urgence au sein le logement, qui peut être un autre disjoncteur de branchement (cette fois non sélectif) ou un simple interrupteur sectionneur qui lui n'assurera aucune autre protection que l'isolation manuelle de l'installation. C'est le client ou son électricien qui devra se charger du passage du câble .d'alimentation et du raccordement côté logement Certains centres ERDF tolèrent des distances plus importantes pour l'intégration du tableau de comptage à la GTL. Pour s'en assurer il est préférable de leur demander .une étude préalable SECTIONS DES CÂBLES D'ALIMENTATION​ : La section des conducteurs est déterminée selon ces principaux critères : ● intensité (calibre max du disjoncteur soit 45A si DB 15-45, même s'il est reglé sur 15 ou 30A) ● tension et type de réseau (ex : 230V monophasé ou 400V triphasé) ● longueur des conducteurs ● matériaux conducteurs utilisés (cuivre ou aluminium) ● chute de tension admissible (2% pour une liaison du DB au tableau de répartition) Vous y trouverez toutes les informations requises quant au choix des conducteurs à utiliser.
  • 127.
    Les tableaux quisuivent dressent les longueurs maximales par types de disjoncteurs et par sections pour une chute de tension de 2%, en réseau monophasé puis en triphasé. Ils n'ont pas la prétention de fournir "la solution", sur ce site comme ailleurs. De faibles dépassements de chute de tension sont tolérés dans certains cas, tandis que pour certaines installations il serait parfois préférable de ne pas atteindre ces 2%, si par exemple nous avons à alimenter une dépendance (tableau divisionnaire) auquel cas une section plus importante sur la plus courte des longueurs (DB à TR = 30m) pourrait nous faire descendre d'une section pour une longueur plus importante (TR à TD > 30m). : Longueurs maximales entre AGCP et tableau de repartition
  • 128.
    Tableau électrique avecchauffe-eau en heures creuses Le schéma qui suit n'est qu'un exemple de réalisation possible d'un tableau de répartition. Certains élements sont imposés par la norme NFC 15-100 et d'autres seulement recommandés. Des explications sont fournies à la suite du schéma. Il devra être adapté au mode de chauffage si électrique, à la quantité de circuits nécessaires pour vos éclairages et prises de courant, à la surface habitable (ici plus de .. ,(100m²
  • 130.
    Ce tableau possède3 interrupteurs différentiels de type "AC" où sont répartis les principaux circuits prises, lampes et circuits spécialisés (four, sèche linge, ... ceux .protégés par des disjoncteurs 20A). Ce sont les trois premières rangées du tableau Répartition :​Il est important de répartir les différents types de circuits sur les différents ​interrupteurs​ différentiels (ID), de sorte à ce qu'un défaut survenant sur l'un des circuits ne provoque l'arrêt des autres circuits de même type. Si par exemple tous les circuits d'éclairage étaient repris sous un même interrupteur différentiel​, un défaut d'isolement sur un seul de ces circuits plongerait tout le logement dans l'oscurité. Un autre avantage d'une bonne répartition des circuits est qu'il sera plus aisé d'en répartir également la puissance. Une rangée (interrupteur différentiel) trop chargée pourra être soulagée d'un circuit prise ou éclairage, au profit d'une autre rangée moins étoffée. En bout de la deuxième rangée, un disjoncteur​ ​différentiel HI (Haute Immunité) servant à l'alimentation d'un congélateur. Ce disjoncteur à la particularité d'éviter les disjonctions intempestives. Le disjoncteur différentiel à haute immunité n'est pas obligatoire mais vivement recommandé lorsque la prise congélateur et prédéfinie à l'avance, en somme s'il est déjà prévu de dédier un disjoncteur au congélateur. Ce type de disjoncteur est également recommandé pour le matériel informatique et/ou autres appareils nécessitant une continuité de service. La quatrième rangée​ débute avec un quatrième interrupteur différentiel, cette fois de type "A". Il a la même fonction que les ID de type AC, mais protège en outre des fuites de courant continu générées par certains appareils. Il est obligatoire, les deux seuls appareils que la norme impose de protéger avec un interrupteur type A étant le lave-linge et les plaques de cuisson.
  • 131.
    Lors de l'emploid'un interrupteur différentiel de type A tolérant une intensité de 40A comme sur ce schéma, il est possible d'y ajouter deux circuits supplémentaires. Ce devront être des circuits non spécialisés, comme des circuits lampes ou prises de courant (pas de prise ​GTL​). Il sera possible d'ajouter au type A davantage de circuits ou y mettre des circuits spécialisés en obtant pour un interrupteur différentiel de 63A. La quatrième rangée comporte deux prises modulaires, prises conçues pour être intégrée aux tableaux. Ces prises sont obligatoires mais ne sont pas nécessairement placées à l'intérieur du tableau. Prises GTL :​ ​La norme impose deux prises à proximité de la ​GTL​ (Gaine technique logement) alimentées depuis un disjoncteur spécifique, ce qui en fait un circuit spécialisé. Ce disjoncteur ne devra par conséquent servir à l'alimentation d'autres prises de courant. Ces prises pourront être séparées du tableau ou intégrées.
  • 132.
    Ajout d'un tableauélectrique supplémentaire Le tableau divisionnaire est un ​tableau électrique​ annexe prenant son alimentation dans le tableau principal d'un logement. Il est généralement utilisé pour alimenter électriquement des dépendances (garage, atelier, ..), des extensions ou .étages Le tableau divisionnaire (ou tableau secondaire) comporte des dispositifs de protection habituels tels que des disjoncteurs 10 et 16 ampères pour l'éclairage et les prises de courant des zones concernées et éventuellement d'autres circuits pour des alimentations spécifiques (électroménager, chauffage, chauffe-eau annexe, prises pour les machines d'un atelier,..). Le principal avantage de ces tableaux est que leurs circuits sont isolés du reste de la maison, dans le sens ou par exemple un défaut sur un circuit prise ne viendra pas déclencher de protections sur le tableau principal, ne perturbant pas l'installation générale. Il sera également plus facile et rapide de réagir en cas de coupure d'un ciruit, le tableau divisionnaire étant à proximité de la zone qu'il protège. Il sera néanmoins toujours possible de couper l'alimentation du tableau divisionnaire via un disjoncteur situé dans le tableau principal, ou directement depuis le disjoncteur général de l'installation. Le calibre du disjoncteur​ placé dans le tableau principal et protégeant l'alimentation du tableau divisionnaire dépendra de la puissance nécessaire et donc des appareils à alimenter via le tableau secondaire, au même titre que le type de câble servant à alimenter votre tableau principale via le disjoncteur de branchement EDF. Pour connaître le type et la section des câbles d'alimentation à utiliser, un ​outil de calcul de chutes de tension​ ​est à votre disposition, avec les explications sur son
  • 133.
    utilité et surla méthode employée, ainsi qu'un exemple d'étude complet pour le .(choix des différents câbles (alimentation principale et vers le tableau secondaire
  • 135.
    La mise àla terre La mise à la terre​ ​est essentielle à la sécurité des personnes, et des biens lorsqu'il est fait usage d'un ​parafoudre​. Son rôle est de dissiper des défauts d’isolement (fuites de courants) et surtensions vers la terre. Nos tableaux électriques sont munis de dispositifs de protection appelés "différentiels" chargés de détecter ces fuites de courant. Une mauvaise mise à la terre conduirait à bloquer un courant de fuite le rendant de fait non détectable par le différentiel, au risque que ce soit nous qui véhiculions ce courant vers la terre en entrant en contact avec le matériel en défaut. Le menu qui suit dresse la liste des différents éléments constituant la mise à la terre d'une .installation, suivi d'un schéma détaillant ce à quoi ils correspondent
  • 136.
      LA PRISE DETERRE​ ​: Il existe plusieurs méthodes: l’une consiste à enfouir un conducteur nu de manière horizontale ou en fond de fouilles (généralement du cuivre 25mm²), l’autre à planter un piquet (ou plusieurs) verticalement dans le sol (généralement un piquet en galvanisé) ou encore une grille de terre (en cuivre). La valeur de la prise de terre doit être inférieure à 100 ohms. Dans le cas ou l'installation est protégée par un ​parafoudre​, une valeur de terre inférieure à 10 ohms est fortement conseillée. Des additifs spécifiques permettent d'améliorer une valeur de prise de terre dans des conditions difficiles.
  • 137.
    Conducteur enfoui dansle sol​ : Le conducteur enfoui dans une tranchée horizontale à un mètre de profondeur environ. Il faudra veiller à recouvrir le conducteur de terre sans pierres ni cailloux qui pourraient nuire à l’efficacité de la prise de terre (valeur ohmique trop élevée). .Le conducteur sera en cuivre 25mm² Conducteur enfoui en fond de fouilles ​: Le conducteur enfoui en fond de fouilles (aussi appelé boucle à fond de fouilles) est utilisé en construction neuve, sous la fondation. Cette méthode est la plus efficace (par rapport à la tranchée verticale). Le conducteur sera en cuivre 25mm². Il est aussi possible d’utiliser du feuillard en galvanisé d’une section de 100mm² et de 3mm d’épaisseur ou un conducteur en .galvanisé avec une section de 95mm² minimum
  • 138.
    Piquet vertical ​: Lepiquet de terre doit être d’une longueur d’au moins 1.5 mètre et enterré à 2 mètres de la surface du sol (afin de garder une valeur de terre correcte en cas de sècheresse ou de gel). La valeur de terre peut être améliorée en interconnectant plusieurs piquets qui seront distants entre eux d’au moins une fois leur longueur.
  • 139.
    Conseil : lepiquet s’installe de préférence dans un sous sol ou une cave, ce qui en plus de le rendre plus accessible, le protège encore mieux des intempéries donc .contribuera à sa bonne efficacité en toute saison A noter que le regard n’est pas obligatoire mais conseillé car il faut pouvoir en vérifier .périodiquement le bon état du raccordement La grille de terre​ : La grille de terre permet d'obtenir une très bonne valeur de terre. C'est important notamment lorsque l'installation est protégée par un parafoudre. Elle s'installe dans une tranchée horizontale, à une distance de 60 à 80 cm de la surface du sol. La connexion sera faite avec des raccords auto-cassants ou avec l'aluminothermie pour obtenir une connexion fiable et durable.
  • 140.
      Reportez-vous au schémadu conducteur enfoui dans le sol. La tranchée devra être plus large pour accueillir la grille et respecter les 20 cm d'écart avec les différentes canalisations. LE CONDUCTEUR DE TERRE​ : Il assure la liaison entre la barrette de coupure et la prise de terre. Sa section sera en générale 25mm² (cuivre nu) ou au minimum 16mm² en cuivre isolé vert/jaune. Il peut être protégé par une gaine. Il est possible de réaliser la connexion en galvanisé, sa section minimal sera alors de .50mm² LA BARRETTE DE COUPURE (OU BARRETTE DE MESURE)​ : Elle permet de déconnecter l’installation de la prise de terre afin d’effectuer la mesure de la résistance de cette dernière. La barrette peut être installée dans ​la ​GTL​ (Gaine Technique de Logement) ou proche de la prise de terre. En temps normal, la barrette doit rester fermée, accessible et la déconnexion ne doit .pouvoir se faire qu’à l’aide d’un outil LA BORNE PRINCIPALE DE TERRE : Elle assure la connexion entre le conducteur principal de protection et la liaison .équipotentielle principale
  • 141.
    LA LIAISON ÉQUIPOTENTIELLEPRINCIPALE (LEP)​ : La LEP assure la mise à la terre des éléments métalliques et canalisations : - d’eau (si possible avant compteur) - de gaz de ville - de chauffage central - de gaz liquéfié et fuel (si les citernes sont en dehors de l’habitation) - les parties métalliques accessibles de la structure de l’habitation (charpente métallique). La section de la LEP doit être au minimum 6mm² ou au moins la moitié de la plus grande section des conducteurs de protection de l’installation. Les connexions aux parties métalliques seront assurées notamment avec des .connecteurs spécifiques LE CONDUCTEUR PRINCIPAL DE PROTECTION​ :
  • 142.
    Sa section dépenddes conducteurs alimentant l’installation. Le conducteur principal de protection doit avoir : - la même section que les conducteurs d’alimentation si ceux-ci ont une section inférieure ou égale à 16mm² - une section de 16mm² si les conducteurs d’alimentation ont une section de 25 ou 35mm² - une section minimale égale à la moitié de celle des conducteurs d’alimentation s’ils ont une section supérieure à 35 mm² Cas les plus fréquents Si votre disjoncteur de branchement à un calibre maximum de 45 ampères, la section des conducteurs d'alimentation devrait être au minimum de 10 mm². Si le calibre maximum est de 60 ampères, la section des conducteurs d'alimentation sera de 16 mm². Dans les 2 cas la section du conducteur principal de protection sera identique à celle .de l'alimentation LE BORNIER TERRE​ : Le bornier terre du tableau regroupe le conducteur principal de protection, les conducteurs .de protection ainsi que les liaisons équipotentielles supplémentaires LES CONDUCTEURS DE PROTECTION ; Les circuits de l’installation comportent des conducteurs de protection (conducteurs .vert/jaune), leur section devant être identique à celle des conducteurs actifs LES LIAISONS ÉQUIPOTENTIELLES SUPPLÉMENTAIRES (LES)​ : Une liaison équipotentielle dite "locale" est requise dans les salles de bain, consistant à relier entre eux les différents conducteurs de protections et autres éléments conducteurs, tels que canalisations d'eau, huisseries métalliques, etc. La section minimale des liaisons équipotentielles doit être de 2.5mm² pour un​ ​conducteur isolé vert/jaune​ , ​ou de 4mm² pour un conducteur nu. Les connexions des LES aux parties métalliques sont assurées par des connecteurs spécifiques, des colliers d'équipotentialité ou par soudure. Plusieurs modes de réalisation sont possibles. Dans l'exemple qui suit tous les éléments conducteurs sont interconnectés dans une boite de dérivation. Il n'est pas nécessaire d'envoyer depuis cette boite de dérivation un conducteur de protection supplémentaire vers le tableau électrique, la liaison équipotentielle étant assurée par les conducteurs de protection des circuits électriques.
  • 144.
    Il est égalementpossible d'interconnecter directement les éléments conducteurs sans passer par une boite de dérivation, dans la mesure ou la section minimale de 2,5 mm² est assurée et que tous soient bien reliés entre eux. Les circuits d'éclairage étant de section 1,5 mm², leurs conducteurs de protection ne peuvent se suffir à assurer les liaisons équipotentielles. Cela ne nous dispense pas néanmoins de devoir les relier aux autres éléments conducteurs :
  • 145.
  • 146.
  • 148.
  • 149.
  • 150.
  • 151.
  • 153.