Royaume du Maroc
Université Hassan 1 er
Faculté des Sciences & Techniques de Settat
Département Génie électrique & Génie mécanique
PROJET DE FIN D’ETUDES
Pour l’obtention du diplôme
Ingénieurd’état
Spécialité
Ingénierie des systèmesélectriques et systèmes
embarqués
Sous le thème
La digitalisation de suivi des pertes
des charges et de la filtration d’air
des étuves du département
PEINTURE
Au sein de Renault-Nissan Tanger
Réalisé par: Encadrépar :
BABAOUIMohamed Pr.TAHIRY Karim
Soutenu le 20/07/2020 devant le jury composé de
Pr. Président
Pr. TAHIRY KARIM Encadrant
Pr. Examinateur
AVANT-PROPOS
Le présent travail est réalisé par M. Mohamed BABAOUI, Elève-ingénieur en Ingénierie des
systèmes électriques et systèmes embarqués dela faculté des sciences et techniques Settat,dans
le cadre du projet de fin d’études pour obtenir le diplôme d’ingénieur d’état.
Intitulé du projet :
La digitalisation de suivi des pertes des charges et de la filtration d’air des étuves du
département PEINTURE
Etablissement d’accueil :
Renault Tanger – Maroc.
Encadrant professionnel :
M. ABDERRAHIM Mohamed : Automaticien.
Encadrant pédagogique :
M. TAHIRY Karim : Enseignant à la faculté des sciences et techniques Settat.
Durée du projet :
Du 03 Mars au 15 Juin 2018.
Dédicace
Je dédie mon modeste travail
À mes chers parents, les êtres que je chérie le plus au monde, qui m’ont toujours accompagné
pour le meilleur et le pire. Je vous souhaite tout le bonheur du monde.
À mes chères sœurs et mon frère
Pour leur amour et leur incontestable appui.
À ma famille, à mes professeurs, à tous mes amis et précisément à
Yassir, Najim, Abdellatif
Et à tous ceux qui me sont proches par le cœur et l’esprit.
Remerciement
Ce n'est pas parce que la tradition l'exige ou par habitude que cettepage est présente aujourd’hui
dans ce mémoire de projet de fin d’études, mais parce que les personnes auxquelles s'adressent
mon remerciement les méritent vraiment à mes yeux.
Je témoigne, tout d’abord d’une grande gratitude envers l’ensemble des professeurs et des
cadres administratifs de la faculté des sciences et techniques, qui ont contribué dans une large
mesure à ma formation.
J’adresse mes profonds sentiments de reconnaissance et de respect à mon professeur encadrant
Mr. TAHIRY Karim pour ses recommandations pertinentes, son soutien et ses
encouragements.
Merci aux personnes qui m’ont fait l’honneur de participer à notre jury desoutenance, Monsieur
Mr. FARCHI Abdelmajid, et Mr. MOHSEN Ahmed.
Je remercie d’une façon toute particulière mon encadrant en entreprise Mr. ABDERRAHIM
Mohamed pour son encadrement exemplaire et sérieux et pour sa disponibilité dans la phase
de réalisation de ce projet.
Merci à tous les membres GATM du département PEINTURE de Renault Tanger, qui m’ont
aidé et m’ont fait progresser dans mon travail. Précisément Mr.ELOMARI Omar pour ces
efforts et explications exemplaires tout au long la période passée dans l’entreprise.
Enfin je remercie toutes les personnes qui ont contribué de près ou de loin à la réalisation du
présent rapport.
Une page ne suffit guère pour citer tous les noms, à tous ceux dont le nom n’y figure pas, merci
pour tout.
Résumé
Le présent rapport constitue la synthèse du travail réalisé dans le cadre de mon projet de fin
d’étudesau sein del’entreprise Renault Tanger qui était programmée de s’étaler sur une période
de quatre mois.
Le projet a pour mission principale la digitalisation desuivi des pertes des charges et la filtration
d’air des étuves du département PEINTURE, à fin d’améliorer la qualité de cuisson et de
peinture des caisses et diminuer la consommation énergétique de la station tout en maîtrisant la
fiabilité et l'impact environnemental.
Afin de mener à bien notre travail le suivi de la démarche DMAIC s’est avéré adéquat pour
structurer l’étude de ce projet, du fait qu’elle donne à l'étude une sorte de chronologie et une
certaine logique de phases, cette démarche repose sur des méthodes d’analyse qui aident à
cerner les opérations critiques à étudier, et à déterminer les causes majeures des pertes, pour
enfin aboutir à des solutions optimales et répondre aux exigences du cahier de charges.
Parmi les principaux résultats de ce projet on a pensé à une solution de digitalisation qui va
éviter presque définitivement la déviation de la courbe de température mesurée à celle de
cuisson prévue et alors améliorer les indicateurs de qualité et de consommation énergétique et
le temps d’intervention.
Nous n'avons pas pu mesurer les indicateurs d'efficacité de la solution car nous n'avons pas la
capacité de la mettre en œuvre et son test réel en usine, compte tenu de la fin de la formation
imposée par la situation sanitaire du pays et du monde due au COVID-1
Les mots clés : Automobile, Amélioration, Digitalisation, Automatisation, TIA Portal,
Supervision, ProfiNet
Abstract
This report is a synthesis of the work carried out as part of my final project at Renault Tanger
company, which was scheduled to run over a period of four months.
The main mission of the project is the digitalization of load loss monitoring and air filtration of
the ovens of the PEINTURE department to improve the quality of cooking and painting of the
cases and to reduce the energy consumption of the station while controlling reliability and
environmental impact.
In order to carry out our work the follow-up of the DMAIC approach proved to be adequate to
structure the study of this project, because it gives the study a kind of chronology and a certain
logic of phases, this approach is based on analytical methods that help to identify the critical
operations to be studied, and to determine the major causes of losses, in order to finally arrive
at optimal solutions and meet the requirements of the specifications.
Among the main results of this project we thought of a digitalization solution that will almost
definitively avoid the deviation of the temperature curve measured to that of the intended
cooking and then improve the indicators of quality and consumption of energy and the
intervention time.
We have not been able to measure the effectiveness indicators of the solution because we do
not have the capacity to implement it and its actual factory test, given the end of the training
imposed by the health situation of the country and the whole world due to COVID-19
Keywords: Automotive, Improvement, Digitalization, Automation, TIA Portal, Supervision,
Profinet
‫ملخص‬
‫هذا‬
‫التقرير‬
‫هو‬
‫خالصة‬
‫للعمل‬
‫الذي‬
‫تم‬
‫تنفيذه‬
‫كجزء‬
‫من‬
‫مشروع‬
‫ي‬
‫النهائي‬
‫في‬
‫شركة‬
Renault Tanger
،
‫و‬
‫الذي‬
‫كان‬
‫من‬
‫المقرر‬
‫أن‬
‫يستمر‬
‫لمدة‬
‫أربعة‬
‫أشهر‬
.
‫وتتمثل‬
‫المهمة‬
‫الرئيسية‬
‫لل‬
‫مش‬
‫روع‬
‫في‬
‫إضفاء‬
‫الطابع‬
‫الرقمي‬
‫خالل‬
‫فارق‬ ‫رصد‬
‫وتصفية‬ ‫الهواء‬ ‫أنابيب‬ ‫في‬ ‫الضغط‬
‫الهواء‬
‫في‬
‫أفران‬
‫مصنع‬
‫وذلك‬ ‫الصباغة‬
‫تحسين‬ ‫أجل‬ ‫من‬
‫نوعية‬
‫طبخ‬
‫طال‬
‫ء‬
‫العربات‬
‫وتقل‬
‫يل‬
‫الطاقة‬
‫العملية‬ ‫هذه‬ ‫في‬ ‫المستهلكة‬
‫مع‬
‫اال‬
‫لتزام‬
‫ب‬
‫الموثو‬
‫سواء‬ ‫حد‬ ‫على‬ ‫البيئة‬ ‫على‬ ‫الحفاظ‬ ‫و‬ ‫قية‬
.
‫ومن‬
‫أجل‬
‫تنفيذ‬
‫عم‬
‫لن‬
،‫ا‬
‫أثبتت‬
‫م‬
‫نهجية‬
DMAIC
‫أنها‬
‫كافية‬
‫لتنظيم‬
‫دراسة‬
‫هذا‬
،‫المشروع‬
‫ألنها‬
‫تعطي‬
‫الدراسة‬
‫نوعا‬
‫من‬
‫ا‬
‫ل‬
‫تسلسل‬
‫الزمني‬
‫ومنطق‬
‫معين‬
‫من‬
،‫المراحل‬
‫ويستند‬
‫هذا‬
‫النهج‬
‫إلى‬
‫أس‬
‫ال‬
‫يب‬
‫تحليلية‬
‫تساعد‬
‫على‬
‫تحديد‬
‫العمليات‬
‫الحرجة‬
‫التي‬
‫يتعين‬
،‫دراستها‬
‫وتحديد‬
‫األسباب‬
‫الرئيسية‬
،‫للخسائر‬
‫بغية‬
‫التوص‬
‫ل‬
‫في‬
‫النهاية‬
‫إلى‬
‫حلول‬
‫مثالية‬
‫وتلبية‬
‫متطلبات‬
‫المواصفات‬
..
‫من‬
‫بين‬
‫النتائج‬
‫الرئيسية‬
‫لهذا‬
‫الم‬
‫شرو‬
‫ع‬
‫فكرنا‬
‫في‬
‫حل‬
‫رقمنة‬
‫يتجنب‬
‫بشكل‬
‫شبه‬
‫نهائي‬
‫انحراف‬
‫منحنى‬
‫درج‬
‫ة‬
‫الحرارة‬
‫الذي‬
‫تم‬
‫قياسه‬
‫إلى‬
‫منحنى‬
‫الطهي‬
‫المقصود‬
‫ثم‬
‫تحسين‬
‫مؤشرات‬
‫نوعية‬
‫واستهالك‬
‫الطاقة‬
‫ووقت‬
‫التدخل‬
‫الصيان‬ ‫قصد‬
.‫ة‬
.
‫لم‬
‫نتمكن‬
‫من‬
‫قياس‬
‫مؤشرات‬
‫الفعالية‬
‫للحل‬
‫ألننا‬
‫ال‬
‫نملك‬
‫القدرة‬
‫على‬
‫تنفيذه‬
‫واختباره‬
‫الفعل‬
‫ي‬
‫في‬
،‫المصنع‬
‫ونظرا‬
‫لنهاية‬
‫التدريب‬
‫الذي‬
‫تفرضه‬
‫الحالة‬
‫الصحية‬
‫ل‬
‫ل‬
‫بلد‬
‫والعالم‬
‫بأسره‬
‫بسبب‬
‫مرض‬
‫كوفيد‬
-
19
‫مفتاحية‬ ‫كلمات‬
‫ق‬ :
‫ط‬
‫اع‬
‫إنتاج‬
‫السيارات‬
،
‫التحسين‬
‫المستمر‬
،
‫الرقمنة‬
،
‫األتمتة‬
(
‫الذاتية‬ ‫المراقبة‬
)
،
Tia Portal
،
‫اإلشراف‬
،
Profinet
Liste des acronymes
DMAIC : Définir, Mesurer, Analyser, Innover (Improve), Contrôler.
IFMIA : Institut de Formation aux Métiers de l’Industrie Automobile.
MENA : Moyen-Orient et Afrique du Nord.
RTD : Détecteur de température à résistance.
TOR : Tout ou rien.
CES : Circuit d'air surchauffé
API : Automate Programmable Industriel
HMI : Human Machine Interface
CPU : Contrôle Process Unit
TIA Portal : Totally Integrated Automation Portal (Automatisation totalement Intégrée)
PLCSim : Programmable Logic Controller Simulator (Simulateur de l’automate programmable
industriel)
ABV: Apprêt, Base, Vernis
Liste des figures
FIGURE 1 .STRUCTURE DE L'ALLIANCE RENAULT-NISSAN............................................................... 4
FIGURE 2.IMPLANTATION RENAULT A TRAVERS LE MONDE ............................................................. 6
FIGURE 3.LES DIFFERENTES MARQUES FABRIQUEES DANS L'USINE RENAULT TANGER ..................... 6
FIGURE 4.ORGANIGRAMME DE RENAULT-NISSAN TANGER............................................................. 7
FIGURE 5.LES DIFFERENTS DEPARTEMENTS DE RENAULT TANGER ................................................. 8
FIGURE 6.PROCESSUS DE FABRICATION DU DEPARTEMENT PEINTURE .......................................... 10
FIGURE 7.DIAGRAMME DE GANTT DU PROJET............................................................................. 13
FIGURE 8.MODELISATION SU MODELE DMAIC........................................................................... 16
FIGURE 9.LA CONSTITUTION DE LA PEINTURE.............................................................................. 19
FIGURE 10.LES PHASES DE PROCESSUS PEINTURE....................................................................... 19
FIGURE 11.VUE INTERIEURE DE L’ETUVE.................................................................................... 20
FIGURE 12.DESCRIPTION DU PROCESSUS DE SECHAGE................................................................ 22
FIGURE 13.SCHEMA D'INTERCONNEXION DU REGULATEUR EUROTHERM.................................. 23
FIGURE 14.LE BRULEUR A GAZ.................................................................................................. 23
FIGURE 15.CIRCUIT D’EAU SURCHAUFFE SOUS PRESSION........................................................ 23
FIGURE 16.LES ETAGES DE CUISSON DES CAISSES DANS LES ETUVES ....................................... 24
FIGURE 17.LES COURBES DE CUISSON DES DIFFERENTES ETUVES DU DEPARTEMENT .................... 24
FIGURE 18.LA COURBE DE TEMPERATURE COLLECTEE PAR L’ENREGISTREUR DES DONNEES.......... 25
FIGURE 19.MANOMETRE DE MESURE DE PRESSION ACTUEL ......................................................... 30
FIGURE 20.LES CAUSES DE LA NON-CONFORMITE DE LA QUALITE DE PRODUCTION....................... 31
FIGURE 21.DIAGRAMME ISHIKAWA DU PROJET............................................................................ 32
FIGURE 22.LE PRINCIPE DE SEPARATION PAR LES RIDEAUX D’AIR................................................. 33
FIGURE 23.LE DIAGRAMME PARETO......................................................................................... 35
FIGURE 24.L'ARCHITECTURE DU PROJET..................................................................................... 41
FIGURE 25.SONDE DE PLATINE PT100..................................................................................... 42
FIGURE 26.MODELE ELECTRIQUE DE PT1000............................................................................ 42
FIGURE 27. LA COURBE CARACTERISTIQUE DE LA PT100 (RESISTANCE-TEMPERATURE)........ 43
FIGURE 28.CAPTEUR DE45……………………………………………………………………43
Figure 29.Schéma de fonctionnement du DE45……………………………………………...41
FIGURE 30.CAPTEUR DE DEBIT SIEMENS..................................................................................... 44
FIGURE 31.LA STRUCTURE INTERNE DES AUTOMATES .................................................................. 45
FIGURE 32.L'AUTOMATE SIEMENS S7-300 AVEC PROFINET INTEGRE........................................... 46
FIGURE 33.L'UNITE DECENTRALISEE ET200S............................................................................. 47
FIGURE 34.ECRAN HMI SUPERVISION MP 277 10 ‘’TOUCH ........................................................ 48
FIGURE 35.SWITCH SCALANCE X204.......................................................................................... 49
FIGURE 36.COMMUNICATION (PLC-HMI-ET200) VIA PROFINET............................................... 50
FIGURE 37.ALGORITHME DE SUIVI DES PERTES DES CHARGES ET DE QUALITE DES FILTRES D’AIR.. 50
FIGURE 38.ALGORITHME DE SUIVI DE TEMPERATURE.................................................................. 51
FIGURE 39.LA TECHNOLOGIE DE TOTALLY INTEGRATED AUTOMATION PORTAL............................ 51
FIGURE 40.LA CONFIGURATION MATERIELLE DU PROJET......................................................... 52
FIGURE 41.CONFIGURATION MATERIELLE DE L'API .................................................................... 52
FIGURE 42.CONFIGURATION MATERIELLE DE L'UNITE DECENTRALISEE ........................................ 53
FIGURE 43.LA CONFIGURATION PROFINET DU CPU.................................................................... 54
FIGURE 44.LA CONFIGURATION PROFINET DE L'ET200S......................................................... 54
FIGURE 45.LA CONFIGURATION PROFINET DU CPU.................................................................... 55
FIGURE 46.LA STRUCTURE DU RESEAU PROFINE...................................................................... 55
FIGURE 47.LES FONCTIONS DE PROGRAMMES DU PROJET............................................................ 55
FIGURE 48.LES VARIABLES D'ETAT DE L'HMI .............................................................................. 57
FIGURE 49.LA VUE DE SUIVI DES PERTES DE CHARGES ET DE QUALITE DES FILTRES ...................... 58
FIGURE 50.LA VUE DE SUIVI DE L'EVOLUTION DE LA TEMPERATURE DES ETUVES......................... 59
FIGURE 51.LA VUE DE LA COURBE DE LA PRESSION DIFFERENTIELLE ET DE DEBIT ........ERROR!
BOOKMARK NOT DEFINED.
FIGURE 52.SCHEMA ELECTRIQUE DE L'INSTALLATION............ERROR! BOOKMARK NOT DEFINED.
Liste des tableaux
TABLEAU 1.FICHE TECHNIQUE RENAULT-NISSAN TANGER............................................................ 5
TABLEAU 2.RESUME DES ETAPES DE DEMARCHE DMAIC........................................................... 16
TABLEAU 3.LES DIFFERENTES COUCHES DE LA PEINTURE........................................................... 19
TABLEAU 4. QQOQCP DU PROJET............................................................................................ 26
TABLEAU 5.HORAIRES DU TRAVAIL CHEZ RENAULT TANGER........................................................ 26
TABLEAU 6.CHARTE DU PROJET................................................................................................. 27
TABLEAU 7.LA DEFINITION DE LA PROBLEMATIQUE PAR LA METHODE 5P.................................... 31
TABLEAU 8.LES CAUSES PRINCIPALES DE LA PROBLEMATIQUE..................................................... 34
TABLEAU 9.PLAN D'ACTION DU PROJET...................................................................................... 37
TABLEAU 10.HIERARCHISATION DES FACTEURS DU TABLEAU AMDEC........................................ 38
TABLEAU 11.ANALYSE DES RISQUES DU PROJET.......................................................................... 39
TABLEAU 12.CONTRAINTES D'IMPLANTATION ............................................................................. 39
TABLEAU 13.CONTRAINTES D’EXPLOITATION............................................................................. 40
TABLEAU 14.ELEMENTS D’INSTALLATION................................................................................... 40
TABLEAU 15.LE MATERIEL REQUIS DANS LES ETUVES.................................................................. 41
TABLEAU 16.ATTRIBUTION DES ADRESSES IP.............................................................................. 54
TABLEAU 17. DONNEES TECHNIQUES SUR PT100....................................................................... 67
Sommaire
AVANT-PROPOS..................................................................................................................... 3
Dédicace..................................................................................................................................... 4
Remerciement............................................................................................................................. 5
Résumé....................................................................................................................................... 6
Abstract ...................................................................................................................................... 7
‫ملخص‬............................................................................................................................................ 8
Liste des acronymes ................................................................................................................... 9
Liste des figures ....................................................................................................................... 10
Liste des tableaux..................................................................................................................... 12
Sommaire ................................................................................................................................. 13
Introduction générale.................................................................................................................. 1
Chapitre 1 : Organisme d’accueil et contexte général du projet ................................................ 2
I. Introduction ................................................................................................................... 3
II. Présentation de l’organisme de l’accueil.............................................................. 3
1. Présentation du groupe RENAULT :....................................................................... 3
2. Alliance Renault-Nissan : ........................................................................................ 3
3. Usine Renault-Nissan Tanger : ................................................................................ 4
4. Objectif stratégique :................................................................................................ 5
5. Stratégies de Renault................................................................................................ 6
III. Description du processus de production :............................................................ 7
1. L’emboutissage :...................................................................................................... 8
2. Tôlerie :.................................................................................................................... 9
3. Peinture : .................................................................................................................. 9
4. Montage : ............................................................................................................... 10
IV. Contexte du projet ............................................................................................... 11
1. Contexte général .................................................................................................... 11
2. Cahier de charge : .................................................................................................. 11
3. Contraintes de projet :............................................................................................ 12
4. Planification de projet :.......................................................................................... 12
5. Démarche du travail :............................................................................................. 13
Conclusion du chapitre ...................................................................................................... 13
Chapitre II : Démarche de résolution et Problématique ........................................................... 14
I. L’approche DMAIC :.................................................................................................. 16
1. Définition :............................................................................................................. 16
2. Les outils de travail :.............................................................................................. 18
a. Diagramme Pareto : ............................................................................................... 18
b. Ishikawa : diagramme cause/ effet (ou aussi diagramme des 5M): ....................... 18
c. Méthode des 5 pourquoi ou la cascade des pourquoi : .......................................... 18
II. Cadrage du projet :.............................................................................................. 18
1. Description du processus de peinture des caisses .................................................. 18
2. Le fonctionnement de l’étuve : .............................................................................. 20
a. Exigences générales pour l’étuve........................................................................... 21
b. Processus de séchage : ........................................................................................... 22
c. La courbe de cuisson (Courbe de température). .................................................... 24
III. Les outils de définition de la problématique...................................................... 25
1. QQOQCP............................................................................................................... 25
2. Horaires de travail :................................................................................................ 26
IV. Charte du projet : ................................................................................................ 26
1. Les indicateurs clés ................................................................................................ 27
Conclusion du chapitre ...................................................................................................... 28
Chapitre III. Mesure et Analyse de l’existant. ......................................................................... 29
Introduction :...................................................................................................................... 30
I. Mesure des indicateurs de performance ................................................................... 30
1. Présentation des modes du mesure et contrôle actuels dans les stations du séchage
(les étuves) ........................................................................................................................ 30
2. Statiques de qualité de production dans Renault. .................................................. 30
II. Détection des causes du problème ...................................................................... 31
1. La définition de la problématique par la méthode 5P............................................ 31
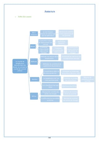
2. Diagramme d’Ishikawa et l’arbre des causes......................................................... 32
a. Diagramme Ishikawa. ............................................................................................ 32
b. Arbre des causes..................................................................................................... 34
c. Diagramme de Pareto............................................................................................. 34
Conclusion du chapitre ...................................................................................................... 35
Chapitre IV. Mise en œuvre et contrôle de l’action corrective ................................................ 36
Introduction ........................................................................................................................ 37
I. Présentation générale de la solution .......................................................................... 37
1. Plan d’action. ......................................................................................................... 37
2. Choix de la solution à adopter ............................................................................... 37
3. Etude de faisabilité................................................................................................. 38
a. Faisabilité technique. ............................................................................................. 38
b. Faisabilité financière.............................................................................................. 38
4. Analyse des risques du projet : .............................................................................. 38
II. Etude technique et implémentation de la solution ............................................ 39
1. Conception préliminaire......................................................................................... 39
2. Eléments de l’installation :..................................................................................... 40
3. Conception architecturelle. .................................................................................... 40
a. Description détaillée de la solution ........................................................................ 40
b. L’architecture matérielle et logicielle de la solution............................................. 41
4. Critères de choix du matériel ................................................................................. 42
a. Le choix des capteurs............................................................................................. 42
b. Le choix de la partie de commande. ...................................................................... 44
c. Choix de l’unité décentralisée................................................................................ 46
d. Ecran de supervision .............................................................................................. 47
e. Switch Scalance X204-2........................................................................................ 48
f. Liaison ProfiNet..................................................................................................... 49
5. Codage et réalisation.............................................................................................. 50
a. Algorithmes de fonctionnement............................................................................. 50
b. Outils logiciels ....................................................................................................... 51
6. Configuration et programmation de l’API............................................................. 52
a. La configuration matérielle.................................................................................... 52
b. La configuration du réseau ProfiNet...................................................................... 53
c. La programmation des blocs en Ladder................................................................. 55
d. Supervision du système de scannage par rayonnement gamma ............................ 57
Résumé du chapitre............................................................................................................ 59
Conclusion générale et perspectives ........................................................................................ 61
Bibliographie............................................................................................................................ 62
Webographie ............................................................................................................................ 63
Annexes.................................................................................................................................... 64
1
Introduction générale
L'industrie automobile est un secteur porteur au Maroc qui bénéficie, depuis toujours, d'une
attention particulière des sphères politiques et économiques. C'est l'un des secteurs les plus
structurés et les plus productifs au Maroc qui se caractérise par l'intervention de plusieurs
entreprises dans différents domaines de compétence où la concurrence est intense.
De ce fait, toute recherche d’une productivité meilleure passe par la suppression de tous les
aléas de production et de gaspillage. Et comme toute entreprise, Renault vise l’amélioration
continue de la performance de ses ressources. Chose qui lui permettra une meilleure adaptation
à l’évolution du marché international au niveau des dimensions de performance productivité.
C’est dans cette perspective que Renault Tanger s’est engagée dans une démarche
d’amélioration et de réorganisation globales, visant à atteindre l’excellence industrielle en
termes de qualité, coût et de délai. C’est dans ce cadre que s’inscrit notre projet de fin d’étude
qui a pour objectif de digitaliser le suivi des pertes de charges et contrôle de qualité des filtres
d’air afin d’améliorer la qualité de cuisson et de peinture des caisses et aussi pour améliorer les
indicateurs énergétiques en suivant la démarche DMAIC.
Le présent rapport décrit l’étudefaite au cours de la réalisation de ce projet. Le travail est réparti
sur 4 chapitres.
Dans le premier chapitre on va présenter l’organisme d’accueil en expliquant le processus de
production et les principes de fonctionnement des différentes stations et le contexte général du
projet, dans le deuxième chapitre on va présenter la démarche de résolution et aussi la
problématique ; dans le troisième il a l’analyse des causes racines de la problématique et le
dernier sera dédié pour la mise en œuvre et contrôle de l’action corrective.
2
Chapitre 1 : Organisme d’accueil et contexte général du
projet
Ce chapitre présentera l'organisme d'accueil Groupe
Renault à travers son site Renault Tanger Exploitation en
décrivant sa structure interne et mettant en relief son
département peinture avec ses différentes unités.
3
I. Introduction
Avant d’aborder le travail effectué durant ce projet, il convient tout d’abord, de faire une
présentation de l’organisme d’accueil de ce projet.
Le présent chapitre est consacré à la présentation de l’usine Renault Nissan, à l’environnement
du travail et au processus de fabrication, d’autre part sur le contexte du projet avec la
présentation de la problématique et la démarche suivie pour atteindre l’objectif visé.
II. Présentationdel’organismedel’accueil
1. Présentation du groupe RENAULT :
Présidé par Carlos GHOSN, Le groupe Renault est un constructeur automobile français,
multimarques possédant des usines et des filiales à travers le monde entier. Sa stratégie se
manifeste dans le positionnement durable comme le constructeur automobile généraliste
européen le plus rentable.
Changeons devie, changeons l'automobile », un simple slogan que Renault a pris non seulement
pour faire de la publicité, mais aussi une devise portant une valeur riche, étant le changement.
Renault est une Firme multinationale, présente dans le monde entier. Mais, cette présence est
assurée par d’autres marques du groupe comme Nissan et Samsung Motors. De sorte, le groupe
Renault est placé parmi les premiers mondiaux en chiffre et vente de véhicules.
2. Alliance Renault-Nissan :
Conclue en 1999, l’Alliance Renault-Nissan est à ce jour le partenariat transnational entre deux
grands constructeurs le plus durablement installé de l’industrie automobile. Ce partenariat est
un modèle souple et pragmatique qui peut être étendu à de nouveaux projets et à de nouveaux
partenaires à l’échelle mondiale.
Depuis sa création, l’Alliance protège Renault et Nissan des retournements de conjoncture à
l’échelle régionale, et soutient leur développement dans les économies les plus dynamiques de
la planète.
L’Alliance a permis à Renault et à Nissan de dépasser en performance leurs concurrents
régionaux historiques, hissant ainsi les deux entreprises dans la catégorie des plus grands
constructeurs.
Renault et Nissan constituent le 3ème groupe automobile mondial en termes de vente, derrière
« General Motors » et « Volkswagen », et jouissent d’une présence significative sur les grands
marchés mondiaux. Leurs ventes cumulées en véhicules sont passées de 4.9 millions d’unités
en 1999 à plus de 8.5 millions d’unités en 2015dans près de 200 pays à travers 8 marques :
4
RENAULT, DACIA, RENAULT SAMSUNG MOTORS, NISSAN, INFINITI, DATSUN,
VENUCIA et LADA. Ce volume record correspond à plus d’un véhicule sur 10 vendus dans le
monde.
Renault détient 43,4 % du capital de Nissan. Nissan détient 15 % du capital de Renault. Le
modèle d’actionnariat croisé garantit aux deux partenaires un intérêt mutuel et les incite à
adopter des stratégies « gagnant-gagnant » bénéfiques pour chacun.
3. Usine Renault-Nissan Tanger :
Figure 1 .Structure de l'alliance Renault-Nissan
L'usine Renault-Nissan Tanger est un site industriel du groupe Renault, situé dans la commune
de Melloussa près de Tanger. Elle a été inaugurée le 9 février 2012 par Sa Majesté le Roi
Mohammed VI, en présence du PDG du groupe Renault-Nissan, Carlos GHOSN.
L’usine dispose d’un accès direct à la plateforme portuaire du port Tanger Med. Elle est aussi
la première usine automobile au monde qui a zéro émission de CO2 et zéro rejet de liquides
industriels. Elle fabrique certains modèles de Dacia, vendus au Maroc ou exportés
principalement vers l'Europe, l'Afrique et la région MENA (Moyen-Orient et Afrique du Nord).
Avec une capacité deproduction atteignant 400 000 véhicules par an, un effort d’investissement
de 1,1 milliard d’euros, la création de plus de 7 000 emplois directs et 30000 emplois indirects
et une superficie de 300 hectares, l’usine de Tanger représentera l’un des complexes
automobiles industriels les plus importants du bassin méditerranéen.
5
Ce sera également un vecteur de développement économique important pour le Nord grâce au
renforcement du tissu industriel marocain de fournisseurs, sous-traitants, et équipementiers et
au développement de nouvelles compétences que l’usine va susciter. [1]
Tableau 1.Fiche technique Renault-Nissan Tanger
4. Objectif stratégique :
Le plan Renault 2016 « Drive the change » dévoilé le 10 février 2011, repose sur l’ambition de
Renault de rendre la mobilité durable accessible à tous.
Le plan stratégique du groupe Renault est construit sur six ans avec un point de mi-parcours,
fin 2013. Renault 2012 « Drive the change » est construit pour répondre à deux objectifs :
• Assurer la croissance du Groupe.
• Générer du free cash-flow de façon pérenne.
Le groupe Renault agira sur sept leviers majeurs pour atteindre ces objectifs :
• La poursuite de sa politique d’innovation.
• Un plan produit robuste
• Le renforcement de l’image de la marque Renault.
• L’excellence du réseau dans la relation client.
• La réduction des coûts.
Statut, direction et coordonnées
Forme juridique et répartition du capital Caisse de dépôt et de gestion 47,6%
Renault 52,4%
Directeur de l’usine Jean François Gal
Effectif 7000 salariés directs, 30 000 salariés indirects
Capital 1,1 Milliard d’Euro
Coordonnées Zone franche de Melloussa, Tanger Maroc
Production
Voitures fabriquées Lodgy, Dokker, Sandero, Sandero Step Way
Nombre de lignes de montage Deux lignes : Tanger 1 et Tanger 2
Certifications de l’usine ISO 9001 version 2008
ISO 14001
Superficie 300 hectares, dont 220 ha de bâtiments
couverts
Date de création 6 janvier 2008
6
• Le maintien de ses positions en Europe et l’expansion à l’international.
Pour réaliser sa production automobile, Renault dispose d’une trentaine de sites industriels à
travers le monde et s’appuie sur les sites de ses partenaires dans le cadre d’accords de
coopération établis pour partager les coûts.
Figure 2.Implantation Renault à travers le monde
Le site Renault Tanger Méditerranée est une usine d’assemblage complète réalisant
l’emboutissage, la tôlerie, la peinture et le montage. Avec un accès direct à la plateforme
portuaire du port de Tanger Med, les véhicules qui sortent des ateliers sont à 90 % destinés au
marché international.
Cette usine vient compléter le dispositif industriel de Renault pour les véhicules économiques
dérivés dela plateforme Logan. Elle produit deux nouveaux modèles d’automobile : La robuste
Dokker et la confortable Lodgy.
La figure suivante montre les caisses fabriquées dans l’usine de Renault Tanger.
Figure 3.les différentes marques fabriquées dans l'usine Renault Tanger
5. Stratégies de Renault
L’usine Renault Tanger Med suit les mêmes stratégies que le groupe Renault. A travers la
stratégie « Renault 2016 : Drive the change », Renault cherche le maintien en Europe et la
croissance à l’international.
7
Pour cela, Renault Tanger s’efforce à poursuivre la politique d’innovation et à renforcer l’image
de la Marque Dacia à travers ses atouts et réseaux de relation avec ses clients.
Aussi, Renault Tanger veut proposer des voitures fiables, confortables de haute qualité, mais
avec un prix à la portée des différentes classes sociales.
Client
• Client Interne : Renault Maroc : Vente local
• Client Externe : Renault ST : Export
• Organigramme de Renault
Figure 4.Organigramme de Renault-Nissan Tanger
III. Description du processusdeproduction :
L’usine Renault Tanger adopte une organisation en départements. La fabrication de la voiture
se fait successivement au sein de quatre départements principaux à savoir : l’emboutissage, la
tôlerie, la peinture et le montage. On trouve aussi dans l’entreprise d’autres départements
annexes : deux sont attachés au montage, il s’agit des départements « Sièges » et « sous
ensemble », et un autre attaché au département peinture et dans lequel se fait la préparation des
8
boucliers. En plus de ces ateliers de fabrication on trouve aussi un bâtiment appelé « bâtiment
X», Celui-ci réunit les fonctions : logistique, comptabilité et achats.
A cela s’ajoute aussi le « bâtiment V » dédié au service infirmerie et aux pompiers. En outre,
et afin de réussir une intégration rapide et efficace des nouveaux recrutés ainsi que des
opérateurs, les responsables de l’usine ont mis en place un centre nommé « IFMIA » (Institut
de Formation aux Métiers de l’Industrie Automobile...) où sont suivis des programmes de
formation. Ceux-ci sont assurés par des formateurs chacun spécialiste dans son domaine selon
le besoin en postes de travail ou profils dans l’usine.
Nous présentons dans la figure suivante une vue d’ensemble de l’usine qui illustre les différents
départements de l’usine :
Figure 5.Les différents départements de Renault Tanger
1. L’emboutissage :
D’une superficie égale à 22.000 m2, l’emboutissage est le point de départ du processus. En
effet, la matière première arrive sous forme de bobines d’acier galvanisé dont le poids varie de
3 à 4 tonnes pour les plus petites, et 25 tonnes pour les plus grosses. Ces dernières sont livrées
à l’emboutissage par voie ferrée ou par camion avant que l’acier soit déroulé et cisaillé en flancs
sur des lignes de découpe.
Les flans obtenus sont empilés pour alimenter les lignes d'emboutissage : Ils sont alors
emboutis, détourées, poinçonnées et calibrées par des outils de presse installés sur une ligne de
presses. Ces outils sont interchangeables, ce qui permet de produire plusieurs pièces différentes
9
sur une même installation. À la suite de ces opérations, les pièces sont prêtes à être utilisées en
tôlerie en tant que composants de la caisse.
2. Tôlerie :
La tôlerie représente la 2ème étape du processus de fabrication d’une voiture avec une
superficie totale de 44 200 mètres carrés.
La tôlerie a pour rôle d’assembler les pièces embouties pour former la carrosserie de la caisse.
Il y a deux types de pièces ; celles en tôle comme : les basses roulantes, les côtés de caisse, les
pavillons, les portes, les portes de coffres et les capots, et celles en plastique, comme les ailes.
Cette opération se fait par plusieurs technologies de soudure. La carrosserie prend ainsi forme
sur les lignes d’assemblage grâce à environ 5000 points de soudure dont la majorité est réalisée
par robots.
Afin de vérifier la résistance de la soudure, le département contient d’une zone d’essais
destructifs où l’on détruit des caisses de chaque modèle, point de soudure par point de soudure,
pour vérifier la résistance à la rupture. De la même manière on vérifie la résistance de la soudure
pour des pièces plus petites.
Après la soudure des portes et des capots, les caisses sont transportées à l’aide d’un élévateur
pour être envoyées vers le département de peinture
3. Peinture :
En sortie de la tôlerie, la caisse est immergée dans des bains successifs comprenant : le
dégraissage, l’impression-phosphatation, qui assure une première protection contre la
corrosion, les rinçages à l’eau industrielle et déminéralisée, la cataphorèse qui dépose par
électrolyse une résine protectrice sur la carrosserie, permettant une bonne adhérence des
couches de peinture et une répartition des épaisseurs adéquate. Ensuite, le mastic est appliqué
sur les jonctions de tôle pour assurer l’étanchéité et l’anti-gravillonnage du dessous de caisse.
Une couche d’apprêt, de base colorée et de vernis est appliquée sur la caisse afin d’obtenir
l’aspect final du véhicule (profondeur et brillance).
Enfin, dela cire est injectée dans les corps creux pour empêcher la stagnation del’eau et garantir
l'anticorrosion du véhicule pendant 12 ans.
Pour parvenir à une qualité optimale des traitements de protection et de surface, les opérations
de peinture sont réalisées dans une atmosphère protégée.
10
Figure 6.Processusde fabrication du départementpeinture
4. Montage :
Dans cette dernière étape du processus de fabrication, la caisse peinte reçoit successivement
tous les équipements du véhicule : habillages, sellerie, circuits électriques, vitrages et bien
entendu éléments mécaniques (moteur, boîte de vitesse…) produits sur un autre site.
Dès l'entrée de la caisse dans l'atelier, les portes sont démontées afin de faciliter les opérations
du montage, puis elles partent sur une ligne parallèle pour y être préparées. Quant au véhicule,
il continue son parcours dans le flux afin que l'habillage intérieur et les sièges soient installés
au fur et à mesure de l'avancement sur la ligne.
Sur le tronçon de montage automatisé, la platine, qui comprend le groupe motopropulseur et les
éléments de la sous caisse, vient se fixer sous le véhicule par un vissage automatique en
quelques secondes. Quant aux portes qui ont été garnies en parallèle, ces dernières rejoignent
le véhicule avant qu'il ne subisse les derniers tests sur les bancs d'essais.
11
IV. Contextedu projet
1. Contexte général
La qualité des produits ainsi l’amélioration de la performance énergétique des produits sont
parmi les défis que Renault Tanger à décider de relever afin d'améliorer ses indicateurs
énergétiques et sa réactivité afin d’optimiser les couts afin d’atteindre ses objectifs.
Depuis quelques années, la digitalisation s’invite de plus en plus au sein des entreprises.
Cependant cette intégration n’est pas uniforme. En effet,certaines sociétés éprouvent encore de
la réticence à se mettre au numérique. Différents facteurs expliquent le positionnement de ces
dernières : l’obligation d’adapter son business model au contexte actuel, la dématérialisation,
la suppression des intermédiaires.
Renault Tanger aussi a suivi cette évolution technique de la digitalisation de production ; mais
cette intégration de la digitalisation n’est pas appliquée à 100 % dans toutes ses lignes de
production, parce qu’elles restent encore pas mal de processus dans ses usines de production
qui sont encore basées sur des solutions très classiques. Mais Renault ne peut jamais restée
croisée les bras face à cette problématique alors qu’elle adopte une stratégie dans pour les
prochaines années qui vise à digitaliser le maximum ses lignes de production.
La digitalisation de l’installation des étuves vise à améliorer des indicateurs de performances
ce qui revient à procéder à une analyse dela situation actuelle afin dedéterminer tous les risques
pour pouvoir fixer les objectifs à atteindre, ensuite la maitrise des ressources de production
mises en place, puis la proposition des actions amélioratrices, et finalement le suivi des
différentes actions proposées.
2. Cahier de charge :
Objet : Projet de fin d’études pour l’obtention du diplôme ingénieur d’état.
Maître d’œuvre : Mohamed Babaoui, élève ingénieur de la 3ème année cycle ingénieur
Ingénierie des systèmes électriques et systèmes embarqués.
Maître d’ouvrage : Renault Tanger.
Objectifs :
- Etude des étuves de séchage du département -Peinture- (Principe de fonctionnement)
- Détection et détermination des problèmes qui existent dans ces étuves et recherche des
causes racines de ces problèmes.
- Recherche des solutions possibles et choix de la meilleure solution à adopter en se basant à
une étude comparative entre elles.
12
3. Contraintes de projet :
Contraintes du temps :
- Respecter les délais prévus pour chaque étape.
Contraintes techniques :
- Disponibilité de la documentation technique.
- Disponibilité de l’orientation par les techniciens de l’usine
- Manque des spécifications détaillées qui ne peuvent être présentées que par visite du site de
la problématique.
4. Planification de projet :
- Intégration dans l’entreprise et familiarisation avec les membres de l’équipe et
compréhension du processus de la production.
- Analyse fonctionnelle de l‘installation concernée par l’étude.
- Recherche er documentation sur l’installation actuelle
- Extraction des points de défaillances possibles dont la problématique majeure et
fondamentale du sujet
- Choix de la solution favorable à adopter et recherche de la documentation technique
- Programmation et simulation de la solution choisi sur logiciel
- Mise en test de la solution dans le lac des tests présent dans l’atelier du département
maintenance.
- Reprogrammation et correction et redimensionnement et validation du bon fonctionnement
de la solution.
Le diagramme de Gantt est un outil utilisé en ordonnancement et en gestion de projet et
permettant de visualiser dans le temps les diverses tâches composant un projet. Il s'agit d'une
représentation d'un graphe connexe et orienté, qui permet de représenter graphiquement
l'avancement du projet. [10]
La figure ci-dessous illustre la distribution temporelle des taches et aussi le diagramme de
Gantt.
13
-
Figure 7.Diagramme de Gantt du projet
5. Démarche du travail :
Afin de répondre exactement au besoin exprimer et de bien mener le projet, j’ai mis en place
une démarche de travail constituée de 3 étapes :
- L’analyse fonctionnelle du site de sujet (les étuves de séchage de la peinture) :
Dans cette étape, on comprend bien d’abord le rôle des étuves dans le processus de
production ; et leurs principes de fonctionnement et aussi leurs conditions strictes de
fonctionnement (Température, Filtrage.).
- L’établissement de l’état de lieu actuelle et détermination de la problématique majeure :
Dans cette étape on va essayer de voir les anomalies du site et extraire les causes
racines de ces anomalies et voir la cause principale
- Dégagement des solutions d’amélioration possibles et choix de la meilleure à adopter.
Une fois la problématique et claire, il reste que trouver les solutions techniques ou
organisationnelles à adopter afin d’éviter le dysfonctionnent de l’installation.
Conclusiondu chapitre
Dans ce chapitre nous avons présenté le contexte du projet et le cahier des charges ainsi que la
stratégie de management de projet que nous avons adoptée avec quelques notions de base sur
14
le sujet. Dans le chapitre suivant, nous présentons la démarche de résolution ainsi que la
problématique.
Chapitre II : Démarche de résolution et Problématique
15
Pour structurer ce travail, il est indispensable d’adopter une
méthodologie à suivre. Le Lean Manufacturing est l’une des
démarches les plus utilisées dans le domaine de l’industrie
automobile. C’est l’objectif pour lequel ce chapitre est
réservé.
16
I. L’approcheDMAIC :
1. Définition :
Le modèle DMAIC est une approche structurée de résolution de problèmes, largement utilisée
dans la démarche Lean Manufacturing. Il fournit une base de réflexion qui structure le travail
d’une équipe projet d’amélioration continue. Cet outil simple permet d’obtenir rapidement des
résultats probants, et repose sur 5 étapes : Define, Measure, Analyse, Improve et Control. [2]
Figure 8.Modélisation su modèle DMAIC
Tableau 2.Résumé des étapes de démarche DMAIC
Définir
Mesurer
Analyser
Améliorer
Contrôler
Étapes Objectifs de la tache Résultats
Définir Définir le projet Charte du projet
Cartographie Planning
Mesurer Définir et valider les moyens de mesure.
Mesurer les variables de sortie.
Collecter les données.
Etat existant
Analyser Analyser les données.
Etablir les relations
Entre les variables d’entrée
et de sortie
Anomalies
Innover Mise en place des actions d'amélioration. Proposition des solutions
Choix d’action
convenable
Contrôler Evaluer le gain des améliorations mises en
place.
Validation du bon
fonctionnement de la
solution choisi
17
Define (Définir) :
La première étape de la démarche DMAIC est l’identification et la description de l’objet de
l’étude et de la mission que va accomplir l’équipe projet. Cela inclut :
• La définition de la problématique, des limites du projet, du planning, de l’équipe du
projet, la rédaction de la charte de projet.
• L’écoute de la voix du client dans le but de rassembler ses exigences, cela servira de fil
conducteur tout au long du projet.
• La compréhension des processus, et leur cartographie.
Measure (Mesurer) :
Cette phase, qui consiste à recueillir des données dans le but de caractériser le procédé, est
divisée en deux :
• La définition de (ou des) l’indicateur(s) à suivre pour le projet et validation du système
de mesure.
• La collecte d’informations en vue de compléter la cartographie des processus.
Analyse (Analyser) :
L’analyse des données récoltées pendant l’étape précédente amène à :
• Identifier les causes induisant les dysfonctionnements étudiés.
• Reconnaître les causes initiales (ou causes profondes) à l’origine de la problématique,
afin de travailler sur les vrais problèmes plutôt que sur les symptômes qu’ils révèlent.
Improve (Améliorer) :
Cette étape fait appel aux capacités d’innovation, de réflexion et d’action de l’équipe. Il s’agit
de :
• Proposer des solutions en vue de répondre aux causes identifiées lors de la phase
précédente.
• Etablir un plan d’action.
• Mettre en place les solutions sélectionnées.
Control (Contrôler) :
La dernière étape du DMAIC est la phase de prise de recul par rapport au projet afin de :
• Contrôler que les modifications implémentées ont eu les effets escomptés.
18
• Communiquer sur le projet qui vient d’être mené.
• Faire le bilan du projet afin de le clôturer.
2. Les outils de travail :
a. Diagramme Pareto :
La méthode de PARETO sert à classer les causes selon les effets qu’elles génèrent, pour
déterminer la classe la plus critique, et qui représente les problèmes les plus importants qui
valent d’être traités en premier lieu, nommée aussi la méthode ABC, elle consiste à tracer une
courbe des valeurs cumulées en fonction des éléments à classer.
Les éléments à classer : les causes racines du dysfonctionnement
Le critère de classement : les criticités cumulées
b. Ishikawa : diagramme cause/ effet (ou aussi diagramme des 5M):
Le diagramme causes/effet ou bien diagramme Ishikawa, est un diagramme utilisé pour
analyser les causes racines qui donnent lieu à des effets constatés. Cette analyse est réalisée sur
la base des 5M (Moyens, Méthodes, Main-d’œuvre, milieux et matières) qui permettent une
bonne classification des causes.
c. Méthode des 5 pourquoi ou la cascade des pourquoi :
La méthode cascade du pourquoi ou bien 5 pourquoi, est une méthode d’analyse qui permet de
rechercher les causes d’un problème, souvent la cause qui paraît logique n’est que la
conséquence d’autres anomalies sous-jacentes. L’objectif est de rechercher les causes à
l’origine des problèmes provoquant le dysfonctionnement.
II. Cadragedu projet :
1. Description du processus de peinture des caisses
❖ Que ce que la peinture dans l’industrie automobile ?
Une peinture est un matériau fluide appliquée sur un subjectile qui a la propriété de former
après séchage un revêtement solide et adhérent. Cet enrobage donne un support des qualités
particulières de protection et de présentation, le schéma ci-dessous montre la constitution
principale de la peinture utilisé dans l’industrie automobile.
19
Figure 9.La constitution de la peinture
❖ Comment l’opération de la peinture se passe -elle et quelles sont les étapes qui elles
la constituer ?
La caisse arrivant du département tôlerie passe par une suite de traitements avant d’arriver a
l’application de la teinte définitive
Tableau 3.Les différentes couches de la peinture
Le processus de production au sein du département Peinture est constitué d’un ensemble de
lignes chacune d’elle est conçue pour un objectif défini, Les différentes phases de processus
peinture sont explicitées dans la cartographie ci-dessous :
Figure 10.Les phases de processus Peinture
La constitution La couche La fonction
Vernis 35 à 45 μm
Aspect, Durabilité
Base 13 à 17 μm
Couleur
Apprêt 35 à 40 μm
Antigravillonage, Adhérence,
Aspect
Cataphorèse 13 à 17 μm
Anticorrosion,
Antigravillonage, Aspect
Phosphatation 2 μm
Pigl
Tôle 0.6 à 0.7 mm
-
20
Les principales étapes sont les suites :
- -le traitement de surface (Dégraissage et Phosphatation)
- -Cataphorèse
- Mastic.
- Apprêts
- Base Intérieur
- -Base Extérieur
- -Vernis Intérieur
- -Vernis Extérieur.
On trouve également dans le processus des étapes transitoires qui sont les étuves (Entourés par
des rectangles rouges dans la cartographie), ces dernières sont employées après chaque phase
du processus pour sécher, préchauffer de divers matériaux ou spéciments. Au moyen de
méthode de circulation d'air chaud à l'uniforme la distribution de la température.
Dans le processus de peinture les étuves jouent un rôle indispensable qui est le séchage et
durcissement de la peinture sur les caisses, cette étape a pour rôle d’éliminer les composants
volatiles constituants la peinture.
Les composants non volatiles restent sur la carrosserie après le processus de séchage et de
durcissement et les composants non volatiles sont émis à l’air environnant des étuves par effet
de convection.
Figure 11.Vue intérieure de l’étuve
2. Le fonctionnement de l’étuve :
L’étuve fonctionne comme un four à chaleur tournante: l’air circule au sein del’étuve en circuit
fermé. Et permettant d'effectuer des traitements thermiques à température régulée, elles sont
largement utilisées dans l'industrie dans pas mal d'application (préchauffage, cuisson de vernis,
dégazage, déshumidification, thermoformage)
21
Le système dans sa totalité au département PEINTURE possède différentes zones de système
d’étuve :
• Etuve électro-revêtement (étuve cataphorèse)
• Etuve produit d'étanchéité
• Etuve apprêt
• Etuve laques
a. Exigences générales pour l’étuve
❖ Qualité – au centre de l’attention.
• Courbe de chauffage nécessaire
• Chauffage uniforme de la carrosserie
• Température de maintien / temps de maintien
• Eviter les condensats
• Pas de rétentions de solvants (accumulation de solvants)
❖ Economies d'énergie
• Récupération d'énergie
• Rideau d'air
• Isolation par rapport à l'extérieur
❖ Directive légale
• Environnement →Emissions du CO2 NOX
• Lieu de travail → Protection explosions, solvant, odeur.
❖ Amabilité du service
• Nettoyage
• Rigueur
• Accessibilité
• Echange d'assemblages de groupes
• Remplacement des unités / composants
❖ Contrôle thermique
• Exigence d'une certaine évolution de la température sur le composant
• Impossibilité d'amener toutes les parties de la carrosserie à la même température
→plage de température
• Pour atteindre la température des composants, le dispositif de chauffage doit être
régulé
22
b. Processus de séchage :
Le processus de séchage de la peinture c’est le passage du matériau appliqué à la surface d'un
état liquide à un état solide les solvants et les produits de décomposition s'évaporent de la
peinture, les pigments et les liants restent sur la surface, se mélangent entre eux et la peinture
durcit, c.-à-d. que les liants et pigments forment une surface en réseau fermée, la peinture
devient résistante aux facteurs externes.
Figure 12.Description du processusde séchage
Le processus de séchage repose sur le principe de transfert de la chaleur par la convection, l’air
neuf utilisé pour sécher les caisses est chauffé par un bruleur de gaz (et/ou) un circuit d’eau
surchauffé sous pression selon les consignes de température réglés sur un régulateur de
température EUROTHERM 2604 sa qui contrôle le processus de chauffage de l’air, et dans
chaque étage de l’étuve est séché par une température différente pour former et suivre ce qu’on
appelle la courbe de cuisson.
Le régulateur lit la valeur de la température acquise par une sonde PT100 plongée dans la
canalisation de l’air, et dépend des consignes de température saisis par l’opérateur par un écran
de supervision connectée avec le régulateur il commande la vanne du bruleur du gaz (Et /Ou)
la vanne du réseau d’eau surchauffé Pendant la phase de démarrage l’eau est chauffé par le
bruleur à gaz vu sa pouvoir calorifique importante, et après on chauffe par le circuit d’eau
surchauffé pour baisser la consommation énergétique il a également la possibilité du mode
manuel ou l’opérateur est chargé de contrôles le processus.
La figure ci-dessous illustre le schéma de câblage du processus de régulation de la température
basé principalement sur le régulateur de température EUROTHERM 2604 qui commande des
électrovannes des deux méthodes de chauffage, la vanne de gaz et la vanne du CES ? et qui a
comme entrées des capteurs de température pour compléter la chaine directe de régulation
linéaire.
23
Figure 13.Schéma d'interconnexion du régulateur EUROTHERM
Figure14.CES sousPression Figure 15.Lebrûleurà gaz
En parallèle avec le sous processus du contrôle et régulation de la température on trouve
également le contrôle de débit et de pression de l’air séchant et aussi la vitesse de mouvement
de convoyeurs déplaçant les caisses dans les étuves.
Les étuves de séchage existantes dans le département PEINTURE sont basées sur un principe
dechauffage uniforme et rapide qui respecte les teintes et elles sont équipées par une ventilation
adaptéepour assurer une excellente répartition dela chaleur a l’intégrité des caisses et elles sont
très économiques en raison du transfert direct de la chaleur et la possibilité de brulure est très
faible.
Comme elles ont des avantages remarquables elles ont également des inconvénients, mais
l’inconvénient le plus influent c’est que la cuisson des caisses ne suit pas la courbe de cuisson
des carrosseries qui risquent d'être salies ce qui va affecter la qualité des caisses.
24
c. La courbe de cuisson (Courbe de température).
Pour avoir un bon processus de séchage dans les étuves les caisses doivent passer par des
températures bien spécifiques et suivants des marges detempérature à respecter sinon on n’aura
pas une peinture bien conforme aux normes de la qualité ce qui va augmenter le taux de perte
des unités non conformes, pour ce faire les caisses passent par certains étages de température :
• Rideau d'air entrée.
• 2 zones de chauffage.
• 2 zones de maintien.
• Rideau d'air de sortie.
• Zone de refroidissement.
Figure 16.Les étages de cuisson des caisses dans les étuves
Et chacune des étuves a une courbe de température différente depend de type de séchage qui
est automatiquement lié avec l’étape juste avant l’étuve et voici les courbes prévues de cuisson
des différentes étuves.
Figure 17.Les courbes de cuisson des différentes étuves du département
Pour vérifier que les caisses passent vraiment par les mêmes courbes de température prévus,
on mesure la température tout au long dupassage des caisses dans les étuves; on fait la mesure
25
-qui ne peut pas être que directement sur l’objet peint - par le déplacement de la carrosserie
dans l’étuve avec un DATAPACQ qui est un instrument de mesure et enregistreur de données
possédant 6 à 8 capteurs ,les sondes sont attachés à la carrosserie et transmettent les
températures à l’unité d’enregistrement des données , et après le cycle les données peuvent
être lues et évaluées sur l’ordinateur.
Figure 18.La courbe de température collectée par l’enregistreur des données
Les études comparatives entre les courbes prévus de la température et les courbes réellement
mesurées aves les DATAPACQs -qui sont des enregistreurs des données- ont montré que ne
sont absolument confondus et il a toujours un décalage et la courbe mesurée est souvent en
dehors des marges tolérées, ce qui va affecter surement la qualité de la cuisson des caisses.
Pour faire face à ce problème une consommation supplémentaire (Consommation électrique,
Consommation du gaz …) est utilisée pour essayer de rendre la courbe entres les marges
tolérées, c’est vrai que pour avoir une bonne qualité de la cuisson on consomme plus, c’est à ce
point la problématique commence, Quelles sont les causes possibles de ce décalage ? quelle
est la cause la plus influente ? Comment arriver à trouver une solution optimale et efficace
à cette cause ?
III. Les outils dedéfinition de la problématique.
1. QQOQCP
QQOQCP est un outil qui permet de bien définir la problématique d’un façon globale et
détaillée et résumée à la fois, en répondant à certaines questions qui sont Quoi ? Qui ?
Ou ?Quand ?Comment ?Pourquoi ?.
le tableau ci-dessous figure l’outil QQOQCP appliqué à notre projet.
26
Qui ? - Mohamed BABAOUI élève ingénieur en 3éme année cycle ingénieur
ISESE
(Ingénierie des systèmes électriques et systèmes embarqués )à FST Settat.
Quoi ? - Le suivi de la qualité des filtres d’air des étuves de séchage de peinture.
Où ? - Le site d’installation des étuves dans le département Peinture.
Quand ? - Du 3 mars au 30 Juin 2020.
Comment ? - Etude de l’état actuelle.
- Analyse fonctionnelle.
- Proposition de la solution.
- Réalisation de la solution.
- Vérification et validation de la solution.
Pourquoi ? - Améliorer la qualité des caisses. - Améliorer la performance énergétique.
- Eviter la panne inattendue.
Tableau 4. QQOQCP du projet
2. Horaires de travail :
Le planning des équipes est réparti sur les six jours de la semaine, trois équipes se répartissent
les plages horaires sur la journée : l'équipe normale constitué des cadres et responsables,
l'équipe du matin et l'équipe du soir constitué d’opérateurs et chefs unités. Le tableau ci-dessous
montre les horaires de travail de chaque équipe :
Tableau 5.Horaires du travail chez Renault Tanger
IV. Chartedu projet:
La charte projet est un élément clef de la phase de construction d’un projet. Elle va présenter
de manière synthétique le problème à résoudre, l’objectif à atteindre, le périmètre concerné.
Equipe Horaires Pauses
Equipe normale 7h45min →17h30min, du
Lundi au Jeudi
7h45min →16h45min, le
Vendredi
30 min, déjeuner
Equipe du matin 6h00min →14h00min 10 min 20min déjeuner
Equipe de soir 6h00min →14h00min 10 min
20 min,déjeuner
27
Elle va également définir les rôles et responsabilités du projet ainsi que les principaux jalons
temporels.
Charte de projet
Titre de projet : La digitalisation de suivi des pertes des charges et la filtration d’air des
étuves du département PEINTURE
Gain
Gain mesurable Gain non mesurable
- Régler le temps de changement des
filtres d’air.
- Garder une bonne qualité de cuisson des
carrosseries en les séchants suivant la
courbe de cuisson prévue.
- Faciliter l’opération de suivi des pertes
de charges.
- Avoir une bonne accessibilité au
processus des étuves.
- Améliorer les conditions de travail et
faciliter la gstion des maintenaces des
filtres et des étuves toutes entières.
Planning
Define/Définir
Mesure/Mésurer
Analyse/Analyser
Improve/Améliorer
Control/Controler
24 Février → 13 Mars
16 Mars→ 20 Mars
23 Mars→ 31 Mars
23 Mars→ 9 Avril
10 Avril→ 21 Avril
Ressources
Ressources matérielles Ressources Humaines
Ressources par étuve:
- Alimentation triphasée normale 400V-
50Hz et alimentation de secour.
- Réseaux d’eau Déminéralisée et
industrielle chaud et froid.
- Réseau d’air comprimé.
- API, Régulateurs de température et de
débit , sondes de mesure de température.
- Brûleur; convoyeurs…
Le fonctionnement ne nécissite plus
l’intervention humaines sauf pour
l’installation et le controle périodique
Périmètre
Le présent travail de la digitalisation de suivi des pertes de charges et de la filtration d’air est
destinée à toutes étuves existantes dans le département PEINTURE
• Etuve électro-revêtement (étuve cataphorèse)
• Etuve produit d'étanchéité
• Etuve apprêt
• Etuve laques
Aprés l’implantaion dela solution automatisée le suivi et controle peuvent etre faitsà distance
et à travers tous les postes SOP du département.
Tableau 6.Charte du projet
1. Les indicateurs clés
Les indicateurs qu’on souhaite améliorer par l’implémentation dela solution dela digitalisation
du processus de suivi et contrôle des filtres des étuves sont
- La qualité de cuisson des carrosseries.
28
- La consommation énergétique des moto-ventilateurs.
- Le temps d’intervention des opérateurs pour changer les filtres défaillants.
Conclusiondu chapitre
Dans ce chapitre on a essayé dedéfinir le projet tout entier commençant par le cadrage de projet
, on a commencé par une description détaillée du milieu de fonctionnement des étuves, leur
principe de fonctionnement ainsi que ses exigences, après on a essayé d’utiliser un ensemble
d’outils à fin de structurer la définition de la problématique et des objectifs et les délais et les
attentes, dans le prochain chapitre on va donner quelques mesures de la performance dans
l’installation aves les solutions actuelles .
29
Chapitre III. Mesure et Analyse de l’existant.
Ce chapitre a pour mission d’analyser et de ‘faire parler’ l
les mesures collectées dans phase précédente. Ainsi, sur la
base de ces données nous partons des anomalies décelées,
jusqu’aux causes racines, qui sont à l’origine des
dysfonctionnements
30
Introduction:
La mesure sert à assurer la nécessité d’intervention en éclairant les points de défaillances dans
le mode de fonctionnement et de mesure et de contrôle dans le système actuel. L’analyse
consistera à rechercher les causes qui ont un effet néfastesur la performance générale desétuves
et précisément le processus de séchage
I. Mesuredes indicateursdeperformance
1. Présentation des modes du mesure et contrôle actuels dans les stations du séchage
(les étuves)
Les modes de mesure de mesure est parmi les grands facteurs qui poussent les usines à faire
appel à la digitalisation ; dans le site de l’installation il a beaucoup des grandeurs à
mesurer(Pression différentielle, débit, Température), mais lorsqu’on parle du contrôle de
qualité des filtres d 'air le grandeur qui nous intéresse plus est la pression différentielle, la
méthode demesure decette dernière est très classique et se repose essentiellement sur la lecture
dela valeur dela pression en amont et en aval dufiltre affichéesur un manomètre et l’opération
de la différence se fait par le lecteur lui-même, une méthode qui présente un risque d’erreur et
aussi elle est difficile vue l’inaccessibilité de la station des étuves.
Figure 19.Manomètre de mesure de pression actuel
2. Statiques de qualité de production dans Renault.
Les statistiques données par le département Qualité montrent que la plupart des défauts de
production des véhicules dans tout l’usine se produisent dans le département Peinture, et dans
le département lui-même les étuves sont la cause dominante de la non-conformité.
31
Figure 20.Les causes de la non-conformité de la qualité de production
II. Détection des causes du problème
1. La définition de la problématique par la méthode 5P
Pourquoi ?
La courbe cuisante mesure n’est se
différé de celle souhaitée Parce que l’air chauffant des caisses
n’est pas filtré.
La consommation énergétique s’augmente
de temps en temps.
La qualité de la peinture est affectée après
passage des caisses par les étuves.
Parce que la répartition de la température
au sein de l’étuve n’est pas uniforme
Parce que la méthode de mesure n’est pas
fiable
Parce que l’étanchéité qui sépare les
montée n’est pas bonne
Pourquoi l’air chauffant des caisses n’est pas filtré ? Parce que le filtre d’est endommagé sans
pré-informer les opérateurs de son état.
Pourquoi Le filtre est endommagé sans pré-informer les
opérateurs de son état ?
Parce que le suivi de son état est difficile
et n’est pas accessible à distance
Pourquoi le suivi de son état est difficile et n’est pas
accessible à distance ?
Par ce que le suivi des états des filtres est
ne peut être fait que par la visite des
endroits des filtres nécessairement
Pourquoi le suivi des états des filtres est ne peut être fait
que par la visite des endroits des filtres nécessairement ?
Par ce que le suivi des états des filtres est
actuellement fait par la visite de sites
d’installation des étuves et lecture des
valeur de pression en amont et en aval de
chaque filtre, et après le calcul de la
pression différentielle l’opérateur peut
enfin juger la qualité des filtres.
Tableau 7.La définition de la problématique par la méthode 5P
28%
22%
44%
6%
Les causes de la non-conformité de la
qualité de production
Erreur d'emboutissage Erreur de tolerie
Erreur de peinture Erreur de montage
32
2. Diagramme d’Ishikawa et l’arbre des causes.
a. Diagramme Ishikawa.
Afin de mettre en évidence toutes les causes avérées ayant une influence sur la problématique
(Effet) en les arrangeant suivant les 5M et enfin de les hiérarchiser.
Suite à une observation active, nous avons recensé plusieurs anomalies dans le processus de
séchage et qui sont relatives directement par la problématique.
Pour mettre en relief ces anomalies nous les avons schématisés sur le diagramme
ISHIKAWA suivant :
Figure 21.Diagramme Ishikawa du projet
❖ Interprétation.
A partir du diagramme d’ISHIKAWA précédent, on a pu faire une interprétation qui met en
évidence les différentes causes citées qui influencent la problématique.
Méthode: Ca concerne principalement la méthode d’exécution du processus et précisément la
façon de contrôler et de supervision de l’évolution instantanée de l’installation et des mesures
de pression différentielle et de débit de l’air qui se font actuellement par une méthode très
classique par la lecture continue des valeurs marquées dans les manomètres et les capteurs de
33
débit à éguille en amont et en aval du filtre et calculer la différence des deux valeurs pour
pouvoir juger finalement si les filtres sont à bonne état ou pas.
Aussi la méthodede mesure et sauvegarde dela température tout au long le passage des caisses
dans les étuves qui se font actuellement par un enregistreur des données qui peut avoir d’une
incertitude de mesure.
Main d’œuvre : la cause relative à ce point est juste Le non-respect d’ordre de démarrage par
les opérateurs qui doit être fait avec un rigorisme strict sinon il peut générer des effets
catastrophiques.
Moyen : Parmi les causes qui peuvent affecter principalement la distribution fixe de la chaleur
dans chacune des montées desétuves et le Problème d’étanchéitésséparant les montées qui sont
élaborées à base par le concept des rideaux d’air comme il est figuré dans l’image ci-dessous :
Figure 22.le principe de séparation par les rideaux d’air
Un autre problème peut affecter la qualité de cuisson des caisses est celui de la non-conformité
de la vitesse de ces dernières dans l’étuve avec la vitesse convenable pour que la totalité de la
tôle des caisses soit bien séchée, ce problème peut être causé par des pannes technique.
Matière : Les problèmes suivants sont tous liés à la matière principale dans le processus de
séchage par convection thermique qui est l’air, ce dernier pour être convenable à l’utilisation il
doit vérifier certaines conditions :
- L’air doit être filtré pour ne pas laisser des particules in voulues dans les caisses après
cuisson
- La pression et le débit de déroulement de l’air dans les conduites de canalisation doivent
être réglés a des valeurs précises.
- La valeur de la température de l’air doit être également la même que la valeur de consigne
correspondante à chaque montée.
34
Milieu : Traitant le milieu des étuves on trouve qu’il a des difficultés au niveau de
l’accessibilité vue la température énorme des étuves ce qui diminue la fréquence decollecte des
données et le contrôle classique.
b. Arbre des causes
Un arbre des causes est un schéma se présentant sous la forme d'une arborescence, utilisé dans
le domaine des risques professionnels pour mieux identifier a posteriori tous les faits
nécessaires ayant abouti à un évènement indésirable. Il s'agit donc surtout d'établir un
diagramme de causes et effets.
Pour voir la matrice des causes détaillée veuillez voir les annexes ...
c. Diagramme de Pareto
Le diagramme de Pareto est une représentation graphique des fréquences d’apparition par type
de produits, de réparations, de défauts, de réclamations, de pannes ou d’accidents sur une
période d’observation donnée.
Le diagramme de Pareto permet de mettre en évidence les éléments les plus importants d’un
problème sur lesquels devront être concentrés en priorité les efforts d’amélioration
Cette analyse est également connue en gestion de production sous le nom de diagramme ABC
ou loi des 80/20 qui postule que 80% des effets sont imputables à seulement 20% de causes
le nom de la cause Nombre
d'affectation
de
la qualité de
cuisson par ans
Pourcentage
d'affectation en %
Pourcentage
d’affectation cumulé
en %
Défaillance des filtres d'air 22 51.16 51.16
Contrôle et suivi des pertes
de charges
12 27.90 79.06
Incertitude de mesure et de
sauvegarde des données
4 9.30 88.36
Pannes techniques
(Moteurs, Variateurs)
4 9.30 97.66
La difficulté d’accessibilité
au milieu
1 2.32 100
Tableau 8.Les causes principales de la problématique
Après la collection et l’organisation des données et causes on trace alors le diagramme Pareto
afin de pouvoir déterminer facilement les causes qui ont le poids fort affectant plus les effets,
et voici le diagramme.
35
Figure 23.Le diagramme PARETO
Après avoir collecté les données et tracé le diagramme de Pareto ; on arrive à déterminer les
causes principales de la problématique suivant la loi des 80/20 qui postule que 80% des effets
sont imputables à seulement 20% de causes, donc il est clair que Défaillance des filtres d'air
ainsi que le contrôle et suivi des pertes de charges sont les deux causes les plus affectifs.
Conclusiondu chapitre
Dans ce chapitre on a montré des mesures relatives aux indicateurs de performances de la
station actuelle avec ses modes de fonctionnement classiques ,après on a fait l’analyse de notre
projet en déterminant les causes racines de la problématique, on a défini toutes les causes qui
peut affecter ,outre problématique par la méthode 5P ; et après on a les classifier et ranger dans
des catégories suivant la méthode Ichikawa et on a les présenter dans l’arbre des abuses qui
illustre toutes les causes.et parce qu’Ila des causes plus affectifs que e d’autres on a utile le
diagramme de Pareto ou loi des 80/20 qui postule que 80% des effets sont imputables à
seulement 20% de causes.
Après tous ce travail est arrivé finalement à considérer les deuxcauses suivantes comme causes
principales :
- La défaillance des filtres d’air.
- La difficulté de mesure et de contrôle des pertes de charges dans les étuves.
Dans le chapitre prochain on vise à trouver une solution automatisée qui va rendre digitale le
processus de filtrage et de mesure et contrôle des pertes de charges.
36
Chapitre IV. Mise en œuvre et contrôle de l’action
corrective
Dans cette partie du projet, il s’agit d’appliquer des
améliorations et d’élaborer des plans d’actions à chaque
aléa étudié dans les parties précédentes du projet.il s’agit
d’implémenter une solution de digitalisation en utlisant un
API comme unité centrale d’une structure organisée
37
Introduction
La phase amélioration/innovation est la pierre angulaire de la démarche DMAIC, car elle
représente d’une façon concrète les améliorations effectuées pour remédier aux anomalies
extraites dans la phase d’analyse. Cette courante phase consiste en premier lieu, à planifier les
actions à mettre en œuvre dans l’axe de temps et selon type de dysfonctionnement
Les causes racines recensées dans la phase précédente seront la référence sur laquelle on va se
baser pour donner des solutions simples à réaliser et moins onéreuses.
I. Présentationgénéralede la solution
1. Plan d’action.
Le problème La solution L’état
La défaillance fréquente des
filtres d’air.et manque de
surveillance de ses états.
Implémentation d’une solution automatisée qui a
pour but de juger la qualité des filtres
Faite
Le manque de contrôle et de
supervision des pertes de charges
Installation des capteurs de pression différentielle
et de débit et affichage des valeurs dans des IHM
Faite
La méthode de mesure de
l’évolution de la température au
sein des étuves
Plongement des thermosondes dans chaque
montée pour suivre l’évolution aussi que pour la
comparer avec la courbe de cuisson de référence.
Faite
La difficulté d’accessibilité au
site d’installation des étuves vue
les contraintes de l’énorme
chaleur et le dur milieu .
Création des interfaces de supervision distants et
proches des opérateurs et loins de toutes sources
de perturbation.
Faite
Tableau 9.Plan d'action du projet
2. Choix de la solution à adopter
Pour répondre à ces problèmes plusieurs solutions peuvent être utilisés, mais une seule qui peut
être commode et convenable avec les norme de l’entreprise .La solution doit répondre surement
aux exigences du cahier des charges et aussi doit respecter les normes du sécurité informatique
et la compatibilité avec l’architecture technique déjà implémentée dans les départements de
l’usine ,alors la solution proposée c’est l’automatisation et la supervision des processus de
mesure et de contrôle des grandeurs relatifs aux étuves en utilisant des API et des interfaces de
supervision IHM qui vont être reliés avec le bus de terrain ProfiNet.
38
3. Etude de faisabilité
L’étude de faisabilité est une étude qui s’attache à vérifier que le projet soit techniquement
faisable et économiquement viable.
a. Faisabilité technique.
Concernant la faisabilité technique la solution est 100 % faisable vu la disponibilité
matérielle et logicielle de tous les outils qui peuvent être utilisé (API, Capteurs, IHM
…)
b. Faisabilité financière
Concernant la faisabilité financière n’est pas un grand obstacle pour l’implémentation
de notre solution vu la disponibilité de tout le matériel dans le stock de l’usine.
Alors la solution et faisable techniquement et financièrement.
4. Analyse des risques du projet :
Le bon déroulement de ce projet dépend d’une bonne évaluation des risques durant la période
de projet, Pour cette raison j’ai mis en place une étude qui m’aidera à anticiper et de limiter au
maximum les risques qui pourraient survenir pour tenter de réduire leurs impacts sur le bon
déroulement du projet et d’envisager les actions nécessaires à mettre en place pendant toutes
les phases de réalisation du projet.
L’analyse réalisée va être présentée sous forme d’un tableau de type AMDEC (Analyse des
modes de Défaillance de leurs Effets et de leurs Criticités)
G : Gravité P : Probabilité D : Détectabilité
1. Négligeable 1 : Improbable 1 : Non détectable
2. Mineure 2 : Peu probable 2 : Peu détectable
3. Majeure 3 : Probable 3 : Facilement détectable
Tableau 10.Hiérarchisation des facteurs du tableau AMDEC
Criticité : C = G*P*D
Le tableau ci-dessous présente l’analyse AMDECdes risques du projet considérés et les actions
préventives à mettes en place afin de les maitriser.
39
Tableau 11.Analyse des risques du projet
II. Etudetechniqueet implémentationdela solution
1. Conception préliminaire
❖ Contraintes d’environnement
Environnement Caractéristiques
Altitude 100 m
Conditions Climatologiques Été : +31°C - 36% HR
Hiver : +5°C - 50%HR
Tableau 12.Contraintes d'implantation
❖ Contraintes d’éxploitation.
Risque Cause Effet G P D C Actions préventives
Inachèvement des
objectifs visés
Le non prise en
considération des
différents données
Echec d’atteint
des objectifs
3 2 3 18 - Planification et suivi
d’avancement
La non mise en test
de la solution
L’arrêt temporaire
de la production
en première
cadence aux effets
du COVID-19
Absence des
livrables
touchables er
mesurables
2 3 2 12 Prévoir un plan d’action
en week-end et la
période d’arrêt en aout.
Non-respect du
planning
Plusieurs actions
en parallèles
Retardement
du projet
3 2 2 12 Planifier les actions
prioritaires.
Réseaux d’alimentation électrique
Types Caractéristiques
Electricité Force Motrice Normale
FMN
Nature : 4 Câbles L1, L2, L3, PEN
Tension :400 V
Régime de neutre : TN-C 4 Câbles
Courant de court-circuit Icc : 35kA
Electricité Force Motrice Secouru FMS Nature : 4 Câbles L1, L2, L3, PEN
Tension :400 V
Régime de neutre : TN-C 4 Câbles
Courant de court-circuit Icc : 35kA
Electricité Sauvegardée
(API, Régulateurs, Appareils
électroniques…)
Nature : 2 Câbles
Tension : 24V
Régime de neutre : ------
Courant de court-circuit Icc :-----
40
Réseaux d’air compriméé
Types Caractéristiques
Air comprimé peinture Pression : 6,3 Bar
Filtration : 0,01 ppm
Outils de développement
Types Caractéristiques
Logiciel TIA Portal
Tableau 13.Contraintes d’exploitation.
2. Eléments de l’installation :
Tableau 14.Eléments d’installation
3. Conception architecturelle.
a. Description détaillée de la solution
L’idée générale de la solution est de répondre aux exigences du cahier des charges d’une
manière satisfaisante le besoin et en même temps qui doit être conforme aux normes de
l’automatisation et les protocoles techniques utilisées dans les usines de RENAULTTanger.
Les grands problèmes del’intervention sont la mesure et le contrôle des pertes des charges (ΔP,
Débit) est alors avoir un jugement préalable sur la qualité des filtres des filtres des étuves du
département PEINTURE, aussi le suivi de l’évolution de la température dans les montées des
étuves.
Reference Dénomination Type
PUPITRE EXPLOITATION LIGNE Étuve
de Cataphorèse
CPU API Type Unité centrale contrôleur 319 PN/DP
PLC Memory Card Carte de mémoire 4Mb
Lampe Lampe dans le pupitre Non
UPS Système d’alimentation ininterrompue Oui
DE45 Capteur de pression différentielle
Capteur de débit
PT-100 Sondes de température
Réfrigération Système de réfrigération Oui
Communication Option communication PN/PN Oui
Langage Langage Français
Ethernet Ethernet Non
PSF-SIPTOL PSF-SIPTOL Non
RS232 Communication RS232 Non
41
Notre solution sera subdivisée en deux sous -processus :
- La mesure des pertes de charges et contrôle de qualité des filtres d’air.
- Le suivi de l’évolution de la température instantanée dans chacune des montées des étuves.
L’architecture ci-dessous est l’architecture de base de la solution d’automatisation proposée
constituée principalement d’un API est des capteurs aussi qu’une IHM est les outils du réseau
local industriel.
Donc on va implémenter cette architecture dans chacune des étuves de séchage du département
PEINTURE.
Nom de l’étuve Le matériel requis
Etuve électro-revêtement (étuve cataphorèse) - S7-300 CPU313C-2DP5Sondes de
température PT100
- Capteur de pression différentielle
- Capteur de débit
- ET200S
- Bloc d’alimentation de secours
- Câbles et connecteurs (ProfiNet)
- Switch IE (SCALANCE X216)
Etuve produit d'étanchéité
Etuve apprêt
Etuve laques
Tableau 15.Le matériel requis dansles étuves.
b. L’architecture matérielle et logicielle de la solution
Figure 24.l'architecture du projet
42
4. Critères de choix du matériel
a. Le choix des capteurs.
❖ La sonde PT100.
Une sonde Pt100 est un type de capteurs de température aussi appelé RTD (détecteur de
température à résistance) qui est fabriqué à partir de platine. L'élément Pt100 a une résistance
de 100 ohms à 0 °C. ce capteur est équipé d'une gaine de protection ou de montage pour former
une sonde de température, et celui-ci est couramment appelé un PRT (thermomètre à résistance
de platine) ou une sonde Pt100.
Son principe de fonctionnement est basé sur l’injection d’un courant constant et continu dans
un pont de wheatstone, la variation de la température change la valeur de la résistance suivant
la courbe ci-dessous, a fin de de délivrer une tension proportionnelle à la température.[8]
Figure 25.Sonde de platine PT100
Figure 26.Modèle électrique de PT1000
43
Figure 27. La courbe caractéristique de la PT100 (Résistance-Température).
❖ Le capteur de pression différentielle
Le DE45 est un contacteur multifonction avec sortie de transmetteur en option. Il convient aux
mesures de surpression, de dépression Et de différence de pression en milieux gazeux. Les
domaines d'utilisation sont notamment :
- La technique de la climatisation.
- La technique de la ventilation.
- La technique de l'environnement.
Les pressions à mesurer agissent directement sur une membrane en silicium munie de
résistances piézo-électriques. Des changements de pression génèrent des changements de
résistance qui sont exploités par l'électronique intégrée au dispositif et transformés en affichage,
contacts de commutation et signal de sortie.
Le signal de sortie peut être atténué, inversé, étalé ainsi que transformé non-linéairement par
l'intermédiaire d'une fonction tableau (Voir Indexes -Datasheet Capteurs-) [6]
Figure 28.Capteur DE45 Figure 29.Schéma de fonctionnement du DE45
❖ Le capteur de débit d’air
Le SITRANS MAG 3100 est un capteur de débit électromagnétique avec une grande variété de
revêtements et de matériau d’électrodes. Sa robustesse et sa construction entièrement soudée
lui permettent de s’adapter parfaitement à presque toutes les applications de mesure de débit.
Divers revêtements sont disponibles, et le débitmètre électrowmagnétique 3100 est fourni avec
des électrodes de mesure capables de résister aux procédés les plus extrêmes.
Pour avoir un débitmètre électromagnétique complet, le MAG3100 doit être combiné avec l’un
des émetteurs MAG suivants :
44
• Le MAG 5000 SITRANS FM : Un émetteur économique, précision de +0.4% de taux
de débit.
• Le MAG 6000 SITRANS FM : Communication par bus, fonction batch et précision de
+0.2% du débit.
Figure 30.Capteur de débit Siemens
b. Le choix de la partie de commande.
❖ Rappel
Dans ce projet nous avons choisi d’utiliser un automate programmable industriel (API)
comme composant principale de commande. Dans ce qui suit, on détaille la partie de
commande proposée.
- L’automate programmable
L’automate programmable est un système de traitement logique d’informations dont le
programme de fonctionnement est effectué à partir d’instructions établies en fonction du
processus à réaliser, la structure d’un API peut être représentée comme indiqué par la figure
ci-dessous
45
Figure 31.La structure interne des automates
L’API est composée essentiellement d’une unité centrale de traitement, à base d’un
microcontrôleur, d’une mémoire de stockage interne et de ports d’entrées/sorties TOR ou
analogiques.
• Le programme de traitement est stocké en mémoire
• L’unité de traitement pilote le fonctionnement de l’automate
• Les interfaces d'entrées : Elles sont destinées à recevoir l'information en provenance du
capteur et de mettre en forme les signaux correspondants tout en éliminant les parasites
et en isolant électriquement l'unité de commande de la partie opérative.
• Les interfaces de sorties : elles permettent de commander les divers pré-actionneurs et
les éléments de signalisation du système tout en assurant l'isolement électrique.
• La console de programmation assure le dialogue entre l’opérateur et l’automate.
L’automate lit en permanence et à grande vitesse les instructions du programme dans la
mémoire. Selon la modification des entrées, il réalise les opérations logiques entre les
informations d’entrées/sorties. Le temps de lecture d’un programme est inférieur à 10 ms, ce
temps est très inférieur au temps d’évolution d’une séquence.
❖ Choix de CPU
Pour obéir aux exigences du cahier des charges
C’est dans cet esprit qu’on a choisie l’API S7-300 CPU 319-3 PN/DP L’automate choisi, ci-
contre se caractérise par
➢ Une mémoire de travail intégrée 64Ko.
➢ Une CPU avec une mémoire de 2Mb.
➢ 24 entrées/16 sorties TOR, 5 entrées/2sorties analogique
➢ Interface MPI/DP 12MBIT/S.
46
➢ Interface DP-master/slave.
➢ Interface Ethernet Profinet avec 2 ports switch.
L’utilisation d’une Micro Carte de mémoire est nécessaire. voir plus...
Figure 32.L'automate Siemens S7-300 avec ProfiNet intégré.
c. Choix de l’unité décentralisée
Pour ce projet nous avons choisi d’utiliser les unités décentralisées ET200S.
Le système de périphérie ET 200S se compose principalement de divers modules terminaux
passifs sur lesquels on peut connecter les capteurs.
Le système de périphérie décentralisé ET 200S se raccorde au PROFINET au moyen du
connecteur RJ 45 situé sur le module d’interface. A travers ce module, la périphérie
décentralisée est connectée à l’automate (unité centrale de commande)
Les modules électroniques à entrées analogiques de l’ET 200S permettent d'acquérir, d'analyser
et de convertir en valeurs numériques les signaux analogiques des capteurs.la figure ci-dessous
montre la méthode de câblage de l’ET200S.
1 : Alimentation de l’électronique 24V cc
2 : Alimentation des capteurs 24 V CC groupe de
potentiel 1
3 : 24 V CC groupe de potentiel 2
47
Figure 33.L'unité décentralisée ET200S
d. Ecran de supervision
Le pupitre tactile TP 270 appartient à la famille de produits en milieu de gamme. Les pupitres
opérateurs se basent sur le système d'exploitation standard et innovateur Microsoft Windows
CE. Ils allient ainsi la robustesse et la rapidité des solutions matérielles dédiés à la flexibilité
du monde des PC. Le MP 270B est un représentant de la catégorie de produits "plateforme
multifonctionnelle" et se distingue par sa flexibilité d'utilisation il présente les avantages
suivants :
• Grande efficacité de configuration
• Simulation de la configuration sur la console de programmation (sans automate)
• Représentation aisée et commande du processus avec un panneau de configuration conforme
à Windows
• Dynamisation d'objets graphiques, par exemple déplacer des objets
48
Figure 34.Ecran HMI supervision MP 277 10 ‘’touch
e. Switch Scalance X204-2
Le commutateur "apprend" l'adresse(les adresses) Ethernet d'unappareil PROFINETconnecté ou
d'un autre commutateur et transmet les signaux qui sont destinés à l'appareil PROFINET ou au
commutateur connecté.
Le switch choisi SCALANCEX204-2, est un commutateur Industriel Ethernet managé, caractérisé
par :
- -4 ports RJ45 10/100 Mbit/s.
- 2 connecteurs femelles BFOC 100 Mbit/s
- Contact de signalisationparamétrable par touche.
- Alimentation redondante.
La figure ci-dessous illustre le switch SCALANCEX204-2.
49
Figure 35.Switch Scalance X204
f. Liaison ProfiNet
Dans l'industrie la transmission conventionnelle des signaux entre les capteurs/actionneurs et
les modules d'entrées/sorties du système de contrôle-commande est réalisée par des liaisons
point-à-point parallèles à fil en cuivre. Les signaux analogiques sont généralement transmis
avec un niveau. Contrairement à cette technique, les systèmes de bus de terrain, tel que
PROFINET, permettent une communication numérique entre le système d'automatisation
(contrôleur: API) et les appareils de terrain (unité décentralisée) et ausssi avec les interfaces de
supérvison IHM selon des architectures divers (Arbre,Etoile,Bus) dans ce projet on a choisi
l’architecture étoile.
La connexion des partenaires de réseau à un switch produit automatiquement une topologie de
réseau en étoile.
La défaillance d'un appareil PROFINET ne provoque pas forcément la défaillance du réseau
complet comme c'est le cas avec d'autres structures. Seule la défaillance d'un switch entraîne la
défaillance d'une partie du réseau de communication.
La figure présente la structure d’un réseau PROFINET à architecture étoile, tous les
équipements sont connectés à commutateur via descâbles 100Base-TX et desconnecteurs RJ45
50
Figure 36.Communication (PLC-HMI-ET200) via ProfiNet
5. Codage et réalisation
a. Algorithmes de fonctionnement
Les deux diagrammes ci-dessous illustrent l’algorithme suivie pour suivre les pertes des
charges et la qualité des filtres d’air et l’algorithme de suivi de température des étuves :
• Algorithme de suivi des pertes des charges et de qualité des filtres d’air.
Figure 37.Algorithme de suivi des pertes des charges et de qualité des filtres d’air.
51
• Algorithme de contrôle de l’évolution de température au sein des étuves
Figure 38.Algorithme de suivi de température
b. Outils logiciels
❖ TIA Portal.
La gestion du projet et sa programmation ont été fait grâce au logiciel « Totally Integrated
Automation Portal », La plateforme de développement TIA Portal de siemens permet de faire
un gain important en temps lors du développement de systèmes d'automatisation.Cette
plateforme est très architecturée proposant les sections HMI pour les interfaces, réseaux et
Motion pour la commande de moteurs et variateurs. Grâce à PLCSim, on peut simuler de
manière intuitive notre projet avant de la déployé sur un contrôleur[10]
Figure 39.La technologie de Totally Integrated Automation Portal
52
6. Configuration et programmation de l’API.
a. La configuration matérielle.
Figure 40.La configuration matérielle du projet
La structure est constituée principalement d’un API de CPU 317F-2[PN/DP] et une unité
décentralisée ET200S IM 151-8 PN/DP et d’un écran de supervision MP 277 10 ‘’touch .
❖ La configuration matérille d’API
Figure 41.Configuration matérielle de l'API
En respectant la structure classique des automates programmables industriels modulaires, dont
on pose sur un châssis (Rack) qui est constituée principalement de CPU 317F-2[PN/DP] et
aussi le module d’alimentation PS 307 5A caractérisé par une alimentation externe
AC120/230V : DC24V/5A et aussi le module CP 340 RS232C qui est un processeur de
communication avec connecteur : RS232C ; on peut ajouter de plus des modules
d’entrées/sortie mais ce n’est pas le cas dans ce projet.
53
❖ La configuration matérielle de l’unité décentralisée.
Figure 42.Configuration matérielle de l'unité décentralisée
Pour la configuration de l’ET 200S elle exactement similaire à la configuration de l’API , on
pose sur un châssis l’élément principal qui est le CPU IM 151-8 PN/DP , de plus le module
d’alimentation pour les modules électroniques PM-E 24VDC.
Et puisque l’objectif principal de l’ET200S est la décentralisation du traitement càd offrir la
possibilité d’installation du CPU séparément des modules d’E/S donc on les ajoute dans l’unité
décentralisée, les modules ajoutés sont :
- 2 modules d’entrées analogiques normales 2AI x U ST.
- 3 modules d’entrées analogiques pour les capteurs de températures résistifs 2/4AI x
RTD ST
- 1 Module de sorties numériques pour déclencher les différentes alarmes 8DO x 24VDC
/ 0.5A_1
Pour voir les connexion sélectriques des capteurs avec l’unité décentralisée cliquer ici
b. La configuration du réseau ProfiNet
Tous les appareils PROFINETétant conçus pour le protocole TCP/IP, leur fonctionnement sur
réseau Ethernet nécessite une adresse IP.
Pour simplifier la configuration, l’attribution de l’adresse IP est faite lors de la configuration de
l'IO-Controller sous TIA Portal/HW Config, les adresses IP des IO-Devises possèdent toujours
le même masque de sous-réseau que l'IO-Controller et sont attribuées dans l'ordre croissant à
partir de l'adresse IP de l'IO-Controller.
Le tableau ci-dessous figure les différentesadresses IP desdifférentspériphérique (CPU,Unité
décentralisée, MI)
54
Le nom de l’équipement Adresse IP Masque de sous réseau
CPU 317F-2[PN/DP] 192.168.0.4 255.255.255.0
ET200S(CPU IM 151-8 PN/DP ) 192.168.0.2 255.255.255.0
HMI MP 277 10'' Touch 192.168.0.3 255.255.255.0
Tableau 16.Attribution des adresses IP
❖ La configuration ProfiNet du CPU.
Figure 43.La configuration Profinet du CPU
❖ La configuration ProfiNet de l’unité décentralisé ET200S
Figure 44.La configuration Profinet de l'ET200S
❖ La configuration ProfiNet de L’HMI MP 277 10 ‘’touch
Après la configuration ProfiNet et l’attribution des adresses IP des différents équipement du
réseau, finalement ces équipements appartient au même réseau 192.168.0.X, la vue globale du
réseau sera comme ci-dessous :
55
Figure 45.La configuration Profinet de l’HMI
Figure 46.La structure du réseau Profinet
c. La programmation des blocs en Ladder
Le programme est constitué desix fonctions qui sont appelées dans le bloc d’organisation OB1,
chacune de ces six fonctions a pour fonction de traiter une des taches souhaitées par la solution
toute entière. [4]
Figure 47.Les fonctions de programmes du projet
56
❖ La modélisation (GRAFECT) des fonctions (étuveX) (X:1,2,3,4,5)
❖ La modélisation (GRAFECT) de la fonction (Suivi des pertes des charges)
N.B: Les détails du programme ladder de chaque fonction ainsi que celui de la fonction
principale sont dans les annexes(Voir Annexes).
Et pour avoir une très bonne communication entre le système et le processus, et aussi pour
faciliter l’accessibilité aux mesures des grandeurs physiques présents dans le processus on a
élaboré des HMI, qui vont être présentés dans les paragraphes suivants.
57
d. Supervision du système
❖ La supervision du système
L’objectif de la supervision est le suivi du système dans toutes ces étapes de fonctionnement.
Il est nécessaire de savoir l’évolution instantanée de la température au sein des étuves et aussi
avoir une idée sur la mesure de la pression différentielle et de débit d’air et alors pouvoir juger
la qualité des filtres d’air.
La supervision forme ainsi l’outil de pilotage des processus industriels, et l’acquisition des
informations en vue de les exploiter pour détecter les anomalies de fonctionnement.
❖ Détermination des entrées et des sorties de systèmes
Les variables de notre application HMI sont les paramètres de communication avec
l’automate
Figure 48.Les variables d'état de l'HMI
Généralement se sont des bits et de mots de mémoire qui renseignent sur les états des sorties
et des entrées qui sont transmises de l par la suite à l’API à travers la liaison Profinet.
❖ Interface HMI de TIA Portal
Les interfaces HMI sont développées pour la commande et la supervision dansl’environnement
SIMATIC.
Les différentes étapes de réalisation d’une application HMI sous TIA Portal sont les suivantes
:
58
• Choix detype d’automateet détermination dela liaison HMI-API (ProfiNet : dans notre
cas)
• Définition des variables de l’application (types des entrées et des soties de système)
• Paramétrage des différentsoutils decommande (boutons et voyant) en fonction del’état
des variables.
❖ Développement de l’application HMI sur TIA Portal
Dans l’étape de la création et configuration de l’interface on a fait 3 vues :
- la vue de suivi des pertes de charges et contrôle de qualité des filtres.
Figure 49.La vue de suivi des pertesde charges et de qualité des filtres
- La vue de suivi de l’évolution de la température dans les montées des étuves
Modèle d’une
étuve
La canalisation
d’air
Filtre d’air
Bruleur d’air
59
Figure 50.La vue de suivi de l'évolution de la température dans les montées de l'étuve
- La vue des courbes de pression différentielle et de débit
Résumédu chapitre
Après avoir choisi la meilleure solution à adopter en se basant sur l’étude de faisabilité, dans ce
chapitre on a essayé defaire une étudeglobale et détaillée sur les différentesexigences ducahier
des charges et on a adopté une solution technique pour chacune d’elles.
On a choisi la partie matérielle et logicielle les plus commodes aux spécifications techniques
duprojet, après le choix des différentsmatériels on a paramétré la configuration réseau Profinet
Une montée de
l’étuve
Etat de la température
60
des différentesstations, en suite on a programmé le CPU et finalement on a réalisé les interfaces
HMI qui présentent la valeur ajoutée du projet qui vise à améliorer la qualité et abaisser la
consommation énergétique et aussi le temps d’intervention pour la maintenance.
61
Conclusion générale et perspectives
Le travail présenté dans ce mémoire de projet fin d’études a été réalisé au sein de Renault
Tanger. Ce projet a pour objectif La digitalisation de suivi des pertes des charges et la filtration
d’air des étuves du département PEINTURE.
Renault Tanger Exploitation est une parfaite plateforme industrielle pour passer un projet de
fin d’études de qualité ingénieur, car elle assemble la haute technologie, la maitrise des
processus de production, une gestion rigoureuse et une maitrise parfaite des ressources.
Or, toute organisation a toujours besoin d’améliorer ce qu’est déjà bon et correct. Une
Fatalité à laquelle toute entreprise est soumise, pour rester compétitive dans un marché où la
concurrence est de plus en plus acharnée.
Au terme de ce travail, nous avons pu saisir l’occasion de traiter un sujet faisant partie des
premières préoccupations, non seulement de Renault mais aussi de toute entreprise, à savoir
l’amélioration de la qualité et la diminution de la consommation ce qui va améliorer
automatiquement la productivité et la performance. Grâce à une étude détectable on a arrivé à
connaitre les points de défauts de la station étudiée afin de pouvoir spécifier les causes racines
et aussi les causes qui ont un grands effet sur la problématique tout en suivant des outils de
management qui orientent le travail.
Après avoir choisi exactement les causes de la problématique on a pensé à une solution qui
assure le transfert vers la digitalisation de la station en implémentant une structure automatisée
dont l’API est l’axe fondamental, ce dernier est connecté avec autres périphériques (Unités
décentralisés, Interfacedesupervision, Capteurs, Alarmes) pour achever et répondre totalement
aux exigences du cahier des charges.
En perspective on n’a pas eu la chance d’assister à la réalisation et la mise en œuvre de la
solution sur terrain vu l’arrêt de la présence à l’entreprise, cette implémentation va montrer
surement l’efficacité de la solution choisie aussi que d’autres indicateurs à modifier ou à
changer carrément ;il a la possibilité d’implantation des techniques de l’industrie 4.0 en
immergeant tous le traitement dans un framework cloud pour avoir plus d flexibilité
En conclusion on peut dire que cette expérience de projet à Renault, m’a été en tout point
bénéfique, car elle m’a permis demettre en application et consolider un certain capital théorique
déjà acquis tout au long des années passées. Il m’a également permis d’améliorer nos capacités
relationnelles et professionnelles même si on n’a pas pu profiter plus vu l’arrêt oblige du projet
le 15/03/2020
62
Bibliographie
[1] Jean-Marc Gallaire,« Les outils de la performance industrielle »,Edition:EYROLLES.
[2] O. Zahran , H. Kasban, F. E. Abd El-Samie, Utilization of Gamma Rays for
Troubleshooting in Distillation Columnsof Petrochemical, The Online Journal on Electronics
and Electrical Engineering (OJEEE), 2004
[3] Rabei Mohammed Al-louch, Automatisation d’une installation de distillation, projet de fin
d’études,Institut Supérieur Industriel, Bruxelles,2005/2006
[4]Christian Merlaud, JacquesPerrin,Jean-Paul Trichard, Automatique informatique
industriel, Edition DUONOD, Paris 1995
[5]C.T.Jones,Step7 in 7 Steps,ApraticalGuide to ImplementingS7-300/S7-400Programmable Logic
Controllers First Edition 2006
[6]Système de périphérie décentralisée ET 200S, Siemens, SIMATIC, Edition 02/2003
63
Webographie
[1] http://www.renault.com ,
[2]http://www.lean-manufacturing.fr/ ,
[3]http://www.amelioration-continue.fr/ ,
[4]http://www.dmaictools.com /,
[5]http://office.microsoft.com/fr-be/excel-help ,
[6]https://www.rshydro.fr/debitmetres/les-debitmetres-electromagnetiques/mains-powered-electro
magnetic-flowmeters/le-debitmetre-electromagnetique-sitrans-3100/
[7] https://www.mabeo-direct.com/A-527237-siemens-peripheries-simatic-et200sp-coupleurs-cpu
[8] https://fr.rs-online.com/web/p/capteurs-de-temperature-a-resistance-platine/5488512
[9]http://www.definition-qualite.com/charte-
projet.htm#:~:text=La%20charte%20projet%20est%20un,que%20les%20principaux%20jalons%20te
mporels.
[10] https://www.gantt.com/fr/
64
Annexes
o Arbre des causes
La courbe de
température
mesurée dans les
étuves ne suitpas la
courbe de cuisson
prévue
Main
d’œuvre
Le non-respect
d’ordre de démarrage
par les opérateurs
Absence de contrôle
et de supervision de
ses qualités
Moyen
Instabilitéla vitesse
de déplacement des
caisses
Pannes
techniques
(Moteurs,
Variateurs)
Problèmes
d’étanchéités
séparantles
montées
Problèmes
d’isolation des
rideaux d’air
L'instabilitédes
valeurs précises
des pertes de
charges
Méthode
Méthode de mesure de la
température.
Incertitude de mesure et de
sauvegardedes données
Méthode de contrôleet de
supervision du processus
Matière
L’instabilitédu débit et
de pression del’air
Problème au niveau des
échauffeurs (Bruleur, CES)
La température de l’air
n’est pas bien juste
Problème au niveau
des échauffeurs
Absence de
contrôle et de ses
qualités
L’air chauffantn’est pas
filtré
Défaillancedes filtres
Milieu
Manque de contrôle des
pertes de charges
Absence de contrôle
et de ses qualités
La difficultéd’accessibilité
au milieu
Manque de contrôle
des pertes de charges
65
o Données techniques sur le capteur de pression
66
67
o Données techniques sur PT100
Tableau 17. Données techniques sur PT100
Plage de mesure 0 à 10 m / s
Tailles nominales De DN 15 à DN 2000 (½ "à 78")
Précision 0,2% ± 1 mm / s
Pression de fonctionnement Max. 100 bars (maxi 1450 psi)
Température ambiante De -40 à 100 ° C (-40 à +212 ° F)
Moyenne température De -40 à 180 ° C (-40 à 356 ° F)
Revêtements Néoprène
EPDM
PTFE
PFA
Ebonite
Linatex
Electrodes Acier au carbone (où AISI 304) avec un revêtement epoxy à
deux composants résistant à la corrosion où Brides et corps
polis AISI 316 L
Homologations Générales Ex : ATEX, FM, CSA, CT et les homologations d’eau potable
68
o Données techniques sur capteur de débit d’air
69
70
o Le programme Ladder
❖ Le bloc d’organisation
71
❖ FC(1,2,3,4,5)
72
73
La fonction FC2
74
75
o Schéma électrique du projet
76

Rapport pfe BABAOUI MOHAMED

  • 1.
    Royaume du Maroc UniversitéHassan 1 er Faculté des Sciences & Techniques de Settat Département Génie électrique & Génie mécanique PROJET DE FIN D’ETUDES Pour l’obtention du diplôme Ingénieurd’état Spécialité Ingénierie des systèmesélectriques et systèmes embarqués Sous le thème La digitalisation de suivi des pertes des charges et de la filtration d’air des étuves du département PEINTURE Au sein de Renault-Nissan Tanger Réalisé par: Encadrépar : BABAOUIMohamed Pr.TAHIRY Karim Soutenu le 20/07/2020 devant le jury composé de Pr. Président Pr. TAHIRY KARIM Encadrant Pr. Examinateur
  • 3.
    AVANT-PROPOS Le présent travailest réalisé par M. Mohamed BABAOUI, Elève-ingénieur en Ingénierie des systèmes électriques et systèmes embarqués dela faculté des sciences et techniques Settat,dans le cadre du projet de fin d’études pour obtenir le diplôme d’ingénieur d’état. Intitulé du projet : La digitalisation de suivi des pertes des charges et de la filtration d’air des étuves du département PEINTURE Etablissement d’accueil : Renault Tanger – Maroc. Encadrant professionnel : M. ABDERRAHIM Mohamed : Automaticien. Encadrant pédagogique : M. TAHIRY Karim : Enseignant à la faculté des sciences et techniques Settat. Durée du projet : Du 03 Mars au 15 Juin 2018.
  • 4.
    Dédicace Je dédie monmodeste travail À mes chers parents, les êtres que je chérie le plus au monde, qui m’ont toujours accompagné pour le meilleur et le pire. Je vous souhaite tout le bonheur du monde. À mes chères sœurs et mon frère Pour leur amour et leur incontestable appui. À ma famille, à mes professeurs, à tous mes amis et précisément à Yassir, Najim, Abdellatif Et à tous ceux qui me sont proches par le cœur et l’esprit.
  • 5.
    Remerciement Ce n'est pasparce que la tradition l'exige ou par habitude que cettepage est présente aujourd’hui dans ce mémoire de projet de fin d’études, mais parce que les personnes auxquelles s'adressent mon remerciement les méritent vraiment à mes yeux. Je témoigne, tout d’abord d’une grande gratitude envers l’ensemble des professeurs et des cadres administratifs de la faculté des sciences et techniques, qui ont contribué dans une large mesure à ma formation. J’adresse mes profonds sentiments de reconnaissance et de respect à mon professeur encadrant Mr. TAHIRY Karim pour ses recommandations pertinentes, son soutien et ses encouragements. Merci aux personnes qui m’ont fait l’honneur de participer à notre jury desoutenance, Monsieur Mr. FARCHI Abdelmajid, et Mr. MOHSEN Ahmed. Je remercie d’une façon toute particulière mon encadrant en entreprise Mr. ABDERRAHIM Mohamed pour son encadrement exemplaire et sérieux et pour sa disponibilité dans la phase de réalisation de ce projet. Merci à tous les membres GATM du département PEINTURE de Renault Tanger, qui m’ont aidé et m’ont fait progresser dans mon travail. Précisément Mr.ELOMARI Omar pour ces efforts et explications exemplaires tout au long la période passée dans l’entreprise. Enfin je remercie toutes les personnes qui ont contribué de près ou de loin à la réalisation du présent rapport. Une page ne suffit guère pour citer tous les noms, à tous ceux dont le nom n’y figure pas, merci pour tout.
  • 6.
    Résumé Le présent rapportconstitue la synthèse du travail réalisé dans le cadre de mon projet de fin d’étudesau sein del’entreprise Renault Tanger qui était programmée de s’étaler sur une période de quatre mois. Le projet a pour mission principale la digitalisation desuivi des pertes des charges et la filtration d’air des étuves du département PEINTURE, à fin d’améliorer la qualité de cuisson et de peinture des caisses et diminuer la consommation énergétique de la station tout en maîtrisant la fiabilité et l'impact environnemental. Afin de mener à bien notre travail le suivi de la démarche DMAIC s’est avéré adéquat pour structurer l’étude de ce projet, du fait qu’elle donne à l'étude une sorte de chronologie et une certaine logique de phases, cette démarche repose sur des méthodes d’analyse qui aident à cerner les opérations critiques à étudier, et à déterminer les causes majeures des pertes, pour enfin aboutir à des solutions optimales et répondre aux exigences du cahier de charges. Parmi les principaux résultats de ce projet on a pensé à une solution de digitalisation qui va éviter presque définitivement la déviation de la courbe de température mesurée à celle de cuisson prévue et alors améliorer les indicateurs de qualité et de consommation énergétique et le temps d’intervention. Nous n'avons pas pu mesurer les indicateurs d'efficacité de la solution car nous n'avons pas la capacité de la mettre en œuvre et son test réel en usine, compte tenu de la fin de la formation imposée par la situation sanitaire du pays et du monde due au COVID-1 Les mots clés : Automobile, Amélioration, Digitalisation, Automatisation, TIA Portal, Supervision, ProfiNet
  • 7.
    Abstract This report isa synthesis of the work carried out as part of my final project at Renault Tanger company, which was scheduled to run over a period of four months. The main mission of the project is the digitalization of load loss monitoring and air filtration of the ovens of the PEINTURE department to improve the quality of cooking and painting of the cases and to reduce the energy consumption of the station while controlling reliability and environmental impact. In order to carry out our work the follow-up of the DMAIC approach proved to be adequate to structure the study of this project, because it gives the study a kind of chronology and a certain logic of phases, this approach is based on analytical methods that help to identify the critical operations to be studied, and to determine the major causes of losses, in order to finally arrive at optimal solutions and meet the requirements of the specifications. Among the main results of this project we thought of a digitalization solution that will almost definitively avoid the deviation of the temperature curve measured to that of the intended cooking and then improve the indicators of quality and consumption of energy and the intervention time. We have not been able to measure the effectiveness indicators of the solution because we do not have the capacity to implement it and its actual factory test, given the end of the training imposed by the health situation of the country and the whole world due to COVID-19 Keywords: Automotive, Improvement, Digitalization, Automation, TIA Portal, Supervision, Profinet
  • 8.
    ‫ملخص‬ ‫هذا‬ ‫التقرير‬ ‫هو‬ ‫خالصة‬ ‫للعمل‬ ‫الذي‬ ‫تم‬ ‫تنفيذه‬ ‫كجزء‬ ‫من‬ ‫مشروع‬ ‫ي‬ ‫النهائي‬ ‫في‬ ‫شركة‬ Renault Tanger ، ‫و‬ ‫الذي‬ ‫كان‬ ‫من‬ ‫المقرر‬ ‫أن‬ ‫يستمر‬ ‫لمدة‬ ‫أربعة‬ ‫أشهر‬ . ‫وتتمثل‬ ‫المهمة‬ ‫الرئيسية‬ ‫لل‬ ‫مش‬ ‫روع‬ ‫في‬ ‫إضفاء‬ ‫الطابع‬ ‫الرقمي‬ ‫خالل‬ ‫فارق‬ ‫رصد‬ ‫وتصفية‬‫الهواء‬ ‫أنابيب‬ ‫في‬ ‫الضغط‬ ‫الهواء‬ ‫في‬ ‫أفران‬ ‫مصنع‬ ‫وذلك‬ ‫الصباغة‬ ‫تحسين‬ ‫أجل‬ ‫من‬ ‫نوعية‬ ‫طبخ‬ ‫طال‬ ‫ء‬ ‫العربات‬ ‫وتقل‬ ‫يل‬ ‫الطاقة‬ ‫العملية‬ ‫هذه‬ ‫في‬ ‫المستهلكة‬ ‫مع‬ ‫اال‬ ‫لتزام‬ ‫ب‬ ‫الموثو‬ ‫سواء‬ ‫حد‬ ‫على‬ ‫البيئة‬ ‫على‬ ‫الحفاظ‬ ‫و‬ ‫قية‬ . ‫ومن‬ ‫أجل‬ ‫تنفيذ‬ ‫عم‬ ‫لن‬ ،‫ا‬ ‫أثبتت‬ ‫م‬ ‫نهجية‬ DMAIC ‫أنها‬ ‫كافية‬ ‫لتنظيم‬ ‫دراسة‬ ‫هذا‬ ،‫المشروع‬ ‫ألنها‬ ‫تعطي‬ ‫الدراسة‬ ‫نوعا‬ ‫من‬ ‫ا‬ ‫ل‬ ‫تسلسل‬ ‫الزمني‬ ‫ومنطق‬ ‫معين‬ ‫من‬ ،‫المراحل‬ ‫ويستند‬ ‫هذا‬ ‫النهج‬ ‫إلى‬ ‫أس‬ ‫ال‬ ‫يب‬ ‫تحليلية‬ ‫تساعد‬ ‫على‬ ‫تحديد‬ ‫العمليات‬ ‫الحرجة‬ ‫التي‬ ‫يتعين‬ ،‫دراستها‬ ‫وتحديد‬ ‫األسباب‬ ‫الرئيسية‬ ،‫للخسائر‬ ‫بغية‬ ‫التوص‬ ‫ل‬ ‫في‬ ‫النهاية‬ ‫إلى‬ ‫حلول‬ ‫مثالية‬ ‫وتلبية‬ ‫متطلبات‬ ‫المواصفات‬ .. ‫من‬ ‫بين‬ ‫النتائج‬ ‫الرئيسية‬ ‫لهذا‬ ‫الم‬ ‫شرو‬ ‫ع‬ ‫فكرنا‬ ‫في‬ ‫حل‬ ‫رقمنة‬ ‫يتجنب‬ ‫بشكل‬ ‫شبه‬ ‫نهائي‬ ‫انحراف‬ ‫منحنى‬ ‫درج‬ ‫ة‬ ‫الحرارة‬ ‫الذي‬ ‫تم‬ ‫قياسه‬ ‫إلى‬ ‫منحنى‬ ‫الطهي‬ ‫المقصود‬ ‫ثم‬ ‫تحسين‬ ‫مؤشرات‬ ‫نوعية‬ ‫واستهالك‬ ‫الطاقة‬ ‫ووقت‬ ‫التدخل‬ ‫الصيان‬ ‫قصد‬ .‫ة‬ . ‫لم‬ ‫نتمكن‬ ‫من‬ ‫قياس‬ ‫مؤشرات‬ ‫الفعالية‬ ‫للحل‬ ‫ألننا‬ ‫ال‬ ‫نملك‬ ‫القدرة‬ ‫على‬ ‫تنفيذه‬ ‫واختباره‬ ‫الفعل‬ ‫ي‬ ‫في‬ ،‫المصنع‬ ‫ونظرا‬ ‫لنهاية‬ ‫التدريب‬ ‫الذي‬ ‫تفرضه‬ ‫الحالة‬ ‫الصحية‬ ‫ل‬ ‫ل‬ ‫بلد‬ ‫والعالم‬ ‫بأسره‬ ‫بسبب‬ ‫مرض‬ ‫كوفيد‬ - 19 ‫مفتاحية‬ ‫كلمات‬ ‫ق‬ : ‫ط‬ ‫اع‬ ‫إنتاج‬ ‫السيارات‬ ، ‫التحسين‬ ‫المستمر‬ ، ‫الرقمنة‬ ، ‫األتمتة‬ ( ‫الذاتية‬ ‫المراقبة‬ ) ، Tia Portal ، ‫اإلشراف‬ ، Profinet
  • 9.
    Liste des acronymes DMAIC: Définir, Mesurer, Analyser, Innover (Improve), Contrôler. IFMIA : Institut de Formation aux Métiers de l’Industrie Automobile. MENA : Moyen-Orient et Afrique du Nord. RTD : Détecteur de température à résistance. TOR : Tout ou rien. CES : Circuit d'air surchauffé API : Automate Programmable Industriel HMI : Human Machine Interface CPU : Contrôle Process Unit TIA Portal : Totally Integrated Automation Portal (Automatisation totalement Intégrée) PLCSim : Programmable Logic Controller Simulator (Simulateur de l’automate programmable industriel) ABV: Apprêt, Base, Vernis
  • 10.
    Liste des figures FIGURE1 .STRUCTURE DE L'ALLIANCE RENAULT-NISSAN............................................................... 4 FIGURE 2.IMPLANTATION RENAULT A TRAVERS LE MONDE ............................................................. 6 FIGURE 3.LES DIFFERENTES MARQUES FABRIQUEES DANS L'USINE RENAULT TANGER ..................... 6 FIGURE 4.ORGANIGRAMME DE RENAULT-NISSAN TANGER............................................................. 7 FIGURE 5.LES DIFFERENTS DEPARTEMENTS DE RENAULT TANGER ................................................. 8 FIGURE 6.PROCESSUS DE FABRICATION DU DEPARTEMENT PEINTURE .......................................... 10 FIGURE 7.DIAGRAMME DE GANTT DU PROJET............................................................................. 13 FIGURE 8.MODELISATION SU MODELE DMAIC........................................................................... 16 FIGURE 9.LA CONSTITUTION DE LA PEINTURE.............................................................................. 19 FIGURE 10.LES PHASES DE PROCESSUS PEINTURE....................................................................... 19 FIGURE 11.VUE INTERIEURE DE L’ETUVE.................................................................................... 20 FIGURE 12.DESCRIPTION DU PROCESSUS DE SECHAGE................................................................ 22 FIGURE 13.SCHEMA D'INTERCONNEXION DU REGULATEUR EUROTHERM.................................. 23 FIGURE 14.LE BRULEUR A GAZ.................................................................................................. 23 FIGURE 15.CIRCUIT D’EAU SURCHAUFFE SOUS PRESSION........................................................ 23 FIGURE 16.LES ETAGES DE CUISSON DES CAISSES DANS LES ETUVES ....................................... 24 FIGURE 17.LES COURBES DE CUISSON DES DIFFERENTES ETUVES DU DEPARTEMENT .................... 24 FIGURE 18.LA COURBE DE TEMPERATURE COLLECTEE PAR L’ENREGISTREUR DES DONNEES.......... 25 FIGURE 19.MANOMETRE DE MESURE DE PRESSION ACTUEL ......................................................... 30 FIGURE 20.LES CAUSES DE LA NON-CONFORMITE DE LA QUALITE DE PRODUCTION....................... 31 FIGURE 21.DIAGRAMME ISHIKAWA DU PROJET............................................................................ 32 FIGURE 22.LE PRINCIPE DE SEPARATION PAR LES RIDEAUX D’AIR................................................. 33 FIGURE 23.LE DIAGRAMME PARETO......................................................................................... 35 FIGURE 24.L'ARCHITECTURE DU PROJET..................................................................................... 41 FIGURE 25.SONDE DE PLATINE PT100..................................................................................... 42 FIGURE 26.MODELE ELECTRIQUE DE PT1000............................................................................ 42 FIGURE 27. LA COURBE CARACTERISTIQUE DE LA PT100 (RESISTANCE-TEMPERATURE)........ 43 FIGURE 28.CAPTEUR DE45……………………………………………………………………43 Figure 29.Schéma de fonctionnement du DE45……………………………………………...41 FIGURE 30.CAPTEUR DE DEBIT SIEMENS..................................................................................... 44 FIGURE 31.LA STRUCTURE INTERNE DES AUTOMATES .................................................................. 45 FIGURE 32.L'AUTOMATE SIEMENS S7-300 AVEC PROFINET INTEGRE........................................... 46 FIGURE 33.L'UNITE DECENTRALISEE ET200S............................................................................. 47
  • 11.
    FIGURE 34.ECRAN HMISUPERVISION MP 277 10 ‘’TOUCH ........................................................ 48 FIGURE 35.SWITCH SCALANCE X204.......................................................................................... 49 FIGURE 36.COMMUNICATION (PLC-HMI-ET200) VIA PROFINET............................................... 50 FIGURE 37.ALGORITHME DE SUIVI DES PERTES DES CHARGES ET DE QUALITE DES FILTRES D’AIR.. 50 FIGURE 38.ALGORITHME DE SUIVI DE TEMPERATURE.................................................................. 51 FIGURE 39.LA TECHNOLOGIE DE TOTALLY INTEGRATED AUTOMATION PORTAL............................ 51 FIGURE 40.LA CONFIGURATION MATERIELLE DU PROJET......................................................... 52 FIGURE 41.CONFIGURATION MATERIELLE DE L'API .................................................................... 52 FIGURE 42.CONFIGURATION MATERIELLE DE L'UNITE DECENTRALISEE ........................................ 53 FIGURE 43.LA CONFIGURATION PROFINET DU CPU.................................................................... 54 FIGURE 44.LA CONFIGURATION PROFINET DE L'ET200S......................................................... 54 FIGURE 45.LA CONFIGURATION PROFINET DU CPU.................................................................... 55 FIGURE 46.LA STRUCTURE DU RESEAU PROFINE...................................................................... 55 FIGURE 47.LES FONCTIONS DE PROGRAMMES DU PROJET............................................................ 55 FIGURE 48.LES VARIABLES D'ETAT DE L'HMI .............................................................................. 57 FIGURE 49.LA VUE DE SUIVI DES PERTES DE CHARGES ET DE QUALITE DES FILTRES ...................... 58 FIGURE 50.LA VUE DE SUIVI DE L'EVOLUTION DE LA TEMPERATURE DES ETUVES......................... 59 FIGURE 51.LA VUE DE LA COURBE DE LA PRESSION DIFFERENTIELLE ET DE DEBIT ........ERROR! BOOKMARK NOT DEFINED. FIGURE 52.SCHEMA ELECTRIQUE DE L'INSTALLATION............ERROR! BOOKMARK NOT DEFINED.
  • 12.
    Liste des tableaux TABLEAU1.FICHE TECHNIQUE RENAULT-NISSAN TANGER............................................................ 5 TABLEAU 2.RESUME DES ETAPES DE DEMARCHE DMAIC........................................................... 16 TABLEAU 3.LES DIFFERENTES COUCHES DE LA PEINTURE........................................................... 19 TABLEAU 4. QQOQCP DU PROJET............................................................................................ 26 TABLEAU 5.HORAIRES DU TRAVAIL CHEZ RENAULT TANGER........................................................ 26 TABLEAU 6.CHARTE DU PROJET................................................................................................. 27 TABLEAU 7.LA DEFINITION DE LA PROBLEMATIQUE PAR LA METHODE 5P.................................... 31 TABLEAU 8.LES CAUSES PRINCIPALES DE LA PROBLEMATIQUE..................................................... 34 TABLEAU 9.PLAN D'ACTION DU PROJET...................................................................................... 37 TABLEAU 10.HIERARCHISATION DES FACTEURS DU TABLEAU AMDEC........................................ 38 TABLEAU 11.ANALYSE DES RISQUES DU PROJET.......................................................................... 39 TABLEAU 12.CONTRAINTES D'IMPLANTATION ............................................................................. 39 TABLEAU 13.CONTRAINTES D’EXPLOITATION............................................................................. 40 TABLEAU 14.ELEMENTS D’INSTALLATION................................................................................... 40 TABLEAU 15.LE MATERIEL REQUIS DANS LES ETUVES.................................................................. 41 TABLEAU 16.ATTRIBUTION DES ADRESSES IP.............................................................................. 54 TABLEAU 17. DONNEES TECHNIQUES SUR PT100....................................................................... 67
  • 13.
    Sommaire AVANT-PROPOS..................................................................................................................... 3 Dédicace..................................................................................................................................... 4 Remerciement.............................................................................................................................5 Résumé....................................................................................................................................... 6 Abstract ...................................................................................................................................... 7 ‫ملخص‬............................................................................................................................................ 8 Liste des acronymes ................................................................................................................... 9 Liste des figures ....................................................................................................................... 10 Liste des tableaux..................................................................................................................... 12 Sommaire ................................................................................................................................. 13 Introduction générale.................................................................................................................. 1 Chapitre 1 : Organisme d’accueil et contexte général du projet ................................................ 2 I. Introduction ................................................................................................................... 3 II. Présentation de l’organisme de l’accueil.............................................................. 3 1. Présentation du groupe RENAULT :....................................................................... 3 2. Alliance Renault-Nissan : ........................................................................................ 3 3. Usine Renault-Nissan Tanger : ................................................................................ 4 4. Objectif stratégique :................................................................................................ 5 5. Stratégies de Renault................................................................................................ 6 III. Description du processus de production :............................................................ 7 1. L’emboutissage :...................................................................................................... 8 2. Tôlerie :.................................................................................................................... 9 3. Peinture : .................................................................................................................. 9 4. Montage : ............................................................................................................... 10 IV. Contexte du projet ............................................................................................... 11 1. Contexte général .................................................................................................... 11 2. Cahier de charge : .................................................................................................. 11
  • 14.
    3. Contraintes deprojet :............................................................................................ 12 4. Planification de projet :.......................................................................................... 12 5. Démarche du travail :............................................................................................. 13 Conclusion du chapitre ...................................................................................................... 13 Chapitre II : Démarche de résolution et Problématique ........................................................... 14 I. L’approche DMAIC :.................................................................................................. 16 1. Définition :............................................................................................................. 16 2. Les outils de travail :.............................................................................................. 18 a. Diagramme Pareto : ............................................................................................... 18 b. Ishikawa : diagramme cause/ effet (ou aussi diagramme des 5M): ....................... 18 c. Méthode des 5 pourquoi ou la cascade des pourquoi : .......................................... 18 II. Cadrage du projet :.............................................................................................. 18 1. Description du processus de peinture des caisses .................................................. 18 2. Le fonctionnement de l’étuve : .............................................................................. 20 a. Exigences générales pour l’étuve........................................................................... 21 b. Processus de séchage : ........................................................................................... 22 c. La courbe de cuisson (Courbe de température). .................................................... 24 III. Les outils de définition de la problématique...................................................... 25 1. QQOQCP............................................................................................................... 25 2. Horaires de travail :................................................................................................ 26 IV. Charte du projet : ................................................................................................ 26 1. Les indicateurs clés ................................................................................................ 27 Conclusion du chapitre ...................................................................................................... 28 Chapitre III. Mesure et Analyse de l’existant. ......................................................................... 29 Introduction :...................................................................................................................... 30 I. Mesure des indicateurs de performance ................................................................... 30 1. Présentation des modes du mesure et contrôle actuels dans les stations du séchage (les étuves) ........................................................................................................................ 30
  • 15.
    2. Statiques dequalité de production dans Renault. .................................................. 30 II. Détection des causes du problème ...................................................................... 31 1. La définition de la problématique par la méthode 5P............................................ 31 2. Diagramme d’Ishikawa et l’arbre des causes......................................................... 32 a. Diagramme Ishikawa. ............................................................................................ 32 b. Arbre des causes..................................................................................................... 34 c. Diagramme de Pareto............................................................................................. 34 Conclusion du chapitre ...................................................................................................... 35 Chapitre IV. Mise en œuvre et contrôle de l’action corrective ................................................ 36 Introduction ........................................................................................................................ 37 I. Présentation générale de la solution .......................................................................... 37 1. Plan d’action. ......................................................................................................... 37 2. Choix de la solution à adopter ............................................................................... 37 3. Etude de faisabilité................................................................................................. 38 a. Faisabilité technique. ............................................................................................. 38 b. Faisabilité financière.............................................................................................. 38 4. Analyse des risques du projet : .............................................................................. 38 II. Etude technique et implémentation de la solution ............................................ 39 1. Conception préliminaire......................................................................................... 39 2. Eléments de l’installation :..................................................................................... 40 3. Conception architecturelle. .................................................................................... 40 a. Description détaillée de la solution ........................................................................ 40 b. L’architecture matérielle et logicielle de la solution............................................. 41 4. Critères de choix du matériel ................................................................................. 42 a. Le choix des capteurs............................................................................................. 42 b. Le choix de la partie de commande. ...................................................................... 44 c. Choix de l’unité décentralisée................................................................................ 46 d. Ecran de supervision .............................................................................................. 47
  • 16.
    e. Switch ScalanceX204-2........................................................................................ 48 f. Liaison ProfiNet..................................................................................................... 49 5. Codage et réalisation.............................................................................................. 50 a. Algorithmes de fonctionnement............................................................................. 50 b. Outils logiciels ....................................................................................................... 51 6. Configuration et programmation de l’API............................................................. 52 a. La configuration matérielle.................................................................................... 52 b. La configuration du réseau ProfiNet...................................................................... 53 c. La programmation des blocs en Ladder................................................................. 55 d. Supervision du système de scannage par rayonnement gamma ............................ 57 Résumé du chapitre............................................................................................................ 59 Conclusion générale et perspectives ........................................................................................ 61 Bibliographie............................................................................................................................ 62 Webographie ............................................................................................................................ 63 Annexes.................................................................................................................................... 64
  • 17.
    1 Introduction générale L'industrie automobileest un secteur porteur au Maroc qui bénéficie, depuis toujours, d'une attention particulière des sphères politiques et économiques. C'est l'un des secteurs les plus structurés et les plus productifs au Maroc qui se caractérise par l'intervention de plusieurs entreprises dans différents domaines de compétence où la concurrence est intense. De ce fait, toute recherche d’une productivité meilleure passe par la suppression de tous les aléas de production et de gaspillage. Et comme toute entreprise, Renault vise l’amélioration continue de la performance de ses ressources. Chose qui lui permettra une meilleure adaptation à l’évolution du marché international au niveau des dimensions de performance productivité. C’est dans cette perspective que Renault Tanger s’est engagée dans une démarche d’amélioration et de réorganisation globales, visant à atteindre l’excellence industrielle en termes de qualité, coût et de délai. C’est dans ce cadre que s’inscrit notre projet de fin d’étude qui a pour objectif de digitaliser le suivi des pertes de charges et contrôle de qualité des filtres d’air afin d’améliorer la qualité de cuisson et de peinture des caisses et aussi pour améliorer les indicateurs énergétiques en suivant la démarche DMAIC. Le présent rapport décrit l’étudefaite au cours de la réalisation de ce projet. Le travail est réparti sur 4 chapitres. Dans le premier chapitre on va présenter l’organisme d’accueil en expliquant le processus de production et les principes de fonctionnement des différentes stations et le contexte général du projet, dans le deuxième chapitre on va présenter la démarche de résolution et aussi la problématique ; dans le troisième il a l’analyse des causes racines de la problématique et le dernier sera dédié pour la mise en œuvre et contrôle de l’action corrective.
  • 18.
    2 Chapitre 1 :Organisme d’accueil et contexte général du projet Ce chapitre présentera l'organisme d'accueil Groupe Renault à travers son site Renault Tanger Exploitation en décrivant sa structure interne et mettant en relief son département peinture avec ses différentes unités.
  • 19.
    3 I. Introduction Avant d’aborderle travail effectué durant ce projet, il convient tout d’abord, de faire une présentation de l’organisme d’accueil de ce projet. Le présent chapitre est consacré à la présentation de l’usine Renault Nissan, à l’environnement du travail et au processus de fabrication, d’autre part sur le contexte du projet avec la présentation de la problématique et la démarche suivie pour atteindre l’objectif visé. II. Présentationdel’organismedel’accueil 1. Présentation du groupe RENAULT : Présidé par Carlos GHOSN, Le groupe Renault est un constructeur automobile français, multimarques possédant des usines et des filiales à travers le monde entier. Sa stratégie se manifeste dans le positionnement durable comme le constructeur automobile généraliste européen le plus rentable. Changeons devie, changeons l'automobile », un simple slogan que Renault a pris non seulement pour faire de la publicité, mais aussi une devise portant une valeur riche, étant le changement. Renault est une Firme multinationale, présente dans le monde entier. Mais, cette présence est assurée par d’autres marques du groupe comme Nissan et Samsung Motors. De sorte, le groupe Renault est placé parmi les premiers mondiaux en chiffre et vente de véhicules. 2. Alliance Renault-Nissan : Conclue en 1999, l’Alliance Renault-Nissan est à ce jour le partenariat transnational entre deux grands constructeurs le plus durablement installé de l’industrie automobile. Ce partenariat est un modèle souple et pragmatique qui peut être étendu à de nouveaux projets et à de nouveaux partenaires à l’échelle mondiale. Depuis sa création, l’Alliance protège Renault et Nissan des retournements de conjoncture à l’échelle régionale, et soutient leur développement dans les économies les plus dynamiques de la planète. L’Alliance a permis à Renault et à Nissan de dépasser en performance leurs concurrents régionaux historiques, hissant ainsi les deux entreprises dans la catégorie des plus grands constructeurs. Renault et Nissan constituent le 3ème groupe automobile mondial en termes de vente, derrière « General Motors » et « Volkswagen », et jouissent d’une présence significative sur les grands marchés mondiaux. Leurs ventes cumulées en véhicules sont passées de 4.9 millions d’unités en 1999 à plus de 8.5 millions d’unités en 2015dans près de 200 pays à travers 8 marques :
  • 20.
    4 RENAULT, DACIA, RENAULTSAMSUNG MOTORS, NISSAN, INFINITI, DATSUN, VENUCIA et LADA. Ce volume record correspond à plus d’un véhicule sur 10 vendus dans le monde. Renault détient 43,4 % du capital de Nissan. Nissan détient 15 % du capital de Renault. Le modèle d’actionnariat croisé garantit aux deux partenaires un intérêt mutuel et les incite à adopter des stratégies « gagnant-gagnant » bénéfiques pour chacun. 3. Usine Renault-Nissan Tanger : Figure 1 .Structure de l'alliance Renault-Nissan L'usine Renault-Nissan Tanger est un site industriel du groupe Renault, situé dans la commune de Melloussa près de Tanger. Elle a été inaugurée le 9 février 2012 par Sa Majesté le Roi Mohammed VI, en présence du PDG du groupe Renault-Nissan, Carlos GHOSN. L’usine dispose d’un accès direct à la plateforme portuaire du port Tanger Med. Elle est aussi la première usine automobile au monde qui a zéro émission de CO2 et zéro rejet de liquides industriels. Elle fabrique certains modèles de Dacia, vendus au Maroc ou exportés principalement vers l'Europe, l'Afrique et la région MENA (Moyen-Orient et Afrique du Nord). Avec une capacité deproduction atteignant 400 000 véhicules par an, un effort d’investissement de 1,1 milliard d’euros, la création de plus de 7 000 emplois directs et 30000 emplois indirects et une superficie de 300 hectares, l’usine de Tanger représentera l’un des complexes automobiles industriels les plus importants du bassin méditerranéen.
  • 21.
    5 Ce sera égalementun vecteur de développement économique important pour le Nord grâce au renforcement du tissu industriel marocain de fournisseurs, sous-traitants, et équipementiers et au développement de nouvelles compétences que l’usine va susciter. [1] Tableau 1.Fiche technique Renault-Nissan Tanger 4. Objectif stratégique : Le plan Renault 2016 « Drive the change » dévoilé le 10 février 2011, repose sur l’ambition de Renault de rendre la mobilité durable accessible à tous. Le plan stratégique du groupe Renault est construit sur six ans avec un point de mi-parcours, fin 2013. Renault 2012 « Drive the change » est construit pour répondre à deux objectifs : • Assurer la croissance du Groupe. • Générer du free cash-flow de façon pérenne. Le groupe Renault agira sur sept leviers majeurs pour atteindre ces objectifs : • La poursuite de sa politique d’innovation. • Un plan produit robuste • Le renforcement de l’image de la marque Renault. • L’excellence du réseau dans la relation client. • La réduction des coûts. Statut, direction et coordonnées Forme juridique et répartition du capital Caisse de dépôt et de gestion 47,6% Renault 52,4% Directeur de l’usine Jean François Gal Effectif 7000 salariés directs, 30 000 salariés indirects Capital 1,1 Milliard d’Euro Coordonnées Zone franche de Melloussa, Tanger Maroc Production Voitures fabriquées Lodgy, Dokker, Sandero, Sandero Step Way Nombre de lignes de montage Deux lignes : Tanger 1 et Tanger 2 Certifications de l’usine ISO 9001 version 2008 ISO 14001 Superficie 300 hectares, dont 220 ha de bâtiments couverts Date de création 6 janvier 2008
  • 22.
    6 • Le maintiende ses positions en Europe et l’expansion à l’international. Pour réaliser sa production automobile, Renault dispose d’une trentaine de sites industriels à travers le monde et s’appuie sur les sites de ses partenaires dans le cadre d’accords de coopération établis pour partager les coûts. Figure 2.Implantation Renault à travers le monde Le site Renault Tanger Méditerranée est une usine d’assemblage complète réalisant l’emboutissage, la tôlerie, la peinture et le montage. Avec un accès direct à la plateforme portuaire du port de Tanger Med, les véhicules qui sortent des ateliers sont à 90 % destinés au marché international. Cette usine vient compléter le dispositif industriel de Renault pour les véhicules économiques dérivés dela plateforme Logan. Elle produit deux nouveaux modèles d’automobile : La robuste Dokker et la confortable Lodgy. La figure suivante montre les caisses fabriquées dans l’usine de Renault Tanger. Figure 3.les différentes marques fabriquées dans l'usine Renault Tanger 5. Stratégies de Renault L’usine Renault Tanger Med suit les mêmes stratégies que le groupe Renault. A travers la stratégie « Renault 2016 : Drive the change », Renault cherche le maintien en Europe et la croissance à l’international.
  • 23.
    7 Pour cela, RenaultTanger s’efforce à poursuivre la politique d’innovation et à renforcer l’image de la Marque Dacia à travers ses atouts et réseaux de relation avec ses clients. Aussi, Renault Tanger veut proposer des voitures fiables, confortables de haute qualité, mais avec un prix à la portée des différentes classes sociales. Client • Client Interne : Renault Maroc : Vente local • Client Externe : Renault ST : Export • Organigramme de Renault Figure 4.Organigramme de Renault-Nissan Tanger III. Description du processusdeproduction : L’usine Renault Tanger adopte une organisation en départements. La fabrication de la voiture se fait successivement au sein de quatre départements principaux à savoir : l’emboutissage, la tôlerie, la peinture et le montage. On trouve aussi dans l’entreprise d’autres départements annexes : deux sont attachés au montage, il s’agit des départements « Sièges » et « sous ensemble », et un autre attaché au département peinture et dans lequel se fait la préparation des
  • 24.
    8 boucliers. En plusde ces ateliers de fabrication on trouve aussi un bâtiment appelé « bâtiment X», Celui-ci réunit les fonctions : logistique, comptabilité et achats. A cela s’ajoute aussi le « bâtiment V » dédié au service infirmerie et aux pompiers. En outre, et afin de réussir une intégration rapide et efficace des nouveaux recrutés ainsi que des opérateurs, les responsables de l’usine ont mis en place un centre nommé « IFMIA » (Institut de Formation aux Métiers de l’Industrie Automobile...) où sont suivis des programmes de formation. Ceux-ci sont assurés par des formateurs chacun spécialiste dans son domaine selon le besoin en postes de travail ou profils dans l’usine. Nous présentons dans la figure suivante une vue d’ensemble de l’usine qui illustre les différents départements de l’usine : Figure 5.Les différents départements de Renault Tanger 1. L’emboutissage : D’une superficie égale à 22.000 m2, l’emboutissage est le point de départ du processus. En effet, la matière première arrive sous forme de bobines d’acier galvanisé dont le poids varie de 3 à 4 tonnes pour les plus petites, et 25 tonnes pour les plus grosses. Ces dernières sont livrées à l’emboutissage par voie ferrée ou par camion avant que l’acier soit déroulé et cisaillé en flancs sur des lignes de découpe. Les flans obtenus sont empilés pour alimenter les lignes d'emboutissage : Ils sont alors emboutis, détourées, poinçonnées et calibrées par des outils de presse installés sur une ligne de presses. Ces outils sont interchangeables, ce qui permet de produire plusieurs pièces différentes
  • 25.
    9 sur une mêmeinstallation. À la suite de ces opérations, les pièces sont prêtes à être utilisées en tôlerie en tant que composants de la caisse. 2. Tôlerie : La tôlerie représente la 2ème étape du processus de fabrication d’une voiture avec une superficie totale de 44 200 mètres carrés. La tôlerie a pour rôle d’assembler les pièces embouties pour former la carrosserie de la caisse. Il y a deux types de pièces ; celles en tôle comme : les basses roulantes, les côtés de caisse, les pavillons, les portes, les portes de coffres et les capots, et celles en plastique, comme les ailes. Cette opération se fait par plusieurs technologies de soudure. La carrosserie prend ainsi forme sur les lignes d’assemblage grâce à environ 5000 points de soudure dont la majorité est réalisée par robots. Afin de vérifier la résistance de la soudure, le département contient d’une zone d’essais destructifs où l’on détruit des caisses de chaque modèle, point de soudure par point de soudure, pour vérifier la résistance à la rupture. De la même manière on vérifie la résistance de la soudure pour des pièces plus petites. Après la soudure des portes et des capots, les caisses sont transportées à l’aide d’un élévateur pour être envoyées vers le département de peinture 3. Peinture : En sortie de la tôlerie, la caisse est immergée dans des bains successifs comprenant : le dégraissage, l’impression-phosphatation, qui assure une première protection contre la corrosion, les rinçages à l’eau industrielle et déminéralisée, la cataphorèse qui dépose par électrolyse une résine protectrice sur la carrosserie, permettant une bonne adhérence des couches de peinture et une répartition des épaisseurs adéquate. Ensuite, le mastic est appliqué sur les jonctions de tôle pour assurer l’étanchéité et l’anti-gravillonnage du dessous de caisse. Une couche d’apprêt, de base colorée et de vernis est appliquée sur la caisse afin d’obtenir l’aspect final du véhicule (profondeur et brillance). Enfin, dela cire est injectée dans les corps creux pour empêcher la stagnation del’eau et garantir l'anticorrosion du véhicule pendant 12 ans. Pour parvenir à une qualité optimale des traitements de protection et de surface, les opérations de peinture sont réalisées dans une atmosphère protégée.
  • 26.
    10 Figure 6.Processusde fabricationdu départementpeinture 4. Montage : Dans cette dernière étape du processus de fabrication, la caisse peinte reçoit successivement tous les équipements du véhicule : habillages, sellerie, circuits électriques, vitrages et bien entendu éléments mécaniques (moteur, boîte de vitesse…) produits sur un autre site. Dès l'entrée de la caisse dans l'atelier, les portes sont démontées afin de faciliter les opérations du montage, puis elles partent sur une ligne parallèle pour y être préparées. Quant au véhicule, il continue son parcours dans le flux afin que l'habillage intérieur et les sièges soient installés au fur et à mesure de l'avancement sur la ligne. Sur le tronçon de montage automatisé, la platine, qui comprend le groupe motopropulseur et les éléments de la sous caisse, vient se fixer sous le véhicule par un vissage automatique en quelques secondes. Quant aux portes qui ont été garnies en parallèle, ces dernières rejoignent le véhicule avant qu'il ne subisse les derniers tests sur les bancs d'essais.
  • 27.
    11 IV. Contextedu projet 1.Contexte général La qualité des produits ainsi l’amélioration de la performance énergétique des produits sont parmi les défis que Renault Tanger à décider de relever afin d'améliorer ses indicateurs énergétiques et sa réactivité afin d’optimiser les couts afin d’atteindre ses objectifs. Depuis quelques années, la digitalisation s’invite de plus en plus au sein des entreprises. Cependant cette intégration n’est pas uniforme. En effet,certaines sociétés éprouvent encore de la réticence à se mettre au numérique. Différents facteurs expliquent le positionnement de ces dernières : l’obligation d’adapter son business model au contexte actuel, la dématérialisation, la suppression des intermédiaires. Renault Tanger aussi a suivi cette évolution technique de la digitalisation de production ; mais cette intégration de la digitalisation n’est pas appliquée à 100 % dans toutes ses lignes de production, parce qu’elles restent encore pas mal de processus dans ses usines de production qui sont encore basées sur des solutions très classiques. Mais Renault ne peut jamais restée croisée les bras face à cette problématique alors qu’elle adopte une stratégie dans pour les prochaines années qui vise à digitaliser le maximum ses lignes de production. La digitalisation de l’installation des étuves vise à améliorer des indicateurs de performances ce qui revient à procéder à une analyse dela situation actuelle afin dedéterminer tous les risques pour pouvoir fixer les objectifs à atteindre, ensuite la maitrise des ressources de production mises en place, puis la proposition des actions amélioratrices, et finalement le suivi des différentes actions proposées. 2. Cahier de charge : Objet : Projet de fin d’études pour l’obtention du diplôme ingénieur d’état. Maître d’œuvre : Mohamed Babaoui, élève ingénieur de la 3ème année cycle ingénieur Ingénierie des systèmes électriques et systèmes embarqués. Maître d’ouvrage : Renault Tanger. Objectifs : - Etude des étuves de séchage du département -Peinture- (Principe de fonctionnement) - Détection et détermination des problèmes qui existent dans ces étuves et recherche des causes racines de ces problèmes. - Recherche des solutions possibles et choix de la meilleure solution à adopter en se basant à une étude comparative entre elles.
  • 28.
    12 3. Contraintes deprojet : Contraintes du temps : - Respecter les délais prévus pour chaque étape. Contraintes techniques : - Disponibilité de la documentation technique. - Disponibilité de l’orientation par les techniciens de l’usine - Manque des spécifications détaillées qui ne peuvent être présentées que par visite du site de la problématique. 4. Planification de projet : - Intégration dans l’entreprise et familiarisation avec les membres de l’équipe et compréhension du processus de la production. - Analyse fonctionnelle de l‘installation concernée par l’étude. - Recherche er documentation sur l’installation actuelle - Extraction des points de défaillances possibles dont la problématique majeure et fondamentale du sujet - Choix de la solution favorable à adopter et recherche de la documentation technique - Programmation et simulation de la solution choisi sur logiciel - Mise en test de la solution dans le lac des tests présent dans l’atelier du département maintenance. - Reprogrammation et correction et redimensionnement et validation du bon fonctionnement de la solution. Le diagramme de Gantt est un outil utilisé en ordonnancement et en gestion de projet et permettant de visualiser dans le temps les diverses tâches composant un projet. Il s'agit d'une représentation d'un graphe connexe et orienté, qui permet de représenter graphiquement l'avancement du projet. [10] La figure ci-dessous illustre la distribution temporelle des taches et aussi le diagramme de Gantt.
  • 29.
    13 - Figure 7.Diagramme deGantt du projet 5. Démarche du travail : Afin de répondre exactement au besoin exprimer et de bien mener le projet, j’ai mis en place une démarche de travail constituée de 3 étapes : - L’analyse fonctionnelle du site de sujet (les étuves de séchage de la peinture) : Dans cette étape, on comprend bien d’abord le rôle des étuves dans le processus de production ; et leurs principes de fonctionnement et aussi leurs conditions strictes de fonctionnement (Température, Filtrage.). - L’établissement de l’état de lieu actuelle et détermination de la problématique majeure : Dans cette étape on va essayer de voir les anomalies du site et extraire les causes racines de ces anomalies et voir la cause principale - Dégagement des solutions d’amélioration possibles et choix de la meilleure à adopter. Une fois la problématique et claire, il reste que trouver les solutions techniques ou organisationnelles à adopter afin d’éviter le dysfonctionnent de l’installation. Conclusiondu chapitre Dans ce chapitre nous avons présenté le contexte du projet et le cahier des charges ainsi que la stratégie de management de projet que nous avons adoptée avec quelques notions de base sur
  • 30.
    14 le sujet. Dansle chapitre suivant, nous présentons la démarche de résolution ainsi que la problématique. Chapitre II : Démarche de résolution et Problématique
  • 31.
    15 Pour structurer cetravail, il est indispensable d’adopter une méthodologie à suivre. Le Lean Manufacturing est l’une des démarches les plus utilisées dans le domaine de l’industrie automobile. C’est l’objectif pour lequel ce chapitre est réservé.
  • 32.
    16 I. L’approcheDMAIC : 1.Définition : Le modèle DMAIC est une approche structurée de résolution de problèmes, largement utilisée dans la démarche Lean Manufacturing. Il fournit une base de réflexion qui structure le travail d’une équipe projet d’amélioration continue. Cet outil simple permet d’obtenir rapidement des résultats probants, et repose sur 5 étapes : Define, Measure, Analyse, Improve et Control. [2] Figure 8.Modélisation su modèle DMAIC Tableau 2.Résumé des étapes de démarche DMAIC Définir Mesurer Analyser Améliorer Contrôler Étapes Objectifs de la tache Résultats Définir Définir le projet Charte du projet Cartographie Planning Mesurer Définir et valider les moyens de mesure. Mesurer les variables de sortie. Collecter les données. Etat existant Analyser Analyser les données. Etablir les relations Entre les variables d’entrée et de sortie Anomalies Innover Mise en place des actions d'amélioration. Proposition des solutions Choix d’action convenable Contrôler Evaluer le gain des améliorations mises en place. Validation du bon fonctionnement de la solution choisi
  • 33.
    17 Define (Définir) : Lapremière étape de la démarche DMAIC est l’identification et la description de l’objet de l’étude et de la mission que va accomplir l’équipe projet. Cela inclut : • La définition de la problématique, des limites du projet, du planning, de l’équipe du projet, la rédaction de la charte de projet. • L’écoute de la voix du client dans le but de rassembler ses exigences, cela servira de fil conducteur tout au long du projet. • La compréhension des processus, et leur cartographie. Measure (Mesurer) : Cette phase, qui consiste à recueillir des données dans le but de caractériser le procédé, est divisée en deux : • La définition de (ou des) l’indicateur(s) à suivre pour le projet et validation du système de mesure. • La collecte d’informations en vue de compléter la cartographie des processus. Analyse (Analyser) : L’analyse des données récoltées pendant l’étape précédente amène à : • Identifier les causes induisant les dysfonctionnements étudiés. • Reconnaître les causes initiales (ou causes profondes) à l’origine de la problématique, afin de travailler sur les vrais problèmes plutôt que sur les symptômes qu’ils révèlent. Improve (Améliorer) : Cette étape fait appel aux capacités d’innovation, de réflexion et d’action de l’équipe. Il s’agit de : • Proposer des solutions en vue de répondre aux causes identifiées lors de la phase précédente. • Etablir un plan d’action. • Mettre en place les solutions sélectionnées. Control (Contrôler) : La dernière étape du DMAIC est la phase de prise de recul par rapport au projet afin de : • Contrôler que les modifications implémentées ont eu les effets escomptés.
  • 34.
    18 • Communiquer surle projet qui vient d’être mené. • Faire le bilan du projet afin de le clôturer. 2. Les outils de travail : a. Diagramme Pareto : La méthode de PARETO sert à classer les causes selon les effets qu’elles génèrent, pour déterminer la classe la plus critique, et qui représente les problèmes les plus importants qui valent d’être traités en premier lieu, nommée aussi la méthode ABC, elle consiste à tracer une courbe des valeurs cumulées en fonction des éléments à classer. Les éléments à classer : les causes racines du dysfonctionnement Le critère de classement : les criticités cumulées b. Ishikawa : diagramme cause/ effet (ou aussi diagramme des 5M): Le diagramme causes/effet ou bien diagramme Ishikawa, est un diagramme utilisé pour analyser les causes racines qui donnent lieu à des effets constatés. Cette analyse est réalisée sur la base des 5M (Moyens, Méthodes, Main-d’œuvre, milieux et matières) qui permettent une bonne classification des causes. c. Méthode des 5 pourquoi ou la cascade des pourquoi : La méthode cascade du pourquoi ou bien 5 pourquoi, est une méthode d’analyse qui permet de rechercher les causes d’un problème, souvent la cause qui paraît logique n’est que la conséquence d’autres anomalies sous-jacentes. L’objectif est de rechercher les causes à l’origine des problèmes provoquant le dysfonctionnement. II. Cadragedu projet : 1. Description du processus de peinture des caisses ❖ Que ce que la peinture dans l’industrie automobile ? Une peinture est un matériau fluide appliquée sur un subjectile qui a la propriété de former après séchage un revêtement solide et adhérent. Cet enrobage donne un support des qualités particulières de protection et de présentation, le schéma ci-dessous montre la constitution principale de la peinture utilisé dans l’industrie automobile.
  • 35.
    19 Figure 9.La constitutionde la peinture ❖ Comment l’opération de la peinture se passe -elle et quelles sont les étapes qui elles la constituer ? La caisse arrivant du département tôlerie passe par une suite de traitements avant d’arriver a l’application de la teinte définitive Tableau 3.Les différentes couches de la peinture Le processus de production au sein du département Peinture est constitué d’un ensemble de lignes chacune d’elle est conçue pour un objectif défini, Les différentes phases de processus peinture sont explicitées dans la cartographie ci-dessous : Figure 10.Les phases de processus Peinture La constitution La couche La fonction Vernis 35 à 45 μm Aspect, Durabilité Base 13 à 17 μm Couleur Apprêt 35 à 40 μm Antigravillonage, Adhérence, Aspect Cataphorèse 13 à 17 μm Anticorrosion, Antigravillonage, Aspect Phosphatation 2 μm Pigl Tôle 0.6 à 0.7 mm -
  • 36.
    20 Les principales étapessont les suites : - -le traitement de surface (Dégraissage et Phosphatation) - -Cataphorèse - Mastic. - Apprêts - Base Intérieur - -Base Extérieur - -Vernis Intérieur - -Vernis Extérieur. On trouve également dans le processus des étapes transitoires qui sont les étuves (Entourés par des rectangles rouges dans la cartographie), ces dernières sont employées après chaque phase du processus pour sécher, préchauffer de divers matériaux ou spéciments. Au moyen de méthode de circulation d'air chaud à l'uniforme la distribution de la température. Dans le processus de peinture les étuves jouent un rôle indispensable qui est le séchage et durcissement de la peinture sur les caisses, cette étape a pour rôle d’éliminer les composants volatiles constituants la peinture. Les composants non volatiles restent sur la carrosserie après le processus de séchage et de durcissement et les composants non volatiles sont émis à l’air environnant des étuves par effet de convection. Figure 11.Vue intérieure de l’étuve 2. Le fonctionnement de l’étuve : L’étuve fonctionne comme un four à chaleur tournante: l’air circule au sein del’étuve en circuit fermé. Et permettant d'effectuer des traitements thermiques à température régulée, elles sont largement utilisées dans l'industrie dans pas mal d'application (préchauffage, cuisson de vernis, dégazage, déshumidification, thermoformage)
  • 37.
    21 Le système danssa totalité au département PEINTURE possède différentes zones de système d’étuve : • Etuve électro-revêtement (étuve cataphorèse) • Etuve produit d'étanchéité • Etuve apprêt • Etuve laques a. Exigences générales pour l’étuve ❖ Qualité – au centre de l’attention. • Courbe de chauffage nécessaire • Chauffage uniforme de la carrosserie • Température de maintien / temps de maintien • Eviter les condensats • Pas de rétentions de solvants (accumulation de solvants) ❖ Economies d'énergie • Récupération d'énergie • Rideau d'air • Isolation par rapport à l'extérieur ❖ Directive légale • Environnement →Emissions du CO2 NOX • Lieu de travail → Protection explosions, solvant, odeur. ❖ Amabilité du service • Nettoyage • Rigueur • Accessibilité • Echange d'assemblages de groupes • Remplacement des unités / composants ❖ Contrôle thermique • Exigence d'une certaine évolution de la température sur le composant • Impossibilité d'amener toutes les parties de la carrosserie à la même température →plage de température • Pour atteindre la température des composants, le dispositif de chauffage doit être régulé
  • 38.
    22 b. Processus deséchage : Le processus de séchage de la peinture c’est le passage du matériau appliqué à la surface d'un état liquide à un état solide les solvants et les produits de décomposition s'évaporent de la peinture, les pigments et les liants restent sur la surface, se mélangent entre eux et la peinture durcit, c.-à-d. que les liants et pigments forment une surface en réseau fermée, la peinture devient résistante aux facteurs externes. Figure 12.Description du processusde séchage Le processus de séchage repose sur le principe de transfert de la chaleur par la convection, l’air neuf utilisé pour sécher les caisses est chauffé par un bruleur de gaz (et/ou) un circuit d’eau surchauffé sous pression selon les consignes de température réglés sur un régulateur de température EUROTHERM 2604 sa qui contrôle le processus de chauffage de l’air, et dans chaque étage de l’étuve est séché par une température différente pour former et suivre ce qu’on appelle la courbe de cuisson. Le régulateur lit la valeur de la température acquise par une sonde PT100 plongée dans la canalisation de l’air, et dépend des consignes de température saisis par l’opérateur par un écran de supervision connectée avec le régulateur il commande la vanne du bruleur du gaz (Et /Ou) la vanne du réseau d’eau surchauffé Pendant la phase de démarrage l’eau est chauffé par le bruleur à gaz vu sa pouvoir calorifique importante, et après on chauffe par le circuit d’eau surchauffé pour baisser la consommation énergétique il a également la possibilité du mode manuel ou l’opérateur est chargé de contrôles le processus. La figure ci-dessous illustre le schéma de câblage du processus de régulation de la température basé principalement sur le régulateur de température EUROTHERM 2604 qui commande des électrovannes des deux méthodes de chauffage, la vanne de gaz et la vanne du CES ? et qui a comme entrées des capteurs de température pour compléter la chaine directe de régulation linéaire.
  • 39.
    23 Figure 13.Schéma d'interconnexiondu régulateur EUROTHERM Figure14.CES sousPression Figure 15.Lebrûleurà gaz En parallèle avec le sous processus du contrôle et régulation de la température on trouve également le contrôle de débit et de pression de l’air séchant et aussi la vitesse de mouvement de convoyeurs déplaçant les caisses dans les étuves. Les étuves de séchage existantes dans le département PEINTURE sont basées sur un principe dechauffage uniforme et rapide qui respecte les teintes et elles sont équipées par une ventilation adaptéepour assurer une excellente répartition dela chaleur a l’intégrité des caisses et elles sont très économiques en raison du transfert direct de la chaleur et la possibilité de brulure est très faible. Comme elles ont des avantages remarquables elles ont également des inconvénients, mais l’inconvénient le plus influent c’est que la cuisson des caisses ne suit pas la courbe de cuisson des carrosseries qui risquent d'être salies ce qui va affecter la qualité des caisses.
  • 40.
    24 c. La courbede cuisson (Courbe de température). Pour avoir un bon processus de séchage dans les étuves les caisses doivent passer par des températures bien spécifiques et suivants des marges detempérature à respecter sinon on n’aura pas une peinture bien conforme aux normes de la qualité ce qui va augmenter le taux de perte des unités non conformes, pour ce faire les caisses passent par certains étages de température : • Rideau d'air entrée. • 2 zones de chauffage. • 2 zones de maintien. • Rideau d'air de sortie. • Zone de refroidissement. Figure 16.Les étages de cuisson des caisses dans les étuves Et chacune des étuves a une courbe de température différente depend de type de séchage qui est automatiquement lié avec l’étape juste avant l’étuve et voici les courbes prévues de cuisson des différentes étuves. Figure 17.Les courbes de cuisson des différentes étuves du département Pour vérifier que les caisses passent vraiment par les mêmes courbes de température prévus, on mesure la température tout au long dupassage des caisses dans les étuves; on fait la mesure
  • 41.
    25 -qui ne peutpas être que directement sur l’objet peint - par le déplacement de la carrosserie dans l’étuve avec un DATAPACQ qui est un instrument de mesure et enregistreur de données possédant 6 à 8 capteurs ,les sondes sont attachés à la carrosserie et transmettent les températures à l’unité d’enregistrement des données , et après le cycle les données peuvent être lues et évaluées sur l’ordinateur. Figure 18.La courbe de température collectée par l’enregistreur des données Les études comparatives entre les courbes prévus de la température et les courbes réellement mesurées aves les DATAPACQs -qui sont des enregistreurs des données- ont montré que ne sont absolument confondus et il a toujours un décalage et la courbe mesurée est souvent en dehors des marges tolérées, ce qui va affecter surement la qualité de la cuisson des caisses. Pour faire face à ce problème une consommation supplémentaire (Consommation électrique, Consommation du gaz …) est utilisée pour essayer de rendre la courbe entres les marges tolérées, c’est vrai que pour avoir une bonne qualité de la cuisson on consomme plus, c’est à ce point la problématique commence, Quelles sont les causes possibles de ce décalage ? quelle est la cause la plus influente ? Comment arriver à trouver une solution optimale et efficace à cette cause ? III. Les outils dedéfinition de la problématique. 1. QQOQCP QQOQCP est un outil qui permet de bien définir la problématique d’un façon globale et détaillée et résumée à la fois, en répondant à certaines questions qui sont Quoi ? Qui ? Ou ?Quand ?Comment ?Pourquoi ?. le tableau ci-dessous figure l’outil QQOQCP appliqué à notre projet.
  • 42.
    26 Qui ? -Mohamed BABAOUI élève ingénieur en 3éme année cycle ingénieur ISESE (Ingénierie des systèmes électriques et systèmes embarqués )à FST Settat. Quoi ? - Le suivi de la qualité des filtres d’air des étuves de séchage de peinture. Où ? - Le site d’installation des étuves dans le département Peinture. Quand ? - Du 3 mars au 30 Juin 2020. Comment ? - Etude de l’état actuelle. - Analyse fonctionnelle. - Proposition de la solution. - Réalisation de la solution. - Vérification et validation de la solution. Pourquoi ? - Améliorer la qualité des caisses. - Améliorer la performance énergétique. - Eviter la panne inattendue. Tableau 4. QQOQCP du projet 2. Horaires de travail : Le planning des équipes est réparti sur les six jours de la semaine, trois équipes se répartissent les plages horaires sur la journée : l'équipe normale constitué des cadres et responsables, l'équipe du matin et l'équipe du soir constitué d’opérateurs et chefs unités. Le tableau ci-dessous montre les horaires de travail de chaque équipe : Tableau 5.Horaires du travail chez Renault Tanger IV. Chartedu projet: La charte projet est un élément clef de la phase de construction d’un projet. Elle va présenter de manière synthétique le problème à résoudre, l’objectif à atteindre, le périmètre concerné. Equipe Horaires Pauses Equipe normale 7h45min →17h30min, du Lundi au Jeudi 7h45min →16h45min, le Vendredi 30 min, déjeuner Equipe du matin 6h00min →14h00min 10 min 20min déjeuner Equipe de soir 6h00min →14h00min 10 min 20 min,déjeuner
  • 43.
    27 Elle va égalementdéfinir les rôles et responsabilités du projet ainsi que les principaux jalons temporels. Charte de projet Titre de projet : La digitalisation de suivi des pertes des charges et la filtration d’air des étuves du département PEINTURE Gain Gain mesurable Gain non mesurable - Régler le temps de changement des filtres d’air. - Garder une bonne qualité de cuisson des carrosseries en les séchants suivant la courbe de cuisson prévue. - Faciliter l’opération de suivi des pertes de charges. - Avoir une bonne accessibilité au processus des étuves. - Améliorer les conditions de travail et faciliter la gstion des maintenaces des filtres et des étuves toutes entières. Planning Define/Définir Mesure/Mésurer Analyse/Analyser Improve/Améliorer Control/Controler 24 Février → 13 Mars 16 Mars→ 20 Mars 23 Mars→ 31 Mars 23 Mars→ 9 Avril 10 Avril→ 21 Avril Ressources Ressources matérielles Ressources Humaines Ressources par étuve: - Alimentation triphasée normale 400V- 50Hz et alimentation de secour. - Réseaux d’eau Déminéralisée et industrielle chaud et froid. - Réseau d’air comprimé. - API, Régulateurs de température et de débit , sondes de mesure de température. - Brûleur; convoyeurs… Le fonctionnement ne nécissite plus l’intervention humaines sauf pour l’installation et le controle périodique Périmètre Le présent travail de la digitalisation de suivi des pertes de charges et de la filtration d’air est destinée à toutes étuves existantes dans le département PEINTURE • Etuve électro-revêtement (étuve cataphorèse) • Etuve produit d'étanchéité • Etuve apprêt • Etuve laques Aprés l’implantaion dela solution automatisée le suivi et controle peuvent etre faitsà distance et à travers tous les postes SOP du département. Tableau 6.Charte du projet 1. Les indicateurs clés Les indicateurs qu’on souhaite améliorer par l’implémentation dela solution dela digitalisation du processus de suivi et contrôle des filtres des étuves sont - La qualité de cuisson des carrosseries.
  • 44.
    28 - La consommationénergétique des moto-ventilateurs. - Le temps d’intervention des opérateurs pour changer les filtres défaillants. Conclusiondu chapitre Dans ce chapitre on a essayé dedéfinir le projet tout entier commençant par le cadrage de projet , on a commencé par une description détaillée du milieu de fonctionnement des étuves, leur principe de fonctionnement ainsi que ses exigences, après on a essayé d’utiliser un ensemble d’outils à fin de structurer la définition de la problématique et des objectifs et les délais et les attentes, dans le prochain chapitre on va donner quelques mesures de la performance dans l’installation aves les solutions actuelles .
  • 45.
    29 Chapitre III. Mesureet Analyse de l’existant. Ce chapitre a pour mission d’analyser et de ‘faire parler’ l les mesures collectées dans phase précédente. Ainsi, sur la base de ces données nous partons des anomalies décelées, jusqu’aux causes racines, qui sont à l’origine des dysfonctionnements
  • 46.
    30 Introduction: La mesure sertà assurer la nécessité d’intervention en éclairant les points de défaillances dans le mode de fonctionnement et de mesure et de contrôle dans le système actuel. L’analyse consistera à rechercher les causes qui ont un effet néfastesur la performance générale desétuves et précisément le processus de séchage I. Mesuredes indicateursdeperformance 1. Présentation des modes du mesure et contrôle actuels dans les stations du séchage (les étuves) Les modes de mesure de mesure est parmi les grands facteurs qui poussent les usines à faire appel à la digitalisation ; dans le site de l’installation il a beaucoup des grandeurs à mesurer(Pression différentielle, débit, Température), mais lorsqu’on parle du contrôle de qualité des filtres d 'air le grandeur qui nous intéresse plus est la pression différentielle, la méthode demesure decette dernière est très classique et se repose essentiellement sur la lecture dela valeur dela pression en amont et en aval dufiltre affichéesur un manomètre et l’opération de la différence se fait par le lecteur lui-même, une méthode qui présente un risque d’erreur et aussi elle est difficile vue l’inaccessibilité de la station des étuves. Figure 19.Manomètre de mesure de pression actuel 2. Statiques de qualité de production dans Renault. Les statistiques données par le département Qualité montrent que la plupart des défauts de production des véhicules dans tout l’usine se produisent dans le département Peinture, et dans le département lui-même les étuves sont la cause dominante de la non-conformité.
  • 47.
    31 Figure 20.Les causesde la non-conformité de la qualité de production II. Détection des causes du problème 1. La définition de la problématique par la méthode 5P Pourquoi ? La courbe cuisante mesure n’est se différé de celle souhaitée Parce que l’air chauffant des caisses n’est pas filtré. La consommation énergétique s’augmente de temps en temps. La qualité de la peinture est affectée après passage des caisses par les étuves. Parce que la répartition de la température au sein de l’étuve n’est pas uniforme Parce que la méthode de mesure n’est pas fiable Parce que l’étanchéité qui sépare les montée n’est pas bonne Pourquoi l’air chauffant des caisses n’est pas filtré ? Parce que le filtre d’est endommagé sans pré-informer les opérateurs de son état. Pourquoi Le filtre est endommagé sans pré-informer les opérateurs de son état ? Parce que le suivi de son état est difficile et n’est pas accessible à distance Pourquoi le suivi de son état est difficile et n’est pas accessible à distance ? Par ce que le suivi des états des filtres est ne peut être fait que par la visite des endroits des filtres nécessairement Pourquoi le suivi des états des filtres est ne peut être fait que par la visite des endroits des filtres nécessairement ? Par ce que le suivi des états des filtres est actuellement fait par la visite de sites d’installation des étuves et lecture des valeur de pression en amont et en aval de chaque filtre, et après le calcul de la pression différentielle l’opérateur peut enfin juger la qualité des filtres. Tableau 7.La définition de la problématique par la méthode 5P 28% 22% 44% 6% Les causes de la non-conformité de la qualité de production Erreur d'emboutissage Erreur de tolerie Erreur de peinture Erreur de montage
  • 48.
    32 2. Diagramme d’Ishikawaet l’arbre des causes. a. Diagramme Ishikawa. Afin de mettre en évidence toutes les causes avérées ayant une influence sur la problématique (Effet) en les arrangeant suivant les 5M et enfin de les hiérarchiser. Suite à une observation active, nous avons recensé plusieurs anomalies dans le processus de séchage et qui sont relatives directement par la problématique. Pour mettre en relief ces anomalies nous les avons schématisés sur le diagramme ISHIKAWA suivant : Figure 21.Diagramme Ishikawa du projet ❖ Interprétation. A partir du diagramme d’ISHIKAWA précédent, on a pu faire une interprétation qui met en évidence les différentes causes citées qui influencent la problématique. Méthode: Ca concerne principalement la méthode d’exécution du processus et précisément la façon de contrôler et de supervision de l’évolution instantanée de l’installation et des mesures de pression différentielle et de débit de l’air qui se font actuellement par une méthode très classique par la lecture continue des valeurs marquées dans les manomètres et les capteurs de
  • 49.
    33 débit à éguilleen amont et en aval du filtre et calculer la différence des deux valeurs pour pouvoir juger finalement si les filtres sont à bonne état ou pas. Aussi la méthodede mesure et sauvegarde dela température tout au long le passage des caisses dans les étuves qui se font actuellement par un enregistreur des données qui peut avoir d’une incertitude de mesure. Main d’œuvre : la cause relative à ce point est juste Le non-respect d’ordre de démarrage par les opérateurs qui doit être fait avec un rigorisme strict sinon il peut générer des effets catastrophiques. Moyen : Parmi les causes qui peuvent affecter principalement la distribution fixe de la chaleur dans chacune des montées desétuves et le Problème d’étanchéitésséparant les montées qui sont élaborées à base par le concept des rideaux d’air comme il est figuré dans l’image ci-dessous : Figure 22.le principe de séparation par les rideaux d’air Un autre problème peut affecter la qualité de cuisson des caisses est celui de la non-conformité de la vitesse de ces dernières dans l’étuve avec la vitesse convenable pour que la totalité de la tôle des caisses soit bien séchée, ce problème peut être causé par des pannes technique. Matière : Les problèmes suivants sont tous liés à la matière principale dans le processus de séchage par convection thermique qui est l’air, ce dernier pour être convenable à l’utilisation il doit vérifier certaines conditions : - L’air doit être filtré pour ne pas laisser des particules in voulues dans les caisses après cuisson - La pression et le débit de déroulement de l’air dans les conduites de canalisation doivent être réglés a des valeurs précises. - La valeur de la température de l’air doit être également la même que la valeur de consigne correspondante à chaque montée.
  • 50.
    34 Milieu : Traitantle milieu des étuves on trouve qu’il a des difficultés au niveau de l’accessibilité vue la température énorme des étuves ce qui diminue la fréquence decollecte des données et le contrôle classique. b. Arbre des causes Un arbre des causes est un schéma se présentant sous la forme d'une arborescence, utilisé dans le domaine des risques professionnels pour mieux identifier a posteriori tous les faits nécessaires ayant abouti à un évènement indésirable. Il s'agit donc surtout d'établir un diagramme de causes et effets. Pour voir la matrice des causes détaillée veuillez voir les annexes ... c. Diagramme de Pareto Le diagramme de Pareto est une représentation graphique des fréquences d’apparition par type de produits, de réparations, de défauts, de réclamations, de pannes ou d’accidents sur une période d’observation donnée. Le diagramme de Pareto permet de mettre en évidence les éléments les plus importants d’un problème sur lesquels devront être concentrés en priorité les efforts d’amélioration Cette analyse est également connue en gestion de production sous le nom de diagramme ABC ou loi des 80/20 qui postule que 80% des effets sont imputables à seulement 20% de causes le nom de la cause Nombre d'affectation de la qualité de cuisson par ans Pourcentage d'affectation en % Pourcentage d’affectation cumulé en % Défaillance des filtres d'air 22 51.16 51.16 Contrôle et suivi des pertes de charges 12 27.90 79.06 Incertitude de mesure et de sauvegarde des données 4 9.30 88.36 Pannes techniques (Moteurs, Variateurs) 4 9.30 97.66 La difficulté d’accessibilité au milieu 1 2.32 100 Tableau 8.Les causes principales de la problématique Après la collection et l’organisation des données et causes on trace alors le diagramme Pareto afin de pouvoir déterminer facilement les causes qui ont le poids fort affectant plus les effets, et voici le diagramme.
  • 51.
    35 Figure 23.Le diagrammePARETO Après avoir collecté les données et tracé le diagramme de Pareto ; on arrive à déterminer les causes principales de la problématique suivant la loi des 80/20 qui postule que 80% des effets sont imputables à seulement 20% de causes, donc il est clair que Défaillance des filtres d'air ainsi que le contrôle et suivi des pertes de charges sont les deux causes les plus affectifs. Conclusiondu chapitre Dans ce chapitre on a montré des mesures relatives aux indicateurs de performances de la station actuelle avec ses modes de fonctionnement classiques ,après on a fait l’analyse de notre projet en déterminant les causes racines de la problématique, on a défini toutes les causes qui peut affecter ,outre problématique par la méthode 5P ; et après on a les classifier et ranger dans des catégories suivant la méthode Ichikawa et on a les présenter dans l’arbre des abuses qui illustre toutes les causes.et parce qu’Ila des causes plus affectifs que e d’autres on a utile le diagramme de Pareto ou loi des 80/20 qui postule que 80% des effets sont imputables à seulement 20% de causes. Après tous ce travail est arrivé finalement à considérer les deuxcauses suivantes comme causes principales : - La défaillance des filtres d’air. - La difficulté de mesure et de contrôle des pertes de charges dans les étuves. Dans le chapitre prochain on vise à trouver une solution automatisée qui va rendre digitale le processus de filtrage et de mesure et contrôle des pertes de charges.
  • 52.
    36 Chapitre IV. Miseen œuvre et contrôle de l’action corrective Dans cette partie du projet, il s’agit d’appliquer des améliorations et d’élaborer des plans d’actions à chaque aléa étudié dans les parties précédentes du projet.il s’agit d’implémenter une solution de digitalisation en utlisant un API comme unité centrale d’une structure organisée
  • 53.
    37 Introduction La phase amélioration/innovationest la pierre angulaire de la démarche DMAIC, car elle représente d’une façon concrète les améliorations effectuées pour remédier aux anomalies extraites dans la phase d’analyse. Cette courante phase consiste en premier lieu, à planifier les actions à mettre en œuvre dans l’axe de temps et selon type de dysfonctionnement Les causes racines recensées dans la phase précédente seront la référence sur laquelle on va se baser pour donner des solutions simples à réaliser et moins onéreuses. I. Présentationgénéralede la solution 1. Plan d’action. Le problème La solution L’état La défaillance fréquente des filtres d’air.et manque de surveillance de ses états. Implémentation d’une solution automatisée qui a pour but de juger la qualité des filtres Faite Le manque de contrôle et de supervision des pertes de charges Installation des capteurs de pression différentielle et de débit et affichage des valeurs dans des IHM Faite La méthode de mesure de l’évolution de la température au sein des étuves Plongement des thermosondes dans chaque montée pour suivre l’évolution aussi que pour la comparer avec la courbe de cuisson de référence. Faite La difficulté d’accessibilité au site d’installation des étuves vue les contraintes de l’énorme chaleur et le dur milieu . Création des interfaces de supervision distants et proches des opérateurs et loins de toutes sources de perturbation. Faite Tableau 9.Plan d'action du projet 2. Choix de la solution à adopter Pour répondre à ces problèmes plusieurs solutions peuvent être utilisés, mais une seule qui peut être commode et convenable avec les norme de l’entreprise .La solution doit répondre surement aux exigences du cahier des charges et aussi doit respecter les normes du sécurité informatique et la compatibilité avec l’architecture technique déjà implémentée dans les départements de l’usine ,alors la solution proposée c’est l’automatisation et la supervision des processus de mesure et de contrôle des grandeurs relatifs aux étuves en utilisant des API et des interfaces de supervision IHM qui vont être reliés avec le bus de terrain ProfiNet.
  • 54.
    38 3. Etude defaisabilité L’étude de faisabilité est une étude qui s’attache à vérifier que le projet soit techniquement faisable et économiquement viable. a. Faisabilité technique. Concernant la faisabilité technique la solution est 100 % faisable vu la disponibilité matérielle et logicielle de tous les outils qui peuvent être utilisé (API, Capteurs, IHM …) b. Faisabilité financière Concernant la faisabilité financière n’est pas un grand obstacle pour l’implémentation de notre solution vu la disponibilité de tout le matériel dans le stock de l’usine. Alors la solution et faisable techniquement et financièrement. 4. Analyse des risques du projet : Le bon déroulement de ce projet dépend d’une bonne évaluation des risques durant la période de projet, Pour cette raison j’ai mis en place une étude qui m’aidera à anticiper et de limiter au maximum les risques qui pourraient survenir pour tenter de réduire leurs impacts sur le bon déroulement du projet et d’envisager les actions nécessaires à mettre en place pendant toutes les phases de réalisation du projet. L’analyse réalisée va être présentée sous forme d’un tableau de type AMDEC (Analyse des modes de Défaillance de leurs Effets et de leurs Criticités) G : Gravité P : Probabilité D : Détectabilité 1. Négligeable 1 : Improbable 1 : Non détectable 2. Mineure 2 : Peu probable 2 : Peu détectable 3. Majeure 3 : Probable 3 : Facilement détectable Tableau 10.Hiérarchisation des facteurs du tableau AMDEC Criticité : C = G*P*D Le tableau ci-dessous présente l’analyse AMDECdes risques du projet considérés et les actions préventives à mettes en place afin de les maitriser.
  • 55.
    39 Tableau 11.Analyse desrisques du projet II. Etudetechniqueet implémentationdela solution 1. Conception préliminaire ❖ Contraintes d’environnement Environnement Caractéristiques Altitude 100 m Conditions Climatologiques Été : +31°C - 36% HR Hiver : +5°C - 50%HR Tableau 12.Contraintes d'implantation ❖ Contraintes d’éxploitation. Risque Cause Effet G P D C Actions préventives Inachèvement des objectifs visés Le non prise en considération des différents données Echec d’atteint des objectifs 3 2 3 18 - Planification et suivi d’avancement La non mise en test de la solution L’arrêt temporaire de la production en première cadence aux effets du COVID-19 Absence des livrables touchables er mesurables 2 3 2 12 Prévoir un plan d’action en week-end et la période d’arrêt en aout. Non-respect du planning Plusieurs actions en parallèles Retardement du projet 3 2 2 12 Planifier les actions prioritaires. Réseaux d’alimentation électrique Types Caractéristiques Electricité Force Motrice Normale FMN Nature : 4 Câbles L1, L2, L3, PEN Tension :400 V Régime de neutre : TN-C 4 Câbles Courant de court-circuit Icc : 35kA Electricité Force Motrice Secouru FMS Nature : 4 Câbles L1, L2, L3, PEN Tension :400 V Régime de neutre : TN-C 4 Câbles Courant de court-circuit Icc : 35kA Electricité Sauvegardée (API, Régulateurs, Appareils électroniques…) Nature : 2 Câbles Tension : 24V Régime de neutre : ------ Courant de court-circuit Icc :-----
  • 56.
    40 Réseaux d’air compriméé TypesCaractéristiques Air comprimé peinture Pression : 6,3 Bar Filtration : 0,01 ppm Outils de développement Types Caractéristiques Logiciel TIA Portal Tableau 13.Contraintes d’exploitation. 2. Eléments de l’installation : Tableau 14.Eléments d’installation 3. Conception architecturelle. a. Description détaillée de la solution L’idée générale de la solution est de répondre aux exigences du cahier des charges d’une manière satisfaisante le besoin et en même temps qui doit être conforme aux normes de l’automatisation et les protocoles techniques utilisées dans les usines de RENAULTTanger. Les grands problèmes del’intervention sont la mesure et le contrôle des pertes des charges (ΔP, Débit) est alors avoir un jugement préalable sur la qualité des filtres des filtres des étuves du département PEINTURE, aussi le suivi de l’évolution de la température dans les montées des étuves. Reference Dénomination Type PUPITRE EXPLOITATION LIGNE Étuve de Cataphorèse CPU API Type Unité centrale contrôleur 319 PN/DP PLC Memory Card Carte de mémoire 4Mb Lampe Lampe dans le pupitre Non UPS Système d’alimentation ininterrompue Oui DE45 Capteur de pression différentielle Capteur de débit PT-100 Sondes de température Réfrigération Système de réfrigération Oui Communication Option communication PN/PN Oui Langage Langage Français Ethernet Ethernet Non PSF-SIPTOL PSF-SIPTOL Non RS232 Communication RS232 Non
  • 57.
    41 Notre solution serasubdivisée en deux sous -processus : - La mesure des pertes de charges et contrôle de qualité des filtres d’air. - Le suivi de l’évolution de la température instantanée dans chacune des montées des étuves. L’architecture ci-dessous est l’architecture de base de la solution d’automatisation proposée constituée principalement d’un API est des capteurs aussi qu’une IHM est les outils du réseau local industriel. Donc on va implémenter cette architecture dans chacune des étuves de séchage du département PEINTURE. Nom de l’étuve Le matériel requis Etuve électro-revêtement (étuve cataphorèse) - S7-300 CPU313C-2DP5Sondes de température PT100 - Capteur de pression différentielle - Capteur de débit - ET200S - Bloc d’alimentation de secours - Câbles et connecteurs (ProfiNet) - Switch IE (SCALANCE X216) Etuve produit d'étanchéité Etuve apprêt Etuve laques Tableau 15.Le matériel requis dansles étuves. b. L’architecture matérielle et logicielle de la solution Figure 24.l'architecture du projet
  • 58.
    42 4. Critères dechoix du matériel a. Le choix des capteurs. ❖ La sonde PT100. Une sonde Pt100 est un type de capteurs de température aussi appelé RTD (détecteur de température à résistance) qui est fabriqué à partir de platine. L'élément Pt100 a une résistance de 100 ohms à 0 °C. ce capteur est équipé d'une gaine de protection ou de montage pour former une sonde de température, et celui-ci est couramment appelé un PRT (thermomètre à résistance de platine) ou une sonde Pt100. Son principe de fonctionnement est basé sur l’injection d’un courant constant et continu dans un pont de wheatstone, la variation de la température change la valeur de la résistance suivant la courbe ci-dessous, a fin de de délivrer une tension proportionnelle à la température.[8] Figure 25.Sonde de platine PT100 Figure 26.Modèle électrique de PT1000
  • 59.
    43 Figure 27. Lacourbe caractéristique de la PT100 (Résistance-Température). ❖ Le capteur de pression différentielle Le DE45 est un contacteur multifonction avec sortie de transmetteur en option. Il convient aux mesures de surpression, de dépression Et de différence de pression en milieux gazeux. Les domaines d'utilisation sont notamment : - La technique de la climatisation. - La technique de la ventilation. - La technique de l'environnement. Les pressions à mesurer agissent directement sur une membrane en silicium munie de résistances piézo-électriques. Des changements de pression génèrent des changements de résistance qui sont exploités par l'électronique intégrée au dispositif et transformés en affichage, contacts de commutation et signal de sortie. Le signal de sortie peut être atténué, inversé, étalé ainsi que transformé non-linéairement par l'intermédiaire d'une fonction tableau (Voir Indexes -Datasheet Capteurs-) [6] Figure 28.Capteur DE45 Figure 29.Schéma de fonctionnement du DE45 ❖ Le capteur de débit d’air Le SITRANS MAG 3100 est un capteur de débit électromagnétique avec une grande variété de revêtements et de matériau d’électrodes. Sa robustesse et sa construction entièrement soudée lui permettent de s’adapter parfaitement à presque toutes les applications de mesure de débit. Divers revêtements sont disponibles, et le débitmètre électrowmagnétique 3100 est fourni avec des électrodes de mesure capables de résister aux procédés les plus extrêmes. Pour avoir un débitmètre électromagnétique complet, le MAG3100 doit être combiné avec l’un des émetteurs MAG suivants :
  • 60.
    44 • Le MAG5000 SITRANS FM : Un émetteur économique, précision de +0.4% de taux de débit. • Le MAG 6000 SITRANS FM : Communication par bus, fonction batch et précision de +0.2% du débit. Figure 30.Capteur de débit Siemens b. Le choix de la partie de commande. ❖ Rappel Dans ce projet nous avons choisi d’utiliser un automate programmable industriel (API) comme composant principale de commande. Dans ce qui suit, on détaille la partie de commande proposée. - L’automate programmable L’automate programmable est un système de traitement logique d’informations dont le programme de fonctionnement est effectué à partir d’instructions établies en fonction du processus à réaliser, la structure d’un API peut être représentée comme indiqué par la figure ci-dessous
  • 61.
    45 Figure 31.La structureinterne des automates L’API est composée essentiellement d’une unité centrale de traitement, à base d’un microcontrôleur, d’une mémoire de stockage interne et de ports d’entrées/sorties TOR ou analogiques. • Le programme de traitement est stocké en mémoire • L’unité de traitement pilote le fonctionnement de l’automate • Les interfaces d'entrées : Elles sont destinées à recevoir l'information en provenance du capteur et de mettre en forme les signaux correspondants tout en éliminant les parasites et en isolant électriquement l'unité de commande de la partie opérative. • Les interfaces de sorties : elles permettent de commander les divers pré-actionneurs et les éléments de signalisation du système tout en assurant l'isolement électrique. • La console de programmation assure le dialogue entre l’opérateur et l’automate. L’automate lit en permanence et à grande vitesse les instructions du programme dans la mémoire. Selon la modification des entrées, il réalise les opérations logiques entre les informations d’entrées/sorties. Le temps de lecture d’un programme est inférieur à 10 ms, ce temps est très inférieur au temps d’évolution d’une séquence. ❖ Choix de CPU Pour obéir aux exigences du cahier des charges C’est dans cet esprit qu’on a choisie l’API S7-300 CPU 319-3 PN/DP L’automate choisi, ci- contre se caractérise par ➢ Une mémoire de travail intégrée 64Ko. ➢ Une CPU avec une mémoire de 2Mb. ➢ 24 entrées/16 sorties TOR, 5 entrées/2sorties analogique ➢ Interface MPI/DP 12MBIT/S.
  • 62.
    46 ➢ Interface DP-master/slave. ➢Interface Ethernet Profinet avec 2 ports switch. L’utilisation d’une Micro Carte de mémoire est nécessaire. voir plus... Figure 32.L'automate Siemens S7-300 avec ProfiNet intégré. c. Choix de l’unité décentralisée Pour ce projet nous avons choisi d’utiliser les unités décentralisées ET200S. Le système de périphérie ET 200S se compose principalement de divers modules terminaux passifs sur lesquels on peut connecter les capteurs. Le système de périphérie décentralisé ET 200S se raccorde au PROFINET au moyen du connecteur RJ 45 situé sur le module d’interface. A travers ce module, la périphérie décentralisée est connectée à l’automate (unité centrale de commande) Les modules électroniques à entrées analogiques de l’ET 200S permettent d'acquérir, d'analyser et de convertir en valeurs numériques les signaux analogiques des capteurs.la figure ci-dessous montre la méthode de câblage de l’ET200S. 1 : Alimentation de l’électronique 24V cc 2 : Alimentation des capteurs 24 V CC groupe de potentiel 1 3 : 24 V CC groupe de potentiel 2
  • 63.
    47 Figure 33.L'unité décentraliséeET200S d. Ecran de supervision Le pupitre tactile TP 270 appartient à la famille de produits en milieu de gamme. Les pupitres opérateurs se basent sur le système d'exploitation standard et innovateur Microsoft Windows CE. Ils allient ainsi la robustesse et la rapidité des solutions matérielles dédiés à la flexibilité du monde des PC. Le MP 270B est un représentant de la catégorie de produits "plateforme multifonctionnelle" et se distingue par sa flexibilité d'utilisation il présente les avantages suivants : • Grande efficacité de configuration • Simulation de la configuration sur la console de programmation (sans automate) • Représentation aisée et commande du processus avec un panneau de configuration conforme à Windows • Dynamisation d'objets graphiques, par exemple déplacer des objets
  • 64.
    48 Figure 34.Ecran HMIsupervision MP 277 10 ‘’touch e. Switch Scalance X204-2 Le commutateur "apprend" l'adresse(les adresses) Ethernet d'unappareil PROFINETconnecté ou d'un autre commutateur et transmet les signaux qui sont destinés à l'appareil PROFINET ou au commutateur connecté. Le switch choisi SCALANCEX204-2, est un commutateur Industriel Ethernet managé, caractérisé par : - -4 ports RJ45 10/100 Mbit/s. - 2 connecteurs femelles BFOC 100 Mbit/s - Contact de signalisationparamétrable par touche. - Alimentation redondante. La figure ci-dessous illustre le switch SCALANCEX204-2.
  • 65.
    49 Figure 35.Switch ScalanceX204 f. Liaison ProfiNet Dans l'industrie la transmission conventionnelle des signaux entre les capteurs/actionneurs et les modules d'entrées/sorties du système de contrôle-commande est réalisée par des liaisons point-à-point parallèles à fil en cuivre. Les signaux analogiques sont généralement transmis avec un niveau. Contrairement à cette technique, les systèmes de bus de terrain, tel que PROFINET, permettent une communication numérique entre le système d'automatisation (contrôleur: API) et les appareils de terrain (unité décentralisée) et ausssi avec les interfaces de supérvison IHM selon des architectures divers (Arbre,Etoile,Bus) dans ce projet on a choisi l’architecture étoile. La connexion des partenaires de réseau à un switch produit automatiquement une topologie de réseau en étoile. La défaillance d'un appareil PROFINET ne provoque pas forcément la défaillance du réseau complet comme c'est le cas avec d'autres structures. Seule la défaillance d'un switch entraîne la défaillance d'une partie du réseau de communication. La figure présente la structure d’un réseau PROFINET à architecture étoile, tous les équipements sont connectés à commutateur via descâbles 100Base-TX et desconnecteurs RJ45
  • 66.
    50 Figure 36.Communication (PLC-HMI-ET200)via ProfiNet 5. Codage et réalisation a. Algorithmes de fonctionnement Les deux diagrammes ci-dessous illustrent l’algorithme suivie pour suivre les pertes des charges et la qualité des filtres d’air et l’algorithme de suivi de température des étuves : • Algorithme de suivi des pertes des charges et de qualité des filtres d’air. Figure 37.Algorithme de suivi des pertes des charges et de qualité des filtres d’air.
  • 67.
    51 • Algorithme decontrôle de l’évolution de température au sein des étuves Figure 38.Algorithme de suivi de température b. Outils logiciels ❖ TIA Portal. La gestion du projet et sa programmation ont été fait grâce au logiciel « Totally Integrated Automation Portal », La plateforme de développement TIA Portal de siemens permet de faire un gain important en temps lors du développement de systèmes d'automatisation.Cette plateforme est très architecturée proposant les sections HMI pour les interfaces, réseaux et Motion pour la commande de moteurs et variateurs. Grâce à PLCSim, on peut simuler de manière intuitive notre projet avant de la déployé sur un contrôleur[10] Figure 39.La technologie de Totally Integrated Automation Portal
  • 68.
    52 6. Configuration etprogrammation de l’API. a. La configuration matérielle. Figure 40.La configuration matérielle du projet La structure est constituée principalement d’un API de CPU 317F-2[PN/DP] et une unité décentralisée ET200S IM 151-8 PN/DP et d’un écran de supervision MP 277 10 ‘’touch . ❖ La configuration matérille d’API Figure 41.Configuration matérielle de l'API En respectant la structure classique des automates programmables industriels modulaires, dont on pose sur un châssis (Rack) qui est constituée principalement de CPU 317F-2[PN/DP] et aussi le module d’alimentation PS 307 5A caractérisé par une alimentation externe AC120/230V : DC24V/5A et aussi le module CP 340 RS232C qui est un processeur de communication avec connecteur : RS232C ; on peut ajouter de plus des modules d’entrées/sortie mais ce n’est pas le cas dans ce projet.
  • 69.
    53 ❖ La configurationmatérielle de l’unité décentralisée. Figure 42.Configuration matérielle de l'unité décentralisée Pour la configuration de l’ET 200S elle exactement similaire à la configuration de l’API , on pose sur un châssis l’élément principal qui est le CPU IM 151-8 PN/DP , de plus le module d’alimentation pour les modules électroniques PM-E 24VDC. Et puisque l’objectif principal de l’ET200S est la décentralisation du traitement càd offrir la possibilité d’installation du CPU séparément des modules d’E/S donc on les ajoute dans l’unité décentralisée, les modules ajoutés sont : - 2 modules d’entrées analogiques normales 2AI x U ST. - 3 modules d’entrées analogiques pour les capteurs de températures résistifs 2/4AI x RTD ST - 1 Module de sorties numériques pour déclencher les différentes alarmes 8DO x 24VDC / 0.5A_1 Pour voir les connexion sélectriques des capteurs avec l’unité décentralisée cliquer ici b. La configuration du réseau ProfiNet Tous les appareils PROFINETétant conçus pour le protocole TCP/IP, leur fonctionnement sur réseau Ethernet nécessite une adresse IP. Pour simplifier la configuration, l’attribution de l’adresse IP est faite lors de la configuration de l'IO-Controller sous TIA Portal/HW Config, les adresses IP des IO-Devises possèdent toujours le même masque de sous-réseau que l'IO-Controller et sont attribuées dans l'ordre croissant à partir de l'adresse IP de l'IO-Controller. Le tableau ci-dessous figure les différentesadresses IP desdifférentspériphérique (CPU,Unité décentralisée, MI)
  • 70.
    54 Le nom del’équipement Adresse IP Masque de sous réseau CPU 317F-2[PN/DP] 192.168.0.4 255.255.255.0 ET200S(CPU IM 151-8 PN/DP ) 192.168.0.2 255.255.255.0 HMI MP 277 10'' Touch 192.168.0.3 255.255.255.0 Tableau 16.Attribution des adresses IP ❖ La configuration ProfiNet du CPU. Figure 43.La configuration Profinet du CPU ❖ La configuration ProfiNet de l’unité décentralisé ET200S Figure 44.La configuration Profinet de l'ET200S ❖ La configuration ProfiNet de L’HMI MP 277 10 ‘’touch Après la configuration ProfiNet et l’attribution des adresses IP des différents équipement du réseau, finalement ces équipements appartient au même réseau 192.168.0.X, la vue globale du réseau sera comme ci-dessous :
  • 71.
    55 Figure 45.La configurationProfinet de l’HMI Figure 46.La structure du réseau Profinet c. La programmation des blocs en Ladder Le programme est constitué desix fonctions qui sont appelées dans le bloc d’organisation OB1, chacune de ces six fonctions a pour fonction de traiter une des taches souhaitées par la solution toute entière. [4] Figure 47.Les fonctions de programmes du projet
  • 72.
    56 ❖ La modélisation(GRAFECT) des fonctions (étuveX) (X:1,2,3,4,5) ❖ La modélisation (GRAFECT) de la fonction (Suivi des pertes des charges) N.B: Les détails du programme ladder de chaque fonction ainsi que celui de la fonction principale sont dans les annexes(Voir Annexes). Et pour avoir une très bonne communication entre le système et le processus, et aussi pour faciliter l’accessibilité aux mesures des grandeurs physiques présents dans le processus on a élaboré des HMI, qui vont être présentés dans les paragraphes suivants.
  • 73.
    57 d. Supervision dusystème ❖ La supervision du système L’objectif de la supervision est le suivi du système dans toutes ces étapes de fonctionnement. Il est nécessaire de savoir l’évolution instantanée de la température au sein des étuves et aussi avoir une idée sur la mesure de la pression différentielle et de débit d’air et alors pouvoir juger la qualité des filtres d’air. La supervision forme ainsi l’outil de pilotage des processus industriels, et l’acquisition des informations en vue de les exploiter pour détecter les anomalies de fonctionnement. ❖ Détermination des entrées et des sorties de systèmes Les variables de notre application HMI sont les paramètres de communication avec l’automate Figure 48.Les variables d'état de l'HMI Généralement se sont des bits et de mots de mémoire qui renseignent sur les états des sorties et des entrées qui sont transmises de l par la suite à l’API à travers la liaison Profinet. ❖ Interface HMI de TIA Portal Les interfaces HMI sont développées pour la commande et la supervision dansl’environnement SIMATIC. Les différentes étapes de réalisation d’une application HMI sous TIA Portal sont les suivantes :
  • 74.
    58 • Choix detyped’automateet détermination dela liaison HMI-API (ProfiNet : dans notre cas) • Définition des variables de l’application (types des entrées et des soties de système) • Paramétrage des différentsoutils decommande (boutons et voyant) en fonction del’état des variables. ❖ Développement de l’application HMI sur TIA Portal Dans l’étape de la création et configuration de l’interface on a fait 3 vues : - la vue de suivi des pertes de charges et contrôle de qualité des filtres. Figure 49.La vue de suivi des pertesde charges et de qualité des filtres - La vue de suivi de l’évolution de la température dans les montées des étuves Modèle d’une étuve La canalisation d’air Filtre d’air Bruleur d’air
  • 75.
    59 Figure 50.La vuede suivi de l'évolution de la température dans les montées de l'étuve - La vue des courbes de pression différentielle et de débit Résumédu chapitre Après avoir choisi la meilleure solution à adopter en se basant sur l’étude de faisabilité, dans ce chapitre on a essayé defaire une étudeglobale et détaillée sur les différentesexigences ducahier des charges et on a adopté une solution technique pour chacune d’elles. On a choisi la partie matérielle et logicielle les plus commodes aux spécifications techniques duprojet, après le choix des différentsmatériels on a paramétré la configuration réseau Profinet Une montée de l’étuve Etat de la température
  • 76.
    60 des différentesstations, ensuite on a programmé le CPU et finalement on a réalisé les interfaces HMI qui présentent la valeur ajoutée du projet qui vise à améliorer la qualité et abaisser la consommation énergétique et aussi le temps d’intervention pour la maintenance.
  • 77.
    61 Conclusion générale etperspectives Le travail présenté dans ce mémoire de projet fin d’études a été réalisé au sein de Renault Tanger. Ce projet a pour objectif La digitalisation de suivi des pertes des charges et la filtration d’air des étuves du département PEINTURE. Renault Tanger Exploitation est une parfaite plateforme industrielle pour passer un projet de fin d’études de qualité ingénieur, car elle assemble la haute technologie, la maitrise des processus de production, une gestion rigoureuse et une maitrise parfaite des ressources. Or, toute organisation a toujours besoin d’améliorer ce qu’est déjà bon et correct. Une Fatalité à laquelle toute entreprise est soumise, pour rester compétitive dans un marché où la concurrence est de plus en plus acharnée. Au terme de ce travail, nous avons pu saisir l’occasion de traiter un sujet faisant partie des premières préoccupations, non seulement de Renault mais aussi de toute entreprise, à savoir l’amélioration de la qualité et la diminution de la consommation ce qui va améliorer automatiquement la productivité et la performance. Grâce à une étude détectable on a arrivé à connaitre les points de défauts de la station étudiée afin de pouvoir spécifier les causes racines et aussi les causes qui ont un grands effet sur la problématique tout en suivant des outils de management qui orientent le travail. Après avoir choisi exactement les causes de la problématique on a pensé à une solution qui assure le transfert vers la digitalisation de la station en implémentant une structure automatisée dont l’API est l’axe fondamental, ce dernier est connecté avec autres périphériques (Unités décentralisés, Interfacedesupervision, Capteurs, Alarmes) pour achever et répondre totalement aux exigences du cahier des charges. En perspective on n’a pas eu la chance d’assister à la réalisation et la mise en œuvre de la solution sur terrain vu l’arrêt de la présence à l’entreprise, cette implémentation va montrer surement l’efficacité de la solution choisie aussi que d’autres indicateurs à modifier ou à changer carrément ;il a la possibilité d’implantation des techniques de l’industrie 4.0 en immergeant tous le traitement dans un framework cloud pour avoir plus d flexibilité En conclusion on peut dire que cette expérience de projet à Renault, m’a été en tout point bénéfique, car elle m’a permis demettre en application et consolider un certain capital théorique déjà acquis tout au long des années passées. Il m’a également permis d’améliorer nos capacités relationnelles et professionnelles même si on n’a pas pu profiter plus vu l’arrêt oblige du projet le 15/03/2020
  • 78.
    62 Bibliographie [1] Jean-Marc Gallaire,«Les outils de la performance industrielle »,Edition:EYROLLES. [2] O. Zahran , H. Kasban, F. E. Abd El-Samie, Utilization of Gamma Rays for Troubleshooting in Distillation Columnsof Petrochemical, The Online Journal on Electronics and Electrical Engineering (OJEEE), 2004 [3] Rabei Mohammed Al-louch, Automatisation d’une installation de distillation, projet de fin d’études,Institut Supérieur Industriel, Bruxelles,2005/2006 [4]Christian Merlaud, JacquesPerrin,Jean-Paul Trichard, Automatique informatique industriel, Edition DUONOD, Paris 1995 [5]C.T.Jones,Step7 in 7 Steps,ApraticalGuide to ImplementingS7-300/S7-400Programmable Logic Controllers First Edition 2006 [6]Système de périphérie décentralisée ET 200S, Siemens, SIMATIC, Edition 02/2003
  • 79.
    63 Webographie [1] http://www.renault.com , [2]http://www.lean-manufacturing.fr/, [3]http://www.amelioration-continue.fr/ , [4]http://www.dmaictools.com /, [5]http://office.microsoft.com/fr-be/excel-help , [6]https://www.rshydro.fr/debitmetres/les-debitmetres-electromagnetiques/mains-powered-electro magnetic-flowmeters/le-debitmetre-electromagnetique-sitrans-3100/ [7] https://www.mabeo-direct.com/A-527237-siemens-peripheries-simatic-et200sp-coupleurs-cpu [8] https://fr.rs-online.com/web/p/capteurs-de-temperature-a-resistance-platine/5488512 [9]http://www.definition-qualite.com/charte- projet.htm#:~:text=La%20charte%20projet%20est%20un,que%20les%20principaux%20jalons%20te mporels. [10] https://www.gantt.com/fr/
  • 80.
    64 Annexes o Arbre descauses La courbe de température mesurée dans les étuves ne suitpas la courbe de cuisson prévue Main d’œuvre Le non-respect d’ordre de démarrage par les opérateurs Absence de contrôle et de supervision de ses qualités Moyen Instabilitéla vitesse de déplacement des caisses Pannes techniques (Moteurs, Variateurs) Problèmes d’étanchéités séparantles montées Problèmes d’isolation des rideaux d’air L'instabilitédes valeurs précises des pertes de charges Méthode Méthode de mesure de la température. Incertitude de mesure et de sauvegardedes données Méthode de contrôleet de supervision du processus Matière L’instabilitédu débit et de pression del’air Problème au niveau des échauffeurs (Bruleur, CES) La température de l’air n’est pas bien juste Problème au niveau des échauffeurs Absence de contrôle et de ses qualités L’air chauffantn’est pas filtré Défaillancedes filtres Milieu Manque de contrôle des pertes de charges Absence de contrôle et de ses qualités La difficultéd’accessibilité au milieu Manque de contrôle des pertes de charges
  • 81.
    65 o Données techniquessur le capteur de pression
  • 82.
  • 83.
    67 o Données techniquessur PT100 Tableau 17. Données techniques sur PT100 Plage de mesure 0 à 10 m / s Tailles nominales De DN 15 à DN 2000 (½ "à 78") Précision 0,2% ± 1 mm / s Pression de fonctionnement Max. 100 bars (maxi 1450 psi) Température ambiante De -40 à 100 ° C (-40 à +212 ° F) Moyenne température De -40 à 180 ° C (-40 à 356 ° F) Revêtements Néoprène EPDM PTFE PFA Ebonite Linatex Electrodes Acier au carbone (où AISI 304) avec un revêtement epoxy à deux composants résistant à la corrosion où Brides et corps polis AISI 316 L Homologations Générales Ex : ATEX, FM, CSA, CT et les homologations d’eau potable
  • 84.
    68 o Données techniquessur capteur de débit d’air
  • 85.
  • 86.
    70 o Le programmeLadder ❖ Le bloc d’organisation
  • 87.
  • 88.
  • 89.
  • 90.
  • 91.
  • 92.