INSTITUT SUPERIEUR DES ETUDES TECHNOLOGIQUES DE NABEUL
******************************************
DEPARTEMENT GENIE MECANIQUE



FASCICULE DES TRAVAUX PRATIQUES
ATELIER CAO (CATIA V5)
Elaboré par
CHOUCHENE Mohamed
Niveau : Troisième année, options CFM
Année Universitaire: 2013 / 2014
Atelier CAO (CATIA V5) ISET Nabeul
Elaboré par : Chouchéne Mohamed 1/51
Partie I : Présentation du logiciel CATIA
1- Introduction :
CATIA, acronyme de Conception Assistée Tridimensionnelle Interactive Appliquée, est un
logiciel de CAO mis au point par la société Dassault Aviation pour ses propres activités. Il
regroupe un nombre important de modules totalement intégrés dans un seul et même
environnement de travail. Ces modules permettent de modéliser une géométrie (CAO), de
réaliser des analyses et des simulations (IAO), de mener une étude d’industrialisation
(conception des outillages), de générer les programmes de commande numérique pour les
machines-outils (FAO), d’établir les plans d’usines etc
2- Interface de CATIA V5:
3- Utilisation de la souris :
Sélection d'un élément: bouton gauche – clic court.
Sélection de plusieurs éléments: maintenir la touche Ctrl enfoncée
puis sélectionner les éléments. Ctrl +
Déplacement : enfoncer le bouton central et déplacer la sourie
Rotation: maintenir le bouton central puis le bouton droit enfoncés
et tourner la sphère centrée à l'écran.
Zoom: enfoncer le bouton central et le bouton droit enfoncé puis
relâcher le bouton droit et se déplacer verticalement pour zoomer
vers l'avant ou l'arrière. puis
Menu contextuel: Bouton droit
Atelier CAO (CATIA V5) ISET Nabeul
Elaboré par : Chouchéne Mohamed 2/51
4- Le module de la conception mécanique :
Le module de conception mécanique comprend plusieurs ateliers tels que :
- Part Design : Modélisation volumique de pièces mécaniques.
- Assembly Design : Modélisation d’assemblages de pièces mécaniques.
- Sketcher : Esquisse 2D.
- Drafting : Mise en plan des pièces (dessin de définition) et des assemblages (dessin
d’ensemble).
- Wireframe and Surface Design : Modélisation des surfaces et éléments
filaires. Atelier complémentaire de l’atelier « Part design ».
- Sheetmetal Design : Atelier de tôlerie.
* Remarques :
- L’atelier « Part Design » fait appel automatiquement et de façon transparente pour
l’utilisateur à l’atelier « Sketcher » pour la réalisation de contours 2D.
- Catia V5 vous permet de naviguer dans les différents ateliers en gardant un lien entre les
différents modèles créés. La modification dans un atelier impacte ainsi tous les modèles qui lui
sont liés, c’est ce que l’on appelle l’associativité des modèles.
5- L’atelier Sketcher :
5.1 Présentation de l’atelier :
Cet atelier permet de définir des contours 2D servant de support aux objets 3D et des courbes
servant de guides pour la génération d’objets 3D.
L’atelier s’active, entre autres, grâce à la commande « Esquisses » de l’atelier « Part
Design » et en sélectionnant un plan d’esquisse sur lequel seront définis les éléments
géométriques 2D
L’environnement de travail est le suivant :
Atelier CAO (CATIA V5) ISET Nabeul
Elaboré par : Chouchéne Mohamed 3/51
5.2 les barres d’outils de l’atelier Sketcher :
a/- Barre d’outils Contour :
* Menu contour prédéfinie :
Menus Actions
Contour Permet de créer un profil composé de lignes et d’arcs de cercle
Contour prédéfinie Permet de créer des rectangles, des polygones et autres contours
Cercle Permet de faire des cercles, des ellipses, des arcs…
Spline Permet de faire de splines
Conique Permet de faire des coniques
Droite Permet de faire des lignes
Axe Permet de faire des axes
Points Permet de faire des points
Atelier CAO (CATIA V5) ISET Nabeul
Elaboré par : Chouchéne Mohamed 4/51
* Menu cercle :
* Menu droite :
b/- Barre d’outils Contrainte:
Outre la détection automatique de contraintes, on peut définir à posteriori les contraintes
géométriques et dimensionnelles d’une esquisse :
- Boîte de dialogue des contraintes : cette commande est utilisée après avoir
sélectionné un ou plusieurs objets. La boîte de dialogue ci-dessous apparaît alors. Seules
les contraintes applicables à la sélection peuvent être choisies. Pour appliquer une
symétrie, il faut sélectionner les deux éléments symétriques puis un élément représentant
l’axe de symétrie. Pour l’équidistance, sélectionnez les deux points équidistants puis le
point central.
Atelier CAO (CATIA V5) ISET Nabeul
Elaboré par : Chouchéne Mohamed 5/51
- Esquisse sous-contrainte : Quand le nombre de contraintes géométriques n’est pas
suffisant pour définir complètement un contour, celui-ci apparaît en blanc. On peut alors
modifier les éléments géométriques en les déplaçant à la souris.
- Esquisse correctement contrainte : Quand le contour est parfaitement défini, il apparaît
en vert.
- Esquisse sur-contrainte : Quand des contraintes géométriques sont redondantes,
l’esquisse et les contraintes superflues apparaissent en violet. Une esquisse sur-contrainte
ne peut être validée.
Il existe deux types de contraintes :
* Les contraintes dimensionnelles :
Atelier CAO (CATIA V5) ISET Nabeul
Elaboré par : Chouchéne Mohamed 6/51
* Les contraintes géométriques :
c/- Barre d’outils Opérations sur les objets :
Atelier CAO (CATIA V5) ISET Nabeul
Elaboré par : Chouchéne Mohamed 7/51
6- L’atelier Part Design :
6.1 Présentation de l’atelier :
Cet atelier permet de créer des objets 3D volumiques à partir d’esquisses 2D ou de modifier des
éléments déjà définis (congés, chanfreins, symétrie etc).
* Remarque : Liens entre les ateliers « Part Design » et « Sketcher »
Le passage d’un atelier à l’autre se fait de façon transparente pour l’utilisateur grâce à :
- La fonction esquisse qui permet de passer de l’atelier Part Design à l’atelier sketcher.
- La fonction sortie de l’atelier qui permet de quitter l’atelier Sketcher et revenir à l’atelier
Part Design.
L’atelier Part Design L’atelier Sketcher
6.2 Les barres d’outils de l’atelier Part Design :
a/- Barre d’outils Composants issus d’un contour :
Atelier CAO (CATIA V5) ISET Nabeul
Elaboré par : Chouchéne Mohamed 8/51
b/- Barre d’outils Composants d’habillage :
c/- Barre d’outils Composants de transformation :
Atelier CAO (CATIA V5) ISET Nabeul
Elaboré par : Chouchéne Mohamed 9/51
7- L’atelier Assembly Design :
7.1 Présentation de l’atelier :
Cet atelier permet de créer des produits constitués de différentes pièces mécaniques réalisées
dans l’atelier “Part Design”. Les liaisons entre les solides sont définies par l’intermédiaire des
contraintes géométriques liant une ou plusieurs entités géométriques des pièces assemblées.
7.2 Les barres d’outils de l’atelier Part Design :
a/- Barre d’outils Contraintes :
Coïncidence : permet de déclarer la coïncidence entre deux entités de même nature : 2
axes, 2 plans, etc…
Contact : permet de déclarer le contact entre deux surfaces solides du produit (les plans
de référence ne peuvent être utilisés ici
Distance : même chose que contact mais avec un décalage d’une surface par rapport à
l’autre. Les plans peuvent être utilisés ici
Angle : permet de spécifier un angle entre deux surfaces
Fixe : permet de définir les pièces qui n’ont pas de mouvement par rapport au référentiel
de base. Il est conseillé de commencer par fixer le carter avant d’aborder d’autres
contraintes
Fixité relative : permet de définir une liaison encastrement (aucun mouvement possible)
entre deux pièces du produit.
Mode rapide : en activant cette commande, l’utilisateur désigne directement les
entités géométriques et CATIA instancie la contrainte la plus adaptée à la désignation
b/- Barre d’outils Déplacements :
Manipulation : permet de déplacer (translation ou rotation) une pièce selon une
direction spécifiée. En cochant « Sous contraintes », le déplacement se fait en
respectant les contraintes déjà déclarées, ce qui permet de simuler « à la main
» la cinématique d’une pièce et observer par exemple une loi d’entrée- sortie
Alignement : permet d’aligner deux entités géométriques afin de réorganiser
le positionnement des différentes pièces. Attention, cette commande ne créé par
de contraintes géométriques permanentes mais permet uniquement de manipuler
rapidement les objets pour les amener dans une position proche de leur
configuration finale
c/- Barre d’outils coupe :
Coupe : permet de couper un assemblage à l’aide d’un plan ou d’une surface à
spécifier. Une boîte de dialogue apparaît alors permettant une coupe sélective effectuée
sur des pièces à choisir dans une liste. Pour supprimer une coupe, passer par sa
représentation dans l’arbre des spécifications
8- L’atelier Drafting :
8.1 Présentation de l’atelier :
Cet atelier permet l’établissement de dessins techniques plans (encore appelés « mises en plan »)
à partir d’un modèle 3D, pièce ou assemblage.
La génération des différentes vues peut être automatique ainsi que la cotation fonctionnelle qui
est alors déduite des paramètres de conception solide (dans la mesure où le modèle solide est
correctement paramétré).
Les mises en plan et les modèles sont associatifs : une modification de l’un entraînera une
modification de l’autre.
8.2 Génération automatique des vues :
Atelier CAO (CATIA V5) ISET Nabeul
Elaboré par : Chouchéne Mohamed 10/51
Après avoir chargé le modèle dont vous souhaitez effectuer la mise en plan, activez l’atelier
« Conception Mécanique / Drafting ».
La commande « modifier » vous permet de modifier le format, son orientation et
l’échelle utilisée.
Puis choisissez l’une des 3 mises en plan standards qui se trouvent à droite du rectangle blanc
représentant la mise en plan manuelle.
Les 3 vues sont alors automatiquement générées. Il ne vous reste plus qu’à ajuster leurs
positions et à éventuellement modifier l’échelle : dans l’arbre des spécifications : Calque /
Propriétés (bouton droit) / Echelle
8.3 Les barres d’outils de l’atelier Drafting :
a/- Barre d’outils Projections :
Vue de face
Vue dépliée
Vue issue de 3D
Vue projetée
Vue auxiliaire
Vue isométrique
b/- Barre d’outils Projections :
Coupe brisée
Coupe dépliée
Section brisée
Section dépliée
Atelier CAO (CATIA V5) ISET Nabeul
Elaboré par : Chouchéne Mohamed 11/51
Partie II : Travaux Pratiques
Atelier CAO (CATIA V5) ISET Nabeul
Elaboré par : Chouchéne Mohamed 12/51
TP N° 1
Conception d’une pièce par Extrusion
OBJECTIFS
 Réaliser une pièce avec la fonction Extrusion
 Maitriser les outils de l’atelier Sketcher.
 Maitriser les outils d’enlèvement de la matière.
 Maitriser les outils de transformation et d’habillage.
CONDITIONS DE REALISATION
 PC sur lequel on dispose du logiciel CATIA V5.
PREREQUIS
 Les normes du dessin technique.
Atelier CAO (CATIA V5) ISET Nabeul
Elaboré par : Chouchéne Mohamed 13/51
Application 1- Ergot :
Objectifs :
- Création de l'esquisse
- Cotation
- Extrusion
– Cliquer sur l’icône et glisser le sur le plan XY.
– Créer et coter le profil.
– Sortir de l’esquisse.
– Extruder le profil sur Z=20.
Atelier CAO (CATIA V5) ISET Nabeul
Elaboré par : Chouchéne Mohamed 14/51
Application 2- Plaque :
Objectifs :
- Création de l'esquisse
- Cotation
- Extrusion
– Cliquer sur l’icône et glisser le sur le plan XY.
– Créer et coter le profil.
– Sortir de l’esquisse.
– Extruder le profil sur Z=10.
- Cliquer sur l’icône puis sur la face supérieure de la pièce.
Atelier CAO (CATIA V5) ISET Nabeul
Elaboré par : Chouchéne Mohamed 15/51
- La fenêtre de la fonction « Trou » s’affiche, cliquer sur l’icône et appliquer les
contraintes afin de localiser la position du trou.
– Sortir de l’esquisse et appliquer les dimensions du trou.
– Cliquer sur Ok pour valider.
– Pour appliquer les trois trous qui restent, on clique sur l’icône « répétitions
rectangulaires » , La fenêtre de la fonction « répétitions rectangulaires » s’affiche.
Atelier CAO (CATIA V5) ISET Nabeul
Elaboré par : Chouchéne Mohamed 16/51
– Fixer le nombre de trou après la répétition, l’espacement entre deux trous et la direction de
répartition (A).
– Pour appliquer la deuxième direction de répétition, cliquer sur « seconde direction » et
appliquer les paramètres de cette répétition (B).
– Pour réaliser les congés, cliquer sur l’icône , puis cliquer sur les quatre coins de la pièce.
Appliquer le rayon des congés puis valider.
A
B
Atelier CAO (CATIA V5) ISET Nabeul
Elaboré par : Chouchéne Mohamed 17/51
Application 3- Support :
Objectifs :
- Création de l'esquisse
- Cotation
- Extrusion
– Cliquer sur l’icône et glisser le sur le plan XY.
– Créer et coter le profil.
– Sortir de l’esquisse.
– Extruder le profil sur Z=10.
– Cliquer sur l’icône puis sur la face supérieure de l’extrusion1.
Atelier CAO (CATIA V5) ISET Nabeul
Elaboré par : Chouchéne Mohamed 18/51
– Créer et coter le profil.
– Sortir de l’esquisse.
– Extruder le profil sur Z=30.
– Cliquer sur l’icône puis sur la face inférieure de l’extrusion1.
– Créer et coter le profil .
– Sortir de l’esquisse.
– Extruder le profil sur Z=50.
Atelier CAO (CATIA V5) ISET Nabeul
Elaboré par : Chouchéne Mohamed 19/51
- Cliquer sur l’icône puis sur la face supérieure de la partie cylindrique de la pièce.
- La fenêtre de la fonction « Trou » s’affiche, cliquer sur l’icône et appliquer les
contraintes afin de localiser la position du trou.
– Cliquer sur Ok pour valider.
- Cliquer sur l’icône puis sur la face supérieure de la partie plane de la pièce.
- La fenêtre de la fonction « Trou » s’affiche, cliquer sur l’icône et appliquer les
contraintes afin de localiser la position du trou.
Atelier CAO (CATIA V5) ISET Nabeul
Elaboré par : Chouchéne Mohamed 20/51
– Pour appliquer le second trou, on clique sur l’icône « Symétrie » , La fenêtre de la
fonction « Symétrie » s’affiche. Cliquer sur le plan yz pour appliquer la symétrie.
Pour réaliser les congés, cliquer sur l’icône , puis cliquer sur les quatre coins de la pièce.
Appliquer le rayon des congés puis valider.
Atelier CAO (CATIA V5) ISET Nabeul
Elaboré par : Chouchéne Mohamed 21/51
TP N° 2
Conception d’une pièce par Révolution
OBJECTIFS
 Réaliser une pièce avec la fonction Révolution
 Maitriser les outils de l’atelier Sketcher.
 Maitriser les outils d’enlèvement de la matière.
 Maitriser les outils de transformation et d’habillage.
CONDITIONS DE REALISATION
 PC sur lequel on dispose du logiciel CATIA V5.
PREREQUIS
 Les normes du dessin technique.
Atelier CAO (CATIA V5) ISET Nabeul
Elaboré par : Chouchéne Mohamed 22/51
Application 1- Axe :
Objectifs :
- Création de l'esquisse
- Cotation
- Révolution
- Sélectionner , puis le plan XY.
- Créer et coter le profil .
- Construire un axe de rotation .
- Sortir de l’esquisse .
- Faire une révolution de 360°.
Atelier CAO (CATIA V5) ISET Nabeul
Elaboré par : Chouchéne Mohamed 23/51
Application 2- Poulie :
Objectifs :
- Création de l'esquisse
- Cotation
- Révolution
- Sélectionner , puis le plan XY.
- Créer et coter le profil .
- Construire un axe de rotation .
- Sortir de l’esquisse .
- Faire une révolution de 360°.
Atelier CAO (CATIA V5) ISET Nabeul
Elaboré par : Chouchéne Mohamed 24/51
TP N° 3
Conception d’une pièce par Multi-Extrusion
OBJECTIFS
 Réaliser une pièce avec la fonction Multi-Extrusion.
 Maitriser les outils de l’atelier Sketcher.
 Maitriser les outils d’enlèvement de la matière.
 Maitriser les outils de transformation et d’habillage.
CONDITIONS DE REALISATION
 PC sur lequel on dispose du logiciel CATIA V5.
PREREQUIS
 Les normes du dessin technique.
Atelier CAO (CATIA V5) ISET Nabeul
Elaboré par : Chouchéne Mohamed 25/51
* Remarque : Pour ce TP on va reconstruire les pièces : Axe, Poulie et
Support avec la fonction « Multi-Extrusion » .
La « Multi-Extrusion » est une fonction qui permet de réaliser plusieurs
extrusions à partir d’une seule esquisse formée par plusieurs contours.
Les contours d’une esquisse qui sera utilisée pour la création d’une
multi-extrusion ne peuvent pas se croiser. Ils doivent former une boucle
fermée. Dans le cas contraire, on recevra une erreur de définition
d’élément.
L’icône de la fonction Multi-extrusion est située sous l’icône
Extrusions . Pour l’afficher il suffit de cliquer sur le triangle noir
situé au-dessous de l’icône Extrusion.
Atelier CAO (CATIA V5) ISET Nabeul
Elaboré par : Chouchéne Mohamed 26/51
Application 1- Axe :
Objectifs :
- Création de l'esquisse
- Cotation
- Multi-Extrusion
- Sélectionner , puis le plan XY.
- Créer et coter le profil .
- Sortir de l’esquisse .
- Cliquer sur , la fenêtre de la Multi-Extrusion s’affiche. L’esquisse dessinée sera
subdivisé en plusieurs domaines d’extrusion. Le contour du domaine d’extrusion sélectionné sera
coloré en bleu. On applique pour chaque domaine sa longueur d’extrusion.
Pour cette pièce, on a un plan de symétrie qui coïncide avec le plan xy, donc on va appliquer
deux directions d’extrusion de même longueur.
- Premier domaine.
- Deuxième domaine.
Atelier CAO (CATIA V5) ISET Nabeul
Elaboré par : Chouchéne Mohamed 27/51
Atelier CAO (CATIA V5) ISET Nabeul
Elaboré par : Chouchéne Mohamed 28/51
Application 2- Poulie :
Objectifs :
- Création de l'esquisse
- Cotation
- Multi-Extrusion
- Sélectionner , puis le plan XY.
- Créer et coter le profil .
- Sortir de l’esquisse .
- Cliquer sur , la fenêtre de la Multi-Extrusion s’affiche. L’esquisse dessinée sera
subdivisé en plusieurs domaines d’extrusion. Le contour du domaine d’extrusion sélectionné sera
coloré en bleu. On applique pour chaque domaine sa longueur d’extrusion.
Pour cette pièce, on a un plan de symétrie qui coïncide avec le plan xy, donc on va appliquer
deux directions d’extrusion de même longueur.
- Premier domaine.
Atelier CAO (CATIA V5) ISET Nabeul
Elaboré par : Chouchéne Mohamed 29/51
- Deuxième domaine.
- Troisième domaine.
- Quatrième domaine.
Atelier CAO (CATIA V5) ISET Nabeul
Elaboré par : Chouchéne Mohamed 30/51
- Sélectionner , puis le plan YZ.
- Créer et coter le profil .
- Sortir de l’esquisse .
- Cliquer sur , la fenêtre de la fonction « Gorge » s’affiche. Appliquer un enlèvement de
matière par révolution de 360°.
Atelier CAO (CATIA V5) ISET Nabeul
Elaboré par : Chouchéne Mohamed 31/51
Application 3- Support :
Objectifs :
- Création de l'esquisse
- Cotation
- Multi-Extrusion
* Remarque : Pour cette pièce on va représenter seulement les étapes de la Multi-Extrusion, les
trous et les congés seront réalisé avec la même démarche présentée au niveau de l’application 3
du TP1.
- Sélectionner , puis le plan XY.
- Créer et coter le profil .
- Sortir de l’esquisse .
- Cliquer sur , la fenêtre de la Multi-Extrusion s’affiche. L’esquisse dessinée sera
subdivisé en plusieurs domaines d’extrusion. Le contour du domaine d’extrusion sélectionné sera
coloré en bleu. On applique pour chaque domaine sa longueur d’extrusion.
- Premier domaine.
- Deuxième domaine.
Atelier CAO (CATIA V5) ISET Nabeul
Elaboré par : Chouchéne Mohamed 32/51
- Troisième domaine.
- Quatrième domaine.
Atelier CAO (CATIA V5) ISET Nabeul
Elaboré par : Chouchéne Mohamed 33/51
TP N° 4
Assemblage
OBJECTIFS
 Réaliser l’assemblage de plusieurs pièces avec l’outil CATIA.
 Maitriser les outils de l’atelier Assemblage.
 Maitriser les outils de manipulation.
 Maitriser les outils de contrainte d’assemblage.
CONDITIONS DE REALISATION
 PC sur lequel on dispose du logiciel CATIA V5.
PREREQUIS
 Les normes du dessin technique.
Atelier CAO (CATIA V5) ISET Nabeul
Elaboré par : Chouchéne Mohamed 34/51
1- Démarrer l’atelier « Assembly Design ».
2- Cliquer sur l’icône . Une fenêtre qui s’affiche, Sélectionner le fichier « Part » à
insérer.
* Remarque : De préférence, on commence par insérer l’élément fixe de l’assemblage.
3- Sélectionner le fichier « Plaque », puis « Ouvrir ». Puis cliquer sur l’icône pour fixer
la pièce.
Atelier CAO (CATIA V5) ISET Nabeul
Elaboré par : Chouchéne Mohamed 35/51
4- Cliquer de nouveau sur l’icône . Sélectionner le fichier « Support » puis « Ouvrir ».
5- Cliquer sur l’icône , puis sélectionner deux à deux les axes des trous sur les deux
pièces afin d’appliquer la coïncidence entre ces trous.
6- En suite, cliquer sur l’icône , puis sélectionner la face inférieure du support et la face
supérieure de la plaque afin d’appliquer le contact.
- Reprendre les étapes 4, 5 et 6 afin d’ajouter le second support.
7- Cliquer de nouveau sur l’icône . Sélectionner le fichier « Ergot » puis « Ouvrir ».
8- Cliquer sur l’icône , puis sélectionner l’axe de l’ergot et celui du trou sur la face
Atelier CAO (CATIA V5) ISET Nabeul
Elaboré par : Chouchéne Mohamed 36/51
horizontale du support afin d’appliquer la coïncidence entre l’axe de l’ergot et l’axe du trou.
9- Cliquer sur l’icône , puis sélectionner la face supérieure de l’ergot et celle de la base
du support et appliquer un décalage 0mm pour une orientation identique.
- Reprendre les étapes 7, 8 et 9 afin d’ajouter les trois autres ergots.
10- Cliquer de nouveau sur l’icône . Sélectionner le fichier « Axe » puis « Ouvrir ».
11- Cliquer sur l’icône , puis sélectionner l’axe de la pièce « Axe » et celui du trou sur la
face verticale du support afin d’appliquer la coïncidence entre les axes.
12- Cliquer sur l’icône , puis sélectionner la face gauche de l’axe et celle du support et
appliquer un décalage 0mm pour une orientation opposée.
Atelier CAO (CATIA V5) ISET Nabeul
Elaboré par : Chouchéne Mohamed 37/51
13- Cliquer de nouveau sur l’icône . Sélectionner le fichier « Poulie » puis « Ouvrir ».
14- Cliquer sur l’icône , puis sélectionner l’axe de la poulie et celui la pièce « Axe »
afin d’appliquer la coïncidence entre les axes.
15- Cliquer sur l’icône , puis sélectionner la face gauche de la poulie et celle de la pièce
« Axe » et appliquer un décalage 0mm pour une orientation opposée.
Atelier CAO (CATIA V5) ISET Nabeul
Elaboré par : Chouchéne Mohamed 38/51
- Finalement on a réalisé l’assemblage des pièces.
Atelier CAO (CATIA V5) ISET Nabeul
Elaboré par : Chouchéne Mohamed 39/51
TP N° 5
Conception d’une pièce par Extrusion
( TP de Validation)
OBJECTIFS
 Réaliser une pièce avec la fonction Extrusion
 Maitriser les outils de l’atelier Sketcher.
 Maitriser les outils d’enlèvement de la matière.
 Maitriser les outils de transformation et d’habillage.
CONDITIONS DE REALISATION
 PC sur lequel on dispose du logiciel CATIA V5.
PREREQUIS
 Les normes du dessin technique.
Atelier CAO (CATIA V5) ISET Nabeul
Elaboré par : Chouchéne Mohamed 40/51
* Application 1:
1- Réaliser la pièce suivante en utilisant la fonction Extrusion.
2- Enregistrer la pièce sous le nom « Rondelle ».
Atelier CAO (CATIA V5) ISET Nabeul
Elaboré par : Chouchéne Mohamed 41/51
* Application 2:
1- Réaliser la pièce suivante en utilisant la fonction Extrusion.
2- Enregistrer la pièce sous le nom « Clapet ».
Atelier CAO (CATIA V5) ISET Nabeul
Elaboré par : Chouchéne Mohamed 42/51
* Application 3:
1- Réaliser la pièce suivante en utilisant la fonction Extrusion.
2- Enregistrer la pièce sous le nom « Manivelle ».
Atelier CAO (CATIA V5) ISET Nabeul
Elaboré par : Chouchéne Mohamed 43/51
* Application 4:
1- Réaliser la pièce suivante en utilisant la fonction Extrusion.
2- Enregistrer la pièce sous le nom « Bâti ».
Atelier CAO (CATIA V5) ISET Nabeul
Elaboré par : Chouchéne Mohamed 44/51
TP N° 6
Conception d’une pièce par Révolution
( TP de Validation)
OBJECTIFS
 Réaliser une pièce avec la fonction Révolution.
 Maitriser les outils de l’atelier Sketcher.
 Maitriser les outils d’enlèvement de la matière.
 Maitriser les outils de transformation et d’habillage.
CONDITIONS DE REALISATION
 PC sur lequel on dispose du logiciel CATIA V5.
PREREQUIS
 Les normes du dessin technique.
Atelier CAO (CATIA V5) ISET Nabeul
Elaboré par : Chouchéne Mohamed 45/51
* Application 1:
1- Réaliser la pièce suivante en utilisant la fonction Révolution.
2- Enregistrer la pièce sous le nom « Poignee ».
Atelier CAO (CATIA V5) ISET Nabeul
Elaboré par : Chouchéne Mohamed 46/51
* Application 2:
1- Réaliser la pièce suivante en utilisant la fonction Révolution.
2- Enregistrer la pièce sous le nom « Axe ».
Atelier CAO (CATIA V5) ISET Nabeul
Elaboré par : Chouchéne Mohamed 47/51
TP N° 7
Conception d’une pièce par Multi-Extrusion
( TP de Validation)
OBJECTIFS
 Réaliser une pièce avec la fonction Multi-Extrusion.
 Maitriser les outils de l’atelier Sketcher.
 Maitriser les outils d’enlèvement de la matière.
 Maitriser les outils de transformation et d’habillage.
CONDITIONS DE REALISATION
 PC sur lequel on dispose du logiciel CATIA V5.
PREREQUIS
 Les normes du dessin technique.
Atelier CAO (CATIA V5) ISET Nabeul
Elaboré par : Chouchéne Mohamed 48/51
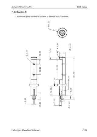
* Application 1:
3- Réaliser la pièce suivante en utilisant la fonction Multi-Extrusion.
Atelier CAO (CATIA V5) ISET Nabeul
Elaboré par : Chouchéne Mohamed 49/51
* Application 2:
1- Réaliser la pièce suivante en utilisant la fonction Multi-Extrusion.
Atelier CAO (CATIA V5) ISET Nabeul
Elaboré par : Chouchéne Mohamed 50/51
TP N° 8
Assemblage
( TP de Validation)
OBJECTIFS
 Réaliser une pièce avec la fonction Multi-Extrusion.
 Maitriser les outils de l’atelier Sketcher.
 Maitriser les outils d’enlèvement de la matière.
 Maitriser les outils de transformation et d’habillage.
CONDITIONS DE REALISATION
 PC sur lequel on dispose du logiciel CATIA V5.
PREREQUIS
 Les normes du dessin technique.
Atelier CAO (CATIA V5) ISET Nabeul
Elaboré par : Chouchéne Mohamed 51/51
- Réaliser l’assemblage de la vanne suivante :
Vanne assemblée
Vanne en vue éclatée
Historique de CATIA
CATIA (« Conception Assistée Tridimensionnelle Interactive Appliquée ») est un logiciel de
conception assistée par ordinateur (CAO) créé au départ par la société Dassault Aviation pour
ses propres besoins sous le nom de CATI (acronyme de conception assistée tridimensionnelle
interactive).
CATIA est né d'un développement réalisé en interne dans les années 1970 par l'avionneur
Avion Marcel Dassault.
Le logiciel était initialement dénommé CATI (Conception Assistée Tridimensionnelle
Interactive), mais il a été renommé CATIA en 1981. À ce moment-là, Dassault a créé une
filiale responsable du développement et de la commercialisation de l'outil, et a signé un
accord non exclusif de distribution avec IBM (International Business Machines
Corporation, connue sous l’abréviation IBM, une société multinationale américaine qui est
présente dans les domaines du matériel informatique, du logiciel et des services
informatiques.)
- En 1984, Boeing a sélectionné CATIA comme son principal outil CAO, et en est devenu le
principal utilisateur.
- En 1988, lors du passage à la version 3, CATIA est porté du mainframe (ordinateur central)
à la plateforme UNIX (un système d'exploitation multitâche et multiutilisateur).
- En 1992 CADAM (logiciel de CAO) est racheté à IBM et l'année suivante CATIA
CADAM v4 est publié.
- En 1996 le nombre de plateformes UNIX supportées par CATIA V4 est porté de une à
quatre, comprenant désormais IBM AIX, Silicon Graphics (une société américaine qui
construit des stations de travail (workstations) dédiées aux domaines de l'infographie, de la
3D du traitement vidéo et du calcul Haute performance HPC ) IRIX, Sun Microsystems
SunOS ( était un constructeur d’ ordinateurs et un éditeur de logiciels américain) et Hewlett-
PackardHP-UX (HP).
- En 1998, une version complètement réécrite de CATIA est publiée : CATIA V5. Cette
version a été écrite pour Microsoft Windows tout en conservant sa disponibilité sous UNIX;
le monde Mainframe a été abandonné.
- En 2008, une nouvelle version majeure la V6 est publiée. L'intégration avec les autres outils
de l'éditeur est étendue, le support des plateformes UNIX est arrêté pour le client CATIA.
Les différents produits constituant CATIA V5 couvrent un très grand nombre de domaines,
allant de la conception mécanique, à la conception de systèmes électriques, au design ou à la
FAO. En effet, le logiciel regroupe un nombre important de modules totalement intégrés dans
un seul et même environnement de travail. Ces modules permettent de modéliser une
géométrie (CAO), de réaliser des analyses et des simulations (IAO), de mener une étude
d’industrialisation (conception des outillages), de générer les programmes de commande
numérique pour les machines-outils (FAO), d’établir les plans d’usines etc…

catia

  • 1.
    INSTITUT SUPERIEUR DESETUDES TECHNOLOGIQUES DE NABEUL ****************************************** DEPARTEMENT GENIE MECANIQUE    FASCICULE DES TRAVAUX PRATIQUES ATELIER CAO (CATIA V5) Elaboré par CHOUCHENE Mohamed Niveau : Troisième année, options CFM Année Universitaire: 2013 / 2014
  • 2.
    Atelier CAO (CATIAV5) ISET Nabeul Elaboré par : Chouchéne Mohamed 1/51 Partie I : Présentation du logiciel CATIA 1- Introduction : CATIA, acronyme de Conception Assistée Tridimensionnelle Interactive Appliquée, est un logiciel de CAO mis au point par la société Dassault Aviation pour ses propres activités. Il regroupe un nombre important de modules totalement intégrés dans un seul et même environnement de travail. Ces modules permettent de modéliser une géométrie (CAO), de réaliser des analyses et des simulations (IAO), de mener une étude d’industrialisation (conception des outillages), de générer les programmes de commande numérique pour les machines-outils (FAO), d’établir les plans d’usines etc 2- Interface de CATIA V5: 3- Utilisation de la souris : Sélection d'un élément: bouton gauche – clic court. Sélection de plusieurs éléments: maintenir la touche Ctrl enfoncée puis sélectionner les éléments. Ctrl + Déplacement : enfoncer le bouton central et déplacer la sourie Rotation: maintenir le bouton central puis le bouton droit enfoncés et tourner la sphère centrée à l'écran. Zoom: enfoncer le bouton central et le bouton droit enfoncé puis relâcher le bouton droit et se déplacer verticalement pour zoomer vers l'avant ou l'arrière. puis Menu contextuel: Bouton droit
  • 3.
    Atelier CAO (CATIAV5) ISET Nabeul Elaboré par : Chouchéne Mohamed 2/51 4- Le module de la conception mécanique : Le module de conception mécanique comprend plusieurs ateliers tels que : - Part Design : Modélisation volumique de pièces mécaniques. - Assembly Design : Modélisation d’assemblages de pièces mécaniques. - Sketcher : Esquisse 2D. - Drafting : Mise en plan des pièces (dessin de définition) et des assemblages (dessin d’ensemble). - Wireframe and Surface Design : Modélisation des surfaces et éléments filaires. Atelier complémentaire de l’atelier « Part design ». - Sheetmetal Design : Atelier de tôlerie. * Remarques : - L’atelier « Part Design » fait appel automatiquement et de façon transparente pour l’utilisateur à l’atelier « Sketcher » pour la réalisation de contours 2D. - Catia V5 vous permet de naviguer dans les différents ateliers en gardant un lien entre les différents modèles créés. La modification dans un atelier impacte ainsi tous les modèles qui lui sont liés, c’est ce que l’on appelle l’associativité des modèles. 5- L’atelier Sketcher : 5.1 Présentation de l’atelier : Cet atelier permet de définir des contours 2D servant de support aux objets 3D et des courbes servant de guides pour la génération d’objets 3D. L’atelier s’active, entre autres, grâce à la commande « Esquisses » de l’atelier « Part Design » et en sélectionnant un plan d’esquisse sur lequel seront définis les éléments géométriques 2D L’environnement de travail est le suivant :
  • 4.
    Atelier CAO (CATIAV5) ISET Nabeul Elaboré par : Chouchéne Mohamed 3/51 5.2 les barres d’outils de l’atelier Sketcher : a/- Barre d’outils Contour : * Menu contour prédéfinie : Menus Actions Contour Permet de créer un profil composé de lignes et d’arcs de cercle Contour prédéfinie Permet de créer des rectangles, des polygones et autres contours Cercle Permet de faire des cercles, des ellipses, des arcs… Spline Permet de faire de splines Conique Permet de faire des coniques Droite Permet de faire des lignes Axe Permet de faire des axes Points Permet de faire des points
  • 5.
    Atelier CAO (CATIAV5) ISET Nabeul Elaboré par : Chouchéne Mohamed 4/51 * Menu cercle : * Menu droite : b/- Barre d’outils Contrainte: Outre la détection automatique de contraintes, on peut définir à posteriori les contraintes géométriques et dimensionnelles d’une esquisse : - Boîte de dialogue des contraintes : cette commande est utilisée après avoir sélectionné un ou plusieurs objets. La boîte de dialogue ci-dessous apparaît alors. Seules les contraintes applicables à la sélection peuvent être choisies. Pour appliquer une symétrie, il faut sélectionner les deux éléments symétriques puis un élément représentant l’axe de symétrie. Pour l’équidistance, sélectionnez les deux points équidistants puis le point central.
  • 6.
    Atelier CAO (CATIAV5) ISET Nabeul Elaboré par : Chouchéne Mohamed 5/51 - Esquisse sous-contrainte : Quand le nombre de contraintes géométriques n’est pas suffisant pour définir complètement un contour, celui-ci apparaît en blanc. On peut alors modifier les éléments géométriques en les déplaçant à la souris. - Esquisse correctement contrainte : Quand le contour est parfaitement défini, il apparaît en vert. - Esquisse sur-contrainte : Quand des contraintes géométriques sont redondantes, l’esquisse et les contraintes superflues apparaissent en violet. Une esquisse sur-contrainte ne peut être validée. Il existe deux types de contraintes : * Les contraintes dimensionnelles :
  • 7.
    Atelier CAO (CATIAV5) ISET Nabeul Elaboré par : Chouchéne Mohamed 6/51 * Les contraintes géométriques : c/- Barre d’outils Opérations sur les objets :
  • 8.
    Atelier CAO (CATIAV5) ISET Nabeul Elaboré par : Chouchéne Mohamed 7/51 6- L’atelier Part Design : 6.1 Présentation de l’atelier : Cet atelier permet de créer des objets 3D volumiques à partir d’esquisses 2D ou de modifier des éléments déjà définis (congés, chanfreins, symétrie etc). * Remarque : Liens entre les ateliers « Part Design » et « Sketcher » Le passage d’un atelier à l’autre se fait de façon transparente pour l’utilisateur grâce à : - La fonction esquisse qui permet de passer de l’atelier Part Design à l’atelier sketcher. - La fonction sortie de l’atelier qui permet de quitter l’atelier Sketcher et revenir à l’atelier Part Design. L’atelier Part Design L’atelier Sketcher 6.2 Les barres d’outils de l’atelier Part Design : a/- Barre d’outils Composants issus d’un contour :
  • 9.
    Atelier CAO (CATIAV5) ISET Nabeul Elaboré par : Chouchéne Mohamed 8/51 b/- Barre d’outils Composants d’habillage : c/- Barre d’outils Composants de transformation :
  • 10.
    Atelier CAO (CATIAV5) ISET Nabeul Elaboré par : Chouchéne Mohamed 9/51 7- L’atelier Assembly Design : 7.1 Présentation de l’atelier : Cet atelier permet de créer des produits constitués de différentes pièces mécaniques réalisées dans l’atelier “Part Design”. Les liaisons entre les solides sont définies par l’intermédiaire des contraintes géométriques liant une ou plusieurs entités géométriques des pièces assemblées. 7.2 Les barres d’outils de l’atelier Part Design : a/- Barre d’outils Contraintes : Coïncidence : permet de déclarer la coïncidence entre deux entités de même nature : 2 axes, 2 plans, etc… Contact : permet de déclarer le contact entre deux surfaces solides du produit (les plans de référence ne peuvent être utilisés ici Distance : même chose que contact mais avec un décalage d’une surface par rapport à l’autre. Les plans peuvent être utilisés ici Angle : permet de spécifier un angle entre deux surfaces Fixe : permet de définir les pièces qui n’ont pas de mouvement par rapport au référentiel de base. Il est conseillé de commencer par fixer le carter avant d’aborder d’autres contraintes Fixité relative : permet de définir une liaison encastrement (aucun mouvement possible) entre deux pièces du produit. Mode rapide : en activant cette commande, l’utilisateur désigne directement les entités géométriques et CATIA instancie la contrainte la plus adaptée à la désignation b/- Barre d’outils Déplacements : Manipulation : permet de déplacer (translation ou rotation) une pièce selon une direction spécifiée. En cochant « Sous contraintes », le déplacement se fait en respectant les contraintes déjà déclarées, ce qui permet de simuler « à la main » la cinématique d’une pièce et observer par exemple une loi d’entrée- sortie Alignement : permet d’aligner deux entités géométriques afin de réorganiser le positionnement des différentes pièces. Attention, cette commande ne créé par de contraintes géométriques permanentes mais permet uniquement de manipuler rapidement les objets pour les amener dans une position proche de leur configuration finale c/- Barre d’outils coupe : Coupe : permet de couper un assemblage à l’aide d’un plan ou d’une surface à spécifier. Une boîte de dialogue apparaît alors permettant une coupe sélective effectuée sur des pièces à choisir dans une liste. Pour supprimer une coupe, passer par sa représentation dans l’arbre des spécifications 8- L’atelier Drafting : 8.1 Présentation de l’atelier : Cet atelier permet l’établissement de dessins techniques plans (encore appelés « mises en plan ») à partir d’un modèle 3D, pièce ou assemblage. La génération des différentes vues peut être automatique ainsi que la cotation fonctionnelle qui est alors déduite des paramètres de conception solide (dans la mesure où le modèle solide est correctement paramétré). Les mises en plan et les modèles sont associatifs : une modification de l’un entraînera une modification de l’autre. 8.2 Génération automatique des vues :
  • 11.
    Atelier CAO (CATIAV5) ISET Nabeul Elaboré par : Chouchéne Mohamed 10/51 Après avoir chargé le modèle dont vous souhaitez effectuer la mise en plan, activez l’atelier « Conception Mécanique / Drafting ». La commande « modifier » vous permet de modifier le format, son orientation et l’échelle utilisée. Puis choisissez l’une des 3 mises en plan standards qui se trouvent à droite du rectangle blanc représentant la mise en plan manuelle. Les 3 vues sont alors automatiquement générées. Il ne vous reste plus qu’à ajuster leurs positions et à éventuellement modifier l’échelle : dans l’arbre des spécifications : Calque / Propriétés (bouton droit) / Echelle 8.3 Les barres d’outils de l’atelier Drafting : a/- Barre d’outils Projections : Vue de face Vue dépliée Vue issue de 3D Vue projetée Vue auxiliaire Vue isométrique b/- Barre d’outils Projections : Coupe brisée Coupe dépliée Section brisée Section dépliée
  • 12.
    Atelier CAO (CATIAV5) ISET Nabeul Elaboré par : Chouchéne Mohamed 11/51 Partie II : Travaux Pratiques
  • 13.
    Atelier CAO (CATIAV5) ISET Nabeul Elaboré par : Chouchéne Mohamed 12/51 TP N° 1 Conception d’une pièce par Extrusion OBJECTIFS  Réaliser une pièce avec la fonction Extrusion  Maitriser les outils de l’atelier Sketcher.  Maitriser les outils d’enlèvement de la matière.  Maitriser les outils de transformation et d’habillage. CONDITIONS DE REALISATION  PC sur lequel on dispose du logiciel CATIA V5. PREREQUIS  Les normes du dessin technique.
  • 14.
    Atelier CAO (CATIAV5) ISET Nabeul Elaboré par : Chouchéne Mohamed 13/51 Application 1- Ergot : Objectifs : - Création de l'esquisse - Cotation - Extrusion – Cliquer sur l’icône et glisser le sur le plan XY. – Créer et coter le profil. – Sortir de l’esquisse. – Extruder le profil sur Z=20.
  • 15.
    Atelier CAO (CATIAV5) ISET Nabeul Elaboré par : Chouchéne Mohamed 14/51 Application 2- Plaque : Objectifs : - Création de l'esquisse - Cotation - Extrusion – Cliquer sur l’icône et glisser le sur le plan XY. – Créer et coter le profil. – Sortir de l’esquisse. – Extruder le profil sur Z=10. - Cliquer sur l’icône puis sur la face supérieure de la pièce.
  • 16.
    Atelier CAO (CATIAV5) ISET Nabeul Elaboré par : Chouchéne Mohamed 15/51 - La fenêtre de la fonction « Trou » s’affiche, cliquer sur l’icône et appliquer les contraintes afin de localiser la position du trou. – Sortir de l’esquisse et appliquer les dimensions du trou. – Cliquer sur Ok pour valider. – Pour appliquer les trois trous qui restent, on clique sur l’icône « répétitions rectangulaires » , La fenêtre de la fonction « répétitions rectangulaires » s’affiche.
  • 17.
    Atelier CAO (CATIAV5) ISET Nabeul Elaboré par : Chouchéne Mohamed 16/51 – Fixer le nombre de trou après la répétition, l’espacement entre deux trous et la direction de répartition (A). – Pour appliquer la deuxième direction de répétition, cliquer sur « seconde direction » et appliquer les paramètres de cette répétition (B). – Pour réaliser les congés, cliquer sur l’icône , puis cliquer sur les quatre coins de la pièce. Appliquer le rayon des congés puis valider. A B
  • 18.
    Atelier CAO (CATIAV5) ISET Nabeul Elaboré par : Chouchéne Mohamed 17/51 Application 3- Support : Objectifs : - Création de l'esquisse - Cotation - Extrusion – Cliquer sur l’icône et glisser le sur le plan XY. – Créer et coter le profil. – Sortir de l’esquisse. – Extruder le profil sur Z=10. – Cliquer sur l’icône puis sur la face supérieure de l’extrusion1.
  • 19.
    Atelier CAO (CATIAV5) ISET Nabeul Elaboré par : Chouchéne Mohamed 18/51 – Créer et coter le profil. – Sortir de l’esquisse. – Extruder le profil sur Z=30. – Cliquer sur l’icône puis sur la face inférieure de l’extrusion1. – Créer et coter le profil . – Sortir de l’esquisse. – Extruder le profil sur Z=50.
  • 20.
    Atelier CAO (CATIAV5) ISET Nabeul Elaboré par : Chouchéne Mohamed 19/51 - Cliquer sur l’icône puis sur la face supérieure de la partie cylindrique de la pièce. - La fenêtre de la fonction « Trou » s’affiche, cliquer sur l’icône et appliquer les contraintes afin de localiser la position du trou. – Cliquer sur Ok pour valider. - Cliquer sur l’icône puis sur la face supérieure de la partie plane de la pièce. - La fenêtre de la fonction « Trou » s’affiche, cliquer sur l’icône et appliquer les contraintes afin de localiser la position du trou.
  • 21.
    Atelier CAO (CATIAV5) ISET Nabeul Elaboré par : Chouchéne Mohamed 20/51 – Pour appliquer le second trou, on clique sur l’icône « Symétrie » , La fenêtre de la fonction « Symétrie » s’affiche. Cliquer sur le plan yz pour appliquer la symétrie. Pour réaliser les congés, cliquer sur l’icône , puis cliquer sur les quatre coins de la pièce. Appliquer le rayon des congés puis valider.
  • 22.
    Atelier CAO (CATIAV5) ISET Nabeul Elaboré par : Chouchéne Mohamed 21/51 TP N° 2 Conception d’une pièce par Révolution OBJECTIFS  Réaliser une pièce avec la fonction Révolution  Maitriser les outils de l’atelier Sketcher.  Maitriser les outils d’enlèvement de la matière.  Maitriser les outils de transformation et d’habillage. CONDITIONS DE REALISATION  PC sur lequel on dispose du logiciel CATIA V5. PREREQUIS  Les normes du dessin technique.
  • 23.
    Atelier CAO (CATIAV5) ISET Nabeul Elaboré par : Chouchéne Mohamed 22/51 Application 1- Axe : Objectifs : - Création de l'esquisse - Cotation - Révolution - Sélectionner , puis le plan XY. - Créer et coter le profil . - Construire un axe de rotation . - Sortir de l’esquisse . - Faire une révolution de 360°.
  • 24.
    Atelier CAO (CATIAV5) ISET Nabeul Elaboré par : Chouchéne Mohamed 23/51 Application 2- Poulie : Objectifs : - Création de l'esquisse - Cotation - Révolution - Sélectionner , puis le plan XY. - Créer et coter le profil . - Construire un axe de rotation . - Sortir de l’esquisse . - Faire une révolution de 360°.
  • 25.
    Atelier CAO (CATIAV5) ISET Nabeul Elaboré par : Chouchéne Mohamed 24/51 TP N° 3 Conception d’une pièce par Multi-Extrusion OBJECTIFS  Réaliser une pièce avec la fonction Multi-Extrusion.  Maitriser les outils de l’atelier Sketcher.  Maitriser les outils d’enlèvement de la matière.  Maitriser les outils de transformation et d’habillage. CONDITIONS DE REALISATION  PC sur lequel on dispose du logiciel CATIA V5. PREREQUIS  Les normes du dessin technique.
  • 26.
    Atelier CAO (CATIAV5) ISET Nabeul Elaboré par : Chouchéne Mohamed 25/51 * Remarque : Pour ce TP on va reconstruire les pièces : Axe, Poulie et Support avec la fonction « Multi-Extrusion » . La « Multi-Extrusion » est une fonction qui permet de réaliser plusieurs extrusions à partir d’une seule esquisse formée par plusieurs contours. Les contours d’une esquisse qui sera utilisée pour la création d’une multi-extrusion ne peuvent pas se croiser. Ils doivent former une boucle fermée. Dans le cas contraire, on recevra une erreur de définition d’élément. L’icône de la fonction Multi-extrusion est située sous l’icône Extrusions . Pour l’afficher il suffit de cliquer sur le triangle noir situé au-dessous de l’icône Extrusion.
  • 27.
    Atelier CAO (CATIAV5) ISET Nabeul Elaboré par : Chouchéne Mohamed 26/51 Application 1- Axe : Objectifs : - Création de l'esquisse - Cotation - Multi-Extrusion - Sélectionner , puis le plan XY. - Créer et coter le profil . - Sortir de l’esquisse . - Cliquer sur , la fenêtre de la Multi-Extrusion s’affiche. L’esquisse dessinée sera subdivisé en plusieurs domaines d’extrusion. Le contour du domaine d’extrusion sélectionné sera coloré en bleu. On applique pour chaque domaine sa longueur d’extrusion. Pour cette pièce, on a un plan de symétrie qui coïncide avec le plan xy, donc on va appliquer deux directions d’extrusion de même longueur. - Premier domaine. - Deuxième domaine.
  • 28.
    Atelier CAO (CATIAV5) ISET Nabeul Elaboré par : Chouchéne Mohamed 27/51
  • 29.
    Atelier CAO (CATIAV5) ISET Nabeul Elaboré par : Chouchéne Mohamed 28/51 Application 2- Poulie : Objectifs : - Création de l'esquisse - Cotation - Multi-Extrusion - Sélectionner , puis le plan XY. - Créer et coter le profil . - Sortir de l’esquisse . - Cliquer sur , la fenêtre de la Multi-Extrusion s’affiche. L’esquisse dessinée sera subdivisé en plusieurs domaines d’extrusion. Le contour du domaine d’extrusion sélectionné sera coloré en bleu. On applique pour chaque domaine sa longueur d’extrusion. Pour cette pièce, on a un plan de symétrie qui coïncide avec le plan xy, donc on va appliquer deux directions d’extrusion de même longueur. - Premier domaine.
  • 30.
    Atelier CAO (CATIAV5) ISET Nabeul Elaboré par : Chouchéne Mohamed 29/51 - Deuxième domaine. - Troisième domaine. - Quatrième domaine.
  • 31.
    Atelier CAO (CATIAV5) ISET Nabeul Elaboré par : Chouchéne Mohamed 30/51 - Sélectionner , puis le plan YZ. - Créer et coter le profil . - Sortir de l’esquisse . - Cliquer sur , la fenêtre de la fonction « Gorge » s’affiche. Appliquer un enlèvement de matière par révolution de 360°.
  • 32.
    Atelier CAO (CATIAV5) ISET Nabeul Elaboré par : Chouchéne Mohamed 31/51 Application 3- Support : Objectifs : - Création de l'esquisse - Cotation - Multi-Extrusion * Remarque : Pour cette pièce on va représenter seulement les étapes de la Multi-Extrusion, les trous et les congés seront réalisé avec la même démarche présentée au niveau de l’application 3 du TP1. - Sélectionner , puis le plan XY. - Créer et coter le profil . - Sortir de l’esquisse . - Cliquer sur , la fenêtre de la Multi-Extrusion s’affiche. L’esquisse dessinée sera subdivisé en plusieurs domaines d’extrusion. Le contour du domaine d’extrusion sélectionné sera coloré en bleu. On applique pour chaque domaine sa longueur d’extrusion. - Premier domaine. - Deuxième domaine.
  • 33.
    Atelier CAO (CATIAV5) ISET Nabeul Elaboré par : Chouchéne Mohamed 32/51 - Troisième domaine. - Quatrième domaine.
  • 34.
    Atelier CAO (CATIAV5) ISET Nabeul Elaboré par : Chouchéne Mohamed 33/51 TP N° 4 Assemblage OBJECTIFS  Réaliser l’assemblage de plusieurs pièces avec l’outil CATIA.  Maitriser les outils de l’atelier Assemblage.  Maitriser les outils de manipulation.  Maitriser les outils de contrainte d’assemblage. CONDITIONS DE REALISATION  PC sur lequel on dispose du logiciel CATIA V5. PREREQUIS  Les normes du dessin technique.
  • 35.
    Atelier CAO (CATIAV5) ISET Nabeul Elaboré par : Chouchéne Mohamed 34/51 1- Démarrer l’atelier « Assembly Design ». 2- Cliquer sur l’icône . Une fenêtre qui s’affiche, Sélectionner le fichier « Part » à insérer. * Remarque : De préférence, on commence par insérer l’élément fixe de l’assemblage. 3- Sélectionner le fichier « Plaque », puis « Ouvrir ». Puis cliquer sur l’icône pour fixer la pièce.
  • 36.
    Atelier CAO (CATIAV5) ISET Nabeul Elaboré par : Chouchéne Mohamed 35/51 4- Cliquer de nouveau sur l’icône . Sélectionner le fichier « Support » puis « Ouvrir ». 5- Cliquer sur l’icône , puis sélectionner deux à deux les axes des trous sur les deux pièces afin d’appliquer la coïncidence entre ces trous. 6- En suite, cliquer sur l’icône , puis sélectionner la face inférieure du support et la face supérieure de la plaque afin d’appliquer le contact. - Reprendre les étapes 4, 5 et 6 afin d’ajouter le second support. 7- Cliquer de nouveau sur l’icône . Sélectionner le fichier « Ergot » puis « Ouvrir ». 8- Cliquer sur l’icône , puis sélectionner l’axe de l’ergot et celui du trou sur la face
  • 37.
    Atelier CAO (CATIAV5) ISET Nabeul Elaboré par : Chouchéne Mohamed 36/51 horizontale du support afin d’appliquer la coïncidence entre l’axe de l’ergot et l’axe du trou. 9- Cliquer sur l’icône , puis sélectionner la face supérieure de l’ergot et celle de la base du support et appliquer un décalage 0mm pour une orientation identique. - Reprendre les étapes 7, 8 et 9 afin d’ajouter les trois autres ergots. 10- Cliquer de nouveau sur l’icône . Sélectionner le fichier « Axe » puis « Ouvrir ». 11- Cliquer sur l’icône , puis sélectionner l’axe de la pièce « Axe » et celui du trou sur la face verticale du support afin d’appliquer la coïncidence entre les axes. 12- Cliquer sur l’icône , puis sélectionner la face gauche de l’axe et celle du support et appliquer un décalage 0mm pour une orientation opposée.
  • 38.
    Atelier CAO (CATIAV5) ISET Nabeul Elaboré par : Chouchéne Mohamed 37/51 13- Cliquer de nouveau sur l’icône . Sélectionner le fichier « Poulie » puis « Ouvrir ». 14- Cliquer sur l’icône , puis sélectionner l’axe de la poulie et celui la pièce « Axe » afin d’appliquer la coïncidence entre les axes. 15- Cliquer sur l’icône , puis sélectionner la face gauche de la poulie et celle de la pièce « Axe » et appliquer un décalage 0mm pour une orientation opposée.
  • 39.
    Atelier CAO (CATIAV5) ISET Nabeul Elaboré par : Chouchéne Mohamed 38/51 - Finalement on a réalisé l’assemblage des pièces.
  • 40.
    Atelier CAO (CATIAV5) ISET Nabeul Elaboré par : Chouchéne Mohamed 39/51 TP N° 5 Conception d’une pièce par Extrusion ( TP de Validation) OBJECTIFS  Réaliser une pièce avec la fonction Extrusion  Maitriser les outils de l’atelier Sketcher.  Maitriser les outils d’enlèvement de la matière.  Maitriser les outils de transformation et d’habillage. CONDITIONS DE REALISATION  PC sur lequel on dispose du logiciel CATIA V5. PREREQUIS  Les normes du dessin technique.
  • 41.
    Atelier CAO (CATIAV5) ISET Nabeul Elaboré par : Chouchéne Mohamed 40/51 * Application 1: 1- Réaliser la pièce suivante en utilisant la fonction Extrusion. 2- Enregistrer la pièce sous le nom « Rondelle ».
  • 42.
    Atelier CAO (CATIAV5) ISET Nabeul Elaboré par : Chouchéne Mohamed 41/51 * Application 2: 1- Réaliser la pièce suivante en utilisant la fonction Extrusion. 2- Enregistrer la pièce sous le nom « Clapet ».
  • 43.
    Atelier CAO (CATIAV5) ISET Nabeul Elaboré par : Chouchéne Mohamed 42/51 * Application 3: 1- Réaliser la pièce suivante en utilisant la fonction Extrusion. 2- Enregistrer la pièce sous le nom « Manivelle ».
  • 44.
    Atelier CAO (CATIAV5) ISET Nabeul Elaboré par : Chouchéne Mohamed 43/51 * Application 4: 1- Réaliser la pièce suivante en utilisant la fonction Extrusion. 2- Enregistrer la pièce sous le nom « Bâti ».
  • 45.
    Atelier CAO (CATIAV5) ISET Nabeul Elaboré par : Chouchéne Mohamed 44/51 TP N° 6 Conception d’une pièce par Révolution ( TP de Validation) OBJECTIFS  Réaliser une pièce avec la fonction Révolution.  Maitriser les outils de l’atelier Sketcher.  Maitriser les outils d’enlèvement de la matière.  Maitriser les outils de transformation et d’habillage. CONDITIONS DE REALISATION  PC sur lequel on dispose du logiciel CATIA V5. PREREQUIS  Les normes du dessin technique.
  • 46.
    Atelier CAO (CATIAV5) ISET Nabeul Elaboré par : Chouchéne Mohamed 45/51 * Application 1: 1- Réaliser la pièce suivante en utilisant la fonction Révolution. 2- Enregistrer la pièce sous le nom « Poignee ».
  • 47.
    Atelier CAO (CATIAV5) ISET Nabeul Elaboré par : Chouchéne Mohamed 46/51 * Application 2: 1- Réaliser la pièce suivante en utilisant la fonction Révolution. 2- Enregistrer la pièce sous le nom « Axe ».
  • 48.
    Atelier CAO (CATIAV5) ISET Nabeul Elaboré par : Chouchéne Mohamed 47/51 TP N° 7 Conception d’une pièce par Multi-Extrusion ( TP de Validation) OBJECTIFS  Réaliser une pièce avec la fonction Multi-Extrusion.  Maitriser les outils de l’atelier Sketcher.  Maitriser les outils d’enlèvement de la matière.  Maitriser les outils de transformation et d’habillage. CONDITIONS DE REALISATION  PC sur lequel on dispose du logiciel CATIA V5. PREREQUIS  Les normes du dessin technique.
  • 49.
    Atelier CAO (CATIAV5) ISET Nabeul Elaboré par : Chouchéne Mohamed 48/51 * Application 1: 3- Réaliser la pièce suivante en utilisant la fonction Multi-Extrusion.
  • 50.
    Atelier CAO (CATIAV5) ISET Nabeul Elaboré par : Chouchéne Mohamed 49/51 * Application 2: 1- Réaliser la pièce suivante en utilisant la fonction Multi-Extrusion.
  • 51.
    Atelier CAO (CATIAV5) ISET Nabeul Elaboré par : Chouchéne Mohamed 50/51 TP N° 8 Assemblage ( TP de Validation) OBJECTIFS  Réaliser une pièce avec la fonction Multi-Extrusion.  Maitriser les outils de l’atelier Sketcher.  Maitriser les outils d’enlèvement de la matière.  Maitriser les outils de transformation et d’habillage. CONDITIONS DE REALISATION  PC sur lequel on dispose du logiciel CATIA V5. PREREQUIS  Les normes du dessin technique.
  • 52.
    Atelier CAO (CATIAV5) ISET Nabeul Elaboré par : Chouchéne Mohamed 51/51 - Réaliser l’assemblage de la vanne suivante : Vanne assemblée Vanne en vue éclatée
  • 53.
    Historique de CATIA CATIA(« Conception Assistée Tridimensionnelle Interactive Appliquée ») est un logiciel de conception assistée par ordinateur (CAO) créé au départ par la société Dassault Aviation pour ses propres besoins sous le nom de CATI (acronyme de conception assistée tridimensionnelle interactive). CATIA est né d'un développement réalisé en interne dans les années 1970 par l'avionneur Avion Marcel Dassault. Le logiciel était initialement dénommé CATI (Conception Assistée Tridimensionnelle Interactive), mais il a été renommé CATIA en 1981. À ce moment-là, Dassault a créé une filiale responsable du développement et de la commercialisation de l'outil, et a signé un accord non exclusif de distribution avec IBM (International Business Machines Corporation, connue sous l’abréviation IBM, une société multinationale américaine qui est présente dans les domaines du matériel informatique, du logiciel et des services informatiques.) - En 1984, Boeing a sélectionné CATIA comme son principal outil CAO, et en est devenu le principal utilisateur. - En 1988, lors du passage à la version 3, CATIA est porté du mainframe (ordinateur central) à la plateforme UNIX (un système d'exploitation multitâche et multiutilisateur). - En 1992 CADAM (logiciel de CAO) est racheté à IBM et l'année suivante CATIA CADAM v4 est publié. - En 1996 le nombre de plateformes UNIX supportées par CATIA V4 est porté de une à quatre, comprenant désormais IBM AIX, Silicon Graphics (une société américaine qui construit des stations de travail (workstations) dédiées aux domaines de l'infographie, de la 3D du traitement vidéo et du calcul Haute performance HPC ) IRIX, Sun Microsystems SunOS ( était un constructeur d’ ordinateurs et un éditeur de logiciels américain) et Hewlett- PackardHP-UX (HP). - En 1998, une version complètement réécrite de CATIA est publiée : CATIA V5. Cette version a été écrite pour Microsoft Windows tout en conservant sa disponibilité sous UNIX; le monde Mainframe a été abandonné. - En 2008, une nouvelle version majeure la V6 est publiée. L'intégration avec les autres outils de l'éditeur est étendue, le support des plateformes UNIX est arrêté pour le client CATIA. Les différents produits constituant CATIA V5 couvrent un très grand nombre de domaines, allant de la conception mécanique, à la conception de systèmes électriques, au design ou à la FAO. En effet, le logiciel regroupe un nombre important de modules totalement intégrés dans un seul et même environnement de travail. Ces modules permettent de modéliser une géométrie (CAO), de réaliser des analyses et des simulations (IAO), de mener une étude d’industrialisation (conception des outillages), de générer les programmes de commande numérique pour les machines-outils (FAO), d’établir les plans d’usines etc…