�-"• 14,1· �"�".r t_H,.)�II!'P. ; JliPJ4)kd(iiU.JMt·A�4i;,JiftflJ.J4-4,! •�i'é·;-..�"'"''·91,-j!Jd-'11''-�Wt'rl!�!'Of:-'·"'''"""1
l· '·
�PUBLIQUE ALGEFiiENNE OEIi1DCF1ATIGUE ET PDPULAI�E
�fE �"4Ii�VAUX PUBLICS ET DE LACONSTRUCTION . _ .DIRECTION DE l'INFRASTRUCTURE
!f'
' ""· '· '
. .
SERVICE o· ETUDES ETTRAVAU� D'INFRASTRUCTURE
··'-'
i
.,.... _,.... GENERALES TECHNIQUES ET ECONOMIOUES
DES AMENAGE ENTS ROUTIERS . � .
,..-
' ) _ ,;:.,_
' ,..._j·:. ·. .
· .
�NORMES TECHNIOIIESO'·ftME�AUt.t�i{:iltfi1t'J! "'ïf' . . · .
.
%!Y�i
cu
S 0 M M A 1 R E
CHAPITRE I - DETERMINATION DU"Y'NIVEAU DE SERVICE
1. 1
1. 2
1. 3
Définition du niveau de service
Catégorie de route CI
Environnem�nt de la route
CHAPITRE Il - PARAMETRES FONDAMENTAUX DES PROJETS ROUTIERS
2. 1
2. 2
2. 3
2. 4
2. 5
2. 6
2. 7
2. 8
2. 9
2. 10
Hauteur de l'oeil et des obstacles
Temps de perception - -réaction
Accélération verticale admissible
Caractéristiques géométriques des véhicules
Coefficients de frottement longitudinal Fl
et transversal Ft
Accélérations et décélérations longitudinales
Devers de la chaussée
Débit de pointe horaire
Vitesse de référence des véhicules légers
VVL
Vitesse de référence des poids lourds
VPL
Récapitulation ·des paramètres fondamentaux
par niveau de service
CHAPITRE III- TRACE EN PLAN
3. 1
3. 2
PROFIL EN lONG
Paramètres cinématiques
Caractéristiques géomètriques des projets
routiers (plan profil en long)
3. 3 Homogénéité de 1 'itinér�ire
3. 4 Coordination plan profil
Pages
..&'
1. 1
1. 1
1. 1
1. 3
2. 1
2. 1
2. 1
2. 2
2. 2
2. 4
2. 4
2. 6
2. 6
?
'- • 7
2. 7
3.
3. 1
_,
3. 2
3. 14
3. 15
,.��.·.·..-. '
'·"· -- '· ' 1
i
1�
1
CHAPITRE IV - PROFIL EH T VER
4 1
4. 2
4. 3
4. 4
4. 5
CHAPITRE v
5. 1
5. 2
5. 3
5. 4
CHJP I TRE VI
6. 1
6. 2
6. 3
6. 4
6. 5
6. 6
6. 7
Définition
Choix du nombre de voies
Prof i l s en travers en section courante
Prof i 1 s en travers sur ouvrage d'art
Prof i 1 s en travers sous ouvrage d'art
-
OISPOSITlONS DE OETA IL ou PROFIL EN TRAVERS
Collecte et évacuation des eaux de
ruis se11erne nt
Drainage interne sous p1ate�forrne
Dispositions constructives des
assises de chaussée
Oisposififs de sécu ité
- CARREFOURS
Vitesse d'approch vide V
Définitions et principes généraux
Visibilité aux carr�fours
Elêments de la route principale
Eléments de la route secondaire
Dimensionnement des carrefours -
Tableau récapitulatif
Carrefours type�
CHAPITRE VII - ROUTES EN REL[EF DIFFICILE
7 . 1
7. 2
7. 3
Points sing 1 iers
Profils en travers
Lacets
4.
4 . 2
4. 5
4. 15
5. 1
5. 2
5. 4
6.
6.
6.
6. 3
6 5
6. 10
7. 4
Chapitra
Cétermlnatlon du nivealf da service
Classement de l'itin�rai
dans l'un� des ca
Sinuosité
io=-Économique�
l 1i 5) à 3)
tennination du ntveau de
ice �ij objectif dans
zone
Prise en compte
critères ca rac té ris
J1
Ji
1
1. DETERMINATION OU NIVEAU DE SERVICE
1.1. Définition du niveau de service
Le niveau de service �ij d'une route de catégorie Ci (§ 1.2.) se développant
dans un environnement Ej (§ l .3.)est caractérisé par le respect de seuils
ou de conditions discriminantes relatifs aux critères ci-après :
- vitesse de circulation à vide
- coût d'exploitation
�es
véhicules (à vide)
conditions de
circulation
- confort et sécurité
- gabarit
- permanence de la liaison
- incidence sur les régions traversées.
Ces deux derniers critères ne peuvent être apprec1es que de façon qualitati�e.
Les autres peuvent être rattachés à quelques paramètres physiques fondamentaux
mesurables, caractéristiques du comportement moyen de l'usager (temps de réac­
tion, conditions de visibilité, conditions de confort), de la dynamique des
véhicules (coefficients de frottement pneu�-chaussée, accélération, décéléra­
tion, devérs maximal) ou de leur géométrie (largeur des voie�, gabarit), et
de la qualité du service rendu à 1 'usager (débit horaire admissible, nombre
d'heures oQ la congestion est acceptée).
Les conditions minimales d'aménagement permettant de respecter les seuils des
critères de niveau de service, sont déterminées par la prise en compte des
seuils admissibres pour ces paramètres p·hysiques fondamentaux, ainsi que
des règles de l'art et se réfèrent aux indicateurs cinématiques et géométri.·­
ques ci-dessous :
- vitesse de référence des véhicules légers
VVL
- vitesse de référence des poids lourds
VPL
-
largeur et nombre de voies.
1. 2. Catégorie de route Ci
Les routes algériennes sont classées en cinq catégories foncti0nnelles corres­
pondant aux finalités économiqu2s et administratives des itinéraires considé�és.
l.l
-
-
C.�it. 1
_........
:::1 : r:::
C<J.t. -2
C.at.
...., 3
..
• 3...
.> :. .. .
"- ...
..... . ..,.•.·;-•
centres économiques
d'industrie lourde
·centres d'industrie de
transformation
�-·······..····-....
Pôles d'industries lég.?res ,.
--- Cat.
••••••• ee • Cat.
4
5
D @ Chef 1 ieu de Dai ra ou wi layé
Q) Centre de.vie
atégode' 1
atégorie 3
:atégorie 4
Liaisons entre les grands centres économiques, les centres d'industrie lourde
(A)
Liaisons assurant le rabattement des centres d'industrie de transformation (B)
sur ce réseau.
Liaisons entre les centres d'industrié de transformation (B)
Liaisons aso:ur2nt le rabattement des pôles d'industries légè.r<'S Jiversifiéc:s
(C) sur le réseau précédent (Car. 1.)
Liaisons des chefs-lieux de da1ra et de wilaya (D) n0n desservis par le ;�s. au
précédent, avec le réseau des catégories 1 et 2.
Liaisons des centres de v1e (E) av�c le rés�au des catégorie� à 3.
:atégorie S Routes et pistes non comprises dans les catégories précédentes.
, ,
/
f.:."
r
i..3. Envir-onnement de la routê
La classe d'environnement est caractérisée par deux indicateurs
- la dénivelée cumulée moyenne au kilomètre
- la sinuosité
1" 3.1.
h
Dénivelée cumulée moyenne : Ï
h
L
La so=e en vc1
de l'itinéraire
absolue déniveléesSl<c; :2li,_.eqest la dénivelée CWll'-llée c-. :;a;;;,.
3e:-l.S �
-<�---�----···
hl
. --- . .
Jt::n::._ "Je i
Pi.>o
,.z_ F ·1
'
..//' �)
L
1
sens
Le capport de la déni.velée cu.Jnulée totale à la longueur de t'itinéraire L
permet de mesurer la variation longitudinale dul!;liet:.:
cl e Classification
code
Plat
2a Plat mais inGndable
Valloné
J Montagneux
Déniv·elée
cumulée moye
h
-'
r
h
r �
1,5 i.
4
! '5 %
! '5 %
< h
I
(
h·
L
"
.....
4 i.
L--··············--····- ·--·"----------------------'------------�----·-·-.J
1. J. 2. S-!.nuos-<,t" mo;;enr.e cr'� lj.;r
La sinuosité moyenne <r est égale ai rapport de la longuetn: sinueuse l,s sur la
lpngueur totale de l'itinéraire.
La longueur �inueuse ls est la longueur cumulée des courbes de rayon en plan
infirieur ou égal a 200 m.
N" de
code
2
3
Classification
ité faible
ité moyenne
Sinuosité forte
Sinuosit�
moyenne
(J
:; 0.1
0� l
<
Cf·
.�
0,3
0,3 < o.
Troi.:' types d1env1rcnnement Ej sone caractérisés par le croisement des deux
paramètres précéden�s selor. le tableau -�-dessous :
2a. Plat
etc�nondable
2b. Valloné
3. Montagneux
1
Faibl:e
E 1
2. l.
l
Moyenne
E 2
E 2
E J
J
Service objectif Nij
, GQndit iens "d�
- § 2. 1.
Critlraa car1ctlri
te� a d<e roi.-;;ct i�n � 2, 2'> i · 2 .l.;,
i:l'l..C.i:Î.Hl.Ge g 2. 3
de a�ti&faire aux l
1
!
L____ ..
2. PARAMETRES FONDAMENTAUX DES PROJETS R0u!J�RS
Z.l. Hauteur de 11oei1 et des obstacles
un obstacle
J'appuie sur .la
pédale de frein
!.3 à 1.5 sec. plus tard
s de percepti,::lT;
• . 8 à 2.0 s.
on
obst�;,::lE
éventuel
!5 l .2)
hl;"" 0, 2iJ(Cat 3à5)
Freinage
lOO k
"' l sec .
temps �'entrêe en action
des freins
temps
1
l_ j.
2.4. Caractéristiques géométriques des véhicules
2.4.1. P�tres propres aux véhicutes
1
r------- 1 --- - .
,_. x .:;, x ... Ill
:;l '"' :;l c:: :;:J <Il c: .... .... ...
QI :1 <0 <li <Il ,_. <0 1<11 :l Il ;3 Cil.
TYPE DU :l <li
"-1
w e ""' 1<11 > .... <Il .... <IJ ....
01) 0.0 1 ç;: QI 1 .... "' 1.< .... .... ..... .....
c:
p..
1'11 Ol w l<ll ... ,_. ""' 0 �· 0
0 j. o:J 1 > u 1 ... �· 01 '<'lJ .... ""' ....
VEHICULE .-1 ....1 <1J -< <tl QI < ..... ...... .... ... u
u c. ..., 0 <IJ c: 0 x 0
... e w :> .... .... k <li ....
0 :.il 0 0 ... *'
o..
;l.. :>
c:: 4.1 c:: <Il
L 1 A B c D E
0 '"' 0 ....
>- ... )-,jJ
<tl c: "' c:
:t: t1l
0:: QI
VGi�ure parti
!culière
1
5
. 00"'
� .30 l.OO 3.10 0.90 1.40 1.40 3.20 ,s.so
l
leam ion
routiet.
!0.00 2.50 1.50
5.501
3.00 :. 90 1.90 6. 45 IO.vO
1 1
! 1 1
:. :0
1
1
lTr:!..:teur .,.
1 5.40 2. ')t! . l {. t:..
1. 25 1.90 1. 90 - 12.50t - �-
1
1
! 1. .l.O 2. 50 i 8. t5 2.65 1. 90'r.=.""':'-:" �-�:.:
! 1
-
l. 90 5.30 -
'
11 '
�-----
'
1 ;
. ., 1
1-c.: -�:::s:-c;"�! l?.OO
1
2.501
�---- ____..1-._
l. 45 -
'·"L
..
,o�:'��-_L
-
1
....
::1
�
....
...
1'4! .
<J Œl
x loc 1
<lJ
ii
c:: Cl
10 ....
>- .....
�
c:
41
6.35 '1
Jo.so'j
!'
'
13.95;
-
l -
!
J
Î Î
(i)
(H)
L:J.J.tgeur des 4Uments du profil en trove:rs
Voies de cireu lation
La l�rgeur deM voies qui peut varier selon la position de la voie
d.anw le profil en travers et la wtture des ausceptibles
de l ero.prunt:er, eat fonction de l' encombreu:;,ent. d C<ea vi!!hicules,
de a�cuiitl (p) vis i vis des
paroi�
6 m -
et du paramètre de garde (g) entre véhicule;:;
�- PL ,. 0 , 5 m) •
E:x1 �Hgruement3 2 voies de 3,50 m
.assurent
le croisement de 2
hnn:di1
dans des conditions de t�écurité satisfaisantes voies
dl!« 3�00 m &II.SUrent le _croisement de 2 VL).
En une surlargeur par voie S(m) � itm) doit être prévue
d R <( 200 m.
La bande d'arrêt dwurgence a.. pour objet de le $!:ationne-
ment d'urgence &'un vê'l:dcule en panne. en moins possible
les vlhicules circulant sur la section courante. Le choix �e 1• lar­
llteur de ·la b�nde d'arrêt éventuelle est un compromis entre le dés ir
d1�<iàsurer la sécuritéï:n.rudmale des usagers et le souci de limiter les
inv·estiasements A des montants
raisonnables, lle
,est comprise entre
ru pour les chauss€es de 6 m ou 7 m, 2,25 m pour les chaussées de
0 50 m et 2,50 m pour l�s chaussées de 14 m de
largeur.
--ru.oo-."""'
Cat égode J 2
e de
cula tian 3�50m 3,50m
.2,00m
de ou2,25m 2,00m
rrêt ou2,50m ou2,25rn
�
3 '
""'--��...,..,._
3,Som(l)
3 OOm ·
.' 1
2 OOm ( 1).
i
4
_,,,,.,,.,___·�=-·,....
3,00m
Excep-
tionnel
(!) cas de trafic important ou fortement hétérogêne.
'
3,
-
2.5. Coefficientsde frottement longitudinal flet transversal f
t
atég.
� Vitesse en
-�- km/h
Coeff.
de frottement
Longitudinal fL
Transversal ft
0,36 0,40
O,ll 0,!25
2.6. Accélérations et dêcêlêrations longitudinales
60 40
0,16 0,20
0,49
o.1a 0,22
2. 6.1 Les valeurs admissibles de �1accélfiration et de la dicilêration
consciente lors d1une manoeuvre de conduite ou d'un changement de vou;
c�-éhicules légers)' sont données dans le tableau suivant :
1 - 2
Accélération (m/s2)
Décélérati:n (m/s2)
Accélération
3-4-5 �------------
Décélération
o, 5
-f .s
0,6
-!.6
100
0,5
-1 '5
7
-1 '7
80 60
0,6 0,7
-l' 6 -J. 7
0,8 0,9
-! ,B -1 '9
,
v
0 200
2.6.2. Les valeurs admissibles pour l'adaptation de la vitesse aux condi�
tions géométriques de la route sont ramenées à :
- accélération
- décélération
2
y ,. 0,5 m/s
y' .. - 0, 8 à - l , 0 mls2
2. 6. 3.
Caract�pistiqu�s
dynamiques des poids loUPds
Le diagramme ci-après donne la variation de la vitesse d'un poids lourd en
rampe ou en pente. Le PL est supposé lancé à 80 km}h au pied de la rampe,
mais toute vitesse initiale intermédiaire peut être prise en compte. On
observe qu'en pente la vitesse des PL tend aussi vers la même vitesse
d'équilibre qu'en rampe.
500 1000 !500 2000
Vitesse
d' équi lib rB
(km/h)
80
62 (2
56 (1 5
49 (3 %)
LJ!
35 (5
3! (6
27 (7
�'4 (8 hl
3000
L
2 . . Devers de 1 a chaus sée
Devers·"maximal d. max.
o devers d. max à 7 % en environnement E 3.
2.8. Débit de pointe horaire
2.8.1. Débit homire admissible (d) = k (c)
(d) "' débit horaire maximal accepté par voie, compte tenu du niveau ·de ser­
vice visé
(c) "' capacité effective par voie, en u.v.p. qu'un profit .c
écouler en régime stable.
Le coefficient (k) résulte de la valeur seuil de d/c à partir de lle
il convient dfenvisager un élargissement de chaussée. Cecoefficient dépend
de 1 'environnement de la largeur·initiale de chaussée et de la valeur du
temps.
2. 8. 2. Débit de pointe horaire normaZe Q :::: i Tt'!fJA
Q ; débit de pointe horaire normale (en tLV,p.� prévu à l'année horizon,
en rase campagne. Le choix du niveau de ce débit est lié au nombre d'heurc3
de congestion acceptées dans l'année.
T : trafic moyen journalier annuel de 1 'année horizorr
En r�gle générale, l'année horizon sera la dixi�me année d exp itat
de la route,
Sauf études spécifiques, le coefficient (1/n) permettant de calculer le
débit de pointe horaire normale sera pris égal à 0, 12, quelle que soit.
la catégorie de la route
12 %
2.5
Nombre de voies du profil en t:rave:rs
Le nombre N de voies du profil en travers est tel que
·N x d � Q ou N x kc til * soit
[
N
)��]
2.9. Vitesse de réfé.fënce des véhicules légers VvL
Vitesse de référence des poids lours VPL
V
VL est la vitesse qui permet de d�finir les caract�ristiquea minimales
d'aménagement des points particuliers de l'itinéraire. Elle g4rantit
l'homogénéité des caractéristiques en plan (RH) eu profil en (RV),
en carrefour • • . et par 121 même, le c·onfoyt q:,t !'!êcln:iti! t1e le, conduit""'
VPL, est la vitesse qui permet de définir
des rampes en profil en long. Elle
flrl:nirruZes au poids lourd représentatif,
�-�atégorie1
Environ-"·""'-,
�
nement
-�
VVL
El
VPL
V
VL
E2
Vpt
E3
Cat.
120
40
lOO
35
80
30
L Cat, 2.
120
40
lOO
--� --·---·�
35
--��-·-�"""
8-0
30
-
Cat. J, Cat. 4.
120 JOO
35 JO
100 80
30 25
80) 60
25 20
2.10. Récapitulation des paramètres fondamentaux par niveau de
§ tableau ci-après.
ce
1�:··
�;!
Cat, 1 Cat :l.
Inaependantl de 1 'environnement
Usager : oeil ho
ob1tacle h1
oblt&cle h2
1.10 !Il
0.15 m
1.20 ill
Caractéristiques géométriques des véhicules cf� 2.6
Débit pçinte
Hordce
Il: .., d/C
en traven
Ace!:! -
c.
1
- "" 0.12
n
2x 2 v - 14 m 10,5 m - 7 m 7 m - 6 m
10,5 m - 1 m
2 5 k
- 40
1,8 Il
g/40
:n o,1o
0,50"' !,50
l 00 )5
,J6
o �no
lOO
,8
g/30
0, Il
l ,60
:J
.......................... +--··-··""""'"-····---···· . ..... .. ............
r:2
Cc rnp s réaction 1 ,8 s
Ace!: verticale g/40 g/30
8 %
Cat. 4
1. 1 0 Ill.
0.20 Ill.
1.20 Ill.
en Env.• 3
,8 s
g/30
Cat.
,00
2
F F
L t
0,36-0,11 0,40 - 0,!25 0,43 0,15 0,1.6 0,
Ace!} - Déc!:!
con
VVL
- v
PL
temps réaction
Ace!! verticale
- Déc
-.,"':----
cons.
0,50 - l ,50
80 30
1,8 3
g/40
0 '70
80
O,d
- l, 70 0,90 1 '90
!..!�--=-�
25 60 20 40 lit
-�----"'�
1 ,8 s 2 5 2 s
g/10
- 01 1 '
� 4, r.:) 0' !8 ,!.9
2,C'C ... 2 '•il
Chapitre Ill
Gn plan - Profil en fang
d
• 5
on en plan RH
§ 3.2.! l!t 2
�ueurs des raccorde­
:s
Progressifs,
�
!". 3_________-:_:..::.._:..;;:_s,______�·--··· .. .
rdination Plan - Profil en
Rayon en Profil en
'tong
R V
U.2.L
!nvi roun e111�nt
Ramp"
max;male�l
Couple
pou<eent.]longueur
§ 3.2 .4.
"�----�-·�·�----
-·-:.
.,;;
3. TRACE EN PLAN - PROFIL EN LONG
3.1. Paramêtres cinêmatiques
Distance d'arrbt en patier
distance parcourue pendant
le temps de réaction longueur de freinage d
Q
1,8 1 2 8
distance d1arrêt ���-----·
(m)
1.
dl (m) est la distance nécessaire i l'arrêt d'un véhicule à l'approche
d un obstacle éventueL
3.1.2. Distance de visibi Ut� de d�passement rrrininxzl.e dm.
dm est la distance nécessaire pour dépasser un véhicule roulant à la vitesse
V- AV·(AV • 15 km/h). Elle correspond à un dépassement en force exécuté en
7,2 à 9 secondes.
. --- - [[]D _____., VVL ---.
-- ........._
..::::::::. � __ -:-OJ ...... w.v km/h ___
1-.T----�ancede vi•ibilité de dêpam�nt �ini:-d�------=-� .
3.1. 3. Distance de visibilité de �euvre de dépassement cY1d
dMd est la distance minimale qui permet à un véhicule effectuant un dépas­
sement et apercevant un véhicule en sens inverse
, ,
- soit d'abandonner son dépassement
- soit de le terminer
le véhicule adverse étant contraint à freiner.
-----
� -'
cac:gon Paramètres cinématiques 120 100 80 60 40
�...-
·Longueur de freinage do 175 Ill 65 34 14
l. Î..
Distance d'ar-rêt dt 235 !61 109 67 36
( 105) (64}
(34)îLongueur de freinage do 160 lOO 59 31 13
3.4.5.
Distance d'arrêt; d
l
220 ISO 99 64 35
Toutes
Distance de visibilité de
dépassement minimale dm
f
o- 420 320 240 160
Toutes
Distance de visibilité de
manoeuvre de dépassement d:-td25 � 200 120
10
___L_______]
r-�
Les valeurs entre parenthèses correspondent à l'environnement E3.
3. 2.
J. 2.1.
J. 2. 2.
3. 2. J.
J. 2. 4.
Caractéristiques géométriques des projets routiers (Plan - profil
en long )
- aondi tiL:n optiq!;!e
= aonditic·n de gcr.,.?f:i.3se-e'"ct
Couples rar.pe - Zo�guek'
j�
Bl
-4.
$
)
-- -;:; -��{ ,�_:_/'""""-;: -��:: �i"'lJ � I'-;· -Ï�.,]J
J
!
:·�,;
� �--�-�- -------,--.-____
tégori<
oocio-éconoœiqu
'
Catégorie(:,
J1
Cdltêgori• 2
! Ca;::égorie 3 1
Catégorie 4
-+
_ . (--�..,. Categoru� 5 1
!----
' 1 1 l ---t' 1 - ···
'-'
1 !
1 1 ! ! : 1 1 ,.
lnvi rdonement E 1 E 2 J f. }
1
E 1
j
E 2 E 3 E. 1 E 2 ! 1! 3
1
E 1
,.
E: z
1 "
'
1 N 1
I
l
1
1 ' 1
·
1-- . "- 1
E2 El
1--
1
-� .
1 """" 1
80 60
80 60��se
de référence VVL
1 1
120 lOO � 120
1
lOO 80 , 120
l<l&,
SO _ 1
_
00
1
r
1
.
450 zso: 650 450. 2sô 6oo , 375. na..!-
J7sl
zzo
/
11
�,x["'
210
j
105
lJi)'Ot
en
plan
11.11
"'aini..,l abaolu
(d. �;)
-..iniaal aonul
IUia
!UIN
i.&!
650
11. . n- s:t 7% s: n 9x
Iooo
1
•
6So!
450
j1ooo j
&so
�t
450
1
sso
j
600
1 4�o-J wo/
375
R 350/
210
5% SI 6:t
�f
6X 5% 6%
1
2200
1 16;]
!000
. .
450-
40,
40 '
105
200
-- cle""'ra ai­
ni-:'l(d.
�
-non diva rsi
(d. &in)
I!Rnd
-
3200
2,5� ,-. 3� .3%
2200 1 1400 13100 1 2200 11400 1 2800 1200 : �:·�r�� 650 1 1100 , 650 1 280 !
- 2�5% - 2�5t
·.'iL"
- 3%
, 3t - 3:!
,
llaidirectionnelle-
r--r---r- ! 1 r: 1 :-
I
l 1 1 _JI
·� J,ayon 2 voi·p) 1 , ! 1 1 '1 i
Î,
. (Jo YOleS OU � J: - '
i
1
l 1 l
1 1
· ·�n - &inill&lll
abac.lu
RV..I 12000 ;6000 i 2)00 12000 &000 250.0 10000 4500
1
2000
I1SOO:
2000 BOO 2000 800
J
250

i
.
1 1
!'
:
ln�le
1-
ainia..t nonul R�l 18000
l i
bOOO
!'18000
12000 6000
1 15000
10000
l
4500 :
�0�
4500
12000
4500 2000
��
800
..,).- . . . '
. + ! --r--------1
--
--+--+--+----+
(Ult._
ll>d>rectlOnnelle ..,._ _
'
1
1 ..
1
lA
·()voieo - Zvoies
�-1�
1
l" '
- miaiul absolu
R;,!/
20000 10000 4500 20000 10000
11
_
4500')
16000 8000
1(3;09, ! 1300'//350: 1
1300
4501
.
1 l'
..
'1
'--' 1
 •
!tV
,-
&ini""'l lOt11Wll am
1 20000.'
10000 10000 [20000 10000
.110000
, 16000 116000
l 81J<.:.•·l
8000 3500 j'
-�0
3500 13001
!-- 1
1 •. 1 1 · --+.
1
1
i
1
1 1
RVD
,
30000
.�0000
1 1000 tJOOOO 20000 �� 1000
i
2 7000 !6000
90�0 r6000
9000 5000 9000
i
5000
_12
300
1�yon
assurant la dis­
.:lance
de visibilité de.
épassement d (3 �oies
2 voies) •
Jayon
n m.- - -.inim.al absolu
.� ant
. .
�le
nn-
.
R_y-
IBlOlœ.aol nonul
J)écllvité
ma.xi:nale
-,;..(,·'-:!
1 li
l
.
---_-{ 1
ll'V.� 4200/3000. 2400 11
4200 3000 1:,2400
350::>
,2!00 16,00.�,�-100 1600
1600
11001 '0·'
;
1 ,�
1
1 ...11.'�1 6oo�42QO.
3000 6000
4200 , 3000 14500
'noo 1
2tOC . 2'<·
1 . ·t !+ ir
'
1
• • �
,� r----�
i i �-��--J------�·--�-�
1 100
jp
·"'-'"' 4!
li
S:C 1 6!
!
4�
1
H
�
6%
1
51
; 64�i
_
_:Jl);l o�·
"
··�-------"-"--+--�--�- --r·-t-� 1
T-
---
·
_
uple (p,L) rel at
il'
l vi'L
40J
35
�-���l-40 1
35
�-��L_L�--:::.���-��L__ �
20
Règl•s d'emploi
!"lan
J
�--
1 - Ev er Rhm; uttllser R � RH.N �n poss
Lole
2- Po� RHm <! R < Rllcj, devers par int<rpoèa­
tiO linéaire en 1 (arrondi â 0�5 �)
R
3- Poli !œd < R devers minimal ( d. cran)
- Potl" RHm< R <RHnd, ·:ourbes
prtgressif ; - obligatoires
- préc-ornsees
à raccorde�.nent
(C.at, l. 2)
(Car. :1)
- souhai.cê�s (Cat. 4. ''
- LiD.ter les align�m.ents droils .i; 20
j Q% de la longueur du trac�
- Ev�er les très longs alignemer.lso
dnnc�
atigneT�nt. droil (L "m:· 400 m)
RHm (V
-<1
40) avec
V+40:-
120
RV'O;ll et R1 Vm pour une route à 2
es unidîrecrionnelles; uti li
seT
R'VN si possible
une
rv.-u.t·�
bldirec­
e. t R 1 V!-l s � po s s1b<�.
t"outes bidirectionnelles, RV> R'v'D
souhaitable sur 50 k du tracé.
ter les.pro.fils en !_ong'à se:gmen�':: swc­
:tifs; interposer des raccordemern:.:; )Jil.­
li.ques
·s un long at1gnemen-::: droi.t (L:::. 400 rn)
ac RV � RVm (V + t_.QJ avec VJ?t•O _ ! 20
en l�ger
�e�b-3�
pr�firable 3 pro­
tiger d�bla1 �dra111age, pay�ag�)
)[,), ,_'t
lJ.:.0.,
l �·nw �l t
'-''L' t' e ':i c _;:[}·..
:
.:1:�'
c� d'dd�":':rl-:> (p
r;Hnn.:•;
l•'
,' ' d' .
.._t' '· "
L7'"4 Îo, ç 6"'4 SÏ,
RHN
d -
:i a
J. 2. 2. D.j tt: rm 1:l'Id tiv0 n de13 cl.i t-'€ 1'6 aB [1' '1
au .Nyon en p &an
Caté�,Hèe'l 1 - 2
::::::=:=.:=-:.:::=-..::-.=..--====:-......=:=.:
� RHd
dmin ll -
1 ..
(� .iii )+ Rhd
-
(dmax-2) -
dain ?
d
RHM
.-
� R � RHN
x
[ii
-
�]
+ 1
&l)iID
�...... .
r�
Env. 3 R ., 650 Ill
R étant c:omp.ris entre 620 et 730 rn
prendre d • 3,5 Z
1
1f
Z�O �·------.... RHm ( € 3 · 80 )
1900
2000 f==t::::=t::::::�::::.:.:::- ·•
2800 t--t--+-+-·---+
J. 2. 2. Déte rmiit�uol�·tf;fi �-Ve1"8 as 80 m �8
a:u I'ayon en plan
Catégorie 3
(tous environnements)
Cas VVL !20El/100E2/BOE3
RHN ;r. Il :i RHd
<1 ,,. 411in
x� - Rit)
1 !
[dmax--2)- dmin + Rhd
..
i
lU).� i { RHN
x [� -
�] +
1 î
� ilill
lm ([3- 60)

 206
RHmiE2·80)
;!.2.::. Ddtemd•<a<:icrJ :iea :12:1c:rs ::.ss::_ ,!
J:..t rayc'1 2'1 p. cm
Catégorie 4
(Tous environnements)
Cas VVL 100 FI/80E2/60E1
,R� � R :; RHd
d - dmin x� -·
R��)(dmax-2) -
dm in
RH� � R :: RH�
x [_1_
-·
�JRHm
· �
t
+ i
RHd. R
1-
RH
'll
c,
. 1 :
2�� L. . . . 1�.·. • .. _,·;
1. l 0 �- ·-··· ---- . ·- _......,
. • ; ' . �·;·--.. 2.J&
' ' 1 '�:·· - . - · .i. . -
. ,. -
. . .)·..
i
!
b� �
eoo �-- - ·
1100 r-- _
. L_�'l"''o
·- . ........... . . ....
j
,., ...
'· z. z. dev�l'B �crtJs
(Tous •nvitonnèments)
Cas Vyt.80 El/68 E2/40E3
• ,..,J)'
+ ':
.. .
1!0
,-
1
·1
3 . 2 3 . c.te B _r�zeC'()rdementB progr-t? S en p lan
Po u r RHrn < R < RHnd , l e s c o D r b e s à r a c c o r d e me n t p rogre s s i f (en
des c lothoÏdes) sont :
- o b l i g a to i r e s p o u r l e c a i e s i - 2 . /
- fo r teme n t p ré c o n i s é e s po u r l a c a t égo r i e 3
- souhai tées pour les c a t égo r i e s 4 - 5
P r i nc ipa les formules
A 2 R . L �
t.: .. L
rad 2R
ap�roximation
L
2 4 R
L e s c o u r b e s i taccordeme nt p ro g r e s s i f do ive n t remp l i r l e s cond i t io n s s u ivan­
te s
( i i )
( i i l )
pour R ' 1 500 m - Dep a r t AR
L : �R
- pour 1 50,0 < R � 5000 m
m (éventue l lement 0 , 5 m) d 1 où
c ' e s t à d i r e
R
L "' g
- pour 5000 < R - De p a r t nR l imi té à 2 , 5 m s o i t L � 7 ,
candi tian de gauchissernent
seconde)
L
1 . t, d . VVL------
50
d i f f é rence d e d ev e r s e n %
en l imi t é e à l OC
du devers l·imi té à 2 % par
a v e c 6d
VVL
1 d i s t ance axe de ro t a t i on - b o rd d e chau s s � c
condi t:.on de ce:fort · (v::.r� ::: :; ion ci 1accé Zér2 tion t!'::n s ve rsa le limi tée
à _g____
0, 2 v
L
2
VVL
1 8
par seconde) Ce t t e c o hd i t io n n ' e s t p a s p r é p o n d é ran t e
E n géné ra l , que l l e que soi t la
c:> t�orie
d e la route,
-- pour l e s rayons supérieurs à 5 . 000 rn , prendre L "" 7 . 75 / R (LlR .. 2 . 50 m)
- pour l e s r·ayons compris entre ! . 500 m e t 5 . 000 llJ, p rendre
i ! . 500 m , prendre sn i t a condi-
t ion optique L 24 R. 6R pour l e s faibles devers , soi t la condi tion de
gauchissement pour l es fort s devers .
_,-.;;:�.
, _;-.; Conditiori' op tique
Jf:.�: 'fous envi_ronnements­
CONDITION DE GAUCHISSEMENT
:·-..�:·
---.�---.----�----- -�-----
!':3
liR,1 m
R
L ..
9 f-----r----r---+-,--�---r---+---t----r----l
d % 2 voies 2x2 v . d %
� voies
2x2 v . .d % 2 voies 2x2 v .
R tiR E l E 2
-
w
-�
- - -�----
..
.. ·-
--·------ !--
'
..
7 % ( 6 7m)
...
---
f--
1 J
l. rn 'i
% (52m)
LONGUEURS M I N I MALES DE RACCORDE��T E:-iTRE UNE DRO ITE ET !JN CERCLE
CATEGOR I E S 1 E T 2
- Po,J r
u ;, rayon R comp r i s e n t r e
R i
e t Rj , i n t e rp o l e r
1 i n é a i
t
u r u
·
n c c b au s s é e de 1 0 , 5 rn ( c o nd i t i on d e
ga u c h i s oc ,- r,e n t ) ,
p r-endre l a
i cr:<î gu �- u r
mo y e n n e en t r e 2 vo i e s e t 2 x 2 vo i e s
i - "tou s e;".vt ;��l: �•.:ctlt: ·! ;. s
R�y�r� ..�-·---�==-- � -- ---- -----
• [i
. - ___ ·...,..,. ,- . �--·· -
. .. .. · · - - -�- - - �·
�-i.-�---�-�'-;t:���..--�-L----+�·-·......�- - ----
-------· ---�--� l_ __ _
. .
._;
. ...
_/l
. • ' • .-"""
"
f
.......... .-..·:______ .._,.;.. ,.. .
.
.... . --·- - - - - -· +--·
·- - ···----.,I.e;;......- - ---�r-•--··- .....
· ·- · · .
- � · - --·"':"" -- � - - � - - - - -,.- ---
·::atégt�ri � ·-{1l
--1 -
,::. 'J
i i
------ - _..,.,L_____ _ _ -
' .
-- �---- ·-· ·- �-&---�-- --, �---�--:;-�
. . · '
- -� ·"':-:;-;;;;-t;.,:---· ·----,,.._.._....�L+--·--t-J•..4...lh..Lj..,__--i,__--�
T ?5o_- _---- ��� � ;�-�L�c_:•n_ . _l_�:� - � _
.. _;_._,-t_
•.'.ll
.
1 -· �;y
. r·,-b)m )
-·- --------+---��-L --�-...--+---·+---+-_...--!�-�
'
'
(3:.-��-r--... -
�__i.��-�-· �l� -- -
1 9oo lt 1 s i m ; · � : .lm 1 ,;. . ::, �;;;·�r:
2 ooo---.-ir� <sir ,
:: ; 1 9,., ._ � ---;·..; �7 - -· ��;�-rr.:,-;;: --"' ·.--·----"'k--- __.;...._�...------'-::;..._ -----""- -·•··-
:! Soo · (183m: l�259ml :�--lrr.-l-(-J%>;�:-��--�_ ______ ___ _J_ _ ___________ ____ ..J___ _ ___t>-- -
···-- . - - - - ---
••- . ! .,..,.;.i.-. :
..
ORO�M�l­
flt AYON R
--:-t--+----r---· · --� . ..
..�,;'·�����·-·---+�·---
..- ---- ·--·-�---
1
'
l i
.. .·+t-----.,.-1 --- ··
· - � - --·-------- ---...- - -· - - - -­
----- - · ·-----
..
CONDITIONS 0! GAUCHliSEt«N'f
lONGUIUR DE RACCORD!MENT
DROITE ...CERCLE DEVERS d %

1
)
4 . 5
'
(s)b i
' 6
'
7
8
·' '" "
. ·- .• . ,_ ,_
75 70
.
65 60 55 50 45 40 35 30 2 5
Le s v i te s s e s a t t e i n t e s a u x po ints c arac té ri s t iques d e l a ram_p e p e u v e n t
être éva l uê e s se lon l e proc e s sus su ivant :
; ' ' .:.t ;J �· ;> ;; 1 <" •;'Ui ;;;f:' r: "U cs.! e u r un>?. rampe de 3 Z � t t e vi te-s$e lW>r'ali't
� :�· .obt..;;m..l{: a 9; [� Ô <'- 1 ' o::-i� he .
- '-'� vi ::<!.;; s e V2 · · ·; o-: >2:::1,: ê,; ;.: i•·a l;;r.te à ce l l e qd au r a i t é t ê a t teinte
J>p:rè.;, u re. piH'<:é''-' � � ._;; ,, L "' 1DO + 2 50 l l 50m sur une :rar;;p e c on t i nu.z
d8 3 .� , � c i � cl ( a? r�·� l e tab l ea u :
La vitetY<s-<e Vc e 5l t donc équiv.dente il cel le ;:>u r;> � <: :: � :� !. : t � i rtt<!
l!lprês un p.arc®r:il de L .. :lSO + 200 "' 55-0 m sur une re1111;: · : , � i ;n�-e
de 6 % , •w i t d' après le tableau
Vc (6% , 55-0m) "' 40 Wh.
3 . 3 . HO!i!(.lgênê i tê de 1 ' i ti néra i re
tes chang�men:t s d e cara�téristiques se fait� e n d"'il po int s
PERCEP'!I8LE:S pa r 1 ' u sa g e r ; t rave rsée de vi l l e mocHfic.a't ion sens:i:b l.e
du r el i d "
Sur un itinérai-re d e ca tégorie donnée , les c hangement:a s e f o n t implic�
ment p<� :r le p-a·s sage d ' u n env--i.rmmemeo;t à 1,m vo i s i n ,
'roau t e fo i s , s i une c l a s s e d 1 envi rcrn-nement: fa i t dêfauz� i l e n.t d'e
p re'l.'tQ Ü:: �me uc ti on d e tr.ans i tioo ( l �5 à 2 , 5 Km) é:t:;,û'!lol;.:i.e ave.c l e-a �
pro p r e s à c et t e cl a s s e d ' enviro.nnemenr. .
t----......,E'"-'-�-·�o'Ç.�".."""""'?�i>lj-"�6����'-"'- --­
:z: one s de c arac t É &is tiqttes
E peu d i ff � rentes E ]
11---�------- ------- ---· ______.,..,.
..
Sec tion de o:rans i tian
Exer.rp �e : L e pa s s a g e d e s no nne s re l a t i ve s à E 1 à c e l l e s rdative s à E 3
s ' e f f e c t u e p a r l ' i n t e rmé d i a ire d ' u ne s e c t i o n d i me.nsio m�ê 2 avE'c l e s no nne s
re l a t i v e s à E 2 .
>
Le bu t d e c o oo d i rl;i t i on p i o. r1 - p r0 f i l e n l o ng e s t d o ub l. :,;
- ar.rs.u t· e é l a s é cu r i t é d e l ' u oa g e r p a r u n e v ue s a t i s f a i s a n t e d e l .s rc t:J t e ,
� L�:H; cD nd.i t i o<lil s de v i s i b i l i t é !"!l i n i ma l e é t a n c re s p e c t � cc s c:; a r a. i l l � '.t r: s
4lll � �tll:ft d e �.i s t i n.gue r c l airOMDS;Iit l es pv i n :: s g j :l ;_, d i c· r ::; t cl ••
�a.i r 1 1 évo lu t i o n d u t r-a c é ( soud de s.éc u r i t a )
- adap-t e r l e t ra c é ci •: l ' � n f - a s c ruc t u re d.acts î. ' e o ) : :.:· ;, ; , ,� . • . . .
�ia a.a c u re l , p ar souc i è ' e $ t hk r ique  �a<:eg r ·o é i co : . ; 0_ ,, ,� . r ,;
cr �.w (dirnüw tion ck: s t e rrassooen ts ) '
D!$POS I! IONS DECON S E I LLE S
n d
l e A
2 b o rd s s t r i c t i on
oe i 1
Perte de troo� :
La p e r t e de t r ac i e s t une so l u t i o n de continuitl dans l a z o n e vue p a r
l ' a u t omob i l i st e . E l l e décou ·, e d ' u n e oauva i se supe rpo s i t ion des z o ne s
de v i s i b i l i té long i t ud i n a l e ( fonc t i on du rayo� conve x e d e p ro f i l en l ong )
e � d e � i s i b i l i t � e n p l a • ( � �c t · � � � � ob s t a c l e s ex t � r i e u r s n l a o l a t e­
forro� , c omme l e s talu s )
Lorsque l e s zone s ma squées e n p lan e t en prof il en long sont d i s t inc tes
i l y a p e r t e de tracé . Le proj e t eur recherchera donc la supe rpos i t ion
partiel le de ce� zones si elle n' entrdne
'
pas de supp lément de coût
notab le , Dans le ca·i' contraire il réduira les inconvénient s de la
perte d e tracé en respectant les deux principes suivants :
' ·
' !
Vit e s s'e VVL t2t'
Dis tance de foca-
l i s a t ion (ou a cco- 800m
moda t ion) L
D i s tance d ' arrêt 235m
da
( i ) Notion de distan.!a
100 80 60 40
600m 400m 300m 200m
,.,....,......�.
·r;;;:;... ,
..
1 60m i1 0m 70m 40m
ho --.... 1 1 :t L IDEAL
l ! < L � ACCEP­
:1,1
...
. ...
s
.,J
... "
-
c=
N
-
0
.... +
..,
...
Ill
�
Zone
vue
l l
Zone
cachée
-----------------------�
� s t ance' Longueur de la perte de t racé ·
vue
(i i) ·> Not;icn âs teyt'a
0 1 (point lilld te)
�
...
...
s
. ...
g 0
. ..
t...
N
� ""'
ce
zone de rêap
pari t:ion
:·-p�.·:t
� TABLE
., D
· · ..·�··.··
1!; 1 , 5 1 3 !1 .
ACCEPTABLE
t > 3,,;o& . A RE­
J'ETEl
lol r o f i t *l ')P. 'l:. r a v e r •
k • d
c:
NiveAu de Servi ce lij
d6bit de
po inte be­
rai n n o r­
IUle 1 / n
1 2 . 8
r::::-:: . . d
'..-!tl!ruunat1 0n
JNomb re de vo i e s
1
fL. ._ _ _
�- sect i on co u r an t e· ·
1 �::.��-� :�r ouv r a ge
j
; �' : : � �. -� s o �.1 s ü d V .:l J!:0
j
1 4 . 3
f 4 . 4
1 :. . 5
•.,
Î....----------------------.J
, f.
..
4 . PROFILS EN TRAVERS
4 . L
Défini tions
d€.b lai
S urface d�1
te:-rr-ai:n
rrature1 a:!f�ti.ée 2i }a lXi:ll't«: e;t à s.e s
dê:p.enctance s
de dl2.se.J·;;: et:ç . . . )
S.urface de la route cotllp1:· enant C:hauss.êe (s) • terre-p 1 e i ns • a.c co t ements .
E ll e ne comp.I::.end pas �s de transi tion
au•-.d.el à
de 1 ' ac wtemerrt: .
Au sens g.éomé tr iq-ue du teTme , ne co::nprand pas l es bande s
de
gu i dage . j_
l a ctaus sée pe rme t l e passage simultané de (n) véh ir:u1 e s da ns un même
p ro.f i l en t ra ve r s .
Acco temen t
S ' é t;:n-d d e l a l im i t e géomé t r ique de cha u :; s ée à la l i mi t e d e p l a t e - f o me .
I l c omp r e n d :
- u n e su r L a rg e u r d e chaus sée (h;.; nde de guidage ) (- u n e bande s � a b i l i s é e éve n t� e l l e
- '.P o t: i:J e c ri>' c r ga z o r m é e
B a n d e d ' a r r ê t
4 .l
vo i es,
I l c �� mp r e nd :
- l e s s u r l a r geu r s de c h au s s é e ( ba nd e d e gui dage)
- u n e par t i e c e n t ra l e, e n ga :onr-. é e , s t a b i l i sé e o u. revêtue .
4 . 2 . Cho i x du ..!tombre de voi e s
Eva luation'. da la. dem.rn.de d ta lO�me année d 'ea::p Zoi ta tion:;;,lf.m· , ,

L ' éva l uat ion du t ra f i c f u tur e n vé h i cu l e s pa r jour so i t Tl'UA , e s t en g 0 n C· r ;J l
obtenue à la su ite d ' é t ud e s p rospec t ive s e t d ' enquê tes ef fec t u é e s sur l ' i t i ­
néraire . ou par simp le e x t rapo l a t ion du t rafic ac tu� L
La demande à l 'année ho r i zon e s t exvr imée en u . v . p . , à p a rt i r
fu tur TillA en véhicu l e s / j our , 1 l ' a i d e deJ�. fo,x;nu.,���Jiuivant;:
avec Z pourcentage de ph i d s l o u r d s
p co e f f i c i e n t d ' � q u i v a l e nc e pou r l e s p o i d s lo�rds .
Env i ronneme n t E l E 2 E 3
-��-
Rou t e s à bonne s
ca r a c tér i s t i que s 2 -
3 4 ,_ 6 a -
--·
Rou t •è s é t ro i
à v i s i b i l 3 -
6
Î
- ! 2 1 6 -·
o u
rédu i t e
•" ··"'
2 4
L e d é b i t d e p o i !f t e ho ra i re no rr;a l e � ( u . v . p . ) s ' en d�du i t p a r a ; :' l: i c.J t t u n
de l a fo r::-.u l e
Q _!_ T
n
l est un paramè tre fond an� :t ta l ( c f . 2 . 8 . 2 . ) pris
n .
géné ra l e
l
1!
'.:ation de Z
Le débi t ho ra i re admi s s ible (d) e s t fonc tion de l a c a p a c i t é théo r
(c) d e l ' infras t ruc ture e t du niveau de service v is é . I l s ' ob t i e n t
p a r app l icat ion de l a formu le
�: (c) 1
avec (k) , paramè tre fondamen tal (cf . 2.8 . 1 ) fonc tion de 1 ' envi ronnement
et d e la l argeur initiale de chaussée
(c) , capac i té effec tive du profi l en t rave rs en rég ime s tabl e
( e n u . v . p . /h)
-
rou te s à d'lux) vo i e s d e 3 , 50 rn
(!
(è'f 1 500 à 2000 uvp /h
- rou t e s à t ro i s vo ies de 3 , 50 m (c) 2400 à 3200 uvp /h
·-
rou t e s à chau s s é e s séparées (Co) .. 1 500 à 1 800 uvp /h
En moyenne , 1 <: coe f f icient (k) déterminé économiquemen t var i e s e lon
l e pro f i l ini t ia l e t l ' environnement , de 0 , 7 5 (E . ! ) à 0� 90/0� 95
(E . J ) . L e proj e teur pourra donc adopter pour (d) les valeur s €noncê e s
c i - a p rè s s u r l e s b a s a s de 30 % de poids lourds en env i ronnement fac i le ,
( p '' 2 à 3) e t moyen (p ,;-z;-a l)) --·�·-·�·-�"�··-�·-·�-.--�·
( i )
( i l )
O n c o mp a r e Q â d = k ( c ) e t o n adop t e l e p ro f i l auque l
l a 1 e u r d e ( d ) l a p l u s p ro c h e d e Q
r r e spond
L e J é b i t a dm i s s i b l e f ê.i' . v • " e s t do = k (Co ) - L e nomb r e d e vo i e s à
re t e n � r , pou r chaque c hau s s é e , e s t l e nomb r e e n t i e r l e p l u s p z·o c h e
du r a p po r t sQ
d.,
s e s t l e c o e f f i c i e n t d e d i S S }Tié t r i e ( e n g é né ra l s
:.. e s d é b i t s mo y •' n s j ourna l i e r s a d ::o i s s i ":J l e s d e s c h au s s é e s s o n t c om p r i s dans l e s
f o u r � h e t t e s s u i v a n t e s :
_ lfnâ•• diU. 11si.•s ( p : 3 en El; p = 6 •n E2)
· - ' - · · : · . . . .
Daa1 dei"" CODdidoat nonaalu de ureulat 1on sur une route à deux
voie1 de cDactfrbtiquet gfomi tr iques exce l lentes , on peut
. �··"' a411ettre 1 ·"'"
- route l chausale ae. 6 •
- route l chaus.ie cie 7 •
1 . 200 à 1 . 400 u .v . p . /h
1 . 500 u .v . p . /h
. . .._,,. Jopalie�_admissible se déduit aisimen t de ces
1 ; . �- �
. .
'"" route l cbau..h de 6 m : 1 0 . 000 u.v.p . /j environ mais s i l e
pource..tage cie poidt lourds e s t important , une route à chaussée
de 6 a ne peut itre retenue .
• route l cbausaie de 7 m : 1 2 . 500 u . v . p � / j , so i t 5 . 000 -véhicules /
, . · . . · .. . jour (12) ;& 8 . 000 vlhicule s / j our (E l )
- --� -�t�;���l�f��:��-,-::�..--� .
t :
· ·•. -·�A:''titre tndicatif • en 1 ' absence de dégagements l a téraux , l e déb i t
ldmiuib;le d ' une ehausde d e 7 m es t rédu i t à 1 . 1 2 5 u . v . p . /h
IOit l Ùa t1:afic moyen journal ier de 9 . 000. u . v . p . / j corr e s pondant
, _ , _,,. · a 4 �'ooo vlhic:ules/jour (E2) à 5 . 000 véh i cu l e s / j our (E l )
RDutes d trDis voies (p = 2, 5 e n El; p = 5 en E2)

Dans des cond i t ions norma l e s d e c ircul a t i on s u r u n e rou t e à t r o i s
voiet de carac tlr i sJ i que s géom é t r i que s exc e l l en t e s , o n peu t adme t t r e
chaussée · d e 9 m 1 . 9 5 0 u . v . p . /h
l chau s sée de 1 0 , 5 m 2 . 4 00 u . v . p . / h
t�afic moyen journaU�r -admi s s i b l e s e dédu i t a i s éme n t d e
- .. ,
,:
� ces valeurs : ains i , pour une. r ou t e à c h au s s é e d e 1 0 , 5 m , T
· . - - ·· · fgale environ 20 . 000 u .v . p . /j c o r r l! s pond a n t à 9 . 000 véhicu l t: s / j ou r
(E2) e t 1 4 . 000 vihicules /j ou r (E l )
.#"'
4 . 4 .
-�}:r.-;�;::{t­
/ '
' �·.
A t i tre ind ica t i f , en l ' abs ence de dégagement s l a t é r aux , l e
déb i t admi s s ib l e d ' une chau s s é e d e 1 0 , 5 m e s t rédui t
à 1 . 800 u . v . p . / h s o i t à un traf ic moyen j ournal ier d e 1 5 . 000
u .v.p. /j corres pondant à 7 . 000 véhicules/jour (E2) e t 1 0 . 000
véhicules/jour (E l )
4 . 2 . 3 . 3 . Routes d quatre voies et p7,�s {p = 2 e n El; l' = 4 e n E2)
,...;;..
Dans des cond i t ions normales de c irculat ion sur une route l quatre
vo ies de carac téri s t ique s géomé triques excel lente s , on peut adme t­
tre , pour l e s d eux s ens de circulat ion ave c s • 2/3
- rou te à chau s s ée d e 1 2 m
3 . 3 7 5 u .v . p . /h
� r ou t e l c h a u s s ée d e 1 4 m
3 . 8 2 5 u . v . p . /h
Le traf i c moyen j ournal ier , pour la route à chaus sée de 1 4 m ,
peut ains i ê tre estimé à p r è s d e 32 . 000 u .v.p . /j c e qui corre s ­
pond à 1 6 . 000 véhiêule s / j our (E2) e t 24 . 000 véhicules/jQur (E l )
4 . 2 . 3 . 4 .
Caractéristiques Bonne s caractéris-
1excellente s (véh/j )' tiques sans accote-
ment (véh . / i ) ? ·
R�capitu�atif (n = 0, 1 2 - z = 30 %}
Rou t e s à chau s s ée q (uvp/j ) '
E l E2 E l E2
6 m
! 0 . 000
- - - -
1
7 m
1 2 . 5 00 5 . 000 v/j 8 . 0 00 v/j 4 . 000 v / j 6 . 000 v/ jj
9 ro
! 6 . 0 00 7 . 5 00 v / j l i . OOO v/j 5 . 000 v/j 7 . 5 00 v/ j
l 0 , 5 rn 2 0 . 000 9 . 000 v./j 1 4 . 000 v/j 7 . 000 v/j 1 0 . 000 v/j
1 4 m
3 2 . 000 1 6 . 000 v/j 24 . 000 v/j - -
-·--
4 . 5 .
VcOie !nf't'.'lllt-r . r�. s_· "' n..�-e _!_ _ . · -· ·· - LARGEUR DE PLATE-FORME AVEC CHAUSSEE DE
upplémen P IETONS r ....,.s . e r ., , :.:cota..• ... ;...·---·r
ou c:yc la- aire véh dans pla-1 1 t y p è i:. �: ! 6 m
ble lents te-forme
�1 �ct: ·P dè; '-' . ·1;: 1
l i !
1
7 m
I l , 50 1 2 , 50
NON 2
OUI
l o . s m 1 4 m 2x 2 v
PC : 6t1
! 6 , 5Q 20 , 50 2 6 , 50
OUI .
NON
��----�-----,------�-------r---3-----T---��-4__,oo_·_·-rl--s-,oo--4-����
NON
ou r
- ,..:,_:..·-,{-.. ·.
OUI
9 , 30* 11,0511 4 ,05*
NON 5
OUI
laur!
l
7
' -
. . ;."
' .. R G F " 0 DEC: D l
.ATF _ C'JRM ;- c EN c cr-TIO"' rou F' ' " "TE
ClfiiACTFRtSTIQUlS lJ E l 'llCCOTCI1!N T
_ Svri.lr:;#vr 1Ù c/J;;wsù
_ Pnrü � b..ntl� tl:.rrU
O.J()m.
s"":�o�«rrx.t;o/.JIJ.
_ Pt:flÜ ·d4 l>..nrl� cyc/J•Ü ""•
_ Sl.lrdà.>/wn ck /.;�;;1•/MJ o TOm (1/
L.upur b.st.d� cl�;! "" Cj'<'{JbÜ
u� c�nÛ'NHJ
�-- p;:.su· p<olons f.w.i.nlu"').
/.IJ�r. /Hri'N
l� �co{t•nunl
� .J�N �.,.{«iùitur .;c:olttr>onl
1� � riA-rit ..., g-cu�.U
urgeur c�IJ
L;t"JPIH pis!,
p<41MJ
(mû>ùrrvm)
L� w-
� .xcolomc;d
�� t.-lailn.t<Jr 3«clement
l� .ul'kl• tl.��t ou cycubü
W�ut' C<l4< rf!JV
l.J�r pis Ù p<ifOIU ',.,.,,mvm}
L�r
b.,-,.
i�r
�dof�mmt
1'wiiiœ �J-il�e..,r ;;uol<nanf
l.1�1f'Vr Cll'lt�f.*U
[.;'Y"'r puup<t't�»�J/.-v><mvm}
Ù"J"<'r lmm4
L;�r. ;;uo�t
fb.Jda>n.9/�'rP i><>rfl�!vùur .Jccofrmenf
Uryt<Jftmn<�r>�lt dtpi.>/t· forme 4 ro< n
:t S il
rCN V
YPI'[
Yll(H
tA
Xlii.
!Pf
1 8/l
tCHV
1PI'J
xa·c/1
XA
XGL
tpf
0.7S
2.15
/1.$0
1.00 .
o.u
2.75
11.5a
rBll
1
1.15
1CI'fll
1PI'!
rs'ut
l
IH5
v; lOO
1GL
rPF
YBP
UliV
t !PJ
1.&.50
Z.$0
XBft11
0.7$
Xli · J.lS
XGL
){I'F
1
2 0 j()
i.JryNr IJ'/.n� dt p/�·icrm� Jx ? VO< �$ Yf'f
1
2 5 $0
Numiro dv sch�m.; d'.lccof.tm,nf
/IVEC JJifttiJt: ::i'ARRi T
OU BRNO!: CYC:..IJ&E
{j.75
vs
0. 75
11.50
2.00
i). /(j
1.7$
1!. 75
17.50
J.lJ
0. 73
lOO
b.75
16.$0
2.50
0 75
.1.26
0. 7J
2(150
26 50
?S�
J. s.;l
IJ.W
11!0
/. 5/)
J.Sii
1h.OO
1.25
/.60
J.75
1"--N!
]JJO
o.SO
1.!>0
ôJJO
l.f){l
15.00
. 2. ?5
0 5!)
L SIJ
4 25
1. 00
{•) XPF d011r" I.A � - 11ry•ur dt! ;:;/;(,. ("'� .11Ft!C l'O.(·• .Jvppût'�n lBaf
(l) � p.:..Û• P'llMfs ..Ost � � lurYÏflrH �� t>Jf �rn.,v·rte i U eiwu� g�c !t .scMN �6
(t) l'li p-A If,., �.,. ( �i '"'· ...o XC.L = O.JC w. c�t XPF : 8.00m .
.}ANS 'BRI'fOC D'fi�RRCT ·au · C YCLIIBLt:
VliiE POIDS !. 01/li'/JS AVEC VOIE POIOS.LOllli'[)S
0.75
FOL)(} IIJ.ffO
fJ. td
1 50 1.$0
1
1.10
1 1.7/) 1
IJ.1J
1
1.00{<) 2.001<!
1
1.15 us
1}. 15
1
0.75
1. $/J
IJ.75
1.75 /.OS
:r.oo -
0.7>
ï.O.f
0. 75
(J.:/1}
f.iiO
lOO
0. 70
I.!UJ
t.$0
1.00
11.00
1
11.00
1
11.50
1
11.50
1
11.50
�M
72!!.(•)
�r·JI
��-)
O.H
1
a!is13J - (}.2/) a ra
! 50 1. 50 150 - 1.50 !.SD
1.70
1
1.70
1
0.73 - 0.7$ o.rs � -
2{)()
2.00 2.2$ Z.25
1
1.15 1.05 1.05 2.00 2.50
0.7S 0.7J 2.00 0. 75 - ].08. .
�;oi•! �bi
·:E.:zl"J
-
1
-
/J.20 0.70
I.UJ
1
1.50
0. 75
WS uo
1
l.50
0.75 -
1
20<7
�.o�:�: 1n.ooMI
�"'
(•} · .
(ol
14.0 5 15:00
'
� 1
.5
1
7
IJ) YtffV �ut ilre !..N'le �.Url.i'
ii11J..UMmÙ
.J 8"o tXJ ui'U" 6-d� d4;�r.3.541'a 4 4 o/(11
r•J XIJ ,>•vi lire 11 · .,t " ux;,, - !fPF; IO. OO m.
(.$} C.ll rPf"ll
: :'� :"t�,. 1..a .cin:u{�cLOn dt. p,g'{o;,s ll"'!M': ch.._u.J.u'cs .l .l:t2 vaû:..s
1
5
.SC'HUMJ 1JACt:Orf:NE!fT
" "..,
.
L
m ·�XCl l:
��lrr�vl
upj
··r,
�. .. .
......,
• , ,
TYPS"S.
Ilv�c. !u..p;_. cr""'""
.., • -or.. <y""""IA
/JI!I:K t>ll �git&.J•ffl
/Uv•� J�q ,r_,-.u
,;., �.� �ù
llv•.r pü/11 p.�.'flfbNts
R,..< 6.>.-.d. <J:.mli
ou DJM<Ù cy;:i.;,i,ü
J)V(Jt, pi.&Ù pJ,l�nt"d
flv•c _Jlü:t,;-,.., .14
-6'#(urd4'
JJ� <UJ �n.J VOl <�
p,.,;O/, (c<ml
IJVfltC ou t.;ms fos.i#r..
I=NtC D41 JJIU J"'...ol
, .w.. l=r.i
P vu pùtfl p,·lt<mJ
..l'.AI1'- vou' ;:cidJ louui
Prl!c pùt4 pùitom
IJvec 9ÙSsL.i'�d�
se(<uN.'t�' dérrr.�·...-
})y« CV J,.JIH i>"'O''I!
po,·dJ la<.;rd
!Jvu pWt# pùftans
Av u � gl.t -JJ.s; �r.: do?
s/cu�"l·t:/
.Amtes t:ronsver>sates des �74msnta constitutifs du profi l _ en
tJ-avel"6
!nt,rieur de• courbes Extérieu�. du courbes
le nœ
; .
d 2 tS l 3 % eil.rob�
d 4 % ehauasée non
revêtue
Deve rs extérieur inférieur à cl*' !
+d% s d ' +d% :: d"
cuphieu'f l d ' % Deve n extédaur supé rieur à d " %
• ave c bande a' arrit
(surface trai tée
_
) d
. d ' d "
avec bande cycl ab l e
'-----·---'-·-
..- -. - ······--- .. . - · · - ---· .
� ;. � . .
à l a c h a u s s e e
t ··'
- 8 ;�
.
...��- .
' '
4. 3 . 3 .
(i)
. · :. .. .
• ·. ·,.;.�, .
_____ :__ �---
Î :-f:' ·c·.•· ·
Tel'l"6 · pte.-t.,, Cat'�
h-a.
i
Là:zegeu:t'
�
vitesse de
riférence ·
VVL
(Km/h)
!
i
1 20
. 80 - 1 00
60
--- ----- -- - -- · ·

Sans séparateur Avec séparateur
Min , Min . Min . -Min .
abso l u . no mal ab s o lu norma l
6m 6m 6m 6m
l
-
3m 6m 3m 6m
!
3m ·
6m ! , Sm
1
}Cl1
.--L__,.. ___ _!
La di s tance minima l e du berd a e
�e . es t ia suivante :
:;,.; .
:1;;.t?��'>""_,.;,,�;c-'ê-
TPC � 3 Am d min • 1 m
TPC • 1 , 5 m d min • 0 , 3 5 m
. .
__.;..·
Pentes transvepsaZes
• TPC d e 3 m (ou p • u � ;
r 2 è m� c h � us s � e
.. _ ft
lii'MI"'I: t---- ·-�---
j
'f
Vltesse de Sans séparateur
dférence ·
(Km/h)
Min . Min .
VVL
abso l u . no rmal
1
J 20 f.ID 6m
-so -
l OO 31!.1 6m
60 3m 6m
·- ----�-
La di s tanc e minima l e du be rd d e
re es t ia suivante :
TPC .,. 1 , 5 ID
d min .. l m
d min .. 0 . 35 c
ID revê tu)
• TPC d e 3 m (ou p > ü 6 )
t'i l d ' e a u
'l'
p �_
_jo___
·- - -"'� ·--- - - - · -- -

l
Avec séparateur
Min .
Min .
abs o lu not'tlla l
6m 6m
1
3m 6m
!
__j1 . Sm
i
3m
l
4 . ;; . 4 .
(i)
1
' ! •
1�-..__.__1 '=---• : -. ·.> : ·.
:-:-:. ·�· ::::::-:-�=::;:;:;:;;;;=:::::i
-
:�--����··· _:,�·;:�:2�:-._.._:�;:·,·:�-:�
� ;; �
,, t- 'L. i_nit� -�, .1:i; .
C r i g î. n e J
xo. "' min .
!
���i).�L;.�ntl:.,{.'""
V-:i .. vi t e s s e de dé c ro chement (V"FL ! .J
VPL • vi t e s s e de ré fé rence de s PL
,:��;:���).:.���fi:��>.
• • ProfiL e�z trov�; rs avec voie su:pp 'l éme n taire pour véhi..:ndéis Lents
UilY'geur 3 m)
1
1 . .
Vo u de d ro l t e
( 3 , 5 Ill)
B . G . b ande de gu i dage
-
-'.
. .�·,
.-.<_; ·
· . i ··>
20 2 5 30 35 4 0
d�crochement 25 30 3.5 40 45 50
R. (m) S S;J
l (œ!
3 :
<; t ·
- " ( 5 8 , 3 )
l . im. t tl! ' 1 '' 0
L . paral.l . (m) 1 00 1 30 1 70 2 4 0
L.biseau (m) 40 50 70 8C:
L. fin (t:!) 1 1.0 1 80 " "
a vièe" e�t eJtpHt i t é e a u t::hap i t r e " C a rref o u r s "
La section 1 qua t rè vo i e s do i t ré gne r dan$ la z o n e o ù l a v i s i l � t ê
de dfpassement n 1 e s t pas as surée dans les deux sen s , pour la c h & u s ­
de l-2 ou ' 3 vo ies . Le dédoublement doit ê tre ma téria l i s é p a r u n
.,.����_,;�:·�P.�:,.�·:C·
d ' au. mo<ins l mè t re .
!!'!'
·.-c , 'c-�.o• •,>;-.,""-'-�'·'
..
t rab --�
-� -�· ....: --�·;-. . ' -
-·-
'
l 34 . 6
L . ini t . l OO 1 30
L . rabat t . 1 7 5 2 2 5
• • Rou te à 3 voies en
--
-
-
--
-�
4 , 4 , Profi l s e n trave rs s u r ouvrage d ' a rt
Le profil sur ouvrage peu t être plus hroit
• 1-a largeur de l a chau s sée e s t conservfe ou augmentée de
• lu bande s d 9 a rrêt sont soi t conse rvfe
.
:, l leur iu&ê�i
pente tptnsve uale ana logue l c e l l e de ta chauuh) soit
'
• le J'tts � e ._cle_s_ ac�(l tements (be rme ; p i s te . , . ) est
tabl ier ltrlctimeti"t"1lêeSï4irè'l p'our ·�·······,b1·1ic'j!t". ·'·1· �••·:*'atndji�l'fi�l�ift
aarde-corp s e t pour a s sure r le pa s s age des p i f tons .
/
ou l a
OUI
gl i s s U re
Barrière 2 a
0 u 1
Bo rdure 3 a
-� NON
Gliss ière '• a
LU
1.R
' 80
Bo rdure 6 a LU
LR
l l OO
N 0 N
LU
LR s ,rom
� 80
LU 7 ,
Glissière 7 a
LR
l 1 00
LU
4. 4. 3 .
1 (km/h)
gauche
è
Largeur
roulable
Pié tons sur bande
d'arfêt
IO,OOm
10, 2Sm
10, 2Sm 10,-7Sm
. '
: '�- . , ..
10, SOm 1 1 .,0om
1 0 ,'7Sm t 1 , 25m -'
• , Vi.:ie aentt'cû �r: t:•e les tabliers
Pihon• hon bande
tf'anêt
I l , 25m
- 1 1 , 25m 1 1 , SOm·
�"-' 1 : ;...
ll f 7�m l 2 ,00m
.. . ·,:, . :;,,,, . ' : · · ·
.. 1 .
11 , 7Sm 1 2 ,ô0m
La largeu r ci.; v ide c en t ra l e n t re l e s deux tabl iers pouvant ê tre économique_m�n t
r.: '1uve r te o a r un p la t e l age l .i ge r e s t de .l ' ordre de 2 m e t ne saurait dépa s s e r
3 ;n ,
T . P . C . Equipement Ga rde-corp s V-ide
à gauche c en t ra l
t , Sm Sép a ra teur
/ Pas de vide
obligatoirE
-
Avec ou sans Non côuvert
3 ID gl issfère O.Ul non oouvêt:t
Barrière Non non couvert
T/
Non no n couvert
i 6m
�ompar�i;�n 1Oui
eco nomtque
> 6m
�� � non -cou�t>t't �
4 . 5 . Profi l s e n trave rs sous ouvrage d ' art
Dispositicms
gl11�1'ates
Si la rou te qui p�ue aoua t • ouvrage • du bandea
d 'ardt
en
aection
couran!J• el lea sont
"'l:ititttenues
sous ouvrage . uns
dduc:�jon 4t la,r_J,t,at i
4 .s . 2 .
Bande
d'ardt
OU I
NON
ro t ­
t:oirs ment
type
l b
OUI Jb
4 . 5 . J .
S i u n appui e s t cons t ru i t su r l e terre-pl�in centra l , la d i s tanc e minima l e
entre l e !:tl de l a p i l e e t le bord d� chaus sée l e plus p roch� e s t :
. ( i )
( i i )
2 , 2 5 m pour ! . P . C . 1 6 m . La f a c e avant de l a g l i s s i a re s e t �o u v e
à , a u mo ins 2 m du bo rd aauc he d e chaua s ée
1 , 2 5 rQ p o u r u n T . P . C . d e Jm . La f ac e ava n t d e l a g l i s s i è re s e t ::::ouve
i 1 m d u bord gauc h e d e c ha u s s é e .
('., lJ c. u a p p u 1 n e s e r a c o n s t ru i t s u :r 1,J n T , P . C , d e - 1 , 5 Om ,
- I t inêra i r e s de t ra f i c i n t e r na t i o na l 4 , 7 5 m
- Au t re s i t i nê rai re s ( 1 auf ion) 1 4 , 30 m .
A l a const ruc t i o n , p ré vo i r u n e revanche d e 0 , l Om .
Pour l e s i t i n� ra i re s de vant s up po r te r d e f réq ue n t s convo i s exc ep t i onne l s
( e t f a i s ant l ' obj e t d ' u ne ins t ruc t ion ;;pec l a l e t ir'an t d ' a i r d e 6 , 00m
(+ 0 , ! Om à l a cons truc t ion) s e r a adop t € .
U' �
UIIIIIC Tf�IS71QU{J :OE L 'IJCCOTJ:t1[ N r ;11/EC
B•UflJE
�' flf?Rl T
{)U BRNO[ C'i'CUEli
_ Svr!.,;tf'gJ>vl' de c})JW.se'e
_ hnte de J..mie d;;,o-U
_ f'r-flit de l!..nde cyc(.ufa
_ &!re/fviJit..Ori � � �?illoru
O. JOrn
.5%/�®rtX./1�()04.
u r,
0 10 ,-f'l ('1}
Ur!i*'w 6..-nde d';m-11 ou cy(.;; oiu :/ 8 11
L.ii�
CJiniYfN'M.I :tCN V
Lv:/#!W'.
.Pi.JÛ, pt41(J.I'Is /œi.nimum) XPP[
L"':!"'" b#rme
Y UH I
0 75
l�' xcofl�"""< Xli
1
1.75
� J�re ow Hiértevr .N:colernenl X G L
L&r� "''"""&!• <1. pÙ;Ü IÏ>rmê Uf
1
/1. 50
ùrjè'r c.vwrùu
X Bil
tCNV
1Pf'f
a u
1
L.wy6-<Jr p<Sie pidfens (-mmvm)
L� '-me
� .Kcoé--.i
l'aJi:W,n� &artl.tfflt'Ut ;J<Xolemené
XÙH
1
0.75
1
rt76tA 2.75
2.;5
XGL
r
0 75
L..»r!l"vr C<#tH Ye.;u
Uf"J"'Vr fJUÜ ptifonJ ':,.,tllmvm}
L��r b...--
l�r :>ccd•mtmf
� #iir.&ord�evr .Jccolemenl
IPf
télA
1CNV
'i. PPT
HJf?'l
ill
JC i
tPF
_
YBP
L�l'g#'ur CJ#11V'NI.i 'f ( !'î V
lii'J"'" pu_u!",.'(""''!�"num} 1 PPI
urg<•ur berm<� X 8U1
l::>ryevr .>aot.m.nt AA
fb.Jdav19/�'rt /xJn1 efircf'�'-' ,.nc:o!e.TI&'·d X6L
)(pf
L.;uyNr m<n� de ;:ùft. (ornu b ? va<eS � ? f
Numero du �chl!'r),J d:.uco-!.ement
11. SIJ
215
0 73
J. OO
77 �0
2.1J
0. 7:J
J DO
tf. 7j
;. .:.;;
,J. JC
!14.00
?.'15
uo
J 75
{•) X Pl" dMn# L3 *-. · f_,ryqtJI" de> ;:J/;fl . (orm.t! ;;vu .-�U s svp;:J..i/l')._,n t.;;uo
.O. ;ill
!. S/J
4JJ(J
i) S/J
/ !U/
HJO
L/JO
151}0
2 75
0 50
1. 5ll
05
7 00
(1) U p4.4ill ��U,.,s • lntp-:3 $ surri[•,.� rt l ?J I dti�?n.vtte .:i lil
chauuP�
.:>tnc l>! sch.-.-"'"J r6
(t) l'A p.vf JfiY t'?<J.t.A t .i f.m . ..o. XGL ; 0 J[ "' �t XPf :: 8 OOm
1
� �
< i V
.JAns 'sntiar. r;Annrr au ·
.S.I:rf.S
VtAt
PLlt !J.S i OI.It?!JS
o m
t
..;o [
uo
uo 1'! 1 1
a. rs
uwî·>ij
z oo H!
0.7$ (:1)1
1 !li5
1 '
r..l 1
3.00
" 1
IO.DD
1
IO.!ilJ
1
1 1
'
'
1J. l;5 )
j j(] i
7.50 1.
! $1J
1.10
I
l
1. 7/J Il tl. 7.5
1
0.75
:t.aof<i 2.oo l!.)
ns
0: 15
1
(1.75
11.00
l n.oo
ruo
1
11.So
O H
1
! 5D
1
1. 50
1. 70 1.70
1
0.7$
JI)()
1
700
.
J 75
1
Hl
o.75
,
a rs
U.lf
' ï !;._.
IJ.l/J
/.If/}
il.t!O
11. 70
LW
t.SQ
l.oo
.SCHli'fiiS lJ:WccOii:f1lfif.
.
. . :ti'?J '
� .
��
XSA
li
�--·��-
j___
.·
-- 111 _____;.
�îL-].1 ,..,.,,L_
�� iN'J �
'
-. -�
�I•J
�t-1 1 4
0 70 11 7/J
r. so /.50
-
2.00 250
]. 08
10.25
p)
1 ·10.7�1·!
0.20 a ro
1.5[1 150
1.00 7. 50
J./XJ
tf1'-l_rt:J' . 1
--,
&
·�
l'
;�"'y/:#$'.$
J<v..., "" ��uiw.
/JV« b� <J'-l:f
"" " """""' �'-* '
/hr(H ��<!} p(.·é�J.
r'ÎY111 G 6J."''d� ddJ-ftlf
""-' OdJn<Ù/ çy.filb/.1
/)-.."tj.t., pis}.; pi.J,/UFH
Pvflc .JU'uûlr�s �
.r�'curd<i'
JJ� Qi../ Un:J �tl
po.idt l041,d
IJWt: ou &.ilrit _jli..nt.'#f.v
.4v.:tc a �,� .J4tH t""CU.If
r oùil l(;lU/'d
iJ II'ItC pi.3t<l P''ifMJ
.fh·�c g!ütt:.l�d,;
se'curde" dut"(.ii�
pa,ds lo"rd
0
l
- �
1
i
12 .00
�
•
fJvl!<.- âu �ns ....a.� Il
-
_ _
7
l
1CL
,
16:DO (o)
15 50 M _ lo-J �
.
1, , , , �---LXCffY
.
X/'1'1 1
- ,,_
Ovn:
pd
fil
pùt'tal'l!
llvn gtc ·�Jt lirl ���
s /cu•j t9'
(J) 'f(rfV p-eul ilre :m� pi!rr{� q"':}J.tonnu� ..} d<y,., ou (,,��
b.,,?<..-i.i
da'r.:i.$t/() .i 4 '1o
•
lA
i.
{Il) Xil ?lfui ;#te rî .d .J f. 5()m. � JfPF ; lO. OO m
(J) CJ'I t' &' r� .,""': ..fil,.. LiJ cut:IJ[J1�an d« pa'�ons .p� �;h�JuJ.f•ft•.J .:i .2x2 v<U<'J
�r.,
��,
L-
"
__L__.__.__
Â
C h a p i t r a
C i e p a m l t: i o n s d e d é t a i l d u p r o f i l · a n
Co L l e c t e e t
éva cua c i o n
d e s e .?. u.x de
ru i s s e l 1 eme. n t
i t ions cons t ruct ives des as s i s e s de chaus s � e
5 . 4 - Dispos i t i fs de sécur i té
5 .
5 . 1 .
5 . 1 . 1 .
( i )
C u n e t t e e n g a z on n é e
D I S POS I T I ON S DE DETA I L DU PROF I L EN TRAVE RS
Co l l e c te e t é va cuat i o n des eaux de (U i s se l l erne n t
Disposi tifs latéraux pré�onisés
En cMb lai et au niveau du terrm:n nat ure l
. cune t t e e n ga z on né e o u revê t ue d e 1 , 5 m à 2 , 5 m d 9 o uve r t ure et
de 0 , ! 5 à 0 , 3 0 m de pro fon de , é ve n t ue l leme n r: < d s o c i.é e à un c o l ·
le c te ur (g�ande s u r s fa i b i e s p e n c e s)
0
p e u t é à 1 / à cô c é a c c o ::: e
. f o s s é e n t e rre t ra d i t i onne l ? e n : é à 1 / p r o r é
g l i s s i è r e
r
8
C a r ac t é r i s e s
1 5 1
---��---� � -- -�� 1
o--- L ' � �---< 1
p a r une
Fo s s é c y p e a u t o r o u t e 3 0 0 . 5 4 6 0 . 7 ï 2 0 . 94 6
'----�--���----�-- -
0 . 2 3 6jFossé c 'Çi. augu l a i re
! 3 0
'---- - ------------- - -+- �-r � ------ --�------�--��-- �-- f--
·
-- �------· ··--+-----�--·--
l - ., ' - 1 .. i
loss�-rap e z o i d a���
___ __L��-J-�----�___ ------�5-
0 . 6 1 3
( î i)
( i )
. bo u r re l e t e n enrobJ· ou ouvrage équi va len t en c r � t e de ta lus ,
ave c de s ce n t e s d ' ea u e s p a cê e s en p r i G c ip e , de 5 0 mê t r e s .
T . P . C . en t o i t : é va c u a t i on d e s e a ux ve r s l e s o uvrages a t§ raux
T . P . C . 2. f il d ' e a u : -- 5 5 ·- d r a i. n a g e i u d i n a l e t éva·�
c u a t i on de s e a ux a u x p o i n t s b a s du p r o f i l
e n l on g .
-- > 6 :: é va c u a t i on d e s e a. u x p a r reg a r d
e t der:û - t t·ave rs é e tous l e s 200 rn
( ii)
5 . 1 . J .
( i)
i.i )
C o l lecte des eaux de l a chaus sée exté.rie�re. par. can iyeau à
fente , bo rdur e caniveau ou . cune t te; évacuation ·p�r d·emi-:
:t ra'H' r -�
sée tous le s 200 à 300 m
Ouvrages extérieu.rs à la pl.ate-fo:rme
En déblai caniveau re ctangul airè ou demi�buse en b é t on en
crê te de déb l ai a s s o n e s év�ntue l lement - :1i
d' S centes · d ' e au dé ·gran-de
Dra i nage i nte rne s ous
S ' il es t nécess aire , lé drainage in terne est réalisé par des
tudinaux enterrés : canali 5 ation en b é ton poreuX (� : l5 cm)
(0 : 1 0 cm) à fen t e ou à trou entourée d 1 un mas s i f filtrant . Ces -
o uvrag e s
s ont implantés p lus bas que l a s ur face d e contact terrain�couche de -forme
( ou de fondat ion) ; le mas s i f f i l trant e s t remonté jusqu ' au niveau de
co uche de fondat ion si son ma tériau est perméab le ou dè la co uch e de. b as e ,
d ans le cas contraire .
.5 ' 2 . 2 . Ouvrages latéraux
L a fo rme de s t e r r a s s e men t s e n toit e s t réglée , en géné ra l , à 4 o u 5 :Z , L e '
ouvra ges l a té r a ux de d r a inage s o n t cons t i tués en déb l a i , p a r de ux d r a i n s
lon g i t ud i na ux i mp l an t é s e n b o r du r e d ' a c c o temen t ,
T . P . C . rev� t u : Le d r a i n a g e n ' e s t né ces s a i re , s au f :
dans les z one s de po in t s b a s de l a fo rme de s t e rras s emen t s S J e p ro f
e P. long prés e n t e , de p ar t e t d ' au t r e , des pen t e s impor t an t e s ( 2
e n deve rs , s i l a couche de f ond a t ion ou de fo rme e s t re l a t ivemen t pe n'"­
ab l e ,
. T . P . C . non revê tu le d r a i nage s e r : à col l e c te r le s eaux s upe r f i c ie l le s
. n f i l t ré e s d an s l ' axe de l a p l at e ·-fo roe .
5 .. 2
v e r s de a ch aus s é e de p lu s g r an d r ayon D
2 , 5
.1-.
0 < 0 �' Pro f i l e n t r' 3..VCLS ''Al (§ . 3 ' l
1 . 5 h < D Prof il. e n t r ave rs t y-p e
f·(oeve r s 1 '
( § 5 . 3 . 2
0 % � D � 1 , 5 % Dép l a ceœn t lil1 é ai re h a u t d e l a fo
des t e r r a s s emen t s -
t de l a p e n t e
terras s eoents de -
p
5 . 6
Très
Te r re
P e rmé ab le
P l e in
Ce n t r a l
Re vêtu .r·, u
Te rre Très
Pe rm&ab le
Cent t" a l
n o n
Pe u
Re vê t u
Pe
P ro f i 1
En a l i gnemer: t
E n d e ve r s
En a l i gneme n t
p pente de l a chau s s êe en A . D
d deve�s de l a c h au s s é e
( i )
Rou te il 2 vo i e s
( i i)
RéJuteB d chaussée bi di re ':: ::�cYY:C: t Le
- Fo rme de s te r r as s e men t s en to it
Po �. n t b. aet dan!:: 1 1 a. x e de l a p
l a t. e. ·��fcilne
Ro ut e à 3 vc i E; s
Route s à deux chaussJes
T . P . C . e n to i t
fonde t ion f i v.:é e comme. s u i t
----r---::-
1
Ro u t e à 4 voies
r i f i e r e > e rr.Jn)
Ues
Fo -r.ule de s t e r r a s s e me n t s e n t o i t
Po i n t h a u t d a n s 1 1 d2 l a p l a t e �, fo rn:e
Epa i s s e u r E de l a co u c h e de fond a t i on
mes u r ée
s o us l e b o r d
géomé t r i q ue i n t é r i e u r d e s chaus s ée s
I . P . C . i f i l d ' e a �
- Fo rme d e s t e r r a s s eme n t s s e lon un e l i gne b r i s é e à 2 p o i n t s haut s
- Po i n t s h a u t s dé f i n i s p a r é t ude é conom i q ue , t o ut en t enan t comp t e
de s con t ra i n t e s d ' é c o u l eoe n t ve rs l e s d r a i ns .
T P C e n t c i t
5 . 4
5 . 3. 2 .
( i)
r
Largeur de T . P . C . 3 m 6 l!i
Pen te de
chaussée
: 2 , 5 %
Pen te de 'fe:rras semen t s : 3 % 1 . 5 0 m 3 � 00
4 % 2 ' 5 0 lrJ 3
5 % 3 , 00 ll1 :3 ' 5 0
Ro ute. à d du h aut
En p l..ein devers
Routes d ahaussée bidirectionne l l..e
- Po int haut
l e bo rd géo mé t
l acé d ans le p ro f i l èn t rave rs
exté rieur de l a· chaus sée)
::u
ill
m
1
6 ;, 5 0
'
1
r:_d , s o u s
··
S i d < p ( "' p e n t e de t e rras s eme n t s )
c o n s e rve r
p p o u r l e s
t e r r a s s e me n t s
S i p ;; · ". c; r, L e r J p () U r l e s
t e r r as s e men t s �
u n e p e n t e
é g a l e
;..�_îJ de I �J ( couc:t- -<:: p a r rt � � 2 � 2 ��
( i i )
Ro ute s
à de:a chaussées :vzièire -::tionne l les
T . P . C . à l i gn e d e c rê t e : mêmes d i s po s i t ions q ue ci -des·�·us .
T . P C à f i l d ' e a u
- Po i n t h a u t dé p l a c é d a n s l e p ro fi_ l e n t r ave rs , s o u s l e b o r d géo-
rné t ue e x t é r i e u r d e s c� aus s é e s
- S i d < p
t .e r r as s e me n t s
s i d
d e r s
p e r, t e d e s t e rras s e me n t s ) co n s e r v e r p p o u r l e s
, _,- '
p o u r l e s t e r- r a s s e me n t s u n c
' "" ,
� é g a l e a u
) l è l e s )
"l'
I<J
0:
!.':1
..J
j
a�<1
?t "'
� 8 ..u
é
�
N -
' ' p..
w ..
·�
> IN
t
-· :::
�
w
w
"' VI V)
a:: w Vl
� ..J
:::>..J
w <(
::: :::t:u
loJ u
'
,(/?'"
�� 0-
]
�

�
�
) 1 1
.._
i
..
. )
��
l�
<Il
..
.
:t . .
...)'
J
�i�
:<
..
0!"
,_
1
t
1
t
.
»t
,. Il
- � . î
uJ
L !
u >
(;�
�
<i
l5
l!5
�a::
8
lfj
3 w
....
J
ttf 0
5
a::
:::>
0 yl
u L<:
w
L
>
w
0
<! w
.J 0
1u ,:..
0 z
w
�
w uJ
u a
<'( 0::
L.
3-c::
:::>
u
<(
tf) 'l�
.:(
.J
!d
0
2:
0
!-
:;,::
1
�.L
Ld
1
f�)
1
;-! t 
�� �� �
� ;,il
"
·r1 .
;,._ J
:. .,
"' .,
� . l
,r.......
. _,
>..J
"
w
"
1;.1
�l
't
:;�... ()
<{
� �
S":
'•'
N
.,
�
...
j:
u
w
a..
"' "'
a:: w
w _1
Ill. ..1
w
x
0
1.,1
c
'
r'
;t;
(?-!
w
w
(/')
(/')
:::>
51
5 . 4 .- Di s p os i ti fs de s é c u ri té
Le s g l i s s i è re s do ivent ê t re p ré vues
( !. ) Sur le te :rre -p leirz cen t:ra �
s 1 l a l a rgeu r e s t i n f é r i e u re à 4 , 5 m
s i l a l a r ge u r e s t comp r i s e e n t re 4 , 5 m e t 6 m e t s i l e vo l ume
mo y e n de t r a f i c p ré vi s i b l e 5 ans a p r è s l ' o uve r t ure e s t s up é r i e u r
â 4 . 0 0 0 véh i cu l e s / j o ur p a r vo i e élément�i re de ch aus s é e .
-
• d ans l e s co u rb e s à l ' extérieur de l a ch aus s ée d e p e t i t ray on
l o rs q ue ce l u i - c i e s t inférieur à RHN , ray on min ima l no rma l •
• au d ro i t e t de p a r t e t d ' aut re des pri rt ique s de s i gna l i s a t ion
( i i ) Sur : 'acco temen t
. d ans l e s courb e s à l ' ext é r ieur de l a ch aus s é e de grand rayon
l or s q ue c e l ui � c i e s t i n fé r i e u r à RHN , rayon min imal norma l .
, s i l a h a u t e u r de remb l a i dé pas s e 4 m s u r p l us d e 3 0 m .
e n c a s de d é n i v e l l a t ion i r.:port an t e ( p lus de J O rn) , d e p as s ag e
s u r u n e vo i e f e r r é e i mp o r t an t e o u d e f r a n c h i s s eme n t d ' un c o u r s
d ' e au p r o f o n d (b a r r i è re s de s é c u r i t é )
. e n c a s d e d é n i v e l l a t i o n b r u t a l e ( s upé r i e u re à l rn ) s u r p l u s d e
3 0 m .
. a u d r o i t de s p i l e s d ' o uv r a g e s , d e s p o r t i q u e s de s i gn a l i s a t i on .
Dan s t o u s le s c a s , un e g l i s s i è re de s � c u r i té is o l ê e do i t avo i r une l on g ue u r
m i n i ma le d e 6 0 m . De ux f i l e s do n t l e s � x t rémi tés vo is i ne s sont d i s t an t e s
d e �o i n s de 1 0 0 rn d o i ve n c � t re ré un i e s .
6 .
CARRlFOURS
'
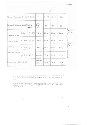
6 . 1 . Vi tesse d ' approche a vi de Vo
La vitet·ft d ' appt'odu! i vide
Vo
d;épemd des e�racté r � l> : � · • ;,-y � � " I � ""; .!;;. l ' ' : : ,..
n6�aire au point cons idéd e t peut être plus é l {i .o: .:: ., .' . "' · · . •. r•:. ; .
renee .
.. -�-..,:.., ..
.. ----·- . . . ..
' '
Envi ronnement E' 1 E 2
i
' l
1'
;
Cat;te four Sut
.,
un &'li- Prês. d' un Sur un
ali·
Si tui : gnellient, Point part . pement
l
'
Près d ' un Sur un
ali•
!Point
part . anement/ ·-
•
!
" --- ·-- . . ..j
Près
p��t'l.t
- -
. .
1
d ' un
pat:t .
Cat . 1 - 2 1 20 1 00 1 00 80 so 6�
Cat . 3
C a t . 4
Cat . s
:1' ':·• . ••.• .....,
.,
__ _ _j
1�1�:;��;-
.
�;s.:.·,
1 1 0 90 90 80 8 0
.
· ---- - ...
---�-----
.- -
1 00 80 80 60 60
f. 
. _ ..:t: ·���
'
! i·
........ .,.w .
. -'
l
!
-��·-1
'
i
1
"'
. 1
-----r-----�80 60 60 60 60 6 )
J
tout arc. de t racé de l ongue ur s upérieure l 400 111 p résent ant
RH > 1 4 00 111 e t RV > 1 0 . 000 m ( an g l e s a i l lant) , e s t a s s im i l é
gnement . Aux ext rémités d ' un t e l ar c , les véh icul es r ap ides
v� + 40 km/h ( l imi tée à 1 20 km/h)
Dê fi n i ti ons et pri nci pes gênêraux
6. 2 . 1 . D4fini tions·
s imul tanément
l un grand a li­
pè üvënt atteindre
Chaque i14ment de ro ute s e Tacco rdant à un carre fouT ·cot'.S t i t ue une l r : ' : :Jha
de carre four .
La rencont re 1 niveau de (p) chaus sées l s ens unique e t de (q) ch aus s é e s
l double sens détermine un curefour à n. • p + 2 q directions (vis à
vis du eaue four)
�- Un
courant e s t cons titué p a r l ' ense:b l e de s 4lb icules qu i von t d ' une d i re c ­
t ion d ' ent rée à un e di re c t ion de sor d e . ·
A l ' approcho� d ' un carre four , les courants is s us d ' une d i re c t i r' n :-;,, n t :- � :: a r t i s
sur des aou�oi rs groupar .t un cert ;; : l'! no::lb re de voi.ils ,
6 . 1
;>
------------�-"Î/
Lu i'Z.ot!lt sont de deux type s principaux :
- les ilot& af.parateurs . al l ongés » séparant du eoù4)!�- omn�rl.'tn
v�bi,cutes ' c ircul ant , en gênha l . en 'Sens inverse .
- les îlots direc tionne l s . généralement triangulaires ,
empt'Unth pa!'"'det- Wh ie!'Ules · exêc:utant>• UUCI --11lo!lnCI,eUVr'lll•'"4�0t"""'4e�
de convergence .
Pour un véhicule de type dé terminé (cf . 2 .4) , on app�l l&
la va1éu't' minima le de l a courbe in té deure .de l'à •urfa(;j
bicùlè lorsqu' i l e ffectue un changement de dinctibn� _ ­
détermin4e & part ir so i t d ' un cercle de rayon
d ' une courbe - s_y�t:dque QU dissymétrique "'-"'"·'-:_,.="'-----c:�.,,:r
gents (ci 6 .5 . 3 . )
1
v:,�.z.f{j_fi:Jipes gênêl't?.UX -�
-- -:- Vis ibiîit�-
6.. 2 •.2.
- .·_:��":i_-;t�-�:1: -·;:. .:: '
- Ass ure r d ' excel lent e s cond �� ions �e vi s ib il i té entre
'".,---.,... --r-��·
- Eviter les c arre fours en co urb e e t e n perlte .
• Vitesse
- Ralent:i.r l u véh icules E n par�iculiu pour
priori t ai re s ayant un s igna l d ' arrêt 1 respe cter .
Sécurité
� La conve rgeru:: e e t: l a
lement .
- �es c i s a i l lements doiven t s e p rodu i re sous-�� citn���1i
vEhicules du courant non prio ri t a i re do ivent
capacitE suffi sante .
-
-
Locali s e r e t dpare r l u p o i n t s de conflit en canalis ant
dans des coul o i rs . généra leme nt à sens unique , dan s les
• SUectivité
- Tracer des couloirs et de s i lats rendant alsie�
­
di ffidles ou impo s s ib l e s l e s manoeuvres indé s i rab les
h•''
- Favoriser l e s manoeuvre s de sort ie .
- A part ir de ce rt ain s s e ui l s , pré vo i r d e s voi e s de décélération
t ian sur l ' i t iné rai re priori t a ire •
• Simpliei t é
- Pas d ' aménagement comp l exe e n cas d e faib le vo lume de
,,
'
• Signalisat ion '"''
- So i gne r l a s i gnal i s a t ion hor i zontale e t vert icale , en p a r t i cu l ie r de s
n e z d ' î l o t s séparat e urs .
-� E t re cohé ren t en t re l a s i gna l i s a t io n et les hypothès es d ' aménage�ent
du ca rre fo ur .
6 . 3 . Vi s i b i l i té a ux ca rre fo u rs
S i l e s cond i t i o n s de vi s ib i l i t é ne son t p as · as suré es , envi sage r d e s mes ures
de réduct ion . des vi t e s s·es (infl exion du tracé e n p l an , i lots s éparate urs
s ur vo ie non priori taire) o u de modi ficat ion du régime de s priori tés .
6 . 3 . 1 . �angle dE visibi liti
Dé t e rmi né à p a rt i r de l a vitesae d'approche d vide Vo , i l e s t as s o c i é à cha­
q ue point de confl i t et a pour s omme t s :
- le point de conf�it ,
les points l i mi t e s à p ar t i r d e s que l s l e s conduc teurs do ivent ape r cevo i r
un véhicule adve rs e .
6 . 3 . 1 . 1 . Priori t� d droite
As s ure r - a u véh i cu l e non p ri o r i t a i re d n p • d J ( cf 3 . 1 . 1 . - d i s t an ce
d ' a rrê t s u r ob s t ac le éven tue l )
a u v é h i cu l e p r i o r i t a i r e d p
-:::: v:� dnp ( même t emp s d e p a rcours )
(, .,
�---- · - ----· ··---�-·- ---· . ----· -- - ·
·
-· · - ,---- - --"-�-:---- ---
.. VitBl!��p�
��=· �•. CHE
p
. 60•
.iistance ,
8C
de visi�.
90
'J:»ilit6
sur voie
1 00 priori.-
1 1 0
taire
dp
l.
Î 2 Q
61'1
;o
70
95.
1 05
1 20
1 30
i 40
8090 o r;o  : r:
( ' )
llO 1 30 1 60
��ô
80 90 1 00 1 05
110 tf'O 1 30�u
120 130. 1 4 5 1 60
1 35 145 1 60  15
1!� 160 1 75 1 90
 60 175 195 2 J O
 2 0
235
1 20
1 55
 75
1
1 95
2 1 0
235
à dro ite- �
- - • -. • . :-"'- - i.'...•
,<-:_,_,_ .;s�· . ..
As surer , en out re , au vihicule non prioritaire e unedistïnct
. Type de
l.oute
2 voituJ '
3 voiu
4voie�
4 wias
llVflC
Ilot < Sm
Toutes
ROU'tts
-
d'p (depuh h po�nt situé i 2 , 5 m de l a ligne d ' nrêt) pour·exlcu�lâ'f t�.a
'!IUllt'!OiôUVl"l'h
Manoeuvre
V�hicule non
pd.odu!re
Tr.avenh
V . P
(l )
P .L /
•
tourne-l-gauche
Traversée V.P
p!t,!>
Tourne-l-gauche
�ra.veréée V.P
�)P .
1'ourn«-�l·gauehe
v . P
Tuvenh
.!)P.
'founut-1-gauehe
Tourne-à-droite
..
Vitesse approche à vfde Vp
(k.m/h) {vitesse de h ma-
r.oeuvre v• p)
6q 8�1 90 1 00
no J 1 2c
; (45)(60) (67) ( 75 (80) (g.s
1 00 1 30 1 50 1 65 1 80 200
1 30  75 200 220 245 265
.
1 1 0 i 75 2 1 5 2 60 3 1 0 350
1 1 5 ! 5 5 l i S 1 95 2 1 5 235
1 50 200 22$ 250r-275 30�
1 1 5 1 80 220265 31 5355
1 35  75200 220 245 265
 65 220 250 275305 335
1 20 1 85 225 270 320 360
i SO 200 22 5 250275 300
1 80 240 2 7 5 305 335 365
1 251 90 230 275 325 363
u oo 1 65 2052 SO .)00 340
....._
27
(t
3 1 .5 (T ii G)
p L)
:ns
.
,.,,,,.,.
( tl'
��5m����­
�. ,
215
av PL)
( l ) Plus de 1 0 t raversies PL/j our
6 . 4 , El éments de 1 a ro ute p ri n ci p a l e
• Largeur de s voies p r inci p a le s ( c a rre fours non pourvus d ' i l ots séparateurs)
- 3 . 50 m s u r ro ut e s de 7 m e t p l us
- 3 , 00 m su r rou t e s de 6 m
• Largeur de s voies de dé célé ration et d ' insert ion
".•�Y
o) - 3 , 5 0 m s i Vo ,) 1 00 km/h
- 3 , 00 m s i Vo ( 80 km/h
. La'rgeurs des - 1:oul oiTs à s e n s unique
0�(
- 7 , 00 m s 1 2 f i l e s de c i rcu l a t ion ( routes à 4 , 3 ou mlme 2 vo ie s)
- 4 , 50 m s i coul oi r un ique ( route à 2 voies) avec tlf:@it!!-tue�t de l m
·�·�·.: :,;�;':T
4 , 00 Ill S l COtll o i r un i que ( route! d® 0 Ill) avec &cCOtement de 1 , 5 m
' ..;�·.�·:.,..·�··-it-.:: '
t , s � �ndœ s d ' arri t s sont ma i n t e nues , s a u f
= ti" i 1 existe du voies de dé cé lént ion ou d 1 insei't'iôn:;a�.tNi
- s ur l e s rout e s i 2 vo i e s , dan s l e s couloi rs 1 2 · fi les
f. e n s un i que .
:._ ,, s t ê t e s de s i l o t s s é p a r a t e u rs de l a rou t e princip ale sont en retrait
èc: 0 , ) 0 m ( é ventuel l e::1e n t 1 m) p a r rap p o r t aux l imi t es de la chau�de (au
s ..: r. s ,séuMé t rique) de l a ro u t e p r i nc ou aux limi tes exté ri.eut'es du b an-
d� s d ' a r r;g t s �
.. ·.·�-��1�����2<: �:;t�1'7_,-:�
• l . J ::- .;<! u r de 1 ' i lo t s é p a r :1 t e u r
s : : , : d ? e: n è du -, 6!l i cu1 c' - t y pe cho i s i e t de l a na ture de s ·Cour�Ùttè''prodges
( �o -.. l_n t s t o u rn,ar. t s o u d i re c t s ) . L a p ro te c t i on des camions rout.i�llll es t à
- a s s � : � r i p a r t i r de 3 0 v " � i :ules / j our .
Véhi cules tourne-à-gauche qu i t t ant l a rou te principale
0 
5 , 00 m pour le s t ockage s u r vo ie 'spé ciale {dduc:t:lble à 4 m)
t - 3 , 50 m pou r l e s t ock age d an s 1 � c a r r e four (réduct'�ble l 3 Ill)
- Vêh i culu tourne -à-gauche a c cé d an t à l a route prineiP"alé :
- 6 , 00 ::1 p o u r l e r, vo i t e� res parti cul i è res (réductib'le l 5 m).
- 8 , 00 rn p o u r l e e; p o i d s b•.JrM· ma i s �r i ab le s e l on l ' inclinaison
6 . 5
s ·
- Vê h i cu l e s t r a v e r s an t a r o u t e p r i n c i p a le ( c a r r e fo u r e n c r o i x )
- 6 , CO m p o u r l e s vo t u r e s p a r t i c u l i ê re s
1 2 , 00 m p o u r l e s l o u rds 2 vo i t u re s )
L e s b o r d ure s d ' i lo t s s é p arat e u rs d e l a route p r incip ale s o n t e n re t r a i t
de 0 , 5 0 rn p a r rapp o r t à l a l imi te de l a cha us s é e au sens gé omé t r iq ue .
Tou t e fo i s , s ' i l e x i s t e un T . P . C . en sect ion c ouran t e , l a b an de d e
gu i dage e s t main�enue a u d ro i t du c a r re four .
• R a c c o rdeme n t d e p ro f i l s e n t rave rs d i f fé ren t s
L e r a c co rd e men t s ' e f fe c t ue a u oo y e n d ' une cou rb e e t d ' une c on t re·- c ou rb e
de même rayon s é p a ré e s p a r un a l i g n e me n t d ro i t . L e rayon co mmun e s t
l e r ayon e n p l an n o n d é ve r s é R.Hn d c o r re s p on d an t à l a vi t e s s e d ' ap p ro c h e
à v i de Vo .
L a l on g u e u r t o a l e d e r a c co rd eoen t e s t ob t e n u e p a r l a fo rmu l e
L
a ve c
1 longu e u r de 1 ' a l i g ne me n t (JO à 5 0 m)
R rayon é g a l à RHnd " 0 , ! 5 7 vo 2
..
l 2 7 xo : os
d d é p o r t d u b o rd d ro i t de l a c h a us s é e .
Voies e t c:Ju Z o L·r,_s de è.J 0? léro_ t ion
C o u l o i r d e d é c é l é r a t i on de t v � e d i a g o n a l
dr o i t e d e s o r t i e s i V c :: ,S 0 k ::: /'1
B i s e a u
( po u r l e s t o u n< e - :1
A . D o u R, ( rou t e p r i n c i p a l. e ) d e A
6 .. 6
;;
�-
V i t e s s e d ' a p p r o ch e à v i d e Vo (km/h) 60 80 - 9 0 1 0 0 - 1 1 0 1 2 0 -
!vitesse
à l ' e n t rée du s i ffle t Vf:
8 60 75 90
(km/h)
•..
-
' ·
Arr� t V
F=
0/ 1 0 7 0 1 1 5 , m
. · -
1 7 0m m 2 4 0
m
� -
Longueur de la �
vo i e d e d é cé l é -
R : 1 5 m V
F
:
2 0 65 m 1 1 0 m J 6 5 . m 2 3 5 m
..
�
'
--------o-----·----· ---- ·-
------
-----:ra t i on
c omp r i s
y
R 23
1t
05-: m v . 2 5 60 m. m ' 1 6 0 2 3 0F " m m
·· · :
· · ..-�,.-,-�:"""
l'----!
4
ce l l e du' s i f f l e t
'
• '
'
R. 35 V
F :
3 0: m
Race or-
1 00 m l 5 5 m 2 2 5 m.
------
dement --
�-
Prog re s -
1
Lon g u e u r d u s i ff l e t 1 (m) ' 5 0 1ll 60 -m 7 5
s i f
m
. .. ·.
•.
, '
---
-
-------·
..
ta v n i e d e d é c é l é r a t i o n à d ro i t e e s t r e 8p l a c é e p a r u n e c o u r b e c o n ­
t l n u e s i l a l o n g u e u r e n p l e i n e s e c t i o n (L - 1 ) e s t i n f é r i e u r e à
2 0 [û .
La vo l e d e rl é c é l é ra t i o n à � a u c h e e s t re�� l a c é e p a r u n b i s e a u r e c ­
t i l i gn e u n i q u e s i l a l o n gu e u r e n p l e ine s e c t i o n (L - �) e s t i n f é ­
r i e u r e à ! 0 m .
)
11
-
6 . 8
r
�Vitesse d ' app r o ch e .l
i
i
v i d e V o ( k uu'h ) f 60
L---- ··--------·- - ----------------- - - - - --- ------ -�·---- ---- -----
1 1
1
i
!v it e s s e à l ' en t r é e d u 9 i f f l e t V;: 1!
(km/ h ) 1. .
f---------,-. -------r�---- ··�- _ _ _
_____,.)l_
: · '
1 ! ' :
l l.ongue'Uc d• la 1 A nê t i V r • 0/i''l 7 0 '"
1 vo i • d' •• ••
�.J-��:r� -,-- �--. 1 --..--· --- _ ______L_-- - - . . . ... . - � · . .. . ·--------- ----- .
ra t ion .Y
compri, � -
1 _ 1
1 R ;d
m 1 ,. F' ; �
! n O m
c e l l e du siffletj·-·-- ___l.. -- · · ------r
1o 3 c; rn
1"
.
� r
J
' R a c c o r -"" �
.,' ];' .
j
·>
il
·--- _____._
___ ....... _________L_ ___ _ _.. . 1 d e men t
d u s i f f l e t 1 (m)
-----· - - - -- - - - ------· ·- -· - - -
P r og r e s -
s î f
La v o l e d e d ��; c 0 l 2 r a t i · .. ! • 1 ;· ,_) : �- ·-� :::: s t r (: :·· .
t inue s i l :.1 l o n � u ç u r . : n rJ i ,· 1. l -· 1 s � c t i 0 n j�
2 0 m .
-T-·
.. q : ' !) iJ - l l 0
l 1 2 0
f_, (', 7 5 90
...
; ) w ! (j m 2 4 0 m
-
rn 2 3 5 m
m 2 3 0 m
11
-·--
tf1 2 2 5 m
.....____ ·�
:J� m
· •. :. " i i"' '·:· c o u rbe c o n -
,, .. . r: l' P. r i e u r e à
La vo i e d e d :�· c · � l J ra t i l  ; ; ::< _·_ <l u c h è e s t r e ::: �- :j ,: è ( p : ,.
t i l i gne un Î q · 1(' s i l ,, l ;.:.., n --� .__; •. u r t' T�: ? l � i t: !� . .. ,_. :- .i .-1 n
m b i s e a u r e c ­
: ) e s t i n f é -
r i e u r e à 1 0 :01 .
6 . 8
6 . 1 . 3 . ïo ,:e s :! ' ·:"nsert:icn @
De typ e p a r a l l è l e , l a vo i e d ' i n s e r t i o n a une l ongue u r t o t a l e L (m) ,
E l l e comp rend une vo i e d a c c€ l é ra t i on p a r a l l è l e i l a rou t e p r i n c i
(: � '-" o i s e au d ' i n s e r t i on d o n t l a l on g u e u r 1 (m) e s t comp t é e e n t re
t ��mi t � de l a vo i e d ' a c cé L € r a t i o n e t l e p o i n t o� l a l ar g e u r d u s i • • i
�- , '.�� _ t à 1 , 5 0 rn .
s e d ' ap p roch<: à
Vo (km/h) s u r l a
p r i n c i p a l e
V i t e s s e f in
l é r a t ion v1
V i te s s e s u r vo i e de
d ro i t e à fort déb i t
tot a le L (m)
J. s e a u 1 (rn)
6 0 8 0
3 0
6 0
4 0 5 0
9 0 j 00 1 ! 0
5 5
7 5 8 5
2 1 0 2 4 0 3 2 0
6 0 7 5
6 . 9
6 . 5 . 3 . Couloirs cow"bes
Le s rayons min imaux de s c o u l o i rs co urb e s d�penden t
- de 1 ' i mpo r t ance d u ch ange me n t d e d i re c t i o n Œ
- du t yp e de véhicule e xé c u t a n t ce changement de d i re ct i on .
Si a < 90 "
courb e à un cen t re -
Si a > 9 0�
courb e à 2 o u 3 ce nt res , s ymé
Les va l e u rs ·mini.malea de s rayons e des dépo r t s
t ab l e au ci· ·des s o us :
ou d i s
donn é e d a n s l e
6 . �- _ ,
1mb re de
:en tres
V . P .
T . S . R
V . P
T . S . R
1 5
35
55 .
1 3
�0
4 0
. fk-----­
.IJ�.� R·
. .-. .
!R'
... . --:.. .
d" '
, t
R' .
IR ' ,- .
R '
' ·.
,. .. 0c'
� · A ·c'1
· - .
•d'
· -· � · l· t v1 d
2
- c�
1 d '
3 Sy:mé tr:ique 3 Di s symé t rique
35 ! 00 l , 2 60
- - ..... -
2 3
2 5
50 0 , 5 . 35
80 1 , 8 5 0
30 60 0 , 6 . 60 . 2 5
20 35 . 0 , 8 2 5
2 5 50 1 , 2 5 0
2 0
2 0
-·
9 0 0 , 4 2 , 1
4 0
7 0
0 , J . 0 , 7
0 , 2 2 , 3
V . P . I l B 2 0 0 , 7 2 0 7 20 0 , 5 -
C . R 2 5 1 5 35 1 , 2 3 0 1 7 30 0 , 4 5 1 8 1 5 3 5 0 , 1 l , 2
---+-T_._s_. -R--+---3-0 -1--2-0 --+-���t��-8·-···-t--4-5-·+-1-6-t-4-5-t--1-,_z -+-4-5--t-1-5--+6-0--+-0-,_8·-- _2_·-�-
0 , 2 5 0 , 9V . P
C . R
T . S . R
V . P .
90 °
C . R
9
2 0
2 5
7
1 5
7
1 4
1 6
6
1 4
2 0 1 0,8
J O 1 0,95 5 q , s
l B
2 5
4 0
2 0 0 , 5 2 0
3 0 0 , 5 3 0
6 1 8
1 3 2 5
1 4 4 0
.
5 20
1 0 30
0 , 7 5 ! 5
0 , 85 1 7
1 , 0 35
0 , 7 1 5
1 , 0 30
s
1 3
1 4
'
2 0
3 0
5 0
5 , 4 2 0
J O 4 5
- 1 2 5 0
0 , 3 5 i , 0
0 , 6 l , 4
0 , 2 0 , 8
0 , 5 1 , 4 5
0 , 6 2 , 47 0 2 , 2 4 0
---r------�---+-----�-----1-----�--�----+---+-----t----4---+---+----�'--�
5 , 6
4,61i_l 2 5
[0,61 20
��4 , 2 120 0 , 5 120 ! 4 , 5 �25
T . $ . R 2 5 1 4 1 3 4 0 1 ' 7 35
V . P . : 0 , 2 ! 0 , 5
l
- 1 0 , 5
3 0
0 , 6 2 5 8 , 6
125 0 , 9
j 25
i 8 , 6 1140 � 0 , 4 ; 1 , 4
- 1 1
1s
o 70
1 7
7 0 3 , 4
j zo ! s 1 7 5
{1,S l 3 ,8
--·+---�,����- ·�--+-�, s-�� o-, s-+1 -s -+; --r-��--�� �1'
v . P . 1 5 3 , 7
_ I
l ! 2 , 9 1 2 0 : o. B i t , L
5 0 ° C . R 2 5 7 , 5 2 5 1 , 0 2 5 1 7,5 ,: 4 0 1'0,75 i 1 , 1
- 1
1T . S . R ·· - - - 2 0 7 , 5 ! 7 5 1 , 6 , 4 , 0
1
'!' . S . R
3 ' 2 1 5 0 , 6 6 2 ' 6 l 0 l , 0 l , 4
1 f i J e
L e s l a rg e u r s d e s co u l o i r s c o u rb e s d é p e n de n t :
- d u no mb re de vo i es e t d e l a p o s s i b i l i t é d e d o ub l e r un véh i cu l e e n c a s
de p anne .
- ·lu t yp e de véh i c u l e e xé c u t an t l a ma n oe u v re .
- du r ayon d e c o u rb u re .
Typ e de coul oi r
s an s p o s s i b i l i t é
j
V . P
-
· -· - · · ·
�,.
8 /R 3 ' ')
- �
. R T . S , R
2 2 , 5 / R :1 � 5Qè doub l e ::
( )
f i le ave c p os s ib i l i t é
+ ! 6/R �-· +
èe d o ub le r
' 2 5 , 5 5 i 1.
f i le s e n mo uv e me n t 6 + 6 / R J + 4 5 / R 7 + ! ! 0 / R
L e s vale urs s e ron t a r ron d i e s i 0 , 2 5 m p r ê s .
( 1 ) Le s l argeu rs p o ur c2 s on t de s l a rg e u rs rou), ab l e s e t comp rennent l a l a t-
g e u r de l a chau s s é e e t l e s s u r s e t b an d e s s t ab l i s é e s l a r d e n t .
Ilots
Le s d i mens i on s t ran s ve r s a l e s m i n i m a l e s d e s i l o t s s ép a r a te u rs s on t l e s
s u ivante s :
i lo t s é pa ran t de ux couran t s d e rnewe s ens ( ag g l omé rat i on ) 0 , 5 0 rn
- i l ot re fuge de p i é tons ou s .upp o r t de s i gna l i s a t ion 1 • 2 5 Ill
- i lo t s ép a r a t e u r s ur la ro ute se con da ir�" C r as e c amp agne) 1 , 5 0 rn
- i lo t s·e p a r a t e u r s u r l a ro ut e p r inc i p ale ( ras e c ampag ne) 3 , 00 ID
L a l ongue u r de l ' i l o t rée l e s t sens i!J lece n t é g a l e aux t ro i s q u a r t s de ce l le
de l ' i lo t théo r i q ue .
6 . 1 3
d
bj
11
-�
!Of [ SECOOIO.t.mf
V@
T'
/
/
f
/$'100
t--- · -;1;.i . 1
G) 1
SIOO��/ 1
�
@ · .
�'
0, ,
"'
�
® 
 1
1
- 1
1 �
l
i
5 11 ;:
a:i "'
"'
0
9:
w
5
.....
l· '>::;
>
t �
1 -'�
., 1 �
� �
�
1
..
!;:;
1
1
1
1





-'
"'
w
;:{
"-
�"'
0"
p ;;t- Q ..- i L t:* < 0 N f ROLf
F i N
PROF1'. 4•
C QN TRQ E
I N TO::t.l€ 0 4 1 � E
AJ.J O I'{'f
1
1
01
l
1.1
p ;:; ,: :: r L dq ( C N 7 R 0 L ::
· �
1
v ()
v 1 n: s s E o
t-: (l v. î
-�
POS!ltON
oU- �
Allg..Y
, C AR"R E F O U PI
(rJY.
T
cor 5 8 0
'J I M E N SION N EM EN! O ES CARREFOURS
v� or
j
�l.lrçn�
� � pa�t )
Ll l!qn!
jpfport' 1 1
�)
D[S VC� ( S PR!N C I P A U $ { 1 ) _
1,10 Svi:i =ouro; OŒ •� rer 9..us r V O r ( lX ::! • '!;(,! ... l
J ,00 $U!i! ti'QUV!'$ !Jf ,;..,. 1 ��1! 0[ :s . oo ... l
1 1 ! .C:....t�fsyt� �11A !>Gvnu� .::J ' l i a i t�I>�I"Glt�.,,
-f----....-1-��-i-'��i----10
UIRGEUR VOfE DE DECHHI HION EY I N SC: R T fON
1
J:)() :.
5 0
1
60
!
60
' 1
60
�!: ,dO ""' !<'OY!t lfe {
• GO iilM / �;
S , 3 0 "" V'<lullt liu )
tOO '!r<J / :.
4ole · Q ). .:oo n€</j PO!.N L rN l' €t'SJ!c t ;ou
"'
f'::-
LARGEU R Ca.JLOIRS
V
A St::NS UNIQUE
ll-(·;::�-��ec·;:,
d <t ll'oihrc-Jres
5 j
I O Vf' l'l l! ç iPJC!1i C)Ur"''�Of"'' la
1 -,.___,!
r<.'XJI <�� p t ii'I C t p o le
!0_____
�·e-:• .._,� di!'.S Vti'IIC;.JI�1 . 0- �IJ!C fiO.n :� CO/J ro: '" r'i
1
6 . fo..-r.e 0 r;'OUCI'It 00!..1idCfl� d f ' r CI !tf.' '1 4!'i.
:
J o �r• ;y "'elilO"'
1
r: ::r'"'c-.:r l'" x
�OUT[
:Z VOir!:$
:U.,I;"!';( �
j - 4 10![$
�
è
,-l�r@ F
� �
�. .... �
l:!. ....
' 11i]
r �� -
1 4,:h.,
"""• m
1•
m . ' ••
1 0 . j .., Y ""�
j
•O ::l ""
$ ":'0CI�f CA.Ifif ('F"QU!lt ' ! , $ ..,
s:ocuc.r !O V $t Y O • C:
;! J!> ( (; I A L ( 0 5 , 0 ""
v •
>L
• @
""· ( , ,,.,. , .,ç , a ""' ; >' L i l ,.,
10
0-i.l. N G!:UC::f.JY ;:::-{. PRO�ll t:l·-! T R 4V f f1 S 0 COUt.OIR OECEŒ LERAnatJ OU 'i"YPf. OlA GQ>u.;_
:·�:' :;�:·��
j
;�"::<�: ,·,�::�:)
� -�;;,",:;v
::. ;:l H
j
L�����:� 1e.. �-��
L O � G U [ V � "'; Of. FU,CCORO (J.f(N"f { AA .)
"iO · iO
:.{•00
• 1 14
. . .
• •
Y S
• •
' "
' 0
"
I I C
H Q
oc,ia,·où:oJ
'm r s s r o "�'""'' • vro" ' " " 1
[8'·UllGUEUR
ŒS .OIE.S OE O€ŒLER.AnON OU YYPE: """AI.U:U:
�Ttlt � -· �
o..u.w:
� . , , .
..
�fi01r
��,$
sc - 9 0
. , :!l :i-
( 30,4) j ( j. j , Q 1
1
1 .,
Y>
1 S .!l,O l
1
( J .2 ,0 )
,J'U'"1 --' ·
,;-.!-
1 1: n fll . 1 �_, r-o 1
••
1
•• , '
1
1-
- -· -
! 1 5
1
( 3 6 , 7 !
1
( § 5, 0 )
1
1
·::;:"
1 .::. 1
�t.:·.::-·
10-,--1 ·" ,
.... .... , _..
1 37,6 1 ( 49,2 ) ,v••- .. � '!''".a
o� �t @ I OII...._ 40!1!
Vl§c
�Wi/�) !l<i11cW
I:ZO }4 0
1 <�� a ol ( 4-<i ,7 l t d "'
IS:l ��� 10 -SO 40
c o��1, 2 l t<�S,Ol 100 ua rs
1 .!0
00
1<0
1
l'rO
.io t'Ui('f
i "
1
� 3
11 j
I. *"'•"Ov•
Q . 1 101
l"
20
1
"
1
'"
1
"'d'�..
&..ea,uduf clt� hJ .,êJii 1!1 4 .,;�,...ot.ua l •l '•C�._._.•.
JI' t;!l;l� sn e cv�e av o.. ffl<��"
1
YQ l'
, .
, .
24 ·":l
•• 1 • a
H fJ X
f
10$
1 ..
j
••o
" ' r no
�«<---..-· .,.,..w
1 0 0
1 ••
' "
'1 ••
" '
l
, ,
( 4 2.7 ) { !0,0 1
LONGt;E)R· OES .OIES O 'f NSERTf ON
1- �
' .
1
-, ., "'
j
l :l :> 1 0 0
0
I H,<l l � ·'10 , 3 l j
100 13>
r 34,S J
' .t7. 1
l
,....__
...
_
l
1 1 0 I<S
�

t .) .."l , ..:- }  _:; .{ , v 1 '
410
1 1
j � Q
i
(
3..!.1> )
{ "-0 0
1
j
1 �
'
fit;-."
l"·f:Ii
:!.::00 "'
1
1 o o c "'
�
1 40, 3 ) ' 40,01
1 'i !l IUO
( 40 :$ ) ( 53,1 )
, . , " "
f <1. 7,4. ) (47, 2 )
NO
/ 4( 0 )
l
' "'
{ 4 9, l )
1 � 00 .....
1
1 200 ....
f;lJ·11_
' .
,_..
� · � � ' � " " " " " " " "" " ' ,;.,
,, ,�'� ' " 1 00 1 90 1 1 0 0
L ( "' )
1
,. 0 )1_
1 " " 1
l l O
1
r•o
1 l ·•d
i
• •
o{ 1 .. . •o 1
@
t.OJII :iUf !J tf I I..OY' " 1 ' "
�
@
LAü"G(UI!il C O U LOHil
$ O !Iil l" o [
�
0
., ... _ r r ::i � 20 � -
_ r ..... <l.. ('l <lil "''l ' ' "
� <l . . li • � � . ,1!5 ""
� ""' "'..:.. .
"F., ..., ., ,. III 'OJ:i " O"<<l a •• • ' " '
! 2 - l ili ""
I Q
YO •
1
1 1 0
1
l l O
170
1
320
l " 1 0 0
�
N
•
x
•
;l':
w
16
1ft ::>
:.:::1 0
Q M..
a ....,
'"
ta: �cr. �
ol: u
1-
.
:1'
.....
"'
=>
0
...
""
Q;
Q;
ct
...
�
N
x
.
2:
""
<r
0
0
Il.
....
a:
Ir
"'(
..,
/ .
/�,.:/·
11fi '···.
',! ��
)<
.
«.J...
..
1
1
1
1
1
�
i
1
t1
.
�..
.
8
1
�
tJ
1
7 . ROUTES EN REL I EF D I FFICILE
Les caractéristiques 4épendent , non seulement du rel ief ma -'- 3 aus s i du
traf ic : na ture , évol�tion prévisible, • • • •
Gard e r pré s ent à l ' espri t l ' inc idence du �int ien de l a c i rculat ion s u r
l ' exécu � ion d e s t r avalŒ .
7 . 1. Po i nts s i ngul i ers
Les p o i n t s s i ngu l i er s t e l s que
- po i r� t s d a n g e r eux � c o u ::· b e s de f a i b l e r.&yo;.) !l po:�n t s de œ..;1..;.-v:.< ._
ne s ;:.n t ;as en considéra tion pou r dé tert:liDer � a v i t e s s e ,· � r •.o U c " · "E'
de l a r ou t e . Ce s p o i n t s s ingul iers peuvent être amén2g8 s s e l o t �e ::o 1"' '"' ''
infériel}res aux norme s hab i tue l l e s (Vr ;i 4 0 km/h}
7 . 1 " 1 .
minirna l en
- En c a s de r a yo n s f a i b l e s i n t e rca l e r � � s
p r o g �- e s s i v e p o u r i n t rodu i � e � eve r s e t s u r � a r g e u r s .
l . L 1 .
Pou r F. � !, ( exc epc ionne l l 2men t : 8 % )
Ré d u c t i cr·, o o s :; i b l e d u deve :: s max imum pour t e '1 i r co'L;: : .:: ;
d e s cond i t i o n s l o c a l e s d ' e xp l o i t a t ion (ne ige , ve r g l a s , , . . . )
de c o n s i d é ra t i o n s t e c hni q u es (variat ion d e i �ve r s , ê c cu � e�e " c e i eaux)
D é r o g a t i on p o � s i b l e â l a rêg l � d 2 va r i a t io n
- d e n ' i n t r o d u i re e 3 a u c u n po i n t de l a chaus s � e J n e p e n t e e x c � s s �v�
. ,t.:"'''
- d e n e p a s f a 1i e v a r i e r l e d e v e r s s u r l a p a r t i e c i rc u l a i re d 0 l a � o u r b e .
7 . 1 . 2 . Profi l en long
? . 1 . 2. 1 . Cons,:dérations généra l e s
( i ) R o c c o r d e me n t E c e p e n t e s a u moyen d ' a rc s s u f f i � oTh� � n t g r a n d s
p o u r � v i t e r t o u t c t bru s q u e e t emp � c h e r t e s l on � s
v é h i c u l 2 s n e t }· H: n t l a c h au s s é e . P l d c e r l e s r :� ;: ,J r<� e r:H:' 1, ,_ s ,::: r:
d e ho r s d e s l a c e t s
! ,.!
, ..,
. <..
, .,
: u
0
, ..:;
� �
• •
1
1
· t.l ...
.
'
#
profi l en travtrs en al ignement e t par le rayon (Ri) de l ' arc d e c e rc l e
d u bord intër ieu r .
P I A f! s c h c rn .a t i q u t'
L ' aJte (qui ne c o Ï nc ide p a s avec l a l i g n e équ i d i s t a n t e d e s d e u x bo rd s )
e t l e s deux bord s d e chau s s � e s o n t d i f i n i s p a r Je s coord onné e s r � c t a n­
g u l a i r e s . Le s type s s u i van t s sonr d é t e rm i n é s par l e s t ab l e s f o u r n i e s
d a n s l e manu e l d ' a pp l i c a t i o n § 6 . 5 . 5 .
·
�
6m 8 rn 1 0 m 1 5 m 2 0 rn
�
#"'
b =- 6 rn 6 / 6 6 /8 6 / 1 0
/
6/ 1 5 6/20
b "' 7 rn ( 7 / 6 ) 7 /8 7 / 1 0 7 / 1 5 7 / 2 0
Tab leau des rayons extérieurs minima:..a: correspondant au rayon intérieur Ri .
l
( . .1 ;
.,iii".
Rayon extérieur minima l pour
Rayon intér ieur
1 TSR seul ( 1) 1 CR + VP ( 1 )
Ri
6 , 00 (3) 1 4 , 00 1 5 , 75
7 , 00 1 4 ' 5 0 1 6 , 5 0
8 , 00 (3) 1 5 , 2 5 1 7 , 25
-
1 0 , 00 (3) 1 6 , 7 5 (2) 1 8 , 75
i 2 , 00 ! 8 , 25 (2) 20, 50
1 5 , 00 (3) 2 ! , oo (2) 2 3 , 2 5
20 , 00 (J) 25 , 50 (2) 28 , 00
25 , 00 3 0 , 00 (2) 32 , 75
30 , 00 35 , 00 (2)1_3 7 , 50
4 0 , 00
/ 45 , 0C { 2 ) 4 1 50
�SR Vé h i c u le s emi-remorque
t: R Camion r ou t i e r
V P Vo i tur e p a r t i cu l i è re .
---...,;.....
le pa s s age de :
2 CR ( 1 )
1 7 , 5 0
1 8 , 25
1 9 , 00
20 , 50
2 2 , 25
2 4 , 7 5
29, 25
34 . 00
)8 , 7 5
4 8 , 5 0
(2) . Dans tous l e s cas , ce rayon extér ieur minimal e s t eu moins l e rayon qui
d onne à l a chaus s é e sa l argeur en s ec t ion couran t e .
( 3 ) Courbes t ra i tées en Jéfzil d �ns l e § 7 . 3 . : l ace t s
( i i i) Ac c o t e�zn t s
Pos s ib i l i té d e réduire l e u r s l arge u r s à de s �a l eu r s inférieures à c e l l e s
d u t ab l eau 4 . 8 .
Dans l e s z o n e s ne néc e s s i tant pas d e pro t ec t io n ( g l i s s i è r e , b a n q u e t t e ) ,
réduc t ion r > s s i b l e à 0 , 5 0 m .
1
Tab Leau des rayons extérieurs minimcr.a correspondant au rayon intérf.e,.,:,...... Ri.
Rayon extérieur minima l pour le pas;;;-�
Rayon intérieur
Ri
1 TSR seul ( 1 ) 1 CR + VP ( 1 ) 2 CR ( 1 )
6 , 00 (3) 1 4 , 00 1 5 , 75 1 7 , 5 0
7 , 00 1 4 , 5 0 1 6 , 50 1 8 , 25
8 , 00 (3) 1 5 , 2 5 1 7 , 25 1 9 , 00
1 0 , 00 ( 3 ) 1 6 , 7 5 (2) 1 8 . 75 20 , 5 0
i 2 , 00 1 8 , 25 (2) 20, 50 2 2 ,
1 5 , 00 (3) 2 1 , 00 (2) 2 3 , 25 2 4 . 75
20 , 00 (J) 25 , 50 (2) 28 , 00 2 9 , 25
25 , 00 30 , 00 (2) 32 , 75 34 , 00
30 , 00 35 , 00 (2 ) 37 , 50 .J 8 , 75
L 4 0 , 00
l 45 , 0C ( 2 ) 4 7 , 50 48 , 50
- - . -
------=-->=����
( i : �SR V é h i cu l e semi-remorque
t: R C am i o n rot: t i e r
V P Vo i ture p a r t i c u l i è re -
t 2 ) Dans t o u s les c a s , c e rayon extér ieur minimal es t e.u mo 1ns le rayon qui
donne à l a chaus s � e s a l argeur e n sect ion couran t e .
( 3 ) Cou r b e s t ra i té e s e n Jé tz i l dc.ns le § 7 . 3 . : l ace t s
( i i i ) Ac co teffi2n t s
Pos s ib i l i t é d e réduire l e u r s l arge u r s à de s �a l eu r s i nf é r i e ü r e s à c e l l e s
d u t a b l eau 4 . 8 .
Dans l e s z o n e s ne néc e s s i t ant pas d e p ro t e c t io n (g l i s s i è r e , b a n q ue t t e ) ,
réduc t ion r , s s i b l e à 0 , 5 0 m .
7
• •L
2. Rayon m-t.n t..;7rwrt
b .. 6 'Ill
Ri � 6 rr,
b .. } Ill
Ri r o tma l
"
l 2 m
Ri ab s o l u
� 8 Ill
,
, JJv�,tê sur
l:e bo1 d
im:�neur
d u Lac e t sera lim i t é e « 7. pour l�s
t �·.··
tdquentées pa r Î'.:t=t1'J''- d e neige
o u
d e ve rg l a s e t 6 � p o u r l e s
autre •
lo!'�t�;.
Le
tracé
dv bo rel int è r i t::l n du l ac e e é t a n t d é t erminé, o n r e è ë v .� : a l o:: ·Ji rage
tP;ans 9h�nger l e
prof i l
e n l.or;g de c e bo rd t n�ét ieur . On v é r i f i .:. r a
· our.eJo,i s
��E! c;�t.t:e d ispcuit ion n ' ent raî nt:
pàs d e iécl.ivité l o c a l e me n t <t X <>· ..
s Ï1� �.Ir
l� .�,ori.i
e;xtéritt.ut . s.urtout si . celui-c i h:
présè[t:e
à d r o i t e po.ur l es
véry�;.;
cules
mo� t·an t s . En ..- a s de d i f f i cu l t é s s u r c e po in t: o n p o u rr n r� d u i re de·s
d éve r s
'h>ofi è ·en t ravers
Lorsque l e s
lace ts
s em e r approchés l e s un s de s a u t r e s , i l
·' s t p r é ft! r ab l <>
d e ne pas reveni r à l a l argeur n o rma l e b d e . l a c h au s s é e e n t r e ceux'"'ci .
Le d éver s max imum d o i t ê t r e ma i r. t e nu con s t an t s u r tou t l e dé ve lo;pemen r
de t
�arc
de ce'!'c l.t! du bo rd intér-ie'iA.!' de
l.a
· :�hàz�;�sée .
1
1
1
1
.1
1
'.
.

B40 - manuel de projeteurs

  • 1.
    �-"• 14,1· �"�".rt_H,.)�II!'P. ; JliPJ4)kd(iiU.JMt·A�4i;,JiftflJ.J4-4,! •�i'é·;-..�"'"''·91,-j!Jd-'11''-�Wt'rl!�!'Of:-'·"'''"""1 l· '· �PUBLIQUE ALGEFiiENNE OEIi1DCF1ATIGUE ET PDPULAI�E �fE �"4Ii�VAUX PUBLICS ET DE LACONSTRUCTION . _ .DIRECTION DE l'INFRASTRUCTURE !f' ' ""· '· ' . . SERVICE o· ETUDES ETTRAVAU� D'INFRASTRUCTURE ··'-' i .,.... _,.... GENERALES TECHNIQUES ET ECONOMIOUES DES AMENAGE ENTS ROUTIERS . � . ,..- ' ) _ ,;:.,_ ' ,..._j·:. ·. . · . �NORMES TECHNIOIIESO'·ftME�AUt.t�i{:iltfi1t'J! "'ïf' . . · . . %!Y�i cu
  • 2.
    S 0 MM A 1 R E CHAPITRE I - DETERMINATION DU"Y'NIVEAU DE SERVICE 1. 1 1. 2 1. 3 Définition du niveau de service Catégorie de route CI Environnem�nt de la route CHAPITRE Il - PARAMETRES FONDAMENTAUX DES PROJETS ROUTIERS 2. 1 2. 2 2. 3 2. 4 2. 5 2. 6 2. 7 2. 8 2. 9 2. 10 Hauteur de l'oeil et des obstacles Temps de perception - -réaction Accélération verticale admissible Caractéristiques géométriques des véhicules Coefficients de frottement longitudinal Fl et transversal Ft Accélérations et décélérations longitudinales Devers de la chaussée Débit de pointe horaire Vitesse de référence des véhicules légers VVL Vitesse de référence des poids lourds VPL Récapitulation ·des paramètres fondamentaux par niveau de service CHAPITRE III- TRACE EN PLAN 3. 1 3. 2 PROFIL EN lONG Paramètres cinématiques Caractéristiques géomètriques des projets routiers (plan profil en long) 3. 3 Homogénéité de 1 'itinér�ire 3. 4 Coordination plan profil Pages ..&' 1. 1 1. 1 1. 1 1. 3 2. 1 2. 1 2. 1 2. 2 2. 2 2. 4 2. 4 2. 6 2. 6 ? '- • 7 2. 7 3. 3. 1 _, 3. 2 3. 14 3. 15
  • 3.
    ,.��.·.·..-. ' '·"· --'· ' 1 i 1� 1 CHAPITRE IV - PROFIL EH T VER 4 1 4. 2 4. 3 4. 4 4. 5 CHAPITRE v 5. 1 5. 2 5. 3 5. 4 CHJP I TRE VI 6. 1 6. 2 6. 3 6. 4 6. 5 6. 6 6. 7 Définition Choix du nombre de voies Prof i l s en travers en section courante Prof i 1 s en travers sur ouvrage d'art Prof i 1 s en travers sous ouvrage d'art - OISPOSITlONS DE OETA IL ou PROFIL EN TRAVERS Collecte et évacuation des eaux de ruis se11erne nt Drainage interne sous p1ate�forrne Dispositions constructives des assises de chaussée Oisposififs de sécu ité - CARREFOURS Vitesse d'approch vide V Définitions et principes généraux Visibilité aux carr�fours Elêments de la route principale Eléments de la route secondaire Dimensionnement des carrefours - Tableau récapitulatif Carrefours type� CHAPITRE VII - ROUTES EN REL[EF DIFFICILE 7 . 1 7. 2 7. 3 Points sing 1 iers Profils en travers Lacets 4. 4 . 2 4. 5 4. 15 5. 1 5. 2 5. 4 6. 6. 6. 6. 3 6 5 6. 10 7. 4
  • 4.
    Chapitra Cétermlnatlon du nivealfda service Classement de l'itin�rai dans l'un� des ca Sinuosité io=-Économique� l 1i 5) à 3) tennination du ntveau de ice �ij objectif dans zone Prise en compte critères ca rac té ris
  • 5.
    J1 Ji 1 1. DETERMINATION OUNIVEAU DE SERVICE 1.1. Définition du niveau de service Le niveau de service �ij d'une route de catégorie Ci (§ 1.2.) se développant dans un environnement Ej (§ l .3.)est caractérisé par le respect de seuils ou de conditions discriminantes relatifs aux critères ci-après : - vitesse de circulation à vide - coût d'exploitation �es véhicules (à vide) conditions de circulation - confort et sécurité - gabarit - permanence de la liaison - incidence sur les régions traversées. Ces deux derniers critères ne peuvent être apprec1es que de façon qualitati�e. Les autres peuvent être rattachés à quelques paramètres physiques fondamentaux mesurables, caractéristiques du comportement moyen de l'usager (temps de réac­ tion, conditions de visibilité, conditions de confort), de la dynamique des véhicules (coefficients de frottement pneu�-chaussée, accélération, décéléra­ tion, devérs maximal) ou de leur géométrie (largeur des voie�, gabarit), et de la qualité du service rendu à 1 'usager (débit horaire admissible, nombre d'heures oQ la congestion est acceptée). Les conditions minimales d'aménagement permettant de respecter les seuils des critères de niveau de service, sont déterminées par la prise en compte des seuils admissibres pour ces paramètres p·hysiques fondamentaux, ainsi que des règles de l'art et se réfèrent aux indicateurs cinématiques et géométri.·­ ques ci-dessous : - vitesse de référence des véhicules légers VVL - vitesse de référence des poids lourds VPL - largeur et nombre de voies. 1. 2. Catégorie de route Ci Les routes algériennes sont classées en cinq catégories foncti0nnelles corres­ pondant aux finalités économiqu2s et administratives des itinéraires considé�és. l.l
  • 6.
    - - C.�it. 1 _........ :::1 :r::: C<J.t. -2 C.at. ...., 3 .. • 3... .> :. .. . "- ... ..... . ..,.•.·;-• centres économiques d'industrie lourde ·centres d'industrie de transformation �-·······..····-.... Pôles d'industries lég.?res ,. --- Cat. ••••••• ee • Cat. 4 5 D @ Chef 1 ieu de Dai ra ou wi layé Q) Centre de.vie atégode' 1 atégorie 3 :atégorie 4 Liaisons entre les grands centres économiques, les centres d'industrie lourde (A) Liaisons assurant le rabattement des centres d'industrie de transformation (B) sur ce réseau. Liaisons entre les centres d'industrié de transformation (B) Liaisons aso:ur2nt le rabattement des pôles d'industries légè.r<'S Jiversifiéc:s (C) sur le réseau précédent (Car. 1.) Liaisons des chefs-lieux de da1ra et de wilaya (D) n0n desservis par le ;�s. au précédent, avec le réseau des catégories 1 et 2. Liaisons des centres de v1e (E) av�c le rés�au des catégorie� à 3. :atégorie S Routes et pistes non comprises dans les catégories précédentes. , , /
  • 7.
    f.:." r i..3. Envir-onnement dela routê La classe d'environnement est caractérisée par deux indicateurs - la dénivelée cumulée moyenne au kilomètre - la sinuosité 1" 3.1. h Dénivelée cumulée moyenne : Ï h L La so=e en vc1 de l'itinéraire absolue déniveléesSl<c; :2li,_.eqest la dénivelée CWll'-llée c-. :;a;;;,. 3e:-l.S � -<�---�----··· hl . --- . . Jt::n::._ "Je i Pi.>o ,.z_ F ·1 ' ..//' �) L 1 sens Le capport de la déni.velée cu.Jnulée totale à la longueur de t'itinéraire L permet de mesurer la variation longitudinale dul!;liet:.: cl e Classification code Plat 2a Plat mais inGndable Valloné J Montagneux Déniv·elée cumulée moye h -' r h r � 1,5 i. 4 ! '5 % ! '5 % < h I ( h· L " ..... 4 i. L--··············--····- ·--·"----------------------'------------�----·-·-.J
  • 8.
    1. J. 2.S-!.nuos-<,t" mo;;enr.e cr'� lj.;r La sinuosité moyenne <r est égale ai rapport de la longuetn: sinueuse l,s sur la lpngueur totale de l'itinéraire. La longueur �inueuse ls est la longueur cumulée des courbes de rayon en plan infirieur ou égal a 200 m. N" de code 2 3 Classification ité faible ité moyenne Sinuosité forte Sinuosit� moyenne (J :; 0.1 0� l < Cf· .� 0,3 0,3 < o. Troi.:' types d1env1rcnnement Ej sone caractérisés par le croisement des deux paramètres précéden�s selor. le tableau -�-dessous : 2a. Plat etc�nondable 2b. Valloné 3. Montagneux 1 Faibl:e E 1 2. l. l Moyenne E 2 E 2 E J
  • 9.
    J Service objectif Nij ,GQndit iens "d� - § 2. 1. Critlraa car1ctlri te� a d<e roi.-;;ct i�n � 2, 2'> i · 2 .l.;, i:l'l..C.i:Î.Hl.Ge g 2. 3 de a�ti&faire aux l
  • 10.
    1 ! L____ .. 2. PARAMETRESFONDAMENTAUX DES PROJETS R0u!J�RS Z.l. Hauteur de 11oei1 et des obstacles un obstacle J'appuie sur .la pédale de frein !.3 à 1.5 sec. plus tard s de percepti,::lT; • . 8 à 2.0 s. on obst�;,::lE éventuel !5 l .2) hl;"" 0, 2iJ(Cat 3à5) Freinage lOO k "' l sec . temps �'entrêe en action des freins temps
  • 11.
    1 l_ j. 2.4. Caractéristiquesgéométriques des véhicules 2.4.1. P�tres propres aux véhicutes 1 r------- 1 --- - . ,_. x .:;, x ... Ill :;l '"' :;l c:: :;:J <Il c: .... .... ... QI :1 <0 <li <Il ,_. <0 1<11 :l Il ;3 Cil. TYPE DU :l <li "-1 w e ""' 1<11 > .... <Il .... <IJ .... 01) 0.0 1 ç;: QI 1 .... "' 1.< .... .... ..... ..... c: p.. 1'11 Ol w l<ll ... ,_. ""' 0 �· 0 0 j. o:J 1 > u 1 ... �· 01 '<'lJ .... ""' .... VEHICULE .-1 ....1 <1J -< <tl QI < ..... ...... .... ... u u c. ..., 0 <IJ c: 0 x 0 ... e w :> .... .... k <li .... 0 :.il 0 0 ... *' o.. ;l.. :> c:: 4.1 c:: <Il L 1 A B c D E 0 '"' 0 .... >- ... )-,jJ <tl c: "' c: :t: t1l 0:: QI VGi�ure parti !culière 1 5 . 00"' � .30 l.OO 3.10 0.90 1.40 1.40 3.20 ,s.so l leam ion routiet. !0.00 2.50 1.50 5.501 3.00 :. 90 1.90 6. 45 IO.vO 1 1 ! 1 1 :. :0 1 1 lTr:!..:teur .,. 1 5.40 2. ')t! . l {. t:.. 1. 25 1.90 1. 90 - 12.50t - �- 1 1 ! 1. .l.O 2. 50 i 8. t5 2.65 1. 90'r.=.""':'-:" �-�:.: ! 1 - l. 90 5.30 - ' 11 ' �----- ' 1 ; . ., 1 1-c.: -�:::s:-c;"�! l?.OO 1 2.501 �---- ____..1-._ l. 45 - '·"L .. ,o�:'��-_L - 1 .... ::1 � .... ... 1'4! . <J Œl x loc 1 <lJ ii c:: Cl 10 .... >- ..... � c: 41 6.35 '1 Jo.so'j !' ' 13.95; - l - ! J Î Î
  • 12.
    (i) (H) L:J.J.tgeur des 4Umentsdu profil en trove:rs Voies de cireu lation La l�rgeur deM voies qui peut varier selon la position de la voie d.anw le profil en travers et la wtture des ausceptibles de l ero.prunt:er, eat fonction de l' encombreu:;,ent. d C<ea vi!!hicules, de a�cuiitl (p) vis i vis des paroi� 6 m - et du paramètre de garde (g) entre véhicule;:; �- PL ,. 0 , 5 m) • E:x1 �Hgruement3 2 voies de 3,50 m .assurent le croisement de 2 hnn:di1 dans des conditions de t�écurité satisfaisantes voies dl!« 3�00 m &II.SUrent le _croisement de 2 VL). En une surlargeur par voie S(m) � itm) doit être prévue d R <( 200 m. La bande d'arrêt dwurgence a.. pour objet de le $!:ationne- ment d'urgence &'un vê'l:dcule en panne. en moins possible les vlhicules circulant sur la section courante. Le choix �e 1• lar­ llteur de ·la b�nde d'arrêt éventuelle est un compromis entre le dés ir d1�<iàsurer la sécuritéï:n.rudmale des usagers et le souci de limiter les inv·estiasements A des montants raisonnables, lle ,est comprise entre ru pour les chauss€es de 6 m ou 7 m, 2,25 m pour les chaussées de 0 50 m et 2,50 m pour l�s chaussées de 14 m de largeur. --ru.oo-."""' Cat égode J 2 e de cula tian 3�50m 3,50m .2,00m de ou2,25m 2,00m rrêt ou2,50m ou2,25rn � 3 ' ""'--��...,..,._ 3,Som(l) 3 OOm · .' 1 2 OOm ( 1). i 4 _,,,,.,,.,___·�=-·,.... 3,00m Excep- tionnel (!) cas de trafic important ou fortement hétérogêne. ' 3, -
  • 13.
    2.5. Coefficientsde frottementlongitudinal flet transversal f t atég. � Vitesse en -�- km/h Coeff. de frottement Longitudinal fL Transversal ft 0,36 0,40 O,ll 0,!25 2.6. Accélérations et dêcêlêrations longitudinales 60 40 0,16 0,20 0,49 o.1a 0,22 2. 6.1 Les valeurs admissibles de �1accélfiration et de la dicilêration consciente lors d1une manoeuvre de conduite ou d'un changement de vou; c�-éhicules légers)' sont données dans le tableau suivant : 1 - 2 Accélération (m/s2) Décélérati:n (m/s2) Accélération 3-4-5 �------------ Décélération o, 5 -f .s 0,6 -!.6 100 0,5 -1 '5 7 -1 '7 80 60 0,6 0,7 -l' 6 -J. 7 0,8 0,9 -! ,B -1 '9
  • 14.
    , v 0 200 2.6.2. Lesvaleurs admissibles pour l'adaptation de la vitesse aux condi� tions géométriques de la route sont ramenées à : - accélération - décélération 2 y ,. 0,5 m/s y' .. - 0, 8 à - l , 0 mls2 2. 6. 3. Caract�pistiqu�s dynamiques des poids loUPds Le diagramme ci-après donne la variation de la vitesse d'un poids lourd en rampe ou en pente. Le PL est supposé lancé à 80 km}h au pied de la rampe, mais toute vitesse initiale intermédiaire peut être prise en compte. On observe qu'en pente la vitesse des PL tend aussi vers la même vitesse d'équilibre qu'en rampe. 500 1000 !500 2000 Vitesse d' équi lib rB (km/h) 80 62 (2 56 (1 5 49 (3 %) LJ! 35 (5 3! (6 27 (7 �'4 (8 hl 3000 L
  • 15.
    2 . .Devers de 1 a chaus sée Devers·"maximal d. max. o devers d. max à 7 % en environnement E 3. 2.8. Débit de pointe horaire 2.8.1. Débit homire admissible (d) = k (c) (d) "' débit horaire maximal accepté par voie, compte tenu du niveau ·de ser­ vice visé (c) "' capacité effective par voie, en u.v.p. qu'un profit .c écouler en régime stable. Le coefficient (k) résulte de la valeur seuil de d/c à partir de lle il convient dfenvisager un élargissement de chaussée. Cecoefficient dépend de 1 'environnement de la largeur·initiale de chaussée et de la valeur du temps. 2. 8. 2. Débit de pointe horaire normaZe Q :::: i Tt'!fJA Q ; débit de pointe horaire normale (en tLV,p.� prévu à l'année horizon, en rase campagne. Le choix du niveau de ce débit est lié au nombre d'heurc3 de congestion acceptées dans l'année. T : trafic moyen journalier annuel de 1 'année horizorr En r�gle générale, l'année horizon sera la dixi�me année d exp itat de la route, Sauf études spécifiques, le coefficient (1/n) permettant de calculer le débit de pointe horaire normale sera pris égal à 0, 12, quelle que soit. la catégorie de la route 12 % 2.5
  • 16.
    Nombre de voiesdu profil en t:rave:rs Le nombre N de voies du profil en travers est tel que ·N x d � Q ou N x kc til * soit [ N )��] 2.9. Vitesse de réfé.fënce des véhicules légers VvL Vitesse de référence des poids lours VPL V VL est la vitesse qui permet de d�finir les caract�ristiquea minimales d'aménagement des points particuliers de l'itinéraire. Elle g4rantit l'homogénéité des caractéristiques en plan (RH) eu profil en (RV), en carrefour • • . et par 121 même, le c·onfoyt q:,t !'!êcln:iti! t1e le, conduit""' VPL, est la vitesse qui permet de définir des rampes en profil en long. Elle flrl:nirruZes au poids lourd représentatif, �-�atégorie1 Environ-"·""'-, � nement -� VVL El VPL V VL E2 Vpt E3 Cat. 120 40 lOO 35 80 30 L Cat, 2. 120 40 lOO --� --·---·� 35 --��-·-�""" 8-0 30 - Cat. J, Cat. 4. 120 JOO 35 JO 100 80 30 25 80) 60 25 20 2.10. Récapitulation des paramètres fondamentaux par niveau de § tableau ci-après. ce
  • 17.
    1�:·· �;! Cat, 1 Cat:l. Inaependantl de 1 'environnement Usager : oeil ho ob1tacle h1 oblt&cle h2 1.10 !Il 0.15 m 1.20 ill Caractéristiques géométriques des véhicules cf� 2.6 Débit pçinte Hordce Il: .., d/C en traven Ace!:! - c. 1 - "" 0.12 n 2x 2 v - 14 m 10,5 m - 7 m 7 m - 6 m 10,5 m - 1 m 2 5 k - 40 1,8 Il g/40 :n o,1o 0,50"' !,50 l 00 )5 ,J6 o �no lOO ,8 g/30 0, Il l ,60 :J .......................... +--··-··""""'"-····---···· . ..... .. ............ r:2 Cc rnp s réaction 1 ,8 s Ace!: verticale g/40 g/30 8 % Cat. 4 1. 1 0 Ill. 0.20 Ill. 1.20 Ill. en Env.• 3 ,8 s g/30 Cat. ,00 2 F F L t 0,36-0,11 0,40 - 0,!25 0,43 0,15 0,1.6 0, Ace!} - Déc!:! con VVL - v PL temps réaction Ace!! verticale - Déc -.,"':---- cons. 0,50 - l ,50 80 30 1,8 3 g/40 0 '70 80 O,d - l, 70 0,90 1 '90 !..!�--=-� 25 60 20 40 lit -�----"'� 1 ,8 s 2 5 2 s g/10 - 01 1 ' � 4, r.:) 0' !8 ,!.9 2,C'C ... 2 '•il
  • 18.
    Chapitre Ill Gn plan- Profil en fang d • 5 on en plan RH § 3.2.! l!t 2 �ueurs des raccorde­ :s Progressifs, � !". 3_________-:_:..::.._:..;;:_s,______�·--··· .. . rdination Plan - Profil en Rayon en Profil en 'tong R V U.2.L !nvi roun e111�nt Ramp" max;male�l Couple pou<eent.]longueur § 3.2 .4. "�----�-·�·�----
  • 19.
    -·-:. .,;; 3. TRACE ENPLAN - PROFIL EN LONG 3.1. Paramêtres cinêmatiques Distance d'arrbt en patier distance parcourue pendant le temps de réaction longueur de freinage d Q 1,8 1 2 8 distance d1arrêt ���-----· (m) 1. dl (m) est la distance nécessaire i l'arrêt d'un véhicule à l'approche d un obstacle éventueL 3.1.2. Distance de visibi Ut� de d�passement rrrininxzl.e dm. dm est la distance nécessaire pour dépasser un véhicule roulant à la vitesse V- AV·(AV • 15 km/h). Elle correspond à un dépassement en force exécuté en 7,2 à 9 secondes. . --- - [[]D _____., VVL ---. -- ........._ ..::::::::. � __ -:-OJ ...... w.v km/h ___ 1-.T----�ancede vi•ibilité de dêpam�nt �ini:-d�------=-� . 3.1. 3. Distance de visibilité de �euvre de dépassement cY1d dMd est la distance minimale qui permet à un véhicule effectuant un dépas­ sement et apercevant un véhicule en sens inverse , , - soit d'abandonner son dépassement - soit de le terminer le véhicule adverse étant contraint à freiner.
  • 20.
    ----- � -' cac:gon Paramètrescinématiques 120 100 80 60 40 �...- ·Longueur de freinage do 175 Ill 65 34 14 l. Î.. Distance d'ar-rêt dt 235 !61 109 67 36 ( 105) (64} (34)îLongueur de freinage do 160 lOO 59 31 13 3.4.5. Distance d'arrêt; d l 220 ISO 99 64 35 Toutes Distance de visibilité de dépassement minimale dm f o- 420 320 240 160 Toutes Distance de visibilité de manoeuvre de dépassement d:-td25 � 200 120 10 ___L_______] r-� Les valeurs entre parenthèses correspondent à l'environnement E3. 3. 2. J. 2.1. J. 2. 2. 3. 2. J. J. 2. 4. Caractéristiques géométriques des projets routiers (Plan - profil en long ) - aondi tiL:n optiq!;!e = aonditic·n de gcr.,.?f:i.3se-e'"ct Couples rar.pe - Zo�guek'
  • 21.
    j� Bl -4. $ ) -- -;:; -��{,�_:_/'""""-;: -��:: �i"'lJ � I'-;· -Ï�.,]J J ! :·�,; � �--�-�- -------,--.-____ tégori< oocio-éconoœiqu ' Catégorie(:, J1 Cdltêgori• 2 ! Ca;::égorie 3 1 Catégorie 4 -+ _ . (--�..,. Categoru� 5 1 !---- ' 1 1 l ---t' 1 - ··· '-' 1 ! 1 1 ! ! : 1 1 ,. lnvi rdonement E 1 E 2 J f. } 1 E 1 j E 2 E 3 E. 1 E 2 ! 1! 3 1 E 1 ,. E: z 1 " ' 1 N 1 I l 1 1 ' 1 · 1-- . "- 1 E2 El 1-- 1 -� . 1 """" 1 80 60 80 60��se de référence VVL 1 1 120 lOO � 120 1 lOO 80 , 120 l<l&, SO _ 1 _ 00 1 r 1 . 450 zso: 650 450. 2sô 6oo , 375. na..!- J7sl zzo / 11 �,x["' 210 j 105 lJi)'Ot en plan 11.11 "'aini..,l abaolu (d. �;) -..iniaal aonul IUia !UIN i.&! 650 11. . n- s:t 7% s: n 9x Iooo 1 • 6So! 450 j1ooo j &so �t 450 1 sso j 600 1 4�o-J wo/ 375 R 350/ 210 5% SI 6:t �f 6X 5% 6% 1 2200 1 16;] !000 . . 450- 40, 40 ' 105 200 -- cle""'ra ai­ ni-:'l(d. � -non diva rsi (d. &in) I!Rnd - 3200 2,5� ,-. 3� .3% 2200 1 1400 13100 1 2200 11400 1 2800 1200 : �:·�r�� 650 1 1100 , 650 1 280 ! - 2�5% - 2�5t ·.'iL" - 3% , 3t - 3:! , llaidirectionnelle- r--r---r- ! 1 r: 1 :- I l 1 1 _JI ·� J,ayon 2 voi·p) 1 , ! 1 1 '1 i Î, . (Jo YOleS OU � J: - ' i 1 l 1 l 1 1 · ·�n - &inill&lll abac.lu RV..I 12000 ;6000 i 2)00 12000 &000 250.0 10000 4500 1 2000 I1SOO: 2000 BOO 2000 800 J 250 i . 1 1 !' : ln�le 1- ainia..t nonul R�l 18000 l i bOOO !'18000 12000 6000 1 15000 10000 l 4500 : �0� 4500 12000 4500 2000 �� 800 ..,).- . . . ' . + ! --r--------1 -- --+--+--+----+ (Ult._ ll>d>rectlOnnelle ..,._ _ ' 1 1 .. 1 lA ·()voieo - Zvoies �-1� 1 l" ' - miaiul absolu R;,!/ 20000 10000 4500 20000 10000 11 _ 4500') 16000 8000 1(3;09, ! 1300'//350: 1 1300 4501 . 1 l' .. '1 '--' 1 • !tV ,- &ini""'l lOt11Wll am 1 20000.' 10000 10000 [20000 10000 .110000 , 16000 116000 l 81J<.:.•·l 8000 3500 j' -�0 3500 13001 !-- 1 1 •. 1 1 · --+. 1 1 i 1 1 1 RVD , 30000 .�0000 1 1000 tJOOOO 20000 �� 1000 i 2 7000 !6000 90�0 r6000 9000 5000 9000 i 5000 _12 300 1�yon assurant la dis­ .:lance de visibilité de. épassement d (3 �oies 2 voies) • Jayon n m.- - -.inim.al absolu .� ant . . �le nn- . R_y- IBlOlœ.aol nonul J)écllvité ma.xi:nale -,;..(,·'-:! 1 li l . ---_-{ 1 ll'V.� 4200/3000. 2400 11 4200 3000 1:,2400 350::> ,2!00 16,00.�,�-100 1600 1600 11001 '0·' ; 1 ,� 1 1 ...11.'�1 6oo�42QO. 3000 6000 4200 , 3000 14500 'noo 1 2tOC . 2'<· 1 . ·t !+ ir ' 1 • • � ,� r----� i i �-��--J------�·--�-� 1 100 jp ·"'-'"' 4! li S:C 1 6! ! 4� 1 H � 6% 1 51 ; 64�i _ _:Jl);l o�· " ··�-------"-"--+--�--�- --r·-t-� 1 T- --- · _ uple (p,L) rel at il' l vi'L 40J 35 �-���l-40 1 35 �-��L_L�--:::.���-��L__ � 20 Règl•s d'emploi !"lan J �-- 1 - Ev er Rhm; uttllser R � RH.N �n poss Lole 2- Po� RHm <! R < Rllcj, devers par int<rpoèa­ tiO linéaire en 1 (arrondi â 0�5 �) R 3- Poli !œd < R devers minimal ( d. cran) - Potl" RHm< R <RHnd, ·:ourbes prtgressif ; - obligatoires - préc-ornsees à raccorde�.nent (C.at, l. 2) (Car. :1) - souhai.cê�s (Cat. 4. '' - LiD.ter les align�m.ents droils .i; 20 j Q% de la longueur du trac� - Ev�er les très longs alignemer.lso dnnc� atigneT�nt. droil (L "m:· 400 m) RHm (V -<1 40) avec V+40:- 120 RV'O;ll et R1 Vm pour une route à 2 es unidîrecrionnelles; uti li seT R'VN si possible une rv.-u.t·� bldirec­ e. t R 1 V!-l s � po s s1b<�. t"outes bidirectionnelles, RV> R'v'D souhaitable sur 50 k du tracé. ter les.pro.fils en !_ong'à se:gmen�':: swc­ :tifs; interposer des raccordemern:.:; )Jil.­ li.ques ·s un long at1gnemen-::: droi.t (L:::. 400 rn) ac RV � RVm (V + t_.QJ avec VJ?t•O _ ! 20 en l�ger �e�b-3� pr�firable 3 pro­ tiger d�bla1 �dra111age, pay�ag�) )[,), ,_'t lJ.:.0., l �·nw �l t '-''L' t' e ':i c _;:[}·.. : .:1:�' c� d'dd�":':rl-:> (p r;Hnn.:•; l•' ,' ' d' . .._t' '· "
  • 22.
    L7'"4 Îo, ç6"'4 SÏ, RHN d - :i a J. 2. 2. D.j tt: rm 1:l'Id tiv0 n de13 cl.i t-'€ 1'6 aB [1' '1 au .Nyon en p &an Caté�,Hèe'l 1 - 2 ::::::=:=.:=-:.:::=-..::-.=..--====:-......=:=.: � RHd dmin ll - 1 .. (� .iii )+ Rhd - (dmax-2) - dain ? d RHM .- � R � RHN x [ii - �] + 1 &l)iID �...... . r� Env. 3 R ., 650 Ill R étant c:omp.ris entre 620 et 730 rn prendre d • 3,5 Z
  • 23.
    1 1f Z�O �·------.... RHm( € 3 · 80 ) 1900 2000 f==t::::=t::::::�::::.:.:::- ·• 2800 t--t--+-+-·---+ J. 2. 2. Déte rmiit�uol�·tf;fi �-Ve1"8 as 80 m �8 a:u I'ayon en plan Catégorie 3 (tous environnements) Cas VVL !20El/100E2/BOE3 RHN ;r. Il :i RHd <1 ,,. 411in x� - Rit) 1 ! [dmax--2)- dmin + Rhd .. i lU).� i { RHN x [� - �] + 1 î � ilill
  • 24.
    lm ([3- 60) 206 RHmiE2·80) ;!.2.::. Ddtemd•<a<:icrJ :iea :12:1c:rs ::.ss::_ ,! J:..t rayc'1 2'1 p. cm Catégorie 4 (Tous environnements) Cas VVL 100 FI/80E2/60E1 ,R� � R :; RHd d - dmin x� -· R��)(dmax-2) - dm in RH� � R :: RH� x [_1_ -· �JRHm · � t + i RHd. R 1- RH 'll c,
  • 25.
    . 1 : 2��L. . . . 1�.·. • .. _,·; 1. l 0 �- ·-··· ---- . ·- _......, . • ; ' . �·;·--.. 2.J& ' ' 1 '�:·· - . - · .i. . - . ,. - . . .)·.. i ! b� � eoo �-- - · 1100 r-- _ . L_�'l"''o ·- . ........... . . .... j ,., ... '· z. z. dev�l'B �crtJs (Tous •nvitonnèments) Cas Vyt.80 El/68 E2/40E3 • ,..,J)' + ': .. . 1!0 ,- 1 ·1
  • 26.
    3 . 23 . c.te B _r�zeC'()rdementB progr-t? S en p lan Po u r RHrn < R < RHnd , l e s c o D r b e s à r a c c o r d e me n t p rogre s s i f (en des c lothoÏdes) sont : - o b l i g a to i r e s p o u r l e c a i e s i - 2 . / - fo r teme n t p ré c o n i s é e s po u r l a c a t égo r i e 3 - souhai tées pour les c a t égo r i e s 4 - 5 P r i nc ipa les formules A 2 R . L � t.: .. L rad 2R ap�roximation L 2 4 R L e s c o u r b e s i taccordeme nt p ro g r e s s i f do ive n t remp l i r l e s cond i t io n s s u ivan­ te s ( i i ) ( i i l ) pour R ' 1 500 m - Dep a r t AR L : �R - pour 1 50,0 < R � 5000 m m (éventue l lement 0 , 5 m) d 1 où c ' e s t à d i r e R L "' g - pour 5000 < R - De p a r t nR l imi té à 2 , 5 m s o i t L � 7 , candi tian de gauchissernent seconde) L 1 . t, d . VVL------ 50 d i f f é rence d e d ev e r s e n % en l imi t é e à l OC du devers l·imi té à 2 % par a v e c 6d VVL 1 d i s t ance axe de ro t a t i on - b o rd d e chau s s � c condi t:.on de ce:fort · (v::.r� ::: :; ion ci 1accé Zér2 tion t!'::n s ve rsa le limi tée à _g____ 0, 2 v L 2 VVL 1 8 par seconde) Ce t t e c o hd i t io n n ' e s t p a s p r é p o n d é ran t e
  • 27.
    E n généra l , que l l e que soi t la c:> t�orie d e la route, -- pour l e s rayons supérieurs à 5 . 000 rn , prendre L "" 7 . 75 / R (LlR .. 2 . 50 m) - pour l e s r·ayons compris entre ! . 500 m e t 5 . 000 llJ, p rendre i ! . 500 m , prendre sn i t a condi- t ion optique L 24 R. 6R pour l e s faibles devers , soi t la condi tion de gauchissement pour l es fort s devers . _,-.;;:�. , _;-.; Conditiori' op tique Jf:.�: 'fous envi_ronnements­ CONDITION DE GAUCHISSEMENT :·-..�:· ---.�---.----�----- -�----- !':3 liR,1 m R L .. 9 f-----r----r---+-,--�---r---+---t----r----l d % 2 voies 2x2 v . d % � voies 2x2 v . .d % 2 voies 2x2 v . R tiR E l E 2 - w -� - - -�---- .. .. ·- --·------ !-- ' .. 7 % ( 6 7m) ... --- f-- 1 J l. rn 'i % (52m) LONGUEURS M I N I MALES DE RACCORDE��T E:-iTRE UNE DRO ITE ET !JN CERCLE CATEGOR I E S 1 E T 2 - Po,J r u ;, rayon R comp r i s e n t r e R i e t Rj , i n t e rp o l e r 1 i n é a i t u r u · n c c b au s s é e de 1 0 , 5 rn ( c o nd i t i on d e ga u c h i s oc ,- r,e n t ) , p r-endre l a i cr:<î gu �- u r mo y e n n e en t r e 2 vo i e s e t 2 x 2 vo i e s
  • 28.
    i - "tous e;".vt ;��l: �•.:ctlt: ·! ;. s R�y�r� ..�-·---�==-- � -- ---- ----- • [i . - ___ ·...,..,. ,- . �--·· - . .. .. · · - - -�- - - �· �-i.-�---�-�'-;t:���..--�-L----+�·-·......�- - ---- -------· ---�--� l_ __ _ . . ._; . ... _/l . • ' • .-""" " f .......... .-..·:______ .._,.;.. ,.. . . .... . --·- - - - - -· +--· ·- - ···----.,I.e;;......- - ---�r-•--··- ..... · ·- · · . - � · - --·"':"" -- � - - � - - - - -,.- --- ·::atégt�ri � ·-{1l --1 - ,::. 'J i i ------ - _..,.,L_____ _ _ - ' . -- �---- ·-· ·- �-&---�-- --, �---�--:;-� . . · ' - -� ·"':-:;-;;;;-t;.,:---· ·----,,.._.._....�L+--·--t-J•..4...lh..Lj..,__--i,__--� T ?5o_- _---- ��� � ;�-�L�c_:•n_ . _l_�:� - � _ .. _;_._,-t_ •.'.ll . 1 -· �;y . r·,-b)m ) -·- --------+---��-L --�-...--+---·+---+-_...--!�-� ' ' (3:.-��-r--... - �__i.��-�-· �l� -- - 1 9oo lt 1 s i m ; · � : .lm 1 ,;. . ::, �;;;·�r: 2 ooo---.-ir� <sir , :: ; 1 9,., ._ � ---;·..; �7 - -· ��;�-rr.:,-;;: --"' ·.--·----"'k--- __.;...._�...------'-::;..._ -----""- -·•··- :! Soo · (183m: l�259ml :�--lrr.-l-(-J%>;�:-��--�_ ______ ___ _J_ _ ___________ ____ ..J___ _ ___t>-- - ···-- . - - - - --- ••- . ! .,..,.;.i.-. : ..
  • 29.
    ORO�M�l­ flt AYON R --:-t--+----r---·· --� . .. ..�,;'·�����·-·---+�·--- ..- ---- ·--·-�--- 1 ' l i .. .·+t-----.,.-1 --- ·· · - � - --·-------- ---...- - -· - - - -­ ----- - · ·----- ..
  • 30.
    CONDITIONS 0! GAUCHliSEt«N'f lONGUIURDE RACCORD!MENT DROITE ...CERCLE DEVERS d % 1 )
  • 31.
    4 . 5 ' (s)bi ' 6 ' 7 8 ·' '" " . ·- .• . ,_ ,_ 75 70 . 65 60 55 50 45 40 35 30 2 5 Le s v i te s s e s a t t e i n t e s a u x po ints c arac té ri s t iques d e l a ram_p e p e u v e n t être éva l uê e s se lon l e proc e s sus su ivant :
  • 32.
    ; ' '.:.t ;J �· ;> ;; 1 <" •;'Ui ;;;f:' r: "U cs.! e u r un>?. rampe de 3 Z � t t e vi te-s$e lW>r'ali't � :�· .obt..;;m..l{: a 9; [� Ô <'- 1 ' o::-i� he . - '-'� vi ::<!.;; s e V2 · · ·; o-: >2:::1,: ê,; ;.: i•·a l;;r.te à ce l l e qd au r a i t é t ê a t teinte J>p:rè.;, u re. piH'<:é''-' � � ._;; ,, L "' 1DO + 2 50 l l 50m sur une :rar;;p e c on t i nu.z d8 3 .� , � c i � cl ( a? r�·� l e tab l ea u : La vitetY<s-<e Vc e 5l t donc équiv.dente il cel le ;:>u r;> � <: :: � :� !. : t � i rtt<! l!lprês un p.arc®r:il de L .. :lSO + 200 "' 55-0 m sur une re1111;: · : , � i ;n�-e de 6 % , •w i t d' après le tableau Vc (6% , 55-0m) "' 40 Wh. 3 . 3 . HO!i!(.lgênê i tê de 1 ' i ti néra i re tes chang�men:t s d e cara�téristiques se fait� e n d"'il po int s PERCEP'!I8LE:S pa r 1 ' u sa g e r ; t rave rsée de vi l l e mocHfic.a't ion sens:i:b l.e du r el i d " Sur un itinérai-re d e ca tégorie donnée , les c hangement:a s e f o n t implic� ment p<� :r le p-a·s sage d ' u n env--i.rmmemeo;t à 1,m vo i s i n , 'roau t e fo i s , s i une c l a s s e d 1 envi rcrn-nement: fa i t dêfauz� i l e n.t d'e p re'l.'tQ Ü:: �me uc ti on d e tr.ans i tioo ( l �5 à 2 , 5 Km) é:t:;,û'!lol;.:i.e ave.c l e-a � pro p r e s à c et t e cl a s s e d ' enviro.nnemenr. . t----......,E'"-'-�-·�o'Ç.�".."""""'?�i>lj-"�6����'-"'- --­ :z: one s de c arac t É &is tiqttes E peu d i ff � rentes E ] 11---�------- ------- ---· ______.,..,. .. Sec tion de o:rans i tian Exer.rp �e : L e pa s s a g e d e s no nne s re l a t i ve s à E 1 à c e l l e s rdative s à E 3 s ' e f f e c t u e p a r l ' i n t e rmé d i a ire d ' u ne s e c t i o n d i me.nsio m�ê 2 avE'c l e s no nne s re l a t i v e s à E 2 .
  • 33.
    > Le bu td e c o oo d i rl;i t i on p i o. r1 - p r0 f i l e n l o ng e s t d o ub l. :,; - ar.rs.u t· e é l a s é cu r i t é d e l ' u oa g e r p a r u n e v ue s a t i s f a i s a n t e d e l .s rc t:J t e , � L�:H; cD nd.i t i o<lil s de v i s i b i l i t é !"!l i n i ma l e é t a n c re s p e c t � cc s c:; a r a. i l l � '.t r: s 4lll � �tll:ft d e �.i s t i n.gue r c l airOMDS;Iit l es pv i n :: s g j :l ;_, d i c· r ::; t cl •• �a.i r 1 1 évo lu t i o n d u t r-a c é ( soud de s.éc u r i t a ) - adap-t e r l e t ra c é ci •: l ' � n f - a s c ruc t u re d.acts î. ' e o ) : :.:· ;, ; , ,� . • . . . �ia a.a c u re l , p ar souc i è ' e $ t hk r ique �a<:eg r ·o é i co : . ; 0_ ,, ,� . r ,; cr �.w (dirnüw tion ck: s t e rrassooen ts ) ' D!$POS I! IONS DECON S E I LLE S n d l e A 2 b o rd s s t r i c t i on
  • 34.
    oe i 1 Pertede troo� : La p e r t e de t r ac i e s t une so l u t i o n de continuitl dans l a z o n e vue p a r l ' a u t omob i l i st e . E l l e décou ·, e d ' u n e oauva i se supe rpo s i t ion des z o ne s de v i s i b i l i té long i t ud i n a l e ( fonc t i on du rayo� conve x e d e p ro f i l en l ong ) e � d e � i s i b i l i t � e n p l a • ( � �c t · � � � � ob s t a c l e s ex t � r i e u r s n l a o l a t e­ forro� , c omme l e s talu s ) Lorsque l e s zone s ma squées e n p lan e t en prof il en long sont d i s t inc tes i l y a p e r t e de tracé . Le proj e t eur recherchera donc la supe rpos i t ion partiel le de ce� zones si elle n' entrdne ' pas de supp lément de coût notab le , Dans le ca·i' contraire il réduira les inconvénient s de la perte d e tracé en respectant les deux principes suivants : ' · ' ! Vit e s s'e VVL t2t' Dis tance de foca- l i s a t ion (ou a cco- 800m moda t ion) L D i s tance d ' arrêt 235m da ( i ) Notion de distan.!a 100 80 60 40 600m 400m 300m 200m ,.,....,......�. ·r;;;:;... , .. 1 60m i1 0m 70m 40m ho --.... 1 1 :t L IDEAL l ! < L � ACCEP­ :1,1 ... . ... s .,J ... " - c= N - 0 .... + .., ... Ill � Zone vue l l Zone cachée -----------------------� � s t ance' Longueur de la perte de t racé · vue (i i) ·> Not;icn âs teyt'a 0 1 (point lilld te) � ... ... s . ... g 0 . .. t... N � ""' ce zone de rêap pari t:ion :·-p�.·:t � TABLE ., D · · ..·�··.·· 1!; 1 , 5 1 3 !1 . ACCEPTABLE t > 3,,;o& . A RE­ J'ETEl
  • 35.
    lol r of i t *l ')P. 'l:. r a v e r • k • d c: NiveAu de Servi ce lij d6bit de po inte be­ rai n n o r­ IUle 1 / n 1 2 . 8 r::::-:: . . d '..-!tl!ruunat1 0n JNomb re de vo i e s 1 fL. ._ _ _ �- sect i on co u r an t e· · 1 �::.��-� :�r ouv r a ge j ; �' : : � �. -� s o �.1 s ü d V .:l J!:0 j 1 4 . 3 f 4 . 4 1 :. . 5 •., Î....----------------------.J , f. ..
  • 36.
    4 . PROFILSEN TRAVERS 4 . L Défini tions d€.b lai S urface d�1 te:-rr-ai:n rrature1 a:!f�ti.ée 2i }a lXi:ll't«: e;t à s.e s dê:p.enctance s de dl2.se.J·;;: et:ç . . . ) S.urface de la route cotllp1:· enant C:hauss.êe (s) • terre-p 1 e i ns • a.c co t ements . E ll e ne comp.I::.end pas �s de transi tion au•-.d.el à de 1 ' ac wtemerrt: . Au sens g.éomé tr iq-ue du teTme , ne co::nprand pas l es bande s de gu i dage . j_ l a ctaus sée pe rme t l e passage simultané de (n) véh ir:u1 e s da ns un même p ro.f i l en t ra ve r s . Acco temen t S ' é t;:n-d d e l a l im i t e géomé t r ique de cha u :; s ée à la l i mi t e d e p l a t e - f o me . I l c omp r e n d : - u n e su r L a rg e u r d e chaus sée (h;.; nde de guidage ) (- u n e bande s � a b i l i s é e éve n t� e l l e - '.P o t: i:J e c ri>' c r ga z o r m é e B a n d e d ' a r r ê t 4 .l vo i es,
  • 37.
    I l c�� mp r e nd : - l e s s u r l a r geu r s de c h au s s é e ( ba nd e d e gui dage) - u n e par t i e c e n t ra l e, e n ga :onr-. é e , s t a b i l i sé e o u. revêtue . 4 . 2 . Cho i x du ..!tombre de voi e s Eva luation'. da la. dem.rn.de d ta lO�me année d 'ea::p Zoi ta tion:;;,lf.m· , , L ' éva l uat ion du t ra f i c f u tur e n vé h i cu l e s pa r jour so i t Tl'UA , e s t en g 0 n C· r ;J l obtenue à la su ite d ' é t ud e s p rospec t ive s e t d ' enquê tes ef fec t u é e s sur l ' i t i ­ néraire . ou par simp le e x t rapo l a t ion du t rafic ac tu� L La demande à l 'année ho r i zon e s t exvr imée en u . v . p . , à p a rt i r fu tur TillA en véhicu l e s / j our , 1 l ' a i d e deJ�. fo,x;nu.,���Jiuivant;: avec Z pourcentage de ph i d s l o u r d s p co e f f i c i e n t d ' � q u i v a l e nc e pou r l e s p o i d s lo�rds . Env i ronneme n t E l E 2 E 3 -��- Rou t e s à bonne s ca r a c tér i s t i que s 2 - 3 4 ,_ 6 a - --· Rou t •è s é t ro i à v i s i b i l 3 - 6 Î - ! 2 1 6 -· o u rédu i t e •" ··"' 2 4 L e d é b i t d e p o i !f t e ho ra i re no rr;a l e � ( u . v . p . ) s ' en d�du i t p a r a ; :' l: i c.J t t u n de l a fo r::-.u l e Q _!_ T n l est un paramè tre fond an� :t ta l ( c f . 2 . 8 . 2 . ) pris n . géné ra l e
  • 38.
    l 1! '.:ation de Z Ledébi t ho ra i re admi s s ible (d) e s t fonc tion de l a c a p a c i t é théo r (c) d e l ' infras t ruc ture e t du niveau de service v is é . I l s ' ob t i e n t p a r app l icat ion de l a formu le �: (c) 1 avec (k) , paramè tre fondamen tal (cf . 2.8 . 1 ) fonc tion de 1 ' envi ronnement et d e la l argeur initiale de chaussée (c) , capac i té effec tive du profi l en t rave rs en rég ime s tabl e ( e n u . v . p . /h) - rou te s à d'lux) vo i e s d e 3 , 50 rn (! (è'f 1 500 à 2000 uvp /h - rou t e s à t ro i s vo ies de 3 , 50 m (c) 2400 à 3200 uvp /h ·- rou t e s à chau s s é e s séparées (Co) .. 1 500 à 1 800 uvp /h En moyenne , 1 <: coe f f icient (k) déterminé économiquemen t var i e s e lon l e pro f i l ini t ia l e t l ' environnement , de 0 , 7 5 (E . ! ) à 0� 90/0� 95 (E . J ) . L e proj e teur pourra donc adopter pour (d) les valeur s €noncê e s c i - a p rè s s u r l e s b a s a s de 30 % de poids lourds en env i ronnement fac i le , ( p '' 2 à 3) e t moyen (p ,;-z;-a l)) --·�·-·�·-�"�··-�·-·�-.--�· ( i ) ( i l ) O n c o mp a r e Q â d = k ( c ) e t o n adop t e l e p ro f i l auque l l a 1 e u r d e ( d ) l a p l u s p ro c h e d e Q r r e spond L e J é b i t a dm i s s i b l e f ê.i' . v • " e s t do = k (Co ) - L e nomb r e d e vo i e s à re t e n � r , pou r chaque c hau s s é e , e s t l e nomb r e e n t i e r l e p l u s p z·o c h e du r a p po r t sQ d., s e s t l e c o e f f i c i e n t d e d i S S }Tié t r i e ( e n g é né ra l s :.. e s d é b i t s mo y •' n s j ourna l i e r s a d ::o i s s i ":J l e s d e s c h au s s é e s s o n t c om p r i s dans l e s f o u r � h e t t e s s u i v a n t e s :
  • 39.
    _ lfnâ•• diU.11si.•s ( p : 3 en El; p = 6 •n E2) · - ' - · · : · . . . . Daa1 dei"" CODdidoat nonaalu de ureulat 1on sur une route à deux voie1 de cDactfrbtiquet gfomi tr iques exce l lentes , on peut . �··"' a411ettre 1 ·"'" - route l chausale ae. 6 • - route l chaus.ie cie 7 • 1 . 200 à 1 . 400 u .v . p . /h 1 . 500 u .v . p . /h . . .._,,. Jopalie�_admissible se déduit aisimen t de ces 1 ; . �- � . . '"" route l cbau..h de 6 m : 1 0 . 000 u.v.p . /j environ mais s i l e pource..tage cie poidt lourds e s t important , une route à chaussée de 6 a ne peut itre retenue . • route l cbausaie de 7 m : 1 2 . 500 u . v . p � / j , so i t 5 . 000 -véhicules / , . · . . · .. . jour (12) ;& 8 . 000 vlhicule s / j our (E l ) - --� -�t�;���l�f��:��-,-::�..--� . t : · ·•. -·�A:''titre tndicatif • en 1 ' absence de dégagements l a téraux , l e déb i t ldmiuib;le d ' une ehausde d e 7 m es t rédu i t à 1 . 1 2 5 u . v . p . /h IOit l Ùa t1:afic moyen journal ier de 9 . 000. u . v . p . / j corr e s pondant , _ , _,,. · a 4 �'ooo vlhic:ules/jour (E2) à 5 . 000 véh i cu l e s / j our (E l ) RDutes d trDis voies (p = 2, 5 e n El; p = 5 en E2) Dans des cond i t ions norma l e s d e c ircul a t i on s u r u n e rou t e à t r o i s voiet de carac tlr i sJ i que s géom é t r i que s exc e l l en t e s , o n peu t adme t t r e chaussée · d e 9 m 1 . 9 5 0 u . v . p . /h l chau s sée de 1 0 , 5 m 2 . 4 00 u . v . p . / h t�afic moyen journaU�r -admi s s i b l e s e dédu i t a i s éme n t d e - .. , ,: � ces valeurs : ains i , pour une. r ou t e à c h au s s é e d e 1 0 , 5 m , T · . - - ·· · fgale environ 20 . 000 u .v . p . /j c o r r l! s pond a n t à 9 . 000 véhicu l t: s / j ou r (E2) e t 1 4 . 000 vihicules /j ou r (E l ) .#"' 4 . 4 .
  • 40.
    -�}:r.-;�;::{t­ / ' ' �·. At i tre ind ica t i f , en l ' abs ence de dégagement s l a t é r aux , l e déb i t admi s s ib l e d ' une chau s s é e d e 1 0 , 5 m e s t rédui t à 1 . 800 u . v . p . / h s o i t à un traf ic moyen j ournal ier d e 1 5 . 000 u .v.p. /j corres pondant à 7 . 000 véhicules/jour (E2) e t 1 0 . 000 véhicules/jour (E l ) 4 . 2 . 3 . 3 . Routes d quatre voies et p7,�s {p = 2 e n El; l' = 4 e n E2) ,...;;.. Dans des cond i t ions normales de c irculat ion sur une route l quatre vo ies de carac téri s t ique s géomé triques excel lente s , on peut adme t­ tre , pour l e s d eux s ens de circulat ion ave c s • 2/3 - rou te à chau s s ée d e 1 2 m 3 . 3 7 5 u .v . p . /h � r ou t e l c h a u s s ée d e 1 4 m 3 . 8 2 5 u . v . p . /h Le traf i c moyen j ournal ier , pour la route à chaus sée de 1 4 m , peut ains i ê tre estimé à p r è s d e 32 . 000 u .v.p . /j c e qui corre s ­ pond à 1 6 . 000 véhiêule s / j our (E2) e t 24 . 000 véhicules/jQur (E l ) 4 . 2 . 3 . 4 . Caractéristiques Bonne s caractéris- 1excellente s (véh/j )' tiques sans accote- ment (véh . / i ) ? · R�capitu�atif (n = 0, 1 2 - z = 30 %} Rou t e s à chau s s ée q (uvp/j ) ' E l E2 E l E2 6 m ! 0 . 000 - - - - 1 7 m 1 2 . 5 00 5 . 000 v/j 8 . 0 00 v/j 4 . 000 v / j 6 . 000 v/ jj 9 ro ! 6 . 0 00 7 . 5 00 v / j l i . OOO v/j 5 . 000 v/j 7 . 5 00 v/ j l 0 , 5 rn 2 0 . 000 9 . 000 v./j 1 4 . 000 v/j 7 . 000 v/j 1 0 . 000 v/j 1 4 m 3 2 . 000 1 6 . 000 v/j 24 . 000 v/j - - -·-- 4 . 5 .
  • 41.
    VcOie !nf't'.'lllt-r .r�. s_· "' n..�-e _!_ _ . · -· ·· - LARGEUR DE PLATE-FORME AVEC CHAUSSEE DE upplémen P IETONS r ....,.s . e r ., , :.:cota..• ... ;...·---·r ou c:yc la- aire véh dans pla-1 1 t y p è i:. �: ! 6 m ble lents te-forme �1 �ct: ·P dè; '-' . ·1;: 1 l i ! 1 7 m I l , 50 1 2 , 50 NON 2 OUI l o . s m 1 4 m 2x 2 v PC : 6t1 ! 6 , 5Q 20 , 50 2 6 , 50 OUI . NON ��----�-----,------�-------r---3-----T---��-4__,oo_·_·-rl--s-,oo--4-���� NON ou r - ,..:,_:..·-,{-.. ·. OUI 9 , 30* 11,0511 4 ,05* NON 5 OUI laur! l 7 ' - . . ;."
  • 42.
    ' .. RG F " 0 DEC: D l .ATF _ C'JRM ;- c EN c cr-TIO"' rou F' ' " "TE ClfiiACTFRtSTIQUlS lJ E l 'llCCOTCI1!N T _ Svri.lr:;#vr 1Ù c/J;;wsù _ Pnrü � b..ntl� tl:.rrU O.J()m. s"":�o�«rrx.t;o/.JIJ. _ Pt:flÜ ·d4 l>..nrl� cyc/J•Ü ""• _ Sl.lrdà.>/wn ck /.;�;;1•/MJ o TOm (1/ L.upur b.st.d� cl�;! "" Cj'<'{JbÜ u� c�nÛ'NHJ �-- p;:.su· p<olons f.w.i.nlu"'). /.IJ�r. /Hri'N l� �co{t•nunl � .J�N �.,.{«iùitur .;c:olttr>onl 1� � riA-rit ..., g-cu�.U urgeur c�IJ L;t"JPIH pis!, p<41MJ (mû>ùrrvm) L� w- � .xcolomc;d �� t.-lailn.t<Jr 3«clement l� .ul'kl• tl.��t ou cycubü W�ut' C<l4< rf!JV l.J�r pis Ù p<ifOIU ',.,.,,mvm} L�r b.,-,. i�r �dof�mmt 1'wiiiœ �J-il�e..,r ;;uol<nanf l.1�1f'Vr Cll'lt�f.*U [.;'Y"'r puup<t't�»�J/.-v><mvm} Ù"J"<'r lmm4 L;�r. ;;uo�t fb.Jda>n.9/�'rP i><>rfl�!vùur .Jccofrmenf Uryt<Jftmn<�r>�lt dtpi.>/t· forme 4 ro< n :t S il rCN V YPI'[ Yll(H tA Xlii. !Pf 1 8/l tCHV 1PI'J xa·c/1 XA XGL tpf 0.7S 2.15 /1.$0 1.00 . o.u 2.75 11.5a rBll 1 1.15 1CI'fll 1PI'! rs'ut l IH5 v; lOO 1GL rPF YBP UliV t !PJ 1.&.50 Z.$0 XBft11 0.7$ Xli · J.lS XGL ){I'F 1 2 0 j() i.JryNr IJ'/.n� dt p/�·icrm� Jx ? VO< �$ Yf'f 1 2 5 $0 Numiro dv sch�m.; d'.lccof.tm,nf /IVEC JJifttiJt: ::i'ARRi T OU BRNO!: CYC:..IJ&E {j.75 vs 0. 75 11.50 2.00 i). /(j 1.7$ 1!. 75 17.50 J.lJ 0. 73 lOO b.75 16.$0 2.50 0 75 .1.26 0. 7J 2(150 26 50 ?S� J. s.;l IJ.W 11!0 /. 5/) J.Sii 1h.OO 1.25 /.60 J.75 1"--N! ]JJO o.SO 1.!>0 ôJJO l.f){l 15.00 . 2. ?5 0 5!) L SIJ 4 25 1. 00 {•) XPF d011r" I.A � - 11ry•ur dt! ;:;/;(,. ("'� .11Ft!C l'O.(·• .Jvppût'�n lBaf (l) � p.:..Û• P'llMfs ..Ost � � lurYÏflrH �� t>Jf �rn.,v·rte i U eiwu� g�c !t .scMN �6 (t) l'li p-A If,., �.,. ( �i '"'· ...o XC.L = O.JC w. c�t XPF : 8.00m . .}ANS 'BRI'fOC D'fi�RRCT ·au · C YCLIIBLt: VliiE POIDS !. 01/li'/JS AVEC VOIE POIOS.LOllli'[)S 0.75 FOL)(} IIJ.ffO fJ. td 1 50 1.$0 1 1.10 1 1.7/) 1 IJ.1J 1 1.00{<) 2.001<! 1 1.15 us 1}. 15 1 0.75 1. $/J IJ.75 1.75 /.OS :r.oo - 0.7> ï.O.f 0. 75 (J.:/1} f.iiO lOO 0. 70 I.!UJ t.$0 1.00 11.00 1 11.00 1 11.50 1 11.50 1 11.50 �M 72!!.(•) �r·JI ��-) O.H 1 a!is13J - (}.2/) a ra ! 50 1. 50 150 - 1.50 !.SD 1.70 1 1.70 1 0.73 - 0.7$ o.rs � - 2{)() 2.00 2.2$ Z.25 1 1.15 1.05 1.05 2.00 2.50 0.7S 0.7J 2.00 0. 75 - ].08. . �;oi•! �bi ·:E.:zl"J - 1 - /J.20 0.70 I.UJ 1 1.50 0. 75 WS uo 1 l.50 0.75 - 1 20<7 �.o�:�: 1n.ooMI �"' (•} · . (ol 14.0 5 15:00 ' � 1 .5 1 7 IJ) YtffV �ut ilre !..N'le �.Url.i' ii11J..UMmÙ .J 8"o tXJ ui'U" 6-d� d4;�r.3.541'a 4 4 o/(11 r•J XIJ ,>•vi lire 11 · .,t " ux;,, - !fPF; IO. OO m. (.$} C.ll rPf"ll : :'� :"t�,. 1..a .cin:u{�cLOn dt. p,g'{o;,s ll"'!M': ch.._u.J.u'cs .l .l:t2 vaû:..s 1 5 .SC'HUMJ 1JACt:Orf:NE!fT " ".., . L m ·�XCl l: ��lrr�vl upj ··r, �. .. . ......, • , , TYPS"S. Ilv�c. !u..p;_. cr""'"" .., • -or.. <y""""IA /JI!I:K t>ll �git&.J•ffl /Uv•� J�q ,r_,-.u ,;., �.� �ù llv•.r pü/11 p.�.'flfbNts R,..< 6.>.-.d. <J:.mli ou DJM<Ù cy;:i.;,i,ü J)V(Jt, pi.&Ù pJ,l�nt"d flv•c _Jlü:t,;-,.., .14 -6'#(urd4' JJ� <UJ �n.J VOl <� p,.,;O/, (c<ml IJVfltC ou t.;ms fos.i#r.. I=NtC D41 JJIU J"'...ol , .w.. l=r.i P vu pùtfl p,·lt<mJ ..l'.AI1'- vou' ;:cidJ louui Prl!c pùt4 pùitom IJvec 9ÙSsL.i'�d� se(<uN.'t�' dérrr.�·...- })y« CV J,.JIH i>"'O''I! po,·dJ la<.;rd !Jvu pWt# pùftans Av u � gl.t -JJ.s; �r.: do? s/cu�"l·t:/
  • 43.
    .Amtes t:ronsver>sates des�74msnta constitutifs du profi l _ en tJ-avel"6 !nt,rieur de• courbes Extérieu�. du courbes le nœ ; . d 2 tS l 3 % eil.rob� d 4 % ehauasée non revêtue Deve rs extérieur inférieur à cl*' ! +d% s d ' +d% :: d" cuphieu'f l d ' % Deve n extédaur supé rieur à d " % • ave c bande a' arrit (surface trai tée _ ) d . d ' d " avec bande cycl ab l e '-----·---'-·- ..- -. - ······--- .. . - · · - ---· . � ;. � . . à l a c h a u s s e e t ··' - 8 ;� . ...��- . ' '
  • 44.
    4. 3 .3 . (i) . · :. .. . • ·. ·,.;.�, . _____ :__ �--- Î :-f:' ·c·.•· · Tel'l"6 · pte.-t.,, Cat'� h-a. i Là:zegeu:t' � vitesse de riférence · VVL (Km/h) ! i 1 20 . 80 - 1 00 60 --- ----- -- - -- · · Sans séparateur Avec séparateur Min , Min . Min . -Min . abso l u . no mal ab s o lu norma l 6m 6m 6m 6m l - 3m 6m 3m 6m ! 3m · 6m ! , Sm 1 }Cl1 .--L__,.. ___ _! La di s tance minima l e du berd a e �e . es t ia suivante : :;,.; . :1;;.t?��'>""_,.;,,�;c-'ê- TPC � 3 Am d min • 1 m TPC • 1 , 5 m d min • 0 , 3 5 m . . __.;..· Pentes transvepsaZes • TPC d e 3 m (ou p • u � ; r 2 è m� c h � us s � e .. _ ft lii'MI"'I: t---- ·-�--- j
  • 45.
    'f Vltesse de Sansséparateur dférence · (Km/h) Min . Min . VVL abso l u . no rmal 1 J 20 f.ID 6m -so - l OO 31!.1 6m 60 3m 6m ·- ----�- La di s tanc e minima l e du be rd d e re es t ia suivante : TPC .,. 1 , 5 ID d min .. l m d min .. 0 . 35 c ID revê tu) • TPC d e 3 m (ou p > ü 6 ) t'i l d ' e a u 'l' p �_ _jo___ ·- - -"'� ·--- - - - · -- - l Avec séparateur Min . Min . abs o lu not'tlla l 6m 6m 1 3m 6m ! __j1 . Sm i 3m l
  • 46.
    4 . ;;. 4 . (i) 1 ' ! • 1�-..__.__1 '=---• : -. ·.> : ·. :-:-:. ·�· ::::::-:-�=::;:;:;:;;;;=:::::i - :�--����··· _:,�·;:�:2�:-._.._:�;:·,·:�-:� � ;; � ,, t- 'L. i_nit� -�, .1:i; . C r i g î. n e J xo. "' min . ! ���i).�L;.�ntl:.,{.'"" V-:i .. vi t e s s e de dé c ro chement (V"FL ! .J VPL • vi t e s s e de ré fé rence de s PL ,:��;:���).:.���fi:��>. • • ProfiL e�z trov�; rs avec voie su:pp 'l éme n taire pour véhi..:ndéis Lents UilY'geur 3 m) 1 1 . . Vo u de d ro l t e ( 3 , 5 Ill) B . G . b ande de gu i dage -
  • 47.
    -'. . .�·, .-.<_; · ·. i ··> 20 2 5 30 35 4 0 d�crochement 25 30 3.5 40 45 50 R. (m) S S;J l (œ! 3 : <; t · - " ( 5 8 , 3 ) l . im. t tl! ' 1 '' 0 L . paral.l . (m) 1 00 1 30 1 70 2 4 0 L.biseau (m) 40 50 70 8C: L. fin (t:!) 1 1.0 1 80 " " a vièe" e�t eJtpHt i t é e a u t::hap i t r e " C a rref o u r s " La section 1 qua t rè vo i e s do i t ré gne r dan$ la z o n e o ù l a v i s i l � t ê de dfpassement n 1 e s t pas as surée dans les deux sen s , pour la c h & u s ­ de l-2 ou ' 3 vo ies . Le dédoublement doit ê tre ma téria l i s é p a r u n .,.����_,;�:·�P.�:,.�·:C· d ' au. mo<ins l mè t re . !!'!' ·.-c , 'c-�.o• •,>;-.,""-'-�'·' ..
  • 48.
    t rab --� -�-�· ....: --�·;-. . ' - -·- ' l 34 . 6 L . ini t . l OO 1 30 L . rabat t . 1 7 5 2 2 5 • • Rou te à 3 voies en -- - - -- -�
  • 49.
    4 , 4, Profi l s e n trave rs s u r ouvrage d ' a rt Le profil sur ouvrage peu t être plus hroit • 1-a largeur de l a chau s sée e s t conservfe ou augmentée de • lu bande s d 9 a rrêt sont soi t conse rvfe . :, l leur iu&ê�i pente tptnsve uale ana logue l c e l l e de ta chauuh) soit ' • le J'tts � e ._cle_s_ ac�(l tements (be rme ; p i s te . , . ) est tabl ier ltrlctimeti"t"1lêeSï4irè'l p'our ·�·······,b1·1ic'j!t". ·'·1· �••·:*'atndji�l'fi�l�ift aarde-corp s e t pour a s sure r le pa s s age des p i f tons . / ou l a OUI gl i s s U re Barrière 2 a 0 u 1 Bo rdure 3 a -� NON Gliss ière '• a LU 1.R ' 80 Bo rdure 6 a LU LR l l OO N 0 N LU LR s ,rom � 80 LU 7 , Glissière 7 a LR l 1 00 LU
  • 50.
    4. 4. 3. 1 (km/h) gauche è Largeur roulable Pié tons sur bande d'arfêt IO,OOm 10, 2Sm 10, 2Sm 10,-7Sm . ' : '�- . , .. 10, SOm 1 1 .,0om 1 0 ,'7Sm t 1 , 25m -' • , Vi.:ie aentt'cû �r: t:•e les tabliers Pihon• hon bande tf'anêt I l , 25m - 1 1 , 25m 1 1 , SOm· �"-' 1 : ;... ll f 7�m l 2 ,00m .. . ·,:, . :;,,,, . ' : · · · .. 1 . 11 , 7Sm 1 2 ,ô0m La largeu r ci.; v ide c en t ra l e n t re l e s deux tabl iers pouvant ê tre économique_m�n t r.: '1uve r te o a r un p la t e l age l .i ge r e s t de .l ' ordre de 2 m e t ne saurait dépa s s e r 3 ;n , T . P . C . Equipement Ga rde-corp s V-ide à gauche c en t ra l t , Sm Sép a ra teur / Pas de vide obligatoirE - Avec ou sans Non côuvert 3 ID gl issfère O.Ul non oouvêt:t Barrière Non non couvert T/ Non no n couvert i 6m �ompar�i;�n 1Oui eco nomtque > 6m �� � non -cou�t>t't �
  • 51.
    4 . 5. Profi l s e n trave rs sous ouvrage d ' art Dispositicms gl11�1'ates Si la rou te qui p�ue aoua t • ouvrage • du bandea d 'ardt en aection couran!J• el lea sont "'l:ititttenues sous ouvrage . uns dduc:�jon 4t la,r_J,t,at i 4 .s . 2 . Bande d'ardt OU I NON ro t ­ t:oirs ment type l b OUI Jb
  • 52.
    4 . 5. J . S i u n appui e s t cons t ru i t su r l e terre-pl�in centra l , la d i s tanc e minima l e entre l e !:tl de l a p i l e e t le bord d� chaus sée l e plus p roch� e s t : . ( i ) ( i i ) 2 , 2 5 m pour ! . P . C . 1 6 m . La f a c e avant de l a g l i s s i a re s e t �o u v e à , a u mo ins 2 m du bo rd aauc he d e chaua s ée 1 , 2 5 rQ p o u r u n T . P . C . d e Jm . La f ac e ava n t d e l a g l i s s i è re s e t ::::ouve i 1 m d u bord gauc h e d e c ha u s s é e . ('., lJ c. u a p p u 1 n e s e r a c o n s t ru i t s u :r 1,J n T , P . C , d e - 1 , 5 Om , - I t inêra i r e s de t ra f i c i n t e r na t i o na l 4 , 7 5 m - Au t re s i t i nê rai re s ( 1 auf ion) 1 4 , 30 m . A l a const ruc t i o n , p ré vo i r u n e revanche d e 0 , l Om . Pour l e s i t i n� ra i re s de vant s up po r te r d e f réq ue n t s convo i s exc ep t i onne l s ( e t f a i s ant l ' obj e t d ' u ne ins t ruc t ion ;;pec l a l e t ir'an t d ' a i r d e 6 , 00m (+ 0 , ! Om à l a cons truc t ion) s e r a adop t € .
  • 53.
    U' � UIIIIIC Tf�IS71QU{J:OE L 'IJCCOTJ:t1[ N r ;11/EC B•UflJE �' flf?Rl T {)U BRNO[ C'i'CUEli _ Svr!.,;tf'gJ>vl' de c})JW.se'e _ hnte de J..mie d;;,o-U _ f'r-flit de l!..nde cyc(.ufa _ &!re/fviJit..Ori � � �?illoru O. JOrn .5%/�®rtX./1�()04. u r, 0 10 ,-f'l ('1} Ur!i*'w 6..-nde d';m-11 ou cy(.;; oiu :/ 8 11 L.ii� CJiniYfN'M.I :tCN V Lv:/#!W'. .Pi.JÛ, pt41(J.I'Is /œi.nimum) XPP[ L"':!"'" b#rme Y UH I 0 75 l�' xcofl�"""< Xli 1 1.75 � J�re ow Hiértevr .N:colernenl X G L L&r� "''"""&!• <1. pÙ;Ü IÏ>rmê Uf 1 /1. 50 ùrjè'r c.vwrùu X Bil tCNV 1Pf'f a u 1 L.wy6-<Jr p<Sie pidfens (-mmvm) L� '-me � .Kcoé--.i l'aJi:W,n� &artl.tfflt'Ut ;J<Xolemené XÙH 1 0.75 1 rt76tA 2.75 2.;5 XGL r 0 75 L..»r!l"vr C<#tH Ye.;u Uf"J"'Vr fJUÜ ptifonJ ':,.,tllmvm} L��r b...-- l�r :>ccd•mtmf � #iir.&ord�evr .Jccolemenl IPf télA 1CNV 'i. PPT HJf?'l ill JC i tPF _ YBP L�l'g#'ur CJ#11V'NI.i 'f ( !'î V lii'J"'" pu_u!",.'(""''!�"num} 1 PPI urg<•ur berm<� X 8U1 l::>ryevr .>aot.m.nt AA fb.Jdav19/�'rt /xJn1 efircf'�'-' ,.nc:o!e.TI&'·d X6L )(pf L.;uyNr m<n� de ;:ùft. (ornu b ? va<eS � ? f Numero du �chl!'r),J d:.uco-!.ement 11. SIJ 215 0 73 J. OO 77 �0 2.1J 0. 7:J J DO tf. 7j ;. .:.;; ,J. JC !14.00 ?.'15 uo J 75 {•) X Pl" dMn# L3 *-. · f_,ryqtJI" de> ;:J/;fl . (orm.t! ;;vu .-�U s svp;:J..i/l')._,n t.;;uo .O. ;ill !. S/J 4JJ(J i) S/J / !U/ HJO L/JO 151}0 2 75 0 50 1. 5ll 05 7 00 (1) U p4.4ill ��U,.,s • lntp-:3 $ surri[•,.� rt l ?J I dti�?n.vtte .:i lil chauuP� .:>tnc l>! sch.-.-"'"J r6 (t) l'A p.vf JfiY t'?<J.t.A t .i f.m . ..o. XGL ; 0 J[ "' �t XPf :: 8 OOm 1 � � < i V .JAns 'sntiar. r;Annrr au · .S.I:rf.S VtAt PLlt !J.S i OI.It?!JS o m t ..;o [ uo uo 1'! 1 1 a. rs uwî·>ij z oo H! 0.7$ (:1)1 1 !li5 1 ' r..l 1 3.00 " 1 IO.DD 1 IO.!ilJ 1 1 1 ' ' 1J. l;5 ) j j(] i 7.50 1. ! $1J 1.10 I l 1. 7/J Il tl. 7.5 1 0.75 :t.aof<i 2.oo l!.) ns 0: 15 1 (1.75 11.00 l n.oo ruo 1 11.So O H 1 ! 5D 1 1. 50 1. 70 1.70 1 0.7$ JI)() 1 700 . J 75 1 Hl o.75 , a rs U.lf ' ï !;._. IJ.l/J /.If/} il.t!O 11. 70 LW t.SQ l.oo .SCHli'fiiS lJ:WccOii:f1lfif. . . . :ti'?J ' � . �� XSA li �--·��- j___ .· -- 111 _____;. �îL-].1 ,..,.,,L_ �� iN'J � ' -. -� �I•J �t-1 1 4 0 70 11 7/J r. so /.50 - 2.00 250 ]. 08 10.25 p) 1 ·10.7�1·! 0.20 a ro 1.5[1 150 1.00 7. 50 J./XJ tf1'-l_rt:J' . 1 --, & ·� l' ;�"'y/:#$'.$ J<v..., "" ��uiw. /JV« b� <J'-l:f "" " """""' �'-* ' /hr(H ��<!} p(.·é�J. r'ÎY111 G 6J."''d� ddJ-ftlf ""-' OdJn<Ù/ çy.filb/.1 /)-.."tj.t., pis}.; pi.J,/UFH Pvflc .JU'uûlr�s � .r�'curd<i' JJ� Qi../ Un:J �tl po.idt l041,d IJWt: ou &.ilrit _jli..nt.'#f.v .4v.:tc a �,� .J4tH t""CU.If r oùil l(;lU/'d iJ II'ItC pi.3t<l P''ifMJ .fh·�c g!ütt:.l�d,; se'curde" dut"(.ii� pa,ds lo"rd 0 l - � 1 i 12 .00 � • fJvl!<.- âu �ns ....a.� Il - _ _ 7 l 1CL , 16:DO (o) 15 50 M _ lo-J � . 1, , , , �---LXCffY . X/'1'1 1 - ,,_ Ovn: pd fil pùt'tal'l! llvn gtc ·�Jt lirl ��� s /cu•j t9' (J) 'f(rfV p-eul ilre :m� pi!rr{� q"':}J.tonnu� ..} d<y,., ou (,,�� b.,,?<..-i.i da'r.:i.$t/() .i 4 '1o • lA i. {Il) Xil ?lfui ;#te rî .d .J f. 5()m. � JfPF ; lO. OO m (J) CJ'I t' &' r� .,""': ..fil,.. LiJ cut:IJ[J1�an d« pa'�ons .p� �;h�JuJ.f•ft•.J .:i .2x2 v<U<'J �r., ��, L- " __L__.__.__ Â
  • 54.
    C h ap i t r a C i e p a m l t: i o n s d e d é t a i l d u p r o f i l · a n Co L l e c t e e t éva cua c i o n d e s e .?. u.x de ru i s s e l 1 eme. n t i t ions cons t ruct ives des as s i s e s de chaus s � e 5 . 4 - Dispos i t i fs de sécur i té
  • 55.
    5 . 5 .1 . 5 . 1 . 1 . ( i ) C u n e t t e e n g a z on n é e D I S POS I T I ON S DE DETA I L DU PROF I L EN TRAVE RS Co l l e c te e t é va cuat i o n des eaux de (U i s se l l erne n t Disposi tifs latéraux pré�onisés En cMb lai et au niveau du terrm:n nat ure l . cune t t e e n ga z on né e o u revê t ue d e 1 , 5 m à 2 , 5 m d 9 o uve r t ure et de 0 , ! 5 à 0 , 3 0 m de pro fon de , é ve n t ue l leme n r: < d s o c i.é e à un c o l · le c te ur (g�ande s u r s fa i b i e s p e n c e s) 0 p e u t é à 1 / à cô c é a c c o ::: e . f o s s é e n t e rre t ra d i t i onne l ? e n : é à 1 / p r o r é g l i s s i è r e r 8 C a r ac t é r i s e s 1 5 1 ---��---� � -- -�� 1 o--- L ' � �---< 1 p a r une Fo s s é c y p e a u t o r o u t e 3 0 0 . 5 4 6 0 . 7 ï 2 0 . 94 6 '----�--���----�-- - 0 . 2 3 6jFossé c 'Çi. augu l a i re ! 3 0 '---- - ------------- - -+- �-r � ------ --�------�--��-- �-- f-- · -- �------· ··--+-----�--·-- l - ., ' - 1 .. i loss�-rap e z o i d a��� ___ __L��-J-�----�___ ------�5- 0 . 6 1 3 ( î i) ( i ) . bo u r re l e t e n enrobJ· ou ouvrage équi va len t en c r � t e de ta lus , ave c de s ce n t e s d ' ea u e s p a cê e s en p r i G c ip e , de 5 0 mê t r e s . T . P . C . en t o i t : é va c u a t i on d e s e a ux ve r s l e s o uvrages a t§ raux T . P . C . 2. f il d ' e a u : -- 5 5 ·- d r a i. n a g e i u d i n a l e t éva·� c u a t i on de s e a ux a u x p o i n t s b a s du p r o f i l e n l on g . -- > 6 :: é va c u a t i on d e s e a. u x p a r reg a r d e t der:û - t t·ave rs é e tous l e s 200 rn
  • 56.
    ( ii) 5 .1 . J . ( i) i.i ) C o l lecte des eaux de l a chaus sée exté.rie�re. par. can iyeau à fente , bo rdur e caniveau ou . cune t te; évacuation ·p�r d·emi-: :t ra'H' r -� sée tous le s 200 à 300 m Ouvrages extérieu.rs à la pl.ate-fo:rme En déblai caniveau re ctangul airè ou demi�buse en b é t on en crê te de déb l ai a s s o n e s év�ntue l lement - :1i d' S centes · d ' e au dé ·gran-de Dra i nage i nte rne s ous S ' il es t nécess aire , lé drainage in terne est réalisé par des tudinaux enterrés : canali 5 ation en b é ton poreuX (� : l5 cm) (0 : 1 0 cm) à fen t e ou à trou entourée d 1 un mas s i f filtrant . Ces - o uvrag e s s ont implantés p lus bas que l a s ur face d e contact terrain�couche de -forme ( ou de fondat ion) ; le mas s i f f i l trant e s t remonté jusqu ' au niveau de co uche de fondat ion si son ma tériau est perméab le ou dè la co uch e de. b as e , d ans le cas contraire . .5 ' 2 . 2 . Ouvrages latéraux L a fo rme de s t e r r a s s e men t s e n toit e s t réglée , en géné ra l , à 4 o u 5 :Z , L e ' ouvra ges l a té r a ux de d r a inage s o n t cons t i tués en déb l a i , p a r de ux d r a i n s lon g i t ud i na ux i mp l an t é s e n b o r du r e d ' a c c o temen t , T . P . C . rev� t u : Le d r a i n a g e n ' e s t né ces s a i re , s au f : dans les z one s de po in t s b a s de l a fo rme de s t e rras s emen t s S J e p ro f e P. long prés e n t e , de p ar t e t d ' au t r e , des pen t e s impor t an t e s ( 2 e n deve rs , s i l a couche de f ond a t ion ou de fo rme e s t re l a t ivemen t pe n'"­ ab l e , . T . P . C . non revê tu le d r a i nage s e r : à col l e c te r le s eaux s upe r f i c ie l le s . n f i l t ré e s d an s l ' axe de l a p l at e ·-fo roe . 5 .. 2
  • 57.
    v e rs de a ch aus s é e de p lu s g r an d r ayon D 2 , 5 .1-. 0 < 0 �' Pro f i l e n t r' 3..VCLS ''Al (§ . 3 ' l 1 . 5 h < D Prof il. e n t r ave rs t y-p e f·(oeve r s 1 ' ( § 5 . 3 . 2 0 % � D � 1 , 5 % Dép l a ceœn t lil1 é ai re h a u t d e l a fo des t e r r a s s emen t s - t de l a p e n t e terras s eoents de - p 5 . 6
  • 58.
    Très Te r re Pe rmé ab le P l e in Ce n t r a l Re vêtu .r·, u Te rre Très Pe rm&ab le Cent t" a l n o n Pe u Re vê t u Pe P ro f i 1 En a l i gnemer: t E n d e ve r s En a l i gneme n t p pente de l a chau s s êe en A . D d deve�s de l a c h au s s é e
  • 59.
    ( i ) Route il 2 vo i e s ( i i) RéJuteB d chaussée bi di re ':: ::�cYY:C: t Le - Fo rme de s te r r as s e men t s en to it Po �. n t b. aet dan!:: 1 1 a. x e de l a p l a t. e. ·��fcilne Ro ut e à 3 vc i E; s Route s à deux chaussJes T . P . C . e n to i t fonde t ion f i v.:é e comme. s u i t ----r---::- 1 Ro u t e à 4 voies r i f i e r e > e rr.Jn) Ues Fo -r.ule de s t e r r a s s e me n t s e n t o i t Po i n t h a u t d a n s 1 1 d2 l a p l a t e �, fo rn:e Epa i s s e u r E de l a co u c h e de fond a t i on mes u r ée s o us l e b o r d géomé t r i q ue i n t é r i e u r d e s chaus s ée s I . P . C . i f i l d ' e a � - Fo rme d e s t e r r a s s eme n t s s e lon un e l i gne b r i s é e à 2 p o i n t s haut s - Po i n t s h a u t s dé f i n i s p a r é t ude é conom i q ue , t o ut en t enan t comp t e de s con t ra i n t e s d ' é c o u l eoe n t ve rs l e s d r a i ns . T P C e n t c i t 5 . 4
  • 60.
    5 . 3.2 . ( i) r Largeur de T . P . C . 3 m 6 l!i Pen te de chaussée : 2 , 5 % Pen te de 'fe:rras semen t s : 3 % 1 . 5 0 m 3 � 00 4 % 2 ' 5 0 lrJ 3 5 % 3 , 00 ll1 :3 ' 5 0 Ro ute. à d du h aut En p l..ein devers Routes d ahaussée bidirectionne l l..e - Po int haut l e bo rd géo mé t l acé d ans le p ro f i l èn t rave rs exté rieur de l a· chaus sée) ::u ill m 1 6 ;, 5 0 ' 1 r:_d , s o u s ·· S i d < p ( "' p e n t e de t e rras s eme n t s ) c o n s e rve r p p o u r l e s t e r r a s s e me n t s S i p ;; · ". c; r, L e r J p () U r l e s t e r r as s e men t s � u n e p e n t e é g a l e ;..�_îJ de I �J ( couc:t- -<:: p a r rt � � 2 � 2 �� ( i i ) Ro ute s à de:a chaussées :vzièire -::tionne l les T . P . C . à l i gn e d e c rê t e : mêmes d i s po s i t ions q ue ci -des·�·us . T . P C à f i l d ' e a u - Po i n t h a u t dé p l a c é d a n s l e p ro fi_ l e n t r ave rs , s o u s l e b o r d géo- rné t ue e x t é r i e u r d e s c� aus s é e s - S i d < p t .e r r as s e me n t s s i d d e r s p e r, t e d e s t e rras s e me n t s ) co n s e r v e r p p o u r l e s , _,- ' p o u r l e s t e r- r a s s e me n t s u n c ' "" , � é g a l e a u ) l è l e s ) "l'
  • 61.
    I<J 0: !.':1 ..J j a�<1 ?t "' � 8..u é � N - ' ' p.. w .. ·� > IN t -· ::: � w w "' VI V) a:: w Vl � ..J :::>..J w <( ::: :::t:u loJ u ' ,(/?'" �� 0- ] � � � ) 1 1 .._ i .. . ) �� l� <Il .. . :t . . ...)' J �i� :< .. 0!" ,_ 1 t 1 t . »t ,. Il
  • 62.
    - � .î uJ L ! u > (;� � <i l5 l!5 �a:: 8 lfj 3 w .... J ttf 0 5 a:: :::> 0 yl u L<: w L > w 0 <! w .J 0 1u ,:.. 0 z w � w uJ u a <'( 0:: L. 3-c:: :::> u <( tf) 'l� .:( .J !d 0 2: 0 !- :;,:: 1 �.L Ld 1 f�) 1 ;-! t �� �� � � ;,il " ·r1 . ;,._ J :. ., "' ., � . l ,r....... . _, >..J " w " 1;.1 �l 't :;�... () <{ � � S": '•' N ., � ... j: u w a.. "' "' a:: w w _1 Ill. ..1 w x 0 1.,1 c ' r' ;t; (?-! w w (/') (/') :::> 51
  • 63.
    5 . 4.- Di s p os i ti fs de s é c u ri té Le s g l i s s i è re s do ivent ê t re p ré vues ( !. ) Sur le te :rre -p leirz cen t:ra � s 1 l a l a rgeu r e s t i n f é r i e u re à 4 , 5 m s i l a l a r ge u r e s t comp r i s e e n t re 4 , 5 m e t 6 m e t s i l e vo l ume mo y e n de t r a f i c p ré vi s i b l e 5 ans a p r è s l ' o uve r t ure e s t s up é r i e u r â 4 . 0 0 0 véh i cu l e s / j o ur p a r vo i e élément�i re de ch aus s é e . - • d ans l e s co u rb e s à l ' extérieur de l a ch aus s ée d e p e t i t ray on l o rs q ue ce l u i - c i e s t inférieur à RHN , ray on min ima l no rma l • • au d ro i t e t de p a r t e t d ' aut re des pri rt ique s de s i gna l i s a t ion ( i i ) Sur : 'acco temen t . d ans l e s courb e s à l ' ext é r ieur de l a ch aus s é e de grand rayon l or s q ue c e l ui � c i e s t i n fé r i e u r à RHN , rayon min imal norma l . , s i l a h a u t e u r de remb l a i dé pas s e 4 m s u r p l us d e 3 0 m . e n c a s de d é n i v e l l a t ion i r.:port an t e ( p lus de J O rn) , d e p as s ag e s u r u n e vo i e f e r r é e i mp o r t an t e o u d e f r a n c h i s s eme n t d ' un c o u r s d ' e au p r o f o n d (b a r r i è re s de s é c u r i t é ) . e n c a s d e d é n i v e l l a t i o n b r u t a l e ( s upé r i e u re à l rn ) s u r p l u s d e 3 0 m . . a u d r o i t de s p i l e s d ' o uv r a g e s , d e s p o r t i q u e s de s i gn a l i s a t i on . Dan s t o u s le s c a s , un e g l i s s i è re de s � c u r i té is o l ê e do i t avo i r une l on g ue u r m i n i ma le d e 6 0 m . De ux f i l e s do n t l e s � x t rémi tés vo is i ne s sont d i s t an t e s d e �o i n s de 1 0 0 rn d o i ve n c � t re ré un i e s .
  • 65.
    6 . CARRlFOURS ' 6 .1 . Vi tesse d ' approche a vi de Vo La vitet·ft d ' appt'odu! i vide Vo d;épemd des e�racté r � l> : � · • ;,-y � � " I � ""; .!;;. l ' ' : : ,.. n6�aire au point cons idéd e t peut être plus é l {i .o: .:: ., .' . "' · · . •. r•:. ; . renee . .. -�-..,:.., .. .. ----·- . . . .. ' ' Envi ronnement E' 1 E 2 i ' l 1' ; Cat;te four Sut ., un &'li- Prês. d' un Sur un ali· Si tui : gnellient, Point part . pement l ' Près d ' un Sur un ali• !Point part . anement/ ·- • ! " --- ·-- . . ..j Près p��t'l.t - - . . 1 d ' un pat:t . Cat . 1 - 2 1 20 1 00 1 00 80 so 6� Cat . 3 C a t . 4 Cat . s :1' ':·• . ••.• ....., ., __ _ _j 1�1�:;��;- . �;s.:.·, 1 1 0 90 90 80 8 0 . · ---- - ... ---�----- .- - 1 00 80 80 60 60 f. . _ ..:t: ·��� ' ! i· ........ .,.w . . -' l ! -��·-1 ' i 1 "' . 1 -----r-----�80 60 60 60 60 6 ) J tout arc. de t racé de l ongue ur s upérieure l 400 111 p résent ant RH > 1 4 00 111 e t RV > 1 0 . 000 m ( an g l e s a i l lant) , e s t a s s im i l é gnement . Aux ext rémités d ' un t e l ar c , les véh icul es r ap ides v� + 40 km/h ( l imi tée à 1 20 km/h) Dê fi n i ti ons et pri nci pes gênêraux 6. 2 . 1 . D4fini tions· s imul tanément l un grand a li­ pè üvënt atteindre Chaque i14ment de ro ute s e Tacco rdant à un carre fouT ·cot'.S t i t ue une l r : ' : :Jha de carre four . La rencont re 1 niveau de (p) chaus sées l s ens unique e t de (q) ch aus s é e s l double sens détermine un curefour à n. • p + 2 q directions (vis à vis du eaue four) �- Un courant e s t cons titué p a r l ' ense:b l e de s 4lb icules qu i von t d ' une d i re c ­ t ion d ' ent rée à un e di re c t ion de sor d e . · A l ' approcho� d ' un carre four , les courants is s us d ' une d i re c t i r' n :-;,, n t :- � :: a r t i s sur des aou�oi rs groupar .t un cert ;; : l'! no::lb re de voi.ils , 6 . 1 ;> ------------�-"Î/
  • 66.
    Lu i'Z.ot!lt sontde deux type s principaux : - les ilot& af.parateurs . al l ongés » séparant du eoù4)!�- omn�rl.'tn v�bi,cutes ' c ircul ant , en gênha l . en 'Sens inverse . - les îlots direc tionne l s . généralement triangulaires , empt'Unth pa!'"'det- Wh ie!'Ules · exêc:utant>• UUCI --11lo!lnCI,eUVr'lll•'"4�0t"""'4e� de convergence . Pour un véhicule de type dé terminé (cf . 2 .4) , on app�l l& la va1éu't' minima le de l a courbe in té deure .de l'à •urfa(;j bicùlè lorsqu' i l e ffectue un changement de dinctibn� _ ­ détermin4e & part ir so i t d ' un cercle de rayon d ' une courbe - s_y�t:dque QU dissymétrique "'-"'"·'-:_,.="'-----c:�.,,:r gents (ci 6 .5 . 3 . ) 1 v:,�.z.f{j_fi:Jipes gênêl't?.UX -� -- -:- Vis ibiîit�- 6.. 2 •.2. - .·_:��":i_-;t�-�:1: -·;:. .:: ' - Ass ure r d ' excel lent e s cond �� ions �e vi s ib il i té entre '".,---.,... --r-��· - Eviter les c arre fours en co urb e e t e n perlte . • Vitesse - Ralent:i.r l u véh icules E n par�iculiu pour priori t ai re s ayant un s igna l d ' arrêt 1 respe cter . Sécurité � La conve rgeru:: e e t: l a lement . - �es c i s a i l lements doiven t s e p rodu i re sous-�� citn��ê��1i vEhicules du courant non prio ri t a i re do ivent capacitE suffi sante . - - Locali s e r e t dpare r l u p o i n t s de conflit en canalis ant dans des coul o i rs . généra leme nt à sens unique , dan s les • SUectivité - Tracer des couloirs et de s i lats rendant alsie� ­ di ffidles ou impo s s ib l e s l e s manoeuvres indé s i rab les h•'' - Favoriser l e s manoeuvre s de sort ie . - A part ir de ce rt ain s s e ui l s , pré vo i r d e s voi e s de décélération t ian sur l ' i t iné rai re priori t a ire • • Simpliei t é - Pas d ' aménagement comp l exe e n cas d e faib le vo lume de ,, '
  • 67.
    • Signalisat ion'"'' - So i gne r l a s i gnal i s a t ion hor i zontale e t vert icale , en p a r t i cu l ie r de s n e z d ' î l o t s séparat e urs . -� E t re cohé ren t en t re l a s i gna l i s a t io n et les hypothès es d ' aménage�ent du ca rre fo ur . 6 . 3 . Vi s i b i l i té a ux ca rre fo u rs S i l e s cond i t i o n s de vi s ib i l i t é ne son t p as · as suré es , envi sage r d e s mes ures de réduct ion . des vi t e s s·es (infl exion du tracé e n p l an , i lots s éparate urs s ur vo ie non priori taire) o u de modi ficat ion du régime de s priori tés . 6 . 3 . 1 . �angle dE visibi liti Dé t e rmi né à p a rt i r de l a vitesae d'approche d vide Vo , i l e s t as s o c i é à cha­ q ue point de confl i t et a pour s omme t s : - le point de conf�it , les points l i mi t e s à p ar t i r d e s que l s l e s conduc teurs do ivent ape r cevo i r un véhicule adve rs e . 6 . 3 . 1 . 1 . Priori t� d droite As s ure r - a u véh i cu l e non p ri o r i t a i re d n p • d J ( cf 3 . 1 . 1 . - d i s t an ce d ' a rrê t s u r ob s t ac le éven tue l ) a u v é h i cu l e p r i o r i t a i r e d p -:::: v:� dnp ( même t emp s d e p a rcours ) (, .,
  • 68.
    �---- · -----· ··---�-·- ---· . ----· -- - · · -· · - ,---- - --"-�-:---- --- .. VitBl!��p� ��=· �•. CHE p . 60• .iistance , 8C de visi�. 90 'J:»ilit6 sur voie 1 00 priori.- 1 1 0 taire dp l. Î 2 Q 61'1 ;o 70 95. 1 05 1 20 1 30 i 40 8090 o r;o : r: ( ' ) llO 1 30 1 60 ��ô 80 90 1 00 1 05 110 tf'O 1 30�u 120 130. 1 4 5 1 60 1 35 145 1 60 15 1!� 160 1 75 1 90 60 175 195 2 J O 2 0 235 1 20 1 55 75 1 1 95 2 1 0 235 à dro ite- � - - • -. • . :-"'- - i.'...• ,<-:_,_,_ .;s�· . .. As surer , en out re , au vihicule non prioritaire e unedistïnct . Type de l.oute 2 voituJ ' 3 voiu 4voie� 4 wias llVflC Ilot < Sm Toutes ROU'tts - d'p (depuh h po�nt situé i 2 , 5 m de l a ligne d ' nrêt) pour·exlcu�lâ'f t�.a '!IUllt'!OiôUVl"l'h Manoeuvre V�hicule non pd.odu!re Tr.avenh V . P (l ) P .L / • tourne-l-gauche Traversée V.P p!t,!> Tourne-l-gauche �ra.veréée V.P �)P . 1'ourn«-�l·gauehe v . P Tuvenh .!)P. 'founut-1-gauehe Tourne-à-droite .. Vitesse approche à vfde Vp (k.m/h) {vitesse de h ma- r.oeuvre v• p) 6q 8�1 90 1 00 no J 1 2c ; (45)(60) (67) ( 75 (80) (g.s 1 00 1 30 1 50 1 65 1 80 200 1 30 75 200 220 245 265 . 1 1 0 i 75 2 1 5 2 60 3 1 0 350 1 1 5 ! 5 5 l i S 1 95 2 1 5 235 1 50 200 22$ 250r-275 30� 1 1 5 1 80 220265 31 5355 1 35 75200 220 245 265 65 220 250 275305 335 1 20 1 85 225 270 320 360 i SO 200 22 5 250275 300 1 80 240 2 7 5 305 335 365 1 251 90 230 275 325 363 u oo 1 65 2052 SO .)00 340 ....._ 27 (t 3 1 .5 (T ii G) p L) :ns . ,.,,,,.,. ( tl' ��5m����­ �. , 215 av PL) ( l ) Plus de 1 0 t raversies PL/j our
  • 69.
    6 . 4, El éments de 1 a ro ute p ri n ci p a l e • Largeur de s voies p r inci p a le s ( c a rre fours non pourvus d ' i l ots séparateurs) - 3 . 50 m s u r ro ut e s de 7 m e t p l us - 3 , 00 m su r rou t e s de 6 m • Largeur de s voies de dé célé ration et d ' insert ion ".•�Y o) - 3 , 5 0 m s i Vo ,) 1 00 km/h - 3 , 00 m s i Vo ( 80 km/h . La'rgeurs des - 1:oul oiTs à s e n s unique 0�( - 7 , 00 m s 1 2 f i l e s de c i rcu l a t ion ( routes à 4 , 3 ou mlme 2 vo ie s) - 4 , 50 m s i coul oi r un ique ( route à 2 voies) avec tlf:@it!!-tue�t de l m ·�·�·.: :,;�;':T 4 , 00 Ill S l COtll o i r un i que ( route! d® 0 Ill) avec &cCOtement de 1 , 5 m ' ..;�·.�·:.,..·�··-it-.:: ' t , s � �ndœ s d ' arri t s sont ma i n t e nues , s a u f = ti" i 1 existe du voies de dé cé lént ion ou d 1 insei't'iôn:;a�.tNi - s ur l e s rout e s i 2 vo i e s , dan s l e s couloi rs 1 2 · fi les f. e n s un i que . :._ ,, s t ê t e s de s i l o t s s é p a r a t e u rs de l a rou t e princip ale sont en retrait èc: 0 , ) 0 m ( é ventuel l e::1e n t 1 m) p a r rap p o r t aux l imi t es de la chau�de (au s ..: r. s ,séuMé t rique) de l a ro u t e p r i nc ou aux limi tes exté ri.eut'es du b an- d� s d ' a r r;g t s � .. ·.·�-��1�����2<: �:;t�1'7_,-:� • l . J ::- .;<! u r de 1 ' i lo t s é p a r :1 t e u r s : : , : d ? e: n è du -, 6!l i cu1 c' - t y pe cho i s i e t de l a na ture de s ·Cour�Ùttè''prodges ( �o -.. l_n t s t o u rn,ar. t s o u d i re c t s ) . L a p ro te c t i on des camions rout.i�llll es t à - a s s � : � r i p a r t i r de 3 0 v " � i :ules / j our . Véhi cules tourne-à-gauche qu i t t ant l a rou te principale 0 5 , 00 m pour le s t ockage s u r vo ie 'spé ciale {dduc:t:lble à 4 m) t - 3 , 50 m pou r l e s t ock age d an s 1 � c a r r e four (réduct'�ble l 3 Ill) - Vêh i culu tourne -à-gauche a c cé d an t à l a route prineiP"alé : - 6 , 00 ::1 p o u r l e r, vo i t e� res parti cul i è res (réductib'le l 5 m). - 8 , 00 rn p o u r l e e; p o i d s b•.JrM· ma i s �r i ab le s e l on l ' inclinaison 6 . 5
  • 70.
    s · - Vêh i cu l e s t r a v e r s an t a r o u t e p r i n c i p a le ( c a r r e fo u r e n c r o i x ) - 6 , CO m p o u r l e s vo t u r e s p a r t i c u l i ê re s 1 2 , 00 m p o u r l e s l o u rds 2 vo i t u re s ) L e s b o r d ure s d ' i lo t s s é p arat e u rs d e l a route p r incip ale s o n t e n re t r a i t de 0 , 5 0 rn p a r rapp o r t à l a l imi te de l a cha us s é e au sens gé omé t r iq ue . Tou t e fo i s , s ' i l e x i s t e un T . P . C . en sect ion c ouran t e , l a b an de d e gu i dage e s t main�enue a u d ro i t du c a r re four . • R a c c o rdeme n t d e p ro f i l s e n t rave rs d i f fé ren t s L e r a c co rd e men t s ' e f fe c t ue a u oo y e n d ' une cou rb e e t d ' une c on t re·- c ou rb e de même rayon s é p a ré e s p a r un a l i g n e me n t d ro i t . L e rayon co mmun e s t l e r ayon e n p l an n o n d é ve r s é R.Hn d c o r re s p on d an t à l a vi t e s s e d ' ap p ro c h e à v i de Vo . L a l on g u e u r t o a l e d e r a c co rd eoen t e s t ob t e n u e p a r l a fo rmu l e L a ve c 1 longu e u r de 1 ' a l i g ne me n t (JO à 5 0 m) R rayon é g a l à RHnd " 0 , ! 5 7 vo 2 .. l 2 7 xo : os d d é p o r t d u b o rd d ro i t de l a c h a us s é e . Voies e t c:Ju Z o L·r,_s de è.J 0? léro_ t ion C o u l o i r d e d é c é l é r a t i on de t v � e d i a g o n a l dr o i t e d e s o r t i e s i V c :: ,S 0 k ::: /'1 B i s e a u ( po u r l e s t o u n< e - :1 A . D o u R, ( rou t e p r i n c i p a l. e ) d e A 6 .. 6
  • 71.
    ;; �- V i te s s e d ' a p p r o ch e à v i d e Vo (km/h) 60 80 - 9 0 1 0 0 - 1 1 0 1 2 0 - !vitesse à l ' e n t rée du s i ffle t Vf: 8 60 75 90 (km/h) •.. - ' · Arr� t V F= 0/ 1 0 7 0 1 1 5 , m . · - 1 7 0m m 2 4 0 m � - Longueur de la � vo i e d e d é cé l é - R : 1 5 m V F : 2 0 65 m 1 1 0 m J 6 5 . m 2 3 5 m .. � ' --------o-----·----· ---- ·- ------ -----:ra t i on c omp r i s y R 23 1t 05-: m v . 2 5 60 m. m ' 1 6 0 2 3 0F " m m ·· · : · · ..-�,.-,-�:""" l'----! 4 ce l l e du' s i f f l e t ' • ' ' R. 35 V F : 3 0: m Race or- 1 00 m l 5 5 m 2 2 5 m. ------ dement -- �- Prog re s - 1 Lon g u e u r d u s i ff l e t 1 (m) ' 5 0 1ll 60 -m 7 5 s i f m . .. ·. •. , ' --- - -------· .. ta v n i e d e d é c é l é r a t i o n à d ro i t e e s t r e 8p l a c é e p a r u n e c o u r b e c o n ­ t l n u e s i l a l o n g u e u r e n p l e i n e s e c t i o n (L - 1 ) e s t i n f é r i e u r e à 2 0 [û . La vo l e d e rl é c é l é ra t i o n à � a u c h e e s t re�� l a c é e p a r u n b i s e a u r e c ­ t i l i gn e u n i q u e s i l a l o n gu e u r e n p l e ine s e c t i o n (L - �) e s t i n f é ­ r i e u r e à ! 0 m . ) 11 - 6 . 8
  • 72.
    r �Vitesse d 'app r o ch e .l i i v i d e V o ( k uu'h ) f 60 L---- ··--------·- - ----------------- - - - - --- ------ -�·---- ---- ----- 1 1 1 i !v it e s s e à l ' en t r é e d u 9 i f f l e t V;: 1! (km/ h ) 1. . f---------,-. -------r�---- ··�- _ _ _ _____,.)l_ : · ' 1 ! ' : l l.ongue'Uc d• la 1 A nê t i V r • 0/i''l 7 0 '" 1 vo i • d' •• •• �.J-��:r� -,-- �--. 1 --..--· --- _ ______L_-- - - . . . ... . - � · . .. . ·--------- ----- . ra t ion .Y compri, � - 1 _ 1 1 R ;d m 1 ,. F' ; � ! n O m c e l l e du siffletj·-·-- ___l.. -- · · ------r 1o 3 c; rn 1" . � r J ' R a c c o r -"" � .,' ];' . j ·> il ·--- _____._ ___ ....... _________L_ ___ _ _.. . 1 d e men t d u s i f f l e t 1 (m) -----· - - - -- - - - ------· ·- -· - - - P r og r e s - s î f La v o l e d e d ��; c 0 l 2 r a t i · .. ! • 1 ;· ,_) : �- ·-� :::: s t r (: :·· . t inue s i l :.1 l o n � u ç u r . : n rJ i ,· 1. l -· 1 s � c t i 0 n j� 2 0 m . -T-· .. q : ' !) iJ - l l 0 l 1 2 0 f_, (', 7 5 90 ... ; ) w ! (j m 2 4 0 m - rn 2 3 5 m m 2 3 0 m 11 -·-- tf1 2 2 5 m .....____ ·� :J� m · •. :. " i i"' '·:· c o u rbe c o n - ,, .. . r: l' P. r i e u r e à La vo i e d e d :�· c · � l J ra t i l ; ; ::< _·_ <l u c h è e s t r e ::: �- :j ,: è ( p : ,. t i l i gne un Î q · 1(' s i l ,, l ;.:.., n --� .__; •. u r t' T�: ? l � i t: !� . .. ,_. :- .i .-1 n m b i s e a u r e c ­ : ) e s t i n f é - r i e u r e à 1 0 :01 . 6 . 8
  • 73.
    6 . 1. 3 . ïo ,:e s :! ' ·:"nsert:icn @ De typ e p a r a l l è l e , l a vo i e d ' i n s e r t i o n a une l ongue u r t o t a l e L (m) , E l l e comp rend une vo i e d a c c€ l é ra t i on p a r a l l è l e i l a rou t e p r i n c i (: � '-" o i s e au d ' i n s e r t i on d o n t l a l on g u e u r 1 (m) e s t comp t é e e n t re t ��mi t � de l a vo i e d ' a c cé L € r a t i o n e t l e p o i n t o� l a l ar g e u r d u s i • • i �- , '.�� _ t à 1 , 5 0 rn . s e d ' ap p roch<: à Vo (km/h) s u r l a p r i n c i p a l e V i t e s s e f in l é r a t ion v1 V i te s s e s u r vo i e de d ro i t e à fort déb i t tot a le L (m) J. s e a u 1 (rn) 6 0 8 0 3 0 6 0 4 0 5 0 9 0 j 00 1 ! 0 5 5 7 5 8 5 2 1 0 2 4 0 3 2 0 6 0 7 5 6 . 9
  • 74.
    6 . 5. 3 . Couloirs cow"bes Le s rayons min imaux de s c o u l o i rs co urb e s d�penden t - de 1 ' i mpo r t ance d u ch ange me n t d e d i re c t i o n Œ - du t yp e de véhicule e xé c u t a n t ce changement de d i re ct i on . Si a < 90 " courb e à un cen t re - Si a > 9 0� courb e à 2 o u 3 ce nt res , s ymé Les va l e u rs ·mini.malea de s rayons e des dépo r t s t ab l e au ci· ·des s o us : ou d i s donn é e d a n s l e 6 . �- _ ,
  • 75.
    1mb re de :entres V . P . T . S . R V . P T . S . R 1 5 35 55 . 1 3 �0 4 0 . fk-----­ .IJ�.� R· . .-. . !R' ... . --:.. . d" ' , t R' . IR ' ,- . R ' ' ·. ,. .. 0c' � · A ·c'1 · - . •d' · -· � · l· t v1 d 2 - c� 1 d ' 3 Sy:mé tr:ique 3 Di s symé t rique 35 ! 00 l , 2 60 - - ..... - 2 3 2 5 50 0 , 5 . 35 80 1 , 8 5 0 30 60 0 , 6 . 60 . 2 5 20 35 . 0 , 8 2 5 2 5 50 1 , 2 5 0 2 0 2 0 -· 9 0 0 , 4 2 , 1 4 0 7 0 0 , J . 0 , 7 0 , 2 2 , 3 V . P . I l B 2 0 0 , 7 2 0 7 20 0 , 5 - C . R 2 5 1 5 35 1 , 2 3 0 1 7 30 0 , 4 5 1 8 1 5 3 5 0 , 1 l , 2 ---+-T_._s_. -R--+---3-0 -1--2-0 --+-���t��-8·-···-t--4-5-·+-1-6-t-4-5-t--1-,_z -+-4-5--t-1-5--+6-0--+-0-,_8·-- _2_·-�- 0 , 2 5 0 , 9V . P C . R T . S . R V . P . 90 ° C . R 9 2 0 2 5 7 1 5 7 1 4 1 6 6 1 4 2 0 1 0,8 J O 1 0,95 5 q , s l B 2 5 4 0 2 0 0 , 5 2 0 3 0 0 , 5 3 0 6 1 8 1 3 2 5 1 4 4 0 . 5 20 1 0 30 0 , 7 5 ! 5 0 , 85 1 7 1 , 0 35 0 , 7 1 5 1 , 0 30 s 1 3 1 4 ' 2 0 3 0 5 0 5 , 4 2 0 J O 4 5 - 1 2 5 0 0 , 3 5 i , 0 0 , 6 l , 4 0 , 2 0 , 8 0 , 5 1 , 4 5 0 , 6 2 , 47 0 2 , 2 4 0 ---r------�---+-----�-----1-----�--�----+---+-----t----4---+---+----�'--� 5 , 6 4,61i_l 2 5 [0,61 20 ��4 , 2 120 0 , 5 120 ! 4 , 5 �25 T . $ . R 2 5 1 4 1 3 4 0 1 ' 7 35 V . P . : 0 , 2 ! 0 , 5 l - 1 0 , 5 3 0 0 , 6 2 5 8 , 6 125 0 , 9 j 25 i 8 , 6 1140 � 0 , 4 ; 1 , 4 - 1 1 1s o 70 1 7 7 0 3 , 4 j zo ! s 1 7 5 {1,S l 3 ,8 --·+---�,����- ·�--+-�, s-�� o-, s-+1 -s -+; --r-��--�� �1' v . P . 1 5 3 , 7 _ I l ! 2 , 9 1 2 0 : o. B i t , L 5 0 ° C . R 2 5 7 , 5 2 5 1 , 0 2 5 1 7,5 ,: 4 0 1'0,75 i 1 , 1 - 1 1T . S . R ·· - - - 2 0 7 , 5 ! 7 5 1 , 6 , 4 , 0 1 '!' . S . R 3 ' 2 1 5 0 , 6 6 2 ' 6 l 0 l , 0 l , 4
  • 76.
    1 f iJ e L e s l a rg e u r s d e s co u l o i r s c o u rb e s d é p e n de n t : - d u no mb re de vo i es e t d e l a p o s s i b i l i t é d e d o ub l e r un véh i cu l e e n c a s de p anne . - ·lu t yp e de véh i c u l e e xé c u t an t l a ma n oe u v re . - du r ayon d e c o u rb u re . Typ e de coul oi r s an s p o s s i b i l i t é j V . P - · -· - · · · �,. 8 /R 3 ' ') - � . R T . S , R 2 2 , 5 / R :1 � 5Qè doub l e :: ( ) f i le ave c p os s ib i l i t é + ! 6/R �-· + èe d o ub le r ' 2 5 , 5 5 i 1. f i le s e n mo uv e me n t 6 + 6 / R J + 4 5 / R 7 + ! ! 0 / R L e s vale urs s e ron t a r ron d i e s i 0 , 2 5 m p r ê s . ( 1 ) Le s l argeu rs p o ur c2 s on t de s l a rg e u rs rou), ab l e s e t comp rennent l a l a t- g e u r de l a chau s s é e e t l e s s u r s e t b an d e s s t ab l i s é e s l a r d e n t . Ilots Le s d i mens i on s t ran s ve r s a l e s m i n i m a l e s d e s i l o t s s ép a r a te u rs s on t l e s s u ivante s : i lo t s é pa ran t de ux couran t s d e rnewe s ens ( ag g l omé rat i on ) 0 , 5 0 rn - i l ot re fuge de p i é tons ou s .upp o r t de s i gna l i s a t ion 1 • 2 5 Ill - i lo t s ép a r a t e u r s ur la ro ute se con da ir�" C r as e c amp agne) 1 , 5 0 rn - i lo t s·e p a r a t e u r s u r l a ro ut e p r inc i p ale ( ras e c ampag ne) 3 , 00 ID L a l ongue u r de l ' i l o t rée l e s t sens i!J lece n t é g a l e aux t ro i s q u a r t s de ce l le de l ' i lo t théo r i q ue . 6 . 1 3
  • 77.
    d bj 11 -� !Of [ SECOOIO.t.mf V@ T' / / f /$'100 t---· -;1;.i . 1 G) 1 SIOO��/ 1 � @ · . �' 0, , "' � ® 1 1 - 1 1 � l i 5 11 ;: a:i "' "' 0 9: w 5 ..... l· '>::; > t � 1 -'� ., 1 � � � � 1 .. !;:; 1 1 1 1 -' "' w ;:{ "- �"' 0" p ;;t- Q ..- i L t:* < 0 N f ROLf F i N PROF1'. 4• C QN TRQ E I N TO::t.l€ 0 4 1 � E AJ.J O I'{'f 1 1 01 l 1.1 p ;:; ,: :: r L dq ( C N 7 R 0 L :: · � 1 v () v 1 n: s s E o t-: (l v. î -� POS!ltON oU- � Allg..Y , C AR"R E F O U PI (rJY. T cor 5 8 0 'J I M E N SION N EM EN! O ES CARREFOURS v� or j �l.lrçn� � � pa�t ) Ll l!qn! jpfport' 1 1 �) D[S VC� ( S PR!N C I P A U $ { 1 ) _ 1,10 Svi:i =ouro; OŒ •� rer 9..us r V O r ( lX ::! • '!;(,! ... l J ,00 $U!i! ti'QUV!'$ !Jf ,;..,. 1 ��1! 0[ :s . oo ... l 1 1 ! .C:....t�fsyt� �11A !>Gvnu� .::J ' l i a i t�I>�I"Glt�.,, -f----....-1-��-i-'��i----10 UIRGEUR VOfE DE DECHHI HION EY I N SC: R T fON 1 J:)() :. 5 0 1 60 ! 60 ' 1 60 �!: ,dO ""' !<'OY!t lfe { • GO iilM / �; S , 3 0 "" V'<lullt liu ) tOO '!r<J / :. 4ole · Q ). .:oo n€</j PO!.N L rN l' €t'SJ!c t ;ou "' f'::- LARGEU R Ca.JLOIRS V A St::NS UNIQUE ll-(·;::�-��ec·;:, d <t ll'oihrc-Jres 5 j I O Vf' l'l l! ç iPJC!1i C)Ur"''�Of"'' la 1 -,.___,! r<.'XJI <�� p t ii'I C t p o le !0_____ �·e-:• .._,� di!'.S Vti'IIC;.JI�1 . 0- �IJ!C fiO.n :� CO/J ro: '" r'i 1 6 . fo..-r.e 0 r;'OUCI'It 00!..1idCfl� d f ' r CI !tf.' '1 4!'i. : J o �r• ;y "'elilO"' 1 r: ::r'"'c-.:r l'" x �OUT[ :Z VOir!:$ :U.,I;"!';( � j - 4 10![$ � è ,-l�r@ F � � �. .... � l:!. .... ' 11i] r �� - 1 4,:h., """• m 1• m . ' •• 1 0 . j .., Y ""� j •O ::l "" $ ":'0CI�f CA.Ifif ('F"QU!lt ' ! , $ .., s:ocuc.r !O V $t Y O • C: ;! J!> ( (; I A L ( 0 5 , 0 "" v • >L • @ ""· ( , ,,.,. , .,ç , a ""' ; >' L i l ,., 10 0-i.l. N G!:UC::f.JY ;:::-{. PRO�ll t:l·-! T R 4V f f1 S 0 COUt.OIR OECEŒ LERAnatJ OU 'i"YPf. OlA GQ>u.;_ :·�:' :;�:·�� j ;�"::<�: ,·,�::�:) � -�;;,",:;v ::. ;:l H j L�����:� 1e.. �-�� L O � G U [ V � "'; Of. FU,CCORO (J.f(N"f { AA .) "iO · iO :.{•00 • 1 14 . . . • • Y S • • ' " ' 0 " I I C H Q oc,ia,·où:oJ 'm r s s r o "�'""'' • vro" ' " " 1 [8'·UllGUEUR ŒS .OIE.S OE O€ŒLER.AnON OU YYPE: """AI.U:U: �Ttlt � -· � o..u.w: � . , , . .. �fi01r ��,$ sc - 9 0 . , :!l :i- ( 30,4) j ( j. j , Q 1 1 1 ., Y> 1 S .!l,O l 1 ( J .2 ,0 ) ,J'U'"1 --' · ,;-.!- 1 1: n fll . 1 �_, r-o 1 •• 1 •• , ' 1 1- - -· - ! 1 5 1 ( 3 6 , 7 ! 1 ( § 5, 0 ) 1 1 ·::;:" 1 .::. 1 �t.:·.::-· 10-,--1 ·" , .... .... , _.. 1 37,6 1 ( 49,2 ) ,v••- .. � '!''".a o� �t @ I OII...._ 40!1! Vl§c �Wi/�) !l<i11cW I:ZO }4 0 1 <�� a ol ( 4-<i ,7 l t d "' IS:l ��� 10 -SO 40 c o��1, 2 l t<�S,Ol 100 ua rs 1 .!0 00 1<0 1 l'rO .io t'Ui('f i " 1 � 3 11 j I. *"'•"Ov• Q . 1 101 l" 20 1 " 1 '" 1 "'d'�.. &..ea,uduf clt� hJ .,êJii 1!1 4 .,;�,...ot.ua l •l '•C�._._.•. JI' t;!l;l� sn e cv�e av o.. ffl<��" 1 YQ l' , . , . 24 ·":l •• 1 • a H fJ X f 10$ 1 .. j ••o " ' r no �«<---..-· .,.,..w 1 0 0 1 •• ' " '1 •• " ' l , , ( 4 2.7 ) { !0,0 1 LONGt;E)R· OES .OIES O 'f NSERTf ON 1- � ' . 1 -, ., "' j l :l :> 1 0 0 0 I H,<l l � ·'10 , 3 l j 100 13> r 34,S J ' .t7. 1 l ,....__ ... _ l 1 1 0 I<S � t .) .."l , ..:- } _:; .{ , v 1 ' 410 1 1 j � Q i ( 3..!.1> ) { "-0 0 1 j 1 � ' fit;-." l"·f:Ii :!.::00 "' 1 1 o o c "' � 1 40, 3 ) ' 40,01 1 'i !l IUO ( 40 :$ ) ( 53,1 ) , . , " " f <1. 7,4. ) (47, 2 ) NO / 4( 0 ) l ' "' { 4 9, l ) 1 � 00 ..... 1 1 200 .... f;lJ·11_ ' . ,_.. � · � � ' � " " " " " " " "" " ' ,;., ,, ,�'Ë� ' " 1 00 1 90 1 1 0 0 L ( "' ) 1 ,. 0 )1_ 1 " " 1 l l O 1 r•o 1 l ·•d i • • o{ 1 .. . •o 1 @ t.OJII :iUf !J tf I I..OY' " 1 ' " � @ LAü"G(UI!il C O U LOHil $ O !Iil l" o [ � 0 ., ... _ r r ::i � 20 � - _ r ..... <l.. ('l <lil "''l ' ' " � <l . . li • � � . ,1!5 "" � ""' "'..:.. . "F., ..., ., ,. III 'OJ:i " O"<<l a •• • ' " ' ! 2 - l ili "" I Q YO • 1 1 1 0 1 l l O 170 1 320 l " 1 0 0
  • 78.
    � N • x • ;l': w 16 1ft ::> :.:::1 0 QM.. a ...., '" ta: �cr. � ol: u
  • 79.
  • 80.
  • 81.
  • 82.
    7 . ROUTESEN REL I EF D I FFICILE Les caractéristiques 4épendent , non seulement du rel ief ma -'- 3 aus s i du traf ic : na ture , évol�tion prévisible, • • • • Gard e r pré s ent à l ' espri t l ' inc idence du �int ien de l a c i rculat ion s u r l ' exécu � ion d e s t r avalŒ . 7 . 1. Po i nts s i ngul i ers Les p o i n t s s i ngu l i er s t e l s que - po i r� t s d a n g e r eux � c o u ::· b e s de f a i b l e r.&yo;.) !l po:�n t s de œ..;1..;.-v:.< ._ ne s ;:.n t ;as en considéra tion pou r dé tert:liDer � a v i t e s s e ,· � r •.o U c " · "E' de l a r ou t e . Ce s p o i n t s s ingul iers peuvent être amén2g8 s s e l o t �e ::o 1"' '"' '' infériel}res aux norme s hab i tue l l e s (Vr ;i 4 0 km/h} 7 . 1 " 1 . minirna l en - En c a s de r a yo n s f a i b l e s i n t e rca l e r � � s p r o g �- e s s i v e p o u r i n t rodu i � e � eve r s e t s u r � a r g e u r s . l . L 1 . Pou r F. � !, ( exc epc ionne l l 2men t : 8 % ) Ré d u c t i cr·, o o s :; i b l e d u deve :: s max imum pour t e '1 i r co'L;: : .:: ; d e s cond i t i o n s l o c a l e s d ' e xp l o i t a t ion (ne ige , ve r g l a s , , . . . ) de c o n s i d é ra t i o n s t e c hni q u es (variat ion d e i �ve r s , ê c cu � e�e " c e i eaux) D é r o g a t i on p o � s i b l e â l a rêg l � d 2 va r i a t io n - d e n ' i n t r o d u i re e 3 a u c u n po i n t de l a chaus s � e J n e p e n t e e x c � s s �v� . ,t.:"''' - d e n e p a s f a 1i e v a r i e r l e d e v e r s s u r l a p a r t i e c i rc u l a i re d 0 l a � o u r b e . 7 . 1 . 2 . Profi l en long ? . 1 . 2. 1 . Cons,:dérations généra l e s ( i ) R o c c o r d e me n t E c e p e n t e s a u moyen d ' a rc s s u f f i � oTh� � n t g r a n d s p o u r � v i t e r t o u t c t bru s q u e e t emp � c h e r t e s l on � s v é h i c u l 2 s n e t }· H: n t l a c h au s s é e . P l d c e r l e s r :� ;: ,J r<� e r:H:' 1, ,_ s ,::: r: d e ho r s d e s l a c e t s
  • 83.
    ! ,.! , .., .<.. , ., : u 0 , ..:; � � • • 1 1 · t.l ... . ' # profi l en travtrs en al ignement e t par le rayon (Ri) de l ' arc d e c e rc l e d u bord intër ieu r . P I A f! s c h c rn .a t i q u t' L ' aJte (qui ne c o Ï nc ide p a s avec l a l i g n e équ i d i s t a n t e d e s d e u x bo rd s ) e t l e s deux bord s d e chau s s � e s o n t d i f i n i s p a r Je s coord onné e s r � c t a n­ g u l a i r e s . Le s type s s u i van t s sonr d é t e rm i n é s par l e s t ab l e s f o u r n i e s d a n s l e manu e l d ' a pp l i c a t i o n § 6 . 5 . 5 . · � 6m 8 rn 1 0 m 1 5 m 2 0 rn � #"' b =- 6 rn 6 / 6 6 /8 6 / 1 0 / 6/ 1 5 6/20 b "' 7 rn ( 7 / 6 ) 7 /8 7 / 1 0 7 / 1 5 7 / 2 0
  • 84.
    Tab leau desrayons extérieurs minima:..a: correspondant au rayon intérieur Ri . l ( . .1 ; .,iii". Rayon extérieur minima l pour Rayon intér ieur 1 TSR seul ( 1) 1 CR + VP ( 1 ) Ri 6 , 00 (3) 1 4 , 00 1 5 , 75 7 , 00 1 4 ' 5 0 1 6 , 5 0 8 , 00 (3) 1 5 , 2 5 1 7 , 25 - 1 0 , 00 (3) 1 6 , 7 5 (2) 1 8 , 75 i 2 , 00 ! 8 , 25 (2) 20, 50 1 5 , 00 (3) 2 ! , oo (2) 2 3 , 2 5 20 , 00 (J) 25 , 50 (2) 28 , 00 25 , 00 3 0 , 00 (2) 32 , 75 30 , 00 35 , 00 (2)1_3 7 , 50 4 0 , 00 / 45 , 0C { 2 ) 4 1 50 �SR Vé h i c u le s emi-remorque t: R Camion r ou t i e r V P Vo i tur e p a r t i cu l i è re . ---...,;..... le pa s s age de : 2 CR ( 1 ) 1 7 , 5 0 1 8 , 25 1 9 , 00 20 , 50 2 2 , 25 2 4 , 7 5 29, 25 34 . 00 )8 , 7 5 4 8 , 5 0 (2) . Dans tous l e s cas , ce rayon extér ieur minimal e s t eu moins l e rayon qui d onne à l a chaus s é e sa l argeur en s ec t ion couran t e . ( 3 ) Courbes t ra i tées en Jéfzil d �ns l e § 7 . 3 . : l ace t s ( i i i) Ac c o t e�zn t s Pos s ib i l i té d e réduire l e u r s l arge u r s à de s �a l eu r s inférieures à c e l l e s d u t ab l eau 4 . 8 . Dans l e s z o n e s ne néc e s s i tant pas d e pro t ec t io n ( g l i s s i è r e , b a n q u e t t e ) , réduc t ion r > s s i b l e à 0 , 5 0 m . 1
  • 85.
    Tab Leau desrayons extérieurs minimcr.a correspondant au rayon intérf.e,.,:,...... Ri. Rayon extérieur minima l pour le pas;;;-� Rayon intérieur Ri 1 TSR seul ( 1 ) 1 CR + VP ( 1 ) 2 CR ( 1 ) 6 , 00 (3) 1 4 , 00 1 5 , 75 1 7 , 5 0 7 , 00 1 4 , 5 0 1 6 , 50 1 8 , 25 8 , 00 (3) 1 5 , 2 5 1 7 , 25 1 9 , 00 1 0 , 00 ( 3 ) 1 6 , 7 5 (2) 1 8 . 75 20 , 5 0 i 2 , 00 1 8 , 25 (2) 20, 50 2 2 , 1 5 , 00 (3) 2 1 , 00 (2) 2 3 , 25 2 4 . 75 20 , 00 (J) 25 , 50 (2) 28 , 00 2 9 , 25 25 , 00 30 , 00 (2) 32 , 75 34 , 00 30 , 00 35 , 00 (2 ) 37 , 50 .J 8 , 75 L 4 0 , 00 l 45 , 0C ( 2 ) 4 7 , 50 48 , 50 - - . - ------=-->=���� ( i : �SR V é h i cu l e semi-remorque t: R C am i o n rot: t i e r V P Vo i ture p a r t i c u l i è re - t 2 ) Dans t o u s les c a s , c e rayon extér ieur minimal es t e.u mo 1ns le rayon qui donne à l a chaus s � e s a l argeur e n sect ion couran t e . ( 3 ) Cou r b e s t ra i té e s e n Jé tz i l dc.ns le § 7 . 3 . : l ace t s ( i i i ) Ac co teffi2n t s Pos s ib i l i t é d e réduire l e u r s l arge u r s à de s �a l eu r s i nf é r i e ü r e s à c e l l e s d u t a b l eau 4 . 8 . Dans l e s z o n e s ne néc e s s i t ant pas d e p ro t e c t io n (g l i s s i è r e , b a n q ue t t e ) , réduc t ion r , s s i b l e à 0 , 5 0 m .
  • 86.
    7 • •L 2. Rayonm-t.n t..;7rwrt b .. 6 'Ill Ri � 6 rr, b .. } Ill Ri r o tma l " l 2 m Ri ab s o l u � 8 Ill , , JJv�,tê sur l:e bo1 d im:�neur d u Lac e t sera lim i t é e « 7. pour l�s t �·.·· tdquentées pa r Î'.:t=t1'J''- d e neige o u d e ve rg l a s e t 6 � p o u r l e s autre • lo!'�t�;. Le tracé dv bo rel int è r i t::l n du l ac e e é t a n t d é t erminé, o n r e è ë v .� : a l o:: ·Ji rage tP;ans 9h�nger l e prof i l e n l.or;g de c e bo rd t n�ét ieur . On v é r i f i .:. r a · our.eJo,i s ��E! c;�t.t:e d ispcuit ion n ' ent raî nt: pàs d e iécl.ivité l o c a l e me n t <t X <>· .. s Ï1� �.Ir l� .�,ori.i e;xtéritt.ut . s.urtout si . celui-c i h: présè[t:e à d r o i t e po.ur l es véry�;.; cules mo� t·an t s . En ..- a s de d i f f i cu l t é s s u r c e po in t: o n p o u rr n r� d u i re de·s d éve r s 'h>ofi è ·en t ravers Lorsque l e s lace ts s em e r approchés l e s un s de s a u t r e s , i l ·' s t p r é ft! r ab l <> d e ne pas reveni r à l a l argeur n o rma l e b d e . l a c h au s s é e e n t r e ceux'"'ci . Le d éver s max imum d o i t ê t r e ma i r. t e nu con s t an t s u r tou t l e dé ve lo;pemen r de t �arc de ce'!'c l.t! du bo rd intér-ie'iA.!' de l.a · :�hàz�;�sée . 1 1 1 1 .1 1 '. .