RUBRIQUE N°6 : TP HYDRAULIQUE. SH   Page:31




 RUBRIQUE N°6




   Numéro de document :02-05
RUBRIQUE N°6 : TP HYDRAULIQUE. SH                                                                   Page:32




                                                                       SOMMAIRE

VII – DISTRIBUTEUR ......................................................................................................................................33

  IX - VERIN DOUBLE EFFET ........................................................................................................................37

X. CIRCUIT D’UN VERIN DIFFERENTIEL ................................................................................................41

XI. CLAPET ANTI RETOUR ..........................................................................................................................45

XII - CLAPET ANTI RETOUR PILOTE........................................................................................................49

  XIII - CLAPET ANTI RETOUR PILOTE DOUBLE ...................................................................................53

XIV. VALVE D’EQUILIBRAGE DOUBLE ...................................................................................................57

XV. REGLAGE DE VITESSE EN ENTREE DU VERIN..............................................................................61

XVI. REGLAGE DE VITESSE EN SORTIE DU VERIN..............................................................................65

XVII. REGLAGE DE VITESSE EN ENTREE DU VERIN AVEC VALVE DE SEQUENCE EN SORTIE
...............................................................................................................................................................................69

XVIII. AVANCE RAPIDE, VITESSE LENTE REGLABLE EN FIN DE COURSE..................................73

XIX. CIRCUIT DE DEUX VERINS EN SERIE .............................................................................................77

XX. CIRCUIT DE DEUX VERINS EN PARALLELE ..................................................................................81

XXI. CIRCUIT AVEC DEUX VERINS ET TROIS DISTRIBUTEURS ......................................................85

XXII. COMMANDE SEQUENTIELLE DE 2 VERINS ................................................................................89




                                                                                     TP N°8


                                                                   Numéro de document :02-05
RUBRIQUE N°6 : TP HYDRAULIQUE. SH                             Page:33
VII – DISTRIBUTEUR


OBJECTIF :

   1. Etude et compréhension du mode de fonctionnement du distributeur.
   2. Réalisation du schéma.
   3. Essais-mesures.


DONNEES DE L’EXERCICE :

   1. Construire un circuit hydraulique selon le schéma.
   2. Déterminer le fonctionnement du distributeur.


DESCRIPTION :

Le distributeur a pour fonction de contrôler le passage, l’arrêt ou la direction d’un fluide.


COMPOSANTS NECESSAIRES :


                DESIGNATION                        Qté               DESIGNATION                  Qté
  Groupe générateur de débit                        1     Manomètres (N°1)                         1
  Limiteur de pression (N°2)                        1     Distributeur 4/3 (N°9)                   1
  Débitmètre (N°47)                                 1




PROCEDURE :

   1.   Préparation des composants
   2.   Réalisation du montage
   1.   Contrôle du montage
   2.   Réalisation de l’exercice
   3.   Démontage



PRECAUTION :

   1. Ne pas mettre en route le groupe hydraulique avant la vérification du montage.
   2. Ne pas corriger une erreur de montage lorsque le groupe hydraulique est en fonctionnement.
   3. Décomprimer les circuits sous pression.




                                         Numéro de document :02-05
RUBRIQUE N°6 : TP HYDRAULIQUE. SH                     Page:34

                                                    TP N°8

SCHEMA HYDRAULIQUE DE PRINCIPE :




Groupe hydraulique

Observer les pressions M1, M2, et M3 dans les trois positions du distributeur.

Recommencer la même manipulation avec le distributeur 4/3 centre Y et centre fermé, puis avec le
distributeur 4/2.




                                                   TP N°8
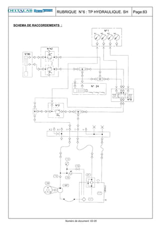
SCHEMA DE RACCORDEMENT :
                                       Numéro de document :02-05
RUBRIQUE N°6 : TP HYDRAULIQUE. SH   Page:35




               TP N°8

   Numéro de document :02-05
RUBRIQUE N°6 : TP HYDRAULIQUE. SH                         Page:36
ESSAIS MESURES :


Reporter dans le tableau ci-dessous les valeurs des pressions relevées pour les 3 positions des
distributeurs.



                                           ETAT DU DISTRIBUTEUR

                        Y1                          REPOS                            Y2
Distributeur
     N°
               M1      M2        M3         M1        M2          M3      M1         M2           M3

     7

     8

     9

     3

    10



SCHEMA ELECTRIQUE :




                                                 TP N°9

                                      Numéro de document :02-05
RUBRIQUE N°6 : TP HYDRAULIQUE. SH                  Page:37
 IX - VERIN DOUBLE EFFET


OBJECTIF :

   1. Etude et compréhension du mode de fonctionnement du vérin double effet
   2. Réalisation du schéma
   3. Essais – Mesures


DONNEES DE L’EXERCICE :

   1. Construire un circuit hydraulique selon le schéma
   2. Déterminer le fonctionnement du vérin double effet
   3. Construire le circuit électrique selon le schéma


DESCRIPTION :


Le vérin double effet a pour fonction de transformer l’énergie hydraulique en énergie mécanique, en
gérant une force animée d’un mouvement rectiligne.

Cette force dépend de la section efficace et de la pression de service. Le vérin double effet est
moteur dans les 2 sens de déplacement.


COMPOSANTS NECESSAIRES :


                DESIGNATION                     Qté                DESIGNATION             Qté
  Groupe générateur de débit                     1      Manomètres (N°1)                    1
  Limiteur de pression (N°2)                     1      Distributeur 4/3 (N°9)              1
  Vérin horizontal (N°24)                        1      Débitmètre (N°47)                   1


PROCEDURE :

   1.   Préparation
   2.   Réalisation du montage
   3.   Contrôle du montage
   4.   Réalisation de l’exercice
   5.   Démontage


PRECAUTION :

   1. Ne pas mettre en route le groupe hydraulique avant la vérification du montage.
   2. Ne pas corriger une erreur de montage lorsque le groupe hydraulique est en fonctionnement.
   3. Décomprimer les circuits sous pression.




                                       Numéro de document :02-05
RUBRIQUE N°6 : TP HYDRAULIQUE. SH                            Page:38

                                                        TP N°9
 SCHEMA HYDRAULIQUE DE PRINCIPE :




Groupe hydraulique


La pression arrivant du circuit (orifice A) agit sur le piston (section pleine). Ceci a pour conséquence le
mouvement de sortie de tige du vérin, qui génère une force F1= P2 . A1 animée de la vitesse
V1 = (Q) / (A1)

Pour le mouvement de rentrée de tige, le vérin génère une force F2 = P3 (A1 – A2) animée de la
vitesse V2 = (Q) / (A1- A2)

A1 = section pleine ;

A2 = section de la tige.

Relever les pressions M1, M2 et M3, les débits Q1, Q2 et les vitesses V1 et V2.

Pour mesurer Q1, Q2, Q3 placer le débitmètre N°47 aux divers endroits du circuit indiqués sur le
schéma de raccordement.




                                          Numéro de document :02-05
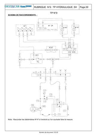
RUBRIQUE N°6 : TP HYDRAULIQUE. SH                    Page:39

                                                     TP N°9
SCHEMA DE RACCORDEMENTS :




Nota : Raccorder les débitmètres N°47 à l’endroit ou l’on souhaite faire la mesure.




                                       Numéro de document :02-05
RUBRIQUE N°6 : TP HYDRAULIQUE. SH                       Page:40

                                                     TP N°9
ESSAIS MESURES :

Reporter dans le tableau ci-dessous les valeurs des débits, pressions et vitesses.

  DISTRIBUTEUR               VERIN
 (Etat du solénoïde)                                  DEBIT (l/mn)                 PRESSION (bar)
                         Vitesse (mm/s)
                                RENTRE
   Y1          Y2      SORTIE                   Q1        Q2         Q3       M1        M2          M3
                                E

REPOS      REPOS

   

               




SCHEMA ELECTRIQUE:




a°) Un appui maintenu sur le          b°) Une impulsion sur le bouton poussoir S1 provoque le cycle
bouton poussoir S1 provoque la        automatique d’aller-retour du vérin A. Une impulsion sur le bouton
sortie du vérin A qui s’arrête dès    poussoir S3 provoque l’arrêt du cycle. Un nouveau cycle automa-
que S1 est relâché.                   tique n’est possible que si le fin de course a1 est activé.




                                         Numéro de document :02-05
RUBRIQUE N°6 : TP HYDRAULIQUE. SH                            Page:41

                                                     TP N°10

X. CIRCUIT D’UN VERIN DIFFERENTIEL

OBJECTIF :

   1. Etude et compréhension du mode de fonctionnement du vérin différentiel
   2. Réalisation du schéma
   3. Essais – Mesures


DONNEES DE L’EXERCICE :

   1. Construire un circuit hydraulique selon le schéma
   2. Déterminer le fonctionnement du vérin différentiel
   3. Construire le circuit électrique selon le schéma


DESCRIPTION :

Le vérin différentiel a pour fonction de transformer l’énergie hydraulique en énergie mécanique en
générant une force animée d’un mouvement rectiligne.

Pour un vérin dont le rapport de section est de 2/1 (vérin dit différentiel), la vitesse et la force de sortie
de tige sont les mêmes que celles de rentrée.

Pour un vérin dont le rapport de section est de 1.5/1, la vitesse de sortie est deux fois plus rapide que
la rentrée, et la force de sortie est deux fois plus petite. En effet, le mouvement de sortie de tige
génère une force F1=P2. A2 animée de vitesse V1=Q/A2.


COMPOSANTS NECESSAIRES :


                DESIGNATION                         Qté               DESIGNATION                    Qté
  Groupe générateur de débit                         1     Manomètres (N°1)                           1
  Limiteur de pression (N°2)                         1     Distributeur 4/3 (N°9)                     1
  Vérin horizontal (N°24)                            1     Débitmètre (N°47)                          1


PROCEDURE :

   1.   Préparation
   2.   Réalisation du montage
   3.   Contrôle du montage
   4.   Réalisation de l’exercice
   5.   Démontage


PRECAUTION :

   1. Ne pas mettre en route le groupe hydraulique avant la vérification du montage.
   2. Ne pas corriger une erreur de montage lorsque le groupe hydraulique est en fonctionnement.
   3. Décomprimer les circuits sous pression.




                                          Numéro de document :02-05
RUBRIQUE N°6 : TP HYDRAULIQUE. SH          Page:42

                                                    TP N°10
 SCHEMA HYDRAULIQUE DE PRINCIPE :




Groupe hydraulique

 L’alimentation du vérin par l’orifice A assure la sortie de tige.
 L’huile récupérée côté tige est additionnée à celle débitée par la pompe.




                                        Numéro de document :02-05
RUBRIQUE N°6 : TP HYDRAULIQUE. SH                    Page:43
                                                   TP N°10
SCHEMA DE RACCORDEMENTS :




Nota : Raccorder les débitmètres N°47 à l’endroit ou l’on souhaite faire la mesure.




                                       Numéro de document :02-05
RUBRIQUE N°6 : TP HYDRAULIQUE. SH                        Page:44
                                                   TP N°10
ESSAIS MESURES :

Reporter dans le tableau ci-dessous les valeurs des débits, pressions.
Indiquer le sens de déplacement de la tige du vérin.

       DISTRIBUTEUR               VERIN
      (Etat du solénoïde)                               DEBIT (l/mn)            PRESSION (bar)
                              Vitesse (mm/s)
                                     RENTRE
       Y1           Y2      SORTIE                Q1         Q2          Q3      M1         M2
                                     E

    REPOS       REPOS

        

                    




SCHEMA ELECTRIQUE :




a°) Un appui maintenu sur le bouton poussoir S1 provoque la sortie du vérin A qui s’arrête dès
que S1 est relâché.         .

b°) La rotation du bouton S5 provoque la sortie du vérin VB qui s’arrête dès que l’on remet S5 à 0
réciproquement la rotation de S6 provoque la rentrée de VB.


c°) Une impulsion sur le bouton poussoir S1 provoque la sortie du vérin A qui s’arrête dès que l’on
appuie sur l
e bouton S3. Fonctionnement analogique pour S2.




                                       Numéro de document :02-05
RUBRIQUE N°6 : TP HYDRAULIQUE. SH                    Page:45

                                                 TP N°11
XI. CLAPET ANTI RETOUR

OBJECTIF :

   1. Etude et compréhension du mode de fonctionnement du clapet anti retour
   2. Réalisation du schéma
   3. Essais – Mesures


DONNEES DE L’EXERCICE :

   1. Construire un circuit hydraulique selon le schéma
   2. Déterminer le fonctionnement du clapet anti-retour
   3. construire le circuit électrique selon le schéma


DESCRIPTION :


Le clapet anti retour a pour fonction de bloquer le passage du fluide dans un sens et de permettre le
débit libre dans l’autre sens.



COMPOSANTS NECESSAIRES :


                 DESIGNATION                    Qté                DESIGNATION              Qté
  Groupe générateur de débit                     1      Manomètres (N°1)                     1
  Limiteur de pression (N°2)                     1      Distributeur (N°3)                   1
  Vérin (N°80)                                   1      Distributeur (N°7)                   1
  Clapet anti retour (N°6)                       1      Débitmètre (N°47)                    1


PROCEDURE :

   1.   Préparation
   2.   Réalisation du montage
   3.   Contrôle du montage
   4.   Réalisation de l’exercice
   5.   Démontage


PRECAUTION :

   1. Ne pas mettre en route le groupe hydraulique avant la vérification du montage.
   2. Ne pas corriger une erreur de montage lorsque le groupe hydraulique est en fonctionnement.
   3. Décomprimer les circuits sous pression.




                                       Numéro de document :02-05
RUBRIQUE N°6 : TP HYDRAULIQUE. SH                            Page:46


                                                      TP N°11
SCHEMA HYDRAULIQUE DE PRINCIPE :




Groupe hydraulique

La pression arrivant du circuit (orifice B du distributeur D1) soulève le clapet CAR, et agit sur le piston
(section annulaire du vérin).

Ceci a pour conséquence le mouvement de rentrée de tige du vérin. Le clapet CAR n’autorise pas la
descente de la masse M, car le passage pour évacuer l’huile côté section pleine du vérin est fermé.
Pour la descente, il faut actionner le distributeur D2.




                                         Numéro de document :02-05
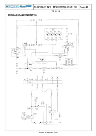
RUBRIQUE N°6 : TP HYDRAULIQUE. SH   Page:47
                                            TP N°11
SCHEMA DE RACCORDEMENTS :




                            Numéro de document :02-05
RUBRIQUE N°6 : TP HYDRAULIQUE. SH                        Page:48

                                                    TP N°11
ESSAIS MESURES :

Reporter dans le tableau ci-dessous les valeurs des pressions relevées.


              DISTRIBUTEUR D1                                       DISTRIBUTEUR D2
            (ETAT DU SOLENOIDE)                                   (ETAT DU SOLENOIDE)
           0                        Y1                            0                    Y2

 M1       M2      M3       M1       M2      M3       M1       M2      M3      M1       M2      M3




SCHEMA ELECTRIQUE :




          a) Un poussoir maintenu sur un bouton poussoir S1 provoque la sortie du vérin VB qui
             s’arrête dès que S1 est relaché.

          b) La rotation du bouton S5 provoque la sortie du vérin VB qui s’arrête dès que l’on remet
             S5 à 0 réciproquement la rotation de S6 provoque la rentrée de VB.

          c)Une impulsion sur la bouton sur le bouton S1provoque la sortie du vérin VB qui s’arrête
          dès que l’on appuie sur le bouton S3. Fonctionnement analogique pour S2.




                                      Numéro de document :02-05
RUBRIQUE N°6 : TP HYDRAULIQUE. SH                        Page:49

                                                   TP N°12
XII - CLAPET ANTI RETOUR PILOTE

OBJECTIF :

   1. Etude et compréhension du mode de fonctionnement, du clapet piloté.
   2. Réalisation du schéma.
   3. Essais-mesures.


DONNEES DE L’EXERCICE :

   1. Construire un circuit hydraulique selon le schéma
   2. Déterminer le fonctionnement du clapet piloté
   3. Construire le circuit électrique selon le schéma


DESCRIPTION :

Le clapet piloté a pour fonction de verrouiller sans fuite, un orifice d ’utilisation, même pour une durée
prolongée, et d’assurer la fonction de blocage d’une charge lors de la rupture de la canalisation
principale, pendant la montée de cette charge ou de la ligne de pilotage pendant la descente.


COMPOSANTS NECESSAIRES :


                DESIGNATION                       Qté              DESIGNATION                   Qté
  Groupe générateur de débit                       1     Manomètres (N°1)                         1
  Limiteur de pression (N°2)                       1     Clapet double piloté (N°11)              1
  Electrovanne 4/3 (N°8)                           1     Vérin (N°80)                             1
  Electrovanne 4/2 (N°3)                           1     Limiteur de débit simple (N°12)          1




PROCEDURE :

   1.   Préparation
   2.   Réalisation du montage
   3.   Contrôle du montage
   4.   Réalisation de l’exercice
   5.   Démontage


PRECAUTION :

   1. Ne pas mettre en route le groupe hydraulique avant la vérification du montage.
   2. Ne pas corriger une erreur de montage lorsque le groupe hydraulique est en fonctionnement.
   3. Décomprimer les circuits sous pression.




                                        Numéro de document :02-05
RUBRIQUE N°6 : TP HYDRAULIQUE. SH                        Page:50
                                                    TP N°12
SCHEMA HYDRAULIQUE DE PRINCIPE :




       Groupe hydraulique


Le but de ce montage est de démontrer que le clapet piloté CP, peut s’ouvrir seulement
lorsqu’il y a la présence de la pression M4. (Dans le sens descente du vérin).

Dans un montage courant la pression de pilotage du clapet est prélevée du circuit côté orifice A du
distributeur D1.

L’existence du distributeur D2 n’est pas justifiée dans ce cas.




                                        Numéro de document :02-05
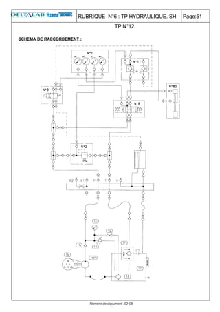
RUBRIQUE N°6 : TP HYDRAULIQUE. SH   Page:51
                                         TP N°12

SCHEMA DE RACCORDEMENT :




                           Numéro de document :02-05
RUBRIQUE N°6 : TP HYDRAULIQUE. SH                         Page:52

                                                     TP N°12
ESSAIS MESURES :

Reporter dans le tableau ci-dessous les valeurs des pressions relevées.



                                      ETAT DES SOLENOIDES

      AU REPOS                        Y2                    Y2 – Y3                      Y1

M1     M2    M3     M4    M1     M2        M3   M4    M1    M2     M3     M4   M1   M2        M3   M4




SCHEMA ELECTRIQUE :




Un appui maintenu sur les boutons poussoirs S2 et S3 provoque la sortie du vérin, qui s’arrête dès
que S3 est relaché.

Un appui maintenu sur le bouton S1 provoque la rentrée du vérin.




                                       Numéro de document :02-05
RUBRIQUE N°6 : TP HYDRAULIQUE. SH                         Page:53

                                                   TP N°13
 XIII - CLAPET ANTI RETOUR PILOTE DOUBLE


OBJECTIF :

   1. Etude et compréhension du mode de fonctionnement du clapet piloté double.
   2. Réalisation du schéma.
   3. Essais-mesures.


DONNEES DE L’EXERCICE :

   1. Construire un circuit hydraulique selon le schéma.
   2. Déterminer le fonctionnement du clapet piloté double.
   3. Construire le circuit électrique selon le schéma.


DESCRIPTION :

Le clapet piloté double a pour fonction de verrouiller sans fuite deux orifices d’utilisation, et d’assurer
la fonction de blocage d’une charge lors de la rupture de la canalisation principale, pendant la montée
de cette charge ou de la ligne de pilotage pendant la descente.


COMPOSANTS NECESSAIRES :


                DESIGNATION                       Qté                DESIGNATION                  Qté
  Groupe générateur de débit                       1      Manomètres (N°1)                         1
  Limiteur de pression (N°2)                       1      Vérin (N°24)                             1
  Electrovanne 4/3 (N°8)                           1      Distributeur (N°3)                       1
  Clapet double piloté (N°11)                      1


PROCEDURE :

   1.   Préparation
   2.   Réalisation du montage
   3.   Contrôle du montage
   4.   Réalisation de l’exercice
   5.   Démontage


PRECAUTION :

   1. Ne pas mettre en route le groupe hydraulique avant la vérification du montage.
   2. Ne pas corriger une erreur de montage lorsque le groupe hydraulique est en fonctionnement.
   3. Décomprimer les circuits sous pression.




                                         Numéro de document :02-05
RUBRIQUE N°6 : TP HYDRAULIQUE. SH                           Page:54

                                                      TP N°13
SCHEMA HYDRAULIQUE DE PRINCIPE :




Groupe hydraulique


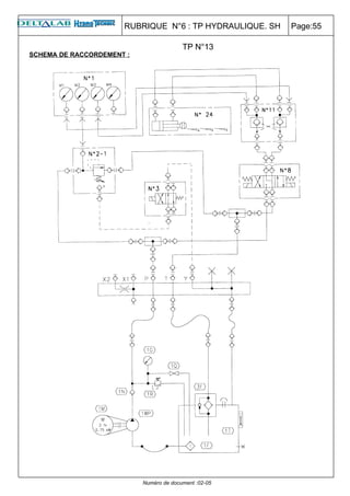
Le distributeur D2 permet la décompression de la ligne de pilotage du limiteur de pression LP2 et de
surcroît le by-pass du débit de la pompe.

Ce montage permet d’utiliser un distributeur de petite taille pour créer le by-pass d’un débit important,
dans un circuit avec plusieurs distributeurs montés en parallèle.




                                        Numéro de document :02-05
RUBRIQUE N°6 : TP HYDRAULIQUE. SH   Page:55

                                         TP N°13
SCHEMA DE RACCORDEMENT :




                           Numéro de document :02-05
RUBRIQUE N°6 : TP HYDRAULIQUE. SH                       Page:56

                                                  TP N°13
ESSAIS MESURES :

Reporter dans le tableau ci-dessous les valeurs des pressions relevées.


                                     ETAT DES SOLENOIDES

          AU REPOS                               Y2                               Y1

   M1         M2          M3         M1         M2           M3           M1     M2          M3




SCHEMA ELECTRIQUE :

Un appui maintenu sur le bouton poussoir S2 provoque la sortie du vérin.
Un appui maintenu sur le bouton poussoir S1 provoque la rentrée du vérin.




Une impulsion sur le bouton poussoir S2 provoque la sortie du vérin. Une deuxième impulsion est
nécessaire pour le faire rentrer. Un appui maintenu du bouton poussoir S2 provoque un cycle
automatique.



                                      Numéro de document :02-05
RUBRIQUE N°6 : TP HYDRAULIQUE. SH                        Page:57

                                                 TP N°14
XIV. VALVE D’EQUILIBRAGE DOUBLE


OBJECTIF :

   1. Etude et compréhension du mode de fonctionnement de la valve d’équilibrage
   2. Réalisation du schéma
   3. Essais – Mesures


DONNEES DE L’EXERCICE :

   1. Construire un circuit hydraulique selon le schéma
   2. Déterminer le fonctionnement de la valve d’équilibrage
   1. Construire le circuit électrique selon le schéma


DESCRIPTION :


La valve d’équilibrage a pour fonction de contrôler la vitesse des vérins et moteurs hydrauliques
indépendamment de la charge (pour éviter l’emballement).

Elle permet également le verrouillage sans fuite d’un orifice d’utilisation et assure la fonction sécurité
contre la chute d’une charge lors de la rupture d’une canalisation.


COMPOSANTS NECESSAIRES :


                DESIGNATION                       Qté               DESIGNATION                  Qté
  Groupe générateur de débit                       1     Manomètres (N°1)                         1
  Limiteur de pression (N°2-1)                     1     Distributeur 4/3 (N°8)                   1
  Valve d’équilibrage (N°42)                       1     Distributeur 4/2 (N°3)                   1
  Vérin avec charge suspendue (N°80)               1


PROCEDURE :

   1.   Préparation
   2.   Réalisation du montage
   3.   Contrôle du montage
   4.   Réalisation de l’exercice
   5.   Démontage


PRECAUTION :

   1. Ne pas mettre en route le groupe hydraulique avant la vérification du montage.
   2. Ne pas corriger une erreur de montage lorsque le groupe hydraulique est en fonctionnement.
   3. Décomprimer les circuits sous pression.




                                        Numéro de document :02-05
RUBRIQUE N°6 : TP HYDRAULIQUE. SH                           Page:58

                                                         TP N°14
SCHEMA HYDRAULIQUE DE PRINCIPE :




Groupe hydraulique

Afin d’assurer une fermeture parfaite de la valve d’ équilibrage VE, le distributeur D1 a les orifices
reliés au réservoir en position neutre (décompression de la chambre de pilotage).

Ce montage permet également d’éviter les surpressions dans le vérin en cas de surcharge importante
du vérin en statique.

La valve d’équilibrage assure alors la fonction « valve de surpression ».




                                         Numéro de document :02-05
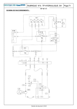
RUBRIQUE N°6 : TP HYDRAULIQUE. SH   Page:59

                                          TP N°14
SCHEMA DE RACCORDEMENTS :




                            Numéro de document :02-05
RUBRIQUE N°6 : TP HYDRAULIQUE. SH                       Page:60

                                                       TP N°14
ESSAIS MESURES :


Reporter dans le tableau ci-dessous les valeurs des pressions relevées.


                                      ETAT DES SOLENOIDES

          AU REPOS                             Y2 – Y3                         Y1 – Y3

   M1          M2         M3          M1          M2          M3          M1     M2         M3




SCHEMA ELECTRIQUE :




Un appui maintenu sur le bouton poussoir S2 provoque la sortie du vérin.

Un appui maintenu sur le bouton poussoir S1 provoque la rentrée du vérin.

L’action simultanée sur S1 et S2 provoque l’arrêt du vérin.




                                       Numéro de document :02-05
RUBRIQUE N°6 : TP HYDRAULIQUE. SH                  Page:61

                                                 TP N°15
XV. REGLAGE DE VITESSE EN ENTREE DU VERIN


OBJECTIF :

   1. Etude et compréhension de ce mode de régulation
   2. Réalisation du schéma
   3. Essais – Mesures


DONNEES DE L’EXERCICE :

   1. Construire un circuit hydraulique selon le schéma
   2. Déterminer l’influence de ce mode de régulation dans le circuit hydraulique
   3. Construire le circuit électrique selon le schéma


DESCRIPTION :

Ce type de réglage ne permet pas le contrôle d’une charge motrice. Il est utilisé seulement associé
avec une valve de contrôle de charge (valve d’équilibrage) ou dans le cas de récepteurs ayant la
charge résistante.


COMPOSANTS NECESSAIRES :


                DESIGNATION                     Qté                DESIGNATION            Qté
  Groupe générateur de débit                     1      Manomètres (N°1)                   1
  Limiteur de pression (N°2)                     1      Distributeur 4/3 (N°9)             1
  Vérin avec charge suspendue (N°80)             1      Limiteur de débit (N°13)           1


PROCEDURE :

   1.   Préparation
   2.   Réalisation du montage
   3.   Contrôle du montage
   4.   Réalisation de l’exercice
   5.   Démontage


PRECAUTION :

   1. Ne pas mettre en route le groupe hydraulique avant la vérification du montage.
   2. Ne pas corriger une erreur de montage lorsque le groupe hydraulique est en fonctionnement.
   3. Décomprimer les circuits sous pression.




                                       Numéro de document :02-05
RUBRIQUE N°6 : TP HYDRAULIQUE. SH                   Page:62

                                                       TP N°15
SCHEMA HYDRAULIQUE DE PRINCIPE :




                              Y2




Groupe hydraulique

Ouvrir complètement le limiteur de débit LD. Observer les pressions M1, M2, M3 pendant la montée
de la tige du vérin.

Régler le limiteur de débit LD de façon à ralentir la montée de la tige du vérin.

Observer de nouveau les pressions M1, M2, M3.




                                        Numéro de document :02-05
RUBRIQUE N°6 : TP HYDRAULIQUE. SH   Page:63

                                          TP N°15
SCHEMA DE RACCORDEMENTS :




                            Numéro de document :02-05
RUBRIQUE N°6 : TP HYDRAULIQUE. SH                         Page:64

                                                     TP N°15
ESSAIS MESURES :

Reporter dans le tableau ci-dessous les valeurs des pressions relevés pendant la rentrée de la tige du
vérin.

            LIMITEUR DE DEBIT LD                                   LIMITEUR DE DEBIT LD
                  OUVERT                                              EN REGULATION

      M1               M2               M3                 M1              M2               M3




SCHEMA ELECTRIQUE :




                                       Numéro de document :02-05
RUBRIQUE N°6 : TP HYDRAULIQUE. SH                      Page:65

                                                 TP N°16

XVI. REGLAGE DE VITESSE EN SORTIE DU VERIN


OBJECTIF :

   1. Etude et compréhension de ce mode de régulation
   2. Réalisation du schéma
   3. Essais – Mesures


DONNEES DE L’EXERCICE :

   1. Construire un circuit hydraulique selon le schéma
   2. Déterminer l’influence de ce mode de régulation dans le circuit hydraulique
   3. Construire le circuit électrique selon le schéma


DESCRIPTION :

Le réglage de vitesse en sortie du vérin est utilisé pour une meilleure maîtrise d’une charge motrice.
Ce montage est à proscrire dans le circuit comportant déjà un organe de régulation, par exemple
valve d’équilibrage + limiteur de débit branché en série.

Il faut également faire attention lorsque le limiteur de débit est monté en aval d’un clapet piloté. Ce
dernier doit être obligatoirement drainé.


COMPOSANTS NECESSAIRES :


                DESIGNATION                     Qté                DESIGNATION                Qté
  Groupe générateur de débit                     1      Manomètres (N°1)                       1
  Limiteur de pression (N°2)                     1      Distributeur 4/3 (N°9)                 1
  Vérin avec charge suspendue (N°80)             1      Limiteur de débit (N°12)               1


PROCEDURE :

   1.   Préparation
   2.   Réalisation du montage
   3.   Contrôle du montage
   4.   Réalisation de l’exercice
   5.   Démontage


PRECAUTION :

   1. Ne pas mettre en route le groupe hydraulique avant la vérification du montage.
   2. Ne pas corriger une erreur de montage lorsque le groupe hydraulique est en fonctionnement.
   3. Décomprimer les circuits sous pression.




                                       Numéro de document :02-05
RUBRIQUE N°6 : TP HYDRAULIQUE. SH                         Page:66

                                                     TP N°16
SCHEMA HYDRAULIQUE DE PRINCIPE :




Groupe hydraulique


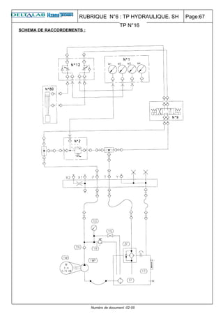
Ouvrir complètement le limiteur de débit LD1 et LD2.
Observer les pressions M1, M2, M3 pendant la montée de la tige du vérin.

Régler les deux limiteurs de débit LD1 et LD2, de façon à ralentir le mouvement de la tige du vérin.
Observer les pressions M1, M2, M3 pendant la montée et la descente de la tige du vérin.




                                       Numéro de document :02-05
RUBRIQUE N°6 : TP HYDRAULIQUE. SH   Page:67
                                            TP N°16
SCHEMA DE RACCORDEMENTS :




                            Numéro de document :02-05
RUBRIQUE N°6 : TP HYDRAULIQUE. SH                          Page:68

                                                     TP N°16
ESSAIS MESURES :



Reporter dans le tableau ci-dessous les valeurs des pressions relevées pendant la rentrée de la tige
du vérin.

           LIMITEUR DE DEBIT LD1                                   LIMITEUR DE DEBIT LD1
                  OUVERT                                              EN REGULATION

      M1               M2               M3                 M1               M2              M3




           LIMITEUR DE DEBIT LD2                                   LIMITEUR DE DEBIT LD2
                  OUVERT                                              EN REGULATION

      M1               M2               M3                 M1               M2              M3




SCHEMA ELECTRIQUE :




                                       Numéro de document :02-05
RUBRIQUE N°6 : TP HYDRAULIQUE. SH                     Page:69

                                                 TP N°17

XVII. REGLAGE DE VITESSE EN ENTREE DU VERIN AVEC VALVE DE SEQUENCE EN SORTIE


OBJECTIF :

   1. Etude et compréhension de ce mode de fonctionnement
   2. Réalisation du schéma
   3. Essais – Mesures


DONNEES DE L’EXERCICE :

   1. Construire un circuit hydraulique selon le schéma
   2. Déterminer l’influence de ce mode de fonctionnement dans le circuit hydraulique
   3. Construire le circuit électrique selon le schéma


DESCRIPTION :

La valve de séquence est utilisée dans l’exercice en tant que valve de contrôle de charge non pilotée.
La vitesse de descente de la charge est proportionnelle au débit d’alimentation du vérin.

La charge ne peut s’emballer, à la condition que la valve de séquence soit tarée à une pression
supérieure à la pression générée par la charge. Si le tarage de la valve de séquence est trop élevé,
le bilan énergétique d l’installation sera médiocre.


COMPOSANTS NECESSAIRES :


                DESIGNATION                     Qté                DESIGNATION               Qté
  Groupe générateur de débit                     1      Manomètres (N°1)                      1
  Limiteur de pression (N°2)                     1      Distributeur 4/3 (N°3)                1
  Vérin avec charge suspendue (N°80)             1      Limiteur de débit (N°12)              1
  Valve de séquence (N°16)                       1


PROCEDURE :

   1.   Préparation
   2.   Réalisation du montage
   3.   Contrôle du montage
   4.   Réalisation de l’exercice
   5.   Démontage


PRECAUTION :

   1. Ne pas mettre en route le groupe hydraulique avant la vérification du montage.
   2. Ne pas corriger une erreur de montage lorsque le groupe hydraulique est en fonctionnement.
   3. Décomprimer les circuits sous pression.




                                       Numéro de document :02-05
RUBRIQUE N°6 : TP HYDRAULIQUE. SH                          Page:70

                                                      TP N°17
SCHEMA HYDRAULIQUE DE PRINCIPE :




Groupe hydraulique

Monter la tige du vérin. Ouvrir le robinet R1 et arrêter la pompe.
Ouvrir le limiteur de débit LD et détarer la valve de séquence à la limite du glissement de la charge.

Resserrer le volant de la valve de séquence d’un tour. Mettre en route la pompe et fermer le
robinet R1. Descendre et monter la tige du vérin et observer l’influence des différents réglages du LD.




                                        Numéro de document :02-05
RUBRIQUE N°6 : TP HYDRAULIQUE. SH   Page:71
                                          TP N°17
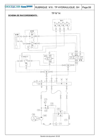
SCHEMA DE RACCORDEMENTS :




                            Numéro de document :02-05
RUBRIQUE N°6 : TP HYDRAULIQUE. SH                        Page:72

                                                  TP N°17
ESSAIS MESURES :

Reporter dans le tableau ci-dessous les valeurs de pression relevées pendant la montée et la
descente de la charge.


            LIMITEUR DE DEBIT LD                                  LIMITEUR DE DEBIT LD
                  OUVERT                                             EN REGULATION

       MONTEE                   DESCENTE                   MONTEE                  DESCENTE

 M1       M2      M3       M1      M2       M3       M1       M2       M3     M1      M2       M3




SCHEMA ELECTRIQUE :




                                      Numéro de document :02-05
RUBRIQUE N°6 : TP HYDRAULIQUE. SH                           Page:73

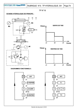
                                                    TP N°18

XVIII. AVANCE RAPIDE, VITESSE LENTE REGLABLE EN FIN DE COURSE


OBJECTIF :

   1. Etude et compréhension de ce mode de fonctionnement
   2. Réalisation du schéma
   3. Essais – Mesures


DONNEES DE L’EXERCICE :

   1. Construire un circuit hydraulique selon le schéma
   2. Déterminer l’influence de ce mode de fonctionnement dans le circuit hydraulique
   3. Construire le circuit électrique selon le schéma


DESCRIPTION :

Le déplacement des charges inertielles nécessite un ralentissement avant l’arrêt. L’un des moyens
utilisés, est l’exploitation de l’information d’un micro contact pour dévier le débit refoulé par le vérin au
travers d’un régulateur de débit. On obtient ainsi une décélération par palier.


COMPOSANTS NECESSAIRES :


                DESIGNATION                        Qté                DESIGNATION                   Qté
  Groupe générateur de débit                        1      Manomètres (N°1)                          1
  Limiteur de pression (N°2)                        1      Distributeur 4/3 (N°3)                    1
  Vérin horizontal (N°24)                           1      Régulateur de débit (N°14)                1
                                                           Distributeur 4/3 (N°9)                    1


PROCEDURE :

   1.   Préparation
   2.   Réalisation du montage
   3.   Contrôle du montage
   4.   Réalisation de l’exercice
   5.   Démontage


PRECAUTION :

   1. Ne pas mettre en route le groupe hydraulique avant la vérification du montage.
   2. Ne pas corriger une erreur de montage lorsque le groupe hydraulique est en fonctionnement.
   3. Décomprimer les circuits sous pression.




                                         Numéro de document :02-05
RUBRIQUE N°6 : TP HYDRAULIQUE. SH   Page:74

                                         TP N°18
SCHEMA HYDRAULIQUE DE PRINCIPE :




                             Numéro de document :02-05
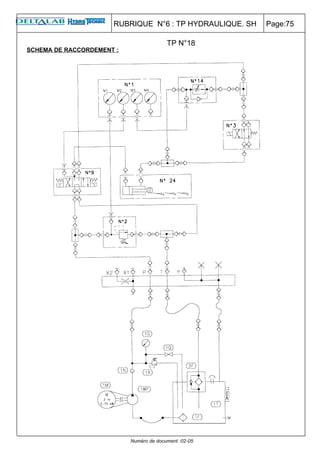
RUBRIQUE N°6 : TP HYDRAULIQUE. SH   Page:75

                                         TP N°18
SCHEMA DE RACCORDEMENT :




                           Numéro de document :02-05
RUBRIQUE N°6 : TP HYDRAULIQUE. SH                        Page:76


                                                  TP N°18
ESSAIS MESURES :

Reporter dans le tableau ci-dessous les valeurs des pressions relevées.



           ETAPE 1                           ETAPE 2                           ETAPE 3

   M1         M2          M3         M1         M2           M3           M1     M2         M3




SCHEMA ELECTRIQUE :




                                      Numéro de document :02-05
RUBRIQUE N°6 : TP HYDRAULIQUE. SH                   Page:77

                                                 TP N°19

XIX. CIRCUIT DE DEUX VERINS EN SERIE


OBJECTIF :

   1. Etude et compréhension de ce mode de fonctionnement des récepteurs en série
   2. Réalisation du schéma
   3. Essais – Mesures


DONNEES DE L’EXERCICE :

   1. Construire un circuit hydraulique selon le schéma
   2. Déterminer l’influence de ce mode de fonctionnement dans le circuit hydraulique
   3. Construire le circuit électrique selon le schéma


DESCRIPTION :

Dans les branchements en série de deux vérins, l’alimentation du second provient du premier. A
charges égales, le premier vérin sera en plus soumis à la pression équivalente en provenance du
second.

Des vitesses identiques dans les 2 sens de mouvement peuvent être obtenues, si les sections des
vérins sont identiques. Les récepteurs idéaux pour ce type de branchement sont les vérins double
tige ou les moteurs (de même cylindrée).


COMPOSANTS NECESSAIRES :


               DESIGNATION                      Qté                DESIGNATION            Qté
 Groupe générateur de débit                      1      Manomètres (N°1)                   1
 Limiteur de pression (N°2)                      1      Vérin horizontal (N°24)            1
 Vérin avec charge suspendue (N°80)              1      Distributeur 4/3 (N°9)             1


PROCEDURE :

   1.   Préparation
   2.   Réalisation du montage
   3.   Contrôle du montage
   4.   Réalisation de l’exercice
   5.   Démontage


PRECAUTION :

   1. Ne pas mettre en route le groupe hydraulique avant la vérification du montage.
   2. Ne pas corriger une erreur de montage lorsque le groupe hydraulique est en fonctionnement.
   3. Décomprimer les circuits sous pression.




                                       Numéro de document :02-05
RUBRIQUE N°6 : TP HYDRAULIQUE. SH                           Page:78


                                                      TP N°19
SCHEMA HYDRAULIQUE DE PRINCIPE :




Groupe hydraulique

Avant le raccordement définitif s’assurer que la tige du vérin VA soit complètement sortie, et la tige du
vérin VB soit complètement rentrée.
La ligne (M3) doit être exempte de l’air.




                                        Numéro de document :02-05
RUBRIQUE N°6 : TP HYDRAULIQUE. SH   Page:79
                                       TP N°19
SCHEMA DE RACCORDEMENT :




                           Numéro de document :02-05
RUBRIQUE N°6 : TP HYDRAULIQUE. SH                     Page:80


                                                   TP N°19
ESSAIS MESURES :

Reporter dans le tableau ci-dessous les valeurs des pressions relevées.



                                     ETAT DES SOLENOIDES

          AU REPOS                               Y1                             Y2

 M1       M2      M3       M4       M1      M2        M3      M4      M1   M2        M3   M4




COMMENTAIRES :




SCHEMA ELECTRIQUE :




                                      Numéro de document :02-05
RUBRIQUE N°6 : TP HYDRAULIQUE. SH                   Page:81

                                                 TP N°20


XX. CIRCUIT DE DEUX VERINS EN PARALLELE


OBJECTIF :

   1. Etude et compréhension de ce mode de fonctionnement des récepteurs en parallèle
   2. Réalisation du schéma
   3. Essais – Mesures


DONNEES DE L’EXERCICE :

   1. Construire un circuit hydraulique selon le schéma
   2. Déterminer l’influence de ce mode de fonctionnement dans le circuit hydraulique
   3. construire le circuit électrique selon le schéma


DESCRIPTION :

Un branchement en parallèle de 2 vérins alimentés par un distributeur ne garantit nullement la
marche en parallèle des 2 tiges. Le débit d’huile va vers le circuit qui présente le moins de
résistance. En effet, la tige du vérin le moins chargé démarre en premier, voire se déplace à plus
grande vitesse.

Une marche en parallèle hydraulique, avec une précision limitée est possible si les 2 débits sont
contrôlés par un diviseur de débit.


COMPOSANTS NECESSAIRES :


                DESIGNATION                     Qté                DESIGNATION            Qté
  Groupe générateur de débit                     1      Manomètres (N°1)                   1
  Limiteur de pression (N°2)                     1      Valve d’équilibrage (N°42)         1
  Vérin avec charge suspendue (N°80)             1      Distributeur 4/3 (N°9)             1
  Vérin horizontal (N°24)                        1


PROCEDURE :

   1.   Préparation
   2.   Réalisation du montage
   3.   Contrôle du montage
   4.   Réalisation de l’exercice
   5.   Démontage


PRECAUTION :

   1. Ne pas mettre en route le groupe hydraulique avant la vérification du montage.
   2. Ne pas corriger une erreur de montage lorsque le groupe hydraulique est en fonctionnement.
      Décomprimer les circuits sous pression.



                                       Numéro de document :02-05
RUBRIQUE N°6 : TP HYDRAULIQUE. SH                        Page:82


                                                      TP N°20
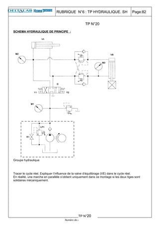
SCHEMA HYDRAULIQUE DE PRINCIPE :




Groupe hydraulique



Tracer le cycle réel. Expliquer l’influence de la valve d’équilibrage (VE) dans le cycle réel.
En réalité, une marche en parallèle s’obtient uniquement dans ce montage si les deux tiges sont
solidaires mécaniquement.




                                                TP N°20
                                      Numéro de document :02-05
RUBRIQUE N°6 : TP HYDRAULIQUE. SH   Page:83


SCHEMA DE RACCORDEMENTS :




                            Numéro de document :02-05
RUBRIQUE N°6 : TP HYDRAULIQUE. SH                       Page:84

                                                     TP N°20
ESSAIS MESURES :

Reporter dans le tableau ci-dessous les valeurs de pression relevées.



   AU REPOS                VA+                    VB+                    VA-             VB-

 M1    M2     M3     M1     M2     M3      M1     M2      M3        M1   M2    M3   M1   M2    M3




COMMENTAIRES :




SCHEMA ELECTRIQUE :




                                        Numéro de document :02-05
RUBRIQUE N°6 : TP HYDRAULIQUE. SH                   Page:85

                                                 TP N°21

XXI. CIRCUIT AVEC DEUX VERINS ET TROIS DISTRIBUTEURS


OBJECTIF :

   1. Etude et compréhension de ce mode de fonctionnement d’un circuit avec plusieurs récepteurs
      indépendants
   2. Réalisation du schéma
   3. Essais – Mesures


DONNEES DE L’EXERCICE :

   1. Construire un circuit hydraulique selon le schéma
   2. Déterminer l’influence de ce mode de fonctionnement dans le circuit hydraulique
   3. Construire le circuit électrique selon le schéma


DESCRIPTION :

Dans un circuit comprenant plusieurs récepteurs indépendants, chaque récepteur doit être
commandé par son distributeur. Ils peuvent être actionnés simultanément, mais avec les
inconvénients des récepteurs branchés en parallèle.


COMPOSANTS NECESSAIRES :


               DESIGNATION                      Qté                DESIGNATION            Qté
 Groupe générateur de débit                      1      Manomètres (N°1)                   1
 Limiteur de pression (N°2-1)                    1      Distributeur 4/2 (N°3)             1
 Vérin avec charge suspendue (N°80)              1      Distributeur 4/3 (N°7)             1
 Vérin horizontal (N°24)                         1      Distributeur 4/3 (N°8)             1
 Valve d’équilibrage double (N°42)               1


PROCEDURE :

   1.   Préparation
   2.   Réalisation du montage
   3.   Contrôle du montage
   4.   Réalisation de l’exercice
   5.   Démontage


PRECAUTION :

   1. Ne pas mettre en route le groupe hydraulique avant la vérification du montage.
   2. Ne pas corriger une erreur de montage lorsque le groupe hydraulique est en fonctionnement.
      Décomprimer les circuits sous pression.




                                       Numéro de document :02-05
RUBRIQUE N°6 : TP HYDRAULIQUE. SH                      Page:86


                                                     TP N°21
SCHEMA HYDRAULIQUE DE PRINCIPE :




Groupe hydraulique


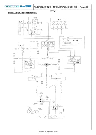
Dans ce circuit, les distributeurs D1 et D2 ont des centres fermés.
Le rôle du distributeur D2 est de créer le by-pass de la pompe au repos (fonctionnement sans
pression donc sans laminage à travers le limiteur de pression LP2).

Tracer le cycle réel lorsque les 2 vérins sont actionnés simultanément.




                                       Numéro de document :02-05
RUBRIQUE N°6 : TP HYDRAULIQUE. SH   Page:87
                                        TP N°21
SCHEMA DE RACCORDEMENTS :




                            Numéro de document :02-05
RUBRIQUE N°6 : TP HYDRAULIQUE. SH                             Page:88

                                                        TP N°21
ESSAIS MESURES :

Reporter dans le tableau ci-dessous les valeurs de pression relevées.



                                     ETAT DES SOLENOIDES

   AU REPOS               Y1 & Y5                Y2 & Y5                  Y3 & Y5             Y4 & Y5

 M1    M2     M3     M1     M2      M3      M1     M2      M3        M1     M2      M3   M1     M2      M3




COMMENTAIRES :



SCHEMA ELECTRIQUE :




                                         Numéro de document :02-05
RUBRIQUE N°6 : TP HYDRAULIQUE. SH                       Page:89

                                                 TP N°22


XXII. COMMANDE SEQUENTIELLE DE 2 VERINS


OBJECTIF :

   1. Etude et compréhension de ce mode de fonctionnement d’un circuit séquentiel
   2. Réalisation du schéma
   3. Essais – Mesures


DONNEES DE L’EXERCICE :

   1. Construire un circuit hydraulique selon le schéma
   2. Déterminer l’influence de ce mode de fonctionnement dans le circuit hydraulique
   3. Construire le circuit électrique selon le schéma


DESCRIPTION :

La commande séquentielle hydraulique est déclenchée par la pression. Exemple d’application : circuit
de vérin de bridage et d’avance.


COMPOSANTS NECESSAIRES :


                DESIGNATION                     Qté                DESIGNATION                Qté
  Groupe générateur de débit                     1      Manomètres (N°1)                       1
  Limiteur de pression (N°2)                     1      Valve de séquence (N°16)               1
  Vérin avec charge suspendue (N°80)             1      Distributeur 4/3 (N°7)                 1
  Vérin horizontal (N°24)                        1      Valve d’équilibrage double (N°42)      1


PROCEDURE :

   1.   Préparation
   2.   Réalisation du montage
   3.   Contrôle du montage
   4.   Réalisation de l’exercice
   5.   Démontage


PRECAUTION :

   1. Ne pas mettre en route le groupe hydraulique avant la vérification du montage.
   2. Ne pas corriger une erreur de montage lorsque le groupe hydraulique est en fonctionnement.
   3. Décomprimer les circuits sous pression.




                                       Numéro de document :02-05
RUBRIQUE N°6 : TP HYDRAULIQUE. SH                       Page:90

                                                      TP N°22
SCHEMA HYDRAULIQUE DE PRINCIPE :




Groupe hydraulique

La tige du vérin VB ne sort que lorsque celle du vérin VA est arrivée en butée et que la pression
préréglée à la valeur de séquence est atteinte. (Exemple de réglage : 40 bar).
Le niveau de pression de la valve de séquence à pilotage interne est réglable. On obtient également
un mouvement séquentiel en rentrée de tige du vérin VB, dû à la charge (m).




                                      Numéro de document :02-05
RUBRIQUE N°6 : TP HYDRAULIQUE. SH   Page:91
DIAGRAMMES FONCTIONNELS :




                            Numéro de document :02-05
RUBRIQUE N°6 : TP HYDRAULIQUE. SH   Page:92

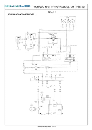
                                          TP N°22
SCHEMA DE RACCORDEMENTS :




                            Numéro de document :02-05
RUBRIQUE N°6 : TP HYDRAULIQUE. SH                   Page:93

                                                  TP N°22
ESSAIS MESURES :


Reporter dans le tableau ci-dessous les valeurs de pression relevées.




                 VA+                  VB+                   VA-              VB-

           M1     M2     M3    M1     M2     M3     M1      M2    M3    M1   M2    M3




COMMENTAIRES :




SCHEMA ELECTRIQUE :




                                      Numéro de document :02-05

Tp 8 à 22

  • 1.
    RUBRIQUE N°6 :TP HYDRAULIQUE. SH Page:31 RUBRIQUE N°6 Numéro de document :02-05
  • 2.
    RUBRIQUE N°6 :TP HYDRAULIQUE. SH Page:32 SOMMAIRE VII – DISTRIBUTEUR ......................................................................................................................................33 IX - VERIN DOUBLE EFFET ........................................................................................................................37 X. CIRCUIT D’UN VERIN DIFFERENTIEL ................................................................................................41 XI. CLAPET ANTI RETOUR ..........................................................................................................................45 XII - CLAPET ANTI RETOUR PILOTE........................................................................................................49 XIII - CLAPET ANTI RETOUR PILOTE DOUBLE ...................................................................................53 XIV. VALVE D’EQUILIBRAGE DOUBLE ...................................................................................................57 XV. REGLAGE DE VITESSE EN ENTREE DU VERIN..............................................................................61 XVI. REGLAGE DE VITESSE EN SORTIE DU VERIN..............................................................................65 XVII. REGLAGE DE VITESSE EN ENTREE DU VERIN AVEC VALVE DE SEQUENCE EN SORTIE ...............................................................................................................................................................................69 XVIII. AVANCE RAPIDE, VITESSE LENTE REGLABLE EN FIN DE COURSE..................................73 XIX. CIRCUIT DE DEUX VERINS EN SERIE .............................................................................................77 XX. CIRCUIT DE DEUX VERINS EN PARALLELE ..................................................................................81 XXI. CIRCUIT AVEC DEUX VERINS ET TROIS DISTRIBUTEURS ......................................................85 XXII. COMMANDE SEQUENTIELLE DE 2 VERINS ................................................................................89 TP N°8 Numéro de document :02-05
  • 3.
    RUBRIQUE N°6 :TP HYDRAULIQUE. SH Page:33 VII – DISTRIBUTEUR OBJECTIF : 1. Etude et compréhension du mode de fonctionnement du distributeur. 2. Réalisation du schéma. 3. Essais-mesures. DONNEES DE L’EXERCICE : 1. Construire un circuit hydraulique selon le schéma. 2. Déterminer le fonctionnement du distributeur. DESCRIPTION : Le distributeur a pour fonction de contrôler le passage, l’arrêt ou la direction d’un fluide. COMPOSANTS NECESSAIRES : DESIGNATION Qté DESIGNATION Qté Groupe générateur de débit 1 Manomètres (N°1) 1 Limiteur de pression (N°2) 1 Distributeur 4/3 (N°9) 1 Débitmètre (N°47) 1 PROCEDURE : 1. Préparation des composants 2. Réalisation du montage 1. Contrôle du montage 2. Réalisation de l’exercice 3. Démontage PRECAUTION : 1. Ne pas mettre en route le groupe hydraulique avant la vérification du montage. 2. Ne pas corriger une erreur de montage lorsque le groupe hydraulique est en fonctionnement. 3. Décomprimer les circuits sous pression. Numéro de document :02-05
  • 4.
    RUBRIQUE N°6 :TP HYDRAULIQUE. SH Page:34 TP N°8 SCHEMA HYDRAULIQUE DE PRINCIPE : Groupe hydraulique Observer les pressions M1, M2, et M3 dans les trois positions du distributeur. Recommencer la même manipulation avec le distributeur 4/3 centre Y et centre fermé, puis avec le distributeur 4/2. TP N°8 SCHEMA DE RACCORDEMENT : Numéro de document :02-05
  • 5.
    RUBRIQUE N°6 :TP HYDRAULIQUE. SH Page:35 TP N°8 Numéro de document :02-05
  • 6.
    RUBRIQUE N°6 :TP HYDRAULIQUE. SH Page:36 ESSAIS MESURES : Reporter dans le tableau ci-dessous les valeurs des pressions relevées pour les 3 positions des distributeurs. ETAT DU DISTRIBUTEUR Y1 REPOS Y2 Distributeur N° M1 M2 M3 M1 M2 M3 M1 M2 M3 7 8 9 3 10 SCHEMA ELECTRIQUE : TP N°9 Numéro de document :02-05
  • 7.
    RUBRIQUE N°6 :TP HYDRAULIQUE. SH Page:37 IX - VERIN DOUBLE EFFET OBJECTIF : 1. Etude et compréhension du mode de fonctionnement du vérin double effet 2. Réalisation du schéma 3. Essais – Mesures DONNEES DE L’EXERCICE : 1. Construire un circuit hydraulique selon le schéma 2. Déterminer le fonctionnement du vérin double effet 3. Construire le circuit électrique selon le schéma DESCRIPTION : Le vérin double effet a pour fonction de transformer l’énergie hydraulique en énergie mécanique, en gérant une force animée d’un mouvement rectiligne. Cette force dépend de la section efficace et de la pression de service. Le vérin double effet est moteur dans les 2 sens de déplacement. COMPOSANTS NECESSAIRES : DESIGNATION Qté DESIGNATION Qté Groupe générateur de débit 1 Manomètres (N°1) 1 Limiteur de pression (N°2) 1 Distributeur 4/3 (N°9) 1 Vérin horizontal (N°24) 1 Débitmètre (N°47) 1 PROCEDURE : 1. Préparation 2. Réalisation du montage 3. Contrôle du montage 4. Réalisation de l’exercice 5. Démontage PRECAUTION : 1. Ne pas mettre en route le groupe hydraulique avant la vérification du montage. 2. Ne pas corriger une erreur de montage lorsque le groupe hydraulique est en fonctionnement. 3. Décomprimer les circuits sous pression. Numéro de document :02-05
  • 8.
    RUBRIQUE N°6 :TP HYDRAULIQUE. SH Page:38 TP N°9 SCHEMA HYDRAULIQUE DE PRINCIPE : Groupe hydraulique La pression arrivant du circuit (orifice A) agit sur le piston (section pleine). Ceci a pour conséquence le mouvement de sortie de tige du vérin, qui génère une force F1= P2 . A1 animée de la vitesse V1 = (Q) / (A1) Pour le mouvement de rentrée de tige, le vérin génère une force F2 = P3 (A1 – A2) animée de la vitesse V2 = (Q) / (A1- A2) A1 = section pleine ; A2 = section de la tige. Relever les pressions M1, M2 et M3, les débits Q1, Q2 et les vitesses V1 et V2. Pour mesurer Q1, Q2, Q3 placer le débitmètre N°47 aux divers endroits du circuit indiqués sur le schéma de raccordement. Numéro de document :02-05
  • 9.
    RUBRIQUE N°6 :TP HYDRAULIQUE. SH Page:39 TP N°9 SCHEMA DE RACCORDEMENTS : Nota : Raccorder les débitmètres N°47 à l’endroit ou l’on souhaite faire la mesure. Numéro de document :02-05
  • 10.
    RUBRIQUE N°6 :TP HYDRAULIQUE. SH Page:40 TP N°9 ESSAIS MESURES : Reporter dans le tableau ci-dessous les valeurs des débits, pressions et vitesses. DISTRIBUTEUR VERIN (Etat du solénoïde) DEBIT (l/mn) PRESSION (bar) Vitesse (mm/s) RENTRE Y1 Y2 SORTIE Q1 Q2 Q3 M1 M2 M3 E REPOS REPOS   SCHEMA ELECTRIQUE: a°) Un appui maintenu sur le b°) Une impulsion sur le bouton poussoir S1 provoque le cycle bouton poussoir S1 provoque la automatique d’aller-retour du vérin A. Une impulsion sur le bouton sortie du vérin A qui s’arrête dès poussoir S3 provoque l’arrêt du cycle. Un nouveau cycle automa- que S1 est relâché. tique n’est possible que si le fin de course a1 est activé. Numéro de document :02-05
  • 11.
    RUBRIQUE N°6 :TP HYDRAULIQUE. SH Page:41 TP N°10 X. CIRCUIT D’UN VERIN DIFFERENTIEL OBJECTIF : 1. Etude et compréhension du mode de fonctionnement du vérin différentiel 2. Réalisation du schéma 3. Essais – Mesures DONNEES DE L’EXERCICE : 1. Construire un circuit hydraulique selon le schéma 2. Déterminer le fonctionnement du vérin différentiel 3. Construire le circuit électrique selon le schéma DESCRIPTION : Le vérin différentiel a pour fonction de transformer l’énergie hydraulique en énergie mécanique en générant une force animée d’un mouvement rectiligne. Pour un vérin dont le rapport de section est de 2/1 (vérin dit différentiel), la vitesse et la force de sortie de tige sont les mêmes que celles de rentrée. Pour un vérin dont le rapport de section est de 1.5/1, la vitesse de sortie est deux fois plus rapide que la rentrée, et la force de sortie est deux fois plus petite. En effet, le mouvement de sortie de tige génère une force F1=P2. A2 animée de vitesse V1=Q/A2. COMPOSANTS NECESSAIRES : DESIGNATION Qté DESIGNATION Qté Groupe générateur de débit 1 Manomètres (N°1) 1 Limiteur de pression (N°2) 1 Distributeur 4/3 (N°9) 1 Vérin horizontal (N°24) 1 Débitmètre (N°47) 1 PROCEDURE : 1. Préparation 2. Réalisation du montage 3. Contrôle du montage 4. Réalisation de l’exercice 5. Démontage PRECAUTION : 1. Ne pas mettre en route le groupe hydraulique avant la vérification du montage. 2. Ne pas corriger une erreur de montage lorsque le groupe hydraulique est en fonctionnement. 3. Décomprimer les circuits sous pression. Numéro de document :02-05
  • 12.
    RUBRIQUE N°6 :TP HYDRAULIQUE. SH Page:42 TP N°10 SCHEMA HYDRAULIQUE DE PRINCIPE : Groupe hydraulique L’alimentation du vérin par l’orifice A assure la sortie de tige. L’huile récupérée côté tige est additionnée à celle débitée par la pompe. Numéro de document :02-05
  • 13.
    RUBRIQUE N°6 :TP HYDRAULIQUE. SH Page:43 TP N°10 SCHEMA DE RACCORDEMENTS : Nota : Raccorder les débitmètres N°47 à l’endroit ou l’on souhaite faire la mesure. Numéro de document :02-05
  • 14.
    RUBRIQUE N°6 :TP HYDRAULIQUE. SH Page:44 TP N°10 ESSAIS MESURES : Reporter dans le tableau ci-dessous les valeurs des débits, pressions. Indiquer le sens de déplacement de la tige du vérin. DISTRIBUTEUR VERIN (Etat du solénoïde) DEBIT (l/mn) PRESSION (bar) Vitesse (mm/s) RENTRE Y1 Y2 SORTIE Q1 Q2 Q3 M1 M2 E REPOS REPOS   SCHEMA ELECTRIQUE : a°) Un appui maintenu sur le bouton poussoir S1 provoque la sortie du vérin A qui s’arrête dès que S1 est relâché. . b°) La rotation du bouton S5 provoque la sortie du vérin VB qui s’arrête dès que l’on remet S5 à 0 réciproquement la rotation de S6 provoque la rentrée de VB. c°) Une impulsion sur le bouton poussoir S1 provoque la sortie du vérin A qui s’arrête dès que l’on appuie sur l e bouton S3. Fonctionnement analogique pour S2. Numéro de document :02-05
  • 15.
    RUBRIQUE N°6 :TP HYDRAULIQUE. SH Page:45 TP N°11 XI. CLAPET ANTI RETOUR OBJECTIF : 1. Etude et compréhension du mode de fonctionnement du clapet anti retour 2. Réalisation du schéma 3. Essais – Mesures DONNEES DE L’EXERCICE : 1. Construire un circuit hydraulique selon le schéma 2. Déterminer le fonctionnement du clapet anti-retour 3. construire le circuit électrique selon le schéma DESCRIPTION : Le clapet anti retour a pour fonction de bloquer le passage du fluide dans un sens et de permettre le débit libre dans l’autre sens. COMPOSANTS NECESSAIRES : DESIGNATION Qté DESIGNATION Qté Groupe générateur de débit 1 Manomètres (N°1) 1 Limiteur de pression (N°2) 1 Distributeur (N°3) 1 Vérin (N°80) 1 Distributeur (N°7) 1 Clapet anti retour (N°6) 1 Débitmètre (N°47) 1 PROCEDURE : 1. Préparation 2. Réalisation du montage 3. Contrôle du montage 4. Réalisation de l’exercice 5. Démontage PRECAUTION : 1. Ne pas mettre en route le groupe hydraulique avant la vérification du montage. 2. Ne pas corriger une erreur de montage lorsque le groupe hydraulique est en fonctionnement. 3. Décomprimer les circuits sous pression. Numéro de document :02-05
  • 16.
    RUBRIQUE N°6 :TP HYDRAULIQUE. SH Page:46 TP N°11 SCHEMA HYDRAULIQUE DE PRINCIPE : Groupe hydraulique La pression arrivant du circuit (orifice B du distributeur D1) soulève le clapet CAR, et agit sur le piston (section annulaire du vérin). Ceci a pour conséquence le mouvement de rentrée de tige du vérin. Le clapet CAR n’autorise pas la descente de la masse M, car le passage pour évacuer l’huile côté section pleine du vérin est fermé. Pour la descente, il faut actionner le distributeur D2. Numéro de document :02-05
  • 17.
    RUBRIQUE N°6 :TP HYDRAULIQUE. SH Page:47 TP N°11 SCHEMA DE RACCORDEMENTS : Numéro de document :02-05
  • 18.
    RUBRIQUE N°6 :TP HYDRAULIQUE. SH Page:48 TP N°11 ESSAIS MESURES : Reporter dans le tableau ci-dessous les valeurs des pressions relevées. DISTRIBUTEUR D1 DISTRIBUTEUR D2 (ETAT DU SOLENOIDE) (ETAT DU SOLENOIDE) 0 Y1 0 Y2 M1 M2 M3 M1 M2 M3 M1 M2 M3 M1 M2 M3 SCHEMA ELECTRIQUE : a) Un poussoir maintenu sur un bouton poussoir S1 provoque la sortie du vérin VB qui s’arrête dès que S1 est relaché. b) La rotation du bouton S5 provoque la sortie du vérin VB qui s’arrête dès que l’on remet S5 à 0 réciproquement la rotation de S6 provoque la rentrée de VB. c)Une impulsion sur la bouton sur le bouton S1provoque la sortie du vérin VB qui s’arrête dès que l’on appuie sur le bouton S3. Fonctionnement analogique pour S2. Numéro de document :02-05
  • 19.
    RUBRIQUE N°6 :TP HYDRAULIQUE. SH Page:49 TP N°12 XII - CLAPET ANTI RETOUR PILOTE OBJECTIF : 1. Etude et compréhension du mode de fonctionnement, du clapet piloté. 2. Réalisation du schéma. 3. Essais-mesures. DONNEES DE L’EXERCICE : 1. Construire un circuit hydraulique selon le schéma 2. Déterminer le fonctionnement du clapet piloté 3. Construire le circuit électrique selon le schéma DESCRIPTION : Le clapet piloté a pour fonction de verrouiller sans fuite, un orifice d ’utilisation, même pour une durée prolongée, et d’assurer la fonction de blocage d’une charge lors de la rupture de la canalisation principale, pendant la montée de cette charge ou de la ligne de pilotage pendant la descente. COMPOSANTS NECESSAIRES : DESIGNATION Qté DESIGNATION Qté Groupe générateur de débit 1 Manomètres (N°1) 1 Limiteur de pression (N°2) 1 Clapet double piloté (N°11) 1 Electrovanne 4/3 (N°8) 1 Vérin (N°80) 1 Electrovanne 4/2 (N°3) 1 Limiteur de débit simple (N°12) 1 PROCEDURE : 1. Préparation 2. Réalisation du montage 3. Contrôle du montage 4. Réalisation de l’exercice 5. Démontage PRECAUTION : 1. Ne pas mettre en route le groupe hydraulique avant la vérification du montage. 2. Ne pas corriger une erreur de montage lorsque le groupe hydraulique est en fonctionnement. 3. Décomprimer les circuits sous pression. Numéro de document :02-05
  • 20.
    RUBRIQUE N°6 :TP HYDRAULIQUE. SH Page:50 TP N°12 SCHEMA HYDRAULIQUE DE PRINCIPE : Groupe hydraulique Le but de ce montage est de démontrer que le clapet piloté CP, peut s’ouvrir seulement lorsqu’il y a la présence de la pression M4. (Dans le sens descente du vérin). Dans un montage courant la pression de pilotage du clapet est prélevée du circuit côté orifice A du distributeur D1. L’existence du distributeur D2 n’est pas justifiée dans ce cas. Numéro de document :02-05
  • 21.
    RUBRIQUE N°6 :TP HYDRAULIQUE. SH Page:51 TP N°12 SCHEMA DE RACCORDEMENT : Numéro de document :02-05
  • 22.
    RUBRIQUE N°6 :TP HYDRAULIQUE. SH Page:52 TP N°12 ESSAIS MESURES : Reporter dans le tableau ci-dessous les valeurs des pressions relevées. ETAT DES SOLENOIDES AU REPOS Y2 Y2 – Y3 Y1 M1 M2 M3 M4 M1 M2 M3 M4 M1 M2 M3 M4 M1 M2 M3 M4 SCHEMA ELECTRIQUE : Un appui maintenu sur les boutons poussoirs S2 et S3 provoque la sortie du vérin, qui s’arrête dès que S3 est relaché. Un appui maintenu sur le bouton S1 provoque la rentrée du vérin. Numéro de document :02-05
  • 23.
    RUBRIQUE N°6 :TP HYDRAULIQUE. SH Page:53 TP N°13 XIII - CLAPET ANTI RETOUR PILOTE DOUBLE OBJECTIF : 1. Etude et compréhension du mode de fonctionnement du clapet piloté double. 2. Réalisation du schéma. 3. Essais-mesures. DONNEES DE L’EXERCICE : 1. Construire un circuit hydraulique selon le schéma. 2. Déterminer le fonctionnement du clapet piloté double. 3. Construire le circuit électrique selon le schéma. DESCRIPTION : Le clapet piloté double a pour fonction de verrouiller sans fuite deux orifices d’utilisation, et d’assurer la fonction de blocage d’une charge lors de la rupture de la canalisation principale, pendant la montée de cette charge ou de la ligne de pilotage pendant la descente. COMPOSANTS NECESSAIRES : DESIGNATION Qté DESIGNATION Qté Groupe générateur de débit 1 Manomètres (N°1) 1 Limiteur de pression (N°2) 1 Vérin (N°24) 1 Electrovanne 4/3 (N°8) 1 Distributeur (N°3) 1 Clapet double piloté (N°11) 1 PROCEDURE : 1. Préparation 2. Réalisation du montage 3. Contrôle du montage 4. Réalisation de l’exercice 5. Démontage PRECAUTION : 1. Ne pas mettre en route le groupe hydraulique avant la vérification du montage. 2. Ne pas corriger une erreur de montage lorsque le groupe hydraulique est en fonctionnement. 3. Décomprimer les circuits sous pression. Numéro de document :02-05
  • 24.
    RUBRIQUE N°6 :TP HYDRAULIQUE. SH Page:54 TP N°13 SCHEMA HYDRAULIQUE DE PRINCIPE : Groupe hydraulique Le distributeur D2 permet la décompression de la ligne de pilotage du limiteur de pression LP2 et de surcroît le by-pass du débit de la pompe. Ce montage permet d’utiliser un distributeur de petite taille pour créer le by-pass d’un débit important, dans un circuit avec plusieurs distributeurs montés en parallèle. Numéro de document :02-05
  • 25.
    RUBRIQUE N°6 :TP HYDRAULIQUE. SH Page:55 TP N°13 SCHEMA DE RACCORDEMENT : Numéro de document :02-05
  • 26.
    RUBRIQUE N°6 :TP HYDRAULIQUE. SH Page:56 TP N°13 ESSAIS MESURES : Reporter dans le tableau ci-dessous les valeurs des pressions relevées. ETAT DES SOLENOIDES AU REPOS Y2 Y1 M1 M2 M3 M1 M2 M3 M1 M2 M3 SCHEMA ELECTRIQUE : Un appui maintenu sur le bouton poussoir S2 provoque la sortie du vérin. Un appui maintenu sur le bouton poussoir S1 provoque la rentrée du vérin. Une impulsion sur le bouton poussoir S2 provoque la sortie du vérin. Une deuxième impulsion est nécessaire pour le faire rentrer. Un appui maintenu du bouton poussoir S2 provoque un cycle automatique. Numéro de document :02-05
  • 27.
    RUBRIQUE N°6 :TP HYDRAULIQUE. SH Page:57 TP N°14 XIV. VALVE D’EQUILIBRAGE DOUBLE OBJECTIF : 1. Etude et compréhension du mode de fonctionnement de la valve d’équilibrage 2. Réalisation du schéma 3. Essais – Mesures DONNEES DE L’EXERCICE : 1. Construire un circuit hydraulique selon le schéma 2. Déterminer le fonctionnement de la valve d’équilibrage 1. Construire le circuit électrique selon le schéma DESCRIPTION : La valve d’équilibrage a pour fonction de contrôler la vitesse des vérins et moteurs hydrauliques indépendamment de la charge (pour éviter l’emballement). Elle permet également le verrouillage sans fuite d’un orifice d’utilisation et assure la fonction sécurité contre la chute d’une charge lors de la rupture d’une canalisation. COMPOSANTS NECESSAIRES : DESIGNATION Qté DESIGNATION Qté Groupe générateur de débit 1 Manomètres (N°1) 1 Limiteur de pression (N°2-1) 1 Distributeur 4/3 (N°8) 1 Valve d’équilibrage (N°42) 1 Distributeur 4/2 (N°3) 1 Vérin avec charge suspendue (N°80) 1 PROCEDURE : 1. Préparation 2. Réalisation du montage 3. Contrôle du montage 4. Réalisation de l’exercice 5. Démontage PRECAUTION : 1. Ne pas mettre en route le groupe hydraulique avant la vérification du montage. 2. Ne pas corriger une erreur de montage lorsque le groupe hydraulique est en fonctionnement. 3. Décomprimer les circuits sous pression. Numéro de document :02-05
  • 28.
    RUBRIQUE N°6 :TP HYDRAULIQUE. SH Page:58 TP N°14 SCHEMA HYDRAULIQUE DE PRINCIPE : Groupe hydraulique Afin d’assurer une fermeture parfaite de la valve d’ équilibrage VE, le distributeur D1 a les orifices reliés au réservoir en position neutre (décompression de la chambre de pilotage). Ce montage permet également d’éviter les surpressions dans le vérin en cas de surcharge importante du vérin en statique. La valve d’équilibrage assure alors la fonction « valve de surpression ». Numéro de document :02-05
  • 29.
    RUBRIQUE N°6 :TP HYDRAULIQUE. SH Page:59 TP N°14 SCHEMA DE RACCORDEMENTS : Numéro de document :02-05
  • 30.
    RUBRIQUE N°6 :TP HYDRAULIQUE. SH Page:60 TP N°14 ESSAIS MESURES : Reporter dans le tableau ci-dessous les valeurs des pressions relevées. ETAT DES SOLENOIDES AU REPOS Y2 – Y3 Y1 – Y3 M1 M2 M3 M1 M2 M3 M1 M2 M3 SCHEMA ELECTRIQUE : Un appui maintenu sur le bouton poussoir S2 provoque la sortie du vérin. Un appui maintenu sur le bouton poussoir S1 provoque la rentrée du vérin. L’action simultanée sur S1 et S2 provoque l’arrêt du vérin. Numéro de document :02-05
  • 31.
    RUBRIQUE N°6 :TP HYDRAULIQUE. SH Page:61 TP N°15 XV. REGLAGE DE VITESSE EN ENTREE DU VERIN OBJECTIF : 1. Etude et compréhension de ce mode de régulation 2. Réalisation du schéma 3. Essais – Mesures DONNEES DE L’EXERCICE : 1. Construire un circuit hydraulique selon le schéma 2. Déterminer l’influence de ce mode de régulation dans le circuit hydraulique 3. Construire le circuit électrique selon le schéma DESCRIPTION : Ce type de réglage ne permet pas le contrôle d’une charge motrice. Il est utilisé seulement associé avec une valve de contrôle de charge (valve d’équilibrage) ou dans le cas de récepteurs ayant la charge résistante. COMPOSANTS NECESSAIRES : DESIGNATION Qté DESIGNATION Qté Groupe générateur de débit 1 Manomètres (N°1) 1 Limiteur de pression (N°2) 1 Distributeur 4/3 (N°9) 1 Vérin avec charge suspendue (N°80) 1 Limiteur de débit (N°13) 1 PROCEDURE : 1. Préparation 2. Réalisation du montage 3. Contrôle du montage 4. Réalisation de l’exercice 5. Démontage PRECAUTION : 1. Ne pas mettre en route le groupe hydraulique avant la vérification du montage. 2. Ne pas corriger une erreur de montage lorsque le groupe hydraulique est en fonctionnement. 3. Décomprimer les circuits sous pression. Numéro de document :02-05
  • 32.
    RUBRIQUE N°6 :TP HYDRAULIQUE. SH Page:62 TP N°15 SCHEMA HYDRAULIQUE DE PRINCIPE : Y2 Groupe hydraulique Ouvrir complètement le limiteur de débit LD. Observer les pressions M1, M2, M3 pendant la montée de la tige du vérin. Régler le limiteur de débit LD de façon à ralentir la montée de la tige du vérin. Observer de nouveau les pressions M1, M2, M3. Numéro de document :02-05
  • 33.
    RUBRIQUE N°6 :TP HYDRAULIQUE. SH Page:63 TP N°15 SCHEMA DE RACCORDEMENTS : Numéro de document :02-05
  • 34.
    RUBRIQUE N°6 :TP HYDRAULIQUE. SH Page:64 TP N°15 ESSAIS MESURES : Reporter dans le tableau ci-dessous les valeurs des pressions relevés pendant la rentrée de la tige du vérin. LIMITEUR DE DEBIT LD LIMITEUR DE DEBIT LD OUVERT EN REGULATION M1 M2 M3 M1 M2 M3 SCHEMA ELECTRIQUE : Numéro de document :02-05
  • 35.
    RUBRIQUE N°6 :TP HYDRAULIQUE. SH Page:65 TP N°16 XVI. REGLAGE DE VITESSE EN SORTIE DU VERIN OBJECTIF : 1. Etude et compréhension de ce mode de régulation 2. Réalisation du schéma 3. Essais – Mesures DONNEES DE L’EXERCICE : 1. Construire un circuit hydraulique selon le schéma 2. Déterminer l’influence de ce mode de régulation dans le circuit hydraulique 3. Construire le circuit électrique selon le schéma DESCRIPTION : Le réglage de vitesse en sortie du vérin est utilisé pour une meilleure maîtrise d’une charge motrice. Ce montage est à proscrire dans le circuit comportant déjà un organe de régulation, par exemple valve d’équilibrage + limiteur de débit branché en série. Il faut également faire attention lorsque le limiteur de débit est monté en aval d’un clapet piloté. Ce dernier doit être obligatoirement drainé. COMPOSANTS NECESSAIRES : DESIGNATION Qté DESIGNATION Qté Groupe générateur de débit 1 Manomètres (N°1) 1 Limiteur de pression (N°2) 1 Distributeur 4/3 (N°9) 1 Vérin avec charge suspendue (N°80) 1 Limiteur de débit (N°12) 1 PROCEDURE : 1. Préparation 2. Réalisation du montage 3. Contrôle du montage 4. Réalisation de l’exercice 5. Démontage PRECAUTION : 1. Ne pas mettre en route le groupe hydraulique avant la vérification du montage. 2. Ne pas corriger une erreur de montage lorsque le groupe hydraulique est en fonctionnement. 3. Décomprimer les circuits sous pression. Numéro de document :02-05
  • 36.
    RUBRIQUE N°6 :TP HYDRAULIQUE. SH Page:66 TP N°16 SCHEMA HYDRAULIQUE DE PRINCIPE : Groupe hydraulique Ouvrir complètement le limiteur de débit LD1 et LD2. Observer les pressions M1, M2, M3 pendant la montée de la tige du vérin. Régler les deux limiteurs de débit LD1 et LD2, de façon à ralentir le mouvement de la tige du vérin. Observer les pressions M1, M2, M3 pendant la montée et la descente de la tige du vérin. Numéro de document :02-05
  • 37.
    RUBRIQUE N°6 :TP HYDRAULIQUE. SH Page:67 TP N°16 SCHEMA DE RACCORDEMENTS : Numéro de document :02-05
  • 38.
    RUBRIQUE N°6 :TP HYDRAULIQUE. SH Page:68 TP N°16 ESSAIS MESURES : Reporter dans le tableau ci-dessous les valeurs des pressions relevées pendant la rentrée de la tige du vérin. LIMITEUR DE DEBIT LD1 LIMITEUR DE DEBIT LD1 OUVERT EN REGULATION M1 M2 M3 M1 M2 M3 LIMITEUR DE DEBIT LD2 LIMITEUR DE DEBIT LD2 OUVERT EN REGULATION M1 M2 M3 M1 M2 M3 SCHEMA ELECTRIQUE : Numéro de document :02-05
  • 39.
    RUBRIQUE N°6 :TP HYDRAULIQUE. SH Page:69 TP N°17 XVII. REGLAGE DE VITESSE EN ENTREE DU VERIN AVEC VALVE DE SEQUENCE EN SORTIE OBJECTIF : 1. Etude et compréhension de ce mode de fonctionnement 2. Réalisation du schéma 3. Essais – Mesures DONNEES DE L’EXERCICE : 1. Construire un circuit hydraulique selon le schéma 2. Déterminer l’influence de ce mode de fonctionnement dans le circuit hydraulique 3. Construire le circuit électrique selon le schéma DESCRIPTION : La valve de séquence est utilisée dans l’exercice en tant que valve de contrôle de charge non pilotée. La vitesse de descente de la charge est proportionnelle au débit d’alimentation du vérin. La charge ne peut s’emballer, à la condition que la valve de séquence soit tarée à une pression supérieure à la pression générée par la charge. Si le tarage de la valve de séquence est trop élevé, le bilan énergétique d l’installation sera médiocre. COMPOSANTS NECESSAIRES : DESIGNATION Qté DESIGNATION Qté Groupe générateur de débit 1 Manomètres (N°1) 1 Limiteur de pression (N°2) 1 Distributeur 4/3 (N°3) 1 Vérin avec charge suspendue (N°80) 1 Limiteur de débit (N°12) 1 Valve de séquence (N°16) 1 PROCEDURE : 1. Préparation 2. Réalisation du montage 3. Contrôle du montage 4. Réalisation de l’exercice 5. Démontage PRECAUTION : 1. Ne pas mettre en route le groupe hydraulique avant la vérification du montage. 2. Ne pas corriger une erreur de montage lorsque le groupe hydraulique est en fonctionnement. 3. Décomprimer les circuits sous pression. Numéro de document :02-05
  • 40.
    RUBRIQUE N°6 :TP HYDRAULIQUE. SH Page:70 TP N°17 SCHEMA HYDRAULIQUE DE PRINCIPE : Groupe hydraulique Monter la tige du vérin. Ouvrir le robinet R1 et arrêter la pompe. Ouvrir le limiteur de débit LD et détarer la valve de séquence à la limite du glissement de la charge. Resserrer le volant de la valve de séquence d’un tour. Mettre en route la pompe et fermer le robinet R1. Descendre et monter la tige du vérin et observer l’influence des différents réglages du LD. Numéro de document :02-05
  • 41.
    RUBRIQUE N°6 :TP HYDRAULIQUE. SH Page:71 TP N°17 SCHEMA DE RACCORDEMENTS : Numéro de document :02-05
  • 42.
    RUBRIQUE N°6 :TP HYDRAULIQUE. SH Page:72 TP N°17 ESSAIS MESURES : Reporter dans le tableau ci-dessous les valeurs de pression relevées pendant la montée et la descente de la charge. LIMITEUR DE DEBIT LD LIMITEUR DE DEBIT LD OUVERT EN REGULATION MONTEE DESCENTE MONTEE DESCENTE M1 M2 M3 M1 M2 M3 M1 M2 M3 M1 M2 M3 SCHEMA ELECTRIQUE : Numéro de document :02-05
  • 43.
    RUBRIQUE N°6 :TP HYDRAULIQUE. SH Page:73 TP N°18 XVIII. AVANCE RAPIDE, VITESSE LENTE REGLABLE EN FIN DE COURSE OBJECTIF : 1. Etude et compréhension de ce mode de fonctionnement 2. Réalisation du schéma 3. Essais – Mesures DONNEES DE L’EXERCICE : 1. Construire un circuit hydraulique selon le schéma 2. Déterminer l’influence de ce mode de fonctionnement dans le circuit hydraulique 3. Construire le circuit électrique selon le schéma DESCRIPTION : Le déplacement des charges inertielles nécessite un ralentissement avant l’arrêt. L’un des moyens utilisés, est l’exploitation de l’information d’un micro contact pour dévier le débit refoulé par le vérin au travers d’un régulateur de débit. On obtient ainsi une décélération par palier. COMPOSANTS NECESSAIRES : DESIGNATION Qté DESIGNATION Qté Groupe générateur de débit 1 Manomètres (N°1) 1 Limiteur de pression (N°2) 1 Distributeur 4/3 (N°3) 1 Vérin horizontal (N°24) 1 Régulateur de débit (N°14) 1 Distributeur 4/3 (N°9) 1 PROCEDURE : 1. Préparation 2. Réalisation du montage 3. Contrôle du montage 4. Réalisation de l’exercice 5. Démontage PRECAUTION : 1. Ne pas mettre en route le groupe hydraulique avant la vérification du montage. 2. Ne pas corriger une erreur de montage lorsque le groupe hydraulique est en fonctionnement. 3. Décomprimer les circuits sous pression. Numéro de document :02-05
  • 44.
    RUBRIQUE N°6 :TP HYDRAULIQUE. SH Page:74 TP N°18 SCHEMA HYDRAULIQUE DE PRINCIPE : Numéro de document :02-05
  • 45.
    RUBRIQUE N°6 :TP HYDRAULIQUE. SH Page:75 TP N°18 SCHEMA DE RACCORDEMENT : Numéro de document :02-05
  • 46.
    RUBRIQUE N°6 :TP HYDRAULIQUE. SH Page:76 TP N°18 ESSAIS MESURES : Reporter dans le tableau ci-dessous les valeurs des pressions relevées. ETAPE 1 ETAPE 2 ETAPE 3 M1 M2 M3 M1 M2 M3 M1 M2 M3 SCHEMA ELECTRIQUE : Numéro de document :02-05
  • 47.
    RUBRIQUE N°6 :TP HYDRAULIQUE. SH Page:77 TP N°19 XIX. CIRCUIT DE DEUX VERINS EN SERIE OBJECTIF : 1. Etude et compréhension de ce mode de fonctionnement des récepteurs en série 2. Réalisation du schéma 3. Essais – Mesures DONNEES DE L’EXERCICE : 1. Construire un circuit hydraulique selon le schéma 2. Déterminer l’influence de ce mode de fonctionnement dans le circuit hydraulique 3. Construire le circuit électrique selon le schéma DESCRIPTION : Dans les branchements en série de deux vérins, l’alimentation du second provient du premier. A charges égales, le premier vérin sera en plus soumis à la pression équivalente en provenance du second. Des vitesses identiques dans les 2 sens de mouvement peuvent être obtenues, si les sections des vérins sont identiques. Les récepteurs idéaux pour ce type de branchement sont les vérins double tige ou les moteurs (de même cylindrée). COMPOSANTS NECESSAIRES : DESIGNATION Qté DESIGNATION Qté Groupe générateur de débit 1 Manomètres (N°1) 1 Limiteur de pression (N°2) 1 Vérin horizontal (N°24) 1 Vérin avec charge suspendue (N°80) 1 Distributeur 4/3 (N°9) 1 PROCEDURE : 1. Préparation 2. Réalisation du montage 3. Contrôle du montage 4. Réalisation de l’exercice 5. Démontage PRECAUTION : 1. Ne pas mettre en route le groupe hydraulique avant la vérification du montage. 2. Ne pas corriger une erreur de montage lorsque le groupe hydraulique est en fonctionnement. 3. Décomprimer les circuits sous pression. Numéro de document :02-05
  • 48.
    RUBRIQUE N°6 :TP HYDRAULIQUE. SH Page:78 TP N°19 SCHEMA HYDRAULIQUE DE PRINCIPE : Groupe hydraulique Avant le raccordement définitif s’assurer que la tige du vérin VA soit complètement sortie, et la tige du vérin VB soit complètement rentrée. La ligne (M3) doit être exempte de l’air. Numéro de document :02-05
  • 49.
    RUBRIQUE N°6 :TP HYDRAULIQUE. SH Page:79 TP N°19 SCHEMA DE RACCORDEMENT : Numéro de document :02-05
  • 50.
    RUBRIQUE N°6 :TP HYDRAULIQUE. SH Page:80 TP N°19 ESSAIS MESURES : Reporter dans le tableau ci-dessous les valeurs des pressions relevées. ETAT DES SOLENOIDES AU REPOS Y1 Y2 M1 M2 M3 M4 M1 M2 M3 M4 M1 M2 M3 M4 COMMENTAIRES : SCHEMA ELECTRIQUE : Numéro de document :02-05
  • 51.
    RUBRIQUE N°6 :TP HYDRAULIQUE. SH Page:81 TP N°20 XX. CIRCUIT DE DEUX VERINS EN PARALLELE OBJECTIF : 1. Etude et compréhension de ce mode de fonctionnement des récepteurs en parallèle 2. Réalisation du schéma 3. Essais – Mesures DONNEES DE L’EXERCICE : 1. Construire un circuit hydraulique selon le schéma 2. Déterminer l’influence de ce mode de fonctionnement dans le circuit hydraulique 3. construire le circuit électrique selon le schéma DESCRIPTION : Un branchement en parallèle de 2 vérins alimentés par un distributeur ne garantit nullement la marche en parallèle des 2 tiges. Le débit d’huile va vers le circuit qui présente le moins de résistance. En effet, la tige du vérin le moins chargé démarre en premier, voire se déplace à plus grande vitesse. Une marche en parallèle hydraulique, avec une précision limitée est possible si les 2 débits sont contrôlés par un diviseur de débit. COMPOSANTS NECESSAIRES : DESIGNATION Qté DESIGNATION Qté Groupe générateur de débit 1 Manomètres (N°1) 1 Limiteur de pression (N°2) 1 Valve d’équilibrage (N°42) 1 Vérin avec charge suspendue (N°80) 1 Distributeur 4/3 (N°9) 1 Vérin horizontal (N°24) 1 PROCEDURE : 1. Préparation 2. Réalisation du montage 3. Contrôle du montage 4. Réalisation de l’exercice 5. Démontage PRECAUTION : 1. Ne pas mettre en route le groupe hydraulique avant la vérification du montage. 2. Ne pas corriger une erreur de montage lorsque le groupe hydraulique est en fonctionnement. Décomprimer les circuits sous pression. Numéro de document :02-05
  • 52.
    RUBRIQUE N°6 :TP HYDRAULIQUE. SH Page:82 TP N°20 SCHEMA HYDRAULIQUE DE PRINCIPE : Groupe hydraulique Tracer le cycle réel. Expliquer l’influence de la valve d’équilibrage (VE) dans le cycle réel. En réalité, une marche en parallèle s’obtient uniquement dans ce montage si les deux tiges sont solidaires mécaniquement. TP N°20 Numéro de document :02-05
  • 53.
    RUBRIQUE N°6 :TP HYDRAULIQUE. SH Page:83 SCHEMA DE RACCORDEMENTS : Numéro de document :02-05
  • 54.
    RUBRIQUE N°6 :TP HYDRAULIQUE. SH Page:84 TP N°20 ESSAIS MESURES : Reporter dans le tableau ci-dessous les valeurs de pression relevées. AU REPOS VA+ VB+ VA- VB- M1 M2 M3 M1 M2 M3 M1 M2 M3 M1 M2 M3 M1 M2 M3 COMMENTAIRES : SCHEMA ELECTRIQUE : Numéro de document :02-05
  • 55.
    RUBRIQUE N°6 :TP HYDRAULIQUE. SH Page:85 TP N°21 XXI. CIRCUIT AVEC DEUX VERINS ET TROIS DISTRIBUTEURS OBJECTIF : 1. Etude et compréhension de ce mode de fonctionnement d’un circuit avec plusieurs récepteurs indépendants 2. Réalisation du schéma 3. Essais – Mesures DONNEES DE L’EXERCICE : 1. Construire un circuit hydraulique selon le schéma 2. Déterminer l’influence de ce mode de fonctionnement dans le circuit hydraulique 3. Construire le circuit électrique selon le schéma DESCRIPTION : Dans un circuit comprenant plusieurs récepteurs indépendants, chaque récepteur doit être commandé par son distributeur. Ils peuvent être actionnés simultanément, mais avec les inconvénients des récepteurs branchés en parallèle. COMPOSANTS NECESSAIRES : DESIGNATION Qté DESIGNATION Qté Groupe générateur de débit 1 Manomètres (N°1) 1 Limiteur de pression (N°2-1) 1 Distributeur 4/2 (N°3) 1 Vérin avec charge suspendue (N°80) 1 Distributeur 4/3 (N°7) 1 Vérin horizontal (N°24) 1 Distributeur 4/3 (N°8) 1 Valve d’équilibrage double (N°42) 1 PROCEDURE : 1. Préparation 2. Réalisation du montage 3. Contrôle du montage 4. Réalisation de l’exercice 5. Démontage PRECAUTION : 1. Ne pas mettre en route le groupe hydraulique avant la vérification du montage. 2. Ne pas corriger une erreur de montage lorsque le groupe hydraulique est en fonctionnement. Décomprimer les circuits sous pression. Numéro de document :02-05
  • 56.
    RUBRIQUE N°6 :TP HYDRAULIQUE. SH Page:86 TP N°21 SCHEMA HYDRAULIQUE DE PRINCIPE : Groupe hydraulique Dans ce circuit, les distributeurs D1 et D2 ont des centres fermés. Le rôle du distributeur D2 est de créer le by-pass de la pompe au repos (fonctionnement sans pression donc sans laminage à travers le limiteur de pression LP2). Tracer le cycle réel lorsque les 2 vérins sont actionnés simultanément. Numéro de document :02-05
  • 57.
    RUBRIQUE N°6 :TP HYDRAULIQUE. SH Page:87 TP N°21 SCHEMA DE RACCORDEMENTS : Numéro de document :02-05
  • 58.
    RUBRIQUE N°6 :TP HYDRAULIQUE. SH Page:88 TP N°21 ESSAIS MESURES : Reporter dans le tableau ci-dessous les valeurs de pression relevées. ETAT DES SOLENOIDES AU REPOS Y1 & Y5 Y2 & Y5 Y3 & Y5 Y4 & Y5 M1 M2 M3 M1 M2 M3 M1 M2 M3 M1 M2 M3 M1 M2 M3 COMMENTAIRES : SCHEMA ELECTRIQUE : Numéro de document :02-05
  • 59.
    RUBRIQUE N°6 :TP HYDRAULIQUE. SH Page:89 TP N°22 XXII. COMMANDE SEQUENTIELLE DE 2 VERINS OBJECTIF : 1. Etude et compréhension de ce mode de fonctionnement d’un circuit séquentiel 2. Réalisation du schéma 3. Essais – Mesures DONNEES DE L’EXERCICE : 1. Construire un circuit hydraulique selon le schéma 2. Déterminer l’influence de ce mode de fonctionnement dans le circuit hydraulique 3. Construire le circuit électrique selon le schéma DESCRIPTION : La commande séquentielle hydraulique est déclenchée par la pression. Exemple d’application : circuit de vérin de bridage et d’avance. COMPOSANTS NECESSAIRES : DESIGNATION Qté DESIGNATION Qté Groupe générateur de débit 1 Manomètres (N°1) 1 Limiteur de pression (N°2) 1 Valve de séquence (N°16) 1 Vérin avec charge suspendue (N°80) 1 Distributeur 4/3 (N°7) 1 Vérin horizontal (N°24) 1 Valve d’équilibrage double (N°42) 1 PROCEDURE : 1. Préparation 2. Réalisation du montage 3. Contrôle du montage 4. Réalisation de l’exercice 5. Démontage PRECAUTION : 1. Ne pas mettre en route le groupe hydraulique avant la vérification du montage. 2. Ne pas corriger une erreur de montage lorsque le groupe hydraulique est en fonctionnement. 3. Décomprimer les circuits sous pression. Numéro de document :02-05
  • 60.
    RUBRIQUE N°6 :TP HYDRAULIQUE. SH Page:90 TP N°22 SCHEMA HYDRAULIQUE DE PRINCIPE : Groupe hydraulique La tige du vérin VB ne sort que lorsque celle du vérin VA est arrivée en butée et que la pression préréglée à la valeur de séquence est atteinte. (Exemple de réglage : 40 bar). Le niveau de pression de la valve de séquence à pilotage interne est réglable. On obtient également un mouvement séquentiel en rentrée de tige du vérin VB, dû à la charge (m). Numéro de document :02-05
  • 61.
    RUBRIQUE N°6 :TP HYDRAULIQUE. SH Page:91 DIAGRAMMES FONCTIONNELS : Numéro de document :02-05
  • 62.
    RUBRIQUE N°6 :TP HYDRAULIQUE. SH Page:92 TP N°22 SCHEMA DE RACCORDEMENTS : Numéro de document :02-05
  • 63.
    RUBRIQUE N°6 :TP HYDRAULIQUE. SH Page:93 TP N°22 ESSAIS MESURES : Reporter dans le tableau ci-dessous les valeurs de pression relevées. VA+ VB+ VA- VB- M1 M2 M3 M1 M2 M3 M1 M2 M3 M1 M2 M3 COMMENTAIRES : SCHEMA ELECTRIQUE : Numéro de document :02-05