Les réseaux logiques programmables
•Introduction
•Principe des réseaux programmables
•Types des réseaux programmables combinatoires :
•PROM : Programmable Read-Only Memory
•PAL : Programmable Array Logic
•FPLA : Field Progmmable Array Logic
•Les réseaux programmables séquentiels
Chapitre 6
1. Introduction
• Chaque fonction logique de n variables peut être mise
sous la forme d’une somme de produits.
• Pour réaliser une telle fonction on a besoin :
– d’un ensemble d’opérateurs ET (portes AND)organisés sous
forme d’une matrice pour réaliser les produits.
– Un ensemble d’opérateurs OU (Porte OR) organisés sous
forme d’une matrice pour réaliser la somme.
CBACBACBAf ....),,( +=
Schéma général pour réaliser une fonction
logique
Matrice ET Matrice OU
E0
E1
.
.
En
P1
P2
.
.
Pn
F1
F2
.
.
Fn
Exemple
• Soit la fonction CBACBACBAf ....),,( +=
A B C
AA

A AA
A
Représentation simplifiée
• Soit la fonction CBACBACBAf ....),,( +=
F
A B C
2. Principe des portes ET utilisées
A B C
Un fusible brulé ( sauté )
S=A.C
Fusible intacte
Une matrice ET non programmée
Une matrice ET programmée
Un fusible
Exemple
• Réaliser les fonctions suivantes
A B C
F1
F2
F3
CBf
CBAf
Af
.3
..2
1
=
=
=
Principe des portes OU
S=A + C
A B C
C’est le même principe
que les portes ET.
Exemple d’une matrice OU
non programmée
Exemple d’une matrice OU
non programmée
Exemple d’une matrice OU
programmée
Exemple
• Réaliser les fonctions suivantes
F1 F2
A B
BABAf
BABAf
..2
..1
+=
+=
3. Définition des réseaux logiques programmables
• Un réseau logique programmable (circuit logique programmable
) est un circuit qui peut être configurer par l’utilisateur pour avoir
une ou plusieurs fonctions logiques.
• Un circuit programmable est constitué d’un ensemble
d’opérateurs ET et OU organisés sous forme de deux matrices.
• La matrice des ET est un ensemble de portes AND qui permet
de relier les différentes variables d’entrées .
• La matrice des OU est un ensemble de portes OR qui permet
de relier les différents termes AND.
• Une matrice peut être programmable ( paramétrable ) ou figée (
préconfigurée ).
• La programmation consiste a faire bruler (sauter) les fusibles
des termes ( ou des variables ) qu’on veut pas utiliser  laisser
les fusibles utiles .
Remarques
• La programmation se fait une seule fois : une fois les
fusibles brulés on peut pas les réparer.
• La programmation est réalisée grâce à un dispositif
spécial .
Schéma général d’un réseau logique
programmable
Classification des réseaux programmables
• Selon le type des deux matrices on peut distinguer les
trois types suivants :
– Matrice ET figée et OU programmable  PROM (Programmable
Read-Only Memory)
– Matrice ET programmable et OU figée  PAL(Programmable
Array Logic)
– Matrice ET programmable et OU programmable  FPLA (Field
ProgrammableArray Logic)
3.1 Les PROM
F1 F2 F3
A B
BA
BA
BA
BA
.
.
.
.
La matrice ET est figée : les produits
sont déterminés
La matrice des ET nous permet de
générer toutes les combinaisons
possibles
La programmation consiste a choisir
des termes et les relier par des OU.
figée
Les PROM : exemple
F1 F2 F3
A B
BABAf
BABAf
BABAf
..2
..2
..1
+=
+=
+=
3.2 Les PAL
F1 F2
A B C
La matrice OR est figée : chaque
terme ou comporte un nombre
déterminé de termes ET
La matrice ET est programmable
figée
Les PAL : exemple
F1 F2
A B C
0..),,(2
...),,(1
+=
+=
cbacbaf
cbabacbaf
Ce terme donne un 0.
• Exercice 1 : Réaliser les deux fonctions suivantes avec un PAL qui
possède 3 variables d’entrées, et Deux termes OU avec chaque
terme OU comporte 4 termes ET ?
cbacbacbaf
cacbacbacbaf
....),,(
.....),,(
+=
++=
• Exercice 2 : Réaliser un additionneur complet avec un
PAL ?
Solution ( EXO1)
00....),,(2
0.....),,(1
+++=
+++=
cbacbacbaf
cacbacbacbaf
A B C
F1 F2
Solution Exercice 2
1111 −−−− +++= iiiiiiiiiiiii RBARBARBARBAR
1111 ........ −−−− +++= iiiiiiiiiiiii RBARBARBARBAS
Si Ri
Ai Bi Ri-1
3.3 Les FPLA
Les deux matrices sont programmables,
c'est le cas général des PROM et PAL
Exemple
Réaliser la fonction suivante en utilisant un FPLA CBACBACBACBAf ......),,( ++=
A B C
Exercice 1 :
Réaliser un générateur de parité avec un FPLA
rappel :
f(a,b,c)=1 si (abc)2 continet un nombre impaire de 1
0 sinon
Exercie 2:
réaliser un multiplixeur 41 en utisant un FPLA ?
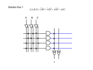
Solution Exo 1
CBACBACBACBACBAf ........),,( +++=
A B C
f
Solution Exo2
))3.(0.1)2.(0.1)1.(0.1)0.(0.1.( ECCECCECCECCVS +++=
V C1 C0 E3 E2 E1 E0
S
Exercice 3
• Réaliser le circuit suivant en utilisant un FPLA ?
UAL
A B
S0
S1
F
BAf
BAf
BAf
BAf
+=
=
=
⊕=
4
.3
.2
1
S1 S0 Fonction
0 0 F1
0 1 F2
1 0 F3
1 1 F4
4. Les réseaux programmables sequentiels
• Les PROM,PAL et les FPLA nous permet de réaliser
uniquement des circuits combinatoire.
• Il existe des réseaux programmable sequentiels : ces
réseaux sont constitué d'une partie combinatoire et d'une
partie sequentiels ( un ensemble de bascules en sortie).
• C'est possible d'utiliser ces réseaux sequentils pour
résaliser des registres, des compteurs,..............
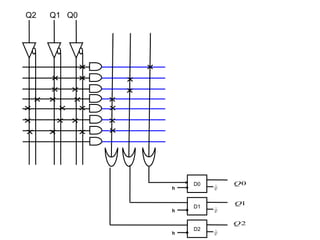
Exemple d'un PAL sequentiel
D1
h Q
Q
D2
h Q
Q
Q1 Q0Q1 Q0
Exemple : Réaliser un compteur modulo 8 synchrone en
utilisant un FPLA séquentiel
0.1.20.1.20.1.20.1.22
0.10.11
00
QQQQQQQQQQQQD
QQQQD
QD
+++=
+=
=
Q2 Q1 Q0 D2 D1 D0
0 0 0 0 0 1
0 0 1 0 1 0
0 1 0 0 1 1
0 1 1 1 0 0
1 0 0 1 0 1
1 0 1 1 1 0
1 1 0 1 1 1
1 1 1 0 0 0
D2
h Q
D1
h Q
D0
h Q
0Q
1Q
2Q
Q2 Q1 Q0
Exercice
• Réaliser le registre définit par la table de fonctionnement
suivante à laide d’un FPLA séquentiel ?
Dg Dd h Q3 Q2 Q1 Q0
1 X Q2 Q1 Q0 SL Décalage gauche
0 1 SR Q3 Q2 Q1 Décalage droite
0 0 x Q3 Q2 Q1 Q0 État mémoire

Ch6 pal fpla

  • 1.
    Les réseaux logiquesprogrammables •Introduction •Principe des réseaux programmables •Types des réseaux programmables combinatoires : •PROM : Programmable Read-Only Memory •PAL : Programmable Array Logic •FPLA : Field Progmmable Array Logic •Les réseaux programmables séquentiels Chapitre 6
  • 2.
    1. Introduction • Chaquefonction logique de n variables peut être mise sous la forme d’une somme de produits. • Pour réaliser une telle fonction on a besoin : – d’un ensemble d’opérateurs ET (portes AND)organisés sous forme d’une matrice pour réaliser les produits. – Un ensemble d’opérateurs OU (Porte OR) organisés sous forme d’une matrice pour réaliser la somme. CBACBACBAf ....),,( +=
  • 3.
    Schéma général pourréaliser une fonction logique Matrice ET Matrice OU E0 E1 . . En P1 P2 . . Pn F1 F2 . . Fn
  • 4.
    Exemple • Soit lafonction CBACBACBAf ....),,( += A B C AA  A AA A
  • 5.
    Représentation simplifiée • Soitla fonction CBACBACBAf ....),,( += F A B C
  • 6.
    2. Principe desportes ET utilisées A B C Un fusible brulé ( sauté ) S=A.C Fusible intacte
  • 7.
    Une matrice ETnon programmée Une matrice ET programmée Un fusible
  • 8.
    Exemple • Réaliser lesfonctions suivantes A B C F1 F2 F3 CBf CBAf Af .3 ..2 1 = = =
  • 9.
    Principe des portesOU S=A + C A B C C’est le même principe que les portes ET.
  • 10.
    Exemple d’une matriceOU non programmée Exemple d’une matrice OU non programmée Exemple d’une matrice OU programmée
  • 11.
    Exemple • Réaliser lesfonctions suivantes F1 F2 A B BABAf BABAf ..2 ..1 += +=
  • 12.
    3. Définition desréseaux logiques programmables • Un réseau logique programmable (circuit logique programmable ) est un circuit qui peut être configurer par l’utilisateur pour avoir une ou plusieurs fonctions logiques. • Un circuit programmable est constitué d’un ensemble d’opérateurs ET et OU organisés sous forme de deux matrices. • La matrice des ET est un ensemble de portes AND qui permet de relier les différentes variables d’entrées . • La matrice des OU est un ensemble de portes OR qui permet de relier les différents termes AND. • Une matrice peut être programmable ( paramétrable ) ou figée ( préconfigurée ). • La programmation consiste a faire bruler (sauter) les fusibles des termes ( ou des variables ) qu’on veut pas utiliser  laisser les fusibles utiles .
  • 13.
    Remarques • La programmationse fait une seule fois : une fois les fusibles brulés on peut pas les réparer. • La programmation est réalisée grâce à un dispositif spécial .
  • 14.
    Schéma général d’unréseau logique programmable
  • 15.
    Classification des réseauxprogrammables • Selon le type des deux matrices on peut distinguer les trois types suivants : – Matrice ET figée et OU programmable  PROM (Programmable Read-Only Memory) – Matrice ET programmable et OU figée  PAL(Programmable Array Logic) – Matrice ET programmable et OU programmable  FPLA (Field ProgrammableArray Logic)
  • 16.
    3.1 Les PROM F1F2 F3 A B BA BA BA BA . . . . La matrice ET est figée : les produits sont déterminés La matrice des ET nous permet de générer toutes les combinaisons possibles La programmation consiste a choisir des termes et les relier par des OU. figée
  • 17.
    Les PROM :exemple F1 F2 F3 A B BABAf BABAf BABAf ..2 ..2 ..1 += += +=
  • 18.
    3.2 Les PAL F1F2 A B C La matrice OR est figée : chaque terme ou comporte un nombre déterminé de termes ET La matrice ET est programmable figée
  • 19.
    Les PAL :exemple F1 F2 A B C 0..),,(2 ...),,(1 += += cbacbaf cbabacbaf Ce terme donne un 0.
  • 20.
    • Exercice 1: Réaliser les deux fonctions suivantes avec un PAL qui possède 3 variables d’entrées, et Deux termes OU avec chaque terme OU comporte 4 termes ET ? cbacbacbaf cacbacbacbaf ....),,( .....),,( += ++= • Exercice 2 : Réaliser un additionneur complet avec un PAL ?
  • 21.
  • 22.
    Solution Exercice 2 1111−−−− +++= iiiiiiiiiiiii RBARBARBARBAR 1111 ........ −−−− +++= iiiiiiiiiiiii RBARBARBARBAS Si Ri Ai Bi Ri-1
  • 23.
    3.3 Les FPLA Lesdeux matrices sont programmables, c'est le cas général des PROM et PAL
  • 24.
    Exemple Réaliser la fonctionsuivante en utilisant un FPLA CBACBACBACBAf ......),,( ++= A B C
  • 25.
    Exercice 1 : Réaliserun générateur de parité avec un FPLA rappel : f(a,b,c)=1 si (abc)2 continet un nombre impaire de 1 0 sinon Exercie 2: réaliser un multiplixeur 41 en utisant un FPLA ?
  • 26.
    Solution Exo 1 CBACBACBACBACBAf........),,( +++= A B C f
  • 27.
  • 28.
    Exercice 3 • Réaliserle circuit suivant en utilisant un FPLA ? UAL A B S0 S1 F BAf BAf BAf BAf += = = ⊕= 4 .3 .2 1 S1 S0 Fonction 0 0 F1 0 1 F2 1 0 F3 1 1 F4
  • 29.
    4. Les réseauxprogrammables sequentiels • Les PROM,PAL et les FPLA nous permet de réaliser uniquement des circuits combinatoire. • Il existe des réseaux programmable sequentiels : ces réseaux sont constitué d'une partie combinatoire et d'une partie sequentiels ( un ensemble de bascules en sortie). • C'est possible d'utiliser ces réseaux sequentils pour résaliser des registres, des compteurs,..............
  • 30.
    Exemple d'un PALsequentiel D1 h Q Q D2 h Q Q Q1 Q0Q1 Q0
  • 31.
    Exemple : Réaliserun compteur modulo 8 synchrone en utilisant un FPLA séquentiel 0.1.20.1.20.1.20.1.22 0.10.11 00 QQQQQQQQQQQQD QQQQD QD +++= += = Q2 Q1 Q0 D2 D1 D0 0 0 0 0 0 1 0 0 1 0 1 0 0 1 0 0 1 1 0 1 1 1 0 0 1 0 0 1 0 1 1 0 1 1 1 0 1 1 0 1 1 1 1 1 1 0 0 0
  • 32.
    D2 h Q D1 h Q D0 hQ 0Q 1Q 2Q Q2 Q1 Q0
  • 33.
    Exercice • Réaliser leregistre définit par la table de fonctionnement suivante à laide d’un FPLA séquentiel ? Dg Dd h Q3 Q2 Q1 Q0 1 X Q2 Q1 Q0 SL Décalage gauche 0 1 SR Q3 Q2 Q1 Décalage droite 0 0 x Q3 Q2 Q1 Q0 État mémoire