Université Abdel Malek Assaâdi
Faculté Des Sciences Et Techniques
Tanger
Encadré par :
Cycle d’ingénieurs
Rapport du projet : Came
Réalisé par :
Rapport De Fabrication Mécanique
Page 2
Année universitaire : 2015/2016
Rapport De Fabrication Mécanique
Page 3
Table des matières
Introduction……………………………………………………………………………………3
Objectifs ……………………………………...……………………………………………….4
I.Dessin de la pièce sur le logicièl CATIA V5 ……………………………………………….4
1.Définition de la came ………………………...……………………………………………..4
2.Dessin de définition de la pièce …………………………………………………………….6
Drafting ………….…………………………...……………………………………………….6
Perspective de la pièce ………………………………………………………………….…….7
II.Gamme d’usinage ………..………………...……………………………………………….8
1.Définition…………………………………...……………………………………………….8
2.Phases d’usinage sur CATIA V5….………….....…………………………………….…….10
3.Choix d’outils et conditions de coupe et d’avance ……………………………….…………17
III.Simulation de l’usinage l'atelier Prismatic Machining de CATIA V5…………………….24
IV.Code G...…………………………………...……………………………………………….24
Conclusion ….………………………………...……………………………………………….26
Rapport De Fabrication Mécanique
Page 4
Introduction
Le but de la fabrication assistée par ordinateur ou FAO est d'écrire le fichier contenant le programme
de pilotage d'une machine-outil à commande numérique. Ce fichier va décrire précisément les
mouvements que doit exécuter la machine-outil pour réaliser la pièce demandée. La conception de
la pièce à fabriquer est réalisée à l'aide d'un progiciel de Conception assistée par ordinateur (CAO)
: on nomme le fichier ainsi obtenu 'modélisation 3D'. Cette modélisation en trois dimensions de la
pièce à réaliser est ensuite exportée, c'est-à-dire sauvée depuis la CAO dans un fichier intermédiaire
en utilisant un standard d'échange comme IGES, STEP, VDA, DXF ou autre. Certains outils de
FAO sont capables de relire directement les fichiers des grands fournisseurs de CAO. Dans d'autres
cas, la CAO et la FAO sont complètement intégrées et ne nécessitent pas de tranfert. Pour ces
progiciels, on parle de CFAO.
La modélisation 3D étant importée sur le progiciel de FAO puis relue par celui-ci, il est possible de
passer à la programmation des parcours outils, le coeur de l'activité de la FAO. Le programmeur
crée les parcours en respectant les choix d'outil, les vitesses de coupe et d'avance, et les stratégies
d'usinage à mettre en oeuvre. Le progiciel de FAO 'plaque' les trajectoires des outils choisis sur la
modélisation 3D et enregistre celles-ci sous forme d'équations. Les logiciels les plus évolués sont
ensuite capables de reproduire graphiquement (visualisation volumique) l'action des outils dans la
matière, permettant ainsi au programmeur de vérifier ses méthodes d'usinage et éviter à priori les
collisions sur les machines-outil.
La dernière étape consiste, depuis le programme de FAO ainsi élaboré et vérifié, à générer les blocs
ISO pour la machine outil. Ce programme est appelé un Post-Processeur. Il existe également des
programmes indépendants pour effectuer la vérification directement à partir des blocs générés par
le Post-Processeur. Le fichier ISO obtenu est transmis à la MOCN (Machine Outil à Commande
Numérique), puis exécuté par cette machine.
Rapport De Fabrication Mécanique
Page 5
 Objectifs:
 Dessin de la pièce sur CATIA V5
 Elaboration de la gamme d’usinage de la pièce, avec choix d’outil et condition de coupe et
d’avance
 Usinage à partir du brut sur CATIA V5
 Simulation d’usinage
 Génération du code G
I. Dessinde la pièce sur le logiciel CATIA :
1. Définition de la came :
Une came est un organe mécanique permettant de piloter le déplacement d'une pièce. Il s'agit d'une
pièce roulant (ou glissant) sur une autre pièce ; c'est donc une déclinaison du plan incliné (machine
simple). La came permet de générer des mouvements alternatifs.
Le profil de la came constitue le programme, la mémoire de mouvement enregistré. Il s'agit
en général d'une forme complexe.
La solution la plus répandue est constituée d'un cylindre de rayon variable entraîné en rotation par
un arbre. La pièce en contact avec le profil de la came, le suiveur, est alors mis en mouvement.
Une association de cames solidaires d'un même arbre s'appelle un excentrique, et sa déclinaison la
plus courante, unarbre à cames. Il est utilisé dans la majorité des moteurs à combustion interne.
Avant l'utilisation des machines à commandes numériques, l'usage des cames (en particulier sur les
tours) constituait le seul recours à la production en série de formes complexes et
variées (décolletage) : par exemple des barreaux de chaise. Dans le cas de la reproduction d'une
clef de serrure, la clef originale sert de came qui guide l'ébauche de clef par rapport à la meule.
Figure 1 : Came radiale à profil extérieur. Figure 2 : Arbre à cames.
Rapport De Fabrication Mécanique
Page 6
2. Dessinde définition de la pièce:
Rapport De Fabrication Mécanique
Page 7
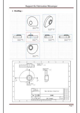
 Drafting :
Rapport De Fabrication Mécanique
Page 8
 Perspective de la pièce :
Après avoir Sélectionnez le plan XY pour tracer l’esquisse, on a tracé la came tout en
respectant les normes du dessin de définition ci-dessus , qui nous a permis de savoir les
coordonnées et aussi les rayons des cercles et des arcs qui se trouvent dans le dessin .Après
cette étape , on a fait la phase d’extrusion , pour obtenir la pièce illustrée ci- dessous :
 Les différentes vues de la Came:
Rapport De Fabrication Mécanique
Page 9
II. La gamme d’usinage
1. Définition de la gamme d’usinage :
La gamme d'usinages est une feuille donnant l’ordre chronologique des différentes opérations
d’usinage d’une pièce en fonction des moyens d’usinage.
La feuille résume l’étude et doit :
 permettre l’identification de la pièce étudiée
 présenter très clairement la succession des phases
 préciser les surfaces usinées à chaque phase
 indiquer le temps alloué pour l’usinage de la pièce
L ‘objectif de la gamme est de définir l’ordre des opérations d’usinage et les différentes prises de
pièces associées.
Les contraintes sont nombreuses :
• Utilisation du parc machine présent
• Utilisation des outils présents
• Respect des spécifications du dessin de définition
• Coût minimum
 Analyse d’un dessin de définition :
Etudier dans l’ordre :
• Le nombre de pièces à réaliser
• La matière
• Les formes globales de la pièce
• Tracer en rouge les surfaces usinées
• Analyser les spécifications suivant les trois axes : valeurs des IT, spécifications géométriques,
surfaces fonctionnelles.
• Choisir la prise de pièce pour chaque phase
 Phase et sous-phase :
Chaque phase correspond à un poste d’usinage donné Une fraiseuse, un tour …
- Les sous phases correspondent à une série d’usinage sans démonter la pièce
- Les opérations correspondent aux différents usinages Chaque changement d’outil.
Rapport De Fabrication Mécanique
Page 10
Ensemble :
Organe :
Elément :
Nombre : 1
Matière : AW2030
Pièce : Brute prismatique
N° des
Phases
Machine
utilisée
Appareillages
outils coupa-
vérificateurs
Lame
10
Scie
motorisé
Fraiseuse Fraise
Contournage ∅18.828
FraiseUsinage de poche
Alésage ∅20 Alésoir
Désignationdes Phases et
sous phases des opérations
CROQUIS DE PHASE
FEUILLE D 'ANALYSEDEFABRICATION GROUPE : 10
Fraiseuse
10
20
Cisaillage
Surfaçage ∅10
Surfaçage ∅10
Fraiseuse Fraise
50
Chanfreinage ∅20
60
30 Fraiseuse
40
70
Fraiseuse
Fraise à
chanfreiner
Fraiseuse
Fraise à
chanfreiner
Rapport De Fabrication Mécanique
Page 11
2. phases d’usinage sur CATIA :
CATIA V5 estun logiciel de CAO3Dvolumique etsurfaciquede nouvelle génération.Il faitappel àdes
opérationsélémentairesparamétriquespourgénérerlesdifférentsobjetsgéométriques,contrairement
aux logicielsde lagénérationprécédentequi fonctionnaientstrictementàpartird’opérationsbooléennes
(CATIA V4,EUCLID 3). CATIA V5 estorganisé enmodulesfonctionnelsnommés"Ateliers"permettant
chacun de créer oude modifieruntype d’objetbienprécis.L’architecture simplifiéede CATIA est
résumée parle schémaci-dessous:
Rapport De Fabrication Mécanique
Page 12
 Fraisage :
Dans le cas du fraisage : l’outil tourne, la pièce se déplace. Les centre de fraisage comportent
généralement 3 axes (que l’ont peut commander individuellement pour faire des formes complexe :
hélices…) et un plateau tournant pour présenter toutes les faces de la pièce devant la broche.
On peut aussi imaginer de monter l’outil au bout un bras de robot.
L’outil tourne, la pièce se déplace par rapport à l’outil. Cela permet de réaliser des formes planes,
des moules.
 On a effectué 2 phases d’usinages :
Rapport De Fabrication Mécanique
Page 13
L’usinage de notre pièce nécessite d’avoir deux phases d’usinage.
Concernant la première phase d’usinage englobe à la fois le sufacage de la pièce, en
utilisant la fraise 2 tailles de diametre 10mm, ensuite on a réalisé une pocheà l’aide
de la fraise 245 tailles D10 , après l’alésage de la pièce avec l’outil alésoir de
diamétre 20 , puis la phase du contournage qu’ona effectué à l’aide de la fraise 2
tailles D10, et finalement le chanfrainage en utilisant la fraise à chanfreiner
D18.828.
l’étape de l’usinage l’outil utilisé
Rapport De Fabrication Mécanique
Page 14
Rapport De Fabrication Mécanique
Page 15
Rapport De Fabrication Mécanique
Page 16
 On obtient la figure illustrée ci-dessous :
 La deuxième phase d’usinage englobe le sufacage de la pièce, en utilisant la
fraise à surfacer D10mm , ensuite on a réalisé une pocheà l’aide de la fraise
2 tailles D10 , puis le chanfreinage qu’on a effectué à l’aide de la fraise à
chanfreiner D18.828 , et finalement la phase du suivi de courbe en utilisant la
fraise à chanfreiner D18.828.
Rapport De Fabrication Mécanique
Page 17
l’étape d’usinage l’outil utilisé
Rapport De Fabrication Mécanique
Page 18
Rapport De Fabrication Mécanique
Page 19
 Afin d’obtenir l’image ci-dessous :
3.choix d’outils et conditions de coupe et d’avance :
 Fréquence de rotation de la broche
Voici la formule mathématique permettant de déterminer la fréquence de rotation :
N = (1000 x Vc) / ( 𝝅x D)
N : fréquence de rotation en tours/minute
D : diamètre de la pièce à usiner (tour) ou diamètre de la fraise ou de l'outil de coupe
(fraiseuse)
𝜋 : constante : 3.14159
Vc : vitesse de coupe en m/min
Le matériau choisi est : Alliage Aluminium de faible dureté sans silicium, la vitesse de
coupe est de 200 m/min (ébauche)
Rapport De Fabrication Mécanique
Page 20
 Vitesse d'avance du fraisage :
L'avance s'exprime par le déplacement de la pièce en millimètres :
Vf = fz x Z x n
Vf : avance par minute (mm/min)
fz : dépend principalement de la matière à usiner, du type d'outil et du type de fraise.
Valeurs moyennes
On se basant sur les deux tableaux ci-dessous, on a choisi les outils adéquats pour chaque phase
d’usinage :
 Pour le fraisage :
Nuance
ISO
Matériaux à usiner Fraisage
Fraisage
filetage
Acier Rapide Carbure Carbure
Avance f en mm/dent/tour
0.03
à
0.1
0.1 à 0.2
0.05 à
0.2
0.2 à
03
f = pas du
filet
P
Acier Non Allié 50 40 140 120 150
Acier Faiblement Allié 30 25 100 80 130
Acier Fortement Allié 20 15 80 70 100
Acier Moulé Faiblement Allié 25 20 90 80 120
M Acier inoxydable 20 15 100 90 150
K
Fonte lamellaire (EN-GJL…) 35 30 100 90 120
Fonte Modulaire (EN-GJM…) 30 25 80 70 100
Fonte Sphéroïdale (EN-GJS…) 40 35 100 90 120
K-N
Alliages d'aluminium de faible
dureté sans silicium (AW 2030
…)
250 200 500 400 300
Alliages d'aluminium durs sans
silicium ou %Si moyen
(AW2017, AW 6060 …)
120 80 300 200 250
Alliages d'aluminium à haute
teneur en silicium > 12%
80 40 120 80 100
Vitesse de coupe Vc en m/min
Rapport De Fabrication Mécanique
Page 21
 Pour l’alésage :
Nuance
ISO
Matériaux à usiner Alésage
Avance f en mm/dent/tour
Acier Rapide Acier Rapide
Revétu
Carbure
P Acier Non Allié 12 14 21
Acier Faiblement Allié 9 12 18
Acier Fortement Allié 6 11 12
Acier Moulé Faiblement Allié 5 9 21
M Acier inoxydable 4 6 12
K Fonte lamellaire (EN-GJL…) 8 15 24
Fonte Modulaire (EN-GJM…) 5 9 24
Fonte Sphéroïdale (EN-GJS…) 8 15 24
K-N Alliages d'aluminium de faible dureté
sans silicium (AW 2030 …)
18 27 30
Alliages d'aluminium durs sans
silicium ou %Si moyen (AW2017, AW
6060 …)
18 27 30
Alliages d'aluminium à haute teneur
en silicium > 12%
12 18 30
Vitesse de coupe Vc en m/min
D’où le choix de l’acier rapide Alliages d’aluminium de faible dureté sans silicium .
 Fraise 2 tailles D10 : pour le surfaçage .
On a : n = (1000*Vc)/(𝜋*D) et Vf=n*Z*𝑓𝑧
Or D = 10mm et on a 𝑓𝑧=0.15*K ( avec K=0.8 puisqui’il s’agit de surfaçage )
𝑓𝑧=0.12 donc 0.1< 𝑓𝑧< 0.2 alors Vc = 200 m/min
D’où : n = 6369.42trs/min
Vf= 3057.32mm/min
Rapport De Fabrication Mécanique
Page 22
 Fraise 245 tailles D10 :pour l’usinage de poche
On a : n = (1000*Vc)/(𝜋*D) et Vf=n*Z*𝑓𝑧
Or D = 10mm et on a a 𝑓𝑧=0.15*K (avec K=0.5 puisqui’il s’agit d’usinage de poche )
𝑓𝑧=0.075 donc 0.03< 𝑓𝑧< 0.1 alors Vc = 250 m/min
D’où : n=7961.78 trs/min
Vf=2388.53mm/min
 T6 alésoir D20 :pour l’alésage
On a : n = (1000*Vc)/(𝜋*D) et Vf=n*Z*𝑓𝑧
Or D = 20mm et on a a 𝑓𝑧=0.15*K (avec K=0.5 puisqui’il s’agit d’Alésage )
D’après le tableau de la vitesse dans le cas d’alésage est alors Vc = 18 m/min
D’où : n= 286.47trs/min
Vf=85.941 mm/min
Rapport De Fabrication Mécanique
Page 23
Fraise 2 tailles D10 : pour le contournage
On a : n = (1000*Vc)/(𝜋*D) et Vf=n*Z*𝑓𝑧
Or D = 10mm et on a 𝑓𝑧=0.15*K ( avec K=0.5 puisqui’il s’agit de surfaçage )
𝑓𝑧=0.075 donc 0.03< 𝑓𝑧< 0.1 alors Vc = 250 m/min
D’où : n = 7961.78trs/min
Vf= 2388.534 mm/min
 fraise à chanfreiner D=18.828 : pour le chanfreinage
On a : n = (1000*Vc)/(𝜋*D) et Vf=n*Z*𝑓𝑧
Or D = 18.828mm et on a 𝑓𝑧=0.15*K ( avec K=0.5 puisqui’il s’agit de Chanfreinage)
𝑓𝑧=0.075 donc 0.03< 𝑓𝑧< 0.1 alors Vc = 250 m/min
D’où : n = 4228.69trs/min
Vf= 1268.6 mm/min
Rapport De Fabrication Mécanique
Page 24
 Fraise à surfacer tailles D50 :pour le surfaçage
On a : n = (1000*Vc)/(𝜋*D) et Vf=n*Z*𝑓𝑧
Or D = 50mm et on a 𝑓𝑧=0.15*K ( avec K=0.8 puisqui’il s’agit de surfaçage )
𝑓𝑧=0.12 donc 0.1< 𝑓𝑧< 0.2 alors Vc = 200 m/min
D’où : n = 1273.88trs/min
Vf= 611.46 mm/min
 Fraise 2 tailles D10 :pour l’usinage de poche
On a : n = (1000*Vc)/(𝜋*D) et Vf=n*Z*𝑓𝑧
Or D = 10mm et on a a 𝑓𝑧=0.15*K (avec K=0.5 puisqui’il s’agit d’usinage de poche )
𝑓𝑧=0.075 donc 0.03< 𝑓𝑧< 0.1 alors Vc = 250 m/min
D’où : n=7961.78 trs/min
Vf=2388.53 mm/min
Rapport De Fabrication Mécanique
Page 25
 fraise à chanfreiner D=18.828 :pour le chanfreinage
On a : n = (1000*Vc)/(𝜋*D) et Vf=n*Z*𝑓𝑧
Or D = 18.828mm et on a 𝑓𝑧=0.15*K ( avec K=0.5 puisqui’il s’agit de Chanfreinage )
𝑓𝑧=0.075 donc 0.03< 𝑓𝑧< 0.1 alors Vc = 250 m/min
D’où : n = 4228.69trs/min
Vf= 1268.6 mm/min
 fraise à chanfreiner D=18.828 :pour le chanfreinage
On a : n = (1000*Vc)/(𝜋*D) et Vf=n*Z*𝑓𝑧
Or D = 18.828mm et on a 𝑓𝑧=0.15*K ( avec K=0.5 puisqui’il s’agit de Chanfreinage )
𝑓𝑧=0.075 donc 0.03< 𝑓𝑧< 0.1 alors Vc = 250 m/min
D’où : n = 4228.69trs/min
Vf= 1268.6 mm/min
Rapport De Fabrication Mécanique
Page 26
III. simulation de l’usinage sur l'atelier Prismatic Machining de CATIA:
voir la vidéo dans le CD.
IV. Code G :
 Présentation du logiciel CNC Simulator :
L'usinage CNC est une méthode très moderne qui consiste à utiliser les nouvelles technologies
en matière d'usinage. Comme son nom l'indique, cette méthode utilise le numérique (CNC :
computer numerical control, autrement dit, ce sont des Machines/outils à commande numérique).
comme on a déja signalé dans le chapitre II la gamme d'usinage , il faut donc deux code G pour
l" usinage de la pièce .(VOIR LE CODE G DANS LE CD.
voici le code G de la première phase d'usinage :
Rapport De Fabrication Mécanique
Page 27
Le code G de la deuxième phase d’usinage :
Rapport De Fabrication Mécanique
Page 28
Conclusion
Ce projet s’est révélé très enrichissant dans la mesure où il a consisté en une
approcheconcrètedumétierd’ingénieur.Eneffet,laprised’initiative,lerespectdes
délaisetletravailenéquipeserontdesaspectsessentielsdenotrefuturmétier.
En effet , ce travail nous a permis d’appliquer nos connaissances en fabrication
mécanique, du fait que notre projet de la came nous a permis d’élaborer nos
compétencesconcernantle dessin de la pièce dansle logiciel CATIA , ainsi que la
gamme d’usinage de la pièce qui s’appuie sur le bon choix de l’outil ainsi que la
vitessedecoupeetd’avance.
Deplus,onaeffectuél’usinageàpartirdubrutsurCATIAV5,de cefait,ona réalisé
unesimulationdel’usinageafindegénérerlecodeGdelapiècequ’onasimulésurle
logicielCNCSIMULATOR.
Nous tenons à remercier chaleureusement notre cher professeur Mr. de son
encadrement,son soutien et ses conseils précieux tout au long de la période de
préparation du projet,sansoublierbien sûrde le remercierencore une foispourle
choixdesprojetsquisontpertinentsetintéressants,etpourl’opportunitéquinous
adonné,quiétaitvraimentuneexpériencericheetconcrète.
Rapport De Fabrication Mécanique
Page 29

Rapport final came

  • 1.
    Université Abdel MalekAssaâdi Faculté Des Sciences Et Techniques Tanger Encadré par : Cycle d’ingénieurs Rapport du projet : Came Réalisé par :
  • 2.
    Rapport De FabricationMécanique Page 2 Année universitaire : 2015/2016
  • 3.
    Rapport De FabricationMécanique Page 3 Table des matières Introduction……………………………………………………………………………………3 Objectifs ……………………………………...……………………………………………….4 I.Dessin de la pièce sur le logicièl CATIA V5 ……………………………………………….4 1.Définition de la came ………………………...……………………………………………..4 2.Dessin de définition de la pièce …………………………………………………………….6 Drafting ………….…………………………...……………………………………………….6 Perspective de la pièce ………………………………………………………………….…….7 II.Gamme d’usinage ………..………………...……………………………………………….8 1.Définition…………………………………...……………………………………………….8 2.Phases d’usinage sur CATIA V5….………….....…………………………………….…….10 3.Choix d’outils et conditions de coupe et d’avance ……………………………….…………17 III.Simulation de l’usinage l'atelier Prismatic Machining de CATIA V5…………………….24 IV.Code G...…………………………………...……………………………………………….24 Conclusion ….………………………………...……………………………………………….26
  • 4.
    Rapport De FabricationMécanique Page 4 Introduction Le but de la fabrication assistée par ordinateur ou FAO est d'écrire le fichier contenant le programme de pilotage d'une machine-outil à commande numérique. Ce fichier va décrire précisément les mouvements que doit exécuter la machine-outil pour réaliser la pièce demandée. La conception de la pièce à fabriquer est réalisée à l'aide d'un progiciel de Conception assistée par ordinateur (CAO) : on nomme le fichier ainsi obtenu 'modélisation 3D'. Cette modélisation en trois dimensions de la pièce à réaliser est ensuite exportée, c'est-à-dire sauvée depuis la CAO dans un fichier intermédiaire en utilisant un standard d'échange comme IGES, STEP, VDA, DXF ou autre. Certains outils de FAO sont capables de relire directement les fichiers des grands fournisseurs de CAO. Dans d'autres cas, la CAO et la FAO sont complètement intégrées et ne nécessitent pas de tranfert. Pour ces progiciels, on parle de CFAO. La modélisation 3D étant importée sur le progiciel de FAO puis relue par celui-ci, il est possible de passer à la programmation des parcours outils, le coeur de l'activité de la FAO. Le programmeur crée les parcours en respectant les choix d'outil, les vitesses de coupe et d'avance, et les stratégies d'usinage à mettre en oeuvre. Le progiciel de FAO 'plaque' les trajectoires des outils choisis sur la modélisation 3D et enregistre celles-ci sous forme d'équations. Les logiciels les plus évolués sont ensuite capables de reproduire graphiquement (visualisation volumique) l'action des outils dans la matière, permettant ainsi au programmeur de vérifier ses méthodes d'usinage et éviter à priori les collisions sur les machines-outil. La dernière étape consiste, depuis le programme de FAO ainsi élaboré et vérifié, à générer les blocs ISO pour la machine outil. Ce programme est appelé un Post-Processeur. Il existe également des programmes indépendants pour effectuer la vérification directement à partir des blocs générés par le Post-Processeur. Le fichier ISO obtenu est transmis à la MOCN (Machine Outil à Commande Numérique), puis exécuté par cette machine.
  • 5.
    Rapport De FabricationMécanique Page 5  Objectifs:  Dessin de la pièce sur CATIA V5  Elaboration de la gamme d’usinage de la pièce, avec choix d’outil et condition de coupe et d’avance  Usinage à partir du brut sur CATIA V5  Simulation d’usinage  Génération du code G I. Dessinde la pièce sur le logiciel CATIA : 1. Définition de la came : Une came est un organe mécanique permettant de piloter le déplacement d'une pièce. Il s'agit d'une pièce roulant (ou glissant) sur une autre pièce ; c'est donc une déclinaison du plan incliné (machine simple). La came permet de générer des mouvements alternatifs. Le profil de la came constitue le programme, la mémoire de mouvement enregistré. Il s'agit en général d'une forme complexe. La solution la plus répandue est constituée d'un cylindre de rayon variable entraîné en rotation par un arbre. La pièce en contact avec le profil de la came, le suiveur, est alors mis en mouvement. Une association de cames solidaires d'un même arbre s'appelle un excentrique, et sa déclinaison la plus courante, unarbre à cames. Il est utilisé dans la majorité des moteurs à combustion interne. Avant l'utilisation des machines à commandes numériques, l'usage des cames (en particulier sur les tours) constituait le seul recours à la production en série de formes complexes et variées (décolletage) : par exemple des barreaux de chaise. Dans le cas de la reproduction d'une clef de serrure, la clef originale sert de came qui guide l'ébauche de clef par rapport à la meule. Figure 1 : Came radiale à profil extérieur. Figure 2 : Arbre à cames.
  • 6.
    Rapport De FabricationMécanique Page 6 2. Dessinde définition de la pièce:
  • 7.
    Rapport De FabricationMécanique Page 7  Drafting :
  • 8.
    Rapport De FabricationMécanique Page 8  Perspective de la pièce : Après avoir Sélectionnez le plan XY pour tracer l’esquisse, on a tracé la came tout en respectant les normes du dessin de définition ci-dessus , qui nous a permis de savoir les coordonnées et aussi les rayons des cercles et des arcs qui se trouvent dans le dessin .Après cette étape , on a fait la phase d’extrusion , pour obtenir la pièce illustrée ci- dessous :  Les différentes vues de la Came:
  • 9.
    Rapport De FabricationMécanique Page 9 II. La gamme d’usinage 1. Définition de la gamme d’usinage : La gamme d'usinages est une feuille donnant l’ordre chronologique des différentes opérations d’usinage d’une pièce en fonction des moyens d’usinage. La feuille résume l’étude et doit :  permettre l’identification de la pièce étudiée  présenter très clairement la succession des phases  préciser les surfaces usinées à chaque phase  indiquer le temps alloué pour l’usinage de la pièce L ‘objectif de la gamme est de définir l’ordre des opérations d’usinage et les différentes prises de pièces associées. Les contraintes sont nombreuses : • Utilisation du parc machine présent • Utilisation des outils présents • Respect des spécifications du dessin de définition • Coût minimum  Analyse d’un dessin de définition : Etudier dans l’ordre : • Le nombre de pièces à réaliser • La matière • Les formes globales de la pièce • Tracer en rouge les surfaces usinées • Analyser les spécifications suivant les trois axes : valeurs des IT, spécifications géométriques, surfaces fonctionnelles. • Choisir la prise de pièce pour chaque phase  Phase et sous-phase : Chaque phase correspond à un poste d’usinage donné Une fraiseuse, un tour … - Les sous phases correspondent à une série d’usinage sans démonter la pièce - Les opérations correspondent aux différents usinages Chaque changement d’outil.
  • 10.
    Rapport De FabricationMécanique Page 10 Ensemble : Organe : Elément : Nombre : 1 Matière : AW2030 Pièce : Brute prismatique N° des Phases Machine utilisée Appareillages outils coupa- vérificateurs Lame 10 Scie motorisé Fraiseuse Fraise Contournage ∅18.828 FraiseUsinage de poche Alésage ∅20 Alésoir Désignationdes Phases et sous phases des opérations CROQUIS DE PHASE FEUILLE D 'ANALYSEDEFABRICATION GROUPE : 10 Fraiseuse 10 20 Cisaillage Surfaçage ∅10 Surfaçage ∅10 Fraiseuse Fraise 50 Chanfreinage ∅20 60 30 Fraiseuse 40 70 Fraiseuse Fraise à chanfreiner Fraiseuse Fraise à chanfreiner
  • 11.
    Rapport De FabricationMécanique Page 11 2. phases d’usinage sur CATIA : CATIA V5 estun logiciel de CAO3Dvolumique etsurfaciquede nouvelle génération.Il faitappel àdes opérationsélémentairesparamétriquespourgénérerlesdifférentsobjetsgéométriques,contrairement aux logicielsde lagénérationprécédentequi fonctionnaientstrictementàpartird’opérationsbooléennes (CATIA V4,EUCLID 3). CATIA V5 estorganisé enmodulesfonctionnelsnommés"Ateliers"permettant chacun de créer oude modifieruntype d’objetbienprécis.L’architecture simplifiéede CATIA est résumée parle schémaci-dessous:
  • 12.
    Rapport De FabricationMécanique Page 12  Fraisage : Dans le cas du fraisage : l’outil tourne, la pièce se déplace. Les centre de fraisage comportent généralement 3 axes (que l’ont peut commander individuellement pour faire des formes complexe : hélices…) et un plateau tournant pour présenter toutes les faces de la pièce devant la broche. On peut aussi imaginer de monter l’outil au bout un bras de robot. L’outil tourne, la pièce se déplace par rapport à l’outil. Cela permet de réaliser des formes planes, des moules.  On a effectué 2 phases d’usinages :
  • 13.
    Rapport De FabricationMécanique Page 13 L’usinage de notre pièce nécessite d’avoir deux phases d’usinage. Concernant la première phase d’usinage englobe à la fois le sufacage de la pièce, en utilisant la fraise 2 tailles de diametre 10mm, ensuite on a réalisé une pocheà l’aide de la fraise 245 tailles D10 , après l’alésage de la pièce avec l’outil alésoir de diamétre 20 , puis la phase du contournage qu’ona effectué à l’aide de la fraise 2 tailles D10, et finalement le chanfrainage en utilisant la fraise à chanfreiner D18.828. l’étape de l’usinage l’outil utilisé
  • 14.
    Rapport De FabricationMécanique Page 14
  • 15.
    Rapport De FabricationMécanique Page 15
  • 16.
    Rapport De FabricationMécanique Page 16  On obtient la figure illustrée ci-dessous :  La deuxième phase d’usinage englobe le sufacage de la pièce, en utilisant la fraise à surfacer D10mm , ensuite on a réalisé une pocheà l’aide de la fraise 2 tailles D10 , puis le chanfreinage qu’on a effectué à l’aide de la fraise à chanfreiner D18.828 , et finalement la phase du suivi de courbe en utilisant la fraise à chanfreiner D18.828.
  • 17.
    Rapport De FabricationMécanique Page 17 l’étape d’usinage l’outil utilisé
  • 18.
    Rapport De FabricationMécanique Page 18
  • 19.
    Rapport De FabricationMécanique Page 19  Afin d’obtenir l’image ci-dessous : 3.choix d’outils et conditions de coupe et d’avance :  Fréquence de rotation de la broche Voici la formule mathématique permettant de déterminer la fréquence de rotation : N = (1000 x Vc) / ( 𝝅x D) N : fréquence de rotation en tours/minute D : diamètre de la pièce à usiner (tour) ou diamètre de la fraise ou de l'outil de coupe (fraiseuse) 𝜋 : constante : 3.14159 Vc : vitesse de coupe en m/min Le matériau choisi est : Alliage Aluminium de faible dureté sans silicium, la vitesse de coupe est de 200 m/min (ébauche)
  • 20.
    Rapport De FabricationMécanique Page 20  Vitesse d'avance du fraisage : L'avance s'exprime par le déplacement de la pièce en millimètres : Vf = fz x Z x n Vf : avance par minute (mm/min) fz : dépend principalement de la matière à usiner, du type d'outil et du type de fraise. Valeurs moyennes On se basant sur les deux tableaux ci-dessous, on a choisi les outils adéquats pour chaque phase d’usinage :  Pour le fraisage : Nuance ISO Matériaux à usiner Fraisage Fraisage filetage Acier Rapide Carbure Carbure Avance f en mm/dent/tour 0.03 à 0.1 0.1 à 0.2 0.05 à 0.2 0.2 à 03 f = pas du filet P Acier Non Allié 50 40 140 120 150 Acier Faiblement Allié 30 25 100 80 130 Acier Fortement Allié 20 15 80 70 100 Acier Moulé Faiblement Allié 25 20 90 80 120 M Acier inoxydable 20 15 100 90 150 K Fonte lamellaire (EN-GJL…) 35 30 100 90 120 Fonte Modulaire (EN-GJM…) 30 25 80 70 100 Fonte Sphéroïdale (EN-GJS…) 40 35 100 90 120 K-N Alliages d'aluminium de faible dureté sans silicium (AW 2030 …) 250 200 500 400 300 Alliages d'aluminium durs sans silicium ou %Si moyen (AW2017, AW 6060 …) 120 80 300 200 250 Alliages d'aluminium à haute teneur en silicium > 12% 80 40 120 80 100 Vitesse de coupe Vc en m/min
  • 21.
    Rapport De FabricationMécanique Page 21  Pour l’alésage : Nuance ISO Matériaux à usiner Alésage Avance f en mm/dent/tour Acier Rapide Acier Rapide Revétu Carbure P Acier Non Allié 12 14 21 Acier Faiblement Allié 9 12 18 Acier Fortement Allié 6 11 12 Acier Moulé Faiblement Allié 5 9 21 M Acier inoxydable 4 6 12 K Fonte lamellaire (EN-GJL…) 8 15 24 Fonte Modulaire (EN-GJM…) 5 9 24 Fonte Sphéroïdale (EN-GJS…) 8 15 24 K-N Alliages d'aluminium de faible dureté sans silicium (AW 2030 …) 18 27 30 Alliages d'aluminium durs sans silicium ou %Si moyen (AW2017, AW 6060 …) 18 27 30 Alliages d'aluminium à haute teneur en silicium > 12% 12 18 30 Vitesse de coupe Vc en m/min D’où le choix de l’acier rapide Alliages d’aluminium de faible dureté sans silicium .  Fraise 2 tailles D10 : pour le surfaçage . On a : n = (1000*Vc)/(𝜋*D) et Vf=n*Z*𝑓𝑧 Or D = 10mm et on a 𝑓𝑧=0.15*K ( avec K=0.8 puisqui’il s’agit de surfaçage ) 𝑓𝑧=0.12 donc 0.1< 𝑓𝑧< 0.2 alors Vc = 200 m/min D’où : n = 6369.42trs/min Vf= 3057.32mm/min
  • 22.
    Rapport De FabricationMécanique Page 22  Fraise 245 tailles D10 :pour l’usinage de poche On a : n = (1000*Vc)/(𝜋*D) et Vf=n*Z*𝑓𝑧 Or D = 10mm et on a a 𝑓𝑧=0.15*K (avec K=0.5 puisqui’il s’agit d’usinage de poche ) 𝑓𝑧=0.075 donc 0.03< 𝑓𝑧< 0.1 alors Vc = 250 m/min D’où : n=7961.78 trs/min Vf=2388.53mm/min  T6 alésoir D20 :pour l’alésage On a : n = (1000*Vc)/(𝜋*D) et Vf=n*Z*𝑓𝑧 Or D = 20mm et on a a 𝑓𝑧=0.15*K (avec K=0.5 puisqui’il s’agit d’Alésage ) D’après le tableau de la vitesse dans le cas d’alésage est alors Vc = 18 m/min D’où : n= 286.47trs/min Vf=85.941 mm/min
  • 23.
    Rapport De FabricationMécanique Page 23 Fraise 2 tailles D10 : pour le contournage On a : n = (1000*Vc)/(𝜋*D) et Vf=n*Z*𝑓𝑧 Or D = 10mm et on a 𝑓𝑧=0.15*K ( avec K=0.5 puisqui’il s’agit de surfaçage ) 𝑓𝑧=0.075 donc 0.03< 𝑓𝑧< 0.1 alors Vc = 250 m/min D’où : n = 7961.78trs/min Vf= 2388.534 mm/min  fraise à chanfreiner D=18.828 : pour le chanfreinage On a : n = (1000*Vc)/(𝜋*D) et Vf=n*Z*𝑓𝑧 Or D = 18.828mm et on a 𝑓𝑧=0.15*K ( avec K=0.5 puisqui’il s’agit de Chanfreinage) 𝑓𝑧=0.075 donc 0.03< 𝑓𝑧< 0.1 alors Vc = 250 m/min D’où : n = 4228.69trs/min Vf= 1268.6 mm/min
  • 24.
    Rapport De FabricationMécanique Page 24  Fraise à surfacer tailles D50 :pour le surfaçage On a : n = (1000*Vc)/(𝜋*D) et Vf=n*Z*𝑓𝑧 Or D = 50mm et on a 𝑓𝑧=0.15*K ( avec K=0.8 puisqui’il s’agit de surfaçage ) 𝑓𝑧=0.12 donc 0.1< 𝑓𝑧< 0.2 alors Vc = 200 m/min D’où : n = 1273.88trs/min Vf= 611.46 mm/min  Fraise 2 tailles D10 :pour l’usinage de poche On a : n = (1000*Vc)/(𝜋*D) et Vf=n*Z*𝑓𝑧 Or D = 10mm et on a a 𝑓𝑧=0.15*K (avec K=0.5 puisqui’il s’agit d’usinage de poche ) 𝑓𝑧=0.075 donc 0.03< 𝑓𝑧< 0.1 alors Vc = 250 m/min D’où : n=7961.78 trs/min Vf=2388.53 mm/min
  • 25.
    Rapport De FabricationMécanique Page 25  fraise à chanfreiner D=18.828 :pour le chanfreinage On a : n = (1000*Vc)/(𝜋*D) et Vf=n*Z*𝑓𝑧 Or D = 18.828mm et on a 𝑓𝑧=0.15*K ( avec K=0.5 puisqui’il s’agit de Chanfreinage ) 𝑓𝑧=0.075 donc 0.03< 𝑓𝑧< 0.1 alors Vc = 250 m/min D’où : n = 4228.69trs/min Vf= 1268.6 mm/min  fraise à chanfreiner D=18.828 :pour le chanfreinage On a : n = (1000*Vc)/(𝜋*D) et Vf=n*Z*𝑓𝑧 Or D = 18.828mm et on a 𝑓𝑧=0.15*K ( avec K=0.5 puisqui’il s’agit de Chanfreinage ) 𝑓𝑧=0.075 donc 0.03< 𝑓𝑧< 0.1 alors Vc = 250 m/min D’où : n = 4228.69trs/min Vf= 1268.6 mm/min
  • 26.
    Rapport De FabricationMécanique Page 26 III. simulation de l’usinage sur l'atelier Prismatic Machining de CATIA: voir la vidéo dans le CD. IV. Code G :  Présentation du logiciel CNC Simulator : L'usinage CNC est une méthode très moderne qui consiste à utiliser les nouvelles technologies en matière d'usinage. Comme son nom l'indique, cette méthode utilise le numérique (CNC : computer numerical control, autrement dit, ce sont des Machines/outils à commande numérique). comme on a déja signalé dans le chapitre II la gamme d'usinage , il faut donc deux code G pour l" usinage de la pièce .(VOIR LE CODE G DANS LE CD. voici le code G de la première phase d'usinage :
  • 27.
    Rapport De FabricationMécanique Page 27 Le code G de la deuxième phase d’usinage :
  • 28.
    Rapport De FabricationMécanique Page 28 Conclusion Ce projet s’est révélé très enrichissant dans la mesure où il a consisté en une approcheconcrètedumétierd’ingénieur.Eneffet,laprised’initiative,lerespectdes délaisetletravailenéquipeserontdesaspectsessentielsdenotrefuturmétier. En effet , ce travail nous a permis d’appliquer nos connaissances en fabrication mécanique, du fait que notre projet de la came nous a permis d’élaborer nos compétencesconcernantle dessin de la pièce dansle logiciel CATIA , ainsi que la gamme d’usinage de la pièce qui s’appuie sur le bon choix de l’outil ainsi que la vitessedecoupeetd’avance. Deplus,onaeffectuél’usinageàpartirdubrutsurCATIAV5,de cefait,ona réalisé unesimulationdel’usinageafindegénérerlecodeGdelapiècequ’onasimulésurle logicielCNCSIMULATOR. Nous tenons à remercier chaleureusement notre cher professeur Mr. de son encadrement,son soutien et ses conseils précieux tout au long de la période de préparation du projet,sansoublierbien sûrde le remercierencore une foispourle choixdesprojetsquisontpertinentsetintéressants,etpourl’opportunitéquinous adonné,quiétaitvraimentuneexpériencericheetconcrète.
  • 29.
    Rapport De FabricationMécanique Page 29