Intégrer la présentation
Téléchargé 23 fois











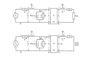
Le document décrit le circuit équivalent d'un moteur asynchrone à rotor bobiné à l'arrêt, en détaillant les composants clés tels que les résistances, réactances et tensions. Il présente également des relations dérivées du circuit équivalent, en suggérant des adaptations pour des moteurs de puissance supérieure ou égale à 3 kW. Ce modèle est essentiel pour comprendre les caractéristiques et les performances des moteurs asynchrones.










