TP.8                                 Cycle en « L »

Objectif terminal : Rechercher et câbler le schéma de câblage, permettant de
réaliser le fonctionnement d'un cycle pendulaire « en L » de deux vérins
pneumatiques à double-effet.

On donne :

    –   Le GRAFCET de point de vue Partie Commande ;
    –   Une platine didactique pneumatique et les composants nécessaires.

On demande :

    1. De compléter le schéma de câblage page /4;
    2. D'effectuer le câblage sur platine en distinguant de couleurs différentes, les
       pilotages des alimentations ainsi que les pressions de puissance ;
    3. De réaliser les essais de mise en service ;
    4. D'analyser le fonctionnement de la cellule mémoire.

                GRAFCET du point de vue Partie Commande



                                    1

                                        1S

                                    2              1A+

                                        1S1

                                    3              2A+

                                        2S1

                                    4              2A-

                                        2S0

                                    5              1A-

                                        1S0




        LP A. Croizat - Tarnos               BEP MEI                Page : 1/4
B
TP.8                                       Cycle en « L »

                                      TRAVAIL PREPARATOIRE
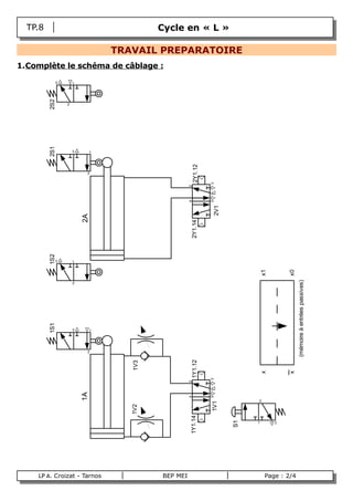
1.Complète le schéma de câblage :
                 3       1
           2S2




                     2
           2S1




                         3        1




                                                          2Y1.12
                              2




                                                                   3
                                                         2




                                                                   1
                                                         4




                                                                   5
                                                                   2V1
                             2A




                                                         2Y1.14
           1S2




                 3       1
                                                                                  x1



                                                                                           x0
                                                                                                (mémoire à entrées passives)
                         2
           1S1




                         3        1




                              2
                                                         1Y1.12
                                         1V3




                                                                                  x



                                                                                           x
                                                                   3
                                                         2




                                                                   1
                             1A




                                                         4




                                                                   5




                                                                              2
                                                                   1V1
                                         1V2




                                                         1Y1.14




                                                                         S1




                                                                              1        3




      LP A. Croizat - Tarnos                   BEP MEI                             Page : 2/4
B
TP.8                        Cycle en « L »

2.Décrire la procédure de mise en service en détaillant le fonctionnement
  de la cellule (étaye tes explications de schémas) :




                 FAIRE CONTROLER PAR LE PROFESSEUR




      LP A. Croizat - Tarnos     BEP MEI                Page : 3/4
B
TP.8                                  Cycle en « L »

                               TRAVAIL PREPARATOIRE

1.Réalise le câblage :

      - distingue les différentes pressions d'utilisations de couleurs différentes.

                 FAIRE CONTROLER PAR LE PROFESSEUR

2.Mise en service :

      –    effectue à la mise en service du câblage et décris les phénomènes observés ;
      –    apporte des modifications si nécessaires.




                    RANGEMENT DU POSTE DE TRAVAIL
      Décâble le banc pneumatique, range les flexibles, nettoie la zone de travail.




      LP A. Croizat - Tarnos                BEP MEI                        Page : 4/4
B

Cycle en l

  • 1.
    TP.8 Cycle en « L » Objectif terminal : Rechercher et câbler le schéma de câblage, permettant de réaliser le fonctionnement d'un cycle pendulaire « en L » de deux vérins pneumatiques à double-effet. On donne : – Le GRAFCET de point de vue Partie Commande ; – Une platine didactique pneumatique et les composants nécessaires. On demande : 1. De compléter le schéma de câblage page /4; 2. D'effectuer le câblage sur platine en distinguant de couleurs différentes, les pilotages des alimentations ainsi que les pressions de puissance ; 3. De réaliser les essais de mise en service ; 4. D'analyser le fonctionnement de la cellule mémoire. GRAFCET du point de vue Partie Commande 1 1S 2 1A+ 1S1 3 2A+ 2S1 4 2A- 2S0 5 1A- 1S0 LP A. Croizat - Tarnos BEP MEI Page : 1/4 B
  • 2.
    TP.8 Cycle en « L » TRAVAIL PREPARATOIRE 1.Complète le schéma de câblage : 3 1 2S2 2 2S1 3 1 2Y1.12 2 3 2 1 4 5 2V1 2A 2Y1.14 1S2 3 1 x1 x0 (mémoire à entrées passives) 2 1S1 3 1 2 1Y1.12 1V3 x x 3 2 1 1A 4 5 2 1V1 1V2 1Y1.14 S1 1 3 LP A. Croizat - Tarnos BEP MEI Page : 2/4 B
  • 3.
    TP.8 Cycle en « L » 2.Décrire la procédure de mise en service en détaillant le fonctionnement de la cellule (étaye tes explications de schémas) : FAIRE CONTROLER PAR LE PROFESSEUR LP A. Croizat - Tarnos BEP MEI Page : 3/4 B
  • 4.
    TP.8 Cycle en « L » TRAVAIL PREPARATOIRE 1.Réalise le câblage : - distingue les différentes pressions d'utilisations de couleurs différentes. FAIRE CONTROLER PAR LE PROFESSEUR 2.Mise en service : – effectue à la mise en service du câblage et décris les phénomènes observés ; – apporte des modifications si nécessaires. RANGEMENT DU POSTE DE TRAVAIL Décâble le banc pneumatique, range les flexibles, nettoie la zone de travail. LP A. Croizat - Tarnos BEP MEI Page : 4/4 B