Gestion de production FALLOUL Moulay El Mehdi
0
UNIVERSITE SULTAN MOULAY SLIMANE BENI MELLLAL
Gestion de la production
Licence professionnelle Agroalimentaire 2016/2017
Pr. FALLOUL Moulay EL Mehdi
Gestion de production FALLOUL Moulay El Mehdi
1
Sommaire
Introduction générale 2
Chapitre 1 : Prévision des commandes 3
Chapitre 2 : Recherche opérationnelle appliquée à la production 28
Chapitre 3 : Planification de la production 55
Chapitre 4 : Gestion des approvisionnements et des stocks 80
Chapitre 5 : Contrôle statistique de la qualité 98
Annexes 119
Gestion de production FALLOUL Moulay El Mehdi
2
Introduction générale
La notion de production est fondée sur la notion de transformation de ressources afin de créer
des biens et des services. La combinaison doit s’effectuer de manière optimale :
- Capital (machine)
- Travail (ressources)
Cette combinaison évolue actuellement dans le sens ‘plus de machine’. Ces biens et services
sont destinés à la vente. Ainsi, la gestion de la production consiste à choisir des objectifs,
prendre en compte les contraintes pour s’approcher d’une maximisation.
Ce support a pour objectif d'introduire aux techniques quantitatives et méthodes de gestion de
production dont la "maîtrise" est indispensable aux étudiant susceptibles de participer dans la
gestion de production dans de différentes types de firmes.
Ce support a l'intérêt majeur aussi de présenter des boîtes à outils opérationnelles non
exhaustifs, traitant d'aspects méthodologiques dans lesquelles les différents professionnels
peuvent piocher afin d’assimiler le domaine de management de production.
Selon la méthodologie PODC d’Henri FAYOL, Ce support de cours est divisé en 5 chapitres
parties ; la premier chapitre traite les prévisions des commandes, le deuxième chapitre porte
sur la recherche opérationnelle appliquée à la gestion de production, le troisième chapitre traite
la planification de la production, le quatrième chapitre traite l’organisation et la gestion des
stocks et le cinquième chapitre porte sur le contrôle de la qualité.
Gestion de production FALLOUL Moulay El Mehdi
3
Chapitre 1 : La prévision des ventes
La prévision de la demande est à la base de l’optimisation de la chaîne logistique. Quel que soit
le type d’organisation d’une entreprise (flexibilité et réactivité) et son degré d’intégration dans
le pilotage des flux, deux éléments sont essentiels pour déterminer le calcul d'un
approvisionnement optimal :
- la prévision de consommation,
- la fiabilité attendue de cette prévision.
La prévision de consommation détermine de manière directe une partie du niveau
d'approvisionnement ; il s'agit de couvrir au minimum le besoin pour un certain délai. La
fiabilité attendue de cette prévision, ou la crédibilité de la prévision, permet de dimensionner
de manière optimale le niveau du stock de sécurité.
Pour optimiser le niveau de stock, l'obligation de prévoir la demande s'impose.
Dans ce qui suit, on va traiter les séries chronologiques
1.1 Régression et corrélation
1.1.1 Définition :
Les courbes de régressions (ajustements) sont un moyen graphique de synthétiser la liaison
existante entre deux variables (ou le nuage de points formé par ces deux variables). (Ex
quelques ajustements.
On distingue les régressions de types linéaires et les régressions de type non linéaire.
Gestion de production FALLOUL Moulay El Mehdi
4
1.1.2 L’ajustement linéaire La méthode des moindres carrés (ou encore la régression linéaire)
la méthode des moindres carrés résume un nuage de points par deux droites possibles qui lient
y à x, tel que la distance entre le nuage de points et chaque droite est minimale.
Objectif: choix de
^ ^
2 2 2
2
( ) ( ) ( i )iyi y yi y y y
SCreg
R
SCtot
 
    
 
  
Variation inexpliquée
Variation totale
(
Objectif: choisir 'ˆ'ˆˆ byax ii 
( yxD / ) tel que:
 2
ˆii
i
xx 
est un
minimum.
Gestion de production FALLOUL Moulay El Mehdi
5
xyD / ) tel que:
 2
ˆii
i
yy 
est un
mimimum
Démonstration :
     
221 1 ˆˆ ,ˆi i i i
i i
Min y y y ax b f b
n
a
n
     
  0
1
2).1()('   baxy
ndb
df
bf ii
i
(dériver par rapport à b: u^22uu’)
 b
n
x
a
n
y i
i
i
i 

 y= xa + b (1)
(résultat ‘en passant’: la droite doit passer par les points moyens)
Dériver /a:
et  1
'( ) ( ).2 0i i i
i
df
f a x y ax b
da n
      (2)
en remplaçant b par son expression (1), dans l’équation (2), on a:
  0.
1
.2)('   xayaxyx
nda
df
af ii
i
i
Arranger les termes:
  0)()(.
1
.2)('   xxayyx
nda
df
af ii
i
i
2
( )
( , )
ˆ
( )( )
²
i i
i i
ii i
x y y
x yn xy
Cov x yna
x Var xx x x
x
nn
 
 
  
    
 
 
  
 



(3)
Gestion de production FALLOUL Moulay El Mehdi
6
ˆ ˆb y ax  
1.1.3 Le coefficient de corrélation
Les pentes a et 'a  indication sur la liaison (corrélation) entre x et y. Ainsi, une indication
de la liaison moyenne entre xet y peut s’exprimer par leur moyenne géométrique:
 
1/22
1/2 ( , ) ( , )
. '
( ). ( ) .x y
Cov x y Cov x y
r a a
Var x Var y  
  
          
On peut montrer que: -1  r  1
Définition: Le taux de corrélation r détermine l’intensité de la corrélation (co dépendance) entre
la variable x et la variable y.
1.1.4 Le coefficient de détermination
Le coefficient de détermination (appelé 2
R ) est le carré du coefficient de corrélation ‘r’.
Proposition:
2
R mesure le part de la variabilité totale de y expliquée par x (ou encore par la droite de
régression).
 Plus 2
R est grand (tend vers 1) et mieux la droite bxay ˆˆˆ  résume le nuage de points
(y).  évolution de x décrit bien celle de y.
 Qd. 2
R est petit (tend vers 0)  évolution de x semble être indépendante de celle de y.
Vation expliquée et variation inexpliquée :
(Variation totale de Y) = (Variation expliquée par le modèle) +
(Variation inexpliquée par le modèle)
^ ^
( ) ( i ) ( i)yi y y y yi y
 
    
La méthode MCO permet de trouver l’égalité suivante :
^ ^
2 2 2
( ) ( i ) ( i)yi y y y yi y
 
      
Gestion de production FALLOUL Moulay El Mehdi
7
(Somme des carrées totale (SCtot)) = (Somme des carrées de la régression(SCreg)) +
(Somme des carrées résiduels (SCres))
Calcul du coefficient de détermination
^
2
2
2
( i )variation exp
variation ( )
y yliquée SCreg
R
totale SCtotyi y



  



Le principal défaut du R2
c’est qu’il croit avec les nombres de variables d’où l’utilité
du R2
ajusté
Calcul du coefficient de détermination ajusté
2
2 ( 1)
( 1)
ajusté
n R p
R
n p
 

 
Où p est le nombre de variables explicatives dans le modèle
1.1.5 Inférence sur les paramètres du modèle
On peut également calculer les erreurs (écarts ou résidus)
^ ^
( )e y i yi 
Hypothèses : si les erreurs sont :
- Indépendants en probabilités ;
-De moyenne nulle ;
-D’écart type constant.
Alors, on peut estimer l’erreur type  par
^
2
/
( )
2
y x
yi y
S
n




C’est l’écart type de l’erreur ei pour la prédiction de y sachant x. Dans ce qui suit on utilise la
notation S pour cette statistique.
Inférence pour la pente 1a
On doit tester l’hypothèse nulle contre l’hypothèse alternative
Gestion de production FALLOUL Moulay El Mehdi
8
0 1
0 1
: 0
: 0
H a
H a



Pour se faire on calcule la statistique tc (en valeur absolue) et on la compare à la valeur
critique ( /2, 2)nt   lu dans la table de Loi Student.
^ ^
1 1
^ 2
1
2
( )
(x )
c
a a
t
ss a
i x

 

Comme c’est montré dans la figure suivante :
Si
( /2, 2): 043.54c nt t rejette H  
Cela veut dire que la relation entre la variable x et y est significative.
Par ailleurs, on a un intervalle de confiance de 1a au niveau de (1 ) 95% 
2^ ^ ^
1 ( /2, 2) 1 1 ( /2, 2)
2
. ( ) .
(x )
n n
s
a t s a a t
i x
   
  

Inférence sur l’ordonnée à l’origine 0b :
On doit tester l’hypothèse nulle contre l’hypothèse alternative
0 0
0 0
: b 0
: b 0
H
H



Gestion de production FALLOUL Moulay El Mehdi
9
Pour se faire on calcule la statistique tc (en valeur absolue) et on la compare à la valeur
critique ( /2, 2)nt   lu dans la table de Loi Student.
^ ^
0 0
^ 2 2
0
2
( )
(x )
c
i
b b
t
s xs b
n i x

 



Si
( /2, 2) 0
( /2, 2) 0
c n
c n
t t rejette H
t t rejette H




 
  
Par ailleurs, on a un intervalle de confiance de 1a au niveau de (1 ) 95% 
2 2^ ^ ^
0 ( /2, 2) 0 0 ( /2, 2)
2
. ( ) .
(x )
i
n n
s x
b t s b b t
n i x
   
  



Cela veut dire que la droite de régression ne passe pas par l’origine.
Inférence sur la droite de régression
^
( )y x
La variance de
^
( )y x peur être obtenu par :
2^
2 2
2
2^ ^ ^
2
( /2, 2) ( /2, 2)
2
^
^
1 ( )
( ( )) ( )
( )
1 ( )
( ) . ( ( )) ( ) . ( )
( )
( ) ( )
( ( ))
n n
y
x x
s y x s
n x x
x x
y x t s y x y x t s
n x x
y x x
tc
s y x
 




  

 


   





L’intervalle de confiance peut être obtenu par :
2^ ^ ^
2
( /2, 2) ( /2, 2)
2
1 ( )
( ) . ( ( )) ( ) . ( )
( )
n n
x x
y x t s y x y x t s
n x x
 

  

   

Gestion de production FALLOUL Moulay El Mehdi
10
L’intervalle de prédiction de
^
( )y x peut être obtenu par :
2^ ^ ^
2
( /2, 2) ( /2, 2)
2
1 ( )
( ) . ( ( )) ( ) . (1 )
( )
n n
x x
y x t s yf x y x t s
n x x
 

  

    

1.1.6 Analyse de la variance (ANOVA)
Le tableau suivant présente l’analyse de la variance pour un modèle de régression simple :
Source de
variation
Somme des
carées
Degrés
delibertés
Carrées moyens
x SCreg 1 MCreg=SCreg/1
résidus SCresi n-2 MCresi=SCresi/n-2
Total SCT n-1 Fc= MCreg/MCresi
Nous voulons tester lh’ypothèse suivante :
0 1: 0H a 
Pour cela on calcule lastatistique Fc et on la compare à ( ,1, 2)nF  lu dans la table de Fisher
2
1
SCreg
MCregnFc
SCresi MCresi
 
On rejette l’hypothèse H0 si : ( ,1, 2)nFc F 
Application (régression univarié)
On dispose du tableau des données suivants relatifs à la distribution entre la consommation
(Y) et le revenu (X) entre 1992 et 2001.
Gestion de production FALLOUL Moulay El Mehdi
11
Date Y X
1 7389,99 8000
2 8169,65 9000
3 8831,71 9500
4 8652,84 9500
5 8788,08 9800
6 9616,21 11000
7 10593,45 12000
8 11186,11 13000
9 12758,09 15000
10 13869,62 16000
On vous de mande de :
1) Représenter graphiquement Y en fonction de X
2) Estimer les paramètres Yi= a1X+b0
3) Tester les hypothéses des variables et calculer les intervalles de confiance pour une
probabilité de 95%
4) Calculer l’intervalle de confiance de Y(x)
5) Etablir l’ANOVA et calculer le coefficient de détermination de cette regression
y = 0,781x + 1176,1
R² = 0,9958
0
2000
4000
6000
8000
10000
12000
14000
16000
0 2000 4000 6000 8000 10000 12000 14000 16000 18000
Consomation
Revenu
Evoluion de la consommation et du revenu
Gestion de production FALLOUL Moulay El Mehdi
12
2)
1
0
(X,Y) 5010472.92
0.781
( ) 6415600
(9985.575 0.781*11280) 1176.1
0.781 1176.1
Cov
a
Var X
b Ym axm
Y X
  
   
 
3) Inférence sur la pente
0 1
0 1
: 0
: 0
H a
H a



L’erreur type est comme suit
^
2 2
/
( ) 165169.38
143.69
2 2 8
y x
yi y ei
S
n n

  
 
 
La valeur critique est égale à
^ ^
1 1
^ 2
1
2
0.78
43.54
20646.17( )
64156000
(x )
c
a a
t
ss a
i x

   

( /2, 2): 043.54 2.306c nt t rejette H   
L’intervalle de confiance est comme suit :
2^ ^ ^
1 ( /2, 2) 1 1 ( /2, 2)
2
. ( ) .
(x )
n n
s
a t s a a t
i x
   
  

^ ^
1 ( /2, 2) 1. ( ) 0.78 (2.306*0.0179)na t s a   
Il y a une probabilité de 95% que la valeur estimé de a1 se trouve dans l’intervalle
 0.740,0.822 avec 5% de chance se trouver à l’extérieur de cet intervalle
Gestion de production FALLOUL Moulay El Mehdi
13
Inférence sur l’ordonnée à l’origine b0
0 0
0 0
: b 0
: b 0
H
H



La valeur critique est égale à
^ ^
0 0
^ 2 2
0
2
1176.1
5.671
207.39( )
(x )
c
i
b b
t
s xs b
n i x

   



( /2, 2): 05.671 2.306c nt t rejette H   
L’intervalle de confiance est comme suit :  697.843,1654.337
^ ^
0 ( /2, 2) 0. ( ) 1179.1 (207.392*2.306)nb t s b   
Inférence sur la droite de régression
^
( )y x
Par exemple pour X = Xm =11280 on a
^
(11280) ym 9985.57y  
2^
2 2
2
1 ( ) 1
( ( )) ( ) 20646.17.( 0) 2064.61
10( )
x x
s y x s
n x x



    

L’intervalle de confiance est comme suit :  9880.79,10090.35
^ ^
( /2, 2)(x) . ( (x)) 9985.57 (45.4835*2.306)ny t s y   
Gestion de production FALLOUL Moulay El Mehdi
14
4) Tableau ANOVA
Source de
variation
Somme des
carées
Degrés
delibertés
Carrées moyens
x 39130928.80 1 391309.80
résidus 165169.38 8 20646.17
Total 3929698.18 9 Fc=
391309.80/20646.17
Nous voulons tester lh’ypothèse suivante :
0 1: 0H a 
Pour cela on calcule lastatistique Fc et on la compare à ( ,1, 2)nF  lu dans la table de Fisher
On rejette l’hypothèse H0 si : ( ,1, 2)( 1895.31) ( 5.32)nFc F   
Remarque : On peut utiliser les logiciels d’analyse de données pour résoudre ce
type de modèle, on peut utiliser l’outil de l’analyse de données d’Excel.
Rapport d’analyse sous Excel
Gestion de production FALLOUL Moulay El Mehdi
15
1.2 Les séries chronologiques
1.2.1 Définition :
On appelle « série chronologique » toutes suite temporelle d’observations chiffrées, les
observation sont effectuées à des intervalles de temps réguliers (années, mois, jours,…).
Une SC comporte quartes composantes (mouvements):
- Une composante Extra saisonnière : il s’agit d’un mouvement à long terme qualifié par trend
de la série chronologique (Ti)
- Une composante cyclique où l’amplitude d’un mouvement est variable pouvant dépasser
l’année (Ci)
- Une composante saisonnière : des fluctuations périodiques peuvent apparaître à
l’intérieur de l’année et qui peuvent se répéter chaque année à la même période (Si)
- - Une composante aléatoire ou imprévisible où l’intensité de variation est réduite. (
Ai).
 Il existe 2 méthode d’une chronique:
 Le modèle additif : Yi= Ti + Ci + Si + Ai
 Le modèle multiplicatif : Yi= Ti * Ci * Si *Ai (plus fréquent)
 Une SC peut être (journalières, mensuelles, trimestrielles…)
Gestion de production FALLOUL Moulay El Mehdi
16
1.2.2 Détermination par moyens mobiles (MC0):
Gestion de production FALLOUL Moulay El Mehdi
17
 Exemple des deux premiers moyens mobiles d’ordre 2 et 3
(24.66+24.61)/2 = 24.63
(24.66+24.61+24.73)/3 =24.66
1.2.3 Détermination par les MCO
Exemple : on dispose des ventes trimestrielles de 4 années d’un magasin de vente
de pièces mécaniques:
 La droite d'ajustement est de la forme Y = 3,22.X + 3265.75
 coefficients saisonniers (CS) sont les moyennes arithmétiques des rapport au
trend ( Y /Y') par période (trimestre, mois...)
Gestion de production FALLOUL Moulay El Mehdi
18
 Détermination des coefficients saisonniers et correction de la série des
variables saisonnières.
1.3.3 Le lissage exponentiel
1.3.1 Définition
Les techniques de lissage exponentiel ont été introduites par Holt en 1957 mais surtout par
Brown en 1962. Le lissage regroupe l’ensemble des techniques empiriques qui ont pour
caractéristiques communes d’accorder un poids plus important aux valeurs récentes de la
chronique.
Caractéristiques des méthodes de lissage exponentiel
– Premier principe : la dévalorisation croissante de l'information avec l'âge
– Deuxième principe : la synthétisation des informations
– Troisième principe : la réactualisation permanente des paramètres moyennant des calculs
relativement simples
Gestion de production FALLOUL Moulay El Mehdi
19
1.3.2 Le lissage simple : le modèle stationnaire
La formule du lissage simple est la suivante :
^ ^
1(1 )t tt tx S x x     
Avec
^
1 1x x pour initialiser et la prévision calculée en n à l’horizon de h périodes est
égale à :
^ ^
n h n
x x h
  et     0,1coefficient de lissage 
Application
Le tableau suivant montre lissage exponentiel des ventes :
0.3 
9 8 10 11
^ ^ ^ ^
x x x x  
t (mois) Ventes (xt) St et=xt -ST
1 30 30,00 0,00
2 40 33,00 7,00
3 40 35,10 4,90
4 30 33,57 -3,57
5 20 29,50 -9,50
6 20 26,65 -6,65
7 30 27,65 2,35
8 30 28,36 1,64
9 28,36 -28,36
10 28,36 -28,36
11 28,36 -28,36
Gestion de production FALLOUL Moulay El Mehdi
20
1.3.3 Le lissage exponentiel double : le modèle linéaire
La formule du lissage double est la suivante :
^
1
^
( )
0 1
* 0 1 (après ' )
t t t
t p n t t
x a a
x n a a la dernière période d ajustement

 
 
 
Avec :
1 ( )
1
0 2
t t t
t t t
a S SS
a S SS



 

  
et
1
1
(1 )
(1 )
t t t
tt t
S x S
SS S SS
 
 


  
  
Application
Le tableau suivant montre lissage exponentiel double des ventes : avec 0.3 
Gestion de production FALLOUL Moulay El Mehdi
21
1.3.4 Les modèles de Holt et Holt–Winters
1.3.4.1 Le modèle de Holt
Nous pouvons aussi utiliser le lissage de Holt qui comprend deux paramètres : l’un pour la
moyenne lissée a0t et l’autre pour la pente a1t.
Deux lissages distincts sont effectués :
– le lissage de la moyenne a0t avec un coefficient de lissage , [0 ; 1],
– le lissage de la tendance a1t avec un coefficient de lissage , [0 ; 1].
(Dans le cas particulier où = le modèle de Holt se ramène au lissage exponentiel double
de Brown).
Formulation
Lissage de la moyenne :
   t–1 –10 . 1 – 0 1.t t ta x a a   
(a0t–1 + a1t –1 représente la nouvelle moyenne lissée en t)
0
2000
4000
6000
8000
10000
12000
Prévision des ventes (Méthode LED)
Ventes CVS (xt) Xt(prévisons)
Gestion de production FALLOUL Moulay El Mehdi
22
Lissage de la tendance :
   1 –1 –1. 0 – 0 1 – 1t t t ta a a a  
Prévision calculée en t à un horizon de h périodes :
^
0 1tt h ta h ax   
Avec :
xt = valeur observée de la série en t
Initialisation (pour t = 1)
– Initialisation de la moyenne lissée : a01 = x1
– Initialisation de la tendance : a11 = 0
Les formules générales peuvent ensuite être utilisées.
Application
Le tableau suivant montre lissage exponentiel des ventes : avec 0.3  et 0.11 
Gestion de production FALLOUL Moulay El Mehdi
23
1.3.4.2 Le modèle de Holt-Winters
Le modèle de Holt–Winters présente l’avantage d’intégrer une composante saisonnière et donc
de réaliser le calcul de la prévision en un seul traitement. C’est ce modèle qui est employé le
plus couramment dans les progiciels de prévision des ventes.
le lissage de la moyenne avec un coefficient de lissage , avec [0 ; 1],
le lissage de la tendance avec un coefficient de lissage , avec [0 ; 1],
le lissage de la saisonnalité avec un coefficient de lissage , avec [0 ; 1],
Gestion de production FALLOUL Moulay El Mehdi
24
Formulation
Lissage de la moyenne :
     – –1 –10 . / 1 – 0 1.t t t p t ta x S a a   
(On utilise St–p car St n’est pas encore connue).
Lissage de la tendance :
   1 –1 –1. 0 – 0 1 – 1t t t ta a a a  
Lissage de la saisonnalité :
    –. / 0 1 – .t t t t pS x a S  
Prévision à un horizon de h périodes :
2
^
^
( 0 1 ). 1
( 0 1 ). 1 2
t h
t
t t t p h
t t th p h
a h a S si h p
a h a S si p p
x
x h
 
 


   
    
Avec :
a0t = moyenne lissée de la série en t
xt = valeur observée de la série en t
St = coefficient saisonnier en t
p = périodicité des données (p = 12 en mensuel, p = 4 en trimestriel)
a1t = tendance estimée en t.
Initialisation (pour la première année, t = 1, p)
- Initialisation de la saisonnalité
Les coefficients saisonniers pour la première année sont estimés par la valeur observée en t (xt)
divisée par la moyenne x

des p premières observations (celles de la première année).
/St xxt

 pour t = 1, p
- Initialisation de la moyenne lissée : 0pa x


- Initialisation de la tendance : 01pa 
Gestion de production FALLOUL Moulay El Mehdi
25
Application
Le tableau suivant montre lissage exponentiel des ventes de Holt and Winters : 0.3  et
0.11  et γ=0.2
Initialisation :
Initialisation : x

= 571,34 (pour la première année).
La saisonnalité : Savr–Année 1 = 427,60 / 571,34 = 0,70
La moyenne : a0déc–Année 1 = 571,34
La tendance : a1déc–Année 1 = 0
Ici, en régime permanent (l’horizon h est choisi égal à 1) pour la ligne de septembre de
l’année 2
:
a0 sep–Année 2 = 0,3 (522,1 / 0,91) + 0,7 (512,9 – 0,3) = 530,2
Gestion de production FALLOUL Moulay El Mehdi
26
a1 sep–Année 2 = 0,1 (530,2 – 512,9) + (0,9 *– 0,3) = 1,5
S sep–Année 2 = 0,2 (522,1 / 530,2) + (0,8 *0,91) = 0,93
^
x sep–Année 2 = (512,9 + (– 0,3) * 1) 0,91 = 468,51 (calculée en août 1992, avec h = 1).
La prévision pour septembre de l’année 4 (horizon h = 9), calculée en décembre de l’année 3,
est égale à :
^
x sep–Année 3 = (533,4 + 4.9) 0,93 = 504
1.4. L’ajustement non linéaire
La plupart desphénomènes économiques ne suivent pas une évolution liénaire, d’où l’utilité de
d’étudier quelques ajustements non linéaires spécifiquement en l’occurrence l’ajustement par
une fonction exponentielle et par une fonction puissance.
1.4.1 Linéarisation de modèles non linéaires :
Remarque : il existe des techniques de régressions non linéaires, mathématiquement plus
difficiles et moins générales.
Principe : réaliser une anamorphose, c’est-à-dire produire un modèle linéaire par un
changement de variable(s) adéquat.
La fonction puissance :
,a
Y Bx B et a étant des constantes. Donc .ln y ln B aln x  ln y
Posons ’ , ’ ; ’ ’y ln y b ln B et x ln x donc y b ax     y’
(droite avec pente a )
Icia peut être interprété comme l’élasticité de la fonction (isoélastique) originale.
La fonction exponentielle :
, . .ax
Y Be B et a étant des constantes Donc ln y ln B ax  
Posons ’y ln y etb ln B  ; donc ’y b ax 
La fonction exponentielle est particulièrement utile dans le calcul des taux de croissance .
Gestion de production FALLOUL Moulay El Mehdi
27
En effet, on ajuste souvent une variable par rapport au temps pour décrire son évolution (pas
expliquer). Dans ce cas, la fonction exponentielle s’écrit :
at
Y Be et, après anamorphose : ’y b at 
Avec   taux de croissance instantané constant et
0b ln y , avec 0y y quand 0t  , la valeur d’amorçage.
Gestion de production FALLOUL Moulay El Mehdi
28
Chapitre 2 : Introduction à la programmation linéaire
La recherche opérationnelle est une méthode d'analyse scientifique d'un problème. Cette
méthodologie est un mélange d'analyse et de méthodes mathématique réunies pour aider un
décideur à prendre une décision. Elle consiste à recevoir un maximum d'information sur le
problème afin de proposer des solutions mais surtout pas de décider laquelle est la meilleure.
La solution choisie dépend surtout des intérêts du décideur. Cette méthode Cette méthode est
très utilisée pour résoudre les problèmes de gestion de production, de transport et de logistique.
Les problèmes de gestion qui seront traités en l’occurrence sont :
1. La programmation linéaire peut être définie comme étant une méthode qui permet
d’allouer de façon optimale des ressources disponibles en quantités limitées à des
activités compétitrices.
2. les techniques de gestion des problèmes de transport, à savoir la méthode du coin
nord-ouest et celle de stepping stone.
3. La méthode de satisfaction d’une demande dépendante et la gestion des différentes
opérations entrainées par cette demande
4. La méthode d’ordonnancement des taches. Réseau PERT et la méthode du chemin
critique, CPM.
2.1. La programmation linéaire
Un programme linéaire est un programme mathématique, i.e. problème consistant à trouver un
extremum (maximum ou minimum) d’une fonction à plusieurs variables, vérifiant en outre un
système d’équations ou d’inéquations, ces fonctions étant linéaires.
2.1.1 Exemple
a) Agriculteur
Un agriculteur possède 40ha, 63 000 FF et 840 jours de travail. Il désire semer du maïs, du blé
et du soja qui ont les coûts et les rapports suivants:
Prix (FF/ha) Temps (jour) Rapports (FF/ha)
Maïs 1500 18 420
Blé 1800 27 510
soja 1050 15 360
Gestion de production FALLOUL Moulay El Mehdi
29
On peut synthétiser les contraintes de cette façon:
1500 x1 + 1800 x2 + 1050 x3  63 000
18 x1 + 27 x2 + 15 x3  840
X1 + x2 + x3  40
X1, x2, x3  IR+
X1, x2, x3  0
Et la fonction économique max z = 420 x1 + 510 x2 + 360 x3
b) Usine
De la même façon, une usine produit du "A" et du "B" avec du "M1" et du "M2" avec les
caractéristiques suivantes:
A B Stocks
M1 2 1 8
M2 1 2 7
M3 0 1 3
gains 4 5
Mise en équations avec x1 le nombre de "A" et x2 le nombre de "B" sachant que x1et x2  0
Bilan de M1: 2 x1 + x2  8
Bilan de M2: x1 + 2 x2  7
Bilan de M3: x2  3
Le critère étant un max z = 4 x1 + 5 x
2.1.2 Forme canonique
Tout programme linéaire peut être mis sous forme canonique, c'est à dire un système avec un
ensemble d'inéquation et une fonction à optimiser.
Gestion de production FALLOUL Moulay El Mehdi
30
1 1 2 2
11 1 12 2 1 1
21 1 22 2 2 2
1 1 2 2 2
1 2
... ( )
...
2 ...
int
..........
2 ...
, ,.., 0
n n
n n
n n
n n nn n
n
Max Z c x c x c x fonction économique objective
a x a x a x b
a x a x a x b
contra es économiques
a x a x a x b
x x x
   
    
    


    

2.1.3 Forme Standard
La formulation standard du programme linéaire permet de transformer les inéquations en
équations en introduisant des variables d’écart ; ces variables d’écart expriment un éventuel
sous-emploi des capacités (ressources non employées).
Il faut noter qu’il y a autant de variables d’écarts que d’inéquations, ce qui donne au niveau
du programme linéaire une variable d’écart pour chacune des contraintes : soit e1pour la
contrainte (1), e2 pour la contrainte (2), et e3 pour la contrainte (3).
On obtient la formulation standard suivante :
1 1 2 2 1 2
11 1 12 2 1 1 1
21 1 22 2 2 2 2
1 1 2 2 2
... 0 0 ... 0
... 0
2 ... 0
..........
2 ... 0
e e e
n n n
e
n n
e
n n
e
n n nn n n
Max Z c x c x c x
a x a x a x b
a x a x a x b
a x a x a x b
        
    
    
    
Ecriture matricielle :
max (t
c x)
Ax=b
x 0
avec :
Gestion de production FALLOUL Moulay El Mehdi
31
x =
















mn
n
1
x
x
x


, c=
















0
c
c
n
1


x, c  Rn+m
, A =














100aa
010aa
001aa
mn1m
n221
n111




, A  M m,n+m(R), b=










m
1
b
b

,
b  Rm
Convexité
C  IRn
est convexe SSI  x  C , et  y  C ,    0,1  x + (1-)y  C
L'intersection d'un nombre fini de convexes est convexe. Un polyèdre convexe est
l'intersection d'un nombre fini d'ensembles du type A , B , C.
Théorème : L'ensemble  des solutions réalisables d'un programme linéaire est convexe.
x est un point extrémal d'un convexe (ou point anguleux, ou sommet) SSI il n'existe pas:
x' , x²  C x'  x² tels que x = x' + (1-)x² avec   ]0,1[
Théorème : Tout point x d'un polyèdre convexe borné   IRn
est combinaison linéaire
convexe de points extrêmes de .
Remarque : Dans le cas où  est un polyèdre non borné, il existe un théorème analogue
utilisant la notion de rayons extrémaux.
2.1.4 Formulation du programme dual :
Il s’agit, dans un premier temps, d’écrire le programme dual en respectant les
correspondances primal →dual :
-Chaque ligne primal correspond à un input du dual ;
- Chaque colonne primale correspond à une ligne duale ;
-Chaque output est représenté par une ligne primale ;
- Le nombre des variables du dual est égale au nombre des inputs du primal ;
- Les seconds membres des contraintes constituent les coefficients de la fonction objective ;
- Le sens de l’inégalité >= sera remplacé par <=.
Dans un second temps, il s’agit d’identifier les variables du dual, sens contraintes et enfin sa
fonction économique (ou objective).
Deux règles à respecter :
- Les fonctions objectives des deux programmes ont la même valeur optimale ;
- La valeur optimale d’une variable est égale à la valeur marginale de la variable associée.
Gestion de production FALLOUL Moulay El Mehdi
32
Exemple :
Considérons le programme primal suivant :
1 2 3
1 2 3
1 2 3
1 2 3
1 2 3
Min 1140 880 1060
8 6 2100
5 6 1200
12 5 8 1353
, , 0
W x x x
x x x
x x x
x x x
x x x
  
  

  
   

Le dual du 1er
PL est obtenu à partir du tableau suivant :
La forme duale du programme linéaire s’écrira :
2.1.5 Résolution du programme linéaire par la méthode graphique
Une représentation graphique des inégalités (des contraintes) va nous permettre de déterminer
l’ensemble des solutions réalisables. Cette méthode ne peut être utilisée que lorsque le problème
se limite à deux variables. A chaque inéquation de contrainte, on peut associer une droite du
plan.
X1 X2 X3 Min
Y1 1 8 6 2100
Y2 1 5 6 1200
Y3 12 5 8 1353
max 1140 880 1060
1 2 3
1 2 3
1 2 3
1 2 3
1 2 3
Max 2100 1200 1353
12 1140
8 5 5 880
6 6 8 1060
y , y , y 0
Z y y y
y y y
y y y
y y y
  
  

  
   

Gestion de production FALLOUL Moulay El Mehdi
33
Application
L’entreprise XLS fabrique 2 types de produits les tables et des lits. Les besoins en matières et
en heures de travail qui nécessite chaque type de produit sont donnés par le tableau suivant :
Produits Caoutchouc (m3
) Acier (kg) Heures de travail
Sièges
Plafonds
0.3
0.2
100
50
2h
3h
27m3
8kg 280h
Travail à faire :
1) Déterminer tous les programmes de production possibles
2) Déterminer le programme permettant de maximiser le bénéfice sachant que la marge sur
coût variable est de 300 DH par table et 250 DH par lit.
Solution :
1) Détermination des programmes de production possibles :
 
 
 
 
0.3 0.2 27 3
0.1 0.05 8 ’
2 3 280
Max 300 250
, 0
x y m de bois
x y kg d acier
x y heures de travail
la prod
Z x y
uction ne peut être négax y tive
 
 
 








A chaque inéquation de contrainte, on peut associer une droite du plan.
-La droite 1 : de coordonnées (0 ; 135) (90 ; 0)
- La droite 2 : de coordonnées (0 ; 160) (80 ; 0)
-La droite 3 : de coordonnées (0 ; 120) (180 ; 0)
Gestion de production FALLOUL Moulay El Mehdi
34
Le polygone OABCD représente les régions des solutions(x ; y) admissibles, autrement dit
tous point à l’intérieur de ce polygone est un programme de production qui vérifie les
contraintes.
Les sommets du polygone sont des solutions particulières :
A (80 ; 0) ; B (18 ; 108) ; C (50 ; 60) ; D (80 ; 0).
2) détermination du programme de maximisation de bénéfices
Il importe maintenant de déterminer parmi les solutions admissibles celle qui maximise la
fonction économique : 350x + 250y = Z.
Pour déterminer cet optimum, on trace une droite (D) : 350x+250y=0 correspondant à la
fonction économique Z puis on la déplace parallèlement à elle-même jusqu’à ce qu’elle garde
un point dans la zone d’acceptabilité.
On remarque que le point C correspond à l’optimum économique recherché, donc le
bénéfice maximum est de (350 .50) + (250.60) = 32500.
Gestion de production FALLOUL Moulay El Mehdi
35
Différents cas possibles de résolution graphiques de programmes linéaires
Problème de maximisation
la solution optimale est B(40,110)
Problème avec solution non bornée
On peut augmenter la valeur de la fonction objectif dans la direction des flèches
indéfiniment donc la solution est non bornée
Gestion de production FALLOUL Moulay El Mehdi
36
Problème impossible
L’espace des solutions réalisables est vide, il est l’intersection des deux zones
grises de la figure ci-dessus
Problème à solutions multiples
L’ensemble des points décrit par le segment [AB] représente les solutions
optimales du problème linéaire
Gestion de production FALLOUL Moulay El Mehdi
37
Problème de dégénérescence
La solution optimale B(10,5) est dite dégénérée si trois contraintes concourent en
ce point.
2.1.6 Analyse de sensibilité
Une analyse de sensibilité se résume à la recherche des intervalles de variations
possibles des paramètres du programme linéaire sans que la solution optimale ne
soit modifiée.
Question : De combien peut-on faire varier le profit engendré par la culture d’un
hectare de tomates, dans le problème de l'agriculture, sans changer la solution
optimale ?
Réponse :
Gestion de production FALLOUL Moulay El Mehdi
38
fonction objectif est égale à
La solution demeure optimale si la pente de la fonction objective reste toujours
comprise entre la pente de la contrainte (1) et (3). Ceci est équivalent à dire que :
On peut vérifier aussi que si :
 alors la solution optimale est A
 alors le problème est à solutions multiples : [AB]
 alors la solution optimale est B
 alors le problème est à solutions multiples : [BC]
 alors la solution optimale est C
 alors le problème est à solutions multiples : [CD]

Alors la solution optimale est D
2.1.7 Résolution du programme linéaire par la méthode simplex
Lorsque le nombre de variables dépasse deux, la résolution graphique du programme linéaire
n’est pas possible, d’où l’utilisation de l’algorithme du Simple. Les étapes de cette méthode
peuvent être résumées comme suit :
Gestion de production FALLOUL Moulay El Mehdi
39
1- Modélisation :
Définir les variables
Contraintes en inéquation
Bénéfice
2- Matrice
Transformation de l’inéquation en équation (de la forme canonique à la forme standard)
Ajout de matrice d’écart
3- Recherche du pivot (critères de Dantzig)
Colonne : coût marginal le plus élevé
Ligne : on prend le plus petit ratio (second membre / coefficient de la variable entrante dans la
base)
4- Application de la règle du rectangle
Pour faire entrer la variable choisi dans la base
5- Itération jusqu’à ce que les coefficients de la fonction économique soit (<= 0),
dans ce cas on a atteint l’optimum.
Application
1 2 3
Max 500 400 600
3 2 28
20
18 5 11 324
,x ,x 0
Z x y z
x y z
sc x y z
x y z
x
  
  

  
   

Forme standard du problème :
1 2 3
1
2
3
1 2 3, 1 2 3
Max 500 400 600
3 2 28
20
18 5 11 324
,x ,x , , 0
Z x y z e e e
x y z e
sc x y z e
x y z e
x e e e
     
   

   
    

Gestion de production FALLOUL Moulay El Mehdi
40
Tableau 1
x y z e1 e2 e3 Bi Ri
e1 1 3 2 1 0 0 28 14 L1/2
e2 1 1 1 0 1 0 20 20 2L2-L1
e3 18 5 11 0 0 1 324 324/11 L3-5.5L1
Z 500 400 600 0 0 0 L4-300L1
Tableau 2
x y z e1 e2 e3 Bi Ri
z 0.5 0.5 1 0.5 0 0 14 28 2L1- L2
e2 1 -1 0 -1 2 0 12 12 L2
e3 12.5 -11.5 0 -5.5 0 1 170 13.6 L3- 12.5L2
Z 200 -500 0 -300 0 0 -
8400
L4- 200L2
Tableau 3
x y z e1 e2 e3 Bi
e1 0 4 2 2 -2 0 8
x 1 -1 0 -1 2 0 12
e3 0 -1 0 7 -25 1 20
Z 0 -300 0 -100 -400 0 -10800
Tous les coefficients sur la fonction économique sont négatifs ou nuls (le maximum est
atteint), les quantités optimales sont :
12, 8
(500*12) (600*8) (400*0) 10800
x z
optimum
 
   
Remarquons qu’à l’optimum la contrainte e1 et e2 valent 0, ces contraintes sont donc saturés et
e3 vaut 20, la troisième contrainte n’est pas saturée.
2.2. Problèmes de transport
On est en présence de problème de transport au sens strict, lorsqu’on souhaite réaliser des
transferts, entre des sommets d’origine et des sommets d’arrivées d’un graphe.
Application :
Transport de marchandises entre 3 usines et 4 entrepôts d’un même produit P, la capacité de
production mensuelle des 3 usines sont (Usine1= 400, Usine2= 250, Usine3= 500 unités). Le
besoin mensuels des entrepôts sont de (Entrepôt 1= 100, Entrepôt 2= 350, Entrepôt 3= 500 et
Entrepôt 4 = 200 unités).
Gestion de production FALLOUL Moulay El Mehdi
41
-La matrice des coûts de transport Cij (Le coût de l’usine i à l’entrepôt j) se présente comme
suit :
i j 1 2 3 4
1 50 60 10 20
2 100 40 30 30
3 20 70 80 50
-La matrice des quantités Xij (quantité à transporter de l’usine i à l’entrepôt j), le vecteur des
disponibilités des usines di, et les besoins des entrepôts bi se présente comme suit :
i j 1 2 3 4 di
1 x11 x12 x13 x14 400
2 x21 x22 x23 x24 250
3 x31 x32 x33 x34 500
bj 100 350 500 200 1150
2.2.1 Modélisation du problème du transport :
11 12 13 21 34. 50 60 10 100 ... 50xij ij
i j
Min Z c x x x x x     
Contraintes :
Toutes les disponibilités doivent être exactement utilisées : , :ij i
j
i x d 
11 12 13 14
21 22 23 24
31 32 33 34
x x 400
x x 250
x x 500
x x
x x
x x
   
   
   
Tous les besoins doivent être exactement utilisés : , :ij j
i
j x b 
11 21 31
11 22 23
13 23 33
14 24 34
x x 100
x x 350
x x 500
x x 200
x
x
x
x
  
  
  
  
Gestion de production FALLOUL Moulay El Mehdi
42
2.2.2 Résolution du problème de transport :
Première étape : on cherche une solution de base c’est-à-dire des quantités xij satisfaisant les
contraintes (en générale cette solution n’est pas optimale).
Deuxième étape : on améliore progressivement la solution de départ (de base), en basant d’une
solution de base à une autre jusqu’à ce qu’on obtient des solutions minimisant le coût total.
2.2.2.1 La méthode du coin Nord-ouest (solution de base) :
On commence par saturer la colonne du coin Nord-ouest et puis on sature (lignes et les colonnes
successivement).
i j 1 2 3 4 di
1 100 300 400
2 50 200 250
3 300 200 500
bj 100 350 500 200
Coût de la solution de base par la méthode du coin Nord-ouest :
50*100 60*300 40*50 30*200 80*300 50*200 65000Z euros      
Pour trouver la solution optimale, il faut utiliser une autre méthode « L’algorithme du Stepping-
Stone », mais vu que cette méthode nécessite beaucoup d’itérations car la solution sur la base
de la méthode du coin Nord-Ouest est un peu lourde, c’est pourquoi il est préférable d’utiliser
la solution de base à partir de la méthode Ballas Hammer qu’on présente comme suit :
2.2.2.2 La méthode de Ballas Hammer (solution de base) :
A partir de la matrice initiale (coûts, besoins, disponibilités) :
a- Dans la matrice des Cij, on repère le coût unitaire de chaque ligne et chaque colonne.
Ce coût est comparé par différence, au coût immédiatement supérieur de la ligne ou de
la colonne.
b- On choisit le chemin ayant le coût le plus faible et on l’utilise pour faire transiter le maximum
de marchandises (pour saturer colonne ou ligne) et donc la supprimer.
c- Les étapes a et b sont répétées autant de fois jusqu’à obtenir une solution de base.
Gestion de production FALLOUL Moulay El Mehdi
43
1 2 3 4 di (1) (2)
1 50 60 400 20 400 10 10
2 100 250 30 30 250 10 10
3 100 100 100 200 500 30 20
bi 100 350 500 200
(1) 30 20 20 10
(2) 10 70 30
400*10 250*40 100*20 100*70 100*70 200*50 41000Z euros      
D’emblée cette méthode permet d’obtenir un coût inférieur 41000<65000
2.2.2.3 Recherche d’une solution optimale par l’algorithme de Stepping-stone :
Dans cette méthode, on est conduit à évaluer pour chaque trajet (i, j) non utilisé, la variation
du coût total en faisant passer une unité par ce trajet et en procédant aux ajustements
nécessaires, Soit ∆ij variation (un coût marginal).
Si le ∆ij est <=0, alors on réduira le coût total en passant par ce trajet.
( , ) ' '(i', j') ci"j"(i", j") ci"'j"'(i"', j"')i j cij i j ci j      (Formant ainsi un cycle)
Reprenant (la matrice des coûts et la solution de base obtenue par la méthode Ballas Hammer) :
i j 1 2 3 4
1 50 60 10 20
2 100 40 30 30
3 20 70 80 50
i j 1 2 3 4
1 400
2 250
3 100 100 100 200
Gestion de production FALLOUL Moulay El Mehdi
44
Trajet non utilisé
(i, j)
Chaines d’échange Coût marginal ∆ij
(1,1) (1,1), (1,3), (3,3), (3,1) =50-10+80-20=100
(1,2) (1,2), (1,3), (3,3), (3,2) =60-10+80-70=60
(1,4) (1,4), (1,3), (3,3), (3,4) =20-10+80-50=40
(2,1) (2,1), (2,2), (3,2), (3,1) =100-40+70-20=110
(2,3) (2,3), (2,2), (3,2), (3,3) =30-40+70-80=-20
(2,4) (2,4), (2,2), (3,2), (3,4) =30-40+70-50=10
On retiendra la chaine d’échanges utilisant (2,3)
i j 1 2 3 4
1 400
2 150 100
3 100 200 200
Le nouveau coût devient : 41000 (100*20) 39000  . En effet le coût optimal est de 39000
euros.
10*400 40*150 30*100 20*100 70*200 50*200 39000Z euros      
2.3 Organisation des tournées
La planification des tournées de livraison peut s’effectuer suivant deux techniques ; la tournée
fixe et la tournée variable.
2.3.1 La tournée fixe :
La tournée fixe comme son nom l’indique consiste à fixer des tournées, à partir de données
établies au préalable, et pour une période donnée (semaine, mois…). Ce principe est simple
mais présente plusieurs inconvénients notamment :
• il ne garantit pas le remplissage optimal des véhicules ;
• il fige le planning de tournées de livraison donc n’optimise pas l’organisation en termes de
client à livrer et de distance minimum à parcourir.
Gestion de production FALLOUL Moulay El Mehdi
45
2.3.2 La tournée variable
Le principe de la tournée variable consiste à fixer chaque jour les tournées en fonction de la
demande (quantité à livrer, localisation des clients) et des véhicules disponibles. On engage
ainsi un nombre variable de véhicules lesquels parcourent un circuit variable, en fonction du
tonnage à distribuer et de la localisation des clients à livrer.
Ce problème peut être résolu à l’aide de logiciels d’optimisation utilisant l’algorithme de
Kruscal.
2.3.2.1 L’algorithme de Kruscal
Cette méthode fournit une approche d’une solution mais pas nécessairement la meilleure. Son
objectif vise à minimiser la distance à parcourir ou la durée de chaque tournée. Elle repose sur
la notion simple de gain ou d’écartement défini comme suit :
Application :
Soit un dépôt O et deux clients A et B. On veut trouver le plus court chemin permettant de
livrer A et B à partir de O.
Deux solutions s’offrent à nous :
(1) Approvisionner A, retouµ
(2) rner au dépôt, puis livrer B et revenir en O.
(3) Approvisionner A puis B au cours de la même tournée.
Gestion de production FALLOUL Moulay El Mehdi
46
Les distances parcourues s’écrivent alors :
D1 = 2 d(O,A) + 2 d(O,B)
D2 = d(O,A) + d(A,B) + d(O,B)
On appelle gain ou écartement du couple de points A, B par rapport au centre O, la
différence entre ces deux solutions c’est-à-dire en termes de quantités :
       , 1 – 2 , , – ,G A B D D d O A d O B d A B  
G (A,B) représente donc le gain obtenu en intégrant ces deux points dans une même
tournée.
Pour une localisation donnée du dépôt, minimiser la longueur de la tournée revient à maximiser
la somme des écartements.
Procédure de la méthode :
1) Calculer les écartements de tous les couples de points par rapport au centre ;
2) Les classer par importance décroissante ;
3) Sélectionner chaque couple de la liste ; abandonner ceux formant une boucle ou une
fourche avec ceux précédemment sélectionner (on s’interdit de passer plusieurs fois en
chaque point) ;
4) Arrêter la procédure en fonction des contraintes de tonnage, de temps…
5) Joindre le centre à ces deux extrémités.
Application :
Une entreprise P doit livrer cinq clients A, B, C, D, E à partir de son dépôt O avec un véhicule
de 10 tonnes. L’objectif est de composer une tournée de livraison dans le but de parcourir la
plus petite distance.
Gestion de production FALLOUL Moulay El Mehdi
47
Tonnage à
livrer
Dépôt O D A B C E
A 2.0 23 15 - 32 38 17
B 0.8 15 19 - 28 25
C 0.2 18 35 - 38
D 1.3 24 - 20
E 1.0 33 -
Chemin
(i, j)
Ecartement ou gain obtenu
G(A,B) d(O,A) d(O,B) – d(A,B)=6
G(A,C) d(O,A) d(O,C) – d(A,C)=3
G(A,D) d(O,A) d(O,D) – d(A,D)=32
G(A,E) d(O,A) d(O,E) – d(A,E)=39
G(B,C) d(O,C) d(B,C) – d(A,B)=5
G(B,D) d(O,A) d(O,B) – d(A,B)=20
G(B,E) d(O,A) d(O,B) – d(A,B)=23
G(C,D) d(O,A) d(O,B) – d(A,B)=7
G(C,E) d(O,A) d(O,B) – d(A,B)=13
G(D,E) d(O,A) d(O,B) – d(A,B)= 37
Ensuite, on classe les gains des couples par ordre décroissant :
G(A,E); (D,E); (A,D); (B,E); (B,D); (C,E); (C,D); (B,C); (A,C)
On trace alors la tournée en sélectionnant chaque couple les uns après les autres sans
considérer les clients déjà intégrés et en évitant de former des boucles dans la tournée ce qui
donne :
[A,E]; [D,E]; pas [A,D] (car cela formerait une boucle); pas [B,E]; [B,D]; pas [C,E]; pas
[C,D]; [B,C] puis on joint le dépôt O.
On vérifie que la somme des tonnages livrés ne dépasse pas la charge utile du véhicule (5,3
tonnes) et l’on calcule la longueur de la tournée (125 km).
Gestion de production FALLOUL Moulay El Mehdi
48
2.4 Files d’attente
Une file d’attente peut se former :
- au quai de déchargement d’une entreprise (camions) ;
- au guichet du magasin de pièces détachées d’un garage ;
- au poste de péage d’une autoroute (usagers) ;
- au service d’expédition d’une société de vente par correspondance (colis) ;
-etc.
Une file d’attente excessive révèle des insuffisances organisationnelles, Elle génère un coût
parfois élevé pour les entreprises. Sa réduction passe par une analyse du mécanisme de sa
formation qu’il faut modéliser. Nous allons présenter dans ce qui suit les modèles de file
d’attente basé sur la loi de Poisson et la loi exponentielle.
Données du modèle :
-Arrivées : nous considérons le cas où elles sont isolées (non regroupées) et aléatoires, le
nombre d’arrivées par unités de temps suit une loi de Poisson.
-Services : nous considérons la règle de la première arrivée première servi, ou il n y’a qu’un
serveur, les durées de service supposées aléatoires, le temps consacré à chaque individu servi
suivant une loi exponentielle.
-File d’attente : elle se forme et se résorbe du seul fait du caractère aléatoire des arrivées et des
services.
Gestion de production FALLOUL Moulay El Mehdi
49
2.4.1 Construction du modèle :
Etude des arrivées :
Il s’agit de s’assurer qu’elles suivent bien une loi de Poisson de paramètre  à déterminer.
La vérification de cette hypothèse se fera en examinant la distribution d’un grand nombre
d’arrivée.
Exemple :
Arrivée des ouvriers au guichet unique du magasin de pièces détachées d’un grand garage
parisien :
Observations faites sur des intervalles de 5 minutes :
Nombre (Ci)
de tranches
0 1 2 3 4 5 >=6
Nombre d’arrivées
par tranche de 5 min
(Xi)
2 32 26 14 6 2 0
Fréquences (pi) 0.2 0.32 0.26 0.14 0.06 0.02 0
CiPi 0 0.32 0.52 0.42 0.24 0.1 0
Ci2
Pi 0 0.32 2.08 3.78 3.84 2.5 0
Vérifiant si cette distribution de la variable X (nombre d’arrivées par tranche) suit
approximativement une loi Poisson de paramètre  :
( )X P 
( )
!
k
P X k e
k
 
  Avec E(X) ( )V X  
Gestion de production FALLOUL Moulay El Mehdi
50
E(X) 1.6
i
CiPi 
2
( ) ( ) 4.08 2.56 1.52
i
V X Ci Pi E X    
La moyenne et la variance de cette distribution sont voisines.
La probabilité d’avoir k arrivées dans un intervalle de 5 minutes, est donc proche de :
1.6 1.6
( )
!
k
P X k e
k

 
Le paramètre  de cette loi, nombre moyen d’arrivées par intervalle de 5 minutes, est appelé
taux d’arrivée (par tranches de 5 minutes) :  =1.6
Etude des temps de service :
Il s’agit de s’assurer que le temps de service suit une loi exponentielle de paramètre  à
déterminer. La vérification de cette hypothèse se fera en examinant la distribution d’un grand
nombre de temps de service.
Exemple :
Temps de service des ouvriers au guichet de pièces détachées du même garage : Observations
faites sur 100 ouvriers servis, aucun temps de service n’ayant dépassé 12 minutes :
0,2
0,32
0,26
0,14
0,06
0,02
0
0 1 2 3 4 5 6
FRÉQUENCES DES ARRIVÉES (PI)
Gestion de production FALLOUL Moulay El Mehdi
51
Vérifiant si cette distribution de la variable X (temps service) suit approximativement une
loi Exponentielle de paramètre α :
( )X E 
( ) X
f X e 
 
 fonction de densité
1
( ) (X)E X 

 
E(X) 2.51
i
CiPi 
2
( ) ( ) 11.86 6.30 2.36
1
0.4
2.5
i
X Ci Pi E X

    
 

La moyenne et l’écart type de cette distribution sont voisins.
La probabilité d’avoir un temps de service inférieur ou égale à x est donc proche de :
0.4
( ) 1 x
P X x e
  
0
0,05
0,1
0,15
0,2
0,25
0,3
0,35
0-1 1-2 2-3 3-4 4-5 5-6 6-7 7-8 8-12
Fréquences relatives du nombre de services(Pi)
Gestion de production FALLOUL Moulay El Mehdi
52
 : est le nombre moyen de service effectué par minute ou (taux de service par minute).
Pour le comparer au taux d’arrivée  , ce temps de service doit être exprimé en même unité de
temps (intervalle de 5 minutes en l’occurrence) :
Le taux de service  par tranche de 5 minutes est :
5 5*0.4 2   
2.4.2 Caractéristiques du système d’attente :
Elles découlent du caractère poissonien des arrivées et du caractère exponentielle des services.
Intensité du trafic ( ) :
'taux d arrivée
taux de service



 
 

Si :  <1 : c’est-à-dire (  ), alors il n’y aura pas d’engorgement du système
Si :  >1 : c’est-à-dire (( )  ), alors il n’aura pas d’engorgement du système
En l’occurrence
1.6
0.8
2
   , il n y a pas donc d’engorgement de système.
Nombre N d’individus dans le système à un instant t :
N est une variable aléatoire dont on démontre que la loi de probabilité est :
( ) (1 )n
P N n    
Cette loi nous permet d’occupation dans le système :
- Probabilité que le système soit inutilisé :
( 0) (1 0.8) 0.2P N    
Le système est inutilisé, et le guichetier inoccupé, 20% du temps.
Il est donc occupé durant 80 % du temps avec ( 0) 0.8P N   
- Probabilité qu’il y a un seul individu dans le système :
( 1) (1 ) 0.8*0.2 0.16(16% )P N du temps     
Gestion de production FALLOUL Moulay El Mehdi
53
- Probabilité qu’il se forme une file d’attente :
( 1) 1 ( 0) ( 1) 1 0.16 0.64P N P N P N        
En effet, pour qu’il y ait une file d’attente, il faut qu’il y ait au moins 2 individus dans le
système, l’un en cours de service et l’autre dans la file. Ce sera le cas 64% du temps.
Nombre moyen d’individus dans le système :
C’est ( )sn E N , c’est-à-dire :
0 1
. ( ) . ( )
n n
n P N n n P N n
 
 
   
On démontre que :
1
sn




On peut en déduire le temps moyen passé dans le système par chaque individu :
s
s
n
t


En l’occurrence
0.8
4
1 1 0.8
sn


  
 
(4 ouvriers)
4
2.5
1.6
s
s
n
t

   (2.5 tranches de 5 minutes soit 12.5 minutes)
Nombre moyen d’individus dans la file d’attente :
Lorsqu’il y a n individus dans le système (n>0), n-1 sont dans la file d’attente et 1 est en cours
de service ; le nombre moyen d’individus en attente est donc :
1
( 1). ( )f
n
n n P N n


   .
On démontre que :
2
1
f sn n



  

 : C’est le nombre moyen d’individus en cours de service
sn : C’est le nombre moyen d’individus dans le système.
On peut en déduire le temps moyen passé par chaque individu dans la file d’attente :
Gestion de production FALLOUL Moulay El Mehdi
54
f
f
n
t

 , (en nombre d’intervalles de temps retenus pour exprimer  )
C’est aussi le temps moyen passé dans le système diminué du temps moyen à être servi :
1
f st t

 
2.4.3 Informations complémentaires :
-Taux de facturation moyen des heures à la clientèle du garage : 50 euros
- La direction du garage souhaite une évaluation approximative du coût des heures perdues
dans la file d’attente pour une journée de 8 heures (soit 96 tranches de 5 minutes).
4 0.8 3.2fn ouvriers  
3.2
2
1.6
ft   tranches de 5 minutes soit 10 minutes
Ou 12.5 2.5 10ft    minutes
Si l’on considère que le temps passé à être servi est un temps de travail effectif et facturable.
Seul le tempe passé dans la file d’attente génère un manque à gagner pour le garage :
Nombre d’arrivée au guichet : 96 *1.6 = 153.6
Temps perdu : 153.6*10=1536 min soit 25.60
Coût des heures perdues : 25.60*50=1280
Une évaluation plus sérieuse de ce coût serait nécessaire pour supposer une augmentation du
nombre des serveurs (le calcul précédent suppose entre autres que toutes les heures de présence
sont facturables).
Gestion de production FALLOUL Moulay El Mehdi
55
Chapitre 3 : Planification de la production
Les lois actuelles de l’économie imposent à tout dirigeant d’entreprise de prévoir ses activités
afin d’optimiser sa politique d’investissement, de fabrication, de vente… Dans toute entreprise,
il existe donc au moins un planning permettant de matérialiser ces prévisions.
La planification industrielle est un processus qui consiste à élaborer et à réviser un ensemble
de plans interdépendants (ventes, fabrication, achats, trésorerie…) et qui doit permettre de
garantir le meilleur équilibre possible entre l’offre et la demande en tout point de la chaîne
logistique à tout moment.
Demande
(besoins du marché)
Offre
(ressources entreprise)
-Commandes fermes
-Prévisions de vente (marketing)
-Promesses de vente (vente)
-Nouveaux produits (responsables de
projet)
-Objectifs d’inventaire commerciaux
-Stocks : produits finis, semi-finis,
matières premières, composants
-Main d’œuvre
-Moyens de production
-Fournisseurs
-Finances (BFR, trésorerie)
Remarque : toutes les copies d'écran de GPAO sont issues du didacticiel Prélude Production
4 édité et commercialisé par le CIPE
La méthode la plus utilisé dans la planification de production est dire MRP (Material
Requierement Planning) déclinée en 3 sous plans : le plan industriel et commercial (PIC), le
programme directeur de production (PDP), et le calcul de besoins en composants.
3.1 La méthode Material Requirement Planning
3.1.1 Principe MRP
Le concept M.R.P. est né de la mise en évidence par Joseph Orlicky des deux types
fondamentaux de besoins.
Gestion de production FALLOUL Moulay El Mehdi
56
Les besoins indépendants : ils forment la frontière entre l’entreprise et le monde
extérieur, ils sont principalement constitués par les commandes en produits finis et pièces de
rechanges. Ils ne peuvent être que estimés ou prévus.
Les besoins dépendants : ils sont générés par les besoins indépendants, ils sont le
résultat du calcul par la décomposition des produits finis en sous-ensembles, pièces, matières.
Ce calcul des besoins dépendants est le moteur des systèmes M.R.P., ces besoins peuvent et
doivent être calculés.
3.1.2Organigramme M.R.P.
Gestion de production FALLOUL Moulay El Mehdi
57
3.2 Le plan industriel et commercial (PIC) (Manufacturing and Sales Plan) :
Conjointement établi par la direction générale, la direction de la production et la direction
commerciale à partir du carnet de commandes et des prévisions commerciales. Le PIC a pour
objectif d’adapter les ressources (main d'œuvre et niveau de stocks) aux besoins de production
pour satisfaire la demande en termes de quantité.
Le PIC est le résultat d’un compromis entre les prévisions et souhaits du service commercial et
les contraintes et les capacités du service de production. La direction générale devra arbitrer en
tenant en compte certains éléments tels que la capacité financière de la firme, la politique en
termes de délais, la possibilité de sous-traitance, les ressources humaines etc.
Application :
Le tableau qui suit donne un exemple de PIC pour une famille de produits (en make-to-stock)
avec un objectif de stock constant ; les données du problème sont représentées en grisé. On
vous demande de déterminer ; le stock réel (n), la production prévisionnelle (n), la
production réelle (n) :
M-3 M-2 M-1 M1 M2 M3 M4 M5 M6
Ventes
Prévisionnelles 1800 1800 1800 1800 1800 1800 1800 1800 1800
Réelles 1690 1805 1980
Ecart 110 -5 -180
Ecart Cumulé 110 105 -75
Production
Prévisionnelle 1620 1420 1820 2166 1700 1700 1800 1800 1800
Réelle 1790 1305 1534
Ecart -170 115 286
Ecart Cumulé -170 -55 231
Stock
Prévisionnels 2000 1900 1800 1700 1600 1500 1500 1500 1500
Réels 2180 2280 1780 1334
Ecart -280 120 466
Ecart Cumulé -280 -160 586
Relations entre les diverses grandeurs
1 Prn n n nStock Stock oduction Ventes  
1Pr n n n noductionprév Ventesprévis Stockprévis Stockréel   
Gestion de production FALLOUL Moulay El Mehdi
58
1Pr n n n noduction Ventes Stock Stock   
Le PIC est un premier outil permettant à l'entreprise de planifier ses capacités de production.
La production prévisionnelle est convertie en heures de travail dans le but de vérifier
l'adéquation entre la charge et la capacité globales par atelier et pour toutes les familles
de produits.
Supposons que l'entreprise ait défini quatre familles de produits à fabriquer, séquentiellement,
dans un atelier d'usinage puis dans un atelier d'assemblage.
Les PICs des quatre familles sont donnés dans le tableau suivant :
Mois M1 M2 M3 M4 M5 M6
Famille A 2160 1800 1800 2400 1600 1600
Famille B 520 500 490 520 500 500
Famille C 980 840 1200 1000 1000 1000
Famille D 140 120 140 100 150 100
La charge correspondant aux différentes familles se présente dans le tableau suivant :
Famille A Famille B Famille C Famille D
Usinage(en h/u) 1 0.5 1 2
Assemblage
(en h/u)
0.5 0.5 0.5 1
Après calcul on obtient le tableau suivant
Mois M1 M2 M3 M4 M5 M6
Charge en
usinage
3680 3130 3525 3860 3150 3050
Capacité en
usinage
4000 4000 3000 4000 4000 4000
Charge en
assemblage
1970 1690 1885 2060 1700 1560
Gestion de production FALLOUL Moulay El Mehdi
59
Capacité en
assemblage
1800 1800 1800 1350 1800 1800
Les données de la charge réelle sont représentées en grisé. Donc nous nous présentons dans
une situation de sous charge en usinage et de surcharge en assemblage.
Remarque :
 Charge : Quantité de travail que doit fournir une unité de production pendant une
période déterminée.
 Capacité : Quantité de travail que peut fournir une unité de production pendant une
période déterminée.
 Les capacités de la production s’obtiennent d’un calcul spécifique à la production de
chaque famille de produit.
 En cas de surcharge, on peut utiliser les moyens suivants :
- recours aux heures supplémentaires
- mutation de personnel depuis les ateliers en sous-charge
- recours à la sous-traitance
- recours au personnel intérimaire
- embauche
- investissement en ressources de production supplémentaires
 En cas de sous-charge, on a le choix entre :
- suppression des heures supplémentaires
- chômage technique
- rapatriement de la sous-traitance
- suppression du travail intérimaire
- licenciements.
Le schéma suivant résume les différentes stratégies de la gestion de la capacité de l’entreprise.
En effet, plusieurs solutions existent selon le type de produit et de processus mis en œuvre :
Gestion de production FALLOUL Moulay El Mehdi
60
Application :
Une firme fabrique des pièces mécaniques. On veut planifier la production de ce produit pour
les 6 prochains mois. La demande mensuelle prévue, exprimée en heures de production requises
(mesure agrégée), est la suivante :
Mois 1 2 3 4 5 6
Demande
(en heures
30 30 120 90 60 30
Le tableau suivant présente les données relatives au contexte de production de l’entreprise.
Gestion de production FALLOUL Moulay El Mehdi
61
Coût de production (temps régulier) 200 kdh/heure
Coût de production
(temps supplémentaire)
300 kdh/heure
Coût de recrutement 120 kdh/heure
Coût de licenciement 70 kdh/heure
Coût de stockage 40 kdh/heure/mois sur stock final
Stock initial 30 heures
Stock final désiré 0 heures
Main d’œuvre initial (capacité) 30 heures
On veut trouver un plan global de production qui va permettre de rencontrer la demande à
coût minimum. Pour ce faire, on envisage trois stratégies spécifiques :
1. utiliser un taux constant de production sans rupture de stock ;
2. recruter et licencier de façon à suivre la demande ;
3. utiliser un taux constant de production de 30 heures/période et combler avec du temps
supplémentaire au besoin.
Plan 1 : Production à taux constant sans rupture de stock :
Gestion de production FALLOUL Moulay El Mehdi
62
Plan 2 : Production suivant la demande :
0
50
100
150
200
250
300
350
400
450
1 2 3 4 5 6 7
Production cumulée et demandecumulée (Plan1)
Demande cumulée Production cumulée
Gestion de production FALLOUL Moulay El Mehdi
63
Plan 3 : Production constante avec temps supplémentaire
0
50
100
150
200
250
300
350
400
1 2 3 4 5 6 7
Production cumulée et demande cumulée
(Plan2)
Demande cumulée Production cumulée
Gestion de production FALLOUL Moulay El Mehdi
64
3.3 Le Plan Directeur de Production (PDP) (Master Production Schedule - MPS) :
Il prend en compte les prévisions, le PIC, le portefeuille des commandes, les disponibilités des
matières et ressources, les objectifs du management, pour fixer le cadre de référence de la
Production sur une période donnée.
Application :
Supposons que le plan global (PIC) prévoyait une production de 2960 unités équivalentes
pour le mois de mars. Ce plan global agrégeait l'information pour 4 produits (XA, XB, XC,
et XD) où 1’unité de chaque produit équivaut à une unité équivalente.
Une famille X : composé de
4 produits
XA, XB, XC, XD
Proportion des produits dans
la famille X
XA représente 7.7%
XB représente 16.9%
XC représente 35.6%
XD représente 39.8%
La demande désagrégée
prévue en mois de mars
230 unités de XA
500 unités de XB
1050 unités de XC
1180 unités de XD
Capacité de production 1120 unités /semaine
(4 semaines disponibles en mois de Mars)
Stock Aucun stock n’est disponible pour les différents
produits
- Un plan directeur réalisable pourrait être :
Semaine 1 fabriquer 70 unités de XA, 200 unités de XB, 250 unités de XC et 250
unités de XD
Semaine 2 fabriquer 70 unités de XA, 50 unités de XB puis 3250 unités de XD
Semaine 3 fabriquer 20 unités de XA, 50 unités de XB, 350 unités de XC puis 205
unités de XD
Semaine 4 fabriquer 70 unités de XA, 150 unités de XB, 500 unités de XC puis
400 unités de XD
Gestion de production FALLOUL Moulay El Mehdi
65
Objectif :
•Comme lors de l'élaboration du plan global, il faut calculer les différents coûts associés à un
plan lorsque ces coûts existent et tenter de trouver le plan à coût minimum.
Plan directeur de la Famille du produit X
Application :
On vous demande de déterminer ; le stock prévisionnel et le disponible à la vente dans le
programme directeur de production à la réception à partir des données suivantes.
3940
3015 2960 3225
4378
4789
5670
5067
6789
5890
4987
4230
0
1000
2000
3000
4000
5000
6000
7000
8000
Prodution
Programme directeur de production (PDP)
déduit d'un plan industriel et commercial(PIC)
Janvier Fevrier Mars Avril Mai Juin
Juillet Août Septembre Octobre Novembre Décembre
Gestion de production FALLOUL Moulay El Mehdi
66
Méthode de calcul du stock prévisionnel
T=1 Stock prévisionnel = 100 – Max {45, 35} = 55
T=2 Stock prévisionnel = 55 – Max {40, 10} = 15 < Ss (20), donc proposition d’un ordre de
fabrication (OF de 50)
T=2 Stock prévisionnel devient : 55 + PDP – Max {40, 10} = 65
T=3 Stock prévisionnel = 65 – Max {40, 5} = 25
T=4 Stock prévisionnel = 25 + PDP (4) – Max{30, 7} = 45
T=5 Stock prévisionnel = 45 – 25 = 20
T=6 Stock prévisionnel = 20 + PDP (6) – 30 = 40
Méthode de calcul du disponible à la vente
Le disponible à la vente (DAV) correspond à la quantité du PDP couvrant une période donnée
(entre deux lots de PDP) – la somme des commandes de cette période.
Durant la première période du PDP, le calcul du disponible à la vente prend en compte le stock
physique initial.
T=1 Disponible à la vente = 100 – 35 = 65
T=2 Disponible à la vente = 50 – Cdes (T=2) et (T=3) = 35
T=4 Disponible à la vente = PDP – Cde (T=4) – Cde (T=5) = 43
T=6 Disponible à la vente = PDP – Cde (T=6) – Cde (T=6) = 50
Gestion de production FALLOUL Moulay El Mehdi
67
3.4 Calcul des besoins en composants
Le calcul des besoins repose sur une décomposition arborescente du produit. Cette
décomposition est effectuée suivant l’ordre retenu pour la fabrication et l’assemblage du
produit. À partir des nomenclatures et des PDP de chaque produit, on calcule les besoins
dépendants de chaque élément, sous-ensemble, matière première à acheter ou à fabriquer.
L’horizon de planification tient compte des délais d’achat et de fabrication des éléments à
fabriquer. Couramment, sur un horizon de un à trois mois, ils sont révisés toutes les semaines,
parfois tous les jours. Au niveau du calcul des besoins, on évalue les charges détaillées générées
par les ordres de fabrication, qu’ils soient planifiés ou lancés. C’est le cœur des systèmes
M.R.P., ce calcul permettra de ne relancer que la quantité nécessaire pour respecter le PDP, il
doit être fait niveau par niveau dans la nomenclature, ce qui explique qu’on l’appelle souvent
« éclatement des nomenclatures ». Ce calcul nécessite l’exploitation de la base de données
technique dont la « justesse » est indispensable.
3.4.1 Données techniques
Articles
On appelle Article tout produit pris en compte individuellement par le système de
gestion, c’est un produit stocké à une phase au moins du procédé de fabrication.
Chaque article est identifié par sa référence (code), sa catégorie (fabriqué, acheté,
sous-traité, matière première, fantôme, famille, ressource...) et toutes les informations utiles
pour sa gestion.
Gestion de production FALLOUL Moulay El Mehdi
68
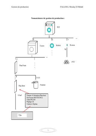
Nomenclatures
Souvent différentes des nomenclatures de bureau d’études, elles sont les images du
procédé de fabrication des produits finis. Arborescentes, elles possèdent plusieurs niveaux,
définissent les liens composés - composants.
Les nomenclatures doivent être complètes, justes en respectant le processus de
fabrication. Une seule erreur dans la nomenclature donne une nomenclature inexacte. La
fiabilité des nomenclatures doit être la plus proche possible de 100%.
Gestion de production FALLOUL Moulay El Mehdi
69
Gammes
Établies par le bureau des méthodes, les gammes décrivent les séquences des
opérations à réaliser pour la fabrication ou l’assemblage d’un composé, d’un sous ensemble ou
ensemble fini.
Chaque gamme est identifiée par un code (souvent celui de l’article) et définit le poste
de charges utilisé, le temps de préparation et le temps d’exécution (machine et main d’œuvre).
La fiabilité des gammes (au niveau des temps en particulier doit être de l’ordre d’au
moins 95%).
Postes de charges
C’est l’unité de décomposition d’un atelier la plus précise pour les besoins de
l’ordonnancement et de l’imputation des coûts. Un poste de charge peut être composé:
* D’une ou plusieurs machines.
* D’une ou plusieurs personnes.
Gestion de production FALLOUL Moulay El Mehdi
70
* D’une combinaison personnes - machines
Il est caractérisé par un code, une capacité (nb. d’hommes, de machines, capacité
de production) ainsi que par des coûts horaires et des outillages associés. Souvent on
considère que le poste de charge est l’unité capable de transformer un article en un autre
article.
La qualité des informations
Le risque d’erreurs est grand !
Dans un système non informatisé, l’homme fait des erreurs mais il se méfie, par
contre, quand on reçoit une information de l’ordinateur on ne se méfie pas: on croit que
l’ordinateur a raison.
La qualité des données introduites par les utilisateurs eux-mêmes est la principale
condition de réussite d’un système de GPAO.
Formule du calcul :
BN = ( BB - ( SPH + ECF + ECC ) + Ss ) / ( 1 - r )
Avec:
BN : Besoins Nets
BB : Besoins Bruts (Donnés par le P.D.P.)
SPH : Stock physique
ECF : En-cours de fabrication
ECC : En-cours de commande
Ss : Stock de sécurité
r : Facteur de rebut proportionnel gamme (on introduira ultérieurement la notion de rebut
nomenclature).
Gestion de production FALLOUL Moulay El Mehdi
71
On définit alors l’ordre de fabrication (O.F.) ou l’ordre d’achat (O.A.) en fonction de la
technique de lotissement choisie (paramètres de gestion):
Techniques de lotissement
Lot pour lot
La plus simple des techniques, elle consiste à lancer un lot (O.F.) égal au besoin net (objectif
à atteindre pour minimiser les coûts, stocks et délais).
Besoin quotidien
Technique du lot par lot défini à partir des besoins nets regroupés sur une journée, mais
prenant en compte une quantité minimum (série économique) et respectant les contraintes de
conditionnement ou de fournisseur (quantité rationnelle ou quantité multiple).
O.F. = BN si BN >=Série économique (q*)
(Appelée aussi lot économique, quantité ou lot minimum)
O.F. = q* si q* >= BN
De même il est fréquent d’avoir une contrainte d’unité de conditionnement (yaourts
conditionnés par 8, vis vendues au kg...), appelée quantité rationnelle (qr), auquel cas OF=
k*qr avec k entier.
On pourra également regrouper les besoins sur une couverture de plusieurs jours. (Semaine,
mois)
Nomenclatures de gestion de production
Les nomenclatures de gestion de production diffèrent de celles du bureau d’étude car elles
font apparaître les différentes étapes du procédé de fabrication, chaque composant stocké doit
apparaître en tant qu’article dans la nomenclature, qui établit les liens inter articles, ceux - ci
pouvant être achetés, fabriqués ou donnés en sous-traitance.
Reprenons l’exemple de la lave linge :
Gestion de production FALLOUL Moulay El Mehdi
72
Nomenclature de gestion de production :
Gestion de production FALLOUL Moulay El Mehdi
73
Soit à calculer les besoins en composants pour un programme commercial de 100 lave linges
de type « K33 », sachant que :
Stocks disponibles : facteur de rebut :
K33 : 20 0
Caisse 20 5%
Hublot 10 0
Bouton 50 1%
Flan peint 20 0
Flan brut 10 10%
Peinture 5 litres 0
PVC 0.5 kg 0
Tôle 20 m² 0
TABLEAU DETAILLANT LE CALCUL DES BESOINS NETS :
On commence par le niveau 0 de la nomenclature, la commande reçue est le besoin brut en
produit fini, il suffit de retrancher les stocks pour déterminer le besoin net s'il n'y a pas de
rebut :
Niveau K33 Caisse Hublot Bouton Flan
peint
PVC Flan brut Peinture Tôle
0 bb 100
sph 20
r 0
BN 80
1 bb
sph
r
BN
On passe au niveau 1, les besoins nets du niveau 0 multipliés par les coefficients de liens de
nomenclature donnent les besoins bruts de niveau 1:
Niveau K33 Caisse Hublot Bouton Flan
peint
PVC Flan brut Peinture Tôle
0 bb 100
sph 20
r 0
BN 80
1 bb 80 80 240
sph
r
BN
Gestion de production FALLOUL Moulay El Mehdi
74
On calcule alors les besoins nets du niveau 1: ex pour les caisses, on soustrait les stocks et on
divise par 1-r (attention à ne pas multiplier par 1+r car sur les pièces produites en plus le taux
de rebut s'applique également), d'où (80-20)/(1-0.05)=63.16, on prendra bien sûr, l'arrondi
supérieur.
Niveau K33 Caisse Hublot Bouton Flan
peint
PVC Flan brut Peinture Tôle
0 bb 100
sph 20
r 0
BN 80
1 bb 80 80 240
sph 20 10 50
r 0.05 0 0.01
BN 64 70 192
On passe ainsi au niveaux suivants pour obtenir:
Niveau K33 Caisse Hublot Bouton Flan
peint
PVC Flan brut Peinture Tôle
0 bb 100
sph 20
r 0
BN 80
1 bb 80 80 240
sph 20 70 50
r 0.05 0 0.01
BN 64 10 192
2 bb 128 384g
sph 20 384g
r 0 0
BN 108 0
3 bb 108 16.2l
sph 10 5l
r 0.1 0
BN 109 11.2l
4 bb 87.2m²
sph 20m²
r 0
BN 67.2m²
Total 80 64 10 192 108 384g 109 11.2l 67.2m²
stock
résiduel
0 0 0 0 0 116g 0 0 0
Bien entendu dans cet exemple, nous avons négligé des paramètres importants, est-il possible
d'acheter 67.2m² de tôle ?, est-il raisonnable de régler une presse pendant 2h pour produire
109 flancs (moins de 4 minutes de production !).
Gestion de production FALLOUL Moulay El Mehdi
75
Influence d'une réimplantation sur la base de données technique :
Imaginons que l'entreprise décide d'implanter un poste de peinture dans l'atelier des presses
pour éviter une opération de stockage, les flans seront alors peints directement à la sortie de la
presse, on obtient une nouvelle nomenclature :
On remarque aussi bien sûr que si la nomenclature se simplifie, la gamme du flan peint se
complique.
Prise en compte des paramètres de gestion
Nous allons introduire la prise en compte des séries économiques et des quantités rationnelles,
dans le cas ci-dessus:
Gestion de production FALLOUL Moulay El Mehdi
76
On a déterminé les paramètres ci dessous:
Stocks disponibles : facteur de rebut : quantité q*: quantité qr:
K33 : 20 0 10 0
Caisse 20 5% 120 0
Hublot 10 0 0 50 (conteneur)
Bouton 50 1% 2000 0
Flan peint 30 0 500 0
Peinture 5 litres 0 0 5 l (pot)
PVC 2.5 kg 0 0 10kg (sac)
Tôle 20 m² 0 0 6 m² (plaque)
Reprenons le calcul des besoins nets, mais cette fois on définit l'ordre de fabrication (OF) ou
un ordre d'achat (OA) en tenant compte de tous les paramètres.
Niveau K33 Caisse Hublot Bouton Flan peint PVC Peinture Tôle
0 bb 100
sph 20
r 0
BN 80
q* 10
qr 0
OF 80
1 bb 80 80 240
sph 20 10 50
r 0.05 0 0.01
BN 64 70 192
q* 120 0 2000
qr 0 50 0
OF ou OA 120 100 2000
2 bb 240 4000 g
sph 30 2500 g
r 0 0
BN 210 1500 g
q* 500 0
qr 0 10000 g
OF ou OA 500 10000 g
3 bb 75 l 400 m²
sph 5 l 20 m²
r 0 0
BN 70 l 380 m²
q* 0 0
qr 5 l 6 m²
OF ou OA 70 l 384 m²
récapitulatif 80 120 100 2000 500 10000 g 70 l 384 m²
stock résiduel 0 56 30 1818 290 8500 g 0 4 m²
Gestion de production FALLOUL Moulay El Mehdi
77
Article fantôme
Pour des commodités de gestion, on peut être amené à créer dans une nomenclature, un article
"virtuel" ou "fictif" ou encore plus communément appelé "fantôme" pouvant ne pas avoir
d'existence physique, (donc n'existant pas en stock contrairement à la définition d'un article
"normal") ceci dans le but de simplifier la gestion ou de rendre une nomenclature plus lisible.
Dans l'exemple des lave-linges on peut imaginer que les 4 références K21, K33, K45 et K58
partagent le même entraînement (moteur, poulies, courroie...), plutôt que de définir ces éléments
dans chaque nomenclature comme ci-dessous:
Gestion de production FALLOUL Moulay El Mehdi
78
Il est beaucoup plus simple de créer un article fantôme contenant tous les éléments communs
que nous appelerons ici "kit", il suffira alors de créer la nomenclature de "Kit"
et d'insérer l'article "Kit" dans chaque modèle de lave-linge :
Gestion de production FALLOUL Moulay El Mehdi
79
de même pour K45 et K58.
Vous pouvez aisément imaginer la facilité avec laquelle on va pouvoir gérer des modifications
au niveau de l'entraînement, exemple, on modifie la référence de la poulie motrice, au lieu de
modifier les 4 nomenclatures des machines à laver, il suffit de modifier la nomenclature de
"Kit" !
Gestion de production FALLOUL Moulay El Mehdi
80
Chapitre 4 : Gestion des approvisionnements et des stocks
La fonction production consiste à produire, en temps voulu, les quantités demandées par les
clients dans des conditions de coût de revient et de qualité déterminés en optimisant les
ressources de l’entreprise de façon à assurer sa pérennité, sa compétitivité et son développement.
4.1 La classification des stocks
Dès que le nombre d’éléments d’une population devient grand, il est difficile de porter la même
attention à chacun d’entre eux. Il est facile de penser que tous les éléments d’une population
n’ont pas la même importance ; certains éléments importants devront être traités de manière
très rigoureuse alors que d’autres pourront l’être normalement, voire simplement. Cela est
possible si nous affectons à chaque élément de la population une classe d’importance qui
correspond à un type de traitement approprié.
4.1.1 Analyse ABC
La méthode ABC est la plus connue des méthodes de classification. Elle est également connue
sous le nom de loi 80-20 ou sous le nom de loi de Pareto.
Cette méthode permet de déterminer l’importance relative des éléments d’un ensemble dans
un contexte donné en les répartissant en trois classes d’importance :
• classe A : éléments de forte importance ;
• classe B : éléments d’importance normale ;
• classe C : éléments de faible importance.
Interprétation de la courbe
Dans une répartition se représentant par la courbe théorique de Pareto :
• 20 % des articles correspondent à 80 % de la valeur du critère ;
• les 20 % suivants correspondent à 10 % supplémentaires ;
• les 20 % suivants correspondent aux 10 % restants.
Gestion de production FALLOUL Moulay El Mehdi
81
Courbe théorique de Pareto
Toute courbe de répartition d’importance de notre population étudiée est à interpréter par rapport à trois
courbes :
• la courbe théorique de Pareto ;
• la courbe extrême 1 ;
• la courbe extrême 2.
Courbe extrême 1
• Un produit correspond à 100 % de la valeur du critère.
Courbe extrême 2
• Tous les produits ont la même importance.
Limites des courbes de Pareto.
Gestion de production FALLOUL Moulay El Mehdi
82
Zones de détermination des classes d’importance.
Afin de pouvoir déterminer les classes de répartition des produits, nous déterminons le ratio
de discrimination :
CB
RD
AB

RD correspond (intersection entre qui correspond à la valeur lue pour le point d’intersection C
sur l’axe des ordonnées)
Les bornes de définition des classes des éléments sont fixées de manière arbitraire.
Généralement, chaque tranche est un multiple de 10 et la somme est égale à 100.
Valeur de RD Zones A B C
RD<0.65 5 Non interprétable
0.65<=RD<0.75 4 20 30 50
0.75<=RD<85 3 20 20 60
0.85<=RD<0.9 2 10 20 70
0.9<=RD<1 1 10 10 80
Gestion de production FALLOUL Moulay El Mehdi
83
Application n 1 :
Étant données les informations suivantes concernant un ensemble de 10 éléments (deux
premières colonnes).
Produits fréquences Consommation Cumul
conso
Importance%
2 10 20000 20000 29
6 20 15000 35000 51
7 30 10000 45000 66
9 40 8000 53000 78
3 50 5000 58000 85
4 60 4000 62000 91
1 70 3000 65000 96
8 80 1500 66500 98
10 90 1000 67500 99
5 100 500 68000 100
68000 794
Méthode de calcul de l’indice de Gini :
RD = 48mm/71mm =0.76
La courbe se situe dans la zone 4, et correspond à une répartition 20, 30, 50 ce qui nous donne :
2 6 7 9
3 4 1
8 10 5
29
51
66
78
85
91 96 98 99 100
0
10
20
30
40
50
60
70
80
90
100
1 2 3 4 5 6 7 8 9 10
Courbe de Pareto
Produits Importance%
Gestion de production FALLOUL Moulay El Mehdi
84
 Les produits 2 et 5 représentent près de 51 % des ventes. Il faut donc surveiller leur
niveau de stock. Eviter d'être en rupture.
 Les produits 7 et 10 représentent près de 34% des ventes il faut donc revitaliser les
ventes de ces produits.
 Les produits restants représentent près de 15 % des ventes, il faut se demander si ces
produits ont un intérêt important pour l’entreprise.
4.2 L’approvisionnement
Approvisionner, c’est assurer la programmation des besoins de livraison et des stocks dans le
cadre de la planification générale de l’entreprise.
Définir une politique d’approvisionnement consiste essentiellement à répondre à trois
questions :
• QUOI (quel produit) faut-il approvisionner ?
• QUAND faut-il l’approvisionner ?
• COMBIEN faut-il en approvisionner ?
Il existe plusieurs modèles d'optimisation de gestion de stocks (Statistique, Wilson, ABC,
20/80...). Parmi ceux-ci, nous avons souhaité nous arrêter sur le "modèle de Wilson" qui est le
plus connu (mais pas forcément le plus réaliste...).
4.2.1 Le Modèle de WILSON
4.2.1.1 Modèle de base
Ce modèle appelé également "modèle du lot économique", permet de déterminer la fréquence
et la quantité optimale de réapprovisionnement pour un magasin, une usine... Elle est
couramment employée par les services logistiques de grandes structures. Elle a en fait été
introduite dès 1913...
Le but est de déterminer la stratégie qu'il faut adopter pour que le total périodique (annuel,
mensuel, hebdomadaire, journalier, ...) des commandes ou fabrications de pièces minimise le
Gestion de production FALLOUL Moulay El Mehdi
85
total des coûts d'acquisition et de possession de stocks pour l'entreprise. Cette méthode permet
d’éviter un sur stockage et sou stockage sous certaines conditions « hypothèses du modèle ».
Hypothèses du modèle
- L’entreprise ne s’intéresse qu’à un seul produit à la fois
- Le prix du produit sera considéré comme constant et indépendant du volume des
commandes
- La demande de ce produit est certaine
- La demande du produit est distribuée de façon uniforme sur toute la période [droite]
- Pas de produits invendus
- Le délai de livraison est certain et constant
- Le stock d’alerte sera constant de période en période puisqu’ étant basé sur la
consommation [constante] et le délai de livraison [constant]. Il ne dépend que de la
vitesse d’écoulement du stock et du délai de livraison
- Il sera par conséquent inutile de constituer un stock de sécurité
- Le réapprovisionnement se fera en une seule fois
- L’entreprise n’envisagera pas de stratégie de rupture des stocks.
Notation :
D : Consommation périodique (souvent annuelle)
Q : quantité de chaque lot
P : Prix unitaire
t : taux de possession
Cl : coût de passation pour chaque commande (lancement de commande)
SS : Stock de sécurité
Gestion de production FALLOUL Moulay El Mehdi
86
*Cl
D
Coût passation
Q
 et ( )* *
2
Q
Coût détention SS P t 
( ) *Cl ( )* *
2
D Q
Coût total CT SS P t
Q
  
La quantité économique est la quantité qui minimise le coût total, elle correspond
graphiquement à l’intersection entre le coût de passation et le coût de détention du stock.
Le minimum est atteint lorsque la dérivée de ce coût total par rapport à Q est nulle. La valeur
de Q est alors égale à la quantité économique (notée Qe).
 Formule de la quantité économique
2
*
( 0) *Cl 0
2
CT D P t
Q Q

    
2
2* * * *
2*D*Cl
*
D Cl P t Q
Qe
P t
 
 
Gestion de production FALLOUL Moulay El Mehdi
87
 Formule du nombre de commande optimale
On pose Q= D/N donc Q/2 = D/N
( ) *Cl ( )* *
2
D
Coût total CT N SS P t
N
  
2
( 0) Cl *P*t 0
2
CT D
Q N

   
2 D* *
D* *t
P t
N
Cl
P
N
Cl

 
Ou bien
D
N
Qe

 Formule du coût de la gestion de stock
*P*t
2
Q
SS
Cl
CU P
D D
 
 
   
Application
On dispose des informations suivantes d’une entreprise Lambda, et on vous demande de
calculer la quantité économique, la cadence optimale et coût de stockage.
- (D) Quantité consommée sur une période (année) 6000 unités
- (Cl) Coût de lancement d’une commande 60 Euros
- (P) Prix unitaire de chaque article stocké 8 Euros
- (t) Taux de possession 25 %
Gestion de production FALLOUL Moulay El Mehdi
88
2*6000*60
0.09*8
Qe  = 1000 unités
6000*8*0.09
2*6
N  = 6 commandes par année (tous les 2 mois) 12/6 = 2
(période optimale d’approvisionnement)
60 500*8*0.09
8 8 0.01 0.06 8.07
6000 6000
Cu        (Coût de stockage unitaire)
0
500
1000
1500
2000
2500
1 2 3 4 5 6 7 8 9 10 11 12
Coûts de stockage
Coût de passation Coût de possession Coût destockage
Nombre de
commandes 1 2 3 4 5 6 7 8 9 10 11 12
Coût de
passation 60 120 180 240 300 360 420 480 540 600 660 720
Coût de
possession 2160 1080 720 540 432 360 308,5714 270 240 216 196,3636 180
Coût de
stockage 2220 1200 900 780 732 720 728,5714 750 780 816 856,3636 900
Gestion de production FALLOUL Moulay El Mehdi
89
4.2.1.2 Cas où la consommation commence en cours de fabrication du lot
Pour le modèle de base, nous avons supposé que la livraison était effectuée en une seule fois.
Or il arrive fréquemment que la livraison se cale sur le rythme de la production de façon à ce
que le stock soit alimenté en continu par le processus de production. Cette situation peut se
modéliser de la manière suivante :
Figure : Modèle de réapprovisionnement en continu
Soit :
• Q : la quantité approvisionnée ;
• Cu : le coût unitaire du produit ;
• Cmj : la demande moyenne journalière de l’article ;
• Pmj : la cadence de livraison ou de production moyenne journalière ;
• N : la demande totale sur la période ;
• t : le taux de possession ;
• Cl : le coût de lancement en fabrication et d’approvisionnement.
Remarque : Le taux de production (Pmj) doit être supérieur au taux de consommation (Cmj)
sinon on se trouverait en rupture continuelle.
Le stock maximal est alors : max *imum
Cmj
S Q Q
Pmj
 
Gestion de production FALLOUL Moulay El Mehdi
90
Le stock moyen est alors : moyen
1
( * )
2
Cmj
S Q Q
Pmj
 
Le coût de possession :
1
( * )*P*t
2
p
Cmj
C Q Q
Pmj
 
Le coût de passation : C *l
N
Cl
Q

Le coût de gestion des stocks s’exprime donc par la relation :
1
* ( * )*P*t
2
N Cmj
Cg Cl Q Q
Q Pmj
  
La quantité économique devient :
2* *Cl
(1 )* *
D
Qe
Cmj
t P
Pmj


Application
Une ligne de montage alimente le stock de produits finis et les livraisons aux clients sont
quotidiennes. Cette ligne est utilisée au montage de plusieurs références. Pour une référence
particulière, les données de gestion du stock sont les suivantes :
– la cadence de production Pmj = 50 unités par jour ;
– la demande Cmj = 10 unités par jour ;
– le coût unitaire Cu = 100 € ;
Sachant qu’il y a 250 jours ouvrés par an, quelle est la quantité économique de
lancement de cette référence ?
2*2500*50
10
(1 )*100*0.25
50
Qe 

= 123 unités
Gestion de production FALLOUL Moulay El Mehdi
91
4.2.1.3 Modèle de Wilson avec remises (coûts d’achats dégressifs)
Ce modèle retient des remises qui augmentent en fonction de l’augmentation du nombre de
commandes. On dispose de plusieurs Prix P1, P2, P3….et des quantités minimales (pour
obtenir des remises) Qm1, Qm2, Qm3… et des quantités économiques (calcul selon les
nouveaux prix) Qe1, Qe2, Qe3….
Résolution :
 1
1
: Q , Q
: Q Qm
: Q Qm
e i i e
e i i
e i i
Si Qm Qm On retient
Si Qm On retient
Si Qm On retient


 
 
 
On calcule le coût de chaque quantité et on choisit le minimum
Application
La société ALPHA a pu négocier des remises tarifaires sur pièces mécaniques.
Prix d’achat Quantité demandé au moins
0.9 dh 1
0.8 dh 5000
0.79 dh 15000
0.78 40000
Taux de possession est de 9% (un an de stockage), Le coût de lancement est de 30 dh et la
société achètera 50000 pièces mécaniques cette année.
Question : A quelle fréquence l’entreprise dit-elle passer de nouvelles commandes pour
optimiser son coût d’approvisionnement ?
Gestion de production FALLOUL Moulay El Mehdi
92
La décision la plus pertinente est de commander une quantité de 40000 à 0.78 dh.
4.2.2 Stock de sécurité
Quelle que soit la méthode utilisée, tous les calculs s’effectuent sur des moyennes
(consommation, délai d’approvisionnement…). Sauf être dans un monde idéal, cela ne se
passe jamais comme on l’a prévu et il faut tenir compte de deux types d’aléas qui peuvent
nous conduire à une rupture de stock :
• une augmentation de la consommation ;
• une augmentation du délai d’approvisionnement.
Le stock de sécurité est alors une quantité en stock qui doit permettre de pallier à ces aléas. Le
calcul de ce stock de sécurité peut se déterminer de manière déterministe (on se fixe des
valeurs moyennes d’aléas) ou de manière probabiliste (on se fixe un taux de service à
atteindre). Ce taux de service étant défini comme :
Nombre de demandes satisfaites dans la totalit
Nombre total de demandes
sT 
Pi 0,9 0,8 0,79 0,78
Qmi 1 5000 15000 40000
Qei 6086 6455 6496 6537
Qi retenu 5000 6455 15000 40000
N commandes 10 7 3 1
CL(Qi) 300 232,378 100 37,5
CP(Qi) 202,5 232,38 533,25 1404
CS(Qi) 502,5 464,758 633,25 1441,5
Coût d'achat 45000 36148 35550 31200
CT du stock 45502,5 36612,8 36183,25 32641,5
Gestion de production FALLOUL Moulay El Mehdi
93
a) Stock de sécurité (modèle déterministe)
Si on souhaite pallier à ces aléas, il est possible d’envisager un stock de sécurité qui permettra
de réagir face à une augmentation de la consommation ou du délai fournisseur. Le stock de
sécurité est à prendre en compte en supplément dans le calcul du point de commande.
➤ Augmentation de la consommation
Si cette augmentation revient à une consommation de Cmj’ pièces par unité de temps alors
que le point de commande a été calculé avec une consommation de Cmj pièces par unité de
temps, le stock de sécurité sera égal à : (Cmj’ – Cmj) DA .
Stock de sécurité déterministe (augmentation
de la consommation).
➤ Augmentation du délai de livraison
Le stock de sécurité est égal à : Cmj * ∆DA où ∆DA est le dépassement prévisible du délai de
livraison.
Gestion de production FALLOUL Moulay El Mehdi
94
Stock de sécurité (augmentation
du délai d’approvisionnement).
4.2.3 Stock de sécurité (modèle probabiliste)
Nous avons vu dans le modèle déterministe que le calcul du stock de sécurité se calcule avec
des valeurs moyennes de la consommation et du délai d’approfondissement et des écarts
déterministes de ces valeurs. D’une manière générale, on caractérise la consommation et le
délai par une loi normale.
Afin de mieux comprendre les calculs, les exemples ci-dessous ne concernent que les produits
approvisionnés par la méthode du point de commande. Dans ce cas, le délai de protection se
limite au délai d’approvisionnement.
➤ Augmentation de la consommation
La recherche du stock de sécurité revient à rechercher la valeur limite t qui nous assure une
probabilité P % (taux de service) que la variable X (demande moyenne : Cmj) soit inférieure
ou égale à cette limite.
P(X t) =P
X X t X
 
  
    
 
Gestion de production FALLOUL Moulay El Mehdi
95
Exemple d’application
Étant donnée une pièce dont la consommation journalière Cmj suit la loi normale c (20; 2,5),
quel est le stock de sécurité qui nous assure un taux de service de 95 % avec un délai
d’approvisionnement de 8 jours ouvrés.
Stock de sécurité probabiliste (augmentation de la consommation).
Une probabilité de 95 % correspond à  (1,645)
20
P(Cmj t) =P (1.65)
2.5
Cmj Cmj t

  
    
 
∆Cmj ≤1,645 2,5 4,1125 donc Ssec 4,1125* 8 32,9 soit 33 pièces.
Le point de commande, sans stock de sécurité, étant de 160 pièces (20 8) devient, avec stock
de sécurité 193 pièces (160 33).
➤ Augmentation du délai de livraison
Dans ce cas, le raisonnement est similaire au précédent conformément à la figure ci-dessous.
Gestion de production FALLOUL Moulay El Mehdi
96
Stock de sécurité probabiliste (augmentation du délai d’approvisionnement).
Exemple d’application
Étant donnée une pièce dont la consommation journalière Cmj est de 20 pièces, quel est le stock
de sécurité qui nous assure un taux de service de 95 % avec un délai d’approvisionnement en
jours ouvrés qui suit la loi normale D (8 ; 2) ? Une probabilité de 95 % correspond à Π (1,645).
8
P(DA t) =P (1.65)
2
DA DA t

  
    
 
∆DA ≤1,645 2 3.29 donc Ssec 3.29* 20 65.8 soit 66 pièces.
Le point de commande, sans stock de sécurité, étant de 160 pièces (20 8) devient, avec stock
de sécurité 226 pièces (160 66).
Gestion de production FALLOUL Moulay El Mehdi
97
➤ Augmentation de la consommation et du délai de livraison
Exemple d’application
Étant donnée une pièce dont la consommation journalière Cmj suit la loi normale c (20 ; 2,5),
quel est le stock de sécurité qui nous assure un taux de service de 95 % avec un délai
d’approvisionnement en jours ouvrés qui suit la loi normale D (8 ; 2) ?
Tout d’abord, en considérant le délai moyen et la variation de la consommation, la demande
totale, sur la période du délai d’approvisionnement suit donc une loi normale γ ((20 × 8) ; (2,5))
c’est-à-dire la loi γ (160 ; 7,07).
De même, en considérant la consommation moyenne et la variation du délai, la demande totale
suit également la loi normale liée au délai γ1 (160 ; 20 × 2), c’est- à dire la loi γ1 (160 ; 40).
Les variations de la consommation et du délai étant indépendantes, on peut appliquer la
propriété de l’additivité des variances du théorème de la limite centrale. L’écart type de
l’ensemble est égal à 2 2 2 2
1 2= 7.07 40 40.62     
On peut donc maintenant considérer que la demande suit la loi normale D (160 ; 40,62). Le
stock de sécurité sera alors de : Ssec = 1,645 × 40,62 = 67 pièces.
Le point de commande, sans stock de sécurité, étant de 160 pièces (20 × 8) devient, avec stock
de sécurité 227 pièces (160 + 67).
Remarque : Au regard des données de l’entreprise et des résultats obtenus, on peut noter que
ce sont les variations de la consommation liées au délai qui sont les plus critiques.
Gestion de production FALLOUL Moulay El Mehdi
98
Chapitre 5 : Contrôle statistique de la qualité
2. Contrôle statistique des lots
2.1 Champ d'application
Principalement utilisé en contrôle final chez le fournisseur ou en contrôle de réception chez le
client, ce contrôle statistique des lots ou contrôle par échantillonnage s’oppose au contrôle à
100%.
En effet, dans le contrôle à 100%, chaque produit est contrôlé. Lors du contrôle par
échantillonnage, on ne contrôle qu’un échantillon (une partie du lot) pour accepter ou refuser
tout le lot.
Produit de sécurité Produit sans risque
Contrôle
destructif
Echantillonné Echantillonné
Contrôle non
destructif
100% Echantillonné
Le contrôle destructif (CD) : Le contrôle destructif d'un nombre limité de produit valide un
lot. Dans ce cas le contrôle s'accompagne ou même parfois est remplacé par un contrôle des
paramètres de fabrication (température, pression, intensité électrique etc.) ayant une influence
sur l'obtention de la caractéristique ne pouvant être mesuré que par un procédé destructif
Le contrôle non destructif (CND) : C’est un contrôle qui peut être effectués sans détruire la
pièce ou l'ensemble qui doit être contrôlé : mesures dimensionnelles, électriques, de couleur
etc.
Le contrôle 100% : Le contrôle à 100% est bien sûr nécessaire lorsqu’il y a un risque pour la
vie des personnes ; aussi, le contrôle par ultrasons (par ondes ultrasons à l’intérieur des
matériaux) doit se faire sur toutes les pièces.
Pour des raisons évidentes, le contrôle par échantillonnage devra être utilisé pour tous les
contrôles destructifs.
La rotule après le test de résistance aux chocs n’est plus utilisable donc on adoptera un contrôle
échantillonné.
Gestion de production FALLOUL Moulay El Mehdi
99
Remarque :
Un contrôle à 100% ne veut pas dire que l’on contrôle toutes les caractéristiques du produit
mais une seule.
2.2 Niveau de qualité acceptable, risque client, risque fournisseur, choix, taille
d'échantillon
2.2.1 Risque client, risque fournisseur
Il existe deux types de risque pour le contrôle par échantillon :
 : Le risque fournisseur est la probabilité, pour un plan d'échantillonnage donné, de se voir
refuser un lot considéré comme mauvais alors qu’il est bon
 : Le risque client est la probabilité, pour un plan d'échantillonnage donné, d’accepter un lot
mauvais alors qu’il est bon.
Le lot est conforme Le lot n’est pas
conforme
Refus Risque  Décision correcte
Acceptation Décision correcte Risque 
Lorsque l’on a déterminé les risques clients et fournisseurs correspondant à des lots
contenant différents pourcentages de défectueux, on peut construire la courbe d’efficacité
des plans d’échantillonnage (établie grâce à la loi de Poisson), qui permet d’établir la relation
entre la probabilité d'acceptation du lot et le pourcentage de défectueux du lot.
Gestion de production FALLOUL Moulay El Mehdi
100
Un plan d’échantillonnage : c’est le fait de déterminer les éléments suivants :
- La taille d’échantillon (n)
- Le critère d’acceptation C (ou k) le nombre de défectueux admis dans l’échantillon avant
de rejeter le lot.
Application :
Pour la fabrication d’écrous, supposons qu’on prend les deux décisions suivantes (sur la base
d’un contrôle de diamètre) :
-Nous acceptons des lots dont le taux de défectueux p0= 2%,
-Nous rejetons les lots dont le taux de de défectueux p1 =12%.
Gestion de production FALLOUL Moulay El Mehdi
101
Tableau d’inspection par échantillonnage standard simple par attributs ( = 5% et  =10)
A partir de la lecture de la table standard, on a :
n=40 et c=2 à partir des deux valeurs de p0 et p1, avec un risque client de 1% et un risque
fournisseur de 5%.
Niveau de qualité acceptable (NQA)
Gestion de production FALLOUL Moulay El Mehdi
102
Le NQA : est le pourcentage maximum p0 d’individus défectueux d’un lot qui peut être
considéré comme satisfaisant en tant que moyenne d’un processus. Il est déterminé par un
accord commun entre le fournisseur et le client.
Lorsque la taille des lots, le niveau de contrôle et le NQA sont définis, on peut déterminer à
l'aide de tables (ci-dessous MIL STD 105 E, NFX 06-022, ISO 2859), la taille des échantillons et le
nombre de défectueux dans l’échantillon au-delà duquel on va refuser le lot.
Application :
On souhaite procéder à un contrôle de lots de 5000 pièces, de niveau de contrôle 2 avec un
NQA de 1%.
Déterminer la taille de l’échantillon et les critères d’acceptation et de rejet.
Réponse :
Puisque le lot est de 5000, on obtient de la table standard 1 la lettre code L et la taille de
l’échantillon n = 200
Puis la lettre code est L et le NQA est de 1% , on peut déterminer de la table 2 suivante les
critères d’acceptation et de rejet A= 5 et R = 6
Gestion de production FALLOUL Moulay El Mehdi
103
Conclusion :
Pour valider le lot, on doit prélever et contrôler un échantillon de 200 pièces, si l’échantillon
comporte au plus 5 pièces défectueuses le lot sera accepté, si le lot comporte plus défectueuses,
le lot sera rejeté.
Plans de contrôle
Lorsque les risques et les niveaux de qualité sont choisis par un accord commun entre client et
fournisseur, il faut déterminer le type de plan de contrôle.
Plan de contrôle simple :
- On prélever un échantillon de n individus et on contrôler le nombre k de défectueux.
-On accepte le lot si le critère d’acceptation est supérieur au nombre K.
- On rejette le lot si le critère d’acceptation est inférieur au nombre K.
Le schéma suivant illustre ce type de plan :
Gestion de production FALLOUL Moulay El Mehdi
104
Plans doubles :
Le principe est identique mais on donne une deuxième "chance" avant de rejeter le lot en
prélevant un deuxième échantillon.
Gestion de production FALLOUL Moulay El Mehdi
105
Plans multiples :
Le troisième type de plan est le plan multiple, sur le même principe que le plan double, il
consiste à réaliser et à prélever plusieurs échantillons.
2.2.4 Contrôle réduit, contrôle renforcé
A partir des résultats des contrôles de réception, le client procède à une classification des
fournisseurs comme suit :
-Si un fournisseur est douteux quant à la qualité de ses produits, le client pratiquera un
contrôle renforcé,
Gestion de production FALLOUL Moulay El Mehdi
106
-Si un fournisseur est sur quant à la qualité de ses produits, le client utilisera un plan réduit.
La norme prévoit comme suit le passage entre les différents plans :
Exemples de différents contrôles extraits de la norme NFX 06 022 :
Gestion de production FALLOUL Moulay El Mehdi
107
La Maîtrise Statistiques des Procédés (MSP) ou Statistical process control (SPC)
La MSP est Essentiellement utilisé pour les contrôles en cours de fabrication pour les
productions en grande série ou lorsque les moyens de contrôle sont destructifs.
Il consiste à prélever des échantillons et à vérifier que la moyenne, l’étendue ou l’écart-type se
trouve dans l’intervalle de confiance matérialisé par des limites sur un graphique de contrôle
appelé carte de contrôle.
3.2 Causes assignables et variabilité aléatoire
Pour les productions en série, les caractéristiques des produits ne sont pas identiques d’un
produit à l’autre (diamètre d’un axe, poids d’un aliment, dureté d’une pièce...).
En effet, tout procédé de fabrication, il existe des sources de variabilité.
Il existe de deux types de variabilité :
- Une variabilité aléatoire "normale" : inhérente au procédé, par exemple jeu dans une
machine-outil, usure d’un outil…
- Une variabilité importante et brutale : due à une cause assignable (identifiable) à une cause
précise, par exemple un réglage d’outillage, un changement de machine, une opération de
maintenance…
L’objectif des cartes de contrôle est de vérifier que le procédé n’est affecté que par la variabilité
aléatoire normale : le procédé est alors sous contrôle. Cela consiste à vérifier que la tendance
centrale (moyenne arithmétique, médiane) et la dispersion (étendue, écart-type) restent entre
des limites établies selon certains critères statistiques.
3.3 Capabilités
La première étape de vérification si le procédé de fabrication est sous contrôle est de vérifier
s’il est capable (machine par exemple est capable ou non).
Pour vérifier cette capabilité on peut calculer un indice de capabilité, il en existe plusieurs :
Gestion de production FALLOUL Moulay El Mehdi
108
- Les indices de capabilité machine (Cm et Cmk)
- Les indices de capabilité procédée (Cp et Cpk)
- L’indice de capabilité Cpm ou "indice de capabilité Taguchy".
Indices de capabilités Utilisation
6
IT
Cm


La machine sera dite capable si Cm≥1,33.
IT Intervalle de tolérance
σ Ecart type estimé.
La capabilité machine uniquement,
ne prend en compte la variabilité
aléatoire de la machine (pas de
changement d’opérateur, de matières,
pas de réglage).
min ;
3 3
X Ti Ts X
Cmk
 
  
  
  
Si Cmk ≥1,33 alors la machine est bien centrée.
(capable et bien réglée)
L’indice Cmk mesure à la fois si la
machine est capable mais aussi si
celle-ci est bien réglée.
6
Ts Ti
Cpm



22 2
1
( )( ) ( )
1 1 1
n
ii
i
x Xx T n X T
n n n


 
  
  

2
2 ( )
1
n X T
s
n

 

S
2
mesurant la dispersion et le deuxième terme
mesure l’écart par rapport à T la valeur cible.
Si Cpm ≥1,33 alors la machine est bien centrée.
(capable et bien réglée) càd ne s’éloigne pas de la
valeur cible.
L’indice de capabilité Cpm ou
"indice de capabilité Taguchy"
veille aussi à ce que l’on ne s’éloigne
pas trop d’une valeur cible (en
général le milieu de l’intervalle).
Gestion de production FALLOUL Moulay El Mehdi
109
Application :
Soit les paramètres relatifs à une machine de production de pièces mécanique :
- Cote à réaliser (intervalle de tolérance) = 10+ou – 0.48 mm ;
- Ecart type estimé : 0.12mm ;
- Moyenne : 10 mm
- Taille de l’échantillon n = 50
- Valeur cible T= 9.5mm
Tester la capabilité de cette machine.
Réponse :
10.48 9.52 0.96
1.33
6 6*0.12 0.72
Ts Ti
Cpm

 
   
La machine est capable.
10 9.52 10.48 10
min ; min ; 1.33
3 3 3*0.12 3*0.12
X Ti Ts X
Cmk
 
     
        
La machine est bien réglée : elle peut être mise sous contrôle.
Calculons maintenant l’indice Cmp de Taguchi
2 2
2 2
1
( ) ( ) 50(10 9.5)
0.12 0.524
1 1 49
10.48 9.52 0.96
0.30 1.33
6 6*0.524 3.14
n
i
i
x T n X T
s
n n
Ts Ti
Cpm



  
     
 
 
    

Au sens de Taguschi la machine n’est pas bonne car on s’éloigne trop de la cible.
Gestion de production FALLOUL Moulay El Mehdi
110
Les cartes de contrôle
Suivant le type de la caractéristique contrôlée, il existe deux grandes familles de cartes de contrôle :
-La carte de contrôle aux mesures qui permet de suivre une caractéristique mesurable de façon
continue, par exemple une dimension, un poids…
-La carte de contrôle aux attributs qui permet de suivre une caractéristique non mesurable ou
contrôlée à l’aide de calibres, par exemple un contrôle visuel, un contrôle réalisé avec un calibre mini-
maxi permettant de trier les pièces non conformes.
3.5 Cartes de contrôle aux mesures
Les cartes de contrôle aux mesures les plus utilisées sont les suivantes :
-Carte des moyennes X et de l’étendue R (ou W)
-Carte des moyennes X et de l’écart-type σ
X : est la moyenne de chaque échantillon
R : L’étendue de chaque échantillon
σ : L’écart type de chaque échantillon
3.6 Calcul des limites
Si l’on considère (à vérifier) que la moyenne des échantillons suit une loi normale, alors
99,8% (99,74%) des mesures sont comprises dans l’intervalle moyenne ± 3,09 (3) σx
σx étant l’écart-type de la distribution des moyennes des échantillons.
Notation
2
2
3
A
d n
 : écart type de la distribution des moyennes des échantillons
T : valeur cible (étant en général la moyenne de l’intervalle de tolérance)
S : écart type de l’échantillon
X : Moyenne de l’échantillon
n : taille de l’échantillon
Gestion de production FALLOUL Moulay El Mehdi
111
R : Moyenne des étendues de chaque échantillon
S : Moyenne des écarts type de chaque échantillon
 : écart type de la population
m : moyenne de la population
N : taille de la population
Paramètre la population Paramètre de la distribution des échantillons

X
n

 
Si  est inconnu on l’estime
-A partir de la moyenne des étendues :
2
R
d
 
-A partir de la moyenne des écarts types :
4
S
c
 
m X
R R
S S
1. Carte des moyennes X et de l’étendue R (ou W)
Pour chaque échantillon prélevé, on calcul la moyenne et l’étendue des valeurs observées.
1 2 .... mX X X
X
m
  

Gestion de production FALLOUL Moulay El Mehdi
112
1 2 .... mR R R
R
m
  

1 2 .... mS S S
S
m
  

Limites inférieures et supérieurs de la carte moyenne-étendue
2
23 3 3
R
d
LSC X X X A R
n n

      Puisque 2
2
3
A
d n

Donc
2
2
3
3
LSC X A R
LSI X A R
 
 
A2 et d2 sont tirés de la table de Shewhart.
Limites inférieures et supérieurs de la carte moyenne-écart type
4
33 3 3
S
c
LSC X X X A S
n n

      Puisque 3
4
3
A
c n

Donc
3
3
3
3
LSC X A S
LSI X A S
 
 
A3 et c4sont tirés de la table de Shewhart
Gestion de production FALLOUL Moulay El Mehdi
113
Table : coefficients pour la détermination des limites de contrôle de Shewhart
Application :
On cherche à étudier la stabilité d’un processus d’usinage de rotors, fabriqué au rythme
de 1000 rotors par semaine à l’aide des cartes (moyennes-étendue) et (moyennes-écart
type). On prélève 20 échantillons de taille n= 5. Le tableau suivant contient les diamètres
de ces échantillons.
Gestion de production FALLOUL Moulay El Mehdi
114
1 2 .... 135 ...... 135
135nX X X
X
m m
    
  
1 2 .... 0.0022 ..... 0.041
0.002605
20
mR R R
R
m
    
  
1 2 .... 0.000865 .... 0.001462
0.001074
20
mS S S
S
m
    
  
On calcule A2 et A3
2
2
3 3
0.576
2.3260 5
A
d n
   et 3
4
3 3
1.427
0.94 5
A
c n
  
Limites cartes (moyenne-étendue)
2
2
3 135 3*(0.02605*0.577) 135.04
3 135 3*(0.02605*0.577)
LSC X A R
LSI X A R
    
    
Gestion de production FALLOUL Moulay El Mehdi
115
Limites cartes (moyenne-écart type)
3
3
3 135 3*(1.427*0.001074)
3 135 3*(1.427*0.001074)
LSC X A S
LSI X A S
    
    
Le logiciel XLSTAT nous permet d’obtenir Les cartes de contrôle directement :
Carte de contrôle (moyenne-étendue)
Gestion de production FALLOUL Moulay El Mehdi
116
Carte de contrôle (moyenne-écart type)
D’après les deux cartes le processus de fabrication est sous contrôle.
134,998
134,9985
134,999
134,9995
135
135,0005
135,001
135,0015
135,002
Valeurs
Observations
Carte X-barre
Moyenne CL LCL UCL
C Borne inf. C Borne sup. B Borne inf. B Borne sup.
Gestion de production FALLOUL Moulay El Mehdi
117
Pour établir les limites de contrôle de la S, on lit dans la table standard de Shewhart les valeurs
des coefficients B3=0 et B4= 2.089. Par l’équation suivante on obtient les valeurs suivantes
pour les paramètres de la carte S de Shewhart.
4
3
(2.089)*(0.001074) 0.00224
0.001074
0
LSC B S
LC S
LCI B S
  
 
 
Les cartes de contrôle aux attributs
Il arrive fréquemment que les conditions de qualité ne soient pas mesurables ou qu'il soit plus
pratique ou économique de réaliser un contrôle à l'aide de calibres. On utilise alors une carte
de contrôle aux attributs.
Les principales cartes de contrôle aux attributs sont :
Carte p, np, c et u :
Gestion de production FALLOUL Moulay El Mehdi
118
Gestion de production FALLOUL Moulay El Mehdi
119
ANNEXES
Loi de Student
Gestion de production FALLOUL Moulay El Mehdi
120
Gestion de production FALLOUL Moulay El Mehdi
121
Gestion de production FALLOUL Moulay El Mehdi
122
Loi de Poisson
Gestion de production FALLOUL Moulay El Mehdi
123

Cours gestion de la production Pr Falloul

  • 1.
    Gestion de productionFALLOUL Moulay El Mehdi 0 UNIVERSITE SULTAN MOULAY SLIMANE BENI MELLLAL Gestion de la production Licence professionnelle Agroalimentaire 2016/2017 Pr. FALLOUL Moulay EL Mehdi
  • 2.
    Gestion de productionFALLOUL Moulay El Mehdi 1 Sommaire Introduction générale 2 Chapitre 1 : Prévision des commandes 3 Chapitre 2 : Recherche opérationnelle appliquée à la production 28 Chapitre 3 : Planification de la production 55 Chapitre 4 : Gestion des approvisionnements et des stocks 80 Chapitre 5 : Contrôle statistique de la qualité 98 Annexes 119
  • 3.
    Gestion de productionFALLOUL Moulay El Mehdi 2 Introduction générale La notion de production est fondée sur la notion de transformation de ressources afin de créer des biens et des services. La combinaison doit s’effectuer de manière optimale : - Capital (machine) - Travail (ressources) Cette combinaison évolue actuellement dans le sens ‘plus de machine’. Ces biens et services sont destinés à la vente. Ainsi, la gestion de la production consiste à choisir des objectifs, prendre en compte les contraintes pour s’approcher d’une maximisation. Ce support a pour objectif d'introduire aux techniques quantitatives et méthodes de gestion de production dont la "maîtrise" est indispensable aux étudiant susceptibles de participer dans la gestion de production dans de différentes types de firmes. Ce support a l'intérêt majeur aussi de présenter des boîtes à outils opérationnelles non exhaustifs, traitant d'aspects méthodologiques dans lesquelles les différents professionnels peuvent piocher afin d’assimiler le domaine de management de production. Selon la méthodologie PODC d’Henri FAYOL, Ce support de cours est divisé en 5 chapitres parties ; la premier chapitre traite les prévisions des commandes, le deuxième chapitre porte sur la recherche opérationnelle appliquée à la gestion de production, le troisième chapitre traite la planification de la production, le quatrième chapitre traite l’organisation et la gestion des stocks et le cinquième chapitre porte sur le contrôle de la qualité.
  • 4.
    Gestion de productionFALLOUL Moulay El Mehdi 3 Chapitre 1 : La prévision des ventes La prévision de la demande est à la base de l’optimisation de la chaîne logistique. Quel que soit le type d’organisation d’une entreprise (flexibilité et réactivité) et son degré d’intégration dans le pilotage des flux, deux éléments sont essentiels pour déterminer le calcul d'un approvisionnement optimal : - la prévision de consommation, - la fiabilité attendue de cette prévision. La prévision de consommation détermine de manière directe une partie du niveau d'approvisionnement ; il s'agit de couvrir au minimum le besoin pour un certain délai. La fiabilité attendue de cette prévision, ou la crédibilité de la prévision, permet de dimensionner de manière optimale le niveau du stock de sécurité. Pour optimiser le niveau de stock, l'obligation de prévoir la demande s'impose. Dans ce qui suit, on va traiter les séries chronologiques 1.1 Régression et corrélation 1.1.1 Définition : Les courbes de régressions (ajustements) sont un moyen graphique de synthétiser la liaison existante entre deux variables (ou le nuage de points formé par ces deux variables). (Ex quelques ajustements. On distingue les régressions de types linéaires et les régressions de type non linéaire.
  • 5.
    Gestion de productionFALLOUL Moulay El Mehdi 4 1.1.2 L’ajustement linéaire La méthode des moindres carrés (ou encore la régression linéaire) la méthode des moindres carrés résume un nuage de points par deux droites possibles qui lient y à x, tel que la distance entre le nuage de points et chaque droite est minimale. Objectif: choix de ^ ^ 2 2 2 2 ( ) ( ) ( i )iyi y yi y y y SCreg R SCtot             Variation inexpliquée Variation totale ( Objectif: choisir 'ˆ'ˆˆ byax ii  ( yxD / ) tel que:  2 ˆii i xx  est un minimum.
  • 6.
    Gestion de productionFALLOUL Moulay El Mehdi 5 xyD / ) tel que:  2 ˆii i yy  est un mimimum Démonstration :       221 1 ˆˆ ,ˆi i i i i i Min y y y ax b f b n a n         0 1 2).1()('   baxy ndb df bf ii i (dériver par rapport à b: u^22uu’)  b n x a n y i i i i    y= xa + b (1) (résultat ‘en passant’: la droite doit passer par les points moyens) Dériver /a: et  1 '( ) ( ).2 0i i i i df f a x y ax b da n       (2) en remplaçant b par son expression (1), dans l’équation (2), on a:   0. 1 .2)('   xayaxyx nda df af ii i i Arranger les termes:   0)()(. 1 .2)('   xxayyx nda df af ii i i 2 ( ) ( , ) ˆ ( )( ) ² i i i i ii i x y y x yn xy Cov x yna x Var xx x x x nn                         (3)
  • 7.
    Gestion de productionFALLOUL Moulay El Mehdi 6 ˆ ˆb y ax   1.1.3 Le coefficient de corrélation Les pentes a et 'a  indication sur la liaison (corrélation) entre x et y. Ainsi, une indication de la liaison moyenne entre xet y peut s’exprimer par leur moyenne géométrique:   1/22 1/2 ( , ) ( , ) . ' ( ). ( ) .x y Cov x y Cov x y r a a Var x Var y                 On peut montrer que: -1  r  1 Définition: Le taux de corrélation r détermine l’intensité de la corrélation (co dépendance) entre la variable x et la variable y. 1.1.4 Le coefficient de détermination Le coefficient de détermination (appelé 2 R ) est le carré du coefficient de corrélation ‘r’. Proposition: 2 R mesure le part de la variabilité totale de y expliquée par x (ou encore par la droite de régression).  Plus 2 R est grand (tend vers 1) et mieux la droite bxay ˆˆˆ  résume le nuage de points (y).  évolution de x décrit bien celle de y.  Qd. 2 R est petit (tend vers 0)  évolution de x semble être indépendante de celle de y. Vation expliquée et variation inexpliquée : (Variation totale de Y) = (Variation expliquée par le modèle) + (Variation inexpliquée par le modèle) ^ ^ ( ) ( i ) ( i)yi y y y yi y        La méthode MCO permet de trouver l’égalité suivante : ^ ^ 2 2 2 ( ) ( i ) ( i)yi y y y yi y         
  • 8.
    Gestion de productionFALLOUL Moulay El Mehdi 7 (Somme des carrées totale (SCtot)) = (Somme des carrées de la régression(SCreg)) + (Somme des carrées résiduels (SCres)) Calcul du coefficient de détermination ^ 2 2 2 ( i )variation exp variation ( ) y yliquée SCreg R totale SCtotyi y          Le principal défaut du R2 c’est qu’il croit avec les nombres de variables d’où l’utilité du R2 ajusté Calcul du coefficient de détermination ajusté 2 2 ( 1) ( 1) ajusté n R p R n p      Où p est le nombre de variables explicatives dans le modèle 1.1.5 Inférence sur les paramètres du modèle On peut également calculer les erreurs (écarts ou résidus) ^ ^ ( )e y i yi  Hypothèses : si les erreurs sont : - Indépendants en probabilités ; -De moyenne nulle ; -D’écart type constant. Alors, on peut estimer l’erreur type  par ^ 2 / ( ) 2 y x yi y S n     C’est l’écart type de l’erreur ei pour la prédiction de y sachant x. Dans ce qui suit on utilise la notation S pour cette statistique. Inférence pour la pente 1a On doit tester l’hypothèse nulle contre l’hypothèse alternative
  • 9.
    Gestion de productionFALLOUL Moulay El Mehdi 8 0 1 0 1 : 0 : 0 H a H a    Pour se faire on calcule la statistique tc (en valeur absolue) et on la compare à la valeur critique ( /2, 2)nt   lu dans la table de Loi Student. ^ ^ 1 1 ^ 2 1 2 ( ) (x ) c a a t ss a i x     Comme c’est montré dans la figure suivante : Si ( /2, 2): 043.54c nt t rejette H   Cela veut dire que la relation entre la variable x et y est significative. Par ailleurs, on a un intervalle de confiance de 1a au niveau de (1 ) 95%  2^ ^ ^ 1 ( /2, 2) 1 1 ( /2, 2) 2 . ( ) . (x ) n n s a t s a a t i x         Inférence sur l’ordonnée à l’origine 0b : On doit tester l’hypothèse nulle contre l’hypothèse alternative 0 0 0 0 : b 0 : b 0 H H   
  • 10.
    Gestion de productionFALLOUL Moulay El Mehdi 9 Pour se faire on calcule la statistique tc (en valeur absolue) et on la compare à la valeur critique ( /2, 2)nt   lu dans la table de Loi Student. ^ ^ 0 0 ^ 2 2 0 2 ( ) (x ) c i b b t s xs b n i x       Si ( /2, 2) 0 ( /2, 2) 0 c n c n t t rejette H t t rejette H          Par ailleurs, on a un intervalle de confiance de 1a au niveau de (1 ) 95%  2 2^ ^ ^ 0 ( /2, 2) 0 0 ( /2, 2) 2 . ( ) . (x ) i n n s x b t s b b t n i x           Cela veut dire que la droite de régression ne passe pas par l’origine. Inférence sur la droite de régression ^ ( )y x La variance de ^ ( )y x peur être obtenu par : 2^ 2 2 2 2^ ^ ^ 2 ( /2, 2) ( /2, 2) 2 ^ ^ 1 ( ) ( ( )) ( ) ( ) 1 ( ) ( ) . ( ( )) ( ) . ( ) ( ) ( ) ( ) ( ( )) n n y x x s y x s n x x x x y x t s y x y x t s n x x y x x tc s y x                        L’intervalle de confiance peut être obtenu par : 2^ ^ ^ 2 ( /2, 2) ( /2, 2) 2 1 ( ) ( ) . ( ( )) ( ) . ( ) ( ) n n x x y x t s y x y x t s n x x            
  • 11.
    Gestion de productionFALLOUL Moulay El Mehdi 10 L’intervalle de prédiction de ^ ( )y x peut être obtenu par : 2^ ^ ^ 2 ( /2, 2) ( /2, 2) 2 1 ( ) ( ) . ( ( )) ( ) . (1 ) ( ) n n x x y x t s yf x y x t s n x x              1.1.6 Analyse de la variance (ANOVA) Le tableau suivant présente l’analyse de la variance pour un modèle de régression simple : Source de variation Somme des carées Degrés delibertés Carrées moyens x SCreg 1 MCreg=SCreg/1 résidus SCresi n-2 MCresi=SCresi/n-2 Total SCT n-1 Fc= MCreg/MCresi Nous voulons tester lh’ypothèse suivante : 0 1: 0H a  Pour cela on calcule lastatistique Fc et on la compare à ( ,1, 2)nF  lu dans la table de Fisher 2 1 SCreg MCregnFc SCresi MCresi   On rejette l’hypothèse H0 si : ( ,1, 2)nFc F  Application (régression univarié) On dispose du tableau des données suivants relatifs à la distribution entre la consommation (Y) et le revenu (X) entre 1992 et 2001.
  • 12.
    Gestion de productionFALLOUL Moulay El Mehdi 11 Date Y X 1 7389,99 8000 2 8169,65 9000 3 8831,71 9500 4 8652,84 9500 5 8788,08 9800 6 9616,21 11000 7 10593,45 12000 8 11186,11 13000 9 12758,09 15000 10 13869,62 16000 On vous de mande de : 1) Représenter graphiquement Y en fonction de X 2) Estimer les paramètres Yi= a1X+b0 3) Tester les hypothéses des variables et calculer les intervalles de confiance pour une probabilité de 95% 4) Calculer l’intervalle de confiance de Y(x) 5) Etablir l’ANOVA et calculer le coefficient de détermination de cette regression y = 0,781x + 1176,1 R² = 0,9958 0 2000 4000 6000 8000 10000 12000 14000 16000 0 2000 4000 6000 8000 10000 12000 14000 16000 18000 Consomation Revenu Evoluion de la consommation et du revenu
  • 13.
    Gestion de productionFALLOUL Moulay El Mehdi 12 2) 1 0 (X,Y) 5010472.92 0.781 ( ) 6415600 (9985.575 0.781*11280) 1176.1 0.781 1176.1 Cov a Var X b Ym axm Y X          3) Inférence sur la pente 0 1 0 1 : 0 : 0 H a H a    L’erreur type est comme suit ^ 2 2 / ( ) 165169.38 143.69 2 2 8 y x yi y ei S n n         La valeur critique est égale à ^ ^ 1 1 ^ 2 1 2 0.78 43.54 20646.17( ) 64156000 (x ) c a a t ss a i x       ( /2, 2): 043.54 2.306c nt t rejette H    L’intervalle de confiance est comme suit : 2^ ^ ^ 1 ( /2, 2) 1 1 ( /2, 2) 2 . ( ) . (x ) n n s a t s a a t i x         ^ ^ 1 ( /2, 2) 1. ( ) 0.78 (2.306*0.0179)na t s a    Il y a une probabilité de 95% que la valeur estimé de a1 se trouve dans l’intervalle  0.740,0.822 avec 5% de chance se trouver à l’extérieur de cet intervalle
  • 14.
    Gestion de productionFALLOUL Moulay El Mehdi 13 Inférence sur l’ordonnée à l’origine b0 0 0 0 0 : b 0 : b 0 H H    La valeur critique est égale à ^ ^ 0 0 ^ 2 2 0 2 1176.1 5.671 207.39( ) (x ) c i b b t s xs b n i x         ( /2, 2): 05.671 2.306c nt t rejette H    L’intervalle de confiance est comme suit :  697.843,1654.337 ^ ^ 0 ( /2, 2) 0. ( ) 1179.1 (207.392*2.306)nb t s b    Inférence sur la droite de régression ^ ( )y x Par exemple pour X = Xm =11280 on a ^ (11280) ym 9985.57y   2^ 2 2 2 1 ( ) 1 ( ( )) ( ) 20646.17.( 0) 2064.61 10( ) x x s y x s n x x          L’intervalle de confiance est comme suit :  9880.79,10090.35 ^ ^ ( /2, 2)(x) . ( (x)) 9985.57 (45.4835*2.306)ny t s y   
  • 15.
    Gestion de productionFALLOUL Moulay El Mehdi 14 4) Tableau ANOVA Source de variation Somme des carées Degrés delibertés Carrées moyens x 39130928.80 1 391309.80 résidus 165169.38 8 20646.17 Total 3929698.18 9 Fc= 391309.80/20646.17 Nous voulons tester lh’ypothèse suivante : 0 1: 0H a  Pour cela on calcule lastatistique Fc et on la compare à ( ,1, 2)nF  lu dans la table de Fisher On rejette l’hypothèse H0 si : ( ,1, 2)( 1895.31) ( 5.32)nFc F    Remarque : On peut utiliser les logiciels d’analyse de données pour résoudre ce type de modèle, on peut utiliser l’outil de l’analyse de données d’Excel. Rapport d’analyse sous Excel
  • 16.
    Gestion de productionFALLOUL Moulay El Mehdi 15 1.2 Les séries chronologiques 1.2.1 Définition : On appelle « série chronologique » toutes suite temporelle d’observations chiffrées, les observation sont effectuées à des intervalles de temps réguliers (années, mois, jours,…). Une SC comporte quartes composantes (mouvements): - Une composante Extra saisonnière : il s’agit d’un mouvement à long terme qualifié par trend de la série chronologique (Ti) - Une composante cyclique où l’amplitude d’un mouvement est variable pouvant dépasser l’année (Ci) - Une composante saisonnière : des fluctuations périodiques peuvent apparaître à l’intérieur de l’année et qui peuvent se répéter chaque année à la même période (Si) - - Une composante aléatoire ou imprévisible où l’intensité de variation est réduite. ( Ai).  Il existe 2 méthode d’une chronique:  Le modèle additif : Yi= Ti + Ci + Si + Ai  Le modèle multiplicatif : Yi= Ti * Ci * Si *Ai (plus fréquent)  Une SC peut être (journalières, mensuelles, trimestrielles…)
  • 17.
    Gestion de productionFALLOUL Moulay El Mehdi 16 1.2.2 Détermination par moyens mobiles (MC0):
  • 18.
    Gestion de productionFALLOUL Moulay El Mehdi 17  Exemple des deux premiers moyens mobiles d’ordre 2 et 3 (24.66+24.61)/2 = 24.63 (24.66+24.61+24.73)/3 =24.66 1.2.3 Détermination par les MCO Exemple : on dispose des ventes trimestrielles de 4 années d’un magasin de vente de pièces mécaniques:  La droite d'ajustement est de la forme Y = 3,22.X + 3265.75  coefficients saisonniers (CS) sont les moyennes arithmétiques des rapport au trend ( Y /Y') par période (trimestre, mois...)
  • 19.
    Gestion de productionFALLOUL Moulay El Mehdi 18  Détermination des coefficients saisonniers et correction de la série des variables saisonnières. 1.3.3 Le lissage exponentiel 1.3.1 Définition Les techniques de lissage exponentiel ont été introduites par Holt en 1957 mais surtout par Brown en 1962. Le lissage regroupe l’ensemble des techniques empiriques qui ont pour caractéristiques communes d’accorder un poids plus important aux valeurs récentes de la chronique. Caractéristiques des méthodes de lissage exponentiel – Premier principe : la dévalorisation croissante de l'information avec l'âge – Deuxième principe : la synthétisation des informations – Troisième principe : la réactualisation permanente des paramètres moyennant des calculs relativement simples
  • 20.
    Gestion de productionFALLOUL Moulay El Mehdi 19 1.3.2 Le lissage simple : le modèle stationnaire La formule du lissage simple est la suivante : ^ ^ 1(1 )t tt tx S x x      Avec ^ 1 1x x pour initialiser et la prévision calculée en n à l’horizon de h périodes est égale à : ^ ^ n h n x x h   et     0,1coefficient de lissage  Application Le tableau suivant montre lissage exponentiel des ventes : 0.3  9 8 10 11 ^ ^ ^ ^ x x x x   t (mois) Ventes (xt) St et=xt -ST 1 30 30,00 0,00 2 40 33,00 7,00 3 40 35,10 4,90 4 30 33,57 -3,57 5 20 29,50 -9,50 6 20 26,65 -6,65 7 30 27,65 2,35 8 30 28,36 1,64 9 28,36 -28,36 10 28,36 -28,36 11 28,36 -28,36
  • 21.
    Gestion de productionFALLOUL Moulay El Mehdi 20 1.3.3 Le lissage exponentiel double : le modèle linéaire La formule du lissage double est la suivante : ^ 1 ^ ( ) 0 1 * 0 1 (après ' ) t t t t p n t t x a a x n a a la dernière période d ajustement        Avec : 1 ( ) 1 0 2 t t t t t t a S SS a S SS          et 1 1 (1 ) (1 ) t t t tt t S x S SS S SS             Application Le tableau suivant montre lissage exponentiel double des ventes : avec 0.3 
  • 22.
    Gestion de productionFALLOUL Moulay El Mehdi 21 1.3.4 Les modèles de Holt et Holt–Winters 1.3.4.1 Le modèle de Holt Nous pouvons aussi utiliser le lissage de Holt qui comprend deux paramètres : l’un pour la moyenne lissée a0t et l’autre pour la pente a1t. Deux lissages distincts sont effectués : – le lissage de la moyenne a0t avec un coefficient de lissage , [0 ; 1], – le lissage de la tendance a1t avec un coefficient de lissage , [0 ; 1]. (Dans le cas particulier où = le modèle de Holt se ramène au lissage exponentiel double de Brown). Formulation Lissage de la moyenne :    t–1 –10 . 1 – 0 1.t t ta x a a    (a0t–1 + a1t –1 représente la nouvelle moyenne lissée en t) 0 2000 4000 6000 8000 10000 12000 Prévision des ventes (Méthode LED) Ventes CVS (xt) Xt(prévisons)
  • 23.
    Gestion de productionFALLOUL Moulay El Mehdi 22 Lissage de la tendance :    1 –1 –1. 0 – 0 1 – 1t t t ta a a a   Prévision calculée en t à un horizon de h périodes : ^ 0 1tt h ta h ax    Avec : xt = valeur observée de la série en t Initialisation (pour t = 1) – Initialisation de la moyenne lissée : a01 = x1 – Initialisation de la tendance : a11 = 0 Les formules générales peuvent ensuite être utilisées. Application Le tableau suivant montre lissage exponentiel des ventes : avec 0.3  et 0.11 
  • 24.
    Gestion de productionFALLOUL Moulay El Mehdi 23 1.3.4.2 Le modèle de Holt-Winters Le modèle de Holt–Winters présente l’avantage d’intégrer une composante saisonnière et donc de réaliser le calcul de la prévision en un seul traitement. C’est ce modèle qui est employé le plus couramment dans les progiciels de prévision des ventes. le lissage de la moyenne avec un coefficient de lissage , avec [0 ; 1], le lissage de la tendance avec un coefficient de lissage , avec [0 ; 1], le lissage de la saisonnalité avec un coefficient de lissage , avec [0 ; 1],
  • 25.
    Gestion de productionFALLOUL Moulay El Mehdi 24 Formulation Lissage de la moyenne :      – –1 –10 . / 1 – 0 1.t t t p t ta x S a a    (On utilise St–p car St n’est pas encore connue). Lissage de la tendance :    1 –1 –1. 0 – 0 1 – 1t t t ta a a a   Lissage de la saisonnalité :     –. / 0 1 – .t t t t pS x a S   Prévision à un horizon de h périodes : 2 ^ ^ ( 0 1 ). 1 ( 0 1 ). 1 2 t h t t t t p h t t th p h a h a S si h p a h a S si p p x x h                Avec : a0t = moyenne lissée de la série en t xt = valeur observée de la série en t St = coefficient saisonnier en t p = périodicité des données (p = 12 en mensuel, p = 4 en trimestriel) a1t = tendance estimée en t. Initialisation (pour la première année, t = 1, p) - Initialisation de la saisonnalité Les coefficients saisonniers pour la première année sont estimés par la valeur observée en t (xt) divisée par la moyenne x  des p premières observations (celles de la première année). /St xxt   pour t = 1, p - Initialisation de la moyenne lissée : 0pa x   - Initialisation de la tendance : 01pa 
  • 26.
    Gestion de productionFALLOUL Moulay El Mehdi 25 Application Le tableau suivant montre lissage exponentiel des ventes de Holt and Winters : 0.3  et 0.11  et γ=0.2 Initialisation : Initialisation : x  = 571,34 (pour la première année). La saisonnalité : Savr–Année 1 = 427,60 / 571,34 = 0,70 La moyenne : a0déc–Année 1 = 571,34 La tendance : a1déc–Année 1 = 0 Ici, en régime permanent (l’horizon h est choisi égal à 1) pour la ligne de septembre de l’année 2 : a0 sep–Année 2 = 0,3 (522,1 / 0,91) + 0,7 (512,9 – 0,3) = 530,2
  • 27.
    Gestion de productionFALLOUL Moulay El Mehdi 26 a1 sep–Année 2 = 0,1 (530,2 – 512,9) + (0,9 *– 0,3) = 1,5 S sep–Année 2 = 0,2 (522,1 / 530,2) + (0,8 *0,91) = 0,93 ^ x sep–Année 2 = (512,9 + (– 0,3) * 1) 0,91 = 468,51 (calculée en août 1992, avec h = 1). La prévision pour septembre de l’année 4 (horizon h = 9), calculée en décembre de l’année 3, est égale à : ^ x sep–Année 3 = (533,4 + 4.9) 0,93 = 504 1.4. L’ajustement non linéaire La plupart desphénomènes économiques ne suivent pas une évolution liénaire, d’où l’utilité de d’étudier quelques ajustements non linéaires spécifiquement en l’occurrence l’ajustement par une fonction exponentielle et par une fonction puissance. 1.4.1 Linéarisation de modèles non linéaires : Remarque : il existe des techniques de régressions non linéaires, mathématiquement plus difficiles et moins générales. Principe : réaliser une anamorphose, c’est-à-dire produire un modèle linéaire par un changement de variable(s) adéquat. La fonction puissance : ,a Y Bx B et a étant des constantes. Donc .ln y ln B aln x  ln y Posons ’ , ’ ; ’ ’y ln y b ln B et x ln x donc y b ax     y’ (droite avec pente a ) Icia peut être interprété comme l’élasticité de la fonction (isoélastique) originale. La fonction exponentielle : , . .ax Y Be B et a étant des constantes Donc ln y ln B ax   Posons ’y ln y etb ln B  ; donc ’y b ax  La fonction exponentielle est particulièrement utile dans le calcul des taux de croissance .
  • 28.
    Gestion de productionFALLOUL Moulay El Mehdi 27 En effet, on ajuste souvent une variable par rapport au temps pour décrire son évolution (pas expliquer). Dans ce cas, la fonction exponentielle s’écrit : at Y Be et, après anamorphose : ’y b at  Avec   taux de croissance instantané constant et 0b ln y , avec 0y y quand 0t  , la valeur d’amorçage.
  • 29.
    Gestion de productionFALLOUL Moulay El Mehdi 28 Chapitre 2 : Introduction à la programmation linéaire La recherche opérationnelle est une méthode d'analyse scientifique d'un problème. Cette méthodologie est un mélange d'analyse et de méthodes mathématique réunies pour aider un décideur à prendre une décision. Elle consiste à recevoir un maximum d'information sur le problème afin de proposer des solutions mais surtout pas de décider laquelle est la meilleure. La solution choisie dépend surtout des intérêts du décideur. Cette méthode Cette méthode est très utilisée pour résoudre les problèmes de gestion de production, de transport et de logistique. Les problèmes de gestion qui seront traités en l’occurrence sont : 1. La programmation linéaire peut être définie comme étant une méthode qui permet d’allouer de façon optimale des ressources disponibles en quantités limitées à des activités compétitrices. 2. les techniques de gestion des problèmes de transport, à savoir la méthode du coin nord-ouest et celle de stepping stone. 3. La méthode de satisfaction d’une demande dépendante et la gestion des différentes opérations entrainées par cette demande 4. La méthode d’ordonnancement des taches. Réseau PERT et la méthode du chemin critique, CPM. 2.1. La programmation linéaire Un programme linéaire est un programme mathématique, i.e. problème consistant à trouver un extremum (maximum ou minimum) d’une fonction à plusieurs variables, vérifiant en outre un système d’équations ou d’inéquations, ces fonctions étant linéaires. 2.1.1 Exemple a) Agriculteur Un agriculteur possède 40ha, 63 000 FF et 840 jours de travail. Il désire semer du maïs, du blé et du soja qui ont les coûts et les rapports suivants: Prix (FF/ha) Temps (jour) Rapports (FF/ha) Maïs 1500 18 420 Blé 1800 27 510 soja 1050 15 360
  • 30.
    Gestion de productionFALLOUL Moulay El Mehdi 29 On peut synthétiser les contraintes de cette façon: 1500 x1 + 1800 x2 + 1050 x3  63 000 18 x1 + 27 x2 + 15 x3  840 X1 + x2 + x3  40 X1, x2, x3  IR+ X1, x2, x3  0 Et la fonction économique max z = 420 x1 + 510 x2 + 360 x3 b) Usine De la même façon, une usine produit du "A" et du "B" avec du "M1" et du "M2" avec les caractéristiques suivantes: A B Stocks M1 2 1 8 M2 1 2 7 M3 0 1 3 gains 4 5 Mise en équations avec x1 le nombre de "A" et x2 le nombre de "B" sachant que x1et x2  0 Bilan de M1: 2 x1 + x2  8 Bilan de M2: x1 + 2 x2  7 Bilan de M3: x2  3 Le critère étant un max z = 4 x1 + 5 x 2.1.2 Forme canonique Tout programme linéaire peut être mis sous forme canonique, c'est à dire un système avec un ensemble d'inéquation et une fonction à optimiser.
  • 31.
    Gestion de productionFALLOUL Moulay El Mehdi 30 1 1 2 2 11 1 12 2 1 1 21 1 22 2 2 2 1 1 2 2 2 1 2 ... ( ) ... 2 ... int .......... 2 ... , ,.., 0 n n n n n n n n nn n n Max Z c x c x c x fonction économique objective a x a x a x b a x a x a x b contra es économiques a x a x a x b x x x                       2.1.3 Forme Standard La formulation standard du programme linéaire permet de transformer les inéquations en équations en introduisant des variables d’écart ; ces variables d’écart expriment un éventuel sous-emploi des capacités (ressources non employées). Il faut noter qu’il y a autant de variables d’écarts que d’inéquations, ce qui donne au niveau du programme linéaire une variable d’écart pour chacune des contraintes : soit e1pour la contrainte (1), e2 pour la contrainte (2), et e3 pour la contrainte (3). On obtient la formulation standard suivante : 1 1 2 2 1 2 11 1 12 2 1 1 1 21 1 22 2 2 2 2 1 1 2 2 2 ... 0 0 ... 0 ... 0 2 ... 0 .......... 2 ... 0 e e e n n n e n n e n n e n n nn n n Max Z c x c x c x a x a x a x b a x a x a x b a x a x a x b                         Ecriture matricielle : max (t c x) Ax=b x 0 avec :
  • 32.
    Gestion de productionFALLOUL Moulay El Mehdi 31 x =                 mn n 1 x x x   , c=                 0 c c n 1   x, c  Rn+m , A =               100aa 010aa 001aa mn1m n221 n111     , A  M m,n+m(R), b=           m 1 b b  , b  Rm Convexité C  IRn est convexe SSI  x  C , et  y  C ,    0,1  x + (1-)y  C L'intersection d'un nombre fini de convexes est convexe. Un polyèdre convexe est l'intersection d'un nombre fini d'ensembles du type A , B , C. Théorème : L'ensemble  des solutions réalisables d'un programme linéaire est convexe. x est un point extrémal d'un convexe (ou point anguleux, ou sommet) SSI il n'existe pas: x' , x²  C x'  x² tels que x = x' + (1-)x² avec   ]0,1[ Théorème : Tout point x d'un polyèdre convexe borné   IRn est combinaison linéaire convexe de points extrêmes de . Remarque : Dans le cas où  est un polyèdre non borné, il existe un théorème analogue utilisant la notion de rayons extrémaux. 2.1.4 Formulation du programme dual : Il s’agit, dans un premier temps, d’écrire le programme dual en respectant les correspondances primal →dual : -Chaque ligne primal correspond à un input du dual ; - Chaque colonne primale correspond à une ligne duale ; -Chaque output est représenté par une ligne primale ; - Le nombre des variables du dual est égale au nombre des inputs du primal ; - Les seconds membres des contraintes constituent les coefficients de la fonction objective ; - Le sens de l’inégalité >= sera remplacé par <=. Dans un second temps, il s’agit d’identifier les variables du dual, sens contraintes et enfin sa fonction économique (ou objective). Deux règles à respecter : - Les fonctions objectives des deux programmes ont la même valeur optimale ; - La valeur optimale d’une variable est égale à la valeur marginale de la variable associée.
  • 33.
    Gestion de productionFALLOUL Moulay El Mehdi 32 Exemple : Considérons le programme primal suivant : 1 2 3 1 2 3 1 2 3 1 2 3 1 2 3 Min 1140 880 1060 8 6 2100 5 6 1200 12 5 8 1353 , , 0 W x x x x x x x x x x x x x x x                Le dual du 1er PL est obtenu à partir du tableau suivant : La forme duale du programme linéaire s’écrira : 2.1.5 Résolution du programme linéaire par la méthode graphique Une représentation graphique des inégalités (des contraintes) va nous permettre de déterminer l’ensemble des solutions réalisables. Cette méthode ne peut être utilisée que lorsque le problème se limite à deux variables. A chaque inéquation de contrainte, on peut associer une droite du plan. X1 X2 X3 Min Y1 1 8 6 2100 Y2 1 5 6 1200 Y3 12 5 8 1353 max 1140 880 1060 1 2 3 1 2 3 1 2 3 1 2 3 1 2 3 Max 2100 1200 1353 12 1140 8 5 5 880 6 6 8 1060 y , y , y 0 Z y y y y y y y y y y y y               
  • 34.
    Gestion de productionFALLOUL Moulay El Mehdi 33 Application L’entreprise XLS fabrique 2 types de produits les tables et des lits. Les besoins en matières et en heures de travail qui nécessite chaque type de produit sont donnés par le tableau suivant : Produits Caoutchouc (m3 ) Acier (kg) Heures de travail Sièges Plafonds 0.3 0.2 100 50 2h 3h 27m3 8kg 280h Travail à faire : 1) Déterminer tous les programmes de production possibles 2) Déterminer le programme permettant de maximiser le bénéfice sachant que la marge sur coût variable est de 300 DH par table et 250 DH par lit. Solution : 1) Détermination des programmes de production possibles :         0.3 0.2 27 3 0.1 0.05 8 ’ 2 3 280 Max 300 250 , 0 x y m de bois x y kg d acier x y heures de travail la prod Z x y uction ne peut être négax y tive               A chaque inéquation de contrainte, on peut associer une droite du plan. -La droite 1 : de coordonnées (0 ; 135) (90 ; 0) - La droite 2 : de coordonnées (0 ; 160) (80 ; 0) -La droite 3 : de coordonnées (0 ; 120) (180 ; 0)
  • 35.
    Gestion de productionFALLOUL Moulay El Mehdi 34 Le polygone OABCD représente les régions des solutions(x ; y) admissibles, autrement dit tous point à l’intérieur de ce polygone est un programme de production qui vérifie les contraintes. Les sommets du polygone sont des solutions particulières : A (80 ; 0) ; B (18 ; 108) ; C (50 ; 60) ; D (80 ; 0). 2) détermination du programme de maximisation de bénéfices Il importe maintenant de déterminer parmi les solutions admissibles celle qui maximise la fonction économique : 350x + 250y = Z. Pour déterminer cet optimum, on trace une droite (D) : 350x+250y=0 correspondant à la fonction économique Z puis on la déplace parallèlement à elle-même jusqu’à ce qu’elle garde un point dans la zone d’acceptabilité. On remarque que le point C correspond à l’optimum économique recherché, donc le bénéfice maximum est de (350 .50) + (250.60) = 32500.
  • 36.
    Gestion de productionFALLOUL Moulay El Mehdi 35 Différents cas possibles de résolution graphiques de programmes linéaires Problème de maximisation la solution optimale est B(40,110) Problème avec solution non bornée On peut augmenter la valeur de la fonction objectif dans la direction des flèches indéfiniment donc la solution est non bornée
  • 37.
    Gestion de productionFALLOUL Moulay El Mehdi 36 Problème impossible L’espace des solutions réalisables est vide, il est l’intersection des deux zones grises de la figure ci-dessus Problème à solutions multiples L’ensemble des points décrit par le segment [AB] représente les solutions optimales du problème linéaire
  • 38.
    Gestion de productionFALLOUL Moulay El Mehdi 37 Problème de dégénérescence La solution optimale B(10,5) est dite dégénérée si trois contraintes concourent en ce point. 2.1.6 Analyse de sensibilité Une analyse de sensibilité se résume à la recherche des intervalles de variations possibles des paramètres du programme linéaire sans que la solution optimale ne soit modifiée. Question : De combien peut-on faire varier le profit engendré par la culture d’un hectare de tomates, dans le problème de l'agriculture, sans changer la solution optimale ? Réponse :
  • 39.
    Gestion de productionFALLOUL Moulay El Mehdi 38 fonction objectif est égale à La solution demeure optimale si la pente de la fonction objective reste toujours comprise entre la pente de la contrainte (1) et (3). Ceci est équivalent à dire que : On peut vérifier aussi que si :  alors la solution optimale est A  alors le problème est à solutions multiples : [AB]  alors la solution optimale est B  alors le problème est à solutions multiples : [BC]  alors la solution optimale est C  alors le problème est à solutions multiples : [CD]  Alors la solution optimale est D 2.1.7 Résolution du programme linéaire par la méthode simplex Lorsque le nombre de variables dépasse deux, la résolution graphique du programme linéaire n’est pas possible, d’où l’utilisation de l’algorithme du Simple. Les étapes de cette méthode peuvent être résumées comme suit :
  • 40.
    Gestion de productionFALLOUL Moulay El Mehdi 39 1- Modélisation : Définir les variables Contraintes en inéquation Bénéfice 2- Matrice Transformation de l’inéquation en équation (de la forme canonique à la forme standard) Ajout de matrice d’écart 3- Recherche du pivot (critères de Dantzig) Colonne : coût marginal le plus élevé Ligne : on prend le plus petit ratio (second membre / coefficient de la variable entrante dans la base) 4- Application de la règle du rectangle Pour faire entrer la variable choisi dans la base 5- Itération jusqu’à ce que les coefficients de la fonction économique soit (<= 0), dans ce cas on a atteint l’optimum. Application 1 2 3 Max 500 400 600 3 2 28 20 18 5 11 324 ,x ,x 0 Z x y z x y z sc x y z x y z x                Forme standard du problème : 1 2 3 1 2 3 1 2 3, 1 2 3 Max 500 400 600 3 2 28 20 18 5 11 324 ,x ,x , , 0 Z x y z e e e x y z e sc x y z e x y z e x e e e                     
  • 41.
    Gestion de productionFALLOUL Moulay El Mehdi 40 Tableau 1 x y z e1 e2 e3 Bi Ri e1 1 3 2 1 0 0 28 14 L1/2 e2 1 1 1 0 1 0 20 20 2L2-L1 e3 18 5 11 0 0 1 324 324/11 L3-5.5L1 Z 500 400 600 0 0 0 L4-300L1 Tableau 2 x y z e1 e2 e3 Bi Ri z 0.5 0.5 1 0.5 0 0 14 28 2L1- L2 e2 1 -1 0 -1 2 0 12 12 L2 e3 12.5 -11.5 0 -5.5 0 1 170 13.6 L3- 12.5L2 Z 200 -500 0 -300 0 0 - 8400 L4- 200L2 Tableau 3 x y z e1 e2 e3 Bi e1 0 4 2 2 -2 0 8 x 1 -1 0 -1 2 0 12 e3 0 -1 0 7 -25 1 20 Z 0 -300 0 -100 -400 0 -10800 Tous les coefficients sur la fonction économique sont négatifs ou nuls (le maximum est atteint), les quantités optimales sont : 12, 8 (500*12) (600*8) (400*0) 10800 x z optimum       Remarquons qu’à l’optimum la contrainte e1 et e2 valent 0, ces contraintes sont donc saturés et e3 vaut 20, la troisième contrainte n’est pas saturée. 2.2. Problèmes de transport On est en présence de problème de transport au sens strict, lorsqu’on souhaite réaliser des transferts, entre des sommets d’origine et des sommets d’arrivées d’un graphe. Application : Transport de marchandises entre 3 usines et 4 entrepôts d’un même produit P, la capacité de production mensuelle des 3 usines sont (Usine1= 400, Usine2= 250, Usine3= 500 unités). Le besoin mensuels des entrepôts sont de (Entrepôt 1= 100, Entrepôt 2= 350, Entrepôt 3= 500 et Entrepôt 4 = 200 unités).
  • 42.
    Gestion de productionFALLOUL Moulay El Mehdi 41 -La matrice des coûts de transport Cij (Le coût de l’usine i à l’entrepôt j) se présente comme suit : i j 1 2 3 4 1 50 60 10 20 2 100 40 30 30 3 20 70 80 50 -La matrice des quantités Xij (quantité à transporter de l’usine i à l’entrepôt j), le vecteur des disponibilités des usines di, et les besoins des entrepôts bi se présente comme suit : i j 1 2 3 4 di 1 x11 x12 x13 x14 400 2 x21 x22 x23 x24 250 3 x31 x32 x33 x34 500 bj 100 350 500 200 1150 2.2.1 Modélisation du problème du transport : 11 12 13 21 34. 50 60 10 100 ... 50xij ij i j Min Z c x x x x x      Contraintes : Toutes les disponibilités doivent être exactement utilisées : , :ij i j i x d  11 12 13 14 21 22 23 24 31 32 33 34 x x 400 x x 250 x x 500 x x x x x x             Tous les besoins doivent être exactement utilisés : , :ij j i j x b  11 21 31 11 22 23 13 23 33 14 24 34 x x 100 x x 350 x x 500 x x 200 x x x x            
  • 43.
    Gestion de productionFALLOUL Moulay El Mehdi 42 2.2.2 Résolution du problème de transport : Première étape : on cherche une solution de base c’est-à-dire des quantités xij satisfaisant les contraintes (en générale cette solution n’est pas optimale). Deuxième étape : on améliore progressivement la solution de départ (de base), en basant d’une solution de base à une autre jusqu’à ce qu’on obtient des solutions minimisant le coût total. 2.2.2.1 La méthode du coin Nord-ouest (solution de base) : On commence par saturer la colonne du coin Nord-ouest et puis on sature (lignes et les colonnes successivement). i j 1 2 3 4 di 1 100 300 400 2 50 200 250 3 300 200 500 bj 100 350 500 200 Coût de la solution de base par la méthode du coin Nord-ouest : 50*100 60*300 40*50 30*200 80*300 50*200 65000Z euros       Pour trouver la solution optimale, il faut utiliser une autre méthode « L’algorithme du Stepping- Stone », mais vu que cette méthode nécessite beaucoup d’itérations car la solution sur la base de la méthode du coin Nord-Ouest est un peu lourde, c’est pourquoi il est préférable d’utiliser la solution de base à partir de la méthode Ballas Hammer qu’on présente comme suit : 2.2.2.2 La méthode de Ballas Hammer (solution de base) : A partir de la matrice initiale (coûts, besoins, disponibilités) : a- Dans la matrice des Cij, on repère le coût unitaire de chaque ligne et chaque colonne. Ce coût est comparé par différence, au coût immédiatement supérieur de la ligne ou de la colonne. b- On choisit le chemin ayant le coût le plus faible et on l’utilise pour faire transiter le maximum de marchandises (pour saturer colonne ou ligne) et donc la supprimer. c- Les étapes a et b sont répétées autant de fois jusqu’à obtenir une solution de base.
  • 44.
    Gestion de productionFALLOUL Moulay El Mehdi 43 1 2 3 4 di (1) (2) 1 50 60 400 20 400 10 10 2 100 250 30 30 250 10 10 3 100 100 100 200 500 30 20 bi 100 350 500 200 (1) 30 20 20 10 (2) 10 70 30 400*10 250*40 100*20 100*70 100*70 200*50 41000Z euros       D’emblée cette méthode permet d’obtenir un coût inférieur 41000<65000 2.2.2.3 Recherche d’une solution optimale par l’algorithme de Stepping-stone : Dans cette méthode, on est conduit à évaluer pour chaque trajet (i, j) non utilisé, la variation du coût total en faisant passer une unité par ce trajet et en procédant aux ajustements nécessaires, Soit ∆ij variation (un coût marginal). Si le ∆ij est <=0, alors on réduira le coût total en passant par ce trajet. ( , ) ' '(i', j') ci"j"(i", j") ci"'j"'(i"', j"')i j cij i j ci j      (Formant ainsi un cycle) Reprenant (la matrice des coûts et la solution de base obtenue par la méthode Ballas Hammer) : i j 1 2 3 4 1 50 60 10 20 2 100 40 30 30 3 20 70 80 50 i j 1 2 3 4 1 400 2 250 3 100 100 100 200
  • 45.
    Gestion de productionFALLOUL Moulay El Mehdi 44 Trajet non utilisé (i, j) Chaines d’échange Coût marginal ∆ij (1,1) (1,1), (1,3), (3,3), (3,1) =50-10+80-20=100 (1,2) (1,2), (1,3), (3,3), (3,2) =60-10+80-70=60 (1,4) (1,4), (1,3), (3,3), (3,4) =20-10+80-50=40 (2,1) (2,1), (2,2), (3,2), (3,1) =100-40+70-20=110 (2,3) (2,3), (2,2), (3,2), (3,3) =30-40+70-80=-20 (2,4) (2,4), (2,2), (3,2), (3,4) =30-40+70-50=10 On retiendra la chaine d’échanges utilisant (2,3) i j 1 2 3 4 1 400 2 150 100 3 100 200 200 Le nouveau coût devient : 41000 (100*20) 39000  . En effet le coût optimal est de 39000 euros. 10*400 40*150 30*100 20*100 70*200 50*200 39000Z euros       2.3 Organisation des tournées La planification des tournées de livraison peut s’effectuer suivant deux techniques ; la tournée fixe et la tournée variable. 2.3.1 La tournée fixe : La tournée fixe comme son nom l’indique consiste à fixer des tournées, à partir de données établies au préalable, et pour une période donnée (semaine, mois…). Ce principe est simple mais présente plusieurs inconvénients notamment : • il ne garantit pas le remplissage optimal des véhicules ; • il fige le planning de tournées de livraison donc n’optimise pas l’organisation en termes de client à livrer et de distance minimum à parcourir.
  • 46.
    Gestion de productionFALLOUL Moulay El Mehdi 45 2.3.2 La tournée variable Le principe de la tournée variable consiste à fixer chaque jour les tournées en fonction de la demande (quantité à livrer, localisation des clients) et des véhicules disponibles. On engage ainsi un nombre variable de véhicules lesquels parcourent un circuit variable, en fonction du tonnage à distribuer et de la localisation des clients à livrer. Ce problème peut être résolu à l’aide de logiciels d’optimisation utilisant l’algorithme de Kruscal. 2.3.2.1 L’algorithme de Kruscal Cette méthode fournit une approche d’une solution mais pas nécessairement la meilleure. Son objectif vise à minimiser la distance à parcourir ou la durée de chaque tournée. Elle repose sur la notion simple de gain ou d’écartement défini comme suit : Application : Soit un dépôt O et deux clients A et B. On veut trouver le plus court chemin permettant de livrer A et B à partir de O. Deux solutions s’offrent à nous : (1) Approvisionner A, retouµ (2) rner au dépôt, puis livrer B et revenir en O. (3) Approvisionner A puis B au cours de la même tournée.
  • 47.
    Gestion de productionFALLOUL Moulay El Mehdi 46 Les distances parcourues s’écrivent alors : D1 = 2 d(O,A) + 2 d(O,B) D2 = d(O,A) + d(A,B) + d(O,B) On appelle gain ou écartement du couple de points A, B par rapport au centre O, la différence entre ces deux solutions c’est-à-dire en termes de quantités :        , 1 – 2 , , – ,G A B D D d O A d O B d A B   G (A,B) représente donc le gain obtenu en intégrant ces deux points dans une même tournée. Pour une localisation donnée du dépôt, minimiser la longueur de la tournée revient à maximiser la somme des écartements. Procédure de la méthode : 1) Calculer les écartements de tous les couples de points par rapport au centre ; 2) Les classer par importance décroissante ; 3) Sélectionner chaque couple de la liste ; abandonner ceux formant une boucle ou une fourche avec ceux précédemment sélectionner (on s’interdit de passer plusieurs fois en chaque point) ; 4) Arrêter la procédure en fonction des contraintes de tonnage, de temps… 5) Joindre le centre à ces deux extrémités. Application : Une entreprise P doit livrer cinq clients A, B, C, D, E à partir de son dépôt O avec un véhicule de 10 tonnes. L’objectif est de composer une tournée de livraison dans le but de parcourir la plus petite distance.
  • 48.
    Gestion de productionFALLOUL Moulay El Mehdi 47 Tonnage à livrer Dépôt O D A B C E A 2.0 23 15 - 32 38 17 B 0.8 15 19 - 28 25 C 0.2 18 35 - 38 D 1.3 24 - 20 E 1.0 33 - Chemin (i, j) Ecartement ou gain obtenu G(A,B) d(O,A) d(O,B) – d(A,B)=6 G(A,C) d(O,A) d(O,C) – d(A,C)=3 G(A,D) d(O,A) d(O,D) – d(A,D)=32 G(A,E) d(O,A) d(O,E) – d(A,E)=39 G(B,C) d(O,C) d(B,C) – d(A,B)=5 G(B,D) d(O,A) d(O,B) – d(A,B)=20 G(B,E) d(O,A) d(O,B) – d(A,B)=23 G(C,D) d(O,A) d(O,B) – d(A,B)=7 G(C,E) d(O,A) d(O,B) – d(A,B)=13 G(D,E) d(O,A) d(O,B) – d(A,B)= 37 Ensuite, on classe les gains des couples par ordre décroissant : G(A,E); (D,E); (A,D); (B,E); (B,D); (C,E); (C,D); (B,C); (A,C) On trace alors la tournée en sélectionnant chaque couple les uns après les autres sans considérer les clients déjà intégrés et en évitant de former des boucles dans la tournée ce qui donne : [A,E]; [D,E]; pas [A,D] (car cela formerait une boucle); pas [B,E]; [B,D]; pas [C,E]; pas [C,D]; [B,C] puis on joint le dépôt O. On vérifie que la somme des tonnages livrés ne dépasse pas la charge utile du véhicule (5,3 tonnes) et l’on calcule la longueur de la tournée (125 km).
  • 49.
    Gestion de productionFALLOUL Moulay El Mehdi 48 2.4 Files d’attente Une file d’attente peut se former : - au quai de déchargement d’une entreprise (camions) ; - au guichet du magasin de pièces détachées d’un garage ; - au poste de péage d’une autoroute (usagers) ; - au service d’expédition d’une société de vente par correspondance (colis) ; -etc. Une file d’attente excessive révèle des insuffisances organisationnelles, Elle génère un coût parfois élevé pour les entreprises. Sa réduction passe par une analyse du mécanisme de sa formation qu’il faut modéliser. Nous allons présenter dans ce qui suit les modèles de file d’attente basé sur la loi de Poisson et la loi exponentielle. Données du modèle : -Arrivées : nous considérons le cas où elles sont isolées (non regroupées) et aléatoires, le nombre d’arrivées par unités de temps suit une loi de Poisson. -Services : nous considérons la règle de la première arrivée première servi, ou il n y’a qu’un serveur, les durées de service supposées aléatoires, le temps consacré à chaque individu servi suivant une loi exponentielle. -File d’attente : elle se forme et se résorbe du seul fait du caractère aléatoire des arrivées et des services.
  • 50.
    Gestion de productionFALLOUL Moulay El Mehdi 49 2.4.1 Construction du modèle : Etude des arrivées : Il s’agit de s’assurer qu’elles suivent bien une loi de Poisson de paramètre  à déterminer. La vérification de cette hypothèse se fera en examinant la distribution d’un grand nombre d’arrivée. Exemple : Arrivée des ouvriers au guichet unique du magasin de pièces détachées d’un grand garage parisien : Observations faites sur des intervalles de 5 minutes : Nombre (Ci) de tranches 0 1 2 3 4 5 >=6 Nombre d’arrivées par tranche de 5 min (Xi) 2 32 26 14 6 2 0 Fréquences (pi) 0.2 0.32 0.26 0.14 0.06 0.02 0 CiPi 0 0.32 0.52 0.42 0.24 0.1 0 Ci2 Pi 0 0.32 2.08 3.78 3.84 2.5 0 Vérifiant si cette distribution de la variable X (nombre d’arrivées par tranche) suit approximativement une loi Poisson de paramètre  : ( )X P  ( ) ! k P X k e k     Avec E(X) ( )V X  
  • 51.
    Gestion de productionFALLOUL Moulay El Mehdi 50 E(X) 1.6 i CiPi  2 ( ) ( ) 4.08 2.56 1.52 i V X Ci Pi E X     La moyenne et la variance de cette distribution sont voisines. La probabilité d’avoir k arrivées dans un intervalle de 5 minutes, est donc proche de : 1.6 1.6 ( ) ! k P X k e k    Le paramètre  de cette loi, nombre moyen d’arrivées par intervalle de 5 minutes, est appelé taux d’arrivée (par tranches de 5 minutes) :  =1.6 Etude des temps de service : Il s’agit de s’assurer que le temps de service suit une loi exponentielle de paramètre  à déterminer. La vérification de cette hypothèse se fera en examinant la distribution d’un grand nombre de temps de service. Exemple : Temps de service des ouvriers au guichet de pièces détachées du même garage : Observations faites sur 100 ouvriers servis, aucun temps de service n’ayant dépassé 12 minutes : 0,2 0,32 0,26 0,14 0,06 0,02 0 0 1 2 3 4 5 6 FRÉQUENCES DES ARRIVÉES (PI)
  • 52.
    Gestion de productionFALLOUL Moulay El Mehdi 51 Vérifiant si cette distribution de la variable X (temps service) suit approximativement une loi Exponentielle de paramètre α : ( )X E  ( ) X f X e     fonction de densité 1 ( ) (X)E X     E(X) 2.51 i CiPi  2 ( ) ( ) 11.86 6.30 2.36 1 0.4 2.5 i X Ci Pi E X          La moyenne et l’écart type de cette distribution sont voisins. La probabilité d’avoir un temps de service inférieur ou égale à x est donc proche de : 0.4 ( ) 1 x P X x e    0 0,05 0,1 0,15 0,2 0,25 0,3 0,35 0-1 1-2 2-3 3-4 4-5 5-6 6-7 7-8 8-12 Fréquences relatives du nombre de services(Pi)
  • 53.
    Gestion de productionFALLOUL Moulay El Mehdi 52  : est le nombre moyen de service effectué par minute ou (taux de service par minute). Pour le comparer au taux d’arrivée  , ce temps de service doit être exprimé en même unité de temps (intervalle de 5 minutes en l’occurrence) : Le taux de service  par tranche de 5 minutes est : 5 5*0.4 2    2.4.2 Caractéristiques du système d’attente : Elles découlent du caractère poissonien des arrivées et du caractère exponentielle des services. Intensité du trafic ( ) : 'taux d arrivée taux de service         Si :  <1 : c’est-à-dire (  ), alors il n’y aura pas d’engorgement du système Si :  >1 : c’est-à-dire (( )  ), alors il n’aura pas d’engorgement du système En l’occurrence 1.6 0.8 2    , il n y a pas donc d’engorgement de système. Nombre N d’individus dans le système à un instant t : N est une variable aléatoire dont on démontre que la loi de probabilité est : ( ) (1 )n P N n     Cette loi nous permet d’occupation dans le système : - Probabilité que le système soit inutilisé : ( 0) (1 0.8) 0.2P N     Le système est inutilisé, et le guichetier inoccupé, 20% du temps. Il est donc occupé durant 80 % du temps avec ( 0) 0.8P N    - Probabilité qu’il y a un seul individu dans le système : ( 1) (1 ) 0.8*0.2 0.16(16% )P N du temps     
  • 54.
    Gestion de productionFALLOUL Moulay El Mehdi 53 - Probabilité qu’il se forme une file d’attente : ( 1) 1 ( 0) ( 1) 1 0.16 0.64P N P N P N         En effet, pour qu’il y ait une file d’attente, il faut qu’il y ait au moins 2 individus dans le système, l’un en cours de service et l’autre dans la file. Ce sera le cas 64% du temps. Nombre moyen d’individus dans le système : C’est ( )sn E N , c’est-à-dire : 0 1 . ( ) . ( ) n n n P N n n P N n         On démontre que : 1 sn     On peut en déduire le temps moyen passé dans le système par chaque individu : s s n t   En l’occurrence 0.8 4 1 1 0.8 sn        (4 ouvriers) 4 2.5 1.6 s s n t     (2.5 tranches de 5 minutes soit 12.5 minutes) Nombre moyen d’individus dans la file d’attente : Lorsqu’il y a n individus dans le système (n>0), n-1 sont dans la file d’attente et 1 est en cours de service ; le nombre moyen d’individus en attente est donc : 1 ( 1). ( )f n n n P N n      . On démontre que : 2 1 f sn n         : C’est le nombre moyen d’individus en cours de service sn : C’est le nombre moyen d’individus dans le système. On peut en déduire le temps moyen passé par chaque individu dans la file d’attente :
  • 55.
    Gestion de productionFALLOUL Moulay El Mehdi 54 f f n t   , (en nombre d’intervalles de temps retenus pour exprimer  ) C’est aussi le temps moyen passé dans le système diminué du temps moyen à être servi : 1 f st t    2.4.3 Informations complémentaires : -Taux de facturation moyen des heures à la clientèle du garage : 50 euros - La direction du garage souhaite une évaluation approximative du coût des heures perdues dans la file d’attente pour une journée de 8 heures (soit 96 tranches de 5 minutes). 4 0.8 3.2fn ouvriers   3.2 2 1.6 ft   tranches de 5 minutes soit 10 minutes Ou 12.5 2.5 10ft    minutes Si l’on considère que le temps passé à être servi est un temps de travail effectif et facturable. Seul le tempe passé dans la file d’attente génère un manque à gagner pour le garage : Nombre d’arrivée au guichet : 96 *1.6 = 153.6 Temps perdu : 153.6*10=1536 min soit 25.60 Coût des heures perdues : 25.60*50=1280 Une évaluation plus sérieuse de ce coût serait nécessaire pour supposer une augmentation du nombre des serveurs (le calcul précédent suppose entre autres que toutes les heures de présence sont facturables).
  • 56.
    Gestion de productionFALLOUL Moulay El Mehdi 55 Chapitre 3 : Planification de la production Les lois actuelles de l’économie imposent à tout dirigeant d’entreprise de prévoir ses activités afin d’optimiser sa politique d’investissement, de fabrication, de vente… Dans toute entreprise, il existe donc au moins un planning permettant de matérialiser ces prévisions. La planification industrielle est un processus qui consiste à élaborer et à réviser un ensemble de plans interdépendants (ventes, fabrication, achats, trésorerie…) et qui doit permettre de garantir le meilleur équilibre possible entre l’offre et la demande en tout point de la chaîne logistique à tout moment. Demande (besoins du marché) Offre (ressources entreprise) -Commandes fermes -Prévisions de vente (marketing) -Promesses de vente (vente) -Nouveaux produits (responsables de projet) -Objectifs d’inventaire commerciaux -Stocks : produits finis, semi-finis, matières premières, composants -Main d’œuvre -Moyens de production -Fournisseurs -Finances (BFR, trésorerie) Remarque : toutes les copies d'écran de GPAO sont issues du didacticiel Prélude Production 4 édité et commercialisé par le CIPE La méthode la plus utilisé dans la planification de production est dire MRP (Material Requierement Planning) déclinée en 3 sous plans : le plan industriel et commercial (PIC), le programme directeur de production (PDP), et le calcul de besoins en composants. 3.1 La méthode Material Requirement Planning 3.1.1 Principe MRP Le concept M.R.P. est né de la mise en évidence par Joseph Orlicky des deux types fondamentaux de besoins.
  • 57.
    Gestion de productionFALLOUL Moulay El Mehdi 56 Les besoins indépendants : ils forment la frontière entre l’entreprise et le monde extérieur, ils sont principalement constitués par les commandes en produits finis et pièces de rechanges. Ils ne peuvent être que estimés ou prévus. Les besoins dépendants : ils sont générés par les besoins indépendants, ils sont le résultat du calcul par la décomposition des produits finis en sous-ensembles, pièces, matières. Ce calcul des besoins dépendants est le moteur des systèmes M.R.P., ces besoins peuvent et doivent être calculés. 3.1.2Organigramme M.R.P.
  • 58.
    Gestion de productionFALLOUL Moulay El Mehdi 57 3.2 Le plan industriel et commercial (PIC) (Manufacturing and Sales Plan) : Conjointement établi par la direction générale, la direction de la production et la direction commerciale à partir du carnet de commandes et des prévisions commerciales. Le PIC a pour objectif d’adapter les ressources (main d'œuvre et niveau de stocks) aux besoins de production pour satisfaire la demande en termes de quantité. Le PIC est le résultat d’un compromis entre les prévisions et souhaits du service commercial et les contraintes et les capacités du service de production. La direction générale devra arbitrer en tenant en compte certains éléments tels que la capacité financière de la firme, la politique en termes de délais, la possibilité de sous-traitance, les ressources humaines etc. Application : Le tableau qui suit donne un exemple de PIC pour une famille de produits (en make-to-stock) avec un objectif de stock constant ; les données du problème sont représentées en grisé. On vous demande de déterminer ; le stock réel (n), la production prévisionnelle (n), la production réelle (n) : M-3 M-2 M-1 M1 M2 M3 M4 M5 M6 Ventes Prévisionnelles 1800 1800 1800 1800 1800 1800 1800 1800 1800 Réelles 1690 1805 1980 Ecart 110 -5 -180 Ecart Cumulé 110 105 -75 Production Prévisionnelle 1620 1420 1820 2166 1700 1700 1800 1800 1800 Réelle 1790 1305 1534 Ecart -170 115 286 Ecart Cumulé -170 -55 231 Stock Prévisionnels 2000 1900 1800 1700 1600 1500 1500 1500 1500 Réels 2180 2280 1780 1334 Ecart -280 120 466 Ecart Cumulé -280 -160 586 Relations entre les diverses grandeurs 1 Prn n n nStock Stock oduction Ventes   1Pr n n n noductionprév Ventesprévis Stockprévis Stockréel   
  • 59.
    Gestion de productionFALLOUL Moulay El Mehdi 58 1Pr n n n noduction Ventes Stock Stock    Le PIC est un premier outil permettant à l'entreprise de planifier ses capacités de production. La production prévisionnelle est convertie en heures de travail dans le but de vérifier l'adéquation entre la charge et la capacité globales par atelier et pour toutes les familles de produits. Supposons que l'entreprise ait défini quatre familles de produits à fabriquer, séquentiellement, dans un atelier d'usinage puis dans un atelier d'assemblage. Les PICs des quatre familles sont donnés dans le tableau suivant : Mois M1 M2 M3 M4 M5 M6 Famille A 2160 1800 1800 2400 1600 1600 Famille B 520 500 490 520 500 500 Famille C 980 840 1200 1000 1000 1000 Famille D 140 120 140 100 150 100 La charge correspondant aux différentes familles se présente dans le tableau suivant : Famille A Famille B Famille C Famille D Usinage(en h/u) 1 0.5 1 2 Assemblage (en h/u) 0.5 0.5 0.5 1 Après calcul on obtient le tableau suivant Mois M1 M2 M3 M4 M5 M6 Charge en usinage 3680 3130 3525 3860 3150 3050 Capacité en usinage 4000 4000 3000 4000 4000 4000 Charge en assemblage 1970 1690 1885 2060 1700 1560
  • 60.
    Gestion de productionFALLOUL Moulay El Mehdi 59 Capacité en assemblage 1800 1800 1800 1350 1800 1800 Les données de la charge réelle sont représentées en grisé. Donc nous nous présentons dans une situation de sous charge en usinage et de surcharge en assemblage. Remarque :  Charge : Quantité de travail que doit fournir une unité de production pendant une période déterminée.  Capacité : Quantité de travail que peut fournir une unité de production pendant une période déterminée.  Les capacités de la production s’obtiennent d’un calcul spécifique à la production de chaque famille de produit.  En cas de surcharge, on peut utiliser les moyens suivants : - recours aux heures supplémentaires - mutation de personnel depuis les ateliers en sous-charge - recours à la sous-traitance - recours au personnel intérimaire - embauche - investissement en ressources de production supplémentaires  En cas de sous-charge, on a le choix entre : - suppression des heures supplémentaires - chômage technique - rapatriement de la sous-traitance - suppression du travail intérimaire - licenciements. Le schéma suivant résume les différentes stratégies de la gestion de la capacité de l’entreprise. En effet, plusieurs solutions existent selon le type de produit et de processus mis en œuvre :
  • 61.
    Gestion de productionFALLOUL Moulay El Mehdi 60 Application : Une firme fabrique des pièces mécaniques. On veut planifier la production de ce produit pour les 6 prochains mois. La demande mensuelle prévue, exprimée en heures de production requises (mesure agrégée), est la suivante : Mois 1 2 3 4 5 6 Demande (en heures 30 30 120 90 60 30 Le tableau suivant présente les données relatives au contexte de production de l’entreprise.
  • 62.
    Gestion de productionFALLOUL Moulay El Mehdi 61 Coût de production (temps régulier) 200 kdh/heure Coût de production (temps supplémentaire) 300 kdh/heure Coût de recrutement 120 kdh/heure Coût de licenciement 70 kdh/heure Coût de stockage 40 kdh/heure/mois sur stock final Stock initial 30 heures Stock final désiré 0 heures Main d’œuvre initial (capacité) 30 heures On veut trouver un plan global de production qui va permettre de rencontrer la demande à coût minimum. Pour ce faire, on envisage trois stratégies spécifiques : 1. utiliser un taux constant de production sans rupture de stock ; 2. recruter et licencier de façon à suivre la demande ; 3. utiliser un taux constant de production de 30 heures/période et combler avec du temps supplémentaire au besoin. Plan 1 : Production à taux constant sans rupture de stock :
  • 63.
    Gestion de productionFALLOUL Moulay El Mehdi 62 Plan 2 : Production suivant la demande : 0 50 100 150 200 250 300 350 400 450 1 2 3 4 5 6 7 Production cumulée et demandecumulée (Plan1) Demande cumulée Production cumulée
  • 64.
    Gestion de productionFALLOUL Moulay El Mehdi 63 Plan 3 : Production constante avec temps supplémentaire 0 50 100 150 200 250 300 350 400 1 2 3 4 5 6 7 Production cumulée et demande cumulée (Plan2) Demande cumulée Production cumulée
  • 65.
    Gestion de productionFALLOUL Moulay El Mehdi 64 3.3 Le Plan Directeur de Production (PDP) (Master Production Schedule - MPS) : Il prend en compte les prévisions, le PIC, le portefeuille des commandes, les disponibilités des matières et ressources, les objectifs du management, pour fixer le cadre de référence de la Production sur une période donnée. Application : Supposons que le plan global (PIC) prévoyait une production de 2960 unités équivalentes pour le mois de mars. Ce plan global agrégeait l'information pour 4 produits (XA, XB, XC, et XD) où 1’unité de chaque produit équivaut à une unité équivalente. Une famille X : composé de 4 produits XA, XB, XC, XD Proportion des produits dans la famille X XA représente 7.7% XB représente 16.9% XC représente 35.6% XD représente 39.8% La demande désagrégée prévue en mois de mars 230 unités de XA 500 unités de XB 1050 unités de XC 1180 unités de XD Capacité de production 1120 unités /semaine (4 semaines disponibles en mois de Mars) Stock Aucun stock n’est disponible pour les différents produits - Un plan directeur réalisable pourrait être : Semaine 1 fabriquer 70 unités de XA, 200 unités de XB, 250 unités de XC et 250 unités de XD Semaine 2 fabriquer 70 unités de XA, 50 unités de XB puis 3250 unités de XD Semaine 3 fabriquer 20 unités de XA, 50 unités de XB, 350 unités de XC puis 205 unités de XD Semaine 4 fabriquer 70 unités de XA, 150 unités de XB, 500 unités de XC puis 400 unités de XD
  • 66.
    Gestion de productionFALLOUL Moulay El Mehdi 65 Objectif : •Comme lors de l'élaboration du plan global, il faut calculer les différents coûts associés à un plan lorsque ces coûts existent et tenter de trouver le plan à coût minimum. Plan directeur de la Famille du produit X Application : On vous demande de déterminer ; le stock prévisionnel et le disponible à la vente dans le programme directeur de production à la réception à partir des données suivantes. 3940 3015 2960 3225 4378 4789 5670 5067 6789 5890 4987 4230 0 1000 2000 3000 4000 5000 6000 7000 8000 Prodution Programme directeur de production (PDP) déduit d'un plan industriel et commercial(PIC) Janvier Fevrier Mars Avril Mai Juin Juillet Août Septembre Octobre Novembre Décembre
  • 67.
    Gestion de productionFALLOUL Moulay El Mehdi 66 Méthode de calcul du stock prévisionnel T=1 Stock prévisionnel = 100 – Max {45, 35} = 55 T=2 Stock prévisionnel = 55 – Max {40, 10} = 15 < Ss (20), donc proposition d’un ordre de fabrication (OF de 50) T=2 Stock prévisionnel devient : 55 + PDP – Max {40, 10} = 65 T=3 Stock prévisionnel = 65 – Max {40, 5} = 25 T=4 Stock prévisionnel = 25 + PDP (4) – Max{30, 7} = 45 T=5 Stock prévisionnel = 45 – 25 = 20 T=6 Stock prévisionnel = 20 + PDP (6) – 30 = 40 Méthode de calcul du disponible à la vente Le disponible à la vente (DAV) correspond à la quantité du PDP couvrant une période donnée (entre deux lots de PDP) – la somme des commandes de cette période. Durant la première période du PDP, le calcul du disponible à la vente prend en compte le stock physique initial. T=1 Disponible à la vente = 100 – 35 = 65 T=2 Disponible à la vente = 50 – Cdes (T=2) et (T=3) = 35 T=4 Disponible à la vente = PDP – Cde (T=4) – Cde (T=5) = 43 T=6 Disponible à la vente = PDP – Cde (T=6) – Cde (T=6) = 50
  • 68.
    Gestion de productionFALLOUL Moulay El Mehdi 67 3.4 Calcul des besoins en composants Le calcul des besoins repose sur une décomposition arborescente du produit. Cette décomposition est effectuée suivant l’ordre retenu pour la fabrication et l’assemblage du produit. À partir des nomenclatures et des PDP de chaque produit, on calcule les besoins dépendants de chaque élément, sous-ensemble, matière première à acheter ou à fabriquer. L’horizon de planification tient compte des délais d’achat et de fabrication des éléments à fabriquer. Couramment, sur un horizon de un à trois mois, ils sont révisés toutes les semaines, parfois tous les jours. Au niveau du calcul des besoins, on évalue les charges détaillées générées par les ordres de fabrication, qu’ils soient planifiés ou lancés. C’est le cœur des systèmes M.R.P., ce calcul permettra de ne relancer que la quantité nécessaire pour respecter le PDP, il doit être fait niveau par niveau dans la nomenclature, ce qui explique qu’on l’appelle souvent « éclatement des nomenclatures ». Ce calcul nécessite l’exploitation de la base de données technique dont la « justesse » est indispensable. 3.4.1 Données techniques Articles On appelle Article tout produit pris en compte individuellement par le système de gestion, c’est un produit stocké à une phase au moins du procédé de fabrication. Chaque article est identifié par sa référence (code), sa catégorie (fabriqué, acheté, sous-traité, matière première, fantôme, famille, ressource...) et toutes les informations utiles pour sa gestion.
  • 69.
    Gestion de productionFALLOUL Moulay El Mehdi 68 Nomenclatures Souvent différentes des nomenclatures de bureau d’études, elles sont les images du procédé de fabrication des produits finis. Arborescentes, elles possèdent plusieurs niveaux, définissent les liens composés - composants. Les nomenclatures doivent être complètes, justes en respectant le processus de fabrication. Une seule erreur dans la nomenclature donne une nomenclature inexacte. La fiabilité des nomenclatures doit être la plus proche possible de 100%.
  • 70.
    Gestion de productionFALLOUL Moulay El Mehdi 69 Gammes Établies par le bureau des méthodes, les gammes décrivent les séquences des opérations à réaliser pour la fabrication ou l’assemblage d’un composé, d’un sous ensemble ou ensemble fini. Chaque gamme est identifiée par un code (souvent celui de l’article) et définit le poste de charges utilisé, le temps de préparation et le temps d’exécution (machine et main d’œuvre). La fiabilité des gammes (au niveau des temps en particulier doit être de l’ordre d’au moins 95%). Postes de charges C’est l’unité de décomposition d’un atelier la plus précise pour les besoins de l’ordonnancement et de l’imputation des coûts. Un poste de charge peut être composé: * D’une ou plusieurs machines. * D’une ou plusieurs personnes.
  • 71.
    Gestion de productionFALLOUL Moulay El Mehdi 70 * D’une combinaison personnes - machines Il est caractérisé par un code, une capacité (nb. d’hommes, de machines, capacité de production) ainsi que par des coûts horaires et des outillages associés. Souvent on considère que le poste de charge est l’unité capable de transformer un article en un autre article. La qualité des informations Le risque d’erreurs est grand ! Dans un système non informatisé, l’homme fait des erreurs mais il se méfie, par contre, quand on reçoit une information de l’ordinateur on ne se méfie pas: on croit que l’ordinateur a raison. La qualité des données introduites par les utilisateurs eux-mêmes est la principale condition de réussite d’un système de GPAO. Formule du calcul : BN = ( BB - ( SPH + ECF + ECC ) + Ss ) / ( 1 - r ) Avec: BN : Besoins Nets BB : Besoins Bruts (Donnés par le P.D.P.) SPH : Stock physique ECF : En-cours de fabrication ECC : En-cours de commande Ss : Stock de sécurité r : Facteur de rebut proportionnel gamme (on introduira ultérieurement la notion de rebut nomenclature).
  • 72.
    Gestion de productionFALLOUL Moulay El Mehdi 71 On définit alors l’ordre de fabrication (O.F.) ou l’ordre d’achat (O.A.) en fonction de la technique de lotissement choisie (paramètres de gestion): Techniques de lotissement Lot pour lot La plus simple des techniques, elle consiste à lancer un lot (O.F.) égal au besoin net (objectif à atteindre pour minimiser les coûts, stocks et délais). Besoin quotidien Technique du lot par lot défini à partir des besoins nets regroupés sur une journée, mais prenant en compte une quantité minimum (série économique) et respectant les contraintes de conditionnement ou de fournisseur (quantité rationnelle ou quantité multiple). O.F. = BN si BN >=Série économique (q*) (Appelée aussi lot économique, quantité ou lot minimum) O.F. = q* si q* >= BN De même il est fréquent d’avoir une contrainte d’unité de conditionnement (yaourts conditionnés par 8, vis vendues au kg...), appelée quantité rationnelle (qr), auquel cas OF= k*qr avec k entier. On pourra également regrouper les besoins sur une couverture de plusieurs jours. (Semaine, mois) Nomenclatures de gestion de production Les nomenclatures de gestion de production diffèrent de celles du bureau d’étude car elles font apparaître les différentes étapes du procédé de fabrication, chaque composant stocké doit apparaître en tant qu’article dans la nomenclature, qui établit les liens inter articles, ceux - ci pouvant être achetés, fabriqués ou donnés en sous-traitance. Reprenons l’exemple de la lave linge :
  • 73.
    Gestion de productionFALLOUL Moulay El Mehdi 72 Nomenclature de gestion de production :
  • 74.
    Gestion de productionFALLOUL Moulay El Mehdi 73 Soit à calculer les besoins en composants pour un programme commercial de 100 lave linges de type « K33 », sachant que : Stocks disponibles : facteur de rebut : K33 : 20 0 Caisse 20 5% Hublot 10 0 Bouton 50 1% Flan peint 20 0 Flan brut 10 10% Peinture 5 litres 0 PVC 0.5 kg 0 Tôle 20 m² 0 TABLEAU DETAILLANT LE CALCUL DES BESOINS NETS : On commence par le niveau 0 de la nomenclature, la commande reçue est le besoin brut en produit fini, il suffit de retrancher les stocks pour déterminer le besoin net s'il n'y a pas de rebut : Niveau K33 Caisse Hublot Bouton Flan peint PVC Flan brut Peinture Tôle 0 bb 100 sph 20 r 0 BN 80 1 bb sph r BN On passe au niveau 1, les besoins nets du niveau 0 multipliés par les coefficients de liens de nomenclature donnent les besoins bruts de niveau 1: Niveau K33 Caisse Hublot Bouton Flan peint PVC Flan brut Peinture Tôle 0 bb 100 sph 20 r 0 BN 80 1 bb 80 80 240 sph r BN
  • 75.
    Gestion de productionFALLOUL Moulay El Mehdi 74 On calcule alors les besoins nets du niveau 1: ex pour les caisses, on soustrait les stocks et on divise par 1-r (attention à ne pas multiplier par 1+r car sur les pièces produites en plus le taux de rebut s'applique également), d'où (80-20)/(1-0.05)=63.16, on prendra bien sûr, l'arrondi supérieur. Niveau K33 Caisse Hublot Bouton Flan peint PVC Flan brut Peinture Tôle 0 bb 100 sph 20 r 0 BN 80 1 bb 80 80 240 sph 20 10 50 r 0.05 0 0.01 BN 64 70 192 On passe ainsi au niveaux suivants pour obtenir: Niveau K33 Caisse Hublot Bouton Flan peint PVC Flan brut Peinture Tôle 0 bb 100 sph 20 r 0 BN 80 1 bb 80 80 240 sph 20 70 50 r 0.05 0 0.01 BN 64 10 192 2 bb 128 384g sph 20 384g r 0 0 BN 108 0 3 bb 108 16.2l sph 10 5l r 0.1 0 BN 109 11.2l 4 bb 87.2m² sph 20m² r 0 BN 67.2m² Total 80 64 10 192 108 384g 109 11.2l 67.2m² stock résiduel 0 0 0 0 0 116g 0 0 0 Bien entendu dans cet exemple, nous avons négligé des paramètres importants, est-il possible d'acheter 67.2m² de tôle ?, est-il raisonnable de régler une presse pendant 2h pour produire 109 flancs (moins de 4 minutes de production !).
  • 76.
    Gestion de productionFALLOUL Moulay El Mehdi 75 Influence d'une réimplantation sur la base de données technique : Imaginons que l'entreprise décide d'implanter un poste de peinture dans l'atelier des presses pour éviter une opération de stockage, les flans seront alors peints directement à la sortie de la presse, on obtient une nouvelle nomenclature : On remarque aussi bien sûr que si la nomenclature se simplifie, la gamme du flan peint se complique. Prise en compte des paramètres de gestion Nous allons introduire la prise en compte des séries économiques et des quantités rationnelles, dans le cas ci-dessus:
  • 77.
    Gestion de productionFALLOUL Moulay El Mehdi 76 On a déterminé les paramètres ci dessous: Stocks disponibles : facteur de rebut : quantité q*: quantité qr: K33 : 20 0 10 0 Caisse 20 5% 120 0 Hublot 10 0 0 50 (conteneur) Bouton 50 1% 2000 0 Flan peint 30 0 500 0 Peinture 5 litres 0 0 5 l (pot) PVC 2.5 kg 0 0 10kg (sac) Tôle 20 m² 0 0 6 m² (plaque) Reprenons le calcul des besoins nets, mais cette fois on définit l'ordre de fabrication (OF) ou un ordre d'achat (OA) en tenant compte de tous les paramètres. Niveau K33 Caisse Hublot Bouton Flan peint PVC Peinture Tôle 0 bb 100 sph 20 r 0 BN 80 q* 10 qr 0 OF 80 1 bb 80 80 240 sph 20 10 50 r 0.05 0 0.01 BN 64 70 192 q* 120 0 2000 qr 0 50 0 OF ou OA 120 100 2000 2 bb 240 4000 g sph 30 2500 g r 0 0 BN 210 1500 g q* 500 0 qr 0 10000 g OF ou OA 500 10000 g 3 bb 75 l 400 m² sph 5 l 20 m² r 0 0 BN 70 l 380 m² q* 0 0 qr 5 l 6 m² OF ou OA 70 l 384 m² récapitulatif 80 120 100 2000 500 10000 g 70 l 384 m² stock résiduel 0 56 30 1818 290 8500 g 0 4 m²
  • 78.
    Gestion de productionFALLOUL Moulay El Mehdi 77 Article fantôme Pour des commodités de gestion, on peut être amené à créer dans une nomenclature, un article "virtuel" ou "fictif" ou encore plus communément appelé "fantôme" pouvant ne pas avoir d'existence physique, (donc n'existant pas en stock contrairement à la définition d'un article "normal") ceci dans le but de simplifier la gestion ou de rendre une nomenclature plus lisible. Dans l'exemple des lave-linges on peut imaginer que les 4 références K21, K33, K45 et K58 partagent le même entraînement (moteur, poulies, courroie...), plutôt que de définir ces éléments dans chaque nomenclature comme ci-dessous:
  • 79.
    Gestion de productionFALLOUL Moulay El Mehdi 78 Il est beaucoup plus simple de créer un article fantôme contenant tous les éléments communs que nous appelerons ici "kit", il suffira alors de créer la nomenclature de "Kit" et d'insérer l'article "Kit" dans chaque modèle de lave-linge :
  • 80.
    Gestion de productionFALLOUL Moulay El Mehdi 79 de même pour K45 et K58. Vous pouvez aisément imaginer la facilité avec laquelle on va pouvoir gérer des modifications au niveau de l'entraînement, exemple, on modifie la référence de la poulie motrice, au lieu de modifier les 4 nomenclatures des machines à laver, il suffit de modifier la nomenclature de "Kit" !
  • 81.
    Gestion de productionFALLOUL Moulay El Mehdi 80 Chapitre 4 : Gestion des approvisionnements et des stocks La fonction production consiste à produire, en temps voulu, les quantités demandées par les clients dans des conditions de coût de revient et de qualité déterminés en optimisant les ressources de l’entreprise de façon à assurer sa pérennité, sa compétitivité et son développement. 4.1 La classification des stocks Dès que le nombre d’éléments d’une population devient grand, il est difficile de porter la même attention à chacun d’entre eux. Il est facile de penser que tous les éléments d’une population n’ont pas la même importance ; certains éléments importants devront être traités de manière très rigoureuse alors que d’autres pourront l’être normalement, voire simplement. Cela est possible si nous affectons à chaque élément de la population une classe d’importance qui correspond à un type de traitement approprié. 4.1.1 Analyse ABC La méthode ABC est la plus connue des méthodes de classification. Elle est également connue sous le nom de loi 80-20 ou sous le nom de loi de Pareto. Cette méthode permet de déterminer l’importance relative des éléments d’un ensemble dans un contexte donné en les répartissant en trois classes d’importance : • classe A : éléments de forte importance ; • classe B : éléments d’importance normale ; • classe C : éléments de faible importance. Interprétation de la courbe Dans une répartition se représentant par la courbe théorique de Pareto : • 20 % des articles correspondent à 80 % de la valeur du critère ; • les 20 % suivants correspondent à 10 % supplémentaires ; • les 20 % suivants correspondent aux 10 % restants.
  • 82.
    Gestion de productionFALLOUL Moulay El Mehdi 81 Courbe théorique de Pareto Toute courbe de répartition d’importance de notre population étudiée est à interpréter par rapport à trois courbes : • la courbe théorique de Pareto ; • la courbe extrême 1 ; • la courbe extrême 2. Courbe extrême 1 • Un produit correspond à 100 % de la valeur du critère. Courbe extrême 2 • Tous les produits ont la même importance. Limites des courbes de Pareto.
  • 83.
    Gestion de productionFALLOUL Moulay El Mehdi 82 Zones de détermination des classes d’importance. Afin de pouvoir déterminer les classes de répartition des produits, nous déterminons le ratio de discrimination : CB RD AB  RD correspond (intersection entre qui correspond à la valeur lue pour le point d’intersection C sur l’axe des ordonnées) Les bornes de définition des classes des éléments sont fixées de manière arbitraire. Généralement, chaque tranche est un multiple de 10 et la somme est égale à 100. Valeur de RD Zones A B C RD<0.65 5 Non interprétable 0.65<=RD<0.75 4 20 30 50 0.75<=RD<85 3 20 20 60 0.85<=RD<0.9 2 10 20 70 0.9<=RD<1 1 10 10 80
  • 84.
    Gestion de productionFALLOUL Moulay El Mehdi 83 Application n 1 : Étant données les informations suivantes concernant un ensemble de 10 éléments (deux premières colonnes). Produits fréquences Consommation Cumul conso Importance% 2 10 20000 20000 29 6 20 15000 35000 51 7 30 10000 45000 66 9 40 8000 53000 78 3 50 5000 58000 85 4 60 4000 62000 91 1 70 3000 65000 96 8 80 1500 66500 98 10 90 1000 67500 99 5 100 500 68000 100 68000 794 Méthode de calcul de l’indice de Gini : RD = 48mm/71mm =0.76 La courbe se situe dans la zone 4, et correspond à une répartition 20, 30, 50 ce qui nous donne : 2 6 7 9 3 4 1 8 10 5 29 51 66 78 85 91 96 98 99 100 0 10 20 30 40 50 60 70 80 90 100 1 2 3 4 5 6 7 8 9 10 Courbe de Pareto Produits Importance%
  • 85.
    Gestion de productionFALLOUL Moulay El Mehdi 84  Les produits 2 et 5 représentent près de 51 % des ventes. Il faut donc surveiller leur niveau de stock. Eviter d'être en rupture.  Les produits 7 et 10 représentent près de 34% des ventes il faut donc revitaliser les ventes de ces produits.  Les produits restants représentent près de 15 % des ventes, il faut se demander si ces produits ont un intérêt important pour l’entreprise. 4.2 L’approvisionnement Approvisionner, c’est assurer la programmation des besoins de livraison et des stocks dans le cadre de la planification générale de l’entreprise. Définir une politique d’approvisionnement consiste essentiellement à répondre à trois questions : • QUOI (quel produit) faut-il approvisionner ? • QUAND faut-il l’approvisionner ? • COMBIEN faut-il en approvisionner ? Il existe plusieurs modèles d'optimisation de gestion de stocks (Statistique, Wilson, ABC, 20/80...). Parmi ceux-ci, nous avons souhaité nous arrêter sur le "modèle de Wilson" qui est le plus connu (mais pas forcément le plus réaliste...). 4.2.1 Le Modèle de WILSON 4.2.1.1 Modèle de base Ce modèle appelé également "modèle du lot économique", permet de déterminer la fréquence et la quantité optimale de réapprovisionnement pour un magasin, une usine... Elle est couramment employée par les services logistiques de grandes structures. Elle a en fait été introduite dès 1913... Le but est de déterminer la stratégie qu'il faut adopter pour que le total périodique (annuel, mensuel, hebdomadaire, journalier, ...) des commandes ou fabrications de pièces minimise le
  • 86.
    Gestion de productionFALLOUL Moulay El Mehdi 85 total des coûts d'acquisition et de possession de stocks pour l'entreprise. Cette méthode permet d’éviter un sur stockage et sou stockage sous certaines conditions « hypothèses du modèle ». Hypothèses du modèle - L’entreprise ne s’intéresse qu’à un seul produit à la fois - Le prix du produit sera considéré comme constant et indépendant du volume des commandes - La demande de ce produit est certaine - La demande du produit est distribuée de façon uniforme sur toute la période [droite] - Pas de produits invendus - Le délai de livraison est certain et constant - Le stock d’alerte sera constant de période en période puisqu’ étant basé sur la consommation [constante] et le délai de livraison [constant]. Il ne dépend que de la vitesse d’écoulement du stock et du délai de livraison - Il sera par conséquent inutile de constituer un stock de sécurité - Le réapprovisionnement se fera en une seule fois - L’entreprise n’envisagera pas de stratégie de rupture des stocks. Notation : D : Consommation périodique (souvent annuelle) Q : quantité de chaque lot P : Prix unitaire t : taux de possession Cl : coût de passation pour chaque commande (lancement de commande) SS : Stock de sécurité
  • 87.
    Gestion de productionFALLOUL Moulay El Mehdi 86 *Cl D Coût passation Q  et ( )* * 2 Q Coût détention SS P t  ( ) *Cl ( )* * 2 D Q Coût total CT SS P t Q    La quantité économique est la quantité qui minimise le coût total, elle correspond graphiquement à l’intersection entre le coût de passation et le coût de détention du stock. Le minimum est atteint lorsque la dérivée de ce coût total par rapport à Q est nulle. La valeur de Q est alors égale à la quantité économique (notée Qe).  Formule de la quantité économique 2 * ( 0) *Cl 0 2 CT D P t Q Q       2 2* * * * 2*D*Cl * D Cl P t Q Qe P t    
  • 88.
    Gestion de productionFALLOUL Moulay El Mehdi 87  Formule du nombre de commande optimale On pose Q= D/N donc Q/2 = D/N ( ) *Cl ( )* * 2 D Coût total CT N SS P t N    2 ( 0) Cl *P*t 0 2 CT D Q N      2 D* * D* *t P t N Cl P N Cl    Ou bien D N Qe   Formule du coût de la gestion de stock *P*t 2 Q SS Cl CU P D D         Application On dispose des informations suivantes d’une entreprise Lambda, et on vous demande de calculer la quantité économique, la cadence optimale et coût de stockage. - (D) Quantité consommée sur une période (année) 6000 unités - (Cl) Coût de lancement d’une commande 60 Euros - (P) Prix unitaire de chaque article stocké 8 Euros - (t) Taux de possession 25 %
  • 89.
    Gestion de productionFALLOUL Moulay El Mehdi 88 2*6000*60 0.09*8 Qe  = 1000 unités 6000*8*0.09 2*6 N  = 6 commandes par année (tous les 2 mois) 12/6 = 2 (période optimale d’approvisionnement) 60 500*8*0.09 8 8 0.01 0.06 8.07 6000 6000 Cu        (Coût de stockage unitaire) 0 500 1000 1500 2000 2500 1 2 3 4 5 6 7 8 9 10 11 12 Coûts de stockage Coût de passation Coût de possession Coût destockage Nombre de commandes 1 2 3 4 5 6 7 8 9 10 11 12 Coût de passation 60 120 180 240 300 360 420 480 540 600 660 720 Coût de possession 2160 1080 720 540 432 360 308,5714 270 240 216 196,3636 180 Coût de stockage 2220 1200 900 780 732 720 728,5714 750 780 816 856,3636 900
  • 90.
    Gestion de productionFALLOUL Moulay El Mehdi 89 4.2.1.2 Cas où la consommation commence en cours de fabrication du lot Pour le modèle de base, nous avons supposé que la livraison était effectuée en une seule fois. Or il arrive fréquemment que la livraison se cale sur le rythme de la production de façon à ce que le stock soit alimenté en continu par le processus de production. Cette situation peut se modéliser de la manière suivante : Figure : Modèle de réapprovisionnement en continu Soit : • Q : la quantité approvisionnée ; • Cu : le coût unitaire du produit ; • Cmj : la demande moyenne journalière de l’article ; • Pmj : la cadence de livraison ou de production moyenne journalière ; • N : la demande totale sur la période ; • t : le taux de possession ; • Cl : le coût de lancement en fabrication et d’approvisionnement. Remarque : Le taux de production (Pmj) doit être supérieur au taux de consommation (Cmj) sinon on se trouverait en rupture continuelle. Le stock maximal est alors : max *imum Cmj S Q Q Pmj  
  • 91.
    Gestion de productionFALLOUL Moulay El Mehdi 90 Le stock moyen est alors : moyen 1 ( * ) 2 Cmj S Q Q Pmj   Le coût de possession : 1 ( * )*P*t 2 p Cmj C Q Q Pmj   Le coût de passation : C *l N Cl Q  Le coût de gestion des stocks s’exprime donc par la relation : 1 * ( * )*P*t 2 N Cmj Cg Cl Q Q Q Pmj    La quantité économique devient : 2* *Cl (1 )* * D Qe Cmj t P Pmj   Application Une ligne de montage alimente le stock de produits finis et les livraisons aux clients sont quotidiennes. Cette ligne est utilisée au montage de plusieurs références. Pour une référence particulière, les données de gestion du stock sont les suivantes : – la cadence de production Pmj = 50 unités par jour ; – la demande Cmj = 10 unités par jour ; – le coût unitaire Cu = 100 € ; Sachant qu’il y a 250 jours ouvrés par an, quelle est la quantité économique de lancement de cette référence ? 2*2500*50 10 (1 )*100*0.25 50 Qe   = 123 unités
  • 92.
    Gestion de productionFALLOUL Moulay El Mehdi 91 4.2.1.3 Modèle de Wilson avec remises (coûts d’achats dégressifs) Ce modèle retient des remises qui augmentent en fonction de l’augmentation du nombre de commandes. On dispose de plusieurs Prix P1, P2, P3….et des quantités minimales (pour obtenir des remises) Qm1, Qm2, Qm3… et des quantités économiques (calcul selon les nouveaux prix) Qe1, Qe2, Qe3…. Résolution :  1 1 : Q , Q : Q Qm : Q Qm e i i e e i i e i i Si Qm Qm On retient Si Qm On retient Si Qm On retient         On calcule le coût de chaque quantité et on choisit le minimum Application La société ALPHA a pu négocier des remises tarifaires sur pièces mécaniques. Prix d’achat Quantité demandé au moins 0.9 dh 1 0.8 dh 5000 0.79 dh 15000 0.78 40000 Taux de possession est de 9% (un an de stockage), Le coût de lancement est de 30 dh et la société achètera 50000 pièces mécaniques cette année. Question : A quelle fréquence l’entreprise dit-elle passer de nouvelles commandes pour optimiser son coût d’approvisionnement ?
  • 93.
    Gestion de productionFALLOUL Moulay El Mehdi 92 La décision la plus pertinente est de commander une quantité de 40000 à 0.78 dh. 4.2.2 Stock de sécurité Quelle que soit la méthode utilisée, tous les calculs s’effectuent sur des moyennes (consommation, délai d’approvisionnement…). Sauf être dans un monde idéal, cela ne se passe jamais comme on l’a prévu et il faut tenir compte de deux types d’aléas qui peuvent nous conduire à une rupture de stock : • une augmentation de la consommation ; • une augmentation du délai d’approvisionnement. Le stock de sécurité est alors une quantité en stock qui doit permettre de pallier à ces aléas. Le calcul de ce stock de sécurité peut se déterminer de manière déterministe (on se fixe des valeurs moyennes d’aléas) ou de manière probabiliste (on se fixe un taux de service à atteindre). Ce taux de service étant défini comme : Nombre de demandes satisfaites dans la totalit Nombre total de demandes sT  Pi 0,9 0,8 0,79 0,78 Qmi 1 5000 15000 40000 Qei 6086 6455 6496 6537 Qi retenu 5000 6455 15000 40000 N commandes 10 7 3 1 CL(Qi) 300 232,378 100 37,5 CP(Qi) 202,5 232,38 533,25 1404 CS(Qi) 502,5 464,758 633,25 1441,5 Coût d'achat 45000 36148 35550 31200 CT du stock 45502,5 36612,8 36183,25 32641,5
  • 94.
    Gestion de productionFALLOUL Moulay El Mehdi 93 a) Stock de sécurité (modèle déterministe) Si on souhaite pallier à ces aléas, il est possible d’envisager un stock de sécurité qui permettra de réagir face à une augmentation de la consommation ou du délai fournisseur. Le stock de sécurité est à prendre en compte en supplément dans le calcul du point de commande. ➤ Augmentation de la consommation Si cette augmentation revient à une consommation de Cmj’ pièces par unité de temps alors que le point de commande a été calculé avec une consommation de Cmj pièces par unité de temps, le stock de sécurité sera égal à : (Cmj’ – Cmj) DA . Stock de sécurité déterministe (augmentation de la consommation). ➤ Augmentation du délai de livraison Le stock de sécurité est égal à : Cmj * ∆DA où ∆DA est le dépassement prévisible du délai de livraison.
  • 95.
    Gestion de productionFALLOUL Moulay El Mehdi 94 Stock de sécurité (augmentation du délai d’approvisionnement). 4.2.3 Stock de sécurité (modèle probabiliste) Nous avons vu dans le modèle déterministe que le calcul du stock de sécurité se calcule avec des valeurs moyennes de la consommation et du délai d’approfondissement et des écarts déterministes de ces valeurs. D’une manière générale, on caractérise la consommation et le délai par une loi normale. Afin de mieux comprendre les calculs, les exemples ci-dessous ne concernent que les produits approvisionnés par la méthode du point de commande. Dans ce cas, le délai de protection se limite au délai d’approvisionnement. ➤ Augmentation de la consommation La recherche du stock de sécurité revient à rechercher la valeur limite t qui nous assure une probabilité P % (taux de service) que la variable X (demande moyenne : Cmj) soit inférieure ou égale à cette limite. P(X t) =P X X t X            
  • 96.
    Gestion de productionFALLOUL Moulay El Mehdi 95 Exemple d’application Étant donnée une pièce dont la consommation journalière Cmj suit la loi normale c (20; 2,5), quel est le stock de sécurité qui nous assure un taux de service de 95 % avec un délai d’approvisionnement de 8 jours ouvrés. Stock de sécurité probabiliste (augmentation de la consommation). Une probabilité de 95 % correspond à  (1,645) 20 P(Cmj t) =P (1.65) 2.5 Cmj Cmj t            ∆Cmj ≤1,645 2,5 4,1125 donc Ssec 4,1125* 8 32,9 soit 33 pièces. Le point de commande, sans stock de sécurité, étant de 160 pièces (20 8) devient, avec stock de sécurité 193 pièces (160 33). ➤ Augmentation du délai de livraison Dans ce cas, le raisonnement est similaire au précédent conformément à la figure ci-dessous.
  • 97.
    Gestion de productionFALLOUL Moulay El Mehdi 96 Stock de sécurité probabiliste (augmentation du délai d’approvisionnement). Exemple d’application Étant donnée une pièce dont la consommation journalière Cmj est de 20 pièces, quel est le stock de sécurité qui nous assure un taux de service de 95 % avec un délai d’approvisionnement en jours ouvrés qui suit la loi normale D (8 ; 2) ? Une probabilité de 95 % correspond à Π (1,645). 8 P(DA t) =P (1.65) 2 DA DA t            ∆DA ≤1,645 2 3.29 donc Ssec 3.29* 20 65.8 soit 66 pièces. Le point de commande, sans stock de sécurité, étant de 160 pièces (20 8) devient, avec stock de sécurité 226 pièces (160 66).
  • 98.
    Gestion de productionFALLOUL Moulay El Mehdi 97 ➤ Augmentation de la consommation et du délai de livraison Exemple d’application Étant donnée une pièce dont la consommation journalière Cmj suit la loi normale c (20 ; 2,5), quel est le stock de sécurité qui nous assure un taux de service de 95 % avec un délai d’approvisionnement en jours ouvrés qui suit la loi normale D (8 ; 2) ? Tout d’abord, en considérant le délai moyen et la variation de la consommation, la demande totale, sur la période du délai d’approvisionnement suit donc une loi normale γ ((20 × 8) ; (2,5)) c’est-à-dire la loi γ (160 ; 7,07). De même, en considérant la consommation moyenne et la variation du délai, la demande totale suit également la loi normale liée au délai γ1 (160 ; 20 × 2), c’est- à dire la loi γ1 (160 ; 40). Les variations de la consommation et du délai étant indépendantes, on peut appliquer la propriété de l’additivité des variances du théorème de la limite centrale. L’écart type de l’ensemble est égal à 2 2 2 2 1 2= 7.07 40 40.62      On peut donc maintenant considérer que la demande suit la loi normale D (160 ; 40,62). Le stock de sécurité sera alors de : Ssec = 1,645 × 40,62 = 67 pièces. Le point de commande, sans stock de sécurité, étant de 160 pièces (20 × 8) devient, avec stock de sécurité 227 pièces (160 + 67). Remarque : Au regard des données de l’entreprise et des résultats obtenus, on peut noter que ce sont les variations de la consommation liées au délai qui sont les plus critiques.
  • 99.
    Gestion de productionFALLOUL Moulay El Mehdi 98 Chapitre 5 : Contrôle statistique de la qualité 2. Contrôle statistique des lots 2.1 Champ d'application Principalement utilisé en contrôle final chez le fournisseur ou en contrôle de réception chez le client, ce contrôle statistique des lots ou contrôle par échantillonnage s’oppose au contrôle à 100%. En effet, dans le contrôle à 100%, chaque produit est contrôlé. Lors du contrôle par échantillonnage, on ne contrôle qu’un échantillon (une partie du lot) pour accepter ou refuser tout le lot. Produit de sécurité Produit sans risque Contrôle destructif Echantillonné Echantillonné Contrôle non destructif 100% Echantillonné Le contrôle destructif (CD) : Le contrôle destructif d'un nombre limité de produit valide un lot. Dans ce cas le contrôle s'accompagne ou même parfois est remplacé par un contrôle des paramètres de fabrication (température, pression, intensité électrique etc.) ayant une influence sur l'obtention de la caractéristique ne pouvant être mesuré que par un procédé destructif Le contrôle non destructif (CND) : C’est un contrôle qui peut être effectués sans détruire la pièce ou l'ensemble qui doit être contrôlé : mesures dimensionnelles, électriques, de couleur etc. Le contrôle 100% : Le contrôle à 100% est bien sûr nécessaire lorsqu’il y a un risque pour la vie des personnes ; aussi, le contrôle par ultrasons (par ondes ultrasons à l’intérieur des matériaux) doit se faire sur toutes les pièces. Pour des raisons évidentes, le contrôle par échantillonnage devra être utilisé pour tous les contrôles destructifs. La rotule après le test de résistance aux chocs n’est plus utilisable donc on adoptera un contrôle échantillonné.
  • 100.
    Gestion de productionFALLOUL Moulay El Mehdi 99 Remarque : Un contrôle à 100% ne veut pas dire que l’on contrôle toutes les caractéristiques du produit mais une seule. 2.2 Niveau de qualité acceptable, risque client, risque fournisseur, choix, taille d'échantillon 2.2.1 Risque client, risque fournisseur Il existe deux types de risque pour le contrôle par échantillon :  : Le risque fournisseur est la probabilité, pour un plan d'échantillonnage donné, de se voir refuser un lot considéré comme mauvais alors qu’il est bon  : Le risque client est la probabilité, pour un plan d'échantillonnage donné, d’accepter un lot mauvais alors qu’il est bon. Le lot est conforme Le lot n’est pas conforme Refus Risque  Décision correcte Acceptation Décision correcte Risque  Lorsque l’on a déterminé les risques clients et fournisseurs correspondant à des lots contenant différents pourcentages de défectueux, on peut construire la courbe d’efficacité des plans d’échantillonnage (établie grâce à la loi de Poisson), qui permet d’établir la relation entre la probabilité d'acceptation du lot et le pourcentage de défectueux du lot.
  • 101.
    Gestion de productionFALLOUL Moulay El Mehdi 100 Un plan d’échantillonnage : c’est le fait de déterminer les éléments suivants : - La taille d’échantillon (n) - Le critère d’acceptation C (ou k) le nombre de défectueux admis dans l’échantillon avant de rejeter le lot. Application : Pour la fabrication d’écrous, supposons qu’on prend les deux décisions suivantes (sur la base d’un contrôle de diamètre) : -Nous acceptons des lots dont le taux de défectueux p0= 2%, -Nous rejetons les lots dont le taux de de défectueux p1 =12%.
  • 102.
    Gestion de productionFALLOUL Moulay El Mehdi 101 Tableau d’inspection par échantillonnage standard simple par attributs ( = 5% et  =10) A partir de la lecture de la table standard, on a : n=40 et c=2 à partir des deux valeurs de p0 et p1, avec un risque client de 1% et un risque fournisseur de 5%. Niveau de qualité acceptable (NQA)
  • 103.
    Gestion de productionFALLOUL Moulay El Mehdi 102 Le NQA : est le pourcentage maximum p0 d’individus défectueux d’un lot qui peut être considéré comme satisfaisant en tant que moyenne d’un processus. Il est déterminé par un accord commun entre le fournisseur et le client. Lorsque la taille des lots, le niveau de contrôle et le NQA sont définis, on peut déterminer à l'aide de tables (ci-dessous MIL STD 105 E, NFX 06-022, ISO 2859), la taille des échantillons et le nombre de défectueux dans l’échantillon au-delà duquel on va refuser le lot. Application : On souhaite procéder à un contrôle de lots de 5000 pièces, de niveau de contrôle 2 avec un NQA de 1%. Déterminer la taille de l’échantillon et les critères d’acceptation et de rejet. Réponse : Puisque le lot est de 5000, on obtient de la table standard 1 la lettre code L et la taille de l’échantillon n = 200 Puis la lettre code est L et le NQA est de 1% , on peut déterminer de la table 2 suivante les critères d’acceptation et de rejet A= 5 et R = 6
  • 104.
    Gestion de productionFALLOUL Moulay El Mehdi 103 Conclusion : Pour valider le lot, on doit prélever et contrôler un échantillon de 200 pièces, si l’échantillon comporte au plus 5 pièces défectueuses le lot sera accepté, si le lot comporte plus défectueuses, le lot sera rejeté. Plans de contrôle Lorsque les risques et les niveaux de qualité sont choisis par un accord commun entre client et fournisseur, il faut déterminer le type de plan de contrôle. Plan de contrôle simple : - On prélever un échantillon de n individus et on contrôler le nombre k de défectueux. -On accepte le lot si le critère d’acceptation est supérieur au nombre K. - On rejette le lot si le critère d’acceptation est inférieur au nombre K. Le schéma suivant illustre ce type de plan :
  • 105.
    Gestion de productionFALLOUL Moulay El Mehdi 104 Plans doubles : Le principe est identique mais on donne une deuxième "chance" avant de rejeter le lot en prélevant un deuxième échantillon.
  • 106.
    Gestion de productionFALLOUL Moulay El Mehdi 105 Plans multiples : Le troisième type de plan est le plan multiple, sur le même principe que le plan double, il consiste à réaliser et à prélever plusieurs échantillons. 2.2.4 Contrôle réduit, contrôle renforcé A partir des résultats des contrôles de réception, le client procède à une classification des fournisseurs comme suit : -Si un fournisseur est douteux quant à la qualité de ses produits, le client pratiquera un contrôle renforcé,
  • 107.
    Gestion de productionFALLOUL Moulay El Mehdi 106 -Si un fournisseur est sur quant à la qualité de ses produits, le client utilisera un plan réduit. La norme prévoit comme suit le passage entre les différents plans : Exemples de différents contrôles extraits de la norme NFX 06 022 :
  • 108.
    Gestion de productionFALLOUL Moulay El Mehdi 107 La Maîtrise Statistiques des Procédés (MSP) ou Statistical process control (SPC) La MSP est Essentiellement utilisé pour les contrôles en cours de fabrication pour les productions en grande série ou lorsque les moyens de contrôle sont destructifs. Il consiste à prélever des échantillons et à vérifier que la moyenne, l’étendue ou l’écart-type se trouve dans l’intervalle de confiance matérialisé par des limites sur un graphique de contrôle appelé carte de contrôle. 3.2 Causes assignables et variabilité aléatoire Pour les productions en série, les caractéristiques des produits ne sont pas identiques d’un produit à l’autre (diamètre d’un axe, poids d’un aliment, dureté d’une pièce...). En effet, tout procédé de fabrication, il existe des sources de variabilité. Il existe de deux types de variabilité : - Une variabilité aléatoire "normale" : inhérente au procédé, par exemple jeu dans une machine-outil, usure d’un outil… - Une variabilité importante et brutale : due à une cause assignable (identifiable) à une cause précise, par exemple un réglage d’outillage, un changement de machine, une opération de maintenance… L’objectif des cartes de contrôle est de vérifier que le procédé n’est affecté que par la variabilité aléatoire normale : le procédé est alors sous contrôle. Cela consiste à vérifier que la tendance centrale (moyenne arithmétique, médiane) et la dispersion (étendue, écart-type) restent entre des limites établies selon certains critères statistiques. 3.3 Capabilités La première étape de vérification si le procédé de fabrication est sous contrôle est de vérifier s’il est capable (machine par exemple est capable ou non). Pour vérifier cette capabilité on peut calculer un indice de capabilité, il en existe plusieurs :
  • 109.
    Gestion de productionFALLOUL Moulay El Mehdi 108 - Les indices de capabilité machine (Cm et Cmk) - Les indices de capabilité procédée (Cp et Cpk) - L’indice de capabilité Cpm ou "indice de capabilité Taguchy". Indices de capabilités Utilisation 6 IT Cm   La machine sera dite capable si Cm≥1,33. IT Intervalle de tolérance σ Ecart type estimé. La capabilité machine uniquement, ne prend en compte la variabilité aléatoire de la machine (pas de changement d’opérateur, de matières, pas de réglage). min ; 3 3 X Ti Ts X Cmk            Si Cmk ≥1,33 alors la machine est bien centrée. (capable et bien réglée) L’indice Cmk mesure à la fois si la machine est capable mais aussi si celle-ci est bien réglée. 6 Ts Ti Cpm    22 2 1 ( )( ) ( ) 1 1 1 n ii i x Xx T n X T n n n            2 2 ( ) 1 n X T s n     S 2 mesurant la dispersion et le deuxième terme mesure l’écart par rapport à T la valeur cible. Si Cpm ≥1,33 alors la machine est bien centrée. (capable et bien réglée) càd ne s’éloigne pas de la valeur cible. L’indice de capabilité Cpm ou "indice de capabilité Taguchy" veille aussi à ce que l’on ne s’éloigne pas trop d’une valeur cible (en général le milieu de l’intervalle).
  • 110.
    Gestion de productionFALLOUL Moulay El Mehdi 109 Application : Soit les paramètres relatifs à une machine de production de pièces mécanique : - Cote à réaliser (intervalle de tolérance) = 10+ou – 0.48 mm ; - Ecart type estimé : 0.12mm ; - Moyenne : 10 mm - Taille de l’échantillon n = 50 - Valeur cible T= 9.5mm Tester la capabilité de cette machine. Réponse : 10.48 9.52 0.96 1.33 6 6*0.12 0.72 Ts Ti Cpm        La machine est capable. 10 9.52 10.48 10 min ; min ; 1.33 3 3 3*0.12 3*0.12 X Ti Ts X Cmk                  La machine est bien réglée : elle peut être mise sous contrôle. Calculons maintenant l’indice Cmp de Taguchi 2 2 2 2 1 ( ) ( ) 50(10 9.5) 0.12 0.524 1 1 49 10.48 9.52 0.96 0.30 1.33 6 6*0.524 3.14 n i i x T n X T s n n Ts Ti Cpm                       Au sens de Taguschi la machine n’est pas bonne car on s’éloigne trop de la cible.
  • 111.
    Gestion de productionFALLOUL Moulay El Mehdi 110 Les cartes de contrôle Suivant le type de la caractéristique contrôlée, il existe deux grandes familles de cartes de contrôle : -La carte de contrôle aux mesures qui permet de suivre une caractéristique mesurable de façon continue, par exemple une dimension, un poids… -La carte de contrôle aux attributs qui permet de suivre une caractéristique non mesurable ou contrôlée à l’aide de calibres, par exemple un contrôle visuel, un contrôle réalisé avec un calibre mini- maxi permettant de trier les pièces non conformes. 3.5 Cartes de contrôle aux mesures Les cartes de contrôle aux mesures les plus utilisées sont les suivantes : -Carte des moyennes X et de l’étendue R (ou W) -Carte des moyennes X et de l’écart-type σ X : est la moyenne de chaque échantillon R : L’étendue de chaque échantillon σ : L’écart type de chaque échantillon 3.6 Calcul des limites Si l’on considère (à vérifier) que la moyenne des échantillons suit une loi normale, alors 99,8% (99,74%) des mesures sont comprises dans l’intervalle moyenne ± 3,09 (3) σx σx étant l’écart-type de la distribution des moyennes des échantillons. Notation 2 2 3 A d n  : écart type de la distribution des moyennes des échantillons T : valeur cible (étant en général la moyenne de l’intervalle de tolérance) S : écart type de l’échantillon X : Moyenne de l’échantillon n : taille de l’échantillon
  • 112.
    Gestion de productionFALLOUL Moulay El Mehdi 111 R : Moyenne des étendues de chaque échantillon S : Moyenne des écarts type de chaque échantillon  : écart type de la population m : moyenne de la population N : taille de la population Paramètre la population Paramètre de la distribution des échantillons  X n    Si  est inconnu on l’estime -A partir de la moyenne des étendues : 2 R d   -A partir de la moyenne des écarts types : 4 S c   m X R R S S 1. Carte des moyennes X et de l’étendue R (ou W) Pour chaque échantillon prélevé, on calcul la moyenne et l’étendue des valeurs observées. 1 2 .... mX X X X m    
  • 113.
    Gestion de productionFALLOUL Moulay El Mehdi 112 1 2 .... mR R R R m     1 2 .... mS S S S m     Limites inférieures et supérieurs de la carte moyenne-étendue 2 23 3 3 R d LSC X X X A R n n        Puisque 2 2 3 A d n  Donc 2 2 3 3 LSC X A R LSI X A R     A2 et d2 sont tirés de la table de Shewhart. Limites inférieures et supérieurs de la carte moyenne-écart type 4 33 3 3 S c LSC X X X A S n n        Puisque 3 4 3 A c n  Donc 3 3 3 3 LSC X A S LSI X A S     A3 et c4sont tirés de la table de Shewhart
  • 114.
    Gestion de productionFALLOUL Moulay El Mehdi 113 Table : coefficients pour la détermination des limites de contrôle de Shewhart Application : On cherche à étudier la stabilité d’un processus d’usinage de rotors, fabriqué au rythme de 1000 rotors par semaine à l’aide des cartes (moyennes-étendue) et (moyennes-écart type). On prélève 20 échantillons de taille n= 5. Le tableau suivant contient les diamètres de ces échantillons.
  • 115.
    Gestion de productionFALLOUL Moulay El Mehdi 114 1 2 .... 135 ...... 135 135nX X X X m m         1 2 .... 0.0022 ..... 0.041 0.002605 20 mR R R R m         1 2 .... 0.000865 .... 0.001462 0.001074 20 mS S S S m         On calcule A2 et A3 2 2 3 3 0.576 2.3260 5 A d n    et 3 4 3 3 1.427 0.94 5 A c n    Limites cartes (moyenne-étendue) 2 2 3 135 3*(0.02605*0.577) 135.04 3 135 3*(0.02605*0.577) LSC X A R LSI X A R          
  • 116.
    Gestion de productionFALLOUL Moulay El Mehdi 115 Limites cartes (moyenne-écart type) 3 3 3 135 3*(1.427*0.001074) 3 135 3*(1.427*0.001074) LSC X A S LSI X A S           Le logiciel XLSTAT nous permet d’obtenir Les cartes de contrôle directement : Carte de contrôle (moyenne-étendue)
  • 117.
    Gestion de productionFALLOUL Moulay El Mehdi 116 Carte de contrôle (moyenne-écart type) D’après les deux cartes le processus de fabrication est sous contrôle. 134,998 134,9985 134,999 134,9995 135 135,0005 135,001 135,0015 135,002 Valeurs Observations Carte X-barre Moyenne CL LCL UCL C Borne inf. C Borne sup. B Borne inf. B Borne sup.
  • 118.
    Gestion de productionFALLOUL Moulay El Mehdi 117 Pour établir les limites de contrôle de la S, on lit dans la table standard de Shewhart les valeurs des coefficients B3=0 et B4= 2.089. Par l’équation suivante on obtient les valeurs suivantes pour les paramètres de la carte S de Shewhart. 4 3 (2.089)*(0.001074) 0.00224 0.001074 0 LSC B S LC S LCI B S        Les cartes de contrôle aux attributs Il arrive fréquemment que les conditions de qualité ne soient pas mesurables ou qu'il soit plus pratique ou économique de réaliser un contrôle à l'aide de calibres. On utilise alors une carte de contrôle aux attributs. Les principales cartes de contrôle aux attributs sont : Carte p, np, c et u :
  • 119.
    Gestion de productionFALLOUL Moulay El Mehdi 118
  • 120.
    Gestion de productionFALLOUL Moulay El Mehdi 119 ANNEXES Loi de Student
  • 121.
    Gestion de productionFALLOUL Moulay El Mehdi 120
  • 122.
    Gestion de productionFALLOUL Moulay El Mehdi 121
  • 123.
    Gestion de productionFALLOUL Moulay El Mehdi 122 Loi de Poisson
  • 124.
    Gestion de productionFALLOUL Moulay El Mehdi 123